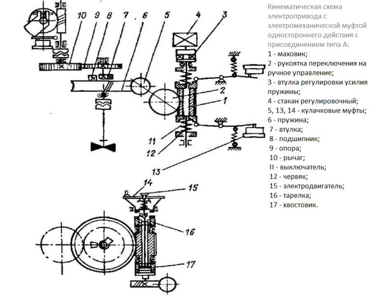
Схема управления задвижкой с электроприводом: Схема подключения и управления задвижки с электроприводом
Схема подключения и управления задвижки с электроприводом
Задвижки и заглушки
Задвижка с электроприводом – это трубопроводная арматура, в которой запор перемещается под углом 900 по отношению к оси потока рабочей среды.
Задвижка BETRO с электроприводомЭлектрический привод в этом устройстве приводит в действие запорный механизм.
Cодержание статьи
- 1 Применение арматуры
- 1.1 Разновидности электроприводных задвижек
- 2 Особенности задвижек с электроприводом
- 2.1 Достоинства и недостатки арматуры с электроприводом
- 2.2 Особенности выбора и монтажа арматуры с электрическим приводом
- 2.3 Установка электропривода на арматуру (видео)
- 2.4 Похожие статьи
Применение арматуры
Стальная задвижка с электроприводом (диаметр ДУ50) используется в системах водоснабжения. Электропневматическую задвижку ВВ 32 монтируют в насосы, смесители и канализационные системы.
Шкаф управления осуществляет контроль входящего электричества и работу затворного устройства.
Электроприводное запорное устройство ДУ100 широко используется в системах переработки сточных вод и магистралях, транспортирующих питьевую воду.
Реечные стальные задвижки с электроприводом устанавливают в том случае, когда необходима полная автоматизация погружных насосов. В этом случае задвижка с пневмоприводом обеспечивает точную регулировку скорости потока рабочей среды и ее давление.
Клиновая задвижка с электроприводомШкаф управления создает предельно точные сигналы для корректной работы арматуры. Помимо этого, реечные устройства с электроприводом, используемые постоянно, осуществляют регулирование количества потребляемой воды. На затворный механизм может устанавливаться дистанционная колонка, которая будет выполнять управление потоком рабочей среды.
Реечные задвижки имеют стальной прямоугольный корпус с перемещающимся по направляющим шибером.
Внизу шибера прикреплена зубчатая рейка, сопряженная с шестерней. Приводной вал соединен с редуктором.
Разновидности электроприводных задвижек
Электроприводная стальная клиновая задвижка 30с941нж в системах орошения или пожаротушения с высокой степенью точности контролирует уровень подачи среды в соответствии с заданным первоначально режимом.
Может использоваться в системах транспортировки жидкости и газа – пар, газ, нефть и нефтепродукты. Клиновая задвижка может эксплуатироваться в трубопроводах с температурой рабочей среды до +4250С.
Стальная задвижка с условным ДУ80 позволяет распределять нагрузку в автоматическом режиме во время использования скважины. После установки в систему перекачки или добычи воды задвижки ДУ50, в накопительную емкость можно стабильно подавать фиксированный объем воды.
Колонка ДУ значительно упрощает управление арматурой. Устройство стальной арматуры подразумевает минимальное количество энергопотерь.
Колонка – это специальное устройство, которое предназначено для дистанционного управления операциями закрывания или открывания задвижки, установленной на глубине. В зависимости от того, каким типом привода оснащена колонка, бывают два типа устройства:
- Колонка с ручным управлением.
- Колонка с электроприводом.
Клиновая задвижка 30с941нж помимо отличных технических характеристик, еще и стоит недорого – средняя цена на такую арматуру колеблется в диапазоне 4-5$.
Колонка управления задвижкойСтальная задвижка 30ч906бр – это автоматизированный запорно-регулирующий узел, который осуществляет открытие или закрытие арматуры посредством электропривода. Стандартные задвижки ДУ200 подают два вида команд — «закрыть/открыть».
Широкое распространение этой модели электроприводных задвижек обеспечила простота управления механизмом. Стоит электроприводная стальная арматура 30ч906бр с условным ДУ50, ДУ80 — ДУ200 несколько дороже, чем клиновая задвижка 30с941нж — 25-35$.
Клиновая задвижка 30с964нж предназначена для установки в системы транспортировки воды, газа, нефти, масла с температурой рабочей среды до +3000С. Управляется клиновая арматура при помощи электропривода. Также есть возможность ручного управления.
Стальная клиновая задвижка 30с964нж монтируется на трубопровод посредством фланцевого способа соединения. Исключение составляет вентиль с условным ДУ 1000/800, которая снабжается патрубками под приварку. Клиновая арматура устанавливается на горизонтальном трубопроводе электроприводом вверх.
Особенности задвижек с электроприводом
Технические характеристики электроприводной арматуры, в зависимости от того, какая электрическая принципиальная схема используется, позволяют иметь три варианта управления:
- Дистанционный режим (используется колонка для управления вручную).
- Автоматический режим (используется шкаф управления электроприводом).
- Режим наладки.
Схема различий изделий определяется исходя из следующих параметров:
- Тип управления – дистанционный или местный вид привода.

- Способ крепления на задвижке – штепсельный разъем или сальниковый ввод.
- Конструкция, тип и размер привода.
Задвижки ДУ50, ДУ 80, ДУ 100 — полнопроходные, то есть диаметр самой арматуры совпадает с диаметром трубопровода. Это соответствие обеспечивает максимально надежное соединение и герметичность перекрытия потока рабочей среды.
Однако эта особенность создает достаточно узкую сферу применения устройства: его устанавливают только в тех трубопроводах, в которых требуется полное перекрытие рабочего вещества. Если выполнить операцию «открыть», то проход будет открыт полностью.
Нельзя использовать запорные устройства для регулировки напора или скорости течения потока воды, поскольку могут сформироваться гидравлические удары, которые выведут оборудование из строя.
Шкаф управления приводом обеспечивает управление устройством в режиме «автомат» или «ручной», контролирует уровень напряжения в сети, а также формирует пакеты данных о состоянии задвижки.
Шкаф управления используется в самых разных системах: водозаборах, пожарных установках или насосных станциях.
Достоинства и недостатки арматуры с электроприводом
Запорные устройства с электрическим приводом имеют ряд положительных качеств:
- они устойчивы к воздействию коррозийных процессов;
- арматура обладает малым гидравлическим сопротивлением;
- стальные задвижки имеют высокий класс прочности и надежности, а также высокую частоту вращения электропривода;
- схема подключения требует небольшое количество расходного материала: нужны всего два кабеля;
- для работы может использоваться колонка ДУ50;
- шкаф управления приводом отвечает за несанкционированные перепады напряжения;
- простота в эксплуатации и обслуживании.
Из недостатков можно выделить следующие пункты:
- для подключения необходим шкаф, поскольку электропривод должен подключаться к постоянному источнику питания;
- некоторые модели имеют слабую сопротивляемость потоку рабочего вещества;
- если в качестве уплотнителей используются материалы низкого качества, то не исключена разгерметизация устройства.

Особенности выбора и монтажа арматуры с электрическим приводом
При выборе арматуры учитывают ее эксплуатационные характеристики и условия эксплуатации. К ним относится температура рабочей среды и схема уровня давления в трубопроводе. Необходимо также обратить внимание на пропускную способность устройства, а также на то, что потребуется шкаф управления электроприводом.
Задвижка шиберная ножевая с электроприводом типа открыть/закрытьТак, например, для бытового применения, этот параметр может быть минимальным. Диаметр запорной арматуры (ДУ 50, ДУ 80 и т. д.) должен соответствовать диаметру трубопровода.
При установке нельзя допускать, чтобы трубопровод оказывал на запор изгибающее или растягивающее усилие. Под задвижкой оборудуют платформу, которая избавит входные патрубки устройства от нагрузок.
Процедуру подключения арматуры необходимо осуществлять, строго придерживаясь инструкции к изделию, ориентиром также должна служить схема трубопроводной магистрали.
Также вы можете подробнее прочитать про шиберные ножевые задвижки.
Установка электропривода на арматуру (видео)
Похожие статьи
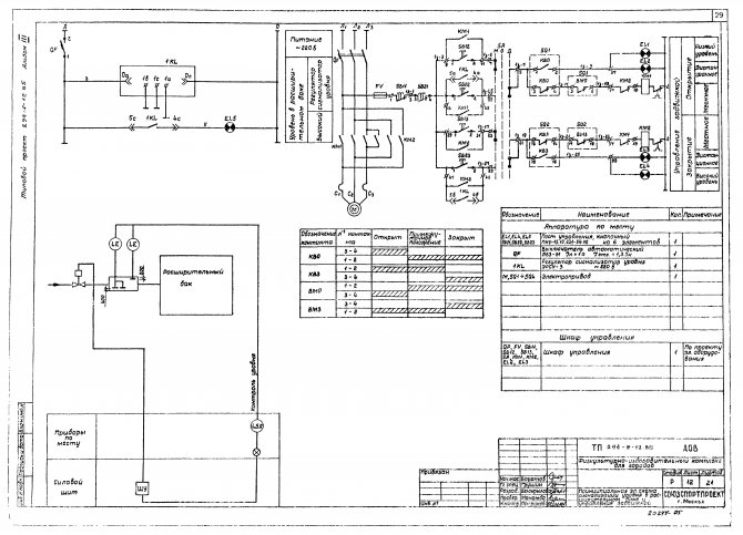
2.3.2. Электрическая схема управления задвижкой
Для управления задвижками применяется реверсивный электропривод. Задвижки с электрическим приводом широко применяются в схемах управления паровых и водогрейных котлов. Их устанавливают на трубопроводах сетевой воды до и после котла, газопроводе и мазутопроводе к котлу, трубопроводах обвязки насоса питательной воды, на напорном трубопроводе сетевой воды.
Для
примера рассмотрим схему управления
электроприводом задвижки на напорном
трубопроводе сетевой воды (рис.
2.22)
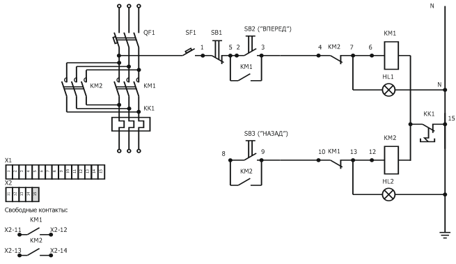
[9]. В схеме применен реверсивный магнитный
пускатель, состоящий из двух контакторов КМ1, КМ2 и электротеплового реле КК.
Схемой предусматривается ручное и
автоматическое управление электроприводом.
В ручном режиме нажатием на кнопку
управления SB1 подается напряжение на катушку КМ1 магнитного
пускателя открытия задвижки. При
достижении запорным органом полного
открытия конечный выключатель
Останов
электропривода при закрытии задвижки
осуществляется муфтой предельного
момента SQ5.
При достижении необходимой плотности
при закрытии задвижки момент вращения,
развиваемый электроприводом, становится
больше номинального значения, и муфта
предельного момента воздействует на
конечный выключатель SQ5,
который, срабатывая, кратковременно
размыкает свой контакт.
Цепь катушки КМ2 магнитного пускателя разрывается, и
электропривод останавливается. Для
прекращения действия ошибочно поданной
команды, а также для
кратковременно остановки задвижки в промежуточном положении в схеме предусматривается установка кнопки управления SB3 (Стоп).
Рис. 2.22. Принципиальная электрическая схема управления
электроприводом задвижки на напорном трубопроводе се- тевой воды
При
включении магнитным пускателем
электропривода на открытие задвижки
блок-контактом контактораКМ1 размыкается цепь катушки контактора КМ2,
и наоборот, то есть в схеме предусмотрена
электрическая блокировка, исключающая
возможность одновременного включения
обеих катушек реверсивного магнитного
пускателя. Сигнальные лампы HL1, HL2 и HL3 сигнализируют
соответственно полное открытие, полное
закрытие запорного органа и срабатывание
муфты предельного момента.
Ключ SA,
установленный в цепях сигнальных ламп HL1 и
В автоматическом режиме открытие и закрытие задвижки осуществляется контактами К1 реле дистанционного управления К1 насоса сетевой воды (см. рис. 2.27). При пуске электродвигателя насоса задвижка открывается и после его отключения закрывается.
циркуляционными насосами
Циркуляционные насосы устанавливают в ЦТП для горячего водоснабжения. Они поддерживают требуемую температуру и давление воды у водоразборных точек.
Для примера рассмотрим электрическую схему управления циркуляционными насосами (рис. 2.23), устанавливаемыми на ЦТП для циркуляции горячей воды контура системы теплопотребления (см. рис. 3.1-3.3 [10]).
Принцип
работы схемы.
Рис. 2.23. Принципиальная электрическая схема управления
циркуляционными насосами
Если по какой-либо причине остановился насос
Это происходит следующим образом. Реле КА срабатывает и своим размыкающим контактом КА (3-5)
снимает напряжение с катушки реле
управления К1,
а замыкающим контактом КА (3-7) подает напряжение на катушку
промежуточного реле К2.
Реле К2 срабатывает и замыкающим контактом К2 (1-17) подает напряжение на катушку
магнитного пускателя КМ2,
который силовыми контактами КМ2 включает в работу электродвигатель М2 насоса НЦ2.
Одновременно загорается сигнальная
лампа HL2 «Нормальная работа насоса НЦ2»,
включается звонок громкого боя НА и загорается сигнальная лампа HL3 «АВР включена». Замыкающим контактом КА (1-27) шунтируется замыкающий контакт КТ.
Сигнализацию можно отключить нажатием
на кнопку управления SB (27-29). При
выборе рабочим насоса НЦ2 переключатель SA устанавливают в положение II. Тогда рабочим будет насос НЦ2,
а резервным насос НЦ1.
В схеме предусмотрены все виды защит силовой цепи и цепи управления. Максимальная защита осуществляется автоматическими выключателями QF1, QF2 и SF, защита от перегрузки тепловыми расцепителями автоматических выключателей QF1, QF2 и электротепловыми реле КК1 и
Цепь управления электроклапаном
Цепь управления электроклапаномКонтрольно-измерительные приборы и автоматика
ru
wap
Приложение для Windows ⁄ Android
Здесь представлены простейшие схемы управления электроклапанами, применяемыми в КИПиА на основе концевых выключателей.
Схема управления электроклапаном в простейшем случае представляет собой блок концевых выключателей, соединенных с кнопками управления и электромагнитными реле (пускателями). В большинстве случаев он содержит блокировку ручного управления.
Может содержать реле отключения тока (мгновенное отключение при превышении уставки тока) и телеметрический указатель положения клапана. В данной статье не рассматривается.
На рисунках 1 и 2 показаны две схемы управления клапаном. В первом для управления электродвигателем и сигнальными лампами задвижки используются четыре концевых выключателя, во втором — два.
Общие элементы:
К1 — электромагнитное реле (стартер) на размыкание;
К2 — электромагнитное реле (стартер) на включение;
SB1 — кнопка «Открыть»;
SB2 — кнопка «Закрыть»;
SB3 — кнопка «Стоп»;
E1 — лампа индикации открытия клапана «Открыто»;
E2 — лампа индикации закрытия клапана «Закрыто»;
S6 — тепловое реле, отключающее электродвигатель при увеличении тока нагрузки — заедание клапана, редуктора, пропадание одной фазы.![]()
S1 — предохранительный выключатель электрической цепи управления. При переводе клапана на ручное управление он блокирует цепи управления электроклапаном, предотвращая случайное включение его с пульта управления, чтобы не пострадал технологический персонал и т.д.
S2 — S5 — контакты концевых выключателей, управляемые кулачковым механизмом агрегата, жестко механически связанные с управляемой арматурой.
К1.3 — К1.5, К2.3 — К2.5 — силовые контакты реле К1 и К2, подающие напряжение 380 В переменного тока на двигатель.
Рис. 1. Схема управления электроклапаном с четырьмя концевыми выключателями
Принцип действия
При среднем положении электроклапана и выключенном ручном режиме фаза «С» проходит через контакты кнопки остановки SB3, замкнутый контакт переключателя ручного режима (S1) и концевые выключатели S2 и S3 к контактам кнопок SB1 и SB2 (открыть, закрыть).
При нажатии кнопки SB1 «Открыть» реле К1 срабатывает и самозапускается через контакты К1.1. Через его силовые контакты К1.2 до К1.5 подается напряжение на электродвигатель М1, клапан начинает открываться до тех пор, пока не будет нажата кнопка SB3 «Стоп» или кулачковый механизм блока концевых выключателей не разомкнет контакт S2, отвечающий за для остановки клапана в положении «Открыто». При достижении этого положения, т.е. ворот в положении «Открыто», контакт выключателя S4 должен быть замкнут (задается соответствующим кулачком в блоке концевых выключателей), лампа Е1 указывает на открытое положение ворот начинает светиться. Дальнейшие попытки нажать кнопку «Открыть» ни к чему не приводят. Контакты переключателя S2 разомкнуты и на кнопку SB1 «Открыть» напряжение не подается. Однако на кнопку SB2 «Закрыть» поступает напряжение через контакты S3, при ее нажатии клапан закрывается.
Аналогично реализован механизм закрытия клапана. Если он находится в среднем или открытом положении, то при выключенном ручном режиме фаза «С» проходит через контакты кнопки остановки SB3, замкнутый контакт ручного переключателя (S1) и замкнутый концевой выключатель S3 на кнопку SB2 «Закрыть».
При ее нажатии реле К2 срабатывает и самозапирается через контакты К2.1, напряжение через его силовые контакты подается на двигатель М1 (с перепутанием фаз «В» и «С») и клапан начинает открываться. закрываться до тех пор, пока не будет нажата кнопка SB3 «Стоп» или концевой выключатель S3 не будет разомкнут при закрытой задвижке. Также загорается лампа Е2, указывая на то, что клапан закрыт. Для этого необходимо правильно расположить толкатель кулачкового механизма, который отвечает за замыкание контакта выключателя S4.
Нормально замкнутые контакты реле К1.2 и К2.2 размыкаются в противоположные стороны при срабатывании соответствующего реле, тем самым предотвращается одновременное срабатывание обоих реле, что может привести к короткому замыканию.
Преимущества
Переключатель ручного режима S1 напрямую подключен к цепи контактной колодки концевых выключателей S2-S5, что позволяет монтировать цепь управления задвижкой от пульта управления 5-жильным кабелем.
Недостатки
В данной схеме управления электроклапаном используются четыре концевых выключателя, два для отключения цепей управления, два для включения сигнальных ламп, что требует настройки каждого концевого выключателя в отдельности. Но если по технологии требуется, чтобы лампы индикации конечного положения загорались раньше, чем это положение будет достигнуто, то это может быть достоинством.
Рис. 2. Схема управления электроклапаном с двумя концевыми выключателями
Принцип действия
Аналогична предыдущей схеме, за исключением того, что контакты ручного выключателя S1 вынесены за пределы блока концевых выключателей, т.е. фаза «С» подается непосредственно на контакты S2 и S3. Это позволяет использовать только два концевых выключателя, используя их нормально разомкнутые контакты для включения ламп индикации положения арматуры. Это очень удобно, так как сигнальные лампы загораются только в тот момент, когда действительно сработал тот или иной концевой выключатель.
Преимущества
Как уже было сказано выше, сигнальные лампы клапана загораются только в тот момент, когда фактически сработал тот или иной концевой выключатель.
Недостатки
Если вы хотите подключить переключатель ручного режима S1, то при установке блока концевых выключателей на задвижку необходимо два дополнительных провода в кабеле. То есть в кабеле должно быть не менее семи жил.
Как подключить клапан с электрическим приводом?
Как подключить электрический приводной клапан COVNA?
В этой статье мы поделимся 8 вариантами схемы подключения электрического шарового крана COVNA и электрического дроссельного клапана. Любая проблема с проводкой COVNA Valve, не стесняйтесь, дайте нам знать. Мы рады помочь вам решить проблему.
Если у вас есть потребность в электрическом шаровом кране, электрическом дроссельном клапане или электроприводе, обращайтесь по телефону sales@covnaactuator.
com
Тип A: ВКЛ/ВЫКЛ со световым индикатором Обратная связь
Функция : завершение операций открытия или закрытия по схеме, привод выдает сигнал активного положения (полное открытие, полное закрытие) Завершение операций открытия или закрытия по цепи, и привод выдает установленный сигнал пассивного положения (полное открытие, полное закрытие). Сигнал обратной связи
Функция: Контролирует угол открытия клапанов по контуру, и привод выдает сигнал сопротивления, соответствующий положению переключателя
Структура: С потенциометром 500 Ом или 1000 Ом Потенциометр сопротивления и обратная связь по сигналу нейтрального положения
Функция: Управление углом открытия клапанов с помощью цепи, и привод выдает сигнал сопротивления, соответствующий положению открытого положения, в то же время, поддерживая установленный сигнал пассивного положения
Структура: Тип потенциометра и переключателя нейтрального положения
Тип E: Тип регулирования с модулем сервоуправления
Функция: Модулирующий вход и выход 4–20 мА пост.
