Типовой проект отопления двухэтажного дома: Схема отопления 2-х этажного частного дома: виды разводки, расчет
Типовой проект отопления двухэтажного дома • Energy-Systems
Типовой проект отопления двухэтажного дома: особенности отопительной системы
Загородное строительство стремительно набирает обороты, поскольку всё большее число людей приходят к логичному и простому выводу, что в городе с его шумом, гамом, смогом и сверхбыстрым ритмом нужно работать, а вот жить лучше за пределами городской черты. Но тут сразу встаёт в полный рост одна серьёзная проблема – обустроенность инженерных сетей и коммуникаций, ведь никому не хочется лишать себя привычного уровня комфорта. С учетом климатических особенностей нашей страны не станет таким уж большим преувеличением тот факт, что среди прочих инженерных систем отопление по праву занимает центральное место, как минимум, зимой.
И сооружением этой сети нужно заниматься самым серьёзным образом желательно ещё на стадии создания строительного проекта дома, когда можно в ходе проектирования отопления заложить все необходимые основы данной коммуникационной сети.
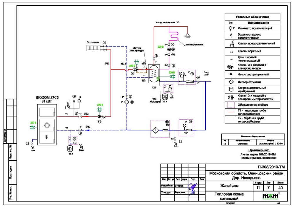
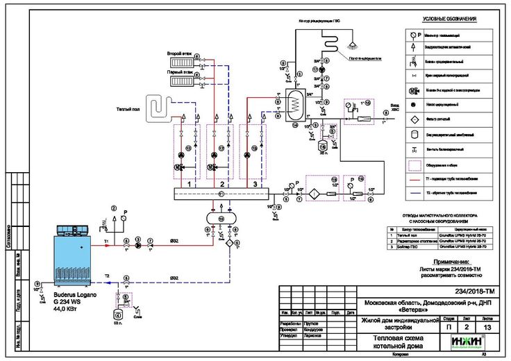
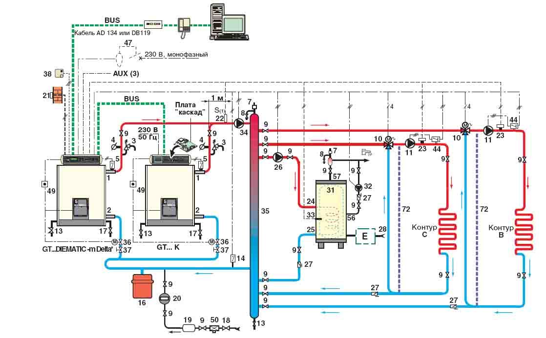
Пример проекта отопления дома
Назад
1из14
Вперед
Система отопления двухэтажного дома характеризуется тем, что её проектирование не является чем-то невиданно сложным, поскольку в этом случае применяется стандартный и многократно встречающийся вариант разводки трубопровода отопительной системы. Но всё это не означает, что создание типового проекта отопления двухэтажного дома можно поручать кому угодно. Проект является основой процесса сооружения всей сети, и если он будет составлен с ошибками, тем более грубыми, то собственник дома рискует и своим здоровьем, и своим имуществом, так что заниматься такими вопросами должны специалисты соответствующего уровня квалификации.
Типовой проект отопления двухэтажного дома – выбор оптимальной схемы отопления
Основная проблема в решении вопроса организации отопления любого дома, высотой более одного этажа, связана с подъёмом носителя тепла на требуемую высоту.
Всё остальное дело достаточно привычное и стандартное, поскольку состав элементов системы практически всегда одинаков, а схема отопления не отличается неординарностью. При этом вид топлива не имеет особого значения, главное, всё точно продумать, грамотно расположить и рассчитать, тогда всё будет работать надёжно, эффективно и безопасно.
В проекте отопления дома схемы бывают разные. Можно применять одно- или двухтрубную схему, с расположением стояков по горизонтали или вертикали, с тупиковым или магистральным движением в системе теплоносителя. Но самым оптимальным и наиболее подходящим для типового проекта отопления двухэтажного дома представляется схема с циркуляцией принудительного свойства. Установка циркуляционного насоса разом решает целый комплекс вопросов и проблем, ведь создаваемое им давление распределяет теплоноситель по системе равномерно, следовательно, каждый радиатор в системе получает разогретый до необходимого уровня теплоноситель.
Ещё одной распространённой схемой является двухтрубная разводка отопления.
Каждый радиатор подключается сразу и к подающей магистрали, и к обратной, что позволяет даже в самых отдалённых от котла радиаторах получать одинаковый уровень температуры. А при установке специального вентиля можно регулировать интенсивность работы отдельных участков системы отопления, что позволяет весьма прилично экономить на оплате отопления.
Наконец, из всех вариантов схем разводки труб в отопительной системе наилучшей справедливо считается коллекторная схема. Она также позволяет равномерно распределять теплоноситель сразу по всей системе и даёт широкие возможности регулирования отдельных её участков. Плюс к этому она позволяет организовать скрытую разводку трубопровода, что положительно сказывается на эстетической стороне вопроса.
Эти варианты с финансовой точки зрения более затратны, но зато в перспективе позволяют существенно экономить в процессе эксплуатации системы отопления дома. В целом же составление проекта должно базироваться на экономической целесообразности, поскольку финансовая сторона всегда имеет особое значение.
При помощи расположенного ниже калькулятора можно приблизительно подсчитать те затраты, которые может повлечь за собой разработка типового проекта отопления частного дома, но окончательную сумму можно получить уже после детального ознакомления с домом и с теми задачами, которые ставятся его владельцем при организации системы его отопления.
Онлайн расчет стоимости проектирования
Типовые проекты отопления
К нам очень часто обращаются потенциальные клиенты со странной, на наш взгляд, просьбой: «Вот у меня дом 180 м2! Сколько будет стоить система отопления моего дома?»
Типовой проект системы отопления частного дома
К нам обратился заказчик (Сергей) с просьбой спроектировать систему отопления частного загородного дома.
Монтаж индивидуальной системы отопления банного комплекса! (Н.Новгород)
Не секрет, что в настоящее время наличием классической бани на приусадебном участке уже никого не удивишь! Сейчас уже становится нормой строить не просто баню, а целый банный спа-комплекс, который включает в себя и парилку, и хамам, и спортзал, и бассейн и даже такие редкие элементы как соляная камера.
Система отопления в двухэтажном деревянном доме из профилированного бруса площадью 160 квадратных метров
В проекте рассматривается организация системы отопления «под ключ» (оборудование и монтаж) в 2-х этажном доме общей площадью 161,7 м2.
Проект установки отопления в частном доме на напольном газовом котле Baxi и стальных радиаторах Ferroli
В проекте рассматривается организация системы отопления «под ключ» (оборудование и монтаж) в 3-х этажном доме общей площадью 310 кв.
м. с системой Теплый пол (водяной).
Типовой проект организации отопления в загородном доме с теплым полом и бассейном.
Объектом для организации отопления является 3-х этажный частный загородный коттедж, площадью 400 квадратных метров с бассейном, нагрев воды в котором происходит за счет теплообменника, первичный контур которого получает тепло от газового котла, установленного в общей системе отопления.
Типовой проект отопления жилого дома площадью 150 кв.м. с настенным газовым котлом Vaillant в качестве генератора тепла.
В данном примере рассмотрим перечень необходимого оборудования и работ по организации системы отопления в небольшом частном доме площадью 150 кв. м. на настенном газовом котле с открытой камерой сгорания.
Проект отопления 3-х этажного загородного дома
Предлагаем Вашему вниманию типовой проект 3-х этажного дома, площадью 260 кв.
м.:
Проект отопления частного дома (таунхаус, две секции) площадью 360 кв. метров
Рассматривается проект организации системы газового отопления в таунхаусе с жилой площадью 360 кв. м.
Как сохранить прохладу на верхнем этаже
Двухэтажный дом Советы по кондиционерам: Как сохранить прохладу на верхнем этаже ваш второй этаж и весь дом прохладны в жаркие летние месяцыПолучите предложения от до 3 профессионалов!
Введите почтовый индекс ниже и найдите лучших профессионалов рядом с вами.
Когда летом жарко и ваш кондиционер постоянно работает, может быть трудно охладить двухэтажный дом. Но с небольшим ноу-хау вы можете сделать всех в вашем доме счастливыми. Мы собрали несколько советов по использованию кондиционера, которые помогут поддерживать комфортную температуру на разных этажах вашего дома.
1. Установите чердачный вентилятор или вентиляционное отверстие
Поскольку горячий воздух поднимается вверх, поддерживать прохладу на втором этаже дома сложнее, чем на первом.
Установка вентилятора или вентиляционного отверстия на чердаке будет иметь большое значение для поддержания потока горячего воздуха вверх и из вашего дома и поддержания циркуляции холодного воздуха.
Вы также можете установить термостат, который включит вентилятор, когда на чердаке будет достигнута заданная температура. Наличие этой функции поможет удалить горячий воздух с чердака и остальной части дома. Чердачный вентилятор или вентиляционное отверстие могут многое сделать для сэкономьте деньги на охлаждении вашего дома.
2. Держите двери открытыми
Возможно, вы слышали, что закрытие дверей неиспользуемых комнат поможет обеспечить циркуляцию воздуха в кондиционере и охладить остальную часть дома. Однако на самом деле это не так.
Центральные кондиционеры предназначены для охлаждения всего дома, а не только отдельных комнат. При закрытии дверей в неиспользуемые помещения горячий воздух задерживается и влияет на работу кондиционера. Оставьте эти двери открытыми, чтобы воздух циркулировал по всему дому.
3. Держите жалюзи и шторы закрытыми
Если ваш термостат находится на первом этаже, он будет реагировать только на температуру на этом уровне. Из-за этого, даже когда наверху станет теплее, термостат не почувствует повышения температуры, потому что он слишком далеко.
Изоляция комнат второго этажа от солнечного тепла поможет преодолеть эту разницу. Держите шторы задернутыми, чтобы солнечные лучи не нагревали ваши комнаты. Для окон, которые не имеют покрытий, рассмотрите возможность использования тепловых завес.
Эти типов оконных утеплителей помогают изолировать ваш дом круглый год, создавая барьер, препятствующий проникновению и оттоку воздуха, что означает более прохладные комнаты летом и более теплые зимой. Оконная пленка — это еще один способ свести к минимуму солнечное тепло, и ее также можно наносить на световые люки.
4. Частично закрыть регистры первого этажа
Небольшое ограничение потока воздуха на первом этаже поможет увеличить поток воздуха на втором этаже.
Небольшое закрытие регистров на первом этаже поможет направить прохладный воздух на второй этаж, где он так необходим.
5. Переключите вентилятор с «Авто» на «Вкл.»
Использование «включено» вместо «авто» на вашем термостате будет поддерживать циркуляцию воздуха по всему дому через вентилятор. Использование настройки «вкл.» позволит всему дому оставаться прохладнее, независимо от того, работает кондиционер или нет.
Фото: PickStock / E+ / Getty Images
6. Установите потолочные вентиляторы
При использовании с кондиционерами потолочные вентиляторы будут поддерживать циркуляцию холодного воздуха в более теплых комнатах наверху. Потолочные вентиляторы можно купить в любом магазине товаров для дома всего за 50 долларов, но цены могут доходить до 1400 долларов. Установка потолочного вентилятора стоит в среднем около 245 долларов.
Хотя это не самый дешевый проект, затраты на покупку и установку потолочного вентилятора могут быть компенсированы за счет экономии на счетах за электроэнергию в теплое время года.
7. Обслуживайте кондиционер до начала лета
Последнее, с чем вы хотите столкнуться в палящий жаркий день, — это неисправный кондиционер, где бы вы ни находились — наверху или внизу. Специалисты HVAC проверяют внутренние и наружные компоненты вашего устройства, включая воздуховоды, чтобы убедиться, что они чистые и в хорошем состоянии.
Избыток мусора и пыли влияет на качество воздуха, а негерметичные воздуховоды влияют на общую эффективность вашего кондиционера. Не забудьте запланировать настройку кондиционера до того, как наступит жара, чтобы убедиться, что ваш кондиционер готов, когда он вам понадобится.
8. Регулярно проверяйте свои фильтры
Проверка и замена грязных фильтров переменного тока — это один из простых советов по обслуживанию кондиционеров , которые сэкономят ваши деньги и сохранят прохладу, когда вы находитесь на первом или втором этаже своего дома.
Грязный фильтр может помешать эффективной работе вашего кондиционера.
В горизонтальном блоке вы найдете фильтр на стороне возврата воздуха. Если у вас вертикальный кондиционер, фильтр будет расположен над или под блоком. Проверяйте свои фильтры каждый месяц, чтобы поддерживать их чистоту и исправность. Держите под рукой запас новых фильтров, чтобы при необходимости заменить использованные.
9. Держите сушилку и духовку выключенными в самые жаркие часы
Сушилка и духовка добавляют в ваш дом горячий воздух, а это означает, что вашему кондиционеру придется работать интенсивнее в самое жаркое время дня. Ограничьте использование этих приборов ранним утром или вечером, если это возможно.
10. Обрежьте растения и траву вокруг конденсатора
Если ваш кондиционер не охлаждает , это может быть связано с чрезмерной растительностью вокруг конденсатора. Конденсатор вашего кондиционера не может работать с максимальной производительностью, если растения, грязь и сорняки ограничивают поток воздуха. Для максимальной производительности вокруг конденсатора должна быть свободная зона шириной 4 фута.
Если ваш термостат является программируемым, рассмотрите установку экономичного интеллектуального термостата для замены устаревшего устройства. Интеллектуальные термостаты позволяют создать более сложный график охлаждения с настройками температуры для каждого дня недели.
Но если ваш график изменится, вы можете легко настроить график охлаждения, чтобы кондиционер не работал так сильно, когда вы уезжаете на несколько дней, и будет освежающе прохладным, когда вы вернетесь домой.
12. Установка индивидуального кондиционера
Есть несколько дополнительных советов по кондиционированию воздуха в доме на втором этаже, которые вы можете использовать для охлаждения спален и других комнат наверху. Оконные кондиционеры относительно просты в установке. Они могут эффективно отводить тепло и обеспечивать прохладу для сна, но вам понадобится отдельный блок для каждой спальни.
Мини-сплит-система кондиционирования воздуха более обтекаемая и компактная.
Он работает аналогично центральному кондиционированию воздуха, используя внутренний и наружный компрессор, но не требует воздуховодов. Вам понадобится устройство для каждой комнаты, в которой вы хотите поддерживать прохладу, например, оконные кондиционеры.
Болотные охладители , также известные как испарительное охлаждение, используют вентилятор для рециркуляции сухого воздуха в помещении через прохладную влажную подушку, а затем распределяют свежевлажный воздух в помещение. Если вы живете в жарком и влажном климате, болотные кулеры сделают комнату горячей и липкой, а не прохладной и освежающей.
13. Купите второй кондиционер
Если вы перепробовали все, чтобы улучшить работу кондиционера на втором этаже вашего дома, возможно, пришло время подумать о покупке второго кондиционера только для верхнего этажа.
Местная компания по установке кондиционеров может помочь установить новую систему с собственным термостатом для охлаждения вашего двухэтажного дома отдельно от нижнего этажа.
Или вы можете помочь компенсировать затраты на новый кондиционер , сэкономив на счетах за коммунальные услуги, охлаждая нижний этаж только днем и верхний этаж ночью, если спальни находятся на втором этаже.
Запрограммируйте свои интеллектуальные термостаты на обоих этажах, чтобы регулировать температуру, чтобы на первом этаже у вас была прохладная и удобная гостиная, а на втором — идеальное место для сна.
Нужна профессиональная помощь с вашим проектом?
Получите цитаты от профессионалов с самым высоким рейтингом.
Рекомендуемые статьи
5 типов кондиционеров и как выбрать правильный
Allie Ogletree • 10 мая 2022 г.
11 Большие преимущества геотермальных систем отопления и охлаждения
Allie Ogletree • 20 октября 2021 г.
Что делать, если хладагент кондиционера протекает?
By Lydia Schapiro • 24 марта 2022 г.
Как охладить верхний этаж двухэтажного дома
На слишком жарком верхнем этаже может быть ужасно жить.
Если наверху не бывает прохладно летом , вам нужно прочитать это.
Если вы нажали на эту статью, вы, вероятно, здесь, потому что… ну, вы несчастны. На улице жарко, да, но главное жарко внутри , особенно на верхнем этаже вашего дома. Жарко наверху, холодно внизу = плохие новости.
Но есть и хорошие новости: неравномерное охлаждение — это решаемая проблема, даже если у вас старый дом.
В этом руководстве мы рассмотрим наиболее распространенные причины перегрева наверху, покажем, как диагностировать каждую проблему, а затем предложим несколько возможных решений.
Вот что мы рассмотрим:
- Как решить проблему с жарой на верхнем этаже
- Как отсутствие изоляции может привести к жаре на втором этаже
- Контрольные признаки того, что проблема в вашем HVAC
- Лучшая система кондиционирования воздуха для прохлады и свежести наверху
- Часто задаваемые вопросы об охлаждении вашего второго этажа
- Как получить модернизацию дома без (или очень мало!) первоначальных затрат
Наверху слишком жарко? Плохая вентиляция на втором этаже? Вот как устранить источник проблемы.

Вот 5 наиболее распространенных причин, по которым у вас наверху слишком жарко.
К вашему сведению: мы перейдем от наименее вероятной причины к наиболее
вероятная причина. Но одновременно может возникать более одной проблемы, поэтому будьте непредвзяты, просматривая список!- Проблема 1: Ваши воздуховоды HVAC работают неправильно
- Проблема 2: У вас один термостат на весь дом
- Проблема 3: В вашем доме полно дыр — это также известно как утечка воздуха
- Проблема 4: Ваша крыша и чердак наполнены горячим воздухом
- Проблема 5: Ваш кондиционер не справляется с этой задачей.
Готов? Давайте копать.
Проблема 1: Ваши воздуховоды работают неправильно.
Давайте начнем с любимого предмета книги купонов каждого домовладельца: воздуховоды в вашем доме.
Воздуховод — это путь, по которому холодный воздух достигает каждой части вашего дома. Но это идеальный случай.
На самом деле, канальные системы подвержены проблемам с конструкцией и утечками.
Так что, если у вас старый дом или воздуховод, который давно не обслуживался, возможно, холодный воздух, проталкиваемый через воздуховод на втором этаже, теряется или нагревается во время транспортировки.
Как определить, что из-за вашего воздуховода наверху слишком жарко?Возможно, холодный воздух, проходящий через воздуховод на втором этаже, теряется или нагревается во время транспортировки.
Во-первых, убедитесь, что ваш кондиционер работает и настроен на «охлаждение» — и что холодный воздух действительно поступает через вентиляционные отверстия на вашем первом этаже. Затем положите руку возле вентиляционных отверстий в полу на втором этаже вашего дома.
Если вы не чувствуете выхода холодного воздуха, это явный признак того, что проблема может заключаться в вашем воздуховоде (или что ваш кондиционер просто недостаточно велик, чтобы обслуживать весь дом, но об этом позже).
Для подтверждения диагноза: Другим явным признаком старения или недостаточности воздуховодов является проблема с пылью.
Если вы неукоснительно меняли фильтры HVAC, но все еще покрыто слоем пыли, возможно, виноваты воздуховоды.
Вы также можете взять фонарик и заглянуть внутрь воздуховода на наличие видимых признаков распада. Ищите старые, потрескавшиеся уплотнения на воздуховодах или что-либо, что выглядит ржавым, раздавленным или перегнутым. Если что-то выглядит не так, скорее всего, это не так.
Узнайте, как работают бесканальные кондиционеры
Что исправить?Если вы подозреваете, что наверху слишком жарко из-за воздуховодов, у вас есть несколько вариантов.
Одним из решений является вызов профессиональной бригады воздуховодов для очистки и обслуживания.
Так же, если плохо видно только уплотнители, можно самостоятельно заклеить воздуховоды мастичным герметиком или металлической лентой. (Чтобы было ясно, мы не рекомендуем это делать, если у вас нет самодельной энергии для сжигания, хорошего полиса медицинского страхования и большого количества свободного времени.
Имейте в виду, что очистка и техническое обслуживание могут не помочь, особенно если у вас старый дом, где воздуховоды часто не соответствуют нормам. Часто лучше полностью заменить воздуховод (или, что более удобно, установить мини-сплит-кондиционер без воздуховода, который полностью решает проблему).
Что еще нужно знать? Проблемы с воздуховодами не возникают на пустом месте. Если вы живете в доме, в котором прогнили воздуховоды, вероятно, у вас есть какие-то другие проблемы с HVAC, которые усугубляют проблему с отоплением в помещении. (Если вы имеете право на Sealed, вы можете получить бесплатную консультацию эксперта, чтобы выяснить это.)
Если вы живете в доме, где воздуховоды пришли в негодность, вероятно, у вас есть другие проблемы с HVAC, которые усугубляют вашу проблему с отоплением в помещении.
Итак! Перейдем к следующей возможной проблеме.
Если весь ваш дом управляется одним термостатом, и он находится на первом этаже, то ваша система кондиционирования воздуха даже не знает, что наверху жарко! Таким образом, термостат с радостью выключит ваш кондиционер, когда на первом этаже будет прохладно, а людям на втором этаже будет душно.
Если есть только один традиционный скучный термостат, который управляет системой отопления, вентиляции и кондиционирования воздуха во всем доме, вероятно, это часть проблемы. (Извините за оттенок, но технология термостатов действительно прошла долгий путь.)
Что исправить?Решение довольно простое: если вы хотите обеспечить равномерное охлаждение по всему дому, вам потребуется более одного термостата (или хотя бы один термостат, способный определять изменения температуры на нескольких этажах).
Сколько термостатов? Ну, в идеале, по крайней мере, один термостат на этаж, но также можно найти зональные термостаты, которые могут определять изменения температуры на нескольких этажах и соответствующим образом регулировать кондиционер.
Обратите внимание, однако, что даже самый умный термостат зависит от качества и эффективности вашего кондиционера.
Таким образом, наиболее комплексное решение — установить систему кондиционирования с умными термостатами и позонным охлаждением (чтобы каждая комната в доме чувствовала себя невероятно).
В большинстве домов полно крошечных дырочек и щелей, которые обеспечивают воздухообмен с внешней средой — и горячий воздух всасывается через эти дырочки, а затем поднимается на второй этаж… где становится тоскливо.
Как определить, что наверху жарко из-за утечек воздуха?Если ваш дом построен не недавно, и у вас нет сведений о том, что ваш дом был профессионально герметизирован, есть большая вероятность, что он полон дыр. это что общие проблемы.
Что исправить?По оценкам EnergyStar.gov, от 25 до 40% денег, которые американцы тратят на отопление и охлаждение своих домов, теряются из-за проблем с утечкой воздуха (1).
Развернутый ответ? Определите, где находятся эти отверстия (имейте в виду: их тысячи). Затем вам нужно будет использовать герметик, герметик и / или изоляцию из распыляемой пены, чтобы закрыть зазоры.
Настоящий рекомендуемый ответ? Запечатайте воздух в доме профессионалами.
Герметизация воздуха — один из тех проектов, в которых звучит как , как проект «сделай сам», но превращается в девятый круг ада домовладельцев, когда вы стоите на коленях в углах чердака и пытаетесь маневрировать изоляцией из распыляемой пены вокруг семейства крайне недовольных пауков.
Узнайте больше о воздушной герметизации
Проблема 4: Ваша крыша и чердак заполнены горячим воздухомЕсли ваша крыша и чердак не изолированы (или недостаточно изолированы), тепло будет просачиваться через крышу, и на втором этаже будет невероятно жарко. Нет буэно.
Как определить, что из-за недостаточно теплоизолированного чердака наверху слишком жарко? Загляните на свой чердак.
Если вы не видите никакой изоляции (или если изоляция выглядит старой или крошится) или если вы видите краевые балки, выглядывающие из вашей изоляции (это большие деревянные доски, идущие горизонтально вдоль вашего чердачного этажа), вы у меня проблема с тепловыми границами.
Что исправить?Когда вы должным образом изолируете свою крышу, вы создаете тепловую границу между ней и воздухом снаружи, не допуская проникновения наружного воздуха и проникновения воздуха внутрь.
Утепляйте чердак правильно.
Когда вы должным образом изолируете свою крышу, вы создаете тепловую границу между ней и воздухом снаружи, удерживая воздух снаружи и воздух внутри. Создание оптимального теплового барьера на чердаке особенно важно, потому что ваша крыша является местом, где большая часть внутреннего тепла зимой уходит наружу, а летом поступает наружное тепло.
Кстати, если ваш чердак не утеплен, то летом температура там может достигать 150 градусов .
Вы можете себе представить, что ситуация не очень хороша для поддержания прохлады в ваших жилых помещениях.
Узнайте больше об утеплении чердака
Кроме того, не забывайте: если ваш чердак не утеплен должным образом, велика вероятность, что в последнее время он также не был загерметизирован. Так что не забудьте сделать это тоже! (Здесь вы также можете пройти супер-быстрый тест, чтобы узнать, имеете ли вы право на профессиональную герметизацию и изоляцию бесплатно или с очень небольшой предоплатой.)
Проблема 5: Ваш кондиционер не соответствует требованиямЕсли ваш чердак не утеплен, летняя температура на нем может достигать 150 градусов .
Это большая проблема, так что приготовьтесь:
старый или неэффективный блок переменного тока заставит весь ваш дом чувствовать себя менее комфортно, а также будет тратить массу энергии.
Как понять, что наверху так жарко из-за кондиционера? Вот наиболее распространенные признаки того, что ваш кондиционер не справляется с работой (полный список см.
в разделе Когда следует заменить кондиционер)
- Вашей системе кондиционирования более 10 лет. Они не вечны!
и/или
- Летом ваши счета за электроэнергию резко возрастают. Небольшие колебания потребления энергии — это нормально. , а не — это нормально, когда ваш летний счет за электроэнергию стремительно растет.
и/или
- Кондиционер работает постоянно. Если ваш кондиционер всегда включен, борется.
Наиболее распространенным временным решением является установка дополнительного кондиционера (обычно в виде оконных блоков, но некоторые домовладельцы предпочитают переносные блоки).
Это, безусловно, краткосрочное решение, но — как мы понимаем — может возникнуть соблазн оставить его в качестве долгосрочного решения. Два кондиционера могут быть более энергоэффективными, чем один, особенно если у вашего основного кондиционера проблемы с охлаждением всего дома.
И если ваш верхний этаж маленький (или если только одна или две комнаты наверху слишком теплые), добавьте дополнительные портативные или оконные блоки, чтобы ваша основная система переменного тока могла работать — на некоторое время.
Тем не менее, у этой стратегии есть существенные недостатки.
Иметь кучу дополнительных блоков переменного тока… ну, немного раздражает. Каждый блок необходимо будет устанавливать и/или перемещать каждый год, а каждый дополнительный блок переменного тока необходимо будет выводить наружу отдельно (особенно неудобно для переносных блоков, устанавливаемых в помещении, которые необходимо выводить через шланг).
Вам также нужно будет вручную управлять температурой каждого устройства. Это проблема, которую легко не заметить, но, поверьте нам, вставать посреди ночи, чтобы включить или выключить кондиционер, может стать довольно раздражающим.
Кроме того, несмотря на то, что установка небольших блоков может показаться менее затратной стратегией, чем приобретение полностью новой системы переменного тока, вы, возможно, не сэкономите так много, как думаете, если учесть стоимость покупки и обслуживания блоков, а также энергию.
стоимость эксплуатации дополнительных устройств.
Откровенно говоря, в долгосрочной перспективе установка дополнительного кондиционера вряд ли сэкономит деньги. Установка дополнительных блоков переменного тока устраняет только симптомы проблемы . Настоящая проблема останется, и вам нужно будет ее исправить — и заплатите за это исправление — в конце концов.
Что лучше всего исправить?Вы угадали. Безусловно, лучшее решение для неэффективного блока переменного тока — это… заменить его.
Кондиционирование воздуха прошло долгий путь за последние годы, и вы будете поражены тем, насколько индивидуально разработанная и энергоэффективная система переменного тока изменит комфорт вашего дома. (Благодаря Sealed вы можете получить новую, специально разработанную систему кондиционирования воздуха и квалифицированную установку без или очень небольшой предоплаты.)
Конечно, здесь возникает насущный вопрос: какая система кондиционирования воздуха HVAC лучше всего подходит для того, чтобы весь дом чувствовал себя невероятно?
Мы думали, вы никогда не спросите.
Познакомьтесь с Tesla HVAC: тепловой насос.
(варианты без воздуховодов с тепловым насосом также известны как мини-сплит-кондиционеры).
Системы переменного тока с тепловым насосом— это наилучшая и наиболее энергоэффективная технология охлаждения, доступная в настоящее время.
Не дайте себя обмануть термином тепло ! Они получили свое название из-за того, как они функционируют: по сути, тепловые насосы удаляют тепловую энергию из вашего дома и транспортируют ее наружу, так что ваш дом остается прохладным и свежим и имеет идеальную температуру. Весь год, на все этажи, и не важно какая на улице погода.
Если быть точным, это не новая технология. Ваш нынешний кондиционер работает точно так же (как и ваш холодильник).
Что революционно в тепловых насосах, так это то, что они также могут обратить процесс, то есть они могут улавливать тепловую энергию из наружного воздуха и зимой передавать ее внутрь вашего дома.
Это означает, что тепловые насосы — это не только кондиционеры, но и обогреватели. А еще они очищают и осушают воздух в вашем доме.
По сути, это комплексное решение для ОВКВ. Одна система, которая делает все. Только одна система для размышлений. Мечта!
И все это при значительной экономии энергии — тепловые насосы могут быть до в 3 раза эффективнее, чем традиционные системы HVAC.
Но решат ли тепловые насосы вашу проблему с сауной наверху? Абсолютно. Прелесть технологии теплового насоса также в том, что она прекрасно взаимодействует с интеллектуальными термостатами, обеспечивая ровную комфортную температуру во всем доме.
А если вы выберете бесканальную систему, вы получите позонное охлаждение для сверхточного контроля температуры в каждой части вашего дома. (Другими словами, вы можете ожидать как чрезвычайного увеличения комфорта, так и значительного уменьшения споров о семейном термостате.)
Список преимуществ можно продолжить.
Да, мы большие поклонники тепловых насосов. Но мы не единственные. Тепловые насосы становятся стандартом во многих странах мира, таких как Швеция, Япония и Новая Зеландия.
Есть ли недостатки у тепловых насосов?
Самое худшее в тепловых насосах — это сложности с их установкой, поиском надежного подрядчика, организацией проекта и его оплатой.
Кроме того, несмотря на то, что тепловые насосы являются самой впечатляющей технологией HVAC на рынке, в них нет ничего волшебного. Вам необходимо убедиться, что ваш дом надлежащим образом герметизирован и изолирован, чтобы воздух, который вы платите за обогрев и охлаждение, оставался в вашем доме!
К счастью, Силед позаботится обо всем этом. Мы рассмотрим вашу конкретную ситуацию и разработаем комплексное решение, которое сделает ваш дом лучше — 365 дней в году.
И если вам не нужна новая система кондиционирования, не беспокойтесь: мы не делаем шаблонных решений. Один из наших экспертов рассмотрит вашу конкретную ситуацию и сообщит вам, что подойдет для вашего дома.
Так что можете смело продолжать.
(Также быстрое напоминание о том, что вам, возможно, не придется ничего платить из своего кармана, чтобы начать работу. Пройдите двухминутный тест, чтобы узнать, имеете ли вы право на обновление всего дома.)
Часто задаваемые вопросыНе стесняйтесь просматривать вопросы и ответы ниже или использовать быстрые ссылки ниже, чтобы перейти вперед.
- Как равномерно охладить двухэтажный дом?
- Как сделать второй этаж прохладнее?
- Как обеспечить приток воздуха на второй этаж?
- Как снизить температуру в двухэтажном доме?
- Что делать, если кондиционер работает внизу, но не работает наверху?
- Убедитесь, что дом герметизирован и изолирован. Это поможет удерживать холодный воздух внутри и снаружи горячий воздух.
- Отремонтируйте существующий кондиционер или приобретите блок переменного тока, размер которого подходит для дома.
Небольшой блок будет с трудом поддерживать прохладу во всем доме, в то время как большой блок будет быстро охлаждать дом, но при этом будет тратиться энергия. - Рассмотрим систему переменного тока с тепловым насосом. Системы переменного тока с тепловым насосом представляют собой наиболее энергоэффективную из доступных технологий охлаждения, они могут эффективно охлаждать двухэтажный дом и значительно сокращать потери энергии.
- Установите интеллектуальный термостат. Интеллектуальный термостат может помочь вам равномерно охлаждать ваш дом, позволяя вам контролировать температуру в каждой зоне.
- Работайте с надежным подрядчиком , чтобы выполнить работу правильно.
(Звучит пугающе? Свяжитесь с Sealed. Если ваш дом соответствует требованиям, вы получите профессиональный план модернизации и квалифицированную установку без предоплаты.)
Как сделать второй этаж прохладнее?Решения для всего дома, разработанные Sealed, могут снизить энергопотребление дома до 50%.
Во-первых, если у вас на втором этаже ужасно жарко, скорее всего, ваш дом (особенно чердак!) не утеплен и не утеплен должным образом. Сделайте свой дом профессионально изолированным и герметичным, и вы, вероятно, удивитесь, насколько лучше он будет чувствовать себя внутри.
Еще одна распространенная причина: неэффективная система кондиционирования воздуха. Если ваш кондиционер старый или плохо спроектирован, он будет изо всех сил пытаться охладить каждую часть вашего дома. Краткосрочное решение — отремонтировать его (если есть что-то, что можно починить!) или дополнить ваш кондиционер меньшими блоками, но это не решит реальной проблемы. Лучшее решение — установить энергосберегающую систему кондиционирования воздуха, специально разработанную для охлаждения всего дома.
(это два наиболее распространенных виновника, но обязательно ознакомьтесь с нашим руководством по устранению неполадок выше, чтобы получить более полную картину.
)
Если в вашем доме плохой приток воздуха на второй этаж, сначала проверьте очевидных виновников: все ли вентиляционные отверстия/регистры открыты? Воздуховоды на втором этаже выглядят чистыми и хорошо загерметизированными? Фильтр HVAC чистый?
Если все эти вещи проверены, то, вероятно, ваша система кондиционирования воздуха нуждается в капитальном ремонте (или, если у вас нет кондиционера, пришло время его приобрести!). Краткосрочным решением может быть установка некоторых временных блоков переменного тока или дополнительных вентиляторов (это может быть хорошим решением, пока вы работаете над долгосрочным решением, особенно если ваш верхний этаж чувствует себя несчастным).
Лучшее решение: приобретите специально разработанную систему кондиционирования воздуха, которая заставит ваш дом чувствовать себя великолепно. (Хорошей новостью также является то, что вы можете получить его бесплатно.
)
Вот долгосрочные решения по снижению температуры наверху:
- Получите профессиональную герметизацию и теплоизоляцию вашего дома.
- Приобретите энергосберегающую систему кондиционирования воздуха, разработанную с учетом ваших конкретных потребностей. (Тепловые насосы отлично подходят большинству домовладельцев. Узнайте больше здесь.)
Вот несколько краткосрочных решений для снижения температуры в двухэтажном доме:
- Используйте потолочные вентиляторы или автономные кондиционеры для охлаждения и циркуляции воздуха
- Держите жалюзи и шторы закрытыми в течение дня
- Избегайте использования приборов, выделяющих тепло в самые жаркие часы дня
- Используйте осушитель воздуха для снижения влажности в вашем доме
- Воспользуйтесь преимуществами сквозняков, открыв окна на противоположных сторонах дома прохладным утром
- Используйте отражающую оконную пленку или шторы, чтобы отражать солнечный свет и тепло от вашего дома.

Если второй этаж вашего дома не получает надлежащей вентиляции и охлаждения, сначала проверьте, нет ли общих виновников: Есть ли негерметичные воздуховоды на втором этаже? Все ли регистры (также называемые вентиляционными отверстиями) открыты? Подходит ли ваш фильтр переменного тока или его необходимо заменить?
Если вы не обнаружите никаких очевидных проблем, пришло время заняться их устранением. Вы можете нажать здесь, чтобы прочитать полное руководство выше, но, вкратце, вот две наиболее распространенные проблемы, которые вам, вероятно, придется решить:
- Ваш дом должен быть профессионально герметизирован и изолирован
- Ваш кондиционер нуждается в обновлении
Устраните эти две проблемы (или попросите Sealed решить их за вас), и ваш дом будет выглядеть великолепно. Весь год.
Если вы сейчас несчастны и вам нужно выиграть время, есть несколько шагов, которые помогут уменьшить проблему наверху в краткосрочной перспективе.
- Включите потолочные вентиляторы на максимальную высоту и убедитесь, что они вращаются против часовой стрелки, чтобы создать прохладный ветерок
- Используйте коробчатые вентиляторы и переносные кондиционеры для эффективного охлаждения небольших помещений
- Держите жалюзи и шторы наверху закрытыми в течение дня
- Откройте окна на противоположных сторонах дома для сквозного ветра
Ладно, значит, викторина не спасет от жары наверху.
Но этот простой двухминутный тест покажет вам, соответствует ли ваш дом требованиям пакета обновлений Sealed home, который включает индивидуальный план климат-контроля, разработанный экспертом по HVAC, а также установку проверенными и проверенными специалистами.
Мы сделаем всю тяжелую работу, чтобы ваш дом выглядел великолепно, , и мы возьмем на себя все догадки и хлопоты, связанные с поиском подходящего подрядчика, согласованием цен и управлением проектом.

Всё остальное дело достаточно привычное и стандартное, поскольку состав элементов системы практически всегда одинаков, а схема отопления не отличается неординарностью. При этом вид топлива не имеет особого значения, главное, всё точно продумать, грамотно расположить и рассчитать, тогда всё будет работать надёжно, эффективно и безопасно.
Небольшой блок будет с трудом поддерживать прохладу во всем доме, в то время как большой блок будет быстро охлаждать дом, но при этом будет тратиться энергия.
