Диммера устройство: схема и принцип работы светорегулятора
схема и принцип работы светорегулятора
Содержание
- 1 Подключение диммера
- 2 Устройство и схема поворотного диммера
- 3 Как отремонтировать диммер
В этой статье мы решили рассмотреть устройство, которое имеет название регулятор яркости ламп. Речь идет о диммере, название которого произошло от английского слова тускнеть. Если говорить простыми словами, то устройство диммера позволяет регулировать яркость освещения в своем доме. Когда яркость освещения становится меньше, то и свет экономиться в несколько раз.
Как работает диммер
Обычные диммеры в своей конструкции имеют поворотную ручку, а также два вывода, которые позволяют регулировать яркость. Обычно их используют для регулировки ламп накаливания, а также галогенных ламп. В последнее время на рынке также можно встретить устройства, которые предназначаются для люминесцентных ламп. Еще несколько десятков лет назад управлять яркостью освещения можно было только с помощью реостатов.
При этом экономить электричество не получалась, так как оно рассеивалось в реостате и выделялось в виде тепла. Современные диммеры включают в свою конструкцию динисторы и симисторы.
Подключение диммера
Схема включения диммера достаточно проста. Он ничем не отличается от обычного выключателя света. Процесс монтажа также является похожим. Монтировать диммер необходимо в установочную коробку. Единственным условием, которое выдвигает производитель является то, что необходимо соблюдать подключение выводов к фазе и нагрузке. Все диммеры, которые на данный момент присутствуют в магазинах можно разделить на 2 группы. Они могут быть поворотные, а также роторные (с регулятором) и электронные, которыми можно будет управлять с помощью кнопок.
Поворотный диммер для ламп
Если вы решили выбрать первый вариант, тогда в этом случае яркость будет зависеть от уровня поворота. Кнопочный диммер можно считать более гибким.
Устройство и схема поворотного диммера
Устройство поворотного диммера достаточно простое. Схема симисторных регуляторов везде одинаковая. Единственное отличие заключается в дополнительных деталях, которые позволяют обеспечивать более устойчивую работу.
Упрощенная схема диммера
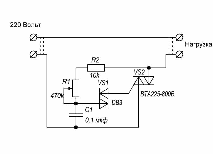
Теперь пришло время изучить принцип действия диммера. Чтобы лампа загорелась необходимо, чтобы симистор пропустил через себя ток.
Это случается, когда между электродами A1 и G образуется ток. При образовании положительной полуволны конденсатор начинает заряжаться через потенциометр. Конечно, здесь становится ясно, что скорость заряда будет зависеть от величины R. Когда напряжение на конденсаторе достигнет величины, которой будет достаточно для открытия симистора и динистора, тогда симистор открывается.
Говоря другими словами его сопротивления становится недостаточно, и лампочка горит до конца полуволны. Такие действия происходят и с отрицательной полуволной, так как диак и триак – это симметричные устройства. Им совершенно все равно, в какую сторону будет течь ток. В итоге можно сказать, что напряжение на активной нагрузке будет представлять собою «обрубки» отрицательных и положительных полуволн. На низкой яркости будет заметно мерцание.
Стандартный поворотный диммер
На фото выше вы увидите, как выглядит реальная схема регулятора (диммера). Все параметры элементов указаны с учетом разброса у разнообразных производителей.
Симисторы в практической схеме можно ставить разнообразные, в зависимости от мощности. От величины конденсаторов, а также резисторов будут зависеть начально-конечные точки зажигания и стабильность горения лампы. При минимальном сопротивлении поворотного резистора R1будет минимальное свечение лампы.
Многие специалисты утверждают о том, что при большом желании диммер можно сделать и самостоятельно. На специализированных проектах можно встретить массу схем с разной сложностью.
Как отремонтировать диммер
Теперь мы решили сказать несколько слов про ремонт диммеров. Чаще всего причиной поломки становится превышение допустимой нагрузки или короткое замыкание. В результате этого из строя выходит симистор. Чтобы избавиться от поломки следует заменить симистор, добраться до которого можно открутив радиатор. Сразу лучше всего выбирать диммер, который имеет мощный симистр. Он сможет справиться с разнообразными нагрузками и не выйдет из строя.
Диммер также можно использовать, как регулятор напряжения. Через него вы сможете подключить лампу накаливания, паяльник, чайник, утюг. Мощность диммера в обязательном порядке должна соответствовать нагрузке. Надеемся, что эта информация была полезной и интересной.
Читайте также:
Виды светорегуляторов для ламп.
Подключение одноклавишного выключателя своими руками.
Импульсное реле.
Типы диммиров, принцип работы и устройство диммера | ENARGYS.RU
Диммер — что это такое? Прежде всего это светорегулятор или вариатор, изменяющий выходное напряжение по принципу реостата, служит для плавного изменения (диммирования) яркости свечения ламп различного типа: накаливания, светодиодных, за счет изменения входного напряжения. Светорегулятор механический относится к удобному типу выключателей освещения с расширенными функциями.
Нужно только помнить, что к некоторым типам освещения он неприемлем это: металлогалогенное, люминесцентное и энергосберегающие лампы. В комплектацию с диммером поставляются дроссели это делается для предупреждения появления высокочастотных помех и шумов в работе прибора.
Какие бывают диммеры?
Существует несколько разновидностей типов диммеров по способу выполнения регулирования:
- Механические.
- Сенсорные.
- Акустические.
- Дистанционные.
По конструктивным особенностям:
- Модульное устройство. Монтаж такого диммера осуществляется непосредственно в распределительный шкаф, работать устройство, может, с системами освещения использующим лампы накаливания, а также галогеновыми осветительными приборами, оборудованными трансформатором понижающего типа. Управление происходит за счет одноклавишного или кнопочного выключателя.
- Диммер, устанавливаемый в монтажную коробку. Устанавливается одновременно с монтажом электропроводки, может использоваться с галогеновыми лампами с понижающим или электронными трансформаторами.

- Моноблочное диммирующее устройство. Выполняет функцию выключателя, особенность монтажа в необходимости двухпроводного подключения, производиться в разрыв фазного провода цепи, идущей к нагрузке.
- Поворотно-нажимной моноблочный диммер, включается при нажатии на клавишу, яркость регулируется вращением клавиши.
- Поворотный диммер. Включение и управление яркостью происходит за счет вращения кнопки, включение всегда происходит с наименьшего уровня яркости.
- Клавишные диммеры, отличаются регулировкой, она осуществляется посредством удержания клавиши.
- Сенсорные устройства, регулировка происходит за счет прикосновения к сенсорам.
Одна из разновидностей диммирующих устройств о которой можно упомянуть отдельно — это накладной диммер. Может применяться в качестве эстетически-декоративной управляющей электро-фурнитуры на поверхности стены, например, для стен,облицованных, керамической плиткой, за счет многообразия материала изготовления: керамика, силикон, пластик и т.
Рис №1. Диммер накладной XZ-10, может использоваться для светодиодных светильников и светодиодных лент
Существует несколько хитростей, которые характерны для обустройства систем освещения. Одна из них это использование проходного диммера. Эта установка заключается в монтаже механического диммера для регулировки яркости освещения из противоположных углов комнаты, наиболее удобным принято решение использовать проходной диммер в количестве 2 штук подключенные в параллель при этом каждое из устройств будет регулировать относящийся к нему полупериод. При полном задействовании одного устройства второе в регулировании не участвует.
Рис №2. Схема параллельного подключения двух механических диммеров, используемых в качестве проходного устройства
Рис №3. Схемы установки диммирующего устройства: а. с регулировкой из одного места, б. с двух мест сначала и конца комнаты, диммер используется в качестве проходного регулятора
Лучшее решение для этого вопроса может быть в использовании сенсорного диммера при использовании двух таких электронных устройств может легко произойти синхронизация.
Неплохое решение для устройства проходного диммера можно найти использовав микромодуль Fibaro модели FGD211или FGB-001.
Рис №4. Микромодуль Fibaro FGD-211
Светодиодный диммер
Для регулировки интегрированных светодиодных ламп с успехом подойдет диммер Bypass FGB-001 или диммер Busch-Dimmer® LED. Диммеры этого типа подойдут к использованию и с галлогенными и с энергосберегающими лампами для которых обычные механические устройства не подойдут.
Сенсорный диммер позволяет регулировать мощность осветительных приборов в соответствии с собственными запросами и с запоминанием последнего подключения, управление осуществляется при помощи сенсорного устройства и посредством дистанционного управления через инфракрасный порт. В устройстве используется транзисторная технология.
Рис №5. Сенсорный диммер Busch-Dimmer® LED
Принцип работы диммера
Работа устройства основана на использовании регулировки фазы, за счет отсечения переднего или заднего фронта волны переменного тока при помощи двунаправленного тиристора, при использовании широтно-импульсной модуляции, то есть изменение подачи напряжения к лампе в самых широких пределах.
Срабатывание тиристора активизирует сигнал нагрузки с задержкой при полном включении – 0, а при максимальном уменьшении яркости – 9 мсек.
Как работает диммер
Диммирование осуществляется при использовании «фазовой отсечки», при которой происходит отсечение одной части синусоиды напряжения в сети, и происходит уменьшение действия, питающего напряжение на освещение. Если действие отсечки применимо к началу синусоиды, способ называется «регулирование по переднему фронту», если эта технология используется на конце синусоиды, такой способ называется «диммирование по заднему фронту».
Эти способы используются для диммирования ламп различных типов: «Диммирование по заднему фронту» рекомендуется для ламп с низким напряжением светодиодного или галогенового типа с применением электронных трансформаторов. «Диммирование по переднему фронту» используется для ламп низкого напряжения с использованием трансформаторов электромагнитного типа, а также для компактных люминесцентных и светодиодных ламп 230В.
Эти два способа также хорошо подойдут для ламп галогенового типа и ламп накаливания 230В.
Стабильная работа прибора заставляет использовать провод с тремя жилами один для заземления, для рабочего нуля и для фазы, это действие применяется для соблюдения точки перехода через ноль. При использовании малых диммеров достаточно двухжильного провода.
Устройство диммера универсального типа
Рис №6. Устройство диммера, предназначение клемных колодок
В устройстве диммера предусмотрено наличие нескольких защит – это защита от перегрева, она срабатывает на отключение прибора и повторно включить его удастся только после его охлаждения и только вручную, работает при подключенной нагрузке.
Защита от короткого замыкания, при этом происходит отключение выхода где произошло замыкание. При этом происходит работа в режиме отсечки фазы, отсутствие неисправности в течение 7 сек заставляет прибор включаться в автоматическом режиме, если больше, то включить его можно только вручную.
В устройстве предусмотрены также клеммы для подключения проводов и регулятор уровня освещенности.
Как сделать диммер для ламп накаливания своими руками?
Главная » Виды ламп » Лампы накаливания
Автор: Школа светодизайна MosBuild
Многие владельцы частных домов и квартир предпочитают всячески управлять освещением в своем помещении. Одним из многих вариантов является регулятор яркости для ламп накаливания. Для таких целей используют специальные устройства, называемые диммерами. Существует множество моделей данного девайса, но стоимость многих из них не по карману обычному покупателю. При необходимости возможно собрать диммер для ламп накаливания своими руками, имеется несколько вариантов его изготовления. Эти устройства могут быть 12- и 220-вольтовые.
Содержание
- Устройство
- Подключение диммера
- Изготовление
- Принцип работы диммера на симисторе
- Как работает диммер на тиристоре?
- Конденсаторный диммер и принцип его действия
- Использование микросхем для пониженного напряжения
- Вариант с цифровой микросхемой
Устройство
Чтобы сделать диммер своими руками, потребуется подробно изучить принцип его действия и внутреннее устройство.
Простейшие из этих девайсов имеют ручку, поворачивая которую можно регулировать освещение, и выведенные клеммы для подключения проводов. Таким устройством управляют яркостью ламп двух видов — галогенных и накаливания. С развитием электроники стали появляться диммеры для регулирования мощности люминесцентных и светодиодных ламп.
В более ранние времена для изменения этого параметра у ламп накаливания применяли резисторы. Мощность таких деталей рассчитывалась не меньше нагрузочной. Минусом таких приспособлений являлась потеря мощности при снижении яркости света.
Наиболее часто их применяли в больших общественных залах, театрах и т. д. Принцип работы прибора основан на использовании симистора и динистора, являющихся современными полупроводниковыми приборами.
По конструкционным особенностям диммеры можно классифицировать по следующим типам:
- поворотные, где управление выполняется при использовании ручки – электронные;
- кнопочные управляются при помощи специальных кнопок – групповые;
- дистанционные, которые работают при помощи дистанционного пульта.

Кнопочный диммер более многофункционален, чем поворотный. Это связано с тем, что если в цепь завязать нужное количество кнопок, управление можно осуществлять с разных мест. Длина проводов, используемых для подключения диммера, не должна превышать 10 метров. Это связано с возникновением помех.
Кнопочный диммерМало кто знает, что при помощи самодельных регуляторов мощности можно изменять температуру паяльника, контролировать обороты вытяжного вентилятора. Также он отлично подойдет для пылесоса или дрели, у которых можно регулировать их скорость вращения.
Подключение диммера
Схема диммера для ламп накаливания довольна простая. Он подключается вместо обычного выключателя в разрыв цепи в монтажную коробку. Необходимо соблюдать предписания изготовителя, согласно которым нельзя путать выводы для подключения фазы и нагрузки. Для сборки диммера своими руками не понадобится много дорогих деталей, подойдут симисторы, рассчитанные на определенную мощность. Существует два варианта подключения — одинарный и групповой.
Первый вариант подразумевает подключение в цепь с одним или несколькими источниками света, которые объединены в группу. При групповом способе принципиальная схема будет насчитывать несколько диммеров, согласно количеству групп освещения.
При подключении светорегулятора вместо двухклавишного выключателя работа светильника немного изменится. Теперь будет другим подсоединение проводов и лампы накаливания, их не получится включать групповым способом. Фазу необходимо подсоединить на фазный вывод диммера, а остальные два присоединяются на соседнюю клемму. Для осуществления прежнего освещения потребуется групповой светорегулятор.
Изготовление
Как указывалось ранее, существует множество схем, с помощью которых умельцы изготавливают устройства, способные регулировать значение напряжения для осветительных приборов. Можно выделить несколько наиболее популярных элементов, используемых для сборки данных устройств:
- симистор;
- тиристор;
- конденсатор;
- применение готовых микросхем.

Принцип работы диммера на симисторе
Данный светорегулятор работает от сети 220 В. В основу его действия заложено открытие силового ключа за счет смещения фазы. Главным элементом схемы является RC-цепочка, которая у каждого устройства разного номинала. Силовым ключом выступает симистор. Работа схемы заключается в пропускании симистором через себя тока. Для этого необходимо возникновение напряжения между его электродами. Чтобы регулировать смещение фазы, и тем самым угол открывания, в цепочку впаивается переменный реостат, который предназначен для регулировки быстроты заряда конденсатора. В цепь с управляющим электродом ставится динистор. Время, за которое конденсатор наберет пороговое напряжение, влияет на быстроту открытия симистора, а значение нагрузок будет прямо пропорционально зависеть от величины этого напряжения.
Принцип работы диммера на симистореПри наличии принципиальной схемы такой диммер на симисторе можно собрать менее чем за час.
Как работает диммер на тиристоре?
Данный светорегулятор могут собрать умельцы, у которых есть различные радиодетали, из которых можно выбрать тиристоры с необходимыми параметрами.
Этот самодельный диммер будет немного отличаться схемой и является более трудным в сборке. В нем для каждого ключа устанавливается отдельный динистор и тиристоры для полуволн.
Для работы данной схемы применяются две параллельные цепочки резисторов. Через одну цепь резисторов проходит заряд конденсатора, где в свою очередь происходит нарастание порога открывания ключа, при открытии которого на электрод управления подается ток и проходит положительная полуволна. Отрицательная фаза пропускает волну таким же образом через другой ключ.
Конденсаторный диммер и принцип его действия
Помимо регуляторов, рассчитанных на плавность управления освещением, также распространены устройства, работающие за счет конденсатора. В этом случае на передачу тока влияет емкостная величина. Соответственно, с увеличением емкости конденсатора через его полюсы пройдет ток большего значения.
Данный диммер-регулятор является достаточно компактным.
В основном схемы для таких устройств сочетают в себе три различных положения:
- Без ограничения мощности.
- Через конденсатор гашения.
- Перекрытое положение (режим «выключено»).
В схеме такого диммера обычно используют неполярные конденсаторы. Найти их можно в электротехнике старого образца. Используя схему, можно своими руками собрать светорегулятор и управлять значением напряжения на лампочке в светильнике.
Использование микросхем для пониженного напряжения
В цепях с постоянным напряжением, рассчитанным на 12 вольт, регулировка мощности часто выполняется при помощи интегральных стабилизаторов, называемых КРЕНами. Использование таких устройств позволяет регулировать электрические двигатели малой мощности и светодиодное освещение. Чтобы обеспечить удобство монтажа деталей, используют микросхему. Готовый диммер будет не только выполнять функции регулировки, но и обеспечивать защиту электрооборудования.
Использование микросхемы КРЕН обеспечивает управление значением напряжения от 1,5 В до 30 В, а тока до 7,5 А. Во время сборки устройства нужно обратить внимание на следующие нюансы:
- Для охлаждения микросхемы необходим радиатор, что обусловлено ее нагреванием при выделении тепла. Это является существенным недостатком, так как занимается лишнее место на плате.
- Установленные диоды должны быть рассчитаны на ток не более 12 А и напряжение от 50 В.
- Силовой трансформатор устанавливается мощностью не менее 0,25 кВт.
Принцип действия схемы прост. На электроде управления за счет переменного резистора образовывается основное напряжение. С помощью стабилизатора можно регулировать этот параметр от максимальных 12 вольт до десятых его долей.
Вариант с цифровой микросхемой
Для выполнения регулировки осветительных приборов со светодиодными лампами обычные светорегуляторы не подходят, потому что для их включения необходимо 9 В.
Такой диммер можно собрать, используя микросхему NE555. При возникновении потребности в плавной регулировке освещения в данную схему можно подключить и лампы на 12 В. Мощность здесь усиливает полевой транзистор. Это связано с тем, что у микросхемы выходной ток составляет 0,2 А.
При увеличении нагрузки свыше 1 А потребуется установка транзистора на радиатор, который можно выполнить из любого подходящего материала. Для защиты этой детали от статических помех потребуется перемотать выходящие ножки фольгой из алюминия или медной проволокой.
Монтаж диммера можно произвести на текстолите с оболочкой из фольги. Такой материал применяется для изготовления печатных плат. Материал корпуса выбирается на усмотрение исполнителя работы.
Большинство современных диммеров – китайского производства. Не все светорегуляторы добротного качества. Иногда лучше изготовить диммер своими руками, чем переплатить деньги за быстро вышедшее из строя устройство.
Понравилась статья? Поделиться с друзьями:
Устройство, схема и подключение диммера для ламп накаливания – СамЭлектрик.
руСхема подключения диммера
Схема включения диммера до невозможности простая – проще не придумаешь. Он включается так же, как и обычный выключатель – в разрыв цепи питания нагрузки, то есть лампы. По установочным габаритам и креплению диммер идентичен выключателю. Поэтому установить его можно так же, как выключатель – в монтажную коробку, и установка диммера не отличается от установки обычного выключателя.
Включение лампочки через выключатель
Учебник физики за 5-й класс… Но это для последовательности изложения.
Принцип широтно-полюсной модуляции (ШИМ)
Изменения мощности питающего напряжения при применении шим-контроллера обеспечивается благодаря подаче на коммутирующий элемент (в случае со светодиодами – полевой транзистор, симистор либо динистор) сигналов с изменяющейся скважностью.
S=T/T1, где Т – период импульсов, Т1 – период положительного фронта.
В ШИМ-контроллере импульсы следуют с постоянной частотой, изменяется лишь длительность пауз.
Ниже представлена принципиальная схема ШИМ-контроллера:
Увеличение ширины импульса увеличивает время поступления тока через транзистор к нагрузке, следовательно, и пропускаемый ток. Частота следования импульса значительно выше той, которую способен уловить глаз, обычно 100-200Гц, потому мерцания светодиодов мы не ощущаем. Преимущество регуляторов нагрузки на основе ШИМ-контроллеров, значительно более высокий КПД сравнительно с резистивными, поскольку избыточная нагрузка гасится, а не потребляется.
Подключение диммера в схему питания светодиодной лампы
Существует два варианта подключения:
- Схема подключения перед драйвером питания, когда диммируется переменное напряжение;
- Подключение после драйвера питания, с ШИМ-регуляцией постоянного напряжения.
Как подключить диммер вместо выключателя
В последнее время люди всё чаще меняют обычные выключатели на диммеры. Поменять выключатель на диммер очень просто.
У выключателя два выхода (две клеммы), у диммера тоже две клеммы. Просто подключаем диммер вместо выключателя, используя те же провода, что подключались к выключателю.
Полярность никакой роли не играет. Однако, если с помощью фазового указателя (отвертки-индикатора) вы определили, где фаза, то лучше фазный проводник подключить на клемму L диммера. Просто для порядка.
Включение лампочки через диммер
Единственное условие, которое предъявляет производитель – соблюдать подключение выводов к фазе и к нагрузке. Хотя, как показывает практика, на этом можно не заморачиваться – всё работает хорошо при любом подключении.
Если раньше люстра включалась через двухклавишный выключатель, то через димер все лампочки будут загораться (светиться) одновременно. На одну клемму диммера сажаем фазу, на вторую – два остальных провода.
Где применяются?
Изделия этой категории подходят не только для регулировки освещенности.
С помощью встроенного микроконтроллера можно получить в свое распоряжение дополнительные функции:
- работу нагрузки по времени либо установленному графику;
- медленное затемнение;
- плавное включение;
- мигание с нужной частотой;
- дистанционное управление голосовыми командами.

Регулируемое изменение мощности можно применить для настройки рабочего режима паяльника либо иного устройства со встроенным резисторным нагревателем.
Виды диммеров
Все диммеры, которые сейчас есть в продаже, можно разделить на 2 группы – поворотные (с регулятором – потенциометром) и электронные, с управлением с помощью кнопок.
При регулировании (диммировании) ручкой потенциометра яркость зависит от угла поворота. И один поворотный димер работает как один выключатель, больше от него добиться невозможно. Я говорю о проходных переключателях, параллельном-последовательном включении, и т.п. Мой не совсем удачный опыт описан на СамЭлектрик в статье Включение двух диммеров в параллель.
Кнопочный диммер в смысле гибкости управления более гибок. Можно подключить несколько кнопок в параллель, и управлять диммером из любого количества мест. Конечно, это теоретически, на практике количество мест управления ограничивается 3-4, а максимальная длина проводов – около 10 метров, причем схема может быть критична к помехам и наводкам.
Существует также дистанционные диммеры, управляемые по радио- или инфракрасному каналу.
Цена у диммеров с регулятором и с кнопками отличается на порядок, ведь кнопочный диммер (например, диммер Legrand) как правило собран с применением микроконтроллера. Поэтому гораздо более распространены поворотные диммеры, которые мы и рассмотрим ниже.
Существуют также промышленные разновидности диммеров в виде твердотельных реле с управлением резистором, такой вид диммера рассмотрен в статье про схемы подключения твердотельных реле.
Плюсы и минусы регуляторов яркости
Установка регуляторов яркости, представленных в виде диммеров, имеет следующие преимущества:
- возможность быстрой и простой регуляции работы ламп накалывания и прочих осветительных агрегатов;
- увеличение срока эксплуатации самих осветительных приборов;
- увеличение энергоэффективности искусственного освещения.
Диммер способствует плавному включение и выключению осветительного прибора.
Благодаря этому существенно сокращается количество резких электрических бросков через накалываемую лампу, в результате чего существенно увеличивается время действия светового источника.
НА ЗАМЕТКУ! модернизированные аппараты, оснащённые передовыми технологиями, способны имитировать присутствие человека. Для этого в регулирующем устройстве применяется программный мод, который автоматически включает и отключает свет в помещении.
Зачастую потребители и недостатками регуляторов яркости, покупая на рынке дешёвые и, как следствие, некачественные модели. Ярко выраженные минусы таких приборов заключаются в следующем:
- сокращение времени работы и производительности ламп накалывания или других осветительных приборов;
- возникновение в ходе эксплуатации мерцающей отдачи;
- уменьшение показателя энергоэффективности.
Важно! Основная особенность выходного напряжения – нелинейная зависимость от результатов резисторного сопротивления.
Чтобы убрать бо́льшую часть недостатков, следует учесть нecинуcoидaльную форму выходного напряжения. В связи с этим не желательно подключать понижающие трансформаторы.
Устройство диммеров для ламп накаливания
Вот несколько фото конструкций поворотных диммеров.
Устройство диммера Gunsan
Диммер Gunsan – вид со стороны пайки
Устройство диммера Makel
Устройство диммера Makel – вид со стороны пайки
Как видно, устройство диммера весьма простое, но может отличаться у разных производителей. При этом основная разница – в качестве сборки и комплектующих.
Схема диммера на симисторе
Схема симисторных регуляторов яркости в основном везде одинакова, отличается только наличием дополнительных деталей для более устойчивой работы на низких “выходных” напряжениях и для плавности регулирования. Также в схему вводятся детали для снижения уровня помех, выдаваемых димером в сеть.
Схема димера простейшая
Принцип действия схемы таков.
Чтобы лампа загорелась, надо чтобы симистор пропустил через себя ток. Это случится, когда между электродами симистора А1 и G появится определенное напряжение (какое – смотри в даташите, можно скачать внизу статьи). Вот как оно появляется.
При начале положительной полуволны конденсатор начинает заряжаться через потенциометр R. Понятно, что скорость заряда зависит от величины R. Умными словами, потенциометр меняет фазовый угол. Когда напряжение на конденсаторе достигнет величины, достаточной для открытия симистора и динистора (см. даташит на динистор), симистор открывается. Иначе говоря, его сопротивление становится очень мало, и лампочка горит до конца полуволны.
То же самое происходит и с отрицательной полуволной, поскольку диак и триак – устройства симметричные, и им все равно, в какую сторону течет через них ток.
В итоге получается, что напряжение на активной нагрузке представляет собой “обрубки” отрицательных и положительных полуволн, которые следуют друг за другом с частотой 100 Гц.
На низкой яркости, когда лампа питается совсем короткими “кусочками” напряжения, заметно мерцание. Чего совсем не скажешь про реостатные регуляторы и регуляторы с преобразованием частоты.
Вот так выглядит реальная схема регулятора освещения. Параметры элементов указаны с учетом разброса у разных производителей, но суть от этого не меняется.
Практическая схема роторного диммера
Подробнее про работу диммера – на видео:
Предназначение
Слово «диммер» происходит от английского «dim», что в дословном переводе на русский язык означает «затемнять». Но сами русские диммер часто называют ещё светорегулятором, потому что он представляет собой электронное устройство, при помощи которого можно менять электрическую мощность (то есть регулировать в большую или меньшую сторону).
Чаще всего с помощью такого устройства управляют осветительной нагрузкой. Регулятор освещения предназначен для изменения яркости света, который излучают светодиодные лампы, а также лампы накаливания и галогенные.
Простейшим примером диммера является переменный резистор (или реостат). Ещё в 19 веке немецкий физик Иоганн Поггендорф изобрёл это устройство, чтобы с его помощью можно было регулировать напряжение и силу тока в электрической цепи путём увеличения или уменьшения сопротивления. Реостат представляет собой устройство с регулировкой сопротивления и проводящий элемент. Сопротивление может изменяться ступенчато и плавно. Для получения низкой яркости света необходимо уменьшить напряжение. Но сопротивление и сила тока при этом будут большими, что приведёт к сильному нагреву устройства. Так что такой регулятор совсем невыгоден, он будет работать с низким КПД.
В качестве диммера также можно использовать автотрансформаторы. Их применение обусловлено высоким КПД, во всём регулируемом диапазоне будет выдаваться практически неискажённое напряжение с необходимой частотой 50 Гц. Но автотрансформаторы довольно габаритны, много весят, для управления ими нужно прилагать немалые механические усилия.
К тому же такое устройство дорого обойдётся.
Диммер электронный – этот вариант наиболее выгоден с экономической точки зрения. Он отличается компактностью и немного другим принципом действия. О нём поговорим более подробно.
Внимание!
Другая, более подробная схема диммера и пособие по ремонту диммеров приведены в другой статье – ремонт поворотного диммера на симисторе.
А если Вам вообще интересно то, о чем я пишу, подписывайтесь на получение новых статей и вступайте в группу в ВК!
Симисторы в этой схеме можно ставить любые, в зависимости от мощности нагрузки. Напряжение – не ниже 400 В, поскольку мгновенное напряжение в сети может достигать 350 В. Динистор – DB3, в крайнем случае DB4. От величины конденсаторов и резисторов зависит начальная-конечная точки зажигания, стабильность горения лампы.
При максимальном сопротивлении резистора R1 будет минимальное горение лампы, поскольку симистор будет открываться в конце полуволны, или вообще не откроется.
Конструктивные особенности
Для коммутации электрических цепей применяют полупроводниковый ключ (динистор). Конденсатор устанавливают для накопления и возврата энергии, переменный резистор – для определения рабочего режима.
Какие факторы усложняют схему?
Простейший регулятор на симисторе можно собрать на универсальной макетной плате за 15 минут. Сложнее решить задачу, если надо подключить дистанционное управление или улучшить внешний вид устройства. В некоторых ситуациях дополнительные трудности сопряжены с выбором места его размещения.
Способы управления прибором
Можно использовать поворотный, нажимной или комбинированный механический прибор. Клавишей включают (выключают) свет. Поворотным рычагом регулируют яркость.
Аналогичные алгоритмы применяют при установке сенсорной панели. В этом случае для подачи напряжения (разрыва цепи) пользуются слабым ударом по чувствительной области. Движением пальца по вертикальной (горизонтальной) линии изменяют уровень освещенности.
Этот вариант оснащения подразумевает покупку более дорогих комплектующих деталей.
При выборе дистанционной схемы управления обращают внимание на следующие особенности:
- Инфракрасный канал действует только по линии прямой видимости между пультом и приемным устройством.
- Прохождению радиосигнала через стены мешают стальная арматура и другие экранирующие конструкции из металла.
- В звуковом диапазоне ложные срабатывания могут провоцировать посторонние шумы.
Самые широкие функциональные возможности обеспечит схема управления с подключением смартфона, планшета или компьютера.
Тип размещения
Для монтажа устройства можно использовать стандартную коробку под выключатель. В этом случае существенное значение имеет ее внешний вид. В скрытом положении диммер устанавливают за панелью подвесного потолка либо в иной полости внутри строительной конструкции. Материал декоративной обшивки выбирают с учетом отсутствия помех для управляющих сигналов.
Альтернативное использование диммера
То, что диммер может только регулировать яркость ламп накаливания – узколобость маркетологов, у него гораздо больше применений.
Диммер – это не только регулятор освещения, его можно использовать как регулятор напряжения вообще, подключая через него любую активную нагрузку – лампу накаливания, паяльник, чайник, утюг. Но главное – максимальная мощность диммера (другими словами – максимальный ток симистора) должна соответствовать нагрузке.
Не факт, что нагрузка при этом будет вести себя адекватно, и не будет подвергаться опасности выйти из строя. Например, попробуйте диммировать свой телевизор) Нет, лучше не надо!
Кроме того, можно например регулировать температуру теплых полов. При этом отпадает необходимость в покупке температурного регулятора, который стоит в 3-5 раз дороже.
Минус – нет обратной связи и защиты от перегрева, но это во многих случаях терпимо. Ведь от люстры тоже нет обратной связи – только через глаза.
А от теплого пола – через ноги, не так ли? Ставил диммеры на теплые полы, работают прекрасно много лет.
Как избежать 3 ошибки при работе
- Когда самостоятельно изготовленное оборудование перестало включать освещение в комнате, проверяем его предохранитель. Он выходит из строя при перепадах напряжения. Положительный момент – весь удар предохранитель берет на себя и остальные части схемы не пострадают. В случае поломки, его заменяем на новый и продолжаем пользоваться прибором.
- Если перегорела лампа и диммер перестал работать, то из строя вышел уже симистор. Эта проблема более серьезная. Придется отсоединить старый и припаять новый симистор так, чтобы не повредить остальные элементы.
- Если при устранении неполадок, диммер по-прежнему не функционирует, то проблема, возможно, кроется в электропроводке внутри помещения. В таком варианте используем мультиметр и проверяем цепь.
Это наиболее распространенный ошибки в работе прибора, которые потребуется устранить для правильного функционирования прибора.
При покупке диммера в магазине желательно брать следующие образцы:
- Sonoff диммер.
- Диммер Werkel для световых ламп.
- Диммер Modbus.
- Диммер Kaoyi kht 234g.
- Диммер Makel.
- Диммер легранд валена.
Выбираем диммер
Стандартное электроустановочное изделие, диммер, позволяет отрегулировать яркость освещения, выбрать режим в зависимости от времени суток и настроения. Изделие помогает сократить потребление электроэнергии и повысить уровень комфорта.
Знакомьтесь: диммер
Диммерами называют регуляторы электрической мощности, позволяющие влиять на работу подключенной нагрузки. В качестве последней выступают люминесцентные, светодиодные и другие источники света.
Прародитель современных устройств, механический светорегулятор, появился в конце XIX века в США. Автор изобретения, Гранвилл Вудс, сконструировал и собрал прибор для одного из местных театров.
Изделие использовалось для плавных затемнений сцены.
Принцип действия диммера
Простейшее светорегулирующее устройство можно изготовить на основе переменного резистора. Снижение яркости лампы в этом случае происходит за счет повышения сопротивления и уменьшения силы тока. В теории схема выглядит простой и эффективной, однако, на практике обнаруживаются минусы: низкий КПД и большой расход энергии, излишки которой выделяются в виде тепла. В итоге мы получаем перегревшийся регулятор и нисколько не уменьшившийся счет за электричество.
С приходом полупроводников, симисторов и транзисторов, диммеры стали компактнее и эффективнее. Электронный ключ отсекает передние или задние части синусоидальной волны напряжения. Чем больший участок оказывается отсеченным, тем меньше яркость подключенного к диммеру источника света.
Полупроводниковые модели уже не разбазаривают энергию, но также имеют недостатки: устройства генерируют помехи, влияющие на работу другой техники, особенно высокочувствительной.
Проблема решается с помощью дополнительных конструктивных элементов — фильтров и дросселей. Кроме того, современные диммеры оснащаются защитными элементами, предохраняющими от перегрузок и короткого замыкания.
Что умеет диммер
Изменение яркости освещения – главный талант диммеров. В зависимости от модели, устройства также могут плавно включать или выключать освещение, заставлять лампы мигать, управлять источниками света автоматически. Более сложные модели умеют создавать эффект присутствия: включать осветительные приборы без участия человека.
Диммеры не только запоминают и воспроизводят последние настройки, но и держат в уме несколько вариантов освещения. Светорегуляторы могут управляться с нескольких точек в помещении и дистанционно. Производители умных устройств закладывают в них возможность сохранения доступа к настройкам из любой точки мира, где есть интернет.
Зачем все это нужно
Применение диммера поможет сделать обычный осветительный прибор многофункциональным.
Устройства, светящие в полную силу, подойдут для активных занятий; пятидесятипроцентная яркость – для расслабления и отдыха, минимальная – для «дежурного» освещения. Обычный светильник начинает работать за троих: создает функциональное освещение, мягкую подсветку и выполняет обязанности ночника.
Светорегуляторы уменьшают нагрузку на источники света, а значит, продлевают срок их службы. Кроме того, снижается расход электроэнергии. Постепенное включение освещения поможет проснуться с утра, а такое же отключение – с комфортом завершить день. Последнее будет актуальным для тех, кто не любит темноту, но не может уснуть при ярком свете. Автоматические функции упрощают жизнь и позволяют не тратить время на пустяки, вроде ежедневного подбора настроек освещения «методом научного тыка».
Эффект присутствия – бесценная вещь для тех, кто часто путешествует или ездит в командировки. Неожиданно включившееся освещение наверняка озадачит непрошеных гостей, положивших глаз на чужое добро. Ну а с функцией управления через интернет всегда можно проверить, погашен ли дома свет.
de7ecdb8-639c-4c9d-8c8a-9c8e76c954c7
Механизм светорегулятора (диммера) AtlasDesign поворотно-нажимной 315Вт бел. ATN000134
c0f89220-2f88-4193-8e6c-599a465fbad7
Механизм светорегулятора СП Etika 400Вт нажимн. бел. 672218
d4be83f3-3e34-4ef9-b2fb-04daf4e1befa
Механизм электронного клавишного светорегулятора 40-450 Вт, 2-модульный, серия Zenit, цвет антрацит N2260 AN 2CLA226000N1801
b11b767b-a04c-449f-bfd5-dbcce5204a9b
Светорегулятор чёрный матовый Fiore
28a56ea0-ed18-44fc-b8ea-f0de1d070bd2
Светорегулятор поворотно-нажимной бронза 12 Б0019363
Несколько советов по выбору диммера
- Учитывайте совместимость. Это не про гороскопы, а про умение светорегулятора «ладить» с разными лампами. Среди диммеров есть универсальные модели и изделия, специализирующиеся на конкретных источниках света, например, светодиодных или люминесцентных.
- Обращайте внимание на мощность. Характеристика всегда указывается если не в наименовании, то в описании продукта.
Показатель измеряется в ваттах. Помимо общей мощности подключаемых источников света, производители могут прописать в инструкции и максимальное количество ламп или светильников.
- Не ищите бесплатный сыр. Разумно тратить деньги можно и нужно, а вот жадничать – не стоит. Откровенно дешевые изделия не отличаются высоким качеством комплектующих и материалов, а также сборки. Это сказывается на их долговечности не лучшим образом.
Диммеры Hager
Светорегуляторы дистанционные
Дистанционные светорегуляторы EVN011, EVN012, EVN002, EVN004 позволяют регулировать яркость ламп накаливания, низковольтных галогеновых ламп (230В), галогеновых ламп БСНН (12 или 24 В ELV) с любыми трансформаторами, компактных регулируемых газоразрядных ламп с ПРА, регулируемых 230В LED ламп с встроенным устройством питания или БСНН регулируемых LED ламп (ELV 12 или 24В) с электронными трансформаторами. Это универсальные диммеры с автоматическим управлением нагрузкой и функцией подбора закона управления для более эффективного регулирования компактных газоразрядных и 230В LED ламп.
- Встроена функция автоматического определения нагрузки
- Встроена защита от перегрузки и перегрева
- Максимальная длина кабеля управления – 50 м
- Есть возможность выбора закона управления нагрузкой у EVN012, EVN004
- Есть функция Comfort (кроме EVN011 и EVN002) – мягкое отключение, ночное освещение, макс. освещение, световая сцена, установка времени для световой сцены или ночного освещения
- Встроена возможность использования кнопок управления с подсветкой (5 мА макс)
- Соответствуют стандартам EN 60669‐1, EN 60669‐2‐1
- Степень защиты IP20
- Место для маркировки с прозрачной защитой
- Ширина одного модуля 17,5 мм
| Картинка | Артикул | Название |
|---|---|---|
| EVN002 | Светорегулятор дистанционный универсальный, 500 Вт | |
| EVN004 | Светорегулятор дистанционный универсальный «комфорт», 500 Вт | |
| EVN011 | Светорегулятор дистанционный универсальный, 300 Вт | |
| EVN012 | Светорегулятор дистанционный универсальный «комфорт», 300 Вт |
Универсальные дистанционные регуляторы освещённости, 1000 Вт
| Картинка | Артикул | Название | ||||||||||
|---|---|---|---|---|---|---|---|---|---|---|---|---|
| EV100 | Диммер дист.
| |||||||||||
| EV102 | Диммер дист.
|
Устройства дистанционного управления светорегуляторами
- Предназначены для совместного управления несколькими дистанционными регуляторами света EV100 и EV102 (до 30 штук), а также для управления электронными пускорегулирующими аппаратами (через 1/10В)
- Дисплей для индикации текущего значения яркости и настройки параметров
- Возможно подключение кнопок с подсветкой с током до 5 мА
- Максимальное и минимальное значения яркости могут регулироваться
- Коммутируемый выход для индикации состояния
- Регулируемая скорость изменения яркости
- Регулируемое время уменьшения и увеличения яркости
| Картинка | Артикул | Название |
|---|---|---|
| EV106 | Устройство дист.
| |
| EV108 | Устройство дист. Упр. Диммерами Комфорт
Аналогично EV106, также:
|
4 лучших настенных умных выключателя и диммера 2022 года
Мы независимо проверяем все, что рекомендуем.
Когда вы покупаете по нашим ссылкам, мы можем получать комиссию. Узнать больше›
- Дом
- Устройства для умного дома
Люди могут воспринимать выключатели как должное, потому что они, ну, довольно скучные (но не для нас!). Умные выключатели, однако, более удобны и добавляют изюминку, позволяя вам управлять освещением всего дома с помощью приложения или голосовой команды, независимо от того, находитесь ли вы в офисе, в отпуске или в постели на ночь. Мы рекомендуем TP-Link Kasa Smart Wi-Fi Light Switch Dimmer HS220, потому что он прост в использовании, достаточно доступен, чтобы вы могли установить несколько по всему дому, и разработан для поддержки Amazon Alexa, Google Assistant и IFTTT.
Сделай сам или найми профессионала
Для установки диммера требуются инструменты и уверенность в работе с электропроводкой. Это не сложно, но некоторым людям может быть лучше нанять помощника.

Сначала измерьте
Из-за дополнительной электроники интеллектуальные переключатели громоздки. Подтвердите размер вашей распределительной коробки. И если ваша коробка переполнена проводкой, выберите переключатель, в котором используются клеммы, а не провода.
Подтвердите свои провода
В старых домах может отсутствовать нулевой провод (обычно белый) в распределительной коробке; если нейтрали нет, обязательно приобретите переключатель, для которого она не требуется.
Откажитесь от умных лампочек
Никогда не сочетайте умные лампочки с умным диммером. Большинство из них несовместимы и поэтому будут мерцать, мигать, стробировать или гудеть.
Наш выбор
Совместимость с: Amazon Alexa, Google Assistant, IFTTT диммирование и вкл./выкл.), и хорошо смотрится на стене.
Приложение позволяет создавать автоматизированные расписания и управлять группами переключателей. Он также позволяет запрограммировать диммер на реакцию в зависимости от того, как вы к нему прикасаетесь, поэтому, например, длительное нажатие или двойное нажатие может мгновенно включить или выключить переключатель, дать ему команду постепенно исчезнуть или перейти в предпочтительный предустановленный уровень затемнения. Этот диммер не работает в трехпозиционной конфигурации, но компания предлагает комплект трехпозиционного диммера KS230 и трехпозиционный переключатель HS210, а также однополюсный переключатель Kasa Smart Wi-Fi Light Switch HS200.
Реклама
Занявший второе место
Совместимость с: Amazon Alexa, Google Assistant
Интеллектуальный встраиваемый в стену выключатель света Monoprice Stitch с диммером также имеет встроенный Wi-Fi. И это отличная альтернатива для людей, которые хотят что-то надежное и недорогое, но им не нравится трехкнопочная компоновка диммера Kasa Smart HS220.
Мы предпочитаем приложение Kasa и некоторые дополнительные функции, которые оно предлагает, но Stitch прост в эксплуатации, позволяет планировать на основе различных условий (включая погоду) и работает с несколькими платформами умного дома. Если вам не нужны возможности затемнения, мы также рекомендуем чуть менее дорогой интеллектуальный настенный выключатель Monoprice Stitch Smart On/Off Light Switch.
Также отлично подходит
Интеллектуальный диммер Z-Wave Inbrighten In-Wall
Этот традиционный переключатель работает со всеми концентраторами Z-Wave, включая SmartThings, Ring, Wink, Vivint, Honeywell и HomeSeer. Это также самая простая в использовании модель Z-Wave, которую мы тестировали.
Совместимость с: концентраторами Z-Wave и Z-Wave Plus и совместимыми устройствами
Если у вас уже есть умный дом, поддерживающий устройства Z-Wave, выберите интеллектуальный диммер Enbrighten In-Wall Z-Wave Smart Dimmer.
Он требует использования концентратора умного дома Z-Wave и совместим со многими наиболее популярными моделями концентраторов, в том числе от SmartThings, Ring, Wink, Vivint, Honeywell и HomeSeer. Это также самый простой в использовании и самый дешевый диммер Z-Wave, который мы тестировали, он обеспечивает дистанционное управление, настраиваемые сцены и использование по расписанию, поэтому вы можете включать и выключать свет в установленное время дня.
Upgrade pick
Беспроводной интеллектуальный диммер Lutron Caséta, встроенный в стену
Помимо надежного подключения к сети, эта модель работает со многими устройствами умного дома, не требует нейтрального провода для установки и имеет простой удобная многокнопочная клавиатура.
Совместимость с: Amazon Alexa, Google Assistant, Apple HomeKit, IFTTT, Ring, Samsung SmartThings Fi мертвых зон в вашем доме. Приложение позволяет легко создавать комнаты, сцены и автоматические расписания, хотя оно дороже, чем другие наши варианты, и, в частности, не имеет возможности включать свет до ранее использовавшихся настроек.
Что делает диммер Lutron Caséta выдающимся, так это то, что для его установки не требуется нейтральный провод (который часто отсутствует в старых домах), и он работает со многими популярными системами умного дома. Caséta требует использования концентратора; мы предпочитаем умный мост Lutron Caséta. И если у вас уже нет совместимого концентратора, мы рекомендуем приобрести стартовый комплект, в который он входит.
Другие идеи освещения для умного дома
Все, что мы рекомендуем
Наш выбор
Занявший второе место
Также отлично
Enbrighten In-Wall Z-Wave Smart Dimmer
9006 концентраторы, включая SmartThings, Ring, Wink, Vivint, Honeywell и HomeSeer. Это также самая простая в использовании модель Z-Wave, которую мы тестировали.Upgrade pick
Беспроводной интеллектуальный диммер Lutron Caséta, встраиваемый в стену
Помимо надежного подключения к сети, эта модель работает со многими устройствами умного дома, не требует нейтрального провода для установки и имеет простой удобная многокнопочная клавиатура.
Исследования
- Почему нам стоит доверять
- Для кого это
- Как мы выбрали
- Как мы тестировали
- Безопасность, конфиденциальность и встроенные интеллектуальные коммутаторы
- Наш выбор: TP-Link Kasa Smart Wi-Fi Light Switch Dimmer HS220
- Недостатки, но не преграды
- Второе место: Monoprice Stitch Smart In-Wall On/Off Light Switch с диммером
- Также отлично: Enbrighten In-Wall Z-Wave Smart Dimmer
- Upgrade pick : Lutron Caséta Wireless In-Wall Smart Dimmer
- Экологичность и встроенные в стену интеллектуальные выключатели и диммеры
- На что рассчитывать
- Другие хорошие встроенные интеллектуальные выключатели и диммеры
- Конкуренты
- Конфиденциальность и безопасность: сравнение наших подборок
- Часто задаваемые вопросы
- 6
6
- 6 Источники
Почему нам стоит доверять
Впервые я начал тестировать устройства для умного дома более 20 лет назад, когда единственными устройствами для умного дома были X10.
С 2016 года я освещаю оборудование для умного дома для Wirecutter, и у меня в руках было все, от умных лампочек, умных розеток и датчиков утечки воды до умных видеодомофонов, внутренних камер видеонаблюдения и систем безопасности. Я также писал технические статьи для The New York Times, Wired, Men’s Health и других.
Хотя я сама тестировала каждый выключатель часами, мой муж, имеющий лицензию электрика, выполнил каждую установку. Он установил буквально тысячи коммутаторов и смог помочь мне оценить каждую установку и качество сборки каждого коммутатора; это также сделало замену переключателей в 10 раз быстрее, чем если бы я сделал это. Если вам неудобно или вы не знакомы с проводкой, всегда лучше, чтобы это сделал профессионал.
Для кого это
Никто не любит заходить в темный дом. Интеллектуальное освещение позволяет включать и выключать свет практически из любого места с помощью смартфона, а также использовать приложение для установки расписаний, похожих на таймеры, чтобы освещение включалось и выключалось автоматически в зависимости от времени суток и других переменных.
Существует множество вариантов интеллектуального освещения (таких как лампочки и съемные выключатели), но встроенные в стену интеллектуальные выключатели освещения представляют собой более постоянное приспособление, позволяющее управлять одним или несколькими источниками света в цепи.
Большинство умных выключателей легко заменить (хотя вам следует нанять электрика, если вам неудобно отключать питание и ковыряться внутри стены). А интеллектуальные диммеры могут помочь вам сэкономить на счетах за электроэнергию, потому что вы часто устанавливаете уровень освещенности не на полную мощность.
Большинство беспроводных коммутаторов подключаются напрямую к домашней сети Wi-Fi, но некоторым требуется концентратор умного дома или собственный сетевой мост, который устанавливает отдельную беспроводную сеть. Встраиваемые в стену беспроводные переключатели могут одновременно управлять одним или несколькими источниками света и, как правило, могут интегрироваться с другими интеллектуальными устройствами.
Таким образом, вы можете активировать свет с помощью датчиков движения, интеллектуальных замков, камер или даже звука вашего голоса.
Одна из проблем, которая часто возникает при использовании современного светодиодного освещения и диммеров (умных или обычных), — это жужжание или мерцание, что может сводить с ума, особенно с учетом того, что эти выключатели могут быть очень дорогими. Мы поговорили с Брентом Процманом, директором по строительным наукам в Lutron, и он объяснил, что светодиодные лампы могут быть гораздо более подвержены проблемам. «Поведение электронного драйвера внутри светодиодной лампы быстрое и непосредственно реагирует на ежедневные колебания в домашнем электроснабжении», — сказал он. «Некоторые светодиодные лампы могут также издавать слышимый жужжащий звук из-за вибрации их компонентов, а уровень вибрации (жужжания) зависит от конструкции светодиода». Так что, если вы чувствуете жужжание ваших новых выключателей, прежде чем вырывать выключатели (и ваши волосы), попробуйте заменить лампочки на более подходящие.
Или проверьте диммер на веб-сайте компании или в ее технической поддержке перед покупкой, чтобы убедиться, что диммер совместим с вашей лампой или светильником.
Как мы выбирали
Многие диммеры и переключатели, которые мы установили, имеют ту же форму качающейся кнопки. Фото: Рэйчел ЦериколаВ течение многих лет мы следили за обзорами и обзорами умных диммеров и выключателей, встраиваемых в стены. Чтобы мы могли рассмотреть модель для тестирования, она должна быть беспроводной и рассчитана на установку внутри стены. Все диммеры также являются переключателями, и мы предпочитаем диммеры, потому что они лучше создают настроение и экономят электроэнергию. Мы учитываем все следующие особенности:
- Затемнение: Если у вас есть регулируемый свет, вам нужен интеллектуальный диммер. Один из них обычно стоит примерно на 2–10 долларов больше, чем стандартный встроенный интеллектуальный коммутатор.

- Планирование: Все интеллектуальные выключатели и диммеры поддерживают планирование, поэтому вы можете включать и выключать свет в заранее определенное время суток. Мы считаем бонусом, если модель предлагает планирование на основе восхода и захода солнца и состояния других устройств, а также планирование на каждый день недели или режим отсутствия (для обеспечения безопасности, которое имитирует занятость путем случайного включения и выключения света). .
- Умный дом и голосовая интеграция: Большинство моделей в нашем списке предлагают тот или иной тип голосового управления, стандартными являются Amazon Alexa и Google Assistant. Некоторые модели также могут быть привязаны к Apple HomeKit или IFTTT (If This Then That), что позволяет создавать собственные правила умного дома, называемые «рецептами».
- Беспроводная технология: Большинство интеллектуальных переключателей и диммеров в нашем списке используют Wi-Fi, но мы также рассматриваем модели, использующие Z-Wave, Zigbee и даже собственные беспроводные технологии.

- Дополнительные возможности управления: Лишь несколько компаний предлагают интеллектуальные выключатели и диммеры, которые работают в трех- и четырехпозиционных конфигурациях или имеют альтернативное расположение кнопок. Если вам нужно управлять освещением из нескольких мест выключателя (например, вверху и внизу лестницы) или любой другой нестандартной компоновки, вам нужно будет присмотреться.
Цены на эти переключатели сильно различаются, но большинство из них стоят от 20 до 100 долларов, а диммеры и модели со встроенной функцией Alexa находятся в верхней части этого диапазона.
Как мы тестировали
Каждую модель устанавливал мой муж, дипломированный электрик. Некоторые переключатели поставляются с подключенными электрическими проводами; другие имеют только терминалы. Они одинаково просты в установке.
Но если у вас плотное прилегание к стене, подумайте о покупке выключателей с клеммами, потому что это помогает ограничить количество проводов, которые вам нужно втиснуть в распределительную коробку.
Часть беспроводного выключателя, которая вставляется в стену, больше, чем часть обычного выключателя света, из-за встроенной дополнительной технологии. Это не означает, что вам нужно будет доставать ручную пилу, но это установка немного сложнее, чем обычная замена выключателя света. Для большинства моделей, которые мы рассмотрели в этом руководстве, требуется нейтральный провод. Если у вас старые переключатели, у вас может не быть этого провода в существующей коробке. В этом случае вы должны либо купить переключатель, для которого не требуется нейтральный провод, либо нанять электрика, чтобы он перемонтировал всю конфигурацию переключателя (вы также можете рассмотреть возможность размещения в этом месте полностью беспроводного настенного переключателя).
Даже с учетом большого корпуса выключателя и требований к проводке моему штатному электрику требовалось всего 10–15 минут для завершения каждой установки.
Это включало отключение электричества автоматическим выключателем и демонтаж старых выключателей.
Мы тестировали каждый выключатель по отдельности в течение как минимум двух недель (большинство из них — гораздо дольше, а некоторые — годами) с использованием одних и тех же светодиодных ламп (наше второе место — 60-ваттная лампочка Feit Electric с регулируемой яркостью дневного света A19). . Все переключатели позволяют включать и выключать свет удаленно, а также устанавливать расписания с помощью соответствующего приложения для смартфона на каждом устройстве. Диммеры добавляют возможность запускать подключенный свет для затемнения в определенное время суток. Все модели, которые мы тестировали, включали и выключали свет без задержки (за исключением случаев, отмеченных в конкурсе), как при физическом прикосновении к выключателю, так и при использовании элементов управления приложения.
Для тестирования удаленных функций и функций мы использовали приложения на iPhone SE, iPad и Samsung Galaxy J7 под управлением Android Oreo, когда это было возможно.
Мы также использовали Amazon Echo Dot, Echo Plus и Echo Show, а также HomePod Minis и Google Mini при тестировании устройств, совместимых с голосовыми командами.
Безопасность, конфиденциальность и встроенные интеллектуальные переключатели
Wirecutter серьезно относится к вопросам безопасности и конфиденциальности и максимально тщательно исследует, как компании, чьи продукты мы рекомендуем, обрабатывают данные клиентов. В рамках нашего процесса проверки встроенных в стену интеллектуальных коммутаторов мы изучили все методы обеспечения безопасности и конфиденциальности данных, лежащие в основе нашего выбора. Мы также обратились к компаниям, производящим наши лучшие решения, чтобы они ответили на обширный вопросник (см. Конфиденциальность и безопасность: сравнение наших решений).
Все наши подборки требуют пароль для использования сопутствующих приложений.
Однако ни один из них не предлагает двухфакторную аутентификацию, общую систему, которая хорошо подтверждает, что вы действительно являетесь собой, когда входите в систему, отправляя на ваш телефон код подтверждения, необходимый для входа в приложение.
Совместное использование данных является более серьезной проблемой, но часто это то, что заставляет эти устройства работать лучше. Например, компании могут делиться местоположением вашего смартфона, чтобы включать и выключать интеллектуальные выключатели освещения в зависимости от времени восхода и захода солнца. Если эти типы функций вас не интересуют, вы можете отключить обмен данными о местоположении в настройках своего смартфона. Все компании, стоящие за нашими выборами, заявили, что никогда не делятся данными в маркетинговых целях. Однако, если вы решите подключиться к Amazon Alexa, Google Assistant, Samsung SmartThings или IFTTT, вы будете обязаны соблюдать их правила. (А Apple говорит, что HomeKit ограничивает сбор данных, ни один из них не используется для целевой рекламы, и пользователей спрашивают, прежде чем разрешить обмен данными.
)
Wirecutter проводит долгосрочные испытания всех своих решений, включая отслеживание любых инцидентов с аппаратным и программным обеспечением, которые могут возникнуть. Если мы обнаружим какие-либо проблемы с конфиденциальностью или безопасностью в любой из выбранных нами моделей, мы сообщим о них здесь и, при необходимости, обновим или изменим наши рекомендации.
Наш выбор: TP-Link Kasa Smart Wi-Fi Light Switch Dimmer HS220
Недостатки, но не недостатки некоторые пользователи сообщают, что одна версия издает легкий скрип, когда коромысло работает физически. Компании нередко обновляют оборудование без предварительного уведомления. Если у вас возникла эта проблема и она вас беспокоит, мы рекомендуем вернуть диммер продавцу или обратиться непосредственно в компанию Kasa, которая предлагает двухлетнюю гарантию.

Kasa Smart HS220 поддерживает мощность до 300 Вт, в то время как другие наши модели способны выдерживать вдвое большую мощность. Почему эта мощность имеет значение? Если вы используете маломощные светодиодные лампы (эквивалент 75 Вт потребляет около 10 Вт) или лампы с двумя или тремя лампами накаливания, это, вероятно, не имеет значения. Но если вы надеетесь управлять несколькими мощными источниками света с помощью одного и того же переключателя, вам следует убедиться, что он может удовлетворить ваши потребности.
Как и многие выключатели и диммеры из нашего списка, для HS220 требуется нейтральный провод. Это означает, что его установка может быть проблемой в домах со старой электропроводкой (в домах, построенных до 2011 года, не требовалось иметь нулевой провод для выключателей). Если у вас старый дом или вы не уверены, есть ли в нем нейтральный провод, мы рекомендуем наш вариант обновления — беспроводной интеллектуальный диммер Lutron Caséta Wireless In-Wall Smart Dimmer.
Второе место: Monoprice Stitch Smart In-Wall On/Off Light Switch с диммером
Фото: Rachel CericolaВторое место
Совместимость с: Amazon Alexa, Google Assistant
или вы предпочитаете традиционный кулисный переключатель, мы рекомендуем однополюсный интеллектуальный настенный выключатель с диммером Monoprice Stitch Smart In-Wall On/Off Light Switch. Он также подключается напрямую к Wi-Fi без использования концентратора и работает с Amazon Alexa и Google Assistant. Stitch легко настроить и контролировать, но он не предлагает столько настроек, как Kasa. Кроме того, мы столкнулись с несколькими причудами приложения, из-за которых оно оказалось чуть ниже нашего лучшего выбора.
Диммер Stitch имеет один крошечный синий светодиод внизу, который включается или выключается вместе с выключателем.
(Уровень света светодиода не регулируется, что мы бы предпочли, но, по крайней мере, он не заливает комнату светом.) Чтобы включить и выключить свет с помощью выключателя, просто нажмите; более длительное нажатие регулирует уровни затемнения. Мы также были очень впечатлены качеством сборки этой модели — это один прочный переключатель, который обеспечивает действительно приятный щелчок при нажатии.
В приложении Stitch нет излишеств, функции включения/выключения доступны на главной странице и под главной страницей диммера. На этой странице диммера вы также найдете параметр «Расписания». Вкладка Smart в нижней части главной страницы позволяет использовать сцены и автоматизацию, которые позволяют планировать диммер в зависимости от установленного времени, местного восхода/заката и даже погодных условий. Просто знайте, что для работы некоторых из этих автоматов вам необходимо предоставить доступ к вашему местоположению.
Наша единственная проблема с приложением заключается в том, что функция расписания включает или выключает только переключатель.
Чтобы запланировать включение света на определенных уровнях затемнения, вам необходимо использовать поле Автоматизация. На этой же вкладке вы также можете установить таймеры, которые могут включать и выключать свет после того, как вы покинете комнату. Хорошо, что обе функции присутствуют, но, учитывая удобство использования этого диммера, кажется странным, что они находятся на отдельной странице.
В отличие от нашего фаворита, Стежок более простой. Переключатель не предлагает возможности настроить его на что-то особенное, нет настраиваемого времени затухания и калибровки затемнения. Если эти вещи для вас не имеют значения, и если вы предпочитаете стандартную качельку, диммер Stitch — надежная и доступная альтернатива Kasa Smart HS220. А если вам не нужно затемнение, беспроводной интеллектуальный встроенный в стену выключатель света Monoprice Stitch обеспечивает те же функции (за исключением затемнения) за несколько долларов меньше.
Также отлично: Интеллектуальный диммер Enbrighten Z-Wave
Фото: Rachel CericolaТакже отлично
Интеллектуальный диммер Enbrighten In-Wall Z-Wave
Этот традиционный рокер работает со всеми концентраторами Z-Wave, включая SmartThings , Ring, Wink, Vivint, Honeywell и HomeSeer.
Это также самая простая в использовании модель Z-Wave, которую мы тестировали.
Совместимость с: Z-Wave и Z-Wave Plus концентраторами и совместимыми устройствами таких как SmartThings, Ring, Wink, Vivint, Honeywell или HomeSeer. Многие основные функции освещения, такие как затемнение и планирование, являются стандартными для большинства концентраторов. Но важно отметить, что специальные функции, включая поддержку голосовых платформ, таких как Alexa, Google Assistant и HomeKit, зависят от используемого вами концентратора. Кроме того, поскольку Enbrighten подключается к стороннему концентратору, он никогда не будет получать никаких обновлений прошивки, которые могут включать новые или улучшенные функции или исправления безопасности, если таковые потребуются. Концентратор может получать обновления, а сам диммер — нет.
Как и наш занявший второе место от Monoprice, Enbrighten представляет собой прочный переключатель в традиционном кулисном стиле. Фактический переключатель обеспечивает приятный щелчок и позволяет приглушать освещение долгим нажатием.
Он также имеет крошечный синий светодиод внизу, который вы можете настроить так, чтобы он всегда был включен, выключен или зависел от состояния переключателя.
Мы подключили диммер Z-Wave к концентратору SmartThings и нашей системе Ring Alarm. В наших тестах диммер показал себя хорошо, быстро реагируя на команды. Конечно, ваш пробег может варьироваться в зависимости от используемого вами концентратора. Говоря об этом, в зависимости от вашего концентратора вы можете связать диммер с другими устройствами умного дома, а также создавать сцены, чтобы вы могли одним касанием получить доступ к вашим любимым уровням затемнения. Например, мы создали сцену ужина, в которой свет включался на 50%. Вы можете сделать то же самое в Alexa или Google Assistant; используя оба, мы часто отдавали приказы включить переключатель и изменить уровень затемнения, и переключатель реагировал соответствующим образом.
Вариант обновления: беспроводной встраиваемый в стену интеллектуальный диммер Lutron Caséta
Фото: Рэйчел СериколаВариант обновления
Беспроводной встраиваемый в стену интеллектуальный диммер Lutron Caséta
Помимо возможности подключения по надежной сети, эта модель работает со многими интеллектуальными устройствами.
-домашних устройств, не требует нейтрального провода для установки и имеет простую в использовании многокнопочную клавиатуру.
Совместимость с: Amazon Alexa, Google Assistant, Apple HomeKit, IFTTT, Ring, Samsung SmartThings
После многих лет тестирования и использования беспроводного интеллектуального диммера Lutron Caséta, встраиваемого в стену, мы по-прежнему считаем его разумным выбором, поскольку он обеспечивает надежное дистанционное включение/выключение, диммирование, планирование и группировку по комнатам. Кроме того, это единственный из наших вариантов, который совместим с Apple HomeKit, Amazon Alexa и Google Assistant. В отличие от большинства протестированных нами моделей, Caséta не подключается к домашней сети Wi-Fi, а вместо этого использует беспроводную связь Clear Connect, собственный радиочастотный протокол Lutron. (Clear Connect намного надежнее, потому что он не конфликтует с беспроводным сигналом всех других устройств Wi-Fi, которые могут быть у вас дома.
) Это также означает, что вам нужно купить и установить умный мост Lutron Caséta, который подключается к маршрутизатору с помощью кабеля Ethernet и позволяет вашему смартфону обмениваться данными с настенными блоками. Эта схема стоит дороже и может быть проблемой, если вы держите маршрутизатор в отдаленном месте, поскольку Smart Bridge должен находиться в пределах 30 футов от каждого диммера для поддержания надежного соединения. (Если у вас большой дом, подключаемый интеллектуальный диммер Lutron или беспроводной повторитель Caséta Smart Wireless Repeater также можно использовать в качестве беспроводного удлинителя.) Несколько редакторов Wirecutter используют эту модель и сообщают, что у них не возникало проблем с радиусом действия. .
Lutron продает стартовый пакет, содержащий Smart Bridge, один диммер и один пульт дистанционного управления, и мы считаем, что это выгодная сделка — он дешевле, чем некоторые из протестированных нами автономных переключателей. Caséta Smart Bridge от Lutron является частью более крупной экосистемы освещения, которая включает подключаемые переключатели, беспроводные пульты дистанционного управления (которые могут действовать как трехпозиционные диммеры или переключатели) и даже оконные шторы с беспроводным управлением.
Smart Bridge также позволяет этому настенному диммеру работать с большим количеством интеллектуальных устройств и платформ, включая Alexa, HomeKit, Google Assistant, SmartThings, Sonos, IFTTT и многие другие сторонние устройства, чем любой другой переключатель на нашем список. Таким образом, хотя для установки Caséta требуется Smart Bridge, она многое делает с ним.
Выключатель Lutron Caséta — одна из немногих протестированных нами моделей, для которой не требуется нулевой провод. Это немного упрощает установку. И это здорово, если у вас старый дом или старые выключатели, поскольку во многих домах нет лишнего провода внутри существующих коробок. Вместо одной качельки, ползунка или кнопки этот диммер оснащен четырьмя отдельными клавишами, с помощью которых вы можете включать или выключать свет, а также увеличивать или уменьшать яркость. Эти клавиши гладкие и прочные, они ровно лежат параллельно стене (в отличие от кулисного переключателя) и издают приятный щелчок при нажатии каждой из них.
Выключатель Caséta также имеет полосу светодиодов вдоль боковой стороны для индикации уровня яркости.
Приложение Lutron простое в использовании, но для включения или выключения света требуется дополнительное касание. Все остальное четко обозначено, поэтому вы можете включить планирование, геозону и функцию Smart Away, которая может запускать свет случайным образом в течение настраиваемого окна времени. Сцены одинаково просто настроить несколькими касаниями, поэтому вы можете группировать различные устройства, а также устанавливать уровни затемнения, которые можно включать и выключать одним касанием. И вы можете сделать это, так как этот переключатель не запоминает последнюю использованную настройку; он включается на полную яркость каждый раз, когда вы включаете его из приложения или с помощью голосовых команд. Для этого есть два обходных пути. Вы можете запрограммировать избранную кнопку на пульте pico или создать сценарий для этого переключателя, который устанавливает для него предпочтительный уровень затемнения (но мы бы не хотели делать это для каждого переключателя).
Экологичность, интеллектуальные выключатели и диммеры, встроенные в стену
Многие читатели Wirecutter обеспокоены тем, как на мир влияет производство, доставка и обычное использование продуктов, которые мы рекомендуем. Wirecutter тоже относится к этому серьезно. Вот почему мы смотрим на общую устойчивость всех наших решений.
Наши рекомендации по продуктам полностью основаны на критериях, изложенных в разделах «Как мы выбирали» и «Как мы тестировали». Но мы также предлагаем следующую информацию для всех, кто хочет использовать воздействие на окружающую среду в качестве решающего фактора при покупке. Мы также понимаем, что нижеследующее может не отражать полную картину цепочки поставок продукта и общего воздействия на окружающую среду.
Интеллектуальные выключатели и диммеры, встроенные в стену, позволяют экономить электроэнергию, беря часто используемое устройство и настраивая его по индивидуальному расписанию, избавляя вас от необходимости не забывать выключать свет и идеально сокращая время, в течение которого они работают.
на. Они также могут быть сопряжены с другими устройствами умного дома, такими как датчики или камеры, чтобы они использовались только тогда, когда это необходимо. А когда уровень освещения снижается, диммеры уменьшают количество энергии, потребляемой управляемыми ими приборами. Это может не иметь большого значения, когда речь идет об одной лампочке или комнате, но в домашнем хозяйстве эффект может стать более существенным, особенно со временем.
Хотя гарантия в среднем составляет от одного до двух лет (у Enbrighten выделяется пятилетняя гарантия), эти устройства являются долгосрочными покупками, поскольку их можно обновить с помощью прошивки. (Enbrighten снова является единственным исключением; он не получает обновлений программного обеспечения, поскольку полагается на сторонний центр.) Это означает, что они могут получать новые функции, исправления безопасности и другие улучшения, чтобы оставаться в курсе.
Мы опросили все компании, выбравшие нашу продукцию, об экологичных методах, перерабатываемых материалах и переработанной упаковке.
Ответившие компании отметили, что вся различная упаковка и документация подлежат вторичной переработке, но TP-Link выделяется, утверждая, что упаковка, а также корпус диммера изготовлены из материалов, пригодных для вторичной переработки. Мы все еще ждем ответов от Lutron и Monoprice.
Чего ожидать
В настоящее время мы тестируем новые модели, в том числе интеллектуальный Wi-Fi диммер Feit Electric, диммерный переключатель TP-Link Kasa Smart ES20M и переключатель Wyze. Все три из них используют Wi-Fi для подключения и включают поддержку Amazon Alexa и Google Assistant. Wyze Switch — единственная модель из трио без регулировки яркости. И ES20M также включает в себя встроенный датчик движения.
Мы также тестируем три интеллектуальных диммера, для которых требуется концентратор. HomeSeer HS-WX300 работает с любыми концентраторами HomeSeer, а также с концентраторами сторонних производителей.
Его можно настроить для использования в качестве переключателя, диммера или трехпозиционного переключателя, как с нейтральным проводом, так и без него. Он совместим с Amazon Alexa и Google Assistant.
Умный диммер Leviton Decora Smart No-Neutral Dimmer требует для работы моста Decora Smart Wi-Fi Bridge за 20 долларов, но не требует нейтрального провода, поэтому это хороший вариант для тех, у кого старые дома. (Если у вас еще нет моста Decora Bridge, вы можете купить переключатель и мост вместе в комплекте). Он поддерживает Amazon Alexa, Google Assistant и Apple HomeKit и работает в трехсторонней конфигурации в сочетании с Anywhere Dimmer Companion или Anywhere Switch Companion (каждый продается отдельно).
Интеллектуальный диммер Lutron Caséta Diva работает с нашим апгрейдом, но вместо кнопок используется лепестковый переключатель. Как и оригинальный диммер Caséta, ему не требуется нейтральный провод, но эта модель может быть установлена в проводном 3-полосном приложении с использованием либо существующего механического переключателя, либо дополнительного проводного переключателя.
(Он также работает в беспроводной трехсторонней конфигурации с использованием пульта Pico Remote.)
Компания TP-Link добавила новый интеллектуальный диммер в линейку Tapo Smart Home Line. Интеллектуальный диммер TP-Link Tapo S500D похож на наш текущий выбор, TP-Link Kasa Smart Wi-Fi Light Switch Dimmer HS220, но будет включать поддержку HomeKit. Он будет доступен в четвертом квартале 2022 года.
Летом запущена новая версия Wemo Dimmer с поддержкой Thread. Тем не менее, мы собираемся подождать с тестированием, поскольку этот продукт нельзя будет обновить для поддержки Matter, и компания планирует выпустить новую версию после запуска этой платформы в конце этого года.
Другие хорошие умные выключатели и диммеры, встроенные в стену
Если вам нужен трехсторонний переключатель Wi-Fi или альтернатива HomeKit Lutron : Leviton D26HD работает с Alexa, Google Assistant, HomeKit и IFTTT.
Его также можно использовать в 3-полосной установке (с добавлением Dimmer Companion, около 27 долларов). Приблизительно за 50 долларов эта модель дороже, чем все наши варианты Wi-Fi. Кроме того, нам просто не так нравятся ощущения от этой модели, как от модели первого поколения; Стоит также отметить, что компания заменила прежние клеммные соединения проводными выводами (аналогично большинству наших вариантов).
Если вы все-таки с Aqara: Aqara не предлагает диммер, только модели Zigbee с одним и двумя клавишами, доступные с нейтральным проводом или без него; для обоих требуется концентратор Aqara. Мы протестировали сингл, который показался нам хлипким, а внутреннее реле издавало аномально громкий щелчок при срабатывании, будь то с помощью приложения, голосового управления или ручного управления. В остальном функционально Aqara работает нормально, поддерживает все три основные платформы умного дома и включает статистику по мощности и киловатт-часам в приложении (но только для моделей с нейтральным проводом).
Для более дешевой модели HomeKit: Meross производит несколько моделей, включая диммеры и переключатели без диммирования. Мы протестировали интеллектуальный диммер MSS565 и комплект дистанционного управления, который поставляется с радиочастотным пультом дистанционного управления. Несмотря на наличие подводящих проводов, эта модель все же была заметно меньше, чем другие протестированные нами интеллектуальные диммеры, что облегчало установку в существующую электрическую коробку. К сожалению, у нас были проблемы с его подключением к нашей ячеистой сети, хотя, когда он был подключен к стандартной (не ячеистой) сети, он работал нормально. В отличие от большинства моделей, эта не позволяет вам устанавливать пользовательские уровни затемнения при составлении расписания (хотя вы можете установить это с помощью HomeKit или другой платформы для умного дома). Кроме того, мы не нашли конфигурацию кнопок интуитивно понятной; Кнопки затемнения большие, и обычно это первое, к чему прикасается большинство пользователей.
Однако вы не можете включить или приглушить свет, не коснувшись менее очевидного переключателя включения/выключения.
У конкурентов
Интеллектуальный диммер Wi-Fi Eaton WFD30 отлично работает как в однополюсной, так и в трехполосной конфигурации. Кроме того, он не предлагает ничего особенного, хотя он почти вдвое дороже нашего лучшего выбора, Kasa HS220. Когда вы используете эту модель вручную, она чувствует себя хорошо, но она реагирует, только если вы нажмете ее в нужное место. Следует также отметить, что приложения Eaton нет, поэтому вам нужно будет подключить этот диммер и управлять им через Alexa.
Подобно диммеру Eaton, диммер Square D x Series от Schneider Electric не предлагает ничего, кроме возможности вписаться в однополюсные и трехполосные схемы. Это на несколько долларов больше, чем у Eaton (и более чем в два раза больше, чем у Kasa HS220).
И этот диммер постоянно выбивал нас из приложения — как минимум восемь из каждых 10 раз, когда мы его запускали. Компания говорит, что работает над этим, и мы будем обновлять это руководство с любыми изменениями.
Диммер Legrand Tru-Universal с поддержкой Wi-Fi стоит дорого. И с ним немного сложнее работать, чем с другими моделями, которые мы тестировали, из-за обязательного QR-кода (на маленькой наклейке, прикрепленной спереди — лучше держитесь за это), немного большей (всего 1,77 дюйма) глубины и более длинных проводов. (которые теснят распределительную коробку).
Смарт-переключатель C by GE Smart Switch с датчиком движения + диммер хорош, но мы не можем его рекомендовать. Эта модель интересна тем, что это один из немногих протестированных нами переключателей, которым не требуется нейтральный провод. Однако в наших тестах он постоянно просил нас подключиться к Bluetooth и имел несколько проблем с подключением. И мы обнаружили, что приложение более запутанное, чем необходимо.
Мы отказались от интеллектуального диммера Treatlife и интеллектуального переключателя Treatlife 3-Way Smart Dimmer, потому что считали, что выбранные нами варианты работают лучше. У всех них есть лучшие приложения, и у нас были проблемы с этим однополюсным диммером, который давал мучительно медленный отклик как через приложение, так и через голосовые команды в течение нескольких дней тестирования.
Настенный выключатель iDevices, обеспечивающий однополюсную, трехстороннюю и четырехстороннюю функциональность, включает функцию ночного освещения (которую вы можете отключить или настроить для отображения различных цветов с помощью приложения компании для iOS или Android). а также HomeKit. Тем не менее, это очень дорого для умного переключателя без затемнения.
Eve Light Switch предназначен только для iOS и использует HomeKit, поэтому для управления вне дома вам понадобится Apple TV, HomePod или iPad. Во время тестирования у нас было несколько проблем с подключением.
Но настоящим препятствием было то, что время отклика было смешанным: переключатель иногда включался и выключался быстро, а иногда занимал несколько секунд, независимо от того, использовали ли мы приложение или сенсорный переключатель.
Нам еще предстоит найти переключатель со встроенной Alexa, который бы успешно работал, и на сегодняшний день мы рассмотрели три из них. У голосового диммера Leviton Decora Smart Wi-Fi были проблемы с Alexa, которые часто не распознавали команды, а также с частыми проблемами с подключением. iDevices Instinct не тускнеет, кажется немного дешевым за свои деньги и не использует то же приложение, что и другие продукты iDevices. И Ecobee Switch+ также не тускнеет, имеет завышенную цену и часто глючил во время нашего тестирования.
Конфиденциальность и безопасность: сравнение наших вариантов
Требуется ли имя пользователя и пароль?
- Kasa HS220: Да
- Monoprice Stitch: Да
- Enbrighten: Зависит от используемой втулки.

- Lutron Caséta: Да
Доступна и/или требуется ли двухфакторная аутентификация?
- Kasa HS220: №/№
- Monoprice Stitch: No/No
- Enbrighten: Зависит от используемой втулки.
- Lutron Caséta: Нет/Нет
Зашифрованы ли пользовательские данные в облаке?
- Kasa HS220: Да
- Monoprice Stitch: Да
- Enbrighten: Нет, прямого доступа к облаку нет; зависит от используемого концентратора.
- Lutron Caséta: Да
Будет ли это устройство работать, если у меня отключится интернет?
- Kasa HS220: Без подключения выключатель будет управлять освещением, но им нельзя будет управлять дистанционно.
- Monoprice Stitch: Без подключения выключатель будет управлять освещением, но им нельзя будет управлять дистанционно.

- Enbrighten: Без подключения выключатель будет управлять светом, но им нельзя будет управлять дистанционно.
- Lutron Caséta: Да; диммер может работать как неинтеллектуальный автономный диммер (для затемнения света не требуется концентратор, Интернет или приложение). Интеллектуальные функции диммера, такие как предварительно запрограммированные сцены и расписания, будут работать, даже если интернет-соединение отключится.
Предоставляете ли вы данные третьим лицам?
- Kasa HS220: Ограниченные данные передаются поставщикам услуг для планирования восхода/захода солнца, но не для маркетинга.
- Monoprice Stitch: Нет
- Enbrighten: Нет
- Lutron Caséta: Да, ограниченные данные передаются поставщикам услуг продукта для обеспечения функциональности. Не передавать данные третьим лицам в маркетинговых целях.
Данные о местоположении приложения предоставляются устройством пользователя локально; компания не отслеживает и не хранит их.
Данные о местоположении записываются или передаются?
- Каса HS220: Да, широта и долгота GPS сохраняются в устройстве для расчета времени восхода и захода солнца.
- Monoprice Stitch: Да, некоторые функции автоматизации требуют определения местоположения, например геозоны. Однако это не конкретный адрес, не привязанный к конкретным устройствам или учетным записям клиентов.
- Осветлить: Ни одно устройство Z-Wave не записывает и не передает информацию о местоположении.
- Lutron Caséta: Пользователь вводит страну во время настройки. Приблизительное местоположение моста записывается (не передается сторонним приложениям) для дополнительной функции часов. Пользователи могут понять, как долгота и широта используются в их приложении, если вы перейдете к настройкам, дополнительным, времени и местоположению и введете эту широту/долготу в карты Google.
Для дополнительной функции геозоны требуется доступ к местоположению телефона, а также к физическому местоположению вашего дома, чтобы включать свет, когда вы входите в указанную зону. Местонахождение телефона и домашний адрес не записываются и не передаются Lutron.
Предупреждает ли это устройство об отключении электроэнергии?
- Kasa HS220: No
- Monoprice Stitch: Yes
- Enbrighten: No
- Lutron Caséta: No
Frequently asked questions
How do I know если у меня нейтральный провод?
Дома, построенные до 2011 года, не должны были иметь нейтральный провод для выключателей в соответствии с Национальным электротехническим кодексом. Однако большинство построено после 19У 80 они могут быть в любом случае.
Единственный способ узнать, есть ли у вас нейтральный провод, — отключить цепь, снять настенную панель и выключатель и проверить распределительную коробку. (Обычно это белый провод, соединенный с другим белым проводом, который не подключен к существующему выключателю.) Если вы хотите купить умные выключатели и не уверены, есть ли у вас нейтральный провод, выберите одну из моделей, которые не требуется нейтральный провод (например, Lutron).
Какие лампочки лучше всего подходят для встроенных в стену умных выключателей?
Большинство стандартных лампочек работают со встроенными в стену интеллектуальными выключателями и диммерами. Тем не менее, всегда полезно проверить спецификации перед покупкой, чтобы убедиться, что диммер будет совместим с выбранным вами типом лампы (мы предпочитаем светодиодные) и максимальной нагрузкой, выраженной в ваттах (что может быть проблемой, если у вас есть один переключатель, который управляет лампочками высокой мощности или несколькими группами ламп).
Никогда не используйте диммируемый и/или умный диммируемый выключатель света с умными лампочками. Эти дуэльные технологии заставят лампочку мигать, мерцать или гудеть и иным образом работать со сбоями. И хотя некоторые компании (например, C от GE) производят продукты с умными лампочками и умными переключателями, которые можно использовать в паре, мы не рекомендуем их.
Почему мой встроенный в стену интеллектуальный коммутатор должен знать мое местоположение?
Многие устройства «умный дом» запрашивают разрешение на использование служб определения местоположения на вашем смартфоне, чтобы активировать их интеллектуальные функции. Например, геозона — это функция, которая включает и выключает ваш интеллектуальный выключатель в зависимости от местоположения вашего смартфона, поэтому, например, ваш свет может включаться автоматически, когда вы возвращаетесь домой. Кроме того, многие умные источники света могут включаться в зависимости от местного времени восхода и захода солнца, которое определяется вашим местоположением.
Если вас не интересуют эти типы функций, обычно можно отключить определение местоположения или просто включить его только тогда, когда приложение используется.
Эту статью отредактировали Джон Чейз и Грант Клаузер.
Источники
Майкл Браун, Лучшие умные выключатели и диммеры: освещение — основа умного дома, TechHive, 13 декабря 2021 г.
Ry Crist, умные лампочки плюсы и минусы подключенного освещения, CNET, 22 сентября 2015 г.
Николь Ван Зантен, Лучшие интеллектуальные выключатели и розетки Wi-Fi, чтобы сделать ваше домашнее освещение более умным, Ideaing, 1 января 2021 г.
О вашем гиде
Рэйчел Серикола
Рэйчел Серикола — старший писатель Wirecutter, которая занимается технологиями умного дома со времен X10.
Ее работы публиковались в The New York Times, Wired, Men’s Health, USA Today и других изданиях. Она надеется, что ее соседи прочтут эту биографию, потому что это объясняет, почему у нее всегда одновременно работают четыре дверных видеозвонка за пределами ее дома.
Дополнительная литература
Интеллектуальное освещение стало проще
от Rachel Cericola
Если вы хотите перейти от скучного освещения к умному, вот несколько простых способов начать работу.
Лучшая смарт-розетка с подключаемым модулем
от Рэйчел Серикола Рождественские огни.
Умный дом для квартир и арендаторов
от Grant Clauser
Эти устройства для умного дома не требуют постоянной установки, поэтому вы можете брать их с собой при переезде.
Wirecutter — служба рекомендаций по продуктам от The New York Times. Наши журналисты сочетают независимое исследование с (иногда) чрезмерным тестированием, чтобы сэкономить людям время, энергию и деньги при принятии решения о покупке.
Будь то поиск отличных продуктов или полезных советов, мы поможем вам сделать это правильно (с первого раза). Подпишитесь сейчас для неограниченного доступа.
- о Wirecutter
- Наша команда
- Демография персонала
- Рабочие места по адресу Wirecutter
- Свяжитесь с США
- Как разыгрывать
- Сделки
- 06106106101060060 9000.01068. СПОРТИТЕЛЬНЫЙ ДЕЙСТВИТЕЛЬНЫЙ НАМЕЧЕНИЕ0106101060061068. СПОРТИТЕЛЬНЫЙ БОЛЬШОЙ БОЛЬШОЙ БОРИЙ 9
- .
уже доступен: диммерный переключатель iDevices
превращает любой традиционный переключатель
в Подключенный диммерВременно Недоступно для продажи
Wi-Fi
® Включенный диммерУсовершенствуйте освещение вашего дома с уровнем яркости для любой комнаты, создавая больше персонализация, чем когда-либо прежде.
Диммерный переключатель iDevices ® позволяет управлять освещением и приглушать его в любом месте вашего дома.
с
устройство iOS или Android™ и бесплатное приложение iDevices Connected. Настройте диапазон затемнения, чтобы предотвратить
низкий уровень
мерцание лампочки и тонкая регулировка яркости с силой вашего голоса через
Сири ® ,
Alexa или Google Ассистент. Благодаря интеллектуальным функциям, таким как память яркости, и элегантному встроенному
дизайн,
Диммерный переключатель iDevices превратит любой дом в умный дом.Работает с любым
Лампа с регулируемой яркостьюВыдвижной комплект HomeKit ™
Вкладка сопряженияEasy
УстановкаНастраиваемый светодиод
НочникГолос
УправлениеНет концентратора
ОбязательноДва года
ГарантияСоздайте идеальную атмосферу для любого момента
Создайте идеальную атмосферу для любого момента
Прецизионное затемнение
Для еще более умного домаПАМЯТЬ ЯРКОСТИ
Предпочитаете, чтобы освещение в спальне было установлено на 70%? Диммер iDevices Switch автоматически запоминает ваши самые последние настройки яркости, экономя ваше время и энергию.

ИНДИВИДУАЛЬНЫЙ ДИАПАЗОН РЕГУЛИРОВКИ
Светорегуляторы вашего дома стали намного умнее. Установить пользовательский минимум а также максимальные уровни яркости, чтобы избежать низкого уровня мерцание лампы и более плавное управление яркостью.
ИНТУИТИВНОЕ УПРАВЛЕНИЕ
Постепенное управление уровнями яркости с помощью процентов с использованием только твой голос. Сделать тонкую яркость регулировка интуитивно.
РАСШИРЕННЫЕ ЖЕСТЫ
Диммерный переключатель iDevices — один из самых продвинутых диммеров доступным, но достаточно простым для любого использовать. Просто нажмите и удерживайте, чтобы установить освещение на минимальном и максимальном уровне яркости или удвоить нажмите к быстро настроить освещение на желаемую яркость.

Голосовое управление
Диммерный переключатель реагирует на Siri ® , Amazon Alexa и Google Assistant, который позволяет вы можете напрямую управлять своим умным домом, просто используя свой голос.
Доступ в любом месте
Оставайтесь на связи, даже если вы не дома. Контролируйте и контролируйте свой дом с помощью бесплатного iУстройства подключены приложение из любого места.
Получите максимум от своего
Умный дом с приложением iDevices Connected.- Энергия
Эффективность - Установлен
Расписания - Автоматизировать
со сценами - Персонализированный
изображений
Узнать о приложении
Рай Крист | CNET Reviewer
Простота в использовании и установке — отличный коммутатор!
По инструкции было легко следовать, все работало как надо, установка прошла успешно.
просто.
Приложение простое в использовании и работает с тремя ведущими концентраторами/системами домашней автоматизации.Й. Зальценштейн | Клиент Amazon.com
Энди | Клиент Amazon.com
Простота установки и настройки, отлично работает.
«Итак, теперь я могу сказать Алексе, чтобы она выключила свет, я могу взять свой телефон или планшет, чтобы повернуть это на или выключено! Что все ужасно круто!
Smart4 | Клиент Amazon.com
Создайте идеальную яркость в любой комнате
Характеристики продукта
Требования
- Домашний Wi-Fi ® (802.
11 B/G/N) - Нет, сетевая безопасность WPA или WPA2-PSK (AES)
- Бесплатные iDevices ® Подключенное приложение
- Для использования HomeKit требуется iPhone, iPad или iPod touch с iOS 10 или более поздней версии
- Для Android™ требуется устройство 4.3+ с технологией Bluetooth®
- Только для использования в США и Канаде
- Требуется «линейный провод» 120 В переменного тока (обычно черный, синий или красный)
- Требуется «нейтральный» провод (обычно белый)
- В 3- и 4-полосных настройках все переключатели должны быть диммерными переключателями iDevices
- Диммерный переключатель не следует использовать для управления потолочными вентиляторами или потолочными вентиляторами
Размеры
- Высота: 4,13 дюйма
- Глубина: 1,72 дюйма
- Ширина: 1,77 дюйма
Технические характеристики
- Вход: 120 В переменного тока, 60 Гц
- Выход: 120 В переменного тока, 60 Гц
- CFL/LED: 150 Вт — поддерживает только затемнение с прямой фазой
- Лампа накаливания/галоген: 400 Вт
- Перечислен cULus Расстояние соединения Bluetooth
- зависит от факторов окружающей среды.
За
больше информации, нажмите
здесь
Гарантия
- Двухлетняя ограниченная гарантия на продукт
- Посмотреть полностью Сведения о совместимости продуктов
- Посещение Поддержка диммерного переключателя
Настенная розетка
Подключенная настенная розетка
Узнать больше
Настенный выключатель
Подключаемый настенный выключатель
Узнать больше
Мгновенный выключатель
Беспроводной удаленный настенный выключатель
Узнать больше
*Действительны только некоторые коды купонов.
*Бесплатная доставка по континентальной части США Лучшие интеллектуальные выключатели и диммеры 2022
Нет более элегантного решения для интеллектуального освещения, чем встроенные в стены интеллектуальные выключатели и диммеры. Конечно, вы можете вкрутить умные лампочки в свои светильники или воткнуть пару ламп в умные штепсельные вилки и на этом закончить, но если рассматриваемый светильник управляется тупым выключателем, вы никогда не сможете управлять этим умным устройством. лампа, если переключатель находится в выключенном положении.
Хотя их установка может быть сложной задачей — наймите электрика, если вам неудобно делать это самостоятельно — после установки интеллектуальный выключатель света позволяет включать и выключать свет по расписанию с помощью приложения для смартфона. и — при установке аксессуаров — в ответ на голосовые команды, движение или даже ваше местоположение (при условии, что у вас есть смартфон).
Там, где интеллектуальный выключатель просто включает и выключает подключенную лампочку или прибор, интеллектуальный диммер также может регулировать яркость лампочек в приборах, которыми он управляет.
Поскольку диммер — это, по сути, переключатель с дополнительной функцией, мы будем использовать здесь термины взаимозаменяемо, но наши обзоры сосредоточены в первую очередь на диммерах. Мы обсудим разницу более подробно в руководстве для покупателей на следующей странице.Цены на интеллектуальные выключатели и диммеры значительно снизились за последние год или два, хотя самые модные и мощные образцы остаются дорогими. Вы встретите продукты от знакомых имен, таких как Leviton и Lutron, а также множество новичков в этом пространстве, включая Noon и Hogar. В большинстве случаев замена простого переключателя умным является относительно простым проектом «сделай сам»; но опять же, нет ничего постыдного в том, чтобы нанять электрика для выполнения этой работы.
Вот наш лучший выбор интеллектуальных диммеров, а также руководство по функциям и терминологии, с которыми вы столкнетесь при покупке одного из них. Вы также можете сразу перейти к списку наших последних обзоров смарт-переключателей.

Обновлено 12 сентября 2022 г. со ссылкой на нашу новую статью об объявлении Diva Smart Dimmer от Lutron.
Лучший интеллектуальный выключатель/диммер в целом
Стартовый комплект беспроводного интеллектуального диммера Lutron Caséta
Экосистема Lutron Caséta гораздо менее открыта, чем три другие большие платформы интеллектуального освещения: Wi-Fi, Z-Wave и Zigbee. Lutron — единственный поставщик диммеров и переключателей, но компания отлично поддерживает 90 565 других 90 566 классов сторонних продуктов в рамках экосистемы Caséta. В дополнение к собственной линейке интеллектуальных штор с электроприводом, контроллеров потолочных вентиляторов, подключаемых устройств, датчиков присутствия и пультов дистанционного управления, вы также можете создавать «сцены» умного дома на основе времени и местоположения, включающие любой продукт Caséta или Serena вместе с Динамики Sonos, умные термостаты нескольких марок и потолочные вентиляторы Hunter. Caséta Smart Bridge также совместим с Apple HomeKit и может быть интегрирован с концентратором Samsung SmartThings.

Диммерные переключатели в комплекте интеллектуальных диммерных переключателей Lutron Caséta имеют элегантный дизайн с четырьмя пластинчатыми кнопками: включение вверху, выключение внизу и треугольные кнопки увеличения и уменьшения яркости посередине. Стек светодиодов с левой стороны показывает уровень яркости. В комплект также входят беспроводные пульты дистанционного управления Lutron Pico для тех ситуаций, когда вы не хотите лаять на умный динамик, чтобы приглушить свет. Диммер Caséta также идеально подходит для установок, в которых в коробке нет нейтрального провода — это один из немногих интеллектуальных переключателей, для которых он не требуется.
Лучший интеллектуальный переключатель/диммер Wi-Fi
C by GE 4-wire Smart Motion + Dimming
GE не производит самый красивый диммер на рынке, а представляет собой переключатель C-Start Smart Switch с датчиком движения + диммер. уверен, упаковывает функции. И если у вас есть умные лампочки C by GE, переключатель также может управлять ими, даже если они не подключены к диммеру.
Будучи устройством Wi-Fi, этот диммер не требует наличия концентратора умного дома или любого другого моста к вашей домашней сети. Встроенный датчик движения может включить свет, когда в комнате кто-то есть, а датчик внешней освещенности предотвратит это, если дневного света достаточно и дополнительный свет не нужен. Также есть ночник в виде кольца вокруг кнопки включения/выключения, но его можно отключить в приложении, если вы обнаружите, что это добавляет светового загрязнения в помещение. Теперь существует также 3-проводная версия этого продукта, для которой не требуется нейтральный проводЛучший интеллектуальный выключатель/диммер Zigbee
Jasco Enbrighten Zigbee In-Wall Smart Dimmer
Если вы остановили свой выбор на Zigbee в качестве протокола интеллектуального освещения — и это, безусловно, неплохой вариант, учитывая только другое. вам понадобится умный динамик Amazon Echo Plus — позвольте нам порекомендовать Jasco Enbrighten Zigbee In-Wall Smart Dimmer.
Этот встраиваемый в стену диммер не только имеет узкую конструкцию, которую несложно вставить обратно в коробку при установке, но и обладает достаточным встроенным интеллектом, чтобы отличить линейный провод от провода нагрузки, поэтому вам не о чем беспокоиться. о смешивании их, если вы делаете работу для себя. Этот умный диммер также доступен по цене.Интеллектуальный выключатель/диммер Best Z-Wave
Диммер Leviton Decora Z-Wave Plus (модель DZ6HD)
Этот обзор выявил дыру в нашей редакционной статье. У меня были выключатели и диммеры Decora Smart Z-Wave от Leviton (наряду с переключателями Z-Wave других марок), установленные в моем собственном умном доме в течение многих лет (мы построили дом в 2007 году), но мы никогда официально не проверяли их. . Тем не менее, элементы управления освещением Z-Wave от Leviton — одни из моих любимых; так что пока у TechHive нет официально рассмотрел продукт Leviton, у меня есть большой личный опыт работы с ним, и я настоятельно рекомендую его.

Самый сложный интеллектуальный выключатель/диммер
Brilliant Control
Brilliant была одной из первых компаний, которая интегрировала сенсорную панель с интеллектуальным для потоковой передачи видео с камеры дверного звонка на управление многокомнатной аудиосистемой Sonos. Эти интеграции продолжают расширяться с недавним объявлением о совместимости с домашними системами безопасности Resideo Lynx и Vista, что позволяет пользователям этих систем включать и отключать свою систему безопасности с устройства Brilliant или из мобильного приложения Brilliant.
Лучший многофункциональный интеллектуальный выключатель/диммер
Интеллектуальный голосовой диммер Leviton Decora с Amazon Alexa (модель DWVAA)
Сколько функций можно вместить в одноклавишный выключатель света? Leviton втиснул Wi-Fi-радио, диммер и целый смарт-динамик, совместимый с Amazon Alexa, в свой Wi-Fi-диммер Decora Smart Voice с Alexa. Да, Ecobee проделывал аналогичный трюк ранее, но с выключателем, а не с диммером.
Левитон также имеет более глубокий каталог из другие компоненты Wi-Fi — переключатели, диммеры, контроллеры потолочных вентиляторов, многокнопочные контроллеры и многое другое — в комплекте.Лучший интеллектуальный выключатель/диммер по бюджетной цене
Интеллектуальный выключатель света Wi-Fi TP-Link, диммер (модель HS220)
Компания TP-Link, известная своими недорогими маршрутизаторами, неуклонно расширяет свое присутствие в сфере умного дома. пространство с линейкой продуктов Kasa Smart. Его модель HS-220, встроенный в стену интеллектуальный диммер, подключается напрямую к вашей сети Wi-Fi, поэтому вам не нужен концентратор, и в настоящее время его уличная цена составляет менее 20 долларов. Один из самых больших минусов? Вы не можете использовать его в трехсторонней конфигурации.
Вам нужно будет принять множество решений, прежде чем выбрать, какие умные выключатели установить в вашем доме, и на ваш выбор будет влиять все, от типа проводки в ваших стенах до того, какая система умного дома у вас есть сейчас.
или планирую установить позже. Вот что вам нужно знать примерно в том порядке, в котором вам нужно будет решить.Требование к нейтральному проводу : Подавляющее большинство интеллектуальных выключателей и диммеров требуют наличия нейтрального провода — в дополнение к линии (питание от панели автоматического выключателя), нагрузке (питание к управляемому свету) и провода заземления — в электрощите внутри стены. У умных коммутаторов есть радиостанции, которые должны быть постоянно запитаны, а нейтральный провод — это то, что обеспечивает этот ток. Хотя во всех домах есть нейтральные провода, во многих старых домах нейтральный провод отсутствует в каждой коробке. Если вы не уверены, есть ли нейтральный провод в том месте, где вы хотите установить интеллектуальный переключатель, у нас есть инструкция, которая поможет вам в этом разобраться. если вы не имеет нейтрального провода , интеллектуальный диммер Lutron Caséta — один из немногих, для которых он требуется для , а не для .

Большинство интеллектуальных выключателей зависят от наличия нейтрального провода для питания их радиоприемников, но во многих домах, построенных до 1980-х годов, нейтральный провод отсутствует в каждой коробке. C от GE и Lutron Caséta — одни из немногих интеллектуальных коммутаторов, которые не зависят от нейтрального провода.
Однополюсный или многополюсный : Если свет, которым вы хотите управлять, подключен только к одному выключателю, вам необходимо заменить его однополюсным интеллектуальным выключателем. Если эту нагрузку контролируют более одного выключателя — например, переключатели на противоположных сторонах комнаты, — то вам необходимо заменить его многополюсным интеллектуальным выключателем. Обычно это означает, что вы будете и необходимо купить сопутствующий переключатель или переключатели для другого конца цепи. Из этого правила есть несколько исключений, поэтому перед установкой проверьте документацию, прилагаемую к любому интеллектуальному коммутатору, который вы решите купить.

Упомянутый в этой статье
Amazon Echo Dot с часами
Протокол управления : Вы, несомненно, захотите управлять своим интеллектуальным освещением с помощью смартфона или планшета, и большинство людей также захотят включать и выключать свет с помощью голосовые команды, произносимые на умный динамик, такой как Amazon Echo или Google Home. Но для этого приобретаемый вами интеллектуальный коммутатор должен каким-то образом подключаться к вашей домашней сети (что объясняет, почему интеллектуальные коммутаторы Bluetooth не могут общаться с интеллектуальными колонками).
Некоторые интеллектуальные коммутаторы подключаются напрямую к вашей сети Wi-Fi, в то время как другим требуется мост к вашему маршрутизатору. Если вы инвестировали в систему умного дома — Samsung SmartThings, Hubitat Elevation, Vivint Smart Home или любую другую экосистему — вам нужно убедиться, что приобретаемый вами умный коммутатор совместим с ней. Это наиболее распространенные протоколы связи, с которыми вы столкнетесь.

Bluetooth Этот тип интеллектуального переключателя управляется напрямую с помощью приложения на вашем смартфоне или планшете. Интеллектуальное освещение Bluetooth просто, потому что вам не нужен концентратор или подключение к домашней сети. Эта изоляция также делает его безопасным, потому что вы должны находиться в пределах 30 футов от коммутатора, чтобы выполнить сопряжение с ним. С другой стороны, авторизованные пользователи и должны находиться в пределах 30 футов от переключателя Bluetooth, чтобы управлять им, и вы не можете управлять переключателем, когда находитесь вдали от дома (хотя большинством переключателей Bluetooth можно управлять в соответствии с заранее запрограммированным расписанием). Другое серьезное ограничение Bluetooth-переключателей заключается в том, что ими нельзя управлять с помощью интеллектуальных динамиков или концентраторов умного дома, которые обычно используют один из других беспроводных протоколов, описанных здесь.
Lutron Clear Connect Это собственный беспроводной протокол, используемый устройствами умного дома Lutron Caséta Wireless, включая переключатели, диммеры, контроллеры потолочных вентиляторов, датчики присутствия, моторизованные шторы и пульты дистанционного управления с батарейным питанием.
Вы также можете управлять ограниченным количеством сторонних устройств с помощью приложения Lutron — от термостатов до динамиков Wi-Fi — и включать их в «сцены умного дома». Clear Connect работает независимо от вашей сети Wi-Fi, но для его использования вы должны подключить Lutron Smart Bridge к маршрутизатору. Вы можете управлять устройствами Lutron Caséta через приложение Lutron, используя голосовые команды для интеллектуальных динамиков, а также с мобильных устройств в любом месте, где есть широкополосный доступ. Некоторые системы умного дома, в том числе Samsung SmartThings, также могут включать в себя продукты для умного дома Lutron.Wi-Fi Это относительно недавняя тенденция в области интеллектуальных коммутаторов, вероятно, потому, что Wi-Fi не всегда был лучшим средством для подключения дома к сети. Однако маршрутизаторы Mesh Wi-Fi прошли долгий путь, чтобы решить эту проблему. Привлекательность интеллектуальных коммутаторов Wi-Fi заключается в том, что им не требуется концентратор или мост для подключения к вашему маршрутизатору.
После установки ими можно управлять с помощью умных динамиков, собственного приложения производителя и многих систем умного дома (проверьте совместимость перед покупкой).Z-Wave Это технология беспроводной ячеистой сети, в которой каждый узел в сети также является повторителем, который может пересылать команды на другие устройства Z-Wave поблизости. Он работает в нелицензируемом радиочастотном диапазоне от 800 до 900 МГц (в частности, 908,42 МГц в Северной Америке). Его низкое энергопотребление означает, что его можно включать в устройства с батарейным питанием, которые нельзя подключить непосредственно к электрической цепи, включая датчики открытия дверей/окон, интеллектуальные замки, детекторы утечки воды и датчики движения в дополнение к интеллектуальным диммерам и переключателям. Вам понадобится концентратор для умного дома, например Samsung SmartThings, который будет выступать в качестве моста к вашей сети Wi-Fi. Z-Wave поддерживается множеством разработчиков продуктов для умного дома, включая Leviton, Jasco, Aeotec и других.

Zigbee Эта технология беспроводной ячеистой сети очень похожа на Z-Wave, но работает в нелицензируемом радиочастотном диапазоне 2,4 ГГц (так же, как однодиапазонный Wi-Fi). Как и Z-Wave, Zigbee имеет более низкое энергопотребление и может быть встроен как в устройства с питанием от батареи, так и в устройства с питанием от сети, от датчиков до интеллектуальных переключателей. И, как и в случае с Z-Wave, вам понадобится концентратор умного дома или какой-либо другой мост для подключения устройств Zigbee к вашей домашней сети. Это может быть что-то простое, например, Amazon Echo Plus со встроенным радио Zigbee, или это может быть концентратор Samsung SmartThings, который имеет встроенные радиомодули Zigbee и Z-Wave.
Как видно на этом рисунке, для установки Aurora на выключатель снимать защитную пластину не обязательно, она работает только с тумблером.
Мост Philips Hue от Signify — еще одно решение, но, как правило, оно ограничивается поддержкой умных ламп Philips Hue и аксессуаров.
Zigbee широко поддерживается производителями интеллектуальных диммеров, включая Jasco, Sinopé и Sengled. Lutron также производит оригинальное устройство Zigbee для умных лампочек Philips Hue — Lutron Aurora, — которое присоединяется к старомодному тумблерному выключателю и не только предотвращает выключение переключателя (мгновенно делает умную лампочку Philips Hue немой), но и беспроводное управление всеми лампочками концентратора, подключенными к этому переключателю, в комплекте с поворотной ручкой для затемнения и увеличения яркости этих ламп, а также для их включения или выключения.Механизм переключения : Поскольку большинство людей управляют интеллектуальными выключателями и диммерами с помощью голосовых команд, они вскоре обнаруживают, что редко физически взаимодействуют с устройствами в своих стенах. Но вы захотите рассмотреть тип механизма, который использует интеллектуальный переключатель, хотя бы для того, чтобы его эстетика соответствовала остальной части вашего дома.
Это наиболее распространенные типы, с которыми вы столкнетесь.Относительно немногие производители производят интеллектуальные переключатели, которые выглядят как старомодные тумблеры такого типа.
- Кулисный переключатель (также известный как «лопатка») Этот тип переключателя имеет широкую пластиковую панель, которая качается вперед и назад при нажатии для включения и выключения управляемой нагрузки (одна сторона переключателя поднимается, когда другая нажата). Эти современно выглядящие выключатели крепятся к стене и очень просты в эксплуатации. Поскольку команда, подаваемая по радиоканалу, отменяет любое физическое состояние, в котором находится переключатель, интеллектуальные кулисные переключатели обычно физически не переключаются, поэтому не возникает путаницы, когда вы видите горящую лампочку, когда переключатель якобы находится в положении «выключено». Интеллектуальный диммер может иметь дополнительный элемент управления — вертикальный ползунок или горизонтальный переключатель — для регулировки яркости
- Тумблер Тумблер работает при перемещении рычага вверх и вниз (перемещение рычага вверх включает управляемый свет, а нажатие вниз выключает его).
Эти типы выключателей, как правило, выглядят более старомодно, чем тумблеры, но вы можете найти их умные версии, если хотите что-то похожее на другие выключатели, которые есть у вас на стене. Как и умные кулисные переключатели, они, как правило, не полностью меняют внешний вид при включении или выключении. - Touch Высококачественные интеллектуальные выключатели и диммеры оснащены сенсорными поверхностями. Сенсорные интеллектуальные переключатели и диммеры, как правило, изготовленные из стекла, обычно подсвечиваются одним или несколькими светодиодами, которые могут быть нескольких цветов. Сенсорная чувствительность может быть такой же простой, как прикосновение, чтобы включить переключатель, и повторное прикосновение, чтобы выключить его, или они могут быть столь же сложными, как отображение пользовательского интерфейса, который поддерживает проведение пальцев для вызова различных сцен освещения или элементов управления. Излишне говорить, что такие умные выключатели и диммеры стоят значительно дороже, чем простые пластиковые устройства.

Сенсорная панель Brilliant позволяет вам видеть и разговаривать с человеком у вашей двери, когда посетитель активирует дверной видеозвонок.
Соединения проводки : Интеллектуальные выключатели и диммеры, как правило, больше, чем их простые аналоги, поэтому вам следует подумать, как новый выключатель поместится в существующую электрическую коробку. Это особенно важно, если вы устанавливаете несколько интеллектуальных коммутаторов рядом друг с другом в одной коробке. Помните, что вам придется иметь дело как минимум с четырьмя проводами — линией, нагрузкой, нейтралью и землей, а также с дорожным проводом, если вы имеете дело с многополюсной цепью. Может быть сложно засунуть все эти провода и новый переключатель обратно в коробку. Это наиболее распространенные типы электрических соединений, с которыми вы столкнетесь в интеллектуальных коммутаторах.
- Удары в спину Это отверстия в задней части переключателя, в которые вы будете проталкивать («втыкать») соответствующие сплошные медные провода, выходящие из стены.

- Пигтейлы Некоторые переключатели имеют короткие электрические провода, выходящие из задней части переключателя, которые вы прикрепите к проводам, выходящим из стены, с помощью проволочных гаек для их фиксации. Как правило, это самый простой метод, но если переключатель находится глубоко, может возникнуть проблема с упаковкой дополнительных проводов и гаек для проводов в коробку достаточно плотно, чтобы переключатель устанавливался заподлицо со стеной. Это может быть особенно сложно, если в коробке есть другие устройства.
- Клеммы С этим типом выключателя вы наматываете провода, выходящие из стены, на плоские винты по бокам выключателя, а затем затягиваете винты. Этот метод представляет собой меньшую проблему, когда дело доходит до вставки проводов и переключателя обратно в коробку, но провода могут быть жесткими, и вам нужно быть осторожным, чтобы зачищенный провод не соприкасался с зачищенными проводами. подключен к соседним переключателям в коробке.

Пигтейлы и гайки — один из распространенных способов подключения интеллектуального переключателя к существующей проводке в стене.
Наши последние обзоры смарт-переключателейGE In-Wall Z-Wave Plus Smart Dimmer
Использование GE Z-Wave Smart Dimmer Switch
В предыдущем посте я подробно описал установку нескольких GE Z-Wave Smart Dimmer Switch в 3- и 4-полосных установках. В этом посте я подробно расскажу о реализации.
Включение — это процесс «включения» устройства Z-Wave в сеть. Обычно это включает в себя два шага: перевести концентратор или контроллер в режим «обнаружения» и сделать ваше новое устройство доступным для обнаружения. Это не сильно отличается, например, от сопряжения нового устройства Bluetooth.
Поскольку я установил и протестировал каждый из своих умных диммерных переключателей на проектной доске, я смог разместить их довольно близко к моему концентратору SmartThings и выполнить включение, прежде чем окончательно установить их в стены.
Эта близость помогает включению; некоторые устройства даже предлагают выполнить включение в пределах метра от вашего хаба перед установкой.Переключатели GE включаются очень просто: нажмите кнопку включения. После того, как я попросил мой концентратор SmartThings «найти новые вещи» и нажал на манипулятор, устройство появилось как обычный «диммер Z-Wave», и я смог проверить работу на своей проектной плате и управлять парой светодиодных нагрузок. Подтвердив это, я приступил к постоянной установке.
По умолчанию диммерные выключатели GE работают следующим образом:
- При включении переключатель увеличивает яркость света до последнего уровня.
- В выключенном состоянии переключатель снижает яркость до тех пор, пока не выключится.
- При удерживании манипулятора яркость света увеличивается или уменьшается с шагом в 1%.
Когда я говорю здесь «увеличение», я имею в виду, что свет включается при 1% и плавно скользит по уровням яркости, пока не достигнет цели.
Он делает это с шагом в 1% и тратит около 30 миллисекунд на каждый шаг, поэтому «нарастает» с 0% до 99% занимает 30 х 100 = 3000 миллисекунд (3 секунды). Конечно, «линейное снижение» — это эквивалентная функция в другом направлении. Это предназначено для создания приятного, чистого, постепенного изменения яркости света.К сожалению, два факта портят картину:
- Не всем светодиодным светильникам нравится такое затемнение, даже если они «диммируемые».
- Обработчик устройства по умолчанию, используемый SmartThings, не позволяет изменять режим затемнения переключателя.
Не так много средств для
1. Огни, которые у вас есть, это огни, которые у вас есть. Светодиодное освещение довольно печально известно своей непредсказуемой эффективностью затемнения. Светодиод — это элемент твердотельной электроники, который, к счастью, вообще диммируется. У меня есть светодиодная отделка, установленная в утопленных банках по всему дому, но только одна другая находится на диммере, и это довольно обычный аналоговый диммер, который снижает яркость только до 20%.
Рассмотрим довольно простой комплект светодиодной отделки, такой как недорогая линейка Commercial Electric CER7630, которая, согласно спецификациям, имеет диапазон затемнения от 10% до 100%. Что произойдет, если вы попытаетесь уменьшить яркость этого светодиода ниже 10%? В идеале он просто выключился бы в этот момент, но в действительности все обстоит иначе: светодиод будет мерцать или мигать, как стробоскоп, возможно, на полной яркости или около нее.
Итак, вы подключаете эту штуку к умному диммеру GE. Он на полной яркости, и вы нажимаете кнопку, чтобы выключить его. Он начинает снижаться по уровням и выглядит великолепно, как будто вы задергиваете шторы в ясный день. Затем он достигает этого странного порога, мигает на полную мощность и гаснет.
Достаточно, чтобы вы подумали, что ваш диммер сломался. Вы начинаете экспериментировать. Вы устанавливаете его на, я не знаю, 8% яркости, и вы в восторге. Выставляешь его, скажем, до 23% яркости и снова приятно.
Мораль этой истории в том, что умный диммер GE лучше всего использовать с лампами накаливания.
Это , а работает со светодиодами, но вы не можете винить его в недостатках вашего конкретного светодиодного продукта. Вместо этого вам нужно найти способ обойти это.К сожалению, в отличие от некоторых диммеров, диммер GE не имеет регулировочного диска, с помощью которого можно установить минимальный уровень затемнения. Вместо этого у него есть несколько расширенных настроек конфигурации, с которыми вы можете поиграть, чтобы заставить его управлять освещением приемлемым образом.
Прежде всего: изменение конфигурации устройства Z-Wave означает отправку определенных инструкций Z-Wave на это устройство. Как конечные пользователи, мы не занимаемся созданием или даже пониманием того, как создать инструкцию Z-Wave. Вот почему у нас есть концентраторы SmartThings для управления всем. Однако этот уровень абстракции означает, что когда нам нужно сделать что-то, выходящее за рамки предписанных возможностей этого хаба, мы просто не можем этого сделать.
В платформе SmartThings обработчик устройств определяет, как концентратор будет взаимодействовать с определенным типом устройства, а также какие параметры и возможности для этого типа устройства предоставляются вам как пользователю.
Как отмечалось выше, диммерный переключатель GE Z-Wave Dimmer Switch оказался «универсальным диммером Z-Wave», который, вероятно, подходит для 80% пользователей в 80% случаев. Но это не позволяет мне получить доступ к тем дополнительным настройкам конфигурации, которые мне нужны, чтобы мои фонари не вызывали припадков каждый раз, когда я их выключаю.SmartThings — это открытая платформа , что означает, что когда кто-то находит пробел в стандартном поведении, он может написать замену. При наличии правильного набора инструментов я могу заменить «Generic Z-Wave Dimmer» на что-то более подходящее или специально разработанное для конкретного устройства.
В сообществе SmartThings полно мастеров, разработчиков и 1 хакеров, которые делают подобные вещи для развлечения. Поскольку устройства GE являются популярными и широко распространенными компонентами, мне не пришлось долго искать, чтобы обнаружить, что кто-то уже написал обработчик устройств на замену для этого диммерного выключателя.

Участник сообщества @desertblade написал обработчик устройств с именем Enhanced Dimmer Switch, в котором он взял «общий» код устройства, предоставленный SmartThings, и добавил его в расширенные настройки конфигурации GE.
Чтобы добраться отсюда туда, должны произойти две вещи: мне нужно получить его код, и мне нужно понять, как работают эти настройки.
Получение кода — самая простая часть. Войдите в SmartThings IDE и перейдите на вкладку «Обработчики моих устройств». Теперь у меня есть два варианта: я могу «Создать новый обработчик устройств» и скопировать/вставить его код в новый, или я могу создать ссылку на его репозиторий на Github. Первый вариант делает код полностью моей ответственностью, а второй позволяет мне легко интегрировать обновления, которые он может сделать. Я выбираю последний путь, шаги для которого описаны в другом месте, и этот новый обработчик устройств является частью моего личного арсенала SmartThings.
Все еще находясь в среде IDE, я перехожу на вкладку «Мои устройства» и нахожу список моего диммера, перехожу на страницу сведений о нем и редактирую его с помощью кнопки внизу страницы.
В режиме редактирования есть поле «Тип», где я могу выбрать любой тип устройства из пула устройств по умолчанию, а также любое из моих личных устройств, как определено в «Моих обработчиках устройств». В нижней части списка я нахожу запись «Enhanced Dimmer Switch» и выбираю ее; используйте кнопку «Обновить», чтобы зафиксировать мой выбор. Я повторяю это для любых других диммеров GE, которые я установил, поэтому все они используют тип устройства «Enhanced Dimmer Switch».Усовершенствованный диммерный переключатель включает несколько настроек конфигурации для устройства, четыре из которых особенно полезны для изменения скорости затемнения переключателя:
- Z-Wave Dim Steps
- Интервалы затемнения Z-Wave
- Шаги диммирования вручную
- Интервалы диммирования вручную
Первые два определяют, как должна работать скорость затемнения, когда коммутатор получает команду Z-Wave на затемнение, как это было бы при использовании приложения SmartThings или правила автоматизации для управления диммером.

Вторые два определяют, как должна работать скорость затемнения, когда переключатель регулируется вручную, т. е. вы стоите и касаетесь его. Когда вы нажимаете и удерживаете манипулятор, свет становится ярче или слабее в зависимости от этих настроек.
Как упоминалось ранее, значениями по умолчанию для этих регистров конфигурации являются «1» шаг и «3» интервала. «Шаг» — это величина (в процентах) каждого изменения, которое диммер произведет при увеличении или уменьшении яркости. «Интервал» — это количество 10-миллисекундных периодов, что означает, что свет будет изменять «шаги» в процентах каждые «интервал x 10» миллисекунд. С этими значениями по умолчанию это изменение на 1% каждые 30 миллисекунд, то есть около 3 секунд от максимума до минимума или наоборот.
Я хочу выбрать настройки, которые позволят избежать диапазона тусклых уровней, при которых мои источники света не работают. Я могу стоять и возиться с переключателем, но допустим, что ниже 20% я получаю нежелательное мерцание.

Допустим также, что я все еще хочу, чтобы переход от максимума к минимуму занимал 3 секунды.
Сначала я решу, что значение «Шаги» должно быть
202 . Поскольку в 100% содержится пять 20-х, я могу сказать, что3000 мс/5 интервалов = 600 мс/интервал 9.1084, а это «600» разбивается на 60 фрагментов по 10 миллисекунд. Поэтому я настраиваю шаги и интервалы как для Z-Wave, так и для ручного управления:- Dim Steps = 20
- Интервалы диммирования = 60
Взаимодействие этих двух значений означает, что вы можете создать множество различных вариантов поведения. Ускорьте его с помощью 20 шагов/40 интервалов для 2-секундного нарастания. Мгновенное включение/выключение будет 99 шагов/1 интервал 3 .
Правильно. Интеллектуальный диммер GE. Это мейнстрим. Он широко доступен. Это недешево. Он делает то, что говорит. Возможно, вам придется возиться со SmartThings, прежде чем вы действительно будете довольны этим.

Я использую классическое определение «хакера», которое относится к технологическому энтузиасту со склонностью к экспериментам и пониманию того, как все работает. ↩
Это своего рода неточная эвристика. Если мое максимальное значение равно 99, настройка шага 20 означает, что от 0 я буду нажимать 20, 40, 60, 80, 99, что позволяет избежать проблемных мест ниже 20%. Но по пути вниз мы натыкаемся на 99, 79, 59, 39, 19, 0, и приземление на эти 19 может вызвать или не вызвать видимое мерцание. Вам просто нужно играть с цифрами. ↩
Я, вероятно, вернусь к этому и просто настрою их на мгновенное включение/выключение, чтобы избежать возможных проблем с напряжением в моих светодиодных драйверах. Моя настоящая цель — иметь возможность использовать средства автоматизации, такие как «Когда я запускаю режим «Видео», приглушите свет до 30%. Когда я нажимаю кнопку воспроизведения, выключайте свет. Когда я нажму на паузу, верните свет на 30%».
Мне все равно, как свет увеличивается или гаснет, когда я использую переключатель. ↩
Диммеры | Электрические выключатели | Электромонтажные устройства | Электрические и электронные | Продукты
text.skipToContenttext.skipToNavigation
- Наши бренды
- Карьера
- устойчивость
- Товары
Продукты
Электротехника и электроника
Электромонтажные устройства
- Устройства с прямым лезвием
- GFCI
- Товары для больниц
- Продукты качества электроэнергии
- Электрические выключатели
- Просмотреть все категории проводных устройств
Управление проводами/кабелями/шлангами
- Захваты для проволочной сетки
- Герметичный трубопровод и фитинги
- Разъемы шнура
- Катушки для кабеля/шнура/шланга
- Гоночная дорожка
- Просмотреть все категории управления проводами/кабелями/шлангами
Товары для больниц
- Розетки GFCI
- Устройства Хаббеллока
- Вилки и корпуса разъемов
- Сосуды
- Розетки с защелкой
- Просмотреть все категории товаров для больниц
Настенные панели
- Металлические настенные панели
- Неметаллические настенные панели
- Всепогодные пластины и крышки
Морские продукты
- Устройства постоянного тока
- Устройства с международным рейтингом
- Морские изолирующие трансформаторы
- Морские пьедесталы
- Формованные адаптеры
- Просмотреть все категории морской продукции
Напольные ящики
- Аксессуары для напольных коробок
- На этаже
- Подставка
- Стена/потолок
Противопожарные сквозные отверстия
- Заподлицо
- Корм для мебели
- Пьедестал
- Встраиваемый
Качество электроэнергии и преобразование
- Сетевой дроссель переменного тока
- Активные фильтры
- Трансформатор бытовой техники
- Понижающе-повышающий трансформатор
- Трансформаторы класса 1, раздела 2
- Просмотреть все категории качества и преобразования электроэнергии
Коробки
- 4-дюймовые квадратные коробки и крышки
- Квадратные коробки и крышки 4-11/16 дюймов
- Аксессуары
- Коробки и крышки
- Потолочные коробки и крышки
- Просмотреть все категории коробок
Зарядная станция для электромобилей
- Зарядное устройство
Кабельные вводы
- Аксессуары
- Опасное место
- Промышленное расположение
- Горнодобывающая промышленность
- Серия НЭК
- Посмотреть все категории кабельных вводов
Компрессионные соединители и клеммы
- Алюминий
- Поручни и стремена
- Обжимные соединители типа Bootlace
- Шинные соединители
- C-стиль
- Просмотреть все категории компрессионных соединителей и клемм
Органы управления
- Опасное место
Распределение
- Опасное место
Электрические разъемы
- Опасное место
- Промышленное расположение
Корпуса
- Задние панели
- Коммуникационные шкафы
- Отключает
- Принадлежности корпуса
- Экологический контроль
- Просмотреть все категории корпусов
Контроллеры пожарных насосов
- Контроллеры дизельных двигателей
- Контроллеры электродвигателей
- Контроллер жокей-насоса
- Устаревшие контроллеры
- Удаленные панели сигнализации
Фитинги
- Коммерческая арматура
- Опасное место
- Промышленное расположение
Заземление и соединение
- Шинные шины
- Кабель, разъемы/зажимы
- Сжатие
- Экзотермический
- Молниезащита
- Просмотреть все категории заземления и связывания
ОВКВ
- ОВКВ
Оборудование
- Болты
- Комплекты крепежа
- Гайки
- Винты
- Шайбы
Промышленные средства управления
- Вспомогательное оборудование
- Тормозные модули
- Тормоза
- Контакторы
- Пускатели двигателей постоянного тока
- Просмотреть все категории промышленных средств контроля
Ингибиторы, герметики и контактные добавки
- Заглушки для концов кабелей
- Ингибиторы оксидов
Механические разъемы и клеммы
- Оплетка, перемычки, шунты
- Зажимы
- Изолированный механический
- Механические соединители
- Механические клеммы
- Просмотреть все категории механических соединителей и клемм
Горнодобывающая промышленность
- Кабели, вилки, розетки в сборе
- Управление конвейером
- Отображает
- Мониторинг газа
- Блок питания
- Просмотреть все категории продуктов для горнодобывающей промышленности
Наружный
- Коробки, крышки и пластины
Распределение питания
- Горизонтальные блоки питания
- Инструменты/Принадлежности
- Вертикальные блоки питания
Испытательное оборудование
- Высокое напряжение
- Инструменты
- OEM-оборудование и расходные материалы
Продукты ToolAssistPRO™
- Все балансиры Ergo
- Фестон
- Стрелы и стрелы
- Мобильные тележки
- Моментный рычаг
- Просмотреть все категории продуктов ToolAssistPRO™
Инструменты, штампы и аксессуары
- Аксессуары
- Кримперы
- Режущие инструменты
- Установочные штампы
- Гидравлические инструменты и принадлежности низкого давления
- Просмотреть все категории инструментов, штампов и принадлежностей
- Просмотреть все категории электрических и электронных устройств
Освещение и элементы управления
Жилое внутреннее освещение
- Новые товары для дома
- Светодиод
- Люстры
- Подвески
- Ванна и туалетный столик
- Просмотреть все категории жилого внутреннего освещения
Жилое наружное освещение
- Новые товары для активного отдыха
- Светодиод
- Настенные фонари
- Потолочное крепление
- Подвесные фонари
- Просмотреть все категории жилого наружного освещения
Дизайнерская серия
- Новые продукты
- Джеффри Алан Маркс
- Люстры
- Подвески
- Ванна и туалетный столик
- Просмотреть все категории серии дизайна
Коммерческое наружное освещение
- Район, площадка и проезжая часть
- Болларды
- Потолок, навес и гараж
- Прожектор
- Пейзаж
- Посмотреть все категории коммерческого наружного освещения
Коммерческое внутреннее освещение
- Трофферс
- Обертывания
- Подвесной светильник
- Настенное крепление
- Поверхность
- Просмотреть все категории коммерческого внутреннего освещения
Аварийное освещение и освещение выхода
- Знаки выхода и сообщения
- Блоки аварийного освещения
- Удаленные головки и приспособления
Резкое и опасное освещение
- Аварийное освещение
- Прожектор
- High Bay - Low Bay - Колодезное стекло
- Аксессуары и компоненты для освещения
- Линейное освещение
- Просмотреть все категории жесткого и опасного освещения
Промышленное освещение
- Освещение залива
- Линейное освещение
- Прожектор
- Аварийное освещение
- High Bay - Low Bay - Колодезное стекло
- Просмотреть все категории промышленного освещения
Элементы управления освещением и датчики
- Распределенные интеллектуальные средства управления освещением NX
- Средства управления сбором дневного света
- Просмотреть все категории «Освещение и элементы управления»
- Решения
- Рынки
- Ресурсы
- Вдохновение
Мои списки
15 продуктов
Сортировать по
От Hubbell Wiring Device-Kellems
Код по каталогу: AR2BE
Запасная часть диммера, комплект поворотной пластины диммера, бежевый
Сравнивать
Посмотреть детали
Быстрый просмотр ресурсов
Добавить в список проектов
От Hubbell Wiring Device-Kellems
Код по каталогу: AR1BE
Запасная часть диммера, комплект поворотной пластины диммера, бежевый
Сравнивать
Посмотреть детали
Быстрый просмотр ресурсов
Добавить в список проектов
От Hubbell Wiring Device-Kellems
Код по каталогу: AR1W
Запасная часть диммера, комплект поворотной пластины диммера, белая
Сравнивать
Посмотреть детали
Быстрый просмотр ресурсов
Добавить в список проектов
г.
От Hubbell Wiring Device-Kellems
Код по каталогу: AR2W
Запасная часть диммера, комплект поворотной пластины диммера, белая
Сравнивать
Посмотреть детали
Быстрый просмотр ресурсов
Добавить в список проектов
От Hubbell Wiring Device-Kellems
Код по каталогу: AS1I
Запасная часть диммера, комплект направляющих пластин для диммера, цвет слоновой кости
Сравнивать
Посмотреть детали
Быстрый просмотр ресурсов
Добавить в список проектов
От Hubbell Wiring Device-Kellems
Код по каталогу: AS2W
Запасная часть диммера, комплект направляющих пластин для диммера, белый
Сравнивать
Посмотреть детали
Быстрый просмотр ресурсов
Добавить в список проектов
От Hubbell Wiring Device-Kellems
Код по каталогу: AS1W
Запасная часть диммера, комплект направляющих пластин для диммера, белый
Сравнивать
Посмотреть детали
Быстрый просмотр ресурсов
Добавить в список проектов
От Hubbell Wiring Device-Kellems
Код по каталогу: AR103
Диммер, поворотный диммер, 3-полосный, 1000 Вт, бежевый
Сравнивать
Посмотреть детали
Быстрый просмотр ресурсов
Добавить в список проектов
г.
От Hubbell Wiring Device-Kellems
Код по каталогу: AR201
Диммер, поворотный диммер, однополюсный, 2000 Вт, бежевый
Сравнивать
Посмотреть детали
Быстрый просмотр ресурсов
Добавить в список проектов
От Hubbell Wiring Device-Kellems
Код по каталогу: AR63
Диммер, поворотный диммер, трехполосный, 600 Вт, бежевый
Сравнивать
Посмотреть детали
Быстрый просмотр ресурсов
Добавить в список проектов
От Hubbell Wiring Device-Kellems
Код по каталогу: AS2I
Переключатели и элементы управления освещением, запасная часть диммера, комплект ползунов для диммера, цвет слоновой кости
г.
СравниватьПосмотреть детали
Быстрый просмотр ресурсов
Добавить в список проектов
От Hubbell Wiring Device-Kellems
Код по каталогу: AR101
Выключатели и элементы управления освещением, диммер, поворотный диммер, однополюсный, 1000 Вт, бежевый
Сравнивать
Посмотреть детали
Быстрый просмотр ресурсов
Добавить в список проектов
От Hubbell Wiring Device-Kellems
Код по каталогу: AS153
Выключатели и элементы управления освещением, диммер, поворотный диммер, трехходовой, 1500 Вт, бежевый
Сравнивать
Посмотреть детали
Быстрый просмотр ресурсов
Добавить в список проектов
От Hubbell Wiring Device-Kellems
Код по каталогу: AS203
Выключатели и элементы управления освещением, диммер, поворотный диммер, трехходовой, 2000 Вт, бежевый
г.
СравниватьПосмотреть детали
Быстрый просмотр ресурсов
Добавить в список проектов
От Hubbell Wiring Device-Kellems
Код по каталогу: AS103
Выключатели и элементы управления освещением, диммер, ползунковый диммер, трехходовой, 1000 Вт, бежевый
Сравнивать
Посмотреть детали
Быстрый просмотр ресурсов
Добавить в список проектов
Главный выключатель освещения ClareVue и диммер Примечания к выпуску
Предисловие
Для получения информации о Z-Wave и ClareHome см.
Установка Z-Wave с ClareHome .Примечания
- При установке устройств Z-Wave убедитесь, что ничто не блокирует их сигнал. Z-Wave полагается на радиосигналы. Металлические или толстые стены могут ограничивать мощность сигнала.
- Мы рекомендуем иметь 2 или более повторяющихся устройств Z-Wave.
Введение
Главные выключатели и диммеры ClareVue Lighting интегрируются с ClareHome через сеть Z-Wave. Установщику нужно только соединить (добавить) переключатель или диммер в ClareHome, а затем настроить устройство.
Интегрируя главные выключатели и диммеры в систему управления ClareHome, ваши клиенты могут управлять соответствующим освещением со своих устройств Android или iOS.
Установка выключателя/диммера
Установку осветительных приборов ClareVue должны выполнять только квалифицированные специалисты по установке. Следуйте инструкциям по установке и программированию, прилагаемым к вашим осветительным приборам ClareVue.

Сопряжение выключателя/диммера в ClareHome
После установки выключателя или диммера выполните сопряжение.
Для сопряжения переключателя/диммера с помощью ClareHome:
- Коснитесь страницы Устройства приложения ClareHome.
- Коснитесь + Добавить устройство .
- Коснитесь Добавить устройства .
- Выберите категорию устройства, Освещение .
- Выберите тип устройства, Устройство Z-Wave - Освещение .
- Прочтите отображаемую информацию и нажмите Добавить устройство Z-Wave .
- Прочтите информацию Z-Wave, а затем коснитесь Запустить режим обнаружения .
- При появлении запроса используйте инструкции производителя для сопряжения устройства.
- После сопряжения отображается страница «Редактировать устройство».
Настройте имя устройства, местоположение и расширенную конфигурацию по своему усмотрению, коснувшись Сохраните , когда закончите.Расширенная конфигурация
Ramp Time: (только диммер) Количество времени в секундах, которое требуется диммеру, чтобы достичь заданного значения.
Состояние включения: При отключении питания от устройства, например, из-за отключения электроэнергии, устройство выключается. Power Up Sates — это состояние, в которое диммер возвращается, когда на устройство возвращается питание.
Этот параметр имеет 3 варианта: включение, оставление выключенным или возврат к последнему состоянию перед отключением питания.
Задержка выключения: Количество времени в секундах, которое требуется диммеру для гашения.
Примечание : Сцены, уведомления, расписания и настройки автоматизации см. в Руководстве по приложению ClareHome (DOC ID 1750).

Чтобы удалить устройство с помощью ClareHome:
- Коснитесь страницы Устройства приложения ClareHome.
- Кран Освещение .
- Коснитесь трех точек рядом с переключателем, а затем коснитесь Удалить .
- Прочтите отображаемую информацию и нажмите Запустить режим удаления .
- Используйте инструкции производителя для снятия переключателя.
Примечание: Нажмите и удерживайте ту же кнопку, которая использовалась для сопряжения устройства, чтобы удалить устройство.
Сопряжение и удаление переключателя/диммера в FusionPro
Соедините свет с проектом.
Чтобы добавить свет в FusionPro:
- Нажмите Accounts в боковом меню.
- Найдите нужную учетную запись в списке и нажмите Просмотр .
Теперь доступно подменю «Учетная запись». - Щелкните вкладку Устройства , а затем щелкните Добавить устройства .
- Выберите категорию устройства ( Освещение ), а затем тип устройства ( Устройство Z-Wave – Освещение ).
- Щелкните Добавить устройство Z-Wave , а затем щелкните Запустить режим обнаружения .
Отображается всплывающее окно, ожидающее уведомления от устройства, выполните сопряжение устройства Z-Wave в соответствии с инструкциями производителя для каждого устройства.
- После сопряжения отображается страница «Редактировать устройство».
Настройте имя устройства, местоположение и расширенную конфигурацию по своему усмотрению, нажав Сохранить , когда закончите.Расширенная конфигурация
Ramp Time: (только для диммера) Количество времени в секундах, которое требуется диммеру для достижения заданного значения.
Состояние включения: При отключении питания от устройства, например, из-за отключения электроэнергии, устройство выключается. Power Up Sates — это состояние, в которое диммер возвращается, когда на устройство возвращается питание.
Этот параметр имеет 3 варианта: включение, оставление выключенным или возврат к последнему состоянию перед отключением питания.
Задержка выключения: Количество времени в секундах, которое требуется диммеру для гашения.
Чтобы убрать индикатор с помощью FusionPro:
- Нажмите Accounts в боковом меню.
- Найдите нужную учетную запись в списке и нажмите Просмотр .
Теперь доступно подменю «Учетная запись». - Щелкните вкладку Устройства , а затем щелкните Удалить Z-Wave .
- Щелкните Запустить режим удаления .

- Энергия





Чтобы убрать бо́льшую часть недостатков, следует учесть нecинуcoидaльную форму выходного напряжения. В связи с этим не желательно подключать понижающие трансформаторы.
Показатель измеряется в ваттах. Помимо общей мощности подключаемых источников света, производители могут прописать в инструкции и максимальное количество ламп или светильников.
Упр. 1000W универсальный, ширина 5 модулей
Упр. 1000W универсальный Комфорт
Упр. Диммерами




Данные о местоположении приложения предоставляются устройством пользователя локально; компания не отслеживает и не хранит их.
Для дополнительной функции геозоны требуется доступ к местоположению телефона, а также к физическому местоположению вашего дома, чтобы включать свет, когда вы входите в указанную зону. Местонахождение телефона и домашний адрес не записываются и не передаются Lutron.
Диммерный переключатель iDevices ® позволяет управлять освещением и приглушать его в любом месте вашего дома.
с
устройство iOS или Android™ и бесплатное приложение iDevices Connected. Настройте диапазон затемнения, чтобы предотвратить
низкий уровень
мерцание лампочки и тонкая регулировка яркости с силой вашего голоса через
Сири ® ,
Alexa или Google Ассистент. Благодаря интеллектуальным функциям, таким как память яркости, и элегантному встроенному
дизайн,
Диммерный переключатель iDevices превратит любой дом в умный дом.

просто.
Приложение простое в использовании и работает с тремя ведущими концентраторами/системами домашней автоматизации.
11 B/G/N)
За
больше информации, нажмите
здесь
*Бесплатная доставка по континентальной части США
Поскольку диммер — это, по сути, переключатель с дополнительной функцией, мы будем использовать здесь термины взаимозаменяемо, но наши обзоры сосредоточены в первую очередь на диммерах. Мы обсудим разницу более подробно в руководстве для покупателей на следующей странице.

Будучи устройством Wi-Fi, этот диммер не требует наличия концентратора умного дома или любого другого моста к вашей домашней сети. Встроенный датчик движения может включить свет, когда в комнате кто-то есть, а датчик внешней освещенности предотвратит это, если дневного света достаточно и дополнительный свет не нужен. Также есть ночник в виде кольца вокруг кнопки включения/выключения, но его можно отключить в приложении, если вы обнаружите, что это добавляет светового загрязнения в помещение. Теперь существует также 3-проводная версия этого продукта, для которой не требуется нейтральный провод
Этот встраиваемый в стену диммер не только имеет узкую конструкцию, которую несложно вставить обратно в коробку при установке, но и обладает достаточным встроенным интеллектом, чтобы отличить линейный провод от провода нагрузки, поэтому вам не о чем беспокоиться. о смешивании их, если вы делаете работу для себя. Этот умный диммер также доступен по цене.