Доска террасная композитная размеры: толщина и ширина для улицы, палубная из пластика, характеристики, Декинг, виды из древесно-полимерного композита
Террасная доска
Содержание
- Классификация декинга
- Из массива дерева
- Из обработанной древесины
- Древесно-полимерный композит
- Характеристики террасного декинга ДПК
- Стандартные размеры террасной доски
- Формирование стоимости
- Известные производители
- Заключение
Для отделки террасы сегодня принято использовать специальную доску, которая обеспечивает надежное покрытие на протяжении многих лет. Современные производители выпускают разные виды террасной доски. В этой статье мы предлагаем вам разобраться с ее основными техническими характеристиками и размерами. Благодаря этому, вы узнаете какая потребуется террасная доска для бассейна и обустройства других объектов.
Классификация декинга
Современная террасная доска позволяет стильно обустроить территорию возле водоема, частного дома, оформить зону отдыха и не только. Весь представленный декинг на рынке подразделяется на 3 классификации:
- Из массива дерева.

- Из обработанной древесины.
- Древесно-полимерный композит.
Ознакомимся со всеми особенностями каждого типа.
Из массива дерева
В эту категорию можно отнести террасную доску, которая изготавливается из редких пород древесины в нашей местности и хорошо распространенных в Южной Америке, Азии и Африке. Высокая стоимость материала полностью оправдывается продолжительным сроком эксплуатации, который достигает до 80 лет. Выделяются следующие технические характеристики материала:
- Декинг из красного дерева массарандуба имеет высокие показатели по влагостойкости. Высокая плотность позволяет справляться с интенсивными нагрузками. Плюс ко всему полностью исключается вероятность распространения плесневых грибков, так как в древесине имеется высокое содержание каучуковых смол.
- Террасная доска из австралийского ореха используется при отделке объектов под открытым небом.

Использование этих и других видов декинга из дорогостоящих и ценных пород древесины обусловливается отличными техническими характеристиками. После монтажных работ, террасная доска не требует в особом уходе.
Из обработанной древесины
При обработке древесины и изготовлении террасной доски используется два способа обработки: термическая и импрегнация. Под импрегнацией подразумевается пропитка древесины специальными веществами. После обработки материал не изменяет своего внешнего вида. Однако в результате она приобретает отличные технические характеристики, которые позволяют ей противостоять гниению и распространению всевозможных грибков. Эксплуатационный срок составляет около 20 лет.
Важно знать! Обстругивать декинг из обработанной древесины запрещено. В противном случае снимется защитное покрытие доски.
Другой способ обработки – термический. Он включает в себя обработку древесины высокой температурой, около 200°С. В этом случае технические свойства исходного материала полностью меняются и навсегда.
Более того, значительно уменьшается вес изделия и снижаются поглощающие характеристики. После пропарки террасная доска приобретает приятный медовый оттенок. По причине низкой плотности, устанавливать такую доску в местах с высокой нагрузкой запрещается.
Древесно-полимерный композит
Исходя из названия этого вида террасной доски, становится понятным, что она состоит из дерева и специальных полимеров. Композитный декинг имеет огромное количество положительных сторон. В частности, он абсолютно не подвергается гниению. Имеет высокую плотность благодаря чему справляется с высокими механическими нагрузками. Однако полимерная террасная доска имеет и недостатки. Например, неестественный внешний вид и подверженность деформации спустя долгие годы.
Композит подразделяется на два типа: нешлифованная и шлифованная. Они имеют одинаковые технические характеристики и визуально не имеют абсолютно никаких различий. Разница между ними заключается в том, шлифовка декинга исключает вероятность наличия скользкой поверхности.
Именно так утверждает ряд производителей. Однако в действительности шлифовка позволяет скрыть все возникающие дефекты, образующиеся в процессе изготовления.
Шлифованный декинг имеет ряд отрицательных сторон. Все дело в том, что слой полимера вследствие шлифовки нарушается. Как следствие незащищенная древесина под воздействием окружающей среды может разрушаться. Получающаяся шероховатая поверхность приводит к тому, что на поверхности скапливается грязь.
Характеристики террасного декинга ДПК
Теперь предлагаем вам детальней рассмотреть все особенности террасной доски на основе древесно-полимерного композита и выделить основные технические характеристики:
- Взаимодействие древесины и полимеров усовершенствуется под воздействием специальных модификаторов, а термопластичные полимеры увеличивают функциональность древесины.
- Спустя время, древесно-полимерный композит не теряет своего первозданного цвета.
- Не подвергается негативному воздействию окружающей среды дождю, снегу и другим атмосферным явлениям.

- Особая структура декинга не привлекает насекомых вредителей.
- Экологически чистый материал. В основе не используются формальдегиды и свинец.
- Эксплуатационный срок достигает до 30 лет.
- Поверхность сравнительно нескользкая.
- После монтажа нет необходимости дополнительно обрабатывать теми или иными химическими препаратами.
- Высокая термостойкость. Это значение колеблется в районе от -60°С и до +80°С.
- Легко работать и обрабатывать.
- Сравнительно простой монтаж.
- В процессе монтажных работ декинг имеет свойство гнуться и принимать необходимую форму. Благодаря этому уникальному свойству, декингом можно обрабатывать рельефные поверхности, углы, ступеньки, выступы и многое другое.
- Поверхность материала устойчива к образованию царапин, пятен, сколов и другим повреждениям.
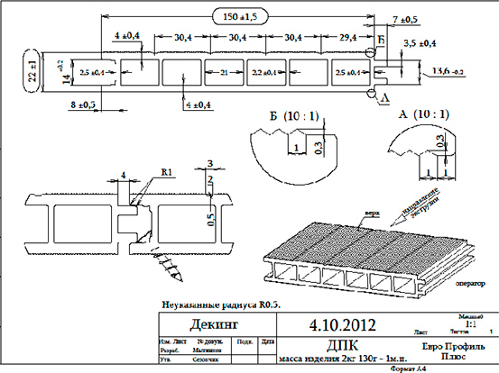
Если говорить за габариты, террасная доска размеры имеет стандартные и они находятся в таких пределах толщина от 22 до 28 мм, ширина от 135 до 147 мм, а длина от 1500 мм и до 6000 мм.
Другие важные характеристики:
- Плотность – 1,2 г/см3.
- Поглощение воды не больше 5%.
- Истираемость не больше 0,1 г/см2.
- Горючесть – Г4.
- Вес одного метра равняется до 2,6 кг.
Стандартные размеры террасной доски
Как уже упоминалось, террасная доска имеет размеры стандартные и в большинстве случаев они подходят при отделке террасы или другого объекта. По стандарту, ширина равна 140 мм, толщина 28 мм, а длина 4 м. Но при необходимости можно осуществить заказ и нестандартной доски. Например, можно заказать материал длиной 5,5, 5, 3 и 2 метра. Если есть желание сэкономить, террасная доска из лиственницы идеальное решение. Правда ее толщина, равняется всего лишь 20 мм. Более дорогая террасная доска из лиственницы достигает толщину до 45 мм. Если помещение того требует, могут использоваться широкие до 190 мм или, наоборот, узкие – 115 мм.
Формирование стоимости
Стоимость на готовый материал напрямую будет зависеть от типоразмеров.
Более того, важно понимать, что декинг продается не в кубометрах, а в квадратах или погонных метрах. На общую стоимость также влияет и состояние древесины, используется ли редкая порода дерева или нет и другие важные факторы.
Известные производители
На российском рынке можно встретить большое количество производителей террасных досок. Каждый показывает свои достоинства и особенности. Мы хотим обратить ваше внимание на производителя декинга – «Террапол». Предназначается такой материал для отделки уличных напольных покрытий. Также применяется для настила на спортивной площадке, вокруг бассейна, пирсов, причалов и других объектов, находящиеся в прямом контакте с влагой.
Древесно-полимерная композитная доска «Террапол» отличается высокими показателями по влагостойкости. Прекрасные технические характеристики и внешний вид доски «Террапол» будут радовать продолжительное время. Он никогда не выйдет из моды.
Обратите внимание! Известны и другие производители террасной доски, которые также встречаются на территории нашей страны: «JUNGLWOOD», «ItalParchetti», «TREX», «WOOZEN», «HOLZDORF», «ЭКОДЭК» и другие.
Заключение
Итак, в этой статье были рассмотрены основные технические характеристики террасной доски декинг. Мы узнали о разных классификациях этого напольного материала. В дополнение предлагаем вам ознакомиться с подготовленным видеоматериалом в конце этой статьи. Мы надеемся, что это статья, а также фото террасной доски помогли вам разобраться в этом непростом вопросе.
- Состав и пропорции раствора для кладки кирпича
- Как сделать цветной раствор для кирпича
- Размер и вес белого силикатного кирпича
- Кирпич облицовочный силикатный
Террасная доска древесно полимерная Deckron Декрон, производство Россия
Cпециально разработанный компанией Гардек уникальный профиль террасной доски, обладающий целым рядом качеств, выгодно отличает ее от прочих зарубежных и отечественных производителей, при этом цена данного покрытия в собранном виде — с лагами, крепежами и доборными элементами гораздо ниже любой представленной в России, на сегодняшний день, доски.
Отличительные особенности террасной доски Deckron Classic
Качество, проверенное временем! Не забудьте купить ступени, уголок из ДПК и лаги! | Размер 153*28*4000мм (6000мм) |
Террасная доска Deckron (Декрон) | Цена:2 800 руб/кв. м. |
Цветовая гамма
Венге (в наличии 4м и 6м) | Коричневый (в наличии 4м и 6м) | Серый (под заказ) |
С террасной доской Deckron Classic также покупают
Лаги из ДПК Цена от 240 руб/м.п. | Декоративные уголки из ДПК и алюминия Цена от 150 руб/м.п. | Клипсы пластиковые Цена от 5 руб/шт. | Ступени пустотелые Цена от 1190 руб/м.п. | Заглушки торцевые Цена от 30 руб/шт. |
Информационные материалы
| Хит продаж! | Аксессуары для доски | Инструкция по монтажу | Буклет — презентация | Фото с объектов | Видеоролик | Полный прайс-лист |
Как это выглядит: фото террасной доски Декрон с объектов
| Терраса в частном загородном доме (Москва) | Летняя терраса ресторана «5 океан» (Москва) | Эксплуатируемая кровля в частном доме (Москва) | Площадка летнего кафе «Терраса» (Астрахань) |
Больше фото с объектов с террасной доской можно посмотреть на странице Наши работы.
Древесно-полимерный композит и его свойства на примере доски GARDECK Deckron
Как уже было сказано выше, в состав доски из ДПК входит древесный наполнитель (мука) и связующий его полимер — полиэтилен. ДПК Гардек Декрон имеет природные свойства дерева, что придает данному материалу свойства дерева (запах, тактильные ощущения, внешний вид). Естественно, изготовление террасной доски из композита производится с добавлением полимера, который позволит данному материалу справиться с такой неприятностью, как гниение, коробление, выцветание (потемнение в результате воздействия плесневелых грибов).
Декинг Deckron– эта террасная доска, с высокой устойчивостью перед изменением погодных условий, т.к. не содержит в себе опасных хим. элементов и не подвержен уничтожению паразитическими бактериями. Немаловажную роль играет то, что данное напольное покрытие при установке под открытым небом, будет оставаться в эстетичном внешнем виде при любых погодных явлениях не менее 10 лет.
Сравнительные характеристики террасной доски из ДПК и лиственницы
Если сравнить с термически обработанной лиственницей, то наша доска стоит намного дешевле. И при этом, в отличие от лиственницы, нет абсолютно никаких дополнительных трат на покраску и покрытие антисептиком. Deckron практически не требует ухода, для чистоты ее достаточно мыть обычной водой. При этом, сроки эксплуатации ДПК достаточно велики, они составляют не менее 10 лет.
Через пару лет эксплуатации, на лиственницу потребуется дополнительное нанесение краски (покрытия лаком), антисептика и пропитки. Эксплуатация лиственницы более 5 лет, несёт за собой возможность необходимости полной замены, т.к. за этот срок материал может начать растрескиваться, шелушиться, изменить цвет и даже начаться процесс гниения.
Но выбрав наше напольное покрытие, вы сможете надолго обеспечить себе спокойствие и уют и забыть о строительстве и ремонте.
Главная \ ТЕРРАСНАЯ ДОСКА ДПК \ Good: Deckron Classic
Назад
Размеры композитного настила | DeckMart Building Supplies
11.
02.20 03:24 By Babu
Часто задаваемые вопросы о размерах композитного настила
Нет двух одинаковых проектов настила. Для каждой сборки, ремонта или установки требуются материалы, специфичные для этой работы. Чтобы получить лучшие продукты для вашего проекта, важно знать, какие размеры композитных настилов доступны и где их можно найти.
Используйте следующие часто задаваемые вопросы, чтобы узнать о стандартных размерах композитных террасных досок, какие доски использовать для различных частей настила и к каким производителям обращаться за материалами.
Каковы стандартные размеры композитного настила?
Размер композитного настила относится к длине и ширине досок, используемых для строительства и ремонта настила. Большинство производителей предлагают композитные террасные доски длиной 12, 16 и 20 футов. Ширина зависит от бренда и стиля и может варьироваться от одного до двух дюймов в толщину и от четырех до шести дюймов в ширину.
Что такое стандартные композитные формы настила?
В дополнение к стандартным размерам композитный настил также предлагается в стандартных формах. Двумя основными формами являются рифленые доски и сплошные доски. Массивные доски также часто называют досками с квадратными краями.
Какие доски следует использовать?
Рифленые доски обычно используются в качестве основной/внутренней террасной доски. Строители используют твердые доски для рамы палубы и лестницы. Следующее руководство содержит краткую информацию о том, где следует установить каждый тип платы.
Форма досок
Основной настил
Лестницы и рама для картин
Плинтус
Облицовка
Скамейки и ящики для цветов
Ряды лестниц
Grooped Composite Poards
Сплошные композитные платы
Фассия
СОЗДАНИЕ ЗАМЕРКИ
NOSEARS.
»
Рифленая доска Trex 1″ x 5-1/2″
Фризовая доска Trex и надставная доска сверху
Профиль ZURI для выступающей доски
Что насчет крепежа?
Тип доски и дизайн проекта определяют наилучший тип композитного палубного шурупа. Посетите нашу страницу композитных палубных винтов для получения дополнительной информации о вариантах крепежа.
Где я могу найти композитные настилы разных размеров?
Некоторые производители выпускают как шпунтованные, так и сплошные доски, а другие предоставляют только один тип. Некоторые предлагают полный диапазон размеров композитных террасных досок, в то время как другие ограничивают их размеры. Третьи производят различные варианты, но распространяют их только в определенных областях. Мы провели исследование для вас и предлагаем следующее руководство по производству в Онтарио.
Dimention
Grooped Boards
Сплошные платы
Фасция
RISERS
NOSIS
Длина
12 ’; 16’; 20 ’
Толщина
1″ x 5,5 «
1″ x 5,5 «
0,5″ x 11,75 «
Clubhouse
Длина
12’; 16’; 20’
12’; 16’; 20’
Толщина
1″ x 5,5″
1″ x 5,5″
1/2″ x 11,94″
Endeck
Длина
16’; 20’
Толщина
Fiberon
Длина
12’; 16’; 20 ‘
20′ или 16 ‘-SANCTAURY
Толщина
0,93 «x 5,25»
0,93 «x 5,25»
3/4 «x 11,25»
3/4 «x 7,25, «*
0,925 x 5,25 дюйма — Sanctuary
0,925 x 5,25 дюйма — Sanctuary
TimberTech
Длина
12 футов; 16’; 20 ’
Не отправлен в Канаду
Толщина
0,94″ x 5,36 «
0,94″ x 5,36 «
9/16” x 12 ”
Длина
12’; 16’; 20’
12’; 16’; 20’
Толщина
1″ x 5,5″
1″ x 5,5″
0,75 «x 11,25»
0,75 «x 11,25»
0,82 «x 5,5»- Select
0,82 «x 5,5»- Select
Трекс Лэмбер (Трансценд только тропический
Толщина
1,3 x 3,4 дюйма
1,3 x 3,4 дюйма
Vekadeck
Длина
12 футов; 16’; 20’
Толщина
Trunorth
Длина
12’; 16’; 20’
12’; 16’; 20’
Толщина
15/16″ x 5-1/8″
15/16″ x 5-1/8″
Длина
12’; 16’; 20 футов
Толщина
1-1/32″ x 5-1/2″
2-3/16″ на 3-9/16″
Кто может поставить эти продукты для моего следующего проекта?
Чтобы определить размеры композитного настила, необходимые для вашего следующего проекта, свяжитесь со специалистами компании DeckMart Building Supplies.
Наши квалифицированные сотрудники помогут вам выбрать из множества доступных конструкций настилов по индивидуальному заказу и организуют быструю и надежную доставку на вашу строительную площадку.
«Мы поставляем продукт, поэтому вы можете реализовать проект».
Размеры композитной террасной доски | Trex
Изучите тонкости всего, что может предложить Trex®. Здесь вы найдете каждую деталь о наших продуктах, от ширины доски до длины втулки стойки — все, что делает Trex непохожим ни на что другое.
Загрузить SKU PDF
- Настил
- Перила
- Перила ADA
- Освещение
Transcend
Трансцендная линия Фактическая:
.
16 футов (487 см)
20 футов (609 см)
ССЫЛКИ НА ПРОФИЛЬ TRANSCEND LINEAGE
- 1 x 6 x 16 футов
- 1 х 6 х 20 футов
Biscayne, Rainier, Carmel, Jasper
Transcend Actual:
0,94 дюйма x 5,5 дюйма
(24 мм x 140 мм)
Доступные длины:
16 футов (365 см)
20 футов (609 см)
НОМЕР ПРОФИЛЕЙ TRANSCEND
- 1 x 6 x 12 футов
- 1 х 6 х 16 футов
- 1 х 6 х 20 футов
TRANSCEND COLORS:
Island Mist, Tiki Torch, Havana Gold, Spiced Rum, Lava Rock, Gravel Path, Rope Swing, Vintage Lantern
Улучшение
Увеличение фактического:
.94 в X 5,5 в
(24 мм x 140 мм)
Доступные длины:
12 FT (365 см)
16 футов (487 см)
20 FT (609. см)
ССЫЛКИ НА ПРОФИЛЬ УЛУЧШЕНИЯ
- 1 x 6 x 12 футов
- 1 х 6 х 16 футов
- 1 х 6 х 20 футов
УЛУЧШИТЬ ЦВЕТА:
Туманный причал, Каменистая гавань, Поджаренный песок, Прибрежный утес, Моллюск, Пляжная дюна, Седло
Выбрать
Фактический: 0,82 в х 5,5 в
(20 мм x 140 мм)
Доступные длины:
12 футов (365 см)
16 FT (487 см)
20 FT (609 см)
ВЫБЕРИТЕ ССЫЛКИ НА ПРОФИЛЬ
- 7/8 x 6 x 12′
- 7/8 х 6 х 16 футов
- 7/8 х 6 х 20 футов
ВЫБЕРИТЕ ЦВЕТА:
Серая галька, Серый Винчестер, Седло, Коричневый лес, Мадейра
Transcend
Transcend Lineage Actual:
.
94 в X 5,5 в
(24 мм x 140 мм)
Доступные длины:
12 футов (365 см)
16 FT (487 CM)
20 FT (365 см)
16 FT (487 CM)
20 FT (365 см)
16 FT (487 CM)
20 FT (365 см)
16 FT (487 CM) (609 см)
ССЫЛКИ НА ПРОФИЛЬ TRANSCEND LINEAGE
- 1 x 6 x 12 футов
- 1 х 6 х 16 футов
- 1 х 6 х 20 футов
TRANSCEND LINEAGE ЦВЕТА:
Бискейн, Ренье, Кармель, Джаспер
Transcend Actual:
0,94 дюйма x 5,5 дюйма
(24 мм x 140 мм)
ССЫЛКИ НА ПРОФИЛЬ TRANSCEND
- 1 x 6 x 12 футов
- 1 х 6 х 16 футов
- 1 х 6 х 20 футов
TRANSCEND COLORS:
Island Mist, Tiki Torch, Havana Gold, Spiced Rum, Lava Rock, Gravel Path, Rope Swing, Vintage Lantern (24 мм x 140 мм)
Доступные длины:
12 футов (365 см)
16 футов (487 см)
20 футов (609 см)
ССЫЛКИ НА ПРОФИЛЬ УЛУЧШЕНИЯ
- 30 9 x 2 6 6 1
- 1 х 6 х 16 футов
- 1 х 6 х 20 футов
УЛУЧШЕННЫЕ ЦВЕТА:
Туманный причал, Скалистая гавань, Поджаренный песок, Прибрежный блеф, Раковина моллюска, Пляжная дюна, Седло
ВЫБЕРИТЕ
мм)
Доступные длины:
12 футов (365 см)
16 футов (487 см)
20 футов (609 см)
ВЫБЕРИТЕ ССЫЛКИ НА ПРОФИЛЬ
- 7/8 x 6 x 12′ 903
- 7/8 х 6 х 16 футов
- 7/8 х 6 х 20 футов
Выберите цвета:
Гераблю серого, Винчестер Грей, Седло, Вудленд Браун, Мадейра
1 «x 8» ФасцияТрансценд
.
футов
(14 мм x 184 мм x 365 см)
ССЫЛКИ НА ПРОФИЛЬ TRANSCEND LINEAGE
- 1 x 8 x 12 футов
TRANSCEND LINEAGE ЦВЕТА:
Biscayne, Rainier, Carmel, Jasper
НОМЕР ПРОФИЛЕЙ TRANSCEND
- 1 x 9 x 30 28 футов
TRANSCEND COLORS:
Island Mist, Tiki Torch, Havana Gold, Spiced Rum, Lava Rock, Gravel Path, Rope Swing, Vintage Lantern
УЛУЧШИТЬ ПРОФИЛЬ ССЫЛКИ
- 1 х 8 х 12 футов
РАСШИРЕННЫЕ ЦВЕТА:
Туманный причал, Скалистая гавань, Жареный песок, Прибрежный блеф, Моллюск, Пляжная дюна, Седло
ВЫБЕРИТЕ ССЫЛКИ НА ПРОФИЛЬ
- 2 x
ВЫБЕРИТЕ ЦВЕТА:
Серая галька, Серый винчестер, Седло, Коричневый лес, Мадейра
УНИВЕРСАЛЬНЫЙ БЕЛЫЙ ПРОФИЛЬ НОМЕР
- 1 x ’09 1
- 328
Универсальные белые цвета:
древесное зерно белое
1 «x 12» фасция Transcend
Фактически:.
мм x 365 см)
НОМЕР ПРОФИЛЕЙ TRANSCEND LINEAGE
- 1 x 12 x 12 футов
TRANSCEND LINEAGE ЦВЕТА:
Biscayne, Rainier, Carmel, Jasper
TRANSCEND PROFILE REFERENCES
- 1 х 12 х 12 футов
Transcend Colors:
Остров Остров, Tiki Forch, Gavana Gold, пряный ром, лавовый камень, гравийный путь, вингер, винтажный фонарь
Усовершенствование профилей:
- 1 x 12 x 12 x 12 ’12’ 12 ‘
- 9
- 1 x 12 x 12′ 12 ’12’ 12 ‘
- 9
- 1 x 12′ 12 ’12’ 12 ‘
- 9
- 1 x 12 x 12′ 12 ’12’
- 9
- .
РАСШИРЕННЫЕ ЦВЕТА:
Туманный причал, Каменистая гавань, Поджаренный песок, Прибрежный блеф, Моллюск, Пляжная дюна, Седло
ВЫБЕРИТЕ ССЫЛКИ НА ПРОФИЛЬ:
- 1 х 12 х 12 футов
ВЫБЕРИТЕ ЦВЕТА:
Серая галька, Серый винчестер, Седло, Коричневый лес, Мадейра
ПРОФИЛЬ УНИВЕРСАЛЬНЫЙ БЕЛЫЙ АРТИКУЛЫ
2 x 1’80- 19036
Универсальные белые цвета:
древесный зерно белый
2 «Плата квадратного края
Transcend
Transcend 2×4: 1,3 в x 3.
4 in x 3.4 in x 160337
9033
(33 мм x 86 мм x 487 см)Transcend 2×6: 1,3 дюйма x 5,5 дюйма
(33 мм x 140 мм)
Доступные длины:
Transcend
12 футов (365 см)
16 футов (480 см) 20 футов (609 см)НОМЕР ПРОФИЛЕЙ TRANSCEND
- 2 x 4 x 16 футов
- 2 х 6 х 12 футов
- 2 х 6 х 16 футов
- 2 х 6 х 20 футов
TRANSCEND COLORS:
Island Mist, Tiki Torch, Havana Gold, Spiced Rum, Lava Rock, Gravel Path, Rope Swing, Vintage Lantern
Выбрать
2×6: 1,3 в x 5,5 в
.
(33 мм x 140 мм)
Доступные длины:
Выбор
12 футов (365 см)
16 футов (487 см)
20 FT (609 см)ВЫБЕРИТЕ ССЫЛКИ НА ПРОФИЛЬ:
- 2 x 6 x 12 футов
- 2 х 6 х 16 футов
- 2 х 6 х 20 футов
ВЫБЕРИТЕ ЦВЕТА:
Серая галька, Седельный, Лесной коричневый, Мадейра
Универсальный стартовый зажимПРОФИЛИ
- Мешок 400 кв.
футов (37 м2)
Цвета
НЕЗАДНАЯ СТАЛА
Универсальная крепежная крепежаПрофили
- 50 кв.
- Ковш 500 кв. футов (46,5 м2)
ЦВЕТА
Стеклонаполненный нейлон
Фреза- Фреза
Втулка стойки
- 4 x 4 x 39 дюймов
(4,45 дюйма x 4,45 дюйма x 40 дюймов или 113 мм x 113 мм x 101 см внешние размеры) - 4 x 4 x 108 дюймов
(Внешние размеры 4,45 x 4,45 x 108 дюймов или 113 мм x 113 мм x 274 см) - 6″ x 6″ x 39″
(Внешние размеры 5,5 x 5,5 x 39 дюймов или 139 мм x 139 мм x 990 мм) - 6 дюймов x 6 дюймов x 108 дюймов
(5,5 дюймов x 5,5 дюймов x 108 дюймов или 139 мм x 139 мм x 274 см, внешние размеры)
ЦВЕТА
4″x4″ — угольно-черный, классический белый, гравийная дорожка, канатные качели, винтажный фонарь
6″x6″ — доступен только в классическом белом цвете
ПРИМЕЧАНИЕ.
Обработанная под давлением стойка 4×4 или эквивалентное крепление на стойке.Колпачок втулки стойки
- Плоский 4″ x 4″ (12 шт. в коробке)
(внутренние размеры 4,55 x 4,55 дюйма или 115 мм x 115 мм) - Плоский 6 x 6 дюймов (12 шт. в коробке)
(внутренние размеры 5,55 x 5,55 дюйма или 140 мм x 140 мм)
Цвета
4 «x4» — черный уголь, классический белый, гравийный путь, качание веревки, винтажный фонарь
6 «x6» — доступно только в классическом белом
Post Slead Skir
- 4 x 4 дюйма (12 шт. в коробке)
(внутренние размеры 4,55 x 4,55 дюйма или 115 мм x 115 мм) - 6″ x 6″ (12 шт. в коробке)
(внутренние размеры 5,55 x 5,55 дюйма или 140 мм x 140 мм)
ЦВЕТА
4″x4″ — угольно-черный, классический белый, гравийная дорожка, канатные качели, винтажный фонарь
6″x6″ — доступен только в классическом белом цвете
Установка на поверхность (совместимость с IRC)
9- Алюминиевая стойка для поверхностного монтажа для высоты направляющей 36 дюймов (914 мм) (1 шт.
в упаковке) (3,75 x 3,75 x 7 дюймов или 95 x 95 x 177 мм внешние размеры вставки) - Поверхностное крепление на алюминиевую стойку для направляющей высотой 42 дюйма (1066 мм) (1 шт. в коробке) (3,75 дюйма x 3,75 дюйма x 7 дюймов или 95 мм x 95 мм x 177 мм внешние размеры вставки)
- Фурнитура для стойки для поверхностного монтажа – деревянная (10 комплектов в коробке)
Стойка для крепления на балку (для использования с втулкой из композитной стойки 4×4)- Алюминиевая стойка для установки на балку для использования с перилами Trex любой высоты (1 шт.) 3,75 дюйма x 3,75 дюйма x 7 дюймов или 95 мм x 95 мм x 177 мм)
Верхняя и нижняя направляющие
ПРОФИЛИ:
- 6 футов (67,5 дюймов или 171 см фактической длины) Верхняя направляющая короны
- 8 футов (фактическая длина 91,5 дюйма или 232 см) Верхняя направляющая короны
- 6 футов (67,5 дюймов или 171 см фактической длины) Универсальная верхняя/нижняя направляющая
- 8 футов (фактическая длина 91,5 дюйма или 232 см) Универсальная верхняя/нижняя направляющая
Цвета:
Черный уголь, классический белый, гравийный путь, качание веревки, винтажный фонарь
Верхний и нижний рельсы
Профили:
- 6 ’67.
51.51.51.51.51.51.51.51.51.51.51.51.51. Верхняя направляющая короны - 8 футов (фактическая длина 91,5 дюйма или 232 см) Верхняя направляющая короны
- 6 футов (67,5 дюймов или 171 см фактической длины) Универсальная верхняя/нижняя направляющая
- 8 футов (фактическая длина 91,5 дюйма или 232 см) Универсальная верхняя/нижняя направляющая
Цвета:
Черный уголь, классический белый, гравийный путь, качание веревкой, винтажный фонарь
Баллерс/Шпинделы
квадратных балсеров. фактические размеры 1,418 дюйма x 1,418 дюйма x 30,375 дюйма или 36 мм x 36 мм x 771 мм)
- Высота направляющей 42 дюйма (16 шт. в упаковке) (фактические размеры 1,418 x 1,418 x 36,375 дюйма или 36 мм x 36 мм x 923 мм)
ЦВЕТА:
Угольно-черный, Классический белый, Гравийная дорожка, Веревочные качели, Винтажный фонарь или фактические размеры 19 мм x 768 мм)
- Высота направляющей 42 дюйма (20 шт.
в упаковке) (фактические размеры 0,75 дюйма x 36,25 дюйма или 19 мм x 920 мм)
Цвета :
Черный уголь, классический белый, бронзовый
Rail & Good Kit
Top и нижняя рельса
Antritical STARCEPTATIONS
.ПРОФИЛИ:
- 6 футов x 36 дюймов (72 дюйма x 36 дюймов (182 см x 914 мм)) Комплект направляющих с круглыми алюминиевыми стержнями — горизонтальные
- 6 футов x 36 дюймов (72 дюйма x 36 дюймов (182 см x 914 мм)) Комплект направляющих с. Круглые алюминиевые стержни — лестница
- Комплект направляющих 6 футов x 42 дюйма (72 дюйма x 42 дюйма (182 см x 106 см)) с круглыми алюминиевыми стержнями — горизонтальный
- Комплект направляющих 6 футов x 42 дюйма (72 дюйма x 42 дюйма (182 см x 106 см)) с круглыми алюминиевыми стержнями — лестница
- Комплект направляющих 8 футов x 36 дюймов (96 дюймов x 36 дюймов (243 см x 914 мм)) с круглыми алюминиевыми стержнями — горизонтальный
- Комплект направляющих 8 футов x 36 дюймов (96 дюймов x 36 дюймов (243 см x 914 мм)) с круглыми алюминиевыми стержнями — лестница
- Комплект направляющих 8 футов x 42 дюйма (96 дюймов x 42 дюйма (243 см x 106 см)) с круглыми алюминиевыми стержнями — горизонтальные
- Комплект направляющих 8 футов x 42 дюйма (96 дюймов x 42 дюйма (243 см x 106 см)) с круглыми алюминиевыми стержнями — лестница
COLORS:
Charcoal Black Rails and Platinum Rods, Bronze Rails and Platinum Rods
Mesh Rail Kit
Top and Bottom Rail
Hardware and Bracket Pack
Verticals
Anti-rattle Gaskets
FootblockПРОФИЛИ:
- 6 футов x 36 дюймов (72 дюйма x 36 дюймов (182 см x 914 мм)) Комплект сетчатых панелей — горизонтальные
- Комплект сетчатых панелей размером 6 футов x 36 дюймов (72 дюйма x 36 дюймов (182 см x 914 мм)) — лестница
- Комплект сетчатых панелей размером 8 футов x 36 дюймов (96 дюймов x 36 дюймов (243 см x 914 мм)) — горизонтальный
- Комплект сетчатых панелей размером 8 футов x 36 дюймов (96 дюймов x 36 дюймов (243 см x 914 мм)) — лестница
- Комплект сетчатых панелей размером 6 футов X 42 дюйма (72 дюйма x 42 дюйма (182 см x 106 см)) — горизонтальный
- Комплект сетчатых панелей 6 футов X 42 дюйма (72 дюйма x 42 дюйма (182 см x 106 см)) — лестница
- Комплект сетчатых панелей размером 8 футов x 42 дюйма (96 дюймов x 42 дюймов (243 см x 106 см)) — горизонтальный
- Комплект сетчатых панелей 8 футов x 42 дюйма (96 дюймов x 42 дюймов (243 см x 106 см)) — лестница
*Сетчатое заполнение продается отдельно.
Цвета :
Черный уголь или бронза
Панель сетки
Профили:
- 64 «X 32 — 3/82».
- 88″ x 32 — 3/8″ сетка из нержавеющей стали
- 88″ x 38 — 3/8″ сетка из нержавеющей стали
- 108 — 3/16″ x 36 — 3/16″ Универсальная сетка из нержавеющей стали 316 — Лестница
Цвета:
Нестандартная сталь
Набор стеклянных рельсов
Верхняя и нижняя рельса
Аппаратное обеспечение и пакет кронштейновПрофили
- 6 x 36337 (
- 6 ’36. 36 36. 36. 36. 36. 36. 36. 36. 36 36. 36. 36. 36. 36. 36. 36. 36. 36. 36. 36. 36. 36. 36. 36. 36. 36. 36. 36. 36. 36. 36. 36. 36 36 ». (182 см x 914 мм)) Комплект направляющих для стекла – горизонтальный
ЦВЕТА:
Темно-серый или классический белый
*Стеклянное заполнение продается отдельно. Должны быть получены на месте.
Дополнительный комплект заполнения
2 Распорки балясин
Регулируемая подставка для ног
Монтажное оборудованиеПРОФИЛИ:
- 6 футов (67,5 дюймов или 171 см фактической длины) Комплект заполнения для квадратных балясин — лестница
- 8 футов (фактическая длина 91,5 дюйма или 232 см) Дополнительный комплект заполнения для квадратных балясин – горизонтальный
- 8 футов (фактическая длина 91,5 дюйма или 232 см) Комплект заполнения для квадратных балясин — лестница
- 6 футов (67,5 дюймов или 171 см фактической длины) Комплект аксессуаров для круглых алюминиевых балясин – горизонтальные
- 6 футов (67,5 дюймов или 171 см фактической длины) комплект для заполнения круглых алюминиевых балясин — лестница
- 8 футов (фактическая длина 91,5 дюйма или 232 см) Комплект заполнения для круглых алюминиевых балясин – горизонтальный
- 8 футов (фактическая длина 91,5 дюйма или 232 см) Дополнительный комплект заполнения для круглых алюминиевых балясин — лестница
- 6 футов (67,5 дюймов или 171 см фактической длины) Комплект принадлежностей для стеклянной панели (стеклянная панель не входит в комплект)
Принадлежности Transcend
ПРОФИЛИ:
- Монтажное оборудование для направляющих — горизонтальные (12 шт.
) - Монтажное оборудование для нарезных реек–лестницы (12 шт. в коробке)
- Набор кронштейнов Transcend RSB — горизонтальный (24 шт. в коробке)
- Комплект кронштейнов Transcend RSB для лестницы (24 шт. в коробке)
- Комплект прокладок для направляющих 0 градусов — горизонтальный (12 шт. в коробке)
- Комплект прокладок для направляющих 0 градусов — лестница (12 шт. в коробке)
- 22,5-градусный пакет прокладок (для короны/универсала) (12 шт. в коробке)
- Комплект прокладок Birdsmouth 45 градусов (для 4 x 4) (12 шт. в коробке)
- Комплект прокладок 45 градусов (для 6 x 6) (12 шт. в коробке)
Trex Transcend® Rail & Baluster Kit — Composite
Top Top Top Rail
Универсальный нижний рельс
квадратные баланторы
Baluster Spacers
Регулируемые блок ног
Устроение. дюймов x 36 дюймов или 171 см x 914 мм) Комплект перил и балясин – горизонтальный - 6 футов x 36 дюймов (67,5 дюймов x 36 дюймов или 171 см x 914 мм) Комплект перил и балясин – лестница
- 8 футов x 36 дюймов (91,5 дюйма x 36 дюймов или 232 см x 914 мм) Комплект перил и балясин – горизонтальный
- 8 футов x 36 дюймов (91,5 дюйма x 36 дюймов или 232 см x 914 мм) Комплект перил и балясин – лестница
- Комплект перил и балясин 6 футов x 42 дюйма (67,5 дюймов x 42 дюймов или 171 см x 106 см) – горизонтальный
- Комплект перил и балясин 8 футов x 42 дюйма (91,5 дюйма x 42 дюйма или 232 см x 106 см) – горизонтальный
- Комплект перил и балясин для лестницы 8 футов x 42 дюйма (91,5 дюйма x 42 дюйма или 232 см x 106 см)
ЦВЕТА:
- Классический белый, угольно-черный, винтажный фонарь
- Доступен только в классическом белом цвете
- Классический белый, угольно-черный, винтажный фонарь
- Классический белый, угольно-черный, винтажный фонарь
- Классический белый, угольно-черный, винтажный фонарь
- Классический белый, угольно-черный, винтажный фонарь
- Классический белый, Угольно-черный, Винтажный фонарь
Trex Transcend® Rail & Baluster Kit — Aluminum
Crown Top Rail
Universal Bottom Rail
Round Aluminum Balusters (black)
Baluster Spacers
Adjustable Foot Block
Mounting HardwarePROFILES :
- Комплект перил и балясин 6 футов x 36 дюймов (67,5 дюймов x 36 дюймов или 171 см x 914 мм) – горизонтальный
- 8 футов x 36 дюймов (91,5 дюйма x 36 дюймов или 232 см x 914 мм) Комплект перил и балясин – горизонтальный
- 8 футов x 36 дюймов (91,5 дюйма x 36 дюймов или 232 см x 914 мм) Комплект перил и балясин для лестницы
- 6 футов x 42 дюйма (67,5 дюймов x 42 дюймов или 171 см x 106 см) Комплект перил и алюминиевых балясин – горизонтальный
- 8 футов x 42 дюйма (91,5 дюйма x 42 дюйма или 232 см x 106 см) Комплект перил и алюминиевых балясин – горизонтальный
- 8 футов x 42 дюйма (91,5 дюйма x 42 дюйма или 232 см x 106 см) Комплект перил и алюминиевых балясин – лестница
ЦВЕТА:
Classic White, Charcoal Black, Vintage Lantern
Trex Select® Railing Classic White & Комплект алюминиевых балясин
Верхняя рейка
Нижняя рейка
Круглые алюминиевые балясины (черные)- 6 футов x 36 дюймов (67,5 дюймов x 36 дюймов или 171 см x 914 мм) Комплект перил и алюминиевых балясин – горизонтальный
- Комплект перил и алюминиевых балясин 6 футов x 36 дюймов (67,5 дюймов x 36 дюймов или 171 см x 914 мм) — лестница
- 8 футов x 36 дюймов (91,5 дюйма x 36 дюймов или 232 см x 914 мм) Комплект перил и алюминиевых балясин – горизонтальный
- 8 футов x 36 дюймов (91,5 дюйма x 36 дюймов или 232 см x 914 мм) Комплект перил и алюминиевых балясин – лестница
- 6 футов x 42 дюйма (67,5 дюймов x 42 дюймов или 171 см x 106 см) Комплект перил и алюминиевых балясин – горизонтальный
- Комплект перил и алюминиевых балясин 8 футов x 42 дюйма (91,5 x 42 дюйма или 232 см x 106 см) – горизонтальный
- Комплект перил и алюминиевых балясин 8 футов x 42 дюйма (91,5 дюйма x 42 дюйма или 232 см x 106 см) — лестница
ЦВЕТА:
Классический белый
Выберите аксессуары
ПРОФИЛИ
- Монтажное оборудование для нарезных реек–лестницы (10 комплектов в коробке)
Ребро жесткости Trex Select® 8’ для алюминиевых направляющих
Алюминиевые направляющие Trex
Комплект направляющих ворот
ПРОФИЛИ
- Высота поручня 36 дюймов (36 дюймов или 914 мм), квадратные балясины, регулируемая ширина проема до 48 дюймов (фактическая ширина 47,5 дюймов или 120 см может быть обрезана)
- Высота поручня 36 дюймов (36 дюймов или 914 мм), круглые балясины, регулируемая ширина проема до 48 дюймов (фактическая ширина 47,5 дюймов или 120 см может быть обрезана)
- Высота поручней 42 дюйма (42 дюйма или 106 см), квадратные балясины, регулируемая ширина проема до 48 дюймов (фактическая ширина 47,5 дюймов или 120 см может быть обрезана)
- Высота поручней 42 дюйма (42 дюйма или 106 см), круглые балясины, регулируемая ширина проема до 48 дюймов (фактическая ширина 47,5 дюймов или 120 см может быть обрезана)
ЦВЕТА:
Угольно-черный, бронзовый, классический белый
Комплект фурнитуры
ПРОФИЛИ:
- 3 Регулируемая высота закрытия
- 1 запорная защелка с ключами
- Оборудование для крепления к деревянным стойкам с композитными втулками или алюминиевым стойкам
Алюминиевый поручень Trex, соответствующий требованиям ADA
ПРОФИЛИ:
- Угловое крепление
- Почтовый возврат («Конфета»)
- Колено 5 градусов
- Колено 31 градус
- Колено 34 градуса
- Колено 36 градусов
- Колено 90 градусов
- Ошейник
- Торцевая заглушка рельса
- Возврат к стене под углом 90 градусов
- Настенное крепление
- Внутренний соединитель 4 дюйма (101 мм)
- Поручень 1,375 дюйма X 8 футов (34 мм x 243 см)
ЦВЕТА:
Угольно-черный, бронзовый, классический белый
Алюминиевая стойка Trex Signature®
СТОЙКА С ПРОФИЛЯМИ КЕПКИ И ЮБКИ:
- 2,5″ x 2,5″ x 37″ пост-горизонтальная (фактические размеры IRC) (63 мм x 93 мм x 93 мм) )
- 2,5″ x 2,5″ x 43″ пост-горизонтальный (соответствует IRC) (фактические размеры 63 мм x 63 мм x 109 см)
- 2,5″ x 2,5″ x 53″ Ступенчатая лестница (соответствует IRC) (фактические размеры 63 мм x 63 мм x 134 см)
ЦВЕТА:
Угольно-черный, бронзовый, классический белый
Перекрестная стойка
ПРОФИЛИ:
- 2,5″ x 2,5″ x 36″ Перекрестная стойка – горизонтальная (соответствует IRC) (включая перекрестный кронштейн) (фактические размеры 63 мм x 63 мм x 9903 мм2)8
- 2,5″ x 2,5″ x 42″ Crossover Post-Horizontal (соответствует IRC) (включая перекрестный кронштейн) (фактические размеры 63 мм x 63 мм x 106 см)
ЦВЕТА:
Угольно-черный, бронзовый, классический белый
IRC Оборудование для поверхностного монтажа
ПРОФИЛИ:
- Алюминиевая монтажная пластина и оборудование (для использования со всеми 2,5-дюймовыми алюминиевыми стойками Trex для поверхностного монтажа)
- Комплект для монтажа на бетонную опору
Цвета:
Черный уголь, бронза, классическая белая
Алюминиевая стойка монтажа с кепкой и юбкой
Профили:
- 2,5 «x 2,5» x 63 «63 MM 63 MM 3 мм 3 мм 3 мм 3 мм.
х 160 см фактические размеры
ЦВЕТА:
Темно-черный, бронзовый, классический белый
Комплект крепления Trex Signature® Fascia Mount Kit (для использования с деревянным каркасом)
ПРОФИЛИ :
TREX Signature® Rail & Baluster Kit
Top Rail
Нижняя рельса
BALUSTERTS
Управление монтируемой и поддержкойПрофили :
- 6 ‘x 36 «Ware W. х 36 дюймов или 182 см х 9фактические размеры 14 мм)
- Комплект направляющих 6 футов x 36 дюймов с квадратными балясинами – лестница (фактические размеры 72 дюйма x 36 дюймов или 182 см x 914 мм)
- Комплект направляющих 8 футов x 36 дюймов с квадратными балясинами – горизонтальные (фактические размеры 96 дюймов x 36 дюймов или 243 см x 914 мм)
- Комплект направляющих 8 футов x 36 дюймов с квадратными балясинами – лестница (фактические размеры 96 дюймов x 36 дюймов или 243 см x 914 мм)
- Комплект направляющих 6 футов x 42 дюйма с квадратными балясинами – горизонтальные (фактические размеры 72 дюйма x 42 дюйма или 182 см x 106 см)
- Комплект направляющих 6 футов x 42 дюйма с квадратными балясинами – лестница (фактические размеры 72 дюйма x 42 дюйма или 182 см x 106 см)
- Комплект направляющих 8 футов x 42 дюйма с квадратными балясинами – горизонтальные (фактические размеры 96 дюймов x 42 дюйма или 243 см x 106 см)
- Комплект направляющих 8 футов x 42 дюйма с квадратными балясинами — лестница (фактические размеры 96 дюймов x 42 дюйма или 243 см x 106 см)
ЦВЕТА:
Темно-черный, бронзовый, классический белый
ПРОФИЛИ:
- Комплект направляющих 6 футов x 36 дюймов с круглыми балясинами – горизонтальный (72 дюйма x 1 2 2 36 см)фактические размеры 14 мм)
- Комплект направляющих 6 футов x 36 дюймов с круглыми балясинами – лестница (фактические размеры 72 дюйма x 36 дюймов или 182 см x 914 мм)
- Комплект направляющих 8 футов x 36 дюймов с круглыми балясинами – горизонтальные (фактические размеры 96 дюймов x 36 дюймов или 243 см x 914 мм)
- Комплект направляющих 8 футов x 36 дюймов с круглыми балясинами – лестница (фактические размеры 96 дюймов x 36 дюймов или 243 см x 914 мм)
- Комплект направляющих 6 футов x 42 дюйма с круглыми балясинами – горизонтальные (фактические размеры 72 дюйма x 42 дюйма или 182 см x 106 см)
- Комплект направляющих 6 футов x 42 дюйма с круглыми балясинами — лестница (фактические размеры 72 дюйма x 42 дюйма или 182 см x 106 см)
- Комплект направляющих 8 футов x 42 дюйма с круглыми балясинами – горизонтальные (фактические размеры 96 дюймов x 42 дюйма или 243 см x 106 см)
- Комплект направляющих 8 футов x 42 дюйма с круглыми балясинами — лестница (фактические размеры 96 дюймов x 42 дюйма или 243 см x 106 см)
Цвета:
Доступно только в углевом черном
TREX Signature® Accessories
Профили :
Профили :
9939.

- Фиксированный кронштейн для лестницы (4 шт. в упаковке)
- Поворотный кронштейн — горизонтальный (2 шт. в упаковке — 1 сверху, 1 снизу)
- Поворотный кронштейн для лестницы (2 шт. в упаковке — 1 вверху, 1 внизу)
- Кронштейн для горизонтального кроссовера 2,5 дюйма (1 шт. в упаковке)
- 2,5-дюймовый поворотный перекрестный кронштейн–лестница (1 шт. в упаковке)
- Составной поворотный кронштейн (2 шт. в упаковке — 1 верх, 1 низ)
- Алюминиевая подножка
- Ретуширующий карандаш
Светильник с плоской опорой
ПРОФИЛИ:
- Светодиодный светильник на крышке стойки размером 4 x 4 дюйма
(внутренние размеры 4,55 x 4,55 дюйма или 115 мм x 115 мм) Используется с композитными перилами Trex 4 дюйма - 5,5 футов (1,67 м), штекер LightHub
Цвета:
Черный уголь, классический белый, гравийный путь, качание веревки, винтажный фонарь
Алюминиевая стопка
Профиль:
5.560 2,50360 2,50360 2,50360 2,50360 2,560 2,560 2,560 2,560 2,560 2,560 2,560 2,560 2,560 2,560 2. Light (внутренние размеры 2,6 дюйма x 2,6 дюйма или 66 мм x 66 мм) Используется с алюминиевыми стойками для перил Trex 2,5 дюйма
Цвета:
Текстурированный уголь черный, текстурированная бронза, текстурированная белая
Deck Rail Light
Профили:
- Светодиодная палуба.
- 5 футов 5 дюймов (1,67 м) с наружной резьбой
ЦВЕТА:
Угольно-черный, бронзовый, классический белый
Светильник на клиньях
ПРОФИЛИ:
- Светодиодный клиновой фонарь для настила (фактические размеры 1,875 дюйма x 3 дюйма или 47 мм x 76 мм) Совместим со всеми стойками Trex для поручней
- 5 футов 5 дюймов (1,67 м) с наружной резьбой
Цвета:
Текстурированный уголь черный, текстурированная бронза, текстурированная классическая белая
Trex Rainescape Soffit Light
Профили:
- House House Diameter Diameter (
- .
0328 - Диаметр светлого лица (открытый): 3-3/8″
- Высота крепления (под наклоном, включая кронштейны) 2-7/8″
- Материал: алюминий с порошковым покрытием, поликарбонатная линза
- Самое широкое место, включая монтажные кронштейны: 6-3/4″
- Выступ от потолка при максимальном наклоне: 7/8″
- Включает штекер 5,5 фута (1,67 м), легкий провод втулки
ЦВЕТА:
Угольно-черный с текстурой, Бронза с текстурой, Классический белый с текстурой
Светодиодные прожекторы
ПРОФИЛИ:
- 4 светодиодных прожектора (внешний размер 1,25 дюйма или 31 мм)
- Провод LightHub с наружной резьбой 5 футов 5 дюймов (1,67 м)
Цвета :
Черный уголь, бронза, классическая белая
Уточненные лампы колоды
Профили:
- 4 светодиодные переработанные света (1 в OR or Out Outer Dimessions)
- 4 светодиодные повторные светильники (1 в OR 25 мм.

- Провод LightHub с наружной резьбой 5 футов 5 дюймов (1,67 м)
Трансформатор 30 Вт с таймером
ПРОФИЛИ:
- Выходное напряжение: 12 В пост. тока
- Выходная мощность: 30 Вт
- Выходной ток: 2,5 А
- Таймер фотоактивации
- Удлинительный кабель LightHub длиной 20 футов (6,09 м)
Трансформатор 100 Вт с таймером
ПРОФИЛИ:
- Выходное напряжение: 12 В пост. тока
- Выходная мощность: 100 Вт
- Выходной ток: 8,3 А
- Таймер фотоактивации
- Удлинительный кабель LightHub длиной 20 футов (6,09 м)
Адаптер для многозонного трансформатора
ПРОФИЛИ:
- Адаптер для многозонного трансформатора
Диммер
ПРОФИЛИ:
- Одноканальный с дистанционным управлением
Бит Форстнера
ПРОФИЛИ:
- Бит Форстнера 1 дюйм (25 мм) – упаковка из 6 шт.

- 4 светодиодные повторные светильники (1 в OR 25 мм.
- .


м.