Дровокол редукторный своими руками чертежи: Самодельный дровокол. Чертежи конструкций.
Самодельный дровокол. Чертежи конструкций.
Существует несколько видов конструкций дровокола. Различия между ними существенные. Они различаются по сложности изготовления конструкции, по степени безопасности при работе с ними, по удобству и скорости работы. Рассмотрим подробно каждый вид отдельно.
1 Ручной дровокол лом-колун
2 Механический дровокол на пружине.
2.1 Чертежи конструкции дровокола. Важные моменты.
3 Электрический винтовой дровокол
3.1 Выбираем двигатель и увеличиваем крутящий момент.
3.2 Техника безопасности при работе с электрическим винтовым дровоколом.
4 Электромеханический дровокол с толкателем и редуктором.
4.1 Выбор редуктора, двигателя и диаметров шкивов.
4.2 Выбор длины кривошипа
4.3 Техника безопасности при работе с дровоколом.
5 Электромеханический реечный дровокол.
Ручной дровокол
лом-колунОн является самым простым в изготовлении.
Принцип его работы основан на энергии удара по колуну тяжелым предметом. Эффект получается практически такой же как если поставить топор на полено и ударить по обуху топора кувалдой. Но этот лом-колун удобнее в работе и скорость работы выше.
Его преимущество в том, что он безопасен в работе, легок в изготовлении, занимает мало места. Не требует доставки каждого полена к нему. С ним будет удобно переходить от одного полена к другому. Во время работы с ним спина остается прямая, что немаловажно при колке дров большого объема. Не нужно нагибаться над каждым поленом, чтобы его расколоть.
Но он требует применения физической силы человека и во время работы издает громкий металлический звук. Для защиты от звука придется работать в наушниках.
Лом-колун состоит всего из двух частей. Первая часть непосредственно колун с направляющей трубой, а вторая часть ударная. Ударная часть может быть наружной, то есть обхватывать собой направляющую трубу или внутренней – входить во внутрь направляющей трубы.
При изготовлении лом-колуна главное соблюсти правило большой разности масс частей колуна и выдержать достаточную длину хода ударной части для создания сильного удара. Эта длина должна быть примерно 50-60см.
Чтобы первую часть колуна сделать максимально легкой, нужно в качестве направляющей использовать тонкостенную трубу и лезвие колуна сделать узким.
Если
во время удара вибрация передается на руки, то можно ее значительно снизить,
если сделать ручки деревянными. Если ручки изготавливаются металлические, то их
нужно приварить на самую тяжелую и массивную ударную часть, это также будет
способствовать снижению вибрации.
Для плавности хода ударной части и снижения звука трущихся друг об друга металлических частей, следует использовать полипропиленовую трубу между этими частями.
Чтобы избежать быстрого расклепывания металла в месте удара двух частей лом-колуна, пятно контакта между ними не должно быть слишком маленьким.
Для удобства работа с лом-колуном поленья следует ставить во внутрь старого автомобильного колеса. Это предотвратит разлет отколотых частей от поленьев, и они всегда будут в одном положении.
Механический дровокол на пружине.Этот дровокол также, как и лом-колун использует физическую силу человека. Но физическая сила нужна небольшая, только чтобы вывести из равновесия балансир с колуном.
Данный механизм немного сложнее в изготовлении чем лом-колун, но более эффективный.
Усилие, которое нужно приложить для колки поленьев направлено вниз, поэтому практически нагрузка на спину отсутствует. По сравнению с лом-колуном требует значительно меньше физических усилий. Мощность удара зависит не только от физической силы человека, но и от массы колуна. У данного дровокола можно сделать достаточно мощный удар, который будет раскалывать практически любые поленья. Довольно высокая производительность.
Но у него большие габариты и вес. Травмоопасный, но не более чем обычный топор. Требует доставки каждого полена к нему. Немного более сложный в изготовлении, чем лом-колун.
Принцип действия этого механизма основан на ударе лезвия колуна с большой массой. Задача человека сводиться в выводе плеча дровокола из равновесия, то есть движением вниз нужно сдвинуть лезвие колуна, а оно уже из-за своей большой массы пойдет дальше по инерции. Возврат плеча дровокола в исходное положение происходит автоматически пружиной.
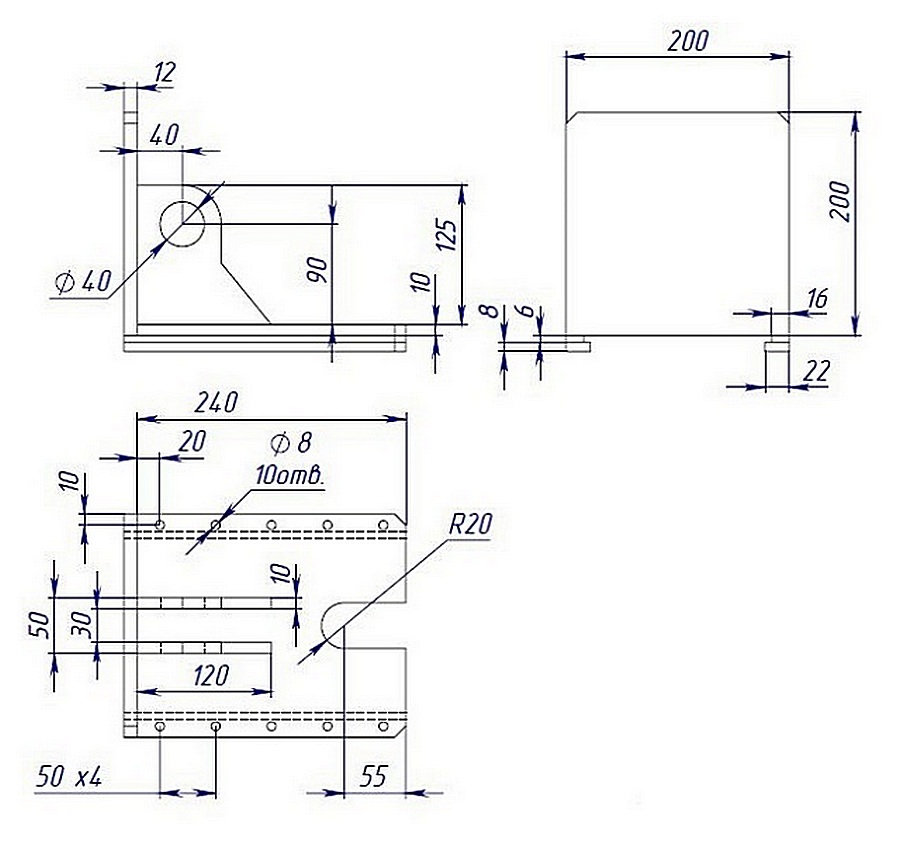
Чертежи конструкции дровокола. Важные моменты.
На чертежах ниже представлен дровокол на пружине. При его изготовлении все трубы можно заменить на любые другие, главное, чтобы хватило жесткости конструкции. Вместо одной толстостенной трубы сечением 40х60х6 мм можно использовать две трубы сваренные вместе с меньшей толщиной стенки и другого сечения.
Сила удара данного колуна зависит от массы его подвижной части. Чем больше масса колуна с грузом, тем больше энергия удара. Груз можно набрать из любых тяжелых металлических частей, например приварить два куска рельсы. Главное, чтобы груз был максимально большим, в идеале необходимо чтобы колун с грузом весил 50-55кг.
Пружина должна быть достаточно мощной, чтобы удерживать плечо механизма в горизонтальном положении. То есть здесь должен быть баланс между массой колуна с грузом и силой сжатия пружины. Если не хватает усилия пружины, то можно добавить вторую пружину меньшего диаметра, просто вставив её во внутрь первой пружины.
Найти баланс между весом колуна с грузом и усилием пружины поможет регулируемая консоль, чем ближе будет колун к пружине, тем выше будет подыматься консоль.
Общий вид колуна.Чертеж дровокола.Общий вид каркаса.Чертеж каркаса.Чертеж колуна.Консоль.Кронштейн.Электрический
винтовой дровоколДанный механизм является наиболее простым среди электрических дровоколов. Из-за этого он приобрел в последнее время популярность.
Принцип действия основан на раскалывании полена конусным винтом с крупной упорной резьбой. Данный винт ввинчиваясь в дерево раскалывает его.
У винтового дровокола есть существенные недостатки. Он энерго затратный. Требует наличия электроэнергии. По сравнению с лом-колуном и механизмом на пружине сложный в изготовлении. Для его изготовления необходим конусный винт с резьбой, электродвигатель, редуктор, цепь со звездочками или ремни со шкивами. Очень травмоопасный. При неосторожной работе с ним может привести к сильным травмам. Существует вероятность заклинивая винта в полене из-за нехватки крутящего момента.
Выбираем двигатель и увеличиваем крутящий момент.Данный вид дровокола можно изготовить с несколькими конструктивными решениями. Самое главное добиться большого крутящего момента на винте. Это можно сделать нескольким способами:
- поставить мощный электродвигатель 5-7квт.
- Использовать тяжелый маховик. Маховик затруднит пуск двигателя, но с ним меньше шансов, что винтовой конус заклинит в дереве. Так как при раскрутке маховика он набирает большую кинетическую энергию, и чтобы его остановить нужно создать большое усилие.
В паре с маховиком можно использовать электродвигатели небольшой мощности 2-3квт. Маховик необходимо устанавливать на валу электродвигателя, а не на промежуточных валах цепной или ременной передачи. Только на электродвигателе обороты будут максимальные, а значит набранная кинетическая энергия маховика тоже будет максимальная.
- Использовать редуктор, ременную или цепную передачу для снижения числа оборотов на конусном винте и увеличения крутящего момента. Цепная передача предпочтительнее ременной так как исключает пробуксовку цепи и звездочки. В данном случае можно использовать электродвигатели небольшой мощности, но с большими оборотами около 3000. Уменьшая обороты с помощью редуктора или цепной передачи в 5 раз тем самым, увеличиваем крутящий момент на винтовом конусе в столько же раз.
Цепную
или ременную передачу нужно подобрать таким образом, чтобы число оборотов на
конусном винте было примерно 500-700 об\мин. На слишком больших оборотах полено
может вырвать из рук.
Высота от кончика конуса до стола должна быть 7-10см. Если сделать выше или ниже, то поленья будут тяжело колоться.
Под конусом необходимо приварить пластину, она предотвратит проворачивание полена.
Конусный дровокол с ременной передачей.Техника безопасности при работе с электрическим винтовым дровоколом.Работать с винтовым дровоколом необходимо без перчаток. В них работать нельзя, так как винт может зацепить перчатку и затянуть руку. С одежды не должно свисать никаких ремней и шнурков, которые могут попасть на винт.
Для аварийной остановки нужно предусмотреть педаль экстренной остановки или большую аварийную кнопку. Причем недостаточно выключить питание с электродвигателя, так как вал после отключения питания будет еще крутиться по инерции. Особенно это заметно на станках с маховиком. Поэтому для быстрой аварийной остановки вала электродвигателя, на станке необходимо установить электромагнитный тормоз в нормально замкнутом состоянии.
То есть без подачи электроэнергии тормоз находиться в сжатом состоянии, при подаче электроэнергии тормоз отпускает вал. Следовательно, если выключить электроэнергию тормоз сработает и остановит вал электродвигателя.
Поленья к конусному клину следует подавать только вертикально.
Схема демонстрирует почему поленья нельзя подавать горизонтально.Электромеханический
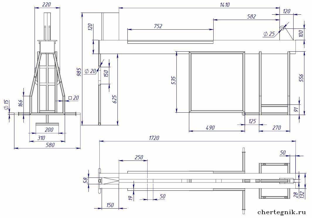
дровокол с толкателем и редуктором.Данный вид механизма довольно массивный и энерго затратный. Стоимость его изготовления высокая, так как предполагает наличие мощного редуктора, но его производительность больше, чем у винтового механизма.
Принцип действия основан на шатунном механизме. Редуктор крутит шатун, который скользит по своей направляющей по направлению к ножу.
Редуктор создает довольно большое усилие, которое может расколоть практически любые поленья.
Выбор
редуктора, двигателя и диаметров шкивов.Редуктор можно применить с передаточным отношением не менее 1:20, но лучше всего подойдет редуктор с отношением 1:40 и выше. Но подойдет не всякий редуктор с таким передаточным числом. Нужен редуктор, который выдержит большой крутящий момент и не сломается. Поэтому при его выборе следует обратить внимание на диаметр выходного вала. Он должен быть не менее 40мм.
Количество оборотов на выходном валу должно быть в пределах 11-14 об\мин. Чтобы получить такие обороты необходим двигатель с оборотами 950 об\мин и редуктор с передаточным отношением 1:70, тогда получим обороты выходного вала редуктора 950\70=13.5 об\мин. Если же двигатель и редуктор с другими параметрами, то для понижения числа оборотов придется между ними делать дополнительную ременную передачу.
Например, двигатель 1500 об\мин и редуктор с передаточным
отношением 1:30.
Рассчитаем диаметры шкивов ременной передачи.
Считаем до каких оборотов редуктор понижает. Для этого делим обороты двигателя на передаточное число редуктора. 1500\30=50 об\мин. А нам необходимы обороты в пределах 11-14 об\мин. Следовательно, нужно дополнительно ставить ременную передачу. Посчитаем какое передаточное число должно быть на шкивах, чтобы получить 11-14 об\мин. Для этого 50 оборотов разделим на 14, получим 3.57. Такое передаточное отношение немного большое для ременной передачи. Для одного ремня передаточное отношение должно быть не более 1:3 иначе ремень может проскальзывать, когда дровоколу попадутся особо твердые и сучковатые поленьях. Следовательно, нужен или более тихоходный двигатель или делать двух ручьевые шкивы и ставить два ремня. Так как такое отношение ненамного больше, чем 1:3, то можно оставить и так.
Рассчитаем диаметры шкивов. Шкив малого диаметра примем сами
за 150мм. Тогда шкив большего диаметра должен быть больше на необходимое нам
передаточное число.
То есть 150х3.57=535мм. Также чтобы снизить вероятность проскальзывания
ремня на малом шкиву, его диаметр нужно принимать как можно большим. То есть
шкив с диаметром 100мм имеет больше шансов на проскальзывание ремня, чем шкив с
диаметром 150мм. На больших диаметрах и ремни медленнее изнашиваться будут.
Проверим расчеты. 1500 об\мин делим на передаточное 3.57 получим 420об\мин на малом шкиве. Теперь 420об\мин делим на передаточное отношение редуктора 30 и получим 14об\мин.
Двигатель желательно выбирать мощностью от 3квт. Если двигатель слабый, то можно поставить на его вал маховик, с ним маломощный двигатель будет гораздо меньше останавливаться от нехватки крутящего момента в момент раскалывания сучковатых поленьев.
Для такого вида дровокола металлический каркас должен быть достаточно мощным, иначе есть вероятность отрыва редуктора от каркаса или деформации самого каркаса в момент большой нагрузки. Каркас лучше всего сделать из швеллеров №12 или аналогичного им металлопроката.
Нож дровокола желательно сделать из твердой закалённой стали, для этих целей хорошо подойдет пружинная сталь 65Г. Из этой стали делают плоские рессоры. Так, что если в хозяйстве есть кусок такой рессоры, то она идеально подойдет в качестве ножа.
В
ыбор длины кривошипаДлина кривошипа, а, следовательно, длина хода толкателя должны выбираться в зависимости от размеров поленьев. Например, поленья длиной примерно 40см. Ход толкателя выберем такой же, то есть 40см. Так как толкатель будет не доходить немного до ножа примерно 5 см, то максимально расстояние между толкателем и ножом получиться 5+40=45см. Длину кривошипа берем в 2 раза меньше хода толкателя, то есть 20см. Это будет расстояние по центрам валов. Длина кривошипа очень важна, так как чем меньше будет длина кривошипа, тем больше будет усилие на толкателе.
Техника безопасности при работе с дровоколом.Данный механизм довольно травмоопасный. Чтобы его сделать менее травмоопасным следует устанавливать аварийную кнопку отключения.
Желательно, чтобы данная кнопка была довольно большая и в виде гриба. Такую кнопку всегда легко нажать просто ударив по ней рукой. Если вы правша, тогда кнопку выключения следует делать под левой рукой, так как правая будет занято поленом. Вместо аварийной кнопки можно установить педаль, тогда для работы дровокола нога всегда должна держать нажатой педаль, а если ногу убрать, то он выключается.
При сборке дровокола на шатуне некоторые мастера допускают грубую ошибку. Они делают так, чтобы шатун подходил вплотную к ножу практически без зазора. Так делать нельзя. Нужно обязательно оставлять зазор минимум в 5см. Полено расколется в любом случае, даже если шатун будет немного не доходить до ножа, но зато в этом случае рука останется целая, если попадет между шатуном и ножом.
Электромеханический
реечный дровокол.
Данный механизм можно назвать одним из самых производительных. Его подвижный нож закреплен на зубчатой рейке, которую в движение приводит шестерня. В изготовлении он довольно сложен, так как требует таких деталей как зубчатая рейка, шестерня, маховик, но скорость его работы перекрывает все минусы изготовления. Рекомендую посмотреть видео о работе реечного дровокола и обзор его конструкции.
Рекомендую посмотреть видео о работе реечного дровокола.
Гидравлический дровокол своими руками чертежи (74 фото)
Чертеж морковки для конусного дровокола
Дровокол REDVERG Rd-LS 25-37e
Колуны гидравлические для колки дров
Устройство подкатного гидравлического домкрата 2 тонны схема
Дровокол гидравлический Добрыня-200 бензиновый
Приспособление для колки дров TPC 08001
Гидравлический дровокол мотор МП-90
Чертеж дровокола механического пружинного
Самодельный дровокол на т 40
Самодельный гидравлический дровокол (гидроколун)
Ручной пружинный дровокол чертеж
Дровокол винтовой конусный чертеж
Дровокол системы Самохвалова чертежи
Дровокол гидравлический самодельный 220
Дровокол гидравлический из цилиндра ц75
Дровокол механический пружинный «Лесобур»
Дровокол гидравлический самодельный чертежи
Приспособление для колки дров TPC 08001
Гидравлический дровокол вls525s
Реечный дровокол спринт
Дровокол двухвалковый мрд37
Дровокол из домкрата Жигули
Дровокольная установка предназначена
Чертеж морковки винтового колуна
Дровокол гидравлический Горыныч
Чертеж морковки для дровокола диаметр 80
Дровокол гидравлический самодельный 220
Гидравлический дровокол вls525s
Дровокол журавль
Гидравлический дровокол мотор МП-90
Колун маятниковый чертеж
Редукторный дровокол с уд2
Станок для нарезания резьбы при ремонте НКТ
Схема реечного дровокола
Дровокол на МТЗ 80
Дровокол механический пружинный «Лесобур»
Колун для дров механический чертеж
Гидравлический дровокол схема гидравлики
Дровокол Тайфун 480 схемы станка
Гидравлический дровокол вls525s
Дровокол bls525s гидравлический
Гидравлический дровокол вls525s
Зубчатая рейка модуль 1.
5 чертеж
Дровокол гидравлический самодельный уд 25
Схема реечного дровокола
Дровокол гидравлический схема гидросистемы
Чертеж отвала для мотоблока Нева МБ-2
Гидро колун для дров. На т25
Дровокол зверь м3
Схема картофелекопалки для мотоблока Нева
Адаптер передний ак1 чертежи
Гидравлический дровокол мотор МП-90
Дровокол гидравлический самодельный 220
Дровокол гидравлический схема гидросистемы
Дровокол двухвалковый мод. МРД-37
Дровокол гидравлический схема гидросистемы
Схема дровокола чемпион 5001
Fam500 дровокол
Дровокол механический с редуктором чертеж
Дровокол двухвалковый мрд37
Гидравлический дровокол схема гидравлики
Пилорама ленточная бензиновая чертеж
Champion lsh5001 комплектующие
Дровокол механический с редуктором чертеж
Дровокол двухвалковый мрд37
Чертеж редукторного дровокола
Дровокол Fest 370h
Дровокол гидравлический бензиновый двигателем чертежи
20 самодельных проектов дровокола: сделай сам легко
Опубликовано: · Изменено: автором Allison · Эта запись может содержать партнерские ссылки · Этот блог приносит доход от рекламы
Прочитав эту статью, вы узнаете, какие шаги можно применить с несколько простых материалов и инструментов, чтобы сделать дровокол для себя. Это довольно легко сделать, и этот DIY дает вам такую возможность.
Дровокол является важной частью подготовки дров для столяров или если вы просто хотите расколоть дрова для своего камина. Итак, без лишних слов, давайте погрузимся и посмотрим список доступных недорогих и очень простых идей для разделки бревен своими руками.
Содержание
1. Самодельный дровокол
Вот первый самодельный дровокол в этом списке. внимательно следуйте инструкциям. Большинство частей этого дровокольного станка были сняты со старого ржавого дворового трактора.
2. Дровокол своими руками из металлолома
Если у вас завалялся металлический лом, самое время использовать его для изготовления дровокола. Вам понадобится электрическая ручная пила для резки, измерительная лента и сварочный комплект для сварки металлических деталей.
3. Дровокол своими руками из арматуры
Этот дровокол очень легко сделать, вам понадобятся железные трубы, стальные листы, сварочный комплект, пила и некоторые другие материалы. Вам нужно иметь хорошие знания в области сварки, чтобы облегчить вам этот проект.
4. Мощный дровокол своими руками
Если у вас есть старый топор, возможно, не стоит его выбрасывать, из него можно сделать мощный дровокол за считанные часы.
Вам понадобятся металлические квадратные трубы, топор, большая металлическая круглая труба и сварочный комплект. Когда вы закончите процесс изготовления, лезвие топора будет обращено вверх, вы положите на него древесину и ударите по ней молотком, и древесина идеально расколется.
5. Дровокол «Единорог» своими руками
Это довольно сложный технический проект, для работы с которым требуется большой опыт. Во-первых, вам нужно сделать чертеж всех частей, которые будут установлены, чтобы заставить дровокол единорога работать. После нескольких шагов сборки и сварки тут и там весь дровокол похож на двигатель, вы запускаете его, и дровокол-единорог, как наконечник стрелы, отлично разделит древесину.
Щелкните для получения более подробной информации
6. Ручной дровокол своими руками
Человек эволюционировал от использования рук для колки дров. Вы можете купить дровокол в интернет-магазине или ознакомиться с этим руководством и собрать его самостоятельно.
Создатель этого руководства не смог найти полные планы, но вы можете проверить руководство и посмотреть ссылку на видео, где вы можете все посмотреть сами.
Щелкните для получения более подробной информации
7. Небольшой дровокол своими руками
Имея этот дровокол в своем доме, вы сможете расколоть много дров за считанные минуты. Это мощный дровокол, он мобильный и легко перемещается на шинах. Вам также понадобится старый баллон с пропаном.
Щелкните для получения более подробной информации
8. Строительство разделителя бревен
Этот проект довольно сложный, как и некоторые в этом списке, который включает в себя большое количество строительных и монтажных работ. Это один проект, который вы не хотите делать в одиночку. Следует учитывать масляный бак, металлическую балку, ось, насос и многое другое.
Нажмите, чтобы узнать подробнее
9. Сборка дровокола своими руками
Чтобы сделать этот дровокол, вам понадобится несколько вещей, таких как железный стержень, топор или головка ручного экскаватора, а также несколько других металлических деталей. Не забывайте о сварочной части этого проекта, если у вас нет опыта сварки, у вас могут возникнуть проблемы, но этому довольно легко научиться. Все вокруг проекта и шаги довольно просты.
10. Как сделать самодельный дровокол
Этот проект подойдет вам только в том случае, если у вас уже есть старый дровокол. Создатель нашел старый ржавый дровокол и решил отремонтировать его и превратить в новую улучшенную версию. С помощью этого процесса довольно легко создать его, но если у вас его нет и вам придется начинать с нуля, вы можете попробовать другое руководство.
11. Самодельный дровокол с четырьмя лезвиями
Создатель этого видеоурока решил сделать самодельный дровокол с четырьмя осями и несколькими стальными стержнями. Затем вам нужно вырезать ручки из топора, чтобы получить только лезвия топора, заточить их и приварить к металлическим прутьям. Остальные шаги просты, если вы привыкли к сварке.
12. Как сделать дровокол
Это довольно простой проект, дровокол, созданный автором этого видеоруководства, прост и легок в изготовлении. Во-первых, у него есть толстая деревянная основа, голова топора и металлическая рама, на которую будет опираться топор. Вы собираетесь приварить топор к металлической раме, а затем прикрутить металлическую раму к толстой деревянной основе. Этот дровокол крут и эффективен.
13. Винтовой дровокол своими руками
Это прочный винтовой дровокол.
Вам понадобится двигатель, пара металлических стержней и большая вращающаяся стрела для колки дров. Это удобный способ колки дров с легкостью и стилем. Разветвитель довольно легко построить с помощью сварки и сборки здесь и там.
Нажмите, чтобы узнать подробнее
14. Ножной дровокол своими руками
Создатель этого видеоруководства сделал этот дровокол из бутылочного домкрата и нескольких других вещей, которые ему удалось найти. Это ножной дровокол, это означает, что вы можете легко совместить ножную педаль, и головка топора расколет древесину довольно легко и эффективно. Он также довольно прочный, и его несложно построить.
Щелкните для получения более подробной информации
15. Как сделать дровокол с помощью гидравлического домкрата
Вот несколько вещей, которые вам понадобятся для этого проекта: гидравлический домкрат, гидравлические шланги, листовой металл, стальные хомуты. , стальные балки, однолопастной клин, колесики для передвижения, ацетиленовая горелка, сварочный комплект.
Его довольно легко построить, если правильно следовать процессу изготовления всего за 6 простых шагов.
Щелкните для получения более подробной информации
16. Как сделать разделитель бревен с домкратом
Вот материалы, которые вам понадобятся для изготовления этого разветвителя с помощью домкрата, во-первых, гидравлический автомобильный домкрат, ацетиленовая горелка, Т-образный угольник, сварочный аппарат на 140 ампер, стальная пластина ¾ дюйма и рулетка. . Честно говоря, это все, что вам нужно. Процесс изготовления очень прост, а шаги просты для выполнения.
Нажмите, чтобы узнать подробнее
17. Самодельный дровокол
Это массивный самодельный дровокол, он похож на тракторный дровокол. Чтобы построить что-то такое большое, требуется время и терпение, хотя создатель этого не делал. Я не покажу, как он сделал это с нуля, он просто упомянул несколько функций, чтобы показать вам, как это работает.
Вы должны быть экспертом, чтобы понять видеогид, и если вы это сделаете, это будет довольно дорого.
18. Мачете с самодельным дровоколом
Это простая идея дровокольного станка, не требующая серьезной сварки или строительства, просто прикрепите топор к прочному мачете, чтобы сделать его суперэффективным и эффективным в качестве бревна. сплиттер. Создатель купил свой мачете за 21 доллар, и до сих пор он работал довольно хорошо.
19. Дровокол своими руками Сборка
Этот дровокол — еще одно большое оборудование, которое очень эффективно расщепляет большое количество бревен. Вам понадобятся такие инструменты, как ленточная шлифовальная машина, плазменный резак, сварочный комплект, отрезная пила, сверлильный станок, ленточная пила, тиски и многое другое.
Вы будете использовать стальные квадратные трубы и другие металлические рамы, включая двигатель для этого дровокольного станка.
20. Разделитель бревен своими руками
Итак, для этого проекта создатель использовал стальную балку и различные стальные пластины стоимостью 35 долларов США, арматуру стоимостью 5 долларов США, пневматический 8-тонный пневмоцилиндр за 68 долларов США, две 10-дюймовые шины стоимостью 12 долларов США. , расщепляющий клин за 10 долларов, и все это стоило 130 долларов в сумме. Процесс изготовления довольно прост и даже понятен тем, у кого есть опыт.
Заключение
В общем, сделать дровокол своими руками гораздо интереснее и лучше. У вас есть полный контроль над механизмом и работой, и вы можете решить изменить и переделать любую часть во что угодно в будущем, когда технология продвинется вперед. Итак, спасибо за просмотр, и я надеюсь, что вы получили необходимые знания, чтобы сделать отличный дровокол дома, пока.
Схемы вертикального дровокольного станка, предназначенные для домашнего изготовления
Современные вертикальные дровокольные станки в большинстве случаев могут работать в любом вертикальное или горизонтальное положение. Поставив бревно в стойку положение на ножке сплиттера, после чего вы можете управлять принудительной натяжкой сплиттера. гидравлический цилиндр вдавливает и вклинивается в бревно для раскалывания.
Этот универсальный вариант удобен, хотя и не так хорош для использовать в горизонтальном положении в качестве горизонтальный делитель.
Вертикальный дровокол позволяет снизить трудоемкость подъем больших бревен.
Эта операция упрощается тем, что вы можете переворачивать бревна к и к ножке дровокольного станка для раскалывания.
Низкий Низкие цены!!!
Купить набор САПР Планы вертикального дровокольного станка уже сегодня!
Наши планы вертикального дровокольного станка включают полное изготовление и инструкции по сборке в том числе:
Вертикальные дровоколы Выберите свою модель тоннажа Всего $8,95 за штуку Схемы дровокола от 20 до 50 тонн Планы вертикального дровокольного станка Схемы разделителя бревен на 20 тонн Схемы дровокола 25 тонн Схемы разделителя бревен на 30 тонн Схемы разделителя бревен на 35 тонн Схемы разделителя бревен на 40 тонн Схемы дровокола 45 тонн Схемы разделителя бревен на 50 тонн планы в формате pdf доставляются на ваш адрес электронной почты PayPal. |
21 стр. pdf Схемы вертикального дровокольного станка
- Обзор плана
- Содержание
- Список материалов
- Список компонентов
- Обзор планов сборки
- Планы сборки Вид фасада
- Планы сборки с поворотом
- Схемы сборки Вертикальный вид
- Инструкции по изготовлению
- Схема гидравлической цепи
- Инструкции по сборке
- Вид с поворотом плана
Преимущество вертикальных дровокольных станков состоит в том, что рабочая зона прямо на земле.
Однако, если у вас больная спина, это будет недостатком, т.к. хорошо, так как вы будете проводить большую часть своего времени в наклоне или на своем колени перемещают дрова
При вертикальной системе бревна должны стоять вертикально, чтобы
клин раскола можно протолкнуть сквозь бревно, когда оно будет расколото
пополам или на четыре части в зависимости от вашего выбора клиньев для дровокольных станков
ты используешь.
Чаще всего вы найдете более легкое бревно для жилых помещений. сплиттеры представляют собой вертикальные блоки, в то время как сплиттеры коммерческого класса более обычно горизонтальные единицы.
Когда разветвитель наклонен в вертикальное положение, проще использовать при работе с бревнами большого диаметра, перекатывая их и с легкостью на опорную площадку сплиттера. Это, как правило, помогает мышцы спины сильно напрягаются, так как это снижает потребность в подъеме тяжелого бревна вверх на машину.
Советы: изготовление самодельного вертикального дровокольного станка
Вот несколько полезных советов, которые следует знать перед началом строительства на ваш самодельный дровокол, который поможет его работе выполнять с максимальной эффективностью.
- Первый, купите набор наших недорогих планов дровокола из выбора в правом столбце выше, чтобы у вас был надежный план атаки на этом проекте.
- Рекомендую использовать цилиндр двустороннего действия вместе с автоматическим
клапан управления циклом, который позволяет цилиндру автоматически втягиваться
при отпускании рычага регулирующего клапана.
Длина хода цилиндра
следует определить, приняв решение о максимальной длине бревна, которое вы
планирую разделить, плюс несколько сантиметров на «страховку». - Как и любая другая гидравлическая система, дровокол должен иметь предохранительный клапан для предотвращения повреждений. Это должно присутствовать по вашему выбору регулирующих клапанов. Установите предохранительный клапан в положение, он отключится как раз перед тем, как двигатель вот-вот заглохнет.
- В случае вертикальных блоков правильное исполнение заключается в том, чтобы поставить плита в нижней части вертикального двутавра. Это позволяет оператору накатить на него лог для разбивки.
- Всасывающий шланг, который проходит между бачком гидравлической жидкости и насос должен быть достаточно большого диаметра, чтобы перекачивать масло через эффективно.
- Обратная линия не должна выдерживать высокое давление и
поэтому не обязательно должно быть рассчитано на высокое давление для перемещения
жидкость.

- Гидравлический насос дровокольного станка должен быть объемным. типа и быть шестеренчатым или лопастным насосом.
- Лучше всего использовать чистое гидравлическое масло или двигатель без моющих средств. масла в вашей гидравлической системе, чтобы избежать проблем с коагуляцией в вашей гидравлическая система дровоколов.
- Соединения крепления цилиндра на обоих концах должны быть прочными. и прочный, так как они получают полную тоннажную силу, которую ваш сплиттер бревен производит.
- Убедитесь, что вентиляция гидравлического бака отсутствует. правильно.
- Скользящий раскалывающий клин должен работать плавно и свободно по двутавру, но и ехать достаточно плотно на балке, чтобы предотвратить ее заедание или заедание во время работы. Слишком много помоев позволит ему скручиваться и связываться.
- Выбранный вами нож-клин для колки может расколоть древесину пополам,
четверти или на шесть частей в зависимости от его дизайна.


