Электрика схема в квартире: Схема электропроводки в квартире | elesant.ru
Схема электропроводки в квартире | elesant.ru
Электрические схемы проводки в квартире
- Схема электропроводки квартиры
Здравствуй Уважаемый читатель! Схемы электропроводки в квартире являются основными документами для электрика. На основе схем электропроводки выполняются все работы по организации электропитания квартиры. Электрика в квартире должна выполняться в соответствии со схемами электропроводки, которые в свою очередь делаются в строго соответствии с нормативными документами.
Для электропроводки в квартире делается несколько различных схем электропроводки. Все они относятся к одному виду схем — электрические схемы, но различаются по типу. Каждый тип электрических схем имеет свою информационную нагрузку и, соответственно, различный внешний вид.
Типы электрических схем электропроводки в квартире
Все электрические схемы электропроводки отображают основные функциональные части проводки (розетки, светильники, автоматы защиты, УЗО и т.
п.) и основные взаимосвязи между ними.
К основным типам электрических схем электропроводки в квартире относятся:
- Структурная схема;
- Функциональная схема;
- Принципиальная схема;
- Расчетная схема;
- Монтажная схема (соединений).
На диаграмме ниже я отобразил типы электрических схем с небольшими примерами.
Разберем каждый тип электрических схем в отдельности.
Структурная схема электропроводки квартиры
Структурная схема электропроводки делается самой первой. На ней в виде прямоугольников иллюстрируются взаимосвязи между распределительным щитом, электрическим вводом в квартиру и всеми планируемыми электроприборами, которые в квартире будут установлены.
Графическое построение структурной схемы должно максимально полно отобразить все электрические взаимосвязи. Связи на структурной схеме желательно отобразить в виде стрелок. На всех элементах схемы нужно проставить их номиналы: мощность, напряжение, сила тока.
Все это нужно для функциональной электрической схемы квартиры.
Функциональная(принципиальная) схема электропроводки квартиры
В этой схеме электрические связи между элементами электропроводки и сами элементы иллюстрируются в виде специальных обозначений. Смотрите рисунок ниже. Здесь же представляю пример функциональной схемы электропроводки квартиры с заземлением и двумя УЗО(устройства защитного отключения)
Электромонтажная (Полная принципиальная) схема электропроводки квартиры
Это наиболее полный тип схемы электропроводки. На этой схеме обозначаются все электрические элементы (розетки, светильники и т.п.) и бытовые устройства (плита, джакузи, теплый пол, кондиционеры). Точно отображаются линии прокладки всех кабелей электропроводки. Расположение распаячных коробок, шин соединения на входах и выходах электрических цепей. Пример принципиальной схемы электропроводки смотрите ниже.
Однолинейная расчетная схема электропроводки квартиры
Очень важная схема электропроводки квартиры.
Делаются расчетные схемы для электрических квартирных щитков. На ней указываются все вводные автоматы защиты, автоматы защиты для отдельных групп электропроводки. Изображаются они специальными условными обозначениями. Также на расчетной схеме обозначаются все потребители и кабели электропроводок.
Все элементы схемы нанесены с расчетными номинальными характеристиками. Для автоматов защиты указываются ток срабатывания в Амперах. Для кабелей указывается количество жил, их сечение и марка. Например: кабель ВВГнг 3х2.5,обозначает кабель с тремя медными жилами в виниловой изоляции с сечением жил 2,5 квадратных миллиметра, причем изоляция нг-негорючая. Об электрических кабелях и их маркировках читайте отдельную статью на сайте.
На основе именно расчетной схемы покупаются материалы для выполнения работ по электрике. Также по расчетной схеме электропроводка квартиры разбивается на группы.
По расчетной схеме любой электрик может собрать электрический квартирный щит и поэтому в электропроекты квартир обычно не включают следующий тип электрической схемы.
Это монтажная схема или схема соединений.
Монтажная схема (схема соединений) электропроводки в квартире
Монтажная схема иллюстрирует все электрические соединения в квартире.
Делается она в виде подробной таблицы с указанием, от какого устройства и куда идет кабель, к какой клемме он подсоединяется и какие характеристики имеет. Для электропроектов квартир монтажные схемы делаются редко, В основном схемы соединений делаются для промышленных предприятий с большими распределительными щитами, а также для главного распределительного щита (ГРЩ) жилых домов.
Нормативные ссылки
- ГОСТ 2.701, Виды и типы схем
- ПУЭ (Правила Устройства Электроустановок) изд.7
- ГОСТ 2.702-75, Правила выполнения электрических схем
©Elesant.ru
Другие схемы электропроводки и электропроекты
мая 2012
- Схема электропроводки в квартире
июня 2012
- Электропроект частного двухэтажного дома, #1(36 листов).
PDF,DWG,Jpeg - Электропроект большой квартиры,№1.Посмотреть и скачать
- Электропроект частного двухэтажного дома, #1(36 листов).
октября 2012
- Условные обозначения на схемах, обозначение розеток, выключателей, оборудования
- Схемы освещения 3-х этажей трехэтажного частного дома
- Схема электропроводки этажа частного дома
- Схема электропроводки стандартной двухкомнатной квартиры
- Схема электропроводки однокомнатной квартиры
- Схема электропроводки круглой квартиры
- Схема размещения электрического оборудования в интерьере большой квартиры
- Схема освещения этажа частного дома
- Схема освещения 3-х комнатной квартиры с кухней
- Общая схема электропроводки четырех комнатной квартиры с кухней
- Новые схемы электропроводки
- Наглядная схема электропитания квартиры без отдельного защитного провода,TN-C
ноября 2012
- Схема квартирного электрощита с электропитанием 380 Вольт и защитным проводником
- Наглядная трехфазная схема вводно–распределительного щита частного дома
- Наглядная схема электрощита квартиры с реле напряжения
- Наглядная схема электропроводки стандартной квартиры
- Наглядная схема электропитания квартиры с заземлением
- Наглядная схема распределительного электрощита частного дома с ошибками зануления
- Наглядная схема распределительного щита квартиры при трехфазном электропитании без заземления
- Наглядная схема принципа работы устройства УЗО в системе TN-S
Статьи по теме
Групповая сеть квартиры и дома
Схема освещения 3-х комнатной квартиры с кухней
Наглядная схема распределительного электрощита частного дома.
..
Жилье в стиле лофт
Схема размещения электрического оборудования в интерьере бол…
Установка щитка распределительного навесного
Коллекторная схема водоснабжения
Типы электрических схем
Joomla SEF URLs by Artio
Свежие статьи
Машинная штукатурка стен — это быстро и выгодно 12 апреля 2023
Ламинат Кронотекс Робусто 05 апреля 2023
Межкомнатные двери скрытого монтажа 05 апреля 2023
Разрешение индивидуальных трудовых споров 31 марта 2023
Селекторная связь — раритет или эффективное средство связи 23 марта 2023
Свежие публикации
Ремонтно-строительная компания с многолетним опытом — Stroy House 19 января 2022
Энергоэффективность мансардных окон – что важно учитывать при выборе и установке 30 ноября 2021
Где и как купить электрический кабель: теория и практика 15 ноября 2021
Как найти утечки тепла в дома 19 сентября 2021
Изучаем химические насосы.
Какие? Зачем? Где? 13 сентября 2021
Популярные статьи
- Размеры стандартной ванной комнаты
- Электрические схемы подключения скважинного насоса
- Электроснабжение квартиры: граница эксплуатационной ответственности
- Условные обозначения на схемах, обозначение розеток, выключателей, оборудования
- Однофазная и трехфазная электрическая сеть
Коллекторная схема водоснабжения- Монтажные провода и кабели их назначение и описание org/Article»> Наглядная трехфазная схема вводно–распределительного щита частного дома
- Как подобрать кабель в электросети 0,4кВ: сечение и длина кабеля
- Вводной автомат. Расчет, выбор вводного автомата для квартиры
- Аксонометрическая схема водопровода
- Электропроект частного двухэтажного дома, #1(36 листов). PDF,DWG,Jpeg
- Спуск и крепление кабеля к опоре
- Особенности ввода электричества в деревянный дом
- Распределительные сети электрической энергии: характеристики, классификации и схемы org/Article»> Коллекторная разводка водопровода в доме — недостатки коллекторной схемы, о которых редко пишут
- Что такое дин-рейка в электромонтаже: типы и виды din-рейки
- ВРУ. Вводно-распределительное устройство дома
- Наглядная схема электрощита квартиры с реле напряжения
- Подключение СИП от магистрали до дома
Проводка в квартире
- Ремонт старой электропроводки
- Отличие групповых сетей от питающих и распределительных сетей электропроводки
- Силовые цепи квартиры
- Комплектация распределительного щитка, автоматы защиты, клеммы подключения
- Установка розетки и выключателя в едином блоке
- Как подобрать кабель в электросети 0,4кВ: сечение и длина кабеля
- Осветительные сети промышленных предприятий
Проводка в доме
- Электромонтаж в деревянном доме
- Арматура для СИП 2
- Подключение СИП от магистрали до дома
- Ввод кабеля из траншеи в дом
- Вводное устройство.
ВУ в частный дом - Электрический ввод в частный дом
- Монтаж глубинного заземлителя. Инструкция
Схемы
- Наглядная схема принципа работы устройства УЗО в системе TN-S
- Наглядная схема распределительного щита квартиры при трехфазном электропитании без заземления
- Наглядная схема распределительного электрощита частного дома с ошибками зануления
- Наглядная схема электропитания квартиры без отдельного защитного провода,TN-C
- Наглядная схема электропитания квартиры с заземлением
Водопровод квартиры
- Установка сборного бассейна на участке
- Индивидуальные приборы учёта расхода ресурсов
- Как правильно выбрать унитаз
- Замена водопроводных труб
- Особенности и виды бойлеров косвенного нагрева
- Установка санфаянса и мебели в ванной, советы практика
Водоснабжение дома
- Схема водопровода в доме своими руками
- Колодец из железобетонных колец
- Скважинный оголовок: что такое, как установить
- Цена на бурение скважины под воду
- Установка водомера (счетчика воды) частного дома: счетчик воды в частном доме
Вода на участке
- Автоматическая насосная станция
- Водопроводный ввод в частный дом: устройство ввода воды в частный дом
- Водоснабжение частного дома из скважины своими руками
- Выбор трубы для водоснабжения частного дома
- Еще раз о системе водоснабжения в доме
Электросхема квартиры | ehto.
ruАдмин.
Вступление
Электросхема квартиры должна делаться до проведения электромонтажных работ. Однако бывают ситуации, когда необходимо сделать схему уже готовой или старой электропроводки. По- хорошему, электросхема квартирной электропроводки должна быть в любой квартире. Это избавит от проблем при ремонте электропроводке, а также не приведет к повреждению проводов и короткому замыканию при сверлении стен квартиры.
Начнем знакомиться с электросхемой квартиры с вводной электрической цепи.
Вводная электрическая цепь
Под вводной электрической цепью понимаем, обеспечивающие подвод электропитания, учет расхода электроэнергии и защиту всей электропроводки квартиры. А именно, это
- Вводной автоматический выключатель, который защищает электропроводку квартиры от сверхтоков и перегрузки сети, а также выполняет роль механического расцепителя (выключателя) отключающего всю квартиру от электропитания;
- Счетчик учета расхода электроэнергии, а проще электросчетчик квартиры;
- Устройство защитного отключения (УЗО) для всей квартиры, номиналом 100 mA или 300 mA.
Отмечу, что УЗО на ввод электропитания ставятся не так уж давно и вполне возможно, что у вас такого УЗО нет.
Где расположена вводная электрическая цепь
Все перечисленные устройства вводной электрической цепи, находятся в водном или этажном электрощите. От этажного электрощита, питающий кабель прокладываются в квартиру, где разводится на групповые цепи, распределяясь по ним в квартирном электрощите или в распределительных коробках.
Электросхема вводной электрической цепи
В качестве примера вводной электроцепи квартиры приведу часть однолинейной расчетной схемы квартиры с трехфазным электропитанием. про однолинейную расчетную схему читайте статью: Как создается проект электроснабжения квартиры.
На схеме вы видите ее элементы:
- ВА S1E 29/3 -63: Это автоматический выключатель, с номинальным током 63 Ампера и селективной задержкой отключения.
- Меркурий 230 ART -50А: Это электросчетчик, рассчитанный на работу в сети с током 50 ампер, с учетом активной и реактивной составляющих, в трехфазных, четырех проводных сетях.

- УЗО ВАД 2 -32-4-100: Это четырехполюсной (цифра 4) выключатель автоматический с защитой от дифференциальных токов (дифференциальный автомат защиты), с рабочим током 32 Ампера и дифференциальным током отключения 100 миллиампер.
Все электротехнические устройства вводной электрической цепи смонтированы в электрическом щите ЭЩ УЭРМ. А это электрический щит, типа устройство этажное распределительное модульное, а по сути, это секция в этажном щите.
Конечно, у вас вводная электрическая цепь может быть другой, могут быть установлены другие электротехнические устройства, но принцип от этого не меняется, вводная электрическая цепь у вас есть или, по крайней мере, должна быть.
Передвигаемся к электросхеме квартиры
Электросхема квартиры – пример
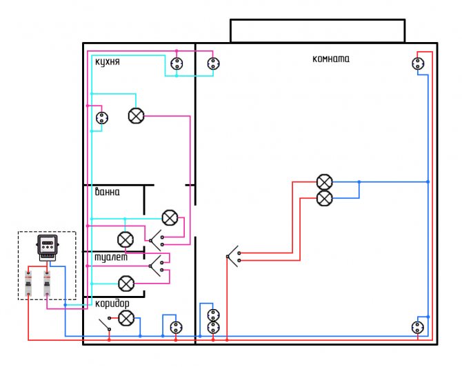
Для предметного разговора приведу пример электросхемы стандартной двухкомнатной квартиры. Я специально взял упрощенную электросхему квартиры, где на одном листе нанесены и схема освещения квартиры, и схема силовой сети (розетки).
Это стандартная квартира, если с кухней и двумя изолированными комнатами. Особенность электропроводки, а, следовательно, электросхемы квартиры, что в квартире есть квартирный щиток.
В квартирный электрощит устанавливаются автоматы защиты групп электропроводки и устройства защитного отключения для групповых цепей квартиры. Можно сказать и, наоборот, в квартирном щите вводное электропитание квартиры, распределяется по квартирной электропроводке, правда это не совсем корректно.
Некоторые элементы электросхемы квартиры
На электросхеме прекрасно представлены все элементы квартирной электропроводки:
1-Светильник;
2-Розетка;
3-Выключатель;
4- Распределительная коробка.
Данная схема не является полной в проектном плане. На электросхеме квартиры должны быть сделаны разъяснения по типу проводки, маркам проводов (кабелей) и способам электромонтажа. Также проектировщики делают свои пояснения. В качестве примера, покажу такую электросхему освещения квартиры с пояснениями.
Про распределительные коробки
Не могу, не остановиться на распределительных, иначе распаячные коробки, которыми наполнены наши квартиры. Такой тип разводки электропроводки называется распределительным. В коробку подводится электропитание группы (освещения и/или розеток) и распределяется по комнатам или по отдельным приборам комнаты.
Распределительные коробки могут монтироваться для групп освещения и для групп розеток, суммарной мощностью не более 2,5 кВт.
Приведу пример, самой простой распределительной коробки для новой запитывания новой розетки. Провода в коробке соединяются опрессовкой, разъемами WAGO или использовать любое доступное соединение проводов электропроводки.
На этом все! Электросхема квартиры разобрана.
©Ehto.ru
Другие статьи по теме
Электросхемывводный автомат, квартирная электрика, коробка для электропроводки, распределительный электрический щит сборка, цепь электрическая квартиры дома, электрический, электропитание, электропроводка описание, электросхема проводкисхемы электропроводки + как провести самому
Обязательной частью ремонтных работ в квартире является замена или установка электрокабеля, распределительных коробок, электрощитов.
Правильно подобранная схема подключения защитит жилье от аварий и непредвиденных ситуаций.
Расскажем, что нужно предусмотреть при самостоятельной замене или прокладке электрики. Здесь вы научитесь составлять схему и распределять электрические точки в однокомнатных, двух- и трехкомнатных квартирах. Следуя нашим рекомендациям, вы сможете обеспечить себя безотказно функционирующей энергосетью.
Содержание статьи:
- Отличительные черты современной электропроводки
- Зачем нужна электросхема?
- Разделение электропроводки на группы (линии)
- Стационарные бытовые приборы
- Выделенная линия для кухни
- Одна или несколько групп освещения?
- Влажные помещения
- Обзор электросхем жилых помещений
- Вариант №1: студия или студия
- Вариант №2: 2-х, 3-х комнатная квартира
- Выводы и полезное видео по теме
Отличительные черты современной электропроводки
Современные бытовые технологии в конце 20 века совершили ощутимый прорыв.
Помимо телевизоров, в домах появились компьютеры, системы безопасности и видеонаблюдения, мощная бытовая техника, беспроводная связь. В связи с этим значительно усложнилась разводка электрических кабелей, хотя принципы устройства не изменились.
Сложности начинаются с самого первого этапа — проектирования. Чтобы правильно составить схему электропроводки в квартире, нужно заранее знать примерную мощность бытовых электроприборов, их расположение. При этом нужно продумать систему освещения во всех комнатах.
Если не учитывать прокладку компьютерного кабеля и установку роутера для домашней сети, то в дальнейшем вы получите провода, висящие на стене или протянутые по полу. В лучшем случае их можно спрятать в плинтус или зашить в ящики
Помимо большого количества новых устройств появилось еще одно отличие: наряду с электросетью всегда присутствует слаботочная система, традиционно включающая в себя телефонные и телевизионные провода, а также компьютерное, охранное, акустическое оборудование и домофон .
Эти две системы (силовая и слаботочная) не могут быть разделены, так как все устройства питаются от сети 220 В.
Схема расположения слаботочной системы в квартире. Она включает в себя три сети: компьютерную, телефонную и телевизионную. Каждая сеть имеет свой кабель и оборудование.
Изменено количество одновременно работающих инструментов и кабелей. Если раньше было достаточно установить в зале одну люстру, то сейчас многие используют систему освещения, включающую, помимо люстры, точечные светильники и светильники.
К увеличению количества оборудования нужно добавить увеличение мощности — по этой причине старые кабели уже не подходят, а размеры электрораспределительного щита значительно выросли.
Зачем нужна электрическая схема?
Оказывается, устройство современной разводки электрики в квартире – это настоящее искусство, с которым может справиться только профессиональный электрик.
Если вы не хотите постоянно менять отделку стен, чтобы замаскировать то тут, то там кабели, рекомендуем сделать чертеж с обозначением всех значимых предметов, связанных с электричеством: розеток, выключателей, электрощитов, перед ремонтом квартиры или постройкой дома осветительные приборы.
Пример схемы, которую может зарисовать домовладелец. Обращается внимание на обозначение мест расположения всех электрических точек, начиная от электрощита и заканчивая розетками
Исходя из требований или пожеланий домовладельца, электрик составляет принципиальную схему электропроводки в квартире. Его задача — разделить тросы на группы, чтобы правильно распределить нагрузку, продумать систему управления и защиты и, в конечном счете, сделать все, чтобы гарантировать безопасность и комфорт.
Что необходимо учитывать при составлении схемы, чертежа, плана работ необходимого для грамотного ?
Рассмотрим электрическую сеть в разрезе составных частей:
- Устройства автоматической защиты , установленные в электрощите. От их качества и правильной установки зависит функционирование всего домашнего оборудования и безопасность пользователей.
- Кабель-провод нужного сечения и с хорошей изоляцией.
- Розетки и выключатели с качественными контактами, надежными корпусами.

В частных домах обязательным элементом является вводной автомат и силовой кабель от него до щитка. С помощью регулируйте потребляемую мощность и при необходимости отключайте все электричество в доме.
Примерная схема электропроводки в частном доме. Основное внимание следует уделить распределению мощностей по автоматическим выключателям и защите каждой выделенной линии
Электросчетчик обычно устанавливается на вводе, срезом после вводного автомата.
Разделение электропроводки на группы (линии)
Управлять и контролировать электросеть намного проще, если она разделена на несколько линий. В случае неисправности или аварийной ситуации вы можете отключить одну группу, при этом остальные будут функционировать в обычном режиме.
Возможность разделения на 4 группы:
Галерея изображений
Фото
Допустим, в городской квартире проложен отдельный силовой кабель для стиральной машины. Особенно это актуально для домов старой постройки со слабой электропроводкой, не выдерживающей сильной мощности.
На кухне обычно много техники, одновременное включение которой также требует прокладки силового кабеля подходящего сечения: плита, духовка, тостер, мультиварка, микроволновая печь, посудомоечная машина
Санузел один или две комнаты с повышенным уровнем влажности. Это необходимо учитывать как при монтаже системы освещения, так и при установке розеток, которые должны иметь соответствующую степень защиты
Поскольку в каждой комнате обычно имеется более одного светильника, рекомендуется устанавливать несколько отдельных групп. Например, разделить освещение зала (люстра, подсветка, 2 настольные лампы), спальни (2 бра, потолочные светильники) и детской комнаты (точечное освещение, ночник, настольная лампа)
1 группа — мощная бытовая техника
2 группа — кухонная линия
3 группа — ванная и туалет
4 группа — система освещения
Далее о каждой электрогруппе подробнее.
Стационарные бытовые приборы
Крупные бытовые приборы обычно располагаются в зоне кухни или ванной комнаты.
Схема расположения розеток на кухне. Правила: непосредственно за посудомоечной и стиральной машинами розетки не допускаются; лучше использовать водонепроницаемые модели (+)
Для ремонта необходимо отдельное подключение кухонной зоны. При выходе из строя одного из устройств требуется замена. Чтобы не отключать электричество во всей квартире, достаточно отключить одно устройство защиты, отвечающее за стационарное оборудование.
К сожалению, даже дорогая бытовая техника время от времени выходит из строя. Ремонт иногда затягивается на несколько часов. Отдельная группа питания поможет поддерживать комфортное пребывание на кухне и в других помещениях
Что мешает просто отключить сломанное устройство от сети, выдернув вилку из розетки? Дело в том, что при встроенном оборудовании точки подключения к электросети располагаются в труднодоступных местах.
Кроме того, неисправность может возникнуть не в самом устройстве, а в замаскированной в стене проводке.
В этом случае перемещать рычаг автоматического выключателя намного проще.
Выделенная линия для кухни
Кухонная линия традиционно самая загруженная. К сети постоянно подключено около 5-6 единиц, даже если они не задействованы. Это относится к холодильнику, духовке, плите, посудомоечной машине, вытяжке, микроволновой печи, тостеру. Многие пользуются кухонным электрогрилем, мясорубкой, хлебопечкой, мультиваркой и т. д.
Схема электропроводки кухни, разделенная на 4 группы. В распределительном щите установлены отдельные автоматы для мощной бытовой техники
В этом случае отдельный мощный электрический кабель просто даст возможность использовать сразу несколько устройств.
Если на общей проводке «повиснут» осветительные приборы или водонагреватель, то при включении очередного прибора сеть просто не выдержит и сработает автоматическое отключение.
Подробный разбор схем и вариантов расположения приведен в статье, которую мы рекомендуем прочитать.
Одна или несколько групп освещения?
Учитывая количество светильников в каждой комнате, можно сделать одну или несколько линий. Если в зале одна шестирожковая люстра, а в спальне маломощное верхнее освещение и два бра, то все приборы можно объединить в одну линию.
Однако если гостиная напоминает зал для дискотеки — с люстрами, точечными светильниками, потолочными и настенными светильниками — то только для нее следует организовать отдельную группу.
Схема подключения точечных или галогенных светильников 220 В для одной комнаты, например, для кухни, детской комнаты или прихожей
Если, кроме светильников, в сеть одной комнаты включены трансформаторы или блоки питания, то также рекомендуется подключить его к отдельному защитному устройству.
Влажные помещения
К электроприборам и кабелю в ванной комнате предъявляются повышенные требования, так как непосредственная близость воды представляет опасность. Чтобы электросеть была безопасной и функциональной, при составлении схемы и монтаже проводки необходимо учитывать ряд правил:
Фотогалерея
Фото
Распределительная коробка должна быть установлена вне ванной комнаты — в коридоре, холле или прихожей электробритвы) необходимо выделить отдельную розетку
Независимо от размера ванной комнаты выключатель всегда устанавливается снаружи.
Лучшее место возле входной двери.
Электрокабель рекомендуется прокладывать в верхней части стены, под самим потолком, располагая линии параллельно полу и используя изолирующий рукав
Правило 1. Установка распределительной коробки
Правило 2. Установка розеток для электроприборов
Правило 3. Место установки автоматического выключателя
Правило 4. Способ подключения вам придется пользоваться регулярно — розетками и выключателями. Предположим, что степень защиты розеток должна быть не ниже IP 44, а еще лучше приобрести специальные устройства с брызгозащитным кожухом.
Рекомендуется отказаться от светильников на 220 В в пользу аналогов на 12 В.
Для установки розеток в ванной комнате вполне подойдет трехжильный медный провод, но следует обратить внимание на сечение: для подключения обычных устройств оно должно быть не менее 2,5 мм², для мощного электрооборудования – 4 мм². Бытовой вариант — ВВГнг
Если в старом жилье в квартирном щитке не предусмотрено заземление, то не только в санузле, но и по всей квартире электропроводку придется заменить на трехпроводную.
С правилами выбора Для обустройства ванных комнат и туалетов предлагаем ознакомиться со статьей по этим вопросам.
Обзор схем электропроводки жилых помещений
Перейдем к конкретным схемам, которые можно применить в процессе планирования электропроводки в собственной комнате. При составлении чертежа важно учитывать расположение и мощность стационарного оборудования, условия использования электроприборов, удобное для пользования размещение розеток и выключателей.
Вариант №1: студия или студия
Отличительной чертой однокомнатного жилья является минимальное, по сравнению с другими вариантами, количество электроприборов, соответственно образуется меньшее количество подключаемых линий. Но это не значит, что для кухни или ванной не нужно планировать отдельные группы — лучше сохранить общие принципы.
Вариант схемы электропроводки для 1-комнатной квартиры с учетом того, что в каждой комнате планируется установка одного осветительного прибора
Рассмотрим, что обязательно нужно сделать при составлении схемы электропроводки в однокомнатной квартире:
- выбрать основные параметры электрической сети;
- рассчитать нагрузку, подобрать кабель и УЗО;
- выбрать схему подключения (1 или несколько групп).

Решив эти вопросы, составить схему станет намного проще.
Параметры электросети
Заранее решить, какие приборы будут установлены во всей квартире, сложно, однако необходимо хотя бы приблизительное их количество, чтобы правильно рассчитать общую мощность.
Важно определить их расположение, так как использование удлинителей и фильтров в дальнейшем создаст дополнительные проблемы для сети и испортит дизайн интерьера.
При выборе мест для установки розеток и выключателей вспоминаем требования ПУЭ: рекомендуемая высота от пола для установки розеток 0,3-1,8 м, выключателей — 0,6-0,9 м. Ориентируемся на удобство использования
Также важно выбрать способ прокладки кабеля — открытый или закрытый. предполагает прокладку проводов поверх декоративных стен. При этом чаще всего проводку закрывают пластиковыми коробами, но в некоторых случаях оставляют на виду.
Прокладка проводов в открытом виде даже приветствуется, если дизайн интерьера выполнен в стиле лофт или кантри: стилизованные винтажные розетки и видимые провода являются частью декора
Преимущества открытой проводки:
- возможность установка после или во время ремонтных работ;
- быстрая установка;
- Вы можете подключить другую линию в любое время.

При монтаже скрытой проводки придется штробить стены, чтобы все провода были замаскированы под отделку. С подвесными конструкциями проще: шланги системы освещения можно спрятать над натяжным покрытием или коробом из гипсокартона.
Скрытая проводка имеет несколько плюсов, но они более существенны:
- к параметрам и условиям монтажа предъявляются не столь жесткие требования;
- допуски на номинально допустимые токи увеличиваются;
- внутренняя целостность сохранена.
Традиционно в новых квартирах используют скрытую проводку, а открытый способ применяют только в виде исключения (например, при прокладке новой линии в уже отремонтированной квартире).
Расчет электрической нагрузки
Для расчета суммарной нагрузки электроприборов необходимо знать номинальную мощность электроприемников, номинальный ток и напряжение сети. Формул расчета много, но лучше пользоваться готовыми таблицами.
Таблица потребляемой мощности наиболее распространенных бытовых электроприборов, которыми пользуются жители квартир.
Значения усредненные, поэтому для точного расчета необходимо знать характеристики устройств (+)
Мы рекомендуем вам связаться с инженером или использовать компьютерную программу для расчета точной нагрузки, потому что это зависит от результата.
При выборе сечения кабеля необходимо учитывать не только материал проводки (медь или алюминий), но и способ прокладки (открытая или закрытая), так как закрытая проводка имеет меньшую теплопроводность, поэтому ток тоже меньше (+)
По правилам, если внутриквартирные сети разбиты на группы, то каждая отдельная линия должна быть оборудована автоматом на 25 А. Поэтому при разбивке на группы учитываем общий номинальный ток (не более 25 А).
Есть исключения: например, для сетей освещения достаточно устройства защиты на 16 А, но при условии, что в группу входит не более 20 розеток и светильников одновременно.
Какая схема подключения лучше?
Для однокомнатной квартиры возможны два варианта: питание от одной группы и питание от нескольких групп.
Первый вариант в современных условиях практически не применим хотя бы потому, что для использования даже одного мощного бытового прибора (например, стиральной машины) нужна отдельная линия с устройством защиты.
Такие схемы могут существовать в квартирах старого жилого сектора, которые не ремонтировались много лет, или в загородном доме, где нет мощного электрооборудования. Получается, что даже для установки электрики в однокомнатной квартире необходимо разделение на группы.
Примерная схема подключения электрических точек в группы. Для кухни предусмотрено целых три группы, обслуживающие электрическую плиту, мелкую бытовую технику и осветительную сеть
Данная схема применима практически к любому типу жилья, но точек подключения соответственно и линий будет больше в 2-х и 3-х комнатных квартирах.
Вариант №2: 2-х, 3-х комнатная квартира
Принципиально электропроводка не зависит от количества комнат, но есть ряд особенностей, которые необходимо учитывать:
- розетка лучше разделены на несколько групп – по количеству комнат;
- систему освещения также необходимо разделить на помещения;
- для кухни следует выделить не менее трех линий – для осветительных приборов, мощной техники и мелкой бытовой техники;
- если санузел раздельный, то лучше использовать разделение на 2 группы.

Учитывая, что для элитного жилья характерна большая площадь квартир, в схемы электропроводки включается охранное оборудование.
Примерная схема установки средств защиты для квартиры с двумя комнатами. Предполагается, что помимо розеток и групп освещения в квартире есть система видеонаблюдения и охранная сигнализация
Если проектированием и монтажом занимаются специалисты, то у вас должна быть схема в конце работы — на случай ремонта или непредвиденной ситуации.
Схема установки розеток и осветительных приборов в трехкомнатной квартире. При составлении схемы электропроводки многокомнатных квартир лучше использовать несколько чертежей, так как в одном трудно обозначить все группы, в том числе слаботочные
По разработанной схеме прокладки линий электропередач и установки электроточек , можно смело производить установку. Желательно во время работы избегать изменений запланированной проводки. Однако при наличии в них необходимости корректировку схемы необходимо производить с учетом вышеизложенных правил.
Составление необходимо указать вводное электрооборудование и параметры кабеля из группы ввода.
Выводы и полезное видео по теме
Схему электропроводки можно составить в виде чертежа, выполненного от руки, либо с помощью компьютерной программы. Пример электропроводки по квартире в трехмерном компьютерном изображении:
Профессиональные советы практиков:
Тонкости различных видов подключения розеток и выключателей:
Провести электросеть в квартире, защитив все приборы и правильно распределив нагрузку, то можно при одном условии — если вы квалифицированный электрик.
Работать с распределительным щитом без специального разрешения нельзя. Следовательно, поменять розетку или подключить вытяжку можно самостоятельно, а более серьезные работы лучше поручить специалистам.
Хотите поделиться личным опытом составления схемы модернизации или ремонта ЛЭП в квартире? Есть вопросы или ценные предложения? Пожалуйста, пишите комментарии в блоке ниже.
Электропроводка в квартире своими руками
Если вы покупаете квартиру в старом доме или в новостройке, там уже будет проведено электричество и подключены розетки с выключателями. И до покупки недвижимости вы никак не можете повлиять на их расположение. Но как только вы стали домовладельцем, вы имеете право переделать проводку в квартире своими руками совсем по-другому. Конечно, это долгий, сложный и финансово затратный процесс. Пытаясь как-то сэкономить, многие задаются вопросом – а можно ли сделать всю электрическую часть в новом жилье самостоятельно? В реальности, если не лень, хорошо учился в школе, дружишь с физикой и электротехникой. Так что актуальна сегодня наша тема — электропроводка в квартире своими руками. Вам поможет пошаговая инструкция от составления схемы до монтажа проводов.
Содержание
- Начало всех работ — схема
- Составление схемы
- Необходимые материалы
- Щит распределительный
- Какие щиты есть?
- Чем оснащен щит?
- Нагрузка в квартиру
- Монтаж электропроводки
- Подготовительный этап
- Открытая проводка
- Скрытая проводка
- Завершающий этап
Начало всех работ — схема
Этот раздел я хотел бы начать с аналогии.
Что является основой для хорошего, надежного дома? Фундамент, конечно. Итак, своеобразным фундаментом надежного и качественного электроснабжения является грамотно составленная схема электропроводки в квартире. Многие люди совершенно напрасно этим пренебрегают и на это есть веские причины:
- Во-первых, монтаж электропроводки в квартире будет для вас намного проще, когда на схеме показан практически окончательный результат. Согласитесь, довольно редко на первом этапе ремонта люди могут представить, что будет в итоге. А с электрической схемой это возможно, ведь на ней будут отображаться все коммутационные аппараты, элементы освещения и стационарные бытовые приборы.
- Во-вторых, схема электропроводки в квартире поможет вам составить четкий план выполнения работ — с чего начать проводку, в каком направлении двигаться, что оставить на завершающий этап.
- В-третьих, имея готовую схему расположения электроэлементов в квартире, вы легко сможете определить количество материалов — розетки, выключатели, распределительные коробки, подрозетники, провода, кабели.

- И самое главное, когда монтажные и ремонтные работы уже завершены, у вас будет схема электропроводки в квартире. Не выбрасывайте его ни при каких обстоятельствах. Если вам нужно просверлить где-то в стене отверстие для картины или фоторамки, вы вытащите схему и посмотрите, как проходит путь проводов, чтобы не наткнуться и не повредить токопроводящую жилу. Также многие иногда клеят распределительные коробки обоями, чтобы не портить внешний вид помещения. На самом деле этого делать нельзя, но если он уже запаян, всегда можно посмотреть на схеме, где находится коробка. Если вам нужно немного поработать, отрежьте кусок обоев, получите доступ к коробке, а затем снова приклейте ее.
Надеемся, мы доступно и доступно объяснили вам, что все в мире электрики всегда должно начинаться со схемы. Теперь немного подробнее о том, как правильно его составить и что на нем должно отображаться.
Составление схемы
Перед составлением схемы необходимо собраться всей семьей и хорошо продумать, где в вашей квартире будут располагаться основные потребители электрической энергии:
- кондиционеры;
- электрические плиты и духовки;
- Шайба;
- холодильник и морозильник;
- посудомоечная машина, микроволновая печь;
- вытяжная принудительная вентиляция;
- котлы системы отопления или водонагреватели.

Также немаловажную роль играет расстановка мебели, особенно крупногабаритной. Чтобы потом не получилось так — ремонт закончен, мебель расставлена, а розетка за шкафом, который уже много лет обосновался на этом месте. И тогда придется прибегнуть к помощи носителей, только раньше хоть под ковры можно было провода прятать, а сейчас это не модно, все паркет и ламинат. Поэтому уделите этому вопросу особое внимание.
план квартиры (нажмите для увеличения)
Затем возьмите бумагу (желательно в коробке), карандаш (желательно несколько разноцветных), линейку. Начертите в двух экземплярах на бумаге план своей квартиры с дверными и оконными проемами, для удобства возьмите технический паспорт и перенесите чертеж оттуда. Присвойте каждой комнате порядковый номер, например, если у вас есть схема электропроводки в однокомнатной квартире, пусть она будет выглядеть так:
- Коридор (прихожая, холл).
- Ванная комната.
- Кухня.
- Холл (гостиная).

Если комнат больше, соответственно можно продолжить дальнейшую нумерацию — спальня, детская, спортзал, также нужно учитывать кладовую, лоджию (если вы собираетесь разводить освещение и там ) и т. д.
Теперь схематично изобразите стационарную бытовую технику и мебель (в виде квадратов и прямоугольников) на одном чертеже. Бытовая техника может быть отмечена красным цветом, а мебель серым. На втором чертеже отметьте места установки коммутационных аппаратов. То есть там, где на первом чертеже у вас указаны бытовые приборы, на втором в этих местах будут розетки.
Таким же образом на первом чертеже (где техника и мебель) желтым цветом нарисуйте крестики в местах установки светильников, бра, торшеров, люстр. Здесь вам будет удобно видеть — где кровать, там значит и прикроватная лампа; где стоит диван или кресла, значит бра, под которыми можно читать и т.д. Потом все эти лампочки перевести в электрическую цепь. При этом продумайте и отметьте места установки выключателей.
Представьте в уме, в какую сторону будут открываться ваши межкомнатные двери, чтобы потом за ними не оказались выключатели.
Определитесь сразу, возможно в каком-то месте вам нужно установить блок розеток (чаще всего это делается на рабочей панели кухни), будет ли у вас групповое освещение или многорожковая люстра в основной комнате, тогда вам понадобится двухкнопочный переключатель.
Отметьте на схеме место, где будет располагаться вводной распределительный щит на квартиру.
Примеры того, как правильно составить схему вроде бы имеются, надеемся, что у вас не возникнет с этим сложностей. Теперь разберемся с количеством материалов.
Необходимые материалы
Рассчитать необходимое количество выключателей и розеток по составленным схемам. Не забывайте, что для каждого из этих коммутационных устройств вам понадобится подрозетник, если вы планируете прокладывать в квартире скрытую электропроводку. Также посчитайте, сколько соединительных коробок вам нужно.
Для расчета количества проводов лучше всего коммутационные аппараты и распределительные коробки, намеченные на схеме, перенести на реальные стены. Затем разметьте стены, то есть в прямом смысле этого слова, проведите между ними дорожки проводов, измерьте все рулеткой и посчитайте общее количество. Учтите, что проводка в квартире выполняется строго по вертикали и горизонтали, косых поворотов быть не должно.
Хочу дать один совет. Если электропроводка делается полностью с нуля в трехкомнатной квартире площадью около 60-70 м 2 , то провод лучше покупать целым заводским бухтом, в котором 100 м. В магазинах , это считается оптом и на него будет скидка 10%, а если вы купите 98 м, то это не опт, скидки не будет, но вы возьмете на 2 м больше и сильно сэкономите.
По опыту профессиональных электриков, для электромонтажа квартиры из трех комнат приобретите 100 м трехжильного провода сечением 1,5 мм 2 (это будет прокладка проводки освещения в квартире) и 100 м трехжильного провода сечением 2,5 мм 2 для питания розеток.
Мощные электроприборы, такие как водонагреватель или варочная панель, обычно запитываются отдельной линией от вводного распределительного щита через отдельный автомат. Для них лучше проложить трехжильный провод сечением 4-6 мм 2 .
Еще один важный нюанс, не забудьте посчитать провод с запасом на разделку жил в местах стыков и соединений коммутационных аппаратов. Принято оставлять запас провода для розеток, выключателей, светильников не менее 20 см. Если вы планируете в будущем опустить потолки, то увеличьте запас провода для светильников до 50 см. Также оставьте запас провода около 50 см для сборки распределительного щита.
Щит распределительный
Электропроводка своими руками в любой квартире начинается от распределительного щита. Какой он? Это своего рода короб, в котором монтируется электросчетчик и вся защитная автоматика.
Какие щиты есть?
Эта коробка изготовлена из металла или пластика. Каждый вариант имеет свои преимущества.
Пластиковый щит более практичен, так как мало весит, к тому же выглядит привлекательно и эстетично. Металлический ящик прочный и надежный.
По способу крепления щиты бывают наружного и внутреннего исполнения. Наружный щит (его еще называют накладной) навешивается на стену с помощью саморезов или дюбель-гвоздей. Это значительно облегчает монтажные работы, но в то же время такой тип щита занимает свободное место в помещении. Внутренний или встроенный люк требует установки специальной ниши в стене, но при этом не занимает свободного места в помещении.
Чем оснащен щит?
Что еще нужно для установки распределительного щита, кроме самой коробки:
- Вводный автомат, защищает всю квартирную сеть, отключая при необходимости, к нему подходит питающий кабель для квартиры.
- DIN-рейка представляет собой специальную металлическую пластину, на которую крепится вся автоматика.
- Счетчик электроэнергии, после выполнения всех монтажных работ необходимо будет пригласить представителя энергосбытовой компании для опломбировки счетчика.

- Шины PE и N, на которые будут подсоединены все нулевые и заземляющие проводники.
- Автоматические выключатели, защитят определенную группу токоприемников от короткого замыкания путем срабатывания при перегрузке по току. Также с помощью автоматов можно будет принудительно отключить ту или иную линию от общей сети при необходимости.
- Устройства защитного отключения (УЗО), не монтируются самостоятельно, а подключаются после автоматических выключателей. УЗО выполняет защитную функцию, если корпус какого-либо электрооборудования находится под напряжением. В такой ситуации УЗО защищает человека от возможного поражения электрическим током. Можно использовать комбинированный вариант, в состав которого входят автомат и УЗО – дифференциальные автоматы.
- Соединительные провода или распределительные гребенки.
Для определения количества машин необходимо рассчитать и распределить нагрузку по квартире.
Нагрузка в квартире
Современная электрика в квартире включает в себя огромное количество различных потребителей электроэнергии.
Согласитесь, наши дома буквально напичканы бытовой техникой. Нормами и правилами рекомендуется перед прокладкой проводки в квартире отделить осветительную сеть и линию розеток от разных автоматов. Но с учетом текущей нагрузки на квартирную сеть, посадить все бытовые приборы на одну линию невозможно. Целесообразно все равномерно распределить на несколько цепей с питанием от отдельных автоматов.
Это разделение имеет большое практическое значение. Представьте, что в квартире повреждена электропроводка. Своими руками, не вызывая электрика, вы решили разобраться, найти причину и устранить ее. Если каждая линия имеет свою защиту, можно легко найти причину аварийной ситуации (определить по отключенному положению автомата). И пока вы будете устранять поломку на этой линии, все остальные потребители не останутся обесточенными, то есть холодильник будет продолжать охлаждать, а стиральная машина будет стирать.
Рекомендуется выбирать машины следующей мощности:
- на осветительную нагрузку — 10 А;
- для розеток — 16 А;
- для подключения бытовых приборов до 4,5 кВт — 20 А;
- для входа в квартиру — 50 А.

Как разделить общую нагрузку квартир на группы?
Во-первых, все мощные потребители электроэнергии целесообразно снабжать отдельной линией (стиральная машина, водонагреватель, посудомоечная машина, варочная и электрическая духовка, кондиционеры).
Во-вторых, хорошо бы розетки каждой комнаты сделать отдельными группами (детская, взрослая спальня, холл, кабинет). Если это не получится, то в любом случае кухонные розетки должны быть запитаны через отдельную линию и автомат, ведь именно на кухне находится самая мощная бытовая техника (пекарня, микроволновая печь, кофеварка, эл. чайник, кухонный комбайн, блендер и др.)
Электроснабжение санузла должно осуществляться отдельной группой, так как оно относится к опасному с точки зрения электробезопасности помещению (так называемая «мокрая» группа).
Освещение квартиры выделяется в отдельную группу, но будет гораздо удобнее, если освещение каждой комнаты будет разделено на группы.
Количество необходимых автоматов и УЗО будет зависеть от того, как вы сгруппируете всю нагрузку своей квартиры.
Монтаж электропроводки
Осталось определиться, какой тип электропроводки выбрать для своей квартиры. Сегодня есть два пути:
- Открыть. Это когда все жилы будут проходить по стеновым поверхностям, их закрепляют в пластиковых кабель-каналах (или коробах). Такая прокладка требует гораздо меньших материальных затрат и физических усилий, но есть один существенный недостаток – внешний вид помещения не совсем эстетичен. Исключение составляет прокладка специального кабеля через фарфоровые изоляторы, когда дизайн квартиры выполнен в стиле ретро, сейчас это очень модно и набирает популярность.
- Скрыто. При этом способе провода укладываются в специальные пазы на стеновых поверхностях (в канавки). Для шлифовки нужны специальные приспособления, процесс трудоемкий, отнимает много сил и времени. Но все направляющие будут скрыты.

Подготовительный этап
По вашему проекту разметьте дорожки для проводов на стенах. Чтобы все получилось идеально ровно, сделайте это с помощью лазерного уровня или натянутого шнура. В дашборде есть счетчик, а после него машины по группам нагрузки. От этих автоматов провода должны прийти в первую распределительную коробку, а оттуда уже должны разойтись по всем остальным комнатам и комнатам. На входе в каждую комнату должна быть установлена своя распределительная коробка.
Разметить на стенах места расположения розеток, выключателей, распределительных коробок.
При открытом способе укладки есть один нюанс – стены должны быть идеально ровными, чтобы пластиковые ящики легли на поверхность стены без перекосов. В случае укладки на фарфоровые изоляторы в этом нет необходимости, незначительная кривизна стен будет не так заметна.
Для скрытого варианта необходимо сделать канавки по отмеченным линиям с помощью штробореза или болгарки.
Можно использовать перфоратор, но тогда штробы не получатся такими идеально ровными. Ударная дрель подойдет для монтажа отверстий под коробки и подрозетники, только понадобится специальная насадка – резец (коронка) по бетону. Если такого инструмента у вас нет, купить его будет очень дорого, попробуйте взять его в аренду.
Открытая проводка
- Разрежьте пластиковые коробки по отмеченным линиям. Для этого используйте строительный нож или ножовку.
- Прикрепите ящики к поверхностям стен. Не рекомендуем использовать клей или двусторонний скотч, такая фиксация продержится недолго. Закрепить ящики лучше всего дюбелями и шурупами.
- Поместите проводники в коробки и закройте крышки. Концы проводов оставлены ведущими к распределительным коробкам и коммутационным аппаратам.
Скрытая проводка
- Очистить подготовленные канавки от пыли; это можно сделать обычным веником или пылесосом.
- Прокладывайте провода в канавках, предварительно их рекомендуется размещать в гофрированных трубах из негорючих материалов.


PDF,DWG,Jpeg
ВУ в частный дом
Отмечу, что УЗО на ввод электропитания ставятся не так уж давно и вполне возможно, что у вас такого УЗО нет.










