Лесозахват своими руками: Захват для бревен, лесозахват на фронтальные погрузчики
Захват для бревен, лесозахват на фронтальные погрузчики
Захват для бревен, лесозахват на фронтальные погрузчикиГлавная \ Оборудование для фронтальных погрузчиков \ Лесозахват для фронтального погрузчика.
Фронтальный лесозахват повысит эффективность при лесозаготовках и переработке леса На тематических форумах представлено много советов по сборке бревнозахвата для погрузчика своими руками. Для этого понадобится схема и чертежи, запасные части (захваты, корпус, подвес и др.), килограмм опыта и терпения. В конечном итоге может оказаться, что фронтальный лесозахват недостаточно фиксирует груз либо тяговой силы вообще не хватает для подъема. Да и вообще «подуставший» вид навесного оборудования на технике врядли вдохновит новых заказчиков для сотрудничества. Если цены на европейские модели повергают в ступор, но купить челюстной захват необходимо в обязательном порядке, предлагаем навесное оборудование собственного производства по доступным ценам. Несколько причин, по которым приобретение будет выгодным
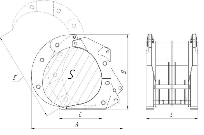
Купить захват для бревен можно для загрузки/разгрузки бревен в штабеля или кузов автомобиля; при транспортировке бревен, труб к объекту; демонтажных или строительных работах; для трелевки леса. В нашем каталоге представлено навесное оборудование для работ: общего назначения, с габаритными лесозаготовками, сортировочными. Компания «ДСТКОМ» предлагает бревнозахваты собственного производства для фронтальных погрузчиков любых марок: Hyundai, Doosan, Komatsu, Hitachi, JCB, Volvo, Caterpillar, SDLG, XGMA и др. Технические характеристики бревнозахватов
Как работают наши специалисты? Цена на бревнозахват варьируется от нескольких показателей:
Именно поэтому мы не можем указать точные цены, но будьте уверены, наши специалисты подберут самый доступный вариант для вашей техники. Вы получаете гарантию сроком от 6-ти месяцев. |
Заказать звонок
Закажите звонок или коммерческое предложение, заполнив специальную форму. Это займет не более 1 минуты.
Заказать звонок
Осуществляем отгрузку запчастей и оборудования в любые города РФ: Краснодар, Иркутск, Уфа, Воронеж, Екатеринбург, Чита, Барнаул, Белореченск, Нижний Новгород, Оренбург, Владимир, Новосибирск, Иваново, Салехард, Великий Новгород, Хабаровск, Ульяновск, Кострома, Санкт-Петербург, Петрозаводск, Тверь, Челябинск, Пермь, Пенза, Махачкала, Тюмень, Сыктывкар, Курган, Липецк, Черкесск, Волгоград, Саратов, Астрахань, Рязань, Брянск, Казань, Вологда, Киров, Белгород, Орёл, Красноярск, Ростов-на-Дону, Тула, Смоленск, Томск, Воронеж, Сургут, Тамбов, Севастополь, Кемерово, Вологда, Омск и др.
ПРОИЗВОЛ в Крымске (из первых рук — телефонного звонка)
- lucca37
- July 8th, 2012
В Крымске ночью спустили 4 шлюза.
Погибших на 23,00 свыше 300 человек, пропавших без вести 200 человек. Люди спасаются на крышах домов! Еды и воды НЕТ!!! МЧС на вертушках крутится над городом и ОТКАЗЫВАЕТ в помощи жителям, не говоря о том, чтобы вызвать подкрепление на помощь! Людей из города не выпускают, в город ни кого не впускают! Трупы и машины плавают по улицам!
На вопли о помощи, МЧС не реагирует и ИГНОРИРУЕТ!!! под предлогом — МЫ НЕ В ПРАВЕ РАСПРОСТРАНЯТЬ ИНФОРМАЦИЮ!
Это блять как называется??? Это блять что вообще творится???
PS : пост провисевший 3 часа — от очевидца на месте трагедии
Yulia Andropova Крымск принял весь удар на себя! Что случилось сегодня ночью это что-то невообразимое. Крымск смыт с лица земли. Самое страшное, что это произошло ночью, люди во сне затонули целыми семьями, не просыпаясь. ![]() |
PS : только что созванивались с Виталей : МАГНИТовские авто-рефрижираторы ездят по улицам, собирают трупы прям в автохолодильники, подписывая, на какой улице нашли! Народ разгребает все своими руками, помощи ни какой нет.
Только у него по улице лежит 9 трупов
PS
Яна Попова (Миюсова)
Сейчас мужа направили по работе в Н. Баканку-там АЗС нашей фирмы смыло-цистерны с топливом весом более 45 тонн как спичечные коробки ПОВЫРЫВАЛО!!!!!! С БЕТОННЫХ ограждений, в операторской вода на два метра стояла, унесло бензовоз и цистерну с бензином на ,1,5 км. Можко представить-какой силы шел поток………… Так заправка находится на 2 метра выше Крымска!
Надежда Шванова
Сейчас говорили с родственниками(у нас сестра в крымске) дочку увозили из города с завязаными глазами!!!!!! Чтоб ЭТОГО не видела… Нашим повезло, они недавно переехали в многоэтажку, а район в котором жили больше не существует…
PS ПОШЛА ВТОРАЯ ВОЛНА!!! Звонил Виталий, вода опять пошла потоком, уровень поднимается… это ожидалось, потому что службы расчищали вяло только одну улицу…
PS
По сообщению наших товарищей с места трагедии на Кубани, на 16:00 Мск, в Крымске и соседних городах и сёлах, уже подтверждена гибель более 1500 человек и пропавших без вести ещё около 5000!!! человек.
Люди, глядя на выпуски федеральных говноСМИ, уже начинают постепенно звереть от чудовищной лжи. Все морги переполнены, тела свозят в соседние города, но из-за перебоев со светом всё это приносит мало толку. В сам Крымск нагнали солдат, которые ничего не делают из-за полного бардака.
Все чиновники Крымска и Геленджика, прекрасно знали о готовящемся сбросе и эвакуировали семьи за 40 минут до прихода волны.
Срочно!Крымск.с места трагедии.Люди уже не могут плакать,а режим устраивает «показуху».
Интервью с Левченко Виктором Пантелеевичем (станица Новочеркасская, старшина по конной подготовке). Ю.Екишев. Народное ополчение имени Минина и Пожарского. Штурмновости.
Накануне в станице Новочеркасской после тревожных вестей из Крымска и других поселков прошел народный сход. Люди собрались и отправили в Крымск своих посланников, чтоб определиться с помощью, какая необходима пострадавшим людям.![]()
http://youtu.be/0EO4VpwIiQI смотрите!!!!!!
Tags: ЕДРОСОВ на кол, Роисся ВПЕРДЕ, ЧП, Шойгу, беспредел, коррупция, на баррикады, пиздец неизбежен, слов нет
Рубка и продажа собственных бревен
Фото предоставлено © Манфред Мильке
Продажа древесиныЗаготовка древесиныBill Klase
Чтобы успешно рубить и продавать собственные бревна, нужно предпринять много шагов и чему научиться.
Однажды осенью нам пришло в голову, что мы можем максимизировать нашу прибыль от продажи древесины, срубая деревья сами. Кроме того, мы либо платили кому-то за то, чтобы он таскал бревна на лесопилку, либо тащили их сами. После этого решения было много похлопываний друг друга по спине и «дай пять», так как мы были уверены, что это будет пустяк. Мальчик, мы были неправы.
Мы были достаточно умны, чтобы связаться с некоторыми местными лесопилками, чтобы узнать, возьмут ли они наши бревна и каковы их размеры и породные предпочтения. Мы обнаружили, что почти каждая лесопилка имеет свои собственные спецификации по длине и диаметру бревен, а также по количеству закупаемых бревен каждой породы. Кроме того, не все лесопилки были готовы принимать наши бревна, поскольку мы не были сертифицированы ни Лесным попечительским советом, ни Инициативой по устойчивому лесному хозяйству.
В итоге мы нашли мельницу, которая с нами работала. Когда мы рассказали им об объемах, которые хотели доставить, они соединили нас с перевозчиком, который за определенную плату мог забрать и доставить бревна.
Мы заключили контракт с этой фабрикой на поставку такого количества досок и были готовы приступить к работе в нашем лесу.
На тот момент наш опыт в рубке и обработке деревьев ограничивался переработкой деревьев в дрова. Обычно мы заготавливали дрова в лесу, поэтому прицепа, запряженного нашим сельскохозяйственным трактором, всегда было достаточно. Бывало, бревна тащили на цепи, но нам было все равно, как они будут побиты, так как это было только на дрова.
Очевидно, нам нужно было что-то еще для перевозки пиловочника. В конце концов мы приобрели лебедку и навесное оборудование для трелевки бревен для нашего трактора и осторожно тащили наши бревна через лес, чтобы не повредить ни его, ни стоящие деревья. Мы построили на тракторе каркас роллетного типа, так как нам предстояло работать на относительно крутой местности.
Мы также обнаружили, что наши методы валки и переработки деревьев на дрова не годятся для производства пиловочника. Повреждения срубаемого дерева необходимо было свести к минимуму, а длину торцевого бревна (бревна, расположенного ближе всего к земле и имеющего наибольшую ценность) необходимо было увеличить.
Это потребовало более тщательного осмотра деревьев на наличие дефектов и места их вырубки. Кроме того, мы потратили гораздо больше времени на размышления о том, как извлечь из каждого дерева наиболее ценный бревно.
Затем нам нужно было разработать процесс перемещения бревен в положение для подсоединения к трактору и укладки их штабелями на нашем складе бревен. У нас уже были крюки для бруса и крюки для катания бревен, но мы обнаружили, что всегда нужны два человека, чтобы укладывать бревна так, как мы хотели.
Со всем нашим оборудованием и готовым планом сбора урожая мы были готовы приступить к работе. Должен отметить, что у меня есть некоторая подготовка и опыт разметки древесины для заготовки. Если вы думаете о сборе урожая самостоятельно, вам действительно нужно поработать с лесником, чтобы определить, какие деревья нужно срубить, чтобы урожай соответствовал вашим целям сейчас и в будущем.
В целом все прошло довольно хорошо. Мы не сильно повредили ни свое оборудование, ни себя, и вовремя доставили бревна на лесопилку.
Если бы мы не включали нашу собственную работу в уравнение (а мы этого не делали, потому что это был труд любви для нас), мы зарабатывали немного больше, чем если бы мы продали наш пень лесорубу.
Я думаю, что одним из важных наших осознаний было то, что весь процесс занял намного больше времени, чем мы думали. Мы также обнаружили, что должны были вложить значительные средства в оборудование, так что это не было легкой прогулкой, как мы думали. Однако теперь, когда у нас есть все необходимое оборудование и мы знаем, что делаем, процесс, вероятно, пойдет быстрее, но я думаю, что это все равно будет существенной инвестицией в наше время.
Чертежи самодельных трелевочных машин
Сбор урожая дрова начинаются с задачи по спилу деревьев и их извлечению из леса. Это непростая задача без правильных инструментов.
Скиддер для бревен — это устройство, предназначенное для облегчения извлечения бревен за счет
поднять конец бревна над землей, чтобы его можно было тащить без
передняя кромка копается в грязи.
Эти планы трелевочного трактора будут помочь вам построить свой собственный трелевочный трактор, который вы можете использовать для перемещения деревьев и большие бревна из леса и в лучшую рабочую среду.
Схемы трелевочного трактора для бревен Руководство по сборке своими руками
Как показано на рисунке ниже, эта простая конструкция трелевочного трактора для бревен позволяет страховочной цепи скользить вверх по стержню стояка и поднимать передний конец бревна от земли, когда вы тянете его к месту назначения. Это предохраняет передний край бревна от заглубления в землю. тянуть будет намного сложнее.
Планы трелевочного трактора — список закупки компонентов
Основные компоненты, которые необходимо приобрести, можно найти в Комплект прицепа для квадроцикла. Их можно найти в Интернете в таких местах, как ебэй и амазон.
Комплекты должны включать несколько необходимых деталей, кроме
изготовление стали для рамы.
Эти компоненты включают:
- Колеса и шины
- Оси со ступицами и проушинами
- Узел сцепного устройства прицепа
Изготовление основной рамы трелевочного трактора для бревен
Как показано на рисунках ниже, конструкция этой системы рамы трелевочного трактора из 2-дюймовой коробчатой стали и требует очень мало изобретательности. Эта простая конструкция включает в себя арку, внутри которой будет крепиться бревно, и подступенок стержень, по которому бревенчатая цепь поднимется, чтобы поднять бревно с земли. остальная часть рамы включает передний треугольник, шпунт и колесо охранники. Относительно простой процесс изготовления.
Другая конструкция рамы трелевочного трактора позволяет использовать
по тросовой лебедке с храповым механизмом для использования в системе крепления бревен. С
при этой установке лебедка поднимается вверх, чтобы поднять передний конец бревна
вверх от земли.
Безопасность может быть большой проблемой с такой конструкцией и травмами
может произойти, если кабель порвется.
В третьей конструкции трелевочного трактора используется захват для фиксации журнал для транспорта. Эта система может даже включать гидравлические или механические опора для отрыва передней кромки бревна от земли, как видно на картинке ниже. Другие варианты включают 3-точечное соединение, которое может быть трудоустроенным.
Отличие бревенчатой арки
а трелевочный бревно это что арка
предназначен для перевозки бревен, куда трелевочный трактор должен тащить
журнал. В правильной ситуации вам поможет трелевочный трактор.
быть более продуктивным, так как требуется меньше времени, чтобы подключиться к бревну для
перетаскивание. С другой стороны, журнал
арка сохранит ваши бревна в чистоте, что продлит срок службы бензопилы
цепи и пильные диски. В любом случае, добавление этого приспособления к
разделитель бревен на свалке будет
чтобы вы все настроить для производства дров.





