Схема ионизатор воздуха: Ионизатор воздуха своими руками — разновидности и схема сборки
Ионизатор воздуха. Электрическая принципиальная схема.
ЧИСТЫЙ ВОЗДУХ ПОЛЕЗЕН ДЛЯ ЗДОРОВЬЯМногие из нас обращают в основном внимание на то, что мы едим, пьем, какой у нас режим дня, а не на то, чем дышим. Все знают, что воздух в городах не очень чистый. Электроника поможет и здесь. А именно ионизатор воздуха. Электрическая принципиальная схема приведенная здесь.
ИОНИЗАТОР ВОЗДУХА.Воздух за городом (на лугах, в лесных массивах, вблизи водопадов и горных речек) содержит 700…3000, а иногда и до 15 000 отрицательно заряженных ионов в 1 см3 воздуха. Есть местности, где в воздухе всегда больше отрицательно заряженных ионов, чем положительных. Чем больше в воздухе отрицательных ионов, тем он полезнее для здоровья. В городских квартирах число отрицательных ионов уменьшается до 25 в 1 см3. Поэтому каждому человеку необходимо почаще бывать за городом на свежем воздухе. Увеличенное количество положительных ионов уменьшает производительность труда и вызывает утомление.
Ионизатор {рис.1) насыщает воздух в комнате или в рабочем помещении отрицательными ионами. Благо даря ионизации улучшается самочувствие и кровообращение, регулируется дыхание, повышается интенсивность обмена веществ в организме и т. д.
Кроме того, применение ионизаторов оказывает положительное действие при заболеваниях легких и дыхательных путей, системы кровообращения, сердца и т. д. Ионизация препятствует загноению ран при ожогах.
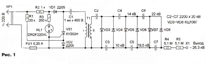
Принцип действия.Ионизатор состоит из следующих частей: экрана (люстры), транзисторного преобразователя постоянного тока, устройства питания. Экран и является собственно генератором отрицательных ионов. На его иглах под действием высокого напряжения, поступающего с преобразователя, образуются электроны, ионизирующие воздух в помещении.
Конструкция и детали.Экран (люстра) -это легкое металлическое кольцо {рис.
1, б), к которому припаяна медная сетка из голого провода диаметром 0,3…0,5 мм. Сетка имеет квадратные ячейки размером 35…45 мм. Они образуют выпуклую часть экрана, направленную вниз. В углах сетки припаяны иглы диаметром 0,25…0,5 мм и длиной 45…50 мм, которые должны быть достаточно острыми. К кольцу прикреплены три медных провода диаметром 0,8…1 мм, развернутые под углом 120° и спаянные над центром экрана. Это провода высокого напряжения. К экрану подводится высокое напряжение (25 кВ) от транзисторного преобразователя тока {рис. 1, а). Для больших помещений (школьных классов, мастерских и т.п.) требуется напряжение 50 кВ.
Рабочая частота двухтактного промежуточного преобразователя 3…4 кГц. Трансформатор Тр намотан на ферритовом сердечнике трансформатора вертикального отклонения телевизора. Боковые щеки каркаса катушки лучше всего вырезать из текстолита или оргстекла толщиной 1 мм, гильзу (каркас) катушки можно сделать из любого электроизолированного материала.
Ширина каркаса не менее 30 мм. Первичная обмотка (I) имеет 14 витков провода ПЭЛ или ПЭВ 0,8 с отводом от середины, вторичная обмотка (II) — 6 витков того же провода с отводом от середины (обмотка покрыта слоем изоляции толщиной 1 мм), обмотка III — имеет 8000… 10000 витков провода ПЭЛШО 0,08… 0,1 (через 800 витков следует прокладывать слой электроизоляционного материала толщиной 1 мм). Зазоры между изолирующими прокладками и корпусом заливают клеем. Транзисторы необходимо установить на радиаторах с поверхностью 300 см2, так как выделяемая на коллекторе мощность достигает 10 Вт. Выход умножителя напряжения соединен с экраном (люстрой) высоковольтным (50 кВ) проводом, применяемым, например, в рентгеновской аппаратуре или высоковольтных цепях автомобилей. Выпрямительные столбы можно заменить двумя селеновыми вентилями с обратным напряжением 500 В или низковольтными диодами (20…25 диодов в каждом каскаде при рабочем напряжении 500 В).
Экран-люстру подвешивают к потолку на изоляторах.
Он должен быть расположен в 2 м от пола. Преобразователь тока размещают вблизи экрана, а источник электропитания преобразователя в любом удобном месте. Шасси нужно заземлить, например, соединив его проводом с водопроводной трубой.
Для проверки работы ионизатора можно использовать вату. Если ионизатор исправлен, небольшой кусочек ваты должен притягиваться к экрану-люстре с расстояния 0,5…0,6 м. Осторожно приближая руку к иглам экрана, на расстоянии 70… 100 мм мы почувствуем холод. Для приближенного измерения числа ионов можно применить устройство, показанное на рис. 1, в. Во время работы ионизатора не должно появляться никаких запахов. Запах свидетельствует о наличии в помещении посторонних газов (озон, окислы азота). В этом случае нужно тщательно проверить конструкцию люстры, монтаж умножителя и соединения преобразователя с люстрой. Ионизатор является источником высокого напряжения, поэтому при работе с ним надо соблюдать осторожность. Хотя сила тока высокого напряжения едва достигает 3…5 мкА и не опасна, однако прикосновение к экрану или цепи высокого напряжения грозит неприятным ударом.
При включенном ионизаторе следует находиться в 1… 1,5 м от люстры. Ежедневная доза для обычного помещения составляет не менее 20…30 мин., а лучше 30…50 мин. В помещениях с плохой вентиляцией ионизатор следует включать на короткие промежутки времени в течение всего дня. Электрическое поле ионизатора очищает воздух от пыли. Действие ионизированного воздуха всегда полезно. Однако ионизации подлежит лишь воздух нормального химического состава, поэтому желательно помещение проветривать.
Систематическое вдыхание ионизированного воздуха с концентрацией ионов (103…104)/см3 снимает усталость, сокращает время, требуемое для восстановления сил, значительно повышает работоспособность.
Хорошие результаты дает также ионизация воздуха в помещениях для домашней птицы, кроликов, свиней и крупных животных. При этом увеличивается содержание жира в молоке, вес, уменьшается падеж скота.
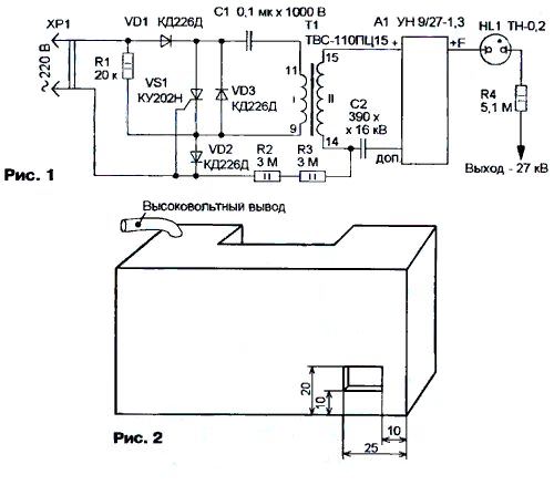
На рис.2 изображена принципиальная электрическая схема карманного ионизатора, создающего до 1,5 млн.
отрицательных ионов в 1 см3 воздуха на расстоянии 0,2 м.
Данные элементов. Трансформатор Тр намотан на Ш-образном ферритовом сердечнике 12×16 мм с магнитной проницаемостью ц 2000 или на броневом сердечнике.
Обмотка I состоит из 46 витков провода ПЭЛ или ПЭВ 0,25; обмотка II — из 45 витков провода ПЭЛ или ПЭВ 0,5; обмотка III имеет 500 витков провода ПЭЛ или ПЭВ 0,05 (эту обмотку следует изолировать от обмотки I и II липкой изоляционной лентой).
Работа с прибором.Переключатель устанавливают в позицию «+» или «-» в зависимости от того, какие ионы требуются. Отдаляют прибор от лица на 0,2 м и направляют к лицу электрод с острыми иглами 1 на 10… 15 мин. Сопротивление резистора Р подбирают по максимальной амплитуде импульсов в цепи коллектора. Резистор — проволочный из константана диаметром 0,1 мм (ток нагрузки 50 мА). Электрод 1 с 5… 10 иглами размещают непосредственно на устройстве. Чем больше емкость конденсатора С, тем надежнее работа прибора.
Ионизаторы, использующие высокое напряжение автомобильной системы зажигания, применяются как средство, снижающее усталость шофера. Однако, по мнению специалистов, ионизаторы типа, описанного выше, не дают и не могут давать никаких положительных результатов и вообще пахнут шарлатанством.
Дело в том, что для действительной ионизации воздуха и обеспечения достаточной продолжительности существования ионов необходимо подводить к электродам (к люстре) значительную мощность и напряжение 20…25 кВ.
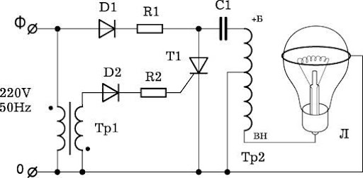
ОЗОНАТОР ВОЗДУХАрис. 3 Озонатор воздуха
Озонатор воздуха очищает воздух в помещении (например, от кухонных запахов, табачного дыма и т. п.).
Производительность его около 100 м3 за 20 мин. работы. Автотрансформатор Тр — строчный от телевизионного приемника (на него нельзя подавать напряжение выше 9 кВ), Л — стабилитрон, например, типа СГ4С, 1_ -два витка провода ПЭВ 0,4, на баллоне стабилитрона, С — два металлических диска диаметром 25 мм, с расстоянием между ними 20 мм, А — общий вывод всех электродов лампы Л — провод длиной 50 мм.
Меняя емкость этого провода относительно металлического основания, добиваются того, чтобы сигнал генератора (треск) был наибольшим.
Устройство заключают в металлический кожух с отверстиями в верхней и боковых стенках.
Озонированный воздух напоминает лесной воздух после грозы с молнией. Однако надо помнить, что слишком высокая концентрация озона в воздухе вредна для здоровья.
Ионизатор воздуха своими руками в домашних условиях
Перейти к содержимому
Содержание
- 1 Зачем необходим ионизатор в доме
- 2 Ионизатор воздуха своими руками
- 3 Автомобильный ионизатор воздуха своими руками
- 4 Самодельный ионизатор воздуха для дома: люстра Чижевского
- 4.1 Схема высоковольтного генератора
- 5 Самодельные ионизаторы воздуха: важные нюансы
- 6 Устройство ионизатора воздуха: правила использования
Совершенно очевидна необходимость очищать воздух в помещении, делать его живым и полезным для здоровья.
Воздух состоит из 2 основных компонентов: 20% – кислород, 78% – азот, а оставшиеся 2% – газы. Возле моря или в хвойном лесу дышится намного лучше. Связано это со скоплением в воздушных массах ионов – положительных и отрицательных газовых частиц. Для человека очень важно дышать отрицательными ионами, ведь попадая на слизистую они отдают свою энергию, тем самым способствуя образованию биологически активных компонентов. Бытовая техника, асфальтные дорожные покрытия, бетонные дома снижают уровень ионов в городе. Повысить их в помещении можно с помощью специального устройства – ионизатора воздуха.
Зачем необходим ионизатор в доме
Ионизатор в замкнутом пространстве сделает воздух намного чищеКоличество полезных ионов в городской квартире в 15 раз меньше, нежели необходимо для нормального самочувствия. В природе их количество колеблется в зависимости от местности – от 600 до 50000 частиц на 1 см2. Использование ионизатора в помещении помогает повысить уровень отрицательных ионов, которые благотворно влияют на человека, а именно:
- нормализуется работа сердечно-сосудистой системы, сон;
- снижается утомляемость организма, старение организма;
- возобновляется иммунная система;
- снижаются риски возникновения инфекционных заболеваний, аллергии;
- улучшается сон, аппетит;
- повышается работоспособность головного мозга, улучшается память;
- служит профилактикой онкологическим заболеваниям;
- снижает воздействие на человека электростатического напряжения, которое исходит от включенной бытовой техники.

Ионизатор в домашних условиях, устраняя из воздуха бактерии, вирусы, пыль и аллергены делает воздух более чистым. Устройство полезно для маленьких детей, людей преклонного возраста, тем, кто страдает на аллергию, частые простуды, работающим за компьютером или в закрытом помещении.
Важно! Ионизатор не применяется в помещениях, где находятся дети до года, люди, имеющие злокачественные опухоли, с повышенной температурой тела. Также его не следует применять в задымленной или запыленной комнате.
Ионизатор воздуха своими руками
Ионизатор воздуха совсем необязательно приобретать в магазине. Его можно собрать самостоятельно. Для реализации задачи потребуется:
- пластмассовое яйцо из «Киндер-Сюрприза»;
- 2 провода, диметр которых составляет 0,5 мм;
- штепсельная вилка, разборного типа;
- изолирующий материал;
- ножницы для монтажа;
- игла для проделывания отверстий.
В стенке половинки пластмассового яйца из «киндера» с применением иглы проделываются отверстия.
Иглу следует не только воткнуть, а немного пошевелить ею в разные стороны, так как необходимо отверстие с хорошими краями. Распущенный провод заводят в отверстие, при чем в одну половинку с положительным зарядом, а в другую – с минусовым зарядом. Заизолированные жилы соединяют между собой. Другую сторону провода присоединить к вилке.
Важно! Ионизатор следует установить в коробку из прочного материала. Размещают такое простое устройство в месте, где нет доступа для детей и животных.
Автомобильный ионизатор воздуха своими руками
Самодельные ионизаторы для авто — варианты- Смастерить трансформатор. За основу берется любой элемент, к примеру, от компьютера. Для извлечения из устройства преобразователя можно воспользоваться паяльником. На свободный от старой обмотки сердечник наматываются новые провода: первичная обмотка – 14 витков, вторичная – 600. Выполнив первую обмотку ее необходимо заизолировать с помощью скотча, обмотав витки 2-3 раза.
Каждые 100 витков вторичной обмотки также нуждаются в изоляции. - Трансформатор присоединить к таймеру.
- Смонтировать умножитель напряжения. Для этого можно использовать диоды КЦ106, конденсаторы мощностью до 10 кВт и 3300 пФ.
- Установить электроды умножителя на расстоянии в 3 см.
- Включить устройство в сеть.
Самодельный ионизатор воздуха для дома: люстра Чижевского
В классическом варианте люстра Чижевского выглядит такВажно! В конструкции используются очень острые иглы, ведь именно от них зависит эффективность устройства.
Они являются элементами с которых стекает отрицательный заряд.
3 шт. провода из меди диаметром 1 мм, размещенные на равном расстоянии крепятся к основе. Другие их концы спаиваются над обручем вместе.
Генератор подсоединяется в месте скрепления медных проводов.
Схема высоковольтного генератора
Принципиальная схема устройства генератораДля обеспечения работоспособности ионизатора необходимо напряжение более 25 кВт. Для комнаты 50 м2 потребуется генератор, обеспечивающий до 40 кВт. Увеличить напряжение можно, если в донную схему добавить количество умножителей.
Расстояние от люстры до человека должно составлять более 1,5 м. Стоить помнить, что после отключения прибора от сети он еще некоторое время будет сохранять заряд, поэтому прикасаться к нему руками не стоит. Также нельзя пробовать работу включенного ионизатора, поднеся к нему руку. Коронный разряд может легко пробить, нанеся ущерб здоровью.
Самодельные ионизаторы воздуха: важные нюансы
- Детали ионизатора устанавливаются в корпусе соответствующего размера.
Расстояние между конденсаторами и диодами должно быть максимально большое. - Выводы необходимо покрыть парафином. Это поможет избежать образование коронного разряда.
- Ионизатор можно смонтировать на основании набора из МАСТЕР КИТ. Для этого необходимо напряжение до 12 В, ток до 150 мА.
- В процессе работы люстры не должно быть сторонних запахов. Наличие «аромата» свидетельствует о неправильной работе.
- Проверить работоспособность люстры можно, поднеся на расстоянии 50 мм кусочек вату: его прилипание свидетельствует о работоспособности прибора.
Важно! Работающий прибор находится под напряжением. Использовать его можно только соблюдая технику безопасности работы с электроприборами.
Устройство ионизатора воздуха: правила использования
- Скопление ионов приводит к оседанию пыли. В помещении, где установлен прибор полы необходимо мыть ежедневно.
- Ионизатор включается не более чем на 2 часа подряд.
Круглосуточное применение устройства запрещено. - Необходимо соблюдать дистанцию прибора к людям, находящимся в комнате. Расстояние составляет более 1,5 м, в зависимости от типа конструкции.
Самым безопасным вариантом самодельного ионизатора является солевая лампа. Ее можно использовать в помещении с маленькими детьми и больными людьми. Простая конструкция поможет очистить воздух в помещении и наполнить его отрицательными ионами.
Правильно выполнена конструкция и использование с соблюдением технологических особенностей обеспечат необходимое количество ионов для прекрасного самочувствия всей семьи. Самодельные ионизаторы могут использоваться в любом помещении, автомобиле и даже офисе, где большое скопление техники.
Похожее
Вы пропустили
Adblock
detector
— для жизни без загрязнения
В этой статье мы узнаем, как построить простую схему комнатного ионизатора для получения чистой и свободной от загрязнений окружающей среды прямо в нашем доме.
Содержание
Введение
Задумывались ли вы когда-нибудь, почему атмосфера над горными станциями и другими подобными местами, находящимися далеко от современных городов, дает ощущение свежести и хорошего самочувствия?
Ответ прост, воздух в таких местах свободен от загрязняющих веществ и вредных химических веществ, таких как дым и газы.
Обязательно для такого города, как Дели
Дели, столица Индии, сегодня серьезно борется с кризисом загрязнения воздуха. Проблема стала настолько серьезной, что ей был присвоен самый высокий приоритет среди всех других текущих проблем со здоровьем, и она достигла уровня чрезвычайной ситуации.
Несмотря на то, что предпринимаются жесткие меры, кажется, что условия ничуть не улучшаются, на самом деле ситуация с каждым днем становится еще более мрачной.
Дешевое решение, такое как предлагаемый ионизатор воздуха в помещении, кажется очень удобным инструментом, который может не только помочь контролировать загрязнение Дели, но и обеспечить отдельные дома достаточно чистым воздухом.
Это оборудование можно использовать в домах, а также в автомобилях для предполагаемого лечения.
Что ж, если вы поселились в одном из тех городов, которые охвачены дурным воздухом, и если вы скомпрометированы ситуациями, вот ваш шанс избавиться от ситуации по схеме, описанной ниже:
Что такое ионизатор воздуха – как он работает
Ионизатор воздуха или, как некоторые его называют, комнатный ионизатор, в основном представляет собой устройство или электронную схему, предназначенную для генерирования напряжения на уровне киловольт для реализации указанного ионизирующие эффекты. Так что же такое ионизация?
Высокое напряжение, генерируемое ионизатором, на самом деле настроено для создания отрицательного напряжения около минус 4 кВ. Это высокое отрицательное напряжение может быть подключено к острому проводнику с открытым концом или остро вырезанной точке.
Когда напряжение достигает этой острой точки, оно стремится продолжить свое поступательное движение и выстреливается или выбрасывается в воздух в виде отрицательно заряженных ионов.
Оказавшись в воздухе, эти ионы становятся свободными для перемещения и начинают рассеиваться по комнате или помещению, поскольку все больше и больше ионов высвобождается из устройства ионизатора воздуха.
Теперь, когда эти ионы свободно перемещаются в воздухе, они сталкиваются и начинают сталкиваться с уже присутствующими в воздухе загрязняющими веществами, такими как частицы пыли, частицы дыма/газа и т. д.
Согласно правилам, все частицы и все материалы, находящиеся вокруг, должны быть заряжены положительно, так что происходит, противоположно заряженные ионы начинают собирать эти загрязняющие вещества из воздуха, притягивая их к себе (противоположности притягиваются), так же, как магнитный стержень гладить булавки.
Загрязняющие вещества в воздухе медленно притягиваются и прочно удерживаются над этими ионами, пока каждый из ионов не станет настолько загруженным загрязняющими веществами и тяжелым, что они начнут падать на землю или, если они найдут поблизости стену, они начнут собираться на ней.
Таким образом воздух со временем становится абсолютно чистым и свободным от всех примесей.
Работа со схемой
Схема достаточно проста и может быть построена даже неспециалистом, имеющим лишь базовые знания в области электроники.
Схема основана на лестничной сети Кокрофта-Уолтона. В концепции используется сеть из множества диодов и конденсаторов, расположенных таким образом, что приложенное к ней напряжение постепенно повышается до очень высоких уровней, порядка около 10кВ,
Однако диапазон 10 кВ не подходит для обсуждаемых эффектов ионизации, фактически на этом уровне эффект может привести к противоположным результатам.
Если исходить из расчетов, то нынешняя конструкция также будет генерировать около -10 кВ, нарушая предполагаемую причину, однако на практике оказалось, что она падает примерно до -4 кВ.
Это снижение происходит из-за потерь на излучение, так как в процессе повышения напряжение имеет тенденцию к пробою через излучение через печатную плату, пока, наконец, результирующее напряжение на выходном наконечнике устройства не достигает только около -4 кВ, что составляет по милости Божией точный уровень для достижения ионизирующего эффекта.
Схема цепи
Вся схема может быть построена на плате общего назначения путем припайки указанного количества конденсаторов и диодов точно так, как они расположены на схеме.
Следование шаблону диаграммы упростит сборку и обеспечит гарантированные результаты без ошибок.
После того, как схема собрана, проверьте всю плату на наличие обжимных соединений, это важно, потому что схема очень критична с ее полярностью, один неправильно подключенный диод приведет к нулю результатов.
После надлежащего подтверждения сторона пайки должна быть тщательно очищена разбавителем, чтобы не оставалось остаточного флюса, вызывающего потерю напряжения и снижение желаемых эффектов.
Конец, предназначенный для высвобождения ионов, должен иметь форму иглы, желательно, чтобы там можно было использовать небольшую булавку или иглу, чтобы обеспечить идеальное распространение ионов.
После выполнения всех вышеуказанных мер предосторожности пришло время включить устройство.
Будьте предельно осторожны, так как вся цепь подключена напрямую к сети переменного тока и может быть опасна для жизни, если прикоснуться к ней в положении питания.
Проверка работы схемы
После того, как схема будет собрана, и, надеюсь, все сделано правильно со сборкой, вы услышите «шипящий» звук около кончика высвобождающей булавки. Область возле кончика булавки даст вам ощущение прохлады, как будто дует прохладный ветерок.
Точка также будет издавать рыбный запах…..все вышеперечисленные признаки подтвердят, что прибор работает правильно, и вы уже дышите свежим воздухом в нос и движетесь к здоровой жизни.
ВЫШЕУКАЗАННАЯ ЦЕПЬ БЫЛА УСПЕШНО ПОСТРОЕНА И ИСПЫТАНА ОДНИМ ИЗ УВЕЛИЧЕННЫХ ПОСЛЕДОВАТЕЛЕЙ ЭТОГО БЛОГА, MR. АЛИ АДНАН.
ОН ПРИСЛАЛ СЛЕДУЮЩИЕ КРАСИВЫЕ ФОТОГРАФИИ.
Изображения прототипа
Приведенная выше схема комнатного ионизатора также была успешно собрана и реализована одним из преданных читателей этого блога Ersa. Следующие протестированные изображения рабочего прототипа были отправлены Ersa для нашего удовольствия.
О компании Swagatam
Я инженер-электронщик (dipIETE), любитель, изобретатель, разработчик схем/печатных плат, производитель. Я также являюсь основателем веб-сайта: https://www.homemade-circuits.com/, где я люблю делиться своими инновационными схемами и учебными пособиями.
Если у вас есть какие-либо вопросы, связанные со схемой, вы можете ответить через комментарии, я буду очень рад помочь!
Создание схемы ионизатора и очистителя воздуха дома
Очищающий эффект ионизации воздуха
Ионизатор воздуха — это устройство, предназначенное для очистки воздуха в закрытом помещении посредством процесса ионизации воздуха. Здесь схема генератора высокого отрицательного напряжения используется для выбрасывания электронов из игольчатого проводника в виде ионов в воздух. Поскольку эти ионы заряжены отрицательно, попав в воздух, они начинают охотиться за частицами пыли и другими загрязняющими веществами. Эти загрязняющие частицы, будучи положительно заряженными, мгновенно притягиваются (противоположные заряды притягиваются) к ионам и крепко цепляются за них, пока они не станут слишком тяжелыми, чтобы продолжать движение, и просто упадут на землю.
Таким образом, воздух постепенно освобождается от большинства рассеянных загрязнителей. Концепция довольно старая, но тем не менее вечнозеленая, так как раздает бесплатное здоровье практически бесплатно прямо в вашем доме. Он, безусловно, способен создать вокруг вас атмосферу, очень похожую на ту, что царит на горных станциях, что очень полезно и очень необходимо в загрязненных городских районах.
Посмотрим, как работает предлагаемая схема.
Принцип действия
Схема представляет собой стандартную лестничную диаграмму Кокрофта-Уолтона. В соответствии с этой конфигурацией входное сетевое напряжение постепенно повышается до ошеломляющих минус 10 кВ с использованием сети из множества диодов и конденсаторов, напоминающей «лестницу», отсюда и название.
Здесь во время каждого цикла входного переменного тока заряд перетасовывается взад и вперед по каждому ряду конденсаторов, но всегда сохраняет прямое направление в сети из-за действия выпрямительных диодов.
Когда все конденсаторы полностью заряжены, напряжение на каждом из них (теоретически) становится равным пиковому входному напряжению сети переменного тока, а умноженное значение всех конденсаторов приводит к требуемому высокому напряжению.
Но практически установлено, что максимальное напряжение на выходе этой схемы никогда не достигает более минус 4 кВ из-за утечки напряжения через выводы компонентов, известной как коронный разряд. Но, по совпадению, это именно то напряжение, которое идеально подходит для ионизации воздуха. Напряжения выше этого начнут производить озон, а не ионы, в то время как более низкие напряжения не будут иметь достаточной тяги, чтобы инициировать процесс ионизации.
Это напряжение в конечном итоге подается на заостренный концевой вывод (в форме иглы) цепи, где напряжение (электроны) концентрируется до уровня, который трудно приспособить. Кроме того, поскольку электроны, находясь слишком близко, отталкивают друг друга, стремятся вылететь в окружающий воздух в виде стреляющих ионов.
Список деталей
Для сборки этой схемы ионизатора воздуха вам потребуются следующие детали:
10 нФ 630 вольт, полиэстер = 30 шт.
Диод 1N4007 = 30 шт.
Резистор 2M2, ¼ Вт = 5 шт.
Резистор 1M, ¼ Вт = 2 шт.
Неоновая лампа = 1 шт.
Печатная плата общего назначения = 6 на 4 дюйма,
ДЛЯ РАБОТЫ НА 120 ВОЛЬТ ПРОСТО УДВОИТЕ КОЛИЧЕСТВО ДИОДОВ И КОНДЕНСАТОРОВ, ОСТАЛЬНОЕ ВСЕ ОСТАЕТСЯ КАК ЕСТЬ.
Преимущества и недостатки
При выходе из контура (острие иглы) ионы сразу же начинают парить в воздухе. Поскольку они заряжены отрицательно, любая нейтральная частица, такая как пыль или дым в окружающем воздухе, немедленно прилипает к ним. Частицы загрязняющих веществ накапливаются над этими ионами до тех пор, пока ионы не становятся слишком тяжелыми, чтобы удерживать их, и они начинают падать на пол. Таким образом, воздух вокруг контура ионизатора воздуха и очистителя остается чистым и свободным от всех загрязнений.
Здесь также важно обсудить один небольшой недостаток. Стены и другие предметы домашнего обихода также являются нейтральными элементами и вполне могут привлекать упомянутые выше загрязняющие ионы, очерняя ваши ценные ковры, стены и другие предметы.
Возможно, установка небольшого вытяжного вентилятора в вашей комнате может решить проблему, вентилятор будет высасывать эти тяжелые с загрязняющими веществами ионы и утилизировать их куда-то за пределы конкретной области.
Некоторые ионы также сталкиваются с молекулами O2 и разбивают их на два отдельных атома кислорода (O). Эти отдельные атомы кислорода далее сталкиваются и объединяются с другими молекулами O2, образуя O3, то есть озон, полезный газ, способный убивать бактерии и вирусы в атмосфере. Таким образом, схема также способна производить полезный озон (в небольших количествах — это важно), защищая атмосферу от микробов и болезней.
Сборка блока
ВНИМАНИЕ: КАЖДАЯ ТОЧКА ПРЕДСТАВЛЕННОЙ ЗДЕСЬ ЦЕПИ НАХОДИТСЯ НА НАПРЯЖЕНИИ СЕТИ ПЕРЕМЕННОГО ТОКА, ПОЭТОМУ ЧРЕЗВЫЧАЙНО ОПАСНО ДЛЯ ПРИКАСАНИЯ В ПОЛОЖЕНИИ ВКЛЮЧЕНО РЕКОМЕНДУЕТСЯ ПОЛНАЯ ОСТОРОЖНОСТЬ И ПРЕДОСТЕРЕЖЕНИЕ, РЕКОМЕНДУЕТСЯ ИСПОЛЬЗОВАТЬ ДЕРЕВЯННУЮ ДОСКУ ПОД НОГАМИ.
НОВИЧКОВ БЕРЕГИТЕ .
В конструкции нет ничего сложного, требуется лишь закрепить закупленные компоненты на общей плате согласно принципиальной схеме. Помните, одно неверное соединение остановит работу схемы, поэтому делайте это медленно, но верно.
После того, как вы закончите сборку, очистите плату с помощью жесткой щетки со стороны дорожек, т.е. со стороны пайки, разбавителем. Повторяйте до тех пор, пока не будет удалена вся грязь или флюс, и сборка не станет кристально чистой. Очистка важна для предотвращения утечек, которые серьезно снижают общую эффективность контура.
Теперь подключите цепь к сети переменного тока (прочитайте предупреждающее сообщение), неоновый свет должен загореться, указывая на наличие сетевого напряжения питания.
Если все сделано так, как описано, вы услышите легкое шипение на кончике иглы. Поднесите палец к кончику (это безопасно), и вы буквально почувствуете поток прохладного свежего воздуха. Рядом с ним также может ощущаться типичный запах (болотный) из-за выделения озона.

Они являются элементами с которых стекает отрицательный заряд.