Срок службы бойлера косвенного нагрева: как выбрать, сколько стоит и где купить бойлер?
Бойлеры косвенного нагрева
Euro €USD $РФ руб
Москва, 3-й Нижнелихоборский проезд 1А, стр. 6
+7(495) 369-17-94
КОРЗИНА
Корзина пуста
MOD_VIRTUEMART_CART_AJAX_CART_PLZ_JAVASCRIPT
- Главная
- Бойлеры. Водонагреватели. Баки
- Бойлеры косвенного нагрева
Бойлер косвенного нагрева с системой «бак в баке» — это теплообменник или тепло-аккумулятор, состоящий из двух ёмкостей, расположенных одна в другой.
Встречаются модели бойлеров с двумя трубчатыми теплообменниками, один из которых предназначен для циркуляции теплоносителя из отопительной системы, а второй — для теплоносителя из альтернативных источников, например- от теплового насоса. Бойлер косвенного нагрева – это отличная альтернатива обычному двухконтурному отопительному котлу, особенно, если есть необходимость в больших количествах горячей воды. Такой водонагреватель подходит для установки в квартирах, коттеджах, офисных помещениях, и т.д.
- не использует электричество для нагрева воды в холодное время года;
- высокая производительность, при условии достаточной мощности котла;
- внутренняя поверхность змеевика в бойлере контактирует лишь с подготовленной водой, содержащей малое количество солей;
- обеспечение горячей водой без ее предварительного слива из крана;
- возможность подключения различных источников тепловой энергии.
Бойлер косвенного нагрева удобен тем, что ему для работы нужно только тепло, которое вырабатывают другие источники, он не питается за счет газа, электроэнергии или другого топлива.
Он может работать с котлами на любых видах топлива, может интегрироваться в центральные системы отопления, его можно устанавливать в удобном для вас месте, так как для работы не нужен мощный источник электричества.
Водонагреватель прост в обслуживании и регулировке, поддержка температуры воды производится автоматически, они бесшумны, экологичны и долговечны, так как в них нет камер сгорания или мощных ТЭНов. Однако, так как бойлер косвенного нагрева работает с более холодным источником тепловой энергии, его производительность ограничена. То есть сложно обеспечить высокую мощность без серьезного увеличения размеров. Поэтому выпускаются исключительно накопительные агрегаты, которые нагревают воду постепенно и хранят нужный вам объем при заданной температуре. Благодаря эффективной теплоизоляции, вода очень медленно остывает, что сводит к минимуму потери тепла. Сама емкость выполняется из металла или полимерных материалов, с обязательным антикоррозионным покрытием внутренней поверхности, часто используется дополнительная защита анодом.
Есть модели с дополнительным электрическим нагревательным элементом, он также выручает летом, когда отопление не работает. Комплектуются термометрами и термостатами. Если горячая вода используется не только для технических нужд, но и для приготовления пищи, то важно выбирать модели, не выделяющие в воду вредных веществ.
Минусы бойлеров косвенного нагрева
- Высокая стоимость комплекта оборудования (бойлер косвенного нагрева+одноконтурный котел), по сравнению с электрическим бойлером или двухконтурным котлом;
- на нагрев холодной воды в емкостях объемом свыше 100 л уходит несколько часов, в это время снижается интенсивность отопления жилых помещений;
- емкость бойлера занимает много места.
Устройство и принцип работы
Внешне бойлер косвенного нагрева напоминает металлическую бочку для сбора воды и имеет цилиндрическую форму, он может вмещать как десятки, так и сотни литров воды — точный объем зависит от конкретной модели. Существуют бойлеры как вертикальной, так и горизонтальной установки: первый тип крепится к стене на некоторой высоте от уровня пола и предпочтителен, если помещение котельной небольшое по площади.
Корпус накопительной емкости выполняется из окрашенной эмалью стали, пластика и нержавеющей стали — последние два материала обеспечивают значительно больший срок службы, т.к. не подвержены коррозии.
Принцип работы.
Принцип работы весьма простой — через ввод в емкость бойлера поступает холодная вода, по змеевику теплообменника или между стенками двойного корпуса циркулирует теплоноситель, нагретый отопительным котлом, который эту холодную воду и нагревает. Каждый бойлер косвенного нагрева имеет патрубки, которые соединяют его с отопительным котлом, а нагретая вода поступает к кранам через патрубок вывода. Для снижения теплопотерь и исключения повреждения бойлера из-за постоянных перепадов внутренней и внешней температур, снаружи его емкость закрыта теплоизолирующим материалом из полиуретановой пены, пенополистирола или минеральной ваты. При малом расходе воды, т.е. не выше 1,5-2 л/мин, установка бойлера косвенного нагрева и одноконтурного котла невыгодна, проще и дешевле будет установить двухконтурный котел.
Не имеет смысла использование такого водонагревателя при использовании электрического котла отопления. Но если, когда горячая вода необходима в больших объемах и отопительный котел работает на твердом топливе или природном газе— бойлер косвенного нагрева просто незаменим!
Сравнение бойлера косвенного нагрева с другими типами водонагревателей
- Газовая колонка. Установка требует согласования проекта, устройство дымохода, неспособность поддерживать постоянную температуру воды.
- Водонагреватель газовый, накопительный — требования такие же, что и при установке газовой колонки.
- Проточный электронагреватель — быстрый нагрев воды, низкая производительность из-за меньшей мощности, чем у бойлера косвенного нагрева.
- Накопительный электронагреватель — не способен обеспечить нагрев воды за короткий срок. Ну и проблема любых электронагревателей — большой расход электроэнергии.
- Двухконтурный котел — низкая производительность, температура нагретой воды непостоянна, забивание змеевика, в котором циркулирует вода, известковыми отложениями.
В результате , т.к. накипь препятствует теплопередаче, уменьшается сечение трубки змеевика, отчего вода при открытии крана течет слабой струей, котел теряет мощность.
Вопрос — ответ
Использовать лучше бойлер косвенного нагрева или двухконтурный котел?
Бойлер косвенного нагрева используется в паре с одноконтурным котлом — это оборудование занимает больше места и стоит дороже, чем просто двухконтурный котел. Но есть и преимущество перед просто двухконтурным котлом — значительное количество горячей воды практически без перебоев с постоянной температурой.
Любая водонагревательная система, основанная на нагреве проточной воды, всегда имеет негативные факторы, например, не удастся одновременно вымыть посуду и принять душ, не испытав при этом нехватки воды и понижения ее температуры. Принимающему душ приходится просить других, чтобы те не открывали кран с горячей водой и не доставляли купающемуся бодрящих ощущений. В бойлере косвенного нагрева количество одновременно используемых точек пользования горячей водой ограничено лишь емкостью водонагревателя, горячая вода в нем уже нагрета и имеет одинаковую температуру по всему объему.
Анод из магния. Зачем он?
Внутри бойлера, в заполняемом водой баке, находится анод из магния. Он предназначен для защиты металлической емкости от гальванической коррозии: его электрический потенциал ниже, чем у металлических поверхностей бойлера, поэтому коррозия будет воздействовать и разрушать именно магниевый анод. Требует периодической замены, т.к. коррозия не щадит и его. Заменить нужно магниевый катод при уменьшении его длины на половину.
ТЭН, зачем он в бойлере косвенного нагрева?
Бойлеры косвенного нагрева оснащаются электрическим тэном, который используется в теплый сезон, когда отопительный котел отключен, а горячая вода все равно необходима.
Подключение бойлера выполняется контуром, параллельному отопительному контуру, в который встраивается независимый циркуляционный насос — благодаря этому достигается независимость горячего водоснабжения от отопительной системы.
Кроме того, такое подключение позволит при необходимости полностью отключить отопительный контур и направить теплоноситель только в бойлер. Установка бойлера в гравитационную систему отопления возможна, необходимо ввести его в отопительный контур последовательно через байпас, после котла и до отопительных приборов.
Как удалить накипь в бойлере косвенного нагрева самостоятельно?
Профилактическое обслуживание выполняется раз в полгода или раз в год. Сначала определимся- пора ли удалять накипь. Будем мерять разницу температур на входе бойлера (температуру теплоносителя идущего от котла на входной патрубок бойлера косвенного нагрева) и температуру на выходе из бойлера. Если разница НЕ МЕНЬШЕ 15 градусов- все в порядке, если меньше- пора браться за работу. Почему? Потому что известковая накипь на внешней поверхности змеевика препятствует теплопередаче и теплоноситель не успевает передать тепло воде, соответственно срок нагрева воды возрастет .
Способ «тепловой удар».
Для этого полностью слейте воду из бойлера и пустите через змеевик горячий теплоноситель от работающего котла на 10-15 минут, чтобы максимально разогреть теплообменник в пустой емкости бойлера. Затем максимально быстро заполните бойлер холодной водой. В результате большой разницы между температурой змеевика и окружающей его водой известковые отложения отстанут от трубки — промойте и повторите удаление накипи «тепловым ударом» еще раз. Если же на вводе-выводе теплоносителя в бойлер разница температур менее 12градусов, «тепловой удар» не поможет — слишком велик нарост накипи на змеевике. Потребуется применение химических средств для удаления накипи, рекомендованных производителем. Использовать какие-то «домашние» средства и составы для удаления известковой накипи не рекомендуется — емкость бойлера может быть повреждена. Химические средства для удаления накипи, как использовать и пропорции разведения приводятся на упаковке средства очистки. Составленная смесь заливается в емкость бойлера и ее уровень должен полностью закрыть змеевик.
На что обратить внимание при покупке бойлера косвенного нагрева?
Первым делом нужно подобрать оптимальный объем бойлера. Определитесь со средним расходом горячей воды в сутки с небольшим запасом подберите объем бойлера.
Обратите внимание на материалы, из которых изготовлены трубка змеевика, внутренняя емкость для воды и теплоизоляция. Недорогие модели оснащены стальным змеевиком, приваренным к емкости бойлера, более дорогие- имеют латунный змеевик, иногда оребренный. Съемный змеевик из латуни более эффективен, его легко очистить от накипи, приваренному помочь невозможно.
Наши специалисты помогут Вам подобрать, а также смонтировать водонагреватель, найдут приемлемое решение по цене.
Вы останетесь довольны, сотрудничая с нами!
Водонагреватели: частые вопросы
Ежедневно наши менеджеры помогают покупателям выбрать оптимальный вариант из широкого модельного ряда Gorenje. Чтобы упростить выбор и развеять сомнения, мы собрали интересующие покупателей вопросы и ответили на них. Также определиться поможет материал «Как выбрать водонагреватель?».
Как долго прослужит водонагреватель?
Средний срок службы проточного водонагревателя составляет 5-7 лет. Накопительные водонагреватели служат немного дольше — 10-12 лет.
На длительность эксплуатации водонагревателя влияет интенсивность его использования, качество поступающей воды и максимальная температура нагрева. Зная это, можно свести износ водонагревателя к минимуму.
Лучший способ сократить износ ТЭНа — не устанавливать максимальное значение температуры. Иначе водонагреватель будет работать на пределе своих возможностей и постоянно включаться, для поддержания высокой температуры воды.
Не надо нагревать воду выше шестидесяти градусов, потому что эмаль на баке начинает со временем трескаться.
В конструкции водонагревателей Gorenje присутствует магниевый анод. Он притягивает частицы извести, защищая тем самым ТЭН от накипи и продлевая срок его службы. Чтобы поддержать эффективность защиты, магниевый анод заменяют 1-2 раза в год.
С течением времени накипь образуется во всех водонагревателях, ее количество напрямую зависит от жесткости водопроводной воды. Специальные фильтры улучшат ее качество. Обработка антикоррозийным веществом также увеличивает срок службы и сохраняет внешний вид прибора.
Можно ли устанавливать водонагреватель в неотапливаемых помещениях
(например, оставлять на зиму на даче)?
Водонагреватели Gorenje с защитой от замерзания подходят для размещения в неотапливаемых помещениях. Если водонагреватель не имеет такой защиты и находится в не отапливаемом помещении, то до наступления минусовой температуры его нужно обязательно освободить от воды.
Замерзшая в водонагревателе вода повредит не только бак, но и ТЭН, что очень опасно. Нужно не только слить воду, но и проверить, чтобы ее не осталось на дне бака нагревателя, краны оставить открытыми. В этом случае водонагреватель не замерзнет и останется цел.
Какое управление лучше: механическое или электронное?
Водонагреватели с механическим управлением значительно доступнее, чем аналоги с электронной системой. Однако, при наличии приборов учета электричества или газа, совокупные затраты на нагрев воды с электронным управлением могут оказаться ниже.
Встроенный электронный блок водонагревателя в автоматическом режиме измеряет температуру воды на входе и регулирует мощность нагрева, необходимую для быстрого достижения заданной температуры и ее поддержания в дальнейшем. Таким образом, на нагрев уходить лишь необходимые ресурсы: без перерасхода электроэнергии и газа пользователь получает воду желаемой температуры. Простое и наглядное электронное управление обеспечивает максимальную энергоэффективность водонагревателя.
Современные модели Gorenje с электронной системой управления оснащены функцией EcoSmart. Система запоминает привычки пользователей и потребности в горячей воде в течение недели и в соответствии с этим настраивает свою работу, минимизируя расход электроэнергии. Водонагреватель фиксирует, на какое время суток приходится пик потребления, и на основе этих данных заранее включается, чтобы обеспечить необходимое количество горячей воды к нужному времени.
Благодаря этой функции значительно сокращается потребление электроэнергии, так как водонагреватель не включен постоянно для поддержания температуру воды. В то же время у пользователя всегда есть вода нужной температуры. Если потребность в горячей воде поменяется, недельный цикл анализа можно повторить. По расчётам специалистов Gorenje экономия электроэнергии с функцией EcoSmart составляет до 25% в год.
Базовые модели с электронным управлением способны поддерживать заданную температуру воды лишь до тех пор, пока поток воды не усилится.
При значительном увеличении силы потока температура воды становится нестабильной.
Топовые модели водонагревателей оснащены ограничителем, снижающим силу потока в случае необходимости. Такие водонагреватели оборудованы ЖК-дисплеем, визуализирующим время работы, уровень горячей воды в баке, активность режима «Отпуск». Водонагреватели Gorenje с электронным управлением серии PowerTwo оснащены функцией ускоренного нагрева.
Не собьются ли настройки при скачке напряжения?
Не собьются. Современные водонагреватели Gorenje с электронным управлением способны поддерживать память настроек автономно до 12 часов. При кратковременном скачке напряжения настройки не сбиваются, и водонагреватель продолжает работать в заданном режиме.
Что такое косвенный нагрев?
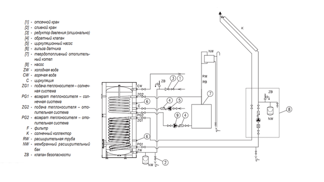
Косвенный водонагреватель не нагревает воду с помощью электричества или газа, а выделяет тепло, поступающее из системы отопления. Внутри бака находится трубчатый теплообменник, по которому проходит теплоноситель из котла отопления.
Обычно его изготавливают в форме змеевика, чтобы обеспечить максимально быстрый и эффективный нагрев бака.
В ассортименте Gorenje представлены 4 косвенных водонагревателя объемом от 100 до 200 литров. Такие водонагреватели не увеличивают нагрузку на сеть, могут работать от альтернативных источников энергии, обладают высокой производительностью и подают воду моментально, без предварительного слива. Внутренняя поверхность нагревателя и теплоноситель не взаимодействует с проточной водой, что обеспечивает безопасную и долгую службу прибора.
Недостатки таких водонагревателей — это высокая стоимость и крупные габариты.
Как подключать косвенные нагреватели?
Косвенные водонагреватели Gorenje состоят из бойлера и одноконтурного котла и предназначены для вертикального напольного монтажа. Теплообменник водонагревателя можно подключить к любым источникам центрального отопления. Оптимальный вариант — установка под настенным газовым котлом.
Бойлер косвенного нагрева связан с трубопроводом, через который теплоноситель попадает в котел для очередного нагрева.
На таком трубопроводе обязательно устанавливается насосно-смесительная система, которая отвечает за циркуляцию воды.
Бойлер можно подключить по гидравлической и электрической системе. Схема подключения на двух насосах (она же гидравлическая) считается наиболее эффективной. Один насос используется для обогрева жилого помещения, второй — для косвенного нагрева самого бойлера. Электрическая схема подключения предполагает систему переключения режимов — реле. В двухнасосной схеме подключения бойлера потоки теплоносителя передвигаются в различных направлениях за счет работы циркуляционных насосов. Линии горячей воды параллельно подключены к насосам, режим работы насосов регулируется за счет термодатчика нагревателя. В цепи после каждого насоса устанавливается обратный клапан, чтобы насосы работали автономно, независимо друг от друга.
Какие бывают варианты подводки и установки проточного водонагревателя?
Подводка бывает гибкой или жесткой. Монтаж гибкого шланга осуществляется значительно проще, однако такой вариант подводки подойдет только в случае близкого расположения стояка холодной воды.
Если же водонагреватель будет установлен на расстоянии более двух метров от стояка — лучше отдать предпочтение надежной жесткой подводке.
Способ подключения к системе водопровода будет зависеть от типа водонагревателя. Проточные электрические водонагреватели обычно оснащены гибким шлангом для входящей воды, который просто натягивается на кран с холодной водой. При монтаже других проточных моделей необходимо «врезаться» в систему водопровода. Иногда проточный электрический водонагреватель подсоединяют к смесителю в ванной комнате на шланг от душа.
Подводящие трубы отличаются материалом, надежностью и, соответственно, ценой.
- Стальные трубы. Самые дешевые. Подвержены коррозии. Если Вы выбрали стальные трубы, их нужно обязательно покрыть грунтовкой глубокого проникновения, а потом покрасить.
- Пластиковые трубы. Удобный монтаж. Выдерживают температуру до 100°С. Считаются ненадежными. Их используют для подключения в ограниченном пространстве.

- Металлопластиковые трубы. Средняя стоимость. Устойчивы к коррозии и легко монтируются. Лучшие на сегодняшний день для целей подключения водонагревателей к водопроводу. Состоят из трех слоев: пластик-металл-пластик. Иными словами: представляют собой металлические трубы, с внутренней и внешней сторон покрытые пластиком.
- Медные трубы. Самые дорогие. Самые долговечные. В процессе длительной эксплуатации медные трубы могут окислиться, но это не влияет на качество воды.
Установку водонагревателя можно поручить профессионалам, или же осуществить своим силами. Запомните, если давление теоретически может превышать шесть атмосфер, обязательно следует установить регулятор давления.
Самая грубая ошибка при самостоятельном монтаже водонагревателя — установка вертикальной модели в горизонтальном или перевёрнутом положении. В ассортименте Gorenje есть универсальные водонагреватели, которые исправно работают как в вертикальном, так и в горизонтальном положении.
Неправильная установка ведет не только к существенной потери производительности, но и скорому выходу водонагревателя из строя.
Если у вас остались вопросы, наши консультанты помогут определиться с выбором. Звоните по телефону +7 (800) 333-10-84 в любой день с 9 до 22 часов.
Назад к спискуКак долго служат косвенные водонагреватели?
8 ноября 2021 г.Наличие косвенного водонагревателя в вашем доме может обеспечить обильное горячее водоснабжение круглый год практически мгновенно, используя существующий источник тепла в вашем доме. Если вы планируете установить в своем доме систему косвенного нагрева воды, вы можете спросить: «Как долго служат косвенные водонагреватели?»
Косвенные водонагреватели могут служить 10–15 лет, но на срок службы могут влиять частота использования, рабочая температура и качество воды. Установка бака и змеевика из нержавеющей стали может продлить ожидаемый срок службы водонагревателя ID, а также регулярное техническое обслуживание.
Косвенные водонагреватели лучше всего работают с газовыми котлами и не подходят для использования с печами с принудительной подачей воздуха
Устанавливаем, обслуживаем и ремонтируем все виды отопительного и холодильного оборудования, включая бойлеры косвенного нагрева.
Свяжитесь с нами
При использовании с высокоэффективным бойлером и баком с хорошей изоляцией косвенный водонагреватель может стать самым дешевым способом обеспечения дома горячей водой. Читайте дальше, чтобы узнать больше о косвенных водонагревателях и о том, как Young’s Home Comfort может установить ваше новое отопительное оборудование.
Как работает косвенный водонагреватель?
Вода поступает в цилиндр ID через змеевик и возвращается обратно в бойлер, который косвенно нагревает воду. Области поверхности нагрева обычно располагаются в самой холодной части резервуара. Холодная вода поступает снизу, проходит через нагревательные змеевики, поднимается наверх и выходит на отвод горячей воды.
Резервуар для воды сам по себе не потребляет энергии, так как для нагрева воды используется внешнее устройство.
Какой тип водонагревателя ID?
Мы поставляем продукцию для котлов Crown через компанию Velocity Boiler Works LLC в Филадельфии. Водонагреватели Crown поставляются с 8-летней ограниченной гарантией на бак в сборе Mega-Stor2 и 1-летней гарантией на все компоненты Mega-Stor2. На сборку бака распространяется расширенная ограниченная пожизненная гарантия.
Узнайте больше о гарантии на косвенный водонагреватель Crown, позвонив в наш офис по телефону 215-234-4351 или написав нам по электронной почте [email protected].
После того, как ваша новая система будет установлена, мы рекомендуем один из наших планов Comfort Plan для обеспечения текущего обслуживания вашего оборудования.
Жесткая вода является одной из наиболее распространенных проблем с водой в Пенсильвании, включая такие районы, как округ Монтгомери и окружающие его округа.
Это может сократить срок службы приборов, использующих воду, поскольку вызывает накопление минералов. Наши технические специалисты могут обсудить любые проблемы с жесткой водой, которые могут у вас возникнуть.
Косвенный водонагреватель какого размера лучше всего?
Как правило, для семьи из 4 человек достаточно косвенного нагревателя объемом 30 галлонов. Однако это будет зависеть от максимального количества горячей воды, требуемого в час, в соответствии с вашими предпочтениями. Наши опытные специалисты помогут вам определить, какой размер обогревателя лучше всего соответствует потребностям вашей семьи. Наша семья предоставила профессиональные услуги по обеспечению домашнего комфорта клиентам из Поттстауна и короля Пруссии в Квакертаун, Дойлстаун, Аллентаун и Рединг.
Узнать больше
Опубликовано в HVAC, News on by Young’s Home Comfort.
Как долго может работать мой бойлер?
Одним из основных преимуществ использования водяного котла для обогрева вашего дома является то, что эти системы часто служат дольше, чем стандартные воздушные обогреватели, такие как печи и тепловые насосы.
Котлы не содержат столько движущихся механических частей, как воздухонагреватели, и это замедляет скорость их старения.
Но ни один котел не может работать вечно — ваш рано или поздно придется заменить. Но когда ? Сколько лет вы можете ожидать, чтобы выйти из вашего нынешнего котла, прежде чем вы получите новый?
Как и на все вопросы о долговечности системы отопления, ответ: «Это зависит». На срок службы котла влияет несколько факторов, таких как техническое обслуживание, ремонт и его тип. Мы постараемся дать вам краткий обзор, чтобы помочь вам подумать о будущем отопления вашего дома.
Расчетный срок службы Расчетный срок службы современного котла составляет от 15 до 20 лет. Это то, что большинство производителей указывают для своих систем. Мы рекомендуем домовладельцам задуматься о замене, когда их котлу исполнится более 15 лет и появятся признаки износа. Для котла, которому более двух десятков лет, мы рекомендуем проявлять еще большую бдительность в отношении устройства или, возможно, организовать его замену, даже если кажется, что котел все еще работает хорошо — существуют новые высокоэффективные котлы, которые могут быть хороший вариант апгрейда.
Срок службы котла зависит от его типа. Например, электрические котлы имеют более короткий срок службы по сравнению с газовыми котлами, часто от 8 до 10 лет, прежде чем их нагревательные элементы выйдут из строя. Высокоэффективные газовые котлы (также известные как конденсационные котлы) также имеют более короткий срок службы, обычно около 15 лет, а не более 20 лет. Это связано с тем, что в конденсационных котлах используется второй теплообменник и, следовательно, они больше подвержены воздействию дымовых газов на металлические компоненты, что может вызвать более раннюю коррозию. Экономия энергии конденсационного котла обычно компенсирует более короткий срок службы.
Техническое обслуживание и оперативный ремонт
