Стабилизатор сетевого напряжения 220в своими руками: Стабилизатор напряжения 220в для дома своими руками схема
Простейший стабилизатор напряжения 220 вольт своими руками
Известно, что яркость светодиода очень сильно зависит от протекающего через него тока. В то же время ток светодиода очень круто зависит от питающего напряжения. Отсюда возникают заметные пульсации яркости даже при незначительной нестабильности питания. Но пульсации — это не страшно, гораздо хуже то, что малейшее повышение питающего напряжения может привести к настолько сильному увеличению тока через светодиоды, что они просто выгорят. Чтобы этого не допустить, светодиоды особенно мощные обычно запитывают через специальные схемы — драйверы, которые по сути своей являются стабилизаторами тока. В этой статье будут рассмотрены схемы простых стабилизаторов тока для светодиодов на транзисторах или распространенных микросхемах.
Поиск данных по Вашему запросу:
Схемы, справочники, даташиты:
Прайс-листы, цены:
Обсуждения, статьи, мануалы:
Дождитесь окончания поиска во всех базах.
По завершению появится ссылка для доступа к найденным материалам.
Содержание:
- Стабилизатор напряжения — как все сделать своими руками. Видео.
- Мощный стабилизатор напряжения своими руками: принципиальные схемы + поэтапная инструкция сборки
- Как собрать стабилизатор напряжения своими руками. Стабилизатор напряжения схемы своими руками
- Симисторный стабилизатор напряжения своими руками
- Стабилизатор напряжения своими руками
- Как из простого преобразователя сделать стабилизатор тока
- Схема стабилизатора напряжения
- Простые линейные стабилизаторы тока для светодиодов своими руками
ПОСМОТРИТЕ ВИДЕО ПО ТЕМЕ: Как повысить напряжение на даче или в деревне
Стабилизатор напряжения — как все сделать своими руками. Видео.
Но поскольку в реальности скачки характеризуются большими изменениями, то электроприборам, подключенным к сети напрямую, грозит потеря проектных возможностей и даже выход из строя. Избежать неприятностей поможет использование специального оборудования. Но поскольку оно отличается весьма высокой ценой, то многие предпочитают собирать стабилизатор напряжения сделанный своими руками. Насколько оправдан такой шаг и что потребуется для его реализации?
Решив собрать прибор самостоятельно придется заглянуть внутрь корпуса промышленной модели. Она состоит из нескольких основных деталей:. Принцип действия самого простого стабилизатора основан на работе реостата.
Он повышает или понижает сопротивление в зависимости от силы тока. Более современные модели обладают широким набором функций и способны в полной мере защитить бытовую технику от скачков напряжения в сети.
Классификация оборудования зависит от методов, используемых для регулировки тока. Поскольку эта величина представляет собой направленное движение частиц, то воздействовать на нее можно одним из способов:.
Первый основывается на законе Ома. Приборы, работа которых основана на нем называют линейными. Они включают в себя два колена, которые соединяются при помощи реостата. Поданное на один элемент напряжение проходит по реостату и таким образом оказывается на другом, с которого поступает к потребителям. Приборы этого типа позволяют очень только выставлять параметры выходного тока и могут быть модернизированы дополнительными узлами.
Но использовать такие стабилизаторы в сетях, где разница между входным и выходным током велика нельзя, так как они не смогут обезопасить бытовую технику от КЗ при больших нагрузках. Импульсные модели работают по принципу амплитудной модуляции тока.
В цепи стабилизатора используется выключатель, разрывающий ее через определенные промежутки времени.
Такой подход позволяет равномерно накапливать ток в конденсаторе, а после его полной зарядки и далее на приборы.
В отличие от линейных стабилизаторов импульсные не имеют возможности задавать определенную величину. В продаже встречаются модели повышающе-понижающие — это идеальный выбор для дома. Но так как большинство бытовых приборов работают от однофазной сети, то в жилых помещениях используют как правило оборудование, относящееся к первому типу.
Поскольку наиболее эффективным считается симисторный аппарат, то в своей статье мы рассмотрим, как самостоятельно собрать именно такую модель. Сразу следует отметить, что этот стабилизатор напряжения, выполненный своими руками, будет выравнивать ток при условии, что входное напряжение находится в диапазоне от до В. Допустимая мощность приборов, подключаемых к такому оборудованию не сможет превышать 6 кВт. При этом переключение нагрузки будет осуществляться за 10 миллисекунд.
Чтобы собрать стабилизатор напряжения В для дома своими руками сначала нужно подготовить печатную плату размером х90 мм.
Она изготавливается из фольгированного стеклотекстолита. Схема размещения деталей может быть напечатана на лазерном принтере и при помощи утюга перенесена на плату. Первый провод используется для создания одной обмотки, при этом его диаметр составляет 0, мм.
Число витков должно равняться Два оставшихся провода потребуются для выполнения других обмоток. Они отличаются от первого диаметром, составляющим 0, мм. Количество витков для этих обмоток будет равно Если хотите упростить себе задачу, то можно воспользоваться двумя готовыми трансформаторами ТПК 12В. Их соединяют последовательно. В случае изготовления этих деталей самостоятельно после того как будет готов один из них переходят к созданию второго.
Для него будет нужен тороидальный магнитопровод. Для обмотки выбирают тот же ПЭВ-2, что и в первом случае, только количество витков составит Также во втором трансформаторе придется выполнить 7 отводов. Это поможет избежать нагревания трансформатора в процессе работы. Все остальные комплектующие для прибора, создаваемого своими руками лучше приобретать в магазине.
После того, как все необходимое закуплено можно приступать к сборке. На него также монтируются симисторы. Причем теплоотвод, на который предполагается их установка должен иметь охлаждающую поверхность. Далее необходимо установить на плату светодиоды. Причем лучше выбирать мигающие. Если не получается расположить их согласно схеме, то можно разместить на стороне, где находятся печатные проводники. Если сборка симисторного стабилизатора напряжения В своими руками для вас кажется сложной, то можно остановиться на более простой линейной модели.
Она будет обладать аналогичными свойствами. Что толкает человека на изготовление того или иного прибора? Чаще всего — его высокая стоимость. И в этом смысле стабилизатор напряжения, собранный своими руками, конечно, превосходит фабричную модель. К преимуществам самодельных устройств можно отнести и возможность самостоятельного ремонта.
Человек, собравший стабилизатор разобрался как в его принципе действия, так и строении и поэтому сможет устранить неисправность без посторонней помощи.
Кроме того, все детали для такого прибора предварительно покупались в магазине, поэтому в случае выхода их из строя всегда можно будет найти аналогичную. Если же сравнивать надежность стабилизатора, собранного своими руками и произведенного на предприятии, то здесь преимущество на стороне заводских моделей. В домашних условиях разработать модель, отличающуюся высокой производительностью практически невозможно, так как нет специального измерительного оборудования. Существуют различные типы стабилизаторов напряжения, причем некоторые из них вполне реально сделать своими руками.
Но для этого придется разобраться в нюансах работы оборудования, приобрести необходимые комплектующие и выполнить их грамотный монтаж. Если вы не уверены в своих силах, то лучший вариант — приобретение устройства заводского изготовления. Стоит такой стабилизатор дороже, но и по качеству значительно превосходит модели, собираемые самостоятельно. Бытовые устройства чувствительны к скачкам напряжения, быстрее подлежат износу, и появляются неисправности.
Это взаимосвязано с отдаленностью источника энергии и некачественной линии питания. Чтобы подключать приборы к устойчивому питанию, в жилых помещениях применяют стабилизаторы напряжения. На его выходе напряжение обладает стабильными свойствами. Стабилизатор можно приобрести в торговой сети, однако такой прибор можно изготовить своими руками.
Это отклонение должно быть соблюдено как в большую сторону, так и в меньшую. Но идеальной электрической сети не бывает, и величина напряжения в сети часто меняется, усугубляя тем самым работу подключенных к ней устройств. Электрические приборы отрицательно реагируют на такие капризы сети и могут быстро выйти из строя, потеряв при этом свои заложенные функции. Чтобы избежать таких последствий, люди применяют самодельные приборы под названием стабилизаторы напряжения.
Эффективным стабилизатором стал прибор, выполненный на симисторах. Как сделать стабилизатор напряжения своими руками мы и рассмотрим.
Это устройство стабилизации не будет иметь повышенную чувствительность к изменениям напряжения, подающегося по общей линии. Сглаживание напряжения будет производиться в том случае, если на входе напряжение будет находиться в пределах от до вольт. Включенные в сеть устройства будут питаться напряжением, имеющим величину от до вольт.
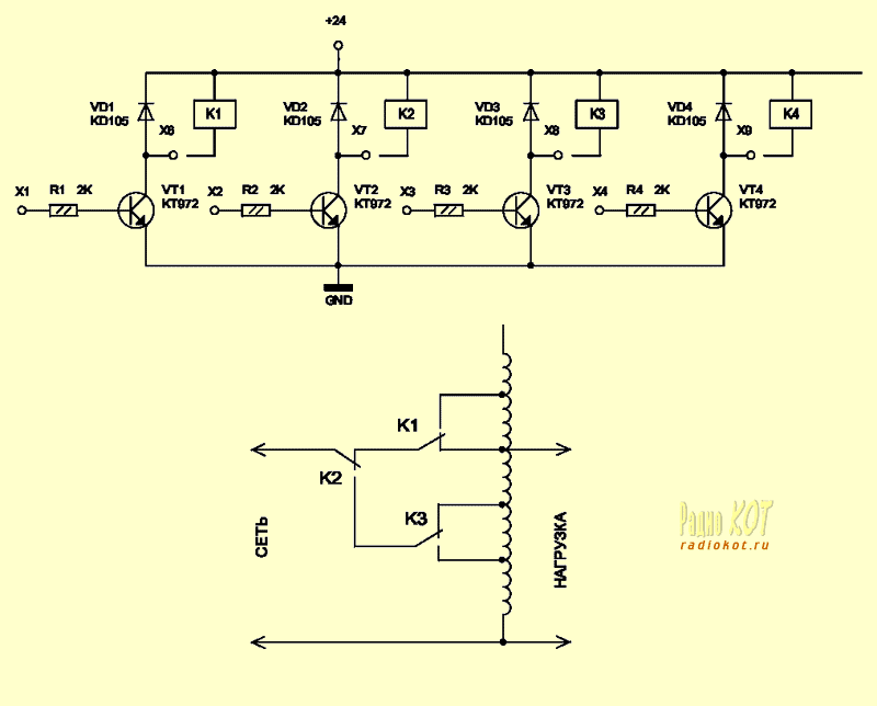
От такого прибора можно будет питать электрические устройства, суммарная мощность которых до 6 кВт. Стабилизатор будет производить переключение нагрузки потребителя за 10 мс. После подключения питания емкость С1 находится в состоянии разряда, транзистор VТ1 открытый, а VТ2 закрытый.
VТ3 транзистор также остается закрытым. Через него поступает ток на все светодиоды и оптитрон на основе симисторов. Так как этот транзистор пребывает в закрытом состоянии, то светодиоды не горят, а каждый симистор закрыт, нагрузка выключена. В этот момент ток поступает через сопротивление R1 и приходит на С1.
Дальше конденсатор начинает заряжаться. Диапазон выдержки идет три секунды.
За этот период производятся все процессы перехода. После этого открывается 3-й транзистор и подключается нагрузка. Напряжение, выходящее с 3-й обмотки Т1, выравнивается диодом VD2 и емкостью С2.
Далее ток поступает на делитель на сопротивлениях R Из сопротивления R14, напряжение, величина которого прямо зависит от величины напряжения, включена в каждый неинвертирующий компараторный вход. Число компараторов становится равным 8. Они все выполнены на микросхемах DА2 и DА3. В то же время на инвертируемый вход компараторов подходит постоянный ток, подающийся с помощью делителей R Дальше вступает в действие контроллер, осуществляющий прием входного сигнала каждого компаратора.
Когда напряжение входа становится меньше вольт, то на выходах компараторов появляется логический уровень малого размера. В этот момент транзистор VТ4 находится в открытом виде, первый светодиод мигает. Эта индикация сообщает о наличии низкого напряжения, что означает невозможность выполнения регулируемым стабилизатором своих функций.
Мощный стабилизатор напряжения своими руками: принципиальные схемы + поэтапная инструкция сборки
Современная сеть электропитания работает таким образом, что в ней очень часто меняется напряжение. Конечно, изменение тока являются допустимым, но в любом случае оно не должно быть больше десяти процентов от номинальных вольт. Данная норма отклонения должна соблюдаться как в сторону уменьшения, так и в сторону увеличения напряжения. Однако такое состояние сети электропитания является большой редкостью, так как ток в ней характеризуется большими изменениями. Для устранения такого негативного сценария люди используют различные стабилизаторы. Сегодня рынок предлагает очень много различных моделей, большая часть из которых стоит больших денег. Другая же часть не может похвастаться надежностью работы.
Стабилизатор тока своими руками. при помощи этой схемы доработать простой преобразователь напряжения и получить . Обычно транзистор открывается когда на резисторе R1 падает около Вольта.
Как собрать стабилизатор напряжения своими руками. Стабилизатор напряжения схемы своими руками
Стабилизатор на симисторах своими руками, продолжение Виктор Сочи. Делаем стабилизатор сетевого напряжения вольт с функцией латора, принцип работы. Начало тут ru-clip. Тиристорный стабилизатор 10 кВт В Мильён. Тиристорный стабилизатор 10 кВт В принцип действия и все режимы работы. Регулировка напряжения, защитные отключения, реакция на скачки.. Устройство и ремонт. Radiomaster Info. Простой мощный регулируемый стабилизатор напряжения своими руками.
Симисторный стабилизатор напряжения своими руками
Тип сети:. Ток вводного автомата. Колебание напряжения фазы. Отклонение выходного. Главная Стабилизатор напряжения своими руками Стабилизатор напряжения своими руками.
Но поскольку в реальности скачки характеризуются большими изменениями, то электроприборам, подключенным к сети напрямую, грозит потеря проектных возможностей и даже выход из строя.
Стабилизатор напряжения своими руками
В электрических цепях постоянно возникает необходимость в стабилизации тех или иных параметров.
С этой целью применяются специальные схемы управления и слежения за ними. Точность стабилизирующих действий зависит от так называемого эталона, с которым и сравнивается конкретный параметр, например, напряжение. То есть, когда значение параметра будет ниже эталона, схема стабилизатора напряжения включит управление и отдаст команду на его увеличение. В случае необходимости выполняется обратное действие — на уменьшение.
Как из простого преобразователя сделать стабилизатор тока
Но поскольку в реальности скачки характеризуются большими изменениями, то электроприборам, подключенным к сети напрямую, грозит потеря проектных возможностей и даже выход из строя. Избежать неприятностей поможет использование специального оборудования. Но поскольку оно отличается весьма высокой ценой, то многие предпочитают собирать стабилизатор напряжения сделанный своими руками. Насколько оправдан такой шаг и что потребуется для его реализации? Решив собрать прибор самостоятельно придется заглянуть внутрь корпуса промышленной модели.
своими руками. Стабилизатор на 12 В и особенности регулировки. Рассмотрим, как сделать регулятор напряжения в своими руками. Имеется.
Схема стабилизатора напряжения
Изготовление самодельных стабилизаторов напряжения — практика довольно частая. Однако по большей части создаются стабилизирующие электронные схемы, рассчитанные на относительно малые выходные напряжения вольт и относительно невысокие мощности. Подобные устройства используются в составе конкретной бытовой аппаратуры и не более того. Поэтому вполне актуальной является задача сделать мощный стабилизатор напряжения своими руками под работу с напряжением бытовой сети вольт.
Простые линейные стабилизаторы тока для светодиодов своими руками
В электрических цепях постоянно возникает необходимость в стабилизации тех или иных параметров. С этой целью применяются специальные схемы управления и слежения за ними. Точность стабилизирующих действий зависит от так называемого эталона, с которым и сравнивается конкретный параметр, например, напряжение.
То есть, когда значение параметра будет ниже эталона, схема стабилизатора напряжения включит управление и отдаст команду на его увеличение.
Зачастую для безопасного использования, например, телевизора, как правило, в сельской местности, нужен однофазный стабилизатор напряжения В , который при сильном понижении напряжения в электросети выдает на своем выходе номинальное выходное напряжение вольт.
Бытовые устройства чувствительны к скачкам напряжения, быстрее подлежат износу, и появляются неисправности. В электрической сети напряжение часто изменяется, снижается, либо возрастает. Это взаимосвязано с отдаленностью источника энергии и некачественной линии питания. Чтобы подключать приборы к устойчивому питанию, в жилых помещениях применяют стабилизаторы напряжения. На его выходе напряжение обладает стабильными свойствами. Стабилизатор можно приобрести в торговой сети, однако такой прибор можно изготовить своими руками. Это отклонение должно быть соблюдено как в большую сторону, так и в меньшую.
Перепады напряжения негативно сказываются на любой бытовой технике. Особенно это касается высокоточной электроники, регулирующей работу отопительных приборов. Для того, чтобы выровнять ток в домашних условиях используют стабилизатор напряжения.
Стабилизатор напряжения своими руками. Как самостоятельно изготовить стабилизатор напряжения
Перепады напряжения негативно сказываются на любой бытовой технике. Особенно это касается высокоточной электроники, регулирующей работу отопительных приборов.
Содержание
- Стабилизатор напряжения и принцип его действия
- Виды стабилизаторов напряжения
- Основные элементы стабилизатора напряжения
- Изготовление самодельного стабилизатора напряжения
- Советы по работе с самодельным стабилизатором напряжения
Для того, чтобы выровнять ток в домашних условиях используют стабилизатор напряжения. В самом простом варианте он работает по принципу реостата, повышая и понижая сопротивление в зависимости от силы тока.
Но есть и более современные приборы, которые в полной мере защищают технику от скачков напряжения. О том, как их сделать и поговорим.
Стабилизатор напряжения и принцип его действия
Для более детального понимания работы прибора рассмотрим составляющие электрического тока:
- сила тока,
- напряжение,
- частота.
Сила тока – это количество заряда, который прошел через проводник за определенный промежуток времени. Напряжение, если объяснять очень просто, эквивалентно понятию работы, которое совершает электрическое поле. Частота – это скорость, с которой поток электронов меняет свое направление. Данная величина характерна исключительно для переменного тока, который циркулирует в электросети. Большинство бытовых приборов рассчитано на напряжение в 220 Вольт, при этом сила тока должна быть 5 Ампер, а частота 50 Герц.
В большинстве случаев бытовая техника имеет допустимую вилку по каждому из параметров, но любая защита рассчитана на то, что условия работы приборов длительное время будут неизменными.
В нашей же сети колебания тока происходят практически постоянно. Амплитуда составляет до 2 А по силе тока и до 40-50 В, по напряжению. Частота тока, также отлична от 50 Гц и составляет от 40 Гц до 60 Гц.
Данная проблема связана со многими факторами, но главный среди них, — удаленность конечного потребителя от источника электричества. В результате достаточно длительной транспортировки и многократной трансформации, ток теряет стабильность. Данный дефект электросетей присутствует не только у нас, но и в любых других странах, которые пользуются электричеством. Поэтому был придуман специальный прибор, позволяющий стабилизировать выходной ток.
Виды стабилизаторов напряжения
Так как ток – это направленное движение частиц, для его регулировки используются:
- механический метод,
- импульсный метод.
Механический основан на законе Ома. Такой стабилизатор называется линейным. Он состоит из двух колен, соединенных между собой реостатом. Напряжение подается на одно колено, проходит по реостату и попадает на второе колено, с которого уже и раздается далее.
Преимущества данного метода заключается в том, что он позволяет достаточно точно установить параметры выходного тока. В зависимости от предназначения, линейный стабилизатор модернизируют дополнительными запчастями. Стоит отметить, что прибор эффективно справляется со своей задачей только в том случае, если разница между входным и выходным током невелика. В противном случае стабилизатор будет иметь низкий КПД. Но даже этого достаточно, чтобы защитить бытовую технику и обезопасить себя от короткого замыкания в случае перенагрузки сети.
Импульсный стабилизатор напряжения основан на принципе амплитудной модуляции тока. Схема стабилизатора напряжения устроена таким образом, что в цепи есть выключатель, который автоматически разрывает цепь через равные промежутки времени. Это позволяет подавать ток частями и равномерно накапливать его в конденсаторе. После того, как он зарядится, уже выровненный ток подается на приборы. Недостаток этого метода в том, что он не позволяет задать определенную величину.
Тем не менее, достаточно часто встречаются импульсные повышающе-понижающие стабилизаторы, которые оптимально подходят для бытового использования. Они выравнивают ток в пределах чуть ниже или чуть выше нормы. В обоих случаях все параметры тока не выходят за допустимую вилку.
Важно отметить и разделение приборов на:
- стабилизатор напряжения однофазный,
- стабилизатор напряжения трехфазный.
После перераспределения в трансформаторе, выходит трехфазная линия, она как правило идет до распределительного щитка на отдельно взятый дом. Далее от щитка в квартиру идут уже стандартные фаза и ноль. Таким образом большинство бытовых приборов рассчитано именно на однофазную сеть. Поэтому в типовых квартирах целесообразно использовать однофазный стабилизатор. К тому же, стоит он в 10 раз дешевле трехфазного, даже если собрать его своими руками.
Стабилизаторы напряжения для дачи могут быть и трехфазными. Особенно актуально это для мощных насосов, культиваторов и тяжелой строительной техники.
В таком случае необходимо сделать стабилизатор, рассчитанный на трансформацию тока под конкретный прибор. На практике сделать это достаточно сложно. Поэтому проще взять его в аренду. Использование указанных выше приборов носит временный характер, поэтому смысла тратить время и деньги на трехфазный стабилизатор напряжения нет.
Основные элементы стабилизатора напряжения
Для того, чтобы собрать простой выравниватель тока не понадобится ни особых навыков, ни специфических деталей. Стабилизаторы напряжения для дома состоят из:
- трансформатора,
- конденсаторов,
- резисторов,
- диодов,
- провода для соединения микросхемы.
Идеально, если есть старый сварочный аппарат. Переделать его в стабилизатор напряжения очень легко, к том же не понадобится покупать дополнительные запчасти и конструировать корпус для микросхем. Этому вопросу посвящено видео в конце статьи. Но, ненужная сварка – это большая редкость, поэтому рассмотрим процедуру создания стабилизатора напряжения с нуля.
Так как импульсный стабилизатор не позволяет провести точную настройку параметров, рассматривать будем линейный стабилизатор напряжения.
Изготовление самодельного стабилизатора напряжения
Его основа – это трансформатор. На практике трансформаторы намного меньше, чем массивные будки для выравнивания высокого напряжения, приходящего с электростанции. Они представляют собой две катушки, образующие индуктивную электромагнитную связь. Проще говоря, ток подается на одну катушку, заряжает ее, затем возникает электромагнитное поле, которое заряжает вторую катушку, с которой ток идет далее. Эта взаимосвязь выражена формулой:
| U2 | = | N2 | = | I1 |
| U1 | N1 | I2 |
- U1 – напряжение на первичной обмотке,
- U2 – напряжение на вторичной обмотке,
- N1 – число витков на первичной обмотке,
- N2 – число витков на вторичной обмотке,
- I1 – сила тока на первичной обмотке,
- I2 – сила тока на вторичной обмотке.

Формула не идеальна, так как позволяет либо понижать напряжение, либо его повышать. В 90% случаев к потребителю доходит ток с низким напряжением. Поэтому имеет смысл сразу же сделать повышающий трансформатор. Индуктивные катушки к нему продаются в магазинах электротехники либо на любом блошином рынке. Важно отметить, что число витков должно быть не менее 2000 тысяч, так как иначе трансформатор будет очень сильно греться и вскоре сгорит. Для того, чтобы выбрать мощность трансформатора, необходимо замерять напряжение в сети. Для расчетов возьмем значение 196 В. Формула приобретает такой вид:
| 220 | = | х |
| 196 | 2000 |
Следовательно, для того, чтобы выровнять напряжение до необходимого значения, понадобится вторая катушка с числом витков: 220х2000/196=2245. В данной формуле присутствуют определенные огрехи, так как часть электрической энергии теряется на нагревание обмотки.
Поэтому вилка расчетов составляет 5 В, т.е. значение 196 В допустимо округлять, оно может изменятся до 191 В или 201 В, при этом число витков менять не нужно.
Теперь рассмотрим вторую часть формулы:
| 220 | = | х |
| 196 | 4 |
Как видно из формулы, сила напряжения на выходе будет 220х4/196=4,4 А. Большинство электроприборов допускает вилку в 1 А. Поэтому полученная величина достаточна для нормальной работы техники.
Стабилизатор напряжения, энергия в котором увеличивается на заданную величину готов. Но, если в сети произойдет скачек мощности, то формула примет следующие значения:
| х | = | 2245 |
| 236 | 2000 |
Таки образом напряжение на выходе станет 236х2245/2000=264 В.
Пропорционально возрастет и сила тока.
| 264 | = | 4,47 |
| 236 | 4 |
Это приведет к поломке большинства электроприборов.
Для устранения данного дефекта воспользуемся законом Ома:
- U– напряжение,
- I– сила тока,
- R– сопротивление.
264=4,47хR, R=264/4,47=60. Данная формула говорит о том, что в идеале сопротивление всех элементов в системе будет составлять 60 Ом. Если понизить сопротивление, то напряжение уменьшиться:
220=4,47хR, R=220/4,47=50.
Для изменения сопротивления сети используется прибор, под названием реостат. Естественно, регулировать его вручную достаточно неудобно. Поэтому понадобится микросхема-стабилизатор напряжения, на которой будет отмечен путь следования электрического тока после выхода из трансформатора.
Наиболее простой способ – это вывести ток с трансформатора на конденсатор.
Желательно использовать 12-16 конденсаторов одинаковой емкости. Это позволит накопить ток и сделать его более однородным. Далее все конденсаторы подсоединяются к реостату. Сила тока в сети после трансформатора будет в пределах 4,5-5 А, а желаемое напряжение должно составлять 220 В. Следовательно, имеем формулу R=220/4,75=46. При усредненных показателях сопротивление должно составлять 46 Ом.
Для достижения более плавного выравнивания, желательно установить несколько параллельных реостатов. Таким образом соединяясь в один поток после конденсаторов, цепь необходимо распределить на 4,6,8 отдельных веток, подключенных к реостатам. При этом следует использовать формулу R/число реостатов. Если делать цепь из 6 реостатов, то согласно представленным данным, каждый из них должен иметь сопротивление в 8 Ом.
После прохождения реостатов, цепь снова собирается в один поток и выводится на диод. Диод подключается к обычной розетке.
Все указанные манипуляции относятся к проводу на котором находится фаза, ноль просто пропускаем напрямую к розетке.
Указанный с реостатами способ является достаточно архаичным. Намного более эффективно использовать вместо них обычное устройство защитного отключения. Ток от трансформатора подается на УЗО, ноль также подключается к УЗО. Далее от него идет выход напрямую к розетке.
В том случае, если напряжение или сила тока возрастут в следствии скачка напряжения, УЗО разомкнет цепь, и бытовая техника не пострадает. В остальное время трансформатор будет качественно выравнивать ток.
При повышенном напряжении понадобится понижающий трансформатор. Собирается он по аналогии, за тем исключением, что обмотка на второй катушке должна быть сделана из более толстой проволоки, иначе трансформатор сгорит.
Наиболее эффективно собрать оба трансформатора. Тем более, что есть конструкции понижающе-повышающего типа. В первом случае понадобится ручное переключение провода, во втором — процесс поддается автоматизации. Как видно, сделать стабилизатор напряжения не сложно, но работа с электричеством предполагает предельный уровень осторожности.
Советы по работе с самодельным стабилизатором напряжения
Важно: описанная схема идеально подходит для постоянных условий, но в электросети достаточно часто случаются перебои и скачки, как вверх, так и вниз.
Поэтому при сборке стабилизатора напряжения рекомендуем отталкиваться от параметров конкретной техники, т.е.:
- продумать разводку по квартире,
- если ремонта не предполагается, установить удлинители под определенные группы электроприборов со схожими параметрами,
- подключить каждую группу к отдельному стабилизатору.
Любая бытовая техника либо на тыльной стороне, либо в паспорте содержит ведомости о требованиях к электропитанию. Отталкиваясь от конкретных цифр значительно проще создать эффективный стабилизатор, так как нет необходимости подстраиваться под сеть. Еще один полезный гаджет – это электронный вольтметр. Желательно подключить его в схему стабилизатора для визуального контроля за его работой.
Для корпуса подойдет любой материал кроме дерева. Достаточно часто самодельные стабилизаторы помещают в пластиковые контейнеры для еды.
Сборка 2-ступенчатой схемы стабилизатора сетевого питания — Весь дом
В этой статье мы узнаем, как сделать 2-релейную или двухступенчатую схему стабилизатора напряжения для управления и регулирования сетевого напряжения 220 В или 120 В с помощью простой схемы.
Введение
В этой схеме стабилизатора мощности одно реле подключено для выбора высокого или низкого отвода от трансформатора стабилизатора при определенном уровне напряжения; в то время как второе реле поддерживает нормальное сетевое напряжение включенным, но в момент колебания напряжения оно переключается и выбирает соответствующий ГОРЯЧИЙ отвод через контакты первого реле.
Обсуждаемая здесь простая схема стабилизатора питания очень проста в сборке, но при этом способна обеспечить двухступенчатую коррекцию входной сети.
Простой метод преобразования обычного трансформатора в стабилизирующий трансформатор также обсуждался с использованием принципиальных схем.
Работа схемы
Как показано на следующем рисунке, всю работу схемы можно понять по следующим пунктам:
Основная идея состоит в том, чтобы заставить реле №1 переключаться при двух различных крайних значениях сетевого напряжения (высоком и низком), которые считаются не подходящими для приборов.
Это переключение позволяет этому реле выбирать подходящее кондиционированное напряжение от другого реле через его размыкающие контакты.
Как подключить контакты реле
Контакты этого второго реле № 2 обеспечивают выбор соответствующего напряжения от стабилизирующего трансформатора и держат его готовым для реле № 1 всякий раз, когда оно переключается при опасных уровнях напряжения. При нормальном напряжении реле №1 остается включенным и выбирает нормальное напряжение через свои нормально разомкнутые контакты.
Транзисторы Т1 и Т2 используются как датчики напряжения. Реле №1 подключено к этой конфигурации на коллекторе T2.
Пока напряжение в норме, T1 остается выключенным. Следовательно, Т2 в этот момент остается включенным. Реле №1 активировано, и его нормально разомкнутые контакты подключают НОРМАЛЬНЫЙ переменный ток к устройству.
Если напряжение имеет тенденцию к росту, Т1 медленно проводит, и при определенном уровне (определяется настройкой Р1) Т1 полностью проводит и отключает Т2 и реле №1.
Реле немедленно подключает скорректированное (пониженное) напряжение, подаваемое реле №2, через свои размыкающие контакты к выходу.
Теперь, в случае низкого напряжения T1 и T2 оба перестанут проводить, что даст тот же результат, что и выше, но на этот раз подаваемое напряжение от реле № 2 к реле № 1 будет высоким, так что выход получает требуемое скорректированный уровень напряжения.
Реле №2 получает питание от T3 при определенном уровне напряжения (в соответствии с настройкой P3) между двумя крайними значениями напряжения.
Его контакты подключены к отводу трансформатора стабилизатора, так что он соответствующим образом выбирает нужное напряжение.
Как собрать схему
Конструкция этой схемы очень проста. Это можно сделать, выполнив следующие действия:
Отрежьте небольшой кусок платы общего назначения (примерно 10 на 5 мм).
Начните сборку, сначала вставив транзисторы, оставив достаточно места между ними, чтобы остальные можно было разместить вокруг каждого из них. Припаяйте и отрежьте их выводы.
Затем вставьте остальные компоненты и соедините их друг с другом и с транзисторами пайкой. Воспользуйтесь электрической схемой для их правильной ориентации и размещения.
Наконец, закрепите реле, чтобы завершить сборку платы.
Следующая страница посвящена конструкции трансформатора стабилизатора мощности и процедуре испытаний. После завершения этих процедур вы можете интегрировать проверенную сборку схемы в соответствующие трансформаторы.
Вся установка может быть помещена в прочный металлический корпус и установлена для выполнения необходимых операций.
Список деталей
R1, R2, R3 = 1K, 1/4W,
P1, P2,P3 = 10K, ЛИНЕЙНЫЕ ПРЕДУСТАНОВКИ,
C1 = 1000 мкФ/25 В
Z1, Z2, Z3 = 3 В, 400 мВт стабилитрон,
T1, T2, T3 = BC 547B,
RL1, RL2= РЕЛЕ 12 В, SPDT, 4000OH -D4 = 1N4007,
TR1 = 0–12 В, 500 мА,
TR2 = 25–0–25 В, 5 А. С РАЗЪЕМНЫМ ЦЕНТРАЛЬНЫМ ОТВОДОМ, ОБЩЕЙ ПЛАТОЙ, МЕТАЛЛИЧЕСКИМ КОРПУСОМ, СЕТЕВЫМ ШНУРОМ, РОЗЕТКОЙ, ДЕРЖАТЕЛЕМ ПРЕДОХРАНИТЕЛЯ И Т. Д.
Как превратить обычный трансформатор в трансформатор-стабилизатор
Трансформаторы-стабилизаторы обычно изготавливаются на заказ и недоступны на рынке в готовом виде. Поскольку от них требуется несколько отводов сетевого напряжения переменного тока (высокого и низкого), а также поскольку они специфичны для конкретного приложения, становится очень сложно приобрести их в готовом виде.
Для данной схемы также требуется трансформатор регулятора мощности, но для простоты конструкции можно использовать простой метод преобразования обычного трансформатора источника питания в трансформатор стабилизатора напряжения.
Как показано на рисунке, здесь нам нужен обычный трансформатор на 25-0-25/5 А. Центральный отвод должен быть разделен, чтобы вторичная обмотка могла состоять из двух отдельных обмоток. Теперь осталось просто подключить первичные провода к двум вторичным обмоткам, как показано на схеме.
Таким образом, следуя описанной выше процедуре, вы сможете успешно преобразовать обычный трансформатор в стабилизирующий трансформатор, очень удобный для данного приложения.
Как настроить устройство
Для процедуры настройки вам потребуется переменный источник питания 0–24 В/500 мА. Это может быть завершено следующими шагами:
Поскольку мы знаем, что колебания напряжения сети переменного тока всегда будут создавать пропорциональную величину колебаний напряжения постоянного тока от трансформатора, мы можем предположить, что для входных напряжений 210, 230 и 250, соответственно полученные эквивалентные напряжения постоянного тока должны быть 11,5, 12,5 и 13,5 соответственно.
Теперь настройка соответствующих предустановок становится очень простой в соответствии с указанными выше уровнями напряжения.
- Сначала оставьте оба трансформатора TR1 и TR2 отключенными от цепи.
- Держите ползунок P1, P2 и P3 примерно посередине.
- Подключите внешний регулируемый источник питания к цепи. Отрегулируйте напряжение примерно до 12,5.
- Теперь медленно начните регулировать P3, пока не активируется RL2.
- Уменьшите напряжение питания примерно до 11,5 вольт (RL2 при этом должен отключиться), отрегулируйте P1 так, чтобы RL1 просто отключился.
- Постепенно увеличьте подачу примерно до 13,5 – это должно привести к включению RL1 и RL2 один за другим, указывая на правильность вышеуказанных настроек.
- Теперь медленно отрегулируйте P2 так, чтобы RL1 снова деактивировался при этом напряжении (13.5).
- Подтвердите указанные выше настройки, изменяя входное напряжение от 11,5 до 13,5 В и обратно. Вы должны получить следующие результаты:
- RL1 должен деактивироваться при уровнях напряжения 11,5 и 13,5, но должен оставаться активным между этими напряжениями.
RL2 должен включаться выше 12,5 и выключаться ниже 12 вольт.
На этом процедура настройки завершена.
Окончательная конструкция этого блока регулятора мощности может быть завершена путем соединения тестируемой цепи с соответствующими трансформаторами и сокрытия всей секции внутри хорошо вентилируемого металлического корпуса, как это было предложено на предыдущей странице.
Схема автоматического стабилизатора напряжения для телевизоров и холодильников
Вы здесь: Главная / Домашние электрические схемы / Схема автоматического стабилизатора напряжения для телевизоров и холодильников
Последнее обновление от Swagatam 94 комментариев
Здесь мы изучим конструкцию простого автоматического стабилизатора сетевого напряжения переменного тока, который можно применять для защиты таких приборов, как телевизоры и холодильники, от колебаний напряжения.
Стабилизатор напряжения — это устройство, предназначенное для обнаружения несоответствующих колебаний напряжения на входах сети переменного тока и корректировки их для создания стабилизированного напряжения для подключенных приборов или гаджетов.
Как работает схема
Ссылаясь на рисунок, мы видим, что предлагаемая схема автоматического стабилизатора напряжения сконфигурирована с одним операционным усилителем IC 741. Он становится секцией управления всей конструкции. Операционный усилитель подключен как компаратор, мы все знают, насколько хорошо этот режим подходит для IC 741 и других операционных усилителей. Его два входа подходят для указанных операций.
Вывод № 2 микросхемы фиксируется на опорном уровне, создаваемом резистором R1 и стабилитроном, а на вывод № 3 подается напряжение выборки от трансформатора или источника питания.
Это напряжение становится напряжением считывания для микросхемы и прямо пропорционально изменению входного переменного тока нашего источника питания.
Предустановка используется для установки точки срабатывания или пороговой точки, при которой напряжение может считаться опасным или недопустимым. Мы обсудим это в разделе процедуры настройки.
На контакте №6, который является выходом микросхемы, устанавливается высокий уровень, как только контакт №3 достигает заданного значения, и активирует каскад транзистора/реле.
В случае, если напряжение сети превышает заданный порог, неинвертирующая микросхема обнаруживает это, и ее выход немедленно становится высоким, включая транзистор и реле для желаемых действий.
Реле типа DPDT имеет контакты, подключенные к трансформатору, который представляет собой обычный трансформатор, модифицированный для выполнения функции стабилизирующего трансформатора.
Его первичная и вторичная обмотки соединены между собой таким образом, что путем соответствующего переключения отводов трансформатор может добавлять или вычитать определенную величину сетевого напряжения переменного тока и выдавать полученное значение на выходную подключенную нагрузку.
Контакты реле соответствующим образом интегрированы в ответвления трансформатора для выполнения вышеуказанных действий в соответствии с командами, подаваемыми с выхода операционного усилителя.
Таким образом, если входное напряжение переменного тока имеет тенденцию к увеличению установленного порогового значения, трансформатор вычитает некоторое напряжение и пытается не допустить, чтобы напряжение достигло опасного уровня, и наоборот в ситуациях низкого напряжения.
Полная принципиальная схема
Расчеты операционных усилителей
Если вместо стабилитрона на выводе № 2 использовался резисторный делитель, отношение между опорным уровнем на выводе № 2 операционного усилителя с резисторным делителем и Vcc может быть указано как:
Vref = (R2 / R1 + R2) x Vcc
Где R2 — резистор, используемый вместо Z1.
Схема подключения реле трансформатора
Список деталей
Для изготовления этой самодельной схемы автоматического стабилизатора сетевого напряжения потребуются следующие компоненты:
- R1, R2 = 10 K, медленная коррекция напряжения)
- C1 = 1000 мкФ/25 В
- D1, D2, D3 = 1N4007,
- T1 = BC547,
- TR1 = 0–12 В, 500 мА,
- TR2 = 9–0–9 В, 5 А,
- IC1 = 741,
- Z1, Z2 = 4,7 В/400 мВт
- Реле 1 = DP , 200 или более Ом, приблизительное выходное напряжение для заданных входов
Пропорции стабилизированного выходного и нестабилизированного входного напряжения
ВХОД —— ВЫХОД
200 В ——— 212 В 210 В — ——- 222В
220В ——— 232В
225В ——— 237В
230В ——— 218В
240В ——- — 228В
250 В ——— 238 В
Как настроить схему
Обсуждаемую схему простого автоматического стабилизатора напряжения можно настроить, выполнив следующие действия: Держите R3 отключенным.
Теперь, используя переменный источник питания, подайте питание на цепь через C1, положительный источник питания идет на линию контакта № 7 операционного усилителя, а отрицательный — на линию отрицательного контакта № 4 операционного усилителя.
Установите напряжение примерно на 12,5 В и отрегулируйте предустановку так, чтобы выходной сигнал ИС только стал высоким и срабатывал реле.
Помните, здесь мы предположили, что выход постоянного тока 12,5 В от TR1 соответствует примерно 225 В переменного тока на входе от сети…. Для вашей схемы обязательно подтвердите это перед выполнением этой процедуры настройки. Это означает, что если вы обнаружите, что ваш выход постоянного тока TR1 соответствует 13 В для входа 225 В, затем выполните эту процедуру, используя 13 В …. и так далее.
Теперь снижение напряжения примерно до 12 вольт должно привести к тому, что операционный усилитель приведет реле в исходное состояние или обесточит его.
Повторить и проверить действие реле, изменив напряжение с 12 до 13 вольт, что должно привести к соответствующему срабатыванию реле.
Процедура настройки завершена.
Теперь вы можете подключить оба трансформатора к соответствующим позициям в схеме, а также восстановить соединения R3 и реле в исходных точках
Ваша простая самодельная схема стабилизатора сетевого напряжения готова.
При установке реле срабатывает всякий раз, когда входное напряжение превышает 230 вольт, доводя выходное напряжение до 218 вольт, и постоянно удерживает это расстояние, когда напряжение достигает более высоких уровней.
Когда напряжение снова падает до 225 В, реле обесточивается, поднимая напряжение до 238 В, и поддерживает разницу при дальнейшем падении напряжения.
Описанное выше действие удерживает выходное напряжение на приборе в диапазоне от 200 до 250 вольт с колебаниями от 180 до 265 вольт.
Предупреждение. Одно неправильное соединение может привести к пожару или взрыву, поэтому действуйте с осторожностью. Всегда используйте защитную лампу мощностью 100 Вт последовательно с той линией сети, которая изначально идет к стабилизирующему трансформатору.
