Светодиод 12 вольт мигающий: Светодиод 12V 5мм мигающий RGB Clear Fast
Мигающий светодиод своими руками: схемы с описанием
Мигающие светодиоды часто применяют в различных сигнальных цепях. В продаже довольно давно появились светодиоды (LED) различных цветов, которые при подключении к источнику питания периодически мигают. Для их мигания не нужны никакие дополнительные детали. Внутри такого светодиода смонтирована миниатюрная интегральная микросхема, управляющая его работой. Однако для начинающего радиолюбителя намного интереснее сделать мигающий светодиод своими руками, а заодно изучить принцип работы электронной схемы, в частности мигалок, освоить навыки работы с паяльником.
[contents]
Содержание
- Как сделать светодиодную мигалку своими руками
- Простая мигалка на светодиоде
- Мигающий светодиод на одной батарейке
Как сделать светодиодную мигалку своими руками
Существует множество схем, с помощью которых можно заставить мигать светодиод. Мигающие устройства можно изготовить как из отдельных радиодеталей, так и на основе различных микросхем.
Сначала мы рассмотрим схему мигалки мультивибратора на двух транзисторах. Для ее сборки подойдут самые ходовые детали. Их можно приобрести в магазине радиодеталей или «добыть» из отживших свой срок телевизоров, радиоприемников и другой радиоаппаратуры. Также во многих интернет магазинах можно купить наборы деталей для сборки подобных схем led мигалок.
На рисунке изображена схема мигалки мультивибратора, состоящая всего из девяти деталей. Для ее сборки потребуются:
- два резистора по 6.8 – 15 кОм;
- два резистора имеющие сопротивление 470 – 680 Ом;
- два маломощных транзистора имеющие структуру n-p-n, например КТ315 Б;
- два электролитических конденсатора емкостью 47 –100 мкФ
- один маломощный светодиод любого цвета, например красный.
Не обязательно, чтобы парные детали, например резисторы R2 и R3, имели одинаковую величину. Небольшой разброс номиналов практически не сказывается на работе мультивибратора. Также данная схема мигалки на светодиодах не критична к напряжению питания.
Она уверенно работает в диапазоне напряжений от 3 до 12 вольт.
Схема мигалки мультивибратора работает следующим образом. В момент подачи на схему питания, всегда один из транзисторов окажется открытым чуть больше чем другой. Причиной может служить, например, чуть больший коэффициент передачи тока. Пусть первоначально больше открылся транзистор Т2. Тогда через его базу и резистор R1 потечет ток заряда конденсатора С1. Транзистор Т2 будет находиться в открытом состоянии и через R4 будет протекать его ток коллектора. На плюсовой обкладке конденсатора С2, присоединенной к коллектору Т2, будет низкое напряжение и он заряжаться не будет. По мере заряда С1 базовый ток Т2 будет уменьшаться, а напряжение на коллекторе расти. В какой-то момент это напряжение станет таким, что потечет ток заряда конденсатора C2 и транзистор Т3 начнет открываться. С1 начнет разряжаться через транзистор Т3 и резистор R2. Падение напряжения на R2 надежно закроет Т2. В это время через открытый транзистор Т3 и резистор R1 будет течь ток и светодиод LED1 будет светиться.
Если посмотреть осциллограммы на коллекторах транзисторов, то они будут иметь вид прямоугольных импульсов.
Когда ширина (длительность) прямоугольных импульсов равна расстоянию между ними, тогда говорят, что сигнал имеет форму меандра. Снимая осциллограммы с коллекторов обоих транзисторов одновременно, можно заметить, что они всегда находятся в противофазе. Длительность импульсов и время между их повторениями напрямую зависят от произведений R2C2 и R3C1. Меняя соотношение произведений можно изменять длительность и частоту вспышек светодиода.
Для сборки схемы мигающего светодиода понадобятся паяльник, припой и флюс. В качестве флюса можно использовать канифоль или жидкий флюс для пайки, продающийся в магазинах. Перед сборкой конструкции необходимо тщательно зачистить и залудить выводы радиодеталей. Выводы транзисторов и светодиода нужно соединять в соответствии с их назначением. Также необходимо соблюдать полярность включения электролитических конденсаторов.
Маркировка и назначение выводов транзисторов КТ315 показаны на фото.
Проще всего определить катод светодиода, рассматривая прибор на просвет. Катодом является электрод с большей площадью. Минусовой вывод «электролита» обычно помечен белой полосой на корпусе прибора.
В зависимости от задач, которые ставит перед собой радиолюбитель, схему мигалки можно собрать «навесу», соединяя выводы радиодеталей между собой с помощью отрезков тонкого провода. В этом случае может получиться конструкция наподобие той, что показана ниже на фото.
Собираем мигалку «на коленке»Если нужно собрать мигалку для последующего применения, то монтаж можно выполнить на куске жесткого картона или изготовить печатную плату из текстолита.
Простая мигалка на светодиоде
Существуют более простые схемы мигалок на светодиоде. Одна из таких показана на следующем фото.
Схема самой простой мигалкиЕсли внимательно присмотреться к этой светодиодной мигалке, то можно увидеть, что транзистор в схеме мигалки включен «неправильно».
Во-первых, неправильно подключены эмиттер и коллектор. Во-вторых, база «висит в воздухе». Однако схема светодиодной мигалки вполне рабочая. Дело в том, что в ней КТ315 работает как динистор. При достижении на нем порогового значения обратного напряжения происходит пробой полупроводниковых структур и транзистор открывается. Нарастание напряжения на транзисторе происходит по мере зарядки конденсатора. После открывания транзистора конденсатор разряжается на светодиод. Так как в схеме мигалки на светодиодах используется нестандартное включение транзистора, она может потребовать подбора резистора или конденсатора при наладке.
После того, как сделаете своими руками простую мигалку, можете переходить к более сложным мигающим устройствам, например к созданию цветомузыки на светодиодах.
Мигающий светодиод на одной батарейке
Большинство светодиодов работают при напряжениях свыше 1.5 вольт. Поэтому их нельзя простым способом зажечь от одной пальчиковой батарейки. Однако существуют схемы мигалок на светодиодах позволяющие преодолеть эту трудность.
Одна из таких показана ниже.
В схеме мигалки на светодиодах имеется две цепочки заряда конденсаторов: R1C1R2 и R3C2R2. Время заряда конденсатора С1 гораздо больше времени заряда конденсатора С2. После заряда С1 открываются оба транзистора и конденсатор С2 оказывается последовательно соединен с батарейкой. Через транзистор Т2 суммарное напряжение батареи и конденсатора прикладывается к светодиоду. Светодиод загорается. После разряда конденсаторов С1 и С2 транзисторы закрываются и начинается новый цикл зарядки конденсаторов. Такая схема мигалки на светодиодах называется схемой с вольтодобавкой.
Мы рассмотрели несколько схем мигалок на светодиодах. Собирая эти и другие устройства можно не только научиться паять и читать электронные схемы. На выходе можно получить вполне работоспособные приборы полезные в быту. Дело ограничивается только фантазией создателя. Проявив смекалку, из светодиодной мигалки можно, например, сделать сигнализатор открытой дверцы холодильника или указатель поворотов велосипеда.
Заставить мигать глазки мягкой игрушки.
Мигающий светодиод 12 вольт своими руками
Лишены возможности купить готовый мигающий светодиод, где внутрь колбы встроены необходимые элементы для осуществления нужной функции осталось подключить батарейку — попробуйте собрать авторскую схему. Понадобится немногое: рассчитать резистор светодиода, задающий совместно с конденсатором период колебаний в цепи, ограничить ток, выбрать тип ключа. По некоторым причинам экономика страны работает на добывающую отрасль, электроника закопана глубоко в землю. С элементной базой напряг. Подключая светодиод, узнайте минимум теории — портал ВашТехник готов помочь.
Поиск данных по Вашему запросу:
Схемы, справочники, даташиты:
Прайс-листы, цены:
Обсуждения, статьи, мануалы:
Дождитесь окончания поиска во всех базах.
По завершению появится ссылка для доступа к найденным материалам.

Содержание:
- Самостоятельное изготовление мигающего светодиода
- Как сделать чтобы диод моргал. Как самостоятельно сделать мигающий светодиод
- Простые схемы мигалок на основе мигающих светодиодов для сборки своими руками
- Как сделать мигающий диод от батарейки. Как сделать мигающий светодиод своими руками
- Как сделать мигающий светодиод?
- Мигающий светодиод или поделки для авто
- Светодиод 12 вольт мигающий – Как сделать мигающий светодиод: обзор различных схем
- Мигающий светодиод – находка для автомобилиста. Мигалка на 12 вольт своими руками
ПОСМОТРИТЕ ВИДЕО ПО ТЕМЕ: Простая схема светодиодной мигалки.
Сделай сам
Самостоятельное изготовление мигающего светодиода
Множество устройств дополняются мигающими светодиодами, обеспечивая подачу необходимых сигналов или простую подсветку. Прежде чем сделать оригинальный мигающий светодиод, необходимо узнать некоторые моменты относительно этих устройств.
Для создания своими руками мигающего устройства можно воспользоваться платформой Ардуино. Ардуино — это аппаратная вычислительная платформа. Что самое интересно, Ардуино предназначена для аматорского использования, позволяет создавать всевозможные схемы.
Чтобы создать красный, синий, желтый или любой другой светодиод или полноценную светодиодную ленту, сделать это путем подключения к сети на Вольт — не самое лучшее решение. На практике подобные схемы через питание на Вольт существуют, но самостоятельно добиться эффекта мигания крайне сложно.
Далее следует непосредственное подключение. Если сделать все правильно, мигающий светодиод будет работать. А где именно применить мигающие светодиоды? Тут вы действуйте на свое усмотрение. Вам же потребовалось для чего-то собрать схему для обеспечения мигания этих ламп? Соответственно, определенные задумки относительно применения схемы у вас имеются.
Красный, синий, желтый, оранжевый — светодиод может быть самым разнообразным. Это позволяет создавать целые оригинальные ленты из диодов. Некоторые могут работать от простой батарейки, либо от более серьезного источника питания.
При детальном изучении особенностей мигающих светодиодов, многим удается вскоре самостоятельно создать нечто вроде новогодних гирлянд с регулируемой частотой мигания. Принципиально сложного в подобных схемах ничего нет. Но начинать стоит с малого. Самостоятельное изготовление мигающего светодиода. Наши читатели рекомендуют! Для экономии на платежах за электроэнергию наши читатели советуют «Экономитель энергии Electricity Saving Box».
Он убирает реактивную составляющую из сети, в результате чего снижается нагрузка и, как следствие, ток потребления. Электроприборы потребляют меньше электроэнергии, снижаются затраты на ее оплату. Обязательно прочтите эти материалы: Обзор уличных фонарей на солнечных батареях: характеристики, виды и особенности установки Обзор влагозащищенных светодиодных лент Схемы подключения светодиодной ленты на В.
Рекомендовать статью. Рейтинг статьи рейтинг: 4,00 из 5. С удовольствием на них ответим! Нажмите, чтобы отменить ответ. Обзор уличных фонарей на солнечных батареях: характеристики, виды и особенности установки Обзор влагозащищенных светодиодных лент Схемы подключения светодиодной ленты на В.
Как сделать чтобы диод моргал. Как самостоятельно сделать мигающий светодиод
Иногда в автомобиле бывает необходимость сделать мигающий светодиод или два светодиода по очереди, а возможно и фары. В этой статье описаны простые способы и схемы , которые делают светодиод мигающим.
Возможно эта статья пригодится, тому кто хочет сделать стробоскопы или ещё какие поделки на базе светодиодов. Итак, простые попеременные вспышки диодов, можно сделать на двух транзисторах типа С или аналогичных им. Немного переделываем схему и получаем один мигающий светодиод. А вот если требуется подсоединить например автомобильные фары или противотуманки по такому принципу можно сделать и поворотники , то нужно вместо светодиодов поставить обыкновенное вольтовое автомобильное реле и уже к реле подключать фары.
Самостоятельное изготовление мигающего светодиода 12 Вольт считается оптимальным решением, потому рекомендуем вам остановиться именно.
Простые схемы мигалок на основе мигающих светодиодов для сборки своими руками
Мигающие светодиоды применяются в различных сигнальных схемах, в рекламных щитах и вывесках, электронных игрушках. Сфера их применения достаточно широка. Простая мигалка на светодиоде может быть также использована для создания автосигнализации. Надо сказать, что моргать этот полупроводниковый прибор заставляет встроенная микросхема ЧИП.
Основные достоинства готовых МСД: компактность и разнообразие расцветок, позволяющее красочно оформлять электронные устройства, например, рекламное табло с целью привлечения внимания покупателей. Но можно изготовить мигающий светодиод самостоятельно. Используя простые схемы, это сделать несложно. Как сделать мигалку, имея небольшие навыки работы с полупроводниковыми элементами, описано в этой статье.
Как сделать мигающий диод от батарейки. Как сделать мигающий светодиод своими руками
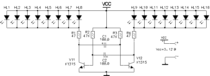
Данная светодиодная мигалка на 12 вольт позволяет создать эффект хаотичных вспышек каждого из 6 светодиодов. Принцип работы основан на лавинном пробое p-n перехода. Опишем работу схемы на одном блоке, оставшиеся пять работают по аналогичному принципу. При подаче напряжения питания через резистор R1 начинает заряжаться конденсатор С1 и следовательно на нем начинает расти напряжение. Пока он заряжается, ничего не происходит.
Перед тем как сделать мигающий светодиод самостоятельно, следует учесть все нюансы изготовления такой осветительной конструкции, а также приобрести качественные материалы и подготовить грамотную схему сборки.
Как сделать мигающий светодиод?
Оставьте комментарий 6, У любого начинающего радиолюбителя присутствует желание поскорей собрать что-нибудь электронное и желательно, чтобы оно заработало сразу и без трудоёмкой настройки. Да и это понятно, так как даже маленький успех в начале пути даёт массу сил. Как уже говорилось, первым делом лучше собрать блок питания. Ну а если он уже есть в мастерской, то можно собрать мигалку на светодиодах.
Мигающий светодиод или поделки для авто
Мультивибратор — простой генератор импульсов. Это одна из первых конструкций начинающих радиолюбителей. На мультивибраторе можно собрать простую мигалку на светодиодах. Итак, если Вы — начинающий радиолюбитель, то после освоения теоретической части электроники можно приступать к практике. Схема распространённого простого мультивибратора для двух каналов представлена ниже. Светодиодов в одном плече может быть не только один, но два, три и больше если соединить их.
Делаем мигающий светодиод своими руками: простейшие и сложные схемы.
Диапазон рабочего напряжения 3–12 вольт.
Светодиод 12 вольт мигающий – Как сделать мигающий светодиод: обзор различных схем
Светодиоды — это современные, экономичные, надежные радиоэлементы, применяемые для световой индикации. Мы думаем об этом знает каждый и все! Но здесь возникают определенный трудности.
Мигающий светодиод – находка для автомобилиста. Мигалка на 12 вольт своими руками
Время от времени у радиолюбителя появляется нужда сделать мигающий светодиод. Ниже приведена одна из схем с питанием всего от 1,5 вольта. Наличие низковольтного питания позволяет использовать данную схему в различных радиоэлектронных конструкциях и игрушках. Данная схема мигающего светодиода работает следующим образом. При подаче напряжения на схему, конденсатор С2 начинает заряжаться через сопротивления R3 и R5 до величины питающего напряжения.
Мигающие светодиоды часто применяют в различных сигнальных цепях.
Ремонт телефона. Купить аккумуляторные батареи. Забыл пароль? Ремонт телефона Недорогой ремонт смартфонов! Купить аккумуляторные батареи Купить аккумуляторные батареи.
Мигающий светодиод или поделки для авто. Иногда в автомобиле бывает необходимость сделать мигающий светодиод или два светодиода по очереди, а возможно и фары.Войти через. На AliExpress мы предлагаем тысячи разновидностей продукции всех брендов и спецификаций, на любой вкус и размер. Если вы хотите купить 12v мигающий светодиод и подобные товары, мы предлагаем вам 1, позиций на выбор, среди которых вы обязательно найдете варианты на свой вкус.
Как сделать мигающий светодиод: принцип действия, тесты, схема
Содержание
- 1 Принцип действия светодиода
- 2 Тестирование мигающих RGB светодиодов
- 3 Обычный светодиод мигает
Лишены возможности купить готовый мигающий светодиод, где внутрь колбы встроены необходимые элементы для осуществления нужной функции (осталось подключить батарейку) – попробуйте собрать авторскую схему. Понадобится немногое: рассчитать резистор светодиода, задающий совместно с конденсатором период колебаний в цепи, ограничить ток, выбрать тип ключа.
По некоторым причинам экономика страны работает на добывающую отрасль, электроника закопана глубоко в землю. С элементной базой напряг.
Принцип действия светодиода
Работа светодиода
Подключая светодиод, узнайте минимум теории – портал ВашТехник готов помочь. Район p-n перехода за счет существования дырочной и электронной проводимости образует зону несвойственных толще основного кристалла энергетических уровней. Рекомбинируя, носители заряда высвобождают энергию, если величина равна кванту света, спай двух материалов начинает лучиться. Оттенок определен некоторыми величинами, соотношение выглядит так:
E = h c / λ; h = 6,6 х 10-34 – постоянная Планка, с = 3 х 108 – скорость света, греческой буквой лямбда обозначается длина волны (м).
Из утверждения следует: может быть создан диод, где разница энергетических уровней присутствует. Так изготавливаются светодиоды. В зависимости от разницы уровней, цвет синий, красный, зелёный. Редкие светодиоды обладают одинаковым КПД.
Слабыми считают синие, которые исторически появились последними. КПД светодиодов сравнительно мал (для полупроводниковой техники), редко достигает 45%. Удельное превращение электрической энергии в полезную световую просто потрясающее. Каждый Вт энергии дает фотонов в 6-7 раз больше, нежели спираль накала в эквивалентных условиях потребления. Объясняет, почему светодиоды сегодня занимают прочную позицию в осветительной технике.
Создание мигалки на основе полупроводниковых элементов несравненно проще. Хватит сравнительно малых напряжений, схема начнет работать. Остальное сводится к правильному подбору ключевых и пассивных элементов для создания пилообразного или импульсного напряжения нужной конфигурации:
- Амплитуда.
- Скважность.
- Частота следования.
Очевидно, подключение светодиода к сети 230 вольт выглядит негодной идеей. Присутствуют подобные схемы, но заставить мигать сложно, элементная база отсутствует. Светодиоды работают от гораздо более низких питающих напряжений.
Самыми доступными считаются:
Простой светодиод
- Напряжение +5 В присутствует в устройствах заряда телефонных аккумуляторов, iPad и других гаджетов. Правда, выходной ток невелик, и не нужно. Вдобавок, +5 В нетрудно найти на шине блока питания персонального компьютера. С ограничением тока проблемы устраним. Провод красного цвета, землю ищите на черном.
- Напряжение +7…+9 Встречается на зарядных устройствах ручных радиостанций, в обиходе называемых рациями. Великое множество фирм, у каждой стандарты. Здесь бессильные дать конкретные рекомендации. Рации чаще выходят из строя в силу особенностей использования, лишние зарядные устройства обычно можно достать сравнительно дешево.
- Схема подключения светодиода будет лучше работать от +12 вольт. Стандартное напряжение микроэлектроники, встретим во многих местах. Компьютерный блок содержит вольтаж -12 вольт. Изоляция жилы синяя, сам провод оставлен для совместимости со старыми приводами. В нашем случае может понадобиться, не окажись под рукой элементной базы питания +12 вольт.
Комплементарные транзисторы найти, включить вместо исходных сложно. Номиналы пассивных элементов остаются. Светодиод включается обратной стороной. - Номинал -3,3 вольт на первый взгляд кажется невостребованным. Посчастливится достать на aliexpress RGB светодиоды SMD0603 4 рубля штука. Однако! Падение напряжения в прямом направлении не превышает 3 вольта (обратное включение не понадобится, но в случае неправильной полярности максимальный вольтаж составляет 5).
Устройство светодиода понятно, условия горения известны, приступим к реализации задумки. Заставим элемент мигать.
Тестирование мигающих RGB светодиодов
Компьютерный блок питания выступает идеальным вариантом тестирования светодиодов SMD0603. Нужно просто поставить резистивный делитель. Согласно схеме технической документации оценивают сопротивления p-n переходов в прямом направлении, заручившись помощью тестера. Прямое измерение здесь невозможно. Соберем схему, показанную ниже:
Схема оценки сопротивления p-n переходов
- Микросхема дана вместе с номерами ножек согласно техническим характеристикам.

- Питание подается на катод, полярность напряжения отрицательная. 3,3 вольта хватит открыть p-n переходы.
- Переменный резистор нужен небольшого номинала. На рисунке установлен с максимальным пределом 680 Ом. В таком положении должен находиться изначально.
- Сопротивление открытого p-n перехода невелико, нужен значительный запас, чтобы диоды не погорели (помним, что максимальное прямое напряжение составляет 3 В). Принимается во внимание факт: при низком вольтаже сопротивление каждого светодиода составит 700 Ом. При параллельном включении суммарное сопротивление вычисляется формулой, показанной на рисунке. Подставляя в качестве трех входных параметров 700, получаем 233 Ом. Сопротивление светодиодов, когда только-только начнут открываться (по крайней мере, так полагаем).
Формула расчета суммарного сопротивления
- Понадобится контролировать режим тестером (см. рисунок). Постоянно измеряем напряжение на светодиодной микросхеме, одновременно уменьшая значение сопротивления, пока разница потенциалов поднимется до 2,5 В.
Дальше повышать вольтаж попросту опасно, быть может, многие остановятся на 2,2 В. - Затем из пропорции найдем искомое сопротивление светодиодной микросхемы: (3,3 – 2,5)/2,5 = R пер / Rобщ, R пер – сопротивление переменного резистора, когда напряжение на дисплее тестера достигает 2,5 В. R общ = 3,125 R пер.
Провод +3,3 В блока питания компьютера оранжевой изоляции, схемную землю берем с черного. Обратите внимание: опасно включать модуль без нагрузки. Идеально подключить DVD-привод или другое устройство. Допускается при наличии умения обращения с приборами под током снять боковую крышку, извлечь оттуда нужные контакты, не снимать блок питания. Подключение светодиодов иллюстрирует схема. Измерили сопротивление на параллельном подключении светодиодов и остановились?
Поясняем: в рабочем состоянии светодиодов понадобится включить несколько, проделаем аналогичную настройку. Напряжение питания на микросхеме составит 2,5 вольта. Обратите внимание, светодиоды мигающие, показания неточные.
Максимальное не превыше 2,5 вольта. Индикация успешной работы схемы выражается миганием светодиодов. Чтобы часть мерцала, уберем питание с ненужных. Допускается собрать отладочную схему с тремя переменными резисторами – по одному в ветвь каждого цвета.
Теперь знаем, как сделать мигающую светодиодную подсветку своими руками. Можно ли варьировать время срабатывания. Полагаем, внутри должны использоваться емкости. Возможно, собственные паразитные элементы p-n переходов светодиодов. Подключая переменный конденсатор параллельно схеме на вход, можно попробовать что-либо изменить. Номинал очень мал, измеряется пФ. Маленькая микросхема лишена больших емкостей. Допускаем, резистор, подключенный параллельно микросхеме (см. пунктир на рисунке), усаженный на землю, будет образовывать точный делитель. Стабильность возрастет.
Номиналы нужно брать весомые, не забывать: значительно ограничим ток, идущий через светодиоды. Фактически потребуется продумать вопрос согласно ситуации.
Обычный светодиод мигает
Схема мигающего светодиода
Схема, изображенная рисунком, использует для работы лавинный пробой транзистора. КТ315Б, используемый в качестве ключа, имеет максимальное обратное напряжения между коллектором и базой 20 вольт. Опасного в таком включении мало. У модификации КТ315Ж параметр составляет 15 вольт, гораздо ближе выбранному напряжению питания +12 вольт. Транзистор использовать не стоит.
Лавинный пробой нештатный режим p-n перехода. За счет превышения обратного напряжения между коллектором и базой происходит ионизация атомов ударами разогнавшихся носителей заряда. Образуется масса свободных заряженных частиц, увлекаемых полем. Очевидцы утверждают: для пробоя транзистора КТ315 требуется обратное напряжение, приложенное между коллектором и эмиттером, амплитудой 8-9 В.
Пара слов о работе схемы. В первоначальный момент времени начинает заряжаться конденсатор. Подключен на +12 вольт, остальная часть схемы оборвана – закрыт транзисторный ключ.
Постепенно разница потенциалов повышается, достигает напряжения лавинного пробоя транзистора. Напряжение конденсатора резко падает, параллельно подключены два открытых p-n перехода:
- Транзисторный находится в режиме пробоя.
- Светодиод открыт за счет прямого включения.
В сумме напряжение составит порядка 1 вольта, конденсатор начинает разряжаться через открытые p-n переходы, только напряжение падает ниже 7-8 вольт, везение кончается. Транзисторный ключ закрывается, процесс повторяется заново. Схеме присущ гистерезис. Транзистор открывается при более высоком напряжении, нежели закрывается. Обусловлено инерционностью процессов. Видим, как работает светодиод.
Номиналы резистора, ёмкости определяют период колебаний. Конденсатор можно взять значительно меньше, включив меж коллектором транзистора и светодиодом небольшое сопротивление.
Например, 50 Ом. Постоянная разряда резко увеличится, проверить светодиод визуально будет проще (возрастет время горения). Понятно, ток не должен быть слишком большим, максимальные значения берутся из справочников. Не рекомендуется вести подключение светодиодных светильников из-за низкой термостабильности системы и наличия нештатного режима транзистора. Надеемся, обзор получился интересным, картинки доходчивыми, объяснения ясными.
Проблесковый маячок, предупреждение и опасность — освещение автомобиля
Похоже, в вашем браузере отключен JavaScript. Для наилучшего взаимодействия с нашим сайтом обязательно включите Javascript в своем браузере.
верхнийСчет
Инструменты сайта
1 — 25 из 38 Результаты
Страница
- Вы сейчас читаете страницу 1
- Страница 2
- Страница Проверить и оплатить
Страница 1 из 2
Отображать
25 50 100
на страницу
Сортировать по
Сортировать по Рейтинг отзывов Самый популярный Цена: от низкой к высокой Цена: от высокой к низкой Вольт Типичное Тип крепления Тип выходного соединения Цвет светодиода Значение CCT Установить восходящее направление
Посмотреть как Список Сетка
1 — 25 из 38 Результаты
Страница
- Вы сейчас читаете страницу 1
- Страница 2
- Страница Проверить и оплатить
Страница 1 из 2
Отображать
25 50 100
на страницу
Сортировать по
Сортировать по Рейтинг отзывов Самый популярный Цена: от низкой к высокой Цена: от высокой к низкой Вольт Типичное Тип крепления Тип выходного соединения Цвет светодиода Значение CCT Установить восходящее направление
Посмотреть как Список Сетка
Чтобы определенные продукты из контролируемых категорий, такие как электрические и электронные устройства, могли законно продаваться в Европейской экономической зоне, они должны иметь маркировку CE, что означает Conformité Européenne (Европейское соответствие).
Продукты с этой маркировкой соответствуют стандартам охраны окружающей среды, здоровья и безопасности, установленным европейским законодательством.
Департамент транспорта (DOT) устанавливает строгие правила в отношении внешнего освещения транспортных средств, которым необходимо следовать, чтобы свет был разрешен для использования на улицах. Автомобильные приспособления, такие как фары и задние фонари, имеющие знак соответствия DOT, являются законными, безопасными и считаются обеспечивающими подходящее освещение для уличного использования при правильной установке.
Предупредительные световые сигналы транспортных средств оцениваются Обществом автомобильных инженеров (SAE) в соответствии с классом. Светодиодные лампы класса 1 обеспечивают наибольшее количество света (по сравнению с лампами классов 2 и 3) и идеально подходят для аварийного освещения машин скорой помощи и пожарных машин, а также полицейских и спасательных машин.
Super Bright LEDs, Inc.
предлагает 2-летнюю гарантию на защиту от заводских дефектов и неисправностей. Если вы столкнулись с отказом светодиода или другого компонента, не вызванным небрежностью, неправильным обращением, несанкционированным ремонтом или разборкой, мы заменим продукт в течение гарантийного срока. В случае, если конкретный продукт больше не доступен, можно заменить продукт равной стоимости или подарочную карту на стоимость продукта. Подробнее
Компания Super Bright LEDs, Inc. предлагает 3-летнюю гарантию на отсутствие заводских дефектов и неисправностей. Если вы столкнулись с отказом светодиода или другого компонента, не вызванным небрежностью, неправильным обращением, несанкционированным ремонтом или разборкой, мы заменим продукт в течение гарантийного срока. В случае, если конкретный продукт больше не доступен, можно заменить продукт равной стоимости или подарочную карту на стоимость продукта. Подробнее
Компания Super Bright LEDs, Inc. гарантирует, что продукты с пожизненной гарантией не будут иметь дефектов материала и изготовления в течение всего срока службы продукта.
Если Super Bright LEDs подтвердит, что дефект не был вызван небрежностью, злоупотреблением, несанкционированным ремонтом или разборкой, мы заменим продукт таким же продуктом. В случае, если конкретный продукт больше не доступен, можно заменить продукт равной стоимости или подарочную карту на стоимость продукта. Подробнее
Фильтр
Цвет светодиода
- Холодный белый 2 Предметы
- Натуральный белый 1 вещь
- Зеленый/Белый 3 Предметы
- Белый 8 Предметы
- Янтарный/Синий 1 вещь
- Янтарный/Зеленый 1 вещь
- Янтарный/красный 1 вещь
- Янтарный/Белый 13 Предметы
- Синий/Белый 1 вещь
- Красно синий 11 Предметы
- Красный Белый 1 вещь
- Янтарь 28 Предметы
- Желтый 1 вещь
- Красный 8 Предметы
- Зеленый 5 Предметы
- Синий 5 Предметы
- Пурпурный 1 вещь
Меньше
Значение CCT
- 5500К 2 Предметы
- 5700К 1 вещь
Меньше
Тип крепления
Меньше
Тип подключения
Напряжение
- 12 В постоянного тока 36 Предметы
- 5 VDC»> 13,5 В постоянного тока 4 Предметы
- 24 В постоянного тока 34 Предметы
- 28 В постоянного тока 13 Предметы
- 36 В постоянного тока 4 Предметы
- 48 В постоянного тока 6 Предметы
- 120 В переменного тока 1 вещь
- 208 В переменного тока 1 вещь
- 240 В переменного тока 1 вещь
Меньше
Тип склада
желтый+мигает+свет | etrailer.
comРозничная цена: $161,99
Наша цена: $102,97
(7)
В наличии
17-1/4″ длина x 7-1/4″ ширина, янтарный 90 светлый галогенные лампы и вращающиеся отражатели для визуального предупреждения других водителей и пешеходов. Магнитное основание для быстрого монтажа …
… вращается вокруг лампочек для создания мерцания 9Эффект 0004 Кнопка управления расположена на вилке, поэтому вы можете управлять фонарем изнутри автомобиля Шнур питания подключается к дополнительной розетке автомобиля …
- Аварийная лампа
- Сигнальная лампа
- Аварийная лампа
- Вилка 12 В
- Magnet Mount
- Стробоскоп
- Blazer
- Ябер
- Halogen
- Галоген Лам0005
(1)
В наличии
6-1/2″ x 2-1/4″ Овальный.
Янтарный Проблесковый маячок Фонарь имеет 24 диода, которые излучают 4- вспышки проблесковых маячков, предупреждая окружающих о присутствии вашего автомобиля. Прочный, ударопрочный пластиковый корпус …
Особенности: Овальный проблесковый маячок предупреждает других водителей и пешеходов о присутствии вашего служебного автомобиля Отлично подходит для эвакуаторов, полуприцепов, снегоочистителей и автофургонов 4- Вспышка проблесковый маячок предлагает …- Hazard Light
- Warning Light
- Emergency Light
- Wired
- Recessed Mount
- Strobe Light
- Buyers Products
- Amber
- LED
- LED Light
- 1 Flash Pattern
Retail:$89.98
Наша цена: $63,83
(1)
В наличии
Круглый 4-5/8″.
0004 световой сигнал для оповещения окружающих о присутствии вашего автомобиля. Прочный алюминиевый корпус и ударопрочная линза из поликарбоната …
Особенности: Круглый проблесковый маячок Свет обеспечивает яркое янтарное свечение Мигание Свет для повышения осведомленности о вашем автомобиле Отлично подходит для промышленных и сельскохозяйственных приложений Отлично подходит для использования с покупателями Продукты …- Аварийная лампа
- Сигнальная лампа
- Проводная
- Крепление на столбе
- Покупатели Продукция
- Amber
- LED
- 1 Образец вспышки
Розничная торговля: 147,93
Наша цена: 90,88 $
(7)
в запасе
10-13/1610002 (7). Ширина 16 дюймов, янтарный свет полоса имеет 24 мощных светодиода и 7 мигающих шаблонов для визуального предупреждения других водителей и пешеходов.
Магнитное основание для быстрого монтажа …
Особенности: Мини янтарный световой полоса предупреждает других водителей и пешеходов о присутствии вашего служебного автомобиля Идеально подходит для буксировки, вспашки, транспортировки, складских и сельскохозяйственных работ 7 Flash …- Hazard Light
- Warning Light
- Emergency Light
- 12V Plug
- Magnet Mount
- Strobe Light
- Blazer
- Amber
- LED
- LED Light
- 7 Flash Patterns
Розничная цена: $67,04
Наша цена: $35,67
(6)
В наличии
6-1/2″ x 2-3/8″ Овальный. Водонепроницаемая светодиодная сигнальная лампа с 22 диодами производит тройное 9-кратное0003 вспышка проблесковый маячок. Синхронная или переменная функция. Утопленное крепление с втулкой (продается отдельно .
..
Особенности: Овальный светодиодный предупредительный индикатор обеспечивает тройную вспышку проблесковый маячок для предупреждения других водителей о вашем присутствии Пара с дополнительным индикатором Function-1 (продается отдельно) для синхронный вспышка пара …- аварийная лампа
- сигнальная лампа
- аварийная лампа
- проводная
- Поверхностное крепление
- Стробоп Лайт
- Optronics
- Amber
- LED
- Светодиодный свет
- 1 Flash Pattern
Розничная торговля: 150,75 долл. США
Наша цена: $ 1105059
в $ 150,75
. Высокий желтый проблесковый маячок фонарь с 8 диодами имеет 10 вспышек шаблонов для предупреждения автомобилистов и пешеходов о вашем автомобиле 10-футовый шнур питания с переключателем управления подключается к .
..
Особенности: Высокий желтый проблесковый маячок фонарь предупреждает других водителей и пешеходов о присутствии вашего служебного транспортного средства Отлично подходит для эвакуаторов, снегоочистителей, рабочих грузовиков, строительных и ландшафтных работ …- Аварийная лампа
- Сигнальная лампа
- Аварийная лампа
- Вилка 12 В
- Магнитное крепление
- Проблесковый маячок
- Товары для покупателей
- Янтарный
- Светодиод
- Светодиод
- 10 шаблонов вспышек2 027
Розничная цена: 170,12 $
Наша цена: 99,37 $
Приборная панель световая панель с 12 диодами имеет 19 мигающих рисунков для предупреждения водителей и пешеходов о вашем автомобиле. Прочный алюминиевый корпус. Крепления с присосками в комплекте. 10′ Шнур с управлением …
Особенности: Индикатор приборной панели Панель предупреждает водителей и пешеходов о присутствии вашего служебного автомобиля Отлично подходит для рабочих и служебных грузовиков 19 Шаблоны Flash — выберите то, что лучше всего подходит для вашего приложения .
..- Hazard Light
- Warning Light
- Emergency Light
- 12V Plug
- Suction Cup Mount
- Strobe Light
- Buyers Products
- Amber
- White
- LED
- LED Light
- 19 Flash Patterns
Розница: 62,93 $
Наша цена: 43,83 $
(1)
В наличии
4-7/8″ x 1-5/8″ Прямоугольник. Мини стробоскоп свет имеет 4 диода и 19 мигает шаблонами, чтобы предупредить других о присутствии вашего автомобиля. Прочный алюминиевый корпус. …
Особенности: Мини-стробоскоп предупреждает других водителей и пешеходов о присутствии вашего служебного автомобиля Отлично подходит для рабочих грузовиков и прицепов 19 Модели Flash предлагают универсальное освещение в соответствии с вашим …- Аварийная лампа
- Сигнальная лампа
- Аварийная лампа
- Проводная
- Surface Mount
- Стробоп лампа
- Покупатели Продукция
- Ябер
- White
- Светодиод
- Светодиодный свет
- 19 Флэш -шаблоны
Розничная торговля: 229,99
Наш.
x 7-1/4 дюйма в ширину, SAE Class II янтарный световой индикатор имеет 24 мощных светодиода и 20 мигающих шаблонов для визуального предупреждения других водителей и пешеходов. Магнитная база для быстрого …
Особенности: Янтарный Световой индикатор предупреждает других водителей и пешеходов о присутствии вашего служебного автомобиля Идеально подходит для буксировки, вспашки, транспортировки, складирования и сельскохозяйственных работ SAE Class II …- Аварийный свет
- Сигнальный свет
- Аварийное освещение
- Вилка 12 В
- Магнитное крепление
- Проблесковый маячок
- Блейзер
- Янтарный
- Светодиод
- Светодиодный фонарь 9 шаблонов вспышек
2
Розница: 62,36 $
Наша цена: 43,78 $
(1)
В наличии
4-7/8″ x 1-5/8″ Прямоугольник.
Mini желтый проблесковый маячок свет имеет 4 диода и 19 вспышек шаблонов, чтобы предупредить других о присутствии вашего автомобиля. Прочный алюминиевый корпус. Поверхностные крепления — оборудование …
Характеристики: Mini янтарный проблесковый маячок световой сигнал предупреждает других водителей и пешеходов о присутствии вашего служебного автомобиля Отлично подходит для рабочих грузовиков и прицепов 19 Flash patterns offer versatile lighting to fit …- Hazard Light
- Warning Light
- Emergency Light
- Wired
- Surface Mount
- Strobe Light
- Buyers Products
- Amber
- LED
- Светодиодная лампа
- 19 шаблонов вспышек
Розничная продажа: 115,26 $
Наша цена: 67,79 $
В наличии
4-1/2″ x 1-1/8″ Прямоугольник.
Низкий профиль желтый проблесковый маячок свет имеет 6 диодов и 19 вспышек схемы для оповещения окружающих о присутствии вашего автомобиля. Прочный алюминиевый корпус. Поверхностные крепления …
Особенности: Низкопрофильный Желтый Проблесковый маячок Световой сигнал предупреждает других водителей и пешеходов о присутствии вашего служебного автомобиля Разработан для установки в ограниченном пространстве Отлично подходит для рабочих грузовиков и прицепов 19 Вспышка модели …- Аварийная лампа
- Сигнальная лампа
- Emergency Light
- Wired
- Surface Mount
- Strobe Light
- Buyers Products
- Amber
- LED
- LED Light
- 19 Flash Patterns
Our Price: $37.21
(6)
In Stock
6-1/2″ x 2-3/8″ Овальный.
. Синхронная или переменная функция. Утопленное крепление с втулкой (продается отдельно …
Водонепроницаемый светодиодный предупредительный свет с 22 диодами производит тройную вспышку
Особенности: Овальный светодиодный предупредительный световой сигнал обеспечивает тройную вспышку проблесковый маячок для предупреждения других водителей о вашем присутствии Пара с дополнительным световым сигналом Function-2 (продается отдельно) для синхронизации вспышка Пара …- Аварийная лампа
- Сигнальная лампа
- Аварийная лампа
- Проводная
- Установка на поверхности
- Проблесковый маячок
- Оптроника
- Янтарный светодиод
- 1 Flash Pattern
2 Светодиод
22
Розничная продажа: 60,79 $
Наша цена: 34,58 $
В наличии
3-1/2″ x 1-3/16″ Прямоугольник.
Водонепроницаемый, низкопрофильный янтарный стробоскоп свет имеет 3 диода и 12 вспышек шаблонов для оповещения окружающих о присутствии вашего автомобиля. Прочный алюминиевый корпус. Поверхность …
Особенности: Низкопрофильный янтарный проблесковый маячок световой сигнал предупреждает других водителей и пешеходов о присутствии вашего служебного автомобиля Разработан для установки в ограниченном пространстве Отлично подходит для рабочих грузовиков и прицепов Степень защиты IPX8 …- Hazard Light
- Warning Light
- Emergency Light
- Wired
- Surface Mount
- Strobe Light
- Buyers Products
- Amber
- LED
- LED Light
- 12 Flash Patterns
Retail:$71.18
Наша цена: $38,44
(2)
В наличии
4″ x 1-5/8″ Прямоугольник.
Mini желтый стробоскоп свет имеет 3 диода и 19 вспышка 9Шаблоны 0004, чтобы предупредить других о присутствии вашего автомобиля. Прочный алюминиевый корпус. Поверхностные крепления — фурнитура …
Характеристики: Mini янтарный проблесковый маячок свет предупреждает других водителей и пешеходов о присутствии вашего служебного автомобиля Отлично подходит для рабочих грузовиков и прицепов- Аварийная лампа
- Сигнальная лампа
- Аварийная лампа
- Проводная
- Surface Mount
- Стробоп Лайт
- Покупатели Продукция
- Ябер
- Светодиод
- Светодиодный свет
- 19 Образец вспышки
Розничная торговля: 67,23 долл. США
Наша цена: 43,51
в $ 67,23
. 2-1/4 «Прямоугольник. Поднятый желтый проблесковый маячок свет имеет 4 диода и 19 мигающих рисунков, чтобы предупредить других о присутствии вашего автомобиля.
Прочный алюминиевый корпус. Поверхностные крепления — фурнитура …
Особенности: Приподнятый желтый проблесковый маячок свет предупреждает других водителей и пешеходов о присутствии вашего служебного автомобиля Отлично подходит для рабочих грузовиков и прицепов 19 Вспышка универсальные модели освещение подходит для …- Аварийный свет
- Сигнальный свет 19
Розничная продажа: 229,98 долларов США
Наша цена: 147,24 долларов США
В наличии
9-7/8″ x 6-3/4″ Овальные. Стробоскоп световая полоса с 40 диодами производит 20 вспышек шаблонов для визуального оповещения других водителей и пешеходов. Шнур питания длиной 15 футов с вилками для выключателя управления …
Особенности: Светильник Mini Панель предупреждает других водителей и пешеходов о присутствии вашего служебного автомобиля Отлично подходит для эвакуаторов, снегоочистителей, строительных, складских и сельскохозяйственных работ 20 Flash .
..- Hazard Light
- Warning Light
- Emergency Light
- 12V Plug
- Magnet Mount
- Strobe Light
- Buyers Products
- Amber
- White
- LED
- LED Light
- 20 Flash Patterns
Розничная цена: 280,30 $
Наша цена: 203,98 $
(4)
В наличии
15″ x 8-3/4″ Octagon. Стробоскоп свет бар с 68 диодами производит 14 мигает шаблонами , чтобы визуально предупредить других водителей и пешеходов. Шнур питания длиной 15 футов с вилками для выключателя управления …
Особенности: Mini янтарный световой индикатор предупреждает других водителей и пешеходов о присутствии вашего служебного автомобиля Отлично подходит для эвакуаторов, снегоочистителей, строительных, складских и сельскохозяйственных работ 14 .
..- Аварийная лампа
- Сигнальная лампа
- Аварийная лампа
- Вилка 12 В
- Магнитное крепление
- Стробоп Лайт
- Покупатели Продукция
- Ябер
- Светодиод
- Светодиодный свет
- 14 Структура флэш-памяти
Розничная торговля: 41.26
. 4″ Круглый. Водонепроницаемый светодиодный предупредительный свет с 22 диодами создает тройную стробоскопическую вспышку . Синхронная или попеременная функция. Утопленное крепление с втулкой (продается отдельно). Подходит …
Особенности: Круглый светодиодный предупреждающий сигнал световой сигнал обеспечивает тройную вспышку проблесковый маячок, чтобы предупредить других водителей о вашем присутствии Пара с дополнительной функцией-2 световой сигнал (продается отдельно) для синхронного мигающий Пара …- Аварийный свет
- Предупреждение Свет
- Аварийное освещение
- Проводной
- Встраиваемый монтаж
- Проблесковый маячок
- Оптоэлектроника
- Янтарный
- Светодиод
- Светодиодный фонарь 900 Вспышка
900 Вспышка0022
Розничная цена: 67,04 $
Наша цена: 45,42 $
(9)
В наличии
Круглый 4-1/4 дюйма.
Синхронная или попеременная функция Утопленное крепление с втулкой (продается отдельно) Подходит …
Особенности: Круглый светодиодный предупредительный световой сигнал обеспечивает тройную вспышку стробоскопический шаблон для предупреждения других водителей о вашем присутствии Пара с дополнительной функцией-1 light (sold separately) for synchronous flash Pair …
- Hazard Light
- Warning Light
- Emergency Light
- Wired
- Recessed Mount
- Strobe Light
- Optronics
- Amber
- LED
- Светодиодная лампа
- 1 Шаблон вспышки
Наша цена: $38,03
В наличии
Прямоугольник 5 x 1-3/4 дюйма. Желтый Проблесковый маячок Фонарь Обеспечивает визуальное предупреждение водителей и пешеходов.
6-светодиод light предлагает 12 шаблонов flash и возможность синхронизации. Утопленное крепление …
Особенности: Компактный, желтый направленный свет для вашего автомобиля подает предупреждающий сигнал для повышения безопасности Идеально подходит для буксировки, вспашки, транспортировки, складирования и сельскохозяйственных работ Соответствует SAE …
- Аварийный свет
- Сигнальная лампа
- Аварийная лампа
- Проводная
- Встраиваемое крепление
- Проблесковый маячок
- Оптроника
- Янтарный
- Светодиод
- Светодиод
- 12 шаблонов вспышек
Наша цена: $37,89 Желтый Проблесковый маячок Фонарь Обеспечивает визуальное предупреждение водителей и пешеходов. 6-LED light предлагает 12 шаблонов вспышек и возможность синхронизации. Монтаж на поверхность .
..
Особенности: Компактный, янтарный направленный светлый для вашего автомобиля обеспечивает предупредительный сигнал для повышения безопасности. Идеально подходит для буксировки, вспашки, транспортировки, складирования и сельскохозяйственных работ.
Розничная цена: 70,74$
440005
(2)
В наличии
Круглый 4-1/4 дюйма. Проблесковый маячок Световой сигнал имеет 24 диода, которые излучают 4- вспышки , чтобы предупредить окружающих о присутствии вашего автомобиля. прочный пластиковый корпус …
Особенности: Круглый проблесковый маячок предупреждает других водителей и пешеходов о присутствии вашего служебного автомобиля Отлично подходит для рабочих грузовиков, служебных грузовиков, мусоровозов и строительных машин 4- Вспышка .
.
- Hazard Light
- Warning Light
- Emergency Light
- Wired
- Recessed Mount
- Strobe Light
- Buyers Products
- Amber
- White
- LED
- LED Light
- 1 Flash Pattern
Retail :$81,76
Наша цена: $47,36
В наличии
3-1/2″ x 1-1/8″ Прямоугольник. Низкопрофильный янтарный стробоскоп свет имеет 3 диода и 12 мигает шаблонами, чтобы предупредить других о присутствии вашего автомобиля. Прочный алюминиевый корпус. Поверхностные крепления …
Особенности: Низкопрофильный Желтый Проблесковый маячок Световой сигнал предупреждает других водителей и пешеходов о присутствии вашего служебного автомобиля Разработан для установки в ограниченном пространстве Отлично подходит для рабочих грузовиков и прицепов 12 Вспышка модели .
..
- Аварийная лампа
- Сигнальная лампа
- Аварийная лампа
- Проводная
- Монтаж на поверхность
- Стробоп Лайт
- Покупатели Продукция
- Ябер
- Светодиод
- Светодиодный свет
- 12 Флэш -шаблоны
Розничная торговля: $ 256,07
. или задние фонари и обеспечивают 19 мигающих моделей, чтобы предупредить других водителей и пешеходов о присутствии вашего служебного автомобиля. Комбинируемый …
… мигающий Мощные светодиоды энергосберегающие, долговечные и устойчивые к вибрации Прочный алюминиевый корпус с поликарбонатной линзой Янтарная линза поверх белых светодиодов Совместимость с системами постоянного тока 12 В и 24 В Простой …
Как решить проблему мерцания светодиодов 12 В?
Если вы используете 12-вольтовый светодиодный светильник дома или в офисе, мерцание является одной из распространенных проблем, с которыми вы можете столкнуться.
Чтобы решить эту проблему, нам нужно понять, что такое 12-вольтовый светодиодный свет и мерцание. Затем мы можем посмотреть, как это исправить в этой статье.
Содержание
- Что такое светодиодная лампа 12 В и почему в светодиодной лампе используется 12 В?
- Что такое мерцание? — Видимый против невидимого
- 1. Видимое мерцание
- 2. Невидимое мерцание
- Почему 12-вольтовые светодиодные лампы имеют распространенную проблему мерцания?
- 1. В машине
- 2. Дома
- Что произойдет, если мы не решим проблему мигания светодиодов?
- 1. В автомобиле
- а. Безопасность для вас
- b. Безопасность для других
- 2. Дома
- a. Дискомфорт в глазах
- b. Головные боли
- с. Усталость
- 1. В автомобиле
- Почему мерцают светодиоды 12В и как решить проблему?
- 1. Неправильный переключатель диммера
- 2. Мигает без диммера
- 3.
Другие причины - 4. Неправильный блок питания светодиода
- 5. При включении
- 6. Когда мерцают иногда 5 а. На датчик движения
- б. На переносные светодиодные лампы
- c. На электрическом трансформаторе
12-вольтовый светодиодный фонарь известен энтузиастам-любителям как: (Светоизлучающий диод), приобретаемый в магазинах запчастей для ремонта электроники. Обычно вы можете видеть, как эти светодиоды появляются в приборах и гаджетах, которые указывают на то, что источник питания включен. В последние годы уровень передовых технологий позволил 12-вольтовым светодиодам играть более важную роль. Поскольку светодиоды на 12 В потребляют всего 3 Вт мощности, они стали идеальными для замены ламп накаливания.
Что касается безопасности, то лучше всего использовать светодиодную лампу на 12 В. Как упоминалось ранее, 12-вольтовые светодиодные фонари были окончательным стандартным источником света для любителей. Поток электроэнергии 12 В был недостаточно сильным по сравнению с линейным напряжением 120/240 В. Это сделало его идеальным для хобби-приложений, которые не оставят вас в шоке. Точно так же благодаря более низкому напряжению искры или хлопки при других стандартных линейных напряжениях для лампочек полностью исключены. Светодиодная лампа 12 В не только безопаснее в использовании, чем обычные лампочки, но и потребляет меньше энергии. Это делает 12-вольтовый светодиод идеальным вариантом для экономичного домашнего освещения.
Мало того, инновация сверхъярких светодиодов оказалась популярной именно для автомобилей. Затем энтузиасты начали повальное увлечение заменой стандартных лампочек везде, где только можно. Но с технологиями приходит и темная сторона реальности. Мигание, которое может исходить от светодиодных фонарей, по-прежнему является небольшой проблемой, которую необходимо решить.
Что такое мерцание? – Visible vs Invisible
Независимо от того, какую марку светодиодных ламп вы покупаете, в каждом из них будет присутствовать мерцание. Некоторые 12-вольтовые светодиодные лампы будут иметь другие спецификации производителя и электронные конфигурации. Некоторые из них просто плохой выбор, которые были более дешевыми брендами. На рынке много поддельных светодиодных фонарей, и те, что подешевле, наверняка будут мерцать чаще. Мы разбили категорию на два раздела, чтобы вы могли видеть, что их отличает друг от друга.
1. Видимое мерцание
Мерцание, которое вы видите, очевидно, связано с частотой, излучаемой самой светодиодной лампой. Все, что имеет частоту 100 Гц, будет видно невооруженным глазом. Мерцание светодиода часто заставляет мозг интерпретировать это присутствие как эффект замедленного движения. И хотя у него есть возможные побочные эффекты (которые обсуждаются далее в этой статье), мы рассмотрим каждый из них. Поскольку все светодиоды мерцают, необходимо правильное напряжение, чтобы они мерцали менее заметно.
Они бывают в виде удлинителей, которые используются для увеличения необходимого постоянного напряжения. Вы можете найти их в торговых точках, где легко доступны светодиодные лампы и продукты.
2. Невидимое мерцание
Хотя этот тип мерцания не виден невооруженным глазом, он вызван быстрыми колебаниями света. В течение нескольких секунд мерцание можно увидеть через электронные устройства. Камеры особенно могут видеть эффект слежения, называемый «след», который по определению является стробоскопическим. Его даже можно увидеть как вертикальную полосу на цифровых фотографиях, доказывающую наличие мерцания. Невидимое мерцание также является результатом правильного напряжения, подаваемого на светодиодную лампу. Вы не замечаете никаких вспышек, поскольку ваши глаза не устроены так, чтобы воспринимать количество вспышек в секунду. Если вы сделаете снимки на цифровую камеру, где есть светодиоды, вы можете просто поймать эту аномалию в действии.
Почему 12-вольтовые светодиодные фонари часто мерцают?
Существуют определенные причины, по которым светодиодные индикаторы могут мерцать в различных приложениях.
Либо используемые дома, либо в вашем автомобиле, они могут присутствовать по нескольким причинам. Все производители этих новых осветительных приборов будут иметь разные спецификации для работы с рекомендуемым электрическим током. Достаточно сказать, что мерцание наблюдается в любой лампочке, которую вы используете.
Лампы накаливания могут мерцать, потому что используемый ток носит циклический характер. Вы редко видите все это, потому что нить накала постоянно горит, и нет времени увидеть видимые изменения света. Те из нас, кто использует эти 12-вольтовые светодиодные фонари в машине или дома, столкнутся с проблемой мерцания. Когда мы начнем, имейте в виду, что светодиодное освещение — это не точная наука. В настоящее время мерцание является проблемой, поэтому мы сделаем все возможное, чтобы описать, где это происходит и как это исправить. К концу этой статьи вы будете лучше понимать эту проблему, которую сможете решить самостоятельно.
1. В автомобиле
Мерцание светодиодов в автомобиле не является хорошим признаком, поэтому очень важно найти причину этого.
Начиная с внутреннего освещения, если вы заменили лампы накаливания на 12-вольтовые светодиоды, вы могли заметить стробирование. Это может быть связано с несколькими причинами того, что это происходит. Проверьте все соединения или предохранители, которые включают внутреннее освещение. Если у вас ненадежное соединение для самого светодиода, вибрация от вождения будет вызывать всевозможные мерцания. Опять же, предохранитель, который стареет или выходит из строя, приведет к мерцанию светодиодной лампы.
Фары, стоп-сигналы и противотуманные фары могут работать от 12-вольтовой системы со сверхяркой мощностью. Существует также риск мерцания, которое может произойти по многим другим причинам. Одна из основных причин связана с самим автомобильным аккумулятором. Автомобильный аккумулятор — это то, что постоянно питает внешние огни. Многие автомобили очень быстро теряют мощность, если их забыть выключить. Разряженная батарея может быть ужасной для светодиодных налобных фонарей, которым для работы требуется точное количество энергии.
Это также может означать, что ваш генератор начинает выходить из строя.
Кроме того, сверхъяркие фары или любые внешние светодиодные лампы для автомобилей имеют определенный срок службы. Когда приходит время уходить, знаки могут начинаться с мерцания, стробирования и даже моргания. Будьте готовы к тому, что в ближайшее время у вас появится новая замена. Избегайте любой потенциальной аварии, которая может привести к плохому обслуживанию светодиодных ламп для вашего автомобиля.
2. Дома
Польза от электричества в вашем доме будет варьироваться в зависимости от того, используется ли постоянный ток или переменный ток (AC/DC). Ваш дом обычно подключен к сети переменного тока. Эта форма переменного тока по понятным причинам считается более безопасной, чем постоянный ток. Спросите любого друга-электрика, и он скажет вам, почему, но в двух словах, вот причина. Переменный ток был хорошо зарекомендовал себя благодаря усилиям Николаса Теслы еще в 189 году.6 к власти в Буффало, штат Нью-Йорк.
В настоящее время он обеспечивает более стабильную форму тока для домов и предприятий по всей территории США.
Хотя это не очень хорошо подходит для светодиодных ламп, они предпочитают постоянный ток, чтобы полупроводник правильно светился. Переменный ток подается с частотой 50 Гц и непрерывно переключается назад 50 раз в секунду. Это может привести к мерцанию ваших светодиодных ламп из-за циклического прохождения электрического тока. Несмотря на то, что многие приборы преобразуют переменный ток в постоянный, многие люди, использующие светодиодные лампы, упускают это из виду. При неправильной установке в доме мерцание является постоянным напоминанием о том, что используется переменное напряжение. К счастью, есть способы решить эту проблему с помощью дополнительного оборудования, как вы читаете дальше.
См. также: Распространенные проблемы светодиодных ламп
Что произойдет, если мы не решим проблему мерцания светодиодов?
Любое количество проблем, возникающих из-за мерцающего света, который может исходить от надоедливой светодиодной лампы.
Привлекательность экономии денег с использованием 12-вольтовых светодиодов часто является ловушкой, в которую попадает большинство из нас. Так как же нам решить потенциальные головные боли, которые могут возникнуть? Вот некоторые распространенные проблемы, возникающие со светодиодными лампами, и способы их легкого устранения. Большинство из этих проблем не требуют дорогостоящего содержания или обслуживания, так как вы можете решить большинство из них самостоятельно. Потратьте некоторое время, чтобы ознакомиться с этими информативными советами, чтобы повысить безопасность в вашем доме или автомобиле.
1. В легковом автомобиле
Вероятность аварии по вине водителя зависит от вашей осведомленности об окружающем вас транспортном средстве. Ваш автомобиль не является исключением, и каждый раз, когда вы едете, у вас должен быть контрольный список. Неисправное оборудование, такое как перегоревшие фары, задние фонари и фары дальнего света, ухудшает вашу видимость для других транспортных средств.
Это должно быть дополнительным соображением, когда используются светодиодные лампы.
а. Безопасность для вас
Вам нужно начать с салона, так как это, по сути, кабина, которая управляет всем.
Убедитесь, что все освещение салона автомобиля находится в рабочем состоянии, даже замененные светодиодные фонари. У них могут быть проблемы, которые, несомненно, вернутся к техническим причинам, по которым светодиодный свет будет отвлекать. Мигающий или стробирующий светодиод представляет опасность для вашего внимания во время вождения. Одна неверная секунда, когда вы отводите взгляд от дороги, может быть опасной для вас и других людей в машине.
Внешний вид автомобиля таит в себе еще одну скрытую опасность, поскольку светодиодные фонари могут выйти из строя в любой момент. Мигающие фары могут раздражать, но если они не делали этого раньше, пришло время их починить. Проверьте кабели, которые их соединяют, и если проблема не исчезнет, она может ухудшиться, если они внезапно выйдут из строя.
На всякий случай всегда имейте запас каждого светодиодного фонаря в багажнике. Поскольку этот свет не так дорог, как десять лет назад, ваш «ремонтный комплект» также должен включать его. Всегда следите за тем, сколько времени они используются. Все они имеют расчетный срок службы.
б. Безопасность для других
Ночное вождение требует гораздо больше визуальных средств, чтобы другие автомобили знали, что вы находитесь на встречной полосе. Использование любой ультраяркой светодиодной лампы должно навредить водителям вокруг вас или рядом с вами. Не менее важно, чтобы ваши фары были направлены и сфокусированы на дороге. Вы никогда не захотите ослепить встречного водителя светодиодными фонарями, их интенсивность слишком яркая. Еще одна вещь, которую следует учитывать, это то, что мерцание светодиодов может даже вызвать светочувствительную эпилепсию, вызывая судороги.
Худшее, что может случиться, это вызвать у другого водителя (или у вас самого) припадок и разбить машину.
Прежде чем начать движение, проверьте все точки, чтобы убедиться, что светодиодные фонари в вашем автомобиле работают правильно. Если внутреннее освещение слишком яркое, вы можете использовать тонированную теплую желтую фольгу вокруг него, чтобы уменьшить резкие блики. Автосервисы охотно продают эти тонированные фольги в упаковках и не плавятся, так как светодиоды выделяют мало тепла. Еще один совет: всегда проверяйте светодиодные лампы, прежде чем использовать их в автомобиле. Ваш гараж — идеальное место для настройки и усовершенствования светодиодных фонарей до тех пор, пока они не будут соответствовать вашим предпочтениям.
2. Дома
Тем не менее, непредвиденные риски, связанные со светодиодным освещением в вашем доме, могут вызвать различные побочные эффекты, влияющие на ваше настроение и многое другое. Что еще хуже, из-за видимого мигания, которое может произойти из-за неправильной установки, эти возможные недуги могут быть вызваны. Они не происходят мгновенно, хотя длительное использование будет включать эти симптомы.
а. Дискомфорт для глаз
Если вы когда-либо работали под флуоресцентными лампами, вы могли заметить, как они утомляют ваши глаза. То же самое может произойти со светодиодными лампами в течение длительного времени. Конечно, эти лампы ярче и скорректированы по цвету, чтобы обеспечить более высокую температуру солнечного света, но… Неправильно установленные лампы для чтения или комнатные светильники могут в конечном итоге утомить глаза и даже привести к сухости и зуду в глазах. Выберите светодиодную лампу с правильной цветовой температурой, чтобы сбалансировать резкость. Новые 12-вольтовые светодиодные фонари имеют четыре разных оттенка, чтобы согреть комнату и защитить ваши глаза.
б. Головные боли
Как правило, светодиодные фонари могут вызывать головные боли по любой причине. Температура самого света также попадает в эту категорию вместе с молниеносным быстрым миганием. Чтобы этого не произошло, ответ заключается в том, чтобы не оставаться в одной и той же комнате весь день.
Делайте перерывы и перемещайтесь из комнаты в комнату, чтобы приспособиться к различным источникам света. А еще лучше выйти на улицу на солнечный свет, чтобы проветрить голову в течение 5 минут. Таким образом, вы можете избежать постоянной вибрации светодиодного освещения, которая может возникнуть. Даже за непродолжительный поход на кухню можно избежать появления головной боли.
с. Усталость
Усталость от сидения на одном месте для некоторых неизбежна, когда вы находитесь дома. Это может произойти во время просмотра телевизора, видеоигр или даже сидения за компьютером. Большинство людей забудут, что светодиодные фонари могут отвлекать внимание из-за их белого свечения. Простой ответ — выключить их и наслаждаться естественным светом из окна. Воздействие естественного солнечного света заставляет наше тело чувствовать себя энергичным и живым. Если вы чувствуете усталость от светодиодной лампы, выключите ее.
Почему мерцают светодиоды 12 В и как решить эту проблему?
Если у вас возникли проблемы с мерцанием светодиодных ламп, есть решение, которое решит эту проблему.
Вам не нужно изучать электронику, чтобы выяснить, в чем причина проблемы, эти советы помогут вам ее устранить. В большинстве случаев проблема не в самом светодиоде, а в работе альтернативных сил. В конце концов, каждую из перечисленных проблем можно легко остановить навсегда. Или, по меньшей мере, уменьшенный до более безопасного и здорового для вас уровня. Просмотрите эти варианты, чтобы найти проблему, которую хотите решить.
1. Неправильный диммер
Допустим, вы купили светодиодную лампу, которая вкручена в лампу с диммером и не работает. Это потому, что этот светодиод был сделан для работы с постоянной яркостью. Можно использовать только светодиодные лампы, которые помечены специально для диммирования, иначе они мерцают как сумасшедшие. После этого эти светодиодные светильники, совместимые с диммерами, будут работать с любым диммером.
2. Мерцание без диммера
Когда вы покупаете новую светодиодную лампу, она будет немного мерцать, когда она нагреется до нужной температуры.
Но если мигание продолжается более минуты или двух, а может быть и дольше, лампочка неисправна. Это мигание является индикатором того, что он скоро умрет, поэтому лучше всего получить возврат или обмен.
3. Другие причины
Возможно, вы вовсе не виноваты в том, что лампочка вышла из строя или используется неподходящий тип светодиода. Этот раздел предназначен для других вариантов, которые могут вызвать проблемы с миганием светодиодов.
4. Неправильный блок питания светодиодов
Блок питания, к которому подключается большинство ламп, будет заставлять вас мигать светодиодами, видите вы это или нет. Вы можете уменьшить это, используя драйверы светодиодов PDV, которые предназначены для обеспечения постоянного напряжения на светодиодной лампе. Это улучшит то, как свет должен светиться правильно, значительно уменьшив мерцание, которое вы можете заметить.
5. При включении
Попробуйте сами и включите светодиодную лампу, чтобы увидеть количество вспышек, необходимых для запуска.
В зависимости от вашего драйвера светодиода PDV, вы можете не подходить для подачи постоянного тока на лампу. Возможно, вам даже стоит проверить точки контакта и убедиться, что лампочка вкручена надежно.
6. Когда они иногда мерцают
Это могут быть перепады в электросети, слишком слабый блок питания, встроенный в светодиодную лампу, или даже признаки того, что лампа скоро выйдет из строя. Попробуйте переключить лампу на другую розетку, чтобы увидеть, есть ли улучшение. Если это не исчезнет, скорее всего, скоро наступит конец светодиодного индикатора. Тогда пришло время купить новую лампочку.
а. На датчике движения
Если вы видите, что ваш датчик движения что-то активно улавливает, это может быть мигание из-за неисправной светодиодной лампочки. Датчик использует датчик электронного переключателя для отслеживания движения, однако их также можно обмануть мигающим светодиодом. Извините, на этот раз это не призрак, а, возможно, вина вашей умирающей светодиодной лампы.
б. О портативных светодиодных лампах
Эти портативные лампы на 12 В отлично подходят почти для всего, но потом от них у вас начинает мурашки по коже. Неудивительно, если вы обнаружите, что батареи разряжены. Чтобы держать эти ручные фонарики под рукой, вы должны держать под рукой готовый запас батареек. Никогда не знаешь, когда отключится электричество. Таким образом, иметь один или два таких ручных фонаря все равно очень удобно.
с. На электрический трансформатор
Если у вас есть дом, в котором есть трансформатор, который включает и выключает все секции дома. Более новые трансформаторы имеют светодиодные индикаторы на 12 В, которые указывают, работает ли сеть на 120 В или нет. Если вы видите, что светодиоды быстро мигают, это может означать, что выход вашего трансформатора плохой. В этот момент необходимо будет вызвать электрика для замены трансформатора.
Почему мигают светодиоды при выключении?
Это может произойти, когда светодиодная лампа выключена и некоторое время может мигать вскоре после этого.
Причину нетрудно объяснить, так как срезанное напряжение не прекращается мгновенно. Оставшееся электричество также может попасть в электрический провод, если он подключен неправильно. Даже переключатель, управляющий ночным освещением, может вызвать временный скачок напряжения, из-за которого светодиодный свет начнет мерцать.
Что такое прерывистое мерцание светодиодов?
Это аномалия, связанная с использованием диммера или непостоянством напряжения. Без использования надлежащего драйвера светодиода PDV светодиодная лампа будет иметь проблемы с миганием, стробированием и миганием. Эти типы ламп нуждаются в постоянном напряжении, чтобы работать наилучшим образом. Это также может быть признаком того, что лампочка неисправна в проводке. Использование более дешевых светодиодных ламп, которые производятся за границей в Китае, является верным признаком того, что лампа готова умереть. Потратьте дополнительные деньги и купите надежную светодиодную лампу от качественных брендов.

Максимальное не превыше 2,5 вольта. Индикация успешной работы схемы выражается миганием светодиодов. Чтобы часть мерцала, уберем питание с ненужных. Допускается собрать отладочную схему с тремя переменными резисторами – по одному в ветвь каждого цвета.