Токарные чертежи: Токарные чертежи деталей и обозначения. Порядок чтения чертежей деталей
Как правильно читать чертежи токарные. Черчение
Все, что создано человечеством на всех этапах его развития, все гениальные мысли, которые нашли свое воплощение или остались мечтами конструкторов — так или иначе, были представлены в виде чертежей. Так же, как художественный текст передает фантазии писателя, так и чертеж фиксирует то, что пришло в голову инженера и было приближено им к реальности.
Рис. №1 «Пример чертежей Эйфелевой башни. Франция»
На сегодняшний день все чертежи создаются по единым правилам и ГОСТам, что облегчает их чтение. Научиться читать чертежи металлоконструкций совсем не трудно, поэтому, если вы решили связать свои увлечения или профессиональную деятельность с воплощением конструкций из металла, то стоит ознакомиться с общей информацией по этому вопросу, после чего перейти к практике самостоятельного чтения.
Чертежи КМД, представляющие собой детализированное схематичное изображение металлоконструкции, разрабатываются с учетом некоторых правил, изложенных в таких документах как:
СНиП (Строительные нормы и правила),
СПДС (требования Системы проектной документации для строительства),
ЕСКД (Единая система конструкторской документации).
Чертежи такого рода включают в себя набор данных, которыми вы можете пользоваться для производства — разметки, обработки, сварки и монтажа металлоконструкций.
Рис. №2 «Производство металлоконструкций»
Перед началом обучения тому, как читать чертежи, желательно самостоятельно обратиться к вышеперечисленным документам. Не забудьте выучить все относящиеся ГОСТы, их знание не раз поможет вам быстро сориентироваться в чтении чертежа. Кроме этого, при создании любого чертежа конструкции используются специальные условные обозначения.
Рис. №3 «Пример схемы проекта КМ»
Чертежи КМ обычно снабжены пояснительной запиской, в которой в текстовой форме изложены результаты проведенных расчетов и принятые решения, которые эти расчеты обосновывают. Вместе с этим, в пояснительной записке содержатся технические и нормативные документы, которые использовались при создании чертежа и ссылки на ГОСТы. Данная записка призвана облегчить чтение схемы.
Рис.
№4 «Пример узлов проекта КМ»
Полный проект КМД разрабатывается по КМ-у и представляет собой набор из заглавного листа, с общими данными, ведомостей, чертежей монтажных схем, чертежей монтажных узлов и чертежей отправочных элементов. По просьбе заказчика в проект могут быть включены: чертежи деталей отдельно, 3D схемы, особые ведомости, т.д.
Рис. №5 «Титульный лист проекта КМД»
В монтажной схеме вы будут изображены стыки и узлы, сварные или болтовые соединения, которые будут выполняться в монтаже. Здесь же могут быть даны текстовые комментарии. Так же здесь вы найдете ведомость отправочных элементов вместе со схемами конструкций или ссылками на чертеж, поэтому вы сразу поймете, к какому конкретному чертежу относится каждый элемент. Чертежи отправочных элементов компонуются на листе группами. Таким образом, на листе могут быть чертежи элементов, не требующих сборки или только конструкции из гнутого профиля.
Рис. №6 «Монтажная схема проекта КМД»
При разработке схем металлоконструкций выбирается тот масштаб, который позволяет делать чертеж наиболее понятным или легким для чтения, поэтому с пониманием профессионально составленного чертежа у вас не должно возникнуть проблем.
Обратите внимание, что такие конструкции, как балки и колонны можно вычерчивать без соблюдения масштаба, но с сохранением взаимного расположения деталей и отверстий.
Рис. №7 «Пример сборочного чертежа, проекта КМД»
После того, как вы ознакомились с документацией чертежей, нужно проверить условные обозначения и вам нужно хорошо знать, как обозначается то или иное изделие. Заклепки, отверстия, узлы, виды применяемого материала — все это имеет буквенное, цифровое или графическое обозначение, поэтому лучше сверяться с таблицей, если у вас еще нет достаточного опыта чтения чертежей.
Не торопитесь, сверяйте все значения. Чертежи изначально выполнены для удобства чтения и понимания, поэтому если вы несколько минут поразмышляете над ними — дальнейший процесс чтения будет намного более простым.
10.03.2016Просмотров: 90213
В этой не большой теоретической статье я хотел бы рассказать об основных понятиях строительных чертежаей. Так как многие мастера и не только мастера по ходу жизни довольно часто встречаются с эскизами, планами, схемами, и т.
д.
Ведь всем известно, что в наших подсоветских странах знать нужно людям практически всё и разбираться во всех законах, правилах и стратегиях. В общим всё, чтобы тебя по ходу не обманули в решении того или иного вопроса.
Вы были бюро технической интеривизации по поводу плана Вашего жилища. И Вам там такого нарисовали, что чёрт ногу сломит. Хорошо, если всё правильно, а если нет. Поэтому необходимо хоть немного понимать в черчении для того, чтобы Вы могли просто немного ориентироваться в документах.
У наших чиновниках есть хорошая поговорка: «Не знание закона, не снимает Вас с ответственности». От себя я бы добавил, что это во всём, куда не ткни.
Понятное дело, что в одном посте все правила строительного черчения не охватить. Но хотя бы базовое и основное, попробовать рассказать можно.
Главное отличие чертежа от рисунка тем, что чертёж выполняется в масштабе, а рисунок — в пропорциях.
На рисунке, выполненном в пропорциях, стараются соблюдать относительные размеры изображаемых предметов.
К примеру, диван на таком рисунке будет больше, чем, скажем, табурет.На чертеже с указанием размеров, который применяется в строительстве и создании интерьера, изображения предметов обычно меньше действительных; такой чертёж выполняется в определённом масштабе.
Поскольку когда-то не было огромных листов бумаги, на которых можно было изобразить дом в натуральную величину, придумали чертежи, нарисованные в масштабе, где предметы даны с 100-кратным уменьшением, т.е. 1 метр на местности соответствует 1 см на чертеже.
Другими словами масштаб М=1:100.
М – масштаб, а число 1: обозначает степень уменьшения.
Обратите внимание , чем больше число после двоеточия, тем больше степень уменьшения.
При создании чертежей интерьера чаще всего используют масштабы
М=1:50 (предметы уменьшены в 50 раз) и М=1:25 (в 25 раз). К примеру, кровать размерами 2×1 м на чертеже будет 4×2 см, если в 50 раз уменьшение и 8×4 см, если уменьшение в 25 раз.
Тогда делают чертёж в масштабе М=1:20 (одному метру на местности соответствуют 5 см на чертеже) и даже М=1:10.При построении чертежа масштаб его выбирают в зависимости от действительных размеров предметов и их частей, чтобы чертёж не был перегружен не нужными подробностями, и достигалась достаточно высокая точность изображения.
Выполняется чертёж по общепринятым, международным стандартам и понятен специалистам разных стран, даже если они не знают язык друг друга.
Выполненный в масштабе чертёж всегда имеет обозначение размеров.
Обратите внимание, что чертёж даёт очень экономное изображение объекта и содержит только такую информацию, которая действительно необходима. Поэтому следует пользоваться соответствующими условными обозначениями, наносить правильные размеры и обязательно указывать масштаб. Всё это конечно же на прямую связано с общими
Чтение чертежа заключается в представлении по плоским изображениям объемной формы предмета и в определении его размеров. Эту работу рекомендуется проводить в такой последовательности:
2.
Определить, какие виды детали даны на чертеже, какой из них является главным.
3. Рассмотреть виды во взаимной связи и попытаться определить форму детали со всеми подробностями. Этой задаче помогает анализ изображений, данных на чертеже. Представив по чертежу геометрическую форму каждой части детали, мысленно объединяют их в единое целое.
4. Определить по чертежу размеры детали и ее элементов. Приведем пример чтения чертежа детали (вначале даны
вопросы к чертежу, а затем ответы на них).
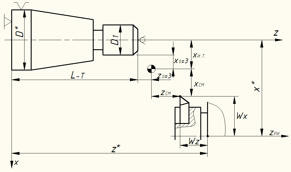
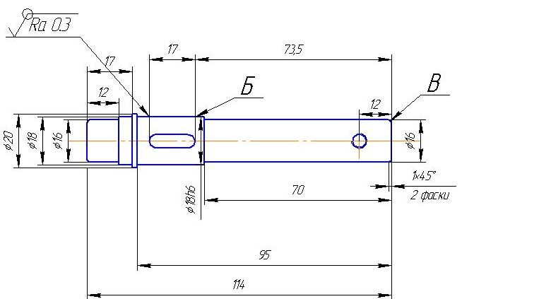
Вопросы к чертежу (рис. 143)1
1) Как называется деталь?
3) В каком масштабе выполнен чертеж?
4) Какие виды содержит чертеж? ,
5) Сочетанием каких геометрических тел определяется форма детали?
6) Опишите общую форму детали.
7) Чему равны габаритные размеры деталей и размеры отдельных частей?
1 Вопросы составлены в последовательности, соответствующей правильному порядку чтения чертежей.
Рис. 143. Чертеж деталиОтветы на вопросы к чертежу (см.
рис. 143).
1) Деталь называется «направляющая».
2) Изготовляют деталь из стали.
3) Масштаб чертежа 1:1, т. е. деталь изображена в натуральную величину.
4) Чертеж содержит два вида: главный и слева.
5) Выделив части детали, рассмотрим их слева направо, сопоставляя оба вида.
Крайняя левая часть на главном виде имеет форму прямоугольника, а на виде слева — окружности. Значит, это цилиндр, так как такие проекции характерны для цилиндра.
Вторая слева часть на главном виде имеет форму трапеции. На виде слева она показана двумя окружностями. Такие проекции может иметь только усеченный конус.
Третья часть, как и первая, показана на главном виде прямоугольником, а на виде слева — окружностью. Значит, она имеет также форму цилиндра.
Четвертая часть на главном виде имеет очертани прямоугольника, внутри которого проведены две горизонтальные линии, а на виде слева — шестиугольника. Такие изображения характерны для шестиугольной призмы.
Рис. 144.
Изометрическая проекция деталиКрайняя справа часть показана прямоугольником на главном виде и окружностью на виде слева. Мы знаем, что такие изображения определяют цилиндр.
По штриховым линиям на главном виде и по окружности самого меньшего диаметра на виде слева можно сделать вывод, что внутри детали имеется сквозное цилиндрическое отверстие.
6) Объединив все части, устанавливаем общую форму предмета (рис. 144). Она представляет собой сочетание цилиндров, усеченного конуса и шестиугольной призмы, расположенных на одной оси. Вдоль оси детали проходит сквозное цилиндрическое отверстие.
7) Габаритные (наибольшие и наименьшие) размеры детали таковы: длина 160 мм, диаметр 90 мм, диаметр отверстия 20 мм. Диаметр крайней левой цилиндрической части 30 мм, длина 18 мм.» Высота усеченного конуса 20 мм, угол при вершине 30°, диаметр большего основания 48 мм.
Такой же диаметр имеет следующая цилиндрическая часть. Длина цилиндра определяется как разность между размерами 75 и 38, т.
е. равна 37 мм.
Два размера части детали, имеющей форму шестиугольной призмы, нанесены на виде слева: между параллельными гранями 65 мм, между двумя ребрами -75 мм. Длина этой части не указана, она определяется вычитанием из габаритного размера (160) размеров 75 и 45. Диаметр наибольшего цилиндра 90 мм, длина его 45 мм. Диаметр отверстия 20 мм.
Рис. 145. Задание для упражнений42. Прочитайте чертеж на рисунке 145.
Вопросы к чертежу
1) Как называется деталь?
2) Из какого материала она изготовляется?
3) Какие виды даны на чертеже?
4) Сочетанием каких геометрических тел определяется форма
детали?
5) Какие элементы детали показаны на главном виде двумя окружностями диаметром 10?
6) Изображением каких элементов являются окружности 0 18 и почему они проведены на главном виде штриховыми линиями?
7) Каковы габаритные размеры детали?
ПРАКТИЧЕСКАЯ РАБОТА № 7
1. Чтение чертежей
Прочитайте по заданию учителя один из чертежей на рисунке 146. Ответы на вопросы запишите в тетради.
Вопросы для чтения чертежей
1) Как называется деталь? Из какого материала ее изготовляют?2) Какой масштаб указан на чертеже?
3) Какие изображения передают форму детали?
4) Опишите форму детали, т.е. укажите название геометрических тел, образующих форму детали, и их размеры.
5) Чему равны габаритные размеры детали?
2. Решение занимательных задач
1. На рисунке 147 дан чертеж и наглядное изображение проволочной модели. Сконструируйте аналогичную модель, выполните ее чертеж и наглядное изображение.
2. Выполните технический рисунок предмета, который может плотно проходить через все три отверстия в пластине (рис. 148).
ГРАФИЧЕСКАЯ РАБОТА № 8
Выполнение чертежа предмета в трех видах с преобразованием его формы (путем удаления части предмета)
1.
Выполните технический рисунок детали (рис. 149, а), сделав вместо выступов, отмеченных стрелками, выемки такой же формы и размеров на том же месте.
2. С помощью точек на поверхности детали (рис. 149, б) показана разметка удаляемой части детали. Выполните технический рисунок измененной детали.
3. Выполните эскиз детали (рис. 150, а), мысленно удалив ее верхнюю заштрихованную часть и заменив выступы, указанные стрелкой, выемками.
4. Выполните эскиз детали (рис. 150, б), сделав вместо выступов выемки такой же формы и размеров на том же месте.
5. Выполните по заданию учителя чертеж одной из деталей (рис. 151), у которой удалены части по нанесенной разметке. Направление проецирования для построения главного вида указано стрелкой.
Указания к работе. Задания 1-4, как подготовительные, выполните в рабочей тетради, задание 5, как основное, — на листе формата А4. Изображения выполните с сохранением пропорций предмета; размеры не наносите.
Categories: /
Tags:
Чтение чертежей является обязательным навыком и условием при устройстве на работу в должности инженера любой квалификации.
Данный документ является основной составляющей частью каждого проекта, без которого не начнется ни разработка нефтегазового месторождения, ни строительство жилого дома. Для успешной работы с данной документацией сотрудник должен обладать знаниями из области точных наук и иметь определенные навыки черчения. В этом случае чтение чертежей не вызовет затруднений.
Проектные организации предоставляют эксплуатирующей компании несколько копий комплектов документации. Один из них — рабочий вариант для компании-застройщика, предназначенный для правильной организации работы инженерного состава непосредственно на объекте.
Чтение строительных чертежей позволяет определить назначение здания, его точные размеры, расположение оборудования, а также типы конструкций и материалы. Здесь проектируемый объект изображен в трех вариантах: фасад, план и разрезы (продольный и поперечный). При осмотре изображения фасада можно увидеть общий вид здания и высоту всех элементов относительно уровня пола. Эта информация читается на отметках, проставленных слева от основного рисунка.
На отчетливо видно расположение входа, выхода, количество помещений и их назначение, а также размеры и толщина и перегородок.
При проектировании комплекса жилых или производственных зданий, во время разработки газовых и нефтяных месторождений на первом этапе разрабатывается генеральный план участка строительства. Чтение чертежа генплана дает общее представление об этом участке. Здесь схематически изображается планировка зданий, сооружений, а также возможных природных объектов, попадающих в область застройки. При наличии искусственного обвалования территории на чертежах показывается его разрез с указанием размеров и материала насыпи.
Кроме того, для опасных и потенциально опасных объектов разрабатываются разделы ИТМ ГО ЧС (инженерно-технические мероприятия гражданской обороны, мероприятия по предупреждению чрезвычайных ситуаций) и ПБ (пожарной безопасности). Для этого используются чертежи генплана, на которых указываются зоны возможного поражения, их размеры и место аварии (разрыва напорного трубопровода).
Детальное чтение чертежей данных разделов позволяет запланировать и своевременно провести необходимые спасательные мероприятия, т. к. здесь указываются места подъезда пожарной спецтехники и пути эвакуации персонала.
На изображениях содержится информация о видах труб, их диаметрах, толщине стенок, а также о количестве и типах задвижек и переходников.
Чтобы чтение чертежей давало полное представление о проектируемом объекте, используется система сокращений и условных обозначений, которая вместе с требованиями и нормами по разработке регулируется государственными стандартами РФ по системе ЕСКД.
Как известно, чтение – очень увлекательное и полезное занятие, причем опытные инженеры и высококвалифицированные рабочие со знанием дела утверждают, что не только художественной литературы, газет и журналов, но и чертежей . Они представляют собой плоские двумерные изображения, которые отражают ту геометрическую форму, которую должны иметь изготавливаемые по ним детали.
В процессе чтения чертежей складывается представление об изображенном на нем предмете или устройстве, а также о принципах работы узлов и агрегатов.
На многих сборочных чертежах устройства изображаются таким образом, что, изучив их, инженеру или рабочему становится полностью понятно, из каких именно деталей они состоят, как те соотносятся друг с другом и какие именно геометрические параметры имеют.
Сборочные чертежи в условиях производства читаются непосредственно на рабочих местах, уже в процессе сборки. Что касается конструкторских бюро, то там инженеры их читают для того, чтобы разрабатывать различную рабочую документацию.
Последовательность чтения чертежа1) Сначала нужно внимательно ознакомиться с той информацией, которая содержится в основной надписи. Там указывается название изображенной детали, масштаб, а также материал изготовления.
2) Затем требуется определить виды сечения и разрезы, то есть то, какими именно изображениями деталь представлена на чертеже.
3) После этого следует мысленно представить себе ту форму, которую деталь имеет.
Во время чтения чертежей необходимо учитывать то обстоятельство, что все проекции деталей на них связаны между собой. Принято, что одна и та же деталь в разрезе на всех ее изображениях штрихуется в одном направлении, причем интервалы между линиями штриховки всегда одинаковы. На смежных деталях направление штриховки различно.
Читать чертежи становится значительно легче, если перед тем, как приступать к этому занятию, изучить по каким-либо документам (например, описаниям устройств, пояснительным запискам и т.п.) принцип действия изделий.
Читая чертежи , нужно помнить, что по сборочным или тем, на которых изображен общий вид, изготовление деталей не производится, поскольку они могут быть представлены в упрощенном виде.
Деталированием называется процесс выполнения рабочих чертежей на основе чертежей сборочных или чертежей общего вида.
В процессе деталирования чертежей в условиях производства на них должны быть нанесены как изображения деталей, так и вся информация, необходимая для их изготовления, а также контроля различных параметров (например, размеров и т.
п.). Для создания рабочих чертежей в обязательном порядке используются стандартные форматы бумаги.
Соблюдение всех норм и требований государственных стандартов является обязательным условием выполнения как чертежей, так и любой другой конструкторской документации.
Чтение чертежей позволяет определить, какую форму и геометрические размеры имеют изображенные на них детали, а также то, какие именно технологии необходимо использовать для их изготовления (фрезерование, токарную обработку, отливку штамповку и т.п.).
Чертежи , которые выполнены в соответствии с ГОСТ -ами, удобны для чтения, исключают двоякую трактовку формы и размеров деталей, обеспечивают их правильное изготовление и сборку.
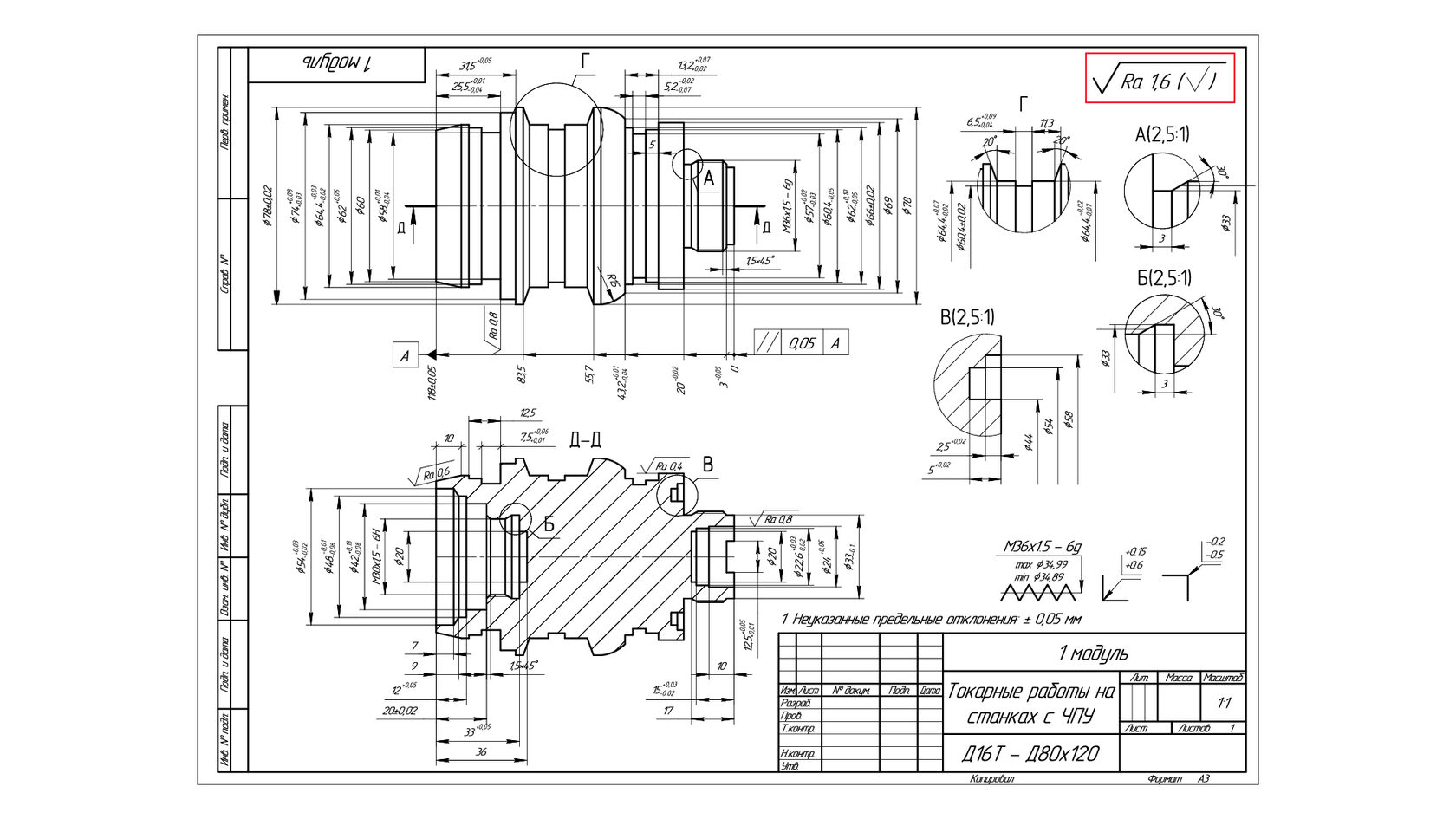
Токарные работы на станках с ЧПУ
Демонстрационный экзамен по компетенции
«Токарные работы на станках с ЧПУ»
Описание задания
— Указать середину поля допуска размера №2 и №5;
— Указать отклонения по таблице «Допуски и посадки» для размера №1, №3, №4;
— Указать номинальный размер для Размер №7;
— Определить и указать отклонения для размера №6 и №8;
— Указать шероховатость поверхности №1 и №2
Навык B.
Метрология Студенту выдается деталь, которая изготавливается центром проведения ДЭ, которую нужно измерить и после написать фактические размеры. Навык C. Программирование G-code Студенту выдается лист с 3-мя маленькими программами (любая операция обработки на станке с ЧПУ согласно стандарту программирования, на станках с ЧПУ). Требуется найти ошибки в данных программах.
Ошибки могут содержать в себе несколько типов – Не включены обороты, не корректно указана подача, не верная последовательность операций и т.п.
…
Т101 (REZEC PROHODNOY R0,4)
G97 S700 M5
G0 X50 Z2
G1 Z0 M8
X-0,8 F0,1
Z2 F1
M9 M5
G0 X200 Z300
M30
…
Т202(REZEC RASTOCHNOY R0,4)
G97 S500
G0 X30 Z2
G1 X30,25 F1 M8
Z-24,5 F0,15
X28,7
Z-29
X25
M5M9
G0 X200
Z300
M30
…
T303 (REZEC PROHODNOY R0,4)
G96 S80 M3
G0X30 Z2
M8
G1 Z-20 F0,2
G0 X-40
X35 F1
Z5 F2
M9
M5
G0 X150 Z300
M30
Изготовление детали на станке Студент выполняет задание по изготовлению детали из материала Д16Т, согласно требованиям чертежа, на станке с ЧПУ. При выполнении задания вычитаются баллы за нарушение правил по охране труда и технике безопасности.
Если у вас есть вопрос — направьте нам письмо! Можете отправить через форму или напрямую на e-mail [email protected] или по телефону +7 (499) 922-42-47 (доб. 2009) |
Превратите фотографию в штриховой рисунок с помощью ИИ, чтобы получить карандашные наброски
Преобразуйте изображение в эскиз
Превратите фотографию в эскиз, чтобы легко рисовать без каких-либо усилий с помощью этого конвертера эскизов с ИИ.
Создание карандашных рисунков
Превратите фотографию в штриховой или красивый карандашный рисунок на 100 % автоматически с помощью инструмента для создания трафаретов с искусственным интеллектом.
Селфи в аниме
Превратите фотографию в аниме за считанные секунды, чтобы получить контуры аниме-рисунков VansPortrait благодаря глубокому обучению.
Гарантия безопасности данных
Safe VansPortrait. Все загруженные изображения эскизов будут удалены через 24 часа после обработки.
Как преобразовать фотографию в рисунок онлайн с помощью VansPortrait?
VansPortrait поможет вам преобразовать фотографию в линейный рисунок онлайн, выполнив три простых шага. Посмотрите внимательно на следующие шаги!
01
Загрузить изображение
Нажмите «Контурные изображения сейчас», чтобы загрузить фотографию в VansPortrait, которая преобразует фотографию в линейный рисунок онлайн.
02
Превратите фотографию в эскиз
После загрузки фотографий выберите одну эскизную модель, и VansPortrait автоматически превратит фотографию в эскиз.
03
Нажмите кнопку загрузки
Аниме портреты или трафаретные рисунки появляются через несколько секунд. Предварительный просмотр и нажмите «Загрузить», чтобы сохранить штриховой рисунок локально.
Превратите фотографию в онлайн-рисунок, чтобы вдохновить вас на идеи рисования линий лица
VansPortrait использует продвинутый ИИ для превращения фотографии в эскиз. Попрощайтесь с скучными фотографиями. Используя GAN, метод глубокого обучения, AI-конструктор контуров изображений достаточно умен, чтобы идентифицировать линии на фотографиях и автоматически преобразовывать изображение в рисунок.
VansPortrait может создать реалистичный штриховой рисунок лица, если вы хотите поделиться чем-то другим и получить больше лайков на Pinterest и Reddit. Просто попробуйте этот конвертер эскизов AI, чтобы поделиться красивыми карандашными рисунками в социальных сетях.
Контурные изображения Сейчас
До ПослеПревратите фотографию в аниме-портрет с помощью конвертера эскизов
VansPortrait — это больше, чем просто конвертер эскизов.
VansPortrait теперь представляет новую функцию искусственного интеллекта для селфи в аниме, которая позволяет превратить фотографию в аниме. Взгляните на свой «стиль аниме», превратив его в аниме-портреты.
Искусственный интеллект аниме VansPortrait использует AnimeGANv2, новый легкий GAN для фотоанимации. Конвертер скетчей использует машинное обучение посредством передачи нейронных стилей и генеративно-состязательных сетей (GAN), чтобы превратить изображение в аниме за считанные секунды.
Контурные изображения Сейчас
До После1 000 000 пользователей по всему миру используют VanceAI
Маркетологи социальных сетей, художники-любители, блоггеры и многие другие используют VansPortrait для создания контуров изображений в Интернете.
Лучшие карандашные наброски. VansPortrait великолепен, поскольку он может автоматически превращать фотографии в аниме и удивительные портреты AI.
Я загрузил несколько изображений своих селфи и моего кота, и я могу преобразовать фотографию в рисунок онлайн всего за пару секунд. Это действительно здорово. Мне просто не терпится поделиться трафаретами на Facebook и Pinterest.
Я мечтал стать художником, когда мне было десять лет, и я научился превращать фотографию в эскиз, когда учился в колледже. Но я должен признать, что рисование для меня действительно непростая работа, и рисование эскиза заняло у меня несколько часов. Пока я не встретил VansPortrait, я мог конвертировать фото в штриховой рисунок онлайн, а также превращать изображение в аниме бесплатно в один клик.
Я хотел, чтобы мои блоги и каналы социальных сетей отличались от других, используя VansPortrait для преобразования изображений в штриховые рисунки онлайн. Это позволяет мне превратить изображение в эскиз. Я так счастлив, что многие читатели оставили комментарии, спрашивающие, как я превращаю изображения в рисунки бесплатно.
Ну, это магия этого конвертера скетчей AI.
Часто задаваемые вопросы
-
Как превратить картинку в рисунок на телефоне?
VansPortrait поможет вам легко создавать реалистичные крутые рисунки на вашем телефоне.
1. Зайти на официальный сайт VanceAI.
2. Найдите VansPortrait и загрузите изображение онлайн.
3. Предварительно просмотрите и загрузите свои крутые наброски. -
Как нарисовать эскиз?
VansPortrait позволяет легко рисовать наброски. Просто загрузите портрет в Sketch Converter, а затем VansPortrait преобразует изображение в крутые и простые наброски за считанные секунды.
-
Как обвести изображение без Photoshop?
Простой в использовании конвертер на основе искусственного интеллекта VansPortrait может помочь вам обвести изображение без Photoshop.
Выполнив три простых шага: перейти на домашнюю страницу, щелкнуть «Загрузить изображение», затем «Начать обработку» и, наконец, сохранить обработанный эскиз локально, — вы можете самостоятельно обрисовать изображение без Photoshop. Photoshop имеет слишком много сложных функций, которые обычно требуют некоторых профессиональных знаний, хотя он действительно мощный. -
Как я могу превратить фотографию в карандашный рисунок онлайн?
VansPortrait поможет вам преобразовать фотографию в штриховой рисунок или эскиз в течение 5 секунд на основе передовых алгоритмов. Просто нажмите «Загрузить изображение» на главной странице продукта, выберите одну модель в VansPortrait Workspace и запустите ее. Через несколько секунд VansPortrait представит карандашный рисунок онлайн.
Узнать больше сообщений в блоге VanceAI
сообщений | Связанные функции контурного изображения
Еще сообщения15 ЛУЧШИХ приложений для превращения фотографий в наброски или рисунки
Вы увлечены цифровым искусством и хотите приложение, которое позволит вам выразить свое творчество в полной мере?
Хорошей новостью является то, что существует множество отличных приложений, которые позволяют превращать фотографии в наброски, рисунки, акварели и многое другое.
Если вам нужны приложения для редактирования фотографий на iPad или их версии для смартфонов, это руководство позволит вам понять, какие из них стоят вашего времени.
Ознакомьтесь с нашей подборкой, чтобы узнать, какое приложение для рисования лучше всего подходит для вас!
Содержание
Какое приложение превращает фотографии в наброски?
Если вы заинтересованы в создании цифрового искусства, среди этих приложений вы найдете отличный инструмент для раскрытия своего творчества и превращения фотографии в эскизную графику.
Хотя на рынке представлено множество вариантов, мы сузили его до 15 лучших для создания эффектов эскиза. Мы стремились охватить широкий спектр потребностей — вам решать, что вам подходит.
Некоторые из приложений в этом списке просты и удобны в использовании для тех, кто хочет применить эффекты в качестве фильтра и поделиться ими в Интернете.
Другие предлагают широкий спектр инструментов редактирования и отличный контроль над предустановленными эффектами, так что вы можете создать свой собственный стиль.
Любое из этих приложений может показать вам, как преобразовать фотографию в эскиз на мобильном устройстве, но каждое из них имеет уникальные функции, которые могут быть лучше для эскизов, которые вы надеетесь создать.
1. Colorcinch- Лучшие в своем классе эффекты на основе искусственного интеллекта
- Ультрареалистичный скетчер, мультипликатор, художник
- Полностью регулируемый
- Рамки, наложения, маски
- Удаление фона и другие средства ouch tools
Colorcinch — интуитивно понятный и мощное приложение для преобразования фотографий в рисунки, известное своей обширной коллекцией художественных эффектов на основе искусственного интеллекта. Одним щелчком мыши вы можете превратить свои фотографии в ультрареалистичные эскизы, картины, мультфильмы и многое другое.
Вы также можете настроить интенсивность, четкость и общий внешний вид любого эффекта в соответствии с вашими творческими потребностями.
Кроме того, Colorcinch позволяет стилизовать ваши работы с помощью наложений, масок, фоторамок и других инструментов ретуширования.
Бесплатная версия этого приложения для создания иллюстраций предлагает отличные фильтры и базовые инструменты редактирования. Вы можете перейти на его премиальный план, который начинается с 4,99 долларов США, чтобы разблокировать все функции и получить экспорт с более высоким разрешением.
- Как использовать фильтры камеры iPhone для потрясающих фотографий 146 Камера в приложении
- Высокое разрешение
- Инструменты ретуширования
- Инструменты деформации
- Интегрированная служба печати
Clip2Comic позволяет применять мультяшные фильтры к фотографиям и видео. Вы можете использовать камеру в приложении для предварительного просмотра эффектов в режиме реального времени или загрузить и изменить их в своей галерее.
Вы можете выбирать из мультфильмов, плакатов, набросков, комиксов и многих других, чтобы создавать забавные эффекты, которые вы можете дополнительно настроить с помощью инструментов ретуширования и деформации.
Поделитесь своими творениями прямо из приложения в своих профилях в социальных сетях или распечатайте их с помощью встроенных в приложение сервисов, чтобы превратить фотографии в открытки или поздравительные открытки — с бесплатной доставкой.
Это приложение для преобразования изображений в наброски доступно только для устройств iOS, а функция видео совместима с более новыми моделями, начиная с iPhone 5S, iPad Air, iPad Air Mini.
Чтобы разблокировать весь контент, вам необходимо перейти на премиум-версию за ежемесячную плату в размере 1,99 доллара США или пожизненную подписку в размере 40,99 доллара США.
3. PrismaСкачать: Android / iOS
- Инструменты для редактирования фотографий
- Сотни стилей
- Новый фильтр каждый день
Pri sma — потрясающий фоторедактор, который позволяет превращать фотографии в креативные цифровые изображения. искусство с легкостью и контролем.
Выберите любой из сотен фильтров, и вы сможете преобразить свои изображения одним касанием.
Вы также можете улучшить фотографию перед фильтром и настроить фильтр после. Таким образом, вы обязательно добьетесь наилучших результатов.
Когда вы будете удовлетворены, вы можете поделиться своими изображениями с постоянно растущим сообществом авторов, опубликовать их в своих профилях в социальных сетях или загрузить на свой телефон.
Однако бесплатная версия этого приложения, которое может превращать изображения в иллюстрации, имеет лишь несколько доступных фильтров. Чтобы получить полный доступ, вам необходимо получить премиум-членство за 7,9 долларов США.9 в месяц или 29,99 долларов в год.
4. PainntЗагрузка: Android / iOS
- 2000+ фильтров
- питание от AI
- Регулярно добавляются новые пресеты
- Пользовательские фильтры 900 85
Дайте волю своему творчеству с помощью более 2000 фильтров. может превратить фотографии в рисунки.
Неважно, какой у вас стиль, вы найдете эффект, который вам подходит – будь то набросок углем или импрессионистические мазки.
Вы также можете создавать свои собственные фильтры и настраивать прозрачность, контрастность, насыщенность и т. д. с помощью инструментов редактирования.
Имейте в виду, что бесплатная версия ограничена и позволяет выводить изображения только в низком разрешении с водяным знаком.
Премиум-подписка на это приложение с иллюстрациями стоит 1,99 доллара в месяц или 9,99 доллара в год и дает вам полный доступ к библиотеке фильтров.
Кроме того, вы сможете экспортировать изображения и видео в самом высоком качестве и удалять водяные знаки.
5. Масляная живопись с эффектом акварелиСкачать: Android / iOS
- Эффекты в 1 клик
- 15+ акварельных фильтров
- Камера в приложении
Благодаря более чем 15 фильтрам вы можете сделать любую фотографию из своей галереи или сделать новую фотографию и превратить ее в произведение искусства.
У него есть несколько стилей на выбор — цифровая живопись, современное искусство и стили современного искусства, и это лишь некоторые из них.
Это приложение доступно для Android, iPhone и iPad. У него есть 3-дневный пробный период, после чего вы можете выбрать один из двух планов подписки: 3,99 доллара в неделю или 29,99 доллара в год.
Вы также можете превратить фотографии в картины с помощью этих приложений.
6. Нарисуй меня! Sketch & CartoonСкачать: Android
- Несколько фильтров
- Настраиваемые эффекты
Если вы ищете простое приложение, которое действительно позволяет преобразовывать фотографии в наброски, то это приложение для вас.
У вас не будет фоторедактора или множества фильтров (иногда оплачиваемых отдельно), как в других приложениях, но именно это делает его легким и простым в использовании.
С помощью этого приложения вы можете превратить фотографии в эскиз, рисунок или мультфильм с очень простым пользовательским интерфейсом.
Эффект можно дополнительно персонализировать, регулируя силу края, непрозрачность, контрастность и насыщенность.
Затем вы можете сохранить или поделиться своими творениями. Приложение бесплатное, включая все эффекты и инструменты (хотя есть платная опция удаления рекламы).
7. PhotoMania: Эффекты и картыСкачать: Android / iOS
- Автоулучшение
- Фильтры
- Рамки
- Фотоэффекты 900 85
- Шаблоны карточек
Этот фоторедактор и приложение для рисования позволяет Настройте свои фотографии с помощью инструментов редактирования и примените всевозможные фильтры, чтобы добавить свой личный стиль.
Многочисленные фильтры включают эффекты рисования и эскиза, и вы можете превратить фотографии и творения в электронные открытки, которые вы можете отправить своим друзьям и семье.
Разблокируйте полный набор фильтров и инструментов с покупками в приложении или станьте профессиональным участником.
Приложение совместимо с Android, iPhone и iPad.
Скачать: iOS
- Камера в приложении
- AI Engine
- Макеты
- Мультяшные эффекты 9 0107
- Инструмент для рисования
- Акварельный эффект
- Эффект рисования
- Камера в приложении
- Различные материалы для рисования экран
- Сохранить незавершенное производство
- Рисованная анимация
С помощью ToonMe вы можете превратить фотографии или селфи в мультфильм.
Он использует искусственный интеллект для создания более реалистичных эффектов. Вы можете выбрать стиль, который вам больше всего нравится, чтобы выглядеть как ваши любимые персонажи.
Вы можете принять участие в конкурсе #toonme, чтобы оставаться на связи с другими авторами и черпать вдохновение. По мере улучшения своих навыков вы также можете настраивать эффекты.
Бесплатная загрузка продвинет вас далеко вперед — затем вы сможете разблокировать функции и пресеты с помощью покупок в приложении или подписки PRO, начиная с 4,99 долларов США в месяц или 24,99 долларов США в год.
9. Photo Sketch MakerСкачать: Android
Это приложение представляет собой простой и эффективный способ преобразовать фотографии в рисунки или превратить фотографию в набросок.
Просто выберите фотографию или сделайте новую, при необходимости обрежьте ее, и все готово.
Примените к фотографии эффект эскиза или любой из стилей рисования, затем используйте свой любимый цветной карандаш и сохраните свое творение, когда будете довольны.
Photo Sketch Maker можно загрузить и использовать совершенно бесплатно, хотя они предлагают платную версию, позволяющую избавиться от рекламы. 9
Его создатели определяют Artomaton как художника с искусственным интеллектом — в основном потому, что он может рисовать и рисовать на основе ваших фотографий и видео.
Выберите материал холста (предоставлено 11 – доступно еще 10), используйте любой из инструментов для рисования (предоставлено 5 – доступно еще 8) и начните творить. Вы можете дополнительно настроить инструменты и настроить толщину линии, длину штриха и т. д.
ИИ проанализирует фотографию, чтобы применить фильтры — весь процесс можно сохранить в виде видео. Кроме того, вы можете применять эффекты к своим видео и создавать рисованную анимацию. Artomaton отлично подходит в качестве приложения для рисования.
11. WaterlogueСкачать: iOS
- Акварельные эффекты
- Высокое разрешение
- 14 предустановленных стилей
- Настраиваемые инструменты
Это приложение превращает фотографии в акварельные картины и дает вам много контроль для некоторых довольно удивительных результатов. Итак, если вам нужен эффект эскиза или эффект рисования, это приложение не совсем для вас.
Вы можете начать с любого из 14 предустановленных стилей и настроить его, изменив цвета, контуры пера и влажность.
Создавайте потрясающие произведения искусства на iPhone или iPad, а затем экспортируйте их в высоком разрешении. Затем вы даже можете распечатать их, чтобы сделать копию на холсте и повесить на стену.
Скачать: Android / iOS
- Фильтры для селфи
- Эффекты художественного оформления
- Камера в приложении
- Виртуальные экскурсии по музею
- Найди свою работу вдвоем
Это фантастическое приложение, которое дает вам массу возможностей для работы с фотографиями с помощью инструментов, вдохновленных известными художниками-портретистами.
Вы можете применять любые художественные фильтры к своим изображениям и превращать фотографии в рисунки или произведения искусства, вдохновленные великими мастерами истории искусства.
Еще одна забавная особенность: вы можете делать селфи с живописными эффектами, используя артефакты известных произведений искусства со всего мира.
Вы даже можете использовать свои фотографии, чтобы определить, какая картина похожа на вас и где она находится. Возможно, вы даже сможете посетить этот музей и сделать селфи со своим «художественным двойником».
Это приложение является бесплатным для использования и имеет множество других функций, таких как виртуальные посещения музеев, игры, связанные с искусством, и викторины. Он также предлагает возможность просматривать произведения искусства по цвету, действиям «сделай сам» и т. д.
13. VarnistЗагрузка: Android
- AI Engine
- Несколько стилей
- Камера в приложении
В этом приложении вы найдете несколько вариантов превращения фотографии в набросок.
Выберите фильтр для рисования и превратите свои изображения в мангу или используйте мультипликационный эффект. Некоторые фильтры основаны на стиле известных художников, таких как Пикассо или Афремов.
Если вы хотите что-то необычное с этим приложением для рисования фотографий, вы можете использовать природные эффекты, такие как огонь и молния, или использовать любую из предлагаемых текстур. Varnist помогает создавать иллюстрации, которые отражают жизнь ваших фотографий.
Некоторые стили эскизов предоставляются бесплатно, а другие нужно покупать по цене от 0,99 до 9,99 долларов за штуку.
14. iColorama SСкачать: iOS
- 300+ эффектов
- Импорт кистей Photoshop
- История шагов
- До/После 90 085
Это приложение для создания эскизов имеет широкий набор фильтров, которые вы можете использовать, чтобы превратить фотографии в произведения цифрового искусства. Если вас не устраивают предустановки в том виде, в котором они есть, есть несколько инструментов для их настройки.
Вы также можете рисовать поверх изображения, чтобы создать совершенно оригинальный вид. Включено много кистей, и вы можете импортировать больше бесплатных кистей из Photoshop.
В отличие от других приложений, в этом нет встроенных покупок — это единоразовый платеж за пожизненный полный доступ. Это хорошо, за исключением того, что это означает, что у него нет бесплатной версии.
Это приложение доступно только для устройств iPhone.
Скачать: iOS
- Предустановки для художественных работ
- Видео фильтры
- Полиграфические услуги
- Подпишите свою работу
Это лучшее приложение для рисования, позволяющее раскрыть в вас художника — оно даже позволяет вам подписывать свои работы.
С помощью Brushstroke вы можете преобразить свои фотографии с помощью художественных фильтров и настроить эффект для достижения лучших результатов.
Из приложения вы можете поделиться своими творениями в социальных сетях или отправить их на печать и рамку на CanvasPop. Здесь вы можете выбрать размер и рамку, а также заказать доставку на дом или на чужой адрес.
Видеофункция этого приложения доступна для iPhone 5S, iPad Air, iPod Touch 6 или более новых устройств.
Как превратить фотографию в эскиз с помощью Photoshop
- Начните с базовой фотографии из альбома для рисования. Затем вставьте (в качестве второго слоя) изображение, которое вы хотите превратить в набросок.

- Измените размер и положение верхнего слоя. Затем используйте маску слоя, чтобы скрыть все области, которые вам не понадобятся на финальном изображении, и используйте кисть с мягкими краями, чтобы стереть жесткие границы объекта.
- Добавьте слой белого сплошного цвета между двумя существующими слоями.
- Выберите верхний слой и белый слой. Затем щелкните их правой кнопкой мыши и выберите «Преобразовать в смарт-объект».
- Теперь, когда оба слоя являются одним смарт-объектом, измените режим наложения на «Умножение» — это скроет белый фон смарт-объекта.
- Перейдите в меню «Фильтр», «Галерея фильтров». Откройте папку Sketch и выберите фильтр Graphic Pen.
- Настройте параметры фильтра, если хотите, или оставьте значения по умолчанию, если вас устраивает внешний вид. Затем нажмите OK, чтобы применить.
- Дважды щелкните правую часть слоя на панели «Слои» — откроется диалоговое окно «Стиль слоя». Внизу вы найдете раздел «Смешать, если» — удерживая клавишу Alt, щелкните правый ползунок нижнего слоя и перетащите его влево, пока не увидите немного текстуры, проходящей через эскиз.
Нажмите «ОК», чтобы применить — вы можете вернуться к нему и настроить его столько раз, сколько захотите. - Теперь уменьшите непрозрачность слоя, чтобы черные не были такими темными. Таким образом, он будет больше похож на карандашный рисунок.
- Наконец, перейдите в меню «Фильтры», «Размытие», «Размытие по Гауссу». Переместите ползунок так, чтобы набросок потерял некоторую резкость — это сделает его более реалистичным. Если ваше изображение было слишком размытым для начала, эти приложения должны помочь.
Это основные шаги, которые вы можете предпринять, чтобы преобразовать фотографии в эскизы с помощью Photoshop, не загружая никаких других приложений на свои устройства.
Как бесплатно превратить фотографию в эскиз на Mac и Windows
Если вы хотите превратить фотографии в рисунки, картины или эскизы, не изучая сложные программы для редактирования фотографий, такие как Photoshop или Gimp, вы можете использовать FotoSketcher.
FotoSketcher — бесплатная программа с более чем двадцатью эффектами.
Это означает, что вы можете выбирать между акварелью, мультфильмом, тушью, карандашными набросками, картинами маслом и даже эффектами абстрактного искусства.
Более продвинутые пользователи могут создавать свои собственные эффекты с помощью функции сценария. Вы также можете выполнить базовую ретушь фотографий, чтобы изменить контрастность, насыщенность, яркость и т. д.
FotoSketcher разработан для Windows, но они также работают над версией для Mac. В настоящее время существует экспериментальная версия программного обеспечения iOS, совместимая с MacOS 10.14 (Mojave).
Это приложение для рисования бесплатно даже для коммерческого использования, так что не стесняйтесь продавать свои работы, созданные с его помощью. Вы всегда можете поддержать команду FotoSketcher, пожертвовав через кнопку на их сайте.
Final Words
Я надеюсь, что эти приложения и программные решения дали вам достаточно инструментов для превращения фотографий в другие формы цифрового искусства.
Вы уже пробовали использовать какой-либо из этих инструментов редактирования? Дайте нам знать в комментариях, какой из них ваш любимый!
Часто задаваемые вопросы
Сохраню ли я авторские права на отредактированные фотографии?
Хотя закон об авторском праве иногда может быть неоднозначным, в целом вы можете полностью владеть своими фотографиями после того, как пропустите их через указанные выше приложения и инструменты, которые позволяют превратить фотографию в набросок. Само по себе исходное фото не должно нарушать авторские права.
Безопасно ли использовать приложения для создания эскизов на моем устройстве?
Большинство приложений всех видов запрашивают определенные разрешения, когда вы загружаете их на свой телефон. Это может включать просмотр ваших фотографий, личное отслеживание вас или подключение к вашему тарифному плану. Если это вызывает у вас проблемы с конфиденциальностью, вам следует избегать их, но если вы беспокоитесь о том, что приложения, ранжированные выше, являются вредоносными, это не так.
