Котел отопления для дома своими руками – чертежи, виды, фото и видео
Самодельный котёл для отопления частного дома: чертежи, фото, пошаговая инструкция
Дом у многих ассоциируется с теплом и уютом. Если уют создаётся за счёт усердия хозяйки, то задача обеспечить родную обитель комфортной температурой полностью ложится на плечи хозяина. По этой причине некоторые домовладельцы решаются на создание собственной системы отопления. Причём делают почти всё своими руками. Иногда самодельный котёл может быть на порядок лучше заводского аналога.
Добавьте тепло и уют в свой домВиды котлов
Если с выбором водяного отопления в доме определиться легко из-за практического отсутствия конкурентов, то выбирать котёл не так-то просто. Существует несколько разновидностей таких агрегатов. Вот основные из них:
- Твёрдотопливные котлы. Самые распространённые и востребованные. Работают на любом твёрдом топливе. Имеют высокий коэффициент полезного действия. Надёжные и сравнительно безопасные. К недостаткам можно отнести, трудоёмкое обслуживание аппарата и экологическую неблагонадёжность.
- Газовые котлы. Не уступающие по популярности предыдущим, а в некоторых регионах и намного их превосходящие. Очень эффективные, экологически чистые, не требуют большого внимания по уходу. К недостаткам относят большой расход топлива и его стоимость.
- Электрические котлы отопления. Тоже очень удобные котлы в обслуживании и эксплуатации. Экологически самые чистые, так как нет горения — нет вредных выбросов. Однако оплата такого отопления может стать непосильной ношей для семьи. Расход электричества очень большой, поэтому мало кто решается на установку такого котла в своём доме.
В данном видео рассмотрим отопление дома:
Кроме основного топлива, на конструкцию оборудования подобного типа сильно влияет способ циркуляции воды. Он может быть двух видов:
- Естественный. В этом случае система отопления делается так, что вода, заполняющая систему, за счёт нагревания в котле циркулирует самостоятельно по трубам и радиаторам, а остывая, опять возвращается в котёл.
- Принудительный. Подача остывшей воды в котёл осуществляется с помощью специального насоса.
Кроме ярко выраженных представителей определённых групп, существует большое количество гибридных созданий. Многие умельцы объединяют разные системы отопления и создают универсальные проекты.
Правильный выбор
Чтобы сделать правильный выбор, домовладельцу надо хорошо оценить свои возможности и потребности, а также проанализировать все доступные самодельные отопительные котлы. На что в первую очередь обращают внимание:
- Площадь и объём помещений для обогрева. Чем больше показатели, тем мощнее понадобится обогреватель.
- Стоимость энергоресурсов. При ограниченном бюджете просчитывают расходы топлива и его стоимость. Выбирают оптимальный вариант.
- Инженерные особенности устройства оборудования. Если собираются делать самодельный котёл для водяного отопления, то хорошо изучают его конструкцию и схему сборки, чтобы убедиться, что не будет проблем с подбором и изготовлением деталей и всего сооружения.
- Обслуживание системы. Сразу знакомятся с тем, как обслуживать самодельные котлы отопления выбранной конструкции, чтобы впоследствии не пришлось столкнуться с дополнительными проблемами.
- Мнение потребителей. Исследуют отзывы о котлах тех, кто ими пользовался или пользуется не один год.
- Анализ промышленных аналогов. Не стоит сразу сбрасывать со счетов образцы серийного производства. В некоторых обстоятельствах переплата за такой аппарат очень быстро окупается.
Взвесив все за и против, а также личные обстоятельства, обычно принимают взвешенное решение. Главное — не спешить и не делать поспешных, необдуманных шагов. Мудрое решение этого вопроса будет долгие годы служить залогом комфортных жизненных условий в доме.
Схема изготовления
Решившиеся на самостоятельное осуществление сложного проекта должны помнить, что системы отопления частного дома с самодельными газовыми котлами не столь надёжны, как промышленные образцы. Чаще всего делают котёл на твёрдом топливе или электрический. Кто-то решается объединить оба варианта в один.
Чтобы сделать самодельный котёл для отопления, домовладельцам стоит хорошо всё продумать и составить план действий от начала до конца. Вот примерная схема всех основных работ при выполнении подобного проекта:
- Чертежи системы отопления и котла. Их либо заимствуют у тех, кто уже делал котёл своими руками, или делают самостоятельно, рассчитывая все параметры будущего сооружения.
- Материалы и инструменты. Для осуществления проекта сразу находят и приобретают все нужные материалы. Для котла обязательно понадобится толстостенный металл (не менее 5 мм) или чугун. Многие используют трубы, радиаторы, бочки и другие ёмкости из такого металла. Из инструментов основной для таких работ — это сварочный аппарат со всеми вытекающими из этого последствиями.
- Основные блоки и детали. Начинают изготовление отдельных деталей и блоков будущего сооружения.
- Сборка. На этом этапе собирают все детали и блоки в единое целое.
- Проверка. После полной сборки делают пробный запуск системы и проверяют на наличие недостатков. Сразу их устраняют по ходу выявления.
- Окончание работ. На этой стадии красят трубы и другие части сооружения. Если применялась кирпичная кладка, наружную часть могут заштукатурить и побелить. Осуществляют дизайнерское оформление.
Самостоятельное изготовление отопительной системы в доме отнимает много времени и сил. Однако такая система может доставлять хозяину дополнительную радость от чувства гордости, что он сумел осуществить такой сложный проект.
‘; blockSettingArray[0][«setting_type»] = 1; blockSettingArray[0][«element»] = «h2»; blockSettingArray[0][«elementPosition»] = 1; blockSettingArray[0][«elementPlace»] = 1; blockSettingArray[4] = []; blockSettingArray[4][«minSymbols»] = 0; blockSettingArray[4][«minHeaders»] = 0; blockSettingArray[4][«text»] = ‘
‘; blockSettingArray[4][«setting_type»] = 5; blockSettingArray[8] = []; blockSettingArray[8][«minSymbols»] = 0; blockSettingArray[8][«minHeaders»] = 0; blockSettingArray[8][«text»] = ‘
‘; blockSettingArray[8][«setting_type»] = 1; blockSettingArray[8][«element»] = «h3»; blockSettingArray[8][«elementPosition»] = 1; blockSettingArray[8][«elementPlace»] = 4; blockSettingArray[9] = []; blockSettingArray[9][«minSymbols»] = 0; blockSettingArray[9][«minHeaders»] = 0; blockSettingArray[9][«text»] = ‘
‘; blockSettingArray[9][«setting_type»] = 6; blockSettingArray[9][«elementPlace»] = 90; blockSettingArray[11] = []; blockSettingArray[11][«minSymbols»] = 0; blockSettingArray[11][«minHeaders»] = 0; blockSettingArray[11][«text»] = ‘
‘; blockSettingArray[11][«setting_type»] = 1; blockSettingArray[11][«element»] = «img»; blockSettingArray[11][«elementPosition»] = 1; blockSettingArray[11][«elementPlace»] = 2; var jsInputerLaunch = 15;
kaminguru.com
Котел отопления своими руками: описание и чертежи
Проектируя систему отопления для частного дома, многие владельцы для того, чтобы сократить расходы на покупку оборудования, предпочитают самодельные котлы отопления заводским. Действительно, заводские агрегаты стоят достаточно дорого, а сделать котёл на дровах своими руками вполне по силам, если у вас имеются грамотные чертежи и есть навыки обращения с инструментами для механической обработки материалов, а также со сварочным аппаратом.

Схема работы водогрейных котлов, как правило, универсальна – тепловая энергия, которая выделяется при сгорании топлива, передаётся на теплообменник, откуда идёт на отопительные приборы для обогрева дома. Конструкция агрегатов может быть самой разной, как используемое топливо и материалы для изготовления.
Пиролизные котлы длительного горения
Схема работы пиролизного устройства длительного горения основана на процессе пиролиза (сухой перегонки). В процессе тления дров выделяется древесный газ, который сгорает при очень высокой температуре. При этом выделяется большое количество тепла – оно идёт на обогрев водяного теплообменника, откуда поступает через магистраль в отопительные приборы для обогрева дома.
Твердотопливные пиролизные котлы – достаточно дорогое удовольствие, поэтому многие владельцы для своего дома предпочитают изготовить самодельный котёл отопления.
Конструкция такого агрегата довольно проста. Твердотопливные пиролизные котлы состоят из следующих элементов:
- Камера загрузки дров.
- Колосник.
- Камера сгорания летучих газов.
- Дымосос – средство обеспечения принудительной тяги.
- Теплообменник водяного типа.
Дрова помещают в загрузочную камеру, поджигают и закрывают заслонку. В герметичном пространстве при тлении дров образуются азот, углерод и водород. Они поступают в специальный отсек, где сгорают – при этом выделяется большое количество теплоты. Она используется для нагревания водяного контура, откуда вместе с нагретым теплоносителем идёт на отопление дома.
Время сгорания топлива у такого водогрейного устройства составляет около 12 часов – это достаточно удобно, поскольку нет необходимости часто к нему наведываться для загрузки новой порции дров. По этой причине твердотопливные котлы пиролизного действия очень высоко ценятся среди владельцев домов частного сектора.
Чертёж на схеме наглядно демонстрирует все особенности конструкции водогрейных котлов пиролизного действия.

Для того, чтобы самостоятельно изготовить подобный аппарат, понадобятся болгарка, сварочный аппарат и следующие расходные материалы:
- Лист металла толщиной в 4 мм.
- Металлическая труба диаметром в 300 мм с толщиной стенки 3 мм.
- Металлические трубы, диаметр которых составляет 60 мм.
- Металлические трубы, диаметр которых составляет 100 мм.
Пошагово алгоритм изготовления выглядит следующим образом:
- Отрезаем участок длиной 1 м из трубы диаметром 300 мм.
- Далее необходимо приделать дно из листового металла – для этого нужно вырезать участок необходимого размера и сварить с трубой. Подставки можно сварить из швеллера.
- Далее делаем средство для забора воздуха. Вырезаем из листового металла круг диаметром 28 см. В середине сверлим отверстие размером 20 мм.
- Размещаем с одной стороны вентилятор – лопасти должны быть 5 см по ширине.
- Далее ставим трубку, диаметр которой 60 мм и длина более 1 м. С верхней стороны крепим люк для того, чтобы была возможность регулировки воздушного потока.
- В нижней части котла необходимо отверстие для топлива. Далее нужно сварить и прикрепить люк для герметичного закрывания.
- Сверху размещаем дымоход. Он ставится вертикально на расстоянии 40 см, после чего его пропускают через теплообменник.
Твердотопливные пиролизные устройства водогрейного типа очень эффективно обеспечивают отопление частного дома. Их самостоятельное изготовление помогает сэкономить очень существенную сумму денег.
Как изготовить паровой котёл своими руками
Схема действия паровых систем отопления построена на использовании тепловой энергии горячего пара. При сгорании топлива образуется определённое количество теплоты, которое поступает на водогрейный участок системы. Там вода превращается в пар, который под высоким давлением поступает с водогрейного участка в магистраль отопления.
Такие аппараты могут быть одноконтурными и двухконтурными. Одноконтурный аппарат используется только для отопления. Двухконтурный обеспечивает ещё и наличие горячего водяного снабжения.
Паровая система отопления состоит из следующих элементов:
- Водогрейного парового устройства.
- Стояков.
- Магистрали.
- Радиаторов отопления.
Чертёж на рисунке наглядно демонстрирует все нюансы конструкции парового котла.

Читайте также: Газовый самодельный котел отопления.
Сварить такой агрегат своими руками можно, если иметь некоторые навыки в обращении со сварочным аппаратом и инструментами для механической обработки материалов. Самой важной частью системы является барабан. К нему подсоединяем трубы водяного контура и приборы для контроля и измерений.
В верхнюю часть агрегата при помощи насоса нагнетается вода. Вниз направлены трубы, по которым вода поступает в коллекторы и подъёмный трубопровод. Он проходит в зоне сгорания топлива и там происходит нагревание воды. По сути здесь задействован принцип сообщающихся сосудов.
Для начала необходимо хорошо продумать систему и изучить все её элементы. Потом необходимо закупить все необходимые расходные материалы и инструменты:
- Трубы из нержавейки диаметром 10-12 см.
- Стальной лист из нержавейки толщиной в 1 мм.
- Трубы диаметром 10 мм и 30 мм.
- Предохранительный клапан.
- Асбест.
- Инструменты для механической обработки.
- Сварочный аппарат.
- Приборы для контроля и измерений.

Далее изготовление агрегата выглядит следующим образом:
- Делаем корпус из трубы длиной 11 см с толщиной стенки 2,5 мм.
- Делаем 12 дымогарных труб длиной 10 см.
- Делаем жаровую трубку 11 см.
- Из листа нержавейки изготавливаем перегородки. В них проделываем отверстия для дымогарных трубок – их крепим к основанию при помощи сварки.
- Привариваем к корпусу предохранительный клапан и коллектор.
- Теплоизоляцию выполняем при помощи асбеста.
- Оснащаем агрегат приборами контроля и регулировки.
Заключение

Изготовление отопительных аппаратов своими силами – задача скрупулёзная, сложная и трудоёмкая. Для того, чтобы с ней справиться, нужно уметь пользоваться сварочным аппаратом и иметь навыки владения инструментами для механической обработки материалов. Если же вы таких навыков не имеете, такой случай будет неплохим поводом научиться – и вы своими руками сумеете обеспечить своё жильё теплом и комфортом.
mynovostroika.ru
Самодельные котлы отопления своими руками для отопления дома, чертежи
Самодельные котлы отопления – это реальность. Особенно для тех, кто любит самостоятельно мастерить руками различные приспособления, увеличивающие комфорт жизни.
В целом
Все самодельные котлы отопления основываются на одном принципе. Сгорающее топливо будет отдавать тепло теплообменнику, а он – будет нагревать теплоноситель. На то, как будет работать отопительный котел, влияет два основных важных фактора – это конструкция теплообменника и полнота сгорания топлива. В первом случае – чем больше будет площадь теплового контакта топки и емкости с носителем тепла – тем больше тепла будет передаваться в единицу времени. В случае с полнотой сгорания топлива – если приток кислорода будет незначительным, то вместе с продуктами сгорания будет уходить и пиролизный газ. А он – может отдать тепло при сгорании.

Самодельный котел отопления
Создаем котел
Конечно, на то, какая именно будет конструкция котла, сделанного собственноручно, влияет несколько факторов:
- Прежде всего, это доступность определенных материалов. Конечно, более долговечными будут жаростойкие виды нержавейки. Но быстрее и дешевле будет достать обычный лист.
- Также важный аспект – это возможность обработки. В своем гараже вы, скорее всего, не сможете сотворить литую печку из чугуна, — ведь оборудование для этого будет дороже самой печки. Поэтому решения здесь могут быть самыми разными – все зависит от вашей фантазии и от способности физических законов ее реализовать. Обычно котел отопления своими руками создается из традиционного материала – листовой стали до 5 мм толщины. И резать болгаркой такую сталь легко, а кроме того, можно это делать газовым резаком или электросваркой.
Конструкция будущего котла также будет прямым образом зависеть от того, какое топливо будет применяться.
Также на конструкцию повлияет способ циркуляции теплоносителя. Ведь чтобы циркуляция была естественной, требуется большая высота бака и большой диаметр патрубков и контуров отопления. Чем ниже будет диаметр, тем больше сопротивление движению воды и ниже шансы получить хорошую скорость циркуляции теплоносителя, не используя при этом насос.

Схема-чертеж самодельного котла на твердом топливе
А вот самодельный котел отопления с насосом циркуляции позволяет сделать диаметр труб меньшим, высоту бака – тоже. Но здесь пользователей подстерегает некая ловушка – если подача электроэнергии при греющем котле прекратится, то и циркуляция воды остановится. Вследствие этого можно увидеть разорванный паром котел. Поэтому приведем несколько советов, которые помогут вам в таком процессе, как изготовление котлов отопления своими руками.
Рекомендуем к прочтению:
Патрубки котла, контуры отопления – все это должно быть сделано трубой не менее 32 мм. Диаметр трубки на выходе из теплообменника – 32 мм. Если насос остановится, скорость циркуляции воды будет медленнее, а температура – наоборот, начнет возрастать. Поэтому лучше сделать контур не из металлопластика или полипропилена, а из оцинковки, герметизировав резьбы льном с краской или суриком.
Далее мы рассмотрим, как сделать котел отопления разных типов.
Дровяные котлы
Дровяные котлы отопления своими руками – если рассматривать самый простой вариант, — это два цилиндра разных диаметров, которые помещены один в другой. Во внутреннем цилиндре будет топка, во внешнем – бак для воды.
Чтобы сварка котлов отопления была уменьшена, берут готовую толстую трубу с большим диаметром.
Конечно, в таком случае можно комбинировать формы и размеры труб в зависимости от того, что есть у вас в наличии. Пространство между трубками заполнено водой. Такие котлы отопления своими руками являются универсальными – они будут работать на любом твердом топливе. Сделать такой котел просто, использовать – тоже, однако обратная сторона медали – это низкий КПД.
Рекомендуем к прочтению:

Самодельный котел на дровах
Пиролизные котлы
Когда самодельный котел для отопления дома использует температуру 200-800 градусов и когда недостаточно кислорода, дерево будет разлагаться на древесный кокс и пиролизный газ, выделяя тепло. Теперь нужно только подмешать воздух к пиролизному газу – и он воспламенится. Стоимость материалов, чтобы осуществить изготовление котлов отопления такого типа, будет выше. Но такой котел окупится у вас через 3-4 сезона отопления. Чертежи и конструкции пиролизных котлов можно найти у нас на сайте.

Самодельный пиролизный котел
Котлы на отработанном масле
Конструкция такого котла является довольно любопытной. Перед сгоранием котел испаряет масло. После разжигания при рабочей температуре котла масло, которое капает в специальный поддон, моментально превращается в горючие газы. Именно они и нагревают теплообменник. Как топливо – без различных модификаций, может применяться солярка.

Котел на отработанном масле
Электрические котлы
Изготовление котла отопления своими руками электрического типа – это реальность. Такие котлы являются простыми по конструкции. ТЭН ставится вовнутрь трубы, которая ставится вертикальным образом. Снизу идет патрубок из обратного трубопровода, а сверху подсоединяется подача. В принципе, котел практически готов.
Но есть некоторые нюансы, влияющие на то, как сварить котел отопления. Как известно, цены на электричество постоянно возрастают — ведь это наиболее дорогой вид отопления собственного дома. Кроме того, вам следует знать, что инструкция техники безопасности запрещает подсоединять котлы с мощностью выше 7 кВт к 220 Вольтам. А вот 380 есть не везде и не у всех. Самый простой электрический котел – это корпус из трубки, ТЭН, естественная циркуляция носителя тепла.

Электрический самодельный котел
Отдельно стоит отметить индукционные котлы. Если брать самые простые вариации – то это толстостенная труба из пластика, вокруг нее наматывается сотня витков эмалированного провода, который подключен к сварочному инвертору с током на выходе примерно на 15 ампер.
Вовнутрь располагают те компоненты, которые будут нагреваться вихревыми токами – обрезки толстой проволоки или рубленного стального витка. Снизу подсоединяют обратный трубопровод, сверху – подающий. Контур заполняют водой – и все, можно подавать питание. Но только не включайте систему без теплоносителя! Это расплавит пластик вмиг.
otoplenie-doma.org
Самодельный газовый котел: делаем своими руками
Многие люди все чаще задумываются о переходе на автономное отопление. При этом полностью вся система обойдется в крупную сумму. Хорошей альтернативой можно назвать самодельный газовый котел. На первый взгляд такая задача может показаться невыполнимой. Но если разобраться – она под силу людям, имеющим опыт монтажа, ремонта и эксплуатации газового оборудования. Только такие профессионалы могут позволить себе сделать именно то, что нужно хозяину, а также заметно сократить расходы на приобретение оборудования.

Что нужно?
Существует масса инструкций, как сделать котел для отопления на разных видах топлива: твердое, жидкое, электричество и другие. Но вот построить такую конструкцию на газе решаются не многие. В основном проблема состоит в том, что установку нужно будет подключать только после согласования с соответствующими органами. Но обо всем по порядку.
Итак, для начала необходимо понимать, что использовать такой отопительный агрегат можно только на свой страх и риск, ответственность за последствия, которые могут быть плачевными, полностью ложится на плечи владельца жилья.
После осознания этого, нужно найти подходящие чертежи. Желательно, чтобы на них было детально расписано про котлы отопления, подключение, охлаждение, дымоотвод, дефлектор и другие важные моменты. Мастер обязательно должен разбираться в такой документации в полном объёме, ведь даже одно изменение неблагоприятно отразится на эксплуатации в будущем. Желательно увидеть несколько фото готовых систем. Это поможет «собрать агрегат у себя в голове».

После этого нужно просчитать количество всех материалов на котел отопления. Необходимо понимать, что ни в коем случае нельзя заменять указанный метал другим для удешевления конструкции, ведь он может оказаться мягким, что быстро приведет установку в негодность. Затем приобрести заготовки, а также уже собранные отдельные компоненты (кнопки, дефлектор, краны и прочее).
Также важно иметь свой инструмент, который нужен для соединения металлических листов, их обрезания и шлифования. Также необходимо обладать паяльником, набором отвёрток и ключей, молотками и всевозможным другим инструментом, позволяющими работать с металлом и электросхемами.
Что делать?
Когда все необходимые компоненты для процесса собраны, можно делать первые шаги для создания отопления своими руками. Так, согласно чертежей вырезаются листы, подготавливаются трубки, уголки, внутренние детали. Нужно отметить, что некоторые компоненты не обязательно создавать самостоятельно. Так, например, дефлектор, который будет проще купить и поставить на окончание дымоотводной трубы.

После этого можно начинать сборку согласно чертежей. Ни в коем случае нельзя спешить. Важно понимать, что неправильно расположенные компоненты могут привести просто к неработоспособности устройства. Желательно даже просмотреть видео, где будут рассказаны основные моменты.
После того, как все соединено в единую систему, нужно хорошо зачистить края и покрасить агрегат. Это необходимо, так как во время работы в холодное время будет появляться конденсат, и не покрытый сверху металл попросту начнет ржаветь.
Что дальше?
Сразу нужно сказать, что для газового котла существует ряд требований. Так, например, необходимо иметь специальный отвод отработанных газов, на котором будет сверху дефлектор. Кроме того, все должно быть идеально подключено. Другими словами, запрещено на законодательном уровне пользоваться системами отопления, работающими на этом виде горючего, без необходимых проверок и получения соответствующей документации. Поэтому перед тем как устанавливать газовый котел, созданный своими руками, нужно обязательно вызвать специалиста, занимающегося вышеуказанным.

Дело в том, что такое оборудование относится к устройствам, имеющим повышенную опасность. И на созданный своими руками котел обязательно нужно получить разрешение для монтажа в службе, занимающейся газом. А ей в свою очередь нужно предоставить сертификат на изделие, притом оригинал, не копию или фото.
Нужно понимать, что получить такую бумагу непросто, и чаще всего это обходится в крупную сумму денег. Кроме того, минимальное отклонение от всех прописанных норм ведет к полному запрету использовать самодельные установки. Это – веский довод в пользу того, что изготовление газового котла своими руками может производиться только человеком, имеющим большой опыт в монтаже и обслуживании подобных агрегатов. При этом имеется в виду комплектация и сборка системы из отдельных узлов, каждый из которых изготовлен с соблюдением ГОСТ, и применение деталей, изготовленных вручную, сведено к минимуму и допустимо лишь на неответственных участках.
Когда все моменты с соответствующими службами урегулированы, котёл можно устанавливать. К сожалению, встречаются редкие случаи, когда хозяевам жилья удаётся это сделать без согласования с органами технического надзора, что является грубым нарушением законодательства и чревато непредсказуемыми последствиями.
Расчеты для самодельного газового котла отопления
Газовые котлы своими руками нужно делать, только точно рассчитав все. Если это сделать правильно, оборудование сэкономит владельцу не только разовые затраты, но и эксплуатационные.
Изготавливать агрегат необходимо, учитывая потери тепла в каждом помещении, где будет проведено отопление. Нужно понимать, что даже в случае если комнаты одинаковые, теплоотдача в каждой будет разной. Лучше всего расчеты проводить с небольшим запасом. При этом схема помещения не подойдет, лучше отталкиваться от реальных размеров. Важно все проверить несколько раз, чтобы точно исключить возможность появления ошибки, ведь она может привести в будущем к перерасходу топлива и увеличению затрат.
Чтобы газовые котлы, созданные своими руками, работали, как положено, нужно:
- рассчитать всю гидравлическую систему;
- учесть расходы на дымоотвод, включая дефлектор;
- заранее определиться с диаметром труб;
- установить нужную мощность насоса;
- и рассчитать сопротивление системы.
Если все вычислить правильно, каких-либо сбоев быть не должно.
Многие задумываются о том, чтобы создать автономное отопление своими руками. В основном это связано с ценой на котлы. Существует масса чертежей, на которых указано, как сделать все самостоятельно. Но в случае с газовым оборудованием, нужно помнить, что всё оно должно проходить обязательную сертификацию.
znatoktepla.ru
Котел своими руками – с чего начать? – Свой дом мечты
Не всегда имеется возможность организовать газовое отопление в частном доме, а стоимость электрического отопления не позволяет его использовать. Кроме этого, нередко домовладельцы желают иметь дублирующую систему отопления для меньшей зависимости от поставок энергоносителей. В таких случаях домовладельцы обращаются к проверенному годами дедовскому способу отопления с использованием твердого топлива. При этом возникает вопрос, какое твердотопливное отопительное устройство даст возможность эффективно обогреть жилище.
Оборудование, работающее на твердом топливеСравнительный анализ отопительных устройств: котел или печь
Основные определения
Печь
Отопительный агрегат, работа которого основана на сжигании твердого топлива, в результате чего происходит выделение тепловой энергии с последующей передачей его в атмосферу помещения, называется печью. Устройство современных печей позволяет достичь максимально возможной эффективности для устройств подобного рода. Их КПД может составлять до 90%, что в определенной степени зависит от умений истопника.
ПечьПринято считать, что мощность печи достаточна только для домов с небольшой площадью, не более 70 кв. м. Усовершенствованные их конструкции, относящиеся к системам Булерьян и Кузнецова, могут отопить большие площади, размер которых составляет более 150 кв.м. Несмотря на простоту конструкции Булерьяна, он обладает значительной мощностью и привлекательным внешним видом. Булерьян представляет собой буржуйку, имеющую определенные конструктивные особенности в виде наличия труб, вмонтированных в металлический корпус. За счет перемещения воздуха по этим трубам при помощи конвекции нагревается помещение.
Печь Кузнецова характеризует применение специфического механизма движения дымовых газов за счет собственной массы. В этом устройстве создается повышенное давление и присутствует турбулентность, что позволяет повысить передачу тепла его стенками. Это повышает КПД и снижает расход энергоносителя. Конструкция гармонично вписывается в интерьер помещения.
Котел
Основным отличием котлов от печей является способ передачи тепла. В этом случае происходит нагрев теплоносителя, который в свою очередь передает тепловую энергию отапливаемым помещениям. Таким образом, теплогенератор непосредственного участия в обогреве помещений не принимает. Котел, работающий на твердом топливе, имеет техническую возможность осуществлять отопление значительных площадей. В качестве теплоносителя, в большинстве случаев, используется вода, возможно применение антифриза или масла, что менее распространено. В домах с большим числом комнат и большой этажности использование котлов предпочтительнее. Иногда использование котлов является единственно возможным способом организации отопления частного домостроения.
КотелМонтаж отопительных устройств
Печь
Кладка печи возможна в процессе возведения дома, но очень проблематично ее сооружение в уже готовом здании. Исключением являются металлические конструкции печей. Процесс их установки связан с необходимостью создания дымохода. Кладка традиционной кирпичной печи требует творческого подхода с отступлением от типовых проектов. Также возникает необходимость в адаптации конструкции устройства, выполняемой по системе Кузнецова. Планировка должна быть произведена таким образом, чтобы помещения имели сопряжение с печью. Также при сооружении печи необходимо предусмотреть фундамент и проход для дымохода.
Этап строительства печиКотел
Конструкция котлов не имеет особых требований к планировке дома, что подразумевает возможность их монтажа в доме, который уже введен в эксплуатацию. В случае, если твердотопливный котел используется как альтернатива газовому, то имеется возможность их подключения в одну общую систему. Для перехода с одного вида топлива на другое достаточно осуществить переключение подачи теплоносителя.
Установка котельного оборудования подразумевает организацию для него отдельного помещения. Котел должен быть оборудован дымоходом, а помещение – системой вентиляции.
Установка котлаТаким образом, организация печного отопления сопряжено с определенными сложностями, в число которых входит дефицит квалифицированных специалистов-печников.
Эксплуатация отопительных агрегатов
Тепло в доме – важная задачаЛюбая конструкция устройства, работающего на твердом топливе, требует ухода в процессе эксплуатации и периодической загрузки энергоносителя. Подача топлива может быть реализована в автоматическом режиме при использовании пеллетных котлов, что в любом случае требует технического обслуживания.
Независимость от других источников энергии имеет свою цену, которая выражается в необходимости участия человека в процессе эксплуатации котельного оборудования. Закладка топлива должна осуществляться несколько раз в день, в зависимости от конструктивных особенностей отопительного прибора и отапливаемых площадей. Печи классической конструкции нуждаются в большем количестве топлива по сравнению с котлами. Кроме того, твердотопливные котлы имеют более продолжительный интервал между загрузками.
Такая работа этих устройств обеспечивается увеличенным размером топки и более полным сжиганием топлива с применением оригинальных технических решений. Снижение числа закладок с интервала 2-3 часов до 2-3 раз в сутки является приемлемым показателем.
Котельное оборудованиеСовременное котельное оборудование имеет в своем составе автоматику, что значительно упрощает его эксплуатацию. При этом теряется элемент энергонезависимости, так как автоматическое управление работой котла требует наличия электроэнергии.
Котлы на твердом топливе имеют определенную специфику, касающуюся использования различных видов топлива. Нежелательно загружать в дровяной котел уголь и наоборот. Универсальные котлы имеют стоимость, по сравнению со специализированными устройствами, на 30-50% выше.
При отоплении дровами печи и котлы потребляют его примерно в равных количествах. Более экономична печь Кузнецова.
При сравнении котлов и печей, последние не являются явными лидерами по эксплуатационным характеристикам. Стоимость отопительных котлов, простота монтажа, возможность обогрева большей площади, а также более комфортный процесс обслуживания и значительная долговечность говорят в пользу использования их для отопления частных домов.
Классификация котлов по способу сжигания топлива
В зависимости от характера процессов, происходящих при горении топлива в котле, они могут быть:
- прямого горения;
- пиролизными;
- длительного горения;
- пеллетными.
Существуют также конструктивное решение с возможностью применения комбинации различных видов топлива.
Выбираем котел
Традиционный котел
Традиционный котелНаиболее дешевый вариантом отопительного котла является устройство, топливом которого служат дрова или уголь. Самые простые из них энергонезависимы, так как не требуют электроэнергии для работы автоматики, что имеет существенное значение при естественной циркуляции теплоносителя. Загрузка устройства дровами происходит довольно часто, нормальная эксплуатация его требует очистки камеры сгорания и зольника. При сжигании угля интервал между загрузками его увеличивается по сравнению с дровами. Следует понимать, что для стабильной работы подобного теплогенератора требуется сооружение склада для хранения запаса теплоносителя.
Пиролизный котел
Стоимость пиролизного котла существенно выше, чем у классической конструкции. Это обусловлено наличием дополнительной камеры, необходимой для реализации процесса дожигания топлива при его тлении. КПД таких агрегатов может достигать 85%, а периодичность загрузки составляет около 8 часов. Такие показатели являются явными преимуществами пиролизных котлов.
При эксплуатации этих аппаратов важно, чтобы влажность дров не превышала 25%. В противном случае котел теряет все свои преимущества при более высокой стоимости оборудования.
Пиролизный котелКотел длительного горения
Характерной особенностью котлов, имеющих длительный период горения, является направление горения топлива. Оно может происходить как снизу вверх, так и в противоположном направлении. Горение может происходить на протяжении 12 часов при использовании дров, и до двух суток – на угле. Это обстоятельство значительно упрощает эксплуатацию устройства. Эффективность его достаточно высокая, КПД находится на уровне 75%.
Котел длительного горенияДостичь столь продолжительного времени горения стало возможно за счет увеличения размера топки и организованной специальным образом подаче воздуха в ее пространство. Достоинство этого котла является одновременно его недостатком, так как нет возможности загружать топливо по ходу процесса горения до полного прогорания предыдущей закладки.
Пеллетные котлы
По стоимости эти отопительные устройства наиболее дорогостоящие. При этом уровень автоматизации максимален для подобных агрегатов. Обслуживание оборудования не требует постоянного контроля со стороны человека. Важно, чтобы в бункере было достаточное количество пеллет, тогда в течение периода от одних до шести суток горение будет осуществляться в автоматическом режиме. Преимуществом пеллетного котла является экономичность и высокий КПД, находящийся на уровне 80-85%.
Пеллетный котелОбвязка котла
Обвязка котлаОбвязка твердотопливного котла своими руками представляет собой комплекс оборудования и деталей, необходимых для создания системы отопления. Помимо котла в нее входят трубы, отопительные и контрольно-измерительные приборы, расширительный бачок и иные элементы.
Обвязка требуется для достижения следующих целей:
- обеспечение циркуляции теплоносителя и равномерного распределения тепла в помещениях;
- безопасность и бесперебойность функционирования;
- отсутствие воздуха в системе;
- создание условий для организации нескольких контуров.
Схемы циркуляции теплоносителя
Обвязка котла может быть выполнена с применением различных систем. Одна из них предусматривает применение гравитационного контура и применяется для организации отопления в небольших домах. Перемещение теплоносителя по трубам происходит естественным путем. В этом случае котел располагается в точке, которая находится ниже радиаторов. Для предупреждения гидроударов используется расширительный бачок. С целью стабилизации давления в системе может быть использован насос.
Схема циркуляции теплоносителяДругой вариант обвязки котла своими руками использует естественную циркуляцию жидкости в отопительной системе. Основным условием реализации этой схемы является подмешивание в обратной линии теплоноситель из контура, служащего для подачи. Это возможно при установке трехходового вентиля.
Теплообменный регистр
Теплообменник для котла своими руками – одна из основных его деталей, от него зависит мощность всей системы. Котлы, устанавливаемые в частных домах, могут быть оборудованы теплообменниками в виде водяной рубашки, выполняться трубчатыми, горизонтально или вертикально.
Дымоходы для котлов
Требования к дымоходу твердотопливного котла своими руками подчиняются общим требованиям. Его не следует выполнять с малым поперечным сечением, чтобы тяга находилась на достаточном уровне. Чрезмерно широкий дымоход приведет к возникновению риска проникновения холодного воздуха в топку и выстуживания системы.
Дымоход для котла так же важен, как и для печиsmall-house.ru
чертежи и характеристики разных типов
Самостоятельно изготовить отопительный котел не такое простое дело, как пишут об этом на многих сайтах. Человек решивший сделать котел своими руками должен обладать определенной квалификацией и навыками, иметь необходимые инструменты и материалы, а также уметь создавать на котлы отопления самодельные чертежи, по которым будет изготовляться изделие. Человеческими руками созданы сложнейшие технические конструкции на Земле, поэтому нет ничего удивительного в том, что котлы отопления самодельные по своим техническим данным значительно лучше заводских изделий.
Предприятие создается для того, чтобы получать прибыль, поэтому разрабатывается такая конструкция изделия, которая обладает минимальной себестоимостью при заданных технических параметрах. Но для самостоятельного изготовления чаще всего выбирается сталь более высокого качества и толщины. Обычно никто не экономит и приобретается высококачественная арматура, фитинги и насосы. И на создаваемый котел отопления своими руками чертежи используются либо уже испытанных моделей, либо разрабатываются свои уникальные.
Самодельные электрические котлы отопления
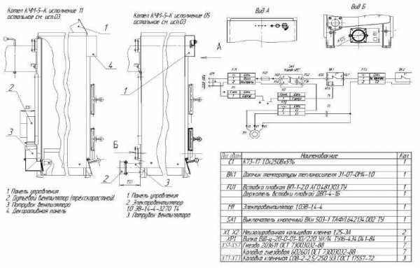
Обладая навыками работы с металлом, имея необходимый материал и инструмент легче всего изготовить самодельные электрокотлы – электродные или ТЭНовые. Если в качестве преобразователя электроэнергии применен ТЭН, то нужно изготовить или подобрать корпус из стали, в которые он будет установлен. Все остальные комплектующие – регуляторы, датчики, термостат, насос и расширительный бак приобретаются отдельно в специализированных магазинах. Электрические котлы можно использовать в закрытых или открытых системах отопления.
Что нужно и как сделать электрокотел отопления своими руками 220в эффективным и надежным?
Нужна емкость из стали, в которую помещаются один или несколько ТЭНов в соответствии с чертежами или эскизами на создаваемое изделие. Еще на этапе проекта на котлы отопления своими руками чертежи должны предусматривать возможность оперативной и легкой замены сгоревшего ТЭНа. Например, корпус можно изготовить из стальной трубы диаметром 220 мм с длиной корпуса около 0,5 м. К торцам трубы привариваются фланцы с патрубками подачи и «обратки» и посадочными местами, в которые устанавливаются ТЭНы. Циркуляционный насос, расширительный бак и датчик давления присоединяются к обратке.
Особенности электропитания электрических котлов
ТЭНы потребляют значительную мощность, обычно более 3 кВт. Поэтому для электрических котлов нужно создать отдельную линию электропитания. Для агрегатов мощностью до 6 кВт применяется однофазная сеть, а при больших значениях мощности необходима трехфазная сеть. Если снабдить самодельный котел отопления ТЭНом с терморегулятором и подключить его через защиту УЗО, то это идеальный вариант. При установке обычных ТЭНов термостат приобретается и устанавливается отдельно.
Электродные котлы отопления
Котлы этого типа подкупают чрезвычайной простотой. Он представляет собой емкость, в которой установлен электрод, вторым электродом служит корпус котла. В емкость вварены два патрубка – подачи и обратки, через которые электродный котел присоединяется к отопительной системе. КПД электродных котлов близок, как и у других типов электрокотлов, к 100% и его реальная величина – 98%. Известный электродный котел «Скорпион» объект жарких дискуссий. Мнения чрезвычайно разнообразные, от чрезмерного восхищения до полного отрицания применения для контуров отопления.
Считается, что электродные котлы были спроектированы для отопления подводных лодок. И действительно, изготовление котлов отопления требует минимума материалов, морская вода с растворенными солями – отличный теплоноситель, а корпус подводной лодки, с которым соединена система отопления, является идеальным заземлением. На первый взгляд – это отличный контур отопления, но можно ли его применить для отопления жилищ и как сделать электрокотел отопления своими руками, повторив устройство котла «Скорпион»?
Электродный котел Скорпион
В электродных котлах теплоноситель нагревает ток, проходящий между двумя электродами котла. Если в систему залить дистиллированную воду, то электродный котел работать не будет. В продаже имеется специальный солевой раствор для электродных котлов с удельной проводимостью порядка 150 ом/см. Конструкция агрегата настолько проста, что сделать электрокотел Скорпион своими руками, при наличии необходимых навыков, довольно просто.
Основой котла служит стальная труба диаметром до 100 мм и длиной до 300 мм.
К этой трубе привариваются два патрубка для подключения к системе отопления. Внутри прибора находится изолированный от корпуса электрод. Корпус котла играет роль второго электрода, к нему подключается нулевой провод и защитное заземление.
Недостатки электродных котлов
Основной недостаток электродных котлов – необходимость применения солевых растворов, которые неблагоприятно сказываются на батареях и трубопроводах отопления. Система отопления в течение нескольких лет может потребовать полной замены радиаторов, особенно алюминиевых (более подробную информацию о которых вы прочитаете здесь), и трубопроводов. Циркуляционные насосы, которые рассчитаны на работу с антифризом или чистой водой подвергаются большой опасности. Второй огромный недостаток – электродные котлы требуют идеального защитного заземления корпуса, иначе они представляют огромную опасность поражения электротоком. В зарубежных странах продавать и устанавливать подобное оборудование запрещено!
Самодельные твердотопливные котлы отопления
Спрос на твердотопливные котлы в связи с подорожанием газа и электроэнергии растет, соответственно растет и их цена. Альтернатива – самостоятельное изготовление котлов отопления, ведь они обойдутся дешевле, а работать будут не хуже заводских изделий.
В домашних условиях сделать чугунную топку невозможно, поэтому для изготовления применяют сталь.
Если есть возможность, то лучше применить жаропрочную легированную сталь (нержавейку) с толщиной не менее 5 мм. Экономить на металле не стоит, т. к. котел делается для себя, на долгие годы. Можно взять за основу готовые чертежи или сделать их самостоятельно.
Особенности изготовления газовых котлов
Теоретически сделать котел отопления газовый своими руками не представляет особой сложности для людей, которые умеют работать с металлом и имеют необходимые навыки и инструменты. Газовые котлы относятся к изделиям повышенной опасности, поэтому на
самодельные газовые котлы отопления нужно получить разрешение для установки в газовой службе, для которого необходим сертификат на изделие.
Следует учитывать, что получение сертификата дело довольно затратное и малейшее отклонение от установленных норм и правил ведет к отказу. Стоит ли рисковать? К тому же современными СНИиП изготовление своими руками котлов отопления работающих на газе запрещено!
spetsotoplenie.ru
Самодельные котлы для отопления частного дома: рекомендации по изготовлению
В последние годы все большую популярность приобретают отопительные установки, сжигающие твердое топливо. Это неслучайно, ведь энергоносители становятся все дороже, а древесина или уголь продолжают оставаться доступными видами топлива. Однако по причине роста спроса на такое оборудование оно начинает дорожать и не каждый может себе позволить его приобрести. Альтернатива — самодельные котлы для отопления частного дома, которые обойдутся гораздо дешевле, а работать будут не хуже заводских.

Самодельные котлы для отопления частного дома
Преимущества и принцип действия
Помимо низкой стоимости данный вид установок имеет и другие достоинства:
- Квалифицированно сделанный агрегат из качественных материалов выдержит критические нагрузки при избыточном давлении теплоносителя до 4 Атм. Такая ситуация нередко случается с твердотопливными отопителями, поскольку циркуляция теплоносителя в силу разных причин может прекратиться и тогда вода в рубашке и теплообменнике агрегата закипает. Результат – высокое давление пара разрывает теплообменник в самом слабом месте.
- Большие возможности для модернизации конструкции, особенно если вы делаете отопитель самостоятельно. Тогда самодельный котел отопления на твердом топливе изготавливается конкретно по вашим требованиям, под свою систему отопления и доступный именно вам вид топлива.
- Усовершенствовать установку можно поэтапно. Например, в этом году средств хватило только на то, чтобы сделать базовую модель. При возможности в следующем году можно купить и добавить комплект автоматики в перерыве между отопительными сезонами, и так далее.

Разрез котла на дровах
Практика эксплуатации разных видов установок, сжигающих дрова, показывает что самый приемлемый и простой вариант – изготовить и применять для отопления дома классические самодельные котлы на дровах прямого горения. Принцип их работы прост: дрова в топке горят при естественной тяге дымохода, отдавая тепло водяной рубашке и теплообменнику. Последний работает по жаротрубной схеме, то есть, дымовые газы высокой температуры проходят сквозь дымогарные трубы теплообменника и напрямую отдают тепло воде, которая их омывает . Регулировка интенсивности горения выполняется дверцей зольника (в простонародье – поддувала), открывание которой дозирует количество воздуха, поступающего в топку через колосниковую решетку.
В пользу выбора классической конструкции говорят аргументы:
- простота в изготовлении;
- удобство и доступность самостоятельного обслуживания;
- нет ограничений по влажности древесины;
- высокая ремонтопригодность и возможность исправления недостатков, выявленных в процессе эксплуатации.
Рекомендации по изготовлению и выбору материалов
Обычно самодельные котлы для дома выполняют полностью из металла, поскольку чугунную топку сделать в домашних условиях невозможно, а покупать – дорого. Распространена практика, когда домовладельцы заказывают отопительные агрегаты мастерам, которые специализируются на их изготовлении. В этом случае рекомендуется принимать личное участие в процессе на всех этапах начиная от закупки материалов и заканчивая испытаниями готового изделия. В противном случае через несколько лет можно столкнуться с дефектами, допущенными при заготовительных или сборочных работах.

Самодельный дровяной котел
Поскольку самодельные котлы отопления на твердом топливе работают при высокой температуре в камере сжигания, то для ее изготовления лучше всего применять легированную жаропрочную сталь (в простонародье – нержавейку) толщиной 5 мм. Учитывая высокую стоимость этого металла и усложнение сварочных работ, многие берут стальные толстые листы обыкновенного качества. Нужно понимать, что такое изделие не может быть долговечным, от перепадов температур обычная сталь будет деформироваться. Поэтому в таких случаях имеет смысл защитить стенки камеры огнеупорным кирпичом, тогда они прослужат дольше. Однако топку придется сделать большего размера, да и вес корпуса увеличится.
Металл для водяной рубашки можно взять обыкновенного качества Ст 20 толщиной 3 мм. Для справки: из такой стали изготавливаются трубы для горячей воды и пара. Соответственно, дымогарные трубы теплообменника лучше взять этой же марки стали диаметром 48—76 мм. Зачастую самодельные отопительные котлы на дровах работают в системах отопления с принудительной циркуляцией при отключениях электричества, поэтому конструкцию водяной рубашки нужно сделать максимально жесткой. Для этого по всей плоскости наружных стенок топки следует приварить ребра жесткости из металла полосового или углового профиля с шагом 120—150 мм. К этим же ребрам нужно варить внешние стенки резервуара. Тогда при закипании воды обшивку рубашки не раздует, она сможет выдержать давление пара.
Дверцы топки и поддувала лучше делать двухслойными, вкладывая между слоями металла огнестойкий теплоизоляционный материал: асбест, базальтовое волокно или их комбинацию. Этими же материалами следует утеплить корпус агрегата. Притворы дверец нужно герметизировать асбестовым шнуром, а петли должны быть регулируемыми. Их делают из резьбовых шпилек с приваренным на конце шарниром. Запорные рукоятки надо оснастить насадками из эбонита или текстолита, чтобы при открывании дверцы не обжечь руки.
Особенности подключения
Простые самодельные дровяные котлы отопления эффективно работают при хорошей естественной тяге, которую обеспечивает дымоход. Поэтому его патрубок в корпусе котла должен быть ориентировочно 150 мм в диаметре, высота же самой трубы — не менее 5—6 м для создания достаточной рабочей тяги. Процесс розжига упрощается, если организовать в камере сжигания канал прямой тяги в обход теплообменника, снабженный заслонкой и рукояткой, выходящей снаружи боковой стенки. Отверстие канала должно быть такого же диаметра, как дымоход и находиться точно напротив его патрубка.

Система отопления частного дома
Немаловажную роль при эксплуатации играет правильная обвязка твердотопливного агрегата. Если система отопления – гравитационная и может работать без электричества, то проблем возникать не будет. Но лучше при разгоне котла исключить попадание в рубашку холодной воды из системы, так как при этом на внутренних стенках топки появляется конденсат. Он смешивается с золой и оседает на поверхности в виде черного налета, который очень тяжело счищается. Поэтому на выходе теплоносителя из агрегата лучше сделать байпас с термостатическим трехходовым клапаном, настроенным на температуру 55 или 60 градусов. Тогда теплоноситель циркулирует по малому кругу, пока не нагреется до 60⁰, а потом термостат начнет подмешивать холодную воду из системы.
Если система отопления частного дома работает с насосом, то есть опасность закипания котла при отключении электричества. Надо выполнить мероприятия по защите агрегата от разрушения:
- Врезка в водяную рубашку предохранительного клапана позволит сбросить из нее пар, если определенное давление превышено.
- Источник бесперебойного электропитания в комплекте с дизельной электростанцией дадут возможность насосу работать дальше. Аккумулятор источника сможет поддерживать работу только некоторое время, поэтому и нужен генератор электричества.
- Установка теплоаккумулирующей емкости обеспечит естественную циркуляцию воды из бака в котел и последний не закипит. Эта емкость сможет поддерживать отопление частного дома после того как дрова в топке сгорят.
Заключение
Ввиду невысокой стоимости и простоты в эксплуатации самодельная отопительная установка на дровах часто становится единственной доступной альтернативой дорогому газу и электричеству. Нужно только качественно изготовить ее и правильно установить в ваш частный дом, чтобы получать тепло от доступных видов топлива.
cotlix.com
