Система вентиляции в каркасном доме – Как сделать вентиляцию в каркасном доме? ⋆ Финский Домик
С чего начинается вентиляция в каркасном доме: планирование, схемы устройства, основные этапы монтажа
23 Мая 2018 2018-05-23
1742
Время чтения 9 минут
Прочитать позжеОтправим материал на почту
Распечатать
Дома каркасного типа часто строят из материалов, затрудняющих естественный воздухообмен поэтому при планировке сразу вносят требуемый вариант вентилирования и кондиционирования. Если устанавливается вентиляция в каркасном доме, как правильно ее обустроить будет зависеть от всех особенностей строения и наличия материалов. Но, в любом случае, строительный процесс должен соответствовать всем нормам и правилам, а также типу устанавливаемой системы воздухообмена.

Зачем вентиляция и нужна ли она
Нужна ли вентиляция в каркасном доме, в первую очередь зависит от материала каркаса. Стандартные дома каркасного типа изготавливаются из не дышащих материалов, поэтому проект системы составляется вместе с планировкой дома. А затем совместно с обустройством дома выполняется по чертежам и схемам, специально подобранным под тип строения.
Стандартный каркасный дом имеет энергосберегающую и герметичную конструкцию, которая дополнена пластиковыми окнами и дверьми. Это заставляет воздух постоянно нагреваться внутри помещения, так как нет полноценного обмена с окружающей дом воздушной средой.
Наиболее требовательными помещениями строения в отношении необходимости обмена воздуха являются ванные комнаты, туалеты и кухни. Вытяжка в каркасном доме устанавливается именно в таких местах.

Для каждого типа строения по использованию устанавливается свой вид устройств для воздухообмена:
-
сезонное проживание. Обычно это обычная дача. В таких случаях систему устанавливают естественную во всех необходимых помещениях;
-
круглогодичное дачное использование. В нескольких помещениях, в том числе на кухне, устанавливается канал вытяжного характера с принудительной вентиляцией, то есть механической;
-
постоянное проживание в доме. Чаще всего используется принудительный тип вентиляции. Применяется рекуператор тепла и постепенная подача воздуха на минимизации скачков температурного режима.
Кроме представленных вариантов есть еще смешанные схемы, которые включают в себя особенности каждого типа вентиляции с разделением по помещениям, которым требуется воздухообмен увеличенного или уменьшенного характера.
Основные виды
Есть несколько основных видов систем воздухообмена. Каждый из них применяется при определенных условиях эксплуатации дома, а также при наборе условий и особенностей конструкции.
Естественный воздухообмен
Естественный тип считается наиболее простым и используется в небольших каркасных домах.

-
вытяжка находится на кухне и в помещениях с ванной и санузлами;
-
в стены остальных помещений врезаны приточные каналы;
-
для притока воздуха применяются трубы, в основном из пластика или асбоцемента. Металлические трубы используются редко.
Основной способ использования естественного вида устройства – через приточный канал воздух поступает в помещение, а затем через коридоры доходит до мест с вытяжкой. Сами каналы нужны по причине герметичности каркасной конструкции. При более простом варианте просто открываются окна, и воздух идет дальше по помещениям с выходом через систему вентиляции.
Клапан приточного типа является небольшим устройством, через которое и поступает воздух с улицы. Среди моделей клапанов встречаются такие, которые оборудованы и специальными глушителями шума, а также фильтрацией. Уличный вход клапана обязательно закрыт решеткой с небольшими ячейками. Со стороны выхода воздуха в помещении устанавливается специальный заслон, с помощью которого идет регулировка воздуха.

На нашем сайте Вы можете найти контакты строительных компаний, которые предлагают услугу проектирования загородных домов. Напрямую пообщаться с представителями можно посетив выставку домов «Малоэтажная Страна».
Стандартным размером отверстия в стене является сечение в 5-13 сантиметров. В приточные каналы первоначально вставляются пластиковые трубы с шумо и термоизоляцией.
Естественный воздухообмен полноценно работает только в холодное время года, так как основана на разнице температурного режима и давления в помещении и вокруг дома. При теплой погоде требуется устанавливать вентиляторы дополнительного характера. Это позволяет сделать воздухообмен полноценным. К каждому вентилятору в специальных помещениях, в том числе на кухне должен быть подключен датчик влажности. Это помогает обеспечивать климатический контроль в полноценном режиме в любое время года.
Вентиляция каркасного дома предусматривается заранее, так как это помогает избегать проблем при ее установке и обустройстве.
Установка вентиляционного клапана выглядит следующим образом:
Принудительная вентиляци
Лучшим вариантом для постоянного проживания считается принудительная вентиляция, которая устанавливается еще в самом начале обустройства дома. Принудительный вариант воздухообмена достигается наличием вентиляторов на входе воздушных масс в помещения и на выходе. Это обеспечивает постоянную циркуляцию.

Большинство принудительных систем оборудуются автоматизацией, которая регулирует выход и вход воздуха. Очень часто вентиляция в каркасном доме под ключ устанавливается именно принудительного типа.
Особенности принудительного варианта:
-
воздух поступает через всасывающие каналы приточного типа;
-
при повышении в доме давления через вентиляцию на кухне и в санузлах выходит воздух отработанного типа;
-
подача и выход воздушной массы приблизительно равны;
-
весь процесс происходит с помощью механической тяги;
-
при рекуперации тепла идет согрев входящего воздуха.
Стоит учесть, что дома из СИП-панелей обычно имеют встроенные вентиляционные каналы, что облегчает установку всей системы.
Принудительная вентиляция считается наиболее современной и экономичной, но и по цене она чаще всего превосходит остальные варианты. Требуется помнить, что при первичном обустройстве дома необходимо сразу заняться установкой вентиляционной системы.
Это может быть интересно! В статье по следующей ссылке читайте про пластиковые воздуховоды для вентиляции.
Смешанный тип
Смешанный тип является комбинированием механического (принудительного) и естественного варианта вентиляции. Отработка воздуха идет из помещений по каналам вентиляционного характера. Объем каналов и их размеры зависят от площади и размера строения.

Стандартная система вентиляции при комбинировании строится на основе пропорций – 200 кв. метров обслуживает 7-8 каналов.
Сами каналы должны быть сделаны из пластиковой или асбоцементной трубы. В каждый из каналов монтируются вытяжные вентиляторы. Они могут быть с ручным или автоматическим запуском. При автоматическом режиме дополнительно требуются датчики влажности или инфракрасного типа. Первый вариант работает по показателям окружающего воздуха, а второй при появлении людей в помещениях.
Мощности вентиляторов рассчитываются специалистом при проведении проектного расчета вентиляции на основе характеристик строения и требований.
Приток воздуха создают на основе системы приточных каналов, встроенных в стены или окна.
Комбинированная система имеет один недостаток – в холодное время года в помещение поступает прохладный воздух. Поэтому такой тип вентиляции не применяется в строениях для постоянной работы. Либо устанавливается дополнительный обогрев помещения.
Особенности и схемы
У каждого типа есть свои особенности, которые влияют на его выбор для эксплуатации. Есть несколько основных нюансов:

-
для каждого дома используется своя схема и планировка вентканалов;
-
автоматизация обеспечивает полноценное функционирование только при наличии хороших и исправных датчиков;
-
схема и план вентиляции должен быть составлен еще при планировке дома, но если этого не произошло, то план выполняется до обустройства всех помещений;
-
чаще всего металлические трубы в системе вентиляции не применяются из-за своих потерь тепла и слишком большой проводимости звука;
-
для постоянного проживания используется механическое вентилирование, которое может полноценно обеспечить хороший микроклимат и обмен воздуха в помещениях в любое время года и при любом температурном режиме.
Для обустройства каркасных домов определенного типа уже продумана система вентиляции, что облегчает планировку. Такой подход обеспечивает полноценную систему вентиляции на основе всех характеристик помещений и строения в целом.
Схема также зависит от типа строения. Например, для двухэтажного дома можно использовать смешанный тип, который будет разным на двух этажах.

Предварительно схема должна составляться в зависимости от пожеланий жильцов. Иметь принудительную вентиляцию в сезонном доме не имеет смысла. Также стоит учесть, что каркасные дома могут быть из различных материалов, что облегчает встраивание вентиляции того или иного типа.
Все схемы составляются по параметрам помещений и конструкции дома. Кроме этого, все выходы каналов должны иметь решетки, а также засовы. Со стороны внутреннего помещения устанавливаются специальные заслонки, которые необходимы не только для регулировки потока, но и для полноценной консервации дома в период отсутствия жильцов.
Что такое и как работает вентиляция в этом видео:
При автоматизации учитывается не только мощность вентиляторов и механической тяги, но и производительность. Это позволяет сделать воздухообмен полноценным по объему.
Это может быть интересно! В статье по следующей ссылке читайте про вентиляцию погреба.
Заключение
Вентиляция в каркасном доме необходима. Для разных вариантов строений по использованию и проживанию можно подбирать свои вентиляционные системы. У каждой системы есть свои особенности и характеристики, которые требуется учитывать при обустройстве. Часть каркасных домов при производстве уже имеет планировку вентиляционных каналов и все для их установки.
Прочитать позже
Отправим материал на почту
Распечататьm-strana.ru
пошаговая инструкция +Видео и схемы
Грамотно просчитанная и тщательно спланированная вентиляционная система в каркасном доме является необходимой частью комфортной домашней атмосферы. При проектировке каркасного дома нужно продумать и устройство вентиляции. Если не продумать подачу свежего воздуха в каркасный дом заранее, то жильцы рано или поздно столкнуться с вопросом «Как провести вентиляцию в деревянном доме?» Решим этот вопрос вместе с вами.
Нужна ли вентиляционная система в каркасном доме?
Каркасный дом можно отнести к современным строениям, практически герметичный за счет пластиковых оконных конструкций и дверей. Поэтому существует мнение, что в домах подобного рода душно, так как материал стен и потолков считается плохо «дышащим».
На практике кирпичные и деревянные «дышащие» стены не будут успевать поглощать всю влагу, которую выделяет человек при дыхании, готовке пищи и купании. В домах старого типа функцию вентиляции исполняли не «дышащие» каменные стены, а щели в деревянных окнах и дверях.
Монтаж и установка вентиляционной системы в каркасном доме – это довольно дорогое мероприятие, но вопрос о ее целесообразности обязательно возникнет. Особенно, если вы решите строить дом самостоятельно.
Каркасный дом для сезонного проживания
В данном доме как такового устройство вентиляции не потребуется. Весной и летом окна и двери, как правило, открыты. В ванной комнате и туалете для естественной вентиляции делается маленькая форточка.
Если у таких помещений нет стен, которые выходят на улицу, вы можете собрать всю систему вентиляции каркасного дома своими руками, и она обойдется вам недорого.
Вентиляция своими руками недорогоКаркасный дом для круглогодичного проживания
Устройство вытяжки в каркасном домеВ ванной комнате, туалете и на кухне обязательно нужно оборудовать вытяжку с механической тягой. И необходимо разработать схему постепенной подачи жильцам дома свежего подогретого воздуха, чтобы избежать перепадов температуры, неизбежных при проветривании помещения.
Монтаж и установка естественной вентиляции в каркасном доме
При оборудовании естественной вентиляции вашего каркасного дома свежий воздух проникает в дом с улицы через неплотно закрытые окна и дверные коробки. Далее переходит из коридора в санузел или кухню и вытягивается вентиляционным каналом.
Но при технологии возведения каркасных домов наличие щелей в окнах и дверях исключено, поэтому, для правильной работы естественной вентиляции в стены монтируются специальные приточные клапана.
Приточный вентиляционный клапанВентиляции обычно встраивают в каркас, и это делает их совершенно незаметными. Для этого применяют пластиковые либо асбоцементные трубы. Трубы из металла мы не рассматриваем, так как они не подойдут, потому что ухудшают теплоизолирующие свойства и шумовая нагрузка от них значительно выше.
Приточный клапан — это аккуратное маленькое устройство, оно обеспечивает поступление свежего воздуха в дом. Многие типы клапанов для естественной вентиляционной системы каркасных домов имеют фильтры воздуха и шумоглушители. Снаружи выход вентиляции прикрывается специальной решеткой, которая предохраняет ее от проникновения грызунов, птиц и крупных насекомых. Изнутри монтируется заслонка, которая регулирует интенсивность подачи свежего воздуха.
Механизм действия при естественной вентиляционной системе каркасного дома опирается на разницу в давлении и температуры воздуха внутри дома и на улице. Тяга будет минимальной в теплое время года, потому что разница температуры и давления минимальной. Именно поэтому в вытяжные каналы кухни и санузла принято устанавливать дополнительные вентиляторы.А чтобы работа их была более рациональна, подключают специальные датчики влажности, которые запускают и останавливают вентилятор.
Это самый простой способ установки вентиляции каркасного дома. Но естественная вентиляция будет действовать лишь в маленьком каркасном доме. С большими площадями она не будет справляться, это будет заметно по духоте и появлению плесени в углах помещения.
Монтаж и установка принудительной вентиляции в каркасном доме
На сегодняшний день немногие смогут собрать и установить вентиляцию в каркасном доме. Тем не менее, это лучший вариант, чем ее отсутствие. Нормальный микроклимат в каркасном доме можно достигнуть установкой принудительной вентиляции.
При такой системе отток и приток свежего воздуха обеспечиваются работой вентилятора. При этом уличный холодный воздух предварительно фильтруется и нагревается.
Рассмотрим схемы принудительной вентиляции в каркасном доме:
- Принудительная система вытяжки отработанного воздуха, создает разряжение в комнатах. Воздух будет всасываться в дом через специальные приточные клапаны;
- Принудительный приток свежего воздуха будет создавать увеличенное давление внутри помещения. Отработанный воздух будет вытесняется на улицу на кухне и санузлах через вентиляционные каналы;
- Принудительный приток и выдув воздуха. Примерно равные объемы свежего воздуха будут подаваться в помещение с улицы, и вытягиваться механической тягой;
- Принудительный воздушный обмен с рекуперацией тепла. Данная схема вентиляции в каркасном доме будет согревать весь приточный воздух, используя при этом тепло уже отработанного воздуха. Это современное экономическое решение.
Эффективным считается последний вариант вентиляционной системы каркасного дома, хотя он существенно дороже, если сравнивать с другими. А ее установку и монтаж осуществляет специалист. Всем владельцам каркасных домов из специальных СИП-панелей не нужно задумываться о том, как провести вентиляцию. Вентиляционные каналы уже встроены в стеновые панели. Рассмотрим наиболее подробно более доступные комбинированные схемы.
Комбинированная вентиляционная схема каркасного дома
Комбинированная вентиляционная системаКомбинированная вентиляционная система обеспечит качественное проветривание каркасного дома при малых затратах.
Отработанный воздух будет вытягиваться из всех помещений по специальным вентиляционным каналам. Количество и площадь всех сечений вентиляционных каналов будут зависеть от размеров каркасного дома, но в среднем для установки вентиляции в доме придерживаются следующих пропорций: до 200 кв. метров площади нужно от 6 до 8 вентиляционных каналов.
Вентиляционные каналы производят из пластиковых или асбоцементных труб, которые соединяют в специальный металлический коллектор. Сюда монтируют вытяжной вентилятор. Вентиляторы по своим свойствам бывают достаточно простыми, которые включаются вручную или автоматически. Либо запускаются специальными датчиками влажности, которые устанавливают внутри всех комнат либо инфракрасными датчиками, которые реагируют на появление жильцов дома. Главный момент, который достаточно сложно учесть хозяину дома при установке вентиляции: мощность вентилятора должен просчитывать специалист.
Приток всего свежего воздуха осуществляется при помощи приточных клапанов, которые обычно встраивают в рамы пластиковых окон или, как мы уже писали выше, монтируются в стены дома.
Владелец каркасного дома вполне может собрать такую схему вентиляции своими руками, учитывая все технологии используемых материалов и соблюдая аккуратность и точность. Но есть основной минус данной вентиляции: зимой в каркасный дом будет проникать холодный уличный воздух. Как вывод, увеличиваются расходы на обогрев всего дома.
В каких случаях вентиляция каркасного дома своими руками не будет работать
Проветривание в схемеСобранная своими руками вентиляционная система каркасного дома будет работать плохо если:
- во всех комнатах «спертый» и «тяжелый» воздух, трудно дышать. Заходя с улицы, вам сразу хочется открыть все окна или форточки;
- в ванной комнате или на кухне в углах и на стенах появляется грибок. Естественная вентиляционная система в каркасном доме не справляется с увеличенной влажностью;
- на окнах образуется конденсат. Это будет означать, что влажность в доме очень высокая, а воздухообмен минимальный.
При грамотно и тщательно организованной естественной вентиляционной системе в каркасном доме жилые комнаты постоянно будут хорошо проветриваемыми. При постоянном притоке свежего воздуха создается благоприятный и хороший микроклимат во всем доме и регулируется влажность.
ТОП 9 магазинов, где я выгодно закупаюсь
ТОП 7 по товарам и мебели для дома:
7 лучших строительных и мебельных магазинов!
- Akson.ru- это интернет-гипермаркет строительных и отделочных материалов!
- homex.ru- HomeX.ru предлагает большой выбор качественных отделочных, материалов, света и сантехники от лучших производителей с быстрой доставкой по Москве и России.
- Instrumtorg.ru – это интернет – магазин строительного, автомобильного, крепежного, режущего и другого инструмента, необходимого каждому мастеру.
- Qpstol.ru — «Купистол» стремится предоставить лучший сервис своим клиентам. 5 звёзд на ЯндексМаркет.
- Lifemebel.ru- гипермаркет мебели с оборотом более 50 000 000 в месяц!
- Ezakaz.ru- Представленная на сайте мебель изготавливается на собственной фабрике в Москве, а так же проверенными производителями из Китая, Индонезии, Малайзии и Тайваня.»
- Mebelion.ru- – крупнейший интернет-магазин по продаже мебели, светильников, интерьерного декора и других товаров для красивого и уютного дома.
domsdelat.ru
Правильная вентиляция в каркасном доме
Для каркасного дома вентиляция выполняет роль легких. В отличие от большинства технологий домостроения, где присутствует естественная вентиляция дома, каркасная технология полностью изолирует внутренние помещения от проникновения воздуха извне.
Система проветривания через форточки и окна дома не обеспечивает полный воздухообмен. В доме образуются застойные зоны, которые при повышенной влажности могут привести к появлению плесени в конструкциях дома. Поэтому следует знать, как правильно сделать вентиляцию в каркасном доме. Для устранения недостатка воздухообмена уже в проекте каркасного дома закладывается система принудительной вентиляции.
Виды вентиляции в каркасном доме
Вентиляция – это процесс воздухообмена в помещении. Без вентиляции воздух в помещении насыщается отходами жизнедеятельности людей, животных и растений, которые могут оказаться вредными для их обитателей. Поэтому такой воздух вытесняется из помещения и заменяется свежим извне. Для жилых помещений существуют санитарные нормы воздуха в помещении, соблюдение которых обязательно при возведении жилых домов.
Устройства и приспособления для организации воздухообмена в помещениях называются вентиляционными системами.
Вентиляцию по способу принуждения движения воздуха разделяют на:
- Естественную вентиляцию;
- Принудительную вентиляцию.
А по способу организации воздухообмена на:
- Приточную вентиляцию;
- Вытяжную вентиляцию.
Естественная вентиляция
Этот тип вентиляции присущ большинству зданий и сооружений, построенных по классической технологии. Благодаря микротрещинам в их конструкции и материалам воздух проникает в дом извне. Такую вентиляцию называют неорганизованной естественной вентиляцией.
Естественную вентиляцию через отдушины, дымоходы и тому подобные приточные и вытяжные проемы дома относят к организованной естественной вентиляции. Принято считать, что такие дома с естественной вентиляцией «дышат» самостоятельно.
Принудительная вентиляция
Принудительная вентиляция создается с помощью разницы давления внутри и вне помещения благодаря специальным устройствам, размещенным в доме – эжекторам или вентиляторам. Такая разница давления может создаваться путем нагнетания воздуха извне в помещение или путем откачивания его из помещения наружу. В первом случае вентиляция называется приточной, а во втором – вытяжной.
Достаточно часто эти системы совмещают, тогда такая система называется комбинированной приточно-вытяжной вентиляцией.
Принудительная приточная вентиляция часто сопровождается очисткой поступающего воздуха и подогревом при заборе холодного воздуха. В приточно-вытяжной системе вентиляции в целях экономии электроэнергии входящий воздух подогревается выходящим из помещения воздухом в системе рекуперации. При рекуперации выходящий теплый воздух направляется в камеру, через которую по воздуховодам прогоняется воздух с улицы и нагревается. Такая схема организации воздухозабора экономит до 30-40 % электроэнергии, идущей на разогрев входящего воздуха.
Узнать, как делается вентиляция в каркасном доме, полезно для каждого будущего владельца. Но ещё важнее знать, как выбрать наиболее экономную и эффективную систему вентиляции для своего дома. Выбор системы вентиляции сугубо индивидуален и зависит от большого количества факторов, которые иногда просто нет возможности учесть для обеспечения комфортной атмосферы в частном доме. Поскольку вентиляция каркасного дома является одним из важнейших элементов долговременной и комфортной эксплуатации дома, наш совет: обратитесь к специалистам компании и потребуйте расчет и проект системы вентиляции для вашего будущего жилища.
Вытяжная вентиляция в каркасном доме
Если вы задумались, как сделать вентиляцию в каркасном доме, то для начала определите застойные места для воздуха в нем. Такими местами будут ванная комната, туалет, гардеробная и другие комнаты без окон. Имеет смысл уже в проекте заложить в них вытяжную вентиляцию. Если вы живете в построенном доме и в комнатах нет вентиляции, ее необходимо сделать. Глухие комнаты в каркасном доме имеют повышенную влажность, в них появляется затхлый запах и может развиваться плесень или грибок. Вентиляция устраняет негативные явления в этих комнатах.
Особенностью вытяжной вентиляции в каркасном доме является то, что она не будет работать без притока воздуха. Каркасный дом изолирован так, что не пропускает воздух извне. Как минимум для нее необходимы воздуховоды, по которым воздух будет поступать снаружи из-за разницы давлений, создаваемой вентиляторами или воздушными насосами.
Такие воздуховоды размещаются внутри стен в виде пластмассовых труб или коробов, на выходе они снабжаются механическими заслонками и решетками, предотвращающими проникновение внутрь предметов и воздуха при неработающей системе вытяжной вентиляции. Металлические воздуховоды-короба в стенах не размещают, они снижают тепловое сопротивление стен.
При правильной организации приточных каналов в стенах и окнах вытяжная вентиляция будет недорогой и эффективной. Но необходимо рассчитать мощность вытяжных вентиляторов, количество и сечение приточных каналов, чтобы обеспечить должный воздухообмен. Эту работу лучше поручить специалистам, если такой расчет отсутствует в проекте дома.
Недостатком этой системы вентиляции является то, что через приточные каналы зимой попадает холодный воздух. Регулировать заслонки каналов приходится руками. Автоматическое регулирование потребует дополнительных средств на электромеханику, монтаж устройства и проводку.
Приточная вентиляция каркасного дома
Этот тип вентиляции основан на нагнетании воздуха извне дома внутрь его. По сути, это вытяжная вентиляция «наоборот». В тех же каналах устанавливаются нагнетательные вентиляторы вместо вытяжных и по тем же приточным каналам выводится отработанный воздух из дома. Отличие в том, что поступающий воздух фильтруется и подогревается по мере необходимости. Фильтры ставят, если каркасный дом располагается вблизи автомобильных дорог или промышленных предприятий. В сравнении с кондиционером, который нагревает или охлаждает воздух внутри помещения, вентиляция подает свежий воздуха с улицы.
Приточно-вытяжная система вентиляции каркасного дома
Этот тип вентиляции объединяет два предыдущих, делая принудительным как поступление воздуха в дом, так и вывод отработанного наружу.
Если в предыдущих вентиляционных системах не было необходимости рассчитывать баланс воздухообмена дома, то в приточно-вытяжной системе его надо рассчитать. Количество поступающего воздуха в дом должно соответствовать такому же объему выводимого.
Проекты каркасных домов часто предусматривают установку приточно-вытяжной вентиляции. Например, в типовых проектах домов из СИП-панелей предусматриваются встроенные каналы и вытяжные вентиляторы. В проектах рассчитывают баланс поступления и вывода воздушных масс из дома, рассчитывается мощность вентиляторов и диаметры каналов. Трубопроводы размещаются в стенах дома или в чердачном помещении.
Учитывается и шум, издаваемый вентиляторами. Их размещают в удалении от мест отдыха в доме, от спален и детской.
Система вентиляции работает от электричества – это ее слабая сторона. Поэтому на случай отключения электроэнергии должна предусматриваться естественная вентиляция дома.
Работающая вентиляция в доме потребляет достаточно большое количество электроэнергии. Для уменьшения расхода электроэнергии, которое в наибольших количествах тратится на подогрев воздуха или его охлаждение, в систему встраивают рекуператоры. Рекуператоры недешевы, но их использование быстро окупается.
Монтаж вентиляции в доме

Вентиляция в доме является сложной инженерной системой. Как сделать систему вентиляции для каркасного дома, самостоятельно или обратиться в компанию к специалистам, решает каждый сам. Мы советуем не рисковать. Получив проект от специалистов, вы рискуете наделать ошибок, которые сведут на нет достоинства проектируемой системы. Даже наиболее простой вариант вентиляции одноэтажного каркасного дома выполнить самостоятельно непросто.
Но если вы решили самостоятельно смонтировать вентиляционную систему, то следует помнить о следующем:
- Выбор вентиляционной установки должен соответствовать балансу воздухообмена в вашем доме.
- Установка должна содержать в себе необходимые фильтры, нагреватель воздуха, вентиляторы вытяжные и приточные с системой управления. Если бюджет позволяет, добавьте к ним рекуператор.
- Определите место в доме, где будете монтировать вентиляционную установку. Важный момент: установка шумит при работе, обеспечьте для нее звукоизоляцию.
- Составьте план-схему вентканалов.
- Определите места ввода и вывода воздуха. Разнесите их на расстояние не менее нескольких метров, установите вентиляционные решетки.
- В местах входа-выхода проделывается отверстие для вентканалов.
- Монтируется и закрепляется вентиляционная установка.
- Монтируются вентиляционные каналы и присоединяются к установке.
- Воздуховоды монтируют в стене до момента отделки помещений. Если их там нет, то воздуховоды размещают за подвесным потолком.
- Произведите разводку воздуховодов по комнатам до вентиляционных решеток.
- Смонтируйте систему управления системой в удобном для управления месте.
- Включите и проверьте систему на герметичность.
Кроме этого, в соответствии с гигиеническими требованиями к вентиляции: недопустимо объединение вентиляционных каналов жилых помещений с кухней и санузлом. Выводы вытяжной вентиляции должны выступать над крышей более чем на 1 м.
Выводы
- Вентиляция в каркасном доме не прихоть, без нее нормальное проживание без ущерба для здоровья невозможно.
- Система вентиляции подбирается для дома в соответствии с его объемом, количеством жильцов и гигиеническими требованиями.
- Для каркасного дома больше всего подходит приточно-вытяжная система вентиляции.
4. Проектирование и установку приточно-вытяжной вентиляции следует поручить профессионалам.
Похожие статьи:
www.domrnr.ru
Вентиляция в каркасном доме своими руками: схемы, устройство
Содержание статьи:
Тщательно просчитанная и грамотно спланированная система вентиляции в каркасном доме просто необходима для создания комфортной и здоровой атмосферы. Как правило, при проектировании каркасных домов продумывается и устройство вентиляции, которая чаще всего объединена с системами кондиционирования и вентиляции. Если подача свежего воздуха в дом не продумана заранее, жильцы остро сталкиваются с вопросом «как сделать вентиляцию в каркасном доме».
Нужна ли вентиляция в каркасном доме?
движение потоков воздуха в доме
Каркасные дома относятся к современным энергоэффективным строениям, практически герметичным за счет пластиковых окон и дверей. Есть мнение, что в таких домах душно, ведь материал стен и потолков «не дышит».
На практике даже «дышащие» кирпичные или деревянные стены не успевают поглотить всю влагу, выделяемую человеком при дыхании, приготовлении пищи, купании. В старых домах функцию вентиляции выполняли щели в деревянных окнах, дверных коробках, а вовсе не «дышащие» каменные стены.
Устройство вентиляции в каркасном доме – это дорогостоящее мероприятие, поэтому вопрос о целесообразности обязательно возникает. Особенно, если дом возводится самостоятельно.
Мы предлагаем ознакомиться с мнением жителей каркасных домов и специалистов:
Дом-дача для сезонного проживания. В таком каркасном доме, выстроенном своими руками, устройство вентиляции не требуется. Летом окна и двери обычно открыты. Для воздухообмена в туалете и ванной комнате сделается маленькая форточка. Если у этих помещений нет стен, выходящих на улицу, можно своими руками собрать систему естественной вентиляции каркасного дома, которая обойдется недорого.
Дача, используемая круглый год. На кухне и в санузле необходимо оборудовать вытяжные каналы с механической тягой.
Дом для постоянного проживания. Оптимальна принудительная система вентиляции каркасного дома, устроенная с рекуператором тепла. Только схема постепенной подачи свежего подогретого воздуха вентиляцией позволяет жильцам каркасного дома избежать скачков температуры, неизбежных при проветривании своими руками.
Естественная вентиляция в каркасном доме
схема естественной вентиляции каркасного дома» title=»схема естественной вентиляции каркасного дома»>схема естественной вентиляции каркасного дома
При естественной вентиляции каркасного дома воздух должен проникать в дом с улицы через неплотности окон, дверных коробок жилых помещений. Далее он проходит через коридоры и вытягивается вентиляционными каналами в санузлах и на кухне. Но технология возведения каркасных конструкций полностью исключает наличие щелей, поэтому, для работы естественной вентиляции в каркасном доме своими руками в стены врезаются приточные клапана. Вентканалы можно встраивать в каркас, делая их совершенно незаметными. Для этого используют пластиковые или асбоцементные трубы. Металлические трубы не подходят, они ухудшают теплоизолирующие свойства стен и увеличивают шумовую нагрузку.
Приточный клапан представляет собой аккуратное небольшое устройство, обеспечивающее поступление свежего воздуха с улицы. Многие модели клапанов для естественной вентиляции каркасных домов оснащаются фильтрами воздуха и шумоглушителями. Снаружи выход своими руками прикрывается решеткой, предохраняющей от проникновения птиц или грызунов. Изнутри устанавливается заслонка, регулирующая интенсивность подачи воздуха.
Для установки в несущей стене просверливается отверстие диаметром 50 – 130 мм. В отверстие вставляется пластиковая труба с термо- и шумоизоляцией.

в углах комнаты появляется плесень, окна “плачут”
Принцип действия естественной вентиляции каркасного дома основывается на разнице давления и температуры воздуха на улице и внутри дома. В теплое время года, когда разница минимальна, тяги не будет. Поэтому на вытяжные каналы в санузле и на кухне устанавливаются дополнительные вентиляторы. А чтобы сделать их работу более рациональной, подключаются датчики влажности, запускающие и останавливающие вентилятор.
Это один из простейших способов организовать вентиляцию каркасного дома. Как видите, особые навыки для обустройства такой системы не требуются.
При этом естественная вентиляция действует лишь в небольшом каркасном доме. О ее неэффективности свидетельствуют духота в помещениях и появление плесени в углах.
Фото вентиляции каркасного дома, неграмотно оборудованного своими руками вы видите сами.
Сеть изобилует такими фотографиями вентиляции каркасных домов своими руками сделанных хозяевами. К сожалению, самый дешевый путь не всегда бывает лучшим. Инструкция о том, как правильно организовать естественную вентиляцию каркасного дома своими руками в видео.
Принудительная вентиляция в каркасном доме

коллектор и воздуховоды
Немногие смогут собрать своими руками вентиляцию каркасного дома как на фото. Тем не менее, на сегодняшний день это лучшее, что предлагает стройиндустрия. Оптимальный микроклимат в каркасном доме достигается принудительной схемой вентиляции. Отток и приток воздуха обеспечиваются вентиляторами. Уличный воздух предварительно фильтруется и согревается. Подобную систему можно собрать и своими руками.
Схемы вентиляции каркасного дома:
- Принудительная вытяжка отработанного воздуха, создающая разряжение в помещениях. Воздух всасывается в дом через приточные клапаны;
- Принудительный приток свежего воздуха создает повышенное давление внутри дома. Отработанный воздух вытесняется на улицу через вентканалы на кухне и в санузлах;
- Принудительный приток-выдув воздуха. Приблизительно равные объемы воздуха подаются в дом с улицы и вытягиваются механической тягой;
- Принудительный воздухообмен с рекуперацией тепла. Такая схема вентиляции каркасного дома согревает приточный воздух, используя тепло отработанного воздуха. Экономное и современное решение.
схема принудительной вентиляции каркасного дома
Последний вариант системы вентиляции каркасного дома наиболее эффективен, хотя и дороже по сравнению с другими. Да и самостоятельно смонтировать его может лишь специалист. А владельцам каркасных домов из СИП-панелей не придется задумываться о том, как сделать вентиляцию. Вентканалы встраиваются непосредственно в стеновые панели в заводских условиях. Поэтому остановимся подробнее на более доступных комбинированных схемах.
О целесообразности установки своими руками принудительной вентиляции в каркасных домах смотрите видео.
Комбинированная схема вентиляции каркасного дома
приточный стеновой клапан
Комбинированная система обеспечивает качественную вентиляцию каркасного дома при невысоких затратах. Отработанный воздух вытягивается из помещений по вентиляционным каналам. Количество и площадь сечений вентканалов зависит от размеров дома, но в среднем для устройства вентиляции в каркасном доме своими руками можно придерживаться следующей пропорции: на 180 – 200 кв. метров площади (в 2 этажа) необходимо от 6 до 8 вентканалов.
Вентканалы делаются из пластиковых или асбоцементных труб, которые соединяются в металлический коллектор. Сюда монтируется вытяжной вентилятор. Вентиляторы бывают очень простыми, включающимися вручную или автоматическими. Такие запускаются датчиками влажности, установленными внутри комнат или инфракрасными датчиками, реагирующими на появление жильцов дома. Важный момент, который сложно учесть хозяину при устройстве вентиляции каркасного дома своими руками: мощность вентилятора должен высчитывать специалист.
Приток свежего воздуха обеспечивается с помощью приточных клапанов, которые встраивают в рамы пластиковых окон или непосредственно в стены дома.
Владелец дома вполне может собрать подобную схему вентиляции каркасного дома своими руками, учитывая технологию использования материалов и соблюдая аккуратность. Но необходимо знать ее основной минус: зимой в дом будет поступать холодный уличный воздух. А значит, увеличатся расходы на обогрев дома.
Более подробные инструкции о монтаже своими руками вентиляции каркасного дома в видеороликах, выложенных в сети.
Вентиляция каркасного дома не работает
Собранная своими руками схема вентиляции каркасного дома работает плохо если:
- в комнатах спертый воздух, тяжело дышать. Заходя с улицы, хочется открыть форточки;
- в ванной и на кухне в углах появляется грибок. Естественная вентиляция в каркасном доме не справляется с повышенной влажностью;
- «плачут» или потеют окна. Это означает, что влажность в помещении высока, а воздухообмен плох.
При грамотно организованной своими руками естественной вентиляции каркасного дома в жилые комнаты постоянно должен идти поток свежего воздуха. Так создается благоприятный микроклимат в доме и регулируется влажность.
strojdvor.ru
Вентиляция в каркасном доме — схемы
Чтобы выполнить монтаж вентиляции в каркасном доме необходимо знать ее возможные варианты и устройство каждого типа вентиляционной системы. После выбора схемы осуществляется ее установка, имеющая свои особенности.
Комфортные условия и здоровая атмосфера в каркасном доме создается с помощью разных инженерных систем, одной из них является вентиляция. Полноценный монтаж такой коммуникации относится к затратным процессам. Тем более, если владелец здания уже вложил в его строительство приличные средства. В связи с этим практически каждый человек еще на начальной стадии проектирования сооружения интересуется, нужна ли вентиляция в каркасном доме? Грамотно спланированная и тщательно просчитанная система поможет избежать многих неприятностей.
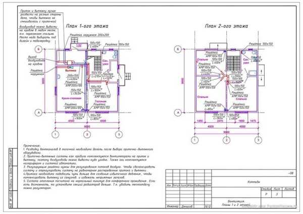
Пример схемы вентиляции в каркасном доме часть 1
Открыть схему вентиляции в большом разрешении (в новом окне)

Схема вентиляции в каркасном доме часть 2
Открыть схему вентиляции в большом разрешении (в новом окне)

Каркасный дом является энергоэффективным строением. При этом он обладает высокой герметичностью. Она особенно возрастает, если в здание установлены современные оконные и дверные конструкции. Именно поэтому в сооружении образуется душная атмосфера. Также не стоит забывать, что человеку свойственно дышать, готовить пищу и осуществлять водные процедуры. Во время таких процессов всегда выделяется влага. Ее необходимо удалить из помещения, чтобы обеспечить долговечность деревянных конструкций дома, так как на них может возникнуть плесень и грибок. Эти разрушительные факторы в итоге приведут к повреждениям стен, перекрытий и других элементов здания.
Классическая вентиляционная схема

Отток и приток воздуха в помещения может осуществляться принудительно с помощью механических устройств или естественным организованным и неорганизованным образом за счет законов физики. Независимо от способа воздухообмена, свежий воздух следует всегда подавать в жилые комнаты. При этом удаление воздушных масс должно осуществляться из так называемых грязных зон строения: кухонного пространства, санузлов и различных технических помещений. Между комнатами с притоком и оттоком осуществляется переток воздуха. Именно такая схема вентиляции называется классической.
Чтобы переток воздушных масс в здании выполнялся естественным образом, предусматривают зазоры между полом и межкомнатными дверями. Если они отсутствуют, то устройство вентиляции в каркасном доме своими руками должно сопровождаться монтажом переточных решеток в дверных полотнах. Также можно в стенах установить отдельные каналы.
Создавать для каждого помещения вытяжную систему нецелесообразно, так как в итоге схема вентиляции жилого каркасного строения только усложняется.
Неорганизованная естественная вентиляция
Дерево — это материал, обладающий способностью «дышать». Под этим процессом понимается влагоперенос. Его можно сравнить со свойствами кожи человека, которая в сухом климате отдает влагу, а во влажном, наоборот, впитывает ее. При этом инфильтрация через древесину происходит в мизерных количествах. Газообмена в таком объеме недостаточно, чтобы человек себя комфортно чувствовал в помещениях дома. Поэтому он осуществляется при естественной неорганизованной вентиляции через щели в дверях и оконных конструкциях. При этом роль вытяжного канала в здании может выполнить печная или каминная труба.
Естественная вентиляция

В случае с каркасным домом такой способ вентиляции организовать практически невозможно, если во время возведения сооружения использовались новейшие строительные материалы и технологии. Но даже при наличии щелей в конструкции здания он все равно не подходит для организации комфортных условий, так как человек не сможет сделать приток и отток воздуха больше или меньше. Поэтому вентиляция в каркасном доме, устройство которой основано на свойствах «дышащих» материалов, не может быть установлена.
Организованный естественный воздухообмен

При создании вентиляции такого типа выполняется монтаж вытяжных вентиляционных каналов. Они же являются шахтами, которые каждый человек может наблюдать в многоквартирных жилых домах. Приток при организованном естественном воздухообмене осуществляется через оконные проемы, когда они открыты для проветривания, а воздух в вентиляционной шахте движется за счет разницы давления, возникающего на уровне первого и последнего этажа. Также его перемещению способствует ветровое давление и разные температуры снаружи и внутри здания. Во время монтажа такого типа вентиляции большое значение имеют погодные условия и размеры вытяжной шахты.
Грамотное устройство вентиляции в каркасном доме своими руками, которая основана на естественном организованном воздухообмене, достаточно трудно выполнить. Поэтому лучшим выходом из этой ситуации будет монтаж простой принудительной вентиляционной системы. Если все-таки было принято решение создать в здание естественную схему движения воздушных масс, то в качестве вытяжной шахты рекомендуется использовать каминную или печную трубу.
Вытяжная вентиляция механического типа

Принудительная вытяжка является недорогим видом вентиляционной системы. Во время ее монтажа выполняется обязательная установка вентилятора. Он может быть канальным, устанавливаемый совместно с воздуховодом небольшого размера непосредственно в стене санузла или кухонного помещения. Также используются крышные вентиляторы. В этом случае выполняется монтаж разводки вытяжных каналов от кровли до необходимых помещений. При этом нужно знать, что для вытяжки из санузлов и кухонных помещений используются отдельные воздушные каналы.

Во время создания вытяжной принудительной вентиляции удаляемый воздух компенсируется воздушными массами, приток которых осуществляется через приоткрытые окна для проветривания или при помощи специальных клапанов, которые устанавливаются в оконных конструкциях или стенах.
Оконный тип устройств монтируется в верхний профиль или непосредственно в створке окна еще на стадии изготовления конструкции. Это сокращает время создания вентиляционной системы. Тогда как для монтажа собственными руками стенового приточного клапана придется сначала подготовить отверстие.
Вентилятор VENTS iFan — схема

При использовании таких устройств для организации воздухообмена нужно помнить, что они будут работать только в том случае, если в каркасном доме присутствует вытяжка. Конечно, лучшим вариантом будет использование крышного вентилятора, но такое удовольствие стоит приличных денег. Чтобы их сэкономить, можно использовать для всех вытяжных вентиляционных труб обычный канальный агрегат, но при этом необходимо будет в каждом воздуховоде из санузла, кухонного и технического помещения установить по обратному клапану, чтобы не было перетока воздуха. Также для ванной комнаты нередко устанавливается отдельный бытовой вентилятор, монтируемый в стене.
Приточная система механического типа

Вентиляция в каркасном доме своими руками, схемы которой предусматривают установку вентиляторов для притока воздуха, имеет противоположный принцип работы, чем принудительная вытяжка. Она создает в помещениях каркасного дома избыточное давление. Благодаря этому воздушные массы самостоятельно ищут пути выхода из здания. Поэтому в сооружении выполняют установку отдельных вытяжных воздуховодов или для этого можно использовать те же окна.
Установка коробов вентиляции

Преимуществом такого воздухообмена в помещениях каркасного дома является возможность подогрева и очистки воздушных уличных масс за счет установки электро- или водонагревателей и фильтров. Также при организации приточной вентиляции механического типа отсутствуют сквозняки.
Приточно-вытяжная механическая вентиляция

Схема воздухообмена каркасного дома, в которой вентиляторы соединены с воздуховодами, предназначенными как для подачи, так и для удаления воздуха из помещений, называется одновременно приточной и вытяжной системой. Она является оптимальным вариантом вентиляции и широко используется в частных жилых строениях.

Вентиляционные агрегаты могут устанавливаться отдельно на приточной и вытяжной магистрали или располагаться в едином блоке. В последнем варианте выполняется монтаж приточно-вытяжной установки (ПВУ).
Она имеет компактные размеры и оснащена дополнительным вентиляционным оборудованием, к числу которого относится:
- фильтр;
- клапан или заслонка;
- воздухонагреватель.
ПВУ имеет звукоизоляционный корпус. Это способствует созданию комфортных условий в жилом доме. Обычно такие установки располагаются в чердачных перекрытиях, а отвод и забор воздуха осуществляется с разных сторон здания. Нужно помнить, что вентиляция в каркасном доме своими руками, схемы которой предполагают установку отдельных вентиляторов для вытяжного и приточного канала, может иметь самую разную разводку воздуховодов. Так, удаление воздуха осуществляется не только из «грязных» помещений, но и из жилых комнат здания. В этом случае вентиляционная сеть имеет более сложную конфигурацию, и она требует выполнения тщательной настройки после монтажа.
Вентиляция с рекуперацией

Удаляемый воздух из помещений каркасного дома обладает более высокой температурой, чем воздушные массы, поступающие с улицы. В рекуператоре эти среды движутся по раздельным каналам, которые соприкасаются между собой стенками. При этом воздух с улицы еще дополнительно подогревается в устройстве, но на увеличении его температуры требуется меньше энергии, так как частичный его нагрев происходит за счет тепла удаляемой воздушной массы.
Рекуператор схема на фото

Рекуператоры бывают:
- Роторного типа, возвращающие до 90% тепла. Они имеют более высокую стоимость.
- Пластинчатого типа, которые позволяют экономить до 50% тепловой энергии.
При выборе рекуператора необходимо учитывать его вид, скорость движения воздушных масс, температуру наружного и внутреннего воздуха. Лучше всего для подбора оборудования обратиться к специалистам. Также нужно знать, что свежие и отработанные воздушные потоки в устройствах не смешиваются между собой.
В конструкции ПВУ с рекуператором помимо воздухонагревателя и вентиляторов еще присутствует байпас. Он позволяет в нужный момент отключить функцию рекуперации установки. Также ПВУ всегда оснащается автоматикой. Она позволяет управлять и контролировать работу вентиляционной системы.
Трубы для вентиляции

Традиционными воздуховодами являются изделия, которые изготовлены из оцинкованной стали. Ее толщина должна быть не меньше 0,55 мм. Из такого материала изготавливаются не только прямые вентиляционные трубы, но и фасонные элементы. Чтобы на стенках металлических воздуховодов не появлялся конденсат, их утепляют при помощи специального теплоизолятора. Обычно его толщина равна не меньше 5 мм.

Также разводка системы вентиляции может выполняться с помощью пластиковых вентиляционных каналов. В этом случае исключается возможность возникновения мостиков холода в деревянном строении. Пластиковые изделия продаются в строительных магазинах. Они могут иметь круглую или прямоугольную форму и разное сечение. Из них можно собрать вентиляционные каналы любой конфигурации. На пластиковых воздуховодах никогда не образуется коррозия.
Подбор сечения воздуховодов всегда выполняется на стадии проектирования системы вентиляции. При этом нужно помнить, что вертикальные каналы не могут иметь меньший размер, чем 120×120 мм, а горизонтальные трубы — 100×100 мм. Для определения их размера всегда необходимо знать количество перемещаемого воздуха и его допустимую скорость.
Воздушные каналы в каркасном доме устанавливаются в перекрытиях и стенах строения, так как выполнить такой монтаж позволяет конструкция здания. Поэтому необходимо еще на начальной стадии возведения сооружения осуществить установку воздуховодов, которые потом будут скрыты за отделочными материалами. В качестве конечных элементов систем вентиляции используются воздухораспределительные устройства. Они соединяются непосредственно с вентиляционными каналами и могут представлять собой диффузоры или регулируемые решетки.
Способы соединения воздушных каналов в каркасном доме

Если во время монтажа вентиляции используются круглые воздуховоды, то для соединения их отдельных частей может применяться бандаж. Для этого на торцах воздушных каналов должна быть выполнена отбортовка. Чтобы улучшить герметизацию каждого стыка используют дополнительно различные мастики.
Для удешевления процесса монтажа каналов круглого сечения их соединяют при помощи ниппелей. Они представляют собой трубы меньшего диаметра, которые вставляются внутрь воздуховодов. Также можно использовать для соединения муфты, только они одеваются сверху вентиляционных каналов. Фиксируется каждое такое соединение с помощью саморезов по металлу.
Помимо этого, еще применяется раструбный способ соединения. В этом случае один воздуховод заходит в другой вентиляционный канал. Для реализации такого способа соединения необходимо, чтобы трубы имели форму конусов. Во время использования раструбного метода нужно обязательно выполнять дополнительную герметизацию каждого стыка.
Если в доме осуществляется монтаж прямоугольных воздушных каналов, то для их соединения рекомендуется использовать шины. Это специальные профили из оцинкованной стали. Они закрепляется на всех торцах воздуховодов. При этом шины между собой соединяются угловыми вставками с отверстиями для болтов. Улучшается герметизация каждого такого стыка с помощью специального резинового уплотнителя, имеющего одну клейкую сторону. Он закрепляется непосредственно на шине.
Особенности монтажа вентиляции

Установка вентиляционного оборудования и воздушных каналов осуществляется только после выполнения всех необходимых расчетов и разработки рабочих схем системы. Во время выполнения вычислений и при подборе вентиляционных устройств всегда должна использоваться нормативная документация.
Монтаж вентиляционного оборудования может быть выполнен на утепленном чердаке или в специально подготовленных нишах. Они могут располагаться как в перекрытиях, так и в стенах каркасного дома. Воздушные короба крепятся к несущим конструкциям здания жестким способом, чтобы исключить возможность их вибрации. Для этого могут использоваться шпильки, траверсы, перфорированная лента, специальные вентиляционные кронштейны в виде хомутов или полосы оцинкованной стали.
Монтаж приточных или вытяжных диффузоров и решеток осуществляется в местах, удаленных от постоянного пребывания людей. Обычно их располагают в противоположных углах комнаты. Это позволяет воздушным массам перемещаться по всему объему помещения.
framehouse.club
нужна ли, как сделать правильно
.
Вентиляция важна для каждого дома, а для каркасного особенно. Каждая его стена и пол проложены гидро- и пароизоляционными материалами, что тормозит воздухообмен в доме. Система вентиляции нужна для нормального микроклимата в доме, её тип выбирают из учёта особенностей строения.

Вентиляция в каркасном доме необходима для поддержания нормального микроклимата
Воздухообмен в каркасном доме
Современные постройки — практически герметичные сооружения благодаря пластиковым окнам, защите стен и пола, натяжным потолкам. Установить правильный микроклимат во всех помещениях здания — первостепенная задача жильцов. Определить, нужна ли вентиляция в каркасном доме, можно по следующим признакам:
- Ощущается духота.
- Свежий воздух отсутствует.
- Запахи застаиваются.
- Стены сыреют.
- Появилась плесень.
Если все признаки налицо, проблему нужно решать. Монтаж вентиляции уже после строительства здания — мероприятие дорогостоящее. Если она не была заложена изначально, то это ещё и трудновыполнимый процесс. Перед переоборудованием дома нужно выбрать подходящий тип системы. Есть два вида:
- Естественная. Работает за счёт разницы давления между улицей и домом, и для её организации не привлекаются дополнительные технические средства.
- Принудительная. Для работы требуется установка приборов улучшения тяги. Она может быть одиночной или состоять из нескольких приборов.
Естественная
Работает благодаря свободному движению воздушных масс через технические отверстия в стенах или при сквозном проветривании. Отработанный воздух выходит через каналы, находящиеся в кухне, санузле или ванной комнате. В основе лежит принцип разницы давления.
Естественная вентиляция в каркасном доме поддерживается только сквозным проветриванием. При закрытых окнах она отсутствует. Как сделать вентиляцию в каркасном доме этого типа более эффективной:
- Установить приточный клапан в стену.
- Поставить пластиковые окна с функцией щелевого проветривания.
- Очистить шахты от мусора.
Лучший из методов — установка приточного клапана. Вентиляция в каркасном доме своими руками возможна без привлечения специалистов. Пошаговая инструкция для установки приточки:
- Бурильной машиной сделать в стене отверстие необходимого диаметра. (Стена должна сообщаться с улицей).
- Вставить асбоцементную или пластиковую трубу по размеру.
- Задуть щели монтажной пеной.
- Со стороны улицы правильно будет прикрыть отверстие решёткой, чтобы избежать скопление снега или мусора.
- В помещении установить на клапан заслонку.
Поток воздуха регулируется владельцем самостоятельно. Клапан можно оснастить фильтром очистки от пыли и дополнительно проложить звукопоглощающими материалами. Установленный дополнительно вентилятор защитит дом от развития плесени и грибка, излишней влаги летом. Поэтапно можно сделать приточки во всех помещениях в доме.

1 — клапан внутренний — диффузор пластиковый универсальный (ДПУ-М), 2 — клапан внутренний — диффузор регулируемый прямоугольный (ДРП), 3 — фильтр G3, 4 — труба пластиковая, 5 — тепло-шумоизоляция, 6 — сетка, 7 — решетка наружная
Так выглядит схема монтажа приточного клапана. Если ширина стены меньше 1 м, то в схеме изменяется только длина пластиковой трубки.
Минусы естественной вентиляции:
- Малоэффективна для больших помещений (больше подойдёт для дачного домика).
- Требует регулярного обслуживания.
- Увеличивает затраты зимой на обогрев помещения.
Принудительная
Более эффективный метод удаления грязного воздуха, но стоит дороже модернизированной естественной вентиляции. Заключается в установке приборов контроля за состоянием воздуха и его движением. Положительные стороны:
- Собственный микроклимат в каждом помещении.
- Полное автоматизированное управление.
Минусы:
- Высокая стоимость проекта и оборудования.
- Дополнительные затраты на электроэнергию, т.к принудительная вентиляция каркасного дома должна быть включена постоянно.
Можно использовать сплит-систему как один из способов улучшения качества воздуха. Если она оборудована функцией климат-контроля, то сможет одновременно отводить отработанный и нагнетать чистый воздух.
Положительный фактор — возможность монтажа уже после строительства, отрицательный — высокая стоимость оснащения всего дома.

Схема правильной вентиляции в каркасном доме
Приточно-вытяжная вентиляция с рекуперацией
Любая система требует больших энергетических затрат на обогрев помещения. Есть эффективный способ снизить стоимость для каркасных домов — монтаж вентиляционного оборудования с рекуператором. Оно представляет собой отдельный блок, устанавливаемый в общую принудительную систему.
Устройство рекуперации разделяет холодный приточный воздух и тёплый отработанный. Каналы для различных видов воздуха расположены методом чередования, они соприкасаются только стенками. Холодный воздух прогревается отработанным тёплым, и электричество на обогрев тратиться меньше.
Рекуператоры могут быть разных видов, но их эффективность зависит от скорости движения воздуха в системе и температуры воздуха.
Плюс в использовании более дорогих систем — отсутствие смешивания воздушных масс. Отработанный воздух и чистый двигаются по своим индивидуальным каналам. Устройство вентиляции приточно-вытяжного примитивного типа: рекуператор (керамическая пластина) и вентилятор. Когда горячий воздух из помещения отводится на улицу, пластина нагревается, а при подаче холодного воздуха с улицы, она отдаёт своё тепло и нагревает чистый.
Некоторые вентиляционные установки оборудуются калорифером вместо рекуператора. Он помогает прогреть систему и воздух.
Устройствами вентиляции можно управлять дистанционно по системе умный дом (если это предусматривает прибор). Идеальный вариант с автоматическим контролем — аэрогивер. Он небольшого объёма, встраивается в стену, имеет стильный дизайн. Огромный минус аэрогиверов — их стоимость. Поставить его в каждой комнате дома дорого.
Комбинированная система
Эффективный способ улучшить воздухообмен в доме — совместить несколько типов вентиляции. Как основную использовать естественную, а в некоторых помещениях принудительную. Плюсы комбинирования:
- Уменьшение затрат при строительстве дома. Принудительные устройства добавляются только в проблемных местах (кухня, ванная, глухие помещения).
- При необходимости монтаж некоторых устройств можно осуществлять уже после ремонта.
Отрицательные стороны:
- Повышение затрат на обогрев помещения. Из-за разных видов вентиляции высок риск теплопотери.
- Дополнительные затраты на установку рекуператоров и калориферов.
Подпольные пространства
Помимо воздухообмена в помещениях, необходима вентиляция подпольных пространств. Из-за её неправильной работы или отсутствия появляются следующие проблемы:
- Грибок и плесень, из-за близкого расположения к почве.
- Неприятный затхлый запах.
- Излишняя сырость.
Вентиляция подпольного пространства делится на естественную и принудительную.
Если дом расположен на определённой высоте от почвы, то, как правило, достаточно естественной вентиляции в виде нескольких отверстий в полу. Их обязательно прикрывают решётками.
Если же дом близко к земле, то вентиляционные каналы между чистовым и черновым полом оборудуются вентиляторами. На выходе каналы защищают сетками. Сетки помогут исключить попадание грызунов в дом, а керамические пластины сохранить тепло.
vozduhstroy.ru
Как сделать систему вентиляции в каркасном доме своими руками? Примеры +Видео
Каркасные дома, которые становятся все более популярны в настоящее время, представляют собой воплощение всех основных направлений в развитии энергосберегающих технологий.
Эффективное энергосбережение этих домов обеспечивается использованием новейших стеновых материалов, особых качественных утеплителей, суперсовременных герметичных окон. Как поддерживать вентиляцию?
В каркасном строительстве все действия направлены на снижение теплопотерь здания. Каркасное здание дает возможность экономить на отоплении, ведь все производимое тепло остается внутри помещений.
В современном строительстве говорят даже о так называемых «пассивных» домах, которые обогреваются за счет энергии, выделяемой самими жильцами и работающими в доме электроприборами. «Пассивные» дома – это, можно сказать, верх энергосберегающих технологий, когда траты на обогрев дома сведены к самому минимуму.
Что и говорить, а каркасная система делает эти дома очень теплыми благодаря постройке на утепленном фундаменте и непродуваемым стенам, низкоэмиссионным стеклопакетам и увеличенной кровле. Это, пожалуй, самые теплые дома из всех возможных вариантов.
Вентиляция в каркасном доме: основные вопросы
Практически на 100% герметичная конструкция «каркасника» заставляет застройщиков, остановивших свой выбор на возведении дома такого типа, всерьез задумываться о том, как же дом будет снабжаться воздухом. Вентиляция в каркасном доме – вопрос довольно интересный.

Отвечая на этот вопрос, опытные строители сразу же скажут, что ни один из традиционных (= устаревших) методов здесь не подходит:
- естественная вентиляция в каркасном доме (вытяжка) не работает, так как в герметичном строении нет достаточного притока воздуха;
- постоянно открытые окна сведут на нет все стремления сэкономить на отоплении, ведь вы будете попросту отапливать улицу. А установка герметичных окон (если держать их открытыми) вообще становиться бессмысленной тратой денег;
- кондиционирование не решает проблемы вентиляции помещения, ведь воздухозабор производиться из самого помещения, в котором установлен кондиционер, а свежий воздух в дом все равно не поступает.
Жить в каркасном доме без кондиционирования очень тяжело. Вряд ли вас устроит тяжелый запах от клея и краски, постоянно запотевшие окна и тяжелый спертый воздух в помещениях.
Встает закономерный вопрос: как, сохраняя максимальную энергоэффективность каркасника, имея малые теплопотери и экономя на отоплении, создать постоянный полный воздухообмен и наслаждаться свежим воздухом в своем каркасном доме?
Приточно-вытяжная вентиляция в каркасном доме
Оптимальным решение для обеспечения вентиляции в доме, построенном по каркасной технологии, является установка так называемой принудительной вентиляции , а именно — приточно-вытяжной системы с рекуперацией.
Приточно-вытяжная вентиляция в каркасном доме отвечает требованиям самых придирчивых застройщиков, так как обеспечивает не просто максимально небольшое потребление электроэнергии, но также:
- использование тепла выводимого воздуха для подогрева поступающего наружного,
- высокий КПД (до 90%) роторного рекуператора из аллюминия,
- оптимальную систему разведения воздуха (благодаря использованию гибких воздухоотводов небольшого диаметра),
- удобное управление (у некоторых систем в комплекте идет даже дистанционный пульт с сенсорным дисплеем).
Такая система предельно проста в управлении, вам достаточно просто подключить установку к сети электропитания (включить в розетку) и ваш дом будет снабжаться свежим воздухом, который будет обновляться с заданной периодичностью 1 раз в 2 часа.
Конечно, это не самый дешевый вариант. Организация вентиляции в каркасном доме – это вопрос вкуса и кошелька. К основным плюсам приточно-вытяжной вентиляции относят:
- отличное самочувствие благодаря постоянному наличию и регулярному обновлению свежего воздуха;
- экономию на отоплении дома, так как не понадобится открывать для окна проветривания помещения;
- сохранность конструкции самого дома за счет вывода лишней влаги, которая не будет скапливаться в стенах.
К дополнительным опциям данной системы вентиляции можно отнести возможность подключения к единой ветке кондиционирование и увлажнитель воздуха. Так вы получите в помещениях постоянную заданную температуру и влажность.
Чаще всего приточно-вытяжная вентиляция в каркасном доме монтируется по заранее подготовленному проекту. В типовом стандартном доме возможно установление стандартного вентиляционного комплекта без предварительного проекта.

Систему приточно-вытяжной вентиляции можно установить своими руками. Чаще всего предложенные на рынке вентсистемы достаточно просты в сборке, однако на их монтаж все же придется потратить какое-то время и силы. Если же вы боитесь допустить ошибки при монтаже и хотите сохранить время – обратитесь в специализированные фирмы.
Приточно-вытяжная вентиляция: этапы установки
Работы по установке любой вентиляции, в том числе и приточно-вытяжной, начинаются с внимательного изучения проекта дома. Составляется схема системы вентиляции, продумываются все помещения, нуждающиеся в вентилировании воздуха: вентиляция кухни, душевой, спален и прихожей, вентиляция подвала в доме и т.п.
Далее на объект завозиться все необходимое оборудование и комплектующие. После того, как все необходимое оборудование доставлено и распаковано, осуществляется непосредственно монтаж вентиляции в каркасном доме. Далее мы расскажем, как устроить вентиляцию в каркасном доме.
Установка вентиляционной системы включает следующие действия:
- Монтаж рамы под вентустановку, покраска и просушка рамы.
- Размещение на раме самой вентиляционной установки.
- Подключение вентустановки к воздуховодам.
- Утепление воздуховодов и их монтаж.
- Установка утепленного отвода, осуществляющего подачу чистого воздуха с улицы.
- Соединение воздуховодов с установкой.
- Сбрка и установка блока фреонового охладителя.
- Установка водного догревателя воздуха, который нужно будет подключить к отопительному котлу.
- Подключение фреонового охладителя к внешнему компрессорно-конденсаторному блоку.
- Соединение дренажного канала с блоком канализации.
- Подключение фреонового охладителя к ККБ и дренажному каналу.
- разводка гибких гофрированных трубок-воздуховодов.
- Подключение воздуховодов к телескопическим стеновым коробкам.
- Для удаления отработанного воздуха монтируется утепленный вертикальный воздуховод, который через общую шахту отводится наружу на крышу дома.
- Монтаж снаружи дома компрессорно-конденсаторного блока, который трассами соединяется с фреоновым охладителем.
- Завершающий этап — отпессовывание системы, программирование и настройка вентиляционной установки.
Правильная вентиляция каркасного дома
Определить, насколько эффективно и правильно работает система вентиляции, помогут некоторые наблюдения.
Вентиляция не работает должным образом, если вы:
- чувствуете в помещении затхлого воздуха;
- по углам комнаты на стенах появляется плесень;
- окна в комнате запотевают.
Все это говорит о повышенной влажности и недостаточном воздухообмене в помещении.
Если вы не наблюдаете ни одного из этих признаков, значит в вашем доме установлена эффективная правильная вентиляция каркасного дома.
ТОП 9 магазинов, где я выгодно закупаюсь
ТОП 7 по товарам и мебели для дома:
7 лучших строительных и мебельных магазинов!
- Akson.ru- это интернет-гипермаркет строительных и отделочных материалов!
- homex.ru- HomeX.ru предлагает большой выбор качественных отделочных, материалов, света и сантехники от лучших производителей с быстрой доставкой по Москве и России.
- Instrumtorg.ru – это интернет – магазин строительного, автомобильного, крепежного, режущего и другого инструмента, необходимого каждому мастеру.
- Qpstol.ru — «Купистол» стремится предоставить лучший сервис своим клиентам. 5 звёзд на ЯндексМаркет.
- Lifemebel.ru- гипермаркет мебели с оборотом более 50 000 000 в месяц!
- Ezakaz.ru- Представленная на сайте мебель изготавливается на собственной фабрике в Москве, а так же проверенными производителями из Китая, Индонезии, Малайзии и Тайваня.»
- Mebelion.ru- – крупнейший интернет-магазин по продаже мебели, светильников, интерьерного декора и других товаров для красивого и уютного дома.
domsdelat.ru
