Стабилизатор напряжения 220в для дома своими руками: Самодельный стабилизатор (трансформатор) 220 вольт: схемы для изготовления
Стоит ли собирать стабилизатор напряжения своими руками
Идеальным вариантом работы электросетей является изменение значений тока и напряжения как в сторону уменьшения, так и увеличения не более чем на 10% от номинальных 220 В. Но поскольку в реальности скачки характеризуются большими изменениями, то электроприборам, подключенным к сети напрямую, грозит потеря проектных возможностей и даже выход из строя.
Избежать неприятностей поможет использование специального оборудования. Но поскольку оно отличается весьма высокой ценой, то многие предпочитают собирать стабилизатор напряжения сделанный своими руками. Насколько оправдан такой шаг и что потребуется для его реализации?
Конструкция и принцип действия стабилизатора
Конструкция прибора
Решив собрать прибор самостоятельно придется заглянуть внутрь корпуса промышленной модели. Она состоит из нескольких основных деталей:
- Трансформатора;
- Конденсаторов;
- Резисторов;
- Кабеля для соединения элементов и подключения устройства.

Принцип действия самого простого стабилизатора основан на работе реостата. Он повышает или понижает сопротивление в зависимости от силы тока. Более современные модели обладают широким набором функций и способны в полной мере защитить бытовую технику от скачков напряжения в сети.
Виды приборов и их особенности
Виды и их применения
Классификация оборудования зависит от методов, используемых для регулировки тока. Поскольку эта величина представляет собой направленное движение частиц, то воздействовать на нее можно одним из способов:
- Механическим;
- Импульсным.
Первый основывается на законе Ома. Приборы, работа которых основана на нем называют линейными. Они включают в себя два колена, которые соединяются при помощи реостата. Поданное на один элемент напряжение проходит по реостату и таким образом оказывается на другом, с которого поступает к потребителям.
Приборы этого типа позволяют очень только выставлять параметры выходного тока и могут быть модернизированы дополнительными узлами.
Но использовать такие стабилизаторы в сетях, где разница между входным и выходным током велика нельзя, так как они не смогут обезопасить бытовую технику от КЗ при больших нагрузках.
Смотрим видео, принцип работы импульсного прибора:
Импульсные модели работают по принципу амплитудной модуляции тока. В цепи стабилизатора используется выключатель, разрывающий ее через определенные промежутки времени. Такой подход позволяет равномерно накапливать ток в конденсаторе, а после его полной зарядки и далее на приборы.
В отличие от линейных стабилизаторов импульсные не имеют возможности задавать определенную величину. В продаже встречаются модели повышающе-понижающие – это идеальный выбор для дома.
Также стабилизаторы напряжения делятся на:
- Однофазные;
- Трехфазные.
Но так как большинство бытовых приборов работают от однофазной сети, то в жилых помещениях используют как правило оборудование, относящееся к первому типу.
Приступаем к сборке: комплектующие, инструменты
Поскольку наиболее эффективным считается симисторный аппарат, то в своей статье мы рассмотрим, как самостоятельно собрать именно такую модель. Сразу следует отметить, что этот стабилизатор напряжения, выполненный своими руками, будет выравнивать ток при условии, что входное напряжение находится в диапазоне от 130 до 270В.
Допустимая мощность приборов, подключаемых к такому оборудованию не сможет превышать 6 кВт. При этом переключение нагрузки будет осуществляться за 10 миллисекунд.
Что касается комплектующих, то для сборки такого стабилизатора понадобятся следующие элементы:
- Блок питания;
- Выпрямитель для измерения амплитуды напряжения;
- Компаратор;
- Контроллер;
- Усилители;
- Светодиоды;
- Узел задержки включения нагрузки;
- Автотрансформатор;
- Оптронные ключи;
- Выключатель-предохранитель.
Из инструментов буду необходимы паяльник и пинцет.
Этапы изготовления
Чтобы собрать стабилизатор напряжения 220В для дома своими руками сначала нужно подготовить печатную плату размером 115х90 мм. Она изготавливается из фольгированного стеклотекстолита. Схема размещения деталей может быть напечатана на лазерном принтере и при помощи утюга перенесена на плату.
Смотрим видео, самодельный несложный прибор:
схема электрическая принципиальная
Далее переходим к сборке трансформаторов. Для одного такого элемента потребуется:
- магнитопровод площадью сечения 1,87 см²;
- три кабеля ПЭВ-2.
Первый провод используется для создания одной обмотки, при этом его диаметр составляет 0,064 мм. Число витков должно равняться 8669.
Два оставшихся провода потребуются для выполнения других обмоток. Они отличаются от первого диаметром, составляющим 0,185 мм. Количество витков для этих обмоток будет равно 522.
Если хотите упростить себе задачу, то можно воспользоваться двумя готовыми трансформаторами ТПК-2-2 12В. Их соединяют последовательно.
В случае изготовления этих деталей самостоятельно после того как будет готов один из них переходят к созданию второго. Для него будет нужен тороидальный магнитопровод. Для обмотки выбирают тот же ПЭВ-2, что и в первом случае, только количество витков составит 455.
Также во втором трансформаторе придется выполнить 7 отводов. Причем для первых трех используется провод диаметром 3мм, а для остальных – шины, сечением 18 мм². Это поможет избежать нагревания трансформатора в процессе работы.
соединение двух трансформаторов
Все остальные комплектующие для прибора, создаваемого своими руками лучше приобретать в магазине. После того, как все необходимое закуплено можно приступать к сборке. Начинать лучше всего с установки микросхемы, выполняющей роль контроллера на теплоотвод, который изготавливается из алюминиевой платины площадью более 15 см².
Далее необходимо установить на плату светодиоды. Причем лучше выбирать мигающие. Если не получается расположить их согласно схеме, то можно разместить на стороне, где находятся печатные проводники.
Если сборка симисторного стабилизатора напряжения 220В своими руками для вас кажется сложной, то можно остановиться на более простой линейной модели. Она будет обладать аналогичными свойствами.
Эффективность изделия, выполненного своими руками
Что толкает человека на изготовление того или иного прибора? Чаще всего – его высокая стоимость. И в этом смысле стабилизатор напряжения, собранный своими руками, конечно, превосходит фабричную модель.
К преимуществам самодельных устройств можно отнести и возможность самостоятельного ремонта. Человек, собравший стабилизатор разобрался как в его принципе действия, так и строении и поэтому сможет устранить неисправность без посторонней помощи.
Кроме того, все детали для такого прибора предварительно покупались в магазине, поэтому в случае выхода их из строя всегда можно будет найти аналогичную.
Если же сравнивать надежность стабилизатора, собранного своими руками и произведенного на предприятии, то здесь преимущество на стороне заводских моделей. В домашних условиях разработать модель, отличающуюся высокой производительностью практически невозможно, так как нет специального измерительного оборудования.
Заключение
Существуют различные типы стабилизаторов напряжения, причем некоторые из них вполне реально сделать своими руками. Но для этого придется разобраться в нюансах работы оборудования, приобрести необходимые комплектующие и выполнить их грамотный монтаж. Если вы не уверены в своих силах, то лучший вариант – приобретение устройства заводского изготовления. Стоит такой стабилизатор дороже, но и по качеству значительно превосходит модели, собираемые самостоятельно.
Виды и схемы стабилизаторов напряжения
Автор: Александр Старченко
Приборы для стабилизации напряжения сети применяются уже не одно десятилетие.
Многие модели давно не используются, а другие пока не нашли широкого распространения, несмотря на высокие характеристики. Схема стабилизатора напряжения не является чем-то слишком сложным. Принцип работы и основные параметры различных стабилизаторов следует знать тем, кто ещё не определился с выбором.
Содержание:
- Виды стабилизаторов напряжения
Виды стабилизаторов напряжения
В настоящее время применяются следующие виды стабилизаторов:
- Феррорезонансные;
- Сервоприводные;
- Релейные;
- Электронные;
- Двойного преобразования.
Большой выбор стабилизаторов напряжения отечественного производства от компании «Энергия», вы найдете на сайте официального представителя ВольтМаркет.ру.
Феррорезонансные стабилизаторы конструктивно являются самыми простыми устройствами. Они состоят из двух дросселей и конденсатора и работают на принципе магнитного резонанса.
Стабилизаторы такого типа отличаются высокой скоростью срабатывания, очень большим сроком эксплуатации и могут работать в широком диапазоне напряжения на входе. В настоящее время их можно встретить в медицинских учреждениях. В быту практически не применяются.
Принцип действия сервоприводного или электромеханического стабилизатора основан на изменении величины напряжения с помощью автотрансформатора. Устройство отличается исключительно высокой точностью установки напряжения. Вместе с тем скорость стабилизации самая низкая. Электромеханический стабилизатор может работать с очень большими нагрузками.
Релейный стабилизатор так же имеет в своей конструкции трансформатор с секционированной обмоткой. Выравнивание напряжения осуществляется с помощью группы реле, которые срабатывают по командам с платы контроля напряжения. Прибор имеет относительно высокую скорость стабилизации, но точность установки заметно ниже за счёт дискретного переключения обмоток.
Электронный стабилизатор работает по такому же принципу, только секции обмотки регулирующего трансформатора переключаются не с помощью реле, а силовыми ключами на полупроводниковых приборах. Точность электронного и релейного стабилизатора приблизительно одинаковая, но скорость электронного устройства заметно выше.
Стабилизаторы двойного преобразования, в отличие от других моделей, не имеют в своей конструкции силового трансформатора. Коррекция напряжения осуществляется на электронном уровне. Устройства этого типа отличаются высокой скоростью и точностью, но их стоимость намного выше, чем у других моделей. Стабилизатор напряжения 220 вольт своими руками, несмотря на кажущуюся сложность, может быть реализован именно на инверторном принципе.
Электромеханический стабилизатор
Сервоприводный стабилизатор состоит из следующих узлов:
- Входной фильтр;
- Плата измерения напряжения;
- Автотрансформатор;
- Серводвигатель;
- Графитовый скользящий контакт;
- Плата индикации.

В основе работы электромеханического стабилизатора лежит принцип регулировки напряжения путём изменения коэффициента трансформации. Это изменение осуществляется перемещением графитового контакта по свободной от изоляции обмотке трансформатора. Перемещение контакта осуществляется серводвигателем.
Напряжение сети поступает на фильтр, состоящий из конденсаторов и ферритовых дросселей. Его задача максимально очистить приходящее напряжение от высокочастотных и импульсных помех. В плате измерения напряжения заложен определённый допуск. Если напряжение сети в него укладывается, то оно сразу поступает на нагрузку.
При отклонении напряжения сверх допустимого, плата измерения напряжения подаёт команду на узел управления серводвигателем, который перемещает контакт в сторону увеличения или уменьшения напряжения. Как только величина напряжения придёт в норму, серводвигатель останавливается. Если напряжение сети нестабильно и часто изменяется, сервопривод может отрабатывать процесс регулирования практически постоянно.
Схема подключения стабилизатора напряжения малой мощности не представляет ничего сложного, поскольку на корпусе установлены розетки, а включение в сеть осуществляется шнуром с вилкой. На более мощных устройствах сеть и нагрузка подключаются с помощью винтовой колодки.
Большой выбор стабилизаторов напряжения отечественного производства от компании «Энергия», вы найдете на сайте официального представителя ВольтМаркет.ру.
Релейный стабилизатор
В релейном стабилизаторе имеется почти такой же набор основных узлов:
- Сетевой фильтр;
- Плата контроля и управления;
- Трансформатор;
- Блок электромеханических реле;
- Устройство индикации.
В этой конструкции коррекция напряжения осуществляется ступенчато, с помощью реле. Обмотка трансформатора разделена на несколько отдельных секций, каждая из которых имеет отвод. Релейный стабилизатор напряжения имеет несколько ступеней регулирования, число которых определяется количеством установленных реле.
Подключение секций обмотки, а, следовательно, и изменение напряжения может осуществляться либо аналоговым, либо цифровым способом. Плата управления, в зависимости от изменения напряжения на входе, подключает необходимое количество реле для обеспечения напряжения на выходе, соответствующего допуску. Стабилизаторы релейного типа имеют самую низкую цену среди этих приборов.
Пример схемы релейного стабилизатора
Еще одна схема стабилизатора релейного типа
Электронный стабилизатор
Принципиальная схема стабилизатора напряжения этого типа имеет лишь небольшие отличия от конструкции с электромагнитными реле:
- Фильтр сети;
- Плата измерения напряжения и управления;
- Трансформатор;
- Блок силовых электронных ключей;
- Плата индикации.
Большой выбор стабилизаторов напряжения отечественного производства от компании «Энергия», вы найдете на сайте официального представителя ВольтМаркет.ру.
Принцип работы электронного стабилизатора не отличается от принципа работы релейного устройства. Единственное отличие заключается в применении электронных ключей вместо реле. Ключи представляют собой управляемые полупроводниковые вентили – тиристоры и симисторы. Каждый из них имеет управляющий электрод, подачей напряжения на который вентиль можно открыть. В этот момент и происходит коммутация обмоток и изменение напряжения на выходе стабилизатора. Стабилизатор отличается хорошими параметрами и высокой надёжностью. Широкому распространению мешает высокая стоимость прибора.
Стабилизатор двойного преобразования
Это устройство, называемое так же инверторный стабилизатор, по своей конструкции и техническим решениям, полностью отличается от всех других моделей. В нем отсутствует трансформатор и элементы коммутации. В основу его работы положен принцип двойного преобразования напряжения. Из переменного напряжения в постоянное, и обратно в переменное.
Схема инверторного стабилизатора напряжения 220в состоит из следующих узлов:
- Фильтр сетевых помех;
- Корректор мощности – выпрямитель;
- Блок конденсаторов;
- Инвертор;
- Узел микропроцессора.
Напряжение сети, пройдя через фильтр, поступает на корректор – выпрямитель, где осуществляется первое преобразование. В блоке конденсаторов запасается энергия, которая будет необходима при пониженном напряжении.
Обычно инвертор выполняется по схеме с использованием ШИМ контроллера. Дополнительное питание необходимо для питания микропроцессора, который управляет всей работой стабилизатора.
Большой выбор стабилизаторов напряжения отечественного производства от компании «Энергия», вы найдете на сайте официального представителя ВольтМаркет.ру.
Это устройство отличается уникальными параметрами, поскольку инверторный стабилизатор не изменяет величину напряжения сети, а заново его генерирует.
Это позволяет получить напряжение высокого качества со стабильной частотой.
На базе инверторного принципа может быть реализована схема регулируемого стабилизатора напряжения. В этом случае можно на схемном уровне рассчитать величину напряжения на входе, которая может быть практически любой, а стабилизатор будет выдавать 220В.
С этим читают:
Понравилась статья? Поделись с друзьями в соц сетях!инверторный стабилизатор для дома 220в своими руками, частота 50 гц
Для стабилизации силы тока в электросети используется электронное устройство с тиристорными или симисторными ключами. Современные пользователи отдают предпочтение устройству двойного преобразования инверторного типа. Высокоэффективный электронный инвертор подает электроток стабильного напряжения и определенной частоты с допустимым отклонением на 0,5% от заданных параметров.
Конструкция стабилизатора инверторного
Бытовой стабилизатор своими руками собрать несложно, для этого достаточно иметь входные фильтры, выпрямитель и корректор коэффициента входной мощности, конденсаторы, преобразователи и микроконтроллеры.
Содержащиеся в конструкции выпрямители и преобразователи построены по схеме биполярного транзистора IGBT с металлическим оксидным полупроводником. Тиристоры в составе выравнивателя напряжения накапливают электрическую энергию, при активации устройства потери тока достигают минимальных показателей.
Инверторный стабилизатор содержит набор компонентов, каждый из которых выполняет определенную функцию. В конструкцию прибора входит:
- Блок питания с конденсаторами C 2 и C 5, компаратором DA 1, тепловым электрическим диодом VD 1, трансформатором T 1.
- Узел для задержки нагрузки при включении. В его комплектации содержатся резисторы R1-R5, транзисторы VT1-VT3 и конденсатор С1.
- Выпрямитель для измерения амплитуды колебания силы тока.

В конструкцию устройства входит конденсатор С2, диод VD2, стабилитрон VD2 и делитель R14, R13. - Компаратор с резисторами R15-R39 и компараторами DA3 и DA2.
- Логический контроллер DD1.
- Усилитель с транзистором VT4 и токоограничивающим резистором R40.
- Светодиод индикаторный HL1-HL9.
- Оптронные ключи.
- Автоматический предохранитель QF1.
- Трансформатор T 2.
Характеристики стабилизатора тока
Бытовой выпрямитель электротока, своими руками который можно собрать в частной мастерской, выравнивает ток при условии подачи тока 130−270 V. Аппарат не реагирует на частоту колебания электричества, поступающего из центральной линии электропередачи. К приспособлению можно подключать электроприборы общей мощностью до 6 кВт.
Электронный выравниватель напряжения в автоматическом режиме переключает нагрузки в течение 10 мсек.
Принцип работы устройства заключается в осуществлении двух процессов:
- Преобразование переменного сетевого тока в потребительский постоянный.
- Преобразование потребительского постоянного тока в сетевой переменный.
При выполнении первого процесса инверторные стабилизаторы напряжения для дома осуществляют выпрямление и коррекцию коэффициента напряжения. Процессы выравнивания осуществляются в момент входа переменного тока в частотный фильтр стабилизатора. На выходе потребитель получает постоянный ток синусоидальной формы. Положительным фактором выпрямителя является создание тока с высокими коэффициентами мощности и накопление его в конденсаторах.
Инверторный стабилизатор напряжения для дома в конечном результате выдают электрический ток напряжением 220 В с частотой колебания 50 гц. Отличительным свойством инвертора является наличие в конструкции кварцевого генератора, обеспечивающего высокую точность преобразования исходного материала с помощью микроконтроллера. Благодаря двум взаимозаменяемым процессам выравнивания электротока инвертор, или стабилизатор двойного преобразования, имеет более высокие показатели по сравнению с приборами релейного, электромеханического и симисторного типа.
Свойства электронного стабилизатора
Автоматический стабилизатор напряжения с двойным преобразованием обладает высоким потенциалом, эффективность процесса выравнивания тока заключается в отсутствии реле и других подвижных компонентов. Важным элементом конструкции является конденсатор, в задачу которого входит нивелирование перепадов силы входящего тока. Двойной преобразователь не позволяет изменяться выходному электропитанию от перепада в электрической сети.
В процессе сборки стабилизатора напряжения своими руками следует учесть рабочий процесс бытового устройства при входном возбуждении 130 V. Логическая величина фиксируется компенсаторами прибора, открытый транзистор VT 4 включает сигнальный светодиод, свидетельствующий о том, что стабилизатор не выполняет свою задачу из-за отсутствия нагрузки.
Когда сила тока колеблется в пределах 130−150 В, характеристики инверторного стабилизатора напряжения штиль падает, система открывает транзистор VT 5, включает второй сигнальный светодиод, оптосимистор U1.2 и симистор VS2. Рабочая нагрузка передается на обмотку верхнего вывода трансформатора T 2.
Собранный в домашних условиях инверторный стабилизатор штиль способен передавать напряжение 220 В и переключать соединение с обмоткой второго трансформатора при скачке напряжения в сети от 190 до 250 В. Основным элементом инверторного стабилизатора штиль является печатная плата 115×90 мм из стеклотекстолита с односторонним покрытием фольгой.
Достоинства бытового выпрямителя
По конструкции и принципу действия стабилизатор с двойным преобразованием имеет ряд положительных свойств.
Бытовой инвертор обладает следующими качествами, влияющими на производительность прибора:
- Расширенный показатель входного напряжения в пределах 115−300.
- Стабилизация выходного напряжения до 220 V в случае резкого скачка ток.
- Низкий порог шума при работе прибора.
- Компактные габариты корпуса и небольшая масса.
- Фильтрация высокочастотных помех и выбросов.
- КПД > 90%.
- Низкая точность нормализации входного напряжения.
- Оперативное регулирование силы электротока.
- Неприхотливость к обслуживанию и условию эксплуатации.
Недостатки стабилизирующего устройства
Наряду с достоинствами, электронный инверторный стабилизатор напряжения штиль обладает существенными недостатками. Среди комплекса отрицательных свойств наиболее важными считается:
- Высокая стоимость.
- Снижение диапазона входного напряжения.

- Чувствительность к перепадам напряжения в сети.
Условия работы прибора
В процессе преобразования тока необходимо защитить прибор от влаги, пыли, перегрева и механических повреждений. Устройство нельзя включать в работу, если в корпусе возникло образование конденсата от перепада температуры окружающей среды, для защиты стабилизатора от короткого замыкания необходимо дождаться полного испарения влаги с внутренних элементов оборудования.
Сделанный выпрямитель тока, изготовленный своими руками в частной мастерской, может эксплуатироваться только в сухих помещениях, где отсутствуют грызуны, насекомые, взрывоопасные и горючие материалы. Для стабилизации частоты колебания тока прибор должен устанавливаться на открытом пространстве, на расстоянии не менее 50 мм от стены, использоваться нулевой или фазный кабель.
Стабилизатор напряжения 220В для дома: какой выбрать правильно
Автор aquatic На чтение 6 мин.
Просмотров 3.4k. Обновлено
Чтобы приобрести без ошибок стабилизатор напряжения 220В для дома, какой выбрать из предложенных на рынке надо выяснить заранее. Личные знания помогут точнее формулировать свои требования, беседовать с продавцом на равных. Пригодится также изучение актуальных предложений рынка в соответствующем сегменте.
Современный стабилизатор
Стабилизатор напряжения 220В для дома: какой выбрать набор оборудования
Современный жилой дом оснащен разнообразной техникой с питанием от электрической сети. Это оборудование будет выполнять свои функции полноценно, если параметры напряжения стабильны. Для решения такой задачи во входной цепи устанавливают специальные устройства. Они автоматически фиксируют выход показателей из нормального диапазона и делают необходимые коррекции самостоятельно.
При изменении входного напряжения на выходе обеспечивается автоматическое подержание нормального уровня
Не сложно описать качественный стабилизатор напряжения 220В для дома, какой выбрать будет решить не сложно с помощью следующих критериев:
- Хороший аппарат должен работать без лишнего контроля и вмешательства со стороны пользователя.

- Минимальный шум, или полное его отсутствие упростят выбор места для установки.
- Выходную мощность выбирают, соответствующую подключенным потребителям.
- Разумная стоимость – это приятно. Но для полноценного экономического расчета следует учитывать потери электроэнергии в самом устройстве, длительность его срока службы, выполнение обязательного технического обслуживания.
Для чего нужна стабилизация напряжения
Чтобы исключить сомнения в необходимости таких инвестиций надо открыть любой технический паспорт на бытовую технику. В соответствующей строке указано номинальное напряжение питания с допустимыми отклонениями (например: ±10%). Если напряжение выходит за пределы указанного диапазона, производитель вправе снять свои гарантийные обязательства.
Испорченную по собственной вине микроволновую печь придется ремонтировать за счет владельца
По действующим в настоящее время правилам сложно предъявить претензии, а точнее – получить компенсацию ущерба. Отечественные обслуживающие организации иногда проводят работы вовсе без предварительного предупреждения. Снижение напряжения происходят при подключении большого количества кондиционеров летом. Соответствующие скачки наблюдаются вечером, когда готовят пищу, зимой в процессе эксплуатации мощных нагревательных приборов. Определенное негативное влияние оказывает несовершенство оборудования питающей подстанции, ее недостаточная мощность.
Перечисленные выше факторы убеждают в том, что обычный владелец частного дома исключить их не способен. Но он может установить стабилизатор. Такое решение поможет:
- сохранить гарантийные обязательства;
- обеспечить нормальную яркость осветительных приборов;
- поддерживать полноценную работоспособность насосов и других подключенных к сети устройств.
Достаточная освещенность рабочего места необходима для хорошего зрения
Виды специализированного оборудования
Чтобы приобрести стабилизатор напряжения 220В для домашнего использования, надо выяснить, какой выбрать механизм изменения напряжения.
Чаще всего используются следующие схемы:
- релейная;
- тиристорная;
- с электромеханическим приводом (латерная).
Все они подсоединяют разные выходные обмотки трансформатора при изменении напряжения на входе.
Принципиальная схема стабилизатора
С помощью этой схемы можно рассмотреть подробнее принципы действия этого устройства:
- Если напряжение в норме, то ничего не происходит. Ток поступает через транзитное реле непосредственно на выход. Потери в цепи настолько малы, что ими можно пренебречь.
- При повышении определенной пороговой величины изменяется разница напряжений на шунте. Плата управления с помощью тиристорного ключа подключает соответствующую обмотку.
- Напряжение на выходе снижается до нормы. На экране отображаются данные о результатах измерений в двух цепях.
- Если напряжение на входе изменится в любую сторону, то будут выполняться необходимые коррекции.
Тиристоры работают быстро, но создают искажения.
В некоторых ситуациях не исключено существенное изменение форы выходного сигнала. Это способно вызвать сбои в работе потребителей. Также образуются электромагнитные помехи. Следует отметить значительную стоимость качественных тиристоров большой мощности.
Как ни странно, но исключить перечисленные недостатки можно с помощью реле. Они не создают искажения, переключаются с достаточно высокой скоростью. Некоторые современные изделия такого типа работают практически бесшумно без повреждений в течение многих лет при постоянном использовании стабилизатора.
Следующий вариант – перемещение контактора с применением электромеханического привода. Такое инженерное решение позволяет обеспечить плавную регулировку и высокую точность. Однако здесь используют сложные механизмы, которые необходимо периодически обслуживать. Некоторые из них не стабильно работают при снижении температуры воздуха ниже 0°C. Стоит отметить наличие шумов и ограниченную скорость изменения электрических параметров.
Стабилизатор, оснащенный сервоприводом
Феррорезонансные преобразователи создают с применением нескольких индукционных катушек.
Они отличатся быстротой реакции, долговечностью. Но следующие отрицательные параметры существенно ограничивают сферу их применения:
- высокая стоимость;
- шумность;
- крупные размеры;
- существенные искажения формы выходного сигнала;
- прекращение работоспособности даже при незначительном изменении нагрузки (около 15%).
Именно поэтому чаще применяют три перечисленные выше схемы с учетом необходимой мощности и напряжения в сети (220V, или 380V).
Схема работы феррорезонансного преобразователя
Разные схемы подключения стабилизатора напряжения в частном доме
В коттеджах нередко предпочитают использование трехфазных сетей 380. Как правило, они рассчитаны на большие нагрузки. Некоторые станки, нагреватели рассчитаны именно на такое питание. Но для оснащения дома вполне достаточно приобрести двухфазные стабилизаторы.
По этой схеме можно подключить через них трехфазные потребляющие устройства
Здесь показано, как подсоединяют нагрузку через стабилизатор к сети 220 V
Статья по теме:
Какой выбрать стабилизатор напряжения для дачи.
Изучаем наш рейтинг популярных моделей и выбираем лучший для вашего дачного участка. Приятного чтения!
Как самостоятельно сделать регулирующее устройство
Для изготовления повышающего стабилизатора напряжения своими руками 220В можно использовать проверенное фабричное изделие.
Принципиальная схема стабилизатора
Понадобится приобрести комплектующие детали по розничным ценам, создать печатные платы, корпус.
Профессиональные навыки понадобятся для пайки микросхем
Настраивают электронные схемы с помощью осциллографа
Работающую качественную схему стабилизатора напряжения 220В своими руками создать будет дороже, чем приобрести готовое изделие с заводской гарантией.
Стабилизаторы напряжения 220В для дома: цены и технические характеристики
Если решите купить стабилизатор напряжения 220В для дома на 10кВт, то надо понимать, что его возможностей хватит на меньшую суммарную мощность всех потребителей. Дело в том, что при включении индукционных нагрузок она резко возрастает. Для подключения электропривода 0,5 кВт понадобится мощность примерно в 2 раза больше. Итоговый результат рекомендуется увеличить еще на 25-30%, чтобы стабилизатор не работал на предельных нагрузках. Данные по нескольким фабричным моделям техники приведены в таблице.
Компактный стабилизатор
Релейный стабилизатор
Выводы
Какой лучше стабилизатор напряжения, релейный или электромеханический, однозначно сказать нельзя.
Чтобы сделать правильный вывод, надо сравнить параметры двух моделей с учетом изложенных выше сведений. Для уменьшения требований можно только часть оборудования подключить через систему стабилизации.
Стабилизатор высокой мощности
Как выбрать стабилизатор напряжения для дома? (видео)
Стабилизатор напряжения 12 вольт. Применение устройста |
Устройства, называемые стабилизатором, стали самыми востребованными в промышленности и быту. Они прекрасно защищают электрические приборы от перепадов напряжения. Ознакомьтесь, какие существуют преимущества однофазного сетевого стабилизатора. Как смонтировать устройство своими силами и что необходимо знать о стабилизаторах 12 вольт?
Особенности стабилизатора 220 В
Однофазный сетевой стабилизатор напряжения поддерживает величину сигнала на уровне 220 В, при его скачках в пределах от 110 до 280 В.
Создание стабильного качественного напряжения станет залогом долговечной и надежной работы любых электроприборов.
Пример стабилизатора непряжения
Однофазный стабилизатор защищает от перепадов, скачков и других сетевых неполадок различные электрические потребители. Все что можно отнести к бытовой технике: устройства связи, датчики, контроллеры, промышленные приборы, вентиляция, система отопления, офисное и компьютерное оборудование нуждается в бесперебойном напряжении стабилизатора.
Стабилизатор напряжения не менее необходим в загородном доме, частном особняке или коттедже. Установка однофазного стабилизатора 220 В поможет обеспечить безопасность и стабильный режим работы электрических приборов, эффективность (КПД) и длительный срок службы.
Причиной перепадов в электричества сети является распределительная подстанция. В момент ее установки расчетная мощность на каждого была около 4 кВт. Сейчас, с увеличением использования различных электроприборов, это очень мало.
Из-за избытка потребления мощности и происходит снижение сетевого напряжения на линии. Чтобы решить данную проблему стоит установить стабилизатор для сети.
Стабилизатор 220 В позволит забыть о тускло светящихся лампочках, перебоях в работе стиральной машины и избавит вашу технику от дополнительного ремонтного обслуживания.
Однако важно помнить, что при слишком низком или высоком сетевом напряжении номинальная мощность стабилизатора уменьшается.
Изготовление стабилизатора 220 В своими руками
Сборка простого выравнивателя напряжения своими руками не требует особого мастерства и специфических деталей. Стандартное устройство состоит из:
- Диодов.
- Резисторов.
- Конденсаторов.
- Трансформатора.
- Провода, соединяющего микросхемы.
Основой устройства является трансформатор. Данный прибор представляет две катушки, которые образуют индуктивную электромагнитную связь. Это происходит по следующей схеме: сначала ток передается первой катушке, которая зарядившись, создает электромагнитное поле, через него заряжается вторая катушка, от нее ток передается электроприборам.
Однако такой принцип работы не идеален, потому что позволяет повышать или понижать напряжение, в большинстве случаев к потребителю подается ток с низким напряжением.
В связи с этим следует в самом начале своими руками сделать трансформатор, который будет его повышать. Для этого необходимо будет приобрести индуктивные катушки с количеством витков не меньше 2 000. Для определения необходимой мощности трансформатора нужно будет замерить напряжение в сети.
К примеру, средняя величина напряжения 196 В. Тогда необходимо воспользоваться следующим расчетом:
Если 220х2000/196=2245 – это количество витков, которые должны быть на второй катушке.
Однако если в сети произойдет скачок мощности, то получится таков результат:
Если 236х2245/2000=264 В. Это может привести к поломке многих электрических приборов. Для того чтобы такого не произошло необходимо использовать реостат.
Самым простым вариантом будет вывести ток с трансформатора на конденсатор. Для этого понадобятся одинаковые 12-16 конденсатора, которые при накоплении тока, сделают его однородным.
Все конденсаторы следует присоединить к реостату. Таким образом, сила тока будет держаться в допустимых пределах, и напряжение будет составлять 220 В.
Стабилизатор напряжения 12 вольт
Стабилизаторы с выходным напряжением в 12 вольт могут широко использоваться в радиоэлектронных устройствах в виде источника питания логической системы, устройств высококачественного воспроизведения, измерительной технике и другого радиоэлектронного оборудования.
Стабилизатор напряжения на 12 вольт
Внешние элементы стабилизатора 12 вольт могут применяться для ускорения процессов перехода. Входной конденсатор понадобится, если регулятор будет находиться на расстоянии 6 см от конденсатора, который фильтрует источник питания.
К основным характеристикам 12 В стабилизатора можно отнести:
- Внутреннее ограничение тока КЗ.
- Защита выходного транзистора.
- Внутренняя термозащита.
- Нет потребности во внешних компонентах.
- Допустимый выходной ток 1А.

Итог
Однофазный стабилизатор сетевого напряжения 220 В является залогом качественной работы электрических приборов. В любой ситуации, когда сетевое напряжение слабое или наблюдается скачок электроэнергии, сетевой стабилизатор сможет сохранить стабильную работу электрооборудования.
Данное устройство можно просто сделать своими руками. Это не потребует много затрат и времени. Приобретя подходящие элементы и следуя рекомендациям можно собрать стабилизатор напряжения в домашних условиях.
Для светодиодов в авто и других радиоустройствах понадобится стабилизатор 12 вольт. Он сможет обеспечить электропитанием различное оборудование и системы.
Рекомендуем прочесть!
Схема электронного стабилизатора напряжения 220в своими руками. Схема стабилизатора напряжения сети
Большинство электрических машин изготавливаются и продаются по всему миру и должны работать согласно местным требованиям по параметрам сети.
Рассмотрим простой пример. Электрический станок может быть изготовлен в Германии и применяться по всему миру. Во всех странах используется различное напряжение в диапазоне 200–250 В. Таким образом, в самой Германии он будет работать на 230 В, а у нас, в России, хотелось бы верить, на 220 В.
На что влияют эти цифры? На срок полезного использования. Это и есть небольшая проблема, называемая перенапряжение. Есть ещё другие вопросы, которые действительно доставляют беспокойство. Напряжение на вводе в ваш дом может подниматься и падать довольно резко. По времени скачки могут быть секундные, минутные и часовые в зависимости от колебаний спроса и предложения.
Например, если в вашем районе находится большой завод с мощными электрическими машинами – это может привести к переходным процессам: приливам или провалам. Последние также могут быть вызваны ударами молний, использованием электричества в режиме максимума (к примеру, приготовление еды в одно и то же время каждый вечер). На практике, электроснабжение 220 В регулярно колеблется в пределах 10% или больше, реальное напряжение бывает где-то 200–240 В.
Мы привыкли иметь множество гаджетов (ноутбуки, телевизоры и т. д.) со встроенными трансформаторами. Последние превращают входное напряжение в стабильное на 220 В. Большинство из нас даже не подозревают о проблеме.
Теоретически, электроэнергия должна подаваться в форме синусоидальной волны, которая поднимается, опускается и меняет направление плавно 50 раз в секунду (обычная частота питающей сети). На практике переменный ток может также включать нерегулярные, более высокие частоты сигналов, называемых гармониками, которые потенциально могут вредить чувствительной технике (вызывая перегрев) и действительно должны быть отфильтрованы.
Существует оптимальное решение этой проблемы – приобрести стабилизатор напряжения 220 В для дома, способный изменять более высокое входное напряжение на более низкий уровень в соответствии с тем, что действительно нужно для вашей бытовой техники.
Какие бывают стабилизаторы и как выбрать?
Могут работать в различных направлениях.
В конструкции некоторых из них включены феррорезонансные трансформаторы (также называемые трансформаторами постоянного напряжения или вариаторами). Устройства ведут себя как обычные трансформеры, но с дополнительным компонентом (индуктором на основе конденсатора и резонирующей катушкой, встроенной в их вторичные обмотки).
Феррорезонансные стабилизаторы обеспечивают более или менее постоянное выходное напряжение (обычно колеблется на 1–3 %).
Другие стабилизаторы напряжения 220 работают иначе. Самыми популярными из них являются электронные. Принцип работы таких устройств основывается на постоянном измерении входного напряжения и сравнивании с требуемым. Если значение напряжения на входе не соответствующее, оно корректируется путём вычитания или сложения. Таким образом, на выходе получается устойчивый сигнал на 220 В.
На рынке представлено три основных типа стабилизаторов для дома:
- релейные,
- электромеханические,
- электромагнитные.
Все они имеют свои преимущества и недостатки.
Но мы, как правило, выбирая, смотрим лишь на привычные критерии: качество и цена.
Зачем мы выбираем стабилизатор для дома?
Стабилизатор напряжения обычно является более дорогим решением, чем простой понижающий трансформатор, но общая экономия энергии с его использованием составит больше на 10-20 %. Хотя некоторые для дома на 5 кВт стоят тысячи долларов, они, как правило, окупаются за 2-3 года.
Преимущества их применения:
- уменьшают энергоемкость, затраты на обслуживание и продление срока службы бытовых приборов;
- за счет сокращения потребления энергии, они помогают внести ваш личный позитивный вклад в решение экологических проблем, таких как изменение климата.
Как выбрать стабилизатор 220 В для дома?
Оборудование для оптимизации напряжения является сложным, и используется для крупного бизнеса или промышленности. В настоящее время стабилизаторы для дома и дачи стали изделиями массового производства и пользуются спросом.
В чем выгода от использования таких устройств для обычных собственников жилья?
Производители гарантируют потенциальную экономию в размере 10 % на счетах за электроэнергию. «Оптимизация напряжения» — звучит слишком хорошо, чтобы быть правдой. В чем подвох? В действительности это нарушает один из основных законов физики: сохранения энергии. Согласно этому закону, нельзя сделать энергию из воздуха или получить из чего-то больше энергии, чем она вложена. Каким образом энергия, идущая на устройство, уменьшается?
В начале статьи было сказано о перенапряжении. При этом двигатель никогда не будет крутиться быстрее: просто дополнительная энергия потратится на тепло. Только уменьшая напряжение и снижая тепловые потери, вы уменьшаете полезную энергию, которую потребляет двигатель. Другими словами, если мотор работает на своём идеальном, низком напряжении, вы делаете его более эффективным.
Сэкономленная энергия выливается в финансовые сбережения (для вас) и экологический эффект (для планеты). Стоит помнить, что если техника работает, потребляя энергию с завышенными параметрами (слишком высокого напряжения или тока), то она изнашивается значительно быстрее. Продление жизни электрических приборов и выливается в финансовую и экологическую выгоды. Может это и есть лучший КПД? Хотя, конечно, технически этот показатель основывается на иных соображениях.
220 В? Есть самый простой способ. Для дома лучше выбрать устройство согласно существующему рейтингу стабилизаторов напряжения для дома.
Прежде всего, стоит отметить, что существует предел тому, насколько вы можете сократить напряжение без уменьшения полезного отпуска. Рассмотрим пример интуитивно понятный: бытовой холодильник, рассчитанный на 220 В, никогда не будет работать от 1,5-вольтовой батареи. Просто потому, что батарея при таком низком напряжении не может обеспечить достаточную энергию для питания электродвигателя.
Производители утверждают, оптимизация напряжения может составлять 10–20 %. То есть настолько можно смело сократить напряжение без ущерба для самих приборов? Это вводит в заблуждение. В реальности довольно трудно определить, как бытовые приборы загружены.
Так как же правильно выбрать? Параметры, по которым выбираются стабильники:
- бесшумность;
- мощность;
- фазность;
- точность стабилизации.
Какой стабилизатор напряжения выбрать для частного дома
1. Рейтинг стабилизаторов напряжения для дома на 5 квт
Как выбрать стабилизатор напряжения? Любое электрическое оборудование выбирается по определённым критериям. В зависимости от суммарной мощности всех электроприёмников, выбирается и мощность стабилизатора.
В квартире самым мощным оборудованием является электроплита (7 кВт), поэтому однофазный стабилизатор в диапазоне мощностей от 5 до 8 кВт – это будет самое верное решение. С такими характеристиками устройство подойдёт и для небольшого дачного домика, в котором отсутствуют мощные энергопотребители.
Энергия Classic 7500 . Прибор пользуется популярностью благодаря отличительным свойствам – точности 5%, высокому КПД, защите от перегрева и КЗ. Конструкция удобна в использовании, она настенного исполнения и весом около 20 кг.
RUCELF SRWII-6000-L . Второе место в рейтинге принадлежит релейному стабилизатору для квартиры и дачи. Погрешность не более 3,5%, хороший КПД, предусмотрены функции защиты от помех, КЗ, перегрева, перенапряжения в сети.
Ресанта АСН-8000Н/1-Ц . Среди однофазных приборов является самым приемлемым по цене. Точность стабилизации у него не такая высокая, как у предыдущих — всего 8%, но со своими функциями справляется на «хорошо».
2. Рейтинг стабилизаторов напряжения для дома 10–15 кВт
Защита коттеджа или дома стабилизатором в диапазоне -15 кВт станет наилучшим выбором. В рейтинге таких устройств на первых местах стоят следующие модели:
RUCELF SRWII-12000-L ., способный выдерживать нагрузку до 10 кВт, релейного типа, с наивысшим КПД и точностью стабилизации 3,5%. Судя по отзывам владельцев прибор является самым лучшим для дома.
РЕСАНТА LUX АСН-10000Н/1-Ц . Основным преимуществом этого аппарата является недорогая цена и отличная защита от сетевых скачков. Только вот есть один недостаток — погрешность 8%.
Энергия ACH 20000 . Славится хорошими нагрузочными способностями, сравнительно небольшой погрешностью — 6%, отличным КПД. Устройство напольного исполнения, работает бесшумно. Является хорошим вариантом для дома с однофазным потреблением электричества.
Лучший стабилизатор напряжения 220 В для дома: как все-таки выбрать?
Технические возможности – это хорошо. Однако есть ещё важные аспекты выбора аппаратов. Среди них значатся габариты выбранного устройства. Стабильники большой мощности имеют размеры более одного метра, и поэтому для их размещения потребуется специальный угол в помещении. Если дома места не хватает, то лучше обратить внимание на настенные модели. Чем-то придётся жертвовать: компактные приборы для потребителя стоят несколько дороже.
Условное обозначение IP определяет свойства защиты корпуса. Влаго- или пыле- защищённое будет иметь большую идентификацию, нежели негерметизированный вариант исполнения. С соответствующим IP уже не страшно будет случайное попадание влаги или пыли.
С надежной системой охлаждения длительно использующиеся аппараты не будут перегреваться. Свой выбор стабилизатора для дома при известной нестабильности сети в вашем районе лучше останавливать на моделях с принудительной вентиляцией. Если же для электроснабжения характерны быстро стабилизирующиеся скачки, то выбирайте аппараты с естественным охлаждением через вентиляционные решетки в корпусе.
Бытовые устройства чувствительны к скачкам напряжения, быстрее подлежат износу, и появляются неисправности. В электрической сети напряжение часто изменяется, снижается, либо возрастает. Это взаимосвязано с отдаленностью источника энергии и некачественной линии питания.
Чтобы подключать приборы к устойчивому питанию, в жилых помещениях применяют стабилизаторы напряжения. На его выходе напряжение обладает стабильными свойствами. Стабилизатор можно приобрести в торговой сети, однако такой прибор можно изготовить своими руками.
Имеются допуски на изменение напряжения не более 10% от номинального значения (220 В). Это отклонение должно быть соблюдено как в большую сторону, так и в меньшую. Но идеальной электрической сети не бывает, и величина напряжения в сети часто меняется, усугубляя тем самым работу подключенных к ней устройств.
Электрические приборы отрицательно реагируют на такие капризы сети и могут быстро выйти из строя, потеряв при этом свои заложенные функции. Чтобы избежать таких последствий, люди применяют самодельные приборы под названием стабилизаторы напряжения. Эффективным стабилизатором стал прибор, выполненный на симисторах. Как сделать стабилизатор напряжения своими руками мы и рассмотрим.
Характеристика стабилизатора
Это устройство стабилизации не будет иметь повышенную чувствительность к изменениям напряжения, подающегося по общей линии. Сглаживание напряжения будет производиться в том случае, если на входе напряжение будет находиться в пределах от 130 до 270 вольт.
Включенные в сеть устройства будут питаться напряжением, имеющим величину от 205 до 230 вольт. От такого прибора можно будет питать электрические устройства, суммарная мощность которых до 6 кВт. Стабилизатор будет производить переключение нагрузки потребителя за 10 мс.
Устройство стабилизатора
Схема устройства стабилизации.
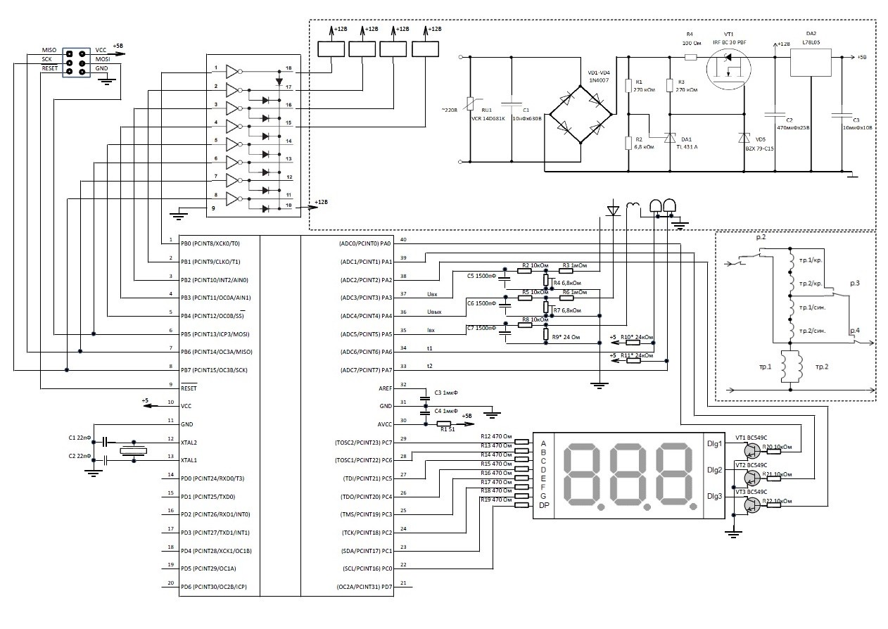
Стабилизатор напряжения по указанной схеме имеет в своем составе следующие части:
- Питающий блок, в который входят емкости С2, С5, компаратор, трансформатор, теплоэлектрический диод.
- Узел, задерживающий подключение нагрузки потребителя, и состоящий из сопротивлений, транзисторов, емкости.
- Выпрямительного моста, измеряющего амплитуду напряжения. Выпрямитель состоит из емкости, диода, стабилитрона, нескольких делителей.
- Компаратора напряжения. Его составными частями являются сопротивления и компараторы.
- Логического контроллера на микросхемах.
- Усилителей, на транзисторах VТ4-12, резисторов, ограничивающих ток.
- Светодиодов в качестве индикаторов.
- Оптитронных ключей. Каждый из ник снабжается симисторами и резисторами, а также оптосимисторами.
- Электрического автомата, либо предохранителя.
- Автотрансформатора.
Принцип действия
Рассмотрим, как функционирует .
После подключения питания емкость С1 находится в состоянии разряда, транзистор VТ1 открытый, а VТ2 закрытый. VТ3 транзистор также остается закрытым. Через него поступает ток на все светодиоды и оптитрон на основе симисторов.
Так как этот транзистор пребывает в закрытом состоянии, то светодиоды не горят, а каждый симистор закрыт, нагрузка выключена. В этот момент ток поступает через сопротивление R1 и приходит на С1. Дальше конденсатор начинает заряжаться.
Диапазон выдержки идет три секунды. За этот период производятся все процессы перехода. После их окончания срабатывает триггер Шмитта на основе транзисторов VТ1 и VТ2. После этого открывается 3-й транзистор и подключается нагрузка.
Напряжение, выходящее с 3-й обмотки Т1, выравнивается диодом VD2 и емкостью С2. Далее ток поступает на делитель на сопротивлениях R13-14. Из сопротивления R14, напряжение, величина которого прямо зависит от величины напряжения, включена в каждый неинвертирующий компараторный вход.
Число компараторов становится равным 8. Они все выполнены на микросхемах DА2 и DА3. В то же время на инвертируемый вход компараторов подходит постоянный ток, подающийся с помощью делителей R15-23. Дальше вступает в действие контроллер, осуществляющий прием входного сигнала каждого компаратора.
Стабилизатор напряжения и его особенности
Когда напряжение входа становится меньше 130 вольт, то на выходах компараторов появляется логический уровень малого размера. В этот момент транзистор VТ4 находится в открытом виде, первый светодиод мигает. Эта индикация сообщает о наличии низкого напряжения, что означает невозможность выполнения регулируемым стабилизатором своих функций.
Все симисторы закрытии и нагрузка отключена. Когда напряжение находится в пределах 130-150 вольт, то сигналы 1 и А имеют свойства высокого значения логического уровня. Такой уровень имеет низкое значение. В таком случае транзистор VТ5 открывается, и начинает сигнализировать второй светодиод.
Оптосимистор U1.2 открывается, так же, как и симистор VS2. Через симистор будет протекать нагрузочный ток. Затем нагрузка зайдет в верхний вывод катушки автотрансформатора Т2.
Если напряжение входа 150 – 170 В, то сигналы 2, 1 и В имеют повышенное значение логического уровня. Другие сигналы имеют низкий уровень. При таком напряжении входа транзистор VТ6 открывается, 3-й светодиод включается. В этот момент 2-й симистор открывается и ток поступает на второй вывод катушки Т2, являющийся 2-м сверху.
Собранный самостоятельно стабилизатор напряжения на 220 вольт будет соединять обмотки 2-го трансформатора, если уровень напряжения входа достигнет соответственно: 190, 210, 230, 250 вольт. Чтобы сделать такой стабилизатор, необходима печатная плата 115 х 90 мм, изготовленная из фольгированного стеклотекстолита.
Изображение платы можно отпечатать на принтере. Затем с помощью утюга переносят это изображение на плату.
Изготовление трансформаторов
Изготовить трансформаторы Т1 и Т2 можно самостоятельно. Для Т1, мощность которого 3 кВт, необходимо применить магнитопровод с поперечным сечением 1,87 см 2 , и 3 провода ПЭВ – 2. 1-й провод диаметром 0,064 мм. Им наматывают первую катушку, с количеством витков 8669. Другие 2 провода применяются для образования остальных обмоток. Провода на них должны быть одного диаметра 0,185 мм, с числом витков 522.
Чтобы не изготавливать самому такие трансформаторы, можно применить готовые варианты ТПК – 2 – 2 х 12 В, соединенные последовательно.
Чтобы изготовить трансформатор Т2 на 6 кВт, применяют магнитопровод тороидальной формы. Обмотку наматывают проводом ПЭВ – 2 с числом витков 455. На трансформаторе необходимо вывести 7 отводов. Первые 3 из них наматываются проводом 3 мм. Остальные 4 отвода наматываются шинами сечением 18 мм 2 . С таким сечением провода трансформатор не нагреется.
Отводы выполняют на таких витках: 203, 232, 266, 305, 348 и 398. Витки считают с нижнего отвода. В этом случае электрический ток сети должен поступать по отводу 266 витка.
Детали и материалы
Остальные элементы и детали стабилизатора для самостоятельной сборки приобретаются в торговой сети. Перечислим их перечень:
- Симисторы (отптроны) МОС 3041 – 7 шт.
- Симисторы ВТА 41 – 800 В – 7 шт.
- КР 1158 ЕН 6А (DА1) стабилизатор.
- Компаратор LМ 339 N (для DА2 и DА3) – 2 шт.
- Диоды DF 005 М (для VD2 и VD1) – 2 шт.
- Резисторы проволочные СП 5 или СП 3 (для R13, R14 и R25) – 3 шт.
- Резисторы С2 – 23, с допуском 1% — 7 шт.
- Резисторы любого номинала с допуском 5% — 30 шт.
- Резисторы токоограничивающие – 7 шт, для пропускания ими тока 16 миллиампер (для R 41 – 47) – 7 шт.
- Конденсаторы электролитические – 4 шт (для С5 – 1).
- Конденсаторы пленочные (С4 – 8).
- Выключатель, оснащенный предохранителем.
Оптроны МОС 3041 заменяются на МОС 3061. КР 1158 ЕН 6А стабилизатор можно менять на КП 1158 ЕН 6Б. Компаратор К 1401 СА 1 можно установить в качестве аналога LM 339 N. Вместо диодов можно использовать КЦ 407 А.
Микросхему КР 1158 ЕН 6А надо устанавливать на теплоотвод. Для его изготовления применяют алюминиевую пластинку 15 см 2 . Также на него необходимо установить симисторы. Для симисторов допускается применять общий теплоотвод. Площадь поверхности должна превышать 1600 см 2 . Стабилизатор необходимо снабдить микросхемой КР 1554 ЛП 5, выступающей в качестве микроконтроллера. Девять светодиодов располагаются так, что попадают в отверстия на панели прибора спереди.
Если устройство корпуса не дает установить их таким образом, как на схеме, то их размещают на другой стороне, где расположены печатные дорожки. Светодиоды необходимо устанавливать мигающего типа, но можно монтировать и немигающие диоды, при условии, что они будут светиться ярким красным светом. Для таких целей применяют АЛ 307 КМ или L 1543 SRC — Е.
Можно выполнить сборку более простых исполнений приборов, но они будут иметь определенными особенностями.
Достоинства и недостатки, отличия от заводских моделей
Если перечислять достоинства стабилизаторов, изготовленных самостоятельно, то основным достоинством является низкая стоимость. Производители приборов часто завышают цены, а своя сборка в любом случае обойдется меньшей стоимостью.
Другим преимуществом можно определить такой фактор, как возможность простого ремонта своими руками устройства, Ведь кто, если не вы знаете лучше устройство, собранное своими руками.
В случае поломки хозяин прибора сразу найдет неисправный элемент и заменит его на новый. Простая замена деталей создается таким фактором, что все детали приобретались в магазине, поэтому их можно будет легко снова купить в любом магазине.
Недостатком самостоятельно собранного стабилизатора напряжения необходимо выделить его сложную настройку.
Простейший стабилизатор напряжения своими руками
Рассмотрим, каким образом можно изготовить самостоятельно стабилизатор на 220 вольт собственными руками, имея под рукой несколько простых деталей. Если в вашей электрической сети напряжение значительно снижено, то такой прибор подойдет вам как нельзя кстати. Чтобы его изготовить, понадобится готовый трансформатор, и несколько простых деталей. Лучше взять такой пример прибора себе на заметку, так как получается неплохое устройство, обладающее достаточной мощностью, например, для микроволновки.
Для холодильников и различных других бытовых устройств понижение напряжения сети очень вредно, больше чем повышение. Если поднять величину напряжения сети, применяя автотрансформатор, то во время уменьшения напряжения сети на выходе прибора напряжение будет нормальной величины. А если в сети напряжение станет в норме, то на выходе мы получим повышенное значение напряжения. Например, возьмем трансформатор на 24 В. При напряжении на линии 190 В на выходе устройства получится 210 В, при значении сети 220 В на выходе получится 244 В. Это вполне допустимо и нормально для работы бытовых устройств.
Для изготовления нам понадобится основная деталь – это простой трансформатор, но не электронный. Его можно найти готовый, либо изменить данные на уже имеющемся трансформаторе, например, от сломанного телевизора. Трансформатор будем соединять по схеме автотрансформатора. Напряжение на выходе будет получаться примерно на 11% выше напряжения сети.
При этом нужно соблюдать осторожность, так как во время значительного перепада напряжения в сети в большую сторону, на выходе устройства получится напряжение, которое значительно превышает допустимую величину.
Автотрансформатор будет добавлять к напряжению линии сети всего 11%. Это значит, что мощность автотрансформатора берется также на 11% от мощности потребителя. Например, мощность микроволновки равна 700 Вт, значит трансформатор берем 80 Вт. Но лучше брать мощность с запасом.
Регулятор SA1 дает возможность, если нужно, подсоединять нагрузку потребителя без автотрансформатора. Конечно, это не полноценный стабилизатор, но зато для его изготовления не требуется больших вложений и много времени.
Стабилизатор представляет собой сетевой автотрансформатор, отводы обмотки которого переключаются автоматически в зависимости от величины напряжения в электросети.
Стабилизатор позволяет поддерживать выходное напряжение на уровне 220V при изменении входного от 180 до 270 V. Точность стабилизации 10V.
Принципиальную схему можно разделить на слаботоковую схему (или схему управления) и сильнотоковую (или схему автотрансформатора).
Схема управления показана на рисунке 1. Роль измерителя напряжения возложена на поликомпараторную микросхему с линейной индикацией напряжения, — А1 (LM3914).
Сетевое напряжение поступает на первичную обмотку маломощного трансформатора Т1. У этого трансформатора есть две вторичные обмотки, по 12V на каждой, имеющие один общий вывод (или одна обмотка на 24V с отводом от середины).
Выпрямитель на диоде VD1 служит для получения питающего напряжения. Напряжение с конденсатора С1 поступает на цепь питания микросхемы А1 и светодиодов оптопар Н1.1-Н9.1. А так же, он служит для получения образцовых стабильных напряжений минимальной и максимальной отметки шкалы. Для их получения используется параметрический стабилизатор на УЗ и Р1. Предельные значения измерения устанавливаются подстроечными резисторами R2 и R3 (резистором R2 — верхнее значение, резистором RЗ -нижнее).
Измеряемое напряжение берется с другой вторичной обмотки трансформатора Т1. Оно выпрямляется диодом VD2 и поступает на резистор R5. Именно по уровню постоянного напряжения на резисторе R5 производится оценка степени отклонения сетевого напряжения от номинального значения. В процессе налаживания резистор R5 предварительно устанавливают в среднее положение, а резистор RЗ в нижнее по схеме.
Затем, на первичную обмотку Т1 от автотрансформатора типа ЛАТР подают повышенное напряжение (около 270V) и резистором R2 выводят шкалу микросхемы на значение, при котором горит светодиод, подключенный к выводу 11 (временно вместо светодиодов оптопар можно подключить обычные свето-диоды). Затем входное переменное напряжение уменьшают до 190V и резистором RЗ выводят шкалу на значение когда горит светодиод, подключенный к выводу 18 А1.
Если вышеуказанные настройки сделать не удается, нужно подстроить немного R5 и повторить их снова. Так, путем последовательных приближений добиваются результата, когда изменению входного напряжения на 10V соответствует переключение выходов микросхемы А1.
Всего получается девять пороговых значений, — 270V, 260V, 250V, 240V, 230V, 220V, 210V, 200V, 190V.
Принципиальная схема автотрансформатора показана на рисунке 2. В его основе лежит переделанный трансформатор типа ЛАТР. Корпус трансформатора разбирают и удаляют ползунковый контакт, который служит для переключения отводов. Затем по результатам предварительных измерений напряжений от отводов делают выводы (от 180 до 260V с шагом в 10V), которые, в дальнейшем переключают при помощи симисторных ключей VS1-VS9, управляемых системой управления посредством оптопар Н1-Н9. Оптопары подключены так, что при снижении показания микросхемы А1 на одно деление (на 10V) происходит переключение на повышающий (на очередные 10V) отвод автотрансформатора. И наоборот, — увеличение показаний микросхемы А1 приводит к переключению на понижающий отвод автотрансформатора. Подбором сопротивления резистора R4 (рис. 1) устанавливают ток через светодиоды оптопар, при котором симис-торные ключи переключаются уверенно. Схема на транзисторах VТ1 и VT2 (рис. 1) служит для задержки включения нагрузки автотрансформатора на время, необходимое на завершение переходных процессов в схеме после включения. Эта схема задерживает подключение светодиодов оптопар к питанию.
Вместо микросхемы LM3914 нельзя использовать аналогичные микросхемы LM3915 или LM3916, из-за того, что они работают по логарифмическому закону, а здесь нужен линейный, как у LM3914. Трансформатор Т1 — малогабаритный китайский трансформатор типа TLG, на первичное напряжение 220V и два вторичных по 12V (12-0-12V) и ток 300mА. Можно использовать и другой аналогичный трансформатор.
Трансформатор Т2 можно сделать из ЛАТРа, как описано выше, или намотать его самостоятельно.
Симисторы можно использовать другие, — все зависит от мощности нагрузки. Можно даже использовать в качестве элементов коммутации элекромагнитные реле.
Как правило, для комфортного проживания на даче туда необходимо привезти целое множество крупной и мелкой бытовой техники, например, электрочайник, утюг и холодильник. Кроме того, для совершения любых строительных и ремонтных работ на участке вам понадобится специальное оборудование. Однако многих дачников останавливает следующий фактор: зачастую частные сектора плохо снабжаются электроэнергией, велики риски скачков напряжения и выхода включенной в сеть техники из строя. Для решения этой проблемы прекрасно подходит стабилизатор напряжения 220В для дачи. Какой выбрать, как установить и какому производителю отдать свое предпочтение – вы узнаете в данной статье.
Из-за того, что частный сектор плохо снабжается электроэнергией, то для любой дачи необходим выпрямитель
Стабилизатор напряжения: необходимость использования, условия эксплуатации
Необходимость подключения данного устройства обусловлена, прежде всего, часто пониженным напряжением в сети загородных районов. Подобное явление обуславливается следующими факторами:
- Использование старых трансформаторов, при установке которых не была учтена необходимость обеспечения электричеством большого количества дачных участков, и соответственно, не было расчета на высокий .
- Одновременным вынужденным использованием целого множества бытовых и строительных электроприборов. В данной ситуации часть техники либо работает некорректно, либо не включается вовсе.
В свою очередь повышенное давление там наблюдается довольно редко. Но и оно способно вывести из строя технику, и не важно, насколько часто вы бываете на даче и пользуетесь электроприборами. Таким образом, единственным логичным выходом из этой ситуации будет купить и установить стабилизатор напряжения 220в для дачи. Какой выбрать, как правильно вмонтировать и какой производитель лучше – все это вы сможете узнать в нижеизложенных пунктах.
Статья по теме:
Это устройство способно уберечь ваше жилище от многих неприятностей. И к выбору надо отнестись должным образом. А в помощь вам наш специальный обзор.
Стабилизатор напряжения 220в для дачи. Какой выбрать тип?
В зависимости от того, какое техническое решение было применено в устройстве, можно выделить целый ряд разнообразных регуляторов. Каждая конструкция имеет как свои плюсы, так и минусы, на которые следует обязательно обратить внимание перед покупкой.
Релейные устройства
Данное устройство работает за счет специального автотрансформатора и силовых реле, которые по необходимости регулируют напряжение. Подобный стабилизатор не может обеспечить высокой точности регулировки, поэтому чаще всего его используют, если на участке используются исключительно маломощные электроприборы.
Плюсами данного решения является высокая скорость реакции прибора и его сравнительно низкая стоимость. Минусы же заключаются в малой мощности и больших погрешностях регулирования напряжения.
Симисторные агрегаты
Данный тип выпрямителей представляет собой электронную конструкцию, в основу которой положена схема работы релейных устройств. Благодаря тому, что в подобном приборе нет подвижных механических частей, и автотрансформатор управляется при помощи электронных ключей, уровень шума, издаваемого прибора, является минимальным. Кроме этого, скорость переключения также весьма и весьма высока. Однако, как и в случае с релейными устройствами, данный тип также не отличается высокой точностью регулировки.
Сервоприводные стабилизаторы
Такой тип работает по принципу всем известного реостата. При помощи электроэнергии он меняет положение механических деталей, тем самым регулируя напряжение. Плюсами данного устройства является высокая точность и плавность регулировки выходного напряжения. Главный же минус состоит в низкой скорости реакции и ненадежных подвижных деталях. Таким образом, данный тип подходит исключительно для сетей, где отсутствуют резкие скачки напряжения.
Феррорезонансные модели
Данные устройства являются наиболее надежными, и обеспечивающими наилучший уровень защиты электроприборов. Минусами же является высокая стоимость, большой вес и недопустимость работы при частых перегрузках в системе.
Виды стабилизаторов: однофазные и трехфазные
Отдельно следует сказать и о видах регуляторов, которые бывают однофазными и трехфазными. Выбор зависит от того, какой тип кабеля подведен к дому.
Если в нем два или три провода – применяется электронный стабилизатор напряжения однофазный, если четыре – то подключается трехфазный, либо же три однофазных.
На видео ниже представлен стабилизатор напряжения 220в для дома на 10квт Ресанта. Данный материал поможет вам более углубленно разобраться в работе подобных устройств.
Стабилизатор напряжения 220в для дачи. Цена от разных производителей, критерии выбора
Перед тем как выбрать оптимальное устройство, обратите внимание на перечень критериев, который поможет вам подобрать нужный вариант:
- Тип, по которому производится электроснабжение вашего участка – однофазный или трехфазный.
- Суммарный показатель мощности всей техники, имеющейся на вашем дачном участке.
- Диапазон переносимых нагрузок, и, соответственно, нагрузки, возможные в вашем районе.
- Соотношение цена/качество, надежность производителя.
Полезный совет! Внимательно подойдите к критериям выбора – важно помнить, что все характеристики устройства должны соответствовать вашим требованиям и условиям участка.
Предлагаем вам ознакомиться со сравнительной таблицей наиболее популярных производителей стабилизаторов напряжения 220в для дачи. Цена и технические характеристики прилагаются.
| Изображение | Наименование производителя и модели | Страна | Мощность | Температурный диапазон | Средняя цена, руб |
|---|---|---|---|---|---|
| Энергия Ultra 9000 | Россия | 9 кВA (6..9 кВт) | -30°…+40°C | 36 200 | |
| Voltron PCH-8000H | Россия | 8 кВA (5..8 кВт) | -30°…+40°C | 18 200 | |
| Райдер RDR RD8000 | Китай | 8 кВA (5..8 кВт) | 0°…+40°C | 9 100 | |
| Ресанта Lux АСН-1500Н/1-Ц | Латвия | 1,5 кВт | 0°…+40°C | 3 050 | |
| Rucelf SRWII-12000-L | Китай | 10 кВт | 0°…+40°C | 16 815 | |
| LIDER PS10000BEST | Россия | 8 кВт | -40°…+40°C | 31 900 |
Данная таблица будет полезной при выборе стабилизаторов напряжения для дачи. Отзывы, и советы о том, какой лучше, вы также можете найти в свободном доступе в интернете.
Стабилизатор напряжения: нюансы монтажа
Различные производители представляют различные решения монтажа устройств, но в условиях небольших пор размеру дачных помещений лучше использовать именно настенные варианты – они позволят сэкономить место без ущерба для производительности.
Установка прибора производится рядом с электросчетчиком. Достаточно просто прикрепить к стене специальную монтажную пластину, на которую потом будет повешено само устройство.
Полезный совет! Для удобства вы легко можете разместить выпрямитель в любом подсобном помещении – это не сыграет роли для его корректной работы.
На этом монтаж устройства закончен. Как можно было заметить, установка бытового стабилизатора напряжения для дома и дачи довольно проста.
Делаем выводы
Таким образом, в данной статье мы подробно разобрали правила выбора стабилизатора напряжения 220в для дачи. Какой выбрать – это ваше решение, материалы для анализа и сравнения предоставлены в данном обзоре.
Подключение стабилизатора к сети (видео)
Практически каждый человек знает, что перепады напряжения могут повлиять на работу бытовой техники. Чтобы выровнять ток в домашних условиях вам необходимо использовать стабилизатор напряжения. Если у вас нет желания покупать это устройство, тогда мы расскажем, как сделать стабилизатор напряжения своими руками.
Основные элементы стабилизатора напряжения
Перед тем как изготовить стабилизатор напряжения вам необходимо изучить его составные части. Чтобы собрать простой выравниватель тока вам потребуются стандартные навыки. Самодельный стабилизатор напряжения для дома состоит из:
- Конденсатора.
- Нескольких диодов.
- Резистора.
- Проводов, которые соединят микросхемы.
Если вы возьмете старый сварочный аппарат, тогда он идеально справиться с этой задачей. Переделать сварочный аппарат в стабилизатор не составляет труда. Не у всех людей есть ненужный сварочный аппарат и поэтому мы решили рассмотреть другой способ изготовления стабилизатора напряжения своими руками. Импульсный стабилизатор сложно изготовить своими руками. Именно поэтому в этой статье мы рассмотрим изготовление линейного стабилизатора самостоятельно. также поможет защитить проводку.
Изготовление самодельного стабилизатора
Основой любого выпрямителя считается трансформатор. Это устройство представляет собою две небольшие катушки, которые в процессе работы образуют индуктивную электромагнитную связь. Эту взаимосвязь можно выразить формулой, которая изображена на фото ниже:
Формула считается не идеальной, так как она позволяет понижать или повышать напряжение. Если изучить статистику, тогда можно понять, что в 90% случаев потребители получают пониженный ток. Именно поэтому вам необходимо сделать повышающий трансформатор. Число его витков должно быть не менее 2000 тысяч. Для расчета витков следует использовать следующую формулу:
Также вам следует изучить вторую часть формулы, которая изображена ниже:
Теперь ваш стабилизатор напряжения, который будет увеличивать ток на заданную величину готов. Иногда потребитель может столкнуться со скачками напряжения. Именно поэтому формула примет следующие значения:
Для изменения сопротивления в сети вы сможете использовать реостат. Вам сложно будет управлять этим устройством вручную. Именно поэтому благодаря микросхеме вы сможете его полностью автоматизировать. Наиболее простым способом считается вывод тока с трансформатора на конденсатор.
Этот способ считается достаточно архаичным. Если у вас нет желания с ним заморачиваться, тогда лучше всего использовать УЗО. В этом случае, если напряжение в квартире или доме возрастет, тогда УЗО просто отключит его подачу. В остальное время трансформатор самостоятельно сможет выравнивать напряжение. При повышенном напряжении вам необходимо использовать понижающий трансформатор. Собирать его можно также как и этот. Только обмотка на второй катушке обязательно должна быть из толстой проволоки. Если вы желаете получить хороший эффект, тогда необходимо собрать оба трансформатора.
электронных, релейных, электромеханических и инверторных
Любое электрооборудование проектируется с расчётом на стабильные параметры сетевого напряжения. Это необходимо по двум причинам:
- Подключённое к сети устройство должно обеспечивать стабильные параметры тока на выходе в соответствии со своим целевым предназначением;
- Электрическая схема оборудования нуждается в защите от аномалий входного тока, которые являются основной причиной сбоев в работе и выходе из строя потребителей электроэнергии вследствие перегорания их токопроводящих контактов и элементов.
Чтобы питающее сетевое напряжение оставалось неизменным, используется специальное устройство – стабилизатор напряжения. Он осуществляет выравнивание характеристик входного тока и обеспечивает отключение потребителей в случае возникновения короткого замыкания или других критических сетевых аномалий.
Виды стабилизаторов напряжения
Принципиальная схема стабилизатора напряжения включает 2 основных элемента, функции которых заключаются в сравнении входных параметров тока с требуемыми и регулировкой выходных характеристик. При выборе стабилизатора необходимо учитывать его основные параметры, которые должны соответствовать свойствам электросети и особенностям питающихся от неё потребителей.
В список главных характеристик любого стабилизирующего устройства входят:
- Точность стабилизации;
- Скорость реакции на изменения параметров входного тока;
- Эксплуатационная надёжность;
- Защищённость от помех;
- Срок эксплуатации;
- Стоимость.
Существует несколько технических решений, позволяющих обеспечить стабильные параметры тока в сетях электропитания различного назначения. Наиболее широкое применение получили следующие виды стабилизаторов напряжения:
Сервоприводные. Обеспечивают высокую точность стабилизации и обладают неплохой устойчивостью к сетевым перегрузкам, включая короткое замыкание. Схема стабилизатора напряжения сервоприводного типа имеет существенный недостаток – низкую скорость реакции на изменения характеристик входного тока, вследствие их целесообразно использовать для защиты потребителей, питающихся от сетей, исключающих резкие скачки напряжения на входе.
Релейные. Характеризуются завидным быстродействием, однако не способны обеспечить высокую точность и качество выравнивания выходного напряжения, вследствие чего применяются для защиты электрооборудования малой мощности.
Электронные. Работают по тому же принципу, что и релейные, но вместо коммутационных реле функцию регулировки выходного напряжения выполняют электронные ключи – симисторы или тиристоры. Устройства этого типа отличаются высокой скоростью стабилизации и надёжной защитой от резких скачков входного напряжения. К недостаткам можно отнести сравнительно большую погрешность при выравнивании выходного тока и высокую стоимость.
Электромеханические. Представляют собой разновидность сервоприводных стабилизаторов. В отличии от последних, в оборудовании этого класса вместо графитовых щёток используются ролики, обеспечивающие защиту от перегрева, высокую перегрузочную способность и продолжительный срок службы системы. Главным минусом электромеханического стабилизатора является сравнительно высокая стоимость.
В продаже встречаются гибридные (с двойной релейной схемой), а также инверторные и широтно-импульсные (ШИМ) стабилизаторы. Они обеспечивают высокую скорость выравнивания выходного тока с небольшой погрешностью и могут работать с широким диапазоном входных параметров напряжения. Стабилизаторы с подмагничиванием и дискретным высокочастотным регулированием являются узкоспециализированными, вследствие чего широкого применения на практике не получили.
Сервоприводные стабилизаторы
Схема стабилизатора напряжения сервоприводного типа включает:
- Блок защиты от перегрузки;
- Автотрансформатор;
- Серводвигатель с редуктором;
- Блок управления
Сервоприводные стабилизаторы напряжения осуществляют выравнивание выходного тока посредством сервопривода, который приводит в движение коммутационные контакты – графитовые щётки. Перемещение последних в нужную позицию обмотки трансформатора осуществляется плавно без прерывания фазы и искажений синусоиды выходного напряжения. При скачках или проседаниях входного тока в пределах 10 В блок управления выдаёт команду серводвигателю, который двигает коммутационные контакты до достижения требуемых на выходе 220 В.
Схема регулируемого стабилизатора напряжения сервоприводного типа включает подвижные элементы, что снижает его надёжность и долговечность. Кроме того, устройства этого класса поддерживают достаточно узкий диапазон входного напряжения (150-260 В) и допустимой нагрузки (в пределах 250-500 Вт). В то же время, работают они практически бесшумно и обеспечивают погрешность выравнивания параметров тока не более 2-3%.
Стабилизаторы релейного типа
Принцип работы устройств стабилизации релейного типа основан на ступенчатом регулировании напряжения. Осуществляется оно посредством силовых реле, которые выполняют коммутацию секций на вторичной обмотке автотрансформатора после вычисления необходимого числа трансформации контролирующим входные и выходные параметры тока процессором.
К основным достоинствам релейных стабилизаторов относят:
- Компактные габариты и небольшой вес;
- Широкий диапазон выравнивания;
- Возможность применения при температурном режиме -20…+40°C;
- Низкую стоимость.
Главные минусы этого оборудования – малая перегрузочная способность и снижение скорости стабилизации при увеличении точности последней.
Электронные стабилизаторы напряжения
Электронные устройства стабилизации работают по принципу ступенчатого регулирования напряжения посредством автоматической коммутации участков вторичной обмотки трансформатора, которая осуществляется силовыми электронными ключами, управляемыми процессорным блоком.
Отсутствие открытой коммутации исключает возникновение искр и окисление токопроводящих контактов схемы стабилизатора при избыточном токе на входе. Кроме того, оборудование этого класса обеспечивает малую инерционность срабатывания, отличается высокой конструктивной надёжностью и полностью бесшумной работой.
Можно собрать электронный стабилизатор напряжения 220В своими руками. Стоимость такое устройство будет иметь гораздо меньшую, чем произведённое на заводе, обеспечивая простоту в обслуживании. Основным недостатком самодельных решений является их низкая надёжность.
Инверторные стабилизирующие устройства
Всё более популярными становятся устройства стабилизации, работающие по принципу двойного преобразования напряжения. Они не имеют подвижных элементов и обеспечивают куда более высокое качество выравнивания тока, чем классические сервоприводные, релейные и электронные.
Схема инверторного стабилизатора напряжения 220В включает:
- Входной частотный фильтр;
- Выпрямитель напряжения;
- Корректор коэффициента мощности;
- Накопительный конденсатор;
- Преобразователь постоянного напряжения в переменное (инвертор) с требуемыми на выходе устройства характеристиками.
- Микроконтроллер.
Входной ток проходит частотную фильтрацию, после чего выпрямитель превращает его в постоянный с правильной синусоидой. В результате значительно возрастает коэффициент мощности. Постоянное напряжение заряжает конденсаторы, с которых ток поступает на инвертор, где выравниваются его частота и напряжение до требуемых 50 Гц и 220 В соответственно.
Инверторные устройства стабилизации обеспечивают КПД выше 90% и практически нулевую инерционность, поддерживая широкий спектр входных параметров тока.
Схема подключения стабилизатора напряжения не представляет особой сложности. Очень важно при этом грамотно выбрать сечение кабеля:
- Чем выше мощность устройства, тем большей должна быть площадь сечения;
- При низком уровне входного напряжения сила тока будет большой, поэтому для сетей с преобладающими проседаниями напряжения следует выбирать сечение кабеля с запасом.
И главное: при подключении стабилизатора любого типа требуется неукоснительно соблюдать правила электробезопасности и рекомендации производителя, указанные в паспорте устройства.
Стоит ли собирать стабилизатор напряжения своими руками
Идеальным улучшением работы электросетей изменение значений тока и напряжения как в сторону уменьшения, так и увеличения не более чем на 10% от номинальных 220 В. Но поскольку в реальности изменяются большие изменения, то электроприборы, подключенные к сети напрямую, грозит потеря проектных возможностей и даже выход из строя.
Избежать неприятностей поможет использование специального оборудования. Но поскольку оно отличается весьма высокой ценой, то часто делают собирать стабилизатор напряжения своими руками. Насколько оправдан такой шаг и что потребуется для его реализации?
Конструкция и принцип действия стабилизатора
Конструкция прибора
Решив собрать прибор самостоятельно заглянуть внутрь корпуса промышленной модели. Она состоит из нескольких основных деталей:
- Трансформатора;
- Конденсаторов;
- Резисторов;
- Кабеля для соединения элементов и подключения устройства.
Принцип действия самого простого стабилизатора основан на работе реостата. Он увеличивает или снижает сопротивление в зависимости от силы тока. Более современные модели обладают широким наборомом функций и возможностей в полной мере защитить бытовую технику от скачков напряжения в сети.
Виды приборов и их особенности
Виды и их применения
Классификация оборудования зависит от методов, используемых для регулировки тока. Эта величина представляет собой направленное движение частиц, то воздействовать на нее можно одним из способов:
- Механическим;
- Импульсным.
Первый основывается на законе Ома. Приборы, работа основанная на нем называют линейными. Они включают в себя два колена, которые соединяются при помощи реостата. Поданное на один элемент напряжение проходит по реостату и таким образом оказывается на другом, с которого поступает к потребителям.
Приборы этого типа позволяют очень только выставлять параметрыного тока и могут быть модернизированы дополнительными узлами. Но использовать такие стабилизаторы в сетях, где разница между входным и выходным током велика, нельзя, так как они не могут обезопасить бытовую технику от КЗ при больших нагрузках.
Смотрим видео, принцип работы импульсного прибора:
Импульсные модели работают по принципу амплитудной модуляции тока. В цепи стабилизатора используется выключатель, разрывающий ее через промежутки времени. Такой подход позволяет равномерно накапливать ток в конденсаторе, а после его полной зарядки и далее на приборы.
В отличие от линейных стабилизаторов импульсные не имеют возможности задавать определенную установку. В продаже встречаются модели повышающе-понижающие — это идеальный выбор для дома.
Также стабилизаторы напряжения делятся на:
- Однофазные;
- Трехфазные.
. Так как большинство приборов работают от однофазной сети, в жилых помещениях используют как правило оборудование, относящееся к первому типу.
Приступаем к сборке: комплектующие, инструменты
таким образом эффективным является симисторный аппарат, то в своей статье мы рассмотрим, как самостоятельно собрать модель.Сразу следует отметить, что этот стабилизатор напряжения, выполненный своими руками, будет выравнивать ток при условии, что входное напряжение находится в диапазоне от 130 до 270В.
Допустимая мощность приборов, подключаемых к такому оборудованию не более 6 кВт. При этом переключение нагрузки будет осуществляться за 10 миллисекунд.
Что касается комплектующих, то для сборки такого стабилизатора понадобятся следующие элементы:
- Блок питания;
- Выпрямитель для измерения амплитуды напряжения;
- Компаратор;
- Контроллер;
- Усилители;
- Светодиоды;
- Узел задержки включения нагрузки;
- Автотрансформатор;
- Оптронные ключи;
- Выключатель-предохранитель.
Из инструментов буду необходим паяльник и пинцет.
Этапы изготовления
Чтобы собрать стабилизатор напряжения 220В для дома руками, сначала нужно подготовить печатную плату размером 115х90 мм. Она изготовлена из фольгированного стеклотекстолита. Схема размещения может быть напечатана на лазерном устройстве и при помощи утюга перенесена на плату деталей.
Смотрим видео, самодельный несложный прибор:
схема электрическая принципиальная
Далее переходим к сборке трансформаторов.Для одного такого элемента потребуется:
- магнитопровод площадью сечения 1,87 см²;
- три кабеля ПЭВ-2.
Первый провод используется для создания одной обмотки, при этом его диаметр составляет 0,064 мм. Число витков должно равняться 8669.
Два оставшихся провода потребуются для выполнения других обмоток. Они отличаются от первого диаметра 0,185 мм. Количество витков для этого обмоток будет равно 522.
Если хотите упростить себе задачу, то можно воспользоваться двумя готовыми трансформаторами ТПК-2-2 12В.Их соединяют последовательно.
В случае изготовления этих деталей самостоятельно после того, как будет готов один из них переходят к созданию второго. Для него будет нужен тороидальный магнитопровод. Для обмотки выбирают тот же ПЭВ-2, что и в первом случае, только количество витков составит 455.
Также во втором трансформаторе выполнить 7 отводов. Причем для первых трех используется провод диаметром 3мм, а для остальных — шины, сечением 18 мм². Это поможет избежать нагревания трансформатора в процессе работы.
соединение двух трансформаторов
Все остальные комплектующие для прибора, создаваемого своими руками лучше приобретать в магазине. После того, как все необходимое закуплено можно приступать к сборке. Начинать лучше всего с установки микросхемы, выполняющей роль контроллера теплоотвода, который изготавливается из алюминиевой платины площадью более 15 см². На него также монтируются симисторы. Причем теплоотвод, на котором их установка должен иметь охлаждающую поверхность.
Далее необходимо установить на светодиоды. Причем лучше выбирать мигающие. Если не находится расположить их по схеме, то можно link на стороне, где находятся печатные проводники.
Если сборка симисторного стабилизатора напряжения 220В своими руками для вас кажется сложной, то можно остановиться на более простой линейной модели. Она будет обладать соответствующими свойствами.
Эффективность изделия, выполненного своими руками
Что толкает человека на изготовление того или иного прибора? Чаще всего — его высокая стоимость.И в этом смысле стабилизатор напряжения, собранный своими руками, конечно, превосходит фабричную модель.
К преимуществам самодельных устройств можно отнести и возможность самостоятельного ремонта. Человек, собравший стабилизатор разобрался как в его принципе действия, так и строении и поэтому устранить неисправность без посторонней помощи.
Кроме того, все детали для такого прибора были в магазине, поэтому в случае выхода их из строя всегда можно найти аналогичную.
Если же сравнивать надежность стабилизатора, собранного своими руками и произведенного на предприятии, то здесь преимущество на стороне заводских моделей. В домашних условиях модель, отличающуюся высокой производительностью практически невозможно, так как нет специального измерительного оборудования.
Заключение
Существуют некоторые различные стабилизаторы напряжения, причем из них вполне реально сделать своими руками. Но для этого придется разобраться в нюансах работы оборудования, приобрести необходимые комплектующие и выполнить их грамотный монтаж.Если вы не уверены в своих силах, то лучший вариант — приобретение устройства заводского изготовления. Стоит такой стабилизатор дороже, но и по качеству значительно превосходит модели, собираемые самостоятельно.
Стабилизатор напряжения 220в для дома своими руками схема
Бытовые устройства чувствительны к скачкам напряжения, быстрее подлежат износу, и появляются неисправности. В электрической сети напряжение часто изменяется, снижается, либо возрастает.Это взаимосвязано с отдаленностью источника энергии и некачественной линии питания.
Чтобы подключать приборы к устойчивому питанию, в жилых помещениях применяют стабилизаторы напряжения. На его выходе обладает стабильными свойствами. Стабилизатор можно приобрести в торговой сети, однако такой прибор можно изготовить своими руками.
Имеются допуски на изменение напряжения не более 10% от номинального значения (220 В). Это должно быть соблюдено в большую сторону.Не бывает идеальной электрической сети, и величина напряжения в сети часто меняется, усугубляя тем самым работу подключенных к ней устройств.
Электрические приборы отрицательно реагируют на такие капризы сети и могут быстро выйти из строя, при этом свои заложенные функции. Чтобы избежать таких последствий, люди применяют самодельные приборы под названием стабилизаторы напряжения. Эффективным стабилизатором стал прибор, выполненный на симисторах. Как сделать стабилизатор напряжения своими руками мы и рассмотрим.
Характеристика стабилизатора
Это устройство стабилизации не будет повышающей чувствительности к изменению напряжения, подающегося по общей линии. Сглаживание напряжения будет производиться в том случае, если на входе напряжение будет находиться в пределах от 130 до 270 вольт.
Включенные в сеть будут питаться напряжением, имеющим значение от 205 до 230 вольт. От такого устройства можно будет питать электрические, суммарная мощность которых до 6 кВт.Стабилизатор будет переключение нагрузки потребителя за 10 мс.
Устройство стабилизатора
Схема устройства стабилизации.
Стабилизатор по схеме напряжения имеет в своем составе следующие части:
- Питающий блок, в которые входят емкости С2, С5, компаратор, трансформатор, теплоэлектрический диод.
- Узел, задерживающий нагрузку потребителя, и состоящий из сопротивлений, транзисторов подключение, емкости.
- Выпрямительного моста, измеряющего амплитуду напряжения.Выпрямитель состоит из емкости, диода, стабилизации нескольких делителей.
- Компаратора напряжения. Его составными частями сопротивления и компараторы.
- Логического контроллера на микросхемах.
- Усилителей, на транзисторах VТ4-12, резисторов, ограничивающих ток.
- Светодиодов в качестве индикаторов.
- Оптитронных ключей. Каждый из ник снабжается симисторами и резисторами, а также оптосимисторами.
- Электрического автомата, либо предохранителя.
- Автотрансформатора.
Принцип действия
Рассмотрим, как функционирует стабилизатор напряжения, выполненный своими руками.
После подключения питания емкость С1 находится в состоянии разряда, транзистор VТ1 открытый, а VТ2 закрытый. VТ3 транзистор также остается закрытым. Через него поступает ток на все светодиоды и оптитрон на основе симисторов.
Так как этот транзистор пребывает в закрытом состоянии, то светодиоды не горят, а каждый симистор закрыт, нагрузка выключена.В этот момент ток поступает через сопротивление R1 и приходит на С1. Дальше конденсатор начинает заряжаться.
Диапазон выдержки идет три секунды. За этот период производятся все процессы перехода. После их окончания срабатывает триггер Шмитта на основе транзисторов VТ1 и VТ2. После этого открывается 3-й транзистор и подключается нагрузка.
Напряжение, выходящее с 3-й обмотки Т1, выравнивается диодом VD2 и емкостью С2. Далее ток поступает на делитель на сопротивлениях R13-14.Из сопротивления R14, напряжение, величина которого прямо зависит от величины напряжения, включен в каждый неинвертирующий компараторный вход.
Число компараторов становится равным 8. Они все выполнены на микросхемах DА2 и DА3. В то же время на инвертируемый вход компараторов подходит постоянный ток, подающийся с помощью делителей R15-23. Дальше вступает в действие контроллер, осуществляющий прием входного сигнала каждого компаратора.
Стабилизатор и его особенности
Когда напряжение входа становится меньше 130 вольт, то на выходах компараторов появляется логический уровень малого размера.В этот момент транзистор VТ4 находится в открытом виде, первый светодиод мигает. Эта индикация сообщает о наличии низкого напряжения, что означает невозможность выполнения регулируемым стабилизатором своих функций.
Все симисторы закрытии и нагрузка отключена. Когда напряжение находится в пределах 130-150 вольт, то сигналы 1 и А имеют свойства высокого значения логического уровня. Такой уровень имеет низкое значение. В таком случае транзистор VТ5 открывается, и начинает сигнализировать второй светодиод.
Оптосимистор U1.2 открывается, так же, как и симистор VS2. Через симистор будет протекать нагрузочный ток. Затем нагрузка зайдет в верхний вывод катушки автотрансформатора Т2.
Если напряжение входа 150 — 170 В, то сигналы 2, 1 и В имеют повышенное значение логического уровня. Другие сигналы имеют низкий уровень. При таком напряжении входа транзистор VТ6 открывается, 3-й светодиод включается. В этот момент 2-й симистор открывается и ток поступает на второй вывод катушки Т2, являющийся 2-м сверху.
Собранный самостоятельно стабилизатор напряжения на 220 вольт будет соединять обмотки 2-го трансформатора, если уровень напряжения достигнет соответственно: 190, 210, 230, 250 вольт. Чтобы сделать такой стабилизатор, необходима печатная плата 115 х 90 мм, изготовленная из фольгированного стеклотекстолита.
Изображение платы можно отпечатать на принтере. Затем с помощью утюга переносят это изображение на плату.
Изготовление трансформаторов
Изготовить трансформаторы Т1 и Т2 можно самостоятельно.Для Т1, мощность которого 3 кВт, применить магнитопровод с поперечным сечением 1,87 см 2 , и 3 провода ПЭВ — 2. 1-й провод диаметром 0,064 мм. Им наматывают первую катушку, с помощью витков 8669. Другие 2 провода применяются для образования остальных обмоток. Провода на них одного диаметра 0,185 мм, с числом витков 522.
Чтобы не изготавливать самому такие трансформаторы, можно применить готовые варианты ТПК — 2 — 2 х 12 В, соединенные последовательно.
Чтобы изготовить трансформатор Т2 на 6 кВт, применяют магнитопровод тороидальной формы. Обмотку наматывают проводом ПЭВ — 2 с числом витков 455. На трансформаторе необходимо вывести 7 отводов. Первые 3 из них наматываются проводом 3 мм. Остальные 4 отвода наматываются шинами сечением 18 мм 2 . С таким сечением провода трансформатор не нагреется.
Отводы на таких витках работают: 203, 232, 266, 305, 348 и 398. Витки считаются с нижнего отвода. В этом случае электрический ток сети должен поступать по отводу 266 витка.
Детали и материалы
Остальные элементы и детали стабилизатора для самостоятельной сборки приобретаются в торговой сети. Перечислим их перечень:
- Симисторы (отптроны) МОС 3041 — 7 шт.
- Симисторы ВТА 41 — 800 В — 7 шт.
- КР 1158 ЕН 6А (ДА1) стабилизатор.
- Компаратор ЛМ 339 Н (для ДА2 и ДА3) — 2 шт.
- Диоды DF 005 М (для VD2 и VD1) — 2 шт.
- Резисторы проволочные СП 5 или СП 3 (для R13, R14 и R25) — 3 шт.
- Резисторы С2 — 23, с допуском 1% — 7 шт.
- Резисторы любого номинала с допуском 5% — 30 шт.
- Резисторы токоограничивающие — 7 шт, для пропускания ими тока 16 миллиампер (для R 41 — 47) — 7 шт.
- Конденсаторы электролитические — 4 шт (для С5 — 1).
- Конденсаторы пленочные (С4 — 8).
- Выключатель, оснащенный предохранителем.
Оптроны МОС 3041 заменяются на МОС 3061. КР 1158 ЕН 6А стабилизатор можно менять на КП 1158 ЕН 6Б.Компаратор К 1401 СА 1 можно установить в качестве аналога LM 339 N. Вместо диодов можно использовать КЦ 407 А.
Микросхему КР 1158 ЕН 6А надо устанавливать на теплоотвод. Для его применения применяют алюминиевую пластинку 15 см 2 . Также на него установить симисторы. Для симисторов применять общий теплоотвод. Площадь поверхности должна превышать 1600 см 2 . Стабилизатор необходим снабдить микросхему КР 1554 ЛП 5, выступающую в качестве микроконтроллера.Девять светодиодов располагаются так, что попадают в отверстия на панели прибора спереди.
Если устройство корпуса не дает установить их таким образом, как на схеме, то их размещают на другой стороне, где установлены печатные дорожки. Светодиоды необходимо установить мигающего типа, но можно установить и немигающие диоды, при условии, что они будут светиться ярким красным светом. Для таких целей применяют АЛ 307 КМ или L 1543 SRC — Е.
Можно выполнить сборку более простых исполнений приборов.
Достоинства и недостатки, отличия от заводских моделей
Если перечислять достоинства стабилизаторов, изготовленных самостоятельно, то достоинством является низкая стоимость. Производители приборов часто завышают цены, а своя сборка в любом случае обойдется меньшей стоимостью.
Другим преимуществом можно определить такой фактор, как возможность простого ремонта своими руками, Ведь кто, если не вы знаете лучше устройство, собранное своими руками.
В случае поломки хозяин прибора сразу найдет неисправный элемент и заменит его на новый. Простая замена создается таким фактором, что все детали приобретаются в магазине, поэтому их можно легко снова купить в любом магазине.
Недостатком самостоятельно собранного стабилизатора напряжения необходимо взять его сложную настройку.
Простейший стабилизатор напряжения своими руками
Рассмотрим, каким образом можно изготовить самостоятельно стабилизатор на 220 вольт собственными руками, имея под рукой несколько простых деталей.Если в вашей электрической сети напряжение значительно снижено, то такой прибор подойдет вам как нельзя кстати. Чтобы его изготовить, понадобится готовый трансформатор, и несколько простых деталей. Лучше взять такой пример прибора себе на заметку, так как получается неплохое устройство, обладающее достаточной мощностью, например, для микроволновки.
Для холодильников и других бытовых устройств понижение напряжения сети очень вредно, больше чем повышение. Если поднять напряжение сети, применяя автотрансформатор, то во время уменьшения напряжения сети на выходе прибора напряжение будет нормальной величины.А если в сети напряжение станет в норме, то на выходе мы получим повышенное значение напряжения. Например, возьмем трансформатор на 24 В. При значении сети 220 В на выходе получится 210 В, при напряжении сети 220 В на выходе получится 244 В. Это вполне допустимо и нормально для работы бытовых устройств.
Для изготовления нам понадобится основная деталь — это простой трансформатор, но не электронный. Его можно найти готовый, либо изменить данные на уже имеющемся трансформаторе, например, от сломанного телевизора.Трансформатор будем соединять по схеме автотрансформатора. Напряжение на выходе будет получаться примерно на 11% выше напряжения сети.
При этом нужно соблюдать осторожность, так как во время значительного перепада напряжения в сети в большую сторону, на выходе устройства получится напряжение, которое значительно превышает допустимое значение.
Автотрансформатор будет к напряжению линии сети всего 11%. Это значит, что мощность автотрансформатора берется также на 11% от мощности потребителя.Например, мощность микроволновки равна 700 Вт, значит трансформатор берем 80 Вт. Но лучше брать мощность с запасом.
Регулятор SA1 дает возможность, если нужно, подключить нагрузку потребителя без автотрансформатора. Конечно, это не полноценный стабилизатор, но зато для его изготовления не требуется больших вложений и много времени.
⚡️Самодельный стабилизатор напряжения 220в | radiochipi.ru
На чтение 3 мин. Опубликовано Обновлено
Электронный стабилизатор напряжения — это промежуточное устройство между бытовой сетью и электропотребителем (нагрузкой). Такое устройство предназначено для поддержания напряжения на определенном уровне, а в частности 220В.
Нередко случается в квартирах, часто в своих домах, напряжение в розетке далеко от идеала 220В, оно или сильно занижено, либо завышено, а порой просто резко скачет.В таких ситуациях бытовые приборы в розетку ведут себя как-то странно, освещение тускло горит, холодильник начинает гудеть, вода в электрочайнике медленно закипает. На напряжение нам приходит стабилизатор сетевого.
[info] Стабилизаторы бывают промышленные и бытовые. Промышленные стабилизаторы напряжения работают от трехфазного напряжения 380В, бытовые от однофазного и делятся на электронные, феррорезонансные, релейные, электромеханические, инверторные. [/ Info]
Рассмотрим принципиальную схему электронного электронного стабилизатора напряжения.В диодном мосту VD2 по диагонали расположен полевой транзистор VT2, когда он закрыт, то первичная обмотка вольтодобавочного трансформатора Т1 отключена от сети. Выходное U на холостом ходу, равно сетевому за исключением, малого падения напряжения на вторичной обмотке трансформатора Т1.
По схеме начало первичной обмотки L1-1 трансформатора Т1 соединяется непосредственно к сети 220В. Для того, чтобы подключить второй конец первичной обмотки L2-1 ‘трансформатора Т1 к сети 220В, необходимо открыть полевой транзистор VT2 (IRF840), после чего к нагрузке приложится сумма напряжений на вторичной обмотке L1 1-2, L2 2′-1’ и напряжения сети.
На биполярный транзистор VT1 структуры n-p-n переход подается напряжение, через нагрузку, трансформатор Т2 и диодный мост VD1. Потенциометром R1 выставляется выходное U = 220В порог срабатывания устройства на нагрузке, биполярный транзистор VT1 открывается, при этом транзистор VT2 закрывается. Если напряжение в сети упадет и станет ниже 220В, то закроется транзистор VT1, откроется транзистор VT2.
Диодный мост VD1 КЦ405В выпрямляет переменное U = 12В на вторичной обмотке трансформатора Т2, после постоянного напряжения подается на стабилизатор DA1 КР142ЕН8А и запитывает коллекторную цепь транзистора VT1 КТ972А.Конденсатор С5 и резистор R6 соединяют параллельную истоку стоку, транзистора VT2 и образуют гасящую цепочку от нежелательных скачков напряжения. С1 роль фильтрующего конденсатора от сетевых сетей, тем самым улучшающим процесс работы устройства.
Подбирая номиналы сопротивлений резисторов R3, R5 добиваются наилучшей и устойчивой работы стабилизации напряжения. Включение / выключение устройства и нагрузки осуществляется выключателем SA1. В стабилизаторе напряжения предусмотрено отключение стабилизирующего напряжения на нагрузке выключателем SA2.Собранный по схеме стабилизатор включает в сеть 220В и переменным резистором R1 выставляют U = 220В на нагрузке.
С каталог масляных трансформаторов можно ознакомиться по ссылке.
Вольтодобавочный трансформатор Т1 собран на основе готового трансформатора марки СТ-320, ранее использовавшегося в БП-1 блоках питания телевизоров УЛПЦТ-59. Трансформатор необходимо разобрать полностью, снять магнитосердечник, после чего смотать все вторичные обмотки, необходимо оставить только сетевую (первичную обмотку).Заново намотать поровну вторичные обмотки эмалированным медным проводом ПЭВ, ПЭЛ.
Одинаковые две катушки следующие намоточные данные:
Полевой транзистор VT2 необходимо закрепить на радиаторе!
Электронный стабилизатор напряжения 220 своими руками. Виды и схемы стабилизаторов напряжения
Исследовательские источники и ряд сайтов в Интернете, я упростил стабилизатор переменного напряжения, описанный в статье.Число микросхем удалось сократить до четырёх, ключей оптосимисторных — до шести. Принцип действия стабилизатора такой же, как у прототипа.
Основные технические характеристики стабилизатора напряжения:
- Входное напряжение, В…. 135… 270
- Выходное напряжение, В. . . .197… 242
- Максимальная мощность нагрузки, кВт ……………… 5
- Время переключения или отключения нагрузки, мс …… .10
Схема предлагаемого стабилизатора на рисунке.Устройство состоит из силового модуля и блока управления. Силовой модуль содержит мощный автотрансформатор Т2 и шесть ключей переменного тока, обведенных на схеме штрихпунктирной линией.
Остальные детали образуют блок управления. Он содержит семь пороговых устройств: I — DA2.1 R5 R11 R17, II -DA2.2 R6 R12 R18, III — DA2.3 R7 R13 R19, IV — DA2.4 R8 R14 R20, V — DA3.1 R9 R15 R21 , VI — DA3.2 R10 R16 R22, VII -DA3.3 R23. На одном из выходов дешифратора DD2 присутствует одно напряжение высокого уровня, которое вызывает включение соответствующего светодиода (из HL1 — HL8).
Мощный автотрансформатор Т2 включён иначе, чем в прототипе. Напряжение сети подаётся на один из отводов обмотки или на обмотку целиком через один из симисторов VS1 — VS6, нагрузка подключена к одному и тому же отводу. При таком включении расходуется меньше провода на обмотку автотрансформатора.
Напряжение обмотки II трансформатора Т1 выпрямляют диоды VD1, VD2 и сглаживает конденсатор С1. Выпрямленное напряжение пропорционально входному. Оно используется как для питания блока управления, так и для измерения входного напряжения сети.С этой целью оно подаётся на делитель R1 — R3. С движка подстроечного резистора R2 поступает неинвертирующие входы усилителей DA2.1 —DA2.4, DA3.1 — DA3.3. Эти ОУ используются в качестве компараторов напряжения. Резисторы R17 — R23 гистерезис переключения компараторов.
В таблице показаны пределы изменения выходного напряжения Uвых и логических уровней напряжения на выходах усилителей и входах дешифратора DD2, а также включённые светодиоды в зависимости от входного напряжения Uвх без учёта гистерезиса.
Микросхема DA1 вырабатывает стабильное напряжение 12 В для питания остальных микросхем. Стабилитрон VD3 вырабатывает типовое напряжение 9 В. Оно подаётся на инвертирующий вход ОУ DA3.3. На инвертирующие входы других ОУ оно поступает через делители на резисторах R5 — R16.
При сетевом напряжении ниже 135 В напряжение на движке резистора R2, а значит, и на неинвертирующих входах ОУ меньше, чем на инвертирующих. Поэтому на выходах всех ОУ низкий уровень. На всех выходах микросхемы DD1 также низкий уровень.В этом случае появляется высокий уровень на выходе О (вывод 3) дешифратора DD2. Включён светодиод HL1, механическое слишком низкое напряжение сети. Все оптосимисторы и симисторы закрыты. Напряжение на нагрузку не подаётся.
При напряжении сети от 135 до 155 В напряжение на движке резистора R2 больше, чем на инвертирующем входе DA2.1, поэтому на его выходе высокий уровень. На выходе элемента DD1.1 также высокий уровень. В этом случае появляется высокий уровень на выходе 1 (вывод 14) дешифратора DD2 (см.таблицу). Светодиод HL1 гаснет. Включается HL2, течёт ток через излучающий диод оптрона U6, светодиод чего оптосимистор этого оптрона открывается. Через открытый симистор VS6 напряжение сети подаётся на нижний по схеме отвод (вывод 6) относительно начала обмотки (вывод 7) автотрансформатора Т2. Напряжение на нагрузке больше напряжения сети на 64… 71 В.
При повышении напряжения сети оно будет переключаться на следующий шаг по схеме вывод автотрансформатора Т2.В частности, напряжение от 205 до 235 В непосредственно поступает на нагрузку через открытый симистор VS2, а также на выводы 1—7 автотрансформатора Т2.
При напряжении сети от 235 до 270 В на выходах всех ОУ, кроме DA3.3, высокий уровень, ток течёт через светодиод HL7 и излучающий диод U1.2. Напряжение сети через открытый симистор VS1 подключено ко всей обмотке автотрансформатора Т2. Напряжение на нагрузке напряжения меньше сети на 24… 28 В.
При напряжении сети более 270 В на выходах всех Высокий уровень, ток течёт через светодиод HL8, сигнализирует о чрезмерно высоком напряжении сети.Все оптосимисторы и симисторы закрыты. Напряжение на нагрузку не подаётся.
Маломощный трансформатор Т1 аналогичен применённому в прототипе, за исключением того, что его вторичная обмотка содержит 1400 витков с отводом от середины. Мощный автотрансформатор Т2 — готовый от промышленного стабилизатора VOTO 5000 Вт. Отмотав вторичную обмотку и часть первичной, я сделал новые отводы, считая от начала обмотки (вывод 7): вывод 6 от 215-го витка (150 В), вывод 5 от 236-го витка (165 В), вывод4 от 257-го витка (180 В), вывод 3 от 286-го витка (200 В), вывод 2 от 314-го витка (220 В).Вся обмотка (выводы 1—7) имеет 350 витков (245 В).
Постоянные резисторы — С2-23 и ОМЛТ, подстроечный резистор R2 — С5-2ВБ. Конденсаторы С1 —СЗ— К50-35, К50-20. Диоды (VD1, VD2) можно заменить на -, КД243Б— КД243Ж.
Микросхему можно заменить отечественными аналогами КР1157ЕН12А, КР1157ЕН12Б.
Налаживание с помощью ЛАТРа. Вначале устанавливают пороги переключения. Для достижения более высокой точности установки резисторы R17 — R23, создающие гистерезис, не устанавливают.Мощный автотрансформатор Т2 не подключают. Устройство подключают к сети через ЛАТР. На выходе ЛАТРа устанавливают напряжение 270 В. Перемещают движок подстроечного резистора R2 снизу вверх по схеме до включения светодиода HL8. Далее на выходе ЛАТРа устанавливают напряжение 135 В. Подбирают резистор R5 так, чтобы напряжение на инвертирующем входе (вывод 2) ОУ DA2.1 было напряжению на его неинвертирующем входе (вывод 3). Затем последовательно подбирают резисторы R6… R10, устанавливают пороги переключения 155 В, 170 В, 185 В, 205 В, 235 В, сверяя логические уровни с таблицей.После этого устанавливают резисторы R17— R23. В случае необходимости подбирают их сопротивление, устанавливают необходимую ширину петли гистерезиса. Чем больше сопротивление, тем меньше ширина петли. Установив пороги переключения, подключают мощный автотрансформатор Т2, к нему нагрузку, например, лампу накаливания мощностью 100… 200 Вт. Проверяют пороги переключения и измеряют напряжение на нагрузке. После налаживания светодиоды HL2 — HL7 можно удалить, заменив их перемычками.
ЛИТЕРАТУРА:
1.Годин А. Стабилизатор напряжения. — Радио, 2005, № 8.
2. Озолин М. Усовершенствованный блок управления стабилизатора переменного напряжения. — Радио, 2006, № 7.
В статье цепочка безразрывного переключения переменного тока с помощью электромеханических реле. Показана возможность уменьшения эрозии контактов реле и как следствие повышения долговечности и уменьшения помех от работы на примере стабилизатора напряжения сети для квартиры.
Идея
Встретил в интернете рекламу на сайте ООО «Прибор», г. Алматы, ул. Челябинск:Стабилизаторы напряжения марки Селен, выпускаемые нашим предприятием, основаны на принципе ступенчатого регулирования напряжения путем безразрывного переключения обмоток автотрансформатора (патент по изобретению № 2356082). В качестве ключей используются мощные быстродействующие реле.
Приведены картинки переключений (слева «Селен», справа — с обычными характеристиками)
Меня эта информация заинтересовала, я вспомнил, что в кинопередвижке «Украина» тоже было безразрывное переключение — там, на время переключения между двумя контактами переключателя подключался проволочный резистор.Я стал искать в интернете, что-либо полезное по этому поводу. Ознакомиться с изобретением №2356082 я не смог.
Мне удалось найти статью «Типы стабилизаторов напряжения», где рассказывалось о возможности подключения диода к контактам реле в момент переключения. Идея заключается в том, чтобы в переменном напряжении переключение во время положительного полупериода. При этом можно подключить диод параллельно контактам реле на время переключения.
Что дает такой способ? Переключение 220В меняется на переключение всего 20В, и так как нет разрыва тока нагрузки, то и практически нет дуги.Кроме того, при малых напряжениях дуга практически не возникает. Нет дуги — контакты не подгорают и не изнашиваются, надежность увеличивается в 10 и более раз. Долговечность контактов будет определяться только механическим износом, а он составляет 10 миллионов переключений.
На базе этой статьи взяты самые обычные реле и измерены время отключения, время нахождения в разорванном состоянии и время включения. Во время измерений увидел на осциллографе дребезг контактов, который вызывал большое искрение и эрозию контактов, что уменьшило ресурс работы реле.
Для реализации и проверки этой идеи был собран релейный стабилизатор переменного тока мощностью 2 кВт, для питания квартиры. Вспомогательные реле подключают диод только на время переключения основного реле во время положительного полупериода. Оказалось, что реле имеют большие времена задержки и дребезга, но, тем не менее операцию переключения удалось умесить в один полупериод.
Принципиальная схема
Состоит из автотрансформатора переключаемого как по входу, так и по выходу при помощи реле.
В схеме применено прямое измерение напряжения микроконтроллером. Выходное напряжение через делитель R13, R14, R15, R16 поступает на вход микроконтроллера через конденсатор C10 .
Питание реле и микросхемы осуществляется через диод D3 и микросхему У1 . Кнопка SB1 совместно с резистором R1 Применение для калибровки стабилизатора. Транзисторы Q1-Q4 — усилители для реле.
Реле Р1 и Р2 — основные, а реле Р1а и Р2 вместе с диодами D1 и D5 и замыкают цепь во время переключения основных реле.Для уменьшения времени отключения реле в усилителях реле, применены транзисторы BF422 и обмотки реле шунтированы диодами 1N4007 и диодами Зенера на 150 Вольт, включенными встречно.
Для импульсных помех, попадающих из сети, на выходе и выходе стабилизатора стоят конденсаторы C1 и C11.
Трехцветный светодиод индицирует уровни напряжения на входе стабилизатора: красный — низкое, зеленый — норма, синий — высокое.
Программа
Программа написана на языке СИ (mikroC PRO для PIC), разбита на блоки и снабжена комментариями.В программе применено прямое измерение переменного напряжения микроконтроллером, что разрешить упростить схему. Микропроцессор применен PIC16F676 .Блок программы нулевой ожидает появление спадающего перехода через ноль
По перепаду происходит либо измерение переменного напряжения, либо начинается переключение реле.
Блок программы izm_U измеряет амплитуды отрицательного и положительного полупериодов
В программе основной производиться обработка результатов измерений и если необходимо дается команда на переключение.
Для каждой группы реле написаны отдельные программы включения и выключения с учетом необходимых задержек R2on , R2off , R1на и R1off .
5-й бит порта C задействован в программе для подачи импульса на осциллограф, чтобы можно было посмотреть на результаты эксперимента.
Технические характеристики
При изменении входного напряжения в пределах 195-245 Вольт выходное напряжение обеспечивается с точностью до 7%.При изменении входного напряжения в пределах 185-255 Вольт выходное напряжение с помощью 10%Выходной ток в длительном режиме 9 А.
Детали и конструкция
При сборке использован трансформатор ТПП 320-220-50 200 Вт. Обмотки его соединены на 240 Вольт, что уменьшает ток холостого хода. Основные реле TIANBO HJQ-15F-1 , вспомогательные LIMING JZC — 22F .Все детали установлены на печатной плате, закрепленной на трансформаторе.Диоды D1 и D5 должны выдерживать ток 30-50А в течение времени переключения (5-10 мсек).
Прибор повешен на стене и закрыт кожухом из жести
Настройка
Налаживание устройства заключается в проверке безобрывного переключения и установки номинального напряжения 220 Вольт с помощью построечного резистора R15 и кнопки SB1.Необходимо подать на вход напряжение от ЛАТР «через лампу накаливания мощностью 100–150 Вт, установить 220 Вольт и удерживать кнопку зеленого свечения, вращая построечный резистор.
После этого кнопки отпустить, вольтметр подключить к выходу устройства и вращая ЛАТР пороги переключения: нижний 207 Вольт и верхний 232 вольта. При этой лампа накаливания переключаться не должна вспыхивать или светиться, что свидетельствует о правильной работе. Работа безобрывного переключения можно увидеть на осциллографе, для этого надо подключить внешний запуск к порту RC5 и наблюдать выходное напряжение стабилизатора в, изменяя входное напряжение. В моменты переключений синусоида на выходе не должна разрываться.
При напряжении на выходе меньше 187V горит красный диод, а зеленый мигает.
При напряжении на выходе больше 242V горит синий диод, а зеленый мигает.
Стабилизатор работает у меня 3-й месяц и показал себя очень хорошо. До этого у меня работал стабилизатор предыдущей разработки. Он работал хорошо, но иногда в момент его переключения срабатывал источник бесперебойного питания компьютера. С новым стабилизатором эта проблема исчезла безвозвратно.
Поскольку реле резко увеличилось эрозия контактов (практически нет искрения), можно было бы в качестве основных использовать менее мощные (LIMING JZC — 22F).
Замеченные недостатки
Довольно сложно было подобрать в программе время задержки реле.Для такого включения желательно применять более быстродействующие реле.
Выводы
а) Безобрывное переключение цепей переменного тока с помощью реле — вполне реальная и разрешимая задача.b) Можно в качестве вспомогательного реле применить тиристор или симистор, тогда на реле не будет напряжения падения, а симистор за 10 мсек не успеет нагреться.
в) В таком режиме искрения контактов увеличивается, а долговечность возрастает, и уменьшаются помехи от переключателей
Использованы источники
1.на сайте «Энергосбережение в Украине»2. Официальный web-сайт предприятия ООО «Прибор», г. Москва. Челябинск
3. Даташиты на детали
Файлы
Схема, чертеж печатной платы и программа с прошивкой▼ 🕗 12/08/12 ⚖️ 211,09 Кб ⇣ 165 Здравствуй, читатель! Меня зовут Игорь, мне 45, я сибиряк и заядлый электронщик-любитель. Я придумал, создал и содержу этот замечательный сайт с 2006 года.
Уже более 10 лет наш журнал существует только на мои средства.
Хорош! Халява кончилась.Хочешь файлы и полезные статьи — помоги мне!
Стабилизатор для напряжения дома | Заметки электрика
Здравствуйте, уважаемые читатели сайта http://zametkielectrika.ru.
Тема сегодняшней статьи относится к таким неотъемлемым в настоящее время устройствам, как стабилизаторы напряжения для дома. Сейчас я Вам поясню почему неотъемлемые. Энергоснабжающая организация не уделяет должного внимания на качество поставки электроэнергии потребителям. Причиной этого может являться отсутствие и обвинение в санкциях при несоответствующем качестве.К тому же не стоит забывать, что энергоснабжающая организация является монополистом по поставке электрической энергии.
Поставляемая электроэнергия является товаром. И если этот «товар» будет не надлежащего качества, то это может привести к выходу из строя электрооборудования. Поэтому каждый потребитель должен позаботиться о себе сам, применив стабилизаторы напряжения для дома, которые предназначены для поддержания стабильного напряжения питания нагрузок бытового и промышленного назначения.
Что же такое «качество» электрической энергии?
Для этого обратимся к следующим нормативным документам, где регламентируются параметры электрической сети от источника питания до источника питания.
. В этих ГОСТах представлены расшифровка параметров и показателей качества электрической энергии, методы их измерения, причины и вероятности появления или иного отклонения качества.
Кстати, скачать ПУЭ 7 издание Вы можете с моего сайта.
Теперь давайте рассмотрим основные показатели качества электрической энергии согласно ГОСТ 13109-97.
Основные показатели электрической энергии
1. Отклонение напряжения
Существуют следующие нормы отклонений:
- нормально-допустимые (± 5%)
- предельно-допустимые (± 10%)
Согласно ГОСТа 21128-83 номинальное действующее напряжение однофазной бытовой сети должно составлять 220 (В). Отсюда следует, что предел напряжений от 209 — 231 (В) является нормально допустимым отклонением, а предел напряжений от 198 — 242 (В) — предельно допустимым отклонением.
2. Провал напряжения
Провал напряжения — это падение напряжения ниже, чем 198 (В) длительностью более 30 секунд. Глубина провала напряжения может достигать до 100%.
3. Перенапряжение
Перенапряжение — это превышение амплитудного значения напряжения больше 339 (В).
Напоминаю, что амплитудное значение 310 (В) соответствует действующему значению 220 (В).
Более подробно о причинах возникновения перенапряжений читайте в моей статье: виды перенапряжений и их опасность.
Так что же такое стабилизатор напряжения для дома?
Стабилизатор напряжения — это автоматическое устройство, которое при изменении входного напряжения, на выход выдает стабильное заданное напряжение 220 (В). Схематично можно изобразить так:
Рассмотрим проблемы, которые могут возникнуть с питающим напряжением в своих домах, коттеджах и садух.
Наружная электропроводка для представителей дачных поселков была построена в прошлом году, когда нормы потребления на каждый дом принимались около 2 (кВт).В настоящее время только один электрический чайник потребляет около 1 (кВт), стиральная машинка около 2 (кВт), не говоря уже об электрических плитах, мощность которых достигает 10 (кВт) и больше.
По причине долгого срока эксплуатации состояние питающих с каждым годом плохое. Обслуживающие электрики приезжают на линию только по аварийным заявкам и вызовам. Периодические проверки и обслуживание линий ведется по минимуму.
От воздействия атмосферных осадков происходит окисление проводов, уменьшая их сечение, в местах соединения проводов плохой электрический контакт.Также увеличивается число потребителей одну и ту же линию. Хотя в последнее время в технических условиях на подключение дома энергоснабжающая организация обязывает установку ограничителей мощности.
Что в итоге мы имеем?
Когда линия не нагружена, то величина питающего напряжения не выходит за рамки норм. Как только нагрузка на постепенно начинает постепенно расти (люди приходят с работы), питающее напряжение начинает уменьшаться. По личному примеру скажу, что в одной из деревень величина в вечернее время достиала 150 (В).При таком напряжении холодильники выходят из строя, лампочки светят тускло, электрические печи не греют до номинальной температуры и т.д.
Как выходит из данной ситуации энергоснабжающая организация?
Очень просто.
Они выставляют на питающем трансформаторе с помощью привода ПБВ или РПН изначально повышенный уровень напряжения, чтобы в часы максимальной нагрузки напряжение было в норме, ну или почти в норме. Но ведь изначально выставленный повышенный уровень на питающем трансформаторе приводит к скорому перегоранию лампочек, а также к выходу из строя бытовой аппаратуры и техники.
Что же получается? Палка о «двух концах»?
Кто в данном тексте увидел свою проблему, рекомендую Вам позаботиться о себе самостоятельно, вооружившись стабилизатором напряжения для дома. Ниже я познакомлю Вас с типами стабилизаторов.
Типы стабилизаторов напряжения для дома
Рассмотрим классификацию стабилизаторов напряжения для дома.
1. Феррорезонансные или магниторезонансные стабилизаторы напряжения
Это самые «древние» стабилизаторы напряжения для дома, которые применяются для питания первых цветных телевизоров.Помните, такую «коробку»?
Стабилизатор напряжения для дома «Украина-2 ″ мощностью всего 315 (Вт).
А это еще один феррорезонансный стабилизатор напряжения.
Принцип их работы основывается на явлении магнитного насыщения ферромагнитных сердечников трансформаторов или дросселей.
У этих стабилизаторов напряжения недостатков пожалуй больше, чем достоинств. Во-первых, они выпускались небольшой мощности (до 600 Вт).Во-вторых, они очень сильно искажают синусоидальную форму выходного напряжения. В-третьих, они очень сильно гудят, а также узкий диапазон стабилизации и они частенько выходят из строя при повышенном напряжении в сети.
2. Дискретные (ступенчатые) стабилизаторы напряжения
Следующий тип стабилизаторов напряжения для дома, который мы рассмотрим, называются дискретными или ступенчатыми.
Принцип их работы основывается на ступенчатой коррекции напряжения, осуществляемом переключением отводов обмотки автотрансформатора с помощью ключей.
Ключи бывают либо релейными, либо полупроводниковыми (симисторы).
Ниже на рисунке приведена упрощенная схема дискретного стабилизатора для дома с прямым включением 5 ключей. Обычно такая схема используется у самых дешевых моделей. Каждый ключ (реле или симистор) настроен на определенный порог срабатывания по уровню входного напряжения сети. При достижении этого значения ключ замыкает часть обмотки автотрансформатора.
Про достоинства таких типов стабилизаторов напряжения для дома могу сказать то, что они обладают высокой скоростью реакции на изменение входного напряжения, что необходимо для двигательных нагрузок, таких как холодильник, стиральная машина, глубинный насос и др.
Время реакции на изменение входного напряжения зависит от количества обмоток и скорости работы ключей.
Также у них небольшие вес и габариты, отсутствуют движущиеся части, в отличие от электромеханических стабилизаторов, а также диапазон входных напряжений.
Из недостатков можно отметить то, что напряжение на выходе меняется ступенчато и во время процесса регулирования происходит прерывание выходного напряжения.
Сейчас мы рассмотрим электромеханические стабилизаторы напряжения для дома.Их принцип работы основан на регулировании напряжения перемещения щетки по обмотке автотрансформатора.
Непрерывность фазы выходного напряжения обеспечивается конструкцией токосъемника, т.е. щеткой. Ширина щетки равна 2,2 диаметра провода обмотки автотрансформатора, чтобы при переходе с одного витка на другой электрический контакт не терялся.
Достоинства электромеханического стабилизатора напряжения:
- плавное регулирование
- отсутствие помех при работе
- отсутствие искаженной формы
- отсутствие электронных ключей, коммутирующих рабочий ток
- точность удержания выходного напряжения — 220 ± 3% (в отличие от дискретных — 220 ± 7%)
Недостатки электромеханического стабилизатора напряжения:
- необходимо следить за износом щетки
- искрение во время движения щетки по обмотке автотрансформатора
- во время работы двигателя сервопривода слышно гудение
Выводы
Про необходимость установки стабилизаторов напряжения для дома я Вам пояснил.Далее решать только Вам. С типами стабилизаторов я Вас познакомил. Рекомендую Вам приобретать только дискретные или электромеханические стабилизаторы (сам склоняюсь к последним), про феррорезонансный вообще забудьте.
П.С. В следующей статье мы научимся выбирать стабилизатор напряжения по мощности. Покажу Вам пример расчета мощности стабилизатора для своей квартиры. А также поговорим о месте их установки и креплении. Чтобы не пропустить выход новых статей — пройдите подписки.Форма находится в конце каждой статьи и в правой колонке сайта.
zametkielectrika.ru
стабилизатор напряжения 220в своими руками — Меандр — занимательная электроника
Цифровой вольтметр сетевого напряжения на микроконтроллере ATTINY26, содержит 10-разрядный АЦП, трехразрядный светодиодный индикатор с динамической индикацией, линейный стабилизатор 7805, ну еще несколько токоограничительных резисторов. Конечно, большая часть рассыпухи используется для работы безтрансформаторного БП.Ниже приведена схема вольтметра. Детали: все диоды в схеме используются типа 1N4007, но подойдут и любые другие с прямым током от 0,5А…
В статье приведено описание устройства, которое позволяет наглядно с помощью двух светодиодных линеек отображать текущее значение напряжения сети ~ 220 В и тока потребления в контролируемой линии, а также осуществлять звуковую сигнализацию при выходе уровней напряжения и тока за установленные границы. Идея контролирует состояние домашней питающей сети, возникают проблемы, возникающие у многих, особенно после очередной оплаты…
R1, R2, R3 — делители в диапазонах 0-1,2В, 0-12В и 0-120В.Вольтметр индикатор собран на микросхеме LM3914. Ток протекающий через каждый светодиод может достигать 30мА. R4 — регулирует яркость светодиодов. Каждый светодиод имеет шаг 1,2В (в диапазоне 12В). Изменив значения напряжения делителей R1 R2 R3 Вы можете самостоятельно подобрать необходимый Вам диапазон измерения напряжения.
Технические характеристики: Напряжение питания — 10-17 В Шаг индикации напряжения — 0,5 Диапазон измерения напряжения — 10,5-16 В Количество точек индикации — 12 Максимальный ток потребления — 40 мА Устройство представляет собой универсальный линейный индикатор напряжения на базе КР1003ПП1.Сигнал индицируется шкалой из 12 светодиодов, загорающихся последовательно в зависимости от входного напряжения. При использовании…
meandr.org
Подключение стабилизатора напряжения пошаговая инструкция
В зависимости от того, какой стабилизатор напряжения вы выбрали, стоит рассмотреть несколько вариантов подключения. (Меню кликабельно)
Кроме того, важно определиться с местом расположения стабилизатора
За решением бывает так, что в квартире (офисе) есть необходимость подключить только одно-два устройства под стабилизатор, а остальные в таком не нуждаются.
Это случается тогда, когда входящее напряжение в сети незначительно отличается от номинальных 220 вольт и его перепады незначительны (+/- 15 вольт).
В таких случаях действительно нет необходимости подключить полностью весь дом и безопасность плазменный телевизор, спутниковый тюнер или компьютер.
Для подключения по такой схеме необходимо, тем не менее, позаботиться о том, чтобы высокоточная техника (аудио, видеосистемы, ПК) были дополнительно подключены через сетевой фильтр.Это необходимо для того, чтобы эти источники не давали помехи друг на друга, а также чтобы отфильтровать скачки напряжения от сварки во дворе, например.
002 Стоит отметить, что в случае подключения газового котла, необходимо также включить оборудование в схему ИБП — источник бесперебойного питания, обеспечивающий корректную работу даже при отключении электричества. Непосредственно к самому выпрямителю можно подключить мощные токоприемники, такие, как насос, холодильник, микроволновая печь, электродуховка, пылесос, пароварка, утюг.Эти характеристики не требуют особой точности в стабилизации и мало зависит от перепадов напряжения.
Схема подключения всей квартиры через стабилизатор напряжения
Этот способ подключения стабилизатора напряжения наиболее приемлемо для современных квартир и домов.
Выпрямитель в этом случае является первым прибором после электросчетчика и обеспечивает стабильным и ровным напряжением все токоприемники квартиры, дачи или дома.
При таком подключении наиболее правильным считается проведение отдельных линий под разные типы электроприборов.Каждая из линий должна оборудоваться своими пакетниками (освещение, насос, телевизор + аудиосистема, компьютер и т.д.)
Но очень редко на этапе строительства учитывается, какие электроустановки будут происходить в ту или иную розетку, поэтому возникают ситуации, когда с помощью удлинителя удобно подключить маломощную, но точную технику (телевизор, спутниковая антенна) в одну розетку с «грубой» (холодильник, стиральная машина, насос, утюг).
При этом «грубая» техника при включении будет помехи, которую стабилизатор, расположенный на входе в дом, отфильтровать не в состоянии.Поэтому старайтесь избегать таких соседств и подключать такие электроприборы как можно дальше друг от друга.
Если же это невозможно, то перед «точной» техникой должен обязательно стоять сетевой фильтр.
Три фазы
Нередко в помещении заходит не одна, а три фазы. В этом случае нужно подключить один трехфазный стабилизатор напряжения или три однофазных.
, например, мощные электродвигатели, например, такие устройства в быту обычно не используются.
Подключение стабилизаторов к трем фазам
Если же в дом поступает три фазы (380 вольт), то лучше использовать схему из трех стабилизаторов, которая обеспечит качественным, ровным 220 В электричеством всю элетрику в доме.
Более того, даже в промышленных масштабах рекомендуется использовать схему из трех однофазных, т.к. в случае выхода из строя или попросту отключения одного из них, в сети остается 220 вольт, что невозможно при использовании трехфазного — тот попросту отключает электричество полностью.
Поэтому, если в сети преобладают пользователи по 220 вольт, а не по 380 — следует использовать схему из трех стабилизаторов.
Схема подключения на рисунке.
Трехфазный вход имеет четыре провода — один из которых — ноль, является общим для всех трех стабилизаторов в системе, каждая отдельная фаза пропускается через отдельный выпрямитель.
Перепады напряжения негативно сказываются на любой бытовой технике. Особенно это касается высокоточной электроники, регулирующей работу отопительных приборов.
Для того, чтобы выровнять ток в домашних условиях использовать стабилизатор напряжения. В самом простом варианте он работает по принципу реостата повышенного и пониженного сопротивления в зависимости от силы тока. Но есть и более современные приборы, которые в полной мере защищают технику от скачков напряжения. О том, как их сделать и поговорим.
Стабилизатор и принцип его действия
Для более детального понимания работы прибора рассмотрим составляющие электрического тока:
- сила тока,
- напряжение,
- частота.
Сила тока — это количество заряда, которое прошло через проводник за определенное промежуток времени. Напряжение, если объяснять очень просто, эквивалентно понятию работы, которое совершает электрическое поле. Частота — это скорость, с которой поток электронов меняет свое направление. Данная величина характерна исключительно для переменного тока, который циркулирует в электросети. Основное рассчитано на напряжение в 220 Вольт, при этом сила тока должна быть 5 Ампер, а частота 50 Герц.
В большинстве случаев бытовая техника имеет допустимую вилку по каждому из параметров, но любая защита предназначена на то, что условия работы приборов длительное время будут указаны. В нашей же сети колебания тока происходит постоянно. Амплитуда составляет до 2 А по силе тока и до 40-50 В, по напряжению. Частота тока, также отлична от 50 Гц и составляет от 40 Гц до 60 Гц.
Данная проблема связана со многими источниками, но удаленность конечного потребителя от источника электричества.В результате длительной транспортировки и многократной трансформации, ток теряет стабильность. Данный дефект электросетей присутствует не только у нас, но и в любых других странах, которые пользуются электричеством. Поэтому был придуман специальный прибор, позволяющий стабилизировать выходной ток.
Виды стабилизаторов напряжения
Так как ток — это направленное движение частиц, для его использования:
- механический метод,
- импульсный метод.
Механический основан на законе Ома. Такой стабилизатор называется линейным. Он состоит из двух колен, соединенных между собой реостатом. Напряжение подается на одно колено, проходит по реостату и попадает на второе колено, с которого уже и раздается далее. Преимущества данного метода заключается в том, что он позволяет достаточно точно установить параметры выходного тока. В зависимости от предназначения, линейный стабилизатор модернизируют дополнительными запчастями. Стоит отметить, что прибор эффективно справляется со своим входом только в том случае, если разница между входным и выходным током невелика.В противном случае стабилизатор будет иметь низкий КПД. Но даже этого достаточно, чтобы защитить бытовую технику и обезопасить себя от короткого замыкания в случае перенагрузки сети.
Импульсный стабилизатор напряжения основан на принципе амплитудной модуляции тока. Схема стабилизатора напряжения устроена таким образом, что в цепи есть выключатель, который автоматически разрывает цепь через равные промежутки времени. Это позволяет подавать токи частями и равномерно накапливать его в конденсаторе.После того, как он зарядится, уже выровненный ток подается на приборы. Недостаток этого метода в том, что он не позволяет задать определенную. Тем не менее, достаточно часто используют импульсные повышающе-пониженные стабилизаторы, которые оптимально подходят для бытового использования. Они выравнивают ток в пределах чуть ниже или чуть выше нормы. В обоих случаях все параметры тока не выходят за допустимую вилку.
Важно отметить и разделение приборов на:
- стабилизатор напряжения однофазный,
- стабилизатор напряжения трехфазный.
После перераспределения в трансформаторе, выходит трехфазная линия, она как правило идет до распределительного щитка на отдельно взятый дом. Далее от щитка в квартире идут уже стандартные фаза и ноль. Таким образом бытовые приборы рассчитано именно на однофазную сеть. Поэтому в типовых квартирах целесообразно использовать однофазный стабилизатор. К тому же, стоит он в 10 раз дешевле трехфазного, даже если собрать его своими руками.
Стабилизаторы для напряжения дачи могут быть и трехфазными.Особенно актуально это для мощных насосов, культиваторов и тяжелой строительной техники. В таком случае необходимо сделать стабилизатор, рассчитанный на трансформацию тока под конкретный прибор. На практике сделать это достаточно сложно. Поэтому проще взять его в аренду. Использование указанных выше приборов носит временный характер, поэтому смысла тратить время и деньги на трехфазный стабилизатор напряжения нет.
Основные элементы стабилизатора напряжения
Для того, чтобы собрать простой выравниватель тока не требуется ни особых навыков, ни специфических деталей.Стабилизаторы напряжения для дома состоят из:
- трансформатора,
- конденсаторов,
- резисторов,
- диодов,
- провода для соединения микросхемы.
Идеально, если есть старый сварочный аппарат. Переделать его в стабилизатор напряжения очень легко, к том же не понадобится покупать дополнительные запчасти и конструировать корпус для микросхем. Этому вопросу посвящено видео в конце статьи. Но, ненужная сварка — это большая редкость, поэтому рассмотрим создание стабилизатора напряжения с нуля.Так как импульсный стабилизатор не позволяет провести точную настройку параметров, рассматривать будем линейный стабилизатор напряжения.
Изготовление самодельного стабилизатора напряжения
Его основа — это трансформатор. На практике трансформаторы намного меньше, чем массивные будки для выравнивания высокого напряжения, приходящего с электростанции. Они представляют собой две катушки, образующие индуктивную электромагнитную связь. Проявляется ток на одну катушку, заряжает ее, возникает электромагнитное поле.Эта взаимосвязь выражена формулой:
U 2 = № 2 = I 1 U 1 № 1 I 2
- U 1 — напряжение на первичной обмотке,
- U 2 — напряжение на вторичной обмотке,
- N 1 — число витков на первичной обмотке,
- N 2 — число витков на вторичной обмотке,
- I 1 — сила тока на первичной обмотке,
- I 2 — сила тока на вторичной обмотке.
Формула не идеальна, так как позволяет либо снизить напряжение, либо его повышать. В 90% случаев к потребителю доходит ток с напряжением. Поэтому имеет смысл сразу же сделать повышающий трансформатор. Индуктивные катушки к нему продаются в магазинах электротехники либо на любом блошином рынке. Важно отметить, что число витков должно быть не очень 2000 тысяч, так как менее трансформатор будет очень сильно греться и вскоре сгорит. Для того, чтобы выбрать мощность трансформатора, необходимо замерять напряжение в сети.Для расчетов возьмем значение 196 В. Формула приобретает такой вид:
Как видно из формулы, сила напряжения на выходе будет 220х4 / 196 = 4,4 А. Большинство электроприборов допускает вилку в 1 А. Поэтому полученная величина достаточна для нормальной работы техники.
Стабилизатор, энергия в котором увеличивается на заданное напряжение готов. Но, если в сети электрической скачек мощности, то формула примет следующие значения:
Это приведет к поломке электрического электроприборов.
Для устранения данного дефекта воспользуемся законом Ома:
- U– напряжение,
- I– сила тока,
- R– сопротивление.
264 = 4,47хR, R = 264 / 4,47 = 60. Данная формула говорит о том, что в идеале сопротивление всех элементов в системе будет составлять 60 Ом. Если понизить сопротивление, то напряжение уменьшиться:
220 = 4,47хR, R = 220 / 4,47 = 50.
Для изменения сопротивления сети используется прибор, под названием реостат.Естественно, регулировать его вручную достаточно неудобно. Поэтому микросхема-стабилизатор напряжения на которой будет отмечен путь следования электрического тока после выхода из трансформатора.
Самый простой способ — это вывести ток с трансформатора на конденсатор. Желательно использовать 12-16 конденсаторов одинаковой емкости. Это позволит накопить ток и сделать его более однородным. Далее все конденсаторы подключаются к реостату. Сила тока в сети после трансформатора будет в пределах 4,5-5 А, желаемое напряжение составлять 220 В.Следовательно, имеем формулу R = 220 / 4,75 = 46. При усредненных показателях сопротивления составлять 46 Ом.
Для достижения более плавного выравнивания желательно установить несколько параллельных реостатов. Таким образом соединяясь в один поток после конденсаторов, цепь необходимо распределить на 4,6,8 отдельных веток, подключенных к реостатам. При этом следует использовать формулу R / число реостатов. Если делать цепь из 6 реостатов, то согласно представленным данным, каждый из них должен иметь сопротивление в 8 Ом.
После прохождения реостатов, цепь снова собирается в один поток и выводится на диод. Диод подключаемой к обычной розетке.
Все технологии манипуляции к проводу на котором находится фаза, ноль просто пропускаем напрямую к розетке.
Указанный с реостатами является достаточно архаичным. Намного более эффективно использовать вместо них обычное устройство защитного отключения. Ток от трансформатора подается на УЗО, ноль также подключается к УЗО.Далее от него идет выход напрямую к розетке.
В том случае, если напряжение или сила тока возрастут в следствии скачка напряжения, УЗО разомкнет цепь, и бытовая техника не пострадает. В остальное время трансформатор будет качественно выравнивать ток.
При повышенном напряжении понижающий трансформатор. Собирается он по аналогии, за тем исключением, что обмотка на второй катушке должна быть сделана из более толстой проволоки, иначе трансформатор сгорит.
Наиболее эффективно собрать оба трансформатора.Тем более, что есть конструкция понижающе-повышающего типа. В первом случае понадобится ручное переключение провода, во втором — процесс под ред. Как видно, сделать стабилизатор напряжения не сложно, но работа с электричеством предполагает предельный уровень осторожности.
Советы по работе с самодельным стабилизатором напряжения
Важно : описанная схема идеально подходит для постоянных условий, но в электросети достаточно часто случаются перебои и скачки, как вверх, так и вниз.
при сборке стабилизатора напряжения рекомендуем отталкиваться от параметров конкретной техники, т.е .:
- продумать разводку по квартире,
- если ремонта не подлежит, установить удлинители под электрические группы электроприборов со схожими, предусмотренными,
- подключить каждую группу к отдельному стабилизатору.
Любая бытовая техника либо на тыльной стороне, либо в паспорте содержит ведомости о требованиях к электропитанию.Отталкиваясь от конкретной цифр значительно проще эффективный стабилизатор, так как нет необходимости подстраиваться под сеть. Еще один полезный гаджет — это электронный вольтметр. Желательно подключить его в схему стабилизатора для визуального контроля за его работой.
Для корпуса подойдет любой материал кроме дерева. Достаточно часто самодельные стабилизаторы помещают в пластиковые контейнеры для еды.
Изготовление самодельных стабилизаторов напряжения — практика довольно частая.Однако по большей части стабилизирующие электронные схемы, рассчитанные на относительно малые выходные напряжения (5-36 вольт) и относительно невысокие мощности. Устройства используются в составе бытовой аппаратуры, не более того.
Мы расскажем, как сделать мощный стабилизатор напряжения своими руками. В предложенной статье описан процесс изготовления устройства для работы с напряжением сети 220 вольт. С учетом наших советов вы без проблем самостоятельно справитесь со сборкой.
Стремления обеспечить стабилизированное напряжение бытовой сети — явление очевидное. Такой подход обеспечивает сохранность эксплуатируемой техники, зачастую дорогостоящей, постоянно необходимой в хозяйстве. Да и в целом, стабилизация — это залог повышенной безопасности эксплуатации электрических сетей.
Для бытовых целей чаще всего приобретают, автоматика которого требует подключения к электропитанию, насосного оборудования, сплит систем и подобных потребителей.
Промышленная конструкция стабилизатора сетевого напряжения, которую несложно приобрести на рынке. Ассортимент подобного оборудования огромен, но всегда остаётся возможность сделать собственную конструкцию
Решить подобную конструкцию можно разными способами, самый простой из которых — купить мощный стабилизатор напряжения, изготовленный промышленным способом.
Предложений на коммерческом рынке масса. Однако нередко возможности приобретения ограничиваются устройствами или другими моментами.Соответственно альтернативой покупке становится сборка стабилизатора напряжения своими руками из доступных электронных компонентов.
При условии снабания болванами и знаниями электромонтажа, теории электротехники (электроники), разводки и пайки элементов самодельный стабилизатор напряжения можно реализовать и успешно применить на практике. Такие примеры есть.
Примерно так может выглядеть оборудование стабилизации, изготовленное своими руками из доступных и недорогих радиодеталей.Шасси и корпус можно подобрать от старого промышленного оборудования (например, от осциллографа)
Схемные решения стабилизации электросети 220В
Рассматривая возможные схемные решения под стабилизацию напряжения с учётом относительно высокой мощности (не менее 1-2 кВт), следует иметь в разнообразии технологий.
Существует несколько схемных решений, как технологические способности приборов:
- феррорезонансные;
- сервоприводные;
- электронные;
- инверторные.
Какой вариант выбрать, продавать материалы для сборки и навыки работы с электротехническим оборудованием.
Вариант # 1 — феррорезонансная схема
Для самостоятельного изготовления самого пункта схемы схемы видится первый пункт списка феррорезонансная. Она работает на использование эффекта магнитного резонанса.
Структурная схема простого стабилизатора, выполненного на основе дросселей: 1 — первый дроссельный элемент; 2 — второй дроссельный элемент; 3 — конденсатор; 4 — сторона входного напряжения; 5 — сторона выходного напряжения
Конструкцию достаточно мощного феррорезонансного стабилизатора допустимо собрать всего на трёх элементах:
- Дроссель 1.
- Дроссель 2.
- Конденсатор.
Однако простота в данном варианте сопровождается массой неудобств. Конструкция мощного стабилизатора, собранная по феррорезонансной схеме, получается массивной, громоздкой ,ой.
Вариант №2 — автотрансформатор или сервопривод
Фактически речь идет по схеме, где используется принцип автотрансформатора. Трансформация напряжения автоматически осуществляется за счет управления реостатом, ползунок которого перемещает сервопривод.
В свою очередь сервопривод управляется сигналом, получаемым, к примеру, от датчика уровня напряжения.
Принципиальная схема сервоприводного аппарата, сборка позволит создать мощный стабилизатор напряжения для дома или на дачу. Однако этот вариант технологически устаревшей
Примерно по такой схеме используется устройство релейного типа с той лишь разницей, что коэффициент трансформации меняется, в случае надобности, подключением или отключением соответствующего обмоток с помощью реле.
Схемы подобного рода выглядят уже более сложными технически, но при этом не обеспечивает достаточной линейности изменения напряжения. Собрать вручную прибор релейный или на сервоприводе допустимо. Однако разумнее выбрать электронный вариант. Затраты сил и средств практически одинаковые.
Вариант # 3 — электронная схема
Сборка мощного стабилизатора по схеме электронного управления при обширном ассортименте радиодеталей в продаже становится вполне возможной. Как правило, такие схемы собираются на электронных компонентах — симисторах (тиристорах, транзисторах).
Также разработан целый ряд стабилизаторов напряжения, где в качестве ключей используются силовые полевые транзисторы.
Структурная схема модуля электронной стабилизации: 1 — входные клеммы устройства; 2 — симисторный блок управления трансформаторными обмотками; 3 — микропроцессорный блок; 4 — выходные клеммы подключение на нагрузку
Изготовить мощный аппарат полностью под электронным управлением неспециалиста достаточно сложно, лучше.В этом деле без опыта и знаний в сфере электротехники не обойтись.
Под самостоятельное производство рассматривать этот вариант целесообразно, если имеется сильное желание построить стабилизатор, плюс наработанный опыт электронщика. Далее в статье рассмотрим конструкцию электронного исполнения, пригодную для изготовления своими руками.
Подробные инструкции по сборке
Рассматриваемая под самостоятельное изготовление схемы, скорее гибридным способом, так как предполагает использование силового трансформатора совместно с электроникой.Трансформатор в используемом из числа тех, что устанавливаются в телевизорах старых моделей.
Вот такой примерно силовой трансформатор потребуется под изготовление самодельной конструкции стабилизатора. Однако не исключается подбор других вариантов или же намотка своими руками
Правда в ТВ приёмниках, как правило, ставились трансформаторы ТС-180, тогда как для стабилизатора требуется как минимум ТС-320, чтобы обеспечить выходную нагрузку до 2 кВт.
Шаг # 1 — изготовление корпуса стабилизатора
Для изготовления корпуса аппарата подойдёт любой короб на основе изолирующего материала — пластмассы, текстолита и т.п. Главный критерий — достаточность места под размещение силового трансформатора, электронной платы и других компонентов.
Также корпус допустимо изготовить из листового стеклотекстолита, скрепив отдельные листы с помощью уголков или иным способом.
Допустимо подобрать корпус от любого электроники, подходящий под размещение всех рабочих компонентов схемы самодельного стабилизатора.Также корпус можно собрать своими руками, к примеру, из листов стеклотекстолита
Короб стабилизатора необходимо оснастить пазами для установки выключателя, входного и выходного интерфейса, а также других аксессуаров, предусмотренных схемой в качестве контрольных или коммутационных элементов.
Под изготовленный корпус нужна плита-основание, на которое «ляжет» электронная плата и будет закреплён трансформатор. Плиту можно сделать из алюминия, но необходимо предусмотреть изоляторы под крепёж электронной платы.
Шаг # 2 — изготовление печатной платы.
потребуется сначала спроектировать макет на размещение и связку всех электронных деталей согласно принципиальной схеме, кроме трансформатора. Затем по макету размечают лист фольгированного текстолита и рисуют (отпечатывают) на стороне фольгированной трассировки.
Изготовить печатную плату стабилизатора вполне доступными способами можно непосредственно в домашних условиях. Для этого нужно приготовить трафарет и набор средств для травления на фольгированном текстолите
Полученный таким способом печатный экземпляр разводки зачищают, облуживают и производят монтаж всех радиодеталей схемы с пайкой.Так выполняется изготовление электронной платы мощного стабилизатора напряжения.
В принципе, можно использовать сторонние услуги по травным платам. Этот сервис вполне приемлемо по цене, качество изготовления «печатки» выше, чем в домашнем варианте.
Шаг # 3 — сборка стабилизатора напряжения
Укомплектованная радиодеталями плата подготавливается для внешней обвязки. В частности, от платы выводятся линии внешней связи (проводники) с другими элементами — трансформатором, выключателем, интерфейсами и т.д.
На опорную плиту корпуса устанавливают трансформатор, соединяют с трансформатором цепи электронной платы, закрепляют плату на изоляторах.
Пример самодельного стабилизатора напряжения релейного типа, изготовленного в домашней обстановке, помещённого в корпусе от пришедшего в негодность промышленного измерительного прибора
Останется только подключить к схеме внешние элементы, смонтированные на корпусе, установить ключевой транзистор на радиатор, после чего корпусом закрывает собранную электронную конструкцию.Стабилизатор напряжения готов. Можно приступать к настройке с дальнейшими испытаниями.
Принцип работы и тест самоделки
Регулируемая электронная схема стабилизации расширяет мощный полевой транзистор типа IRF840. Напряжение для обработки (220-250В) проходит первичную обмотку силового трансформатора, выпрямляется диодным мостом VD1 и поступает на сток транзистора IRF840. Исток этого же компонента соединен с минусовым потенциалом диодного моста.
Схема принципиальной стабилизирующего блока высокой мощности (до 2 кВт), на основе которой были собраны и успешно используются несколько аппаратов.Схема показала другой уровень стабилизации при установленном напряжении, но не выше
Часть схемы, в которой установлена одна из двух вторичных обмоток трансформатора, образует диодным выпрямителем (VD2), потенциометром (R5) и другими элементами электронного регулятора. Этой частью схемы формируется управляющий сигнал, который поступает на затвор полевого транзистора IRF840.
На случай повышения напряжения питающей сети управляющим сигналом пониженное напряжение затвора полевого транзистора, что приводит к закрытию ключа.Соответственно, при контактах подключения нагрузки (XT3, XT4) возможное повышение напряжения ограничивается. Обратным работает схема на случай понижения сетевого напряжения.
Настройка прибора особой сложностью не отличается. Здесь потребуется обычная лампа накаливания (200-250 Вт), которую следует включить на клеммы выхода прибора (X3, X4). Далее вращением потенциометра (R5) напряжение на отмеченных клеммах доводят до уровня 220-225 вольт.
Выключают стабилизатор, отключают лампу накаливания и включают прибор уже с полноценной нагрузкой (не выше 2 кВт).
После 15-20 минут работы вновь отключают аппарат и производят контроль температуры радиатора ключевого транзистора (IRF840). Если нагреватель радиатора существенный (более 75º), следует подобрать более мощный теплоотводящий радиатор.
Если процесс изготовления стабилизатора показался вам слишком сложным и нерациональным с практической точки зрения, без особых проблем можно найти и приобрести устройство заводского исполнения. Правила и приведены в рекомендуемой статьей.
Выводы и полезное видео по теме
В видеоролике ниже рассматривается одна из конструкций стабилизатора домашнего изготовления.
В принципе, можно взять на заметку этот вариант самодельного устройства стабилизации:
Сборка блока, стабилизирующего сетевое напряжение, своими руками возможна. Это подтверждается многочисленными примерами, когда радиолюбители с небольшим опытом успешно осуществляют (или осуществляют осуществляют схему электроники).
Трудностей с приобретением деталей для изготовления стабилизатора-самоделки обычно не отмечается. Расходы на производство невысоки и естественным образом окупаются, когда стабилизатор вводят в эксплуатацию.
Оставляйте, пожалуйста, комментарии, задавайте вопросы, публикуйте фото по теме статьи в находящемся ниже блоке. Расскажите о том, как собрали стабилизатор напряжения собственными руками. Поделитесь полезной информацией, которая может пригодиться посещающим сайт начинающим электротехникам.
Мастер Винтик. Схема стабилизатора напряжения сети
Стабилизатор представляет собой сетевой автотрансформатор, отводы обмотки которого переключаются автоматически в зависимости от величины напряжения в электросети.
Стабилизатор позволяет поддерживать выходное напряжение на уровне 220V при изменении входного от 180 до 270 V. Точность стабилизации 10V.
Принципиальную схему можно разделить на слаботоковую схему (или схему управления) и сильнотоковую (или схему автотрансформатора).
Схема измерителя управления на рисунке 1. Рольтеля напряжения возложена на поликомпараторную микросхему с линейной индикацией напряжения, — А1 (LM3914).
Сетевое напряжение поступает на первичную обмотку маломощного трансформатора Т1. У этого трансформатора есть две вторичные обмотки, по 12 В на каждую, имеющие один общий вывод (или одна обмотка на 24 В с отводом от середины).
Выпрямитель на диоде VD1 служит для получения питающего напряжения.Напряжение с конденсатора С1 поступает на цепь питания микросхемы А1 и светодиодов оптопар Н1.1-Н9.1. А так же, он служит для получения образцовых стабильных напряжений минимальной и максимальной отметки шкалы. Для их использования используется параметры стабилизатора на УЗ и Р1. Предельные значения устанавливаются подстроечными резисторами R2 и R3 (резистором R2 — верхнее значение, резистором RЗ -нижнее).
Измеряемое напряжение берется с другой вторичной обмотки трансформатора Т1.Оно выпрямляется диодом VD2 и поступает на резистор R5. Именно по уровню постоянного напряжения на резисторе R5 создается оценка степени отклонения сетевого напряжения от номинального значения. В процессе налаживания резистор R5 устанавливают в среднее положение, резистор RЗ в нижнем положении по схеме.
Затем, на первичную обмотку Т1 от трансформатора типа ЛАТР автомобильное повышенное напряжение (около 270 В) и резистор R2 выводят шкалухемы на значение, при котором горит светодиод, подключенный к выводу 11 (временно вместо светодиодов оптопар можно подключить обычные свето-диоды).Затем входное переменное напряжение уменьшают до 190 В и резистор RЗ вывод шкалу на значение, когда горит светодиод, подключенный к выводу 18 А1.
Если вышеуказанные настройки сделать не удается, нужно подстроить немного R5 и повторить их снова. Так, путем последовательных приближений добиваются результата, изменению входного напряжения на 10 В соответствует переключение выходов микросхемы А1.
Всего получается девять пороговых значений: 270В, 260В, 250В, 240В, 230В, 220В, 210В, 200В, 190В.
Принципиальная схема автотрансформатора на рисунке 2. В его основе лежит переделанный трансформатор типа ЛАТР. Корпус трансформатора разбирает и удаляют ползунковый контакт, который служит для переключения отводов. Затем по результатам предварительных измерений напряжений от отводов делают выводы (от 180 до 260 В с шагом в 10 В), которые в дальнейшем переключают при помощи симисторных ключей VS1-VS9, управляемых системой управления посредством оптопара Н1-Н9.Оптопары подключены так, что при снижении показания микросхемы А1 на одно деление (на 10 В) происходит переключение на повышающий (на очередные 10 В) отвод автотрансформатора. И наоборот, увеличение показаний микросхемы А1 приводит к переключению на понижающий отвод автотрансформатора. Подбором сопротивления резистора R4 (рис. 1) устанавливают ток через светодиоды оптопар, при котором симис-торные ключи переключаются уверенно. Схема на транзисторах VТ1 и VT2 (рис. 1) служит для задержки включения автотрансформатора на время, необходимое на завершение переходных процессов в схеме после включения.Эта схема задерживает подключение светодиодов оптопар к питанию.
Вместо микросхемы LM3914 нельзя использовать аналогичные микросхемы LM3915 или LM3916, из-за того, что они работают по логарифмическому закону, а здесь нужен линейный, как у LM3914. Трансформатор Т1 — малогабаритный китайский трансформатор типа TLG, на первичное напряжение 220В и два вторичных по 12В (12-0-12В) и ток 300мА. Можно использовать и другой аналогичный трансформатор.
Трансформатор Т2 можно сделать из ЛАТРа, как описать выше, или намотать его самостоятельно.
Симисторы можно использовать другие, — все зависит от мощности нагрузки. Можно даже использовать в качестве элементов коммутации элекромагнитные реле.
Сделав другими настройками резисторами R2, RЗ, R5 (рис. 1) и, соответственно, другими отводы Т2 (рис. 2) можно изменить шаг переключения напряжения.
Кривошеим Н. Радиоконструктор. 2006г. №6.
Литература:
- Андреев С. Универсальный логический пробник, ж.Радиоконструктор 09-2005.
- Годин А. Стабилизатор напряжения, ж. Радио, №8, 2005
П.С. В нашем «Магазине Мастера» вы можете приобрести готовые модули стабилизаторов, усилителей, индикаторов напряжения и тока, а также различные радиолюбительские наборы для самостоятельной сборки.
Наш « Магазин Мастера «
ПОДЕЛИТЕСЬ С ДРУЗЬЯМИ
П О П У Л Я Р Н О Е:
- Ремонт модуля S20609 в инверторных сварках
В некоторых моделях сварочных инверторов, например Helper Prestige, ProfHelper, BestWeld и др., принадлежащие к условному семейству TECNICA устанавливают залитый эпоксидным компаундом субмодуль блока управления S20609 .
О его ремонте и пойдёт речь в статье, ниже…
Подробнее…
- Самодельный блок питания на LM2576
Блок питания на LM2576-ADJ своими руками
Ранее мы размещали схемы зарядных устройств на 6В и на 12В, собранных на микросхеме LM317. Сегодня предлагаем вариант лабораторного блока питания В.Болдырева на микросхеме LM2576-ADJ. Блок питания обеспечивает плавную регулировку от 1,2 до 34 вольт при токе нагрузки до 3А.
Подробнее…
- Схема миниатюрного электронного балласта на IR53HD420
Электромагнитный ПРА (дроссель-стартер) имеет массу недостатков: надоедливое жужжание, непроизвольные вспышки и частое мерцание, исходящие от светильников использующих ЛЛ.
Развитие электронной промышленности использовать электронные ПРА — электронные балласты .Они обеспечивают новое качество работы люминесцентных ламп и светильников.
Подробнее…
Популярность: 46071 просм.
Стабилизатор напряжения 12 вольт. Применение приборста |
Устройства, называемые стабилизатором, стали самыми востребованными в промышленности и быту. Они прекрасно защищают электрические приборы от перепадов напряжения. Ознакомьтесь, какие преимущества существуют однофазного сетевого стабилизатора.Как смонтировать устройство своими силами и что необходимо знать о стабилизаторах 12 вольт?
Особенности стабилизатора 220 В
Однофазный сетевой стабилизатор напряжения поддерживает уровень напряжения на уровне 220 В, при его скачках в пределах от 110 до 280 В. Создание стабильного качественного напряжения станет залогом долговечной и надежной работы любых электроприборов.
Пример стабилизатора непряжения
Однофазный стабилизатор защищает от перепадов, скачков и других сетевых неполадок различные электрические пользователи.Все что можно отнести к бытовой технике: датчики, контроллеры, промышленные приборы, вентиляция, система отопления, офисное и компьютерное оборудование нуждается в бесперебойном напряжении стабилизатора.
Стабилизатор напряжения в загородном доме, в частном особняке или коттедже. Установка однофазного стабилизатора 220 В поможет обеспечить безопасность и стабильный режим работы электрических приборов, эффективность (КПД) и длительный срок службы.
Причиной перепадов в электричестве сети является распределительная подстанция.В момент ее установки расчетная мощность на каждого была около 4 кВт. Сейчас, с использованием различных электроприборов, это очень мало. Из-за избытка потребления мощности и происходит снижение сетевого напряжения на линии. Чтобы решить проблему стоит установить стабилизатор для сети.
Стабилизатор 220 В позволит забыть о тускло светящихся лампочках, перебоях в работе стиральной машины и избавить вашу технику от дополнительного ремонтного обслуживания.
Важно помнить, что при слишком низком или высоком сетевом номинальной мощности стабилизатора уменьшается.
Изготовление стабилизатора 220 В своими руками
Сборка простого выравнивателя напряжения своими руками не требует особого мастерства и специфических деталей. Стандартное устройство состоит из:
- Диодов.
- Резисторов.
- Конденсаторов.
- Трансформатора.
- Провода, соединяющего микросхемы.
Основой устройства является трансформатор. Данный прибор представляет две катушки, которые образуют индуктивную электромагнитную связь.Это происходит по следующей схеме: сначала ток передается первой катушке, которая заряжает, создает электромагнитное поле. Однако такой принцип работы не идеален, потому что позволяет повышать или понижать напряжение, в большинстве случаев к потребителю подается ток с напряжением.
В связи с этим следует в самом начале сделать трансформатор, который будет его повышать. Для этого необходимо приобрести индуктивные катушки с витков не меньше 2 000.Для определения необходимой мощности трансформатора нужно будет замерить напряжение в сети.
напряжения К примеру, величина средняя 196 В. Тогда необходимо использовать следующим расчетом:
Если 220х2000 / 196 = 2245 — это витков, которые должны быть на второй катушке.
Однако если в сети скачок мощности, то получится таков результат:
Если 236х2245 / 2000 = 264 В. Это может привести к поломке многих электрических приборов. Для того, чтобы такого не произошло, необходимо использовать реостат.
Самым монтажом будет вывести ток с трансформатора на конденсатор. Для этого понадобятся одинаковые 12-16 конденсатора, которые при накоплении тока сделают его однородным. Все конденсаторы следует присоединить к реостату. Таким образом, сила тока будет держаться в допустимых пределах, и напряжение будет составлять 220 В.
Стабилизатор напряжения 12 вольт
Стабилизаторы с выходным напряжением в 12 вольт могут широко распространять радиоэлектронных устройств в виде источника питания логической системы, устройств высококачественного воспроизведения, измерительной техники и другого радиоэлектронного оборудования.
Стабилизатор на напряжение 12 вольт
Внешние элементы стабилизатора 12 вольт могут помочь для ускорения процессов перехода. Входной конденсатор понадобится, если регулятор будет находиться на расстоянии 6 см от конденсатора, который фильтрует источник питания.
К основным характеристикам 12 В стабилизатора можно отнести:
- Внутреннее ограничение тока КЗ.
- Защита выходного транзистора.
- Внутренняя термозащита.
- Нет потребности во внешних компонентах.
- Допустимый выходной ток 1А.
Итог
Однофазный стабилизатор сетевого напряжения 220 В является залогом качественной работы электрических приборов. В любой ситуации, когда сетевое напряжение слабое или наблюдается скачок электроэнергии, сетевой стабилизатор сохраняет стабильную работу электрооборудования.
Это устройство можно просто сделать своими руками. Это не потребует много затрат и времени.Приобретя подходящие элементы и следуя рекомендациям можно собрать стабилизатор напряжения в домашних условиях.
Для светодиодов в авто и других радиоустройствах понадобится стабилизатор 12 вольт. Он сможет обеспечить электропитание различного оборудования и системы.
Рекомендуем прочесть!
напряжения Стабилизатор 220 В для дома, дачи, газового котла
Главная »Электрика» Как выбрать стабилизатор напряжения для частного дома и квартиры
Подаваемая в наши дома электроэнергия не отличается стабильностью.Если частота еще более-менее стабильна, то напряжение «гуляет» в значительном диапазоне. Единственное, что можно с этим сделать — поставить стабилизатор напряжения для дома, квартиры, дачи. Тогда в вашем, отдельно взятом «куске» сети все будет хорошо (если электрический стабилизатор правильно выбрать).
Содержание статьи
Выбор по техническим характеристикам
Чтобы выбрать стабилизатор, сначала определитесь, вы его ставите на весь дом / квартиру или на какое-то определенное устройство (группу устройств).По идее, если есть с напряжением, лучше поставить стабилизатор напряжения для дома на входе, чтобы все устройства возникали гарантированно нормальное напряжение. Но такое оборудование стоит довольно солидных денег — не менее 500 $. Так что расходы немалые. Такой подход оправдан, если броски хорошо, то это — лучший выход, так как техника может выйти из строя.
Локальные и общие стабилизаторы — первое с чем надо определиться
Если напряжение «гуляет» в небольших пределах и большая часть техники работает нормально, а проблемы есть только у какой-то части более чувствительной аппаратуры, имеет смысл поставить локальные стабилизаторы — на электрические линии или на отдельные устройства.
По количеству фаз
Питание в доме может быть однофазным и трехфазным. С однофазными (на 220 В) все ясно: нужен однофазный стабилизатор. Если в доме три фазы, есть варианты:
- Если есть аппаратура, которая подключается сразу к трем фазам, то стабилизатор напряжения для дома нужен трехфазный.
Схема подключения стабилизатора к однофазной цепи
- Если аппаратура подключается только к одной из фаз, нужны однофазные стабилизаторы на каждую из фаз.Причем как нагрузка обычно распределена мощность неравномерно.
На трехфазные цепи можно поставить три однофазных
Выбрать стабилизатор для напряжения для дома или дачи по этому принципу несложно. Но определиться надо обязательно.
Выбор мощности
Чтобы выбрать стабилизатор напряжения для дома, первым делом надо рассчитать его мощность. Проще всего ее определить по автомату, который стоит на доме или линии.Например, входной автомат стоит на 40 А. Рассчитываем мощность: 40 А * 220 В = 8,8 КВа. Чтобы агрегат не работал на пределе возможности, берут запас по мощности 20-30%. Для данного случая это будет 10-11 КВа.
Выбор мощности стабилизатора зависит от суммарной мощности сети или подключаемых к нему приборов
Также рассчитывается мощность локального стабилизатора, который ставим на отдельный прибор. Но тут в расчет берем максимальный потребляемый ток (есть в характеристикам).Например, это 2,5 А. Далее считаем по описанному выше алгоритму. Но если в оборудовании есть мотор (холодильник, например), то надо пусковые токи, которые в разы превышают нормативные. В этом случае рассчитанные параметры умножают на 2 или 3.
При подборе мощности не путайте кВА с кВт. Если коротко, то 10 кВА при наличии на нагрузке емкостей и индуктивностей (то есть для реальных сетей практически всегда) не равны 10 кВт. Цифра реальной нагрузки меньше, насколько меньше — зависит от коэффициента индуктивности (может также быть в характеристиках).Под конкретный прибор рассчитать все просто — надо умножить на коэффициент, а вот для сети все сложнее. Просто если видите цифру в кВА, берите запас порядка 15-20%. Примерно такова реактивная составляющая в среднем.
Точность стабилизации
Точность стабилизации показывает, насколько «ровным» будет напряжение на выходе. Приемлемым считается + -5%. С таким допуском нормально работает отечественная техника, а вот для импортной надо лучше стабилизированное напряжение. Итак, все стабилизаторы, имеют точность меньше + -5% — это замечательно, все что хуже — лучше не покупать.
Точность стабилизации — один из первых параметров, на которые надо обратить внимание
Диапазон входного напряжения: предельный и рабочий
В характеристиках есть две строчки: предельный диапазон входного напряжения и рабочий. Это две разные характеристики, которые отображают разные параметры устройства. Предельный диапазон — это тот, при котором устройство будет хоть как-то корректировать напряжение. Оно не всегда вытянет его до нормы, но хотя-бы не отключится.
Предельный диапазон указывает не всегда, но есть рабочий
Рабочий диапазон входного напряжения — это, как раз, устройство должно выдавать заявленные параметры (с той самой точной стабилизации).
Нагрузочная и перегрузочная способность
Очень важная характеристика, которую надо обязательно обращать внимание. Нагрузочная способность показывает какую нагрузку может «потянуть» стабилизатор напряжения для дома при работе на нижней границе.Есть такие модели, которые выдают заявленную мощность на 220 В. То есть тогда, когда она совсем не нужна. А вот на нижнем пределе в 160 могут работать только с половинной нагрузкой. Результат — при пониженном напряжении он может перегореть. Даже если вы взяли его с запасом мощности.
Нагрузочную и перегрузочную способность надо искать дополнительно. Обычно в технических характеристиках ее нет
Перегрузочная способность не менее важна. Она показывает, как долго может он работать с превышением нагрузки.Параметр важен даже если оборудование вы брали с хорошим запасом по мощности. По этому параметру можно опосредованно определить качество деталей и качество сборки. Чем выше перегрузочная способность, тем более надежно оборудование.
Виды, плюсы, минусы
Стабилизаторы есть напряжения разных видов, делают их из компонентов разного типа — электромеханических, электронных. Часть из них имеет электро-механическое управление, часть-электронное. Чтобы иметь представление о достоинствах и недостатках.
Видов и типов стабилизаторов напряжения для дома много….
Электронные (симисторные)
Собираются на симисторах или термисторах. Имеют несколько ступеней регулировки, которые подключаются / отключаются в зависимости от входного напряжения. Переключение может происходить при помощи электронного ключа (работает бесшумно, но это более дорогие модели) или электронного реле (при срабатывании есть звук).
К плюсам электронных стабилизаторов относительная скорость реакции (время включения одной ступени около 20 мсек).Электронные ключи срабатывают очень быстро, подключая нужное количество ступеней коррекции или отключая их. Второй положительный момент — тихая работа. Шуметь тут нечему — работает электроника.
Сравнение типов основных стабилизаторов
Минусы тоже есть. Первая — низкая точность стабилизации. В этой категории вы не найдете моделей, которые выдают напряжение с погрешностью менее 2-3%. Это просто невозможно, так как регулировка ступенчатая и погрешность довольно высока.Второй недостаток — высокая цена. Симисторы стоят немало, а их количество, сколько ступеней. То есть, чем больше ступеней и в большей точности, тем дороже будет оборудование.
Электромеханические
Собираются на основе электромагнитной катушки, по которой бегает бегунок. Положение бегунка изменяется при помощи мотора или реле. Плюс электромеханического стабилизатора — невысокая цена и высокая точность стабилизации. Недостаток — низкое быстродействие — параметры меняются медленно.Второй минус — довольно громкая работа.
Аппараты с мотором работают тише, но корректировка происходит медленно. Среднее время реакции — 20 В за 0,5 секунды. При резких скачках аппарат просто не успевает напряжение напряжение. Есть у стабилизаторов этого типа еще одна неприятность — перенапряжение. Возникает, в той ситуации, когда ранее упавшее напряжение резко приходит в норму. Стабилизатор не успевает среагировать, в результате на выходе имеем скачок, прием бывает он до 260 В, а это губительно для техники.Для того чтобы избежать подобной ситуации, на выходе ставят защиту по напряжению (автомат по напряжению), который просто отключает питание.
Электро-механические — недорогие, надежные, но с малой скоростью коррекции
Если электромеханический стабилизатор напряжения для дома собран на основе реле, время срабатывания меньше, но при работе они шумят, да и регулировка не плавная а ступенчатая. Это значит, что они имеют более низкую точность стабилизации. Зато нет перенапряжения и нет необходимости думать о дополнительной защите.Чтобы эти устройства не путаться, эти устройства называют релейные стабилизаторы именно так, они обеспечивают в большинстве случаев.
Есть и еще один не самый приятный момент у электромеханических стабилизаторов напряжения для дома или квартиры: они быстрее изнашиваются, требуют регулярной профилактики (раз в пол года).
Феррорезонансные
Это самые громоздкие из стабилизаторов. Имеют малое время отклика, высокую надежность и стойкость к помехам. Коэффициент стабилизации среднего (порядка 3-4%), что неплохо.
Ферро-резонансные стабилизаторы напряжения не слишком популярны из-за больших габаритов и массы
Но на выходе напряжение имеет искаженную форму (не синусоида), работа зависит от изменения частоты в сети, отличается большой массой и габаритами. Обычно используется как ступень стабилизации, если одним добиться нормального напряжения не получается.
Инверторные
Это один из электронных видов приборов, но его работа и внутреннее устройство очень сильно отличаются от указанных выше, потому что эта группа описана отдельно.
В инверторных стабилизаторах напряжения происходит двойное преобразование сначала переменный ток превращается в постоянный, затем обратно в переменный, подается на корректор коэффициента мощности, где и происходит его стабилизация. В результате получаем идеальные синусоиду со стабильными регулируемыми.
Блок-схема инверторного стабилизатора напряжения
Инверторный стабилизатор напряжения для дома это, пожалуй, лучший на сегодня выбор. Вот его плюсы:
- Широкий рабочий диапазон стабилизации.Нормальный показатель — от 115-290 В.
- Малое время отклика — задержка составляет несколько миллисекунд.
- Высокая точность стабилизации: средние показатели в классе 0,5-1%.
- На выходе идеальная синусоида, что важно для некоторых видов техники (газовых котлов, например, стиральных машин последнего поколения).
- Подавление помех любого характера.
- Небольшие размеры и масса.
По цене это не самое дорогое оборудование — они стоят примерно столько же, сколько и релейные и почти в два раза ниже электронного.При этом качество преобразования у инверторных агрегатов намного выше.
Российский производитель ШТИЛЬ выпускает инверторные стабилизаторы напряжения для дома и дачи
Недостаток у этого оборудования один: при работе элементы сильно греются. Для охлаждения в корпус встраиваются вентиляторы, которые издают негромкое жужжание. Если стабилизатор напряжения выбирает для квартиры, ставят его обычно в коридоре, так что шум может быть слышен. В частных домах возможностей по выбору места установки больше, так что вполне реально найти такое, где шум мешать не будет.
Какой стабилизатор лучше
Говорить от том, что какой-то тип стабилизатора лучше, что-то хуже не имеет смысла. У каждого есть свои достоинства и недостатки, каждый в какой-то ситуации, под требования — лучший выбор.
Давайте рассмотрим типичные ситуации, когда многие сталкиваются:
- Скачки по питанию частые, резкие. Напряжение то падает, то становится выше необходимого. Для такой ситуации необходимо высокое быстродействие и отсутствие возможности перенапряжения.Такими свойствами обладают электронные и инверторные стабилизаторы.
- Напряжение в сети часто понижается, до нормы практически не дотягивает. Тут важен диапазон рабочий диапазон. Из недорогих моделей подходят электромеханические и релейные, из более дорогих все тот же инверторный.
Чтобы проще было выбрать, какой стабилизатор лучше
- Купили новую технику, а она не хочет работать, выдает ошибку по питанию. Лучший вариант тут — инверторный агрегат Он не только напряжение дотянет, но и синусоиду выдаст идеальную, а это для электроники важно.
Ситуаций на самом деле очень много. В любом случае подбирать тип стабилизатора напряжения для дома надо использовать их существующую проблемы. Далее уже в выбранной категории выбирать по параметрам.
Выбор производителя и цены
Самое непростое — выбрать производителя. Стазу стоит сказать, что китайские агрегаты лучше не рассматривать. Даже с теми, которые китайские только наполовину (с введенным в поднебесную производством и головным офисом в другой стране) надо быть очень аккуратными.Качество не всегда стабильно.
Советы по выбору стабилизатора
Если не важна внешняя составляющая, обратите внимание на стабилизаторы российского или белорусского производства. Это Штиль и Лидер. Вполне приличные агрегаты, с не очень хорошим дизайном, но со стабильным качеством.
Если вам нужна идеальная аппаратура, ищите итальянские ORTEA. У них и качество сборки, и внешний вид на высоте. Также неплохие отзывы у РЕСАНТА. Их товар оценивают на 4-4,5 по пятибалльной шкале.
Несколько примеров стабилизаторов разного типа мощностью 10-10,5 кВт с характеристиками и ценами в таблице. Смотрите сами.
Название Тип Рабочее входное напряжение Точность стабилизации Тип размещения Цена Оценка пользователей по 5-балльной шкале При числе RUCELF SRWII-12000-L релейный 140-260 В 3,5% настенный 270 $ 4,0 RUCELF SRFII-12000-L релейный 140-260 В 3,5% напольное 270 $ 5,0 Энергия Гибрид СНВТ-10000/1 гибридный 144-256 В 3% напольное 300 $ 4,0 на выходе идеальная синусоида, защита от короткого замыкания, от перегрева, от повышенного напряжения, от помех Энергия Voltron PCH-15000 релейный 100-260 В 10% напольное 300 $ 4,0 RUCELF SDWII-12000-L электромеханический 140-260 В 1,5% настенное 330 $ 4,5 РЕСАНТА ACH-10000/1-ЭМ электромеханический 140-260 В 2% напольное 220 $ 5.0 РЕСАНТА LUX АСН-10000Н / 1-Ц релейный 140-260 В 8% настенное 150 $ 4,5 синусоида без искажений
замыкания
от искажений перегрева, от повышенного напряжения, от помех РЕСАНТА ACH-10000/1-Ц релейный 140-260 В 8% напольное 170 $ 4.0 синусоида без искажений
Защита от перегрева, от короткого замыкания повышенного напряжения, от помех Otea Vega 15.10.07 электронный 187-253 В 0,5% напольное 1550 $ 5,0 Штиль R 12000 электронный 155-255 В 5% напольное 1030 $ 4,5 Штиль R 12000C электронный 155-255 В 5% напольное 1140 $ 4.
Важно : описанная схема идеально подходит для постоянных условий, но в электросети достаточно часто случаются перебои и скачки, как вверх, так и вниз.
В некоторых моделях сварочных инверторов, например Helper Prestige, ProfHelper, BestWeld и др., принадлежащие к условному семейству TECNICA устанавливают залитый эпоксидным компаундом субмодуль блока управления S20609 .
О его ремонте и пойдёт речь в статье, ниже…
Подробнее…
Блок питания на LM2576-ADJ своими руками
Ранее мы размещали схемы зарядных устройств на 6В и на 12В, собранных на микросхеме LM317. Сегодня предлагаем вариант лабораторного блока питания В.Болдырева на микросхеме LM2576-ADJ. Блок питания обеспечивает плавную регулировку от 1,2 до 34 вольт при токе нагрузки до 3А.
Подробнее…
Электромагнитный ПРА (дроссель-стартер) имеет массу недостатков: надоедливое жужжание, непроизвольные вспышки и частое мерцание, исходящие от светильников использующих ЛЛ.
Развитие электронной промышленности использовать электронные ПРА — электронные балласты .Они обеспечивают новое качество работы люминесцентных ламп и светильников.
Подробнее…
Схема подключения стабилизатора к однофазной цепи
На трехфазные цепи можно поставить три однофазных
Чтобы проще было выбрать, какой стабилизатор лучше
замыкания
от искажений перегрева, от повышенного напряжения, от помех
Защита от перегрева, от короткого замыкания повышенного напряжения, от помех


Принцип работы устройства заключается в осуществлении двух процессов:
Изучаем наш рейтинг популярных моделей и выбираем лучший для вашего дачного участка. Приятного чтения!
Но мы, как правило, выбирая, смотрим лишь на привычные критерии: качество и цена.