Столбчатый фундамент под каркасный дом своими руками – Столбчатый фундамент под каркасный дом своими руками
Столбчатый фундамент для каркасного дома своими руками
Сейчас каркасные дома создаются почти во всех климатических поясах. Благодаря незначительному весу строения при его возведении используется основание с небольшой несущей способностью. Простым вариантом является столбчатый фундамент.
Преимущества и возможные недостатки фундамента столбчатого типа
Столбчатое основание является упрощённой разновидностью свайного фундамента. Конструкция представляет собой сеть опор, установленных по периметру стен и в местах наибольших нагрузок. Максимальный шаг между опорами составляет 2.5 м. Все столбы объединяются между собой ростверком (горизонтальной обвязкой). Столбчатые фундаменты для каркасных построек используются 2-х видов: монолитно-бетонные (изготавливаются путём заливки в опоры) и сборные (сооружаются из готовых блоков или камней). Несмотря на то, что конструкция сооружается без сплошной заливки бетоном всего периметра, такие фундаменты обладают рядом достоинств, делающих конструкцию надёжной и долговечной.

Столбчатый фундамент для каркасного дома
Преимущества столбчатого фундамента:
- Обходится дешевле ленточных аналогов;
- Можно изготовить самостоятельно;
- Быстро возводится;
- Для его сооружения не нужна тяжёлая техника;
- Легко ремонтируется;
- Столбы можно устанавливать в любое время года, включая зиму.
К недостаткам конструкции можно отнести большое количество ручной работы (если нет бурильной техники) и необходимость дополнительного утепления полов, так как каркасное строение практически висит в воздухе.
Подготовка к изготовлению
На подготовительной стадии следует выяснить размеры будущего строения, нагрузку на фундамент вышестоящих конструкций и несущую способность грунта. Перед возведением каркасного дома можно самостоятельно выполнить исследование почвы. Для этого необходимо пробурить несколько ям на участке. Глубина скважины — ниже 50 см подошвы фундамента. Таким способом определяется тип грунта и отсутствие водоносных слоёв.
Характеристика грунтов:
- Скальные — почвы с высоким содержанием камня или гравия, отличаются крепким основанием, хорошо удерживают нагрузку, не собирают воду.
- Крупные пески — представляют собой крепкое основание с низкой пучинистостью.
- Мелкопесчаные — плохо подходят для строительства, так как отличаются высокой пучинистостью. Они собирают воду в верхних слоях и выталкивающим образом действуют на фундамент.
Расчёты глубины и количества столбов
Столбчатые основания бывают заглублёнными (для водонасыщенных и глиняных грунтов) и малозаглублёнными (для скальных и песчаных почв с низким уровнем залегания грунтовых вод). Высота заглублённого фундамента зависит от средней глубины промерзания почвы в вашей местности. Подошва такого основания должна располагаться ниже этого уровня на 30–50 см. Перед началом работ следует рассчитать нагрузку дома, для этого суммируется вес стен, перекрытий, кровли и масса фундамента.
Если наклон ската составляет более 60 градусов, снеговая нагрузка равна 0.
Для определения веса железобетонного столбчатого фундамента нужно его объем умножить на удельный вес железобетона (2500 кг/м³). Для подсчёта веса одного столба используется следующая формула: V=3,14*G²*h. V — объем столба, G — радиус столба, h — высота столба. Все величины указаны в метрах. Полученную величину нужно умножить на количество столбов, и у нас получится общий объем фундамента.
Несущая способность разных грунтов (в кг/см²):
Если нагрузка на почву превышает несущую способность грунта на участке, нужно увеличить количество столбиков.
Выбор материала и расчёт количества
Для устройства столбчатого фундамента используются разные материалы:
- Дерево — весьма недолговечный материал, даже при обработке защитными составами прослужит не более 20 лет.
- Каменные столбы — обычно возводятся из бута или гранитных камней. Отличаются долговечностью и надёжностью. Недостаток — массивность и трудоёмкость при постройке.
- Монолитные бетонные столбы.
Для того чтобы рассчитать количество бетона на столбчатый фундамент можно воспользоваться следующей таблицей:
Число из таблицы нужно умножить на длину столба (в метрах) и количество опор.
Арматура для столбчатого основания используется рифлёная, класса А, диаметром 10–12 мм. Металлические прутья нужны той же длины, что и опоры. Для столба диаметром 10–14 мм понадобится 4 прутка арматуры. Их размещают на расстоянии 10 см друг от друга и перевязывают через полметра гладкой и более тонкой арматурой диаметром 6 мм. Таким образом, для двухметрового столба понадобится 8 м толстой и 1,2 м тонкой арматуры. Полученные цифры умножаем на количество опор и получаем метраж необходимой для столбчатого основания арматуры.
Необходимые инструменты
Перед началом строительства необходимо подготовить следующие инструменты:
- Бетономешалка;
- Лопата;
- Рулетка;
- Уровень;
- Гвозди и саморезы;
- Молоток;
- Шнур;
- Колышки;
- Ручной бур;
- Мастерок;
- Трубы или доски для опалубки.
Пошаговая инструкция по созданию фундамента своими руками

Разметка участка
Перед началом работ производится разметка — по углам будущего здания вбиваются колышки и натягивается шнур. На этом этапе обязательно нужно провести проверку диагоналей. Они должны быть одинаковыми. Далее на всей площади удаляется мусор и растительный слой и намечаются места установки столбов.
Выкапывание ям и гидроизоляция

Бурение ям под столбчатый фундамент
Для фундамента из монолитного бетона или асбестовых труб удобно использовать мотобур. Ямы могут быть как прямыми, так и с расширением в нижней части. Более широкая подошва увеличит несущую способность основания и повысит его устойчивость к пучению. Теперь необходимо сделать гидроизоляцию фундамента. Для этого в каждую яму следует опустить трубу из рубероида или полиэтилена. Верхние края гидроизоляции необходимо прижать к почве камнями или присыпать землёй.
Создание опалубки и установка арматуры

Опалбука из труб для столбчатого фундамента
В готовые скважины устанавливается опалубка их асбестовых или металлических труб (несъёмная) или досок (съёмная). Затем в каждый котлован вставляется арматура диаметром 10–14 мм (как минимум по 4 шт.). Горизонтальные перемычки изготавливают из более тонких прутьев по 6 мм.

Установка арматуры в скважины для столбов
Все столбы должны быть установлены таким образом, чтобы ростверк получился строго горизонтальным. Для этого выбирается начальная точка и далее с помощью уровня отмечается высота каждой опоры.
Заливка бетоном и ростверк

Установка опалубки для ростверк
Для возведения столбчатых фундаментов можно использовать бетон М200. Заливка производится слоями по 20–30 см, каждый участок тщательно утрамбовывается. Бетон заливается без перерывов, чтобы не допустить образования поперечных швов. После высыхания столбов устанавливается ростверк. Для его изготовления поверх столбов устанавливается горизонтальная опалубка по всему периметру фундамента. Затем укладывается каркас из арматуры и заливается бетон. Стандартные размеры ростверка 2,5–2.5 м (ширина и высота).
Видео: заливка столбчатого фундамента бетоном
Столбчатый фундамент — одно из самых простых и экономичных решений для каркасных строений, которое вполне посильно воплотить самостоятельно. Пользуйтесь нашими советами и удачной вам работы!
Оцените статью: Поделитесь с друзьями!postroika.biz
Устройство столбчатого фундамента своими руками для каркасного дома
Каркасный дом на столбчатом фундаментеВозвести столбчатый фундамент своими руками для каркасного дома вполне возможно и доступно. Такой вариант основания считается недорогим и традиционным видом фундаментов малоэтажного строительства. Нельзя сказать, что эту конструкцию просто построить из подручных материалов. Прежде чем определиться с выбором вида опорной несущей конструкции дома – фундамента, надо учесть категорию грунтов под основание, просчитать нагрузку от стен и крыши, выполнить грамотную разметку. Устройство несущего основания здания – это, прежде всего грамотный расчет, правильный подбор материалов и последовательное выполнение технологического процесса строительства.
Особенности столбчатых фундаментов
Дом каркасного типа относится к классу зданий облегченной конструкции с характерными точечными нагрузками на фундамент. Обычно в таких домах не предусматривается строительство подвала и поэтому выбор столбчатого фундамента в качестве несущего основания будет целесообразным и экономичным.
Деревянный столбчатый фундаментНапример, при строительстве деревянного дома под несущие деревянные балки или брусья устраиваются отдельные столбы, которые и будут воспринимать нагрузку от их веса. Если строительство каркасного дома производиться в местности, где основным строительным материалом будет дерево, то возможно устройство столбчатого фундамента из древесины. Обрезки диаметром от 15 до 30 см комлевой части бревен из сосны или дуба подойдут для фундамента в виде «стульев», устанавливаемых в вертикальном положении в открытый котлован.
Характерной особенностью столбчатого фундамента является то, что точечная нагрузка от веса конструкции дома, передается на отдельные столбы фундамента, а не на бетонную ленту, как у ленточной конструкции основания.
Способ возведения столбчатых фундаментов
В строительстве столбчатые фундаменты устраивают следующими способами:
- Монолитный. Конструкция представляет собой вид бетонного столба с армированием пространственным металлическим каркасом, состоящим из четырех рабочих прутов из арматуры диаметром от 10 до 18 мм и распределительной из гладкотянутой металлической проволоки диаметром 5 или 8 мм. Монолитный столбчатый фундамент обладает достоинствами железобетонных конструкций с высокими техническими показателями по прочности и надежности.
- Сборный. Строительным материалом для сборного столбчатого фундамента служит кирпич, легкобетонные камни (шлакоблок или бетонит), бутовый камень, железобетонные блоки. Такой фундамент возводится быстро и не требует многочисленных затрат на опалубку, арматуру как для монолитного фундамента. К недостаткам относится наличие многочисленных швов соединения материалов, что приводит к ослаблению конструкции.
Виды столбчатых фундаментов
Главными факторами при расчете нижней отметки залегания столбчатого фундамента считается определения класса грунта, уровня промерзания и наличие грунтовых вод на строительной площадке.
В зависимости от этих показателей, конструкции фундаментов можно условно разделить на следующие виды:
- Заглубленный с подошвой нижней отметки больше глубины промерзания грунтов на 500 -1000 мм. Рекомендуется для строительства фундаментов на глинистых грунтах с большим количеством грунтовых вод, способных размыть основание.
- Фундамент с мелким заглублением в грунт на 400 -700 мм. Естественно, на таком участке не должно быть грунтовых вод.
Независимо от типа возведения и материала возведения столбчатый фундамент рекомендуют устанавливать на песчаную подготовку.
Существует такая закономерность: чем больше заглубление основания фундамента, тем меньше толщина песчаной подушки. При мелком заглублении фундамента толщина песка составляет до 500 мм, а при заглубленном — 200-250 мм.
Видеоинструкция по устройство столбчатого фундамента:
Как правильно сделать столбчатый фундамент
Для того, что бы правильно обустроить столбчатый фундамент для каркасного дома, рекомендуется произвести расчет его параметров и составить исполнительную схему расположения отдельно стоящих столбов. Располагают элементы фундаментов по углам и под несущими конструкциями каркасного дома с таким расчетом, чтобы допустимое расстояние между столбами не превышало 2 или 2,5 м. Желательно за расчетом обратиться к специалисту — архитектору для грамотного сбора действующих нагрузок на фундамент и привязки конкретных условий участка под застройку.
Подготовительные работы
Снятие растительного слоя перед устройством столбчатого фундаментаНа планируемом участке под установку столбчатого фундамента каркасного дома снимается плодородный почвенный слой и выполняется разметка ям для размещения отдельно стоящих столбов. Забиваются колышки, и по единому горизонтальному уровню натягивается веревка или шнур.
Пересечение шнура укажет на расположение центров столбов фундамента. Выкапываются на расчетную глубину ямы с некоторым запасом для устройства дренажной и песчаной подушки, а также для монтажа опалубочной системы. Извлеченный из траншеи грунт убирается с территории постройки, чтобы после первого дождя площадка под застройку не превратилась в глиняное месиво.
Важно тщательно измерить диагонали между колышками — верхние отметки будущих столбов должны быть в единой плоскости с минимальным перекосом в 1 см. Лучше всего использовать для этих целей длинную рейку с уровнем или строительный лазерный уровень.
Инструкция по устройству монолитного столбчатого фундамента
Возведение столбчатого монолитного фундамента выполняется в несколько этапов:
- После разметки места положения фундаментов производятся земляные работы по выкапыванию траншеи под каждый отдельно стоящий столб.
- Дно траншея тщательно защищается, подсыпается песок на толщину до 100мм.
- Песчаную подушку необходимо пролить водой и аккуратно уплотнить. После высыхания песка приступают к установке опалубки.
- По проектному размеру столба фундамента устанавливается съемная или неразборная опалубка из подручных материалов: доски, фанеры, пенополистирола, металлических щитов.
- Опалубка надежно укрепляется, что бы при заливке бетоном опалубочная конструкция не развалилась и не расползлась. Профессиональные строители советуют стены опалубки дополнительно герметизировать пленкой ПВХ, чтобы не протекала бетонная смесь через щели.
- Если есть необходимость армирования, то в опалубку вставляется пространственный арматурный каркас или длинные анкерные болты для последующей фиксации обвязки фундамента.
- При затвердении бетонной смеси меняется цвет бетона с темно – серого на светлый цвет. Такое изменение цвета говорит о том, что бетон набрал 70% проектной прочности и пора снимать опалубку.
Монолитные столбы фундаментаПосле снятие опалубки конструкцию фундамента следует обмазать смолой или битумом, чтобы исключить попадания капиллярной влаги. Рекомендуется обратную засыпку столбов фундамента выполнять глиной с тщательной послойной утрамбовкой.
При возведении столбчатого фундамента под каркасный дом своими руками следует помнить, что производить работы следует только в теплое время года до первых заморозков. Если это обязательное требование будет нарушено, тогда конструкция фундамента будет уложена на промерзшее грунтовое основание и, следовательно, фундамент при размораживании грунтов просто разрушится.
Инструкция по устройству сборного столбчатого фундамента
Каркасный дом может устанавливаться на сборном столбчатом фундаменте. Технология его устройства намного проще, чем устройство монолитного фундамента. Если в качестве материала используется кирпич – железняк, то при его кладке существует несколько тонкостей:
- Устройство таких фундаментов возможно на сухих грунтах без горизонтальных подвижек.
- Нижний ряд кирпича укладывается на песчаную подушку, или на бетонную подготовку.
- Стандартная ширина кирпичных столбов составляет 250 х 250 мм или 380 х 380 мм. Желательно каждый 5 ряд армировать металлической гладкотянутой проволокой диаметром 5 или 8 мм, или арматурными стержнями из рифленой стальной арматуры диаметром до 10 мм.
Столбчатый кирпичный фундаментПри устройстве кирпичной кладки следует пользоваться строительным уровнем, чтобы стены получились строго вертикальными. Швы между кладкой можно не заделывать, так как обязательно будет производиться оштукатуривание кирпичных поверхностей столбов.
Столбчатый фундамент из мелких бетонных блоков
Намного быстрее можно построить столбчатый фундамент из бетонных блоков размером 200 мм х 200мм и высотой 400 мм. Технология укладки блоков аналогична с технологией кирпичной кладки. Особенностью устройства блочных столбов является необходимость выполнения обмазочной битумной гидроизоляции боковых поверхностей и прокладочной гидроизоляции из рубероида в 2 слоя нижнего бетонного блока. Монтируются бетонные блоки на цементно-песчаном растворе, швы между ними заполняются раствором.
Для возведения каркасного дома столбчатый сборный фундамент из бетонных блоков будет идеальным решением.
Видеопример устройства столбчатого фундамента:
Укрепление столбчатого фундамента ростверком
Укрепить столбчатый фундамент можно с помощью ростверка. Ростверк — верхняя часть фундамента, равномерно распределяющая действующую нагрузку несущих элементов каркасного дома. Обычно выполняется в виде железобетонной, металлической или деревянной рамы. Ростверк и отдельно стоящие столбы связывают и создают единую фундаментную замкнутую систему, увеличивающую прочность и надежность фундаментов.
Вид ленточно-столбчатого фундаментаПри этом значительно снижается риск опрокидывания отдельных столбов или отклонение по вертикали при горизонтальном движении грунтов. На смешанных грунтах, когда один столб опирается на песчаный грунт, а другой – на глинистый, возможно появление перекосов всего здания и появление трещин на стенах здания, поэтому устройство ростверка на таких грунтах будет обязательным условием обеспечения надежности основания дома.
Ростверком можно выровнять ошибки при возведении отдельных столбов с неодинаковыми верхними уровнями.
Материалы для изготовления
Целесообразно применять ростверк для монолитных и сборных конструкциях фундаментов. Если дом каркасного типа выполнен из деревянных конструкций, то в таком случае нижний венец деревянного будет выполнять функцию ростверка.
В строительстве различают два вида ростверка: верхний и с нижним расположением. Верхний ростверк располагается выше отметки уровня грунта, а низкий ростверк непосредственно над землею. Для создания ростверка используется, как правило, железобетонные или бетонные монолитные фундаментные балки. Древесина или металл используются гораздо реже.
Монолитный бетонный ростверк представляет собой висячую конструкцию, опирающуюся на верхнюю часть столбчатого фундамента. В строительстве применяется два варианта создания подобной конструкции: опалубка с дном на верхнем уровне столбов и опалубка по высоте столбов до уровня поверхности земли.
Пустое пространство между нижним основанием ростверка и землею засыпается сухим песком. В обоих случаях внутренняя часть опалубочной системы закрывается слоем гидроизоляционного рулонного материала насухо. Опалубку устанавливают на 5 см выше предполагаемого уровня бетона. Для каркасного дома высота высокого ростверка составляет 25 см или 30 см, низкого – 50 см при ширине от 25 до 40 см в соответствии с сечением столбов.
Армирование монолитного ростверкаАрмирование монолитного ростверка
Воспринимать нагрузку в теле монолитного бетонного ростверка будет пространственный арматурный каркас. Изготовление арматурного каркаса выполняют в следующей последовательности:
- Заготавливаются четыре стержня стальной арматуры периодического (рифленого) профиля диаметром от 10мм до 18 мм равными по длине монолитной балки ростверка.
- Для создания пространственной конструкции заготавливаются хомуты в виде отдельных стержней равных по ширине и высоте ростверка. В качестве хомутов применяется стальная гладкая проволока диаметром 5мм или 8 мм.
- С помощью вязальной проволоки арматурные стрежни связываются в единый каркас, в котором четыре стрежня большего диаметра будут выполнять функцию рабочей арматуры, а хомуты будут монтажной или распределительной арматурой. Монтажная арматура устанавливается в каркасе с шагом от 200мм до 400мм.
- При установке каркаса важно не забывать о необходимости создания защитного слоя между арматурным каркасом и стенками опалубки не менее 30 мм. Для этой цели используют самодельные металлические изделия или специальные пластиковые подставки.
В опалубке устанавливают закладные детали из подручных материалов (обрезки пластиковых или металлических труб) для организации продухов и для крепления нижней обвязки ростверка.
Заполнение бетоном ростверка
После монтажа арматурного каркаса приступают непосредственно к заполнению опалубки бетонной смесью. Бетон заливают равномерно, не допуская образования пустот и полостей в теле монолитного ростверка. При бетонировании желательно применять строительный вибратор или, в его отсутствии, длинный обрезок арматурного стержня или совковую лопату. Бетонную смесь аккуратно разравнивают по заранее отмеченному горизонтальному уровню.
Выполнить столбчатый фундамент своими руками можно не только с помощью указанных в статье методов. Домашние мастера – умельцы, могут использовать для столбчатых фундаментов небольших каркасных домиков разнообразные металлические или асбестовые трубы. Можно выбрать комбинированный способ сочетания разных материалов при возведении отдельных столбов.
kakfundament.ru
Столбчатый фундамент своими руками для каркасного дома: как сделать
Столбчатый фундамент своими руками для каркасного дома делается просто и обойдется экономно. Сооружается он из различных наиболее доступных стройматериалов.
Столбчатый базис – это сеть опорных столбов, устраиваемых по периметру несущих стен, с укладкой на них нижней обвязки строения, возводимого по каркасной технологии.
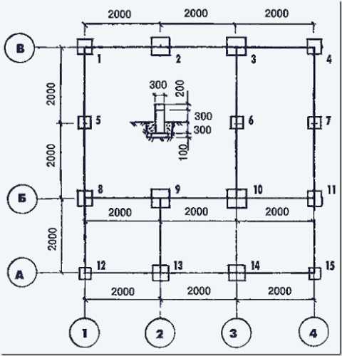
Опоры размещают в местах самых сильных нагрузок: в углах, при сопряжении стеновых перекрытий, под пролетами от 2,5 м.
Межопорное расстояние и сечение опор рассчитывается заранее и зависит от их вида, материала их изготовления, конструкции возводимого строения и его веса.
В основном эти параметры: межопорное расстояние 1,5-2,5 м, а сечение для прямоугольных опор 25-40х25-40 см, круглых – 20-25 см. Его наземная часть должна выступать на более, чем на 50 см, а высота подземной части – зависимая переменная от глубины заложения.
Верхние опорные основания располагаются горизонтально в одной плоскости, что важно для варианта без ростверка. В этом случае нижняя обвязка монтируется по столбам.

Для этого перед началом возведения базиса строительным уровнем размечается верхняя отметка каждой опоры, а после их водружения проверяется это условие на соблюдение и корректируется.
Содержание статьи
Преимущества опорного фундамента
Данный вариант не подразумевает обустройство подвала и не предназначен для участков с плывучими, насыщенными водой, грунтами.
Среди его достоинств следует отметить:
- Время высыхания и усадки намного меньше, чем для ленточного типа;
- Нет необходимости в использовании габаритной строительной техники и в найме многочисленных рабочих;
- Вдвое дешевле ленточного типа;
- Возможность возведения каждой основы отдельно;
- Все сезонность работ;
- Возможность ремонта и замены основания.

Виды столбчатого базиса
Основания различаются параметрами, сечением опор, материалом и процессом их изготовления, а также глубиной их закладки. Опоры бывают с прямоугольным, квадратным и круглым сечением.
Материал их изготовления:
- Бетон или железобетон;
- Бутобетон;
- Бут;
- Кирпич;
- Блоки.
По методу возведения классифицируют на монолитные, благодаря бетонной заливки в опалубку, и сборные из готовых блоков, кирпичей или бута.

По глубине заложения бывают:
- Заглубленные основания с их закладкой на глубину промерзания пучинистой почвы;
- Мелкозаглубленные с закладкой на 0,5 – 0,7 глубины промерзания слабо- и непучинистой почвы, где половина — это песчано-гравийная воздушная насыпь;
- Незаглубленный столбчатый фундамент под каркасный малоэтажный дом своими руками с подошвой вровень с земной поверхностью на песчаной подушке на слабо- или непучинистой почве.
Подготовка участка под строительство
Участок готовится на 2–3 м больше площади сооружения по всему его периметру. Участок расчищают от мусора и больших камней. Верхняя почва убирается на 30 см.
Производится выравнивание площадки, засыпка ям и избавление от бугров. Горизонтальность и ровность участка проверяется уровнем.
Нюансы использования показаны в видео:
Перенос чертежа будущего строения на подготовленный участок и разметка столбовых опор требует терпения, знаний и мастерства. Копание лопатой обеспечит большую точность.
Экскаватором лучше воспользоваться для подготовки общей ямы. Ее размеры сооружаются больше в глубину на 30 см и на 40 см в ширину, чем сам столб. Отверстия под асбестовые трубы сверлятся буром вручную. Вертикальность ям при этом соблюдается.

Подошва базиса
Для домов, возводимых по каркасной технологии, будет достаточно выполнить дно на песчано-гравийных почвах, засыпать его мелкофракционным щебнем, утрамбовать и залить цементным раствором на 20 см.
Установка опалубки или первого блока делается на еще не вполне высохшей подбетонке.
Для глинистой почвы готовится песчаная подушка в ширину больше базиса на 40 см. Песок с гравием укладывают, постоянно поливая, и трамбуют. Ее толщина — 25 см.

Укладка блоков производится сразу на подушку, которая для монолитного варианта покрывается гидроизоляционным материалом, чтобы подушка не вбирала жидкость из бетона.
Сооружая опалубку, применяют влагоустойчивую фанеру, железные листы и пластиковые панели. Либо же выбираются узкие и сырые доски, чтобы не впитывалась жидкость из раствора.
При плотной и сухой почве стенки траншеи не обсыпаются и их закрывают рубероидным материалом от просачивания жидкости из раствора в землю. После рубероид не убирается и служит гидроизоляцией столбов.

Более быстро и дешево получится опалубка из рубероида. Из него делается трубка с сечением равным опорам, которая скрепляется скотчем. Она устанавливается вертикально и фиксируется деревянными планками.
Армирование и бетонирование
Армирование основания производится 4-мя стержнями из стали на 10–12 мм. Каждые 25 см они перехватываются проволокой от расхождения арматурных прутьев в стороны. Дно опалубки цементируется толщиной 15 –20 см.
До схватывания цементного раствора в его центр устанавливают сердечник из трубы, а каркасную основу с армирующими стержнями от 2 см от стенок опалубки.

Бетонный раствор из песка, гравия и воды слой за слоем наливается по 30 см и делается плотным методом штыковки гладким армирующим стержнем. Закончив заливку, измеряют по уровню монтажный горизонт.
Выравнивание высоты производится смесью в пропорциях часть цемента на 2-е песка.
Гидроизолирование и ростверк
После снятия опалубки столбчатый фундамент своими руками для каркасного дома происходит гидроизоляция рубероидным материалом, стекловолокном, горячей смолой или жидким стеклом. Далее засыпают пустоты вокруг основания глиной, утрамбовывая прослойки по 30 см.
Ростверк — соединяющий верхушки опор пояс, делается для жесткости основания. Но для деревянных домов, сооружаемых по каркасной технологии, нет необходимости в его обустройстве.
Посмотрите видео, чтобы ознакомиться с порядком заливки столбчатого фундамента и использованием ростверка:
Функцию устойчивости базиса прекрасно выполняет брусовая обвязка. Расстояние от земляного покрова до обвязки — от 50 см. Таким образом половые лаги, при наличии работающей вентиляции, будут всегда сухими.
sdelai-fundament.ru
Столбчатый фундамент для каркасного дома своими руками, расчет глубины
Каркасные дома в последнее время набирают большую популярность у населения, поскольку являются надежными конструкциями, не имеющими большого веса, и обладающие другими преимуществами. Но любое здание, даже каркасное, должно иметь под собой правильно возведенный и надежный фундамент.
Особенно если его можно сделать своими руками и сэкономить на этом значительные средства. Если исходить из таких соображений, то идеальным вариантом будет столбчатый фундамент, который не только прослужит долго, но и его можно легко ремонтировать без особого труда.
Преимущества столбчатого фундамента
Несмотря на то, что столбчатый фундамент для каркасного дома, не предусматривает сплошную заливку бетоном всего периметра основания дома, он обладает рядом достоинств, который делает всю конструкцию долговечной и надежной, а его преимущества состоят в следующем:
- Он не требует длительного высыхания, поэтому может быть смонтирован своими руками за один сезон.
- Для его сооружения не нужна специальная габаритная техника, и большое количество строителей.
- Экономит значительное количество финансовых средств.
- Столбчатый фундамент, под любое здание можно сооружать в любое время года, и даже зимой.
- Его легко ремонтировать и даже производить замену некоторых элементов.
Именно эти преимущества, и подталкивают владельцев будущих каркасных домов, останавливать свой выбор на столбчатом фундаменте, который можно легко соорудить своими руками, не привлекая много работников, и экономя на этом деньги.
На что необходимо обратить внимание перед расчетом
Кроме этого, перед тем, как начать производить какие либо расчеты будущего каркасного здания, его этажности и площади, нужно знать дополнительную полезную информацию о правильности планирования такого типа фундаментов.
- Столбы такого фундамента должны находиться не только под каждым углом периметра здания, но и в тех местах, где будет происходить пересечение несущих стен и внутренних перекрытий. Нарушение этого правила, может привести к непредсказуемым последствиям, поэтому при расчете количества столбов это нужно учитывать;
- Расстояние между столбами по расчету, должно не превышать 2 – 3 метра, и не зависит от количества этажей сооружаемого каркасного здания;
- Идеальным вариантом для каркасного дома будет сборный столбчатый фундамент, изготовленный своими руками из готовых столбов, либо заливной монолитный, также сооруженный самостоятельно. Эти две разновидности обладают повышенной прочностью, и выдержат любую каркасную конструкцию, даже если она будет в несколько этажей;
- Если каркасный дом будет иметь легкий вес, то можно обойтись незаглубленным столбчатым фундаментом, где сваи сооружаются на глубине не более 40 – 50 сантиметров, либо малого заложения, где бетонные столбы вкапываются на глубину 70 сантиметров, не зависимо от расчета свойства почвы и глубины ее промерзания;
- Оптимальным решением для столбчатого фундамента своими руками будут монолитные столбы сечением 400 х 400 миллиметров, либо бетонные блоки имеющие габариты 200 х 200 х 400 миллиметров.
Разобравшись в технических характеристиках столбчатого фундамента, и его особенностей, можно переходить к процессу его расчета и последующего сооружения своими руками.
Порядок и пример расчета изложен здесь.
Подготовка территории под столбчатый фундамент своими руками
Самое первое, с чего нужно начинать, это конечно с подготовки участка под сооружение фундамента своими руками, и расчета периметра будущего здания. Условно это можно разделить на несколько этапов.
Важно сделать чертеж будущего дома, где изобразить общие размеры строения, места расположения несущих и внутренних стен, их пересечения. Это необходимо для того, чтобы рассчитать необходимое количество столбов, и их расстояние между собой.
Когда чертеж готов, необходимо приступать к подготовке участка. По общим правилам, расчищается земля под строительство дома на расстояние большее на 2 – 3 метра, чем периметр дома. Чтобы правильно подготовить землю, необходимо сделать следующее: убрать весь мусор, который есть, затем снимается из расчета порядка 30 сантиметров верхнего слоя почвы. Полученная площадка должна быть выровнена с помощью длинной доски и монтажного уровня, если есть какие то углубления или бугры, то первые засыпаются землей, а вторые сравниваются с помощью лопаты, далее необходимо сделать площадку горизонтальной.
После этого можно приступать к следующему этапу.
Разметка под фундамент
На этом этапе происходит общая разметка под фундамент, выкапываются ямы под столбы. Можно использовать веревки, которые натягиваются по периметру. Этому необходимо уделить особое внимание, так как не правильная разметка может привести к нарушению всей конструкции. Когда все размечено, перепроверено можно переходить к следующему виду работ.
Это кропотливая работа, по рытью ям под столбчатый фундамент. Если выбор пал на асбестовые трубы, то ямы под них можно сделать простым садовым буром. Если столбы будут монолитными, либо будут изготавливаться наливным способом, то понадобится лопата. Общие правила для скважин под такой фундамент следующие:
- глубина траншеи должна быть на 30 сантиметров глубже столба, и шире на 40 сантиметров;
- расчет общей глубины скважины под столб должно происходить с учетом общего веса конструкции дома, и нагрузки на один квадратный сантиметр, для этого придется обратиться за помощью к специалистам, или использовать справочники, чтобы высчитать такие нагрузки, и общий вес конструкции.
Подошва под столбчатое основание каркасного дома
Когда ямы готовы, можно начинать работы по создание подошвы фундамента своими руками, здесь необходимо придерживаться общих правил:
- Если почвенный слой плотный, то дно ямы выравнивается, и засыпается слоем гравия, самой мелкой фракции, толщиной 2 сантиметра, и плотно утрамбовывается.
- Затем замешивается бетонный раствор, и заливается на дно, его слой не должен превышать 20 сантиметров.
- Если устанавливаются бетонные блоки, из которых будут собраны столбы, то первый блок ставится на не успевший затвердеть слой бетона в скважине, а затем ставятся последующие блоки, то же делается с асбестовыми трубами и опалубкой под самодельные заливные столбы, а затем происходит заливка бетоном.
Если почва глинистая, либо состоит из слежавшегося песка, то после выравнивая дна траншеи, достаточно создать песчаную подушку, путем засыпания речного песка слоем в 5-10 сантиметров и поливания его водой для утрамбовки. Без бетонного раствора, слоем в 10 – 20 сантиметров также не обойтись, так как это обязательное требование для любого грунта.
Установка столбов
Далее переходим к установке столбов, которых может быть три вида:
- монолитные, которые изготовлены промышленным способом;
- созданные с помощью асбестовых труб;
- наливные, изготовленные своими руками при помощи опалубки.
В первом случае, они устанавливаются на не успевший затвердеть подушечный бетонный слой, и по краям засыпаются гравием, который утрамбовывается. Для надежности можно скрепить все это жидким цементно-песочным раствором.
Во втором случае, в асбестовые трубы необходимо будет заливать бетон, поэтому труба после установления на влажную цементную подложку, сразу начинает заливаться бетоном. Пространство вокруг засыпается щебнем мелкой фракции, который трамбуется, и глиной для большей надежности.
В третьем случае, делается опалубка. Если выбор падает на деревянную, то доски нужно смочить водой, чтоб они не тянули жидкость из бетона, и не ослабляли его. Если опалубка сделана из металла, то ничего смачивать не нужно.
Таким образом, будут делаться все столбы указанного фундамента. В целом ничего сложного нет. Не забудьте про утепление столбчатого основания, чтобы предотвратить выдавливание столбов пучением грунта.
Видео: утепление пеноплексом столбчатого фундамента веранды бани
Столбчатый фундамент под каркасный дом: полезные советы
Первый совет можно дать касательно глубины погружения столбов. Некоторые рекомендации были даны выше, но также следует учитывать и промерзание почвы. Если брать во внимание качество грунта и его промерзаемость, можно взять за основу расчеты, установленные в различных техниеских справочниках. Используйте утеплитель.
Важно! При возведении основания обязательно произвести работы по гидроизоляции и утеплению фундамента.
Чтобы грунт, не тянул воду из залитого бетона, это касается и создания подложки, поверх утрамбованного щебня или песка, кладутся куски рубероида. Это важно и для боковых поверхностей скважины, если наливные столбы делаются без опалубки. В таком случае большинство специалистов вообще рекомендуют сделать опалубку из листов рубероида, которые скрепить между собой скотчем, или промышленным степлером.
Все столбы должны стоять вертикально, и выставляться только по уровню. Как видно из данной публикации, создание столбчатого фундамента, требует определенных знаний. Но если все сделать по правилам, то это идеальный вариант под любой каркасный дом при минимальных затратах.
fundamentclub.ru
Столбчатый фундамент для каркасного дома своими руками: пошаговая инструкция
Основой любого строения является фундамент. С его возведения начинается строительный процесс и от него зависит надежность будущего дома. Оптимальным вариантом станет столбчатый фундамент для каркасного дома своими руками. Изучив тонкости монтажного процесса, можно самостоятельно возвести основание будущей постройки.
Общее описание столбчатого фундамента
Изготовление столбчатого основания для щитового дома не требует наличия специального образования и больших финансовых затрат. При его монтаже используются доступные материалы. Он состоит из опорных столбов, устанавливаемых по периметру несущей конструкции, сверху которых изготавливается нижняя обвязка будущего строения.
Чтобы основание было надежным, необходимо заранее сделать необходимые расчеты, включающие в себя расстояние между столбами и их диаметр. Эти показатели напрямую зависят от веса каркасного дома, но средние значения составляют:
- Расстояние между опорами 150-250 см;
- Сечение прямоугольных столбов 25*25-40*40 см;
- Диаметр круглых опор от 20 до 25 см;
- Высота, возвышающаяся над уровнем грунта до 50 см;
- Длина подземной части – в зависимости от глубины закладки.
Если технологией строительства фундамента не предусмотрено наличие ростверка, верхние части столбов должны располагаться строго по одной горизонтальной линии.
Плюсы и минусы столбчатого основания
При монтаже столбчатого типа основания не используется бетонная заливка, однако это не влияет на количество преимуществ конструкции:
- Экономичнее других видов фундамента;
- Возможность самостоятельного монтажа;
- Легко и быстро возводить;
- Не требует привлечения специальной техники;
- Можно делать в любой сезон.
Среди недостатков можно отметить необходимость дополнительной теплоизоляции пола и трудоемкость.
Виды конструкций
Столбчатое основание классифицируется по площади, форме опор, глубине заложения, используемому материалу и технологии. В качестве материала для столбов может применяться:
- Блоки;
- Кирпич;
- Железобетон или бетон;
- Бут или бутобетон.
Это показатель зависит от веса готового строения, типа почвы и глубины монтажа. При обустройстве может быть выбран монолитный вариант (требуется устройство опалубки) или сборный.
После выполнения необходимых расчетов по глубине заложения, предстоит выбирать один из видов:
- Незаглубленный фундамент: самый экономный вариант, при котором основание столбов не закапывается в грунт, а располагается на подушке из песка. Подходит для одноэтажных каркасников;
- Мелкозаглубленное основание используется при строительстве на слабопучинистом или непучинистом грунте. В этом случае столбы закапываются в землю не более чем на 70 см выше уровня промерзания. Недорогой и быстровозводимый фундамент, подходящий для многоэтажных каркасных домов;
- Заглубленный вид основания выбирается при наличии глинистой или пучинистой почвы и высоко расположенных грунтовых водах. Монтажный процесс заключается в углублении опор ниже уровня промерзания, требует специальных расчетов, больших финансовых и трудовых затрат.
Чтобы жилая конструкция имела длительный эксплуатационный срок, глубина заложения должна производиться с учетом всех необходимых требований.
Подготовка к возведению столбчатой основы
Возведение фундамента возможно только после тщательного выполнения подготовительных работ, которые включают в себя:
- Расчет прочности;
- Приобретение инструментов и материалов;
- Составление плана, схемы и чертежа.
Чтобы качественно произвести необходимые расчеты, выполнить чертеж и перенести его на местность, потребуется произвести анализ грунта, измерение уровня протекания грунтовых вод и учесть давление, которое будет оказываться на основание. На данном этапе не стоит экономить и нанять специалистов в этой области.
Расчистка участка
Перед тем, как начать строительство каркасного дома, необходимо тщательно подготовить и расчистить территорию. Если почва на участке состоит из песка и камней, никаких дополнительных мероприятий не требуется. В том случае, когда под верхним слоем находится глинистый грунт, необходимо в ямы под будущие опоры насыпать смесь из песка и щебенки.
На этом этапе необходимо выполнить разметку: вбить колышки на углах будущего здания и натянуть шнур крест-накрест. Диагонали должны строго совпадать. Закончив мероприятия по подготовке территории, можно доставить материалы и инструменты на место строительства.
Пошаговая технология изготовления
Последовательное выполнение этапов монтажа поможет установить надежный и долгосрочный каркас:
- Разбиваем оси стен будущего фундамента и проверяем диагонали, что бы углы получились под углом 90 градусов.
- Выкапывается траншея под размеры монолитного ростверка.
- Монтаж опалубки. Для этого потребуются доски с влажностью до 25%, обструганные с одной стороны. Ширина досок 10-15 см, толщина 3-4 см. Ими выкладываются стены ям, гладкой стороной внутрь.

- Копка ям под столбы. Делаются скважины на глубину 1,2 м ниже глубины промерзания почвы, что бы при зимнем пучении почвы фундамент не выдавливало и его параметры оставались согласно проекту, в результате чего дом не будет перекошен. Требуемая глубина ям указывается при создании чертежа. При параметре до 100 см необходимости в дополнительном укреплении нет. Если глубина ям больше этого показателя, дополнительно изготавливается опалубка. Если строительство выполняется с использованием круглых опор, в качестве несъемной опалубки применяются трубы из асбестоцемента или металла с диаметром от 10 см. Также используется рубероид.

- Укладываем пенопласта, небольшой плотностью, не превышающий 15-20 кг. на м3. Это делается для противодействию морозному пучению на ростверк. В результате чего, когда будет пучение, грунт сомнет пенопласт и давления на ростверк не будет, что сохранит его проектные характеристики.
- Армирование. Этот этап необходим при большой массе будущего каркасного дома. Для этого в опорные столбы устанавливается армированный прут (диаметр 1-1,2 см) и заливается раствором из бетона. Если технологий предусмотрено наличие ростверка, прутья должны быть выше столбов на 20 см для будущей обвязки.

- После установки арматуры, следует заливка бетонного раствора на предварительно засыпанную песчаную подушку (20 см). Для этого изготавливается смесь из одной части цемента (марка М 400-500), трех частей песка и пяти частей щебенки. Тщательно перемешанный раствор заливается в подготовленные ямки частями (по 30 см), утрамбовывая каждый слой. К дальнейшим работам можно приступать через месяц (время полного застывания раствора). Залитый бетон следует произвести вибрирование, что бы из него вышел воздух.

- Ростверк. Этот этап не обязателен, но наличие ростверка увеличить прочность основания. Для этого по периметру монтируется опалубка, укладывается армированная сетка и заливается бетонный раствор. Ширина ростверка должна равняться ширине опорных столбов, а ее высота составлять 25 см.
- Забирка. Это дополнительная стена, которая защитит нижний этаж дома от холода и сырости. Для этого по периметру дома надо выкопать траншею с глубиной в 30 см и шириной в 15 см, далее залить бетонной смесью и выложить стену из кирпича или блока, оставляя по два вентиляционных отверстия с каждой стороны дома 15*15 см. Ростверк с забиркой в каркасном доме образуют цоколь.

Стоит знать!!! Все коммуникационные линии необходимо провести до изготовления забирки. После выполнения вышеперечисленных работ можно приступать к возведению жилого дома.
Видео: Как правильно залить столбчатый фундамент для каркасника
Возможные ошибки
Во время монтажа могут быть нарушены некоторые нормы и допущены ошибки:
- Неправильно рассчитанная глубина заложения столбов;
- Заглубление опорных столбов на разную глубину;
- Неправильный расчет нагрузки, при котором давление на столбы неравномерное;
- Низкое качество строительных материалов;
- Неверное определение типа грунта;
- Ростверк устанавливается на непросохший фундаментный столб.
Чтобы этого избежать, необходимо скрупулезно отнестись к подготовительному этапу строительства и строго следовать технологии.
Более детальная информация по теме:
fasad-prosto.ru
Постройка столбчатого фундамента своими руками для каркасного дома

Прежде всего: фундамент – это строительная несущая конструкция, которая воспринимает все нагрузки от вышележащих конструкций здания и распределяет их по основанию (Википедия).
Исходя из этого – очевидно, что выбор типа и расчет любого фундамента начинается с анализа того, что мы будем на него водружать, и какое основание под это сооружение мы имеем. С первым разобраться просто: сложить вес всех материалов, которые мы собираемся применить при строительстве нашего каркасного дома, добавить приблизительный вес всей мебели и существенной утвари, и приплюсовать процентов 20 на вас и ваших гостей с гирями в кармане и штангой на плечах. Итого: дом на 100 квадратов примерно будет весить 11 – 12 тонн со всеми снеговыми, ветровыми и прочими нагрузками. При этом давление на грунт будет менее 2 кг/см2. Расчет примитивный, но очень близкий к реальному. Во всяком случае, достаточный для того, чтобы понять, что требования к геометрической точности вашего фундамента должны быть значительно выше, чем к выдерживаемой им массе.

Для особо дотошных можем порекомендовать поработать со справочниками, рекламируемыми в интернете, и получить раза в три завышенную расчетную массу дома и потратить кучу лишних денег на возведение могучего фундамента. Для остальных – выбрать один из видов надежных, проверенных фундаментов и, следуя несложной инструкции, приступать к делу. Сразу оговоримся, что речь идет о центральных и южных регионах России. Очевидно, что Заполярье продиктует свои условия, но только для отдельных видов фундаментов.
Самые простые фундаменты
Дело в том, что сама конструкция каркасного дома предусматривает такую его стойкость к воздействию самых пугающих внешних факторов, что требования к фундаменту сводятся к основной функции – препятствовать заглублению под собственным весом, что обеспечивается суммарной площадью опор. Ну и глобальному сдвигу, который может привести к порыву подземных коммуникаций. Порой основание под таким домом может глобально разрушиться, а сам дом при этом не разрушается.

Для начала поговорим о возведении самых простых сооружений каркасного типа, не требующих устройства традиционного и дорогостоящего фундамента. К таким сооружениям относятся:
- беседки;
- хозпостройки;
- бани;
- МАФы – киоски, небольшие придорожные торговые точки;
- бытовки для рабочих;
- малые дачные домики прочее.
Особенно, если планируемый срок службы этих сооружений не превышает двух-трех десятков лет и в них не планируется подводка иных коммуникаций, кроме электричества, смело рассматривайте один из таких вариантов фундамента:
- на скатах, заполненных песком;
- на брусах или железобетонных ригелях;
- на деревянных сваях.
А если у вас возникнут сомнения, то можем напомнить, что на сваях из лиственницы построены Венеция и Санкт-Петербург. Влага этому дереву только придает плотности. Тысячелетняя венецианская свая превратилась в камень. Если решитесь, послушайте совет: не бетонируйте, засыпьте пространство вокруг такой сваи мелкой щебенкой и хорошо утрамбуйте.
В любом случае сделайте мощную, хорошо скрепленную обвязку, а в случае монтажа домика на брусах или железобетонных ригелях, закрепите их длинными анкерами, вбитыми в землю под углом. И обязательно помните об антисептической обработке.
Плавающие фундаменты
Описанные выше способы монтажа каркасного дома на брусах и ригелях, также можно отнести к так называемым «плавающим фундаментам», но такое название принято применять к монолитной железобетонной плите, используемой в качестве фундамента под дом.

Плавающими они называются потому, что всей плоскостью принимают на себя силы, возникающие при морозном пучении. Поэтому при подводке воды и монтаже канализации мы можем порекомендовать выполнить это в обсадных трубах большого диаметра с применением компенсаторов возможных деформаций.

Саму же плиту, кроме армирующего пояса, необходимо снабдить гидроизолирующим слоем и утеплить, уложив в ее пирог вспененный полистирол 100мм или полиуретан 75мм. Возможно также использование полистиролбетона марки D-400 — D-500 с укрепляющей бетонной стяжкой по верху толщиной 50 – 60мм. После выравнивания цементно-песчаными наливными составами такое основание будет готово к укладке финишного покрытия.
Ленточные фундаменты для каркасных домов
Обычно, при сооружении каркасников на непучинистых и слабопучинистых грунтах, используют мелкозаглубленные ленточные фундаменты шириной от 200 до 400 мм (в зависимости от веса дома) с заглублением в землю на 400 – 600 мм.

В таком фундаменте необходимо сделать достаточное количество вентиляционных отверстий для беспрепятственной циркуляции воздуха, а ленту армировать пространственным армопоясом. И поскольку ее поведение зимой будет близко к поведению плитного основания, воду, газ и канализацию заводить в дом с учетом этого фактора.

Главное для фундамента под каркасный дом, особенно, если он будет собираться из панелей типа SIP и им подобных, четкое соблюдение горизонтальности и габаритных разметов. Как просто этого достичь будет описано ниже. Делать же ленточные фундаменты с залеганием ниже глубины промерзания для каркасных домов просто нецелесообразно.
Фундаменты на винтовых сваях
В последнее время все большую популярность приобретают фундаменты на винтовых сваях. Собственно говоря, именно развитие каркасного домостроения и послужило этому причиной. Эти две строительные технологии, как нельзя более, подходят друг другу.
Прочный и стойкий пространственный каркас фундамента на винтовых сваях также позволяет решить ряд вопросов, которые до этого либо не решались вообще, либо их решение было столь дорогостоящим, что делало нерентабельным всю затею. К примеру, возведение жилого дома на болотистой местности или на участках с очень высоким уровнем грунтовых вод, или же вообще на воде. Площадь опоры винтовой сваи достаточно велика, а необходимое количество рассчитать не составляет труда.
Труд, причем достаточно нелегкий, составляет сам монтаж, а точнее – ввинчивание свай в землю. Даже на достаточно легких грунтах это сделать не так уж просто без спецтехники, поэтому немногие берутся за выполнение этих работ. А привлечение фирм, занимающихся монтажом винтовых свай, радикально удорожает весь проект.
Поэтому, если условия позволяют вам выполнить простой столбчатый фундамент или фундамент типа ростверк, делайте их.
Столбы фундамента каркасного дома
Столбчатые фундаменты по своей сути напоминают фундаменты на винтовых сваях, только более простые при изготовлении своими руками.

Столбчатый фундамент
для пристройки
- Рассчитываем суммарную площадь опоры для нашего дома и делим на 314 см2. Получаем количество столбов, которые уверенно понесут на себе наш дом. Почему так? Нормальный диаметр бура 200мм. Меньше – маленькая площадь опоры, больше – тяжело работать. Ручной ли это бур, или мотобур – не важно.
- Размечаем участок, исходя из необходимого количества столбов с увеличением их количества до равномерной заполняемости периметра под будущим домом.
- Бурим на глубину промерзания + минимум 100мм.
- Нарезаем асбестоцементную или канализационную трубу диаметром 200мм на отрезки требуемой длины из расчета: желаемая высота цоколя минус высота нижней обвязки плюс 200-300мм.
- Выставляем трубы строго по уровню и бетонируем их, армируя либо шпильками 12- 16мм (при невысоком цоколе), либо шпильками и дополнительно арматурой.
- Устройство нижней обвязки из бруса, обработанного антисептиком и уложенного на столбы через 2 слоя рубероида, и будет завершающим этапом по изготовлению столбчатого фундамента каркасного дома.

Можно, при наличии свободных денег, опускать опалубочные трубы на всю глубину бурения. Также можно использовать металлические трубы меньшего диаметра, устанавливаемые на 200 мм выше дна ямы под столб. При этом площадь опоры остается неизменной, а за счет большей жесткости металлической сваи можно сэкономить на бетоне. Трубы нужно прокрашивать, а шпильки резать пополам.

К этому остается добавить, что нижняя обвязка может одновременно служить основой половой плиты.
Ростверк
Наиболее продвинутым во всех отношениях для каркасного домостроения является фундамент типа ростверк. Он соединяет в себе преимущества и относительную дешевизну мелкозаглубленного ленточного и свайного фундаментов, хотя, что естественно, и дороже их.
В принципе, он представляет собой армированную бетонную ленту (фактически – ригель) водруженную на свайный фундамент. При этом сама лента может быть как заглублена на незначительную глубину, так и находиться над поверхностью грунта, но в этом случае, не менее чем на 100 мм от его верхней точки. Во втором варианте можно не делать в ней вентиляционных отверстий.
И напоследок, пару добрых советов:
- разметочные шнуры крепите не только за границей будущего фундамента (как показано на 3-ем фото выше), но и выше его уровня на величину заранее заготовленного шаблона, чтобы не оборвать при монтаже опалубки, и чтобы поместились ее верхние соединительные рейки;
- при такой схеме, вы сможете просто решить самые неприятные задачи монтажа опалубки.

Доска нижней обвязки обрабатывается праймером, оборачивается слоем рубероида и выставляется четко по уровню. Бетон заливается по ее верхнему краю. При этом сами щиты опалубки не нужно скрупулезно выравнивать по высоте. Выставив опалубку, вам не придется возиться со шнурами в процессе заливки бетона, чтобы проконтролировать уровень. Труба вентотверстия служит не только дистанцией между щитами опалубки, но и придает жесткость всей конструкции.
Уважаемые читатели, если у вас остались вопросы, задавайте их, используя форму ниже. Мы будем рады общению с вами 😉
Рекомендуем другие статьи по теме
stroi-specialist.ru
Как построить столбчатый фундамент своими руками для каркасного дома
Столбчатый фундамент является традиционным для каркасного дома. Он достаточно экономичен, не требует специальных способностей для укладки, тяжелой техники, и может быть возведен своими руками. Именно поэтому его выбирают 80% будущих хозяев отдельного частного дома. Столбчатый фундамент под каркасный дом можно поставить несколькими способами, используя разные материалы. Смысл его в установке столбов на определенном расстоянии друг от друга, на которые будет укладываться брус обвязки, и монтироваться пол и стены.

Столбчатый фундамент схематично
Что необходимо знать перед установкой?
Столбчатый фундамент требует соблюдения строительных технологий, как и любой другой этап каркасного домостроения. Перед тем, как начать работу, необходимо провести исследование почв, на которых будет стоять будущее здание. Делается это для того, чтобы определить вероятность движения почв после установки постройки. Чем тяжелее дом, тем больше вероятность постепенной утрамбовки земли и некоторой деформации каркаса и самих стен.

Виды фундамента под каркасный дом
Каркасные постройки относятся к легким, 1 м² дома будет весить не более 15 кг. А вот бетонная стена такой же площади имеет вес около 1 тонны. Как видите – разница огромная, однако если почвы глинистые, мелко-песчаные или рядом проходит подземная река, фундамент следует дополнительно укрепить.
Перед устройством основы, у вас на руках должен быть план. Вы должны четко понимать, где будут несущие стены, как внутренние, так и внешние. Именно под этими стенами необходимо будет ставить столбы, которые примут на себя наибольшие нагрузки. Также столбы ставятся на углах, в местах соединения стен, и под пролетами, если расстояние между ними больше 2,5 метров.

Места для столбов помечены на плане
Обратите внимание, что столбы могут быть как квадратной формы, что считается более традиционным, так и круглой формы. При этом размер сечения будет отличаться. Для столбов прямоугольной формы подойдет размер сечения 250-400х250-400 мм, а для круглой формы его можно сделать меньше, тогда диаметр составит 200-250 мм. Кроме того, перед установкой необходимо определиться с исходным материалом для столбов.
Виды и особенности
Как мы уже писали, столбчатый фундамент по форме столбов делится на:
- квадратный
- круглый
- прямоугольный

Круглый столбчатый фундамент под каркасный дом
В зависимости от того, какой материал был выбран для формирования столбов, фундамент делится на:
- бетонный или железобетонный
- бутобетонный
- бутовый из бутового камня
- кирпичный
- блочный

Сборный фундамент из блоков
Кроме того, столбы в данном виде фундамента, могут различаться по способу возведения:
- монолитные
- сборные
Монолитные столбы возводятся в несколько этапов:
- Выкапывается траншея под столб.
- Устанавливается своими руками опалубка, которая может быть съемной или несъемной.
- Опалубка надежно фиксируется и дополнительно герметизируется пленкой, если в этом есть необходимость. Часто при сооружении опалубки из доски своими руками образуются щели, через которые бетонная масса может просачиваться наружу. Использование пленки решит эту проблему.
- В опалубку заливается бетонная смесь, в которую при загустении устанавливаются анкерные болты или другие приспособления для фиксации обвязки.
- Когда цемент затвердел, снимают опалубку.

Сравнение сборного и монолитного фундамента
Сборные опоры собираются из блоков или кирпича, по технологии. Так как оба эти способа предполагают использование цемента, столбчатый фундамент для каркасного дома возводятся только в теплое время года до первых заморозков.

Три вида фундамента по глубине залегания
От типа почвы вашего участка зависит степень заглубления столбов. Чем хуже почва для строительства, тем глубже должен быть фундамент. По типу заглубления столбчатый фундамент делится на:
- Заглубленный. Его выбирают для таких почв, как глинистые или пучинистые. Устанавливаю так, чтобы столб располагался ниже уровня промерзания почвы. Под столб в обязательном порядке насыпают слой гравия и песка, который методом дренажа изолирует бетонное основание от влаги. Глубина закладки столба составляет около 1 метра.
- Мелкозаглубленный фундамент пролегает на глубину около 0,5-0,7 метра. Под него также обязательно делать песчано-гравийную подушку высотой не менее 20 см. Закладываются такие столбы в смешанных почвах, слабопучинистых, песчаных.
- Незаглубленный. Подходит для небольших дачных домиков, имеющих небольшой вес, и расположенных на песчаных и крупнопесчаных почвах. Представляет собой столбы, расположенные на поверхности земли. Это самый экономный вариант, требующий минимальных финансовых затрат. Однако в нашей полосе он редко используется для строительства больших жилых домов – только для дачных домиков. Своими руками его можно сделать за несколько дней.
Не забывайте о такой закономерности: чем большее заглубление, тем меньшую песчаную подушку вы можете подсыпать. Например, при мелком фундаменте подушка составляет до 50 см, а при заглубленном – 20-25 см.

Железобетонный ростверк — верхняя часть столбчатого фундамента
Для того, чтобы укрепить столбчатый фундамент, используют ростверк. Он представляет собой фундаментную балку, которая соединяет все столбы фундамента в одну систему, в результате чего нагрузка распределяется более равномерно. При этом минимизируется риск опрокидывания столбов или уклона их при горизонтальных движениях почвы. Устройство ростверка часто бывает необходимо при смешанных почвах, когда один столб располагается на песчаной подушку, а второй – на глинистой. В таком случае столбы будут двигаться неравномерно, что приведет к перекосу всего здания и появлению трещин на стенах. Его можно сделать своими руками из бетона.

Для крепости в столбы и ростверк укладывают арматуру
Пошаговая инструкция устройства
Итак, вы ознакомились с нашей статьей, в которой мы предельно подробно рассказали обо всех видах фундамента под каркасники, и точно решили выбрать столбчатый фундамент для вашего каркасного дома. Приступаем к обустройству.
- В соответствии с планом делаем разметку, отмечая места, где будут установлены столбы. Это углы дома, несущие стены и под балками перекрытия. Расстояние между столбами должно быть не более 2-2,5 метра.
- Копаем в отмеченных местах ямы, глубина которых зависит от уровня заглубленности столбов + подушка из гравия и песка.
- Некоторые заливают цементную смесь прямо в почву, используя вместо опалубки стены ямы. Однако такой способ не оправдан – влага из почвы будет соприкасаться с цементной поверхностью, и цемент будет разрушаться.
- Поэтому необходимо яму сделать шире и установить опалубку, которую можно сделать своими руками из досок и пленки. Не забудьте укрепить стенки опалубки укосинами, оперев их на стенки ямы. Это убережет вас от распада опалубки, что случается часто.
- Перед устройством опалубки делаем песчаную подушку.
- Заливаем в опалубку песчаную смесь, устанавливаем анкерные болты для фиксации ростверка или обвязки. Ждем, когда столбы фундамента полностью высохнут.
- Снимаем опалубку, если использовалась съемная опалубка или дощатая, сколоченная своими руками.

Жилой дом на столбчатом фундаменте
Сборный фундамент делается из кирпича или блоков, при чем кирпичный фундамент читается самым экономически и практически невыгодным. Блоки под фундамент устанавливают на песчаную подушку, которая должна быть хорошо утрамбована. Ровность поверхности проверяется уровнем.
Не забудьте после устройства всех столбов проверить геометрию – все поверхности должны лежать в одной плоскости, а перекос не должен составлять более 1 см. Для этого используем длинную рейку и уровень, или строительную лазерную линейку.
Лучшее видео:
karkasblog.ru
