Трансформатор сварочный для дома – Какой сварочный аппарат лучше для дома
Сварочный трансформатор — 105 фото разновидностей трансформаторных аппаратов
В наше время сварочное дело перестало быть уделом избранных. Сейчас сварочное оборудование можно встретить не только на производстве, но и в дачных домовладениях. Самыми популярными считаются трансформаторные аппараты переменного тока.

Краткое содержимое статьи:
Конструкционное решение трансформаторного оборудования
Устройство сварочного трансформатора достаточно простое – это пара обмоток, намотанных на сердечник. Одна из них первичная, а вторая – вторичная.

Принцип работы аппарата трансформаторного типа состоит в понижении входящего напряжения. Сила тока при этом может составлять порядка 700А, что позволяет осуществлять сварку металлических конструкций. Такой принцип действия характерен для всех разновидностей трансформаторного оборудования.
Хотя сегодня, при использовании современных разработок и технологий удалось добиться создания более идеальных и эргономичных вариаций трансформаторов.

Разновидности трансформаторных аппаратов
Все сварочные трансформаторы принято делить на три вида, у каждого из которых свои сильные и слабые стороны. Выбирая аппарат для сварки трансформаторного типа, нужно знать, чем одна разновидность отличается от другой.

Как показывают фото сварочных трансформаторов, они могут быть:
- С минимальным и нормальным магнитным рассеиванием.
- С повышенным магнитным рассеиванием.
- Тиристорными.

Технические характеристики
Независимо от типа для каждого трансформатора характерен набор конкретных характеристик, определяющих эффективность и качество его работы, а также удобство эксплуатации. Выбирая агрегат, нужно знать, что означает каждая характеристика сварочного трансформатора.

Маркировка. Это первое, на что надо обратить внимание. Маркировка – это зашифрованная запись базовых параметров. Первая буква обозначает источник питания, вторая указывает на тип сварочных работ, а третья – на метод. Четвёртая и пятая – это тип внешней характеристики и число постов.
Значение номинальной силы электрического тока – это 1 или 2 цифры, округлённые до десятых или сотых. Два или одно последних цифровых обозначения – это регистрационный номер.

Далее буквами обозначается допустимые температурные условия. Цифра в конце указывает на уместное расположение. I- значит допустима работа устройства на улице, II – под навесом, III – в неотапливаемой комнате, IV – в помещении с отоплением.

Диапазон регулировки тока. Это одна из главных характеристик любого трансформаторного устройства. Первое, что она обозначает – это то, что регулирование тока возможно, а второе – это наибольшую возможную величину силы тока. Все вместе указывает на возможность применять электроды разных размеров.

Диаметр электрода. Зависит от силы тока оборудования.

Напряжение в электросети. Данная характеристика показывает, какое напряжение обязано быть в сети, чтобы трансформатор нормально работал.

Номинальный ток сварки и рабочее напряжение. Эти параметры очень важны. Номинальный ток – это наибольший показатель тока, который может выдать агрегат. А номинальное напряжение – напряжение, требуемое для того, чтобы сварочная дуга была в устойчивом состоянии.

Продолжительность включения. Это время, которое аппарат трансформаторного типа может находиться в режиме сварки. Данный показатель не оказывает особого влияния на выбор сварочного оборудования.
Потребляемая мощность. Обозначает количество энергии, требуемой для 1 часа работы агрегата. Предпочтительнее остановить выбор на устройстве с минимальным параметром мощности потребления.

КПД. Чем больше данное значение, тем лучше.

Напряжение холостого хода. Оно отвечает за сварочную дугу. Чем оно выше, тем проще создаётся дуга.

Число рабочих мест. Это число человек, которые могут одновременно заниматься сваркой от данного устройства.

Система охлаждения.

Вес и габариты сварочного аппарата.

Начинающему малоопытному сварщику достаточно непросто выбрать подходящую модель сварочного трансформатора, ведь типов аппаратов для сварки довольно много. Поэтому, чтобы сделать правильный выбор, важно знать значение каждой технической характеристики. Если у вас возникли трудности, то лучше обратиться за советом к профессионалу.

Фото сварочного трансформатора



































Также рекомендуем посетить:
zdesinstrument.ru
Сварочный аппарат своими руками, сварочный трансформатор
Сварочные работы в домашних условиях давно стали обычным делом. Доступность аппаратов и расходных материалов, возможность недорого обучиться на курсах сварщиков, различные методички для получения самостоятельных навыков. Все эти факторы дают возможность сэкономить на оплате труда профессионального сварщика, и повысить оперативность работ.
Однако, если внимательно изучить рынок сварочных аппаратов, выясняются неприятные моменты:
- Качественные сварочники имеют высокую стоимость, выгоднее несколько раз нанять специалиста (если, конечно, вы не занимаетесь этими работами постоянно).
- Доступные по цене агрегаты имеют ряд недостатков: низкая надежность, плохое качество шва, зависимость от питающего напряжения и типа расходников.

Отсюда вывод: если необходимо высокое качество оборудования по доступной цене, придется сделать сварочный аппарат из доступных материалов своими руками.
Прежде чем рассматривать варианты самодельных сварочников, разберем принцип их работы
В основе работы любого агрегата лежит закон Ома. При неизменной мощности, имеется обратная зависимость между током и напряжением. Для нормальной работы требуется сила тока 60–150 А. Только в этом случае металл в зоне сварки будет плавиться. Представим себе сварочный аппарат, который работает напрямую с напряжением 220 вольт. Для достижения требуемой силы тока, потребуется мощность 15–30 кВт. Во-первых, для этого надо будет прокладывать отдельную линию энергоснабжения: большинство вводов в жилые помещения ограничены техническими условиями на уровне 5–10 кВт. Кроме того, для такой силы тока потребуется проводка сечением не менее 30 мм². Варить придется с соблюдением мер защиты при работе в электроустановках до 1000 вольт: резиновые боты, перчатки, ограждение рабочего места, и прочее.
Разумеется, обеспечить такие условия в реальности невозможно.
Поэтому любой сварочный аппарат преобразует напряжение (в сторону понижения): на выходе получаем искомый ток при сохранении разумной мощности.
Оптимальное значение напряжения — 60 вольт. При сварочном токе 100 А, это вполне приемлемые 6 кВт мощности. Как преобразовать напряжение?
Существуют четыре основных типа сварочных аппаратов
- Трансформатор. Устройство работает на переменном токе. Основной узел ничем не отличается обычного блока питания: на входе 220 вольт, на выходе требуемые 60 вольт. За счет возможности механического перемещения вторичной обмотки по сердечнику, меняется значение рабочего тока.
Преимущества: простота и дешевизна конструкции, ремонтопригодность.Недостатки: большие размер и вес, переменный ток приводит к нестабильному формированию сварочного шва, для работы требуется высокая квалификация специалиста. - Выпрямитель. По сути, это тот же трансформатор, только с диодным (тиристорным) выпрямителем в цепи вторичной обмотки.
После преобразования напряжения на трансформаторе (с традиционным механическим регулятором силы тока), вторичное переменное напряжение выпрямляется одним из способов. В примитивных (недорогих) конструкциях применяется диодный мост. Более продвинутые схемы работают на тиристорной схеме, с возможностью регулировки параметров.Преимущества: стабильные параметры сварки, возможность работать с различными металлами, не требуется высокая квалификация мастера.Недостатки: более высокая стоимость, сложность в ремонте и обслуживании.Некоторые мастера переделывают простейший трансформаторный сварочник в аппарат постоянного тока. Для этого необходимо лишь собрать мощный выпрямитель, и подключить его к выходу вторичной обмотки. Для этого потребуются мощные диоды (собираем мост) и радиаторы для рассеивания тепла.
Общий недостаток рассмотренных схем — зависимость выходных параметров от качества электросети. Если есть просады напряжения (при сварке — это нормальное явление), меняются характеристики выходных напряжения и тока. За счет этого страдает качество сварочного шва. Поэтому ручная регулировка силы тока (перемещением обмоток) обязательна.
- Полуавтомат. Это продвинутый вариант выпрямителя, с устройством механической подачи сварочной проволоки в зону работ. Сварка производится в среде инертного газа, для выполнения работы требуется газовый баллон.Преимущества: качественный шов, нет необходимости в специальной подготовке мастера. Недостатки: требуется дополнительное оборудование (газовый баллон), высокая стоимость.
- Инвертор. На сегодняшний день самый распространенный сварочник среди любителей. В качестве преобразователя напряжения используется инверторный блок питания с ШИМ управлением. Эта технология на сегодняшний день стала доступной, что положительно сказывается на стоимости. Преимущества: работать с аппаратом может даже начинающий сварщик, компактные размеры, малый вес. Недостатки: не слишком высокая надежность, сложность в ремонте.
Любой из перечисленных аппаратов можно собрать самостоятельно. Проведем обзор технологий изготовления по моделям:
Трансформаторы (с выпрямителем или без него)
Сердце трансформатора — сердечник. Он набирается из пластин трансформаторной стали, изготовить которые вручную довольно проблематично. Правдами и неправдами исходный материал добывается на заводах, в строительных бригадах, на пунктах сбора металлолома. Полученная конструкция (как правило, в виде прямоугольника) должна иметь сечение не меньше, чем 55 см². Это довольно тяжелая конструкция, особенно после укладки обмоток.
При сборке обязательно надо предусмотреть регулировочный винт, с помощью которого можно двигать вторичную обмотку относительно неподвижной первички.

Чтобы не вдаваться в сложности расчетов сечения проводов, возьмем типовые параметры:
- сила тока на вторичке 100–150 А;
- напряжение холостого хода 60–65 вольт;
- рабочее напряжение при сварке 18–25 вольт;
- сила тока на первичной обмотке до 25 А.
Исходя из этого, сечение провода первички должно быть не менее 5 мм², если делать с запасом — можно взять провод 6–7 мм². Изоляция должна быть жаростойкой, из материала, не поддерживающего горение.
Вторичная обмотка набирается из провода (а лучше медной шины), сечением 30 мм². Изоляция тряпичная. Пусть толщина вас не пугает, количество витков на вторичке небольшое.
Количество витков первичной обмотки определяется по коэффициенту 0.9–1 виток на вольт (для наших параметров).
Формула выглядит так:
W(количество витков) = U(напряжение) / коэффициент.
То есть, при напряжении в сети 200–210 вольт, это будет порядка 230–250 витков.
Соответственно, при напряжении вторички 60–65 вольт, количество ее витков составит 67–70.
С технической точки зрения трансформатор готов. Для удобства использования рекомендуется выполнить небольшой запас по вторичной обмотке, с несколькими ответвлениями (на 65, 70, 80 витках). Это позволит уверенно работать в местах с пониженным напряжением сети.
Прятать агрегат в корпус, или оставлять открытым — это вопрос безопасности использования. Типовой изготовленный сварочный трансформатор своими руками выглядит так:

Оптимальный материал для корпуса — текстолит 10–15 мм.
Добавляем выпрямитель
Самодельный мощный сварочный трансформатор с точки зрения схемотехники — обычный блок питания. Соответственно выпрямитель устроен так же просто, как в сетевом заряднике для мобильного телефона. Только элементная база будет выглядеть на несколько порядков массивнее.
Как правило, в простую схему из диодного моста добавляют пару конденсаторов, гасящих импульсы выпрямленного тока.

Можно собрать выпрямитель и без них, но чем ровнее ток, тем качественней получается сварочный шов. Для сборки собственно моста применяются мощные диоды типа Д161–250(320). Поскольку при нагрузке на элементах выделяется много тепла, его нужно рассеивать с помощью радиаторов. Диоды крепятся к ним с помощью болтового соединения и термопасты.

Разумеется, ребра радиаторов должны либо обдуваться вентилятором, либо выступать над корпусом. Иначе вместо охлаждения они будут греть трансформатор.
Мини сварочный трансформатор
Если вам не нужно варить рельсы или швеллера из стали 4–5 мм, можно собрать компактный сварочник для спайки стальной проволоки (изготовление каркасов для самоделок) или сварки тонкой жести. Для этого можно взять готовый трансформатор от мощного бытового прибора (идеальный вариант — микроволновка), и перемотать вторичную обмотку. Сечение провода 15–20 мм², потребляемая мощность не более 2–3 кВт.

Расчет схемы производится также, как и для более мощных агрегатов. При сборке выпрямителя можно использовать менее мощные диоды.
Микросварочник
Если сфера применения ограничена спайкой медных проводов (например, при монтаже распределительных коробок), можно ограничиться конструкцией размером с пару спичечных коробков.
Выполняется на транзисторе КТ835 (837). Трансформатор изготавливается самостоятельно. Фактически — это высокочастотный повышающий преобразователь.
В отличие от традиционных сварочников, в данной схеме используется высокое напряжение, до 30 кВ. Поэтому при работе следует соблюдать осторожность.
Трансформатор мотаем на ферритовом стержне. Две первичные обмотки: коллекторная (20 витком 1 мм), базовая (5 витков 0.5 мм). Вторичная (повышающая) обмотка — 500 витков 0.15 проволоки.

Собираем схему, припаиваем по схеме резисторную обвязку (чтобы трансформатор не перегревался на холостом ходу), аппарат готов. Питание от 12 до 24 вольт, с помощью такого аппарата можно сваривать жгуты проводов, резать тонкую сталь, соединять металлы толщиной до 1 мм.

В качестве сварочных электродов можно использовать толстую швейную иглу.
Инвертор (импульсный блок питания для сварки)
Самодельный инверторный сварочный аппарат нельзя изготовить просто «на коленке». Для этого потребуется современная элементная база и опыт работы с ремонтом и созданием электронных устройств. Однако, не так страшна схема, как ее малюют. Подобных устройств сделано великое множество, и все они работают не хуже фабричных аналогов. К тому же, чтобы создать импульсный сварочный аппарат своими руками, не обязательно приобретать десятки дорогостоящих радиодеталей и готовых узлов. Большинство из них, особенно высокочастотные элементы для блока питания, можно позаимствовать у старых телевизоров или БП от компьютера. Стоимость близкая к нулю.
Рассматриваемый инвертор имеет следующие характеристики:
- Ток нагрузки на электродах: до 100 А.
- Потребляемая мощность от сети 220 вольт — не более 3.5 кВт (ток порядка 15 А).
- Используемые электроды до 2.5 мм.
На иллюстрации изображена готовая схема, которая неоднократно опробована многими домашними мастерами.

Конструктивно инвертор состоит из трех элементов:
- Блок питания для схемы преобразователя и управления. Выполнен на доступной элементной базе, с применением оптрона от старого блока питания компьютера. При самостоятельном изготовлении трансформатора стоимость практически нулевая: детали копеечные. Номиналы и названия радиоэлементов на иллюстрации.
- Блок задержки заряда конденсаторов (для стартовой дуги). Выполнен на базе транзисторов КТ972 (абсолютно не дефицит). Разумеется, транзисторы устанавливаются на радиаторы. Для коммутации достаточно обыкновенного автомобильного реле с токовой нагрузкой на контактах до 40 А. Для ручного управления установлены обычные защитные автоматы (пакетники) на 25 А. Выходные 300 вольт — холостой ход. При нагрузке напряжение 50 вольт.
- Трансформатор тока — самый ответственный узел. При сборке особое внимание следует обратить на точность катушек индуктивности. Некоторую подстройку можно выполнить с помощью переменного резистора (на схеме выделен красным цветом). Однако если параметры не буду согласованными, требуемой мощности дуги достичь не удастся.ШИМ реализуется на микросхеме US3845 (одна из немногих деталей, которую придется покупать). Силовые транзисторы — все те же КТ972 (973). Некоторые элементы на схеме импортные, однако их легко можно заменить на доступные отечественные, поискав аналоги на сайте datasheet.Высокочастотный блок выполнен из частей строчного трансформатора от телевизора.
На выход сварочного инвертора подключаются рабочие провода длиной не более 2 метров. Сечение не менее 10 квадратов. При работе с электродами до 2.5 мм, падение тока минимальное, шов получается гладкий и ровный. Дуга непрерывная, не хуже заводского аналога.
При наличии активного охлаждения (вентиляторы от того-же компьютерного блока питания), конструкцию можно компактно упаковать в небольшой корпус. Учитывая высокочастотные преобразователи, лучше использовать металл.

Итог
Чем сложнее самодельный сварочный аппарат, тем ощутимей экономия. Именно простые трансформаторы обходятся дороже, по причине использования дорогостоящей меди в обмотках или трансформаторного железа. Импульсные блоки питания, особенно при наличии в запасе старых деталей от типовых электроприборов, обходятся практически бесплатно.
Видео по теме
profazu.ru
Бытовой сварочный трансформатор или инвертор – какой аппарат лучше
Бытовой сварочный аппарат становится неотъемлемым атрибутом домашних мастерских в частных домах, гаражах и на дачах. При выборе конкретного экземпляра у многих возникает один и тот же вопрос, какой сварочный аппарат лучше?
До недавнего времени, возможность сделать выбор практически отсутствовала. Рыночный сегмент оборудования для бытового использования был пуст. В настоящее время вниманию покупателя представлены модели различных ценовых диапазонов, способные выполнять множество функций.
Среди них можно найти бытовой сварочный трансформатор и малогабаритный инвертор.

Конструкция
Наряду со сварочными трансформаторами появились представители нового поколения сварочной техники – бытовые инверторные преобразователи. В связи с этим, покупатель задумывается, инвертор или трансформатор лучше выбирать.
Чтобы справиться с этой задачей, надо рассмотреть, что представляют собой бытовые устройства и какими особенностями обладают.
Конструктивно прибор выполнен как обычный понижающий двухобмоточный трансформатор. В однофазном исполнении обмотка высокого напряжения включается в сеть 220 Вольт.
Обмотка низкого напряжения рассчитана на протекание значительного сварочного тока, в режиме холостого хода ее напряжение составляет порядка 48 Вольт.
Сварка таким трансформатором ведется только на переменном токе. Однофазное выпрямление не обеспечивает устойчивого горения дуги ввиду существенных пульсаций вторичного напряжения.
Следует упомянуть о сварочных трансформаторах в трехфазном исполнении. В основной массе, это большие аппараты для профессионального использования, но имеются компактные варианты исполнения, пригодные для бытовых нужд при наличии соответствующего питания.
Бытовые сварочные трехфазные трансформаторы оснащены диодными выпрямительными мостами и обеспечивают на выходе качественное выпрямленное напряжение для сварки на постоянном токе.
Способы регулирования тока
Регулирование тока сварки трансформатора может быть осуществлено тремя путями. Самый простой – использование изменяемого балластного сопротивления из высокоомного материала.
Другой способ заключается в изменении магнитного потока магнитопровода. Реализуется этот вариант путем изменения положения обмоток трансформатора, регулирования воздушного зазора в магнитопроводе или введения магнитного шунта.
Это требует внесения конструкционных изменений в магнитную систему трансформатора для обеспечения подвижности обмоток или частей магнитопровода.
Третий способ управления током заключается в том, что во вторичную цепь трансформатора встраивается электронный (чаще всего тиристорный) регулятор.
В его основе – фазовый метод управления электронными ключами, то есть тиристоры открыты в течение некоторой регулируемой части периода, обеспечивая заданное среднее значение тока сварки.
Особенности способов управления
Каждый из способов управления током имеет свои особенности. Применение балласта не влечет за собой усложнение схемы трансформатора, следовательно, не снижает ее надежность.
Регулирование осуществляется в самых широких пределах, при этом, не изменяется напряжение холостого хода, что обеспечивает надежное зажигание дуги. К недостаткам можно отнести только некоторую громоздкость оборудования, так как сопротивление выполнено в виде отдельного блока.
Регулирование магнитного потока применяется редко ввиду существенного усложнения конструкции и снижения надежности за счет наличия движущихся частей магнитопровода.
Электронный способ более распространен, и с развитием электронной промышленности стоимость компонентов снижается. Этот способ обеспечивает наиболее удобное управление (достаточно повернуть ручку потенциометра на лицевой панели), но все же, он сопряжен с усложнением схемы.
Кроме этого, диапазон изменения сварочного тока ограничен, так как при фазовом управлении, регулирование среднего значения тока достигается изменением соотношения времени открытого и закрытого состояния ключа. В случае, когда значительную часть периода ключ закрыт, устойчивость зажигания и горения дуги снижается.
Не упомянут еще один, четвертый способ, заключающийся в переключении отпаек вторичной обмотки. В схемах лучших сварочных трансформаторов он не применяется ввиду усложнения конструкции вторичной обмотки, дискретности регулирования и малого его диапазона.
Последнее обусловлено изменением напряжения вторичной обмотки, значительное снижение которого уменьшает устойчивость зажигания дуги.
Инверторные аппараты
Изобретение инверторной технологии сварочных преобразователей без преувеличения можно назвать революционным событием. Работает сварочный аппарат следующим образом.
Входное напряжение (220 Вольт) выпрямляется диодным мостом и поступает на вход инвертора. Инвертор, построенный на мощных IGBT-транзисторах, преобразует постоянное напряжение в переменное с частотой, достигающей нескольких десятков килогерц. Затем, высокочастотное напряжение трансформируется до необходимого уровня и вновь выпрямляясь, поступает на сварочный электрод.
Может возникнуть вопрос, каков смысл в этой цепочке преобразований? Ведь, если в традиционном сварочном аппарате преобразование сводится к трансформации (плюс выпрямление для трехфазных аппаратов постоянного тока), здесь происходит выпрямление, инвертирование, трансформация, и вновь выпрямление.
Секрет кроется в свойствах токов высокой частоты. Дело в том, что с увеличением частоты, резко снижается площадь магнитопровода трансформатора при той же мощности.
Кроме этого, уменьшаются величины емкости фильтровых конденсаторов. Эти факторы позволили создать бытовой аппарат, который можно переносить на плечевом ремне, выполняющий сварку токами, доступными трансформаторам, которые весят несколько десятков килограммов.
Кроме этого, выпрямленный ток, содержащий пульсации высокой частоты, генерируемый инверторным аппаратом, позволяет работать с электродами любого типа, которые предназначены как для переменного, так и для постоянного тока.
Сравнение и выбор
Подытоживая, необходимо рассмотреть основные преимущества бытовых сварочных аппаратов двух типов.
Итак, бытовые сварочные трансформаторы превосходят бытовые инверторные аппараты по следующим показателям:
- простота и надежность конструкции;
- сравнительно невысокие квалификационные требования к персоналу, осуществляющему ремонт;
- невысокая стоимость ремонта;
- сравнительно невысокая цена самого аппарата.
В свою очередь, бытовой инвертор лидирует по компактности и легкости, обеспечивающей его высокую мобильность. Качество работы на постоянном токе очень высокое, даже при питании от домашней бытовой розетки. У бытовых инверторов высокий КПД и наличие дополнительных функций.
Таким образом, сварочный бытовой трансформатор больше подходит для тех, кому мобильность устройства не важна, а классическая, проверенная десятилетиями схема ближе по духу.
Бытовой сварочный инвертор незаменим, когда его нужно часто возить с собой. Например, на дачу, где даже при отсутствии электроэнергии, его можно подключить к переносному электрическому генератору.
svaring.com
как сделать трансформатор или мини-сварку своими руками
Если у вас есть необходимость выполнения каких-нибудь несложных сварочных работ для бытовых нужд, вовсе не обязательно приобретать дорогостоящий заводской агрегат. Ведь если знать некоторые тонкости, можно без труда собрать сварочный аппарат своими руками, о чем и пойдет речь ниже.
Сварочные аппараты: классификация
Любые аппараты для сварки бывают электрическими или же газовыми. Стоит сразу сказать, что самодельные сварочные аппараты не должны быть газовыми. Поскольку они включают в себя взрывоопасные баллоны с газом, держать такую установку дома не стоит.
Поэтому в контексте самостоятельной сборки конструкций речь пойдет исключительно об электрических вариантах. Такие агрегаты также подразделяются на разновидности:
- Установки-генераторы — оснащены собственным генератором тока. Отличительная черта — большой вес и габариты. Для домашних нужд такой вариант не подойдет, да и собрать самостоятельно его будет сложно.
- Трансформаторы — такие установки, в особенности полуавтоматического типа, очень распространены среди тех, кто делает сварочное оборудование самостоятельно. Питаются от сети в 220 или 380 В.
- Инверторы — такие установки просты в применении и идеально подходят для дома, конструкция компактная и мало весит, но электронная схема достаточно сложна.
- Выпрямители — эти аппараты просто собирать и применять по назначению. С их помощью даже новичок может выполнять качественные сварные швы.
Как сделать сварочный аппарат инверторного типа
Чтобы в домашних условиях собрать инвертор, потребуется схема, которая позволит соблюсти нужные параметры. Рекомендуется брать детали от старых советских приборов:
- транзисторов;
- диодов;
- дросселей;
- готовых трансформаторов;
- конденсаторов;
- резисторов;
- тиристоров.
Параметры для аппарата можно выбирать такие:
- Он должен работать с электродами, диаметр которых не превышает 5 мм.
- Максимальный показатель рабочего тока равен 250 А.
- Источник напряжения — сеть бытовая на 220 В.
- Регулировка сварочного тока варьируется от 30 до 220 А.
Инструмент включает такие компоненты:
- блок питания;
- выпрямитель;
- инвертор.
Начинаем с намотки трансформатора и действуем в такой последовательности:
- Возьмите ферритовый сердечник.
- Выполните первую обмотку (100 витков посредством провода ПЭВ 0,3 мм).
- Вторая обмотка — 15 витков, проводом с сечением 1 мм).
- Третья обмотка — 15 витков проводом ПЭВ 0,2 мм.
- Четвертая и пятая — соответственно по 20 витков проводами с сечением 0, 35 мм.
- Чтобы охладить трансформатор, возьмите вентилятор от компьютера.
Чтобы транзисторные ключи работали непрерывно, напряжение следует на них подавать после выпрямителя и конденсаторов. Блок выпрямителя соберите по схеме на плате, а все узлы прибора закрепите в корпусе. Можно использовать старый корпус от радиоустройства, а можно его сделать и самостоятельно.
С лицевой части корпуса устанавливается светодиодный индикатор, который показывает, что прибор включен в сеть. Здесь же можно поставить дополнительный выключатель, а также защитный предохранитель. Еще его можно установить на заднюю стенку и даже в сам корпус.
Все зависит от его размеров и конструктивных особенностей. Переменное сопротивление устанавливается на лицевой части корпуса, с его помощью можно регулировать рабочий ток. Когда вы собрали все электрические схемы, проверьте аппарат специальным прибором или тестером и можете провести его испытание.
Сварочный трансформатор своими руками
Сборка трансформаторного варианта будет от предыдущей несколько отличаться. Этот агрегат работает на переменном токе, но для сварки постоянным током нужно собрать к нему простую приставку .
Для работы вам потребуется трансформаторное железо для сердечника, а также несколько десятков метров толстого провода или толстой медной шины. Все это можно найти в пункте приема металлов. Сердечник лучше всего делать П-образным, тороидальным либо круглым. Многие также берут статор от старого электромотора.
Инструкция сборки П-образного сердечника выглядит таким образом:
- Возьмите трансформаторное железо сечением от 30 до 55 с м2. Если показатель будет больше, аппарат получится слишком тяжелым. А если сечение будет меньше 30, прибор не сможет корректно работать.
- Возьмите медный обмоточный провод сечением около 5 мм2, оснащенный термостойкой изоляцией из стеклоткани или хлопка. Изоляция важна, поскольку во время работы обмотка может нагреться до 100 градусов и выше. У обмоточного провода сечение квадратное или прямоугольное сечение. Однако такой вариант отыскать сложно. Подойдет и обычный с аналогичным сечением, но только вам нужно будет снять с него изоляцию, обмотать стеклотканью и тщательно пропитать электротехническим лаком, после чего высушить. В первичной обмотке 200 витков.
- Вторичная обмотка потребует порядка 50 витков. Провод обрезать не нужно. Включите в сеть первичную обмотку, а на проводах вторичной отыщите место, где напряжение составляет около 60 В. Для поиска такой точки отматывайте или наматывайте дополнительные витки. Провод может быть алюминиевым, но сечение должно быть больше, чем для первичной обмотки, в 1,7 раза.
- Готовый трансформатор установите в корпус.
- Чтобы вывести вторичную обмотку, потребуются медные клеммы. Возьмите трубку диаметром 10 мм и длиной около 4 см. Расклепайте ее конец и просверлите отверстие с диаметром в 10 мм, а в другой конец вставьте конец провода, предварительно очищенный от изоляции. Далее, обожмите его легкими ударами молотка. Чтобы усилить контакт провода с трубкой-клеммой, нанесите керном на нее насечки. Самодельные клеммы прикрутите к корпусу гайками и болтами. Детали лучше всего использовать медные. Наматывая вторичную обмотку желательно делать отводы через каждые 5−10 витков, они позволят менять ступенчато напряжение на электроде;
- Для изготовления электродержателя возьмите трубу с диаметром около 20 мм и длиной порядка 20 см. На концах примерно в 4 см от торцевой части выпилите выемки до половины диаметра. В выемку вставьте электрод и прижмите пружиной на основе приваренного куста проволоки из стали с диаметром 5 мм. Ко второму кону прикрепите такой же провод, который использовался для вторичной обмотки, с помощью гайки и винта. Наденьте на держатель резиновую трубку с подходящим внутренним диаметром.
Готовый аппарат к сети лучше всего подключать с помощью проводов с сечением от 1,5 с м 2 и более, а также рубильника. Ток в первичной обмотке обычно не превышает показатель в 25 А, а во вторичной колеблется в пределах 6—120 А. Во время работы с электродами диаметром 3 мм через каждые 10−15 делайте остановки, чтобы трансформатор остыл. Если электроды более тонкие, это не нужно. Более частые перерывы нужны, если вы работаете в режиме резки.
Мини-сварка своими руками
Чтобы самостоятельно собрать миниатюрный аппарат для сварки, вам потребуется всего лишь несколько часов и такие материалы:
- стержень графитовый из старой батарейки;
- бокорезы или пассатижи;
- нож;
- сухая тряпка;
- наждачная бумага;
- перчатки;
- 20 см проволоки диаметром 5 мм из алюминия или меди;
- 6 см проволоки ПЭВ 0,5 из меди;
- изолента;
- провод многожильный;
- любой металлический зажим;
- трансформатор от блока питания микроволновки с выпрямителем, или старого телевизора или приемника.
Сначала аккуратно разберите старую батарейку и извлеките из нее графитовый стержень. На конце его заострите шкуркой и протрите сухой тряпкой. Кусок толстой проволоки на4−5 см от конца очистите от изоляции и с помощью пассатижей или бокорезов загните петлю. В нее вставьте угольный электрод.
Уберите вторичную обмотку с трансформатора и на ее место намотайте толстую проволоку на 12−16 витков. Теперь все это вставляется в подходящий корпус — и аппарат готов.
Его провода присоединяются к выводам вторичной обмотки, угольный стержень вставляется в петлю и хорошо обжимается. Плюсовый вывод соедините с держателем электрода, а минусовый — со скруткой рабочих деталей. Ручку-держатель можно приспособить для электрода.
Можно применять ручку паяльника или нечто подобное. Включите прибор в бытовую сеть и выполните соединение деталей посредством графита. Должно возникнуть пламя, а на конце деталей образуется шарообразный сварной шов.
Для домашней мастерской наличие сварочного аппарата очень важно. Такие приборы имеют разные конструкции и модификации. Как новички, так и опытные мастера часто предпочитают не заводские, а самодельные аппараты, которые можно модифицировать на свой лад.
tokar.guru
Как выбрать сварочный трансформатор | Строительный портал
Сегодня уже никого не удивишь аппаратом ручной дуговой сварки. Благодаря этому изобретению стала общедоступной сварка листов, труб, швеллеров и прочих элементов и конструкций из черных металлов, как в промышленности, так и в частном хозяйстве. Наибольшее распространение среди всего сварочного оборудования получили сварочные трансформаторы переменного тока. Эти простые, неприхотливые и надежные по своей конструкции агрегаты для ручной дуговой сварки питаются от обычной сети на 220 или 380 Вольт и способны работать в тяжелых условиях. Развитие электротехники и электроники позволило создать сварочные трансформаторы различных модификаций, что заметно расширило их ассортимент на рынке. Но в том, как выбрать сварочный трансформатор, особых сложностей нет. Главное – разбираться в типах сварочных трансформаторов, знать, для чего и как будет использоваться аппарат, а также понимать, на какие характеристики следует обратить внимание при выборе и покупке.
- Виды сварочных трансформаторов
- Характеристики сварочных трансформаторов
Тем, кто собирается впервые приобрести этот агрегат и работать с ним, необходимо знать и понимать, как все работает. Сам трансформатор состоит из двух обмоток – первичной и понижающей вторичной, намотанных на сердечник. Принцип работы сварочного трансформатора довольно прост и заключается в преобразовании входящего напряжения 220 или 380 Вольт в более низкое, порядка 30 – 60 Вольт. В тоже время сила тока может достигать 700 Ампер, что позволяет плавить и сваривать между собой металлические изделия. По этому принципу работают все виды сварочных трансформаторов. Но благодаря разработкам в сфере электротехники удалось создать более совершенные и удобные в эксплуатации модели сварочных трансформаторов.
Виды сварочных трансформаторов
С момента создания первого сварочного трансформатора прошло довольно много времени. За этот период появились новые технологии и созданы новые модификации сварочных аппаратов. На сегодняшний день можно выделить три основных вида сварочных трансформаторов. Каждый из них обладает своими преимуществами и недостатками. При выборе сварочного трансформатора важно понимать различия между моделями, и для каких целей каждая из них более подходит.
Трансформаторы с минимальным и нормальным магнитным рассеянием
Сварочные трансформаторы СТЭ созданы таким образом, что обмотки имеют минимальное магнитное рассеяние. Регулировка силы тока производится винтовым механизмом дросселя, который вынесен отдельно. Такая схема сварочного трансформатора применяется в моделях СТЭ-85 и СТЭ-24У.
Трансформаторы с нормальным магнитным рассеянием похожи по своей конструктивной схеме на описанные выше. Разница заключается в наличии дополнительной реактивной катушки, расположенной на основных стержнях магнитного сердечника первичной и вторичной обмоток, а также на дополнительной обмотке дросселя. Сам дроссель установлен на магнитный сердечник. Регулировка силы тока производится аналогичным образом, как и у трансформаторов СТЭ. Сварочные трансформаторы с нормальным магнитным рассеянием представлены моделями типа СТН и ТСД. Обмотки таких трансформаторов изготавливаются из меди и алюминия.
Модели СТЭ, СТН и ТСД используются для ручной дуговой сварки, они просты и безотказны в работе. Но, несмотря на свою простую и надежную конструкцию, эти трансформаторы имеют ряд существенных недостатков. Во-первых, вибрация сердечника дросселя сбивает настройку силы тока при работе. Во-вторых, у сварочных трансформаторов с нормальным и низким магнитным рассеянием высокая потребляемая мощность от 25 кВт до 78 кВт. В-третьих, большая масса – более 120 кг. Также среди этих трансформаторов есть модели, такие как ТСД-1000-4 и ТСД-2000-2, способные выдавать номинальный сварочный ток в 1000 А и 2000 А. Но масса этих трансформаторов, как впрочем и СТН-700, СТН-500-1, СТН-350, ТСД-500 от 220 кг до 675 кг, что делает их очень неудобными для частного использования.
Трансформаторы с повышенным магнитным рассеянием
Принципиальным отличием трансформаторов с повышенным магнитным рассеянием от сварочных трансформаторов с низким и нормальным рассеянием является подвижная конструкция обмоток или шунтов. Такой подход позволил добиться более высоких рабочих характеристик при относительно небольшой массе самого трансформатора. Для сравнения нужно взглянуть на модель СГЭ-34У и сварочный трансформатор ТДМ 503. При практически равных рабочих характеристиках разница в весе почти вдвое меньше в пользу ТДМ.

К трансформаторам с повышенным магнитным рассеянием относятся модели с подвижными обмотками, такие как сварочный трансформатор ТС-500, ТСК-300 и трансформатор сварочный ТД-300. Также есть модели с подвижными магнитными шунтами, такие как СТШ-250 и трансформатор сварочный ТДМ-317. Кроме перечисленных есть с неподвижными подмагничивающими шунтами и обмотками – ТДФ-1001 и ТДФ-2001, а также трансформаторы со сложной магнитной коммутацией. Например, сварочный трансформатор ВДУ-506 или трансформатор сварочный ВД-306. Сегодня для частного использования наиболее распространены модели трансформаторов сварочных ТД, ТС и их модификации ТДМ, ТДЭ и другие. Сварочные трансформаторы с повышенным магнитным рассеянием применяются для дуговой и автоматической сварки, а также для сварки под флюсом.
Тиристорные трансформаторы

Еще одним видом сварочных трансформаторов являются тиристорные сварочные трансформаторы. Это относительно новый тип сварочного оборудования. В основу его работы положен принцип фазового регулирования силы тока при помощи тиристоров, которые преобразуют поступающий переменный ток в знакопеременные импульсы. Такие трансформаторы изначально использовались для шлаковой и контактной сварки по причине нестабильности горения дуги. Сегодня с развитием полупроводниковых технологий тиристорные сварочные трансформаторы избавились от своего главного недостатка и являются последним поколением сварочных аппаратов. Они широко применяются как для ручной дуговой сварки, так и для точечной и шлаковой сварок. Примером тиристорного трансформатора может служить Deltapower 400E.
Характеристики сварочных трансформаторов

В независимости от вида сварочного трансформатора любой сварочный аппарат обладает рядом определенных характеристик, которые и определяют его рабочую эффективность и удобство использования. При выборе сварочного трансформатора важно знать и понимать, за что отвечает каждая характеристика и на какие из них следует обращать внимание в первую очередь.
Маркировка сварочных трансформаторов
Первое, что бросается в глаза, это название сварочного трансформатора. Например, трансформатор сварочный ТДМ-401, в названии которого зашифрованы базовые характеристики. Это сделано для того, чтобы без техпаспорта можно было определить, что за аппарат, как он устроен и какова его номинальная сила тока. Сегодня в единой системе обозначения и классификации источников питания для сварки заложены следующие правила:
- тип источника питания: Т – трансформатор, Г – генератор, А – агрегат, В – выпрямитель, У – специализированный источник–установка;
- вид сварки: Д – дуговая, П – плазменная;
- способ сварки: Г – в защитных газах, Ф – под флюсом, У – универсальный. Если всего две буквы, значит, сварка проводится покрытыми электродами;
- вид внешней характеристики: Ж – жесткая, П – падающая;
- количество постов сварки: М – многопостовой, без обозначения говорит об одном посте;
Важно! Иногда буква «М» обозначает механический способ регулировки силы тока. Также вместо неё может стоять буква «Т» или «Р», обозначающая тиристорный сварочный трансформатор.
- номинальная сила тока обозначается одной или двумя цифрами, округленными до десятков или сотен Ампер.
- последние одна или две цифры обозначают регистрационный номер в разработке;
- после цифр идет буквенное обозначение допустимого климатического использования: ХЛ – холодный климат, У – умеренный, Т – тропический;
- завершающая цифра обозначает допустимое размещение: 1 – на открытом воздухе, 2 – под навесом, 3 – в неотапливаемом помещении, 4 – отапливаемом помещении.
Например, трансформатор сварочный ТДМ-401 говорит нам о том, что это трансформатор дуговой сварки с механическим регулированием и одним постом сварки, с номинальной силой тока в 400 А. Более старые модели, такие как сварочный трансформатор ТС или СТШ несут на себе более старую маркировку. Так «Ш» означает регулировку при помощи шунтов, а «С» – обозначает, что аппарат предназначается для сварки.



Также в техпаспорте сварочного трансформатора указывается класс защиты по международной системе IP. В приведенных ниже таблицах приведены подробные расшифровки.
Пределы регулирования сварочного тока, A (min-max)
Пожалуй, эта характеристика является основной для любого сварочного трансформатора. Регулировка силы сварочного тока указывает сразу на два важных момента. Во-первых, на то, что регулировка вообще возможна, а это значит, что можно использовать электроды различного диаметра. Во-вторых, можно увидеть максимально возможную силу тока, которая позволит использовать электроды большого диаметра, что в свою очередь влияет на производительность труда. Это особенно важно для тех, кто выбирает сварочный трансформатор для цеха или мастерской, где требуются высокие показатели силы сварочного тока, более 200 А. Для бытового использования будет достаточно и меньшей силы сварочного тока.
Диаметр электрода
Одной из второстепенных, но весьма важных характеристик, является применяемый диаметр электрода. В приведенной ниже таблице указаны основные диаметры электродов в зависимости от силы тока сварочного трансформатора.

Необходимо отметить такой важный момент как то, что следует использовать электроды несколько меньшего диаметра, несмотря на приведенные показатели. Как показывает практика, подобранный по максимуму электрод под свою силу тока, будет недостаточно качественно проваривать шов.
Напряжение сети и количество фаз
Эта характеристика одна из основных. Она указывает на требуемое напряжение в сети для нормальной работы сварочного трансформатора. Необходимо заранее знать о том, какое напряжение будет в месте работы сварочного трансформатора, чтобы подобрать подходящий. Также от этого зависит количество фаз самого трансформатора. Так для однофазного сварочного трансформатора будет требоваться ток в 220 В, для двухфазного 380 В, а вот сварочный трансформатор ТД-500, работающий как от сети на 220 В, так и от сети на 380 В, является трехфазным.
Номинальный сварочный ток трансформатора
Один из наиболее важных параметров при выборе сварочного трансформатора. Он указывает на максимальное значение сварочного тока, который способен выдать трансформатор. От его величины зависит, как возможность плавки и резки металла, так и используемые для работы электроды. Именно этот параметр указывается в той или иной модели сварочного трансформатора в виде двузначного числа, как, например, у сварочного трансформатора ТС-200, где «200» означает, что номинальный сварочный ток составляет 200 А.
Номинальное рабочее напряжение
Данный параметр указывает на выходное напряжение с вторичной обмотки, которое необходимо для поддержания стабильной сварочной дуги. Как отмечалось ранее, это напряжение находится в диапазоне 30 – 60 Вольт. Значение этого параметра влияет на возможность работы с металлом определенной толщины. Чем ниже номинальное значение, тем тоньше металлические элементы можно сварить между собой. Этот показатель будет особенно важен для тех, кто собирается варить кузова автомобилей.
Номинальный режим работы ПН %
Эта характеристика особо не влияет на выбор того или иного сварочного аппарата. Но знать и понимать, за что она отвечает все же надо, так как от этого зависит сохранность сварочного трансформатора во время работы. Номинальный режим работы или как его еще называют – продолжительность включения – указывает на то, сколько времени трансформатор может находиться в режиме сварки. Так, например, трансформатор сварочный ТД-300 имеет номинальный режим работы 40%. Это говорит о том, что из 10 минут 4 минуты можно работать без перерыва и 6 минут отдыхать, давая трансформатору остыть. В противном случае Вы рискуете повредить аппарат.
Мощность потребления и выходная (КПД)
С этим показателем все довольно просто. Он указывает, сколько энергии потребуется для часа работы трансформатора. Чем ниже этот показатель, тем лучше. Но при этом необходимо также обратить внимание на выходную мощность при сварке. Если разница между ними слишком большая, то лучше поискать другой трансформатор, коэффициент полезного действия которого значительно выше. Иначе рискуете тратить многие килловаты энергии, при этом выполнять мизерную часть требуемого объема работы. Многие производители сразу отображают КПД, а некоторые указывают лишь потребляемую и выходную мощность. Следует быть внимательным и, наткнувшись на второй вариант, помнить о минимальной разнице между потребляемой и выходной мощностью.

Напряжение холостого хода
Еще одной важной характеристикой является напряжение холостого хода, отвечающее за появление сварочной дуги. Чем выше эта характеристика, тем легче создать дугу. Но существуют определенные ограничения по безопасности для оператора. Так для сети с постоянный током порог составляет 100 В, для переменного 80 В.
Количество обслуживаемых рабочих мест
С этим параметром все довольно просто. Он указывает на количество одновременно работающих от трансформатора сварщиков. По сути, этот параметр важен для мастерских, где есть необходимость одновременной работы нескольких человек. Бытовые модели ограничены одним рабочим местом.
AC/DC

Эта аббревиатура указывает на возможность работы сварочного трансформатора на постоянном или переменном токе. Есть трансформаторы, которые работают только от переменного тока, а есть такие, которые только от постоянного. Например, сварочный трансформатор Fubag TR-300 работает от сети с переменным током. Или трансформатор сварочный ВД-306, который тоже потребляет переменный ток. Но оба эти аппарата выдают постоянный ток. Их второе название – сварочные выпрямители. Также необходимо выделить DECA MMA PRIMUS 250E AC/DC, который является ярким представителем среди сварочных трансформаторов с маркировкой AC/DC.
Тип охлаждения
Еще одной второстепенной, но в тоже время достаточно важной характеристикой является тип охлаждения трансформатора. Она ни на что не влияет, но может склонить чашу весов в сторону того или иного аппарата. Существуют сварочные трансформаторы с естественным охлаждением и принудительным. По сути, принудительное охлаждение лучше, так как позволяет более эффективно избавляться от излишка тепла во время работы. Но не все трансформаторы оснащены вентиляторами.
Mасса и размеры сварочного трансформатора

Не влияющими на производительность работы сварочного трансформатора являются его вес и габариты. Но, тем не менее, эти характеристики могут повлиять на выбор. Ведь именно от массы и габаритов трансформатора зависит, будет ли он передвижным или стационарным, будет он на колесах или же с ручками для переноски. Сегодня на рынке представлены различные модели и выбрать есть из чего. Но необходимо сразу оговориться, что высокомощные и производительные сварочные трансформаторы будут весьма громоздкими и тяжелыми, созданными для промышленных условий. В тоже время более компактные и легкие предназначены для простого обывателя. На сегодняшний день развитие технологий в сфере электротехники позволили создать сварочные аппараты с прекрасными рабочими характеристиками с относительно малым весом и с довольно скромными габаритами.
Выбор сварочного трансформатора для новичка в сварочном деле может показаться настоящим кошмаром. Особенно если нет понимания, за что отвечает та или иная характеристика. Чтобы принять правильное решение, следует пригласить на помощь специалиста, который сможет помочь в выборе. Но если заранее подготовиться, изучив все необходимые материалы о сварочных трансформаторах, выбор будет не таким уж и сложным делом.
strport.ru
Сварочные трансформаторы: принцип действия, конструкция

С появлением электричества появилась возможность соединять металлические элементы с помощью сварки. Для этого применяются специальные сварочные трансформаторы, работающие от трёхфазного и однофазного напряжения. Однофазные модели предназначены для включения в стандартную бытовую сеть 220 Вольт. А трехфазный сварочный аппарат, чаще всего, применяется в производственных целях, он обладает большой мощностью, габаритами и продолжительной эксплуатацией без перерыва. Однако есть на рынке данной техники и универсальные устройства, которые могут работать и от 220 В, и от 380В. Разумеется, что для разных материалов существует свой индивидуальный процесс сварки, поэтому каждый сварочный агрегат оборудован системой регулировки и точной настройки.
Принцип действия сварочного трансформатора
По принципу действия он не отличается от другого обычного понижающего трансформатора, только вот токи вторичной обмотке уж очень высокие, так как он работает в режиме короткого замыкания. Если закоротить вторичную обмотку обычного трансформатора, то в таком режиме он проработает недолго, так как она быстро перегреется и выйдет из строя. Вторичная обмотка сварочного рассчитана на большие токи, поэтому и выполнена медным проводом большого сечения. Напряжение U2 (на выводах вторичной обмотки) напрямую зависит от количества витков в ней.
Конечно же, мало только уменьшить выходное напряжение, нужно ещё и изменять силу тока. Для этого трансформаторы оборудуются механизмом, раздвигающим обмотки на большее расстояние, тем самым снижая магнитный поток, который, в свою очередь, уменьшает ток во вторичной обмотке.
Устройство и классификация трансформаторов, применяемых в сварочных аппаратах
Любой трансформатор для сваривания металлических различных элементов состоит из:
- Магнитопровода;
- Изолированную первичную обмотку;
- Вторичная обмотка;
- Вентилятор, для охлаждения.
В зависимости от сварочных работ происходит и управление процессом сварки,все сварочные агрегаты делятся аппараты переменного и постоянного тока. Конечно же, сам трансформатор не может работать на постоянном токе поэтому сам процесс выпрямления осуществляется после понижения напряжения. Для этого применяются:
- управляемые тиристоры, которые непросто дают постоянный ток для сварки элементов, но осуществляют изменение силы тока во время этого процесс;
- неуправляемые вентили диоды, вместе с дросселем.
Назначение сварочного трансформатора
Сварочный понижающий трансформатор является ключевым элементом, создающим дугу во время сварки металлических деталей. Напряжение на выходе этого понижающего устройства, работающего в режиме короткого замыкания, допускается не более 80 Вольт. Для процесса ручной дуговой сварки обязательно нужны электроды. Бытовые трансформаторы для дома выполнены по однофазной схеме обладают небольшими токами при сваривании. Главное, в бытовых условиях также стоит следить и за наличием хорошего контакта в розетке, так как токи в первичной обмотке для квартир и домов тоже очень существенны и не каждая розетка их выдержит.
Сварочные трансформаторы переменного тока
Такая конструкция считается самой не дорогой, но в то же время обладающей неплохими характеристиками сварки чёрных металлов. Для того чтобы регулировать ток и соответственно дугу во время этого процесса сварочный агрегат оборудован раздвижной системой, увеличивающей расстояние между катушками, а также площадь сердечника. Они из-за своей ценовой категории очень распространены на производстве, особенно в цехах с устаревшим оборудованием. Обладают довольно крупными размерами и зачастую устанавливаются стационарно.
И также как регулятор тока для сварочного аппарата, применяются отдельно расположенные дросселя, который добавляет индуктивности в цепь. Самый простой способ, но самый эффективный, регулировки напряжения и силы тока во время выполнения сварочных работ — это вывод нескольких контактных точек со вторичной обмотки. Кончено же, плавности изменения силы дуги в таком аппарате не получится добиться.
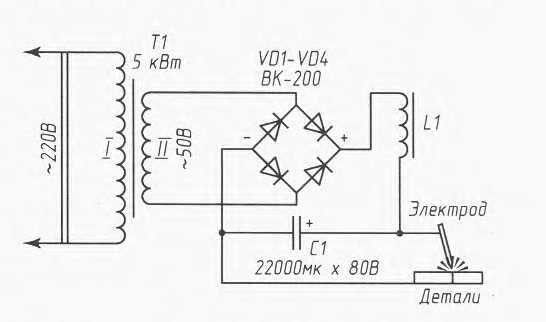
Сварочные трансформаторы постоянного тока
Такие приборы более эффективны для сваривания различных материалов обладают меньшими габаритами и плавным регулированием силы тока. Любой трансформатор не может работать на постоянном токе, это факт.
На рисунке показана простейшая схема такого агрегата, которую можно сделать и своими руками. Она гарантирует стабильные выходные характеристики сварочного тока и дуги, которая является ключевым аспектом любой сварки.
Сварщики знают, что при работе от положительного зажима выделяется больше тепла, чем от отрицательного. Следовательно для разной толщины металла стоит вырабатывать свою методику.
Существуют и новые разработки в этой отрасли так называемые сварочные аппараты инверторного типа. Трансформатор здесь работает на повышенных частотах, что даёт возможность снизить и габариты устройства, его вес, и токи первичной обмотки без последствий для создания качественной дуги.
Сварочный трансформатор ВДМ
Аппараты ВДМ производственного сварочного многопостового выпрямителя, устанавливается зачастую стационарно и предназначен для сварочных постов дуговой электросварки с помощью металлического электрода. Очень часто ВДМ подключаются к трёхфазной сети 380 Вольт. Во взрывоопасной среде, насыщенной пылью разной фракции, или же содержащей едкие газовые пары, разрушающие сталь и изоляцию, эксплуатация строго запрещена. Конструктивно в ВДМ есть возможность регулировать величину тока реостатом и дросселем.
Как рассчитать сварочный трансформатор
Изготовление трансформатора для сварочных работ, который должен быть близок по своим характеристикам к промышленному образцу, нужно проводить стандартными методиками подсчёта. Данная методика подойдет больше бытовому устройству, она содержит оптимальные значения обмоток и минимальные габаритные размеры сердечника.
Существует два вида сердечника:
- броневой;
- стержневой;
- тороидальный (круглый).
При этом стержневые имеют немного большие показания КПД (коэффициента полезного действия) нежели броневые.
Прежде чем приступить непосредственно к расчету сварочного понижающего трансформатора, необходимо определить его мощность, которая зависит от того какая величина тока нужна для его эксплуатации. Наиболее распространенные варианты от 70 до 150 А. Разумно будет брать максимально допустимые токи вторичной обмотки немного выше порядка 180–200 А.
Мощность сварочного трансформатора переменного тока, и аппарата в целом, будет равна:
P = U2 × I2 × cos (φ) / η
где, U2 — напряжение холостого хода сварочного трансформатора рекомендуется от 30 до 60 Вольт, I2 — ток сварки, cos (φ) угол сдвига фаз между током и напряжением. В случае расчета потребляемой мощности cos (φ) можно взять равным 0,8; η- КПД, для данного устройства примерно можно принять равным 0,7.
А также стоит учесть при этом и продолжительность эксплуатации трансформатора, так как, скорее всего, ему пройдется работать не один час.
Pдл = U2 × I2 × (ПР/100)1/2 × 0.001
ПР — это коэффициент длительности работы в смену, рекомендуется порядка 20-30 %;
Намотка сварочного трансформатора
Зачастую намотка производится уже на имеющееся железо и вот формулы примерного числа витков
С обмотками на одном плече (рисунок ниже, а):
N1 = 7440 × U1/(Sиз × I2)
С разнесенными обмотками (рисунок ниже, б):
N1 = 4960 × U1/(Sиз × I2)
Sиз — измеренное сечение магнитопровода (см2)
Такой способ расчета считается упрощённым. Ниже прилагается формула расчета сечения медного провода, которым непосредственно и будет выполнена намотка.
Плотность тока в обмотках берётся из справочника для медного провода J = 2,5 А/мм2. Для сварочного аппарата постоянного тока ВДМ агрегат оборудуется тремя первичными и тремя вторичными обмотками, поэтому расчёт производится инженерами и без квалификации его проблематично соорудить.
Улучшение сварочного трансформатора
Для улучшения нужно сократить слишком большую вторичную обмотку в 3–4 раза, уменьшив в ней напряжение холостого хода до 22–25 вольт, а вот для стабильного и уверенного зажигания дуги, прибавить небольшую слаботочную обмотку с напряжением 80–110 вольт. Переменный ток каждой из обмоток проходит выпрямление на диодных мостах, после чего обмотки подключаются параллельно друг другу.
Но также для усовершенствования и улучшения длительной работы сварочного трансформатора особенно в летнюю жаркую погоду необходимо использовать приточную или же вытяжную вентиляцию.
amperof.ru
Сварочный трансформатор своими руками
Сегодня сложно себе представить изготовление разнообразных типов конструкций из металла без применения сварочного оборудования. Высокая производительность, простота эксплуатации, надежность получаемых соединений позволили сварочным трансформаторам, сделанным своими руками, занять собственное место в списке основных строительных инструментов. Купить подобное устройство сегодня можно в любом магазине строительного оборудования.
Заводские модели не всегда могут соответствовать требованиям, предъявляемым к выполнению конкретных работ. Поэтому многие пытаются самостоятельно сделать трансформатор, который является достаточно популярным в сварочном оборудовании. Изготовление такого инструмента начинается с предварительных расчетов и заканчивается сборкой.
Принцип работы трансформатора
Для выполнения электросварки разработаны специальные переносные аппараты, которые отличаются небольшим весом и достаточно компактными размерами. Для соединения проводов из меди берется ток постоянного типа, прямой полярности. Это говорит о том, что на электрододержателе установлен «плюс», на заземляющем устройстве — «минус». Для некоторых видов электродов с медным покрытием может использоваться ток обратной полярности.
Параметры тока регулируются специальным механизмом. На разных сварочных приборах может ограничиваться ток дуги или стоять регулятор выходного напряжения.
Довольно часто, упоминая понятие «трансформатор для сварки», подразумевают аппараты, оснащенные регулирующим механизмом силы тока, наличие постоянного выходного напряжения. Это определение недостаточно верное, потому что понижающий трансформатор, который применяется для сварочного оборудования, способен только уменьшать напряжение.
| Подбор сварочного напряжения | Напряжение, В | 10 | 12 | 20 | 25 | 30 | Диаметр провода, мм | 0,05-0,1 | 0,1-0,3 | 0,3-0,5 | 0,5-1,0 | 1,0-2,0 | |||||
|---|---|---|---|---|---|---|---|---|---|---|---|---|---|---|---|---|---|
Выпрямление тока производится фильтром пульсации, диодным мостом, предусмотрен специальный регулятор.
| Подбор сварочного тока | Сварочный ток, А | 70 | 80 | 100 | 120 | Количество проводов, шт. | 2 | 3 | 2 | 4 | Сечение провода, мм2 | 1,5 | 1,5 | 2,5 | 2,5 | ||||
|---|---|---|---|---|---|---|---|---|---|---|---|---|---|---|---|---|---|---|---|
Благодаря огромному опыту, мастера электрической сварки при помощи только одного трансформатора способны варить провода без регулятора переменного тока, удерживая дугу необходимое количество времени. Такой вариант сваривания дает худший результат; чтобы получить высококачественное соединение, необходимо обладать немалым мастерством.
Поэтому новичкам такой вариант соединения применять не рекомендуется. Для того чтобы овладеть технологией электросварки, стоит первоначально купить хороший заводской аппарат для сварки.

Контактная сварка своими руками из микроволновки
Чтобы сделать в бытовых условиях сварочный трансформатор своими руками, понадобятся следующие инструменты и материалы:
- основание для монтажа элементов конструкции сварочного аппарата;
- исходя из потребной мощности агрегата, понадобится один/два трансформатора от старой микроволновки;
- медный провод большого сечения или связка проводов малого сечения;
- один рычаг определенной длины;
- прижимные рычаги;
- струбцины зажимные;
- кабели, материалы для обмотки;
- комплект отверток;
- медные электроды.
Сборка трансформатора
Главная составляющая любого устройства контактной сварки — это трансформатор, который, как говорилось ранее, можно демонтировать со старой микроволновой печи.
Рекомендации
- Чтобы устройством, сделанным своими руками, можно было соединять листовое железо толщиной менее 1 мм, трансформатор должен иметь мощность от 1 кВт. При использовании в конструкции двух трансформаторов мощность агрегата, соответственно, будет намного больше.
- Чтобы самостоятельно сделать такой инструмент для контактной сварки, трансформатор от микроволновой печи нужен не целиком, а только его отдельные элементы — первичная обмотка, магнитный провод. Из трансформатора удаляют шунты, вторичную обмотку.
- Для новой обмотки (2-3 витка будет достаточно) используется многожильный провод, диаметр которого должен составлять не менее 1 см. Если на проводе достаточно толстый изоляционный слой, его можно аккуратно снять и заизолировать провод специальной тканевой лентой.
- При одновременном использовании сразу двух трансформаторов вторичная обмотка делается общей.
Заключительной стадией сборки инструмента для сварки медных проводов являются установка механизмов управления, подсоединение электродов, объединение всех элементов конструкции в едином корпусе, который также берется со старой, неработающей бытовой техники.
electrod.biz
