Заземление для водонагревателя в частном доме – Как в частном доме заземлить бойлер
Как в частном доме заземлить бойлер
Подготовка
Чтобы как можно лучше в частном доме заземлить бойлер, нужно сделать качественный контур заземления и правильно его подключить.

Для этого нужны будут следующие инструменты и материалы:
- Металлический уголок или профиль с шириной стороны 5 см. Понадобится около 18 метров для электродов и их соединения.
- Металлическая проволока или полоса, шириной не менее 3 мм для подведения заземления к щитку.
- Электросварка, которой будет свариваться конструкция контура.
- Болгарка для резки уголков и проволоки. Перфоратор для сверления отверстия в доме для введения заземления.
- Кувалда, которой будут забиваться профиля в землю.
- Трехжильный кабель для проведения электричества в доме от щитка к розетке.
- Современная розетка с клеммой для заземления. Автомат соответствующий мощности накопительного водонагревателя.
- Отвертка, пробник, нож.

Прежде всего, надо выбрать место для будущего размещения контура. Оно должно находиться не дальше пяти метров от щитка. Главное, чтобы сверху не ходили люди и домашние животные, так как в случае пробоя электричество уйдет в землю вокруг. Если в это время там будет кто-то проходить, его ударит током. Можно сделать своими руками сверху этого места декоративное украшение из камней или специально огородить его забором.
Сбор контура
Разрезаем уголок на шесть полосок по три метра. Одну сторону трех из них срезаем под острым углом болгаркой, в дальнейшем будет намного легче их забивать в землю. Вырываем в земле канаву треугольной формы, с длиной стороны чуть больше трех метров и глубиной 30-50 см. В углы полученного треугольника остриями вниз устанавливаем профиля и помощью кувалды забиваем их практически на всю длину, оставив сантиметров 10 сверху.
Свариваем вбитые уголки между собой тремя оставшимися. По сути, на этом контур готов. По форме он напоминает стул с тремя ножками, закопанными в землю, как на фото. Теперь следует подключиться к щитку.
Делаем своими руками канаву от ближайшего угла контура к месту в доме, где расположен щиток. Просверливаем в цоколе дома сквозное отверстие. Проволока приваривается одной стороной к углу контура и по канаве через сделанное в цоколе отверстие заводится в дом.
Это нельзя делать с помощью провода, так как он со временем сгниет.

К концу проволоки, который находится в доме, приваривается шляпкой вниз шуруп. После этого закапываем контур и проволоку. Хорошо, если вы устанавливаете его в мягкую землю или глину, они хорошо проводят ток за счет высокого содержания солей. Если контур устанавливается в песок, место монтажа нужно полить солевым раствором.
Подключение в доме
На шуруп, приваренный к проволоке, наматывается оголенный кусок провода и закрепляется гайкой. И уже его выводят на щиток. В щитке устанавливается отдельный автомат и проводится трехжильный провод к розетке.
Характеристики автомата и сечение кабеля подбираются под мощность бойлера. Если у аппарата мощность 2-3,5 кВт, подойдет автомат на 10 ампер и медный кабель сечением 2 мм, для мощности накопительного водонагревателя от 3,5 до 4,5 кВт – автомат 16 ампер и кабель с сечением 2,5 мм, выше – 25 ампер, сечение 3 мм и выше.
Важно правильно подключить провода кабеля, для того, чтобы вы и профессиональный электрик мог правильно понять расположении фазы, нуля и заземления по цвету. Землю подключают на желтый, зеленый или зелено-желтый провод. Ноль подключают на синий провод, а фазу на третий. Обычно он белый, коричневый или черный. Розетку важно покупать с клеммой для заземления.

Далее проводится провод в коробе или канаве в стене, устанавливается розетка. Она должна находиться на расстоянии 50 см от корпуса водонагревателя и 80 см от пола. Запрещено устанавливать розетки над ванными и душевыми кабинками.
Техника безопасности
Все электрические работы следует проводить при отключенном токе. В любом случае перед тем, как касаться любого провода следует проверить его пробником. Запрещено подключать заземление к любым трубам.
Если в доме нет заземления и бойлер к нему не подключен, существует две потенциальные опасности:
- Любые электрические пробои будут идти на воду, и бить током того, кто ей пользуется. Это подвергает опасности вас и ваших близких.
- Блуждающие токи постепенно будут разрушать корпус бойлера, приводить к ржавлению его металлических элементов.
Если вы все сделали правильно, заземление должно уберечь вас от ударов током и преждевременной поломки бойлера. На всякий случай можно вызвать специалистов, которые с помощью специальных приборов проверят сопротивление вашего контура.
Вашему вниманию видео о заземлении в частном доме:
boilervdom.ru
Заземление водонагревателя в квартире, частном доме или на даче
Согласно регламентирующей документации, монтаж бойлера осуществляется в соответствии с такими профильными правилами и рекомендациями:
- отведение отдельной электрической линии питания;
- монтаж автоматического выключателя;
- установка заземляющего устройства прибора.
При размещении устройства в частном доме или в квартире осуществить заземление водонагревателя крайне необходимо. Такие защитные меры позволяют предохранить человека от удара током, блуждающего по сети. Важность заземления невозможно переоценить.
Зачем заземлять бойлер
Эксплуатация любого электрического прибора не исключает вариант возникновения сбоев в работе устройства. Причиной могут служить как внешние факторы воздействия, так и неполадки в конструктивных элементах.

Наличие заземляющего устройства бойлера позволит обезопасить пользователя от последствий следующих ситуаций:
- Внезапное повреждение изоляции трубчатого электронагревательного элемента (ТЭН). За счет значительного потенциала проводимости воды увеличивается опасность поражения человека электрическим током.
- Замыкание фазы на корпусе водонагревателя. Характерная ситуация для большинства электроприборов.
- Непрерывная циркуляция воды служит постоянным источником зарядов. Электростатические частицы обладают функцией постоянного накапливания.
Пользователь может получить электроожог при любой аналогичной ситуации с водонагревательным оборудованием.
Правильно реализовать заземление водонагревателя следует исходя из конструктивного соответствия прибора выбранной технике производства заземляющих работ. Поэтапная реализация технической составляющей — важный аспект, определяющий качество результата производства электромонтажа.
к содержанию ↑Поэтапность заземляющих работ
Вне зависимости от фирмы производителя и модели прибора в инструкции по подключению содержится рекомендация по необходимости заземлить устройство.
Этапы производства:
- Проверка устройства на наличие специальной заземляющей клеммы. При ее отсутствии работа производится при помощи специального контакта (в вилке и розетке). Нельзя осуществлять соединение розетки и бойлера через фазу напрямую — большая вероятность аварийного пробивания фазы.
- Поиск материала заземлителей. Оптимально подойдут отрезки уголка или части металлического круга. Длина заземлителей должна быть не менее двух метров, учитывая особенности промерзания земли в определенном регионе.
- Анализ оптимальных характеристик металлосвязи. Толщина полос стандартизирована (больше 4 мм), а длина подбирается исходя из характеристик заземлителей. Длины полос металлосвязи должно быть достаточно для объединения заземлителей в контур.

Заземление — комплекс взаимосвязанных задач. Подготовительный этап не менее важен, чем само его производство.
к содержанию ↑Подготовка
Производство любых работ по электромонтажу подразумевает наличие соответствующего строительного инвентаря. Обобщенный список необходимых материалов и строительных инструментов для организации защитного устройства бойлера:
- металлическая проволока;
- железные прутья, металлический уголок или аналогичный материал для заземлителя;
- болты, гайки и шайбы с высокопрочными механическими характеристиками;
- перфоратор с наличием сверла необходимого диаметра;
- сварочный аппарат, в приоритете — инверторного типа;
- молоток и гаечные ключи;
- станок для заточки.
На подготовительном этапе специалистом производится оценка электрической проводки объекта (кабель должен иметь соответствующее сечение), определяется подходящий материал заземлителей и форма их расположения.
Важно! Вне зависимости от выбранного материала элементы контура должны располагаться на расстоянии не менее трех метров. При выборе металлических штырей в качестве заземлителей можно придать заземляющему контуру форму треугольника (равностороннего).
Завершением подготовительного этапа производства работ выступает сборка заземляющего контура.

Сбор контура
Самыми распространенными элементами заземляющих устройств выступают штыревые заземлители, которые соединяются между собой в контур с применением сварки. Такой вариант оптимально подходит для заземления бойлера в частном доме или на даче.
к содержанию ↑На выбор материала заземлителя и принципа проведения всего заземляющего процесса влияет строительная составляющая объекта (частный дом, квартира или дача). В квартире производится заземление водонагревателя несколько иначе.
Заземление водонагревателя в квартире
Характерное отличие производства таких работ в квартире — само устройство заземляющего устройства. Чтобы как можно надежнее заземлить бойлер, стоит заземление водонагревателя произвести в такой последовательности:
- Поиск материала заземлителя. Металлическая деталь (стояк водопровода, отопительная система) соединяется при помощи провода с корпусом бойлера. Должен присутствовать контакт с землей. Первостепенно определяется наличие пластиковых вставок на стояке. В современных многоэтажных домах практически повсеместно старые трубы заменяются пластиковыми. Большие участки пластика пагубно сказываются на заземлении.
- Осуществляется соединение с корпусом бойлера. Большинство водонагревательных устройств имеют контакты, оптимизированные под заземление.
- Монтаж специальной розетки. Такой элемент электрической сети должен быть оснащен заземляющим проводом. Располагается на расстоянии свыше 80 см от пола.

Обратите внимание! Если в квартире старая проводка, ее заменяют на электрические кабеля с медными трехжильными составляющими.
Заземление, которое устанавливается в частном доме или на даче, помимо основных своих функций, обладает дополнительным функционалом — молниезащита. Удар молнии создаст распределение потенциала, посредством заземлителя ток перенаправится в землю.
к содержанию ↑Заземление бойлера в частном доме
Самостоятельная сборка контура заземления обособляет одно из основных отличий заземляющего устройства бойлера в частном доме от аналогичной работы в квартире.
Поэтапный принцип выполнения сборки штыревого контура:
- Резка металлического уголка. Изделие разрезается на 6 полосок (каждая по 3 метра). Одна сторона у трех из шести полосок срезается болгаркой. Формируется острый угол. Такая работа упрощает последующее забивание штырей в землю.
- Выравнивание канавы в земле. Формируется углубление треугольной формы. Глубина канавы от 30 до 50 сантиметров, длина стороны — немного больше 3 метров.
- Установка контура. По углам сформированной канавы треугольной формы монтируются профили (острием вниз, вбиваются кувалдой). Устанавливаются штыри почти на всю длину, зазор — 10 сантиметров. Посредством сварки производится соединение вбитых штырей с оставшимися тремя.
Сделать на даче заземление водонагревателя можно при устройстве аналогичного контура. После проведения работ получившийся контур заземления формой будет напоминать стул.

Завершающий этап работ — проверка контура на сопротивление (не должно превышать 4 Ом). Особенно актуально проводить такую проверку, когда происходит заземление водонагревателя проточного вида.
к содержанию ↑Значимость заземления проточного нагревателя
За счет отсутствия накопительного бака работа устройства реализуется напрямую через нагревательный элемент, взаимодействуя с потоком воды. Такие водонагреватели обязательно должны быть оборудованы заземлением.
Пример возможного варианта пробоя устройства лучшим образом аргументирует важность заземления проточного бойлера. Предположим, что имеет место пробой прибора. Результатом такого фазного пробоя корпуса устройства становится образование смертоносной токопроводящей цепочки:
Не допускается использовать проточный водонагреватель с рабочим заземлением без УЗО.
Существует общеобязательное нормативное регулирование производства заземляющего контура и его электромонтажа. Основное требование — выполнение работ в соответствии со всеми требованиями по технике безопасности.
к содержанию ↑Техника безопасности и советы специалистов
Все правила и профильные требования по технике безопасности заземления в обязательном порядке учитываются специалистом при производстве работ. Предусмотрена стандартизация данных такой документации, которая распространяется на производство всех видов электромонтажных и пусконаладочных работ, в том числе и на заземление.
Обобщив данные документации, регламентирующей заземление разного типа электрооборудования, можно выделить основную задачу заземлителя — реализация рабочей и защитной функции.
Реализация защитной функции позволит предотвратить поражение током жильцов при пробое электрической проводки или ТЭНа водонагревателя. Не менее значима рабочая функция заземляющего устройства водонагревателя.
Специалисты настоятельно рекомендуют не пренебрегать заземлением бойлера. Рабочая функция заземлителей увеличивает срок эксплуатации бойлера. Нержавеющая сталь, применяемая при изготовлении бака нагрева, подвергается воздействию блуждающих токов. Образовываются микропоры, нарушается общая герметичность прибора. Заземление позволяет нейтрализовать пагубное влияние на теплоизолированный бак за счет отвода токов.
Производство заземления водонагревателя можно представить в виде комплекса последовательного выполнения взаимосвязанных элементов. Каждый элемент заземляющей системы очень важен. Надежный уровень электрической безопасности жильцов и продолжительный срок службы водонагревателя — основные аргументы в пользу необходимости заземления устройства.
Заземление водонагревателя в квартире, частном доме или на даче
220.guru
Заземление водонагревателя в квартире и частном доме
Бойлер устанавливается в жилых помещениях для возможности быстрого нагрева воды. Он является электроприбором, обладающим высокой мощностью. Для того, чтобы сделать минимальным риск поражения электрическим током, необходимо подключить к водонагревателю заземление. К сожалению, большинство построек в современной России были выполнены еще в двадцатом веке, такая возможность для них не предусматривалась изначально. Оно и понятно — тогда использовались совершенно другие способы для нагрева воды, которые не имели ничего общего с электроэнергией. Проживая в таком здании, его жильцы либо игнорируют необходимость проведения заземления, либо делают это методом, далеким от определений правил эксплуатации электрооборудования. Это опасно для здоровья, жизни, а также сохранности самой квартиры, а то и всего дома. Если нет земли в старом доме, статья пояснит, зачем она нужна и какими принципами руководствоваться, чтобы заземлить бойлер самому. Итак, ниже мы постарались максимально подробно разъяснить, как сделать заземление водонагревателя в квартире и частном доме.
В чем опасность отсутствия «земли»?

Бойлеру не избежать контанкта с влагой, а она в свою очередь является хорошим проводником. При недостаточно хорошей изоляции при наличии пробоя на корпус водонагревателя, человек, коснувшийся его без средств индивидуальной защиты, может пропустить через свое тело электрический ток. Удар способен вызвать сильную боль, нервный паралич, потерю памяти, а то и вовсе привести к летальному исходу. Кроме того есть риск возникновения возгорания.
Также нельзя забывать о так называемых блуждающих токах. Они имеют свойство скапливаться на металлических элементах мощных электроприборов. Такие токи необходимо убирать, то есть заземлить прибор, избегая тем самым разрушения самих деталей и внешнего корпуса. Это явление также ощущается человеком и знакомо, как правило, по кратковременному воздействию тока на кожу.

Заземление, точнее его «тренога», с которой начинается разводка по жилому помещению, способно сделать приборы защищенными от удара молнией в грозу. Таким образом весь заряд уйдет в землю, оставив в сохранности электроприборы, в том числе водонагреватель.
Способы заземления бойлера
Наиболее примитивным методом заземлить бойлер в помещении является проводное соединение корпуса с любой металлической деталью, конструкция которой уходит под землю. Подойдет для этой цели, например, батарея центрального отопления. В современных реалиях у жильцов все более популярными становятся пластиковые трубы, в этом случае необходимо проверить стояк, возможно именно он является цельнометаллическим. К тому же важно знать, что заземлять электроприборы на трубопровод и прочие металлические конструкции категорически запрещается, поэтому данный способ организации защиты мы настоятельно рекомендуем обходить стороной (показан на фото ниже)!

Клеммы для присоединения контакта для заземления присутствуют у большинства современных электроустановочных устройств. Это касается, например, розеток с «усиками», которые как раз и являются проводником для «земли». Чтобы сделать грамотное подключение водонагревателя необходимо:
- Произвести установку розетки с контактом для заземления. Ее расположение должно превышать 80 см от уровня пола и полметра от самого бойлера.
- В случае, если дом старый, в нем проведены двухжильные провода. Их необходимо заменить на трехжильные. Одна из жил должна иметь зелено-желтую изоляцию, именно ее правильно пускать на заземление. Провод идет до самого электрощита, который, в свою очередь, также должен быть заземлен.
- Чтобы выполнить проведение нового кабеля своими руками, придется заново сделать штробу для него. Это трудозатратный процесс. Есть более простой выход с использованием кабель-каналов, однако применять его в квартире — не комильфо.
- Отключив вводной автоматический выключатель, нужно присоединить нужные жилы к клеммам розетки (соблюдая цветовую маркировку проводов относительно «земли»)
- Подключить оставшиеся выводы к электрощиту. При этом земля подключается на специальную шину.
Если проводка двухпроводная, как, например, в хрущевке, можно пустить третью жилу через кабель-канал, избежав тем самым необходимость штробления. Это позволит избежать грязи и объемной работы, но выглядеть будет не слишком правильно. Однако это один из часто реализуемых вариантов, когда кабель двухжильный.
Еще один эффективный способ, позволяющий заземлить бойлер — подключить на линию водонагревателя устройство защитного отключения либо дифференциальный автомат с номиналом 10 либо 30 мА (ток утечки). В этом случае, даже если нет заземления в квартире, при возникновении опасной ситуации удара током удастся избежать, так как сработает УЗО и вся линия будет отключена от сети. О том, как подключить УЗО в квартире мы рассказывали в отдельной статье. Про подключение дифавтомата мы также говорили отдельно.

Бывают случаи, когда жильцы используют водонагреватель в ванной только отключенным. То есть вначале вода нагревается, затем бойлер отключается, и только после этого уже используется нагретая жидкость. Способ имеет право на существование, но крайне неудобен – вода остывает, ее может не хватить на весь процесс мытья, да и есть риск забыть отключить нагреватель вовремя. Заземление решит все эти проблемы.
В качестве совета – нужно покупать водонагреватели наиболее высокого качества. Они имеют хорошую изоляцию трубчатого электронагревателя, что позволит свести на нет возможность пробоя. О том, как выбрать накопительный водонагреватель для дома, мы рассказали в отдельной статье.
Процесс подключения заземляющего контакта для бойлера на даче или в частном доме полностью аналогичен описанному для квартир. Исключением служит лишь то, что саму конструкцию, которая сможет заземлить, необходимо возвести самостоятельно и строго руководствуясь правилами установки электрооборудования. О том, как сделать заземление в частном доме, мы рассказывали в отдельной статье.
В заключение хотелось бы отметить, что необходимость грамотного подключения заземления для бойлера, как и любого другого мощного электроприбора, обусловлена в первую и главную очередь безопасностью. Именно заземляющий контакт водонагревателя спасет жильцов от потенциальной возможности возникновения трагедии, а также обеспечит безопасность с точки зрения ликвидации риска пожара. Не стоит играть с судьбой, проще заземлить бойлер и сделать свою жизнь спокойнее. Надеемся, наша пошаговая инструкция по заземлению водонагревателя в квартире и частном доме была для вас полезной и помогла самостоятельно выполнить монтаж заземляющего контура!
Наверняка вы не знаете:
Нравится(0)Не нравится(0)samelectrik.ru
Как заземлить водонагреватель в квартире, как заземлить бойлер
В старом жилом фонде, где существуют регулярные перебои с горячим водоснабжением, наблюдается устойчивая тенденция к установке водонагревателей. Зачем люди покупают бойлеры?
- Горячая вода есть прямо здесь и сейчас. Нет необходимости ждать, пока пройдет запас остывшей воды по горячим трубам.
- Вы не зависите от исправности котельной и системы горячего водоснабжения.
- Решение о наличии в доме горячей воды вы принимаете самостоятельно, а не ждете милости от управляющей компании.

Безусловно, наличие в квартире автономного водонагревателя, это благо. Но его монтаж связан с большой ответственностью. В принципе, необходимо выполнить всего два условия, но от них напрямую зависит безопасность использования электроприбора.
- Бойлер должен быть надежно закреплен. При падении, 50–100 килограммовая емкость может наделать немало бед.
- Заземление водонагревателя в квартире или на даче — это условие, без которого его нельзя использовать в принципе.
Зачем нужно заземление
Если на корпус, или в емкость с водой, пробьет фаза — полезный электроприбор превратится в настоящего убийцу. Представьте, что вы находитесь в набранной ванне или стоите под включенным душем. А вода неожиданно становится источником питания с напряжением 220 вольт.
Причем попадание напряжения на корпус или в бак с водой происходит не по причине перетертой изоляции проводки, или неисправности платы управления. Любой бойлер оснащен электрическим нагревателем (ТЭНом), который всегда находится в воде. Стоит получить небольшое повреждение внутренней изоляции, или нарушить корпус ТЭНа по причине коррозии, вода сразу попадает под напряжение.
Все разговоры о том, что вода течет по стальным трубам, которые имеют контакт с физической «землей» — беспочвенны.
Во-первых: неизвестно, где находится ближайшая точка контакта трубы с «землей», а вы расположены рядом с бойлером. Так что электроток в первую очередь выберет мокрое человеческое тело в качестве проводника.
Во-вторых: в любом доме, даже старой постройки, большая часть стальных труб давно заменена на полипропиленовые. Так что контакта с «физической» землей может не быть вовсе.
Поэтому, заземление вашего бойлера — вопрос вашей же ответственности и безопасности.
Любой водонагреватель имеет в сетевом шнуре третий провод — для подключения к правильной розетке с заземлением. Кроме того, во многих моделях можно найти выделенный контакт шины заземления. В соответствии с требованиями ПУЭ, провод имеет желто-зеленую маркировку.

Если водонагреватель устанавливается специализированной бригадой
Казалось бы, не о чем беспокоиться. Профессионалы сделают все как надо. Но это не всегда справедливо. В первую очередь, необходимо проверить в договоре о проведение работ: есть ли вообще раздел о подключении к защитному заземлению. Поставив свою подпись под таким документом, бригадир несет ответственность (включая уголовную) за безопасность эксплуатации. Перед началом работ, поинтересуйтесь у установщиков: к чему будет подключена «земля» бойлера. Возможно, в вашем жилище вообще нет рабочего заземления. Тогда «мастера» используют в качестве земли, рабочий ноль.
Важно! Применение рабочего нуля вместо защитного заземления, равно как и соединение «земли» с «нулем» в щите питания — недопустимо!
Если установщики предложат вам такой вариант — либо не заключайте с ними договор, либо потребуйте иной схемы заземления. После проведения работ необходимо проверить правильность подключения «земли». Для этого произведите замер напряжения (с помощью мультиметра) сначала между фазой и нулем, затем между фазой и контактами, на которые подключено заземление бойлера. Не вдаваясь в подробности — напряжение должно немного отличаться. Если при замерах потенциал одинаковый (например, 219 вольт в обоих случаях), ваш бойлер будет работать без заземления!
Самостоятельное заземление водонагревателя
Когда речь идет о безопасности — надежнее выполнить работы самостоятельно. Причем в зависимости от места установки бойлера, способы обеспечения безопасности немного отличаются.
- Как заземлить водонагреватель на даче или в частном доме? Вне зависимости от того, оборудовано помещение штатной шиной «земли», или нет, подключить ее к электроприбору не составит труда. Грунт находится под ногами в буквальном смысле. Вам необходимо выбрать во дворе место, где в будущем не будут проводиться земляные работы, и установить контур заземления.
Выкопать по контуру треугольник со стороной 1 метр, забить по углам стальные трубы (профили уголки) и соединить их между собой с помощью сварки.
Получится самое настоящее защитное заземление, которое вы используете не только для защиты от бойлера, но и для всего жилища. Схематично это выглядит так:
Далее заводим проводник в дом, организуем щиток с клеммной колодкой для заземления электроприборов. В первую очередь тянем провод к розетке, в которую будет подключаться нагреватель. Если на корпусе есть отдельный контакт для «земли» — подключаем и его. Кроме того, бойлер должен быть подключен через УЗО. После устройства защитного отключения, монтируется обыкновенный автомат, с током срабатывания меньшим, чем вводной автомат на входе в дом.
- Как работает заземление на водонагреватель, если сделать его самостоятельно?
Когда фаза будет иметь контакт с корпусом, то через защитную «землю» произойдет фактическое короткое замыкание. Сработает автомат, и разъединит фазный провод. Если напряжения на корпусе недостаточно для срабатывания защиты, а вы находитесь в душевой кабинке, сопротивление по линии бойлер — вода — ваше тело, существенно выше, чем по контуру заземления. Вы ничего не почувствуете, поражения электротоком не произойдет.
В данном случае сработает УЗО, реагирующее на утечку тока через корпус. - Как заземлить водонагреватель в квартире, если штатной «земли» нет? Есть два способа, легальный и нелегальный. Правильный способ — организовать от вашей квартиры до ближайшего палисадника у подъезда прочную шину из арматуры. В земле построить настоящий контур заземления, и соединить эту конструкцию с вашим бойлером. На деле, такое решение возможно не всегда.
Способ полулегальный противоречит ПУЭ, но по крайней мере делает эксплуатацию бойлера более безопасной. Необходимо найти в квартире шахту прохождения магистрального водовода горячего водоснабжения. Затем убедиться в том, что эта труба вся стальная (как правило, это так), и она закопана в землю. На таких трубах есть перемычки для крепления за стену. Именно на этой полоске металла можно организовать контактную площадку. Подключив туда корпус бойлера, вы фактически полноценно его заземлите. Если такой возможности нет — необходимо зачистить участок трубы от краски, и прикрутить контактный зажим.
Однако при такой организации «земли» следует придерживаться важного правила: Когда бойлер греется — вы им не пользуетесь. После нагрева отсоединяете его от питания (автоматом, или выдернув из розетки), и можно лезть в ванну.
Если и такой способ невозможен — откажитесь от установки бойлера. Водонагреватель включать без заземления недопустимо!
Проточные нагреватели
Существует еще одна категория нагревателей — проточные. Они не имеют накопительной емкости-термоса, и работают напрямую с потоком воды, проходящей через нагревательный элемент.

Такие устройства представляют собой повышенную опасность. Проточный водонагреватель без заземления гарантировано приведет к поражению электротоком. Кроме того, если обычный бойлер с подключенным заземлением допускается использовать без УЗО, то проточный однозначно нельзя.

При пробое фазы на корпус, вы напрямую становитесь частью смертельной цепочки: фаза, струя воды, ваши руки, тело, земля (через пол). Поэтому без правильного заземления, не имеющего физической связи с рабочим нулем, даже не покупайте проточный нагреватель.
Совет: вне зависимости от планов приобрести бойлер, как можно быстрее организуйте правильное рабочее заземление в квартире. Если конечно у вас его нет.
Видео по теме
profazu.ru
Как заземлить водонагреватель в квартире или частном доме если нет заземления: принципы и способы заземления
Для привыкшего к комфорту человека отсутствие горячей воды даже в течение нескольких часов представляется катастрофой. Огромное разнообразие бытовых нагревательные устройств, в совокупности с доступной ценой, делают покупку и установку приборов простым способом решить проблему горячего водоснабжения. Однако, при монтаже, неопытные пользователи по халатности или незнанию «забывают» сделать заземление водонагревателя.

Накопительные водонагреватели – бойлеры
К чему приводит нарушение правил подключения к электросети, отсутствие заземления, а также как правильно сделать защиту от поражения током своими руками, рассказано в статье.
Для чего заземляют водонагреватель
Вода, поступающая в систему водоснабжения, является хорошим проводником, а электронагревательные приборы в квартирах и частных домах работают от электричества. Вне зависимости от типа электроприбора (проточный или накопительный) жидкость соприкасается с нагревательным элементом.

Контактная группа бойлера – жёлто-зелёный провод для заземления корпуса
В случае отгорания проводников, разрушения корпуса нагревателя, попадания фазного корпуса на корпус, контакта между водой и оголенным проводом не избежать. Жидкость становится проводником для тока утечки. В случаях, когда пользователь прикасается к незаземленному металлическому корпусу прибора или подставляет части тела под поток воды, электрический ток потечёт по пути: фаза 220 В – вода водонагревателя – тело человека – земля (через воду). Ощутимый удар, часто приводящий к летальным случаям, неизбежен.
В другом случае возможно возникновение разности потенциалов между двумя электроприборами (часто можно встретить не совсем верное название «блуждающие токи»), находящимися в одном помещении. В этом случае одновременное прикосновение к устройствам также приводит к ощутимым «пощипываниям». Заземление в таких случаях служит для выравнивания потенциалов контуров. Кроме того, наличие «лишних» потенциалов на приборах ускоряет их разрушение.
Способы и принципы заземления
Существует два различных способа защиты от поражения электрическим током – защитные заземления и зануление. По незнанию авторы часто их называют одним словом заземление.
В чем различие? В случае «настоящего» заземления металлический корпус электроприбора соединяется отдельным проводником со специальным контуром. Как его изготовить в частном доме или на даче расскажем ниже.

Структурные схемы подключения заземления и зануления
В этом случае попавшее на прибор рабочее напряжение отводится по пути: корпус электроустановки – проводник – шина заземления – земля. Сопротивление такого контура согласно правилам устройства электроустановок не должно превышать 4 ОМ, что намного меньше сопротивления кожи человека. Таким образом, весь ток уйдёт в землю. Если значения силы тока велики, то сработает автомат защиты – электропитание электроустановки потребителя (так правильно называют электроприборы) будет отключено.
В случае зануления в розетке присутствует дополнительный провод (окрашен в жёлто-зелёный цвет) и называется РЕ-проводником. Провод зануления в нагревателе подключен к опасным частям электроприбора, которые могут стать источником утечки тока. При нарушении целостности нагревательного элемента, попадания фазы на корпус ток потечет по пути: фазный провод – корпус прибора (нагреватель) – защитный провод зануления – распределительный щиток квартиры. При превышении номинального тока сработает устройство защиты.
Выбор типа заземления любого вида водонагревателей в квартире зависит от организованной схемы электропитания жилого дома.
Как нельзя заземлять электроприборы
Существует несколько простых, на первый взгляд, способов организовать защиту в своей квартире, но пользоваться которыми категорически запрещено:
- Соединение третьего провода в розетке с трубами водопровода или отопления, проходящими по кухне или в ванной комнате.

Запрещенное заземление на водопроводную трубу
- В случае пробоя фазы на корпус нагревателя или стиральной машины весь опасный потенциал попадёт на стояк подъезда. Сосед, открывший воду, обречён на электрический удар. Тем более такой способ не действует в случае замены части металлических труб пластиковыми аналогами – «заземление» не выполнит своей функции.
- Объединение в розетке нулевого и заземляющего контактов. Обрыв нуля в таких случаях приводит к появлению опасного напряжения на корпусах всех включенных в сеть квартиры потребителей.
- Заземление нескольких приборов последовательно друг за другом. При возникновении неисправности в одном устройстве все остальные окажутся под опасным напряжением.
- Соединение нескольких проводов на одну клемму шины. Для каждого устройства должен быть предусмотрен отдельный контакт.
- Самостоятельное изготовление заземляющих устройств и подключение к ним шины. Такие устройства могут нарушить работу всей системы энергоснабжения дома и не выполнить своего предназначения вовсе.
Схема электропроводки многоквартирного дома
До 1998 года согласно действующим тогда нормативам большинство домов было запитано по так называемой схеме TN-С или схема с глухозаземлённой нейтралью.
В дому подводился четырёхжильный кабель, в котором было 3 фазы и один нулевой проводник. В квартире такую систему опознать просто – все розетки не имеют защитного контакта, они двухконтактные.
В домах современной постройки электропитание подводится пятижильным кабелем (TN-S проводка), в котором рабочий и защитный нулевые провода разделены. Розетки имеют защитный контакт, также, как и при использовании схемы TN-C-S. Существуют и другие схемы заземлений.

Схемы организации заземления
«На рисунке показаны возможные варианты схем организации электропитания и заземления. Если нет точной информации, какая схема организована в вашем доме, обратитесь к энергетику управляющей компании».
Как заземлить водонагреватель в старом доме
В домах старой постройки для организации заземления придётся выполнить ряд работ и потратиться на приобретение материалов.
Приобретают медный одножильный провод с сечением не менее 4 мм2, который с одной стороны подключается к контакту заземления на электроприборе. Другой конец провода присоединяют к шине в межэтажном щитке. Желательно провод проложить в штробе, для исключения повреждения. Для подключения на концы провода припаивают контакт для затяжки под болт.
Использование УЗО
Другой способ обезопасить себя от поражения электрическим током установить устройство защитного отключения (УЗО) или дифференциальный автомат.
Прибор ставится отдельно на водонагреватель или на общий ввод электропроводки.
Суть работы устройств, если говорить кратко, заключается в следующем. Прибор устанавливается в разрыв обоих проводников (фазы и нуля), по которым осуществляется электропитание помещений. При нормальных условиях эксплуатации токи, протекающие по фазному и нулевому проводнику равны. Питание остаётся подключенным.
При возникновении тока утечки через один из проводов значения протекающих токов станут различными. Устройство защитного отключения или дифференциальный автомат отключат оба проводника от потребителя.

Схема включения УЗО
Для монтажа в жилых помещениях предусмотрена установка таких приборов отключения, которые срабатывают на ток утечки 30 мА. Время срабатывания приборов не позволяет получить электрический удар опасный для здоровья.
Что делать в частных домах
Обустроить индивидуальную систему заземления в частном доме или на даче по силам любому владельцу недвижимости.
Важно! Если недостаточно специальных знаний настойчиво рекомендуем обратиться к специалисту-электрику управляющей компании посёлка (правления дачного общества). Это поможет избежать ошибок при строительных работах и при подключении.
В любом случае выполнить общестроительную часть лучше самостоятельно – это сбережет значительную сумму денежных средств.

Строительная часть изготовления индивидуального заземления
Порядок изготовления:
- Отступив от фундамента дома 1,5 – 2 метра роют траншею по форме равностороннего треугольника со стороной 2 – 2,5 м. Глубина углубления 60 см, ширина – 40 – 50 см. Между треугольником и стеной дома также роют углубление для подводки шины к распределительному щитку.
- По углам треугольника в землю вбивают штыри из металлической арматуры диаметром 12 – 14 мм, оставляя над дном траншеи 5-10 см.
- Вбитые штыри соединяют между собой, приваривая металлическую полосу толщиной 4 мм и шириной от 40 мм. Такую же полосу, приварив к штырям, выводят на стену здания.
- Траншею зарывают.
- К полосе, выведенной на стену, приваривают болты с диаметром резьбы 8-10 мм – к ним будут подключаться провода заземления от бытовых электроприборов (бойлеры, стиральные и посудомоечные машины, различные станки).
- Клемму заземления нагревателя одножильным медным проводом сечением 4 мм2 или алюминиевым сечением 6 мм2 соединяют с болтом, приваренным на шину. Подключение проводят «под болт».
Итак, подключение бытовых водонагревателей и других энергоёмких приборов к системе защитного заземления вызвано необходимостью соблюдения правил техники безопасности.
Устройство спасает жизни пользователей при неисправностях электроприборов и сводит к минимуму вероятность возникновения пожаров. Несложная в выполнении система заземления поможет избежать трагедий при пользовании электроприборами.
technosova.ru
Как сделать заземление водонагревателя на даче

- Чем опасно отсутствие заземления бойлера
- Водонагреватель может загореться
- Как пользоваться водонагревателем без заземления
- Особенности заземления бойлера
- Как сделать заземление на даче для водонагревателя
Чем опасно отсутствие заземления бойлера
Нет смысла говорить о роли бойлера в частном доме. Поговорим о том, насколько важно заземлить его, и как это сделать правильно. Разумеется, если вы хотите остаться в живых после приема горячей ванны.
Заземление водонагревателя на даче, в частном доме, в квартире защищает вас от поражения током при контакте с водой. Со временем даже самые качественные бойлеры могут выйти из строя. Коррозия тэнов и повреждения проводки — не самые редкие причины поломок. Обе приводят к появлению напряжения не только в рабочей цепи нагревателя, но в воде, которой вы будете пользоваться. Появляются два варианта развития событий: в одном случае заземление организовано корректно, и сработает УЗО, отключит питание, а вы отделаетесь легким испугом, в другом — заземление отсутствует, и вы скоро отправитесь в больницу. Повреждения компонентов бойлера не обязательны для удара током. Неправильное подключение другой техники, повреждения проводки или обычная гроза могут стать причиной поражения электричеством при использовании водонагревателя.
Водонагреватель может загореться.
Отдельно стоит отметить возможность пожара при неправильной установке бойлера. Вода в водонагревателях накапливается в относительно герметичной емкости. Но остальные компоненты находятся за пределами этой емкости и только тэн и датчик температуры контактируют с водой. При появлении избыточного напряжения или коротком замыкании элементы бойлера могут загореться, что приведет к пожару.
Как пользоваться водонагревателем без заземления
Использовать бойлер без заземления — идея далекая от разумной. Но есть способ несколько обезопасить себя в отсутствии заземлителя. Перед использованием воды достаточно отключить водонагреватель от сети. Подобное решение сложно назвать удобным или надежным, особенно если вы используете проточный водонагреватель.
Особенности заземления водонагревателя
Заземление накопительного водонагревателя мало чем отличается от заземления любой другой техники. На даче достаточно подключить заземляющий провод к уходящей в землю арматуре, а лучше полноценной заземляющей конструкции.
Заземление проточного водонагревателя организуется подобным образом. Единственное серьезное отличие проточного нагревателя от накопительного в том, что проточный невозможно отключить перед началом использования, что делает его более опасным без надлежащего заземления. Для большей безопасности важно использовать при подключении бойлера УЗО.
Как сделать заземление на даче для водонагревателя
В качестве основы заземляющей конструкции подойдет любой металлический лом, который достаточно сварить треугольником и приварить сварочным аппаратом к уходящим в землю металлическим кольям. Подобная конструкция станет полноценным заземлителем. Если же вы не уверены в эффективности такой конструкции, желаете проверенное и надежное решение, а также хотите иметь гарантию, обратитесь за организацией заземления в Алеф Эм.
Не раздумывайте, нужно ли заземление на даче для бойлера. Без него вы станете элементом цепи, по которой течет электрический ток. Закажите заземление или сделайте его сами.
Форма заказа консультации по заземлению
groze.net
Подключение водонагревателя без заземления
Для привыкшего к комфорту человека отсутствие горячей воды даже в течение нескольких часов представляется катастрофой. Огромное разнообразие бытовых нагревательные устройств, в совокупности с доступной ценой, делают покупку и установку приборов простым способом решить проблему горячего водоснабжения. Однако, при монтаже, неопытные пользователи по халатности или незнанию «забывают» сделать заземление водонагревателя.

Накопительные водонагреватели – бойлеры
К чему приводит нарушение правил подключения к электросети, отсутствие заземления, а также как правильно сделать защиту от поражения током своими руками, рассказано в статье.
Для чего заземляют водонагреватель
Вода, поступающая в систему водоснабжения, является хорошим проводником, а электронагревательные приборы в квартирах и частных домах работают от электричества. Вне зависимости от типа электроприбора (проточный или накопительный) жидкость соприкасается с нагревательным элементом.

Контактная группа бойлера – жёлто-зелёный провод для заземления корпуса
В случае отгорания проводников, разрушения корпуса нагревателя, попадания фазного корпуса на корпус, контакта между водой и оголенным проводом не избежать. Жидкость становится проводником для тока утечки. В случаях, когда пользователь прикасается к незаземленному металлическому корпусу прибора или подставляет части тела под поток воды, электрический ток потечёт по пути: фаза 220 В – вода водонагревателя – тело человека – земля (через воду). Ощутимый удар, часто приводящий к летальным случаям, неизбежен.
В другом случае возможно возникновение разности потенциалов между двумя электроприборами (часто можно встретить не совсем верное название «блуждающие токи»), находящимися в одном помещении. В этом случае одновременное прикосновение к устройствам также приводит к ощутимым «пощипываниям». Заземление в таких случаях служит для выравнивания потенциалов контуров. Кроме того, наличие «лишних» потенциалов на приборах ускоряет их разрушение.
Способы и принципы заземления
Существует два различных способа защиты от поражения электрическим током – защитные заземления и зануление. По незнанию авторы часто их называют одним словом заземление.
В чем различие? В случае «настоящего» заземления металлический корпус электроприбора соединяется отдельным проводником со специальным контуром. Как его изготовить в частном доме или на даче расскажем ниже.

Структурные схемы подключения заземления и зануления
В этом случае попавшее на прибор рабочее напряжение отводится по пути: корпус электроустановки – проводник – шина заземления – земля. Сопротивление такого контура согласно правилам устройства электроустановок не должно превышать 4 ОМ, что намного меньше сопротивления кожи человека. Таким образом, весь ток уйдёт в землю. Если значения силы тока велики, то сработает автомат защиты – электропитание электроустановки потребителя (так правильно называют электроприборы) будет отключено.
В случае зануления в розетке присутствует дополнительный провод (окрашен в жёлто-зелёный цвет) и называется РЕ-проводником. Провод зануления в нагревателе подключен к опасным частям электроприбора, которые могут стать источником утечки тока. При нарушении целостности нагревательного элемента, попадания фазы на корпус ток потечет по пути: фазный провод – корпус прибора (нагреватель) – защитный провод зануления – распределительный щиток квартиры. При превышении номинального тока сработает устройство защиты.
Выбор типа заземления любого вида водонагревателей в квартире зависит от организованной схемы электропитания жилого дома.
Как нельзя заземлять электроприборы
Существует несколько простых, на первый взгляд, способов организовать защиту в своей квартире, но пользоваться которыми категорически запрещено:
- Соединение третьего провода в розетке с трубами водопровода или отопления, проходящими по кухне или в ванной комнате.

Запрещенное заземление на водопроводную трубу
- В случае пробоя фазы на корпус нагревателя или стиральной машины весь опасный потенциал попадёт на стояк подъезда. Сосед, открывший воду, обречён на электрический удар. Тем более такой способ не действует в случае замены части металлических труб пластиковыми аналогами – «заземление» не выполнит своей функции.
- Объединение в розетке нулевого и заземляющего контактов. Обрыв нуля в таких случаях приводит к появлению опасного напряжения на корпусах всех включенных в сеть квартиры потребителей.
- Заземление нескольких приборов последовательно друг за другом. При возникновении неисправности в одном устройстве все остальные окажутся под опасным напряжением.
- Соединение нескольких проводов на одну клемму шины. Для каждого устройства должен быть предусмотрен отдельный контакт.
- Самостоятельное изготовление заземляющих устройств и подключение к ним шины. Такие устройства могут нарушить работу всей системы энергоснабжения дома и не выполнить своего предназначения вовсе.
Схема электропроводки многоквартирного дома
До 1998 года согласно действующим тогда нормативам большинство домов было запитано по так называемой схеме TN-С или схема с глухозаземлённой нейтралью.
В дому подводился четырёхжильный кабель, в котором было 3 фазы и один нулевой проводник. В квартире такую систему опознать просто – все розетки не имеют защитного контакта, они двухконтактные.
В домах современной постройки электропитание подводится пятижильным кабелем (TN-S проводка), в котором рабочий и защитный нулевые провода разделены. Розетки имеют защитный контакт, также, как и при использовании схемы TN-C-S. Существуют и другие схемы заземлений.

Схемы организации заземления
«На рисунке показаны возможные варианты схем организации электропитания и заземления. Если нет точной информации, какая схема организована в вашем доме, обратитесь к энергетику управляющей компании».
Как заземлить водонагреватель в старом доме
В домах старой постройки для организации заземления придётся выполнить ряд работ и потратиться на приобретение материалов.
Приобретают медный одножильный провод с сечением не менее 4 мм 2 , который с одной стороны подключается к контакту заземления на электроприборе. Другой конец провода присоединяют к шине в межэтажном щитке. Желательно провод проложить в штробе, для исключения повреждения. Для подключения на концы провода припаивают контакт для затяжки под болт.
Использование УЗО
Другой способ обезопасить себя от поражения электрическим током установить устройство защитного отключения (УЗО) или дифференциальный автомат.
Прибор ставится отдельно на водонагреватель или на общий ввод электропроводки.
Суть работы устройств, если говорить кратко, заключается в следующем. Прибор устанавливается в разрыв обоих проводников (фазы и нуля), по которым осуществляется электропитание помещений. При нормальных условиях эксплуатации токи, протекающие по фазному и нулевому проводнику равны. Питание остаётся подключенным.
При возникновении тока утечки через один из проводов значения протекающих токов станут различными. Устройство защитного отключения или дифференциальный автомат отключат оба проводника от потребителя.

Схема включения УЗО
Для монтажа в жилых помещениях предусмотрена установка таких приборов отключения, которые срабатывают на ток утечки 30 мА. Время срабатывания приборов не позволяет получить электрический удар опасный для здоровья.
Что делать в частных домах
Обустроить индивидуальную систему заземления в частном доме или на даче по силам любому владельцу недвижимости.
Важно! Если недостаточно специальных знаний настойчиво рекомендуем обратиться к специалисту-электрику управляющей компании посёлка (правления дачного общества). Это поможет избежать ошибок при строительных работах и при подключении.
В любом случае выполнить общестроительную часть лучше самостоятельно – это сбережет значительную сумму денежных средств.

Строительная часть изготовления индивидуального заземления
- Отступив от фундамента дома 1,5 – 2 метра роют траншею по форме равностороннего треугольника со стороной 2 – 2,5 м. Глубина углубления 60 см, ширина – 40 – 50 см. Между треугольником и стеной дома также роют углубление для подводки шины к распределительному щитку.
- По углам треугольника в землю вбивают штыри из металлической арматуры диаметром 12 – 14 мм, оставляя над дном траншеи 5-10 см.
- Вбитые штыри соединяют между собой, приваривая металлическую полосу толщиной 4 мм и шириной от 40 мм. Такую же полосу, приварив к штырям, выводят на стену здания.
- Траншею зарывают.
- К полосе, выведенной на стену, приваривают болты с диаметром резьбы 8-10 мм – к ним будут подключаться провода заземления от бытовых электроприборов (бойлеры, стиральные и посудомоечные машины, различные станки).
- Клемму заземления нагревателя одножильным медным проводом сечением 4 мм 2 или алюминиевым сечением 6 мм 2 соединяют с болтом, приваренным на шину. Подключение проводят «под болт».
Итак, подключение бытовых водонагревателей и других энергоёмких приборов к системе защитного заземления вызвано необходимостью соблюдения правил техники безопасности.
Устройство спасает жизни пользователей при неисправностях электроприборов и сводит к минимуму вероятность возникновения пожаров. Несложная в выполнении система заземления поможет избежать трагедий при пользовании электроприборами.
Для комфортного проживания в доме, когда хочется постоянно пользоваться горячей водой, а не зависеть от ремонтного графика монополистов, способных отключить эту воду на неизвестное количество дней, многие задумываются о приобретении бойлера.
Чаще всего выбор падает в сторону накопительного водонагревателя. Они бывают разных фирм Аристон, Дражице, Бакси и т.д., форм и конструкций — плоскими, цилиндрическими или вытянутыми.
Монтаж труб холодной и горячей воды у них может и отличаться, однако подключаются в сеть 220В они все однотипно.
Многие ошибочно полагают, для того чтобы подключить бойлер, достаточно воткнуть вилку в розетку и о большем не беспокоиться. Однако забывают, что именно в бойлере, в случае нарушения изоляции, через воду может произойти непосредственный контакт электричества с человеком.
- выбор сечения питающего кабеля (зависит от мощности бойлера)
- выбор автоматического выключателя для питания эл.сети бойлера
- выбор розетки
При ремонте в новых квартирах, на бойлер обычно проводят отдельную проводку непосредственно от щитка. Если же вы хотите подключить бойлер к старой общей проводке, на которой уже подключено несколько розеток, обязательно убедитесь, что она выдержит мощность бойлера.
В большинстве случаев, при мощности до 3,5квт, проводка должна быть выполнена 3-х жильным медным кабелем ВВГнГ-Ls, сечением не менее 2,5мм2.
Трехжильный кабель необходим для того, чтобы обеспечить постоянную связь с заземлением.
Автомат подключения бойлера выбирайте двухполюсный. Номинальный ток автомата 16А (достаточно при мощности бойлера до 3,5 кВт).
При нагрузке до 2кВт подойдет автоматический выключатель с номинальным током 10А.
Если бойлер подключается от розетки, то розетка должна иметь степень защиты IP44. Это розетки для помещений с повышенным уровнем влажности.
Запомните, что розетку в ванной можно размещать только в определенных местах. И есть зоны где это делать категорически запрещено. Подробнее об это можно прочесть в статье «Розетка в ванной комнате — 5 правил размещения».
Если в ней написано, что данный бойлер можно подключать двумя способами
- и через штатный шнур питания
то здесь гарантии вы не лишитесь.
К тому же при необходимости демонтажа аппарата со стены, при наличии вилки, вам не потребуется вызывать электрика для его отключения от питания. Вытащил вилку, снимай, переставляй, делай что хочешь.
Мощные бойлеры свыше 3,5квт, следует подключать только напрямую через автоматический выключатель, розеточное подключение здесь не допустимо.
Кабель нужно заводить так, чтобы не было пересечений с водопроводными трубами и местами будущего крепежа нагревателя.
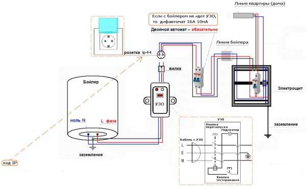
В питающей линии бойлера обязательна установка УЗО — устройства защитного отключения. Его по току выбирайте на один порядок выше, чем ток автомата. 
Ток утечки для УЗО – 10мА или 30мА.
Почему лучше 10мА, а не больше, можно понять из вот этой таблички воздействия тока на организм человека:
Существенный минус здесь, что на 10мА защита может ложно срабатывать. Особенно если у вас водонагреватель висит уже не первый год и в местах подключения клемм нередко образуется вот такой конденсат и влага.
Как проверить ложное это срабатывание или неисправен сам ТЭН? Для этого воспользуйтесь мультиметром.
Выключаете питающий автомат или вытаскиваете вилку с розетки и отсоединяете штатное заземление с корпуса титана.
Затем снимаете клеммные зажимы с самого тэна, и с помощью щупов измеряете сопротивление между корпусом бойлера и нагревательным элементом.
При исправности тэна, показания на экране мультиметра должны стремится к бесконечности, то есть быть примерно вот такими:
При пробое и повреждении нагревателя они будут либо нулевыми, но чаще всего могут составлять несколько сотен и даже килоОм. На фото ниже именно такой вариант
500кОм.
Очень часто, во многих последних моделях бойлера, УЗО с током утечки на 15мА уже идет встроенным в кабель для подключения к розетке. В этом случае устанавливать дополнительный аппарат защиты от тока утечки в щитке может и не потребоваться.
Однако не забывайте, что такое встроенное УЗО будет защищать от утечки только при повреждении в самом нагревателе, но никак не защитит вас при неисправности непосредственно в розетке или питающей проводке до нее.
Как найти такие и другие подобные неисправности и к чему это может привести, можно ознакомиться в статье ”Бьет током в ванной. 5 причин и что делать?”
А что делать, если вы не специалист в электричестве и сами не можете или не хотите лезть в электрощиток, дабы смонтировать там все требуемые аппараты защиты. Но при этом обезопасить себя все равно нужно.
Включаете ее в существующую розетку в ванной, а уже через нее втыкаете вилку от шнура бойлера.
Будет ли срабатывать устройство защитного отключения на бойлер, если у вас нет заземления? Будет. Эти две системы при работе вместе призваны дополнять друг друга.
В случае утечки тока на бойлере без заземления, аппарат защиты отработает лишь тогда, когда вы непосредственно прикоснетесь к баку или к воде из него (при включенных ТЭНах).
Схема подключения бойлера через розетку:
Электрическая схема водонагревателя:

Условная схема без розетки напрямую с щитка:

- установка розетки непосредственно под самим бойлером
Делать этого категорически нельзя. Розетки должны быть вынесены в сторону от нагревательного прибора и размещены выше смесителей. Не забывайте о предохранительном клапане и возможных протечках.
Клапан сработает как последняя ступень защиты, если термостат отказал. Кстати термостат нужно проверять в первую очередь, когда лампочка на панели не светится, и тэны не греют. Смотрите в каком положении кнопочка на элементе, она может быть «выбита».
- частой ошибкой при подключении аппарата напрямую в розетку, является желание отключить прибор путем выдергивания вилки в тот момент, когда вода еще не нагрелась и нагреватель все еще работает
Если его мощность достигает 3,5кВт, то при таком разрыве контактов может возникнуть искрение, с образование дуги. А так как ванная это помещение с повышенной влажностью, последствия могут быть не предсказуемыми.
- нельзя включать в сеть пустой бойлер без воды
ТЭН который установлен внутри, требует водяного охлаждения. Без него он попросту перегорит и выйдет из строя. Поэтому перед каждым включением проверяйте наличие воды в бойлере.
И вообще не рекомендуется держать титан без воды. Это уменьшает срок его службы. В полном баке содержится меньше кислорода, а соответственно и риск коррозии уменьшается.
Плюс магниевый анод, который тоже защищает от образования ржавчины, работает только при заполненном баке.
- подключение водонагревателя только через УЗО, либо только через автомат
Эти два аппарата защиты должны дублировать друг друга. УЗО защищает от тока утечки, а простой автомат от перегрузки и коротких замыканий.
Если позволяет бюджет, то вместо этих двух защитных элементов можно установить один дифф.автомат, он заменит оба прибора.
В чем опасность отсутствия «земли»?
Бойлеру не избежать контанкта с влагой, а она в свою очередь является хорошим проводником. При недостаточно хорошей изоляции при наличии пробоя на корпус водонагревателя, человек, коснувшийся его без средств индивидуальной защиты, может пропустить через свое тело электрический ток. Удар способен вызвать сильную боль, нервный паралич, потерю памяти, а то и вовсе привести к летальному исходу. Кроме того есть риск возникновения возгорания.
Также нельзя забывать о так называемых блуждающих токах. Они имеют свойство скапливаться на металлических элементах мощных электроприборов. Такие токи необходимо убирать, то есть заземлить прибор, избегая тем самым разрушения самих деталей и внешнего корпуса. Это явление также ощущается человеком и знакомо, как правило, по кратковременному воздействию тока на кожу.

Заземление, точнее его «тренога», с которой начинается разводка по жилому помещению, способно сделать приборы защищенными от удара молнией в грозу. Таким образом весь заряд уйдет в землю, оставив в сохранности электроприборы, в том числе водонагреватель.
Способы заземления бойлера
Наиболее примитивным методом заземлить бойлер в помещении является проводное соединение корпуса с любой металлической деталью, конструкция которой уходит под землю. Подойдет для этой цели, например, батарея центрального отопления. В современных реалиях у жильцов все более популярными становятся пластиковые трубы, в этом случае необходимо проверить стояк, возможно именно он является цельнометаллическим. К тому же важно знать, что заземлять электроприборы на трубопровод и прочие металлические конструкции категорически запрещается, поэтому данный способ организации защиты мы настоятельно рекомендуем обходить стороной (показан на фото ниже)!

Клеммы для присоединения контакта для заземления присутствуют у большинства современных электроустановочных устройств. Это касается, например, розеток с «усиками», которые как раз и являются проводником для «земли». Чтобы сделать грамотное подключение водонагревателя необходимо:
- Произвести установку розетки с контактом для заземления. Ее расположение должно превышать 80 см от уровня пола и полметра от самого бойлера.
- В случае, если дом старый, в нем проведены двухжильные провода. Их необходимо заменить на трехжильные. Одна из жил должна иметь зелено-желтую изоляцию, именно ее правильно пускать на заземление. Провод идет до самого электрощита, который, в свою очередь, также должен быть заземлен.
- Чтобы выполнить проведение нового кабеля своими руками, придется заново сделать штробу для него. Это трудозатратный процесс. Есть более простой выход с использованием кабель-каналов, однако применять его в квартире — не комильфо.
- Отключив вводной автоматический выключатель, нужно присоединить нужные жилы к клеммам розетки (соблюдая цветовую маркировку проводов относительно «земли»)
- Подключить оставшиеся выводы к электрощиту. При этом земля подключается на специальную шину.
Если проводка двухпроводная, как, например, в хрущевке, можно пустить третью жилу через кабель-канал, избежав тем самым необходимость штробления. Это позволит избежать грязи и объемной работы, но выглядеть будет не слишком правильно. Однако это один из часто реализуемых вариантов, когда кабель двухжильный.
Еще один эффективный способ, позволяющий заземлить бойлер — подключить на линию водонагревателя устройство защитного отключения либо дифференциальный автомат с номиналом 10 либо 30 мА (ток утечки). В этом случае, даже если нет заземления в квартире, при возникновении опасной ситуации удара током удастся избежать, так как сработает УЗО и вся линия будет отключена от сети. О том, как подключить УЗО в квартире мы рассказывали в отдельной статье. Про подключение дифавтомата мы также говорили отдельно.

Бывают случаи, когда жильцы используют водонагреватель в ванной только отключенным. То есть вначале вода нагревается, затем бойлер отключается, и только после этого уже используется нагретая жидкость. Способ имеет право на существование, но крайне неудобен – вода остывает, ее может не хватить на весь процесс мытья, да и есть риск забыть отключить нагреватель вовремя. Заземление решит все эти проблемы.
В качестве совета – нужно покупать водонагреватели наиболее высокого качества. Они имеют хорошую изоляцию трубчатого электронагревателя, что позволит свести на нет возможность пробоя. О том, как выбрать накопительный водонагреватель для дома, мы рассказали в отдельной статье.
Процесс подключения заземляющего контакта для бойлера на даче или в частном доме полностью аналогичен описанному для квартир. Исключением служит лишь то, что саму конструкцию, которая сможет заземлить, необходимо возвести самостоятельно и строго руководствуясь правилами установки электрооборудования. О том, как сделать заземление в частном доме, мы рассказывали в отдельной статье.
В заключение хотелось бы отметить, что необходимость грамотного подключения заземления для бойлера, как и любого другого мощного электроприбора, обусловлена в первую и главную очередь безопасностью. Именно заземляющий контакт водонагревателя спасет жильцов от потенциальной возможности возникновения трагедии, а также обеспечит безопасность с точки зрения ликвидации риска пожара. Не стоит играть с судьбой, проще заземлить бойлер и сделать свою жизнь спокойнее. Надеемся, наша пошаговая инструкция по заземлению водонагревателя в квартире и частном доме была для вас полезной и помогла самостоятельно выполнить монтаж заземляющего контура!
kalina-2.ru




