Деревянная теплица из поликарбоната своими руками чертеж – чертежи деревянной конструкции под пленку, как построить каркас, пошаговая инструкция
Примеры чертежей теплиц из поликарбоната, дерева, профильной трубы
Теплица является неотъемлемым атрибутом садоводства России и стран со схожим климатом. Поэтому вопрос строительства парников поднимается во многих семьях, живущих в частных домах. В некоторых случаях модели парников, предлагаемые изготовителями, не устраивают садоводов размерами, формами, конструктивным особенностями.
В этой статье будет рассмотрен вопрос самостоятельного проектирования этих сооружений. Также здесь будут представлены разные варианты чертежей теплиц из разных материалов.
Проектирование теплиц, чертежи
Совсем не сложно сделать теплицу из поликарбоната своими руками, чертежи которой подготовлены с должным вниманием.
Составляем проект дугообразной теплицы своими руками
Устройство теплицы, чертежи и проекты дугообразных построек имеют свои особенности. Технические характеристики укрывающего материала накладывают ограничения на высоту каркаса. Завязано все на двух моментах:
- Гнуть листы можно только поперек воздушных каналов.
- Стандартные размеры листа – 6 х 2,1 м.
Получается, чтобы согнуть поликарбонат в купол, его нужно располагать поперек каркаса. При этом средний радиус кривизны получится 1,9 м. Соответственно, ширина основания выйдет 3,8 м. Беда в высоте такой постройки – она равна радиусу, а 1,9 метра не всегда то, что нужно. Для примера – чертеж из профильной трубы 20 20.

Как создается теплица из профильной трубы своими руками, чертеж — набросок
Это совсем не повод отказываться от дугообразной формы каркаса. Из ситуации можно выйти, не внося серьезных изменений в проект. Надо добавить по нижнему краю постройки цоколь. Он не должен превышать 1 метра в высоту, однако этого хватит, чтобы увеличить ширину конструкции до 2,5 м, высоту до 2,25 м. Тут чертежи и размеры теплицы из поликарбоната своими руками задать не сложно – главное отнестись очень внимательно.

Как сделать теплицу из поликарбоната своими руками, чертежи, на фото арочная конструкция с цоколем
Обязательно делаем отдельный чертеж для монтажа укрывающего материала. Отмечаем расположение окон, особенности крепления листов на каркас.

Чертеж с параметрами монтажа укрывающего материала
Еще одна сложность, которая может подстерегать вас при проектировании и составлении чертежей теплицы из профильной трубы с размерами — особенности материала каркаса. Если нет возможности приобрести гнутый профиль, дуги придется делать из небольших отрезков, скрепляемых стальными пластинами. Для парника менее 5 метров длиной достаточно двух дуг, если больше – составляем чертеж так, чтобы дуга была каждые 3,5 – 4 метра. По такому же принципу можно проектировать деревянные сооружения.
Обратите внимание: ширина каркаса привязана к количеству грядок внутри нее. Так, комфортная для обработки ширина – не более 80 см. Возьмем парник на две грядки. Они забирают 1,6 м от всей ширины постройки, плюс пространство для прохода 90 см. Получается оптимальные параметры парника – 2,5 в поперечнике. Если грядки три, складываем три ширины грядок + два прохода, и т. д.
Делаем теплицу своими руками из поликарбоната, чертеж купольной конструкции
Проектирование теплицы с одно- или двускатной крышей
Чертеж деревянной теплицы, сделанной своими руками, двух- или односкатной, лучше привязать к размерам листов поликарбоната. Тут речь идет не только об удобстве монтажа, но и о экономии материалов.
- Длина постройки – 6 м – стандартная длина листа.
- Высота прозрачной стороны – 2,1 м – стандартная ширина.
- Прямоугольник крыши – 6 х 3 м вместе с небольшими выносами за пределы каркаса. Это 1,5 листа укрывающего материала.
Сколько-нибудь серьезной кройки потребуют только фронтоны – тут надо будет подогнать поликарбонат под форму фронтона. Изготовление теплицы из профильной трубы, чертеж которой представлен ниже, будет очень простым, экономичным.

Один из вариантов создания деревянной теплицы из поликарбоната своими руками, чертежи составляем, ориентируясь на стандартный размер листа
К сведению: проект теплицы в чертежах должен быть составлен так, чтобы стропила располагались не далее 1 метра друг от друга. При этом они обязательно должны присутствовать в местах стыковки листов кровельного материала.
Постройка с вентиляционными форточками
С фундаментом и без
С фундаментом чаще всего делают деревянные постройки, так как опорные стойки в по понятным причинам нельзя просто вкопать/вбить в землю. Здесь используется ленточная система с армированием. При этом углубляться следует не менее чем на 30 см. Обязательно вносим в чертеж добавку на цоколь – минимум 20 см. Для такой теплицы добавляем систему креплений каркаса к фундаменту – уголки + метизы к ним. Чертеж этой части сооружения делаем отдельным.

Приблизительный чертеж фундамента
Легкие теплицы из металла — уголка или профтрубы — делаются без фундамента. Самый простой способ спроектировать такое сооружение своими руками – добавить к длине поперечных дуг по 80 – 90 см с каждой стороны. Эти концы будут вгоняться в землю, их длины хватит, чтобы надежно зафиксировать парник. Единственный недостаток примера чертежа теплицы из поликарбоната с размерами, указанными на рисунке – строительство ведется только из материалов, не подверженных коррозии.

Как делается теплица своими руками из поликарбоната, чертеж парника без фундамента
Чертежи конструкций разного типа
Очень неплох вариант теплицы из тонкого металлопрофиля, без фундамента, на обвязке – конструкция получается легкой, радиус, ширину, высоту может иметь любые. В сборке это своего рода конструктор, не требующий специальных навыков, большого количества рабочих рук. Надо только помнить один нюанс – тонкий профиль легко гнется. Этот момент обязательно учитываем при составлении чертежа. Шаг элементов должен составлять до 45 – 50 см. Сочленение элементов выполняется с помощью тройников и крестовин, на обвязку – крепеж «стакан».

Чертеж теплицы из поликарбоната с размерами 3х6, с каркасом из тонкой профтрубы
Подобным образом можно собрать двускатный парник. Расстояние между элементами приличное, поэтому профиль берем вместо алюминиевого стальной, чуть большего диаметра. Кроме того, в чертеж включаем фундамент, кирпичный или бетонный.

Двускатное сооружение
Еще один вариант теплицы на обвязке – двускатная теплица из алюминиевого профиля, с внутренними подкосами. Последние обязательно должны присутствовать, так как они обеспечивают необходимую жесткость конструкции. Острый угол крыши не даст скапливаться снегу на поверхности. Единственный минус хорошо заметен на чертеже – подкосы «съедают» пространство, ширина, высота сооружения уменьшается. Такой парник может иметь любые размеры, устанавливается на фундамент или просто на землю.

Пример каркаса теплицы из профильной трубы, чертеж с размерами и описанием деталей
Обратите внимание: следующий пример – теплица из дерева своими руками, чертежи подразумевают использование бруска сечением 50 х 40 мм, на фундаменте. Может применяться как летний и как зимний вариант – с одинарным или двойным стеклом. Чертеж такой постройки, если она более 5 м длиной, должен выполняться с учетом нормативов СНиП по снеговым, ветровым нагрузкам. Особенно это касается сооружений, которые будут остекляться.
Парник с деревянным каркасом
setroom.ru
Теплица из дерева своими руками чертежи
Теплица из дерева своими руками, чертежи каркаса и подробное описание. Предлагаем к рассмотрению, простую модель с пленочным покрытием, которую можно сделать относительно быстро.
Работы по изготовлению постройки можно разбить на несколько этапов:
• проектирование
• выбор места и устройство фундамента
• заготовка материала
• изготовление деталей
• сборка
ПРОЕКТИРОВАНИЕ
Разработаем эскизы и рабочие чертежи
Вид спереди
Вид сбоку
Размеры теплицы из дерева можно выбирать на ваше усмотрение.
Справка:
Для экономии материала и удобства работ, длину постройки необходимо выбирать кратно трем метрам – это стандартный размер развернутой рулонной полиэтиленовой пленки.
Если покрыть каркас поликарбонатом, расчет производите по методике предложенной в статье: «Как построить теплицу из поликарбоната своими руками» на страницах нашего сайта.
ВЫБОР МЕСТА И УСТРОЙСТВО ФУНДАМЕНТА
1. Спланируем площадку и очистим от мусора.
2. Вобьем колышки по периметру теплицы.
3. Разметим места установки «свай», роль которых будут выполнять металлические трубы ГОСТ 8734-75
4. Выкопаем при помощи «садового ручного бура» неглубокие ямки для устройства фундамента.
ЗАГОТОВКА МАТЕРИАЛА
Материал для изготовления:
• строганный деревянный брус 40х80 (мм)
• саморезы по дереву 4,8х120 (мм)
• полиэтиленовая пленка 0,1х3000 (мм)
• строганная деревянная планка 10х30 (мм)
• строительные гвозди 2х40 (мм) ГОСТ 4028-63
• труба металлическая Ø20 (мм)
• труба металлическая Ø20 (мм)
ИЗГОТОВЛЕНИЕ ДЕТАЛЕЙ
1. Нарежем детали в размер (нужной длины)
2. Торцуем детали (под нужным углом)
3. Сверлим отверстия, фрезеруем или вырезаем пазы в заготовках.
СБОРКА
1. Вставим металлические трубки (сваи) в просверленные отверстия нижних брусков каркаса.
2. Вставим сваи в выкопанные ямы и зафиксируем.
3. Установим нижние бруски по уровню и выровняем углы между ними.
Справка:
Расстояние между противоположными углами должно быть одинаковым.
Углы должны составлять 90°.
4. Сверху металлических труб диаметром 40 (мм) забьем деревянные пробки.
5. Установим металлические трубы, пробками вверх, в выкопанные ямы и зафиксируем.
7. Зальем раствором ямы и подождем несколько дней, пока раствор не схватится.
8. На трубы закрепим коньковую балку.
9. Соберем переднюю стенку.
10. Соберем заднюю стенку.
11. Стенки соединим продольными балками.
12. Установим поперечные стойки.
13. Соберем стропильную часть.
14. Установим двери.
15. Покроем конструкцию антисептиком по дереву.
16. Накроем теплицу полиэтиленовой пленкой.
ТИПЫ СОЕДИНЕНИЙ ДЕРЕВЯННЫХ БРУСКОВ
Сборка нижних углов

Соединение стропил и стоек

Соединение стропил и наддверной балки
Соединение стоек и нижних балок.

Вот так, теплица из дерева своими руками сделана.
Вентиляция осуществляется через дверные проемы.
Заказать чертеж
Поделитесь с друзьями!
kak-cdelat.ru
Выбор проекта для изготовления теплицы своими руками, чертежи и фото
Если по ряду причин вами было принято решение не приобретать стандартную модель заводского производства, а изготовить строение самостоятельно, то первое с чем придется столкнуться — разработка проекта теплицы в чертежах. Это обязательный этап подготовки, который должен минимизировать денежные затраты, упорядочить рабочие процессы и оптимизировать время на строительство.
В представленной статье приведены наиболее удачные примеры чертежей теплиц разных размеров и из различных материалов. Даны рекомендации по проектированию и критерии, согласно которым следует выбирать готовый чертеж.
Критерии разработки проекта
В интернете на специализированных сайтах можно найти уже готовые проекты для изготовления теплиц своими руками из поликарбоната, чертежи и заданные размеры. Перед выбором определенного типа необходимо определить, как именно будет использоваться сооружение.
Устройство теплицы из поликарбоната своими руками, чертежи и видео технического проекта:
- Прежде всего, на вид конструкции влияет интенсивность и сезонность эксплуатации. Если планируется использование строения круглый год, то целесообразно остановить выбор на чертежах теплицы термос, зимней модификации. Наиболее оптимальная форма для нее – это заглубленный отдельно стоящий двускатный домик или односкатное сооружение, примыкающее к стене дома.

Устройство теплицы из дерева своими руками, чертеж заглубленной конструкции
В случае примыкания к дому есть возможность использовать систему отопления коттеджа для нагрева теплицы. Это даст дополнительную экономию средств на устройствах отопления. В качестве покрытия целесообразно использовать рамы с энергосберегающими стеклопакетами или толстым, более 12-16 мм ячеистым поликарбонатом. Стоимость этих материалов довольно высока, но при интенсивной эксплуатации в зимнее время довольно быстро окупиться.

Сооружение пристенной заглубленной деревянной теплицы из поликарбоната своими руками – чертежи «солнечного вегетария»
- Опоры стеллажа;
- Трубы водяного обогрева;
- Стеллаж;
- Лежень основания;
- Деревянный скат с покрытием из стекла или поликарбоната;
- Вентиляционная вытяжка;
- Лежень пристенный;
- Пристенные опоры;
- Верхняя полка для выращивания зелени;
- Входящие трубы магистрали отопления и водопровода;
- Торцевой радиатор отопления;
- Поперечина;
- Откос;
- Шпрос;
- Приямок.
- Габариты теплицы определяются размерами участка. При этом целесообразно расположить строение по сторонам света. Ориентация с востока на запад может снизить ветровую нагрузку и более равномерно распределить солнечные лучи.

Устройство арки, чертеж и размеры теплицы из поликарбоната своими руками
- Выбор материалов, при всем многообразии, довольно ограничен. Для отделки, наиболее подходящими считается поликарбонат, стекло, а для сезонных парников полиэтиленовая пленка, простая или армированная. Последнюю, допускается не демонтировать зимой, если в регионе наблюдается незначительная снеговая нагрузка. В качестве материала для каркаса традиционно применяют деревянный брус или профильные трубы. Часто используют металлопрофиль различного типа и сечения и арматуру. В последнее время теплицы возводятся из полипропиленовых труб, металлопластиковых окон, и профилей для гипсокартона.

Схемы основных элементов и общий чертеж деревянной теплицы сделанной своими руками, конструкция Митлайдера
Важно! При выборе поликарбоната в качестве укрывного материала следует помнить, что от его толщины зависит стойкость конструкции. Чем толще лист, тем меньшее количество стропил нужно для теплицы.
Устройство теплицы своими руками из поликарбоната, чертеж раскроя поликарбонатного листа для торцевой стены строения 6×3 метра
Габаритные размеры
Не зависимо от материала или типа конструкции при устройстве теплицы чертежи и проекты должны отображать ключевые размеры: ширину, длину и высоту.

Чертеж теплицы из профильной трубы с размерами также подойдет для изготовления сооружения из дерева
Ширина
Стандартные теплицы, производимые в заводских условиях, имеют определенные ограничения по ширине – 1,8, 2,4, 3,0 м. при создании своего чертежа целесообразно сделать размеры кратными. Таким образом, при постройке можно будет использовать некоторые стандартные детали и крепежи. Кроме того размер грядок или стеллажей внутри сооружения должен быть в пределах 70-90 см. в этом случае огородник будет иметь прямой доступ к любому растению не опираясь на обрабатываемую землю.
Совет: Ширина дверей не менее 55-60 см для того чтобы можно было проехать садовой тачкой. Целесообразно оставить такую же ширину проходов между грядками. Таким образом, расчетная ширина может составлять 2,4 м при двухрядном (90×60×90) и 3,9 при трехрядном (70×55×140×55×70) расположении грядок.
Чертеж теплицы из поликарбоната с размерами в виде пирамиды Хеопса, на деревянном каркасе
Длина
Длина теплицы произвольная величина кратная основным размерам обшивочного материала. К примеру, для строения из поликарбоната длина должна быть кратной 1,22 м. Если планируется использовать полиэтиленовую пленку, то стандартного рулона длиной 30 м хватает на 24 м строение. С учетом всех напусков и материала, который пойдет на обшивку торцевых стен.
Если в качестве материала используются старые рамы, то все габариты, включая длину, определяют исходя из них. Так как стекло довольно дорогостоящий материал, который, к тому же, трудно обрабатывать малоопытному мастеру, ориентироваться необходимо на уже имеющуюся площадь остекления.
Важно! Создавая чертеж теплицы из поликарбоната с размерами 3×6, или 2,4×12 м следует учитывать толщину соединительных элементов несущих конструкций. Чтобы не доклеивать после окончания монтажа по 15-20 см поликарбонатного листа возле торцевой стены.
Как сделать теплицу из поликарбоната своими руками, чертежи на фото показывают укрупненную секцию и потенциальную длину сооружения
Высота
Она зависит от типа культуры, которая будет выращиваться в строении или от высоты стеллажей и их количества. Если чертеж конструкции подразумевает двускатную форму крыши, то ее высота должна быть 2-2,5 м, тогда у стены высота сооружения будет не менее 1,5 м. такой высоты вполне достаточно, чтобы индетерминантные (постоянно растущие) культуры чувствовали себя комфортно.

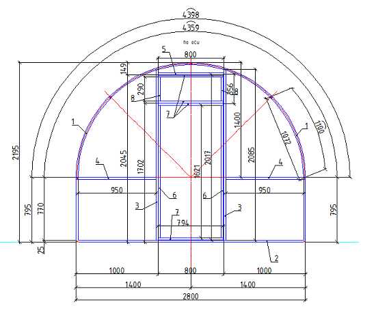
Устройство теплицы из профильной трубы своими руками, чертежи крепления двери и вентиляционных окон на торцах
Обратите внимание: Более компактные культуры хорошо себя чувствуют в строениях высотой 1,8 м, которые имеют арочную или купольную форму. В этом случае высоты у стенки в 50-80 см вполне достаточно для комфортного роста капусты, перца, редиски и зелени.Чертежи некоторых конструкций из популярных материалов
Наиболее долговечным и надежным материалом для теплицы остаются профиля из металла и трубы квадратного сечения 50×50 и 20×20 мм. Чертежи теплицы из профильной трубы 20х20 можно использовать для строительства таких же конструкций только из дерева, но значительно большего сечения.

Изготовление теплицы из профильной трубы, чертеж с размерами и ломаной конструкцией
В качестве крепления элементов каркаса между собой может использоваться электросварка, болты с гайками или специальные хомуты. Их применение наиболее просто, кроме того дает возможность быстрой разборки и передислокации теплицы на новое место.
Схема крепления каркаса теплицы из профильной трубы, чертежи размещения хомутов
Выводы
Тонкости проектирования отопительной и дренажной системы, а так же вентиляции достаточно сложны, поэтому рекомендуется воспользоваться готовыми проектами.
roomgood.ru
