ΠΠ°ΠΊ ΠΏΡΠ°Π²ΠΈΠ»ΡΠ½ΠΎ ΡΠ΄Π΅Π»Π°ΡΡ ΠΎΡΠΎΠΏΠ»Π΅Π½ΠΈΠ΅ ΠΈΠ· ΠΏΠΎΠ»ΠΈΠΏΡΠΎΠΏΠΈΠ»Π΅Π½ΠΎΠ²ΡΡ ΡΡΡΠ± β Π‘ΠΏΡΠ°Π²ΡΡΡΡ Π΄Π°ΠΆΠ΅ Π½ΠΎΠ²ΠΈΡΠΊΠΈ! ΠΠ·Π³ΠΎΡΠΎΠ²Π»Π΅Π½ΠΈΠ΅ ΡΠΈΡΡΠ΅ΠΌΡ ΠΎΡΠΎΠΏΠ»Π΅Π½ΠΈΡ Π² ΡΠ°ΡΡΠ½ΠΎΠΌ Π΄ΠΎΠΌΠ΅ ΠΈΠ· ΠΏΠΎΠ»ΠΈΠΏΡΠΎΠΏΠΈΠ»Π΅Π½ΠΎΠ²ΡΡ ΡΡΡΠ± ΡΠ²ΠΎΠΈΠΌΠΈ ΡΡΠΊΠ°ΠΌΠΈ
Π‘Ρ Π΅ΠΌΠ° ΠΎΡΠΎΠΏΠ»Π΅Π½ΠΈΡ ΠΈΠ· ΠΏΠΎΠ»ΠΈΠΏΡΠΎΠΏΠΈΠ»Π΅Π½ΠΎΠ²ΡΡ ΡΡΡΠ± Π² ΡΠ°ΡΡΠ½ΠΎΠΌ Π΄ΠΎΠΌΠ΅

ΠΠ΅Π»Π°Ρ ΡΠ΄Π΅Π»Π°ΡΡ ΡΠ²ΠΎΠΉ Π΄ΠΎΠΌ ΠΊΠΎΠΌΡΠΎΡΡΠ½Π΅Π΅ ΠΈ ΡΡΡΠ½Π΅Π΅, Ρ ΠΎΠ·ΡΠ΅Π²Π° ΡΠ°ΡΡΠΎ ΡΡΠ°Π»ΠΊΠΈΠ²Π°ΡΡΡΡ Ρ ΠΏΡΠΎΠ±Π»Π΅ΠΌΠΎΠΉ ΡΠΎΠ·Π΄Π°Π½ΠΈΡ ΠΈΠ»ΠΈ ΠΌΠΎΠ΄Π΅ΡΠ½ΠΈΠ·Π°ΡΠΈΠΈ ΡΠΈΡΡΠ΅ΠΌΡ ΠΎΡΠΎΠΏΠ»Π΅Π½ΠΈΡ ΡΠ²ΠΎΠΈΠΌΠΈ ΡΡΠΊΠ°ΠΌΠΈ. ΠΡΠ° Π·Π°Π΄Π°ΡΠ° Π²ΠΏΠΎΠ»Π½Π΅ ΠΏΠΎΠ΄ ΡΠΈΠ»Ρ ΠΊΠ°ΠΆΠ΄ΠΎΠΌΡ. ΠΠ°Π²Π°ΠΉΡΠ΅ ΠΏΠΎΠ΄ΡΠΎΠ±Π½ΠΎ ΡΠ°Π·Π±Π΅ΡΠ΅ΠΌΡΡ, Ρ ΡΠ΅Π³ΠΎ Π½Π°ΡΠΈΠ½Π°ΡΡ ΠΈ ΠΊΠ°ΠΊ Π΄Π΅ΠΉΡΡΠ²ΠΎΠ²Π°ΡΡ, ΡΡΠΎΠ± Π²Π°ΡΠ΅ Π²ΠΎΠ΄ΡΠ½ΠΎΠ΅ ΠΎΡΠΎΠΏΠ»Π΅Π½ΠΈΠ΅ Π½Π°Π΄Π΅ΠΆΠ½ΠΎ ΡΠ»ΡΠΆΠΈΠ»ΠΎ Π΄ΠΎΠ»Π³ΠΈΠ΅ Π³ΠΎΠ΄Ρ.
ΠΠΎΠ»ΡΡΠΈΠ½ΡΡΠ²ΠΎ Π²Π»Π°Π΄Π΅Π»ΡΡΠ΅Π² ΡΠ΅Π³ΠΎΠ΄Π½Ρ Π²ΡΠ±ΠΈΡΠ°ΡΡ ΠΏΠΎΠ»ΠΈΠΏΡΠΎΠΏΠΈΠ»Π΅Π½ΠΎΠ²ΡΠ΅ ΡΡΡΠ±Ρ ΠΈΒ ΡΠΈΡΠΈΠ½Π³ΠΈΒ Π΄Π»Ρ ΠΎΡΠΎΠΏΠ»Π΅Π½ΠΈΡ ΡΠ°ΡΡΠ½ΠΎΠ³ΠΎ Π΄ΠΎΠΌΠ°. Π ΡΡΠΎ Π²ΠΏΠΎΠ»Π½Π΅ Π·Π°ΠΊΠΎΠ½ΠΎΠΌΠ΅ΡΠ½ΠΎ, ΡΠ°ΠΊ ΠΊΠ°ΠΊ ΠΏΠΎΠ»ΠΈΠΏΡΠΎΠΏΠΈΠ»Π΅Π½ ΠΈΠΌΠ΅Π΅Ρ Π±ΠΎΠ»ΡΡΠΎΠ΅ ΠΊΠΎΠ»ΠΈΡΠ΅ΡΡΠ²ΠΎ ΠΏΡΠ΅ΠΈΠΌΡΡΠ΅ΡΡΠ² ΠΏΠΎ ΡΡΠ°Π²Π½Π΅Π½ΠΈΡ Ρ Π΄ΡΡΠ³ΠΈΠΌΠΈ ΠΌΠ°ΡΠ΅ΡΠΈΠ°Π»Π°ΠΌΠΈ ΠΏΡΠΈ ΡΡΠ°Π²Π½ΠΈΡΠ΅Π»ΡΠ½ΠΎ Π½ΠΈΠ·ΠΊΠΎΠΉ ΡΡΠΎΠΈΠΌΠΎΡΡΠΈ ΠΈ ΠΏΡΠΎΡΡΠΎΡΠ΅ ΠΌΠΎΠ½ΡΠ°ΠΆΠ°.
ΠΠΎΠ»ΠΈΠΏΡΠΎΠΏΠΈΠ»Π΅Π½ΠΎΠ²ΡΠ΅ ΡΡΡΠ±Ρ ΠΈΒ ΡΠΈΡΠΈΠ½Π³ΠΈ
ΠΠΎΠ΄ΡΠ½ΠΎΠ΅ ΠΎΡΠΎΠΏΠ»Π΅Π½ΠΈΠ΅ Ρ Π°ΡΠ°ΠΊΡΠ΅ΡΠΈΠ·ΡΠ΅ΡΡΡ ΠΎΡΠ½ΠΎΡΠΈΡΠ΅Π»ΡΠ½ΠΎ Π²ΡΡΠΎΠΊΠΎΠΉ ΡΠ΅ΠΌΠΏΠ΅ΡΠ°ΡΡΡΠΎΠΉ ΡΠ΅ΠΏΠ»ΠΎΠ½ΠΎΡΠΈΡΠ΅Π»Ρ, ΠΊΠΎΡΠΎΡΠ°Ρ ΠΌΠΎΠΆΠ΅Ρ Π²ΡΠ·Π²Π°ΡΡ Π·Π½Π°ΡΠΈΡΠ΅Π»ΡΠ½ΡΠ΅ ΡΠ΅ΠΏΠ»ΠΎΠ²ΡΠ΅ ΡΠ΄Π»ΠΈΠ½Π΅Π½ΠΈΡ ΡΡΡΠ±ΠΎΠΏΡΠΎΠ²ΠΎΠ΄ΠΎΠ². Π ΡΠ²ΡΠ·ΠΈ Ρ ΡΡΠΈΠΌ ΠΎΠ±ΡΡΠ½ΡΠΉ ΠΏΠΎΠ»ΠΈΠΏΡΠΎΠΏΠΈΠ»Π΅Π½ ΠΈΡΠΏΠΎΠ»ΡΠ·ΠΎΠ²Π°ΡΡ Π½Π΅Π»ΡΠ·Ρ, ΠΏΡΠΈΠΌΠ΅Π½ΡΡΡΡΡ ΠΈΡΠΊΠ»ΡΡΠΈΡΠ΅Π»ΡΠ½ΠΎ Π°ΡΠΌΠΈΡΠΎΠ²Π°Π½Π½ΡΠ΅ ΠΏΠΎΠ»ΠΈΠΏΡΠΎΠΏΠΈΠ»Π΅Π½ΠΎΠ²ΡΠ΅ ΡΡΡΠ±Ρ Π΄Π»Ρ ΠΎΡΠΎΠΏΠ»Π΅Π½ΠΈΡ. ΠΠ»Ρ ΡΡΠΈΠ»Π΅Π½ΠΈΡ ΠΏΠΎΠ»ΠΈΠΏΡΠΎΠΏΠΈΠ»Π΅Π½Π° ΠΈΡΠΏΠΎΠ»ΡΠ·ΡΠ΅ΡΡΡ ΡΡΠ΅ΠΊΠ»ΠΎΠ²ΠΎΠ»ΠΎΠΊΠ½ΠΎ Π»ΠΈΠ±ΠΎ Π°Π»ΡΠΌΠΈΠ½ΠΈΠΉ.
ΠΠΎΠ»ΠΈΠΏΡΠΎΠΏΠΈΠ»Π΅Π½ΠΎΠ²Π°Ρ ΡΡΡΠ±Π° ΡΠΎ ΡΡΠ΅ΠΊΠ»ΠΎΠ²ΠΎΠ»ΠΎΠΊΠ½ΠΎΠΌ

ΠΡΠΌΠΈΡΡΡΡΠΈΠΉ ΡΠ»ΠΎΠΉ ΠΈΠΌΠ΅Π΅Ρ Π·Π½Π°ΡΠΈΡΠ΅Π»ΡΠ½ΠΎ ΠΌΠ΅Π½ΡΡΡΡ ΡΡΠ΅ΠΏΠ΅Π½Ρ Π»ΠΈΠ½Π΅ΠΉΠ½ΠΎΠ³ΠΎ ΡΠ°ΡΡΠΈΡΠ΅Π½ΠΈΡ, ΡΠ΅ΠΌ ΠΏΠΎΠ»ΠΈΠΏΡΠΎΠΏΠΈΠ»Π΅Π½, ΠΈ ΠΏΡΠ΅ΠΏΡΡΡΡΠ²ΡΠ΅Ρ ΠΏΠΎΡΠ²Π»Π΅Π½ΠΈΡ ΡΠ°ΠΊΠΈΡ Π½Π΅ΠΆΠ΅Π»Π°ΡΠ΅Π»ΡΠ½ΡΡ ΡΠ²Π»Π΅Π½ΠΈΠΉ ΠΊΠ°ΠΊ ΠΈΠ·Π³ΠΈΠ±Π°Π½ΠΈΠ΅ ΠΈ ΠΏΡΠΎΠ²ΠΈΡΠ°Π½ΠΈΠ΅ ΡΡΡΠ±ΠΎΠΏΡΠΎΠ²ΠΎΠ΄ΠΎΠ² ΠΏΡΠΈ Π½Π°Π³ΡΠ΅Π²Π΅.
ΠΡΠΎΠ²ΠΈΡΠ°Π½ΠΈΠ΅ Π½Π°Π³ΡΠ΅ΡΡΡ Β ΡΡΡΠ±ΠΎΡΠΎΠ²ΠΎΠ΄ΠΎΠ²

ΠΡΠΎΠΌΠ΅ Π½Π΅ΠΏΡΠΈΠ³Π»ΡΠ΄Π½ΠΎΠ³ΠΎ Π²ΠΈΠ΄Π° Ρ ΡΡΡΠ΅ΡΠΈΡΠ΅ΡΠΊΠΎΠΉ ΡΠΎΡΠΊΠΈ Π·ΡΠ΅Π½ΠΈΡ, ΡΠ΅ΠΌΠΏΠ΅ΡΠ°ΡΡΡΠ½ΡΠ΅ Π΄Π΅ΡΠΎΡΠΌΠ°ΡΠΈΠΈ ΡΠΏΠΎΡΠΎΠ±Π½Ρ ΡΠΎΠ·Π΄Π°ΡΡ ΡΠ΅ΡΡΠ΅Π·Π½ΡΠ΅ Π½Π°ΠΏΡΡΠΆΠ΅Π½ΠΈΡ Π² ΡΡΡΠ±ΠΎΠΏΡΠΎΠ²ΠΎΠ΄Π°Ρ ΠΈ ΡΡΠ°ΡΡ ΠΏΡΠΈΡΠΈΠ½ΠΎΠΉ ΠΏΠΎΡΠ²Π»Π΅Π½ΠΈΡ ΡΡΠ΅ΡΠΈΠ½ Π² ΡΡΡΠΎΠΈΡΠ΅Π»ΡΠ½ΡΡ ΠΊΠΎΠ½ΡΡΡΡΠΊΡΠΈΡΡ Π»ΠΈΠ±ΠΎ ΡΡΠ΅ΡΠ΅ΠΊ ΡΠ΅ΠΏΠ»ΠΎΠ½ΠΎΡΠΈΡΠ΅Π»Ρ.
Π£ΡΠΈΠ»Π΅Π½ΠΈΠ΅ ΠΏΠΎΠ»ΠΈΠΏΡΠΎΠΏΠΈΠ»Π΅Π½ΠΎΠ²ΡΡ ΡΡΡΠ± Π΄Π»Ρ ΠΎΡΠΎΠΏΠ»Π΅Π½ΠΈΡ Ρ Π²Π²Π΅Π΄Π΅Π½ΠΈΠ΅ΠΌ Π²Π½ΡΡΡΠ΅Π½Π½Π΅Π³ΠΎ Π°Π»ΡΠΌΠΈΠ½ΠΈΠ΅Π²ΠΎΠ³ΠΎ ΡΠ»ΠΎΡ ΠΌΠΎΠΆΠ΅Ρ Π²ΡΠΏΠΎΠ»Π½ΡΡΡΡΡ 3 ΡΠ°Π·Π»ΠΈΡΠ½ΡΠΌΠΈ ΡΠΏΠΎΡΠΎΠ±Π°ΠΌΠΈ:
- Π‘Π»ΠΎΠΉ ΡΠΏΠ»ΠΎΡΠ½ΠΎΠ³ΠΎ ΠΌΠ΅ΡΠ°Π»Π»Π° Π½Π°Ρ ΠΎΠ΄ΠΈΡΡΡ Π²Π½ΡΡΡΠΈ ΠΏΠΎΠ»ΠΈΠΏΡΠΎΠΏΠΈΠ»Π΅Π½ΠΎΠ²ΠΎΠΉ ΡΡΡΠ±Ρ;
- Π‘Π»ΠΎΠΉ ΡΠΏΠ»ΠΎΡΠ½ΠΎΠ³ΠΎ ΠΌΠ΅ΡΠ°Π»Π»Π° Π½Π°Ρ ΠΎΠ΄ΠΈΡΡΡ Ρ ΡΠ°ΠΌΠΎΠΉ ΠΏΠΎΠ²Π΅ΡΡ Π½ΠΎΡΡΠΈ;
- Π£ ΠΏΠΎΠ²Π΅ΡΡ Π½ΠΎΡΡΠΈ ΠΌΠ°ΡΠ΅ΡΠΈΠ°Π»Π° ΡΠ°ΡΠΏΠΎΠ»Π°Π³Π°Π΅ΡΡΡ ΠΏΠ΅ΡΡΠΎΡΠΈΡΠΎΠ²Π°Π½Π½ΡΠΉ ΡΠ»ΠΎΠΉ Π°Π»ΡΠΌΠΈΠ½ΠΈΡ.
ΠΠ»Ρ ΡΠΎΠ΅Π΄ΠΈΠ½Π΅Π½ΠΈΡ ΠΏΠΎΠ»ΠΈΠΏΡΠΎΠΏΠΈΠ»Π΅Π½ΠΎΠ²ΡΡ ΡΠ»Π΅ΠΌΠ΅Π½ΡΠΎΠ² ΠΏΡΠΈΠΌΠ΅Π½ΡΠ΅ΡΡΡ ΠΏΠ°ΠΉΠΊΠ°. Π’ΠΎΡΠ΅Ρ ΡΡΡΠ±Ρ ΠΈ Π½Π΅ΠΎΠ±Ρ ΠΎΠ΄ΠΈΠΌΡΠΉ ΡΠΈΡΠΈΠ½Π³ Π½Π°Π³ΡΠ΅Π²Π°ΡΡΡΡ Ρ ΠΏΠΎΠΌΠΎΡΡΡ ΠΏΠ°ΡΠ»ΡΠ½ΠΈΠΊΠ°, Π° Π·Π°ΡΠ΅ΠΌ ΠΆΠ΅ΡΡΠΊΠΎ ΡΠΎΠ΅Π΄ΠΈΠ½ΡΡΡΡΡ ΠΌΠ΅ΠΆΠ΄Ρ ΡΠΎΠ±ΠΎΠΉ, ΡΠΎΠ·Π΄Π°Π²Π°Ρ ΠΏΠΎΡΠ»Π΅ Π·Π°ΡΡΡΠ²Π°Π½ΠΈΡ Π½Π°Π΄Π΅ΠΆΠ½ΡΠΉ ΠΎΠ΄Π½ΠΎΡΠΎΠ΄Π½ΡΠΉ ΡΡΡΠΊ.
ΠΡΠΌΠΈΡΡΡΡΠ°Ρ Π°Π»ΡΠΌΠΈΠ½ΠΈΠ΅Π²Π°Ρ ΡΠΎΠ»ΡΠ³Π° ΡΠ΄Π°Π»ΡΠ΅ΡΡΡ Π² ΠΌΠ΅ΡΡΠ΅ ΡΠΎΠ΅Π΄ΠΈΠ½Π΅Π½ΠΈΡ. ΠΡΠ»ΠΈ ΠΌΠ΅ΡΠ°Π»Π» Ρ ΠΏΠΎΠ²Π΅ΡΡ Π½ΠΎΡΡΠΈ, ΡΠΎ Π΅Π³ΠΎ ΡΡΠΈΡΠ°ΡΡ Ρ ΠΏΠΎΠΌΠΎΡΡΡ ΡΠΏΠ΅ΡΠΈΠ°Π»ΡΠ½ΠΎΠΉ Π·Π°ΡΠΈΡΡΠΊΠΈ Π»ΠΈΠ±ΠΎ Π½ΠΎΠΆΠ°, Π° Π΅ΡΠ»ΠΈ Π²Π½ΡΡΡΠΈ, ΡΠΎΒ Π²ΡΡΠΈΡΠ°Π΅ΡΡΡΒ Π²Π½ΡΡΡΠ΅Π½Π½ΠΈΠΉ ΡΠ»ΠΎΠΉ Ρ ΠΏΠΎΠΌΠΎΡΡΡΒ ΡΠΎΡΡΠ΅Π²Π°ΡΠ΅Π»Ρ. ΠΡΠΎ ΠΎΠ±Π΅ΡΠΏΠ΅ΡΠΈΠ²Π°Π΅Ρ Π½Π°Π΄Π΅ΠΆΠ½ΠΎΡΡΡ ΡΠΎΠ΅Π΄ΠΈΠ½Π΅Π½ΠΈΡ ΡΠΎΡΡΠ° ΡΡΡΠ±Ρ Ρ ΡΠΈΡΠΈΠ½Π³ΠΎΠΌ ΠΈ Π·Π°ΡΠΈΡΠ°Π΅Ρ Π°Π»ΡΠΌΠΈΠ½ΠΈΠΉ ΠΎΡ Π²ΠΎΠ·ΠΌΠΎΠΆΠ½ΠΎΠ³ΠΎ ΠΏΠΎΠ²ΡΠ΅ΠΆΠ΄Π΅Π½ΠΈΡ ΠΈ ΡΠ°ΡΡΠ»Π°ΠΈΠ²Π°Π½ΠΈΡ Π² ΠΏΡΠΎΡΠ΅ΡΡΠ΅ ΡΠΊΡΠΏΠ»ΡΠ°ΡΠ°ΡΠΈΠΈ.
ΠΠ΅ΡΠ΅Π΄ ΡΠ΅ΠΌ, ΠΊΠ°ΠΊ ΠΏΡΠΈΡΡΡΠΏΠ°ΡΡ ΠΊ ΡΠ°ΠΌΠΎΡΡΠΎΡΡΠ΅Π»ΡΠ½ΠΎΠΌΡ ΠΌΠΎΠ½ΡΠ°ΠΆΡ ΡΠΈΡΡΠ΅ΠΌΡ ΠΎΡΠΎΠΏΠ»Π΅Π½ΠΈΡ ΠΏΠΎΠ»ΠΈΠΏΡΠΎΠΏΠΈΠ»Π΅Π½ΠΎΠ²ΡΠΌΠΈ ΡΡΡΠ±Π°ΠΌΠΈ, ΠΎΠ±ΡΠ·Π°ΡΠ΅Π»ΡΠ½ΠΎ Π²Π½ΠΈΠΌΠ°ΡΠ΅Π»ΡΠ½ΠΎ ΠΈΠ·ΡΡΠΈΡΠ΅ Π²ΡΠ΅ ΡΠ΅ΠΊΠΎΠΌΠ΅Π½Π΄Π°ΡΠΈΠΈ ΠΈ Π²ΡΠΏΠΎΠ»Π½ΠΈΡΠ΅ Π½Π΅ΡΠΊΠΎΠ»ΡΠΊΠΎ ΡΡΠ΅Π½ΠΈΡΠΎΠ²ΠΎΡΠ½ΡΡ
ΠΏΠ°Π΅ΠΊ!
ΠΠ°ΡΠΈΠ½Π°ΡΡΠ΅ΠΌΡ ΠΌΠΎΠ½ΡΠ°ΠΆΠ½ΠΈΠΊΡ Π»ΡΡΡΠ΅ Π²ΡΠ±ΡΠ°ΡΡ ΠΏΠΎΠ»ΠΈΠΏΡΠΎΠΏΠΈΠ»Π΅Π½ΠΎΠ²ΡΠ΅ ΡΡΡΠ±Ρ Π°ΡΠΌΠΈΡΠΎΠ²Π°Π½Π½ΡΠ΅ ΡΡΠ΅ΠΊΠ»ΠΎΠ²ΠΎΠ»ΠΎΠΊΠ½ΠΎΠΌ Π΄Π»Ρ ΠΎΡΠΎΠΏΠ»Π΅Π½ΠΈΡ ΡΠ²ΠΎΠ΅Π³ΠΎ Π΄ΠΎΠΌΠ°, ΡΠ°ΠΊ ΠΊΠ°ΠΊ ΠΎΠ½ΠΈ Π½Π΅ Π½ΡΠΆΠ΄Π°ΡΡΡΡ Π² ΠΎΠ±ΡΠ°Π±ΠΎΡΠΊΠ΅ ΠΏΠ΅ΡΠ΅Π΄ ΠΏΠ°ΠΉΠΊΠΎΠΉ, ΡΡΠΎ ΡΡΠΊΠΎΡΡΠ΅Ρ ΡΠ°Π±ΠΎΡΡ ΠΈ ΠΈΠ·Π±Π°Π²Π»ΡΠ΅Ρ ΠΎΡ Π½Π΅ΠΎΠ±Ρ
ΠΎΠ΄ΠΈΠΌΠΎΡΡΠΈ ΠΏΠΎΠΊΡΠΏΠΊΠΈ Π΄ΠΎΠΏΠΎΠ»Π½ΠΈΡΠ΅Π»ΡΠ½ΠΎΠ³ΠΎ ΠΈΠ½ΡΡΡΡΠΌΠ΅Π½ΡΠ°.
Π ΡΠΎΠΌΡ ΠΆΠ΅ ΠΎΠ½ΠΈ ΡΠ²Π½ΠΎ Π²ΡΠΈΠ³ΡΡΠ²Π°ΡΡ ΠΏΠΎ ΡΠΎΠΎΡΠ½ΠΎΡΠ΅Π½ΠΈΡ ΡΡΠΎΠΈΠΌΠΎΡΡΡ-ΠΊΠ°ΡΠ΅ΡΡΠ²ΠΎ. Π‘Π»Π΅Π΄ΡΠ΅Ρ Π»ΠΈΡΡ ΡΡΠ΅ΡΡΡ Π½Π΅Π±ΠΎΠ»ΡΡΠΎΠ΅ ΡΠ²Π΅Π»ΠΈΡΠ΅Π½ΠΈΠ΅ Π΄Π»ΠΈΠ½Ρ ΠΏΡΠΈ Π½Π°Π³ΡΠ΅Π²Π°Π½ΠΈΠΈ Ρ ΡΡΡΠ± ΡΠΎ ΡΡΠ΅ΠΊΠ»ΠΎΠ²ΠΎΠ»ΠΎΠΊΠΎΠ½Π½ΠΎΠΉ ΡΠΈΠ±ΡΠΎΠΉ. ΠΡΠΈ ΠΏΠ΅ΡΠ΅ΡΠ΅ΡΠ΅Π½ΠΈΠΈ ΡΡΠ΅Π½ ΡΡΡΠ±Ρ Π·Π°ΠΊΠ»ΡΡΠ°ΡΡ Π² Π³ΠΈΠ»ΡΠ·Ρ, ΠΊΠΎΡΠΎΡΡΠ΅ ΠΏΠΎΠ·Π²ΠΎΠ»ΡΡΡ ΠΏΠΎΠ»ΠΈΠΏΡΠΎΠΏΠΈΠ»Π΅Π½ΠΎΠ²ΠΎΠΉ ΡΡΡΠ±Π΅ ΡΠ²ΠΎΠ±ΠΎΠ΄Π½ΠΎ ΠΏΠ΅ΡΠ΅ΠΌΠ΅ΡΠ°ΡΡΡΡ, Π° ΠΌΠ΅ΠΆΠ΄Ρ Π²Π½ΡΡΡΠ΅Π½Π½ΠΈΠΌΠΈ ΡΠ³Π»Π°ΠΌΠΈ ΡΡΠ΅Π½ ΠΈ ΠΏΠΎΠ²ΠΎΡΠΎΡΠ°ΠΌΠΈ ΡΡΡΠ±ΠΎΠΏΡΠΎΠ²ΠΎΠ΄Π° ΠΎΡΡΠ°Π²Π»ΡΡΡ ΠΏΡΠΎΡΡΡΠ°Π½ΡΡΠ²ΠΎ Π΄Π»Ρ ΠΊΠΎΠΌΠΏΠ΅Π½ΡΠ°ΡΠΈΠΎΠ½Π½ΠΎΠ³ΠΎ Ρ ΠΎΠ΄Π° ΠΏΡΠΈ ΡΠ΅ΠΏΠ»ΠΎΠ²ΠΎΠΌ ΡΠ΄Π»ΠΈΠ½Π΅Π½ΠΈΠΈ.
ΠΠ΅ ΠΈΠΌΠ΅Ρ ΠΏΡΠΎΡΠ΅ΡΡΠΈΠΎΠ½Π°Π»ΡΠ½ΡΡ Π½Π°Π²ΡΠΊΠΎΠ², Π΄ΠΎΠ²ΠΎΠ»ΡΠ½ΠΎ ΡΠ»ΠΎΠΆΠ½ΠΎ ΡΠ°Π·ΠΎΠ±ΡΠ°ΡΡΡΡ Π² ΡΠΈΡΠΎΠΊΠΎΠΌ Π°ΡΡΠΎΡΡΠΈΠΌΠ΅Π½ΡΠ΅ ΡΠΎΡΠ³ΠΎΠ²ΡΡ ΠΌΠ°ΡΠΎΠΊ ΠΈ ΠΎΠΏΡΠ΅Π΄Π΅Π»ΠΈΡΡΡΡ, ΠΈΠ· ΡΠ΅Π³ΠΎ ΠΆΠ΅ Π»ΡΡΡΠ΅ ΠΌΠΎΠ½ΡΠΈΡΠΎΠ²Π°ΡΡ ΡΠ²ΠΎΠ΅ Π²ΠΎΠ΄ΡΠ½ΠΎΠ΅ ΠΎΡΠΎΠΏΠ»Π΅Π½ΠΈΠ΅. ΠΠΎΡΡΠΎΠΌΡ, ΠΊΠ°ΠΊ ΠΏΠΎΠΊΠ°Π·ΡΠ²Π°Π΅Ρ ΠΏΡΠ°ΠΊΡΠΈΠΊΠ°, Π»ΡΡΡΠ΅ Π΄ΠΎΠ²Π΅ΡΠΈΡΡΡΡ ΠΎΠΏΡΡΡ Π±ΠΎΠ»ΡΡΠΈΠ½ΡΡΠ²Π° ΠΈ ΠΎΡΠ΄Π°ΡΡ ΠΏΡΠ΅Π΄ΠΏΠΎΡΡΠ΅Π½ΠΈΠ΅ Π½Π°ΠΈΠ±ΠΎΠ»Π΅Π΅ ΡΠ°ΡΠΏΡΠΎΡΡΡΠ°Π½Π΅Π½Π½ΡΠΌ ΠΈΠ·Π²Π΅ΡΡΠ½ΡΠΌΒ Π±ΡΠ΅Π½Π΄Π°ΠΌ. ΠΠΎΠ»Π΅Π΅ Π΄ΠΎΡΠΎΠ³ΠΈΠ΅ ΡΡΡΠ±Ρ ΠΊΡΠΎΠΌΠ΅ ΠΏΠΎΠ²ΡΡΠ΅Π½Π½ΠΎΠΉ Π½Π°Π΄Π΅ΠΆΠ½ΠΎΡΡΠΈ ΠΎΠ±Π»Π°Π΄Π°ΡΡ ΡΠ°ΠΊΠΆΠ΅ ΠΎΡΠ΅Π½Ρ Π²Π°ΠΆΠ½ΡΠΌ ΠΏΠ»ΡΡΠΎΠΌ Π΄Π»Ρ Π½ΠΎΠ²ΠΈΡΠΊΠ° β ΠΎΠ±ΡΡΠ½ΠΎ ΠΈΡ Π»Π΅Π³ΡΠ΅ ΠΏΠ°ΡΡΡ, ΠΎΠ½ΠΈ ΠΏΡΠΎΡΠ°ΡΡ Π½Π΅Π·Π½Π°ΡΠΈΡΠ΅Π»ΡΠ½ΡΠ΅ ΠΎΠ³ΡΠ΅Ρ ΠΈ ΠΏΡΠΈ ΡΡΡΠΊΠΎΠ²ΠΊΠ΅ ΡΠ»Π΅ΠΌΠ΅Π½ΡΠΎΠ².
Π’Π°ΠΊΠΈΠΌ ΠΎΠ±ΡΠ°Π·ΠΎΠΌ, ΠΏΠΎΠ»ΠΈΠΏΡΠΎΠΏΠΈΠ»Π΅Π½ΠΎΠ²Π°Ρ ΡΡΡΠ±Π° Π°ΡΠΌΠΈΡΠΎΠ²Π°Π½Π½Π°Ρ ΡΡΠ΅ΠΊΠ»ΠΎΠ²ΠΎΠ»ΠΎΠΊΠ½ΠΎΠΌ ΠΈΠ·Π²Π΅ΡΡΠ½ΠΎΠ³ΠΎ ΠΏΡΠΎΠΈΠ·Π²ΠΎΠ΄ΠΈΡΠ΅Π»Ρ ΡΠ²Π»ΡΠ΅ΡΡΡ ΠΈΠ΄Π΅Π°Π»ΡΠ½ΡΠΌ ΡΠ΅ΡΠ΅Π½ΠΈΠ΅ΠΌ Π΄Π»Ρ ΠΌΠΎΠ½ΡΠ°ΠΆΠ° ΡΠΈΡΡΠ΅ΠΌΡ ΠΎΡΠΎΠΏΠ»Π΅Π½ΠΈΡ ΡΠ°ΡΡΠ½ΠΎΠ³ΠΎ Π΄ΠΎΠΌΠ° ΡΠ²ΠΎΠΈΠΌΠΈ ΡΡΠΊΠ°ΠΌΠΈ.
Π ΠΌΠ°ΡΠΊΠΈΡΠΎΠ²ΠΊΠ΅ ΡΡΡΠ±Ρ ΠΎΠ±ΡΠ·Π°ΡΠ΅Π»ΡΠ½ΠΎ Π΄ΠΎΠ»ΠΆΠ½Π° ΠΏΡΠΈΡΡΡΡΡΠ²ΠΎΠ²Π°ΡΡ Π½Π°Π΄ΠΏΠΈΡΡ PN 25. ΠΠΈΠ°ΠΌΠ΅ΡΡ ΠΏΠΎΠ»ΠΈΠΏΡΠΎΠΏΠΈΠ»Π΅Π½ΠΎΠ²ΡΡ ΡΡΡΠ± Π΄Π»Ρ ΠΎΡΠΎΠΏΠ»Π΅Π½ΠΈΡ Π²ΡΠ±ΠΈΡΠ°Π΅ΡΡΡ ΠΏΠΎ ΡΠ°ΡΡΠ΅ΡΡ, ΠΏΡΠΎΠΏΠΎΡΡΠΈΠΎΠ½Π°Π»ΡΠ½ΠΎ ΡΡΠ΅Π±ΡΠ΅ΠΌΠΎΠΌΡ ΡΠ°ΡΡ ΠΎΠ΄Ρ ΡΠ΅ΠΏΠ»ΠΎΠ½ΠΎΡΠΈΡΠ΅Π»Ρ ΡΠΎΠ³Π»Π°ΡΠ½ΠΎ ΡΠ΅ΠΏΠ»ΠΎΠ²ΠΎΠΉ Π½Π°Π³ΡΡΠ·ΠΊΠ΅ ΠΈ Π²ΡΠ±ΡΠ°Π½Π½ΠΎΠΉ ΡΡ Π΅ΠΌΡ ΡΠΈΡΡΠ΅ΠΌΡ ΠΎΡΠΎΠΏΠ»Π΅Π½ΠΈΡ.
ΠΠΎΡΡΠΎΠΈΠ½ΡΡΠ²Π° ΠΈ Π½Π΅Π΄ΠΎΡΡΠ°ΡΠΊΠΈ ΠΏΠΎΠ»ΠΈΠΏΡΠΎΠΏΠΈΠ»Π΅Π½ΠΎΠ²ΡΡ ΡΡΡΠ±
Π‘ΠΈΡΡΠ΅ΠΌΠ° ΠΎΡΠΎΠΏΠ»Π΅Π½ΠΈΡ ΠΈΠ· ΠΏΠΎΠ»ΠΈΠΏΡΠΎΠΏΠΈΠ»Π΅Π½ΠΎΠ²ΡΡ ΡΡΡΠ± ΠΈΠΌΠ΅Π΅Ρ ΡΠ»Π΅Π΄ΡΡΡΠΈΠ΅ Π΄ΠΎΡΡΠΎΠΈΠ½ΡΡΠ²Π°:
- ΠΠΎΡΡΡΠΏΠ½Π°Ρ ΡΠ΅Π½Π° ΠΈ ΠΊΠ°ΡΠ΅ΡΡΠ²ΠΎ.
- ΠΠ»Π°Π΄ΠΊΠ°Ρ Π²Π½ΡΡΡΠ΅Π½Π½ΡΡ ΠΏΠΎΠ²Π΅ΡΡ Π½ΠΎΡΡΡ ΡΡΡΠ±Ρ ΠΏΠΎΠ·Π²ΠΎΠ»ΡΠ΅Ρ ΠΏΡΠΎΠΏΡΡΠΊΠ°ΡΡ ΡΠ΅ΠΏΠ»ΠΎΠ½ΠΎΡΠΈΡΠ΅Π»Ρ Ρ ΠΌΠΈΠ½ΠΈΠΌΠ°Π»ΡΠ½ΡΠΌΠΈ ΠΏΠΎΡΠ΅ΡΡΠΌΠΈ Π΄Π°Π²Π»Π΅Π½ΠΈΡ.
- ΠΠ°Π΄Π΅ΠΆΠ½ΠΎΡΡΡ.
- Π‘ΡΠΎΠΉΠΊΠΎΡΡΡ ΠΊ ΠΊΠΎΡΡΠΎΠ·ΠΈΠΈ ΠΈΒ Π³ΠΈΠ΄ΡΠΎΡΠ΄Π°ΡΠ°ΠΌ.
- Π₯ΠΎΡΠΎΡΠ°Ρ ΡΠ΅ΠΌΠΎΠ½ΡΠΎΠΏΡΠΈΠ³ΠΎΠ΄Π½ΠΎΡΡΡ.
- ΠΡΡΠΎΠΊΠ°Ρ ΡΠ΅ΠΏΠ»ΠΎ- ΠΈ Π·Π²ΡΠΊΠΎΠΈΠ·ΠΎΠ»ΡΡΠΈΡ.
ΠΠΎΠ»ΡΡΠ°Ρ ΡΠΏΡΡΠ³ΠΎΡΡΡ, ΠΎΠ±Π΅ΡΠΏΠ΅ΡΠΈΠ²Π°ΡΡΠ°Ρ ΡΡΡΠΎΠΉΡΠΈΠ²ΠΎΡΡΡ ΠΊ Π·Π°ΠΌΠ΅ΡΠ·Π°Π½ΠΈΡ Π²ΠΎΠ΄Ρ Π² ΡΠΈΡΡΠ΅ΠΌΠ΅.- ΠΠΊΠΎΠ»ΠΎΠ³ΠΈΡΠ½ΠΎΡΡΡ.
- Π Π°Π±ΠΎΡΠ΅Π΅ Π΄Π°Π²Π»Π΅Π½ΠΈΠ΅ Π΄ΠΎ 10 Π°ΡΠΌΠΎΡΡΠ΅Ρ.
- Π’Π΅ΠΌΠΏΠ΅ΡΠ°ΡΡΡΠ° ΡΡΠ°Π½ΡΠΏΠΎΡΡΠΈΡΡΠ΅ΠΌΠΎΠΉ ΠΆΠΈΠ΄ΠΊΠΎΡΡΠΈ Π΄ΠΎ 95 Β°Π‘.
- Π Π°ΡΡΠ΅ΡΠ½ΡΠΉ ΡΡΠΎΠΊ ΡΠ»ΡΠΆΠ±Ρ Π±ΠΎΠ»Π΅Π΅ 50 Π»Π΅Ρ.
- ΠΠΎΠ·ΠΌΠΎΠΆΠ½ΠΎΡΡΡ ΡΠΊΡΡΡΠΎΠΉ ΠΏΡΠΎΠΊΠ»Π°Π΄ΠΊΠΈ Π² ΡΡΠ΅Π½Π°Ρ ΠΈ ΠΏΠΎΠ»Π°Ρ .
- ΠΡΠΎΡΡΠΎΡΠ° ΡΠ±ΠΎΡΠΊΠΈ ΠΏΠΎΠ·Π²ΠΎΠ»ΡΠ΅Ρ Π±ΡΡΡΡΠΎ ΠΈ Π»Π΅Π³ΠΊΠΎ ΠΎΡΡΡΠ΅ΡΡΠ²ΠΈΡΡ ΠΌΠΎΠ½ΡΠ°ΠΆ ΡΠΈΡΡΠ΅ΠΌΡ ΠΎΡΠΎΠΏΠ»Π΅Π½ΠΈΡ ΡΠ°ΡΡΠ½ΠΎΠ³ΠΎ Π΄ΠΎΠΌΠ° ΡΠ²ΠΎΠΈΠΌΠΈ ΡΡΠΊΠ°ΠΌΠΈ.
Π‘ΠΏΡΠ°Π²Π΅Π΄Π»ΠΈΠ²ΠΎΡΡΠΈ ΡΠ°Π΄ΠΈ ΡΡΠΎΠΈΡ ΠΎΡΠΌΠ΅ΡΠΈΡΡ ΠΈ Π½Π΅Π·Π½Π°ΡΠΈΡΠ΅Π»ΡΠ½ΡΠ΅ Π½Π΅Π΄ΠΎΡΡΠ°ΡΠΊΠΈ, Ρ Π°ΡΠ°ΠΊΡΠ΅ΡΠ½ΡΠ΅ Π΄Π»Ρ ΠΏΠΎΠ»ΠΈΠΏΡΠΎΠΏΠΈΠ»Π΅Π½ΠΎΠ²ΡΡ ΡΡΡΠ±:
- ΠΡΡΠΎΠΊΠΈΠΉ ΠΊΠΎΡΡΡΠΈΡΠΈΠ΅Π½Ρ Π»ΠΈΠ½Π΅ΠΉΠ½ΠΎΠ³ΠΎ ΡΠ°ΡΡΠΈΡΠ΅Π½ΠΈΡ;
- ΠΠ΅ΠΎΠ±Ρ ΠΎΠ΄ΠΈΠΌΠΎΡΡΡ Π·Π°ΡΠΈΡΡ ΠΎΡ ΡΠΎΠ»Π½Π΅ΡΠ½ΡΡ Π»ΡΡΠ΅ΠΉ, Ρ.ΠΊ. ΠΎΠ½ΠΈ Π½Π΅Π³Π°ΡΠΈΠ²Π½ΠΎ Π²Π»ΠΈΡΡΡ Π½Π° ΡΡΡΡΠΊΡΡΡΡ ΠΏΠΎΠ»ΠΈΠΌΠ΅ΡΠ°;
- ΠΡΠΈ Π½Π°Π³ΡΠ΅Π²Π΅ Π΄ΠΎ 175 Β°Π‘ ΠΏΡΠΎΠΈΡΡ ΠΎΠ΄ΠΈΡ ΠΏΠ»Π°Π²Π»Π΅Π½ΠΈΠ΅ ΠΏΠΎΠ»ΠΈΠΏΡΠΎΠΏΠΈΠ»Π΅Π½Π°;
- ΠΠΎΠΊΡΠΏΠΊΠ° Ρ Π½Π΅ΠΏΡΠΎΠ²Π΅ΡΠ΅Π½Π½ΠΎΠ³ΠΎ ΠΏΡΠΎΠΈΠ·Π²ΠΎΠ΄ΠΈΡΠ΅Π»Ρ ΠΌΠΎΠΆΠ΅Ρ ΠΏΡΠΈΠ²Π΅ΡΡΠΈ ΠΊ Π½Π΅ΠΎΠΆΠΈΠ΄Π°Π½Π½ΡΠΌ ΡΡΡΠΏΡΠΈΠ·Π°ΠΌ Π² ΡΠ²ΡΠ·ΠΈ Ρ ΡΡΡΠ΅ΡΡΠ²Π΅Π½Π½ΡΠΌ ΡΠ½ΠΈΠΆΠ΅Π½ΠΈΠ΅ΠΌ Π²ΡΠ΅Ρ ΠΏΠΎΠΊΠ°Π·Π°ΡΠ΅Π»Π΅ΠΉ ΠΈΠ·-Π·Π° Π½ΠΈΠ·ΠΊΠΎΠΊΠ°ΡΠ΅ΡΡΠ²Π΅Π½Π½ΠΎΠ³ΠΎ ΡΡΡΡΡ ΠΈ Π½Π°ΡΡΡΠ΅Π½ΠΈΡ ΡΠ΅Ρ Π½ΠΎΠ»ΠΎΠ³ΠΈΠΈ ΠΏΡΠΎΠΈΠ·Π²ΠΎΠ΄ΡΡΠ²Π°.
Π‘Ρ Π΅ΠΌΡ ΠΎΡΠΎΠΏΠΈΡΠ΅Π»ΡΠ½ΡΡ ΡΠΈΡΡΠ΅ΠΌ

ΠΡΠ»ΠΈ Π² ΠΊΠ²Π°ΡΡΠΈΡΠ°Ρ ΠΎΠ±ΡΡΠ½ΠΎ ΠΈΡΠΏΠΎΠ»ΡΠ·ΡΠ΅ΡΡΡ Π·Π°Π²ΠΈΡΠΈΠΌΠ°Ρ ΡΡ Π΅ΠΌΠ° ΠΎΡΠΎΠΏΠ»Π΅Π½ΠΈΡ, ΡΠ°Π±ΠΎΡΠ°ΡΡΠ°Ρ ΠΎΡ ΡΠ΅ΠΏΠ»ΠΎΠ²ΠΎΠΉ ΡΠ΅ΡΠΈ, ΡΠΎ Π² ΡΠ°ΡΡΠ½ΠΎΠΌ Π΄ΠΎΠΌΠ΅ ΠΏΡΠΈΡ ΠΎΠ΄ΠΈΡΡΡ Π·Π°Π΄ΡΠΌΡΠ²Π°ΡΡΡΡ ΠΎΠ± ΡΡΡΠ°Π½ΠΎΠ²ΠΊΠ΅ ΡΠΎΠ±ΡΡΠ²Π΅Π½Π½ΠΎΠ³ΠΎ ΠΊΠΎΡΠ»Π° ΠΎΡΠΎΠΏΠ»Π΅Π½ΠΈΡ ΠΈ ΠΎ ΡΠΎΠΌ, ΠΊΠ°ΠΊ Π΅Π³ΠΎ ΠΎΠ±Π²ΡΠ·ΡΠ²Π°ΡΡ. ΠΠ° Π½Π΅Π·Π°Π²ΠΈΡΠΈΠΌΠΎΡΡΡ ΠΎΡ Π²Π½Π΅ΡΠ½ΠΈΡ ΡΠ°ΠΊΡΠΎΡΠΎΠ² ΠΈ Π²ΠΎΠ·ΠΌΠΎΠΆΠ½ΠΎΡΡΡ ΡΠ°ΠΌΠΎΡΡΠΎΡΡΠ΅Π»ΡΠ½ΠΎ Π·Π°Π΄Π°Π²Π°ΡΡ ΠΊΠΎΠΌΡΠΎΡΡΠ½ΡΡ ΡΠ΅ΠΌΠΏΠ΅ΡΠ°ΡΡΡΡ Π² ΠΏΠΎΠΌΠ΅ΡΠ΅Π½ΠΈΡΡ ΠΏΡΠΈΡ ΠΎΠ΄ΠΈΡΡΡ ΠΏΠ»Π°ΡΠΈΡΡ Π΄ΠΎΠΏΠΎΠ»Π½ΠΈΡΠ΅Π»ΡΠ½ΡΠΌΠΈ Ρ Π»ΠΎΠΏΠΎΡΠ°ΠΌΠΈ ΠΏΡΠΈ ΠΎΠ±ΡΡΡΡΠΎΠΉΡΡΠ²Π΅ ΡΠΈΡΡΠ΅ΠΌΡ ΠΎΡΠΎΠΏΠ»Π΅Π½ΠΈΡ ΠΈ Π·Π°ΡΡΠ°ΡΠ°ΠΌΠΈ Π½Π° ΠΊΠΎΡΠ΅Π»ΡΠ½ΠΎΠ΅ ΠΎΠ±ΠΎΡΡΠ΄ΠΎΠ²Π°Π½ΠΈΠ΅ ΠΏΠ»ΡΡ ΠΊΠΎΠΌΠΏΠ»Π΅ΠΊΡΡΡΡΠΈΠ΅.
ΠΠ΅Π·Π°Π²ΠΈΡΠΈΠΌΠ°Ρ ΡΡ Π΅ΠΌΠ° ΠΎΡΠ³Π°Π½ΠΈΠ·Π°ΡΠΈΠΈ ΠΎΠ±ΠΎΠ³ΡΠ΅Π²Π° ΡΠ°ΡΡΠ½ΠΎΠ³ΠΎ Π΄ΠΎΠΌΠ° ΠΏΠΎΠ΄ΡΠ°Π·ΡΠΌΠ΅Π²Π°Π΅Ρ ΠΊΡΠΎΠΌΠ΅ ΠΏΡΠΎΠΊΠ»Π°Π΄ΠΊΠΈ ΡΡΡΠ± Π΅ΡΠ΅ ΠΈ ΡΡΡΠ°Π½ΠΎΠ²ΠΊΡ ΠΊΠΎΡΠ»Π° ΠΎΡΠΎΠΏΠ»Π΅Π½ΠΈΡ. ΠΠ°ΠΈΠ±ΠΎΠ»Π΅Π΅ ΡΠΊΠΎΠ½ΠΎΠΌΠ½ΡΠΌ Π²Π°ΡΠΈΠ°Π½ΡΠΎΠΌ Π½Π° ΡΠ΅Π³ΠΎΠ΄Π½Ρ ΡΠ²Π»ΡΠ΅ΡΡΡ ΠΊΠΎΠΌΠ±ΠΈΠ½ΠΈΡΠΎΠ²Π°Π½ΠΈΠ΅ ΡΠ»Π΅ΠΊΡΡΠΈΡΠ΅ΡΠΊΠΎΠ³ΠΎ Ρ ΡΠ²Π΅ΡΠ΄ΠΎΡΠΎΠΏΠ»ΠΈΠ²Π½ΡΠΌ ΠΊΠΎΡΠ»ΠΎΠΌ. Π ΡΠ²ΡΠ·ΠΈ ΡΠΎ ΡΠΏΠ΅ΡΠΈΡΠΈΠΊΠΎΠΉ ΡΡΠΎΠ³ΠΎ ΠΎΠ±ΠΎΡΡΠ΄ΠΎΠ²Π°Π½ΠΈΡ Π΄ΠΎΠ»ΠΆΠ½Ρ Π±ΡΡΡ ΠΏΡΠΈΠ½ΡΡΡ ΡΠ»Π΅Π΄ΡΡΡΠΈΠ΅ ΠΌΠ΅ΡΡ ΠΏΡΠ΅Π΄ΠΎΡΡΠΎΡΠΎΠΆΠ½ΠΎΡΡΠΈ:
- Π Π²ΠΈΠ΄Ρ Π²ΡΠ΄Π΅Π»Π΅Π½ΠΈΡ Π±ΠΎΠ»ΡΡΠΎΠ³ΠΎ ΠΊΠΎΠ»ΠΈΡΠ΅ΡΡΠ²Π° ΡΠ΅ΠΏΠ»Π° ΠΏΡΠΈ ΡΠ³ΠΎΡΠ°Π½ΠΈΠΈ Π΄ΡΠΎΠ² Π΄Π»Ρ ΠΎΠ±Π²ΡΠ·ΠΊΠΈ Π½Π°ΠΏΠΎΠ»ΡΠ½ΠΎΠ³ΠΎ ΠΊΠΎΡΠ»Π° Π½Π° ΡΠ²Π΅ΡΠ΄ΠΎΠΌ ΡΠΎΠΏΠ»ΠΈΠ²Π΅ ΠΆΠ΅Π»Π°ΡΠ΅Π»ΡΠ½ΠΎ ΠΈΡΠΏΠΎΠ»ΡΠ·ΠΎΠ²Π°ΡΡ ΠΌΠ΅ΡΠ°Π»Π»ΠΈΡΠ΅ΡΠΊΠΈΠ΅ ΡΡΡΠ±Ρ Ρ ΠΏΠΎΡΠ»Π΅Π΄ΡΡΡΠΈΠΌ ΠΏΠ΅ΡΠ΅Ρ ΠΎΠ΄ΠΎΠΌ Π½Π° ΠΏΠΎΠ»ΠΈΠΏΡΠΎΠΏΠΈΠ»Π΅Π½ Ρ ΠΏΠΎΠΌΠΎΡΡΡ ΡΠΏΠ΅ΡΠΈΠ°Π»ΡΠ½ΡΡ ΠΌΡΡΡ.
- ΠΠ»Ρ Π½Π°Π΄Π΅ΠΆΠ½ΠΎΠΉ ΡΠ°Π±ΠΎΡΡ ΡΠ»Π΅ΠΊΡΡΠΈΡΠ΅ΡΠΊΠΎΠ³ΠΎ ΠΊΠΎΡΠ»Π° Π½Π΅ΠΎΠ±Ρ ΠΎΠ΄ΠΈΠΌΠΎ ΠΎΠ±Π΅ΡΠΏΠ΅ΡΠΈΡΡ ΠΏΠΎΡΡΠΎΡΠ½Π½ΠΎΠ΅ Π½Π°ΠΏΡΡΠΆΠ΅Π½ΠΈΠ΅ Π² ΡΠ΅ΡΠΈ.
- Π‘Ρ Π΅ΠΌΠ° ΠΎΠ±Π²ΡΠ·ΠΊΠΈ Π½Π°ΠΏΠΎΠ»ΡΠ½ΠΎΠ³ΠΎ ΠΊΠΎΡΠ»Π° Π½Π° ΡΠ²Π΅ΡΠ΄ΠΎΠΌ ΡΠΎΠΏΠ»ΠΈΠ²Π΅ ΠΎΠ±ΡΠ·Π°ΡΠ΅Π»ΡΠ½ΠΎ Π΄ΠΎΠ»ΠΆΠ½Π° Π²ΠΊΠ»ΡΡΠ°ΡΡ Π½Π°Π»ΠΈΡΠΈΠ΅ ΡΠ°ΡΡΠΈΡΠΈΡΠ΅Π»ΡΠ½ΠΎΠ³ΠΎ Π±Π°ΠΊΠ° ΠΈ Π³ΡΡΠΏΠΏΡ Π±Π΅Π·ΠΎΠΏΠ°ΡΠ½ΠΎΡΡΠΈ.
Π Π·Π°Π²ΠΈΡΠΈΠΌΠΎΡΡΠΈ ΠΎΡ Π³Π΅ΡΠΌΠ΅ΡΠΈΡΠ½ΠΎΡΡΠΈ ΡΠΈΡΡΠ΅ΠΌΠ° ΠΎΡΠΎΠΏΠ»Π΅Π½ΠΈΡ ΠΌΠΎΠΆΠ΅Ρ Π±ΡΡΡ ΠΎΡΠΊΡΡΡΠ°Ρ Π»ΠΈΠ±ΠΎ Π·Π°ΠΊΡΡΡΠΎΠ³ΠΎ ΡΠΈΠΏΠ°. ΠΠ΅ΡΠ²Π°Ρ ΠΏΠΎΠ΄ΡΠ°Π·ΡΠΌΠ΅Π²Π°Π΅Ρ Π½Π°Π»ΠΈΡΠΈΠ΅ Π½Π° ΡΠ΅ΡΠ΄Π°ΠΊΠ΅ ΠΎΡΠΊΡΡΡΠΎΠΉ Π΅ΠΌΠΊΠΎΡΡΠΈ Π΄Π»Ρ ΡΠ°ΡΡΠΈΡΡΡΡΠ΅Π³ΠΎΡΡ ΠΏΡΠΈ Π½Π°Π³ΡΠ΅Π²Π΅ ΡΠ΅ΠΏΠ»ΠΎΠ½ΠΎΡΠΈΡΠ΅Π»Ρ, Π²ΡΠΎΡΠ°Ρ ΠΈΠΌΠ΅Π΅Ρ Π²ΠΎΠ·Π»Π΅ ΠΊΠΎΡΠ»Π° ΠΎΡΠΎΠΏΠ»Π΅Π½ΠΈΡ ΡΠΏΠ΅ΡΠΈΠ°Π»ΡΠ½ΡΠΉ Π·Π°ΠΊΡΡΡΡΠΉ Π±Π°ΠΊ Ρ ΠΌΠ΅ΠΌΠ±ΡΠ°Π½ΠΎΠΉ.
ΠΡΠΊΡΡΡΠ°Ρ ΡΠΈΡΡΠ΅ΠΌΠ° ΠΌΠΎΠΆΠ΅Ρ Π±ΡΡΡ ΠΈΡΠΏΠΎΠ»ΡΠ·ΠΎΠ²Π°Π½Π° ΡΠΎΠ»ΡΠΊΠΎ ΠΏΡΠΈ Π΅ΡΡΠ΅ΡΡΠ²Π΅Π½Π½ΠΎΠΌ Π΄Π²ΠΈΠΆΠ΅Π½ΠΈΠΈ ΡΠ΅ΠΏΠ»ΠΎΠ½ΠΎΡΠΈΡΠ΅Π»Ρ. Π ΡΡΠΎΠΌ ΡΠ»ΡΡΠ°Π΅ ΠΎΠ½ ΠΏΠ΅ΡΠ΅ΠΌΠ΅ΡΠ°Π΅ΡΡΡ ΡΠ°ΠΌΠΎΡΠ΅ΠΊΠΎΠΌ Π·Π° ΡΡΠ΅Ρ Π³ΡΠ°Π²ΠΈΡΠ°ΡΠΈΠΎΠ½Π½ΠΎΠ³ΠΎ Π΄Π°Π²Π»Π΅Π½ΠΈΡ. Π ΡΠΈΡΡΠ΅ΠΌΠ΅ Π·Π°ΠΊΡΡΡΠΎΠ³ΠΎ ΡΠΈΠΏΠ° ΠΏΠ΅ΡΠ΅Π½ΠΎΡ ΡΠ°Π±ΠΎΡΠ΅ΠΉ ΠΆΠΈΠ΄ΠΊΠΎΡΡΠΈ ΠΎΠ±Π΅ΡΠΏΠ΅ΡΠΈΠ²Π°Π΅ΡΡΡ Ρ ΠΏΠΎΠΌΠΎΡΡΡ ΡΠΈΡΠΊΡΠ»ΡΡΠΈΠΎΠ½Π½ΠΎΠ³ΠΎ Π½Π°ΡΠΎΡΠ°.
ΠΠ΅ΡΠΌΠΎΡΡΡ Π½Π° ΠΊΠ°ΠΆΡΡΡΡΡΡ Π΄Π΅ΡΠ΅Π²ΠΈΠ·Π½Ρ ΠΎΡΠΎΠΏΠ»Π΅Π½ΠΈΡ Π±Π΅Π· Π½Π°ΡΠΎΡΠ°, ΡΠ°ΠΌΠΎΡΠ΅ΡΠ½Π°Ρ ΡΡ Π΅ΠΌΠ° ΠΏΠΎΡΡΠ΅Π±ΡΠ΅Ρ ΡΡΡΠ΅ΡΡΠ²Π΅Π½Π½ΡΡ Π·Π°ΡΡΠ°Ρ Π½Π° ΡΡΡΠ±Ρ, ΡΠ°ΠΊ ΠΊΠ°ΠΊ ΠΎΠ½Π° Ρ ΠΎΡΠΎΡΠΎ ΡΠ°Π±ΠΎΡΠ°Π΅Ρ ΡΠΎΠ»ΡΠΊΠΎ ΠΏΡΠΈ Π±ΠΎΠ»ΡΡΠΈΡ Π΄ΠΈΠ°ΠΌΠ΅ΡΡΠ°Ρ ΠΈ ΡΠΎΠΎΡΠ²Π΅ΡΡΡΠ²Π΅Π½Π½ΠΎ ΡΡΠ΅Π±ΡΠ΅Ρ Π·Π½Π°ΡΠΈΡΠ΅Π»ΡΠ½ΡΡ ΠΊΠ°ΠΏΠΈΡΠ°Π»ΡΠ½ΡΡ Π·Π°ΡΡΠ°Ρ Π½Π° ΡΡΡΠ±Ρ. ΠΡΠΈ ΡΡΠΎΠΌ Π²ΠΎΠ·ΠΌΠΎΠΆΠ½Π° ΡΠΎΠ»ΡΠΊΠΎ ΠΎΡΠΊΡΡΡΠ°Ρ ΠΏΡΠΎΠΊΠ»Π°Π΄ΠΊΠ°.

Π‘Ρ Π΅ΠΌΡ ΠΎΡΠΎΠΏΠ»Π΅Π½ΠΈΡ Ρ ΠΏΡΠΈΠ½ΡΠ΄ΠΈΡΠ΅Π»ΡΠ½ΠΎΠΉ ΡΠΈΡΠΊΡΠ»ΡΡΠΈΠ΅ΠΉ Π½Π° ΠΏΡΠ°ΠΊΡΠΈΠΊΠ΅ ΠΎΠΊΠ°Π·ΡΠ²Π°ΡΡΡΡ ΡΠΊΠΎΠ½ΠΎΠΌΠΈΡΠ½Π΅Π΅ ΠΈ ΡΡΡΠ΅ΡΠΈΡΠ½Π΅Π΅, Π»ΡΡΡΠ΅ ΠΏΠΎΠ΄Π΄Π°ΡΡΡΡ ΡΠ΅Π³ΡΠ»ΠΈΡΠΎΠ²ΠΊΠ΅ ΠΈ ΠΎΠ±Π΅ΡΠΏΠ΅ΡΠΈΠ²Π°ΡΡ Π±ΠΎΠ»Π΅Π΅ Π²ΡΡΠΎΠΊΠΈΠΉ ΠΠΠ. Π‘ΠΈΡΡΠ΅ΠΌΠ° Π²ΠΎΠ΄ΡΠ½ΠΎΠ³ΠΎ ΠΎΡΠΎΠΏΠ»Π΅Π½ΠΈΡ Π·Π°ΠΊΡΡΡΠΎΠ³ΠΎ ΡΠΈΠΏΠ° Ρ Π½Π°ΡΠΎΡΠΎΠΌ ΡΠ°Π±ΠΎΡΠ°Π΅Ρ ΡΡΠ°Π±ΠΈΠ»ΡΠ½Π΅Π΅, ΡΠ΅ΠΌ ΡΠ°ΠΌΠΎΡΠ΅ΡΠ½Π°Ρ. ΠΠ½Π° ΠΎΠ±Π΅ΡΠΏΠ΅ΡΠΈΠ²Π°Π΅Ρ Π²ΡΠ΅Π³Π΄Π° ΠΏΠΎΡΡΠΎΡΠ½Π½ΠΎΠ΅ Π΄Π°Π²Π»Π΅Π½ΠΈΠ΅ ΠΈ Ρ ΠΎΡΠΎΡΡΡ ΡΠΈΡΠΊΡΠ»ΡΡΠΈΡ, Π° ΡΠΎΠΎΡΠ²Π΅ΡΡΡΠ²Π΅Π½Π½ΠΎ ΠΈ ΡΠ°Π²Π½ΠΎΠΌΠ΅ΡΠ½ΠΎΠ΅ ΡΠ°ΡΠΏΡΠ΅Π΄Π΅Π»Π΅Π½ΠΈΠ΅ ΡΠ΅ΠΏΠ»Π°.
ΠΡΠΊΡΡΡΠ°Ρ ΡΠΈΡΡΠ΅ΠΌΠ° ΠΌΠΎΠΆΠ΅Ρ Π±ΡΡΡ ΠΎΠΏΡΠ°Π²Π΄Π°Π½Π° Π»ΠΈΡΡ Π΄Π»Ρ Π½Π΅Π±ΠΎΠ»ΡΡΠΈΡ Π΄ΠΎΠΌΠΎΠ² ΠΈ Π² ΡΠ°ΠΉΠΎΠ½Π°Ρ Ρ ΠΏΠ΅ΡΠ΅Π±ΠΎΡΠΌΠΈ ΠΏΠΎΠ΄Π°ΡΠΈ ΡΠ»Π΅ΠΊΡΡΠΎΡΠ½Π΅ΡΠ³ΠΈΠΈ. ΠΠ΅ΡΠ΅Π΄ ΡΠ΅ΠΌ, ΠΊΠ°ΠΊ ΡΠΎΠ·Π΄Π°Π²Π°ΡΡ Π²ΠΎΠ΄ΡΠ½ΠΎΠ΅ ΠΎΡΠΎΠΏΠ»Π΅Π½ΠΈΠ΅ ΡΠ°ΡΡΠ½ΠΎΠ³ΠΎ Π΄ΠΎΠΌΠ° ΡΠ²ΠΎΠΈΠΌΠΈ ΡΡΠΊΠ°ΠΌΠΈ, Π½Π΅ΠΎΠ±Ρ ΠΎΠ΄ΠΈΠΌΠΎ ΠΎΠΏΡΠ΅Π΄Π΅Π»ΠΈΡΡΡΡ Ρ ΠΏΡΠΈΠ½ΡΠΈΠΏΠΈΠ°Π»ΡΠ½ΠΎΠΉ ΡΡ Π΅ΠΌΠΎΠΉ, ΡΠΏΠΎΡΠΎΠ±ΠΎΠΌ ΡΠΈΡΠΊΡΠ»ΡΡΠΈΠΈ ΠΈ ΡΡ Π΅ΠΌΠΎΠΉ ΡΠ°Π·Π²ΠΎΠ΄ΠΊΠΈ ΡΡΡΠ±, ΡΡΠ°ΡΠ΅Π»ΡΠ½ΠΎ Π²ΡΠ΅ ΡΠΏΡΠΎΠ΅ΠΊΡΠΈΡΠΎΠ²Π°ΡΡ ΠΈ ΡΠΎΡΡΠ°Π²ΠΈΡΡ Π½Π΅ΠΎΠ±Ρ ΠΎΠ΄ΠΈΠΌΡΠ΅ ΡΠ΅ΡΡΠ΅ΠΆΠΈ.
ΠΡ ΠΏΡΠ°Π²ΠΈΠ»ΡΠ½ΠΎΠ³ΠΎ Π²ΡΠ±ΠΎΡΠ° Π½Π° ΡΡΠ°ΠΏΠ΅ ΠΏΡΠΎΠ΅ΠΊΡΠΈΡΠΎΠ²Π°Π½ΠΈΡ Π·Π°Π²ΠΈΡΠΈΡ ΡΡΡΠ΅ΠΊΡΠΈΠ²Π½ΠΎΡΡΡ ΡΠ°Π±ΠΎΡΡ ΡΡ Π΅ΠΌ ΠΎΡΠΎΠΏΠ»Π΅Π½ΠΈΡ, ΡΠ΄ΠΎΠ±ΡΡΠ²ΠΎ ΡΠΊΡΠΏΠ»ΡΠ°ΡΠ°ΡΠΈΠΈ ΠΈ ΠΊΠΎΠΌΡΠΎΡΡ ΠΆΠΈΠ»ΡΡΠΎΠ².
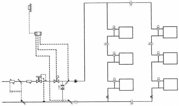
ΠΡΡ ΠΎΠ΄Ρ ΠΈΠ· ΡΠΈΠΏΠ° ΠΏΡΠΈΠΌΠ΅Π½ΡΠ΅ΠΌΠΎΠΉ ΡΠ°Π·Π²ΠΎΠ΄ΠΊΠΈ, ΡΠ°Π·Π»ΠΈΡΠ°ΡΡ 3 ΠΎΡΠ½ΠΎΠ²Π½ΡΠ΅ ΡΡ Π΅ΠΌΡ ΠΎΡΠΎΠΏΠ»Π΅Π½ΠΈΡ ΠΈΠ· ΠΏΠΎΠ»ΠΈΠΏΡΠΎΠΏΠΈΠ»Π΅Π½ΠΎΠ²ΡΡ ΡΡΡΠ± Π² ΡΠ°ΡΡΠ½ΠΎΠΌ Π΄ΠΎΠΌΠ΅: ΠΎΠ΄Π½ΠΎΡΡΡΠ±Π½Π°Ρ, ΠΊΠΎΠ»Π»Π΅ΠΊΡΠΎΡΠ½Π°Ρ ΠΈ Π΄Π²ΡΡ ΡΡΡΠ±Π½Π°Ρ.
ΠΠ΄Π½ΠΎΡΡΡΠ±Π½Π°Ρ ΡΡ Π΅ΠΌΠ°

Π‘Π°ΠΌΠ°Ρ Π΄Π΅ΡΠ΅Π²Π°Ρ ΠΈ ΠΏΡΠΎΡΡΠ°Ρ Π² Π²ΡΠΏΠΎΠ»Π½Π΅Π½ΠΈΠΈ ΡΡ Π΅ΠΌΠ° ΡΠ°Π·Π²ΠΎΠ΄ΠΊΠΈ ΠΎΡΠΎΠΏΠ»Π΅Π½ΠΈΡ. Π’Π΅ΠΏΠ»ΠΎΠ½ΠΎΡΠΈΡΠ΅Π»Ρ Π² ΡΠΈΡΡΠ΅ΠΌΠ΅ ΠΎΠ΄Π½ΠΎΡΡΡΠ±Π½ΠΎΠ³ΠΎ ΠΎΡΠΎΠΏΠ»Π΅Π½ΠΈΡ ΠΏΠΎΡΠ»Π΅Π΄ΠΎΠ²Π°ΡΠ΅Π»ΡΠ½ΠΎ Π·Π°ΠΏΠΎΠ»Π½ΡΠ΅Ρ Π²ΡΠ΅ ΠΎΡΠΎΠΏΠΈΡΠ΅Π»ΡΠ½ΡΠ΅ ΠΏΡΠΈΠ±ΠΎΡΡ. ΠΡΠΈ ΡΡΠΎΠΌ ΠΊΠ°ΠΆΠ΄ΡΠΉ ΠΏΠΎΡΠ»Π΅Π΄ΡΡΡΠΈΠΉ ΡΠ°Π΄ΠΈΠ°ΡΠΎΡ ΠΏΠΎΠ»ΡΡΠ°Π΅Ρ Π²ΡΠ΅ Π±ΠΎΠ»Π΅Π΅ ΠΎΡ Π»Π°ΠΆΠ΄Π΅Π½Π½ΡΡ Π²ΠΎΠ΄Ρ, ΡΠ΅ΠΏΠ»ΠΎ ΡΠ°ΡΠΏΡΠ΅Π΄Π΅Π»ΡΠ΅ΡΡΡ Π½Π΅ ΡΠ°Π²Π½ΠΎΠΌΠ΅ΡΠ½ΠΎ. Π ΡΠΈΡΡΠ΅ΠΌΠ°Ρ Π·Π°ΠΊΡΡΡΠΎΠ³ΠΎ ΡΠΈΠΏΠ°, Π³Π΄Π΅ Π½Π°ΡΠΎΡ ΠΎΠ±Π΅ΡΠΏΠ΅ΡΠΈΠ²Π°Π΅Ρ Ρ ΠΎΡΠΎΡΡΡ ΡΠΈΡΠΊΡΠ»ΡΡΠΈΡ, ΡΡΠΎΡ Π½Π΅Π΄ΠΎΡΡΠ°ΡΠΎΠΊ ΠΏΠΎΡΡΠΈ Π½Π΅Π·Π°ΠΌΠ΅ΡΠ΅Π½.
ΠΠ΄Π½ΠΎΡΡΡΠ±Π½Π°Ρ ΡΠΈΡΡΠ΅ΠΌΠ° ΠΎΡΠΎΠΏΠ»Π΅Π½ΠΈΡ ΡΡ Π΅ΠΌΠ° Π·Π°ΠΊΡΡΡΠΎΠ³ΠΎ ΡΠΈΠΏΠ°
ΠΠ°ΠΊ ΠΏΠΎΠΊΠ°Π·ΡΠ²Π°Π΅Ρ ΠΏΡΠ°ΠΊΡΠΈΠΊΠ°, ΠΏΡΠΈ ΠΎΠΏΡΠ΅Π΄Π΅Π»Π΅Π½Π½ΡΡ ΡΡΠ»ΠΎΠ²ΠΈΡΡ Π²ΠΎΠ·ΠΌΠΎΠΆΠ½ΠΎ ΠΏΠΎΠ»Π½ΠΎΠ΅ ΠΎΡΡΡΠ²Π°Π½ΠΈΠ΅ Π²ΠΎΠ΄Ρ Π΅ΡΠ΅ Π΄ΠΎ Π²Ρ ΠΎΠ΄Π° Π² ΠΏΠΎΡΠ»Π΅Π΄Π½ΠΈΠ΅ Π±Π°ΡΠ°ΡΠ΅ΠΈ ΠΎΡΠΎΠΏΠ»Π΅Π½ΠΈΡ ΠΈ ΠΊΠ°ΠΊ ΡΠ΅Π·ΡΠ»ΡΡΠ°Ρ β ΡΠ΄Π°Π»Π΅Π½Π½ΡΠ΅ ΠΎΡ ΠΊΠΎΡΠ»Π° ΠΏΠΎΠΌΠ΅ΡΠ΅Π½ΠΈΡ ΠΎΡΡΠ°ΡΡΡΡ Ρ ΠΎΠ»ΠΎΠ΄Π½ΡΠΌΠΈ.
ΠΡΠ»ΠΈ Π²Π°ΠΌ Π½ΡΠΆΠ½ΠΎ Π½Π°Π΄Π΅ΠΆΠ½ΠΎΠ΅ Π²ΠΎΠ΄ΡΠ½ΠΎΠ΅ ΠΎΡΠΎΠΏΠ»Π΅Π½ΠΈΠ΅, ΠΊΠΎΡΠΎΡΠΎΠ΅ ΡΡΠ°Π±ΠΈΠ»ΡΠ½ΠΎ ΡΠ°Π±ΠΎΡΠ°Π΅Ρ ΠΈ ΠΊΠΎΠΌΡΠΎΡΡΠ½Π°Ρ ΡΠ΅ΠΌΠΏΠ΅ΡΠ°ΡΡΡΠ° Π²ΠΎ Π²ΡΠ΅Ρ ΠΊΠΎΠΌΠ½Π°ΡΠ°Ρ , ΡΠΎ ΠΎΠ΄Π½ΠΎΡΡΡΠ±Π½ΠΎΠΉ ΡΡ Π΅ΠΌΡ ΡΠΈΡΡΠ΅ΠΌΡ ΠΎΡΠΎΠΏΠ»Π΅Π½ΠΈΡ ΡΠ»Π΅Π΄ΡΠ΅Ρ ΠΈΠ·Π±Π΅Π³Π°ΡΡ. ΠΠ½Π° ΠΌΠΎΠΆΠ΅Ρ Π±ΡΡΡ ΠΎΠΏΡΠ°Π²Π΄Π°Π½Π° Π»ΠΈΡΡ Π΄Π»Ρ ΠΌΠ°Π»Π΅Π½ΡΠΊΠΈΡ Π΄ΠΎΠΌΠΎΠ², ΠΏΡΠΈ ΡΡΠΎΠΌ ΠΏΠ΅ΡΠ²ΡΠΌΠΈ ΠΏΠΎ Ρ ΠΎΠ΄Ρ Π΄Π²ΠΈΠΆΠ΅Π½ΠΈΡ ΡΠ΅ΠΏΠ»ΠΎΠ½ΠΎΡΠΈΡΠ΅Π»Ρ ΠΏΠΎΠ΄ΠΊΠ»ΡΡΠ°ΡΡ ΠΆΠΈΠ»ΡΠ΅ ΠΊΠΎΠΌΠ½Π°ΡΡ, Π° ΠΏΠΎΡΠΎΠΌ ΠΏΠΎΠΌΠ΅ΡΠ΅Π½ΠΈΡ ΡΠ΅Ρ Π½ΠΈΡΠ΅ΡΠΊΠΎΠ³ΠΎ Π½Π°Π·Π½Π°ΡΠ΅Π½ΠΈΡ.
ΠΠΎΠ»Π»Π΅ΠΊΡΠΎΡΠ½Π°Ρ ΡΡ Π΅ΠΌΠ°
ΠΠΎΠ»Π΅Π΅ ΡΠ»ΠΎΠΆΠ½Π°Ρ ΠΈ Π·Π°ΡΡΠ°ΡΠ½Π°Ρ ΠΏΠΎ ΠΌΠ°ΡΠ΅ΡΠΈΠ°Π»Π°ΠΌ ΡΡ Π΅ΠΌΠ° Π²ΠΎΠ΄ΡΠ½ΠΎΠ³ΠΎ ΠΎΡΠΎΠΏΠ»Π΅Π½ΠΈΡ, Π½ΠΎ ΠΏΠΎΠ·Π²ΠΎΠ»ΡΡΡΠ°Ρ ΠΎΠ±Π΅ΡΠΏΠ΅ΡΠΈΡΡ ΡΠ°Π²Π½ΠΎΠΌΠ΅ΡΠ½ΠΎΠ΅ ΡΠ°ΡΠΏΡΠ΅Π΄Π΅Π»Π΅Π½ΠΈΠ΅ ΡΠ΅ΠΏΠ»Π°, ΡΠ΄ΠΎΠ±ΡΡΠ²ΠΎ ΡΠΊΡΠΏΠ»ΡΠ°ΡΠ°ΡΠΈΠΈ ΠΈ Π²ΡΡΠΎΠΊΡΡ Π½Π°Π΄Π΅ΠΆΠ½ΠΎΡΡΡ ΡΠΈΡΡΠ΅ΠΌΡ. ΠΠ° Π²ΡΡ ΠΎΠ΄Π΅ ΠΈΠ· ΠΊΠΎΡΠ»Π° ΠΎΡΠΎΠΏΠ»Π΅Π½ΠΈΡ ΠΈΠ»ΠΈ Π½Π° ΠΊΠ°ΠΆΠ΄ΠΎΠΌ ΠΎΡΠ²Π΅ΡΠ²Π»Π΅Π½ΠΈΠΈ ΠΎΡ ΡΡΠΎΡΠΊΠ° ΡΡΡΠ°Π½Π°Π²Π»ΠΈΠ²Π°Π΅ΡΡΡ ΠΊΠΎΠ»Π»Π΅ΠΊΡΠΎΡΠ½Π°Ρ Π³ΡΠ΅Π±Π΅Π½ΠΊΠ°, ΠΊ ΠΊΠΎΡΠΎΡΠΎΠΉ ΠΏΠΎΠ΄ΠΊΠ»ΡΡΠ°ΡΡΡΡ Π³ΠΎΡΠΈΠ·ΠΎΠ½ΡΠ°Π»ΡΠ½ΡΠ΅ Π²Π΅ΡΠΊΠΈ Π»ΠΈΠ±ΠΎ ΠΎΡΠ΄Π΅Π»ΡΠ½ΡΠ΅ ΠΏΡΠΈΠ±ΠΎΡΡ.
ΠΠ°ΠΈΠ±ΠΎΠ»Π΅Π΅ Π°ΠΊΡΡΠ°Π»ΡΠ½ΠΎ ΠΏΡΠΈΠΌΠ΅Π½Π΅Π½ΠΈΠ΅ ΡΡΠΎΠΉ ΡΡ Π΅ΠΌΡ ΠΏΠΎΠ΄ΠΊΠ»ΡΡΠ΅Π½ΠΈΡ ΠΏΡΠΈΠ±ΠΎΡΠΎΠ² Π² Π±ΠΎΠ»ΡΡΠΈΡ ΠΊΠΎΡΡΠ΅Π΄ΠΆΠ°Ρ ΡΠΎ ΡΠ»ΠΎΠΆΠ½ΡΠΌΠΈ ΡΠ°Π·Π²Π΅ΡΠ²Π»Π΅Π½Π½ΡΠΌΠΈ ΡΠΈΡΡΠ΅ΠΌΠ°ΠΌΠΈ. ΠΠ½Π° ΠΏΠΎΠ·Π²ΠΎΠ»ΡΠ΅Ρ ΡΠ΅Π³ΡΠ»ΠΈΡΠΎΠ²Π°ΡΡ ΠΏΠ°ΡΠ°ΠΌΠ΅ΡΡΡ ΡΠ΅ΠΌΠΏΠ΅ΡΠ°ΡΡΡΡ ΠΈ Π΄Π°Π²Π»Π΅Π½ΠΈΡ Π΄Π»Ρ ΠΊΠ°ΠΆΠ΄ΠΎΠΉ Π²Π΅ΡΠΊΠΈ ΠΈΠ»ΠΈ ΠΏΡΠΈΠ±ΠΎΡΠ° ΠΎΡΠ΄Π΅Π»ΡΠ½ΠΎ.
ΠΡΠ»ΠΈ Π² Π²Π°ΡΠ΅ΠΌ Π΄ΠΎΠΌΠ΅ Π±ΡΠ΄Π΅Ρ ΠΈΡΠΏΠΎΠ»ΡΠ·ΠΎΠ²Π°ΡΡΡΡ ΡΡ Π΅ΠΌΠ° ΠΊΠΎΠΌΠ±ΠΈΠ½ΠΈΡΠΎΠ²Π°Π½Π½ΠΎΠ³ΠΎ ΠΎΡΠΎΠΏΠ»Π΅Π½ΠΈΡ, ΡΠΎ Π΅ΡΡΡ ΡΠΎΡΠ΅ΡΠ°Π½ΠΈΠ΅ ΠΊΠ»Π°ΡΡΠΈΡΠ΅ΡΠΊΠΎΠ³ΠΎ ΡΠ°Π΄ΠΈΠ°ΡΠΎΡΠ½ΠΎΠ³ΠΎ ΠΎΡΠΎΠΏΠ»Π΅Π½ΠΈΡ Ρ ΡΠ΅ΠΏΠ»ΡΠΌΠΈ ΠΏΠΎΠ»Π°ΠΌΠΈ, ΡΠΎ Π²Ρ ΠΎΠ΄Π½ΠΎΠ·Π½Π°ΡΠ½ΠΎ ΡΠ΄Π΅Π»Π°Π΅ΡΠ΅ ΠΏΡΠ°Π²ΠΈΠ»ΡΠ½ΡΠΉ Π²ΡΠ±ΠΎΡ, ΠΎΡΡΠ°Π½ΠΎΠ²ΠΈΠ²ΡΠΈΡΡ Π½Π° ΠΊΠΎΠ»Π»Π΅ΠΊΡΠΎΡΠ½ΠΎΠΉ ΡΡ Π΅ΠΌΠ΅.
ΠΡΠ΅Π΄ΡΡΠΌΠ°ΡΡΠΈΠ²Π°Π΅Ρ ΠΏΠ°ΡΠ°Π»Π»Π΅Π»ΡΠ½ΠΎΠ΅ ΠΏΠΎΠ΄ΠΊΠ»ΡΡΠ΅Π½ΠΈΠ΅ ΠΎΡΠΎΠΏΠΈΡΠ΅Π»ΡΠ½ΡΡ ΠΏΡΠΈΠ±ΠΎΡΠΎΠ² ΠΊ ΠΏΠΎΠ΄Π°ΡΡΠ΅ΠΌΡ ΠΈ ΠΎΠ±ΡΠ°ΡΠ½ΠΎΠΌΡ ΡΡΡΠ±ΠΎΠΏΡΠΎΠ²ΠΎΠ΄Ρ. ΠΠ°ΠΆΠ΄ΡΠΉ ΡΠ°Π΄ΠΈΠ°ΡΠΎΡ Π½Π΅Π·Π°Π²ΠΈΡΠΈΠΌΡΠΉ ΠΎΡ Π΄ΡΡΠ³ΠΈΡ ΠΈ ΠΏΠΎΠ»ΡΡΠ°Π΅Ρ Π½Π° Π²Ρ ΠΎΠ΄Π΅ ΡΠ΅ΠΏΠ»ΠΎΠ½ΠΎΡΠΈΡΠ΅Π»Ρ ΠΏΡΠ°ΠΊΡΠΈΡΠ΅ΡΠΊΠΈ ΠΎΠ΄ΠΈΠ½Π°ΠΊΠΎΠ²ΠΎΠΉ ΡΠ΅ΠΌΠΏΠ΅ΡΠ°ΡΡΡΡ.
ΠΡΠΈ Π°Π²Π°ΡΠΈΠΉΠ½ΠΎΠΉ ΡΠΈΡΡΠ°ΡΠΈΠΈ ΠΌΠΎΠΆΠ½ΠΎ ΠΎΡΠΊΠ»ΡΡΠΈΡΡ ΠΎΠ΄ΠΈΠ½ ΠΈΠ»ΠΈ Π½Π΅ΡΠΊΠΎΠ»ΡΠΊΠΎ ΠΏΡΠΈΠ±ΠΎΡΠΎΠ² Π±Π΅Π· ΡΡΠ΅ΡΠ±Π° Π΄Π»Ρ ΡΠ°Π±ΠΎΡΠΎΡΠΏΠΎΡΠΎΠ±Π½ΠΎΡΡΠΈ ΡΠΈΡΡΠ΅ΠΌΡ. ΠΠ²ΡΡ ΡΡΡΠ±Π½Π°Ρ ΡΡ Π΅ΠΌΠ° ΠΌΠΎΠ½ΡΠ°ΠΆΠ° ΠΏΠΎΠ·Π²ΠΎΠ»ΡΠ΅Ρ ΠΏΡΠΈΠΌΠ΅Π½ΠΈΡΡ ΡΠΊΡΡΡΡΡ ΠΏΡΠΎΠΊΠ»Π°Π΄ΠΊΡ ΠΈ Π»Π΅Π³ΠΊΠΎ ΡΠΏΡΡΡΠ°ΡΡ ΡΡΡΠ±ΠΎΠΏΡΠΎΠ²ΠΎΠ΄Ρ Π² ΠΏΠΎΠ». Π Π±ΠΎΠ»ΡΡΠΈΠ½ΡΡΠ²Π΅ ΡΠ»ΡΡΠ°Π΅Π² ΠΈΠΌΠ΅Π½Π½ΠΎ ΡΡΠ° ΡΡ Π΅ΠΌΠ° ΠΎΡΠΎΠΏΠ»Π΅Π½ΠΈΡ ΡΠ°ΡΡΠ½ΠΎΠ³ΠΎ Π΄ΠΎΠΌΠ° ΡΠ²Π»ΡΠ΅ΡΡΡ Π½Π°ΠΈΠ±ΠΎΠ»Π΅Π΅ ΠΎΠΏΡΠΈΠΌΠ°Π»ΡΠ½ΠΎΠΉ.
ΠΠ²ΡΡ ΡΡΡΠ±Π½Π°Ρ ΡΡ Π΅ΠΌΠ° ΠΎΡΠΎΠΏΠ»Π΅Π½ΠΈΡ Ρ Π½ΠΈΠΆΠ½Π΅ΠΉ ΡΠ°Π·Π²ΠΎΠ΄ΠΊΠΎΠΉ
Π ΡΠ°ΡΡΠ½ΠΎΠΌ Π΄ΠΎΠΌΠ΅ ΠΌΠΎΠΆΠ΅Ρ ΠΏΡΠΈΠΌΠ΅Π½ΡΡΡΡΡ ΠΊΠ°ΠΊ Π³ΠΎΡΠΈΠ·ΠΎΠ½ΡΠ°Π»ΡΠ½Π°Ρ, ΡΠ°ΠΊ ΠΈ Π²Π΅ΡΡΠΈΠΊΠ°Π»ΡΠ½Π°Ρ ΡΠ°Π·Π²ΠΎΠ΄ΠΊΠ° ΡΡΡΠ±ΠΎΠΏΡΠΎΠ²ΠΎΠ΄ΠΎΠ². ΠΠ΅ΡΡΠΈΠΊΠ°Π»ΡΠ½Π°Ρ ΡΠ°Π·Π²ΠΎΠ΄ΠΊΠ° ΠΏΡΠΈΠΌΠ΅Π½ΡΠ΅ΡΡΡ Π² Π΄ΠΎΠΌΠ°Ρ Ρ ΠΊΠΎΠ»ΠΈΡΠ΅ΡΡΠ²ΠΎΠΌ ΡΡΠ°ΠΆΠ΅ΠΉ 2 ΠΈ Π±ΠΎΠ»Π΅Π΅. ΠΠ½Π° Π½Π°ΠΈΠ±ΠΎΠ»Π΅Π΅ Ρ Π°ΡΠ°ΠΊΡΠ΅ΡΠ½Π° Π΄Π»Ρ Π±ΠΎΠ»ΡΡΠΈΡ ΠΊΠΎΡΡΠ΅Π΄ΠΆΠ΅ΠΉ.
Π’Π΅ΠΏΠ»ΠΎΠ½ΠΎΡΠΈΡΠ΅Π»Ρ Π΄Π²ΠΈΠΆΠ΅ΡΡΡ ΠΏΠΎ ΡΡΠΎΡΠΊΠ°ΠΌ ΠΎΡ ΡΡΠ°ΠΆΠ° ΠΊ ΡΡΠ°ΠΆΡ. ΠΠΎΠ·ΠΌΠΎΠΆΠ½Π° ΠΎΡΠ³Π°Π½ΠΈΠ·Π°ΡΠΈΡ ΠΎΡΠΎΠΏΠ»Π΅Π½ΠΈΡ Ρ Π½ΠΈΠΆΠ½Π΅ΠΉ ΡΠ°Π·Π²ΠΎΠ΄ΠΊΠΎΠΉ ΠΈ Ρ Π²Π΅ΡΡ Π½Π΅ΠΉ Π² Π·Π°Π²ΠΈΡΠΈΠΌΠΎΡΡΠΈ ΠΎΡ ΡΠ°ΡΠΏΠΎΠ»ΠΎΠΆΠ΅Π½ΠΈΡ ΠΏΠΎΠ΄Π°ΡΡΠ΅Π³ΠΎ ΡΡΡΠ±ΠΎΠΏΡΠΎΠ²ΠΎΠ΄Π° ΠΎΡΠ½ΠΎΡΠΈΡΠ΅Π»ΡΠ½ΠΎ ΡΠ°Π΄ΠΈΠ°ΡΠΎΡΠΎΠ². Π‘Ρ Π΅ΠΌΠ° ΠΎΡΠΎΠΏΠ»Π΅Π½ΠΈΡ Π΄Π²ΡΡ ΡΡΠ°ΠΆΠ½ΠΎΠ³ΠΎ Π΄ΠΎΠΌΠ° ΠΌΠΎΠΆΠ΅Ρ Π²ΡΠΏΠΎΠ»Π½ΡΡΡΡΡ ΡΠ°ΠΊΠΆΠ΅ ΠΈ Ρ Π³ΠΎΡΠΈΠ·ΠΎΠ½ΡΠ°Π»ΡΠ½ΠΎΠΉ ΡΠ°Π·Π²ΠΎΠ΄ΠΊΠΎΠΉ, ΠΊΠΎΠ³Π΄Π° ΠΎΡ ΠΎΠ΄Π½ΠΎΠ³ΠΎ ΡΡΠΎΡΠΊΠ° ΡΠ°ΡΡ ΠΎΠ΄ΡΡΡΡ ΠΏΠΎ Π΄ΠΎΠΌΡ Π³ΠΎΡΠΈΠ·ΠΎΠ½ΡΠ°Π»ΡΠ½ΡΠ΅ Π²Π΅ΡΠΊΠΈ Π½Π° ΠΊΠ°ΠΆΠ΄ΠΎΠΌ ΡΡΠ°ΠΆΠ΅. Π‘Ρ Π΅ΠΌΠ° ΠΎΡΠΎΠΏΠ»Π΅Π½ΠΈΡ ΠΎΠ΄Π½ΠΎΡΡΠ°ΠΆΠ½ΠΎΠ³ΠΎ Π΄ΠΎΠΌΠ° ΠΎΠ΄Π½ΠΎΠ·Π½Π°ΡΠ½ΠΎ Π±ΡΠ΄Π΅Ρ Π³ΠΎΡΠΈΠ·ΠΎΠ½ΡΠ°Π»ΡΠ½ΠΎΠΉ.
ΠΠΎΡΠΈΠ·ΠΎΠ½ΡΠ°Π»ΡΠ½Π°Ρ ΡΠ°Π·Π²ΠΎΠ΄ΠΊΠ°

ΠΠΎΡΠΈΠ·ΠΎΠ½ΡΠ°Π»ΡΠ½Π°Ρ ΡΡ Π΅ΠΌΠ° ΠΏΠΎΠ΄ΠΊΠ»ΡΡΠ΅Π½ΠΈΡ ΡΠ°Π΄ΠΈΠ°ΡΠΎΡΠΎΠ² Π² ΡΠΎΠ²ΡΠ΅ΠΌΠ΅Π½Π½ΡΡ ΡΠ°ΡΡΠ½ΡΡ Π΄ΠΎΠΌΠ°Ρ ΡΠ²Π»ΡΠ΅ΡΡΡ Π½Π°ΠΈΠ±ΠΎΠ»Π΅Π΅ ΡΠ°ΡΠΏΡΠΎΡΡΡΠ°Π½Π΅Π½Π½ΠΎΠΉ. ΠΠ½Π° ΠΏΠΎΠ·Π²ΠΎΠ»ΡΠ΅Ρ ΡΠ΄Π΅Π»Π°ΡΡ ΠΎΡΠ°ΠΏΠ»ΠΈΠ²Π°Π΅ΠΌΡΠΉ Π΄ΠΎΠΌ ΠΊΠΎΠΌΡΠΎΡΡΠ½ΡΠΌ ΠΊΠ°ΠΊ ΠΏΠΎ ΡΠ΅ΠΏΠ»ΠΎΠ²ΠΎΠΌΡ ΡΠ΅ΠΆΠΈΠΌΡ, ΡΠ°ΠΊ ΠΈ ΡΡΡΠ΅ΡΠΈΠΊΠ΅. ΠΡΠ΄Π΅Π»ΡΠ½ΡΠ΅ ΠΏΡΠΈΠ±ΠΎΡΡ ΠΈ Π²Π΅ΡΠΊΠΈ ΠΌΠΎΠ³ΡΡ ΠΎΡΠΊΠ»ΡΡΠ°ΡΡΡΡ Π±Π΅Π· ΡΡΠ΅ΡΠ±Π° Π΄Π»Ρ ΠΎΡΠ½ΠΎΠ²Π½ΠΎΠΉ ΡΠΈΡΡΠ΅ΠΌΡ ΠΈ ΡΠ΅Π³ΡΠ»ΠΈΡΠΎΠ²Π°ΡΡΡΡ ΠΏΠΎ Π½Π΅ΠΎΠ±Ρ ΠΎΠ΄ΠΈΠΌΠΎΡΡΠΈ.
ΠΡΠΈΠ½ΡΠΈΠΏΠΈΠ°Π»ΡΠ½Π°Ρ ΡΡ Π΅ΠΌΠ° ΠΎΡΠΎΠΏΠ»Π΅Π½ΠΈΡ ΠΌΠΎΠΆΠ΅Ρ Π±ΡΡΡ ΠΎΠ΄Π½ΠΎΡΡΡΠ±Π½Π°Ρ Π»ΠΈΠ±ΠΎ Π΄Π²ΡΡ ΡΡΡΠ±Π½Π°Ρ. Π Π·Π°Π²ΠΈΡΠΈΠΌΠΎΡΡΠΈ ΠΎΡ ΡΠΏΠΎΡΠΎΠ±Π° ΠΏΡΠΎΠΊΠ»Π°Π΄ΠΊΠΈ Π±ΡΠ²Π°Π΅Ρ ΠΏΠ΅ΡΠΈΠΌΠ΅ΡΡΠ°Π»ΡΠ½Π°Ρ ΠΈ Π»ΡΡΠ΅Π²Π°Ρ.
ΠΠ΅ΡΠΈΠΌΠ΅ΡΡΠ°Π»ΡΠ½Π°Ρ ΡΠ°Π·Π²ΠΎΠ΄ΠΊΠ°
ΠΠ΅ΡΠΈΠΌΠ΅ΡΡΠ°Π»ΡΠ½Π°Ρ ΡΠ°Π·Π²ΠΎΠ΄ΠΊΠ° ΠΏΡΠ΅Π΄ΡΡΠΌΠ°ΡΡΠΈΠ²Π°Π΅Ρ ΠΏΡΠΎΠΊΠ»Π°Π΄ΠΊΡ ΡΡΡΠ± Π²Π΄ΠΎΠ»Ρ ΡΡΠ΅Π½ ΠΏΠΎ ΠΏΠ΅ΡΠΈΠΌΠ΅ΡΡΡ ΠΊΠ²Π°ΡΡΠΈΡΡ, Π²ΠΎΠ·ΠΌΠΎΠΆΠ½Π° ΡΠ°ΠΊΠΆΠ΅ ΡΠΊΡΡΡΠ°Ρ ΠΏΡΠΎΠΊΠ»Π°Π΄ΠΊΠ° Π² ΠΊΠΎΠ½ΡΡΡΡΠΊΡΠΈΠΈ ΠΏΠΎΠ»Π°. Π’Π°ΠΊΡΡ ΡΠΈΡΡΠ΅ΠΌΡ Π²ΠΎΠ΄ΡΠ½ΠΎΠ³ΠΎ ΠΎΡΠΎΠΏΠ»Π΅Π½ΠΈΡ ΡΠ΄ΠΎΠ±Π½ΠΎ ΠΌΠΎΠ½ΡΠΈΡΠΎΠ²Π°ΡΡ ΠΊΠ°ΠΊ ΠΏΡΠΈ Π½ΠΎΠ²ΠΎΠΌ ΡΡΡΠΎΠΈΡΠ΅Π»ΡΡΡΠ²Π΅, ΡΠ°ΠΊ ΠΈ ΠΏΡΠΈ ΡΠ΅ΠΊΠΎΠ½ΡΡΡΡΠΊΡΠΈΠΈ. ΠΡΠ½ΠΎΠ²Π½ΠΎΠΉ Π½Π΅Π΄ΠΎΡΡΠ°ΡΠΎΠΊ β Π·Π½Π°ΡΠΈΡΠ΅Π»ΡΠ½Π°Ρ Π΄Π»ΠΈΠ½Π° ΡΡΡΠ±ΠΎΠΏΡΠΎΠ²ΠΎΠ΄ΠΎΠ² ΠΈ ΡΠ»ΠΎΠΆΠ½ΠΎΡΡΡ ΠΎΠ±Π΅ΡΠΏΠ΅ΡΠΈΡΡ Π²ΠΎΠ·ΠΌΠΎΠΆΠ½ΠΎΡΡΡ ΡΠ»ΠΈΠ²Π° Π²ΠΎΠ΄Ρ Ρ ΡΠΈΡΡΠ΅ΠΌΡ.
Π‘Ρ Π΅ΠΌΠ° ΠΎΡΠΎΠΏΠ»Π΅Π½ΠΈΡ Ρ Π³ΠΎΡΠΈΠ·ΠΎΠ½ΡΠ°Π»ΡΠ½ΠΎΠΉ ΠΏΠ΅ΡΠΈΠΌΠ΅ΡΡΠ°Π»ΡΠ½ΠΎΠΉ ΡΠ°Π·Π²ΠΎΠ΄ΠΊΠΎΠΉ

ΠΡΡΠ΅Π²Π°Ρ ΡΠ°Π·Π²ΠΎΠ΄ΠΊΠ° ΠΏΡΠ΅Π΄ΡΡΠΌΠ°ΡΡΠΈΠ²Π°Π΅Ρ ΠΎΡΠ΄Π΅Π»ΡΠ½ΠΎΠ΅ ΠΏΠΎΠ΄ΠΊΠ»ΡΡΠ΅Π½ΠΈΠ΅ ΠΊΠ°ΠΆΠ΄ΠΎΠ³ΠΎ ΡΠ°Π΄ΠΈΠ°ΡΠΎΡΠ° ΠΊ ΠΎΠ±ΡΠ΅ΠΌΡ ΠΊΠΎΠ»Π»Π΅ΠΊΡΠΎΡΡ ΠΊΡΠ°ΡΡΠ°ΠΉΡΠΈΠΌ ΠΏΡΡΠ΅ΠΌ, ΡΡ Π΅ΠΌΠ° ΠΏΠΎΠ΄ΠΊΠ»ΡΡΠ΅Π½ΠΈΡ ΠΏΡΠΈΠ±ΠΎΡΠΎΠ² Π½Π°ΠΏΠΎΠΌΠΈΠ½Π°Π΅Ρ ΡΠΎΠ»Π½Π΅ΡΠ½ΡΠ΅ Π»ΡΡΠΈ. ΠΠ½Π° ΠΏΠΎΠ·Π²ΠΎΠ»ΡΠ΅Ρ ΠΏΠΎΠ»ΡΠ·ΠΎΠ²Π°ΡΠ΅Π»Ρ ΠΎΡΡΡΠ΅ΡΡΠ²Π»ΡΡΡ ΠΈΠ½Π΄ΠΈΠ²ΠΈΠ΄ΡΠ°Π»ΡΠ½ΡΡ Π½Π°ΡΡΡΠΎΠΉΠΊΡ ΠΊΠ°ΠΆΠ΄ΠΎΠ³ΠΎ ΠΏΡΠΈΠ±ΠΎΡΠ°, ΠΈ ΠΎΠ±Π΅ΡΠΏΠ΅ΡΠΈΠ²Π°Π΅Ρ Π»Π΅Π³ΠΊΡΡ Π³ΠΈΠ΄ΡΠ°Π²Π»ΠΈΡΠ΅ΡΠΊΡΡ Π±Π°Π»Π°Π½ΡΠΈΡΠΎΠ²ΠΊΡ.
ΠΡΠ° ΡΡ Π΅ΠΌΠ° ΡΠΈΡΡΠ΅ΠΌΡ ΠΎΡΠΎΠΏΠ»Π΅Π½ΠΈΡ ΡΠ΄ΠΎΠ±Π½Π° ΠΏΡΠΈ Π½ΠΎΠ²ΠΎΠΌ ΡΡΡΠΎΠΈΡΠ΅Π»ΡΡΡΠ²Π΅, ΡΡΡΠ±Ρ ΡΠΊΠ»Π°Π΄ΡΠ²Π°ΡΡΡΡ Π½Π° ΡΠ΅ΡΠ½ΠΎΠ²ΡΡ ΠΏΠΎΠ²Π΅ΡΡ Π½ΠΎΡΡΡ ΠΏΠΎΠ»Π° ΠΈ Π·Π°Π»ΠΈΠ²Π°ΡΡΡΡ ΡΡΡΠΆΠΊΠΎΠΉ. Π Π½Π΅Π΄ΠΎΡΡΠ°ΡΠΊΠ°ΠΌ ΠΌΠΎΠΆΠ½ΠΎ ΠΎΡΠ½Π΅ΡΡΠΈ ΡΠ»ΠΎΠΆΠ½ΠΎΡΡΡ ΡΠ΅ΠΌΠΎΠ½ΡΠ°, ΡΠ°ΠΊ ΠΊΠ°ΠΊ Π² ΡΠ»ΡΡΠ°Π΅ Π°Π²Π°ΡΠΈΠΉΠ½ΠΎΠΉ ΡΠΈΡΡΠ°ΡΠΈΠΈ Π²Π΅ΡΡΠΌΠ° Π·Π°ΡΡΡΠ΄Π½ΠΈΡΠ΅Π»ΡΠ½ΠΎ Π΄ΠΎΠ±ΡΠ°ΡΡΡΡ Π΄ΠΎ ΡΡΡΠ±ΠΎΠΏΡΠΎΠ²ΠΎΠ΄ΠΎΠ². Π Π°ΡΡ ΠΎΠ΄ ΡΡΡΠ± ΠΏΡΠΈ Π»ΡΡΠ΅Π²ΠΎΠΉ ΡΠ°Π·Π²ΠΎΠ΄ΠΊΠ΅ Π±ΠΎΠ»ΡΡΠ΅, ΡΠ΅ΠΌ Π² Π΄ΡΡΠ³ΠΈΡ Π²Π°ΡΠΈΠ°Π½ΡΠ°Ρ , Π½ΠΎ ΡΡΠΎ ΠΊΠΎΠΌΠΏΠ΅Π½ΡΠΈΡΡΠ΅ΡΡΡ ΡΠ½ΠΈΠΆΠ΅Π½ΠΈΠ΅ΠΌ ΠΈΡ Π΄ΠΈΠ°ΠΌΠ΅ΡΡΠΎΠ². ΠΠΌΠ΅Π½Π½ΠΎ ΡΡΠ° ΡΡ Π΅ΠΌΠ° ΡΠ°Π·Π²ΠΎΠ΄ΠΊΠΈ ΡΡΡΠ±ΠΎΠΏΡΠΎΠ²ΠΎΠ΄ΠΎΠ² ΡΠ²Π»ΡΠ΅ΡΡΡ ΡΠΈΠΏΠΎΠ²ΠΎΠΉ Π΄Π»Ρ Π±ΠΎΠ»ΡΡΠΈΠ½ΡΡΠ²Π° ΡΠΎΠ²ΡΠ΅ΠΌΠ΅Π½Π½ΡΡ ΠΊΠΎΡΡΠ΅Π΄ΠΆΠ΅ΠΉ.
ΠΡΠ²ΠΎΠ΄Ρ
ΠΡΠΈΡΡΡΠΏΠ°Ρ ΠΊ ΠΌΠΎΠ½ΡΠ°ΠΆΡ ΡΠΈΡΡΠ΅ΠΌΡ ΠΎΡΠΎΠΏΠ»Π΅Π½ΠΈΡ ΠΈΠ· ΠΏΠΎΠ»ΠΈΠΏΡΠΎΠΏΠΈΠ»Π΅Π½ΠΎΠ²ΡΡ ΡΡΡΠ± Π² ΡΠ°ΡΡΠ½ΠΎΠΌ Π΄ΠΎΠΌΠ΅, Π²Π½ΠΈΠΌΠ°ΡΠ΅Π»ΡΠ½ΠΎ ΠΈΠ·ΡΡΠΈΡΠ΅ ΡΠ΅Ρ Π½ΠΎΠ»ΠΎΠ³ΠΈΡ ΠΏΠ°ΠΉΠΊΠΈ ΠΏΠΎΠ»ΠΈΠΏΡΠΎΠΏΠΈΠ»Π΅Π½Π°, ΠΏΡΠΎΠ°Π½Π°Π»ΠΈΠ·ΠΈΡΡΠΉΡΠ΅ Π²ΡΠ΅ Π²ΠΎΠ·ΠΌΠΎΠΆΠ½ΡΠ΅ ΡΡ Π΅ΠΌΡ Π²ΠΎΠ΄ΡΠ½ΠΎΠ³ΠΎ ΠΎΡΠΎΠΏΠ»Π΅Π½ΠΈΡ, ΠΎΠΏΡΠ΅Π΄Π΅Π»ΠΈΡΠ΅ Π½Π΅ΠΎΠ±Ρ ΠΎΠ΄ΠΈΠΌΡΠ΅ ΡΠ΅ΠΏΠ»ΠΎΠ²ΡΠ΅ Π½Π°Π³ΡΡΠ·ΠΊΠΈ, ΡΠΎΡΡΠ°Π²ΡΡΠ΅ ΠΏΠ»Π°Π½Ρ ΠΈ ΡΡΠ΅Ρ ΠΌΠ΅ΡΠ½ΡΠ΅ ΡΠ΅ΡΡΠ΅ΠΆΠΈ.
ΠΠΎΡΡΠ°ΡΠ°ΠΉΡΠ΅ΡΡ ΠΏΡΠ΅Π΄Π²Π°ΡΠΈΡΠ΅Π»ΡΠ½ΠΎ ΠΏΡΠΎΠΊΠΎΠ½ΡΡΠ»ΡΡΠΈΡΠΎΠ²Π°ΡΡΡΡ ΡΠΎ ΡΠΏΠ΅ΡΠΈΠ°Π»ΠΈΡΡΠΎΠΌ Π² ΠΎΠ±Π»Π°ΡΡΠΈ ΡΠ΅ΠΏΠ»ΠΎΡΠ΅Ρ Π½ΠΈΠΊΠΈ ΠΈ ΡΠΎΠ³Π»Π°ΡΠΎΠ²Π°ΡΡ Ρ Π½ΠΈΠΌ ΠΏΡΠΎΠ΅ΠΊΡ Π±ΡΠ΄ΡΡΠ΅ΠΉ ΡΠΈΡΡΠ΅ΠΌΡ. ΠΠ°ΡΡΡΠΈΠ²ΡΠΈΡΡ ΠΏΠΎΠ΄Π΄Π΅ΡΠΆΠΊΠΎΠΉ ΠΎΠΏΡΡΠ½ΠΎΠ³ΠΎ ΡΠ΅Π»ΠΎΠ²Π΅ΠΊΠ° Π² ΡΠ΅Ρ Π½ΠΈΡΠ΅ΡΠΊΠΈΡ Π²ΠΎΠΏΡΠΎΡΠ°Ρ ΠΈ ΡΡΠ°ΡΠ΅Π»ΡΠ½ΠΎ ΠΏΠΎΠ΄Π³ΠΎΡΠΎΠ²ΠΈΠ²ΡΠΈΡΡ, Π²Ρ Π»Π΅Π³ΠΊΠΎ ΡΠΏΡΠ°Π²ΠΈΡΠ΅ΡΡ Ρ ΡΡΡΡΠΎΠΉΡΡΠ²ΠΎΠΌ ΡΠΈΡΡΠ΅ΠΌΡ Π²ΠΎΠ΄ΡΠ½ΠΎΠ³ΠΎ ΠΎΡΠΎΠΏΠ»Π΅Π½ΠΈΡ ΡΠ°ΡΡΠ½ΠΎΠ³ΠΎ Π΄ΠΎΠΌΠ° ΡΠ²ΠΎΠΈΠΌΠΈ ΡΡΠΊΠ°ΠΌΠΈ.
homeframe.ru
ΠΡΠΎΠΏΠ»Π΅Π½ΠΈΠ΅ Π² ΡΠ°ΡΡΠ½ΠΎΠΌ Π΄ΠΎΠΌΠ΅ ΠΈΠ· ΠΏΠΎΠ»ΠΈΠΏΡΠΎΠΏΠΈΠ»Π΅Π½ΠΎΠ²ΡΡ ΡΡΡΠ± ΡΠ²ΠΎΠΈΠΌΠΈ ΡΡΠΊΠ°ΠΌΠΈ
ΠΠΠΠΠΠΠ’ΠΠ‘Π¬ Π Π‘ΠΠ¦Π‘ΠΠ’Π―Π₯
Π§ΡΠΎΠ±Ρ ΡΡΠΊΠΎΠ½ΠΎΠΌΠΈΡΡ Π΄Π΅Π½ΡΠ³ΠΈ Π½Π° ΡΡΠ»ΡΠ³Π°Ρ ΡΠΏΠ΅ΡΠΈΠ°Π»ΠΈΡΡΠΎΠ², ΠΌΠΎΠΆΠ½ΠΎ ΡΡΡΠ°Π½ΠΎΠ²ΠΈΡΡ ΠΎΡΠΎΠΏΠ»Π΅Π½ΠΈΠ΅ Π² ΡΠ°ΡΡΠ½ΠΎΠΌ Π΄ΠΎΠΌΠ΅ ΠΈΠ· ΠΏΠΎΠ»ΠΈΠΏΡΠΎΠΏΠΈΠ»Π΅Π½ΠΎΠ²ΡΡ ΡΡΡΠ± ΡΠ²ΠΎΠΈΠΌΠΈ ΡΡΠΊΠ°ΠΌΠΈ. Π’Π°ΠΊΠΎΠΉ ΠΏΠΎΠ΄Ρ ΠΎΠ΄ ΠΏΠΎΠΌΠΎΠΆΠ΅Ρ ΡΠ°ΠΌΠΎΠΌΡ ΠΊΠΎΠ½ΡΡΠΎΠ»ΠΈΡΠΎΠ²Π°ΡΡ Π²ΡΠ΅ ΡΠ°Π±ΠΎΡΠΈΠ΅ ΠΏΡΠΎΡΠ΅ΡΡΡ. Π ΡΠ΅Π·ΡΠ»ΡΡΠ°ΡΠ΅ ΠΏΠΎΠ»ΡΡΠΈΡΡΡ Π½Π΅ ΡΠΎΠ»ΡΠΊΠΎ ΡΡΠΊΠΎΠ½ΠΎΠΌΠΈΡΡ, Π½ΠΎ ΠΏΠΎΠ»ΡΡΠΈΡΡ Π΄Π΅ΠΉΡΡΠ²ΠΈΡΠ΅Π»ΡΠ½ΠΎ Π½Π°Π΄Π΅ΠΆΠ½ΡΠ΅ Π³Π°ΡΠ°Π½ΡΠΈΠΈ ΠΊΠ°ΡΠ΅ΡΡΠ²Π°.

Π‘Π°ΠΌΠΎΡΡΠΎΡΡΠ΅Π»ΡΠ½ΠΎ ΠΌΠΎΠΆΠ½ΠΎ ΡΠΎΡΠ½ΠΎ Π²ΡΠΏΠΎΠ»Π½ΡΡΡ Π½Π°ΠΈΠ±ΠΎΠ»Π΅Π΅ ΠΎΡΠ²Π΅ΡΡΡΠ²Π΅Π½Π½ΡΠ΅ ΠΎΠΏΠ΅ΡΠ°ΡΠΈΠΈ
Π‘ΠΎΠ΄Π΅ΡΠΆΠ°Π½ΠΈΠ΅ ΡΡΠ°ΡΡΠΈ
Π¦Π΅Π»Π΅ΡΠΎΠΎΠ±ΡΠ°Π·Π½ΠΎΡΡΡ ΠΏΡΠΈΠΌΠ΅Π½Π΅Π½ΠΈΡ ΠΏΠΎΠ»ΠΈΠΏΡΠΎΠΏΠΈΠ»Π΅Π½ΠΎΠ²ΡΡ ΡΡΡΠ±
Π‘Π»Π΅Π΄ΡΠ΅Ρ ΠΎΡΠΌΠ΅ΡΠΈΡΡ ΠΏΠΎΠ»ΠΎΠΆΠΈΡΠ΅Π»ΡΠ½ΡΠ΅ ΠΎΡΠΎΠ±Π΅Π½Π½ΠΎΡΡΠΈ ΡΡΡΠ±, ΠΈΠ·Π³ΠΎΡΠΎΠ²Π»Π΅Π½Π½ΡΡ ΠΈΠ· ΠΏΠΎΠ»ΠΈΠΏΡΠΎΠΏΠΈΠ»Π΅Π½Π°:
- ΠΡ ΡΡΠ΅Π½ΠΊΠΈ ΠΎΡΠ»ΠΈΡΠ°ΡΡΡΡ Π½ΠΈΠ·ΠΊΠΎΠΉ ΡΠ΅ΠΏΠ»ΠΎΠΏΡΠΎΠ²ΠΎΠ΄Π½ΠΎΡΡΡΡ, ΠΏΠΎΡΡΠΎΠΌΡ ΡΠ°ΠΊΠ°Ρ ΡΠΈΡΡΠ΅ΠΌΠ° Π±ΡΠ΄Π΅Ρ Π²ΡΠΏΠΎΠ»Π½ΡΡΡ ΡΠ²ΠΎΠΈ ΡΡΠ½ΠΊΡΠΈΠΈ ΡΡΡΠ΅ΠΊΡΠΈΠ²Π½ΠΎ.
- Π£Π»ΡΡΡΠ΅Π½Π½ΡΠ΅ ΠΈΠ·ΠΎΠ»ΡΡΠΈΠΎΠ½Π½ΡΠ΅ ΡΠ²ΠΎΠΉΡΡΠ²Π° ΡΠ½ΠΈΠΆΠ°ΡΡ ΡΡΠΎΠ²Π΅Π½Ρ ΡΡΠΌΠΎΠ², ΠΊΠΎΡΠΎΡΡΠ΅ ΠΈΠ·Π΄Π°Π΅Ρ ΠΆΠΈΠ΄ΠΊΠΎΡΡΡ ΠΏΡΠΈ ΠΏΠ΅ΡΠ΅ΠΌΠ΅ΡΠ΅Π½ΠΈΠΈ.
- ΠΡΠΎΡ ΠΏΠΎΠ»ΠΈΠΌΠ΅Ρ Ρ ΠΈΠΌΠΈΡΠ΅ΡΠΊΠΈ Π½Π΅ΠΉΡΡΠ°Π»Π΅Π½. ΠΠ½ Π½Π΅ ΠΎΠΊΠΈΡΠ»ΡΠ΅ΡΡΡ, ΡΠΎΡ ΡΠ°Π½ΡΠ΅Ρ ΡΠ΅Π»ΠΎΡΡΠ½ΠΎΡΡΡ ΡΡΡΡΠΊΡΡΡΡ Π² ΡΠ΅ΡΠ΅Π½ΠΈΠ΅ Π΄Π»ΠΈΡΠ΅Π»ΡΠ½ΠΎΠ³ΠΎ ΡΡΠΎΠΊΠ° ΡΠΊΡΠΏΠ»ΡΠ°ΡΠ°ΡΠΈΠΈ.
- ΠΡΡΡΡΡΡΠ²ΠΈΠ΅ ΡΠΆΠ°Π²ΡΠΈΠ½Ρ ΡΠ½ΠΈΠΆΠ°Π΅Ρ Π½Π°Π³ΡΡΠ·ΠΊΡ Π½Π° ΡΠΈΠ»ΡΡΡΡ, ΠΊΡΠ°Π½Ρ.

ΠΠ°ΡΠ΅ΡΡΠ²Π΅Π½Π½ΡΠ΅ ΠΏΠΎΠ»ΠΈΠΏΡΠΎΠΏΠΈΠ»Π΅Π½ΠΎΠ²ΡΠ΅ ΡΡΡΠ±Ρ Π΄ΠΎΠ»Π³ΠΎΠ²Π΅ΡΠ½Π΅Π΅, ΡΠ΅ΠΌ ΠΌΠ΅ΡΠ°Π»Π»ΠΈΡΠ΅ΡΠΊΠΈΠ΅ Π°Π½Π°Π»ΠΎΠ³ΠΈ
- ΠΡΠΈ Π°Π²Π°ΡΠΈΠΉΠ½ΠΎΠΌ Π·Π°ΠΌΠΎΡΠ°ΠΆΠΈΠ²Π°Π½ΠΈΠΈ ΡΠΈΡΡΠ΅ΠΌΡ ΡΡΡΠ±Ρ Π½Π΅ Π»ΠΎΠΏΠ°ΡΡΡΡ (ΠΊΠ°ΠΊ ΠΌΠ΅ΡΠ°Π»Π»ΠΈΡΠ΅ΡΠΊΠΈΠ΅ ΠΈΠ·Π΄Π΅Π»ΠΈΡ). ΠΠ°Π½Π½ΡΠΉ ΠΏΡΠ½ΠΊΡ ΠΎΡΠΎΠ±ΠΎ Π²Π°ΠΆΠ΅Π½ Π΄Π»Ρ ΡΠΈΡΡΠ΅ΠΌΡ ΠΎΡΠΎΠΏΠ»Π΅Π½ΠΈΡ ΡΠ°ΡΡΠ½ΠΎΠ³ΠΎ Π΄ΠΎΠΌΠ°, Π³Π΄Π΅ Π½Π΅ ΠΈΡΠΊΠ»ΡΡΠ΅Π½Ρ ΠΏΠΎΠ΄ΠΎΠ±Π½ΡΠ΅ Π½Π΅ΠΏΡΠΈΡΡΠ½ΠΎΡΡΠΈ.
- ΠΡΠ½ΠΎΡΠΈΡΠ΅Π»ΡΠ½ΠΎ Π½Π΅Π±ΠΎΠ»ΡΡΠΎΠΉ Π²Π΅Ρ ΡΠ½ΠΈΠΆΠ°Π΅Ρ Π½Π°Π³ΡΡΠ·ΠΊΡ Π½Π° ΡΡΡΠΎΠ΅Π½ΠΈΠ΅.
- ΠΠΎΠ½ΡΠ°ΠΆ ΠΈΠ½ΠΆΠ΅Π½Π΅ΡΠ½ΠΎΠΉ ΡΠΈΡΡΠ΅ΠΌΡ ΠΎΡΠ»ΠΈΡΠ°Π΅ΡΡΡ ΠΏΡΠΎΡΡΠΎΡΠΎΠΉ. ΠΠ»Ρ Π΅Π΅ ΡΠΎΠ·Π΄Π°Π½ΠΈΡ Π½Π΅ ΠΏΠΎΠ½Π°Π΄ΠΎΠ±ΠΈΡΡΡ ΡΠ²Π°ΡΠΎΡΠ½ΠΎΠ΅ ΠΎΠ±ΠΎΡΡΠ΄ΠΎΠ²Π°Π½ΠΈΠ΅ ΠΈ ΡΠΌΠ΅Π½ΠΈΠ΅ ΠΎΠ±ΡΠ°ΡΠ°ΡΡΡΡ Ρ Π½ΠΈΠΌ. Π‘ΠΎΠ΅Π΄ΠΈΠ½Π΅Π½ΠΈΡ ΡΠ»Π΅ΠΌΠ΅Π½ΡΠΎΠ² ΠΏΠΎΠ»ΡΡΠ°ΡΡΡ Π³Π΅ΡΠΌΠ΅ΡΠΈΡΠ½ΡΠΌΠΈ Π±Π΅Π· ΡΠ΅Π·ΡΠ±ΠΎΠ²ΡΡ ΡΠ·Π»ΠΎΠ² ΠΈ ΡΠΏΠ»ΠΎΡΠ½ΠΈΡΠ΅Π»ΡΠ½ΡΡ ΠΏΡΠΎΠΊΠ»Π°Π΄ΠΎΠΊ.
- Π ΠΎΡΠ΄Π΅Π»ΡΠ½ΡΡ ΡΠΈΡΡΠ°ΡΠΈΡΡ ΠΏΡΠΈΠ³ΠΎΠ΄ΠΈΡΡΡ ΠΎΡΡΡΡΡΡΠ²ΠΈΠ΅ ΡΠ»Π΅ΠΊΡΡΠΎΠΏΡΠΎΠ²ΠΎΠ΄Π½ΠΎΡΡΠΈ.

ΠΠ°ΡΠ΅ΡΡΠ²Π΅Π½Π½ΠΎΠ΅ ΡΠΎΠ΅Π΄ΠΈΠ½Π΅Π½ΠΈΠ΅ ΠΏΠΎΠ»ΠΈΠΏΡΠΎΠΏΠΈΠ»Π΅Π½ΠΎΠ²ΡΡ Π΄Π΅ΡΠ°Π»Π΅ΠΉ ΠΏΠΎΠ»ΡΡΠ°Π΅ΡΡΡ ΡΠ΅Π»ΡΠ½ΡΠΌ, Π±Π΅Π· ΡΠ²ΠΎΠ² ΠΈ Π΄Π΅ΡΠ΅ΠΊΡΠΎΠ²
ΠΠ»Ρ ΠΎΠ±ΡΠ΅ΠΊΡΠΈΠ²Π½ΠΎΡΡΠΈ ΡΠ»Π΅Π΄ΡΠ΅Ρ ΡΠΏΠΎΠΌΡΠ½ΡΡΡ ΠΎΡΠ½ΠΎΡΠΈΡΠ΅Π»ΡΠ½ΠΎ Π±ΠΎΠ»ΡΡΠΎΠΉ ΠΊΠΎΡΡΡΠΈΡΠΈΠ΅Π½Ρ ΡΠ΅ΠΏΠ»ΠΎΠ²ΠΎΠ³ΠΎ ΡΠ°ΡΡΠΈΡΠ΅Π½ΠΈΡ. Π ΡΠ°Π±Π»ΠΈΡΠ΅ ΠΏΡΠΈΠ²Π΅Π΄Π΅Π½Ρ ΠΏΡΠΈΠΌΠ΅ΡΠ½ΡΠ΅ ΡΠΈΡΡΡ Π΄Π»Ρ ΡΡΡΠ± Π΄Π»ΠΈΠ½ΠΎΠΉ 10 ΠΌΠ΅ΡΡΠΎΠ², Π΅ΡΠ»ΠΈ Π½Π°Π³ΡΠ΅ΡΡ ΠΈΡ Π½Π° 45Β°C:
| ΠΠ°ΡΠ΅ΡΠΈΠ°Π» (ΠΊΠΎΠΌΠ±ΠΈΠ½ΠΈΡΠΎΠ²Π°Π½Π½Π°Ρ ΠΊΠΎΠ½ΡΡΡΡΠΊΡΠΈΡ) | Π£Π²Π΅Π»ΠΈΡΠ΅Π½ΠΈΠ΅ Π΄Π»ΠΈΠ½Ρ ΠΏΠΎ ΡΡΠ°Π²Π½Π΅Π½ΠΈΡ Ρ Π½Π°ΡΠ°Π»ΡΠ½ΡΠΌ Π·Π½Π°ΡΠ΅Π½ΠΈΠ΅ΠΌ, ΠΌΠΌ | Π Π°Π·Π½ΠΈΡΠ° Π² ΠΌΠΌ ΠΏΠΎ ΡΡΠ°Π²Π½Π΅Π½ΠΈΡ Ρ ΠΎΠ±ΡΠ°Π·ΡΠΎΠΌ ΠΈΠ· ΠΏΠΎΠ»ΠΈΠΏΡΠΎΠΏΠΈΠ»Π΅Π½Π° |
|---|---|---|
| Π§ΡΠ³ΡΠ½ | 50 | -590 |
| Π‘ΡΠ°Π»Ρ | 56 | -584 |
| ΠΠ΅Π΄Ρ | 83 | -557 |
| ΠΠ΅ΡΠ°Π»Π» + ΠΏΠΎΠ»ΠΈΠΌΠ΅Ρ | 125 | -515 |
| ΠΠΎΠ»ΠΈΠΏΡΠΎΠΏΠΈΠ»Π΅Π½ + Π°Π»ΡΠΌΠΈΠ½ΠΈΠΉ | 145 | -495 |
| ΠΠΎΠ»ΠΈΠΏΡΠΎΠΏΠΈΠ»Π΅Π½ + ΡΡΠ΅ΠΊΠ»ΠΎΠ²ΠΎΠ»ΠΎΠΊΠ½ΠΎ | 295 | -345 |
| ΠΠΎΠ»ΠΈΠΏΡΠΎΠΏΠΈΠ»Π΅Π½ | 640 | 0 |
| ΠΠΎΠ»ΠΈΠ±ΡΡΠΈΠ»Π΅Π½ | 740 | 100 |
ΠΠ»Ρ ΡΠΎΠ΅Π΄ΠΈΠ½Π΅Π½ΠΈΡ ΠΏΠΎΠ»ΠΈΠΏΡΠΎΠΏΠΈΠ»Π΅Π½ΠΎΠ²ΡΡ
ΠΈ ΠΌΠ΅ΡΠ°Π»Π»ΠΈΡΠ΅ΡΠΊΠΈΡ
ΡΡΡΠ± ΠΏΡΠΈΠΌΠ΅Π½ΡΡΡ ΡΠΏΠ΅ΡΠΈΠ°Π»ΡΠ½ΡΠ΅ ΠΏΠ΅ΡΠ΅Ρ
ΠΎΠ΄Π½ΡΠ΅ ΡΠ·Π»ΡΠ’Π΅Ρ Π½ΠΈΡΠ΅ΡΠΊΠΈΠ΅ Ρ Π°ΡΠ°ΠΊΡΠ΅ΡΠΈΡΡΠΈΠΊΠΈ ΠΏΠΎΠ»ΠΈΠΏΡΠΎΠΏΠΈΠ»Π΅Π½ΠΎΠ²ΡΡ ΡΡΡΠ± Π΄Π»Ρ ΠΎΡΠΎΠΏΠ»Π΅Π½ΠΈΡ
Π’Π°ΠΊ ΠΊΠ°ΠΊ Π² Π΄Π°Π½Π½ΠΎΠΌ ΡΠ»ΡΡΠ°Π΅ ΠΏΠΎΠ΄ΡΠ°Π·ΡΠΌΠ΅Π²Π°Π΅ΡΡΡ Π½Π°Π»ΠΈΡΠΈΠ΅ Π²ΡΡΠΎΠΊΠΈΡ ΡΠ΅ΠΌΠΏΠ΅ΡΠ°ΡΡΡ, ΡΠ»Π΅Π΄ΡΠ΅Ρ ΠΏΡΠΈΠΎΠ±ΡΠ΅ΡΠ°ΡΡ ΡΠΏΠ΅ΡΠΈΠ°Π»ΠΈΠ·ΠΈΡΠΎΠ²Π°Π½Π½ΡΠ΅ ΠΈΠ·Π΄Π΅Π»ΠΈΡ. ΠΡ ΡΠΎΠ·Π΄Π°ΡΡ ΠΈΠ· ΡΡΠ°Π½ΡΡΠΎΡΠΌΠΈΡΠΎΠ²Π°Π½Π½ΠΎΠ³ΠΎ ΠΎΡΠΎΠ±ΡΠΌ ΠΎΠ±ΡΠ°Π·ΠΎΠΌ ΠΏΠΎΠ»ΠΈΠΏΡΠΎΠΏΠΈΠ»Π΅Π½Π°, ΠΊΠΎΠ³Π΄Π° Π² ΡΡΠ°Π½Π΄Π°ΡΡΠ½ΡΡ ΠΌΠΎΠ»Π΅ΠΊΡΠ»ΡΡΠ½ΡΡ ΡΠ΅ΠΏΠΎΡΠΊΡ Π΄ΠΎΠ±Π°Π²Π»ΡΡΡ ΡΡΠ°ΡΡΠΊΠΈ ΠΈΠ· ΡΡΠΈΠ»Π΅Π½Π°. ΠΡΠΎ ΠΎΠ±Π΅ΡΠΏΠ΅ΡΠΈΠ²Π°Π΅Ρ Π²ΠΎΠ·ΠΌΠΎΠΆΠ½ΠΎΡΡΡ ΠΊΡΠ°ΡΠΊΠΎΠ²ΡΠ΅ΠΌΠ΅Π½Π½ΠΎΠΉ ΡΠ°Π±ΠΎΡΡ Π² Π΄ΠΈΠ°ΠΏΠ°Π·ΠΎΠ½Π΅ ΠΎΡ +105Β°C Π΄ΠΎ +115Β°C. Π’ΠΎΡΠ½ΡΠ΅ Π·Π½Π°ΡΠ΅Π½ΠΈΡ ΡΠΊΠ°Π·Π°Π½Ρ Π² ΡΠΎΠΏΡΠΎΠ²ΠΎΠ΄ΠΈΡΠ΅Π»ΡΠ½ΠΎΠΉ Π΄ΠΎΠΊΡΠΌΠ΅Π½ΡΠ°ΡΠΈΠΈ ΠΏΡΠΎΠΈΠ·Π²ΠΎΠ΄ΠΈΡΠ΅Π»Ρ.

ΠΡΠΌΠΈΡΠΎΠ²Π°Π½ΠΈΠ΅ Π°Π»ΡΠΌΠΈΠ½ΠΈΠ΅ΠΌ
ΠΠ»ΡΠΌΠΈΠ½ΠΈΠΉ ΠΈ ΡΡΠ΅ΠΊΠ»ΠΎΠ²ΠΎΠ»ΠΎΠΊΠ½ΠΎ Π΄ΠΎΠ±Π°Π²Π»ΡΡΡ Π΄Π»Ρ ΠΏΠΎΠ²ΡΡΠ΅Π½ΠΈΡ ΠΏΡΠΎΡΠ½ΠΎΡΡΠΈ ΠΈ ΡΠΌΠ΅Π½ΡΡΠ΅Π½ΠΈΡ ΠΊΠΎΡΡΡΠΈΡΠΈΠ΅Π½ΡΠ° ΡΠ°ΡΡΠΈΡΠ΅Π½ΠΈΡ. ΠΠΈΠΆΠ΅ ΠΏΡΠΈΠ²Π΅Π΄Π΅Π½Ρ ΡΠΈΠΏΠΎΠ²ΡΠ΅ ΠΎΠ±ΠΎΠ·Π½Π°ΡΠ΅Π½ΠΈΡ Π² Π½Π°Π·Π²Π°Π½ΠΈΡΡ :
| Π’ΠΈΠΏ ΡΡΡΠ±Ρ | Π‘ΠΈΡΡΠ΅ΠΌΠ° | Π Π΅ΠΊΠΎΠΌΠ΅Π½Π΄ΠΎΠ²Π°Π½Π½Π°Ρ ΠΌΠ°ΠΊΡΠΈΠΌΠ°Π»ΡΠ½Π°Ρ ΡΠ΅ΠΌΠΏΠ΅ΡΠ°ΡΡΡΠ° ΡΠ΅ΠΏΠ»ΠΎΠ½ΠΎΡΠΈΡΠ΅Π»Ρ, Π² Β°C | ΠΠΎΠΌΠΈΠ½Π°Π»ΡΠ½ΠΎΠ΅ Π΄Π°Π²Π»Π΅Π½ΠΈΠ΅ Π² ΡΠΈΡΡΠ΅ΠΌΠ΅, ΠΠΠ° |
|---|---|---|---|
| PN 10 | Π₯ΠΎΠ»ΠΎΠ΄Π½ΠΎΠ΅ Π²ΠΎΠ΄ΠΎΡΠ½Π°Π±ΠΆΠ΅Π½ΠΈΠ΅ | 20 | 1 |
| PN 10 | Β«Π’Π΅ΠΏΠ»ΡΠΉ ΠΏΠΎΠ»Β» | 45 | 1 |
| PN 16 | Π₯ΠΎΠ»ΠΎΠ΄Π½ΠΎΠ΅ ΠΈ Π³ΠΎΡΡΡΠ΅Π΅ Π²ΠΎΠ΄ΠΎΡΠ½Π°Π±ΠΆΠ΅Π½ΠΈΠ΅ | 60 | 1,6 |
| PN 20 | ΠΠΎΡΡΡΠ΅Π΅ Π²ΠΎΠ΄ΠΎΡΠ½Π°Π±ΠΆΠ΅Π½ΠΈΠ΅ | 95 | 2 |
| PN 25 | ΠΠΎΡΡΡΠ΅Π΅ Π²ΠΎΠ΄ΠΎΡΠ½Π°Π±ΠΆΠ΅Π½ΠΈΠ΅ (ΡΠ°ΡΡΠ½ΡΠ΅ ΠΈ ΡΠ΅Π½ΡΡΠ°Π»ΠΈΠ·ΠΎΠ²Π°Π½Π½ΡΠ΅ ΡΠΈΡΡΠ΅ΠΌΡ) | 95 | 2,5 |

Π ΡΠΈΡΡΠ΅ΠΌΠ΅ Β«ΡΠ΅ΠΏΠ»ΡΠΉ ΠΏΠΎΠ»Β» ΠΎΠ±ΡΠ·Π°ΡΠ΅Π»ΡΠ½ΠΎ ΠΈΡΠΏΠΎΠ»ΡΠ·ΠΎΠ²Π°Π½ΠΈΠ΅ ΠΊΠ°ΡΠ΅ΡΡΠ²Π΅Π½Π½ΡΡ ΡΡΡΠ±
Π¦Π΅Π½Π° ΠΏΡΠΎΠΏΠΈΠ»Π΅Π½ΠΎΠ²ΡΡ ΡΡΡΠ± Π΄Π»Ρ ΠΎΡΠΎΠΏΠ»Π΅Π½ΠΈΡ
Π‘ΡΠΎΠΈΠΌΠΎΡΡΡ ΠΈΠ·Π΄Π΅Π»ΠΈΠΉ Π·Π°Π²ΠΈΡΠΈΡ ΠΎΡ ΡΠΈΠΏΠ° ΠΌΠ°ΡΠ΅ΡΠΈΠ°Π»ΠΎΠ² ΠΈ ΠΊΠΎΠ½ΡΡΡΡΠΊΡΠΈΠΈ, ΡΠΎΠ»ΡΠΈΠ½Ρ ΡΡΠ΅Π½ΠΎΠΊ. ΠΠΌΠ΅Π΅Ρ Π·Π½Π°ΡΠ΅Π½ΠΈΠ΅ ΡΠΎΠ²Π°ΡΠ½Π°Ρ ΠΌΠ°ΡΠΊΠ°. ΠΠ°ΡΡ ΡΠΎΡΠ½ΡΠΉ ΡΠΎΠ²Π΅Ρ ΡΠ»ΠΎΠΆΠ½ΠΎ, Π²Π΅Π΄Ρ ΠΈΠ·ΠΌΠ΅Π½Π΅Π½ΠΈΡ Π½Π° ΡΡΠ½ΠΊΠ΅ Π²ΡΠ·ΡΠ²Π°ΡΡ ΡΠ°ΠΌΡΠ΅ ΡΠ°Π·Π½ΡΠ΅ ΡΠ°ΠΊΡΠΎΡΡ, Π² ΡΠΎΠΌ ΡΠΈΡΠ»Π΅ ΠΊΠΎΠ»Π΅Π±Π°Π½ΠΈΡ Π²Π°Π»ΡΡΠ½ΡΡ ΠΊΡΡΡΠΎΠ². ΠΡΠ΄Π΅Ρ ΡΠΏΡΠ°Π²Π΅Π΄Π»ΠΈΠ²ΡΠΌ ΡΡΠ²Π΅ΡΠΆΠ΄Π΅Π½ΠΈΠ΅, ΡΡΠΎ ΡΠ΅Π½Π° ΠΏΠΎΠ»ΠΈΠΏΡΠΎΠΏΠΈΠ»Π΅Π½ΠΎΠ²ΡΡ Π°ΡΠΌΠΈΡΠΎΠ²Π°Π½Π½ΡΡ ΡΡΠ΅ΠΊΠ»ΠΎΠ²ΠΎΠ»ΠΎΠΊΠ½ΠΎΠΌ ΡΡΡΠ± Π΄Π»Ρ ΡΠΈΡΡΠ΅ΠΌΡ ΠΎΡΠΎΠΏΠ»Π΅Π½ΠΈΡ Π±ΡΠ΄Π΅Ρ Π²ΡΡΠ΅. Π‘ Π΄ΡΡΠ³ΠΎΠΉ ΡΡΠΎΡΠΎΠ½Ρ Π½Π°Π΄ΠΎ ΠΏΠΎΠΌΠ½ΠΈΡΡ, ΡΡΠΎ Π½Π΅ Π²Π΅Π·Π΄Π΅ ΠΏΠΎΠ½Π°Π΄ΠΎΠ±ΠΈΡΡΡ ΠΈΠΌΠ΅Π½Π½ΠΎ ΡΠ°ΠΊΠΎΠ΅ ΡΡΠΈΠ»Π΅Π½ΠΈΠ΅ ΠΊΠΎΠ½ΡΡΡΡΠΊΡΠΈΠΈ.
| ΠΠ·ΠΎΠ±ΡΠ°ΠΆΠ΅Π½ΠΈΠ΅ | ΠΠ½Π΅ΡΠ½ΠΈΠΉ Π΄ΠΈΠ°ΠΌΠ΅ΡΡ, ΠΌΠΌ | Π’ΠΎΠ»ΡΠΈΠ½Π° ΡΡΠ΅Π½ΠΎΠΊ, ΠΌΠΌ | Π’ΠΈΠΏ | Π¦Π΅Π½Π° Π·Π° ΠΏΠΎΠ³.ΠΌ., ΡΡΠ± |
|---|---|---|---|---|
![]() | ΠΠΎΠ»ΠΈΠΏΡΠΎΠΏΠΈΠ»Π΅Π½ | |||
| 20 | 1,9 | PN 10 | 38 | |
| 20 | 2,8 | PN 16 | 51 | |
| 20 | 3,4 | PN 20 | 56 | |
![]() | ΠΠΎΠ»ΠΈΠΏΡΠΎΠΏΠΈΠ»Π΅Π½ + Π°Π»ΡΠΌΠΈΠ½ΠΈΠΉ | |||
| 20 | 2,8 | PN 16 | 111 | |
| 20 | 3,4 | PN 20 | 124 | |
![]() | ΠΠΎΠ»ΠΈΠΏΡΠΎΠΏΠΈΠ»Π΅Π½ + ΡΡΠ΅ΠΊΠ»ΠΎΠ²ΠΎΠ»ΠΎΠΊΠ½ΠΎ | |||
| 20 | 2,8 | PN 16 | 71 | |
| 20 | 3,4 | PN 20 | 88 | |

Π¨ΠΈΡΠΎΠΊΠΈΠΉ Π°ΡΡΠΎΡΡΠΈΠΌΠ΅Π½Ρ ΡΡΡΠ±ΠΎΠΏΡΠΎΠ²ΠΎΠ΄Π½ΡΡ ΠΈΠ·Π΄Π΅Π»ΠΈΠΉ ΠΏΡΠΈΠ³ΠΎΠ΄ΠΈΡΡΡ Π΄Π»Ρ ΡΠ΅ΡΠ΅Π½ΠΈΡ ΡΠ°Π·Π½ΡΡ Π·Π°Π΄Π°Ρ
ΠΡΠΎΠ±Π΅Π½Π½ΠΎΡΡΠΈ ΠΌΠΎΠ½ΡΠ°ΠΆΠ°
ΠΡΠΈ ΠΏΡΠΎΠ΅ΠΊΡΠΈΡΠΎΠ²Π°Π½ΠΈΠΈ ΡΠΈΡΡΠ΅ΠΌΡ ΠΎΡΠΎΠΏΠ»Π΅Π½ΠΈΡ Π² ΡΠ°ΡΡΠ½ΠΎΠΌ Π΄ΠΎΠΌΠ΅Β ΠΈΠ· ΠΏΠΎΠ»ΠΈΠΏΡΠΎΠΏΠΈΠ»Π΅Π½ΠΎΠ²ΡΡ ΡΡΡΠ± ΡΠ²ΠΎΠΈΠΌΠΈ ΡΡΠΊΠ°ΠΌΠΈ ΡΠ»Π΅Π΄ΡΠ΅Ρ Π²Π½ΠΈΠΌΠ°ΡΠ΅Π»ΡΠ½ΠΎ ΠΈΠ·ΡΡΠΈΡΡ Π²ΠΎΠΏΡΠΎΡΡ ΡΠ΅ΠΏΠ»ΠΎΠ²ΠΎΠ³ΠΎ ΡΠ°ΡΡΠΈΡΠ΅Π½ΠΈΡ. ΠΠ°ΠΆΠ΅ ΠΏΡΠΈ Π²ΡΠ±ΠΎΡΠ΅ ΡΠ°ΠΌΡΡ Π΄ΠΎΡΠΎΠ³ΠΈΡ ΠΈΠ·Π΄Π΅Π»ΠΈΠΉ, Π°ΡΠΌΠΈΡΠΎΠ²Π°Π½Π½ΡΡ Π°Π»ΡΠΌΠΈΠ½ΠΈΠ΅ΠΌ, ΡΠΎΠΎΡΠ²Π΅ΡΡΡΠ²ΡΡΡΠΈΠ΅ ΠΈΠ·ΠΌΠ΅Π½Π΅Π½ΠΈΡ Π±ΡΠ΄ΡΡ ΡΡΡΠ΅ΡΡΠ²Π΅Π½Π½ΡΠΌΠΈ. ΠΠ»Ρ ΠΊΠΎΠΌΠΏΠ΅Π½ΡΠ°ΡΠΈΠΈ ΡΠ΅ΠΌΠΏΠ΅ΡΠ°ΡΡΡΠ½ΡΡ ΡΡΠ°Π½ΡΡΠΎΡΠΌΠ°ΡΠΈΠΉ ΠΏΡΠΈ ΠΏΡΠΎΠΊΠ»Π°Π΄ΠΊΠ΅ ΡΡΠ°ΡΡΡ ΡΠ΅ΡΠ΅Π΄ΡΡΡ ΠΆΠ΅ΡΡΠΊΡΡ ΡΠΈΠΊΡΠ°ΡΠΈΡ Ρ ΠΊΡΠ΅ΠΏΠ»Π΅Π½ΠΈΡΠΌΠΈ, Π½Π΅ ΠΏΡΠ΅ΠΏΡΡΡΡΠ²ΡΡΡΠΈΠΌΠΈ ΠΏΠΎΠ΄Π²ΠΈΠΆΠ½ΠΎΡΡΠΈ Π² Π»ΠΈΠ½Π΅ΠΉΠ½ΠΎΠΌ Π½Π°ΠΏΡΠ°Π²Π»Π΅Π½ΠΈΠΈ. ΠΡΠΈΠΌΠ΅Π½ΡΡΡ Β«ΠΒ» β ΠΎΠ±ΡΠ°Π·Π½ΡΠ΅ ΠΈ ΡΡΠ°ΡΡΠΊΠΈ Π΄ΡΡΠ³ΠΎΠ³ΠΎ Π²ΠΈΠ΄Π°, ΠΊΠΎΡΠΎΡΡΠ΅ ΡΠΎΠ·Π΄Π°Π½Ρ Ρ ΡΡΠ΅ΡΠΎΠΌ Π²ΠΎΠ·ΠΌΠΎΠΆΠ½ΡΡ Π΄Π΅ΡΠΎΡΠΌΠ°ΡΠΈΠΉ.

ΠΠΎΠ»ΡΡΠ΅Π²ΡΠ΅ ΠΊΠΎΠΌΠΏΠ΅Π½ΡΠ°ΡΠΎΡΡ Π½Π° Π²Π΅ΡΡΠΈΠΊΠ°Π»ΡΠ½ΡΡ Β ΡΡΠ°ΡΡΠΊΠ°Ρ
ΠΠ°ΠΏΡΠΈΠΌΠ΅Ρ, ΠΎΠ΄ΠΈΠ½ ΠΊΠΎΠ»ΡΡΠ΅Π²ΠΎΠΉ ΠΊΠΎΠΌΠΏΠ΅Π½ΡΠ°ΡΠΎΡ ΠΏΡΠΈ Π΄ΠΈΠ°ΠΌΠ΅ΡΡΠ΅ ΡΡΡΠ±Ρ 20 ΠΌΠΌ ΡΡΡΠ°Π½Π°Π²Π»ΠΈΠ²Π°ΡΡ Π½Π° ΠΊΠ°ΠΆΠ΄ΡΠ΅ 30 ΠΌ. ΠΏΠΎΠ³ΠΎΠ½Π½ΡΡ ΡΡΠ°ΡΡΡ ΠΏΡΠΈ ΠΈΡΠΏΠΎΠ»ΡΠ·ΠΎΠ²Π°Π½ΠΈΠΈ ΠΈΠ·Π΄Π΅Π»ΠΈΠΉ. ΠΡΠΈ Π΄Π°Π½Π½ΡΠ΅ ΠΏΡΠΈΠΌΠ΅Π½ΡΡΡ ΠΏΡΠΈ ΠΈΡΠΏΠΎΠ»ΡΠ·ΠΎΠ²Π°Π½ΠΈΠΈ ΠΏΠΎΠ»ΠΈΠΏΡΠΎΠΏΠΈΠ»Π΅Π½ΠΎΠ²ΡΡ ΠΈΠ·Π΄Π΅Π»ΠΈΠΉ, Π°ΡΠΌΠΈΡΠΎΠ²Π°Π½Π½ΡΡ Π°Π»ΡΠΌΠΈΠ½ΠΈΠ΅ΠΌ ΡΠ²Π΅ΡΡ Ρ. ΠΠΎ ΠΎΠ½ΠΈ ΡΠΏΡΠ°Π²Π΅Π΄Π»ΠΈΠ²Ρ ΡΠΎΠ»ΡΠΊΠΎ Π΄Π»Ρ ΠΎΠΏΡΠ΅Π΄Π΅Π»Π΅Π½Π½ΠΎΠΉ ΠΌΠΎΠ΄Π΅Π»ΠΈ. ΠΠ°Π΄ΠΎ ΡΡΠΎΡΠ½ΡΡΡ ΠΊΠΎΠ½ΠΊΡΠ΅ΡΠ½ΡΠ΅ ΡΠΏΡΠ°Π²ΠΎΡΠ½ΡΠ΅ Π΄Π°Π½Π½ΡΠ΅ ΠΏΠΎ Π²ΡΠ±ΡΠ°Π½Π½ΡΠΌ ΠΊΠΎΠΌΠΏΠ»Π΅ΠΊΡΡΡΡΠΈΠΌ Π΄Π΅ΡΠ°Π»ΡΠΌ.
ΠΡΠΈ ΠΏΡΠΎΡ ΠΎΠ΄Π΅ ΡΡΠ΅Π½, ΠΌΠ΅ΠΆΡΡΠ°ΠΆΠ½ΡΡ ΠΏΠ΅ΡΠ΅ΠΊΡΡΡΠΈΠΉ, Π² ΠΎΡΠ²Π΅ΡΡΡΠΈΡ Π²ΡΡΠ°Π²Π»ΡΡΡ ΠΎΡΡΠ΅Π·ΠΊΠΈ ΡΡΡΠ± Π±ΠΎΠ»ΡΡΠ΅Π³ΠΎ Π΄ΠΈΠ°ΠΌΠ΅ΡΡΠ°. Π Π°Π·Π½ΡΠ΅ ΠΌΠ½Π΅Π½ΠΈΡ ΠΈΠΌΠ΅ΡΡ ΠΏΡΠΎΡΠΈΠ»ΡΠ½ΡΠ΅ ΡΠΏΠ΅ΡΠΈΠ°Π»ΠΈΡΡΡ ΠΏΠΎ ΠΏΠΎΠ²ΠΎΠ΄Ρ ΠΌΠΎΠ½ΡΠ°ΠΆΠ° ΡΠΈΡΡΠ΅ΠΌΡ Π² ΡΡΡΠΆΠΊΠ΅ ΠΈ Π² Π΄ΡΡΠ³ΠΈΡ ΠΌΠΎΠ½ΠΎΠ»ΠΈΡΠ½ΡΡ ΡΠ»Π΅ΠΌΠ΅Π½ΡΠ°Ρ ΡΡΡΠΎΠΈΡΠ΅Π»ΡΠ½ΡΡ ΠΊΠΎΠ½ΡΡΡΡΠΊΡΠΈΠΉ. ΠΠΏΡΡΠ½ΡΠ΅ ΠΌΠ°ΡΡΠ΅ΡΠ° ΡΠ°Π·ΠΌΠ΅ΡΠ°ΡΡ ΡΡΠ°ΡΡΡ Π² ΡΠΏΠ΅ΡΠΈΠ°Π»ΡΠ½ΡΡ ΠΊΠ°Π½Π°Π»Π°Ρ .

Π Π°Π·ΠΌΠ΅ΡΡ ΡΡΡΠΎΠ±Ρ Π΄Π΅Π»Π°ΡΡ Π΄ΠΎΡΡΠ°ΡΠΎΡΠ½ΡΠΌΠΈ Π΄Π»Ρ ΠΌΠΎΠ½ΡΠ°ΠΆΠ°. ΠΡΠ»ΠΈ Π·Π°Π»ΠΈΠ²Π°ΡΡ ΠΊΠΎΠ½ΡΡΡΡΠΊΡΠΈΡ Π±Π΅ΡΠΎΠ½ΠΎΠΌ, ΠΏΠΎΠ²Π΅ΡΡ Π½ΠΎΡΡΠ½ΡΠΉ ΡΠ»ΠΎΠΉ ΡΠΎΠ·Π΄Π°ΡΡ Π½Π΅ ΠΌΠ΅Π½Π΅Π΅ 2,5-3 Π΄ΠΈΠ°ΠΌΠ΅ΡΡΠΎΠ² ΡΡΡΠ±Ρ
ΠΡΠ±ΠΎΡ ΡΡ Π΅ΠΌΡ ΠΎΡΠΎΠΏΠ»Π΅Π½ΠΈΡ
ΠΠ΅ΡΠ΅Π²Π»Π΅ Π΄ΡΡΠ³ΠΈΡ Π²Π°ΡΠΈΠ°Π½ΡΠΎΠ² β ΠΎΠ΄Π½ΠΎΡΡΡΠ±Π½Π°Ρ ΡΡ Π΅ΠΌΠ° Π²ΠΎΠ΄ΡΠ½ΠΎΠ³ΠΎ ΠΎΡΠΎΠΏΠ»Π΅Π½ΠΈΡ ΡΠ°ΡΡΠ½ΠΎΠ³ΠΎ Π΄ΠΎΠΌΠ° ΡΠ²ΠΎΠΈΠΌΠΈ ΡΡΠΊΠ°ΠΌΠΈ. Π ΡΠ°ΠΊΠΎΠΌ ΠΏΡΠΎΠ΅ΠΊΡΠ΅ ΡΠ°Π΄ΠΈΠ°ΡΠΎΡΡ ΠΎΡΠΎΠΏΠ»Π΅Π½ΠΈΡ ΡΠΎΠ΅Π΄ΠΈΠ½ΡΡΡΡΡ ΠΏΠΎΡΠ»Π΅Π΄ΠΎΠ²Π°ΡΠ΅Π»ΡΠ½ΠΎ, ΠΏΠΎΡΡΠΎΠΌΡ ΠΊΠΎΠ»ΠΈΡΠ΅ΡΡΠ²ΠΎ ΡΠΎΡΡΠ°Π²Π»ΡΡΡΠΈΡ ΡΡΠ°ΡΡΡ ΠΌΠΈΠ½ΠΈΠΌΠ°Π»ΡΠ½ΠΎ. ΠΠΎ Π½Π°Π΄ΠΎ ΠΎΡΠΌΠ΅ΡΠΈΡΡ, ΡΡΠΎ ΡΠ°ΠΌΡΠ΅ Π΄Π°Π»ΡΠ½ΠΈΠ΅ ΠΏΡΠΈΠ±ΠΎΡΡ Π±ΡΠ΄ΡΡ ΡΠ°Π±ΠΎΡΠ°ΡΡ Ρ Π½Π΅Π±ΠΎΠ»ΡΡΠΎΠΉ ΡΠ΅ΠΌΠΏΠ΅ΡΠ°ΡΡΡΠΎΠΉ ΠΆΠΈΠ΄ΠΊΠΎΡΡΠΈ. ΠΡ Π°Π²ΡΠΎΠ½ΠΎΠΌΠ½Π°Ρ ΡΠ΅Π³ΡΠ»ΠΈΡΠΎΠ²ΠΊΠ° Π½Π΅Π²ΠΎΠ·ΠΌΠΎΠΆΠ½Π°, ΡΠ°Π²Π½ΠΎ ΠΊΠ°ΠΊ ΠΈ ΠΏΠΎΠ΄ΠΊΠ»ΡΡΠ΅Π½ΠΈΠ΅ ΠΎΠ±ΠΎΡΡΠ΄ΠΎΠ²Π°Π½ΠΈΡ ΠΊ ΡΠΏΡΠ°Π²Π»ΡΡΡΠ΅ΠΌΡ ΡΠΎΠ²ΡΠ΅ΠΌΠ΅Π½Π½ΠΎΠΌΡ ΠΊΠΎΠΌΠΏΠ»Π΅ΠΊΡΡ ΠΊΠ°ΡΠ΅Π³ΠΎΡΠΈΠΈ Β«ΡΠΌΠ½ΡΠΉ Π΄ΠΎΠΌΒ».

ΠΠ΄Π½ΠΎΡΡΡΠ±Π½Π°Ρ ΡΠΈΡΡΠ΅ΠΌΠ° Π½Π΅ ΡΠΏΠΎΡΠΎΠ±Π½Π° ΡΡΡΠ΅ΠΊΡΠΈΠ²Π½ΠΎ Π²ΡΠΏΠΎΠ»Π½ΡΡΡ ΡΠ²ΠΎΠΈ ΡΡΠ½ΠΊΡΠΈΠΈ Π²ΠΎ Π²ΡΠ΅Ρ ΠΏΠΎΠΌΠ΅ΡΠ΅Π½ΠΈΡΡ Π΄ΠΎΠΌΠ°
ΠΠΎΠ»ΡΡΠ΅ Π²ΠΎΠ·ΠΌΠΎΠΆΠ½ΠΎΡΡΠ΅ΠΉ Ρ ΠΏΠΎΠ»ΡΠ·ΠΎΠ²Π°ΡΠ΅Π»Π΅ΠΉ ΠΏΡΠΈ Π²ΡΠ±ΠΎΡΠ΅ ΡΡ Π΅ΠΌΡ Ρ ΡΠ°ΡΠΏΡΠ΅Π΄Π΅Π»ΠΈΡΠ΅Π»ΡΠ½ΡΠΌ ΡΡΡΡΠΎΠΉΡΡΠ²ΠΎΠΌ. ΠΠ»Ρ ΠΏΠΈΡΠ°Π½ΠΈΡ ΠΎΡΠ΄Π΅Π»ΡΠ½ΡΡ ΡΠ°Π΄ΠΈΠ°ΡΠΎΡΠΎΠ², ΠΈΠ»ΠΈ Π½Π΅ΡΠΊΠΎΠ»ΡΠΊΠΈΡ Π±Π»ΠΎΠΊΠΎΠ², ΠΈΡΠΏΠΎΠ»ΡΠ·ΡΠ΅ΡΡΡ ΠΊΠΎΠ»Π»Π΅ΠΊΡΠΎΡ. ΠΡΠΈ Π½Π΅ΠΎΠ±Ρ ΠΎΠ΄ΠΈΠΌΠΎΡΡΠΈ ΠΌΠΎΠΆΠ½ΠΎ ΡΡΡΠ°Π½ΠΎΠ²ΠΈΡΡ Π΄Π°ΡΡΠΈΠΊΠΈ ΠΈ ΡΠ»Π΅ΠΊΡΡΠΎΠΌΠ°Π³Π½ΠΈΡΠ½ΡΠ΅ ΠΏΡΠΈΠ²ΠΎΠ΄ΡΒ Π΄Π»Ρ Π°Π²ΡΠΎΠΌΠ°ΡΠΈΠ·ΠΈΡΠΎΠ²Π°Π½Π½ΠΎΠ³ΠΎ ΠΏΠΎΠ΄Π΅ΡΠΆΠ°Π½ΠΈΡ ΠΊΠΎΠΌΡΠΎΡΡΠ½ΠΎΠΉ ΡΠ΅ΠΌΠΏΠ΅ΡΠ°ΡΡΡΡ.
Π‘ΡΠ°ΡΡΡ ΠΏΠΎ ΡΠ΅ΠΌΠ΅:
ΠΠΈΠ΄ΡΠΎΡΡΡΠ΅Π»ΠΊΠ°: Π½Π°Π·Π½Π°ΡΠ΅Π½ΠΈΠ΅, ΠΏΡΠΈΠ½ΡΠΈΠΏ ΡΠ°Π±ΠΎΡΡ ΠΈ ΡΠ°ΡΡΠ΅Ρ.Β ΠΠ΅ΠΌΠ½ΠΎΠ³ΠΈΠ΅ Π·Π½Π°ΡΡ, Π΄Π»Ρ ΡΠ΅Π³ΠΎ Π½ΡΠΆΠ½ΠΎ ΡΡΠΎ ΠΏΠΎΠ»Π΅Π·Π½ΠΎΠ΅ ΠΏΡΠΈΡΠΏΠΎΡΠΎΠ±Π»Π΅Π½ΠΈΠ΅. ΠΡΠ΅Π΄Π»Π°Π³Π°Π΅ΠΌ ΠΏΠΎΠ·Π½Π°ΠΊΠΎΠΌΠΈΡΡΡΡ ΠΏΠΎΠ±Π»ΠΈΠΆΠ΅ Ρ Π΅Π³ΠΎ Π²ΠΎΠ·ΠΌΠΎΠΆΠ½ΠΎΡΡΡΠΌΠΈ Π² ΠΎΡΠ΄Π΅Π»ΡΠ½ΠΎΠΉ ΠΏΡΠ±Π»ΠΈΠΊΠ°ΡΠΈΠΈ Π½Π°ΡΠ΅Π³ΠΎ ΠΏΠΎΡΡΠ°Π»Π°.

Π Π°ΡΠΏΡΠ΅Π΄Π΅Π»ΠΈΡΠ΅Π»ΡΠ½ΡΠΉ ΡΠ·Π΅Π» ΠΊΠΎΠ»Π»Π΅ΠΊΡΠΎΡΠ½ΠΎΠΉ ΡΠΈΡΡΠ΅ΠΌΡ
ΠΠΎΠΌΠΏΠ»Π΅ΠΊΡΠ°ΡΠΈΡ ΠΏΡΠΎΠ΅ΠΊΡΠ°
ΠΡΠΎΠΏΠ»Π΅Π½ΠΈΠ΅ Π² ΡΠ°ΡΡΠ½ΠΎΠΌ Π΄ΠΎΠΌΠ΅ ΠΈΠ· ΠΏΠΎΠ»ΠΈΠΏΡΠΎΠΏΠΈΠ»Π΅Π½ΠΎΠ²ΡΡ ΡΡΡΠ± ΡΠ²ΠΎΠΈΠΌΠΈ ΡΡΠΊΠ°ΠΌΠΈ Π±ΡΠ΄Π΅Ρ ΡΠΎΠ·Π΄Π°ΡΡ ΠΏΡΠΎΡΠ΅, Π΅ΡΠ»ΠΈ Π·Π°ΡΠ°Π½Π΅Π΅ ΠΏΠΎΠ΄Π³ΠΎΡΠΎΠ²ΠΈΡΡ Π½Π΅ΠΎΠ±Ρ ΠΎΠ΄ΠΈΠΌΡΠ΅ ΠΌΠ°ΡΠ΅ΡΠΈΠ°Π»Ρ, ΠΈΠ½ΡΡΡΡΠΌΠ΅Π½ΡΡ:
- ΠΡΠΎΠΌΠ΅ ΠΎΠΏΡΠ΅Π΄Π΅Π»Π΅Π½Π½ΠΎΠ³ΠΎ ΠΊΠΎΠ»ΠΈΡΠ΅ΡΡΠ²Π° ΡΡΡΠ± ΠΏΡΠΈΠΎΠ±ΡΠ΅ΡΠ°ΡΡ ΡΠΈΡΠΈΠ½Π³ΠΈ, Π·Π°Π΄Π²ΠΈΠΆΠΊΠΈ, ΠΊΡΠ°Π½Ρ ΠΈ Π΄ΡΡΠ³ΠΈΠ΅ ΡΠ°ΡΡΠΈ ΡΡΠ°ΡΡΡ.
- Π ΡΠΈΡΡΠ΅ΠΌΡ Π²ΠΊΠ»ΡΡΠ°ΡΡ Π±Π°ΠΊ Π΄Π»Ρ ΡΠ΅ΠΏΠ»ΠΎΠ½ΠΎΡΠΈΡΠ΅Π»Ρ, ΡΠ°ΡΡΠΈΡΠΈΠ²ΡΠ΅Π³ΠΎΡΡ ΠΏΡΠΈ Π½Π°Π³ΡΠ΅Π²Π΅. ΠΠ»Ρ Π·Π°ΡΠΈΡΡ ΠΎΡ ΡΡΠ΅Π·ΠΌΠ΅ΡΠ½ΠΎΠ³ΠΎ Π΄Π°Π²Π»Π΅Π½ΠΈΡ ΡΡΡΠ°Π½Π°Π²Π»ΠΈΠ²Π°ΡΡ ΡΠΏΠ΅ΡΠΈΠ°Π»ΡΠ½ΡΠΉ ΠΊΠ»Π°ΠΏΠ°Π½.
- Π Π°Π΄ΠΈΠ°ΡΠΎΡΡ ΠΎΡΠ½Π°ΡΠ°ΡΡ ΡΠ΅Π³ΡΠ»ΡΡΠΎΡΠ°ΠΌΠΈ ΠΈ ΠΊΡΠ°Π½Π°ΠΌΠΈ ΠΠ°Π΅Π²ΡΠΊΠΎΠ³ΠΎ.
- ΠΠ»Ρ ΡΠ°Π±ΠΎΡΡ Ρ ΡΡΡΠ±Π°ΠΌΠΈ ΠΏΠΎΠ½Π°Π΄ΠΎΠ±ΠΈΡΡΡ ΡΠ΅Π·Π°ΠΊ ΠΈ ΡΠΏΠ΅ΡΠΈΠ°Π»ΡΠ½ΡΠΉ Π°ΠΏΠΏΠ°ΡΠ°Ρ Π΄Π»Ρ ΠΏΠ°ΠΉΠΊΠΈ.
ΠΠΎΠ»Π΅Π·Π½ΡΠΉ ΡΠΎΠ²Π΅Ρ! Π’ΠΎΡΠ½ΡΠΉ ΡΠΏΠΈΡΠΎΠΊ ΡΠΎΡΡΠ°Π²Π»ΡΠ΅ΡΡΡ Π½Π° ΠΎΡΠ½ΠΎΠ²Π΅ ΡΡΠ΅Π±ΠΎΠ²Π°Π½ΠΈΠΉ ΠΏΡΠΎΠ΅ΠΊΡΠ°. Π‘ΠΏΠΈΡΠΎΠΊ Π½Π°Π΄ΠΎ ΠΏΡΠΎΠ²Π΅ΡΠΈΡΡ, ΡΡΠΎΠ±Ρ ΡΠΎΠΊΡΠ°ΡΠΈΡΡ Π²ΡΠ΅ΠΌΡ Π½Π° ΠΏΠΎΠ΅Π·Π΄ΠΊΠΈ ΠΏΠΎ ΠΌΠ°Π³Π°Π·ΠΈΠ½Π°ΠΌ.

ΠΠΎΠΌΠΏΠ»Π΅ΠΊΡΡΡΡΠΈΠ΅ Π΄Π΅ΡΠ°Π»ΠΈ
ΠΡΠΎΠΏΠ»Π΅Π½ΠΈΠ΅ Π² ΡΠ°ΡΡΠ½ΠΎΠΌ Π΄ΠΎΠΌΠ΅ ΠΈΠ· ΠΏΠΎΠ»ΠΈΠΏΡΠΎΠΏΠΈΠ»Π΅Π½ΠΎΠ²ΡΡ ΡΡΡΠ± ΡΠ²ΠΎΠΈΠΌΠΈ ΡΡΠΊΠ°ΠΌΠΈ: ΠΎΡΠΎΠ±Π΅Π½Π½ΠΎΡΡΠΈ ΠΎΡΠ΄Π΅Π»ΡΠ½ΡΡ ΡΠ°Π±ΠΎΡ
ΠΠ»Ρ ΡΠΎΠ΅Π΄ΠΈΠ½Π΅Π½ΠΈΡ ΠΊΠΎΠ½ΡΡΡΡΠΊΡΠΈΠΈ ΠΏΠΎΠ½Π°Π΄ΠΎΠ±ΠΈΡΡΡ Β«ΠΏΠ°ΡΠ»ΡΠ½ΠΈΠΊΒ». ΠΡΠΎΡ Π°ΠΏΠΏΠ°ΡΠ°Ρ ΠΌΠΎΠΆΠ½ΠΎ Π²Π·ΡΡΡ Π² Π°ΡΠ΅Π½Π΄Ρ Π²ΠΌΠ΅ΡΡΠ΅ Ρ Π½Π°Π±ΠΎΡΠΎΠΌ Π½Π°ΡΠ°Π΄ΠΎΠΊ. ΠΡ Π²ΡΡΠ°Π²Π»ΡΡΡ Π² ΠΎΡΠ²Π΅ΡΡΡΠΈΡ Π½Π°Π³ΡΠ΅Π²Π°ΡΠ΅Π»ΡΠ½ΠΎΠ³ΠΎ ΡΠ»Π΅ΠΌΠ΅Π½ΡΠ° ΠΈ Π²ΠΊΠ»ΡΡΠ°ΡΡ ΡΠ»Π΅ΠΊΡΡΠΎΠΏΠΈΡΠ°Π½ΠΈΠ΅. ΠΠ΅ΡΠ°Π»ΠΈ ΠΈΠ· ΠΏΠΎΠ»ΠΈΠΌΠ΅ΡΠ° Π½Π°Π³ΡΠ΅Π²Π°ΡΡ, ΡΠ½ΠΈΠΌΠ°ΡΡ Ρ Π½Π°ΡΠ°Π΄ΠΊΠΈ ΠΈ ΡΠΎΠ΅Π΄ΠΈΠ½ΡΡΡ Π²ΠΌΠ΅ΡΡΠ΅ Π±Π΅Π· Π»ΠΈΡΠ½Π΅Π³ΠΎ Π΄Π°Π²Π»Π΅Π½ΠΈΡ ΠΈ Π½Π°ΡΡΡΠ΅Π½ΠΈΡ Π³Π΅ΠΎΠΌΠ΅ΡΡΠΈΠΈ. ΠΡΠ΅ Π²ΡΠ΅ΠΌΠ΅Π½Π½ΡΠ΅ ΠΈΠ½ΡΠ΅ΡΠ²Π°Π»Ρ ΠΈ Π΄ΡΡΠ³ΠΈΠ΅ ΠΏΠ°ΡΠ°ΠΌΠ΅ΡΡΡ Π΄ΠΎΠ»ΠΆΠ½Ρ ΡΠΎΠΎΡΠ²Π΅ΡΡΡΠ²ΠΎΠ²Π°ΡΡ ΡΠ°Π±ΠΎΡΠ΅ΠΉ ΠΈΠ½ΡΡΡΡΠΊΡΠΈΠΈ.

ΠΠΏΠΏΠ°ΡΠ°Ρ Π΄Π»Ρ ΡΠ²Π°ΡΠΊΠΈ ΠΏΠΎΠ»ΠΈΠΏΡΠΎΠΏΠΈΠ»Π΅Π½ΠΎΠ²ΡΡ ΡΡΡΠ±
ΠΠ°Π»Π΅Π΅ ΠΏΡΠΈΠ²Π΅Π΄Π΅Π½Ρ ΡΠ²Π΅Π΄Π΅Π½ΠΈΡ ΠΏΠΎ ΠΎΠ΄Π½ΠΎΠΌΡ ΡΠ°Π·ΠΌΠ΅ΡΡ ΡΡΡΠ±Ρ:
- Π’Π΅ΠΌΠΏΠ΅ΡΠ°ΡΡΡΠ° Π½Π°Π³ΡΠ΅Π²Π°, Β°C β 260.
- ΠΠ°ΡΡΠΆΠ½ΡΠΉ Π΄ΠΈΠ°ΠΌΠ΅ΡΡ, ΠΌΠΌ β 20.
- ΠΡΠ΅ΠΌΡ Π½Π°Π³ΡΠ΅Π²Π°, Ρ β ΠΎΡ 4 Π΄ΠΎ 5.
- ΠΠ½ΡΠ΅ΡΠ²Π°Π» ΠΎΡ ΠΌΠΎΠΌΠ΅Π½ΡΠ° ΠΎΡΠ΄Π΅Π»Π΅Π½ΠΈΡ ΠΈΠ·Π΄Π΅Π»ΠΈΡ Π΄ΠΎ ΠΏΡΠΈΡΠΎΠ΅Π΄ΠΈΠ½Π΅Π½ΠΈΡ ΠΊ Π΄ΡΡΠ³ΠΎΠΉ Π½Π°Π³ΡΠ΅ΡΠΎΠΉ ΠΏΠΎΠ²Π΅ΡΡ Π½ΠΎΡΡΠΈ, Ρ β ΠΎΡ 3 Π΄ΠΎ 4.
- ΠΡΠ΄Π΅ΡΠΆΠΊΠ°, Π² ΡΠ΅ΡΠ΅Π½ΠΈΠ΅ ΠΊΠΎΡΠΎΡΠΎΠΉ ΠΌΠ°ΡΠ΅ΡΠΈΠ°Π» ΡΡΡΠ°ΡΠΈΡ ΠΏΠ»Π°ΡΡΠΈΡΠ½ΠΎΡΡΡ, Ρ β ΠΎΡ 100 Π΄ΠΎ 120.
ΠΡΠΌΠΈΡΠΎΠ²Π°Π½ΠΈΠ΅ ΠΏΠΎΠ»ΠΈΠΏΡΠΎΠΏΠΈΠ»Π΅Π½ΠΎΠ²ΡΡ ΡΡΡΠ± ΡΡΠ΅ΠΊΠ»ΠΎΠ²ΠΎΠ»ΠΎΠΊΠ½ΠΎΠΌ Π½Π΅ ΡΠΎΠ·Π΄Π°Π΅Ρ Π΄ΠΎΠΏΠΎΠ»Π½ΠΈΡΠ΅Π»ΡΠ½ΡΡ ΡΡΡΠ΄Π½ΠΎΡΡΠ΅ΠΉ ΠΏΡΠΈ ΡΠΎΠ΅Π΄ΠΈΠ½Π΅Π½ΠΈΠΈ Π΄Π΅ΡΠ°Π»Π΅ΠΉ. ΠΡ ΠΌΠΎΠΆΠ½ΠΎ ΡΠ°Π·ΡΠ΅Π·Π°ΡΡ ΠΎΠ±ΡΡΠ½ΠΎΠΉ Π½ΠΎΠΆΠΎΠ²ΠΊΠΎΠΉ ΠΏΠΎ Π΄Π΅ΡΠ΅Π²Ρ. ΠΡΠ»ΠΈ ΠΈΠΌΠ΅Π΅ΡΡΡ Π²Π½ΡΡΡΠ΅Π½Π½ΠΈΠΉ ΡΠ»ΠΎΠΉ ΠΈΠ· Π°Π»ΡΠΌΠΈΠ½ΠΈΡ, Π½Π΅ΠΎΠ±Ρ ΠΎΠ΄ΠΈΠΌΠΎ ΠΊΡΠ°ΠΉ Π΄Π΅Π»Π°ΡΡ ΠΎΡΠ΅Π½Ρ ΡΠΎΠ²Π½ΡΠΌ. ΠΠ»Ρ ΡΡΠΎΠ³ΠΎ ΠΏΡΠΈΠΌΠ΅Π½ΡΡΡ ΡΠΏΠ΅ΡΠΈΠ°Π»ΡΠ½ΡΠΉ ΠΈΠ½ΡΡΡΡΠΌΠ΅Π½Ρ.

Π‘ Β«ΠΏΠ°ΡΠ»ΡΠ½ΠΈΠΊΠΎΠΌΒ» ΠΌΠΎΠΆΠ½ΠΎ ΡΠ°Π±ΠΎΡΠ°ΡΡ Π² ΡΠ»ΠΎΠΆΠ½ΡΡ ΡΡΠ»ΠΎΠ²ΠΈΡΡ
ΠΡΠ²ΠΎΠ΄Ρ ΠΈ ΡΠ΅ΠΊΠΎΠΌΠ΅Π½Π΄Π°ΡΠΈΠΈ
ΠΠΎ ΠΎΡΠ·ΡΠ²Π°ΠΌ ΠΏΡΠΎΡΠ΅ΡΡΠΈΠΎΠ½Π°Π»ΠΎΠ², ΠΏΠΎΠ»ΠΈΠΏΡΠΎΠΏΠΈΠ»Π΅Π½ΠΎΠ²ΡΠ΅ ΡΡΡΠ±Ρ ΠΏΠΎΠ΄Ρ ΠΎΠ΄ΡΡ Π΄Π»Ρ ΠΎΡΠΎΠΏΠ»Π΅Π½ΠΈΡ. ΠΡ ΠΏΡΠ΅ΠΈΠΌΡΡΠ΅ΡΡΠ²Π° Π±ΡΠ΄ΡΡ ΠΈΡΠΏΠΎΠ»ΡΠ·ΠΎΠ²Π°Π½Ρ Π² ΠΏΠΎΠ»Π½ΠΎΠΉ ΠΌΠ΅ΡΠ΅, Π΅ΡΠ»ΠΈ ΡΡΠ΅ΡΡΡ ΡΠ°ΡΡΠΌΠΎΡΡΠ΅Π½Π½ΡΠ΅ Π²ΡΡΠ΅ ΡΠ²Π΅Π΄Π΅Π½ΠΈΡ.

ΠΡΠΎΡΠ΅ΡΡΠΈΠΎΠ½Π°Π»Ρ ΡΠΎΠ·Π΄Π°ΡΡ ΡΠΎΠ΅Π΄ΠΈΠ½Π΅Π½ΠΈΡ Π±ΡΡΡΡΠΎ ΠΈ ΡΠΎΡΠ½ΠΎ. ΠΠΎΠ²ΠΈΡΠΊΡ ΠΏΡΠΈΠ΄Π΅ΡΡΡ ΠΏΠΎΡΡΠ΅Π½ΠΈΡΠΎΠ²Π°ΡΡΡΡ
Π§ΡΠΎΠ±Ρ ΡΠΎΠΊΡΠ°ΡΠΈΡΡ ΡΡΠΎΠΈΠΌΠΎΡΡΡ Π½Π°Π΄ΠΎ Π²Π½ΠΈΠΌΠ°ΡΠ΅Π»ΡΠ½ΠΎ ΠΈΠ·ΡΡΠΈΡΡ ΠΎΡΠΎΠ±Π΅Π½Π½ΠΎΡΡΠΈ ΠΏΡΠΎΠ΅ΠΊΡΠ°. ΠΠ΄Π΅ Π΅ΡΡΡ ΡΠ²ΠΎΠ±ΠΎΠ΄Π½ΡΠΉ Π΄ΠΎΡΡΡΠΏ, ΠΌΠΎΠΆΠ½ΠΎ ΠΏΡΠΈΠΌΠ΅Π½ΡΡΡ ΠΈΠ·Π΄Π΅Π»ΠΈΡ Π΄Π΅ΡΠ΅Π²Π»Π΅, ΠΈΠ· ΠΏΠΎΠ»ΠΈΠΏΡΠΎΠΏΠΈΠ»Π΅Π½Π° Π±Π΅Π· Π°ΡΠΌΠΈΡΠΎΠ²Π°Π½ΠΈΡ. ΠΠ»Ρ ΠΏΠΎΠ»Π½ΠΎΠ³ΠΎ Π°Π½Π°Π»ΠΈΠ·Π° Π½Π΅ΠΎΠ±Ρ ΠΎΠ΄ΠΈΠΌΠΎ ΡΠ°ΡΡΠΌΠΎΡΡΠ΅ΡΡ:
- ΡΠ°Π·Π½ΡΠ΅ Π²ΠΈΠ΄Ρ ΠΈΠ·Π΄Π΅Π»ΠΈΠΉ;
- ΡΠ΅Ρ Π½ΠΎΠ»ΠΎΠ³ΠΈΠΈ ΠΌΠΎΠ½ΡΠ°ΠΆΠ°;
- ΡΠΎΠ²ΠΌΠ΅ΡΡΠΈΠΌΠΎΡΡΡ Ρ ΠΎΡΠΎΠΏΠΈΡΠ΅Π»ΡΠ½ΡΠΌΠΈ ΡΠΈΡΡΠ΅ΠΌΠ°ΠΌΠΈ ΡΠΎΠ²ΡΠ΅ΠΌΠ΅Π½Π½ΠΎΠ³ΠΎ ΡΡΠΎΠ²Π½Ρ.
Π‘Π»Π΅Π΄ΡΠ΅Ρ ΡΠ»ΠΎΠΆΠΈΡΡ ΡΠΎΠ²ΠΎΠΊΡΠΏΠ½ΡΠ΅ Π·Π°ΡΡΠ°ΡΡ Ρ ΡΠΊΡΠΏΠ»ΡΠ°ΡΠ°ΡΠΈΠΎΠ½Π½ΡΠΌΠΈ ΡΠ°ΡΡ ΠΎΠ΄Π°ΠΌΠΈ. ΠΠ±ΡΠ·Π°ΡΠ΅Π»ΡΠ½ΠΎ ΠΏΡΠΎΠ²Π΅ΡΡΡΠ΅ ΡΡΠΎΠΊ ΡΠ»ΡΠΆΠ±Ρ, Π·Π°ΡΠ²Π»Π΅Π½Π½ΡΠΉ ΠΏΡΠΎΠΈΠ·Π²ΠΎΠ΄ΠΈΡΠ΅Π»Π΅ΠΌ.
Π‘Π΅ΠΊΡΠ΅ΡΡ ΠΌΠΎΠ½ΡΠ°ΠΆΠ° ΠΏΠΎΠ»ΠΈΠΏΡΠΎΠΏΠΈΠ»Π΅Π½ΠΎΠ²ΡΡ ΡΡΡΠ±Β (Π²ΠΈΠ΄Π΅ΠΎ)
Β
ΠΠΠΠΠΠΠ’ΠΠ‘Π¬ Π Π‘ΠΠ¦Π‘ΠΠ’Π―Π₯
ΠΠ°Π³ΡΡΠ·ΠΊΠ°…aquatic-home.ru
ΠΌΠΎΠ½ΡΠ°ΠΆ ΡΠΈΡΡΠ΅ΠΌΡ ΡΡΡΠ± Π² ΡΠ°ΡΡΠ½ΠΎΠΌ Π΄ΠΎΠΌΠ΅, ΡΠ°ΠΌΠΎΡΡΠΎΡΡΠ΅Π»ΡΠ½Π°Ρ ΡΠ²Π°ΡΠΊΠ° ΠΈ ΠΏΡΠΎΠΊΠ»Π°Π΄ΠΊΠ°
ΠΠΎΠ»ΠΈΠΏΡΠΎΠΏΠΈΠ»Π΅Π½, ΠΏΡΠΈΠΌΠ΅Π½ΡΠ΅ΠΌΡΠΉ ΠΏΡΠΈ ΠΏΡΠΎΠΈΠ·Π²ΠΎΠ΄ΡΡΠ²Π΅ ΠΎΡΠΎΠΏΠΈΡΠ΅Π»ΡΠ½ΡΡ ΡΡΡΠ±, ΠΏΠΎΠ·Π²ΠΎΠ»ΡΠ΅Ρ ΠΈΠΌ Π²ΡΠ΄Π΅ΡΠΆΠΈΠ²Π°ΡΡ Π²ΡΡΠΎΠΊΠΈΠ΅ ΡΠ΅ΠΌΠΏΠ΅ΡΠ°ΡΡΡΡ (Π΄ΠΎ +75 Β°C). ΠΠ·Π΄Π΅Π»ΠΈΡ ΠΈΠ· ΡΡΠΎΠ³ΠΎ ΠΌΠ°ΡΠ΅ΡΠΈΠ°Π»Π° Π½Π΅ ΠΏΡΠΎΠ²ΠΎΠ΄ΡΡ ΡΠ»Π΅ΠΊΡΡΠΈΡΠ΅ΡΡΠ²ΠΎ ΠΈ ΠΈΠΌΠ΅ΡΡ ΠΌΠ°Π»ΡΠΉ Π²Π΅Ρ.

Π ΡΠΎΠΌΡ ΠΆΠ΅ Ρ Π½ΠΈΡ Π½ΠΈΠ·ΠΊΠ°Ρ ΡΠ΅ΠΏΠ»ΠΎΠΏΡΠΎΠ²ΠΎΠ΄Π½ΠΎΡΡΡ, Π° ΠΌΠΎΠ½ΡΠΈΡΠΎΠ²Π°ΡΡ ΠΎΡΠΎΠΏΠΈΡΠ΅Π»ΡΠ½ΡΠ΅ ΡΠΈΡΡΠ΅ΠΌΡ Ρ ΠΈΡ ΠΏΠΎΠΌΠΎΡΡΡ ΠΌΠΎΠ³ΡΡ Π½Π΅ ΡΠΎΠ»ΡΠΊΠΎ ΠΏΡΠΎΡΠ΅ΡΡΠΈΠΎΠ½Π°Π»Ρ. ΠΡΠΏΠΎΠ»Π½ΡΡ ΠΌΠΎΠ½ΡΠ°ΠΆ ΠΏΠΎΠ»ΠΈΠΏΡΠΎΠΏΠΈΠ»Π΅Π½ΠΎΠ²ΡΡ ΡΡΡΠ± ΡΠ²ΠΎΠΈΠΌΠΈ ΡΡΠΊΠ°ΠΌΠΈ, ΡΡΠΈΡΡΠ²Π°ΡΡ ΠΈΡ Π΄ΠΈΠ°ΠΌΠ΅ΡΡ, Π»ΠΈΠ½Π΅ΠΉΠ½ΠΎΠ΅ ΡΠ°ΡΡΠΈΡΠ΅Π½ΠΈΠ΅, ΠΏΠΎΡΡΠΎΡΠ½Π½ΠΎΠ΅ Π΄Π°Π²Π»Π΅Π½ΠΈΠ΅ Π² ΡΠΈΡΡΠ΅ΠΌΠ΅ ΠΈ ΡΠ΅ΠΌΠΏΠ΅ΡΠ°ΡΡΡΡ Π²ΠΎΠ΄Ρ.
Π‘Π²ΠΎΠΉΡΡΠ²Π° ΠΌΠ°ΡΠ΅ΡΠΈΠ°Π»Π°
ΠΠ»Π°Π³ΠΎΠ΄Π°ΡΡ ΡΡΡΠΎΠΉΡΠΈΠ²ΠΎΡΡΠΈ ΠΏΠ΅ΡΠ΅Π΄ Π°Π³ΡΠ΅ΡΡΠΈΠ²Π½ΠΎΠΉ ΡΡΠ΅Π΄ΠΎΠΉ ΠΏΠΎΠ»ΠΈΠΏΡΠΎΠΏΠΈΠ»Π΅Π½ΠΎΠ²ΡΠ΅ ΡΡΡΠ±Ρ Π² ΡΡΠ΅Π½Π°Ρ ΡΠ°ΡΡΠ½ΠΎΠ³ΠΎ Π΄ΠΎΠΌΠ° ΠΌΠΎΠ³ΡΡ ΡΠΊΡΠΏΠ»ΡΠ°ΡΠΈΡΠΎΠ²Π°ΡΡΡΡ Π±ΠΎΠ»Π΅Π΅ 50 Π»Π΅Ρ. Π Π°Π±ΠΎΡΠ΅Π΅ Π΄Π°Π²Π»Π΅Π½ΠΈΠ΅, ΠΊΠΎΡΠΎΡΠΎΠ΅ Π²ΡΠ΄Π΅ΡΠΆΠΈΠ²Π°Π΅Ρ ΠΌΠ°ΡΠ΅ΡΠΈΠ°Π», ΡΠ°Π²Π½ΡΠ΅ΡΡΡ 20 Π±Π°ΡΠ°ΠΌ. ΠΠΎΠ»Π΅Π΅ Π²ΡΠ½ΠΎΡΠ»ΠΈΠ²Ρ ΠΈΠ·Π΄Π΅Π»ΠΈΡ ΠΈΠ· Π°ΡΠΌΠΈΡΠΎΠ²Π°Π½Π½ΠΎΠ³ΠΎ ΠΏΠΎΠ»ΠΈΠΏΡΠΎΠΏΠΈΠ»Π΅Π½Π°.

Π‘ΡΠ°Π²Π½Π΅Π½ΠΈΠ΅ ΡΡΡΠΎΠΉΡΠΈΠ²ΠΎΡΡΠΈ ΠΏΠΎΠ»ΠΈΠΏΡΠΎΠΏΠΈΠ»Π΅Π½Π°
ΠΠΎΠ»ΠΎΠΆΠΈΡΠ΅Π»ΡΠ½ΡΠ΅ Ρ Π°ΡΠ°ΠΊΡΠ΅ΡΠΈΡΡΠΈΠΊΠΈ
Π£ΡΡΠ°Π½ΠΎΠ²ΠΊΠ° ΠΏΠΎΠ»ΠΈΠΏΡΠΎΠΏΠΈΠ»Π΅Π½ΠΎΠ²ΡΡ ΡΡΡΠ±ΠΎΠΏΡΠΎΠ²ΠΎΠ΄ΠΎΠ² ΡΡΠ°Π»Π° ΡΠ°ΠΊΠΎΠΉ ΠΏΠΎΠΏΡΠ»ΡΡΠ½ΠΎΠΉ Π±Π»Π°Π³ΠΎΠ΄Π°ΡΡ ΡΠ»Π΅Π΄ΡΡΡΠΈΠΌ ΠΊΠ°ΡΠ΅ΡΡΠ²Π°ΠΌ ΠΌΠ°ΡΠ΅ΡΠΈΠ°Π»Π°:
- Π²ΡΡΠΎΠΊΠ°Ρ ΡΠ΅ΠΏΠ»ΠΎΠΈΠ·ΠΎΠ»ΡΡΠΈΡ, ΡΡΠΎ Π·Π½Π°ΡΠΈΡΠ΅Π»ΡΠ½ΠΎ ΡΠΌΠ΅Π½ΡΡΠ°Π΅Ρ ΡΠ΅ΠΏΠ»ΠΎΠΏΠΎΡΠ΅ΡΠΈ Π² ΡΠΈΡΡΠ΅ΠΌΠ΅;
- ΡΡΡΠΎΠΉΡΠΈΠ²ΠΎΡΡΡ ΠΊ Ρ ΠΈΠΌΠΈΡΠ΅ΡΠΊΠΈΠΌ ΡΠ΅Π°Π³Π΅Π½ΡΠ°ΠΌ ΠΈ ΠΊΠΎΡΡΠΎΠ·ΠΈΠΈ;
- Π³Π΅ΡΠΌΠ΅ΡΠΈΡΠ½ΠΎΠ΅ ΡΠΎΠ΅Π΄ΠΈΠ½Π΅Π½ΠΈΠ΅ ΠΏΠΎΡΡΠ΅Π΄ΡΡΠ²ΠΎΠΌ ΠΏΠ°ΠΉΠΊΠΈ;
- Π²ΡΡΠΎΠΊΠ°Ρ ΠΏΡΠΎΡΠ½ΠΎΡΡΡ;
- Π½ΠΈΠ·ΠΊΠ°Ρ ΡΡΠΎΠΈΠΌΠΎΡΡΡ.
ΠΠΌΠ΅ΡΡΠ΅ Ρ ΡΠ΅ΠΌ, Π²ΡΠ±ΠΈΡΠ°Ρ ΠΎΡΠΎΠΏΠΈΡΠ΅Π»ΡΠ½ΡΠ΅ ΡΡΡΠ±Ρ Π΄Π»Ρ ΠΊΠ²Π°ΡΡΠΈΡΡ ΠΈΠ»ΠΈ ΡΠ°ΡΡΠ½ΠΎΠ³ΠΎ Π΄ΠΎΠΌΠ°, ΡΠ»Π΅Π΄ΡΠ΅Ρ ΡΡΠ΅ΡΡΡ ΠΈ Π½Π΅Π΄ΠΎΡΡΠ°ΡΠΊΠΈ:
- Π»ΠΈΠ½Π΅ΠΉΠ½ΠΎΠ΅ ΡΠ°ΡΡΠΈΡΠ΅Π½ΠΈΠ΅ Π²ΠΎ Π²ΡΠ΅ΠΌΡ ΡΠΊΡΠΏΠ»ΡΠ°ΡΠ°ΡΠΈΠΈ Π²ΡΠ·ΡΠ²Π°Π΅Ρ Π½Π΅ΠΎΠ±Ρ ΠΎΠ΄ΠΈΠΌΠΎΡΡΡ ΠΎΡΡΠ°Π²Π»ΡΡΡ Π·Π°Π·ΠΎΡ ΠΏΡΠΈ ΠΏΡΠΎΠΊΠ»Π°Π΄ΠΊΠ΅ ΡΡΡΠ±ΠΎΠΏΡΠΎΠ²ΠΎΠ΄ΠΎΠ²;
- ΠΆΠ΅ΡΡΠΊΠΎΡΡΡ ΠΌΠ°ΡΠ΅ΡΠΈΠ°Π»Π° Π½Π΅ ΠΏΠΎΠ·Π²ΠΎΠ»ΡΠ΅Ρ Π²ΡΠΏΠΎΠ»Π½ΡΡΡ ΡΠ³ΠΈΠ±Ρ, ΡΡΠΎ Π²Π»Π΅ΡΠ΅Ρ Π·Π° ΡΠΎΠ±ΠΎΠΉ ΠΏΡΠΈΠΌΠ΅Π½Π΅Π½ΠΈΠ΅ ΡΠΏΠ΅ΡΠΈΠ°Π»ΡΠ½ΡΡ ΡΠΎΠ΅Π΄ΠΈΠ½ΠΈΡΠ΅Π»ΡΠ½ΡΡ ΡΠ»Π΅ΠΌΠ΅Π½ΡΠΎΠ² β ΡΠΈΡΠΈΠ½Π³ΠΎΠ².
ΠΡΠΎΠ²Π΅Π΄Π΅Π½ΠΈΠ΅ ΠΌΠΎΠ½ΡΠ°ΠΆΠ½ΡΡ ΡΠ°Π±ΠΎΡ
ΠΠΎΠ½ΡΠ°ΠΆ ΡΡΡΠ± ΠΎΡΠΎΠΏΠ»Π΅Π½ΠΈΡ ΠΈΠ· ΠΏΠΎΠ»ΠΈΠΏΡΠΎΠΏΠΈΠ»Π΅Π½Π° Π»ΡΡΡΠ΅ ΠΏΡΠΎΠ²ΠΎΠ΄ΠΈΡΡ Π² Π·Π°ΠΌΠΊΠ½ΡΡΠΎΠΉ ΡΠΈΡΡΠ΅ΠΌΠ΅, ΠΊΠΎΠ³Π΄Π° ΡΠ΅ΠΌΠΏΠ΅ΡΠ°ΡΡΡΠ½ΡΠΉ ΡΠ΅ΠΆΠΈΠΌ ΠΎΠ³ΡΠ°Π½ΠΈΡΠ΅Π½ Π½Π°ΡΡΡΠΎΠΉΠΊΠ°ΠΌΠΈ ΠΊΠΎΡΠ»Π°. Π‘ΡΠ°Π½Π΄Π°ΡΡΠ½ΡΠ΅ ΡΡΡΠ±ΠΊΠΈ Π΄Π»Ρ ΠΎΡΠΎΠΏΠ»Π΅Π½ΠΈΡ Π΄ΠΈΠ°ΠΌΠ΅ΡΡΠΎΠΌ 63 ΠΌΠΌ ΡΠΎΠ΅Π΄ΠΈΠ½ΡΡΡΡΡ Π²ΡΡΡΠΊ.
ΠΠ½ΡΡΡΡΠΌΠ΅Π½ΡΡ
ΠΡΠΎΠΌΠ΅ ΡΠ°ΠΌΠΈΡ ΡΡΡΠ±ΠΎΠΏΡΠΎΠ²ΠΎΠ΄ΠΎΠ² ΠΏΠΎΠ½Π°Π΄ΠΎΠ±ΡΡΡΡ ΡΠΈΡΠΈΠ½Π³ΠΈ ΡΠ°Π·Π»ΠΈΡΠ½ΡΡ ΡΠΈΠΏΠΎΠ²: ΠΌΡΡΡΡ, ΡΠ³ΠΎΠ»ΠΊΠΈ, ΡΡΠΎΠΉΠ½ΠΈΠΊΠΈ. Π‘ ΠΏΠΎΠΌΠΎΡΡΡ ΠΌΡΡΡ ΡΠΎΠ΅Π΄ΠΈΠ½ΡΡΡ ΠΏΡΡΠΌΡΠ΅ ΠΎΡΡΠ΅Π·ΠΊΠΈ. ΠΠ»Ρ ΡΠ³Π»ΠΎΠ²ΡΡ ΡΠΎΠ΅Π΄ΠΈΠ½Π΅Π½ΠΈΠΉ ΠΈΡΠΏΠΎΠ»ΡΠ·ΡΡΡ ΡΠ³ΠΎΠ»ΠΊΠΈ, Π° ΡΡΠΎΠΉΠ½ΠΈΠΊΠΈ Π½Π΅ΠΎΠ±Ρ ΠΎΠ΄ΠΈΠΌΡ Π΄Π»Ρ ΡΠ°Π·Π²Π΅ΡΠ²Π»Π΅Π½ΠΈΡ ΡΠΈΡΡΠ΅ΠΌΡ.

ΠΠΎΡΠΊΠΎΠ»ΡΠΊΡ ΠΈΠ·Π΄Π΅Π»ΠΈΡ ΠΈΠ· ΠΏΠΎΠ»ΠΈΠΏΡΠΎΠΏΠΈΠ»Π΅Π½Π° Π½Π΅Π»ΡΠ·Ρ ΡΠΎΡΡΡΠΊΠΎΠ²ΡΠ²Π°ΡΡ ΡΠ΅Π·ΡΠ±ΠΎΠ²ΡΠΌ ΡΠΏΠΎΡΠΎΠ±ΠΎΠΌ, ΠΏΠΎΠ½Π°Π΄ΠΎΠ±ΠΈΡΡΡ ΡΠΏΠ΅ΡΠΈΠ°Π»ΡΠ½ΡΠΉ ΠΏΠ°ΡΠ»ΡΠ½ΡΠΉ ΠΏΡΠΈΠ±ΠΎΡ, Π° ΡΠ°ΠΊΠΆΠ΅ Π½ΠΎΠΆΠ½ΠΈΡΡ Π΄Π»Ρ ΠΏΠΎΠ»ΠΈΠΏΡΠΎΠΏΠΈΠ»Π΅Π½Π° ΠΈΠ»ΠΈ Π»ΠΎΠ±Π·ΠΈΠΊ.
ΠΠΎΡΠ»Π΅Π΄ΠΎΠ²Π°ΡΠ΅Π»ΡΠ½ΠΎΡΡΡ Π΄Π΅ΠΉΡΡΠ²ΠΈΠΉ
Π§ΡΠΎΠ±Ρ Π²ΡΠΏΠΎΠ»Π½ΠΈΡΡ ΠΌΠΎΠ½ΡΠ°ΠΆ ΠΎΡΠΎΠΏΠ»Π΅Π½ΠΈΡ ΠΈΠ· ΠΏΠΎΠ»ΠΈΠΏΡΠΎΠΏΠΈΠ»Π΅Π½ΠΎΠ²ΡΡ ΡΡΡΠ±, ΠΈΡ ΠΏΠΎΡΡΠ΅Π±ΡΠ΅ΡΡΡ ΡΠ²Π°ΡΠΈΡΡ ΡΠΏΠ΅ΡΠΈΠ°Π»ΡΠ½ΡΠΌ Π°ΠΏΠΏΠ°ΡΠ°ΡΠΎΠΌ, ΡΠ°Π·ΠΎΠ³ΡΠ΅ΡΡΠΌ Π΄ΠΎ 260 Β°C. ΠΡΠΈ ΡΠΎΠ΅Π΄ΠΈΠ½Π΅Π½ΠΈΠΈ ΠΎΠ±ΡΡΠ½ΠΎ ΠΏΡΠΈΠΌΠ΅Π½ΡΡΡ ΡΠ°ΡΡΡΡΠ±Π½ΡΠΉ ΠΌΠ΅ΡΠΎΠ΄. ΠΠ»Ρ ΡΡΠΎΠ³ΠΎ ΠΏΡΠΈ ΠΏΠΎΠΌΠΎΡΠΈ Π½ΠΎΠΆΠ½ΠΈΡ ΠΏΠΎΠ΄ ΠΏΡΡΠΌΡΠΌ ΡΠ³Π»ΠΎΠΌ ΠΎΡΡΠ΅Π·Π°ΡΡ Π½Π΅ΠΎΠ±Ρ ΠΎΠ΄ΠΈΠΌΡΠΉ ΡΠ΅Π³ΠΌΠ΅Π½Ρ. ΠΠΎΠ½ΡΡ ΡΡΡΠ± ΠΈ ΡΠΈΡΠΈΠ½Π³ΠΎΠ² ΠΎΡΠΈΡΠ°ΡΡ, ΠΎΠ±Π΅Π·ΠΆΠΈΡΠΈΠ²Π°ΡΡ ΡΠΏΠΈΡΡΠΎΠ²ΡΠΌ ΠΈΠ»ΠΈ ΠΌΡΠ»ΡΠ½ΡΠΌ ΡΠ°ΡΡΠ²ΠΎΡΠΎΠΌ ΠΈ ΡΡΠ°ΡΠ΅Π»ΡΠ½ΠΎ Π²ΡΡΡΡΠΈΠ²Π°ΡΡ.
Π£ Π°ΡΠΌΠΈΡΠΎΠ²Π°Π½Π½ΡΡ ΠΈΠ·Π΄Π΅Π»ΠΈΠΉ Π½Π΅ΠΎΠ±Ρ ΠΎΠ΄ΠΈΠΌΠΎ ΡΠ΅ΠΉΠ²Π΅ΡΠΎΠΌ ΡΠ½ΡΡΡ Π²Π΅ΡΡ Π½ΠΈΠΉ ΠΏΠΎΠ»ΠΈΠΏΡΠΎΠΏΠΈΠ»Π΅Π½ΠΎΠ²ΡΠΉ ΡΠ»ΠΎΠΉ ΠΈ Π°Π»ΡΠΌΠΈΠ½ΠΈΠ΅Π²ΡΡ ΡΠ°ΡΡΡ. ΠΠ°ΡΠ΅ΠΌ ΠΏΠΎΠ²Π΅ΡΡ Π½ΠΎΡΡΡ Π·Π°ΡΠΈΡΠ°Π΅ΡΡΡ Π΄ΠΎ Π½Π΅ΠΎΠ±Ρ ΠΎΠ΄ΠΈΠΌΠΎΠ³ΠΎ ΡΡΠΎΠ²Π½Ρ Ρ ΡΡΠ΅ΡΠΎΠΌ Π²Ρ ΠΎΠΆΠ΄Π΅Π½ΠΈΡ Π² ΡΠΈΡΠΈΠ½Π³ (Π³Π»ΡΠ±ΠΈΠ½Ρ Π½Π°ΠΌΠ΅ΡΠ°ΡΡ Ρ Π·Π°ΠΏΠ°ΡΠΎΠΌ Π² 2 ΠΌΠΌ).
ΠΠ°Π»Π΅Π΅ Π΄Π΅ΡΠ°Π»ΠΈ ΠΏΠΎΠΌΠ΅ΡΠ°ΡΡΡΡ Π½Π° ΡΠΏΠ΅ΡΠΈΠ°Π»ΡΠ½ΡΠ΅ Π½Π°ΡΠ°Π΄ΠΊΠΈ ΡΠ²Π°ΡΠΎΡΠ½ΠΎΠ³ΠΎ Π°ΠΏΠΏΠ°ΡΠ°ΡΠ° ΠΈ Π·Π°ΠΊΡΠ΅ΠΏΠ»ΡΡΡΡΡ. Π Π·Π°Π²ΠΈΡΠΈΠΌΠΎΡΡΠΈ ΠΎΡ ΡΠ°Π·ΠΌΠ΅ΡΠ° Π΄Π΅ΡΠ°Π»Π΅ΠΉ ΠΈΡ Π²ΡΠ΄Π΅ΡΠΆΠΈΠ²Π°ΡΡ Π½Π΅ΡΠΊΠΎΠ»ΡΠΊΠΎ ΠΌΠΈΠ½ΡΡ ΠΏΡΠΈ Π½Π΅ΠΎΠ±Ρ ΠΎΠ΄ΠΈΠΌΠΎΠΉ ΡΠ΅ΠΌΠΏΠ΅ΡΠ°ΡΡΡΠ΅. Π’ΡΡΠ±Π° ΠΈ ΠΌΡΡΡΠ° Π²ΡΡΠ°Π²Π½ΠΈΠ²Π°ΡΡΡΡ ΠΏΠΎ ΠΎΡΠΈ, ΠΏΡΠΈΠΆΠΈΠΌΠ°ΡΡΡΡ ΠΎΠ΄Π½Π° ΠΊ Π΄ΡΡΠ³ΠΎΠΉ ΠΈ Π½Π΅ΠΏΠΎΠ΄Π²ΠΈΠΆΠ½ΠΎ ΠΎΡ Π»Π°ΠΆΠ΄Π°ΡΡΡΡ. ΠΡΠΎΠ³ΡΠ΅ΡΡΠΉ ΠΏΠΎΠ»ΠΈΠΏΡΠΎΠΏΠΈΠ»Π΅Π½ ΡΠΊΠ»Π΅ΠΈΠ²Π°Π΅ΡΡΡ Π½Π° ΡΡΡΠΊΠ΅ ΠΈ ΡΠΎΠ·Π΄Π°Π΅ΡΡΡ Π½Π΅ΡΠ°Π·ΡΡΠ²Π½ΠΎΠ΅ ΡΡΠ΅ΠΏΠ»Π΅Π½ΠΈΠ΅.
Π Π°Π·Π²ΠΎΠ΄ΠΊΠ° ΠΏΠΎ ΡΡΠ΅Π½Π°ΠΌ
ΠΠ»Ρ ΡΠΎΠ³ΠΎ ΡΡΠΎΠ±Ρ ΡΠ΄Π΅Π»Π°ΡΡ ΠΏΡΠ°Π²ΠΈΠ»ΡΠ½ΠΎΠ΅ ΠΊΡΠ΅ΠΏΠ»Π΅Π½ΠΈΠ΅ ΠΏΠΎΠ»ΠΈΠΏΡΠΎΠΏΠΈΠ»Π΅Π½ΠΎΠ²ΡΡ ΡΡΡΠ± ΠΊ ΡΡΠ΅Π½Π°ΠΌ, ΡΠ°Π·ΠΌΠ΅ΡΠ°Π΅ΡΡΡ ΡΡ Π΅ΠΌΠ° ΡΠ°Π·Π²ΠΎΠ΄ΠΊΠΈ. Π ΠΏΡΠΎΡΠ΅ΡΡΠ΅ ΡΠ°Π±ΠΎΡΡ ΠΏΠΎΠ½Π°Π΄ΠΎΠ±ΡΡΡΡ ΠΊΠ»ΠΈΠΏΡΡ ΠΏΠΎΠ΄Ρ ΠΎΠ΄ΡΡΠ΅Π³ΠΎ ΡΠ°Π·ΠΌΠ΅ΡΠ°, Π΄ΡΠ±Π΅Π»Ρ ΠΈ ΡΠ°ΠΌΠΎΡΠ΅Π·Ρ. ΠΡΠΎΠΊΠ»Π°Π΄ΠΊΠ° ΡΡΡΠ± ΠΏΡΠΎΠ²ΠΎΠ΄ΠΈΡΡΡ Ρ Π½Π΅Π±ΠΎΠ»ΡΡΠΈΠΌ Π½Π°ΠΊΠ»ΠΎΠ½ΠΎΠΌ Π² ΡΡΠΎΡΠΎΠ½Ρ ΡΠ΅ΡΠ΅Π½ΠΈΡ Π²ΠΎΠ΄Ρ.
Π§ΡΠΎΠ±Ρ ΠΈΡΠΊΠ»ΡΡΠΈΡΡ Π·Π°ΡΡΠΎΠΉ ΡΠ΅ΠΏΠ»ΠΎΠ½ΠΎΡΠΈΡΠ΅Π»Ρ ΠΈ ΡΠΌΠ΅Π½ΡΡΠΈΡΡ Π³ΠΈΠ΄ΡΠ°Π²Π»ΠΈΡΠ΅ΡΠΊΠΎΠ΅ ΡΠΎΠΏΡΠΎΡΠΈΠ²Π»Π΅Π½ΠΈΠ΅ Π² ΡΠΈΡΡΠ΅ΠΌΠ΅, ΠΆΠ΅Π»Π°ΡΠ΅Π»ΡΠ½ΠΎ ΠΈΠ·Π±Π΅Π³Π°ΡΡ ΠΈΠ·Π³ΠΈΠ±ΠΎΠ² ΠΈ ΡΠ°Π·Π²Π΅ΡΠ²Π»Π΅Π½ΠΈΠΉ. ΠΠΎΠ½ΡΠ°ΠΆ ΡΡΡΠ±ΠΎΠΏΡΠΎΠ²ΠΎΠ΄ΠΎΠ² ΠΌΠΎΠΆΠ½ΠΎ ΡΠ΄Π΅Π»Π°ΡΡ Π΄Π²ΡΠΌΡ ΡΠΏΠΎΡΠΎΠ±Π°ΠΌΠΈ: Π²Π΅ΡΡ Π½ΠΈΠΌ ΠΈ Π½ΠΈΠΆΠ½ΠΈΠΌ.
ΠΠ΅ΡΡ Π½ΡΡ
Π’Π°ΠΊΠ°Ρ ΡΡ Π΅ΠΌΠ° ΡΠ°Π·Π²ΠΎΠ΄ΠΊΠΈ ΠΏΡΠ΅Π΄ΠΏΠΎΠ»Π°Π³Π°Π΅Ρ ΡΡΡΠ°Π½ΠΎΠ²ΠΊΡ ΠΏΠΎΠ΄Π°ΡΡΠ΅Π³ΠΎ ΡΡΡΠ±ΠΎΠΏΡΠΎΠ²ΠΎΠ΄Π° Π²Π²Π΅ΡΡ Ρ β Π½Π° ΡΠ΅ΡΠ΄Π°ΠΊΠ΅ ΠΈΠ»ΠΈ ΠΏΠΎΠ΄ ΠΏΠΎΡΠΎΠ»ΠΊΠΎΠΌ. Π ΡΠ°Π΄ΠΈΠ°ΡΠΎΡΠ°ΠΌ ΡΠ΅ΠΏΠ»ΠΎΠ½ΠΎΡΠΈΡΠ΅Π»Ρ ΠΏΠΎΠ΄Π°Π΅ΡΡΡ ΠΏΠΎ Π²Π΅ΡΡΠΈΠΊΠ°Π»ΡΠ½ΡΠΌ ΡΡΠΎΡΠΊΠ°ΠΌ, Π° Π²ΠΎΠ·Π²ΡΠ°ΡΠ°Π΅ΡΡΡ ΠΊ ΡΠ΅ΠΏΠ»ΠΎΠ³Π΅Π½Π΅ΡΠ°ΡΠΎΡΡ ΠΏΠΎ ΡΡΡΠ±Π°ΠΌ, ΠΏΡΠΎΠ»ΠΎΠΆΠ΅Π½Π½ΡΠΌ Π² ΠΏΠΎΠ΄Π²Π°Π»Π΅ ΠΈΠ»ΠΈ ΠΏΠΎ ΠΏΠΎΠ»Ρ.

Π‘Ρ Π΅ΠΌΠ° Π²Π΅ΡΡ Π½Π΅ΠΉ ΡΠ°Π·Π²ΠΎΠ΄ΠΊΠΈ ΠΎΡΠΎΠΏΠ»Π΅Π½ΠΈΡ
ΠΠΈΠΆΠ½ΡΡ
Π ΡΡΠΎΠΌ ΡΠ»ΡΡΠ°Π΅ ΠΏΠΎΠ΄Π°ΡΠ° ΠΈ Π²ΠΎΠ·Π²ΡΠ°Ρ ΡΠ΅ΠΏΠ»ΠΎΠ½ΠΎΡΠΈΡΠ΅Π»Ρ ΠΎΡΡΡΠ΅ΡΡΠ²Π»ΡΠ΅ΡΡΡ ΠΏΠΎ ΠΏΠ°ΡΠ°Π»Π»Π΅Π»ΡΠ½ΡΠΌ ΡΡΡΠ±ΠΎΠΏΡΠΎΠ²ΠΎΠ΄Π°ΠΌ, ΠΏΡΠΎΠ²Π΅Π΄Π΅Π½Π½ΡΠΌ ΠΏΠΎ ΠΏΠΎΠ»Ρ ΠΈΠ»ΠΈ ΠΏΠΎΠ΄ ΠΏΠΎΡΠΎΠ»ΠΊΠΎΠΌ ΠΏΠΎΠ΄Π²Π°Π»Π°. ΠΠΎ Π½ΠΈΠΆΠ½Π΅ΠΉ ΡΡ Π΅ΠΌΠ΅ Π³ΠΎΡΡΡΠ°Ρ Π²ΠΎΠ΄Π° ΠΏΠΎΠ΄Π°Π΅ΡΡΡ Π½Π΅Π·Π°Π²ΠΈΡΠΈΠΌΠΎ Π² ΠΊΠ°ΠΆΠ΄ΡΠΉ Π½Π°Π³ΡΠ΅Π²Π°ΡΠ΅Π»ΡΠ½ΡΠΉ ΠΏΡΠΈΠ±ΠΎΡ.

ΠΡΠΈΠΌΠ΅Ρ Π²Π΅ΡΡ Π½Π΅ΠΉ ΠΈ Π½Π΅ΠΆΠ½Π΅ΠΉ ΡΠ°Π·Π²ΠΎΠ΄ΠΊΠΈ ΠΎΡΠΎΠΏΠ»Π΅Π½ΠΈΡ
ΠΠ΅ΠΊΠΎΡΠΎΡΡΠ΅ Π½ΡΠ°Π½ΡΡ
ΠΠ· ΠΈΠ·Π»ΠΎΠΆΠ΅Π½Π½ΠΎΠ³ΠΎ Π²ΡΡΠ΅ ΡΡΠ°Π½ΠΎΠ²ΠΈΡΡΡ ΠΏΠΎΠ½ΡΡΠ½ΠΎ, ΡΡΠΎ ΡΡΡΠ°Π½ΠΎΠ²ΠΊΠ° ΠΎΡΠΎΠΏΠΈΡΠ΅Π»ΡΠ½ΡΡ ΡΡΡΠ± ΠΈΠ· ΠΏΠΎΠ»ΠΈΠΏΡΠΎΠΏΠΈΠ»Π΅Π½Π° ΡΡΠ΅Π±ΡΠ΅Ρ ΠΏΡΠ΅Π΄Π²Π°ΡΠΈΡΠ΅Π»ΡΠ½ΠΎΠΉ ΡΠ°Π·ΠΌΠ΅ΡΠΊΠΈ, ΠΏΡΠΈΠΎΠ±ΡΠ΅ΡΠ΅Π½ΠΈΡ ΠΌΠ°ΡΠ΅ΡΠΈΠ°Π»Π° ΠΈ Π½Π°Π»ΠΈΡΠΈΡ ΠΎΠΏΡΠ΅Π΄Π΅Π»Π΅Π½Π½ΠΎΠ³ΠΎ ΠΈΠ½ΡΡΡΡΠΌΠ΅Π½ΡΠ°. ΠΡΠ»ΠΈ Π²ΡΠ΅ ΡΡΠΎ ΠΏΠΎΠ΄ΠΊΡΠ΅ΠΏΠΈΡΡ Π·Π½Π°Π½ΠΈΡΠΌΠΈ, ΡΠΎ ΠΌΠΎΠ½ΡΠΈΡΠΎΠ²Π°ΡΡ ΡΠΈΡΡΠ΅ΠΌΡ ΠΌΠΎΠΆΠ½ΠΎ ΡΠ°ΠΌΠΎΡΡΠΎΡΡΠ΅Π»ΡΠ½ΠΎ, ΠΎΠ΄Π½Π°ΠΊΠΎ ΡΠ»Π΅Π΄ΡΠ΅Ρ ΡΡΠ΅ΡΡΡ Π½Π΅ΡΠΊΠΎΠ»ΡΠΊΠΎ Π²Π°ΠΆΠ½ΡΡ ΠΌΠΎΠΌΠ΅Π½ΡΠΎΠ².
Π’Π΅ΠΌΠΏΠ΅ΡΠ°ΡΡΡΠ° ΡΠ΅ΠΏΠ»ΠΎΠ½ΠΎΡΠΈΡΠ΅Π»Ρ ΠΈ Π΄Π°Π²Π»Π΅Π½ΠΈΠ΅
ΠΠ»Π°Π½ΠΈΡΡΡ ΠΌΠΎΠ½ΡΠ°ΠΆ ΠΏΠΎΠ»ΠΈΠΏΡΠΎΠΏΠΈΠ»Π΅Π½ΠΎΠ²ΡΡ ΡΡΡΠ±, ΠΎΡΠΎΠ±ΠΎΠ΅ Π²Π½ΠΈΠΌΠ°Π½ΠΈΠ΅ ΡΠ»Π΅Π΄ΡΠ΅Ρ ΡΠ΄Π΅Π»ΡΡΡ ΡΠ΅ΠΌΠΏΠ΅ΡΠ°ΡΡΡΠ΅ ΡΠ΅ΠΏΠ»ΠΎΠ½ΠΎΡΠΈΡΠ΅Π»Ρ. ΠΠΌΠ΅Π½Π½ΠΎ ΡΡΠΎΡ ΠΏΠΎΠΊΠ°Π·Π°ΡΠ΅Π»Ρ Π²ΡΠ·ΡΠ²Π°Π΅Ρ Π±ΠΎΠ»ΡΡΠ΅ Π²ΡΠ΅Π³ΠΎ Π²ΠΎΠΏΡΠΎΡΠΎΠ², Π½Π΅Π΄ΠΎΡΠ°Π·ΡΠΌΠ΅Π½ΠΈΠΉ. ΠΠ½ΠΎΠ³ΠΈΠ΅ ΠΏΡΠΎΠΈΠ·Π²ΠΎΠ΄ΠΈΡΠ΅Π»ΠΈ Π·Π°ΡΠ²Π»ΡΡΡ, ΡΡΠΎ Π΄ΠΎΠΏΡΡΡΠΈΠΌΠ°Ρ ΡΠ΅ΠΌΠΏΠ΅ΡΠ°ΡΡΡΠ° 95 Β°C, ΡΠΎΠ³Π΄Π° ΡΡΠΎΠΊ ΡΠΊΡΠΏΠ»ΡΠ°ΡΠ°ΡΠΈΠΈ Π½Π΅ ΠΌΠ΅Π½ΡΡΠ΅ 50 Π»Π΅Ρ, Π½ΠΎ Π΅ΡΠ΅ Π½Π΅ΠΎΠ±Ρ ΠΎΠ΄ΠΈΠΌΠΎ ΡΡΠΈΡΡΠ²Π°ΡΡ Π΄Π°Π²Π»Π΅Π½ΠΈΠ΅ Π² ΡΠΈΡΡΠ΅ΠΌΠ΅.

ΠΠ°Π²Π»Π΅Π½ΠΈΠ΅ Π²Π»ΠΈΡΠ΅Ρ Π½Π° ΡΡΠΎΠΊ ΡΠ»ΡΠΆΠ±Ρ
ΠΠ΅Π±ΠΎΠ»ΡΡΠΎΠ΅ Π΄Π°Π²Π»Π΅Π½ΠΈΠ΅ ΠΏΠΎΠ»ΠΎΠΆΠΈΡΠ΅Π»ΡΠ½ΠΎ Π²Π»ΠΈΡΠ΅Ρ Π½Π° ΡΡΠΎΠΊ ΡΠ»ΡΠΆΠ±Ρ Π΄Π°ΠΆΠ΅ ΠΏΡΠΈ Π²ΡΡΠΎΠΊΠΈΡ ΡΠ΅ΠΌΠΏΠ΅ΡΠ°ΡΡΡΠ°Ρ . ΠΠΎΠΏΡΡΠΊΠ°Π΅ΡΡΡ ΠΎΠ±ΡΠ°ΡΠ½ΠΎΠ΅ ΡΠΎΠΎΡΠ½ΠΎΡΠ΅Π½ΠΈΠ΅, ΠΊΠΎΠ³Π΄Π° Π΄Π°Π²Π»Π΅Π½ΠΈΠ΅ Π±ΠΎΠ»ΡΡΠΎΠ΅, Π° ΡΠ΅ΠΌΠΏΠ΅ΡΠ°ΡΡΡΠ° ΠΌΠΈΠ½ΠΈΠΌΠ°Π»ΡΠ½Π°. ΠΠΎ ΡΠΎΡΠ΅ΡΠ°Π½ΠΈΠ΅ Π±ΠΎΠ»ΡΡΠΈΡ ΠΏΠΎΠΊΠ°Π·Π°ΡΠ΅Π»Π΅ΠΉ ΡΠ΅ΠΌΠΏΠ΅ΡΠ°ΡΡΡΡ Ρ Π΄Π°Π²Π»Π΅Π½ΠΈΠ΅ΠΌ ΡΠΎΠΊΡΠ°ΡΠ°Π΅Ρ ΡΡΠΎΠΊΠΈ ΡΠΊΡΠΏΠ»ΡΠ°ΡΠ°ΡΠΈΠΈ, Π΄Π»Ρ ΠΎΠΏΡΠ΅Π΄Π΅Π»Π΅Π½ΠΈΡ Π½Π΅ΠΎΠ±Ρ ΠΎΠ΄ΠΈΠΌΡΡ ΠΏΠΎΠΊΠ°Π·Π°ΡΠ΅Π»Π΅ΠΉ ΡΡΡΠ΅ΡΡΠ²ΡΠ΅Ρ ΡΠΏΠ΅ΡΠΈΠ°Π»ΡΠ½Π°Ρ ΡΠ°Π±Π»ΠΈΡΠ°.
ΠΠΈΠ½Π΅ΠΉΠ½ΠΎΠ΅ ΡΠ°ΡΡΠΈΡΠ΅Π½ΠΈΠ΅
ΠΡΠΏΠΎΠ»Π½ΡΡ ΠΌΠΎΠ½ΡΠ°ΠΆ ΠΎΡΠΎΠΏΠ»Π΅Π½ΠΈΡ ΠΈΠ· ΠΏΠΎΠ»ΠΈΠΏΡΠΎΠΏΠΈΠ»Π΅Π½ΠΎΠ²ΡΡ ΡΡΡΠ±, Π½Π΅ΠΎΠ±Ρ ΠΎΠ΄ΠΈΠΌΠΎ ΠΎΠ±ΡΠ·Π°ΡΠ΅Π»ΡΠ½ΠΎ ΡΡΠΈΡΡΠ²Π°ΡΡ ΠΈΡ ΡΠΏΠΎΡΠΎΠ±Π½ΠΎΡΡΡ ΡΠ°ΡΡΠΈΡΡΡΡΡΡ ΠΏΠΎΠ΄ Π²ΠΎΠ·Π΄Π΅ΠΉΡΡΠ²ΠΈΠ΅ΠΌ Π²ΡΡΠΎΠΊΠΈΡ ΡΠ΅ΠΌΠΏΠ΅ΡΠ°ΡΡΡ. ΠΠ³ΡΠ°Π½ΠΈΡΠΈΠ²Π°ΡΡ ΡΠ°ΡΡΠΈΡΠ΅Π½ΠΈΠ΅ Π½Π΅Π»ΡΠ·Ρ, Π²Π΅Π΄Ρ ΡΠΎΠ·Π΄Π°Π²Π°Π΅ΠΌΠΎΠ΅ Π²Π½ΡΡΡΠ΅Π½Π½Π΅Π΅ Π½Π°ΠΏΡΡΠΆΠ΅Π½ΠΈΠ΅ ΠΎΠΏΠ°ΡΠ½Π΅Π΅, ΡΠ΅ΠΌ Π²ΠΎΠ·Π΄Π΅ΠΉΡΡΠ²ΠΈΠ΅ Π΄Π°Π²Π»Π΅Π½ΠΈΠ΅ΠΌ.

ΠΠ°ΠΊ ΡΠ΅Π·ΡΠ»ΡΡΠ°Ρ β Π±ΠΎΠ»ΡΡΠ°Ρ ΡΠ°ΡΡΡ ΠΏΠΎΠ²ΡΠ΅ΠΆΠ΄Π΅Π½ΠΈΠΉ ΡΡΡΠ±ΠΎΠΏΡΠΎΠ²ΠΎΠ΄ΠΎΠ² ΠΏΡΠΈΡ
ΠΎΠ΄ΠΈΡΡΡ Π½Π΅ Π½Π° Π½Π°ΡΡΡΠ΅Π½ΠΈΠ΅ ΡΠΊΡΠΏΠ»ΡΠ°ΡΠ°ΡΠΈΠΎΠ½Π½ΡΡ
ΡΡΠ΅Π±ΠΎΠ²Π°Π½ΠΈΠΉ. Π ΠΎΡΠ½ΠΎΠ²Π½ΠΎΠΌ ΡΡΠΎ ΡΠ²ΡΠ·Π°Π½ΠΎ Ρ Π½Π΅Π³ΡΠ°ΠΌΠΎΡΠ½ΠΎΠΉ ΡΡΡΠ°Π½ΠΎΠ²ΠΊΠΎΠΉ ΡΡΡΠ±ΠΎΠΏΡΠΎΠ²ΠΎΠ΄ΠΎΠ², ΠΎΡΠΎΠ±Π΅Π½Π½ΠΎ ΡΡΠ°ΡΡΠΊΠΎΠ² Π±ΠΎΠ»ΡΡΠΎΠΉ ΠΏΡΠΎΡΡΠΆΠ΅Π½Π½ΠΎΡΡΠΈ.
Π§ΡΠΎΠ±Ρ ΡΠ½ΠΈΠ·ΠΈΡΡ ΡΠΈΡΠΊ ΠΏΠΎΠ²ΡΠ΅ΠΆΠ΄Π΅Π½ΠΈΡ Π½Π΅ΠΎΠ±Ρ ΠΎΠ΄ΠΈΠΌΠΎ ΡΠ΄Π΅Π»Π°ΡΡ ΠΊΠΎΠΌΠΏΠ΅Π½ΡΠ°ΡΠΎΡΡ. ΠΠΎΠ½ΡΠ°ΠΆ ΠΏΠΎΠ»ΠΈΠΏΡΠΎΠΏΠΈΠ»Π΅Π½ΠΎΠ²ΡΡ ΡΡΡΠ± Π΄Π»ΠΈΠ½ΠΎΠΉ Π±ΠΎΠ»Π΅Π΅ ΠΌΠ΅ΡΡΠ° Π΄Π΅Π»Π°ΡΡ Ρ ΠΊΠΎΠΌΠΏΠ΅Π½ΡΠ°ΡΠΈΠΎΠ½Π½ΠΎΠΉ Π½ΠΈΡΠ΅ΠΉ, ΠΏΡΠ΅Π΄Π²Π°ΡΠΈΡΠ΅Π»ΡΠ½ΠΎ Π·Π°ΡΠΈΡΠΈΠ² ΠΈΡ ΡΠ΅ΠΏΠ»ΠΎΠΈΠ·ΠΎΠ»ΡΡΠΈΠΎΠ½Π½ΡΠΌ ΠΌΠ°ΡΠ΅ΡΠΈΠ°Π»ΠΎΠΌ. Π Π°Π·ΠΌΠ΅ΡΠ°ΡΡ ΡΡΡΠ±ΠΎΠΏΡΠΎΠ²ΠΎΠ΄Ρ Π² ΡΠ·ΠΊΠΈΡ ΡΡΡΠΎΠ±Π°Ρ Π½Π΅ ΡΠ΅ΠΊΠΎΠΌΠ΅Π½Π΄ΡΠ΅ΡΡΡ
x-teplo.ru
Π‘Ρ Π΅ΠΌΡ ΠΎΡΠΎΠΏΠ»Π΅Π½ΠΈΡ Π² ΡΠ°ΡΡΠ½ΠΎΠΌ Π΄ΠΎΠΌΠ΅ ΠΈΠ· ΠΏΠΎΠ»ΠΈΠΏΡΠΎΠΏΠΈΠ»Π΅Π½Π°
ΠΠ΄Π΅ΡΡ Π²Ρ ΡΠ·Π½Π°Π΅ΡΠ΅:
Π’ΠΎΠ»ΡΡΡΠ΅ ΡΡΠ°Π»ΡΠ½ΡΠ΅ ΡΡΡΠ±Ρ ΠΎΡΠΎΠΏΠΈΡΠ΅Π»ΡΠ½ΡΡ ΡΠΈΡΡΠ΅ΠΌ Π² ΡΠ°ΡΡΠ½ΡΡ Π΄ΠΎΠΌΠ°Ρ Π·Π½Π°ΠΊΠΎΠΌΡ ΠΌΠ½ΠΎΠ³ΠΈΠΌ. Π Π΄ΠΎΠ²Π΅ΡΠΎΠΊ ΠΊ Π½ΠΈΠΌ ΠΈΠ΄ΡΡ Π½Π΅ ΠΌΠ΅Π½Π΅Π΅ ΡΠΎΠ»ΡΡΡΠ΅ ΠΈ ΡΡΠΆΠ΅Π»ΡΠ΅ ΡΡΠ³ΡΠ½Π½ΡΠ΅ Π±Π°ΡΠ°ΡΠ΅ΠΈ. Π ΠΏΡΠΎΡΠ΅ΡΡΠ΅ ΠΊΠ°ΠΏΠΈΡΠ°Π»ΡΠ½ΠΎΠ³ΠΎ ΡΠ΅ΠΌΠΎΠ½ΡΠ° ΠΏΡΠΈΠ½ΡΡΠΎ ΠΌΠ΅Π½ΡΡΡ ΠΈΡ Π½Π° Π±ΠΎΠ»Π΅Π΅ ΡΠΎΠ²ΡΠ΅ΠΌΠ΅Π½Π½ΡΠ΅ ΠΌΠΎΠ΄Π΅Π»ΠΈ β Π² Π΄ΠΎΠΌΠ°Ρ ΠΏΡΠΎΠΊΠ»Π°Π΄ΡΠ²Π°ΡΡΡΡ ΠΏΠ»Π°ΡΡΠΈΠΊΠΎΠ²ΡΠ΅ ΡΡΡΠ±Ρ ΠΈ ΡΡΡΠ°Π½Π°Π²Π»ΠΈΠ²Π°ΡΡΡΡ ΠΊΠΎΠΌΠΏΠ°ΠΊΡΠ½ΡΠ΅ Π°Π»ΡΠΌΠΈΠ½ΠΈΠ΅Π²ΡΠ΅ ΠΈΠ»ΠΈ ΡΡΠ°Π»ΡΠ½ΡΠ΅ Π±Π°ΡΠ°ΡΠ΅ΠΈ. Π ΡΡΠΎΠΌ ΠΎΠ±Π·ΠΎΡΠ΅ ΠΌΡ ΠΏΠΎΠ³ΠΎΠ²ΠΎΡΠΈΠΌ ΠΎ ΠΏΠ»Π°ΡΡΠΈΠΊΠΎΠ²ΡΡ ΡΡΡΠ±Π°Ρ ΠΈ ΡΠ°ΡΡΠΌΠΎΡΡΠΈΠΌ ΡΡ Π΅ΠΌΡ ΠΎΡΠΎΠΏΠ»Π΅Π½ΠΈΡ Π² ΡΠ°ΡΡΠ½ΠΎΠΌ Π΄ΠΎΠΌΠ΅ ΠΈΠ· ΠΏΠΎΠ»ΠΈΠΏΡΠΎΠΏΠΈΠ»Π΅Π½Π°.
ΠΠΎΡΡΠΎΠΈΠ½ΡΡΠ²Π° ΠΈ Π½Π΅Π΄ΠΎΡΡΠ°ΡΠΊΠΈ ΠΏΠΎΠ»ΠΈΠΏΡΠΎΠΏΠΈΠ»Π΅Π½ΠΎΠ²ΡΡ ΡΡΡΠ±
ΠΠ΅ΡΠ°Π»Π»ΠΈΡΠ΅ΡΠΊΠΈΠ΅ ΡΡΡΠ±Ρ ΠΈΡΠΏΠΎΠ»ΡΠ·ΡΡΡΡΡ Π² Π°Π²ΡΠΎΠ½ΠΎΠΌΠ½ΡΡ ΠΎΡΠΎΠΏΠΈΡΠ΅Π»ΡΠ½ΡΡ ΡΠΈΡΡΠ΅ΠΌΠ°Ρ Π²ΡΠ΅ ΡΠ΅ΠΆΠ΅ ΠΈ ΡΠ΅ΠΆΠ΅. ΠΡ ΠΌΠ΅ΡΡΠΎ Π·Π°Π½ΠΈΠΌΠ°ΡΡ ΡΠΎΠ±ΡΠ°ΡΡΡ ΠΈΠ· ΠΏΠΎΠ»ΠΈΠΏΡΠΎΠΏΠΈΠ»Π΅Π½Π°. ΠΠ½ΠΈ ΠΎΡΠ»ΠΈΡΠ°ΡΡΡΡ ΠΏΡΠΎΡΡΠΎΡΠΎΠΉ Π² ΠΌΠΎΠ½ΡΠ°ΠΆΠ΅ ΠΈ ΡΡΠΎΠΉΠΊΠΎΡΡΡΡ ΠΊ Π²ΡΡΠΎΠΊΠΎΠΉ ΡΠ΅ΠΌΠΏΠ΅ΡΠ°ΡΡΡΠ΅. Π’ΡΡΠ±Ρ Π»Π΅Π³ΠΊΠΎ ΡΠΏΠ°ΠΈΠ²Π°ΡΡΡΡ ΠΈ ΡΠ΅ΠΆΡΡΡΡ, Π½Π΅ ΠΌΠ΅Π½Π΅Π΅ Π»Π΅Π³ΠΊΠΎ Π·Π°ΠΊΠ»Π°Π΄ΡΠ²Π°ΡΡΡΡ ΠΏΡΡΠΌΠΎ Π² ΡΡΠ΅Π½Ρ ΠΈΠ»ΠΈ Π² ΠΏΠΎΠ»Ρ. Π ΡΠ»ΡΡΠ°Π΅ ΠΏΠΎΠ»ΠΎΠΌΠΊΠΈ Π½Π° Π·Π°ΠΌΠ΅Π½Ρ ΠΏΠΎΠ²ΡΠ΅ΠΆΠ΄Π΅Π½Π½ΠΎΠ³ΠΎ ΡΡΠ°ΡΡΠΊΠ° ΡΠΉΠ΄Π΅Ρ ΠΌΠΈΠ½ΠΈΠΌΡΠΌ Π²ΡΠ΅ΠΌΠ΅Π½ΠΈ. ΠΡΠ»ΠΈ ΠΌΠΎΠ½ΡΠ°ΠΆ Π²ΡΠΏΠΎΠ»Π½ΡΠ΅ΡΡΡ Ρ Π½ΡΠ»Ρ, ΡΠΎ ΠΏΡΠΈ ΠΈΡΠΏΠΎΠ»ΡΠ·ΠΎΠ²Π°Π½ΠΈΠΈ ΡΡΡΠ± ΠΈΠ· ΠΏΠΎΠ»ΠΈΠΏΡΠΎΠΏΠΈΠ»Π΅Π½Π° ΡΡΠΎΠΊΠΈ ΠΏΡΠΎΠ²Π΅Π΄Π΅Π½ΠΈΡ ΡΠ°Π±ΠΎΡ Π·Π½Π°ΡΠΈΡΠ΅Π»ΡΠ½ΠΎ ΡΠΎΠΊΡΠ°ΡΠ°ΡΡΡΡ.

Π‘ΡΡΠ΅ΡΡΠ²ΡΡΡ ΡΠ°Π·Π»ΠΈΡΠ½ΡΠ΅ ΡΠ°Π·ΠΌΠ΅ΡΡ ΡΡΡΠ± ΠΈΠ· ΠΏΠΎΠ»ΠΈΠΏΡΠΎΠΏΠΈΠ»Π΅Π½Π°. ΠΠΈΠ°ΠΌΠ΅ΡΡ ΠΏΠΎΠ΄Π±ΠΈΡΠ°Π΅ΡΡΡ ΠΈΡΡ ΠΎΠ΄Ρ ΠΈΠ· ΠΌΠΎΡΠ½ΠΎΡΡΠΈ ΠΈ ΡΠ°Π·ΠΌΠ΅ΡΠΎΠ² Π²Π°ΡΠ΅ΠΉ ΠΎΡΠΎΠΏΠΈΡΠ΅Π»ΡΠ½ΠΎΠΉ ΡΠΈΡΡΠ΅ΠΌΡ.
Π ΡΠ΅ΠΌ Π·Π°ΠΊΠ»ΡΡΠ°ΡΡΡΡ ΠΏΡΠ΅ΠΈΠΌΡΡΠ΅ΡΡΠ²Π° ΡΡΡΠ± ΠΈΠ· ΠΏΠΎΠ»ΠΈΠΏΡΠΎΠΏΠΈΠ»Π΅Π½Π°?
- ΠΠΎΡΡΠ°ΡΠΎΡΠ½Π°Ρ ΠΏΡΠΎΡΠ½ΠΎΡΡΡ Π΄Π»Ρ ΡΠ°Π±ΠΎΡΡ Π² Π°Π²ΡΠΎΠ½ΠΎΠΌΠ½ΡΡ ΡΠΈΡΡΠ΅ΠΌΠ°Ρ β ΠΏΠ»Π°ΡΡΠΈΠΊΠΎΠ²ΡΠ΅ ΡΡΡΠ±Ρ Π²ΡΠ΄Π΅ΡΠΆΠΈΠ²Π°ΡΡ Π΄Π°Π²Π»Π΅Π½ΠΈΠ΅ Π΄ΠΎ 10 ΠΈ Π²ΡΡΠ΅ Π°ΡΠΌΠΎΡΡΠ΅Ρ, Π½Π΅ Π»ΠΎΠΏΠ°ΡΡΡ ΠΏΠΎΠ΄ Π΅Π³ΠΎ Π²ΠΎΠ·Π΄Π΅ΠΉΡΡΠ²ΠΈΠ΅ΠΌ;
- Π‘ΡΠΎΠΉΠΊΠΎΡΡΡ ΠΊ Π²ΡΡΠΎΠΊΠΈΠΌ ΡΠ΅ΠΌΠΏΠ΅ΡΠ°ΡΡΡΠ°ΠΌ β ΠΊΠΎΠΌΠ±ΠΈΠ½ΠΈΡΠΎΠ²Π°Π½Π½ΡΠ΅ ΡΡΡΠ±Ρ, ΡΠ΄Π΅Π»Π°Π½Π½ΡΠ΅ ΠΈΠ· ΠΏΠ»Π°ΡΡΠΈΠΊΠ° ΠΈ Π°Π»ΡΠΌΠΈΠ½ΠΈΡ, ΡΠΏΠΎΡΠΎΠ±Π½Ρ ΡΠ°Π±ΠΎΡΠ°ΡΡ ΠΏΡΠΈ ΡΠ΅ΠΌΠΏΠ΅ΡΠ°ΡΡΡΠ΅ ΡΠ΅ΠΏΠ»ΠΎΠ½ΠΎΡΠΈΡΠ΅Π»Ρ Π΄ΠΎ +95 Π³ΡΠ°Π΄ΡΡΠΎΠ². Π’Π°ΠΊΠΆΠ΅ Π΄ΠΎΠΏΡΡΠΊΠ°Π΅ΡΡΡ ΠΊΡΠ°ΡΠΊΠΎΠ²ΡΠ΅ΠΌΠ΅Π½Π½ΠΎΠ΅ ΠΏΡΠ΅Π²ΡΡΠ΅Π½ΠΈΠ΅ ΠΌΠ°ΠΊΡΠΈΠΌΠ°Π»ΡΠ½ΠΎ Π²ΠΎΠ·ΠΌΠΎΠΆΠ½ΠΎΠΉ ΡΠ΅ΠΌΠΏΠ΅ΡΠ°ΡΡΡΡ;
- ΠΡΠ»ΠΈΡΠ½ΠΎΠ΅ ΠΏΡΠΎΡ ΠΎΠΆΠ΄Π΅Π½ΠΈΠ΅ ΡΠ΅ΠΏΠ»ΠΎΠ½ΠΎΡΠΈΡΠ΅Π»Ρ β Π²Π½ΡΡΡΠ΅Π½Π½ΡΡ ΠΏΠΎΠ²Π΅ΡΡ Π½ΠΎΡΡΡ ΠΏΠ»Π°ΡΡΠΈΠΊΠΎΠ²ΡΡ ΡΡΡΠ± ΠΎΡΠ΅Π½Ρ Π³Π»Π°Π΄ΠΊΠ°Ρ, ΠΏΠΎΡΡΠΎΠΌΡ ΠΏΡΠΎΡΠ΅ΠΊΠ°Π½ΠΈΡ ΡΠ΅ΠΏΠ»ΠΎΠ½ΠΎΡΠΈΡΠ΅Π»Ρ Π½ΠΈΡΡΠΎ Π½Π΅ ΠΌΠ΅ΡΠ°Π΅Ρ;
- ΠΡΡΡΡΡΡΠ²ΠΈΠ΅ ΠΊΠΎΡΡΠΎΠ·ΠΈΠΈ β Π΅ΡΠ»ΠΈ ΡΡΠ°Π»Ρ Π±ΠΎΠΈΡΡΡ ΡΠΆΠ°Π²ΡΠΈΠ½Ρ, ΡΠΎ ΠΏΠ»Π°ΡΡΠΈΠΊΡ ΠΎΠ½Π° Π½Π΅ ΡΡΡΠ°ΡΠ½Π°. ΠΠ½ΠΈ Π½Π΅ ΠΏΠΎΡΡΡΡΡΡ ΠΈ Π½Π΅ ΡΠΆΠ°Π²Π΅ΡΡ, ΡΠΎΡ ΡΠ°Π½ΡΡ ΡΠ²ΠΎΠΈ ΡΠ²ΠΎΠΉΡΡΠ²Π° Π΄ΠΎΠ»Π³ΠΈΠ΅ Π΄Π΅ΡΡΡΠΈΠ»Π΅ΡΠΈΡ;
- ΠΡΠΎΠ΄ΠΎΠ»ΠΆΠΈΡΠ΅Π»ΡΠ½ΡΠΉ ΡΡΠΎΠΊ ΡΠ»ΡΠΆΠ±Ρ β ΠΏΡΠΎΠΈΠ·Π²ΠΎΠ΄ΠΈΡΠ΅Π»ΠΈ ΡΠ²Π΅ΡΡΡΡ, ΡΡΠΎ ΠΏΠΎΠ»ΠΈΠΏΡΠΎΠΏΠΈΠ»Π΅Π½ΠΎΠ²ΡΠ΅ ΡΡΡΠ±Ρ ΡΠ»ΡΠΆΠ°Ρ ΠΏΠΎ 40-50 Π»Π΅Ρ ΠΈ Π΄Π°ΠΆΠ΅ Π±ΠΎΠ»ΡΡΠ΅;
- Π‘ΡΠΎΠΉΠΊΠΎΡΡΡ ΠΊ ΡΠΎΠ»ΡΠΌ ΠΈ Π°Π³ΡΠ΅ΡΡΠΈΠ²Π½ΡΠΌ ΠΊΠΎΠΌΠΏΠΎΠ½Π΅Π½ΡΠ°ΠΌ β ΠΏΠΎΠ»ΠΈΠΏΡΠΎΠΏΠΈΠ»Π΅Π½ ΡΠΏΠΎΠΊΠΎΠΉΠ½ΠΎ ΡΠ΅Π°Π³ΠΈΡΡΠ΅Ρ Π½Π° ΠΏΠΎΠ²ΡΡΠ΅Π½Π½ΡΡ ΠΊΠΈΡΠ»ΠΎΡΠ½ΠΎΡΡΡ ΡΠ΅ΠΏΠ»ΠΎΠ½ΠΎΡΠΈΡΠ΅Π»Ρ, Π½Π΅ ΡΠ°Π·ΡΡΡΠ°ΡΡΡ ΠΈ Π½Π΅ ΠΏΠΎΡΡΡΡΡ;
- ΠΠ΅Π³ΠΊΠΎΡΡΡ Π² ΠΌΠΎΠ½ΡΠ°ΠΆΠ΅ β ΠΎΡΠΎΠΏΠΈΡΠ΅Π»ΡΠ½ΡΡ ΡΠΈΡΡΠ΅ΠΌΡ ΠΌΠΎΠΆΠ½ΠΎ Π·Π°ΠΏΡΠΎΡΡΠΎ ΡΠΌΠΎΠ½ΡΠΈΡΠΎΠ²Π°ΡΡ ΡΠ°ΠΌΠΎΡΡΠΎΡΡΠ΅Π»ΡΠ½ΠΎ, Π±Π΅Π· ΠΏΠΎΡΡΠΎΡΠΎΠ½Π½Π΅ΠΉ ΠΏΠΎΠΌΠΎΡΠΈ.
Π‘ΠΏΠΈΡΠΎΠΊ Π΄ΠΎΡΡΠΎΠΈΠ½ΡΡΠ² Π΄ΠΎΠ²ΠΎΠ»ΡΠ½ΠΎ Π±ΠΎΠ»ΡΡΠΎΠΉ, ΠΏΠΎΡΡΠΎΠΌΡ ΠΏΠΎΠ»ΠΈΠΏΡΠΎΠΏΠΈΠ»Π΅Π½ΠΎΠ²ΡΠ΅ ΡΡΡΠ±Ρ ΠΈ ΠΏΠΎΠ»ΡΡΠΈΠ»ΠΈ ΡΡΠΎΠ»Ρ ΡΠΈΡΠΎΠΊΠΎΠ΅ ΡΠ°ΡΠΏΡΠΎΡΡΡΠ°Π½Π΅Π½ΠΈΠ΅.
ΠΡΠΎΠ΄ΠΎΠ»ΠΆΠΈΡΠ΅Π»ΡΠ½ΡΠΉ ΡΡΠΎΠΊ ΡΠ»ΡΠΆΠ±Ρ Π΄ΠΎΡΡΠΈΠ³Π°Π΅ΡΡΡ ΠΏΡΠΈ ΡΠΎΠ±Π»ΡΠ΄Π΅Π½ΠΈΠΈ ΠΎΠΏΡΠΈΠΌΠ°Π»ΡΠ½ΡΡ ΡΡΠ»ΠΎΠ²ΠΈΠΉ ΡΠΊΡΠΏΠ»ΡΠ°ΡΠ°ΡΠΈΠΈ Π±Π΅Π· ΠΏΠ΅ΡΠ΅Π³ΡΡΠ·ΠΎΠΊ ΠΏΠΎ Π΄Π°Π²Π»Π΅Π½ΠΈΡ ΠΈ ΡΠ΅ΠΌΠΏΠ΅ΡΠ°ΡΡΡΠ΅.
Π ΡΠΎΠΆΠ°Π»Π΅Π½ΠΈΡ, ΡΡΡΠ±Ρ ΠΈΠ· ΠΏΠΎΠ»ΠΈΠΏΡΠΎΠΏΠΈΠ»Π΅Π½Π° ΠΎΠ±Π»Π°Π΄Π°ΡΡ ΠΈ Π½Π΅Π΄ΠΎΡΡΠ°ΡΠΊΠ°ΠΌΠΈ:
- ΠΠ°Π»ΠΈΡΠΈΠ΅ ΡΠ΅ΠΏΠ»ΠΎΠΏΠΎΡΠ΅ΡΡ β Π·Π° ΡΡΠΎ ΠΏΡΠΈΠ΄Π΅ΡΡΡ ΡΠ°ΡΠΏΠ»Π°ΡΠΈΠ²Π°ΡΡΡΡ Π΄ΠΎΠΏΠΎΠ»Π½ΠΈΡΠ΅Π»ΡΠ½ΡΠΌΠΈ ΡΠ°ΡΡ ΠΎΠ΄Π°ΠΌΠΈ Π½Π° ΠΎΡΠΎΠΏΠ»Π΅Π½ΠΈΠ΅. Π Π½Π΅ΠΊΠΎΡΠΎΡΡΡ ΡΠ»ΡΡΠ°ΡΡ ΠΏΡΠΎΠ±Π»Π΅ΠΌΠ° ΡΠ΅ΡΠ°Π΅ΡΡΡ Ρ ΠΏΠΎΠΌΠΎΡΡΡ Π΄ΠΎΠΏΠΎΠ»Π½ΠΈΡΠ΅Π»ΡΠ½ΠΎΠΉ ΡΠ΅ΠΏΠ»ΠΎΠΈΠ·ΠΎΠ»ΡΡΠΈΠΈ, Π½Π°ΠΊΠ»Π°Π΄ΡΠ²Π°Π΅ΠΌΠΎΠΉ ΡΠ²Π΅ΡΡ Ρ;
- ΠΡΠΆΠ½ΠΎ Π½Π°ΡΡΠΈΡΡΡΡ ΠΏΡΠ°Π²ΠΈΠ»ΡΠ½ΠΎΠΌΡ ΠΌΠΎΠ½ΡΠ°ΠΆΡ β ΡΠ΅ΠΌ, ΠΊΡΠΎ ΠΏΡΠΈΠ²ΡΠΊ ΡΠ°Π±ΠΎΡΠ°ΡΡ Ρ ΠΌΠ΅ΡΠ°Π»Π»ΠΈΡΠ΅ΡΠΊΠΈΠΌΠΈ ΡΡΡΠ±Π°ΠΌΠΈ, ΠΏΡΠΈΠ΄Π΅ΡΡΡ ΠΎΠ±ΡΡΠ°ΡΡΡΡ ΠΏΡΠΈΠ½ΡΠΈΠΏΠ°ΠΌ ΠΈΡ ΠΌΠΎΠ½ΡΠ°ΠΆΠ° ΠΈΠ· ΠΏΠΎΠ»ΠΈΠΏΡΠΎΠΏΠΈΠ»Π΅Π½Π°.
Π’Π°ΠΊΠΆΠ΅ Π΄Π»Ρ ΠΌΠΎΠ½ΡΠ°ΠΆΠ° ΡΡΡΠ± ΠΏΡΠΈΠ΄Π΅ΡΡΡ ΠΏΡΠΈΠΎΠ±ΡΠ΅ΡΡΠΈ ΡΠΏΠ΅ΡΠΈΠ°Π»ΡΠ½ΠΎΠ΅ ΠΎΠ±ΠΎΡΡΠ΄ΠΎΠ²Π°Π½ΠΈΠ΅ Π΄Π»Ρ ΡΠΏΠ°ΠΉΠΊΠΈ. ΠΡ ΡΠ΅ΠΊΠΎΠΌΠ΅Π½Π΄ΡΠ΅ΠΌ ΠΎΠ±ΡΠ°ΡΠΈΡΡΡΡ Π² ΠΌΠ°Π³Π°Π·ΠΈΠ½Ρ ΡΠ΅ΠΏΠ»ΠΎΡΠ΅Ρ Π½ΠΈΠΊΠΈ ΠΈ ΡΠ°Π½ΡΠ΅Ρ Π½ΠΈΠΊΠΈ ΠΏΠΎ Π²ΠΎΠΏΡΠΎΡΡ Π°ΡΠ΅Π½Π΄Ρ ΠΎΠ±ΠΎΡΡΠ΄ΠΎΠ²Π°Π½ΠΈΡ β ΠΌΠ½ΠΎΠ³ΠΈΠ΅ ΠΌΠ°Π³Π°Π·ΠΈΠ½Ρ Π΄Π°ΡΡ Β«ΠΏΠ°ΡΠ»ΡΠ½ΠΈΠΊΠΈΒ» Π² Π°ΡΠ΅Π½Π΄Ρ, Ρ ΠΏΠΎΡΡΡΠΎΡΠ½ΠΎΠΉ ΠΎΠΏΠ»Π°ΡΠΎΠΉ, ΡΡΠΎ ΠΎΠ±Π΅ΡΠΏΠ΅ΡΠΈΡ Π΄ΠΎΠΏΠΎΠ»Π½ΠΈΡΠ΅Π»ΡΠ½ΡΡ ΡΠΊΠΎΠ½ΠΎΠΌΠΈΡ.
ΠΡΠ±ΠΈΡΠ°Π΅ΠΌ ΠΏΠΎΠ»ΠΈΠΏΡΠΎΠΏΠΈΠ»Π΅Π½ΠΎΠ²ΡΠ΅ ΡΡΡΠ±Ρ

ΠΠΎΠ»ΠΈΠΏΡΠΎΠΏΠΈΠ»Π΅Π½ΠΎΠ²ΡΠ΅ ΡΡΡΠ±Ρ Π΄Π»Ρ ΠΎΡΠΎΠΏΠ»Π΅Π½ΠΈΡ ΠΈΠΌΠ΅ΡΡ Π² ΡΠ²ΠΎΠ΅ΠΉ ΠΊΠΎΠ½ΡΡΡΡΠΊΡΠΈΠΈ Π°Π»ΡΠΌΠΈΠ½ΠΈΠ΅Π²ΡΠΉ ΡΠ»ΠΎΠΉ, Π΄Π»Ρ Π±ΠΎΠ»ΡΡΠ΅ΠΉ ΡΡΡΠΎΠΉΡΠΈΠ²ΠΎΡΡΠΈ ΠΊ Π²ΡΡΠΎΠΊΠΈΠΌ ΡΠ΅ΠΌΠΏΠ΅ΡΠ°ΡΡΡΠ°ΠΌ.
ΠΠ±ΡΡΠ½ΡΠ΅ ΠΏΠ»Π°ΡΡΠΈΠΊΠΎΠ²ΡΠ΅ ΡΡΡΠ±Ρ Π΄Π»Ρ ΠΎΡΠΎΠΏΠ»Π΅Π½ΠΈΡ Π½Π΅ ΠΏΠΎΠ΄Ρ ΠΎΠ΄ΡΡ β Π²ΡΡΠΎΠΊΠ°Ρ ΡΠ΅ΠΌΠΏΠ΅ΡΠ°ΡΡΡΠ° ΡΠ΅ΠΏΠ»ΠΎΠ½ΠΎΡΠΈΡΠ΅Π»Ρ ΠΌΠΎΠΆΠ΅Ρ ΠΏΡΠΈΠ²Π΅ΡΡΠΈ ΠΊ ΠΈΡ ΠΏΠΎΠ²ΡΠ΅ΠΆΠ΄Π΅Π½ΠΈΡ. ΠΠΎΡΡΠΎΠΌΡ Π² ΠΎΡΠΎΠΏΠΈΡΠ΅Π»ΡΠ½ΡΡ ΡΠΈΡΡΠ΅ΠΌΠ°Ρ ΠΈΡΠΏΠΎΠ»ΡΠ·ΡΡΡΡΡ Π°ΡΠΌΠΈΡΠΎΠ²Π°Π½Π½ΡΠ΅ ΡΡΡΠ±Ρ. Π ΡΠ²ΠΎΠ΅ΠΉ ΡΡΡΡΠΊΡΡΡΠ΅ ΠΎΠ½ΠΈ ΡΠΎΠ΄Π΅ΡΠΆΠ°Ρ Π°Π»ΡΠΌΠΈΠ½ΠΈΠΉ ΠΈΠ»ΠΈ ΡΡΠ΅ΠΊΠ»ΠΎΠ²ΠΎΠ»ΠΎΠΊΠ½ΠΎ, ΡΡΠΎ Π΄Π΅Π»Π°Π΅Ρ ΠΈΡ Π±ΠΎΠ»Π΅Π΅ ΠΊΡΠ΅ΠΏΠΊΠΈΠΌΠΈ ΠΈ ΡΡΡΠΎΠΉΡΠΈΠ²ΡΠΌΠΈ ΠΊ Π²ΡΡΠΎΠΊΠΎΠΉ ΡΠ΅ΠΌΠΏΠ΅ΡΠ°ΡΡΡΡ. Π’Π°ΠΊΠΈΠ΅ ΠΈΠ·Π΄Π΅Π»ΠΈΡ ΠΊΠ°ΠΊ Π½Π΅Π»ΡΠ·Ρ Π»ΡΡΡΠ΅ ΠΏΠΎΠ΄Ρ ΠΎΠ΄ΡΡ Π΄Π»Ρ ΠΈΡΠΏΠΎΠ»ΡΠ·ΠΎΠ²Π°Π½ΠΈΡ Π² ΠΎΡΠΎΠΏΠΈΡΠ΅Π»ΡΠ½ΡΡ ΡΠΈΡΡΠ΅ΠΌΠ°Ρ .
ΠΡΠ±ΠΈΡΠ°Ρ ΡΡΡΠ±Ρ ΠΈΠ· ΠΏΠΎΠ»ΠΈΠΏΡΠΎΠΏΠΈΠ»Π΅Π½Π°, Π½ΡΠΆΠ½ΠΎ ΠΎΠ±ΡΠ°ΡΠΈΡΡ Π²Π½ΠΈΠΌΠ°Π½ΠΈΠ΅ Π½Π° ΠΏΡΠΎΠΈΠ·Π²ΠΎΠ΄ΠΈΡΠ΅Π»Ρ. Π‘Π°ΠΌΡΠΉ Π»ΡΡΡΠΈΠΉ Π²Π°ΡΠΈΠ°Π½Ρ β ΠΏΠΎΠΊΡΠΏΠ°ΡΡ ΠΏΡΠΎΠ΄ΡΠΊΡΠΈΡ ΠΎΡ Π½Π°ΠΈΠ±ΠΎΠ»Π΅Π΅ ΡΠ°ΡΠΏΡΠΎΡΡΡΠ°Π½Π΅Π½Π½ΡΡ Π±ΡΠ΅Π½Π΄ΠΎΠ², ΠΊΠΎΡΠΎΡΡΡ Π½Π΅ ΡΠ°ΠΊ ΡΠΆ ΠΈ ΠΌΠ½ΠΎΠ³ΠΎ. ΠΠ·ΡΠ² ΠΏΡΠΎΠ΄ΡΠΊΡΠΈΡ ΠΌΠ°Π»ΠΎΠΈΠ·Π²Π΅ΡΡΠ½ΠΎΠ³ΠΎ ΠΏΡΠΎΠΈΠ·Π²ΠΎΠ΄ΠΈΡΠ΅Π»Ρ, Π²Ρ ΠΌΠΎΠΆΠ΅ΡΠ΅ ΡΡΠΎΠ»ΠΊΠ½ΡΡΡΡΡ Ρ ΡΠΈΡΡΠ°ΡΠΈΠ΅ΠΉ ΠΎΡΡΡΡΡΡΠ²ΠΈΡ ΠΏΠΎΠ΄Ρ ΠΎΠ΄ΡΡΠΈΡ ΡΠΈΡΠΈΠ½Π³ΠΎΠ² ΠΈ ΠΏΡΠΎΡΠΈΡ Π°ΠΊΡΠ΅ΡΡΡΠ°ΡΠΎΠ² β Π΅ΡΠ»ΠΈ Π² ΡΠΈΡΡΠ΅ΠΌΠ΅ ΡΡΠΎ-ΡΠΎ ΡΠ»ΠΎΠΌΠ°Π΅ΡΡΡ ΠΈΠ»ΠΈ ΠΏΠΎΡΡΠ΅Π±ΡΠ΅ΡΡΡ Π΅Π΅ ΠΏΠ΅ΡΠ΅Π΄Π΅Π»ΠΊΠ°, ΠΌΠΎΠ½ΡΠ°ΠΆΠ½ΡΠ΅ ΠΈ ΡΠ΅ΠΌΠΎΠ½ΡΠ½ΡΠ΅ ΡΠ°Π±ΠΎΡΡ ΠΌΠΎΠ³ΡΡ Π·Π°ΡΡΠ½ΡΡΡΡΡ Π΄ΠΎ Π½Π°Ρ ΠΎΠΆΠ΄Π΅Π½ΠΈΡ Π½ΡΠΆΠ½ΡΡ ΡΠ»Π΅ΠΌΠ΅Π½ΡΠΎΠ².
ΠΠ»Ρ ΠΌΠΎΠ½ΡΠ°ΠΆΠ° ΡΡΡΠ± ΠΆΠ΅Π»Π°ΡΠ΅Π»ΡΠ½ΠΎ ΠΈΡΠΏΠΎΠ»ΡΠ·ΠΎΠ²Π°ΡΡ Π½Π΅ΡΠ°Π·ΡΠ΅ΠΌΠ½ΡΠ΅ ΡΠΈΡΠΈΠ½Π³ΠΈ β ΠΎΠ½ΠΈ ΠΎΠ±Π΅ΡΠΏΠ΅ΡΠΈΠ²Π°ΡΡ ΠΏΡΠΎΡΠ½ΠΎΠ΅ ΠΈ Π³Π΅ΡΠΌΠ΅ΡΠΈΡΠ½ΠΎΠ΅ ΡΠΎΠ΅Π΄ΠΈΠ½Π΅Π½ΠΈΠ΅. ΠΠΎΠ½ΡΠ°ΠΆΠ½ΡΠ΅ ΡΠ°Π±ΠΎΡΡ ΠΏΡΠΎΠΈΠ·Π²ΠΎΠ΄ΡΡΡΡ Ρ ΠΏΠΎΠΌΠΎΡΡΡ ΡΠΏΠ΅ΡΠΈΠ°Π»ΡΠ½ΠΎΠ³ΠΎ ΠΏΠ°ΡΠ»ΡΠ½ΠΎΠ³ΠΎ ΠΈΠ½ΡΡΡΡΠΌΠ΅Π½ΡΠ°.
Π‘Ρ Π΅ΠΌΠ° ΠΎΡΠΎΠΏΠ»Π΅Π½ΠΈΡ Π² ΡΠ°ΡΡΠ½ΠΎΠΌ Π΄ΠΎΠΌΠ΅

Π ΡΠ°ΡΡΠ½ΡΡ Π΄ΠΎΠΌΠ°Ρ ΡΠ°ΡΡΠΎ ΠΈΡΠΏΠΎΠ»ΡΠ·ΡΠ΅ΡΡΡ ΠΎΠ΄Π½ΠΎΡΡΡΠ±Π½Π°Ρ ΡΠΈΡΡΠ΅ΠΌΠ° ΠΎΡΠΎΠΏΠ»Π΅Π½ΠΈΡ Ρ ΡΠΈΡΠΊΡΠ»ΡΡΠΈΠΎΠ½Π½ΡΠΌ Π½Π°ΡΠΎΡΠΎΠΌ.
Π‘Ρ Π΅ΠΌΡ ΠΎΡΠΎΠΏΠ»Π΅Π½ΠΈΡ Π² ΡΠ°ΡΡΠ½ΠΎΠΌ Π΄ΠΎΠΌΠ΅, Ρ ΡΡΡΠ±Π°ΠΌΠΈ ΠΈΠ· ΠΏΠΎΠ»ΠΈΠΏΡΠΎΠΏΠΈΠ»Π΅Π½Π°, ΠΌΠΎΠ³ΡΡ Π±ΡΡΡ ΡΠ°ΠΌΡΠΌΠΈ ΡΠ°Π·Π½ΡΠΌΠΈ. ΠΠ°ΠΏΡΠΈΠΌΠ΅Ρ, Π½ΠΈΡΡΠΎ Π½Π΅ ΠΌΠ΅ΡΠ°Π΅Ρ ΠΏΡΠΎΠ»ΠΎΠΆΠΈΡΡ ΠΎΠ΄Π½ΠΎΡΡΡΠ±Π½ΡΡ ΡΠΈΡΡΠ΅ΠΌΡ, Π΄ΠΎΠΏΠΎΠ»Π½Π΅Π½Π½ΡΡ ΡΠΈΡΠΊΡΠ»ΡΡΠΈΠΎΠ½Π½ΡΠΌ Π½Π°ΡΠΎΡΠΎΠΌ β ΠΎΠ½Π° ΠΎΠ±Π΅ΡΠΏΠ΅ΡΠΈΡ ΠΈΠ½ΡΠ΅Π½ΡΠΈΠ²Π½ΠΎΠ΅ ΠΏΡΠΎΡΠ΅ΠΊΠ°Π½ΠΈΠ΅ ΡΠ΅ΠΏΠ»ΠΎΠ½ΠΎΡΠΈΡΠ΅Π»Ρ ΠΈ ΡΠ°Π²Π½ΠΎΠΌΠ΅ΡΠ½ΡΠΉ ΠΏΡΠΎΠ³ΡΠ΅Π² ΠΏΠΎΠΌΠ΅ΡΠ΅Π½ΠΈΠΉ. ΠΠΎΠ·ΠΌΠΎΠΆΠ½ΠΎ ΠΏΡΠΈΠΌΠ΅Π½Π΅Π½ΠΈΠ΅ Π²Π΅ΡΡΠΈΠΊΠ°Π»ΡΠ½ΡΡ Π΄Π²ΡΡ ΡΡΡΠ±Π½ΡΡ ΡΠΈΡΡΠ΅ΠΌ Ρ Π½ΠΈΠΆΠ½Π΅ΠΉ ΠΈ Π²Π΅ΡΡ Π½Π΅ΠΉ ΡΠ°Π·Π²ΠΎΠ΄ΠΊΠΎΠΉ. Π₯ΠΎΡΠΈΡΠ΅ ΡΠ΄Π΅Π»Π°ΡΡ Π³ΠΎΡΠΈΠ·ΠΎΠ½ΡΠ°Π»ΡΠ½ΡΡ ΡΠ°Π·Π²ΠΎΠ΄ΠΊΡ β ΠΏΠΎΠΆΠ°Π»ΡΠΉΡΡΠ°.
Π’Π°ΠΊΠΈΠΌ ΠΎΠ±ΡΠ°Π·ΠΎΠΌ, Π² ΡΠ°ΡΡΠ½ΡΡ Π΄ΠΎΠΌΠ°Ρ ΠΈΡΠΏΠΎΠ»ΡΠ·ΡΡΡΡΡ ΡΠ°ΠΌΡΠ΅ ΡΠ°Π·Π½ΡΠ΅ ΡΡ Π΅ΠΌΡ ΠΎΡΠΎΠΏΠ»Π΅Π½ΠΈΡ. ΠΠ½ΠΈ Ρ ΠΎΡΠΎΡΠΎ ΠΏΡΠΎΠ³ΡΠ΅Π²Π°ΡΡ ΠΏΠΎΠΌΠ΅ΡΠ΅Π½ΠΈΡ, Π½ΠΎ Π² Π½ΠΈΡ ΠΊΡΠ°ΠΉΠ½Π΅ ΠΆΠ΅Π»Π°ΡΠ΅Π»ΡΠ½ΠΎ ΠΈΡΠΏΠΎΠ»ΡΠ·ΠΎΠ²Π°ΡΡ ΡΠΈΡΠΊΡΠ»ΡΡΠΈΠΎΠ½Π½ΡΠ΅ Π½Π°ΡΠΎΡΡ. ΠΠ»Π°Π³ΠΎΠ΄Π°ΡΡ ΡΡΠΎΠΌΡ ΠΎΠ±Π΅ΡΠΏΠ΅ΡΠΈΠ²Π°Π΅ΡΡΡ Π½ΠΎΡΠΌΠ°Π»ΡΠ½Π°Ρ ΡΠΈΡΠΊΡΠ»ΡΡΠΈΡ ΡΠ΅ΠΏΠ»ΠΎΠ½ΠΎΡΠΈΡΠ΅Π»Ρ.
ΠΠΎΠ½ΡΠ°ΠΆ ΠΏΠΎΠ»ΠΈΠΏΡΠΎΠΏΠΈΠ»Π΅Π½ΠΎΠ²ΡΡ ΡΡΡΠ±

ΠΠ»Ρ ΠΏΠ°ΠΉΠΊΠΈ ΠΏΠΎΠ»ΠΈΠΏΡΠΎΠΏΠΈΠ»Π΅Π½ΠΎΠ²ΡΡ ΡΡΡΠ± ΠΈΡΠΏΠΎΠ»ΡΠ·ΡΠ΅ΡΡΡ ΡΠΏΠ΅ΡΠΈΠ°Π»ΡΠ½ΡΠΉ Π°ΠΏΠΏΠ°ΡΠ°Ρ.
ΠΠ»Ρ ΠΌΠΎΠ½ΡΠ°ΠΆΠ° ΠΏΠΎΠ»ΠΈΠΏΡΠΎΠΏΠΈΠ»Π΅Π½ΠΎΠ²ΡΡ ΡΡΡΠ± ΠΈΡΠΏΠΎΠ»ΡΠ·ΡΡΡΡΡ ΡΠΏΠ΅ΡΠΈΠ°Π»ΡΠ½ΡΠ΅ ΠΈΠ½ΡΡΡΡΠΌΠ΅Π½ΡΡ ΠΈ ΡΠΈΡΠΈΠ½Π³ΠΈ. ΠΠ°ΡΠ»ΡΠ½ΡΠΉ ΠΈΠ½ΡΡΡΡΠΌΠ΅Π½Ρ Π½Π°ΠΌΠ΅ΡΡΠ²ΠΎ ΡΠ²Π°ΡΠΈΠ²Π°Π΅Ρ ΠΈΠ·Π΄Π΅Π»ΠΈΡ, ΠΎΠ±ΡΠ°Π·ΡΡ Π½Π°Π΄Π΅ΠΆΠ½ΠΎΠ΅ ΠΈ Π³Π΅ΡΠΌΠ΅ΡΠΈΡΠ½ΠΎΠ΅ ΡΠΎΠ΅Π΄ΠΈΠ½Π΅Π½ΠΈΠ΅. Π Π΅Π·ΠΊΠ° ΠΎΡΡΡΠ΅ΡΡΠ²Π»ΡΠ΅ΡΡΡ ΠΎΠ±ΡΡΠ½ΠΎΠΉ Π½ΠΎΠΆΠΎΠ²ΠΊΠΎΠΉ ΠΏΠΎ ΠΌΠ΅ΡΠ°Π»Π»Ρ ΠΈΠ»ΠΈ Ρ ΠΏΠΎΠΌΠΎΡΡΡ ΡΠΏΠ΅ΡΠΈΠ°Π»ΡΠ½ΡΡ Π½ΠΎΠΆΠ½ΠΈΡ β Π΄Π°Π½Π½ΠΎΠ΅ ΠΎΠ±ΠΎΡΡΠ΄ΠΎΠ²Π°Π½ΠΈΠ΅ ΠΌΠΎΠΆΠ½ΠΎ Π²Π·ΡΡΡ Π² Π°ΡΠ΅Π½Π΄Ρ. ΠΡΠΈ ΡΠ΅Π·ΠΊΠ΅ ΡΡΡΠ± Π½Π΅ΠΎΠ±Ρ ΠΎΠ΄ΠΈΠΌΠΎ ΠΎΠ±Π΅ΡΠΏΠ΅ΡΠΈΡΡ ΡΠΎΠ±Π»ΡΠ΄Π΅Π½ΠΈΠ΅ ΡΠ³Π»ΠΎΠ².
Π’Π°ΠΊ ΠΊΠ°ΠΊ Π²Π½ΡΡΡΠΈ ΠΏΠ»Π°ΡΡΠΈΠΊΠΎΠ²ΡΡ ΡΡΡΠ± Π΄Π»Ρ ΠΎΡΠΎΠΏΠ»Π΅Π½ΠΈΡ ΠΏΡΠΈΡΡΡΡΡΠ²ΡΠ΅Ρ Π°ΡΠΌΠΈΡΠΎΠ²ΠΊΠ° ΠΈΠ· Π°Π»ΡΠΌΠΈΠ½ΠΈΡ, ΠΊΡΠ°Ρ ΠΏΠΎΡΠ»Π΅ ΡΠ΅Π·ΠΊΠΈ ΠΏΠΎΠ΄Π»Π΅ΠΆΠ°Ρ Π·Π°ΡΠΈΡΡΠΊΠ΅ β ΠΈΡΠΏΠΎΠ»ΡΠ·ΡΠΉΡΠ΅ Π΄Π»Ρ ΡΡΠΎΠ³ΠΎ ΠΏΠΎΠ΄Ρ ΠΎΠ΄ΡΡΡΡ Π½Π°ΠΆΠ΄Π°ΡΠ½ΡΡ Π±ΡΠΌΠ°Π³Ρ. Π Π°Π·ΠΎΠ³ΡΠ΅ΡΡΠ΅ ΡΡΡΠ±Ρ ΠΈ ΡΠΈΡΠΈΠ½Π³ΠΈ ΡΠΎΠ΅Π΄ΠΈΠ½ΡΡΡΡΡ Π΄ΡΡΠ³ Ρ Π΄ΡΡΠ³ΠΎΠΌ Π² Π³ΠΎΡΡΡΠ΅ΠΌ ΡΠΎΡΡΠΎΡΠ½ΠΈΠΈ, ΠΏΡΠΈΡΠ΅ΠΌ ΠΌΠ΅ΡΡΠΎ ΡΠΎΠ΅Π΄ΠΈΠ½Π΅Π½ΠΈΡ Π²ΠΎ Π²ΡΠ΅ΠΌΡ ΠΎΡΡΡΠ²Π°Π½ΠΈΡ Π΄ΠΎΠ»ΠΆΠ½ΠΎ ΠΎΡΡΠ°Π²Π°ΡΡΡΡ Π½Π΅ΠΏΠΎΠ΄Π²ΠΈΠΆΠ½ΡΠΌ β ΠΏΠ΅ΡΠ΅ΠΊΠΎΡΡ Π·Π΄Π΅ΡΡ Π½Π΅ Π΄ΠΎΠΏΡΡΠΊΠ°ΡΡΡΡ. ΠΡΠ»ΠΈ Π½ΡΠΆΠ½ΠΎ ΠΎΠ±Π΅ΡΠΏΠ΅ΡΠΈΡΡ ΡΡΡΠΊΠΎΠ²ΠΊΡ ΠΏΠ»Π°ΡΡΠΈΠΊΠΎΠ²ΠΎΠΉ ΠΈ ΠΌΠ΅ΡΠ°Π»Π»ΠΈΡΠ΅ΡΠΊΠΎΠΉ ΡΡΡΠ±, ΠΈΡΠΏΠΎΠ»ΡΠ·ΡΠΉΡΠ΅ Π΄Π»Ρ ΡΡΠΎΠ³ΠΎ ΡΠΏΠ΅ΡΠΈΠ°Π»ΡΠ½ΡΠ΅ ΡΠΈΡΠΈΠ½Π³ΠΈ.
remont-system.ru
ΠΡΠΎΠΏΠ»Π΅Π½ΠΈΠ΅ Π² ΡΠ°ΡΡΠ½ΠΎΠΌ Π΄ΠΎΠΌΠ΅ ΠΈΠ· ΠΏΠΎΠ»ΠΈΠΏΡΠΎΠΏΠΈΠ»Π΅Π½ΠΎΠ²ΡΡ ΡΡΡΠ± ΡΠ²ΠΎΠΈΠΌΠΈ ΡΡΠΊΠ°ΠΌΠΈ
ΠΡΠ°Π²ΠΈΠ»ΡΠ½ΠΎΠ΅ ΠΏΡΠΈΠΌΠ΅Π½Π΅Π½ΠΈΠ΅ ΡΠΎΠ²ΡΠ΅ΠΌΠ΅Π½Π½ΡΡ ΠΊΠΎΠΌΠΏΠ»Π΅ΠΊΡΡΡΡΠΈΡ Π΄Π΅ΡΠ°Π»Π΅ΠΉ Π² ΡΡΡΠΎΠΈΡΠ΅Π»ΡΡΡΠ²ΠΎ ΠΏΠΎΠΌΠΎΠ³Π°Π΅Ρ ΡΠ»ΡΡΡΠ°ΡΡ ΡΠΊΠΎΠ½ΠΎΠΌΠΈΡΠ΅ΡΠΊΠΈΠ΅ ΠΈ ΡΠΊΡΠΏΠ»ΡΠ°ΡΠ°ΡΠΈΠΎΠ½Π½ΡΠ΅ Ρ Π°ΡΠ°ΠΊΡΠ΅ΡΠΈΡΡΠΈΠΊΠΈ ΡΠ°Π·Π½ΡΡ ΠΈΠ½ΠΆΠ΅Π½Π΅ΡΠ½ΡΡ ΡΠΈΡΡΠ΅ΠΌ. ΠΠΎΠ»Π³ΠΎΠ²Π΅ΡΠ½ΠΎΠ΅ ΠΎΡΠΎΠΏΠ»Π΅Π½ΠΈΠ΅ Π² ΡΠ°ΡΡΠ½ΠΎΠΌ Π΄ΠΎΠΌΠ΅ ΠΈΠ· ΠΏΠΎΠ»ΠΈΠΏΡΠΎΠΏΠΈΠ»Π΅Π½ΠΎΠ²ΡΡ ΡΡΡΠ± ΠΌΠΎΠΆΠ½ΠΎ ΡΠ΄Π΅Π»Π°ΡΡ Π±ΡΡΡΡΠΎ ΠΈ Π½Π΅Π΄ΠΎΡΠΎΠ³ΠΎ. ΠΠ°ΠΊ Π²ΡΠ±ΡΠ°ΡΡ Π»ΡΡΡΠΈΠ΅ ΠΈΠ·Π΄Π΅Π»ΠΈΡ ΠΈ Π²ΡΠΏΠΎΠ»Π½ΠΈΡΡ ΠΌΠΎΠ½ΡΠ°ΠΆΠ½ΡΠ΅ ΡΠ°Π±ΠΎΡΡ Π±Π΅Π· ΠΎΡΠΈΠ±ΠΎΠΊ, ΡΠ°ΡΡΠΊΠ°Π·Π°Π½ΠΎ Π² ΡΡΠΎΠΉ ΡΡΠ°ΡΡΠ΅.
Π‘ΠΎΠ·Π΄Π°Π½ΠΈΠ΅ ΡΠΈΡΡΠ΅ΠΌΡ ΠΎΡΠΎΠΏΠ»Π΅Π½ΠΈΡ ΡΠΎΠ±ΡΡΠ²Π΅Π½Π½ΡΠΌΠΈ ΡΡΠΊΠ°ΠΌΠΈ ΠΎΠ±Π΅ΡΠΏΠ΅ΡΠΈΠ²Π°Π΅Ρ 100% ΠΊΠΎΠ½ΡΡΠΎΠ»Ρ Π½Π° Π²ΡΠ΅Ρ
ΡΡΠ°Π΄ΠΈΡΡ
ΡΠ΅Π°Π»ΠΈΠ·Π°ΡΠΈΠΈ ΠΏΡΠΎΠ΅ΠΊΡΠ°Π§ΠΈΡΠ°ΠΉΡΠ΅ Π² ΡΡΠ°ΡΡΠ΅
Π ΡΠ΅ΠΌ Π·Π°ΠΊΠ»ΡΡΠ°ΡΡΡΡ ΠΏΡΠ΅ΠΈΠΌΡΡΠ΅ΡΡΠ²Π° ΠΏΡΠΎΠΏΠΈΠ»Π΅Π½ΠΎΠ²ΡΡ ΡΡΡΠ± ΠΈ ΠΎ ΠΊΠ°ΠΊΠΈΡ Π½Π΅Π΄ΠΎΡΡΠ°ΡΠΊΠ°Ρ Π½Π°Π΄ΠΎ ΠΏΠΎΠΌΠ½ΠΈΡΡ
Π’ΠΎΡΠ½ΡΠ΅ Π΄Π°Π½Π½ΡΠ΅ ΠΎ ΡΠ΅Π½Π°Ρ ΠΏΡΠΈΠ²Π΅Π΄Π΅Π½Ρ Π² ΡΠΎΠΎΡΠ²Π΅ΡΡΡΠ²ΡΡΡΠ΅ΠΌ ΡΠ°Π·Π΄Π΅Π»Π΅ ΡΡΠ°ΡΡΠΈ. ΠΠΎ Π½Π°Π΄ΠΎ ΠΎΡΠΌΠ΅ΡΠΈΡΡ ΡΡΠ°Π·Ρ, ΡΡΠΎ ΠΎΡΠΎΠΏΠ»Π΅Π½ΠΈΠ΅ ΠΈΠ· ΠΏΠΎΠ»ΠΈΠΏΡΠΎΠΏΠΈΠ»Π΅Π½ΠΎΠ²ΡΡ ΡΡΡΠ± ΡΡΠΎΠΈΡ Π΄Π΅ΡΠ΅Π²Π»Π΅ ΠΏΠΎ ΡΡΠ°Π²Π½Π΅Π½ΠΈΡ Ρ ΠΏΡΠΈΠΌΠ΅Π½Π΅Π½ΠΈΠ΅ΠΌ Π°Π½Π°Π»ΠΎΠ³ΠΈΡΠ½ΡΡ ΠΈΠ·Π΄Π΅Π»ΠΈΠΉ ΠΈΠ· ΡΡΠ°Π»ΠΈ, ΠΌΠ΅Π΄ΠΈ. Π’Π°ΠΊΠΆΠ΅ Π½Π΅ΠΎΠ±Ρ ΠΎΠ΄ΠΈΠΌΠΎ ΡΡΠΈΡΡΠ²Π°ΡΡ ΡΠ»Π΅Π΄ΡΡΡΠΈΠ΅ Π²Π΅ΡΠΎΠΌΡΠ΅ ΠΏΡΠ΅ΠΈΠΌΡΡΠ΅ΡΡΠ²Π°:
- ΠΠ°Π»ΡΠΉ Π²Π΅Ρ ΠΏΠΎΠ»ΠΈΠΌΠ΅ΡΠ½ΡΡ ΠΈΠ·Π΄Π΅Π»ΠΈΠΉ ΡΠΏΡΠΎΡΠ°Π΅Ρ ΠΏΠΎΠ³ΡΡΠ·ΠΎΡΠ½ΠΎ-ΡΠ°Π·Π³ΡΡΠ·ΠΎΡΠ½ΡΠ΅ ΠΈ ΠΌΠΎΠ½ΡΠ°ΠΆΠ½ΡΠ΅ ΠΎΠΏΠ΅ΡΠ°ΡΠΈΠΈ. Π£ΡΡΠ°Π½ΠΎΠ²Π»Π΅Π½Π½Π°Ρ ΡΠΈΡΡΠ΅ΠΌΠ° Π½Π΅ ΡΡΠ°Π½Π΅Ρ ΡΠ»ΠΈΡΠΊΠΎΠΌ Π±ΠΎΠ»ΡΡΠΎΠΉ Π½Π°Π³ΡΡΠ·ΠΊΠΎΠΉ Π½Π° ΡΠΈΠ»ΠΎΠ²ΠΎΠΉ ΠΊΠ°ΡΠΊΠ°Ρ Π·Π΄Π°Π½ΠΈΡ.
- ΠΠΎΠ»ΠΈΠΏΡΠΎΠΏΠΈΠ»Π΅Π½ β Ρ ΠΈΠΌΠΈΡΠ΅ΡΠΊΠΈ Π½Π΅ΠΉΡΡΠ°Π»ΡΠ½ΠΎΠ΅ ΡΠΎΠ΅Π΄ΠΈΠ½Π΅Π½ΠΈΠ΅. ΠΠ½ Π½Π΅ Π·Π°Π³ΡΡΠ·Π½ΡΠ΅Ρ Π²ΠΎΠ΄Ρ ΠΈ ΠΎΠΊΡΡΠΆΠ°ΡΡΡΡ ΡΡΠ΅Π΄Ρ, Π½Π΅ ΡΠ°Π·ΡΡΡΠ°Π΅ΡΡΡ ΠΊΠΎΡΡΠΎΠ·ΠΈΠ΅ΠΉ.
- Π’ΠΈΠΏΠΎΠ²ΡΠ΅ ΠΈΠ·Π΄Π΅Π»ΠΈΡ ΠΈΠ· ΡΡΠΎΠ³ΠΎ ΠΌΠ°ΡΠ΅ΡΠΈΠ°Π»Π° ΡΠΎΡ ΡΠ°Π½ΡΡΡ ΡΠ΅Π»ΠΎΡΡΠ½ΠΎΡΡΡ ΠΏΡΠΈ ΡΠ΅ΠΌΠΏΠ΅ΡΠ°ΡΡΡΠ΅ ΠΆΠΈΠ΄ΠΊΠΎΡΡΠΈ +80Β°C ΠΈ Π±ΠΎΠ»Π΅Π΅. ΠΡΠΎΠ³ΠΎ Π²ΠΏΠΎΠ»Π½Π΅ Π΄ΠΎΡΡΠ°ΡΠΎΡΠ½ΠΎ Π΄Π»Ρ ΠΏΠΎΠ»Π½ΠΎΡΠ΅Π½Π½ΠΎΠ³ΠΎ ΡΡΠ½ΠΊΡΠΈΠΎΠ½ΠΈΡΠΎΠ²Π°Π½ΠΈΡ ΠΈΠ½Π΄ΠΈΠ²ΠΈΠ΄ΡΠ°Π»ΡΠ½ΡΡ ΡΠΈΡΡΠ΅ΠΌ ΡΠ΅ΠΏΠ»ΠΎΡΠ½Π°Π±ΠΆΠ΅Π½ΠΈΡ.
- ΠΠ° Π³Π»Π°Π΄ΠΊΠΈΡ Π²Π½ΡΡΡΠ΅Π½Π½ΠΈΡ ΡΡΠ΅Π½ΠΊΠ°Ρ Π½Π΅ Π·Π°Π΄Π΅ΡΠΆΠΈΠ²Π°ΡΡΡΡ ΡΠ°ΡΡΠΈΡΡ Π½Π°ΠΊΠΈΠΏΠΈ. ΠΡ ΠΏΡΠΈΠΊΡΠ΅ΠΏΠ»Π΅Π½ΠΈΠ΅ Π±Π»ΠΎΠΊΠΈΡΡΠ΅Ρ ΡΠ°ΠΊΠΆΠ΅ ΠΈΠ·ΠΌΠ΅Π½Π΅Π½ΠΈΠ΅ ΡΠ°Π·ΠΌΠ΅ΡΠΎΠ² ΠΏΡΠΈ ΡΠΌΠ΅Π½ΡΡΠ΅Π½ΠΈΠΈ/ΡΠ²Π΅Π»ΠΈΡΠ΅Π½ΠΈΠΈ ΡΠ΅ΠΌΠΏΠ΅ΡΠ°ΡΡΡΡ ΡΠ΅ΠΏΠ»ΠΎΠ½ΠΎΡΠΈΡΠ΅Π»Ρ.
- Π’Π°ΠΊΠΈΠ΅ ΠΈΠ·Π΄Π΅Π»ΠΈΡ Π½Π΅ ΠΏΠΎΠ²ΡΠ΅ΠΆΠ΄Π°ΡΡΡΡ ΠΌΠ΅Ρ Π°Π½ΠΈΡΠ΅ΡΠΊΠΈΠΌΠΈ ΠΏΡΠΈΠΌΠ΅ΡΡΠΌΠΈ, ΡΠ»Π΅ΠΊΡΡΠΎΡ ΠΈΠΌΠΈΡΠ΅ΡΠΊΠΈΠΌΠΈ ΡΠΎΡΠΌΠ°ΠΌΠΈ ΠΊΠΎΡΡΠΎΠ·ΠΈΠΈ.
- ΠΠ½ΠΈ ΡΠΏΠΎΡΠΎΠ±Π½Ρ Π²ΡΠΏΠΎΠ»Π½ΡΡΡ ΡΠ²ΠΎΠΈ ΡΡΠ½ΠΊΡΠΈΠΈ Π½Π° ΠΏΡΠΎΡΡΠΆΠ΅Π½ΠΈΠΈ Π΄Π΅ΡΡΡΠΊΠΎΠ² Π»Π΅Ρ Π±Π΅Π· Π·Π°ΡΠΎΡΠ΅Π½ΠΈΡ ΡΠ°Π±ΠΎΡΠΈΡ ΠΊΠ°Π½Π°Π»ΠΎΠ².
- Π’ΠΎΠ»ΡΡΡΠ΅ ΡΡΠ΅Π½ΠΊΠΈ ΠΈ ΠΎΡΠΎΠ±Π°Ρ ΡΡΡΡΠΊΡΡΡΠ° ΠΎΠ±Π΅ΡΠΏΠ΅ΡΠΈΠ²Π°ΡΡ Π½Π°Π»ΠΈΡΠΈΠ΅ Π²Π΅Π»ΠΈΠΊΠΎΠ»Π΅ΠΏΠ½ΡΡ ΠΈΠ·ΠΎΠ»ΡΡΠΈΠΎΠ½Π½ΡΡ ΡΠ²ΠΎΠΉΡΡΠ². ΠΠ°ΠΆΠ΅ ΠΏΡΠΈ Π²ΡΡΠΎΠΊΠΎΠΌ Π½Π°ΠΏΠΎΡΠ΅ ΡΠΈΡΡΠ΅ΠΌΠ° ΠΎΡΠΎΠΏΠ»Π΅Π½ΠΈΡ ΠΈΠ· ΠΏΠΎΠ»ΠΈΠΏΡΠΎΠΏΠΈΠ»Π΅Π½Π° Π½Π΅ ΡΠΎΠ·Π΄Π°Π΅Ρ ΡΠΈΠ»ΡΠ½ΡΠΉ ΡΡΠΌ. Π‘Π½Π°ΡΡΠΆΠΈ Π½Π΅ ΠΎΠ±ΡΠ°Π·ΡΠ΅ΡΡΡ ΠΊΠΎΠ½Π΄Π΅Π½ΡΠ°Ρ.
- ΠΠΎΠ»ΠΈΠΌΠ΅ΡΠ½Π°Ρ ΡΡΡΠ±Π° ΡΠΎΡ ΡΠ°Π½ΠΈΡ ΡΠ΅Π»ΠΎΡΡΠ½ΠΎΡΡΡ ΠΏΠΎΡΠ»Π΅ Π½Π΅ΠΎΠ΄Π½ΠΎΠΊΡΠ°ΡΠ½ΡΡ ΡΠΈΠΊΠ»ΠΎΠ² Π·Π°ΠΌΠΎΡΠ°ΠΆΠΈΠ²Π°Π½ΠΈΡ, ΠΎΡΡΠ°ΠΈΠ²Π°Π½ΠΈΡ. ΠΡΠΎ ΡΠ²ΠΎΠΉΡΡΠ²ΠΎ ΠΎΡΠΎΠ±Π΅Π½Π½ΠΎ ΠΏΠΎΠ»Π΅Π·Π½ΠΎ ΠΏΡΠΈ ΠΎΡΠ½Π°ΡΠ΅Π½ΠΈΠΈ Π°Π²ΡΠΎΠ½ΠΎΠΌΠ½ΡΡ ΠΎΠ±ΡΠ΅ΠΊΡΠΎΠ² Π½Π΅Π΄Π²ΠΈΠΆΠΈΠΌΠΎΡΡΠΈ, ΡΠ°ΠΊ ΠΊΠ°ΠΊ ΠΏΡΠ΅Π΄ΠΎΡΠ²ΡΠ°ΡΠ°Π΅Ρ Π°Π²Π°ΡΠΈΠΉΠ½ΡΠ΅ ΡΠΈΡΡΠ°ΡΠΈΠΈ.
ΠΡΠ΄Π΅Π»ΡΠ½ΠΎ Π½Π΅ΠΎΠ±Ρ
ΠΎΠ΄ΠΈΠΌΠΎ ΠΎΡΠ΅Π½ΠΈΡΡ ΠΏΡΠ΅Π²ΠΎΡΡ
ΠΎΠ΄Π½ΡΠΉ Π°ΡΡΠΎΡΡΠΈΠΌΠ΅Π½ΡΠΠ»Ρ ΠΎΡΠΎΠΏΠ»Π΅Π½ΠΈΡ ΠΏΠΎΠ»ΠΈΠΏΡΠΎΠΏΠΈΠ»Π΅Π½ΠΎΠ²ΡΠΌΠΈ ΡΡΡΠ±Π°ΠΌΠΈ Π½Π΅ ΡΡΡΠ΄Π½ΠΎ ΠΏΠΎΠ΄ΠΎΠ±ΡΠ°ΡΡ ΠΏΠΎΠ΄Ρ ΠΎΠ΄ΡΡΠΈΠ΅ ΠΎΡΠ½ΠΎΠ²Π½ΡΠ΅ ΠΈ Π΄ΠΎΠΏΠΎΠ»Π½ΠΈΡΠ΅Π»ΡΠ½ΡΠ΅ ΠΊΠΎΠΌΠΏΠΎΠ½Π΅Π½ΡΡ. Π‘ ΠΈΡ ΠΏΠΎΠΌΠΎΡΡΡ ΡΠ°ΠΌΡΠΉ ΡΠ»ΠΎΠΆΠ½ΡΠΉ ΠΏΡΠΎΠ΅ΠΊΡ ΠΌΠΎΠΆΠ½ΠΎ ΡΠ΅Π°Π»ΠΈΠ·ΠΎΠ²Π°ΡΡ ΡΠΎΡΠ½ΠΎ, Π±Π΅Π· ΠΊΠΎΠΌΠΏΡΠΎΠΌΠΈΡΡΠ½ΡΡ ΠΈ ΡΠΎΠΌΠ½ΠΈΡΠ΅Π»ΡΠ½ΡΡ ΡΠ΅ΡΠ΅Π½ΠΈΠΉ.
ΠΠ±ΡΠ΅ΠΊΡΠΈΠ²Π½ΡΠΉ Π°Π½Π°Π»ΠΈΠ· Π½Π΅ΠΎΠ±Ρ ΠΎΠ΄ΠΈΠΌΠΎ Π΄ΠΎΠΏΠΎΠ»Π½ΠΈΡΡ ΠΈΠΌΠ΅ΡΡΠΈΠΌΠΈΡΡ Π½Π΅Π΄ΠΎΡΡΠ°ΡΠΊΠ°ΠΌΠΈ:
- Π’ΡΡΠ±Ρ ΠΈ Π΄ΡΡΠ³ΠΈΠ΅ ΠΊΠΎΠΌΠΏΠ»Π΅ΠΊΡΡΡΡΠΈΠ΅ Π΄Π΅ΡΠ°Π»ΠΈ ΠΈΠ· ΡΡΠΎΠ³ΠΎ ΠΌΠ°ΡΠ΅ΡΠΈΠ°Π»Π° ΠΏΡΠΎΡΠ΅ ΠΏΠΎΠ²ΡΠ΅Π΄ΠΈΡΡ, ΡΠ΅ΠΌ ΠΌΠ΅ΡΠ°Π»Π»ΠΈΡΠ΅ΡΠΊΠΈΠ΅ ΠΈΠ·Π΄Π΅Π»ΠΈΡ, ΠΌΠ΅Ρ Π°Π½ΠΈΡΠ΅ΡΠΊΠΈΠΌ Π²ΠΎΠ·Π΄Π΅ΠΉΡΡΠ²ΠΈΠ΅ΠΌ.
- Π‘ΡΠΎΠΊ ΡΠ»ΡΠΆΠ±Ρ ΡΠΈΡΡΠ΅ΠΌΡ ΡΠ½ΠΈΠΆΠ°Π΅ΡΡΡ ΠΏΡΠΈ ΡΠ»ΠΈΡΠΊΠΎΠΌ Π²ΡΡΠΎΠΊΠΎΠΌ Π΄Π°Π²Π»Π΅Π½ΠΈΠΈ ΠΈ ΠΏΠΎΠ²ΡΡΠ΅Π½Π½ΠΎΠΉ ΡΠ΅ΠΌΠΏΠ΅ΡΠ°ΡΡΡΠ΅.
- ΠΡΠΎΠΈΠ·Π²ΠΎΠ΄ΠΈΡΠ΅Π»ΠΈ Π½Π΅ ΡΠ΅ΠΊΠΎΠΌΠ΅Π½Π΄ΡΡΡ ΡΠ³ΠΈΠ±Π°ΡΡ ΡΡΡΠ±Ρ.
- ΠΡΠΎΡΡΠ΅ΠΉΡΠΈΠ΅ ΠΏΠΎ ΠΊΠΎΠ½ΡΡΡΡΠΊΡΠΈΠΈ ΠΈΠ·Π΄Π΅Π»ΠΈΡ ΡΡΠΎΠΉ ΠΊΠ°ΡΠ΅Π³ΠΎΡΠΈΠΈ ΠΎΡΠ»ΠΈΡΠ°ΡΡΡΡ Π±ΠΎΠ»ΡΡΠΈΠΌΠΈ ΠΊΠΎΡΡΡΠΈΡΠΈΠ΅Π½ΡΠ°ΠΌΠΈ ΡΠ΅ΠΏΠ»ΠΎΠ²ΠΎΠ³ΠΎ ΡΠ°ΡΡΠΈΡΠ΅Π½ΠΈΡ. ΠΠ°ΠΌΠ΅ΡΠ½ΠΎΠ΅ ΠΈΠ·ΠΌΠ΅Π½Π΅Π½ΠΈΠ΅ ΠΏΡΠΎΠ΄ΠΎΠ»ΡΠ½ΡΡ ΡΠ°Π·ΠΌΠ΅ΡΠΎΠ² Π½Π° Π΄Π»ΠΈΠ½Π½ΡΡ ΡΡΠ°ΡΡΠΊΠ°Ρ ΠΏΡΠΈΡ ΠΎΠ΄ΠΈΡΡΡ ΠΊΠΎΠΌΠΏΠ΅Π½ΡΠΈΡΠΎΠ²Π°ΡΡ Ρ ΠΏΡΠΈΠΌΠ΅Π½Π΅Π½ΠΈΠ΅ΠΌ ΡΠΏΠ΅ΡΠΈΠ°Π»ΡΠ½ΡΡ ΡΠ»Π΅ΠΌΠ΅Π½ΡΠΎΠ² ΡΡΠ°ΡΡΡ.
ΠΠ»Ρ ΠΏΡΠ΅Π΄ΠΎΡΠ²ΡΠ°ΡΠ΅Π½ΠΈΡ (ΠΌΠΈΠ½ΠΈΠΌΠΈΠ·Π°ΡΠΈΠΈ) ΡΠ΅ΠΌΠΏΠ΅ΡΠ°ΡΡΡΠ½ΡΡ ΠΈΠ·ΠΌΠ΅Π½Π΅Π½ΠΈΠΉ ΠΏΡΠΈΠΌΠ΅Π½ΡΡΡ ΡΡΡΠ±Ρ Ρ Π°ΡΠΌΠΈΡΠΎΠ²Π°Π½ΠΈΠ΅ΠΌ ΠΈΠ· ΡΡΠ΅ΠΊΠ»ΠΎΠ²ΠΎΠ»ΠΎΠΊΠ½Π°.
ΠΠΎΠ·ΡΠΌΠΈΡΠ΅ Π½Π° Π·Π°ΠΌΠ΅ΡΠΊΡ:
Π’Π°ΠΊΠΆΠ΅ ΡΠΎΠ·Π΄Π°ΡΡ ΠΌΠ½ΠΎΠ³ΠΎΡΠ»ΠΎΠΉΠ½ΡΠ΅ ΠΊΠΎΠ½ΡΡΡΡΠΊΡΠΈΠΈ Ρ ΠΌΠ΅ΡΠ°Π»Π»ΠΈΡΠ΅ΡΠΊΠΈΠΌΠΈ Π²ΡΡΠ°Π²ΠΊΠ°ΠΌΠΈΠ ΡΠ²Π΅Π΄Π΅Π½ΠΈΡ! Π£ΡΠ»ΠΎΠΆΠ½Π΅Π½ΠΈΠ΅ ΠΈΠ·Π΄Π΅Π»ΠΈΠΉ ΠΏΠΎΠ²ΡΡΠ°Π΅Ρ ΠΈΡ ΡΠ΅Π±Π΅ΡΡΠΎΠΈΠΌΠΎΡΡΡ, Π½ΠΎ ΡΠ»ΡΡΡΠ°Π΅Ρ ΠΎΡΠ΄Π΅Π»ΡΠ½ΡΠ΅ ΡΠ΅Ρ Π½ΠΈΡΠ΅ΡΠΊΠΈΠ΅ Ρ Π°ΡΠ°ΠΊΡΠ΅ΡΠΈΡΡΠΈΠΊΠΈ.Β ΠΠ»Ρ ΠΏΡΠΈΠ½ΡΡΠΈΡ ΡΠ΅ΡΠ΅Π½ΠΈΡ ΠΎ ΡΠ΅Π»Π΅ΡΠΎΠΎΠ±ΡΠ°Π·Π½ΠΎΡΡΠΈ ΠΏΠΎΠΊΡΠΏΠΊΠΈ, Π½Π΅ΠΎΠ±Ρ ΠΎΠ΄ΠΈΠΌΠΎ ΡΡΠΎΡΠ½ΠΈΡΡ ΡΠ΅Π°Π»ΡΠ½ΡΠ΅ ΡΡΠ»ΠΎΠ²ΠΈΡ ΡΠΊΡΠΏΠ»ΡΠ°ΡΠ°ΡΠΈΠΈ, Π΄ΡΡΠ³ΠΈΠ΅ Π²Π°ΠΆΠ½ΡΠ΅ ΡΠ°ΠΊΡΠΎΡΡ.
ΠΠ°ΡΠ°ΠΌΠ΅ΡΡΡ ΠΈ ΠΎΡΠ»ΠΈΡΠΈΡ ΡΠΎΠ²ΡΠ΅ΠΌΠ΅Π½Π½ΡΡ ΠΏΠΎΠ»ΠΈΠΏΡΠΎΠΏΠΈΠ»Π΅Π½ΠΎΠ²ΡΡ ΡΡΡΠ± Π΄Π»Ρ ΠΎΡΠΎΠΏΠ»Π΅Π½ΠΈΡ: ΠΎΡΠ½ΠΎΠ²Π½ΡΠ΅ Π²ΠΈΠ΄Ρ ΠΈ ΠΌΠΎΠ΄ΠΈΡΠΈΠΊΠ°ΡΠΈΠΈ
ΠΡΡΡΡΡΡΠ²ΠΈΠ΅ Π΅Π΄ΠΈΠ½ΡΡ ΡΡΠ°Π½Π΄Π°ΡΡΠΎΠ² ΠΌΠ°ΡΠΊΠΈΡΠΎΠ²ΠΊΠΈ ΠΈΠ·Π΄Π΅Π»ΠΈΠΉ ΠΎΡΠ΅ΡΠ΅ΡΡΠ²Π΅Π½Π½ΡΠΌΠΈ ΠΈ Π·Π°ΡΡΠ±Π΅ΠΆΠ½ΡΠΌΠΈ ΠΏΡΠΎΠΈΠ·Π²ΠΎΠ΄ΠΈΡΠ΅Π»ΡΠΌΠΈ ΡΠΏΠΎΡΠΎΠ±Π½ΠΎ Π²ΡΠ·Π²Π°ΡΡ Π·Π°ΡΡΡΠ΄Π½Π΅Π½ΠΈΡ Π΄Π°ΠΆΠ΅ Ρ ΠΏΡΠΎΡΠ΅ΡΡΠΈΠΎΠ½Π°Π»Π°. ΠΠ»Ρ ΠΈΡΠΊΠ»ΡΡΠ΅Π½ΠΈΡ ΠΎΡΠΈΠ±ΠΎΠΊ Π½Π°Π΄ΠΎ Π²Π½ΠΈΠΌΠ°ΡΠ΅Π»ΡΠ½ΠΎ ΠΈΠ·ΡΡΠ°ΡΡ ΠΎΡΠΈΡΠΈΠ°Π»ΡΠ½ΡΡ ΡΠΎΠΏΡΠΎΠ²ΠΎΠ΄ΠΈΡΠ΅Π»ΡΠ½ΡΡ Π΄ΠΎΠΊΡΠΌΠ΅Π½ΡΠ°ΡΠΈΡ Ρ ΡΠ΅Ρ Π½ΠΈΡΠ΅ΡΠΊΠΈΠΌΠΈ Ρ Π°ΡΠ°ΠΊΡΠ΅ΡΠΈΡΡΠΈΠΊΠ°ΠΌΠΈ.
ΠΠ΄Π½Π°ΠΊΠΎ ΠΎΡΠ΄Π΅Π»ΡΠ½ΡΠ΅ ΠΏΡΠ°Π²ΠΈΠ»ΡΠ½ΡΠ΅ Π²ΡΠ²ΠΎΠ΄Ρ ΠΌΠΎΠΆΠ½ΠΎ ΡΠ΄Π΅Π»Π°ΡΡ ΠΏΠΎ Π½Π°ΠΈΠΌΠ΅Π½ΠΎΠ²Π°Π½ΠΈΡΠΌ ΠΌΠΎΠ΄Π΅Π»Π΅ΠΉ ΡΡΡΠ± ΠΎΡΠΎΠΏΠ»Π΅Π½ΠΈΡ ΠΈΠ· ΠΏΠΎΠ»ΠΈΠΏΡΠΎΠΏΠΈΠ»Π΅Π½Π°Π‘ΠΎΡΠ΅ΡΠ°Π½ΠΈΠ΅ΠΌ Β«PPΒ» ΠΎΠ±ΠΎΠ·Π½Π°ΡΠ°ΡΡ ΠΏΠΎΠ»ΠΈΠΏΡΠΎΠΏΠΈΠ»Π΅Π½. ΠΠ° Π½ΠΈΠΌ ΡΠΊΠ°Π·ΡΠ²Π°ΡΡ:
| Π’ΠΈΠΏΠΎΠ²ΠΎΠ΅ ΠΎΠ±ΠΎΠ·Π½Π°ΡΠ΅Π½ΠΈΠ΅ | ΠΠ½ΡΠ΅ ΠΌΠ°ΡΠΊΠΈΡΠΎΠ²ΠΊΠΈ | Π Π°ΡΡΠΈΡΡΠΎΠ²ΠΊΠ° | ΠΡΠΎΠ±Π΅Π½Π½ΠΎΡΡΠΈ ΠΌΠ°ΡΠ΅ΡΠΈΠ°Π»Π°, ΠΏΡΠΈΠΌΠ΅Π½Π΅Π½ΠΈΠ΅ |
| R | RC, 3, random, R | Π Π°Π½Π΄ΠΎΠΌ (ΡΠ»ΡΡΠ°ΠΉΠ½ΡΠΉ) ΡΠΎΠΏΠΎΠ»ΠΈΠΌΠ΅Ρ | ΠΠ΄Π΅ΡΡ ΡΠΎΠ΄Π΅ΡΠΆΠ°Π½ΠΈΠ΅ ΡΡΠΈΠ»Π΅Π½Π° β Π² Π΄ΠΈΠ°ΠΏΠ°Π·ΠΎΠ½Π΅ ΠΎΡ 1,5 Π΄ΠΎ 8%. ΠΠ°Π½Π½ΡΠΉ ΠΊΠΎΠΌΠΏΠΎΠ½Π΅Π½Ρ ΡΠ°ΡΠΏΡΠ΅Π΄Π΅Π»Π΅Π½ Ρ Π°ΠΎΡΠΈΡΠ½ΡΠΌ ΠΎΠ±ΡΠ°Π·ΠΎΠΌ Π² ΠΌΠΎΠ»Π΅ΠΊΡΠ»ΡΡΠ½ΠΎΠΉ ΡΡΡΡΠΊΡΡΡΠ΅, ΡΡΠΎ ΠΏΠΎΠ²ΡΡΠ°Π΅Ρ ΡΡΡΠΎΠΉΡΠΈΠ²ΠΎΡΡΡ ΠΊ Π²ΡΡΠΎΠΊΠΈΠΌ ΡΠ΅ΠΌΠΏΠ΅ΡΠ°ΡΡΡΠ°ΠΌ. Π’Π°ΠΊΠΈΠ΅ ΠΈΠ·Π΄Π΅Π»ΠΈΡ ΠΏΡΠΈΠ³ΠΎΠ΄Π½Ρ Π΄Π»Ρ ΡΡΡΠ°Π½ΠΎΠ²ΠΊΠΈ Π² ΡΠΈΡΡΠ΅ΠΌΠ°Ρ Π³ΠΎΡΡΡΠ΅Π³ΠΎ Π²ΠΎΠ΄ΠΎΡΠ½Π°Π±ΠΆΠ΅Π½ΠΈΡ, ΠΎΡΠΎΠΏΠ»Π΅Π½ΠΈΡ, Β«ΡΠ΅ΠΏΠ»ΡΡ ΠΏΠΎΠ»Π°Ρ Β». |
| Π | 2 | ΠΠ»ΠΎΠΊΡΠΎΠΏΠΎΠ»ΠΈΠΌΠ΅Ρ | Π ΡΡΠΎΠΌ ΠΌΠ°ΡΠ΅ΡΠΈΠ°Π»Π΅ ΡΠ²Π΅Π»ΠΈΡΠ΅Π½Π° ΠΊΠΎΠ½ΡΠ΅Π½ΡΡΠ°ΡΠΈΡ ΡΡΠΈΠ»Π΅Π½Π° (Π΄ΠΎ 11-13% Π² Π½Π΅ΠΊΠΎΡΠΎΡΡΡ ΠΌΠΎΠ΄ΠΈΡΠΈΠΊΠ°ΡΠΈΡΡ ). ΠΡΠΎ ΠΏΠΎΠ·Π²ΠΎΠ»ΡΠ΅Ρ ΠΏΠΎΠ»ΡΡΠΈΡΡ Ρ ΠΎΡΠΎΡΡΡ ΠΏΡΠΎΡΠ½ΠΎΡΡΡ, Π½ΠΎ Π½Π΅ΡΠΊΠΎΠ»ΡΠΊΠΎ ΡΠ½ΠΈΠΆΠ°Π΅Ρ ΡΠ΅ΠΌΠΏΠ΅ΡΠ°ΡΡΡΠ½ΡΡ ΡΡΠΎΠΉΠΊΠΎΡΡΡ. ΠΡΠΈ ΡΠΎΠ±Π»ΡΠ΄Π΅Π½ΠΈΠΈ ΠΎΠ³ΡΠ°Π½ΠΈΡΠ΅Π½ΠΈΠΉ ΠΏΡΠΎΠΈΠ·Π²ΠΎΠ΄ΠΈΡΠ΅Π»Ρ Π΄ΠΎΠΏΡΡΡΠΈΠΌΠ° ΡΡΡΠ°Π½ΠΎΠ²ΠΊΠ° Π² ΡΠ°Π·Π»ΠΈΡΠ½ΡΡ ΡΠΈΡΡΠ΅ΠΌΠ°Ρ ΠΎΡΠΎΠΏΠ»Π΅Π½ΠΈΡ. |
| H | 1 | ΠΠΎΠΌΠΎΠΏΠΎΠ»ΠΈΠΌΠ΅Ρ | ΠΠ°Π½Π½ΡΠΉ ΠΌΠ°ΡΠ΅ΡΠΈΠ°Π» ΡΠΎΡΡΠΎΠΈΡ ΡΠΎΠ»ΡΠΊΠΎ ΠΈΠ· ΠΎΠ΄Π½ΠΎΠ³ΠΎ ΠΏΠΎΠ»ΠΈΠΌΠ΅ΡΠ° Π±Π΅Π· Π΄ΠΎΠΏΠΎΠ»Π½ΠΈΡΠ΅Π»ΡΠ½ΡΡ ΠΊΠΎΠΌΠΏΠΎΠ½Π΅Π½ΡΠΎΠ². ΠΠ½ ΡΡΠΎΠΈΡ Π΄Π΅ΡΠ΅Π²Π»Π΅ ΠΏΠΎ ΡΡΠ°Π²Π½Π΅Π½ΠΈΡ Ρ ΠΏΡΠ΅Π΄ΡΠ΄ΡΡΠΈΠΌΠΈ ΠΈΠ·Π΄Π΅Π»ΠΈΡΠΌΠΈ. ΠΠ΄Π½Π°ΠΊΠΎ ΡΡΡΠ±Ρ ΠΈΠ· Π½Π΅Π³ΠΎ ΠΏΡΠΈΠ³ΠΎΠ΄Π½Ρ ΡΠΎΠ»ΡΠΊΠΎ Π΄Π»Ρ Π²Π΅Π½ΡΠΈΠ»ΡΡΠΈΠΎΠ½Π½ΡΡ ΡΠΈΡΡΠ΅ΠΌΒ ΠΈ Ρ ΠΎΠ»ΠΎΠ΄Π½ΠΎΠ³ΠΎ Π²ΠΎΠ΄ΠΎΡΠ½Π°Π±ΠΆΠ΅Π½ΠΈΡ. |
Π ΡΠ²Π΅Π΄Π΅Π½ΠΈΡ! ΠΠ»Ρ ΡΠ΅ΡΠ΅Π½ΠΈΡ ΡΠΏΠ΅ΡΠΈΠ°Π»ΡΠ½ΡΡ Π·Π°Π΄Π°Ρ ΠΌΠΎΠΆΠ½ΠΎ ΠΏΡΠΈΠΎΠ±ΡΠ΅ΡΡΠΈ ΠΎΡΠΎΠ±ΡΠ΅ ΠΌΠΎΠ΄ΠΈΡΠΈΠΊΠ°ΡΠΈΠΈ. Π’Π°ΠΊ, Π½Π°ΠΏΡΠΈΠΌΠ΅Ρ, Π°Π±Π±ΡΠ΅Π²ΠΈΠ°ΡΡΡΠΎΠΉ Β«s-elΒ» ΠΎΠ±ΠΎΠ·Π½Π°ΡΠ°ΡΡ ΡΠ»Π΅ΠΊΡΡΠΈΡΠ΅ΡΠΊΡΡ ΠΏΡΠΎΠ²ΠΎΠ΄ΠΈΠΌΠΎΡΡΡ ΠΈ Π΄ΠΎΠ±Π°Π²ΠΊΠΈ, ΡΠ³Π½Π΅ΡΠ°ΡΡΠΈΠ΅ ΠΏΡΠΎΡΠ΅ΡΡ Π³ΠΎΡΠ΅Π½ΠΈΡ. Π’ΡΡΠ±Ρ ΠΈΠ· ΡΠ°ΠΊΠΈΡ ΠΏΠΎΠ»ΠΈΠΌΠ΅ΡΠΎΠ² ΠΏΡΠΈΠΌΠ΅Π½ΡΡΡ Π² ΠΌΠ΅ΡΡΠ°Ρ , Π³Π΄Π΅ Π½Π΅ΠΎΠ±Ρ ΠΎΠ΄ΠΈΠΌΠΎ ΡΠΎΠ±Π»ΡΠ΄Π°ΡΡ ΠΏΠΎΠ²ΡΡΠ΅Π½Π½ΡΠ΅ ΡΡΠ΅Π±ΠΎΠ²Π°Π½ΠΈΡ ΠΊ ΠΏΠΎΠΆΠ°ΡΠ½ΠΎΠΉ Π±Π΅Π·ΠΎΠΏΠ°ΡΠ½ΠΎΡΡΠΈ.
ΠΠ°Π»Π΅Π΅ Π² Π½Π°Π·Π²Π°Π½ΠΈΠΈ ΡΠΊΠ°Π·ΡΠ²Π°ΡΡ Π°ΡΠΌΠΈΡΠΎΠ²Π°Π½ΠΈΠ΅:
- AL β Π°Π»ΡΠΌΠΈΠ½ΠΈΠ΅Π²ΠΎΠ΅, Π½Π°ΠΈΠ±ΠΎΠ»Π΅Π΅ ΠΏΡΠΎΡΠ½ΠΎΠ΅, ΠΏΡΠ΅Π΄ΠΎΡΠ²ΡΠ°ΡΠ°ΡΡΠ΅Π΅ Π΄Π΅ΡΠΎΡΠΌΠΈΡΠΎΠ²Π°Π½ΠΈΠ΅ ΠΏΡΠΈ ΠΈΠ·ΠΌΠ΅Π½Π΅Π½ΠΈΠΈ ΡΠ΅ΠΌΠΏΠ΅ΡΠ°ΡΡΡΡ.
- GF, ΠΊΠ°ΠΊ Π² ΠΏΡΠΈΠΌΠ΅ΡΠ΅, ΠΈΠ»ΠΈ FG, FB β ΡΡΠ΅ΠΊΠ»ΠΎΠ²ΠΎΠ»ΠΎΠΊΠΎΠ½Π½ΠΎΠ΅ Π² ΡΠ°Π·Π½ΡΡ Π²Π°ΡΠΈΠ°Π½ΡΠ°Ρ ΠΈΡΠΏΠΎΠ»Π½Π΅Π½ΠΈΡ.
Π£ΠΊΠ°Π·Π°Π½Π½Π°Ρ ΠΏΠΎΡΠ»Π΅ PN ΡΠΈΡΡΠ° ΠΎΠ±ΠΎΠ·Π½Π°ΡΠ°Π΅Ρ ΠΊΠ»Π°ΡΡ Π½Π°Π³ΡΡΠ·ΠΎΡΠ½ΠΎΠΉ ΡΠΏΠΎΡΠΎΠ±Π½ΠΎΡΡΠΈ. ΠΠΌΠ΅ΡΡ Π² Π²ΠΈΠ΄Ρ ΠΏΠΎΡΡΠΎΡΠ½Π½ΠΎΠ΅ Π΄Π°Π²Π»Π΅Π½ΠΈΠ΅ ΡΠ΅ΠΏΠ»ΠΎΠ½ΠΎΡΠΈΡΠ΅Π»Ρ (ΡΠ΅ΠΌΠΏΠ΅ΡΠ°ΡΡΡΠΎΠΉ +20Β°C) Π² ΡΠΈΡΡΠ΅ΠΌΠ΅, ΠΊΠΎΡΠΎΡΠΎΠ΅ ΠΈΠ·Π΄Π΅Π»ΠΈΠ΅ ΡΠΏΠΎΡΠΎΠ±Π½ΠΎ Π²ΡΠ΄Π΅ΡΠΆΠ°ΡΡ Π±Π΅Π· ΠΏΠΎΠ²ΡΠ΅ΠΆΠ΄Π΅Π½ΠΈΠΉ Π² ΡΠ΅ΡΠ΅Π½ΠΈΠ΅ 50 Π»Π΅Ρ. ΠΠΎ Π½Π°Π΄ΠΎ ΠΏΠΎΠ½ΠΈΠΌΠ°ΡΡ, ΡΡΠΎ ΠΎΡΠΌΠ΅ΡΠ΅Π½Π½ΡΠ΅ ΠΏΠ°ΡΠ°ΠΌΠ΅ΡΡΡ Π½Π΅ ΡΠ²Π»ΡΡΡΡΡ ΠΏΠΎΡΡΠΎΡΠ½Π½ΡΠΌΠΈ. ΠΠ½ΠΈ ΠΈΠ·ΠΌΠ΅Π½ΡΡΡΡΡ Π² ΠΏΡΠΎΡΠ΅ΡΡΠ΅ ΡΠΊΡΠΏΠ»ΡΠ°ΡΠ°ΡΠΈΠΈ, ΡΡΠΎ ΠΎΠΊΠ°Π·ΡΠ²Π°Π΅Ρ Π½Π΅Π³Π°ΡΠΈΠ²Π½ΠΎΠ΅ Π²Π»ΠΈΡΠ½ΠΈΠ΅ Π½Π° ΡΠ΅Π»ΠΎΡΡΠ½ΠΎΡΡΡ ΡΡΠ΅Π½ΠΎΠΊ.
ΠΠΎΠ»Π³ΠΎΠ²Π΅ΡΠ½ΠΎΡΡΡ ΡΠΈΡΡΠ΅ΠΌΡ Π·Π°Π²ΠΈΡΠΈΡ ΠΎΡ ΠΊΠ°ΡΠ΅ΡΡΠ²Π° Π²ΡΠ΅Ρ
ΠΊΠΎΠΌΠΏΠΎΠ½Π΅Π½ΡΠΎΠ²Π ΡΠ°Π±Π»ΠΈΡΠ΅ ΠΏΡΠΈΠ²Π΅Π΄Π΅Π½ΠΎ ΠΌΠ°ΠΊΡΠΈΠΌΠ°Π»ΡΠ½ΠΎΠ΅ Π΄Π°Π²Π»Π΅Π½ΠΈΠ΅ (Π±Π°Ρ), ΠΏΡΠΈ ΠΊΠΎΡΠΎΡΠΎΠΌ ΠΎΠ±Π΅ΡΠΏΠ΅ΡΠΈΠ²Π°Π΅ΡΡΡ ΡΠ°ΡΡΠ΅ΡΠ½ΡΠΉ ΡΡΠΎΠΊ ΡΠ»ΡΠΆΠ±Ρ Ρ ΠΏΠΎΠ΄Π΄Π΅ΡΠΆΠ°Π½ΠΈΠ΅ΠΌ ΠΎΠΏΡΠ΅Π΄Π΅Π»Π΅Π½Π½ΠΎΠ³ΠΎ ΡΠ΅ΠΌΠΏΠ΅ΡΠ°ΡΡΡΠ½ΠΎΠ³ΠΎ ΡΠ΅ΠΆΠΈΠΌΠ°.
| ΠΠ΅ΡΠΈΠΎΠ΄ ΠΈΡΠΏΠΎΠ»ΡΠ·ΠΎΠ²Π°Π½ΠΈΡ (Π»Π΅Ρ) | Π’Π΅ΠΌΠΏΠ΅ΡΠ°ΡΡΡΠ° Π² Β°C | ||||||
| 30 | 40 | 50 | 60 | 70 | 80 | 90 | |
| 1 | 15,3 | 12,9 | 10,97 | 9,25 | 7,8 | 6,55 | 4,62 |
| 5 | 14,34 | 12,1 | 10,2 | 8,5 | 7,15 | 5,8 | 3 |
| 10 | 13,9 | 11,8 | 9,9 | 8,3 | 7 | 4,8 | β |
| 25 | 13,4 | 11,3 | 9,5 | 7,98 | 6,1 | 3,84 | β |
| 50 | 13,1 | 10,99 | 9,2 | 7,6 | 5 | β | β |
ΠΠ΄Π΅ΡΡ ΠΏΡΠΈΠ²Π΅Π΄Π΅Π½Ρ Π΄Π°Π½Π½ΡΠ΅ Ρ ΡΡΠ΅ΡΠΎΠΌ Π½Π΅ΠΏΡΠ΅ΡΡΠ²Π½ΠΎΠ³ΠΎ ΠΈΡΠΏΠΎΠ»ΡΠ·ΠΎΠ²Π°Π½ΠΈΡ ΡΠΈΡΡΠ΅ΠΌΡ. Π ΡΠ΅Π°Π»ΡΠ½ΠΎΠΉ ΡΠΈΡΡΠ°ΡΠΈΠΈ ΠΏΡΠΈΠΌΠ΅Π½ΡΡΡ ΠΏΠΎΠΏΡΠ°Π²ΠΎΡΠ½ΡΠ΅ ΠΊΠΎΡΡΡΠΈΡΠΈΠ΅Π½ΡΡ, ΠΊΠΎΡΠΎΡΡΠ΅ ΡΠ²Π΅Π»ΠΈΡΠΈΠ²Π°ΡΡ ΡΡΠΎΠΊ ΡΠ»ΡΠΆΠ±Ρ. ΠΡΠΈ ΡΠΈΡΡΡ Π²Π·ΡΡΡ ΠΈΠ· ΠΎΡΠΈΡΠΈΠ°Π»ΡΠ½ΡΡ Π΄Π°Π½Π½ΡΡ ΠΎΠ΄Π½ΠΎΠ³ΠΎ ΠΈΠ· ΠΏΡΠΎΠΈΠ·Π²ΠΎΠ΄ΠΈΡΠ΅Π»Π΅ΠΉ. ΠΠ΅ΠΎΠ±Ρ ΠΎΠ΄ΠΈΠΌΠΎ ΡΡΠΎΡΠ½ΡΡΡ Ρ Π°ΡΠ°ΠΊΡΠ΅ΡΠΈΡΡΠΈΠΊΠΈ ΠΏΡΠΈ ΠΈΠ·ΡΡΠ΅Π½ΠΈΠΈ ΠΏΡΠΎΠ΄ΡΠΊΡΠΈΠΈ ΠΊΠΎΠ½ΠΊΡΠ΅ΡΠ½ΠΎΠ³ΠΎ Π±ΡΠ΅Π½Π΄Π°.
ΠΠ½ΠΎΠ³Π΄Π° ΡΠΊΠ°Π·ΡΠ²Π°ΡΡ SDR. ΠΡΠΎΡ ΠΏΠΎΠΊΠ°Π·Π°ΡΠ΅Π»Ρ ΠΎΠΏΡΠ΅Π΄Π΅Π»ΡΠ΅Ρ ΠΎΡΠ½ΠΎΡΠ΅Π½ΠΈΠ΅ Π΄ΠΈΠ°ΠΌΠ΅ΡΡΠ° ΡΡΡΠ±Ρ ΠΊ ΡΠΎΠ»ΡΠΈΠ½Π΅ ΡΡΠ΅Π½ΠΊΠΈ. Π§Π΅ΠΌ Π±ΠΎΠ»ΡΡΠ΅ Π·Π½Π°ΡΠ΅Π½ΠΈΠ΅, ΡΠ΅ΠΌ Π²ΡΡΠ΅ ΡΡΡΠΎΠΉΡΠΈΠ²ΠΎΡΡΡ ΠΊ ΠΌΠ΅Ρ Π°Π½ΠΈΡΠ΅ΡΠΊΠΈΠΌ Π½Π°Π³ΡΡΠ·ΠΊΠ°ΠΌ. ΠΠΎ Π΄Π»Ρ ΠΏΠΎΠ»ΡΡΠ΅Π½ΠΈΡ ΡΠΎΡΠ½ΡΡ Π΄Π°Π½Π½ΡΡ ΠΏΡΠΎΠ²Π΅ΡΡΡΡ ΠΏΠ°ΡΠ°ΠΌΠ΅ΡΡΡ Π² ΠΊΠΎΠΌΠΏΠ»Π΅ΠΊΡΠ΅. Π’Π°ΠΊ, Π·Π½Π°ΡΠΈΡΠ΅Π»ΡΠ½ΠΎΠ΅ ΡΠΏΡΠΎΡΠ½Π΅Π½ΠΈΠ΅ ΠΎΠ±Π΅ΡΠΏΠ΅ΡΠΈΠ²Π°Π΅Ρ Π°ΡΠΌΠΈΡΠΎΠ²Π°Π½ΠΈΠ΅ ΠΈΠ·Π΄Π΅Π»ΠΈΡ, Π° Π½Π΅ ΠΏΡΠΎΡΡΠΎΠ΅ ΡΠ²Π΅Π»ΠΈΡΠ΅Π½ΠΈΠ΅ ΡΠ°Π·ΠΌΠ΅ΡΠΎΠ².
Π ΡΠ²Π΅Π΄Π΅Π½ΠΈΡ! ΠΠ»Ρ ΡΡΠΎΡΠ½Π΅Π½ΠΈΡ ΠΎΡΠ΅ΡΠ΅ΡΡΠ²Π΅Π½Π½ΡΡ ΠΌΠ°ΡΠΊΠΈΡΠΎΠ²ΠΎΠΊ ΠΌΠΎΠΆΠ½ΠΎ ΠΈΠ·ΡΡΠΈΡΡ ΠΏΡΠΎΡΠΈΠ»ΡΠ½ΡΠ΅ ΡΡΠ°Π½Π΄Π°ΡΡΡ. ΠΠ½ΠΈ ΠΏΡΠΈΠ²Π΅Π΄Π΅Π½Ρ Π² ΠΠΠ‘Π’ Π 52134-2003.
ΠΠ°ΠΊΠΈΠ΅ Π»ΡΡΡΠ΅ ΠΏΡΠΎΠΏΠΈΠ»Π΅Π½ΠΎΠ²ΡΠ΅ ΡΡΡΠ±Ρ Π΄Π»Ρ ΠΎΡΠΎΠΏΠ»Π΅Π½ΠΈΡ, Π½Π΅ ΠΏΠΎΠ»ΡΡΠΈΡΡΡ ΠΎΠΏΡΠ΅Π΄Π΅Π»ΠΈΡΡ ΠΏΠΎ ΡΠ²Π΅ΡΡΠΠ΄Π΅ΡΡ Π½Π΅Ρ ΡΠΎΡΠ½ΡΡ ΠΏΡΠ°Π²ΠΈΠ». ΠΡΠΊΠ»ΡΡΠ΅Π½ΠΈΠ΅ΠΌ ΡΠ²Π»ΡΠ΅ΡΡΡ Π΄ΠΎΠ±Π°Π²Π»Π΅Π½ΠΈΠ΅ ΡΠ΅ΡΠ½ΠΎΠ³ΠΎ ΠΏΠΈΠ³ΠΌΠ΅Π½ΡΠ°. ΠΠΌ ΠΈΠ½ΠΎΠ³Π΄Π° ΠΎΠ±ΠΎΠ·Π½Π°ΡΠ°ΡΡ ΠΏΠΎΠ²ΡΡΠ΅Π½Π½ΡΡ ΡΡΠΎΠΉΠΊΠΎΡΡΡ ΠΊ ΡΠ»ΡΡΡΠ°ΡΠΈΠΎΠ»Π΅ΡΠΎΠ²ΠΎΠΌΡ ΠΈΠ·Π»ΡΡΠ΅Π½ΠΈΡ. ΠΡΠΈ ΠΌΠΎΠ½ΡΠ°ΠΆΠ΅ Π²Π½ΡΡΡΠΈ ΡΡΡΠΎΠΈΡΠ΅Π»ΡΠ½ΡΡ ΠΊΠΎΠ½ΡΡΡΡΠΊΡΠΈΠΉ ΡΡΠΎΡ ΡΠ°ΠΊΡΠΎΡ Π½Π΅ ΠΈΠΌΠ΅Π΅Ρ ΠΏΡΠ°ΠΊΡΠΈΡΠ΅ΡΠΊΠΎΠ³ΠΎ Π·Π½Π°ΡΠ΅Π½ΠΈΡ.
Π‘ΡΠ°ΡΡΡ ΠΏΠΎ ΡΠ΅ΠΌΠ΅:
Π₯ΠΎΡΠΈΡΠ΅ ΡΠ·Π½Π°ΡΡΒ ΠΊΠ°ΠΊΠΈΠ΅ ΡΡΡΠ±Ρ Π΄Π»Ρ ΠΎΡΠΎΠΏΠ»Π΅Π½ΠΈΡΒ Π»ΡΡΡΠ΅ Π²ΡΠ±ΡΠ°ΡΡ? Π§ΠΈΡΠ°ΠΉΡΠ΅ Π½Π°Ρ ΠΎΠ±Π·ΠΎΡ. ΠΡ ΠΏΡΠ΅Π΄Π»Π°Π³Π°Π΅ΠΌ Π²Π°ΠΌ ΡΠ°ΡΡΠΌΠΎΡΡΠ΅ΡΡ ΠΎΡΠ½ΠΎΠ²Π½ΡΠ΅ ΡΠ°Π·Π½ΠΎΠ²ΠΈΠ΄Π½ΠΎΡΡΠΈ, ΠΈΠ·ΡΡΠΈΡΡ ΠΈΡ Ρ Π°ΡΠ°ΠΊΡΠ΅ΡΠΈΡΡΠΈΠΊΠΈ, Π° ΡΠ°ΠΊΠΆΠ΅ ΠΎΠ·Π½Π°ΠΊΠΎΠΌΠΈΡΡΡΡ Ρ ΠΏΠΎΠ»Π΅Π·Π½ΡΠΌΠΈ ΡΠ΅ΠΊΠΎΠΌΠ΅Π½Π΄Π°ΡΠΈΡΠΌΠΈ ΠΎΡ ΡΠΏΠ΅ΡΠΈΠ°Π»ΠΈΡΡΠΎΠ² ΠΏΠΎ ΠΏΠΎΠ²ΠΎΠ΄Ρ Π»ΡΡΡΠΈΡ ΠΌΠ°ΡΠ΅ΡΠΈΠ°Π»ΠΎΠ².
Π₯Π°ΡΠ°ΠΊΡΠ΅ΡΠΈΡΡΠΈΠΊΠΈ ΡΠ΅ΡΠΈΠΉΠ½ΡΡ ΡΡΡΠ± ΠΎΡΠΎΠΏΠ»Π΅Π½ΠΈΡ ΠΈΠ· ΠΏΠΎΠ»ΠΈΠΏΡΠΎΠΏΠΈΠ»Π΅Π½Π°
Π‘ΡΠ°Π½Π΄Π°ΡΡΠ½ΡΠ΅ Π΄ΠΈΠ°ΠΌΠ΅ΡΡΡ ΠΏΠΏ ΡΡΡΠ± (Π½Π°ΡΡΠΆΠ½ΡΠ΅ ΡΠ°Π·ΠΌΠ΅ΡΡ) ΠΏΡΠΈΠ²Π΅Π΄Π΅Π½Ρ Π² ΡΠ»Π΅Π΄ΡΡΡΠ΅ΠΌ ΡΠΏΠΈΡΠΊΠ΅: 10; 12; 16; 20; 25; 32; 40; 50; 63; 75; 90; 125 ΠΈ Π±ΠΎΠ»Π΅Π΅ Π΄ΠΎ 1200. ΠΠ»Ρ ΡΠΏΡΠΎΡΠ΅Π½Π½ΠΎΠ³ΠΎ Π²ΡΠ±ΠΎΡΠ° Π±Π΅ΡΡΡ Π΄Π°Π½Π½ΡΠ΅ ΠΏΠΎ Π½Π°Π³ΡΡΠ·ΠΎΡΠ½ΡΠΌ ΡΠΏΠΎΡΠΎΠ±Π½ΠΎΡΡΡΠΌ ΠΈ Π΄ΠΎΠΏΠΎΠ»Π½ΡΡΡ ΠΈΡ ΡΠ»Π΅Π΄ΡΡΡΠΈΠΌΠΈ ΡΠ²Π΅Π΄Π΅Π½ΠΈΡΠΌΠΈ:
| ΠΠ»Π°ΡΡΠΈΡΠΈΠΊΠ°ΡΠΈΡ ΠΏΠΎ PN | Π Π°Π±ΠΎΡΠ΅Π΅ Π΄Π°Π²Π»Π΅Π½ΠΈΠ΅ Π² ΡΠΈΡΡΠ΅ΠΌΠ΅, ΠΠΠ° | Π Π°Π·ΠΌΠ΅ΡΡ ΡΡΡΠ± ΠΏΠΏ, ΠΌΠΌ | ΠΡΠΎΠ±Π΅Π½Π½ΠΎΡΡΠΈ, ΠΏΡΠ΅Π΄Π½Π°Π·Π½Π°ΡΠ΅Π½ΠΈΠ΅ | |
| Π’ΠΎΠ»ΡΠΈΠ½Π° ΡΡΠ΅Π½ΠΊΠΈ | ΠΠΈΠ°ΠΌΠ΅ΡΡ Π½Π°ΡΡΠΆΠ½ΡΠΉ/Π²Π½ΡΡΡΠ΅Π½Π½ΠΈΠΉ | |||
| 10 | 1 | 1,8-10 | 20-110/16-90 | Π‘ΡΠ°Π²Π½ΠΈΡΠ΅Π»ΡΠ½ΠΎ ΡΠΎΠ½ΠΊΠΈΠ΅ ΡΡΠ΅Π½ΠΊΠΈ, ΡΡΡΠ±Ρ ΠΏΡΠΈΠ³ΠΎΠ΄Π½Ρ Π΄Π»Ρ ΠΊΠΎΠΌΠΏΠ»Π΅ΠΊΡΠ°ΡΠΈΠΈ Β«ΡΠ΅ΠΏΠ»ΡΡ ΠΏΠΎΠ»ΠΎΠ²Β». |
| 16 | 1,6 | 8-16 | 20-70/16-63 | ΠΡΠΈΠΌΠ΅Π½ΡΡΡΡΡ Π΄Π»Ρ ΡΡΠ°Π½ΡΠΏΠΎΡΡΠΈΡΠΎΠ²ΠΊΠΈ ΠΆΠΈΠ΄ΠΊΠΎΡΡΠΈ Ρ ΡΠ΅ΠΌΠΏΠ΅ΡΠ°ΡΡΡΠΎΠΉ Π½Π΅ Π²ΡΡΠ΅ +60Β°C. |
| 20 | 2 | 16-18 | 16-110/10,6-73 | ΠΠ·Π΄Π΅Π»ΠΈΡ ΠΏΠΎΠ΄Ρ ΠΎΠ΄ΡΡ Π΄Π»Ρ ΡΠΊΡΠΏΠ»ΡΠ°ΡΠ°ΡΠΈΠΈ ΠΏΡΠΈ ΡΠ°Π±ΠΎΡΠ΅ΠΉ ΡΠ΅ΠΌΠΏΠ΅ΡΠ°ΡΡΡΠ΅ Π΄ΠΎ +80Β°C. |
| 25 | 2,5 | 14-20 | 20-75/13-50 | Π ΡΡΠΎΠΉ ΠΊΠ°ΡΠ΅Π³ΠΎΡΠΈΠΈ ΠΎΡΠ½ΠΎΡΡΡΡΡ ΠΏΡΠΎΡΠ½ΡΠ΅ ΡΡΡΠ±Ρ Ρ ΠΌΠ΅ΡΠ°Π»Π»ΠΈΡΠ΅ΡΠΊΠΈΠΌ Π°ΡΠΌΠΈΡΠΎΠ²Π°Π½ΠΈΠ΅ΠΌ. ΠΠ½ΠΈ Π½Π΅ ΠΏΠΎΠ²ΡΠ΅ΠΆΠ΄Π°ΡΡΡΡ ΠΏΡΠΈ ΡΠ΅ΠΌΠΏΠ΅ΡΠ°ΡΡΡΠ΅ ΡΠ΅ΠΏΠ»ΠΎΠ½ΠΎΡΠΈΡΠ΅Π»Ρ +95Β°C, ΡΠΎΡ ΡΠ°Π½ΡΡΡ ΡΠ΅Π»ΠΎΡΡΠ½ΠΎΡΡΡ ΠΏΡΠΈ ΡΠΈΠ»ΡΠ½ΡΡ Π³ΠΈΠ΄ΡΠΎΡΠ΄Π°ΡΠ°Ρ . |
ΠΠΎΠ»Π΅Π΅ ΡΠΎΡΠ½ΠΎ Π΄ΠΈΠ°ΠΌΠ΅ΡΡ ΠΏΠΎΠ»ΠΈΠΏΡΠΎΠΏΠΈΠ»Π΅Π½ΠΎΠ²ΡΡ ΡΡΡΠ± Π΄Π»Ρ ΠΎΡΠΎΠΏΠ»Π΅Π½ΠΈΡ ΡΠ°ΡΡΠ½ΠΎΠ³ΠΎ Π΄ΠΎΠΌΠ° ΠΏΠΎΠ΄Π±ΠΈΡΠ°ΡΡ Ρ ΡΡΠ΅ΡΠΎΠΌ ΡΠ΅Π°Π»ΡΠ½ΡΡ ΠΏΠΎΡΡΠ΅Π±Π½ΠΎΡΡΠ΅ΠΉ, ΠΏΠ°ΡΠ°ΠΌΠ΅ΡΡΠΎΠ² Π΄ΡΡΠ³ΠΈΡ ΡΠ°ΡΡΠ΅ΠΉ ΡΠΈΡΡΠ΅ΠΌΡ. Π§ΡΠΎΠ±Ρ Π½Π΅ ΠΎΡΠΈΠ±ΠΈΡΡΡΡ, Π±Π΅ΡΡΡ Π΄Π»Ρ ΠΏΡΠΎΠ²Π΅ΡΠΊΠΈ ΡΠ΅Ρ Π½ΠΈΡΠ΅ΡΠΊΠΈΠ΅ Π΄Π°Π½Π½ΡΠ΅, ΠΊΠΎΡΠΎΡΡΠ΅ ΠΏΡΠΈΠ²Π΅Π΄Π΅Π½Ρ Π½Π° ΠΎΡΠΈΡΠΈΠ°Π»ΡΠ½ΠΎΠΌ ΡΠ°ΠΉΡΠ΅ ΠΈΠ»ΠΈ Π² ΠΈΠ½ΡΡΡΡΠΊΡΠΈΠΈ ΠΏΠΎ ΡΠΊΡΠΏΠ»ΡΠ°ΡΠ°ΡΠΈΠΈ. Π‘Π»Π΅Π΄ΡΡΡΠΈΠΉ ΠΏΡΠΈΠΌΠ΅Ρ ΠΏΠΎΡΡΠ½ΡΠ΅Ρ ΠΏΠΎΠ»Π½ΠΎΠ΅ ΠΏΡΠ΅Π΄ΡΡΠ°Π²Π»Π΅Π½ΠΈΠ΅ ΠΎΡΠ΅ΡΠ΅ΡΡΠ²Π΅Π½Π½ΡΠΌ ΠΏΡΠΎΠΈΠ·Π²ΠΎΠ΄ΠΈΡΠ΅Π»Π΅ΠΌ ΡΠ²ΠΎΠ΅ΠΉ ΠΏΡΠΎΠ΄ΡΠΊΡΠΈΠΈ, ΡΡΡΠ±Ρ ΠΈΠ· ΠΏΠΎΠ»ΠΈΠΏΡΠΎΠΏΠΈΠ»Π΅Π½Π° Ρ ΠΎΠ±ΠΎΠ·Π½Π°ΡΠ΅Π½ΠΈΠ΅ΠΌ PN20 SDR6 ΡΠ΅ΡΠΈΠΈ Optimum:
| ΠΠ°ΡΠ°ΠΌΠ΅ΡΡ | ΠΠ½Π°ΡΠ΅Π½ΠΈΠ΅, ΠΊΠΎΠΌΠΌΠ΅Π½ΡΠ°ΡΠΈΠΈ |
| ΠΡΠ½ΠΎΠ²Π½ΠΎΠΉ ΠΌΠ°ΡΠ΅ΡΠΈΠ°Π» | Π Π°Π½Π΄ΠΎΠΌ ΡΠΎΠΏΠΎΠ»ΠΈΠΌΠ΅Ρ ΠΈΠ· ΠΊΠ°ΡΠ΅ΡΡΠ²Π΅Π½Π½ΠΎΠ³ΠΎ ΡΡΡΡΡ (Π€ΠΈΠ½Π»ΡΠ½Π΄ΠΈΡ). |
| ΠΡΠΌΠΈΡΠΎΠ²Π°Π½ΠΈΠ΅ | Π‘ΡΠ΅ΠΊΠ»ΠΎΠ²ΠΎΠ»ΠΎΠΊΠ½ΠΎ. |
| ΠΠΎΠΌΠΈΠ½Π°Π»ΡΠ½ΠΎΠ΅ Π΄Π°Π²Π»Π΅Π½ΠΈΠ΅ | 2 ΠΠΠ° |
| ΠΠΎΠΌΠΏΠ»Π΅ΠΊΡΠ½ΡΠΉ ΠΊΠΎΡΡΡΠΈΡΠΈΠ΅Π½Ρ Π΄Π»Ρ ΡΠ°ΡΡΠ΅ΡΠ° Π»ΠΈΠ½Π΅ΠΉΠ½ΠΎΠ³ΠΎ ΡΠ°ΡΡΠΈΡΠ΅Π½ΠΈΡ | Π£Π²Π΅Π»ΠΈΡΠ΅Π½ΠΈΠ΅ Π½Π° 0,025 ΠΌΠΌ ΠΊΠ°ΠΆΠ΄ΠΎΠ³ΠΎ ΠΌΠ΅ΡΡΠ° ΠΏΠΎΠ³ΠΎΠ½Π½ΠΎΠ³ΠΎ ΠΏΡΠΈ ΠΏΠΎΠ²ΡΡΠ΅Π½ΠΈΠΈ ΡΠ΅ΠΌΠΏΠ΅ΡΠ°ΡΡΡΡ Π½Π° 1 Β°C. |
| Π Π°Π±ΠΎΡΠ°Ρ ΡΠ΅ΠΌΠΏΠ΅ΡΠ°ΡΡΡΠ° | ΠΠΎ +95Β°C. |
| Π Π°ΡΡΠ΅ΡΠ½ΡΠΉ ΡΡΠΎΠΊ ΡΠ»ΡΠΆΠ±Ρ | ΠΠΎ 50 Π»Π΅Ρ ΠΏΡΠΈ ΡΠΎΠ±Π»ΡΠ΄Π΅Π½ΠΈΠΈ ΠΏΡΠ°Π²ΠΈΠ» ΠΌΠΎΠ½ΡΠ°ΠΆΠ° ΠΈ ΡΠΊΡΠΏΠ»ΡΠ°ΡΠ°ΡΠΈΠΈ. |
| ΠΠΎΡΡΠ°Π²ΠΊΠ° | Π Ρ Π»ΡΡΡΠ°Ρ Π΄Π»ΠΈΠ½ΠΎΠΉ ΠΏΠΎ 4 ΠΌ (ΡΡΠ΅Π±ΡΠ΅ΡΡΡ ΠΏΠΎΠ΄Ρ ΠΎΠ΄ΡΡΠ΅Π΅ ΡΡΠ°Π½ΡΠΏΠΎΡΡΠ½ΠΎΠ΅ ΡΡΠ΅Π΄ΡΡΠ²ΠΎ Π΄Π»Ρ ΠΏΠ΅ΡΠ΅Π²ΠΎΠ·ΠΊΠΈ). |
Π¦Π΅Π½Π° ΠΏΠΎΠ»ΠΈΠΏΡΠΎΠΏΠΈΠ»Π΅Π½ΠΎΠ²ΡΡ ΡΡΡΠ± Π΄Π»Ρ ΠΎΡΠΎΠΏΠ»Π΅Π½ΠΈΡ: ΠΎΠ±Π·ΠΎΡ ΡΡΠ½ΠΊΠ° ΠΈ ΠΏΡΠ°Π²ΠΈΠ»ΡΠ½ΡΠΉ Π²ΡΠ±ΠΎΡ
Π ΡΠ°Π±Π»ΠΈΡΠ΅ ΡΠΊΠ°Π·Π°Π½ΠΎ, ΠΊΠ°ΠΊ ΠΏΡΠ΅Π΄ΡΡΠ°Π²Π»ΡΡΡ Π² ΡΠ°Π·Π½ΡΡ ΠΌΠ°Π³Π°Π·ΠΈΠ½Π°Ρ ΠΏΠΎΠ»ΠΈΠΏΡΠΎΠΏΠΈΠ»Π΅Π½ΠΎΠ²ΡΠ΅ ΡΡΡΠ±Ρ Π΄Π»Ρ ΠΎΡΠΎΠΏΠ»Π΅Π½ΠΈΡ. Π¦Π΅Π½Ρ Π·Π° ΠΌΠ΅ΡΡ ΠΈΠ½ΠΎΠ³Π΄Π° ΠΏΡΠΈΡ ΠΎΠ΄ΠΈΡΡΡ ΠΏΠ΅ΡΠ΅ΡΡΠΈΡΡΠ²Π°ΡΡ ΡΠ°ΠΌΠΎΡΡΠΎΡΡΠ΅Π»ΡΠ½ΠΎ, ΡΡΠΎΠ±Ρ ΡΡΠ°Π²Π½Π΅Π½ΠΈΠ΅ Π±ΡΠ»ΠΎ ΠΊΠΎΡΡΠ΅ΠΊΡΠ½ΡΠΌ. ΠΠ΅ Π²Π΅Π·Π΄Π΅ ΠΏΡΠΈΠ²Π΅Π΄Π΅Π½Ρ ΠΏΠΎΠ»Π½ΡΠ΅ ΡΠ΅Ρ Π½ΠΈΡΠ΅ΡΠΊΠΈΠ΅ Ρ Π°ΡΠ°ΠΊΡΠ΅ΡΠΈΡΡΠΈΠΊΠΈ, ΡΡΠΎ Π·Π°ΡΡΡΠ΄Π½ΡΠ΅Ρ ΠΎΠ±ΡΠ΅ΠΊΡΠΈΠ²Π½ΡΠΉ Π²ΡΠ±ΠΎΡ.
ΠΡΠΈ Π²ΡΠ±ΠΎΡΠ΅ ΠΏΠΎΠ»ΠΈΠΏΡΠΎΠΏΠΈΠ»Π΅Π½ΠΎΠ²ΡΡ Π°ΡΠΌΠΈΡΠΎΠ²Π°Π½Π½ΡΡ ΡΡΠ΅ΠΊΠ»ΠΎΠ²ΠΎΠ»ΠΎΠΊΠ½ΠΎΠΌ ΡΡΡΠ± Π΄Π»Ρ ΠΎΡΠΎΠΏΠ»Π΅Π½ΠΈΡ ΡΠ΅Π½Π° Π±ΡΠ΄Π΅Ρ Π²ΡΡΠ΅ ΠΏΠΎ ΡΡΠ°Π²Π½Π΅Π½ΠΈΡ Ρ Π°Π½Π°Π»ΠΎΠ³Π°ΠΌΠΈ Π±Π΅Π· ΡΠ»ΠΎΡ ΡΠΏΡΠΎΡΠ½Π΅Π½ΠΈΡ. ΠΠ΄Π½Π°ΠΊΠΎ Β«ΡΠΊΠΎΠ½ΠΎΠΌΠ½ΡΡ Β» ΠΈΠ·Π΄Π΅Π»ΠΈΠΉ ΠΏΠΎΠ½Π°Π΄ΠΎΠ±ΠΈΡΡΡ Π±ΠΎΠ»ΡΡΠ΅ Ρ ΡΡΠ΅ΡΠΎΠΌ ΠΎΡΠΎΠ±Π΅Π½Π½ΠΎΡΡΠ΅ΠΉ ΠΌΠΎΠ½ΡΠ°ΠΆΠ°. ΠΡΠΎΡΡΠ΅ΠΉΡΠΈΠ΅ ΠΎΠ΄Π½ΠΎΡΠ»ΠΎΠΉΠ½ΡΠ΅ ΠΏΠΎΠ»ΠΈΠΌΠ΅ΡΠ½ΡΠ΅ ΡΡΡΠ±ΠΎΠΏΡΠΎΠ²ΠΎΠ΄Ρ ΡΠ°ΡΡΡΠΈΡΠ°Π½Ρ Π½Π° ΠΌΠ΅Π½ΡΡΠΈΠΉ ΡΡΠΎΠΊ ΡΠ»ΡΠΆΠ±Ρ, ΠΏΠΎΡΡΠΎΠΌΡ Π² ΠΈΡΠΎΠ³Π΅ Π·Π°ΡΡΠ°ΡΡ ΠΌΠΎΠ³ΡΡ ΠΏΠΎΠ»ΡΡΠΈΡΡΡ Π±ΠΎΠ»ΡΡΠ΅. ΠΡΠΎΡ ΠΏΡΠΎΡΡΠΎΠΉ ΠΏΡΠΈΠΌΠ΅Ρ Π΄Π΅ΠΌΠΎΠ½ΡΡΡΠΈΡΡΠ΅Ρ Π½Π΅ΠΎΠ±Ρ ΠΎΠ΄ΠΈΠΌΠΎΡΡΡ ΡΠΊΠΎΠ½ΠΎΠΌΠΈΡΠ΅ΡΠΊΠΈΡ ΡΠ°ΡΡΠ΅ΡΠΎΠ² Ρ ΠΏΡΠΈΠΌΠ΅Π½Π΅Π½ΠΈΠ΅ΠΌ Π΄Π»ΠΈΡΠ΅Π»ΡΠ½ΠΎΠ³ΠΎ ΡΡΠΎΠΊΠ° ΡΠ»ΡΠΆΠ±Ρ, Π΄ΡΡΠ³ΠΈΡ ΡΠΎΠΏΡΡΡΡΠ²ΡΡΡΠΈΡ Π·Π°ΡΡΠ°Ρ.
ΠΡΠΈ Π²ΡΠ±ΠΎΡΠ΅ ΠΏΠΎΠ»ΠΈΠΏΡΠΎΠΏΠΈΠ»Π΅Π½ΠΎΠ²ΡΡ ΡΡΡΠ± Π΄Π»Ρ ΠΎΡΠΎΠΏΠ»Π΅Π½ΠΈΡ ΠΎΡΠ·ΡΠ²Ρ ΠΏΡΠΎΡΠ΅ΡΡΠΈΠΎΠ½Π°Π»ΠΎΠ² Π½Π°Π΄ΠΎ Π΄ΠΎΠΏΠΎΠ»Π½ΠΈΡΡ ΠΌΠ½Π΅Π½ΠΈΠ΅ΠΌ ΡΡΠ΄ΠΎΠ²ΡΡ ΠΏΠΎΡΡΠ΅Π±ΠΈΡΠ΅Π»Π΅ΠΉ, ΠΊΠΎΡΠΎΡΡΠ΅ ΠΏΡΠΈΠΌΠ΅Π½ΡΠ»ΠΈ ΡΠΎΠΎΡΠ²Π΅ΡΡΡΠ²ΡΡΡΠΈΠ΅ ΠΈΠ·Π΄Π΅Π»ΠΈΡ Π΄Π»Ρ ΡΠ΅ΠΌΠΎΠ½ΡΠ° ΠΈ ΡΡΡΠΎΠΈΡΠ΅Π»ΡΡΡΠ²Π° Π½ΠΎΠ²ΡΡ ΠΎΠ±ΡΠ΅ΠΊΡΠΎΠ².
Chivas, Π ΠΎΡΡΠΎΠ²-Π½Π°-ΠΠΎΠ½Ρ, ΡΡΡΠ±Ρ Kalde:Β ΠΠΎΡΡΠΎΠΈΠ½ΡΡΠ²Π°: ΠΠ΅Π²ΡΡΠΎΠΊΠ°Ρ ΡΡΠΎΠΈΠΌΠΎΡΡΡ, ΡΠ΄ΠΎΠ±ΡΡΠ²ΠΎ ΠΏΠ°ΠΉΠΊΠΈ. ΠΠΎΠ³Π΄Π° Π²ΡΠ΅ ΡΠΏΠ°ΡΠ» ΡΠ΅ΡΠΈΠ» ΠΎΠΏΡΠΎΠ±ΠΎΠ²Π°ΡΡ Π½Π° ΠΏΡΠΎΡΠ½ΠΎΡΡΡ. ΠΡΠΈ ΠΈΡΠΏΡΡΠ°Π½ΠΈΠΈ ΠΏΠΎΠ΄ Π΄Π°Π²Π»Π΅Π½ΠΈΠ΅ΠΌ Π²ΠΎΠ΄Ρ 2 Π°ΡΠΌΠΎΡΡΠ΅ΡΡ ΠΈ ΡΠ΅ΠΌΠΏΠ΅ΡΠ°ΡΡΡΠΎΠΉ +70 Π³ΡΠ°Π΄ΡΡΠΎΠ², ΡΡΡΠ±Ρ ΠΏΠΎΡΡΠΈ Π½Π΅ Π΄Π΅ΡΠΎΡΠΌΠΈΡΠΎΠ²Π°Π»ΠΈΡΡ, Π²ΡΠ΅ ΡΠΎΠ΅Π΄ΠΈΠ½Π΅Π½ΠΈΡ ΠΎΡΡΠ°Π»ΠΈΡΡ ΡΡΡ ΠΈΠ΅, Π½ΠΈΠ³Π΄Π΅ Π½Π΅ ΠΏΠΎΡΠ²ΠΈΠ»ΠΈΡΡ Π΄Π΅ΡΠ΅ΠΊΡΡ. Π Π°Π±ΠΎΡΠ°ΡΡ ΡΠΆΠ΅ Π²ΡΠΎΡΠΎΠΉ ΡΠ΅Π·ΠΎΠ½.
ΠΠ΅Π΄ΠΎΡΡΠ°ΡΠΊΠΈ: ΠΏΠΎΠΊΠ° Π½Π΅Ρ
ΠΠΎΠ΄ΡΠΎΠ±Π½Π΅Π΅ Π½Π° ΠΡΠ·ΠΎΠ²ΠΈΠΊ: http://otzovik.com/review_722036.html.
Π‘ Π»Π΅Π³ΠΊΠΈΠΌΠΈ ΡΡΡΠ±Π°ΠΌΠΈ ΡΠ΄ΠΎΠ±Π½ΠΎ ΡΠ°Π±ΠΎΡΠ°ΡΡ Π² ΡΡΡΠ΄Π½ΠΎΠ΄ΠΎΡΡΡΠΏΠ½ΡΡ
ΠΌΠ΅ΡΡΠ°Ρ
. ΠΠ»Ρ Π½Π°Π΄Π΅ΠΆΠ½ΠΎΠΉ ΡΠΈΠΊΡΠ°ΡΠΈΠΈ Π½Π΅ Π½ΡΠΆΠ½Ρ ΠΎΡΠΎΠ±ΠΎ ΠΏΡΠΎΡΠ½ΡΠ΅ ΠΊΡΠ΅ΠΏΠ»Π΅Π½ΠΈΡKalella, ΠΠΎΡΠΊΠ²Π°, Firat:Β ΠΠΎΡΡΠΎΠΈΠ½ΡΡΠ²Π°: ΠΡΠΈΠ»ΠΈΡΠ½ΡΠΉ Π²Π½Π΅ΡΠ½ΠΈΠΉ Π²ΠΈΠ΄, ΠΏΡΠΎΡΡΠΎΡΠ° ΠΈ ΡΠΊΠΎΡΠΎΡΡΡ ΠΌΠΎΠ½ΡΠ°ΠΆΠ°. ΠΠΎ ΡΡΠΎΠ³ΠΎ Ρ ΠΌΠ΅Π½Ρ Π±ΡΠ»ΠΈ Π΄ΡΠ΅Π²Π½ΠΈΠ΅ ΠΊΠΎΡΡΠ²ΡΠ΅ ΡΡΠ°Π»ΡΠ½ΡΠ΅ ΡΡΡΠ±Ρ, Π½Π° ΠΈΡ ΡΡΠ½ΠΊΡΠΈΠΎΠ½Π°Π»ΡΠ½ΠΎΡΡΡ Ρ Π½Π΅ ΠΆΠ°Π»ΠΎΠ²Π°Π»Π°ΡΡ, Π½ΠΎ ΠΎΠ½ΠΈ Π±ΡΠ»ΠΈ Π½Π°ΡΡΠΎΠ»ΡΠΊΠΎ ΠΏΠΎ-ΡΡΠΎΠ΄ΡΠΊΠΈ ΡΠ΄Π΅Π»Π°Π½Ρ, ΡΡΠΎ ΠΎΡΡΠ°Π²Π»ΡΡΡ ΠΈΡ ΡΠΎΠ²Π΅ΡΡΠ΅Π½Π½ΠΎ Π½Π΅ Ρ ΠΎΡΠ΅Π»ΠΎΡΡ. ΠΠΎΠ²ΡΠ΅ ΡΡΡΠ±Ρ Π€ΠΈΡΠ°Ρ ΠΌΡ ΠΏΠΎΠ΄ΠΎΠ±ΡΠ°Π»ΠΈ ΡΠ°ΠΊΠΎΠ³ΠΎ ΠΆΠ΅ Π΄ΠΈΠ°ΠΌΠ΅ΡΡΠ°. ΠΡΠΈ ΡΡΡΠ±Ρ ΠΌΠΎΠΆΠ½ΠΎ Π½Π΅ ΠΊΡΠ°ΡΠΈΡΡ. ΠΎΠ½ΠΈ ΠΈ ΡΠ°ΠΊ Π±Π΅Π»ΡΠ΅ ΡΠΈΡΡΠ΅Π½ΡΠΊΠΈΠ΅ ΠΈ Π°ΠΊΠΊΡΡΠ°ΡΠ½ΡΠ΅. Π ΠΏΡΠΎΡΠΈΡΠ°ΡΡ ΠΎΡ ΠΏΡΠ»ΠΈ ΠΈΡ ΠΌΠΎΠΆΠ½ΠΎ ΠΏΡΠΎΡΡΠΎ ΠΌΠΎΠΊΡΠΎΠΉ ΡΡΡΠΏΠΊΠΎΠΉ.
ΠΠ΅Π΄ΠΎΡΡΠ°ΡΠΊΠΈ: ΠΠΈΠ½ΡΡΡ Π±ΡΠ΄ΡΡ, Π΅ΡΠ»ΠΈ Π±ΡΠ΄Π΅Ρ ΡΡΡΠ°Π½Π°Π²Π»ΠΈΠ²Π°Π΅Ρ Π½Π΅ ΠΏΡΠΎΡΠ΅ΡΡΠΈΠΎΠ½Π°Π».
ΠΠΎΠ΄ΡΠΎΠ±Π½Π΅Π΅ Π½Π° ΠΡΠ·ΠΎΠ²ΠΈΠΊ:Β http://otzovik.com/review_150411.html.
ΠΡΠ΅ ΠΎΠ΄Π½ΠΎ ΠΏΡΠ΅ΠΈΠΌΡΡΠ΅ΡΡΠ²ΠΎ Π½Π΅Π±ΠΎΠ»ΡΡΠΎΠ³ΠΎ Π²Π΅ΡΠ°. ΠΠ»Ρ ΠΏΠ΅ΡΠ΅ΠΌΠ΅ΡΠ΅Π½ΠΈΡ ΠΏΠΎΠΊΡΠΏΠΊΠΈ Π½Π΅ ΠΏΠΎΠ½Π°Π΄ΠΎΠ±ΡΡΡΡ ΡΡΠ΅Π·ΠΌΠ΅ΡΠ½ΡΠ΅ ΡΡΠΈΠ»ΠΈΡInessa56, ΠΡΠ΅Π½Π±ΡΡΠ³, Lammin:Β ΠΠΎΡΡΠΎΠΈΠ½ΡΡΠ²Π°: Π¦Π²Π΅Ρ, ΠΊΠ°ΡΠ΅ΡΡΠ²ΠΎ, ΠΏΡΠΎΡΡΡ Π² ΠΈΡΠΏΠΎΠ»ΡΠ·ΠΎΠ²Π°Π½ΠΈΠΈ.ΠΠΎΠΌΠ° ΡΠΆΠ΅ Π½Π°Π΄ Π½ΠΈΠΌΠΈ Β«ΠΊΠΎΠ»Π΄ΠΎΠ²Π°Π»Β» ΡΠΏΠ΅ΡΠΈΠ°Π»ΠΈΡΡ, ΠΊΠΎΡΠΎΡΠΎΠ³ΠΎ ΠΌΡ Π½Π°Π½ΡΠ»ΠΈ, ΡΡΠΎΠ±Ρ ΠΎΠ½ Π½Π°ΠΌ ΡΠ΄Π΅Π»Π°Π» ΡΠ΅ΠΌΠΎΠ½Ρ Π² Π²Π°Π½Π½Π΅.ΠΠΎΡ ΡΠΆΠ΅ ΠΏΡΠΎΡΠ»ΠΎ 8 Ρ ΠΏΠΎΠ»ΠΎΠ²ΠΈΠ½ΠΎΠΉ ΠΌΠ΅ΡΡΡΠ΅Π² ΠΈ ΠΏΠΎΠΊΠ° ΡΡΠΎ ΠΎΠ½ΠΈ Π½Π°Ρ Π΅ΡΡ Π½ΠΈ ΡΠ°Π·Ρ Π½Π΅ ΠΏΠΎΠ΄Π²ΠΎΠ΄ΠΈΠ»ΠΈ. ΠΠΈΠ³Π΄Π΅ Π½ΠΈΡΠ΅Π³ΠΎ Π½Π΅ ΠΏΡΠΎΡΠ΅ΠΊΠ°Π΅Ρ ΠΈ Π½Π΅ ΡΡΠ΅ΡΠΊΠ°Π΅ΡΡΡ!!! ΠΠΎΠ»ΠΈΠΏΡΠΎΠΏΠΈΠ»Π΅Π½ΠΎΠ²ΡΠ΅ ΡΡΡΠ±Ρ ΠΏΠΎΠΊΠ° ΡΡΠΎ ΠΎΡΡΠ°ΡΡΡΡ ΡΠ°ΠΊΠΈΠ΅ ΠΆΠ΅ Π±Π΅Π»Π΅Π½ΡΠΊΠΈΠ΅, ΠΊΠ°ΠΊ Π½ΠΎΠ²ΡΠ΅.
ΠΠ΅Π΄ΠΎΡΡΠ°ΡΠΊΠΈ: ΠΠΎΠΊΠ° ΡΡΠΎ Π½Π΅ ΠΎΠ±Π½Π°ΡΡΠΆΠΈΠ»ΠΈ
ΠΠΎΠ΄ΡΠΎΠ±Π½Π΅Π΅ Π½Π° ΠΡΠ·ΠΎΠ²ΠΈΠΊ: http://otzovik.com/review_5107279.html.
ΠΠ°ΠΊ ΡΠ΄Π΅Π»Π°ΡΡ ΠΎΡΠΎΠΏΠ»Π΅Π½ΠΈΠ΅ Π² ΡΠ°ΡΡΠ½ΠΎΠΌ Π΄ΠΎΠΌΠ΅ ΠΈΠ· ΠΏΠΎΠ»ΠΈΠΏΡΠΎΠΏΠΈΠ»Π΅Π½ΠΎΠ²ΡΡ ΡΡΡΠ± ΡΠ²ΠΎΠΈΠΌΠΈ ΡΡΠΊΠ°ΠΌΠΈ
ΠΡΠ΅Π΄Π²Π°ΡΠΈΡΠ΅Π»ΡΠ½ΠΎΠ΅ ΠΎΠ·Π½Π°ΠΊΠΎΠΌΠ»Π΅Π½ΠΈΠ΅ ΠΏΠΎΠ·Π²ΠΎΠ»ΠΈΠ»ΠΎ ΡΠ±Π΅Π΄ΠΈΡΡΡΡ Π² Π΄Π΅ΠΉΡΡΠ²ΠΈΡΠ΅Π»ΡΠ½ΠΎΠΌ Π½Π°Π»ΠΈΡΠΈΠΈ Ρ ΠΎΡΠΎΡΠΈΡ ΠΏΠΎΡΡΠ΅Π±ΠΈΡΠ΅Π»ΡΡΠΊΠΈΡ ΡΠ²ΠΎΠΉΡΡΠ². ΠΠΎΠ»ΠΎΠΆΠΈΡΠ΅Π»ΡΠ½ΡΠ΅ ΠΎΡΠ΅Π½ΠΊΠΈ Π΄Π°ΡΡ Π½Π΅ ΡΠΎΠ»ΡΠΊΠΎ ΠΏΡΠΎΡΠΈΠ»ΡΠ½ΡΠ΅ ΡΠΏΠ΅ΡΠΈΠ°Π»ΠΈΡΡΡ, Π½ΠΎ ΠΈ ΠΎΠ±ΡΡΠ½ΡΠ΅ ΠΏΠΎΠ»ΡΠ·ΠΎΠ²Π°ΡΠ΅Π»ΠΈ. ΠΠ΄Π½Π°ΠΊΠΎ Π² ΠΎΡΠ·ΡΠ²Π°Ρ ΡΠ°ΡΡΠΎ ΡΠΏΠΎΠΌΠΈΠ½Π°Π΅ΡΡΡ ΠΎΠ±ΡΠ°ΡΠ΅Π½ΠΈΠ΅ ΠΊ ΠΏΡΠΎΡΠ΅ΡΡΠΈΠΎΠ½Π°Π»Π°ΠΌ. ΠΠΎΠΏΡΠΎΠ±ΡΠ΅ΠΌ ΡΠ°Π·ΠΎΠ±ΡΠ°ΡΡΡΡ, ΡΠ°ΠΊ Π»ΠΈ ΡΠ»ΠΎΠΆΠ½ΠΎ Π½Π° ΡΠ°ΠΌΠΎΠΌ Π΄Π΅Π»Π΅ ΡΠΎΠ·Π΄Π°Π½ΠΈΠ΅ ΠΊΠ°ΡΠ΅ΡΡΠ²Π΅Π½Π½ΠΎΠ³ΠΎ ΠΎΡΠΎΠΏΠ»Π΅Π½ΠΈΡ ΡΠ°ΡΡΠ½ΠΎΠ³ΠΎ Π΄ΠΎΠΌΠ° ΡΠ²ΠΎΠΈΠΌΠΈ ΡΡΠΊΠ°ΠΌΠΈ ΠΈΠ· ΠΏΠΎΠ»ΠΈΠΏΡΠΎΠΏΠΈΠ»Π΅Π½Π°. ΠΠΎΡΠ»Π΅ ΠΈΠ·ΡΡΠ΅Π½ΠΈΡ ΡΠ΅Ρ Π½ΠΎΠ»ΠΎΠ³ΠΈΡΠ΅ΡΠΊΠΈΡ ΠΏΡΠΎΡΠ΅ΡΡΠΎΠ² Π±ΡΠ΄Π΅Ρ ΠΏΡΠΎΡΠ΅ ΠΏΡΠΈΠ½ΡΡΡ ΠΏΡΠ°Π²ΠΈΠ»ΡΠ½ΠΎΠ΅ ΡΠ΅ΡΠ΅Π½ΠΈΠ΅ ΠΎ ΡΠΏΠΎΡΠΎΠ±Π΅ ΡΠΎΠ·Π΄Π°Π½ΠΈΡ ΠΈΠ½ΠΆΠ΅Π½Π΅ΡΠ½ΡΡ ΡΠ΅ΡΠ΅ΠΉ.
Π’Π΅ΠΎΡΠΈΡ ΠΏΡΠ°Π²ΠΈΠ»ΡΠ½ΠΎΠΉ ΠΏΠ°ΠΉΠΊΠΈ Π΄Π»Ρ ΡΠΎΠ·Π΄Π°Π½ΠΈΡ Π½Π°Π΄Π΅ΠΆΠ½ΡΡ ΡΠΎΠ΅Π΄ΠΈΠ½Π΅Π½ΠΈΠΉ
Π ΡΠ΅ΡΠΈ ΠΠ½ΡΠ΅ΡΠ½Π΅Ρ Π΅ΡΡΡ ΠΌΠ½ΠΎΠ³ΠΎ ΠΌΠ°ΡΠ΅ΡΠΈΠ°Π»ΠΎΠ² Ρ ΠΈΠ½ΡΡΡΡΠΊΡΠΈΡΠΌΠΈ. ΠΠΎ ΡΡΠΎΠΉ ΡΡΡΠ»ΠΊΠ΅ Π΅ΡΡΡ Π΄Π°Π½Π½ΡΠ΅ ΠΎ ΡΠΎΠΌ, ΠΊΠ°ΠΊ ΡΠΏΠ°ΡΡΡ ΡΡΡΠ±Ρ ΠΈΠ· ΠΏΠΎΠ»ΠΈΠΏΡΠΎΠΏΠΈΠ»Π΅Π½Π° (Π²ΠΈΠ΄Π΅ΠΎ):
ΠΠ·ΡΡΠ΅Π½ΠΈΠ΅ Π΄Π΅ΠΉΡΡΠ²ΠΈΠΉ ΠΈΡΠΏΠΎΠ»Π½ΠΈΡΠ΅Π»Ρ ΠΏΠΎΠ·Π²ΠΎΠ»ΠΈΡ ΠΎΠ·Π½Π°ΠΊΠΎΠΌΠΈΡΡΡΡ Ρ Π²Π°ΠΆΠ½ΡΠΌΠΈ Π΄Π΅ΡΠ°Π»ΡΠΌΠΈ. ΠΠΎ Π² Π΄Π΅ΠΉΡΡΠ²ΠΈΡΠ΅Π»ΡΠ½ΠΎΡΡΠΈ ΠΏΡΠΈΠ΄Π΅ΡΡΡ ΡΡΠΈΡΡΠ²Π°ΡΡ ΠΎΡΠΎΠ±Π΅Π½Π½ΠΎΡΡΠΈ ΡΠΎΠ±ΡΡΠ²Π΅Π½Π½ΠΎΠ³ΠΎ ΠΏΡΠΎΠ΅ΠΊΡΠ°. Π§ΡΠΎΠ±Ρ ΠΌΠΈΠ½ΠΈΠΌΠΈΠ·ΠΈΡΠΎΠ²Π°ΡΡ ΠΎΡΠΈΠ±ΠΊΠΈ, Π½Π°Π΄ΠΎ ΠΎΠ±ΡΠ°ΡΠ°ΡΡ Π²Π½ΠΈΠΌΠ°Π½ΠΈΠ΅ Π½Π° ΡΠ»Π΅Π΄ΡΡΡΠΈΠ΅ ΡΠ°ΠΊΡΡ:
- ΠΠ»Ρ ΡΠΎΡΠ½ΠΎΠ³ΠΎ ΡΠ°Π·ΡΠ΅Π·Π°Π½ΠΈΡ ΡΡΡΠ± (Π±Π΅Π· ΠΏΠΎΠ²ΡΠ΅ΠΆΠ΄Π΅Π½ΠΈΠΉ ΠΈ Π΄Π΅ΡΠ΅ΠΊΡΠΎΠ²) ΠΈΡΠΏΠΎΠ»ΡΠ·ΡΡΡ ΡΠΏΠ΅ΡΠΈΠ°Π»ΡΠ½ΡΠΉ ΠΈΠ½ΡΡΡΡΠΌΠ΅Π½Ρ.
- ΠΡΠ»ΠΈ ΡΡΠΎ ΠΏΡΠ΅Π΄ΡΡΠΌΠΎΡΡΠ΅Π½ΠΎ ΠΈΠ½ΡΡΡΡΠΊΡΠΈΠ΅ΠΉ ΠΏΡΠΎΠΈΠ·Π²ΠΎΠ΄ΠΈΡΠ΅Π»Ρ, Π½Π° ΡΠΎΡΡΠ΅ Π΄Π΅Π»Π°ΡΡ ΡΠ°ΡΠΊΡ ΠΏΠΎΠ΄ ΠΎΠΏΡΠ΅Π΄Π΅Π»Π΅Π½Π½ΡΠΌ ΡΠ³Π»ΠΎΠΌ.
- ΠΠ΅ΡΡΠ° ΡΠΎΠ΅Π΄ΠΈΠ½Π΅Π½ΠΈΠΉ ΡΠ»Π΅Π΄ΡΠ΅Ρ ΠΎΠ±Π΅Π·ΠΆΠΈΡΠΈΡΡ Ρ ΠΏΡΠΈΠΌΠ΅Π½Π΅Π½ΠΈΠ΅ΠΌ ΡΡΠ΅Π΄ΡΡΠ², Π±Π΅Π·Π²ΡΠ΅Π΄Π½ΡΡ Π΄Π»Ρ ΠΏΠΎΠ»ΠΈΠΌΠ΅ΡΠ°.
- Π‘ΠΎΠ΅Π΄ΠΈΠ½ΡΡΡ Π΄Π΅ΡΠ°Π»ΠΈ Ρ ΠΏΡΠΈΠΌΠ΅Π½Π΅Π½ΠΈΠ΅ΠΌ ΠΏΠ»Π°Π²Π»Π΅Π½ΠΈΡ. ΠΠ΅ΠΎΠ±Ρ ΠΎΠ΄ΠΈΠΌΠΎ Π² ΡΠΎΡΠ½ΠΎΡΡΠΈ ΡΠΎΠ±Π»ΡΠ΄Π°ΡΡ ΠΏΡΠ°Π²ΠΈΠ»Π°, Π² ΠΊΠΎΡΠΎΡΡΡ ΠΏΡΠΈΠ²Π΅Π΄Π΅Π½Π° ΠΎΠΏΡΠΈΠΌΠ°Π»ΡΠ½Π°Ρ ΡΠ΅ΠΌΠΏΠ΅ΡΠ°ΡΡΡΠ°, Π²ΡΠ΅ΠΌΡ ΡΠ΅ΠΏΠ»ΠΎΠ²ΠΎΠ³ΠΎ Π²ΠΎΠ·Π΄Π΅ΠΉΡΡΠ²ΠΈΡ, Π΄Π»ΠΈΡΠ΅Π»ΡΠ½ΠΎΡΡΡ ΠΎΡ Π»Π°ΠΆΠ΄Π΅Π½ΠΈΡ.
- ΠΡΠ΅ Π΄Π΅ΠΉΡΡΠ²ΠΈΡ Ρ Π·Π°Π³ΠΎΡΠΎΠ²ΠΊΠ°ΠΌΠΈ Π²ΡΠΏΠΎΠ»Π½ΡΡΡ ΡΠ°ΠΊΠΈΠΌ ΠΎΠ±ΡΠ°Π·ΠΎΠΌ, ΡΡΠΎΠ±Ρ ΠΈΡΠΊΠ»ΡΡΠΈΡΡ Π΄Π΅ΡΠΎΡΠΌΠ°ΡΠΈΠΈ. Π Π΅ΠΊΠΎΠΌΠ΅Π½Π΄ΡΠ΅ΡΡΡ ΡΡΠ°ΡΠ΅Π»ΡΠ½ΠΎ Π΄ΠΎΠ·ΠΈΡΠΎΠ²Π°ΡΡ ΡΡΠΈΠ»ΠΈΡ ΠΏΡΠΈ ΡΠ°Π±ΠΎΡΠ΅ Ρ Π½Π°Π³ΡΠ΅ΡΡΠΌΠΈ Π΄Π΅ΡΠ°Π»ΡΠΌΠΈ, Π½Π΅ ΡΠΌΠ΅ΡΠ°ΡΡ ΠΈΡ ΠΏΡΠΈ ΡΡΡΠΊΠΎΠ²ΠΊΠ΅ ΡΠ·Π»Π°.
housechief.ru
ΠΡΠΎΠΏΠ»Π΅Π½ΠΈΠ΅ ΠΈΠ· ΠΏΠΎΠ»ΠΈΠΏΡΠΎΠΏΠΈΠ»Π΅Π½ΠΎΠ²ΡΡ ΡΡΡΠ± ΡΠ²ΠΎΠΈΠΌΠΈ ΡΡΠΊΠ°ΠΌΠΈ Π² ΡΠ°ΡΡΠ½ΠΎΠΌ Π΄ΠΎΠΌΠ΅ β ΡΡ Π΅ΠΌΠ° Π²ΠΈΠ΄Π΅ΠΎ
Π‘Π΅Π³ΠΎΠ΄Π½Ρ ΠΏΡΠΎΡΡΠΎ Π½Π΅ ΠΎΠ±ΠΎΠΉΡΠΈΡΡ Π±Π΅Π· ΠΎΡΠΎΠΏΠ»Π΅Π½ΠΈΡ ΡΠ°ΡΡΠ½ΠΎΠ³ΠΎ Π΄ΠΎΠΌΠ° Π² Ρ ΠΎΠ»ΠΎΠ΄Π½ΠΎΠ΅ Π²ΡΠ΅ΠΌΡ Π³ΠΎΠ΄Π°. Π ΠΊΠ°ΡΠ΅ΡΡΠ²Π΅ ΡΡΡΠ± Π΄Π»Ρ Π½Π΅Π³ΠΎ ΠΈΡΠΏΠΎΠ»ΡΠ·ΡΡΡ ΠΊΠΎΠΌΠΌΡΠ½ΠΈΠΊΠ°ΡΠΈΠΈ ΠΈΠ· ΠΌΠ΅ΡΠ°Π»Π»Π° ΠΈ Π΄ΡΡΠ³ΠΈΡ ΠΌΠ°ΡΠ΅ΡΠΈΠ°Π»ΠΎΠ², Π½ΠΎ Π½Π°ΠΈΠ±ΠΎΠ»Π΅Π΅ Π²ΠΎΡΡΡΠ΅Π±ΠΎΠ²Π°Π½Π½ΡΠΌΠΈ Π½Π° ΡΠ΅Π³ΠΎΠ΄Π½ΡΡΠ½ΠΈΠΉ Π΄Π΅Π½Ρ ΡΠ²Π»ΡΡΡΡΡ ΠΏΠΎΠ»ΠΈΠΏΡΠΎΠΏΠΈΠ»Π΅Π½ΠΎΠ²ΡΠ΅ ΡΡΡΠ±Ρ. ΠΠΎΠ½ΡΠ°ΠΆ ΡΡΠΈΡ ΠΊΠΎΠΌΠΌΡΠ½ΠΈΠΊΠ°ΡΠΈΠΉ ΠΏΡΠ΅Π΄ΡΡΠΌΠ°ΡΡΠΈΠ²Π°Π΅Ρ ΠΏΡΠΎΠ²Π΅Π΄Π΅Π½ΠΈΠ΅, ΠΊΠ°ΠΊ ΠΏΡΠΈΠ³ΠΎΡΠΎΠ²ΠΈΡΠ΅Π»ΡΠ½ΡΡ Π΄Π΅ΠΉΡΡΠ²ΠΈΠΉ, ΡΠ°ΠΊ ΠΈ ΡΠ°ΠΌΡ ΠΎΡΠ³Π°Π½ΠΈΠ·Π°ΡΠΈΡ ΡΠΈΡΡΠ΅ΠΌΡ. Π Π°Π±ΠΎΡΠ° ΠΎΠ±ΡΡΠ½ΠΎ Π½Π°ΡΠΈΠ½Π°Π΅ΡΡΡ Ρ ΡΠΎΠ·Π΄Π°Π½ΠΈΡ ΡΡ Π΅ΠΌΡ ΠΊΠΎΠΌΠΌΡΠ½ΠΈΠΊΠ°ΡΠΈΠΉ ΠΈ ΠΏΠΎΠ΄Π±ΠΎΡΠ° Π²ΡΠ΅Ρ Π½ΡΠΆΠ½ΡΡ ΠΌΠ°ΡΠ΅ΡΠΈΠ°Π»ΠΎΠ². Π’ΠΎΠ»ΡΠΊΠΎ ΠΏΠΎΡΠ»Π΅ ΡΡΠΎΠ³ΠΎ ΠΏΠ΅ΡΠ΅Ρ ΠΎΠ΄ΡΡ ΠΊ ΠΎΡΠ½ΠΎΠ²Π½ΡΠΌ ΡΠ°Π±ΠΎΡΠ°ΠΌ. ΠΡΠΆΠ½ΠΎ ΠΎΡΠΌΠ΅ΡΠΈΡΡ, ΡΡΠΎ ΡΡΡΠ±Ρ ΠΈΠ· ΠΏΠΎΠ»ΠΈΠΏΡΠΎΠΏΠΈΠ»Π΅Π½Π°, ΡΠΎΠ³Π»Π°ΡΠ½ΠΎ ΠΎΡΠ·ΡΠ²Π°ΠΌ, ΠΌΠΎΠ³ΡΡ ΠΈΡΠΏΠΎΠ»ΡΠ·ΠΎΠ²Π°ΡΡΡΡ ΠΈ Π΄Π»Ρ ΠΎΡΠΎΠΏΠ»Π΅Π½ΠΈΡ, ΠΈ Π΄Π»Ρ ΡΠ½Π°Π±ΠΆΠ΅Π½ΠΈΡ Π΄ΠΎΠΌΠ° Π²ΠΎΠ΄ΠΎΠΉ (ΡΠΌ. ΡΠΎΡΠΎ).
ΠΠΎΠ»ΠΈΠΏΡΠΎΠΏΠΈΠ»Π΅Π½ΠΎΠ²ΡΠ΅ ΠΊΠΎΠΌΠΌΡΠ½ΠΈΠΊΠ°ΡΠΈΠΈ Π΄Π»Ρ ΠΎΡΠΎΠΏΠ»Π΅Π½ΠΈΡ, Π³ΠΎΡΡΡΠ΅Π³ΠΎ ΠΈ Ρ ΠΎΠ»ΠΎΠ΄Π½ΠΎΠ³ΠΎ Π²ΠΎΠ΄ΠΎΡΠ½Π°Π±ΠΆΠ΅Π½ΠΈΡ ΡΠ°Π·Π»ΠΈΡΠ°ΡΡΡΡ ΠΌΠ΅ΠΆΠ΄Ρ ΡΠΎΠ±ΠΎΠΉ ΠΈ ΠΈΠΌΠ΅ΡΡ ΡΠ°Π·Π½ΡΠ΅ ΡΠ΅Ρ Π½ΠΈΡΠ΅ΡΠΊΠΈΠ΅ ΠΏΠΎΠΊΠ°Π·Π°ΡΠ΅Π»ΠΈ. ΠΠΈ Π² ΠΊΠΎΠ΅ΠΌ ΡΠ»ΡΡΠ°Π΅ Π½Π΅Π»ΡΠ·Ρ ΠΈΡΠΏΠΎΠ»ΡΠ·ΠΎΠ²Π°ΡΡ ΡΡΡΠ±Ρ Π΄Π»Ρ Ρ ΠΎΠ»ΠΎΠ΄Π½ΠΎΠΉ Π²ΠΎΠ΄Ρ Π² ΠΊΠ°ΡΠ΅ΡΡΠ²Π΅ ΠΊΠΎΠΌΠΌΡΠ½ΠΈΠΊΠ°ΡΠΈΠΉ Π΄Π»Ρ ΠΎΠ±ΠΎΠ³ΡΠ΅Π²Π° ΡΠ°ΡΡΠ½ΠΎΠ³ΠΎ Π΄ΠΎΠΌΠ°, ΡΠ°ΠΊ ΠΊΠ°ΠΊ ΠΎΠ½ΠΈ ΠΏΠΎΠΏΡΠΎΡΡΡ ΠΌΠΎΠ³ΡΡ ΠΈΡΠΏΠΎΡΡΠΈΡΡΡΡ. ΠΠ·Π²Π΅ΡΡΠ½ΠΎ ΡΠ°ΠΊΠΆΠ΅, ΡΡΠΎ ΠΊΠΎΠΌΠΌΡΠ½ΠΈΠΊΠ°ΡΠΈΠΈ ΠΈΠ· ΠΏΠΎΠ»ΠΈΠΏΡΠΎΠΏΠΈΠ»Π΅Π½Π° ΠΌΠΎΠΆΠ½ΠΎ ΠΈΡΠΏΠΎΠ»ΡΠ·ΠΎΠ²Π°ΡΡ Π΄Π»Ρ ΠΎΡΠ³Π°Π½ΠΈΠ·Π°ΡΠΈΠΈ Β«ΡΠ΅ΠΏΠ»ΠΎΠ³ΠΎ ΠΏΠΎΠ»Π°Β». ΠΡΠ΅ ΡΡΠΎ Π²ΠΎΠ·ΠΌΠΎΠΆΠ½ΠΎ Π±Π»Π°Π³ΠΎΠ΄Π°ΡΡ Π²ΡΡΠΎΠΊΠΎΠΌΡ ΠΊΠ°ΡΠ΅ΡΡΠ²Ρ ΠΏΡΠ΅Π΄ΡΡΠ°Π²Π»Π΅Π½Π½ΠΎΠ³ΠΎ ΠΌΠ°ΡΠ΅ΡΠΈΠ°Π»Π°.
Β«ΠΠ»ΡΡΡΒ» ΠΈ Β«ΠΌΠΈΠ½ΡΡΡΒ» ΠΏΠΎΠ»ΠΈΠΏΡΠΎΠΏΠΈΠ»Π΅Π½ΠΎΠ²ΡΡ ΡΡΡΠ±




ΠΠΎΠΌΠΌΡΠ½ΠΈΠΊΠ°ΡΠΈΠΈ ΠΈΠ· ΠΏΡΠ΅Π΄ΡΡΠ°Π²Π»Π΅Π½Π½ΠΎΠ³ΠΎ ΠΌΠ°ΡΠ΅ΡΠΈΠ°Π»Π° ΠΈΠΌΠ΅ΡΡ ΠΎΡΠ΅Π½Ρ Π΄ΠΎΠ»Π³ΠΈΠΉ ΡΡΠΎΠΊ ΡΠ»ΡΠΆΠ±Ρ, ΠΊΠΎΡΠΎΡΡΠΉ, ΠΏΠΎ ΠΎΡΠ·ΡΠ²Π°ΠΌ, ΠΌΠΎΠΆΠ΅Ρ Π΄ΠΎΡΡΠΈΠ³Π°ΡΡ Π±ΠΎΠ»Π΅Π΅ ΡΡΠ° Π»Π΅Ρ. ΠΡΠΎΠΌΠ΅ ΡΠΎΠ³ΠΎ ΠΎΠ½ΠΈ ΠΎΡΠ΅Π½Ρ Π½Π°Π΄Π΅ΠΆΠ½ΡΠ΅, Π²Π½ΡΡΡΠΈ Π½ΠΈΡ Π½Π΅ ΠΎΡΠ΅Π΄Π°ΡΡ Π½ΠΈΠΊΠ°ΠΊΠΈΠ΅ ΠΎΡΠ»ΠΎΠΆΠ΅Π½ΠΈΡ, ΠΎΠ½ΠΈ Π½Π΅ ΠΏΠΎΠ΄Π²Π΅ΡΠΆΠ΅Π½Ρ ΡΠ°Π·ΡΡΡΠ΅Π½ΠΈΡ ΠΈ ΡΡΠΎΠΉΠΊΠΈ ΠΊ Π²ΠΎΠ·Π΄Π΅ΠΉΡΡΠ²ΠΈΡ ΡΠ°Π·Π½ΠΎΠ³ΠΎ ΡΠΎΠ΄Π° Ρ ΠΈΠΌΠΈΡΠ΅ΡΠΊΠΈΡ Π²Π΅ΡΠ΅ΡΡΠ². Π’Π°ΠΊΠΆΠ΅ ΠΊ Β«ΠΏΠ»ΡΡΠ°ΠΌΒ» ΠΏΠΎΠ»ΠΈΠΏΡΠΎΠΏΠΈΠ»Π΅Π½ΠΎΠ²ΡΡ ΡΡΡΠ± ΠΌΠΎΠΆΠ½ΠΎ ΠΎΡΠ½Π΅ΡΡΠΈ Π»Π΅Π³ΠΊΠΎΡΡΡ ΡΡΡΠ°Π½ΠΎΠ²ΠΊΠΈ ΠΈ ΡΠ΅ΠΌΠΎΠ½ΡΠ°, Π° ΡΠ°ΠΊΠΆΠ΅ Π½Π΅Π²ΡΡΠΎΠΊΡΡ ΡΠ΅Π½Ρ. ΠΠΎΠΆΠ°Π»ΡΠΉ, Π΅Π΄ΠΈΠ½ΡΡΠ²Π΅Π½Π½ΡΠΌ Β«ΠΌΠΈΠ½ΡΡΠΎΠΌΒ» ΠΏΡΠ΅Π΄ΡΡΠ°Π²Π»Π΅Π½Π½ΡΡ ΠΊΠΎΠΌΠΌΡΠ½ΠΈΠΊΠ°ΡΠΈΠΉ ΡΠ²Π»ΡΠ΅ΡΡΡ ΠΈΡ Π½Π΅Π²ΡΡΠΎΠΊΠ°Ρ ΡΠΎΠΏΡΠΎΡΠΈΠ²Π»ΡΠ΅ΠΌΠΎΡΡΡ ΠΎΠ³Π½Ρ, ΠΈΠ·-Π·Π° ΡΠ΅Π³ΠΎ ΠΎΠ½ΠΈ ΠΏΠΎΠ΄Π²Π΅ΡΠΆΠ΅Π½Ρ Π»Π΅Π³ΠΊΠΎΠΌΡ Π²ΠΎΠ·Π³ΠΎΡΠ°Π½ΠΈΡ.
ΠΡΠΎΠ΅ΠΊΡΠΈΡΠΎΠ²Π°Π½ΠΈΠ΅ ΡΠΈΡΡΠ΅ΠΌΡ ΠΎΡΠΎΠΏΠ»Π΅Π½ΠΈΡ Π² ΡΠ°ΡΡΠ½ΠΎΠΌ Π΄ΠΎΠΌΠ΅
Π ΠΎΡΠ½ΠΎΠ²Π½ΡΠΌ ΡΠΎΡΡΠ°Π²Π»ΡΡΡΠΈΠΌ ΡΠΈΡΡΠ΅ΠΌΡ ΠΎΡΠΎΠΏΠ»Π΅Π½ΠΈΡ Π² ΡΠ°ΡΡΠ½ΠΎΠΌ Π΄ΠΎΠΌΠ΅ ΠΌΠΎΠΆΠ½ΠΎ ΠΎΡΠ½Π΅ΡΡΠΈ ΠΊΠΎΡΠ΅Π», ΡΡΡΠ±Ρ, Π° ΡΠ°ΠΊΠΆΠ΅ ΡΠ°Π΄ΠΈΠ°ΡΠΎΡΡ ΠΈ ΡΠ°Π·Π»ΠΈΡΠ½ΡΠ΅ ΠΊΡΠ΅ΠΏΠ΅ΠΆΠ½ΡΠ΅ ΡΠ»Π΅ΠΌΠ΅Π½ΡΡ (ΡΠΌ. ΡΠΎΡΠΎ). ΠΡΠΈ ΡΡΠΎΠΌ ΠΊΠΎΡΠ»Ρ ΠΌΠΎΠΆΠ½ΠΎ ΡΠ°Π·Π΄Π΅Π»ΠΈΡΡ Π½Π° Π½Π΅ΡΠΊΠΎΠ»ΡΠΊΠΎ ΡΠΈΠΏΠΎΠ², ΠΊΠΎΡΠΎΡΡΠ΅ ΡΠΎΠ·Π½ΡΡΡΡ ΠΏΠΎ Π²ΠΈΠ΄Ρ ΠΈΡΠΏΠΎΠ»ΡΠ·ΡΠ΅ΠΌΠΎΠ³ΠΎ ΡΠΎΠΏΠ»ΠΈΠ²Π°. Π£ΡΡΠ°Π½Π°Π²Π»ΠΈΠ²Π°ΡΡ ΠΈΡ ΠΆΠ΅Π»Π°ΡΠ΅Π»ΡΠ½ΠΎ Π² ΠΎΡΠ΄Π΅Π»ΡΠ½ΠΎΠΌ ΠΏΠΎΠΌΠ΅ΡΠ΅Π½ΠΈΠΈ Π΄ΠΎΠΌΠ° ΠΈΠ»ΠΈ Π² ΠΏΡΠΈΡΡΡΠΎΠΉΠΊΠ΅ ΠΊ Π½Π΅ΠΌΡ. ΠΡΠΈΡΠ΅ΠΌ ΠΊΠΎΠΌΠ½Π°ΡΠ° ΠΎΠ±ΡΠ·Π°ΡΠ΅Π»ΡΠ½ΠΎ Π΄ΠΎΠ»ΠΆΠ½Π° ΠΈΠΌΠ΅ΡΡ ΠΎΡΠ»ΠΈΡΠ½ΠΎ ΠΎΡΠ³Π°Π½ΠΈΠ·ΠΎΠ²Π°Π½Π½ΡΡ ΡΠΈΡΡΠ΅ΠΌΡ Π²Π΅Π½ΡΠΈΠ»ΡΡΠΈΠΈ. ΠΡΠ»ΠΈ Π΅ΡΡΡ Π²ΠΎΠ·ΠΌΠΎΠΆΠ½ΠΎΡΡΡ, Π² ΠΏΠΎΠΌΠ΅ΡΠ΅Π½ΠΈΠΈ Π½Π΅ΠΎΠ±Ρ ΠΎΠ΄ΠΈΠΌΠΎ ΡΡΡΠ°Π½ΠΎΠ²ΠΈΡΡ Π΄Π°ΡΡΠΈΠΊ Π³Π°Π·Π°.




ΠΠΎΡΠ»Π΅ Π²ΡΠ±ΠΎΡΠ° ΠΌΠ΅ΡΡΠ° ΡΠ°ΡΠΏΠΎΠ»ΠΎΠΆΠ΅Π½ΠΈΡ ΠΊΠΎΡΠ»Π° ΡΠ°Π·ΡΠ°Π±Π°ΡΡΠ²Π°Π΅ΡΡΡ ΡΡ Π΅ΠΌΠ° ΡΠ°Π·ΠΌΠ΅ΡΠ΅Π½ΠΈΡ ΠΏΠΎΠ»ΠΈΠΏΡΠΎΠΏΠΈΠ»Π΅Π½ΠΎΠ²ΡΡ ΠΊΠΎΠΌΠΌΡΠ½ΠΈΠΊΠ°ΡΠΈΠΉ (ΡΠΌ. ΡΠΎΡΠΎ). ΠΠ΅Π»Π°ΡΡ Π΅Π΅ Π½ΡΠΆΠ½ΠΎ ΡΠ°ΠΊ, ΡΡΠΎΠ±Ρ ΠΎΡΠΎΠΏΠ»Π΅Π½ΠΈΠ΅ Π±ΡΠ»ΠΎ ΠΏΡΠΎΠ²Π΅Π΄Π΅Π½ΠΎ Π²ΠΎ Π²ΡΠ΅ ΠΏΠΎΠΌΠ΅ΡΠ΅Π½ΠΈΡ Π΄ΠΎΠΌΠ°. ΠΡΠΎΠΌΠ΅ ΡΠΎΠ³ΠΎ Π½Π° ΡΡ Π΅ΠΌΠ΅ ΠΎΠ±ΠΎΠ·Π½Π°ΡΠ°ΡΡΡΡ ΠΌΠ΅ΡΡΠ° ΡΠ°ΡΠΏΠΎΠ»ΠΎΠΆΠ΅Π½ΠΈΡ ΡΠ°Π΄ΠΈΠ°ΡΠΎΡΠΎΠ² ΠΈ ΠΏΡΠΎΠ΄ΠΎΠ»ΠΆΠΈΡΠ΅Π»ΡΠ½ΠΎΡΡΡ ΡΡΡΠ± ΠΌΠ΅ΠΆΠ΄Ρ Π½ΠΈΠΌΠΈ, Π° ΡΠ°ΠΊΠΆΠ΅ ΡΠ°Π·ΠΌΠ΅ΡΠ΅Π½ΠΈΠ΅ ΠΊΡΠ΅ΠΏΠ΅ΠΆΠ΅ΠΉ, Π²ΡΠ±ΠΎΡ ΠΊΠΎΡΠΎΡΡΡ Π±ΡΠ΄Π΅Ρ Π·Π°Π²ΠΈΡΠ΅ΡΡ ΠΎΡ Π΄ΠΈΠ°ΠΌΠ΅ΡΡΠ° ΠΈ Π²Π΅ΡΠ° Π½Π°Π³ΡΠ΅Π²Π°ΡΠ΅Π»ΡΠ½ΡΡ ΡΠ»Π΅ΠΌΠ΅Π½ΡΠΎΠ².
Π£ΡΡΠ°Π½ΠΎΠ²ΠΊΠ° ΠΎΡΠΎΠΏΠ»Π΅Π½ΠΈΡ
Π Π΅Π°Π»ΠΈΠ·ΠΎΠ²Π°ΡΡ ΡΡΡΠ°Π½ΠΎΠ²ΠΊΡ ΠΊΠΎΠΌΠΌΡΠ½ΠΈΠΊΠ°ΡΠΈΠΉ ΠΈΠ· ΠΏΠΎΠ»ΠΈΠΏΡΠΎΠΏΠΈΠ»Π΅Π½Π° ΡΠ²ΠΎΠΈΠΌΠΈ ΡΡΠΊΠ°ΠΌΠΈ Π΄ΠΎΡΡΠ°ΡΠΎΡΠ½ΠΎ ΠΏΡΠΎΡΡΠΎ (ΡΠΌ. Π²ΠΈΠ΄Π΅ΠΎ). ΠΠ½Π° ΠΌΠΎΠΆΠ΅Ρ ΠΏΡΠΎΡ ΠΎΠ΄ΠΈΡΡ ΠΏΠΎ Π½Π΅ΡΠΊΠΎΠ»ΡΠΊΠΈΠΌ ΡΡ Π΅ΠΌΠ°ΠΌ, Π½Π°ΠΏΡΠΈΠΌΠ΅Ρ, ΠΏΠΎ ΡΠΈΡΡΠ΅ΠΌΠ΅ Ρ Π½ΠΈΠΆΠ½ΠΈΠΌ ΠΈΠ»ΠΈ Π²Π΅ΡΡ Π½ΠΈΠΌ Π·Π°Π»ΠΈΠ²ΠΎΠΌ. ΠΠ΅ΡΠ²ΡΠΉ Π²Π°ΡΠΈΠ°Π½Ρ ΠΎΡΠΎΠΏΠ»Π΅Π½ΠΈΡ ΠΏΡΠ΅Π΄ΡΡΠΌΠ°ΡΡΠΈΠ²Π°Π΅Ρ ΠΏΡΠΈΡΡΡΡΡΠ²ΠΈΠ΅ Π½Π°ΡΠΎΡΠ°, ΠΊΠΎΡΠΎΡΡΠΉ Π±ΡΠ΄Π΅Ρ ΡΠ²Π΅Π»ΠΈΡΠΈΠ²Π°ΡΡ Π½Π°ΠΏΠΎΡ Π²ΠΎΠ΄Ρ ΠΈ ΠΏΠΎΠ·Π²ΠΎΠ»ΠΈΡ ΠΈΡΠΏΠΎΠ»ΡΠ·ΠΎΠ²Π°ΡΡ ΠΊΠΎΠΌΠΌΡΠ½ΠΈΠΊΠ°ΡΠΈΠΈ Π½Π΅Π±ΠΎΠ»ΡΡΠΎΠ³ΠΎ Π΄ΠΈΠ°ΠΌΠ΅ΡΡΠ°. Π‘ΠΈΡΡΠ΅ΠΌΡ Ρ Π²Π΅ΡΡ Π½ΠΈΠΌ Π·Π°Π»ΠΈΠ²ΠΎΠΌ ΠΏΠΎΠ·Π²ΠΎΠ»ΡΡΡ Π²ΠΎΠ΄Π΅ ΡΠΈΡΠΊΡΠ»ΠΈΡΠΎΠ²Π°ΡΡ ΡΠ°ΠΌΠΎΡΡΠΎΡΡΠ΅Π»ΡΠ½ΠΎ. ΠΡ Π»ΡΡΡΠ΅ Π²ΡΠ΅Π³ΠΎ ΠΏΡΠΈΠΌΠ΅Π½ΡΡΡ Π² ΡΠ°ΡΡΠ½ΠΎΠΌ Π΄ΠΎΠΌΠ΅, Π³Π΄Π΅ Π±ΡΠ²Π°ΡΡ ΠΏΠ΅ΡΠ΅Π±ΠΎΠΈ Ρ ΡΠ»Π΅ΠΊΡΡΠΈΡΠ΅ΡΡΠ²ΠΎΠΌ, ΠΊΠΎΡΠΎΡΡΠ΅ Π±ΡΠ΄ΡΡ ΠΏΡΠ΅ΠΏΡΡΡΡΠ²ΠΎΠ²Π°ΡΡ Π½ΠΎΡΠΌΠ°Π»ΡΠ½ΠΎΠΉ ΡΠ°Π±ΠΎΡΠ΅ Π½Π°ΡΠΎΡΠ°. ΠΡΠΎΠΌΠ΅ ΡΡΠΎΠ³ΠΎ Π² Π΄ΠΎΠΌΠ΅ ΠΌΠΎΠ³ΡΡ ΠΈΡΠΏΠΎΠ»ΡΠ·ΠΎΠ²Π°ΡΡΡΡ ΡΠΈΡΡΠ΅ΠΌΡ Ρ ΠΏΠΎΠ΄ΠΊΠ»ΡΡΠ΅Π½ΠΈΠ΅ΠΌ ΡΠ±ΠΎΠΊΡ.
ΠΠ»Ρ ΠΌΠΎΠ½ΡΠ°ΠΆΠ° ΠΎΡΠΎΠΏΠ»Π΅Π½ΠΈΡ ΠΈΠ· ΠΏΠΎΠ»ΠΈΠΏΡΠΎΠΏΠΈΠ»Π΅Π½ΠΎΠ²ΡΡ ΠΊΠΎΠΌΠΌΡΠ½ΠΈΠΊΠ°ΡΠΈΠΉ ΡΠ²ΠΎΠΈΠΌΠΈ ΡΡΠΊΠ°ΠΌΠΈ ΠΈΡΠΏΠΎΠ»ΡΠ·ΡΡΡ ΡΠ²Π°ΡΠΊΡ. ΠΠ΅ΡΠ΅Π΄ Π΅Π΅ Π½Π°ΡΠ°Π»ΠΎΠΌ Π½ΠΎΠΆΠ½ΠΈΡΠ°ΠΌΠΈ ΠΏΠΎ ΠΌΠ΅ΡΠ°Π»Π»Ρ, ΠΊΠΎΡΠΎΡΡΠ΅ ΠΎΠ±Π΅ΡΠΏΠ΅ΡΠΈΠ²Π°ΡΡ ΡΠΎΠ²Π½ΡΠ΅ ΠΊΡΠ°Ρ, Π½Π°ΡΠ΅Π·Π°ΡΡΡΡ ΡΡΡΠ±Ρ Π½ΡΠΆΠ½ΠΎΠΉ Π΄Π»ΠΈΠ½Ρ. ΠΠΎΡΠ»Π΅ ΡΡΠΎΠ³ΠΎ Π½Π° ΠΊΠΎΠΌΠΌΡΠ½ΠΈΠΊΠ°ΡΠΈΠΈ Π½Π°Π΄Π΅Π²Π°ΡΡ Π½Π°ΡΠ°Π΄ΠΊΡ ΠΏΠΎΠ΄Ρ ΠΎΠ΄ΡΡΠ΅Π³ΠΎ Π΄ΠΈΠ°ΠΌΠ΅ΡΡΠ° ΡΠΏΠ΅ΡΠΈΠ°Π»ΡΠ½ΠΎΠ³ΠΎ ΡΠ²Π°ΡΠΎΡΠ½ΠΎΠ³ΠΎ Π°ΠΏΠΏΠ°ΡΠ°ΡΠ° ΠΈ Π½Π°Π³ΡΠ΅Π²Π°ΡΡ ΠΈΡ . ΠΡΠ΅ΠΌΡ Π½Π°Π³ΡΠ΅Π²Π°, ΡΠΎΠ³Π»Π°ΡΠ½ΠΎ ΠΎΡΠ·ΡΠ²Π°ΠΌ ΡΠΏΠ΅ΡΠΈΠ°Π»ΠΈΡΡΠΎΠ², Π±ΡΠ΄Π΅Ρ Π·Π°Π²ΠΈΡΠ΅ΡΡ ΠΎΡ Π΄ΠΈΠ°ΠΌΠ΅ΡΡΠ° ΠΊΠΎΠΌΠΌΡΠ½ΠΈΠΊΠ°ΡΠΈΠΉ. ΠΠ°ΠΏΡΠΈΠΌΠ΅Ρ, Π΅ΡΠ»ΠΈ Π΄ΠΈΠ°ΠΌΠ΅ΡΡ 2,5 ΡΠ°Π½ΡΠΈΠΌΠ΅ΡΡΠ°, ΡΠΎ Π½Π°Π³ΡΠ΅Π² Π±ΡΠ΄Π΅Ρ ΠΏΡΠΎΠ΄ΠΎΠ»ΠΆΠ°ΡΡΡΡ ΠΎΠΊΠΎΠ»ΠΎ 7 ΡΠ΅ΠΊΡΠ½Π΄, Π΅ΡΠ»ΠΈ 4 ΡΠ°Π½ΡΠΈΠΌΠ΅ΡΡΠ° β 12 ΡΠ΅ΠΊΡΠ½Π΄, Π° Π΅ΡΠ»ΠΈ 6,3 ΡΠ°Π½ΡΠΈΠΌΠ΅ΡΡΠ° β 24 ΡΠ΅ΠΊΡΠ½Π΄Ρ.
ΠΠΎΡΠ»Π΅ Π½Π°Π³ΡΠ΅Π²Π° ΠΎΡΠ΄Π΅Π»ΡΠ½ΡΡ ΠΊΠΎΠ½ΡΠΎΠ² ΠΊΠΎΠΌΠΌΡΠ½ΠΈΠΊΠ°ΡΠΈΠΉ ΠΈΡ ΡΠΎΠ΅Π΄ΠΈΠ½ΡΡΡ ΡΠ²ΠΎΠΈΠΌΠΈ ΡΡΠΊΠ°ΠΌΠΈ ΠΌΠ΅ΠΆΠ΄Ρ ΡΠΎΠ±ΠΎΠΉ ΠΈ ΡΠΆΠ΅ ΡΠ΅ΡΠ΅Π· Π½Π΅ΡΠΊΠΎΠ»ΡΠΊΠΎ ΠΌΠΈΠ½ΡΡ ΠΏΠΎΡΠ»Π΅ ΠΎΡΡΡΠ²Π°Π½ΠΈΡ ΠΎΠ½ΠΈ ΠΎΠ±ΡΠ°Π·ΡΡΡ ΠΏΡΠΎΡΠ½ΠΎΠ΅ ΡΠΎΠ΅Π΄ΠΈΠ½Π΅Π½ΠΈΠ΅, ΡΡΠΎ ΠΌΠΎΠΆΠ½ΠΎ ΡΠ²ΠΈΠ΄Π΅ΡΡ Π½Π° Π²ΠΈΠ΄Π΅ΠΎ. ΠΡΠΈ ΡΡΠΎΠΌ Π²ΡΠ΅Π³Π΄Π° Π½ΡΠΆΠ½ΠΎ ΠΏΠΎΠΌΠ½ΠΈΡΡ, ΡΡΠΎ Π»ΡΠ±ΡΠ΅ ΠΊΠΎΠΌΠΌΡΠ½ΠΈΠΊΠ°ΡΠΈΠΈ ΠΏΡΠΈ ΡΠ°Π±ΠΎΡΠ΅ Π²ΡΠ΅Π³Π΄Π° Π΄ΠΎΠ»ΠΆΠ½Ρ Π±ΡΡΡ ΡΡΡ ΠΈΠΌΠΈ ΠΈ ΡΠΈΡΡΡΠΌΠΈ, Π° Π΅ΡΠ»ΠΈ ΡΠ°Π±ΠΎΡΡ ΠΏΡΠΎΠ²ΠΎΠ΄ΡΡΡΡ Π² Π΄Π΅ΠΉΡΡΠ²ΡΡΡΠ΅ΠΉ ΡΠΈΡΡΠ΅ΠΌΠ΅, ΡΠΎ ΠΏΡΠ΅Π΄Π²Π°ΡΠΈΡΠ΅Π»ΡΠ½ΠΎ Π΄ΠΎΠ»ΠΆΠ½Π° ΡΠ»ΠΈΠ²Π°ΡΡΡΡ Π²ΠΎΠ΄Π°.
stroimdelaem.ru



