12 вольт диоды – Светодиоды на 12 вольт: особенности и схемы подключения
Содержание:
Светодиоды уже давно используются в различных сферах жизни и деятельности людей. Благодаря своим качествам и техническим характеристикам, они приобрели широкую популярность. На основе этих источников света создаются оригинальные светотехнические конструкции. Поэтому у многих потребителей довольно часто возникает вопрос, как подключить светодиод к 12 вольтам. Данная тема очень актуальна, поскольку такое подключение имеет принципиальные отличия от других типов ламп. Следует учитывать, что для работы светодиодов используется только постоянный ток. Большое значение имеет соблюдение полярности при подключении, в противном случае, светодиоды просто не будут работать. Особенности подключения светодиодовВ большинстве случаев для подключаемых светодиодов требуется ограничение тока с помощью резисторов. Но, иногда вполне возможно обойтись и без них. Например, фонарики, брелоки и другие сувениры со светодиодными лампочками питаются от батареек, подключенных напрямую. В этих случаях ограничение тока происходит за счет внутреннего сопротивления батареи. Ее мощность настолько мала, что ее попросту не хватит, чтобы сжечь осветительные элементы.
Однако при некорректном подключении эти источники света очень быстро перегорают. Наблюдается стремительное падение яркости свечения, когда на них начинает действовать нормальный ток. Светодиод продолжает светиться, но в полном объеме выполнять свои функции он уже не может. Такие ситуации возникают, когда отсутствует ограничивающий резистор. При подаче питания светильник выходит из строя буквально за несколько минут. Одним из вариантов некорректного подключения в сеть на 12 вольт является увеличение количества светодиодов в схемах более мощных и сложных устройств. В этом случае они соединяются последовательно, в расчете на сопротивление батарейки. Однако при перегорании одной или нескольких лампочек, все устройство выходит из строя. Существует несколько способов, как подключить светодиоды на 12 вольт схема которых позволяет избежать поломок. Можно подключить один резистор, хотя это и не гарантирует стабильную работу устройства. Это связано с существенными различиями полупроводниковых приборов, несмотря на то, что они могут быть из одной партии. Они обладают собственными техническими характеристиками, отличаются по току и напряжению. При превышении током номинального значения один из светодиодов может перегореть, после этого остальные лампочки также очень быстро выйдут из строя. В другом случае предлагается соединить каждый светодиод с отдельным резистором. Получается своеобразный стабилитрон, обеспечивающий корректную работу, поскольку токи приобретают независимость. Однако данная схема получается слишком громоздкой и чрезмерно загруженной дополнительными элементами. В большинстве случаев ничего не остается, как подключить светодиоды к 12 вольтам последовательно. При таком подключении схема становится максимально компактной и очень эффективной. Для ее стабильной работы следует заранее позаботиться об увеличении питающего напряжения. Определение полярности светодиодаЧтобы решить вопрос, как подключить светодиоды в цепь 12 вольт, необходимо определить полярность каждого из них. Для определения полярности светодиодов существует несколько способов. Стандартная лампочка имеет одну длинную ножку, которая считается анодом, то есть, плюсом. Короткая ножка является катодом – отрицательным контактом со знаком минус. Пластиковое основание или головка имеет срез, указывающий на место расположения катода – минуса.
В другом способе необходимо внимательно посмотреть внутрь стеклянной колбочки светодиода. Можно легко разглядеть тонкий контакт, который является плюсом, и контакт в форме флажка, который, соответственно, будет минусом. При наличии мультиметра можно легко определить полярность. Нужно выполнить установку центрального переключателя в режим прозвонки, а щупами прикоснуться к контактам. Если красный щуп соприкоснулся с плюсом, светодиод должен загореться. Значит черный щуп будет прижат к минусу. Тем не менее, при кратковременном неправильном подключении лампочек с нарушением полярности, с ними не произойдет ничего плохого. Каждый светодиод способен работать только в одну сторону и выход из строя может случиться только в случае повышения напряжения. Значение номинального напряжения для отдельно взятого светодиода составляет от 2,2 до 3 вольт, в зависимости от цвета. При подключении светодиодных лент и модулей, работающих от 12 вольт и выше, в схему обязательно добавляются резисторы. Расчет подключения светодиодов в схемах на 12 и 220 вольтОтдельный светодиод невозможно напрямую подключить к источнику питания на 12 В поскольку он сразу же сгорит. Необходимо использование ограничительного резистора, параметры которого рассчитываются по формуле: R= (Uпит-Uпад)/0,75I, в которой R является сопротивлением резистора, Uпит и Uпад – питающее и падающее напряжения, I – ток, проходящий по цепи, 0,75 – коэффициент надежности светодиода, являющийся постоянной величиной.
В качестве примера можно взять схему, используемую при подключение светодиодов на 12 вольт в авто к аккумулятору. Исходные данные будут выглядеть следующим образом:
В соответствии с формулой, приведенной выше, значение сопротивления будет следующим: R = (12 – 2,2)/0,75 х 0,01 = 1306 Ом или 1,306 кОм. Таким образом, ближе всего будет стандартная величина резистора в 1,3 кОм. Кроме того, потребуется расчет минимальной мощности резистора. Данные расчеты используются и при решении вопроса, как подключить мощный светодиод к 12 вольтам. Предварительно определяется величина фактического тока, которая может не совпадать со значением, указанным выше. Для этого используется еще одна формула: I = U / (Rрез.+ Rсвет), в которой Rсвет является сопротивлением светодиода и определяется как Uпад.ном. / Iном. = 2.2 / 0,01 = 220 Ом. Следовательно, ток в цепи составит: I = 12 / (1300 + 220) = 0,007 А. В результате, фактическое падение напряжения светодиода будет равно: Uпад.свет = Rсвет х I = 220 х 0,007 = 1,54 В. Окончательно значение мощности будет выглядеть так: P = (Uпит. — Uпад.)² / R = (12 -1,54)²/ 1300 = 0,0841 Вт). Для практического подключения значение мощности рекомендуется немного увеличить, например, до 0,125 Вт. Благодаря этим расчетам, удается легко подключить светодиод к аккумулятору 12 вольт. Таким образом, для правильного подключения одного светодиода к автомобильному аккумулятору на 12В, в цепи дополнительно понадобится резистор на 1,3 кОм, мощность которого составляет 0,125Вт, соединяющийся с любым контактом светодиода. Расчет подключения светодиода к сети 220В осуществляется по такой же схеме, что и для 12В. В качестве примера берется такой же светодиод с током 10 мА и напряжением 2,2В. Поскольку в сети используется переменный ток напряжением 220В, расчет резистора будет выглядеть следующим образом: R = (Uпит.-Uпад.) / (I х 0,75). Вставив в формулу все необходимые данные, получаем реальное значение сопротивления: R = (220 — 2.2) / (0,01 х 0,75) = 29040 Ом или 29,040 кОм. Ближайший стандартный номинал резистора – 30 кОм. Далее выполняется расчет мощности. Вначале определяется значение фактического тока потребления: I = U / (Rрез.+ Rсвет). Сопротивление светодиода рассчитывается по формуле: Rсвет = Uпад.ном. / Iном. = 2.2 / 0,01 = 220 Ом. Следовательно, ток в электрической цепи будет составлять: I = 220 / (30000 + 220) = 0,007А. В результате, реальное падение напряжение на светодиоде будет следующим: Uпад.свет = Rсвет х I = 220 х 0,007 = 1,54В.
Для определения мощности резистора используется формула: P = (Uпит. — Uпад.)² / R = (220 -1,54)² / 30000 = 1,59Вт. Значение мощности следует увеличить до стандартного, составляющего 2Вт. Таким образом, чтобы подключить один светодиод к сети с напряжением 220В понадобится резистор на 30 кОм с мощностью 2Вт. Однако в сети протекает переменный ток и горение лампочки будет происходить лишь в одной полуфазе. Светильник будет выдавать быстрый мигающий свет, с частотой 25 вспышек в секунду. Для человеческого глаза это совершенно незаметно и воспринимается как постоянное свечение. В такой ситуации возможны обратные пробои, которые могут привести к преждевременному выходу из строя источника света. Чтобы избежать этого, выполняется установка обратно направленного диода, обеспечивающего баланс во всей сети. Ошибки при подключении |
electric-220.ru
Подключение светодиода к 12 вольтам в машине своими руками 📹
Светодиоды — это современные, экономичные, надежные радиоэлементы, применяемые для световой индикации. Мы думаем об этом знает каждый и все! Именно исходя из этого опыта, столь высоко желание применить именно светодиоды, для конструирования самых различных электрических схем, как в бытовой электронике, так и для автомобиля. Но здесь возникают определенный трудности. Ведь самые распространенные светодиоды имеют напряжение питания 3…3,3 вольта, а бортовое напряжение автомобиля в номинале 12 вольт, при этом порой поднимается и до 14 вольт. Само собой здесь всплывает закономерное предположение, что для подключения светодиодов к 12 вольтовой сети машины, необходимо будет понизить напряжение. Именно этой теме, подключению светодиода к бортовой сети автомобиля и понижению напряжения, будет посвящена статья.
Два основных принципа о том как можно подключить светодиод к 12 вольтам или понизить напряжение на нагрузке
Прежде, чем перейти к конкретным схемам и их описаниям, хотелось бы сказать о двух принципиально разных, но возможных вариантах подключения светодиода к 12 вольтовой сети.
Первый, это когда напряжение падает за счет того, что последовательно светодиоду подключается дополнительное сопротивление потребителя, в качестве которого выступает микросхема-стабилизатор напряжения. В этом случае определенная часть напряжения теряется в микросхеме, превращаясь в тепло. А значит вторая, оставшаяся, достается непосредственно нашему потребителю — светодиоду. Из-за этого он и не сгорает, так как не все суммарное напряжение проходит через него, а только часть. Плюсом применения микросхемы является тот факт, что она способна в автоматическом режиме поддерживать заданное напряжение. Однако есть и минусы. У вас не получиться снизить напряжение ниже уровня, на которое она рассчитана. Второе. Так как микросхема обладает определенным КПД, то падение относительно входа и выхода будет отличаться на 1-1,5 вольта в меньшую сторону. Также для применения микросхемы вам необходимо будет применить хороший рассеивающий радиатор, установленный на ней. Ведь по сути тепло выделяемое от микросхемы, это и есть невостребованные нами потери. То есть то, что мы отсекли от большего потенциала, чтобы получить меньший.
Конечно, тот и другой вариант не идеальны, так при работе от портативных источников энергии каждый из них будет тратить часть полезной энергии на тепло. А это актуально! Но что сделать, таков уж принцип их работы. В этом случае источник питания будет тратить часть своей энергии не на полезное действие, а на тепло. Здесь панацеей является использование широтно-импульсной модуляции, но это значительно усложняет схему… Поэтому мы все же остановимся на первых двух вариантах, которые и рассмотрим на практике.
Подключение светодиода через сопротивление к 12 вольтам в машине (через резистор)
Начнем, как и в абзаце выше, с варианта подключения светодиода к напряжению в 12 вольт через резистор. Для того чтобы вам лучше было понять как же происходит падение напряжение, мы приведем несколько вариантов. Когда к 12 вольтам подключено 3 светодиода, 2 и 1.
Подключение 1 светодиода через сопротивление к 12 вольтам в машине (через резистор)
Итак, у нас есть светодиод. Его напряжение питания 3,3 вольта. То есть если бы мы взяли источник питания в 3,3 вольта и подключили к нему светодиод, то все было бы замечательно. Но в нашем случае наблюдается повышенное напряжение, которое не трудно посчитать по формуле. 14,5-3,3= 11,2 вольта. То есть нам необходимо первоначально снизить напряжение на 11,2 вольта, а затем лишь подать напряжение на светодиод. Для того чтобы нам рассчитать сопротивление, необходимо знать какой ток протекает в цепи, то есть ток потребляемый светодиодом. В среднем это около 0,02 А. При желании можете посмотреть номинальный ток в даташите к светодиоду. В итоге, по закону Ома получается. R=11,2/0,02=560 Ом. Сопротивление резистора рассчитано. Ну, а уж схему нарисовать и того проще.

Мощность резистора рассчитывается по формуле P=UI=11.2*0,02=0,224 Вт. Берем ближайший согласно стандартного типоряда.
Подключение 2 светодиодов через сопротивление к 12 вольтам в машине (через резистор)
По аналогии с предыдущим примером все высчитывается также, но с одним условием. Так как светодиода уже два, то падение напряжения на них будет 6,6 вольта, а оставшиеся 14,5-6,6=7,9 вольта останутся резистору. Исходя из этого, схема будет следующей.

Так как ток в цепи не изменился, то мощность резистора остается без изменений.
Подключение 3 светодиодов через сопротивление к 12 вольтам в машине (через резистор)
И еще один вариант, когда практически все напряжение гасится светодиодами. А значит, резистор по своему номиналу будет еще меньше. Всего 240 Ом. Схема подключения 3 светодиодов к бортовой сети машины прилагается.
Напоследок нам лишь осталось сказать, что при расчетах было использовано напряжение не 12, а 14,5 вольт. Именно такое повышенное напряжение обычно возникает в электросети машины, когда она заведена.
Также не трудно прикинуть, что при подключении 4 светодиодов, вам и вовсе не потребуется применение какого либо резистора, ведь на каждый из светодиодов придется по 3,6 вольта, что вполне допустимо.
Подключение светодиода через стабилизатор напряжения к 12 вольтам в машине (через микросхему)
Теперь перейдем к стабилизированной схеме питания светодиодов от 12 вольт. Здесь, как мы уже и говорили, существует схема, которая регулирует собственное внутреннее сопротивление. Таким образом, питание светодиода будет осуществляться устойчиво, независимо от скачков напряжения бортовой сети. К сожалению минусом применения микросхемы является тот факт, что минимальное стабилизированное напряжение, которое возможно добиться будет 5 вольт. Именно с таким напряжением можно встретить наиболее широко известные микросхемы – стабилизаторы КР142 ЕН 5Б или иностранный аналог L7805 или L7805CV. Здесь разница лишь в производителе и номинальном рабочем токе от 1 до 1,5 А.

Так вот, оставшееся напряжение с 5 до 3,3 вольт придется гасить все по тому же примеру что и в предыдущих случаях, то есть с помощью применения резистора. Однако снизить напряжение резистором на 1,7 вольта это уже не столь критично как на 8-9 вольт. Стабилизация напряжения в этом случае все же будет наблюдаться! Приводим схему подключения микросхемы стабилизатора.
Как видите, она очень простая. Реализовать ее может каждый. Не сложнее чем припаять тот же резистор. Единственное условие это установка радиатора, который будет отводить тепло от микросхемы. Его установить нужно обязательно. На схеме написано что микросхема может питать 10 цепочек со светодиодом, на самом деле этот параметр занижен. По факту, если через светодиод проходит около 0,02 А, то она может обеспечивать питанием до 50 светодиодов. Если вам необходимо обеспечить питание большего количества, то используйте вторую такую же независимую схему. Использование двух микросхем подключенных параллельно не правильно. Так как их характеристики немного, да будут отличаться друг от друга, из-за индивидуальных особенностей. В итоге, у одной из микросхем будет шанс перегореть намного быстрее, так как режимы работы у нее будут иные — завышенные.
О применение аналогичных микросхем мы уже рассказывали в статье «Зарядное устройство на 5 вольт в машине». Кстати, если вы все же решитесь выполнить питание для светодиода на ШИМ, хотя это вряд ли того стоит, то эта статья также раскроет вам все секреты реализации такого проекта.
Подводя итог о подключение светодиода к 12 вольтам в машине своими руками
Подводя итог о подключении светодиода к 12 вольтовой сети можно сказать о простоте выполнения схемотехники. Как со случаем где применяется резистор, так и с микросхемой – стабилизатором. Все это легко и просто. По крайней мере, это самое простое, что может вам встретиться в электронике. Так что осилить подключение светодиода к бортовой сети машины в 12 вольт должен каждый и наверняка. Если уж и это не «по зубам», то за более сложное и вовсе браться не следует.
Видео по подключению светодиода к сети в автомобиле
… а теперь чтобы вам было легче прикинуть какой номинал сопротивления нужен и какой мощностью для вашего конкретного случая, можете воспользоваться калькулятором подбора резистора
autosecret.net
Схемы подключение светодиодов к 12 В

После статьи о подключении светодиодов к 220 В множество вопросов у посетителей отпало. Но возник другой вопрос — в частности: подключение светодиодов к 12 В. В большей своей части этим интересуются автолюбители.
Я хочу сделать схему. которая позволит питать от 1-3 светодиодов в параллель от 12 В. Воспользовавшись одним из онлайн калькуляторов высчитал, что мне нужны 2 резистора — 100 и 33 Ом. После сборки схемы 100 Ом резистор перегревается и происходит сбой. Что нужно сделать, чтобы резистор не перегревался? Оба резистора 1/2 Вт. Светодиоды 3,6 В. Андрей П.
Из множества вопросов выбрал один, наиболее интересный. И попробую более популярно объяснить процесс подключения светодиодов к 12 В.
к оглавлению ↑Подключение светодиодов к 12 В по простой схеме
Вопрос не содержал никаких толковых объяснений, поэтому пришлось не много додумать его. По моему мнению схема подключения светодиодов к 12 В выглядит следующим образом: два резистора используются для деления напряжения, причем светодиоды подключаются параллельно к точке соединения двух резисторов.

Данная схема не подходит для наших целей, деления в пропорции 1 к 4 не будет.
Нам необходимо либо использовать три светодиода, соединенных последовательно с одним резистором, или если Вы все-таки желаете параллельное соединение, то резистор необходимо устанавливать у каждого LED.

В моем случае я бы взял сопротивление по 20 мА. Это самое оптимальное решение. А вообще, резисторы подбирать нужно от конкретного типа светодиодов.
к оглавлению ↑Подключение светодиодов к автомобильному аккумулятору от 9-12-16В
Рассмотренная выше схема подключения очень простая и подразумевает, что у Вас есть постоянный ток на 12 В.
Ранее я уже оговорился, что большинство вопросов задают автолюбители, а это само — собой подразумевает подключение любых светодиодов к аккумулятору авто. Большинство аккумуляторов работают на номинальных 12 В, но разброс напряжения на батарее начинается от 9 В и заканчивается на 16 В во время эксплуатации.
Возьмем простой пример — падение напряжения на светодиоде порядка 3,5 В при токе 100 мА. следовательно мы имеем мощность в 0,35 Вт (Мощность = ток х Напряжение).
Для светодиода это не сыграет большой роли, т.к. у нас еще есть 12, 5 В, которые мы можем еще куда-нибудь применить, используя, естественно резистор: (16В — 3.5 в) * 100 ма = 1.25 Вт.
Номинальное напряжение батареи 12 В
Номинальная Calcluations (т. е. Vbattery = 12В):
Рled = 3,5 в * 100 ма = 0.35Вт (так же как и раньше)
Presistor = 8,5 в * 100ма = 0.85 Вт
Чтобы избежать излишнего падения напряжения на резистор можно использовать схему ( показанную в первой части статьи). Однако, стоит помнить, что если аккумулятор разряжен и близок к 12 В, то вероятность велика, что Ваши светодиоды, подключенные к 12 В, просто не будут гореть.
3,5 в + 3,5 в + 3,5 В + Ток*Rresistor = довольно близко к 12В.
к оглавлению ↑Подключение светодиодов к 12 В используя два резистора
Можно подключить светодиоды к 12 В используя не один а два резистора. Схема не много сложнее, но более безопасна и «более рабочая».
В каждой строке подключается биполярный транзистор. В первой строке мы видим, что база замыкается на коллектор и эмиттер и на землю. Все базы связываются между собой. В результате чего ток через каждую строку будет идти одинаковый. Гарантировать на все сто процентов работу не возможно, так как большую роль может сыграть температурный режим.
Еще раз повторюсь. что данная схема «более безопасна», т.к. в этом случае можно не использовать большие 2 Вт резисторы, которые достаточно сильно греются. Помимо этого. экспериментальным путем, можно регулировать яркость светодиодов, подбирая транзисторы.
к оглавлению ↑Видео подключения светодиода к 12 вольт
Понимаю, что большинству будет не понятно все то. что здесь написано. поэтому для тех, кто хочет просто увидеть и повторить — смотрите видео, в котором популярно показано как подключать светодиоды к постоянному току 12 Вольт.
leds-test.ru
Светодиоды 12 вольт
Светодиоды в последнее время получили довольно широкое распространение среди населения.
Все чаще в интернете на соответствующих форумах появляются сообщения о разработках светдиодов все более высокой мощности. А сколько товаров на основе этого элемента запущено в оборот.
Для не разбирающегося человека светодиод представляется довольно сложно, хотя мы все сталкивались с ним, достаточно вспомнить мониторы Apple, которые уже давно изготавливаются с использованием светодиодной подсветки. А новые выпускаемые иномарки все чаще оснащаются светодиодными фарами.
Что такое светодиоды
На самом деле в светодиоде ничего сверхъестественного нет. Это довольно простой элемент, прибор, который базирует свою работу на полупроводнике, а свет он дает, когда через него пропускается электрический ток.
Сегодня светодиоды производится из самых разнообразных полупроводниковых материалов, состав которых как раз и определяет его качественные характеристики: световой поток, цвет, яркость и т.д.
Естественно, что классифицируются светодиоды по самым разнообразным признакам. Это и цвет, и размер, и форма корпуса, и, самое главное, мощность и яркость, что, собственно, и обуславливает то, насколько яркой будет подсветка, и какова будет цена на изделие.
И, конечно, как и все вокруг нас, светодиоды обладают своими достоинствами и недостатками.
Например, яркость и привлекательность цвета, долговременный срок службы, компактность, входящие в число плюсов в выборе этого элемента, сопровождаются и некоторыми минусами, связанными с особенностями подключения.
Где их можно встретить?
Впервые свое применение светодиоды нашли в моддинге.
Этот термин знаком не каждому, но обозначает совсем простое действие: моддинг – это просто какие-либо модификационные манипуляции с электроникой или внешним видом техники, чтобы сделать ее более интересной внешне или как-то расширить ее технический потенциал.
Более того, светодиоды в моддинге долгое время оставались самым главным элементом для придания вещи чего-то нового.
Всем нам знакомы, например, вентиляторы с подсветками самых разнообразных цветов, лампы, дополняющие корпус того же ноутбука каким-либо необычным освещением – все это и дает светодиод.
А сколько сейчас представлено компьютерных мышек оптического принципа работы, в которых вместо стандартной лампочки установлен светодиод!
Словом, применяется этот элемент не просто широко, а практически повсеместно.
Автомобильная промышленность, дизайн интерьеров, компьютерная техника – с помощью светодиода вы можете изменить и дополнить практически все, что позволяет ваша фантазия и навыки в области микроэлектроники.
Если раньше светодиод был новшеством исключительно моддинга, то сейчас производство вещей с его участием поставлено на конвейер.
Светодиод применяется везде, где нужно подсветить какой-либо элемент локально и компактно.
К содержанию ↑
Светодиод 12 вольт автомобильный
В автомобильном мире светодиод уже давно стал популярным элементом не только в области самостоятельного тюннинга, но и на массовом производстве.
Светодиоды часто заменяют штатные лампочки, ведь они обладают большим сроком служения, меньшей пожароопасностью, светят они гораздо ярче, да и выглядят намного привлекательнее.
Однако учтите, что и в этом случае правильность подключения играет ведущую роль.
К счастью, cегодня предлагаются кластеры – специализированные цепочки светодиодов для бортовой сети, рассчитанные как раз на 12 вольт.
Правда при изменении оборотов двигателя яркость их будет претерпевать значительные изменения.
Рекомендуем при выборе светодиодов для автомобиля обратить внимание на проверенные компании лидеры в этой области, напрмер:
Подключение светодиода к 12 вольтам
Как было сказано ранее, долговременность работы светодиода будет зависеть в первую очередь именно от того, насколько правильно вы сможете подключить его.
Дело в том, что такая манипуляция с этим подсвечивающим элементом отличается множеством тонкостей и нюансов, без соблюдения которых ваша светодиодная установка будет постоянно перегорать, а значит, потребуется купить новую для замены.
Существуют некоторые правила, которые помогут вам правильно подключить вашу систему:
- Для начала учтем тот факт, что светодиоды разного цвета имеют разное напряжение и разную длину волны. Еще одной важной характеристикой, на которую стоит обратить внимание, это сила тока.
В среднем одному светодиоду потребуется около 20 мА, однако в установке, где полупроводников несколько, это цифра будет куда больше, примерно в расчете 20 мА на одного полупроводника.
Естественно, что перед началом работы со светодиодом стоит уточнить, какое напряжение потребуется ему.
- Важно учесть то, что в подключении светодиода обязательно должен быть задействован резистор.
Если же в выбранном вами светодиоде резистор уже встроен, что довольно редко встречается, то вы можете сразу подключать его к источнику 12 вольтовому.
И, конечно, учтите тот факт, что как и сами светодиоды, резисторы обладают разными характеристиками, а потому стоит внимательно соотнести качественные показатели обоих элементов.
Еще одной хитростью в подключении светодиода можно назвать следующий момент: бывает, что светодиод требует резистора с номиналом, которого в продаже просто не существует. В таком случае вам следует найти резистор с большим показателем сопротивления.
Мощность работы светодиода будет несколько уменьшена, но, во-первых, эта разница не значительна, а во-вторых, это окажет только положительный эффект на степень надежности.
- Если вы подключаете несколько светодиодов к одному резистору, то обязательно учтите, что сила тока всех их должна рассчитываться путем сложения показателей каждого при параллельном подключении, а при последовательном те же математические манипуляции проводятся с показателями напряжения.
И обязательно подключайте светодиоды одной модели, иначе риск того, что конструкция мгновенно сгорит, крайне велик.
Если же ваши знания в физике не слишком хороши, и рассчитать все показатели вам сложно, а этапы подключения светодиода приводят в шок, то в сети вы можете легко найти ресурсы, которые предлагают пользователю не только схемы подключения, но и калькуляторы расчета необходимых данных.
К содержанию ↑
Расскажите друзьям!Понравилась статья? Подписывайтесь на обновления сайта по RSS, или следите за обновлениями В Контакте, Одноклассниках, Facebook, Twitter или Google Plus.
Подписывайтесь на обновления по E-Mail:
Если вы нашли неточность или у вас есть вопрос, напишите в форме комментария ниже:
zavodsvetodiodov.ru
Подключение светодиода к 12 В
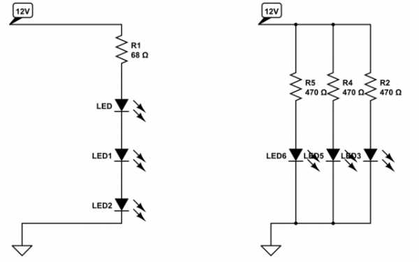
Подключение светодиода к источнику питания 12 В может быть осуществлено несколькими способами. Первым вариантом решения задачи является увеличение последовательно соединенных светодиодов в цепи. Второй способ связан с применением токоограничивающего резистора.
Рассмотрим оба способа.
Расчет резистора на примере одного светодиода
Большинство светодиодов имеют прямое падение напряжения при допустимом токе 1,8 – 3,6 В. Следовательно, для подключения к источнику 12 В нам необходимо понизить напряжение на светодиоде, в противном случае он сгорит. Это выполняется при помощи токоограничивающего резистора. При правильно подобранном сопротивлении которого светодиод будет работать исправно. Чтобы узнать где катод, а где анод светодиода прочтите эту статью.
Допустим, что у нас имеется белый светодиод, параметры которого следующие:
Расчет резистора проводится согласно следующей формуле:
где Uп – это напряжение питания, Uсв – прямое падение напряжения на светодиоде, а I – ток светодиода, 0,75 – коэффициент надежности светодиода.
Если неизвестен ток светодиода, но известна его мощность, формула приобретает вид:
В нашем случае, ток светодиода известен.
Исходя из наших расчетов, нам необходим ближайший по номиналу резистор на 620 Ом. В случае если рассчитанное сопротивление выйдет таким, что резистор подобрать будет сложно, то есть смысл использовать несколько параллельно соединенных резисторов.
Чтобы резистор не сгорел, необходимо правильно подобрать его по мощности. Для этого сделаем расчет мощности выделяемой на резисторе.
Рассчитываем сопротивление светодиода:
Затем рассчитываем общий ток в цепи с учетом добавленного сопротивления резистора:
Подставляем получившееся значение в формулу мощности постоянного тока:
Делаем вывод, что нам нужен резистор, рассчитанный как минимум на 0,25 Вт мощности. Если у вас не имеется такого резистора под рукой, можно выйти из ситуации при помощи двух подключенных параллельно резистора по 0,125 Вт каждый или просто поставив увеличить номинал резистора на 15-20%(в данном случае это возможно, но при этом яркость светодиода снизится).
Подключение 3-х светодиодов к 12 В
Подключение трех светодиодов к источнику питания 12 В, позволяет использовать резистор с меньшей мощностью, так как суммарное падение напряжения на трех светодиодах будет больше в 3 раза.

Допустим, что у нас имеется желтый светодиод со следующими параметрами:
Рассчитаем сопротивление балластного резистора по уже известной формуле:
Ближайший резистор, подходящий по номиналу 510 Ом, определим требуемую мощность
Рассчитываем сопротивление светодиода:
Общий ток в цепи с учетом добавленного сопротивления резистора:
Подставляем получившееся значение в формулу мощности постоянного тока:
По сравнению с предыдущим примером, в данном случае нам требуется менее мощный резистор, а значит, выбираем на 0,125 Вт.
Данная схема подключения используется в светодиодных лентах на 12 В, с той лишь разницей, что там таких цепочек несколько и между собой они соединены параллельно.
Этот способ имеет существенный недостаток – при сгорании одного из светодиодов, остальные перестают работать.
electroandi.ru
Сверхяркие светодиоды на 12 вольт
Если бы человечеству было невыгодно использование светодиодов, то о них бы знал только ограниченный круг ученых. Но источник с принципиально новым видом излучения оказался весьма эффективным. Со временем маленькие кристаллики стали объединять по несколько штук в одном корпусе, научились также выращивать супер кристаллы увеличенных размеров. В результате получили ультраяркие светодиоды, или, как их еще называют, сверхяркие светодиоды, с широчайшими возможностями применения.
Сам по себе элементарный светодиод рассчитан на напряжение на более 3-5 Вольт. Его характеристики дают возможность применять такой элемент в целях индикации и для декоративного освещения. Однако ученым удалось разработать более мощные приборы, используя ряд ухищрений. Так на свет появились сверхяркие супер светодиоды на 12 Вольт. Применяя драйвер, устройство на 12 Вольт можно подключать к более высокому напряжению, в том числе к сети 220 Вольт.
Импульсное изменение яркости
Главным достоинством, которым обладает сверхъяркий супер светодиод на 12 вольт, являются его малые энергетические аппетиты и одновременно с этим яркий свет. Дополнительное преимущество – контролируемое изменение яркости светодиодов, для чего применяют контроллер. Получается, что прибор, в котором используются сверхяркие светодиоды, может уменьшить или увеличить интенсивность своего излучения.
Чтобы управлять яркостью светодиодов, применяют широтно-импульсную модуляцию. При таком методе уменьшить яркость можно, периодически выключая лампочку. Лампа пульсирует, и параметры пульсации будут определять интенсивность ее свечения.
Этот принцип работы позволяет расширить возможности светодиодов повышенной яркости. В итоге мы получаем функциональные:
- фонарики;
- автомобильные фары;
- световую сигнализацию;
- домашние светильники.
Заметим, что в сигнализации применяют мигающий светодиод на 5, 12 и даже 14 вольт, помогающий привлечь внимание к витринам, прилавку или окошку кассы. Используют также низковольтные приборы. Мигающий светодиод устроен несколько иначе, чем обычная индикаторная лампочка. В корпус, где находится кристалл, помещен чип импульсного генератора.
Чаще всего суперяркие светодиод на 12 вольт заменяют галогенные лампы, дающие направленный свет. Именно поэтому, производя лампы с использованием светодиодов, им делают стандартный цоколь E14, GU10 и некоторые другие.
Важные характеристики
Все суперяркие источники имеют такие же световые характеристики, как обычные светодиоды:
- световой поток;
- яркость;
- светоотдача;
- освещенность
Устанавливая 12-вольтную светодиодную лампу на тот или иной прибор, необходимо понимать, что ее эффективность зависит от длины волны излучения или, проще говоря, от цвета. Вот таблица, в которой приведена зависимость.
| Цвет сверхъяркого светодиода | Эффективность (Люмен/Ватт) |
| Красный | 72 |
| Оранжевый, желтый | 98 |
| Зеленый | 93 |
| Голубой | 75 |
| Синий | 37 |
Но изучая эти характеристики, не каждый человек сможет понять, какой именно прибор ему подойдет. Гораздо легче определиться, глядя на электрические параметры: напряжение, максимальный прямой ток, мощность прибора.
Помимо этого существуют и другие характеристики. Суперяркие светодиоды могут быть созданы на основе одного кристалла или быть многокристальными. Такие характеристики, как длина волны и цветовая температура, отвечают за цвет свечения. Важные параметры – угол свечения, размер корпуса и количество светодиодов в одной лампе.
Разработка новых моделей привела к тому, что появилась еще одна отличительная черта – форма корпуса. Популярным корпусом для ультроярких светодиодов на 12 вольт является «пиранья», имеющая четыре вывода. Существуют также модели с двумя выводами и модели, предназначенные для поверхностного монтажа.
Каждой модели прибора соответствует своя таблица параметров, заглянув в которую можно выяснить особенности работы этого прибора.
Несколько предостережений
Главной проблемой при производстве суперярких светодиодов является проблема теплоотвода. Светодиоду нельзя перегреваться, иначе интенсивность освещения необратимо уменьшится. Особенно перегреву подвержены суперяркие приборы большой мощности, поэтому при самостоятельном монтаже необходимо обеспечивать их охлаждение с помощью радиатора.
Повышенное внимание обращайте на электрические параметры, не допуская подключения к напряжению, которое выше указанного в инструкции, и обеспечивая только допустимый ток. Таким образом, суперяркие источники смогут светить максимально долго.
Аккуратно обращайтесь с медными выводами, поскольку их перегиб или сильная деформации приведет к тому, что мощность сигнала изменится.
le-diod.ru
Как подключать светодиоды — Схема-авто — поделки для авто своими руками
Многие автовладельцы хотели бы заменить простые лампочки на светодиоды, их освещение это; — первое — очень низкий ток потребления, второе — надежность и долговечность, третье — более высокая светоотдача по сравнению с простой лампочкой и четвертое отсутствие нагрева. Если вы вдруг забыли выключить габариты, а утром пришли в гараж и были приятно удивлены, что аккумулятор не разряжен.
Эта статья расскажет вам как самостоятельно заменить автомобильные лампочки на светодиоды и избежать ошибок. Хочу сказать- не пытайтесь сразу выкидывать лампочки и сувать на их место светодиоды, ничего хорошего из этого не выйдет…
Будьте внимательны и аккуратны, ремонт электрооборудования в результате ваших неправильных действий – штука не очень приятная. Это касается не только светодиодов, но и других, любых действий с электропроводкой автомобиля. Но, тем не менее, ничего сложного в подобной замене нет, любой человек способен произвести ее самостоятельно, прочитав данную статью.
Основы, которые нам нужно усвоить:
Первое —— Напряжение в сети автомобиля обычно это 12 — 13,5 Вольт при заглушенном движке и 13 — 14,5 В при заведенном двигателе.
Второе ——- Напряжение питания обычного светодиода – 3,5 вольта. В зависимости от цвета и маркировки — это значение может быть таким — для красных и желтых светодиодов — 2 — 2,5 вольта.; для зеленых , синих, белых — 3-3,8 вольт. Ток маломощного светодиода – 20 мА, а мощного достигает до 350 мА. (Но это очень мало)
Третье ——- Не все светодиоды,если сравнивать с лампочками, освещают пространство вокруг себя. Это нужно учитывать к примеру, когда меняешь индикаторные лампы, к примеру, в приборной панели. Когда покупаете светодиод нужно обратить внимание на тип линзы или просто спросить у продавца (если конечно он в этом сам разбирается). Узконаправленные светодиоды, практически все, имеют на конце маленькую увеличительную линзу. Мой совет, купите разных светодиодов и проверьте сами какие вам больше подойдут.
Четвертое ——- У светодиода, есть плюс и минус, как и у аккумулятора. Минус у него это- катод, плюс — анод, вот как выглядят на схемах :
Если вы правильно поняли, то просто взять и воткнуть в бортовую сеть, значит просто сжечь его. Хотите в этом убедиться ? Попробуйте подключить любой светодиод напрямую к аккумулятору. Он красиво вспыхнет, задымится и сгорит. Зато будете иметь представление, как это происходит.
Подключаем светодиоды
Первое — В продаже, на сегодняшний день, есть светодиодные панельки, они ещё называются кластерами, вот эти кластеры рассчитаны на 12 вольт. Их можно сразу взять и подключить к бортовой сети автомобиля и радоваться как они красиво горят. Но есть одно «но»– при изменении оборотов двигателя, соответственно будет и меняться их яркость.
Не очень заметно конечно, но видно… К тому же, нормально они светят только при напряжении 12,5 вольт, и если у вас низкое напряжение в сети авто, кластеры будут гореть тускло. Состав кластера это — цепочка светодиодов и резисторов. На каждые 3 светодиода — один резистор, который нужен для гашения лишнего напряжения.
Светодиодные ленты, по принципу, устроены практически также, и если вам надо, к примеру отрезать какой-то кусок, небольшого размера, посмотрите на ленту, там вы увидите те места, где ее можно отрезать. Обычно это 3 светодиода и 1 резистор, и можно резать…
Второе — Можно самому сделать цепочку из последовательно соединенных между собой кластеров и два вывода к питанию Но любые светодиоды можно высчитать…К примеры если они для 12-14 вольт, то нам понадобится 3 светодиода. В сумме они дадут 3,5х3=10,5 вольт. Последовательное соединение– это когда плюс первого светодиода соединяется с минусом следующего диода и так далее…
Но, их пока подключать еще нельзя, нужно также последовательно включить в цепочку гасящий резистор — номиналом 100-150 Ом, и мощностью 0,5 Вт. Резисторы можно приобрести в любом магазине радиодеталей.
Но данный способ имеет недостаток, о котором мы говорили выше — это изменение свечения при смене оборотов двигателя. Но этим способом можно пользоваться…Если вам надо поставить больше 3 диодов(в цепочке), то тут уже придеться соединять паралельно.
Параллельно — это значит соединять несколько цепочек (3 диода+резистор—одна цепочка), плюс цепочки надо соединять обязательно с плюсом следующей цепочки, и также минус к минусу. Номинал резистора, можно высчитать по закону Ома. Если вы не дружите с Омом то, можно применить такое правило: если включаете один светодиод — то резистор надо 500 Ом, если 2, то 300 Ом, 3 светодиода — 150 Ом. Но лучше всё же почитайте закон Ома, чтобы не наделать ошибок.
Теперь немного по-подробней. Вам понадобятся :
тестер Первое — Прибор-измеритель или просто сказать»Мультиметр». Можно купить практически везде… Только не надо покупать самый дорогой, чем проще тем вам будет понятней. Им можно будет произвести все нужные измерения, но сначало, конечно надо немного изучить по инструкции как им пользоваться.
Второе — Немного о Законе Ома для электрической цепи, то есть для вашего
светодиода и резистора, будет такая формула R=U/I .
Где R — это сопротивление резистора, U — напряжение, которое нам надо погасить, и I — это ток в цепи. То есть, объесняю, для того чтобы получить сопротивление гасящего резистора, надо взять и разделить напряжение, на ток, который нужно получить.
Рассмотрим пример.
Допустим у нас есть белый светодиод и его надо подключить к авто… Напряжение питания данного светодиода 3,5 вольт, ток — 20 мА.
Первое — Что нужно сделать это измерить напряжение в том месте, где мы его собираемся устанавливать. Само напряжение в разных частях автомобиля (на разных разъёмах)может быть разным…
Итак включаем прибор в режим измерения напряжения и производим замер.
Допустим у нас вышло 13 вольт.
Второе — Вычитаем из 13 вольт напряжение светодиода (3,5 вольт). И получаем 9,5 вольт. Ток в нашу формулу надо подставлять в амперах, в одном ампере 1000 миллиампер, то есть 20 мА это 0,02 Ампера. Также по
формуле вычисляем сопротивление : 9,5/0,02=475 Ом.
Для того чтобы наш резистор не грелся, надо вычислить его мощность. Для этого нам нужно умножить напряжение, которое гасит резистор — 9,5 в, на ток, который проходит через него — 0,02 ам. 9,5 умножаем на 0,02= 0,19 ватт. Конечно берём чуть с запасом — то есть 0,5-1 ватт.
Чтобы померить ток в цепи. Надо включить наш «мультиметр» в режиме измерения тока в разрыв между резистором и светодиодом (то есть соединять надо последовательно). Для этого надо установить диск переключения на мультиметре на «10А», и воткнуть красный щуп в гнездо с надписью «10А». Он должен нам показать 20 миллиампер или немного меньше. У резисторов и светодиодов есть небольшой разброс параметров, поэтому ток может немного отличаться.
Чем больше будет ток, тем ярче будет светить наш светодиод, но это может сказаться на сроке его службы. Поэтому для обычных светодиодов не нужно устанавливать ток выше 20 микроампер, среднее значение — 18мА.
Вот так теперь вы узнали, из вышеописанного, как можно подключить любое количество светодиодов в любом месте автомобиля. Нужно только знать напряжение и ток, и далее следовать формуле.Ещё к дополнению, можно подключать параллельно светодиоду простой диод, практически любого типа, он избавит нас от напряжения обратной полярности. Подключать надо катод диода к аноду светодиода.
Дальше—— мы узнаем как подсоеденить светодиоды, чтобы обороты двигателя не влияли на их яркость…
Конечно самым правильным будет включить светодиоды через стабилизатор. Стабилизатор служит для стабилизирования напряжения и ограничивания тока, таким образом, можно подсоединить хоть киловольт, а светодиод всё равно будет светить нормально.
Для стабилизации тока используются приборы, их называют драйверами. Вот самый простой драйвер — схема на микросхеме-стабилизаторе LM317. Главное достоинство этой микросхемы — её очень трудно спалить.


Нам потребуется микросхема и трехвыводной стабилизатор напряжения.
Слишком подробно не буду писать, итак нам надо переменный резистор 0,5 кОм. Дальше надо припаять средний вывод резистора к любому крайнему. Включаем свой мультиметр, ставим в режим измерения сопротивления. Потом подключаем к проводам резистора, который паяли, и замеряем сопротивление . Вращением резистора надо добиться, чтобы он нам показал 500 Ом (или около того). Это надо для того, чтобы не спалить светодиод при слишком маленьком сопротивлении резистора. Дальше собираем и паяем цепь, ещё раз всё проверяем и подключаем.

Прибор включаем в режим измерения тока. Начинаем вращать переменный резистор и добиваемся показаний в 20 мА. Потом отключаем цепь и замеряем сопротивление резистора и впаиваем вместо него обычный резистор с таким же сопротивлением. Вот и все ваш первый в жизни драйвер собран.
Он у нас имеет ограничение по максимальному току в пределах 1-1,5 А, Если будете включать много светодиодов, то тогда, берите резистор большей мощности.
Если в процессе работы микросхема становится горячей — то нужно сделать для нее теплоотвод или радиатор. Ещё один нюанс наша — корпус автомобиля это «минус» аккумулятора, а подложка нашей микросхемы (корпус) — со своей второй ножкой. Поэтому нельзя крепить ее на кузов , то есть массы без прокладки.
Сама микросхема устроена так, что она снижает напряжение, которое подается на светодиод, на 2-3 вольта.
Поэтому выходное напряжение у этого драйвера будет 11-12 вольт. Но его главный плюс он легок в сборке.
Ну вот будем надеяться, что у вас всё получилось, если что не понятно, пишите в комментариях или на форуме.
.
xn—-7sbbil6bsrpx.xn--p1ai




