220 светодиодные лампы – устройство, как подключить, сделать, отремонтировать
Светодиодные лампочки G4 со встроенным драйвером на 220 v
Добрый день, дорогие Муськовчане!Решил написать обзор про светодиодные лампы G4 с заявленным напряжением 220v.
Наверняка многие используют дома осветительные приборы с и лампами G4 на 12v AC, я постараюсь рассказать от том, чем их можно заменить.
Начну с того, что купить этот товар пришлось дабы переделать люстру в прихожей. С этой люстрой я хлебнул горя по полной. Она была рассчитана на 6 двенадцативольтовых галогенных лампочек G4 мощностью по 40w каждая. В люстре стоял трансформатор на 300w, который преобразовывал 220 v в 12v переменного тока, необходимого для параллельно подключенных лампочек. Только вот беда: лампочки эти нещадно грелись, в результате плавились провода и коротили на массу. Приходилось как минимум раз в несколько месяцев лазить в люстру и менять или изолировать подгоревшие провода и патроны для ламп. Попытки поставить лампы на 20 w, не увенчались успехом, банально не хватало света, да и коротыши продолжали случаться. Финалом стал выход из строя трансформатора, который приказал долго жить из за очередного короткого замыкания. Вот я и решил заменить галогенки модными светодиодными лампами. Сначала хотел купить лампочки на 12 v, но это подразумевало очередные проблемы с трансформатором: пришлось бы искать и покупать подходящий по параметрам и по размеру (далеко не каждый влезет в люстру) но наткнулся на этот лот и захотелось рискнуть. Товар был выслан в течении трех дней почтой Китая с треком. Посылка шла примерно месяц. Зайдя на почту, я получил скромненький стандартный пакетик, в котором прощупывались лампочки.

Сразу мелькнула мысль, с таким качеством упаковки я получу кучу осколков, но вскрытие пакета показало, что лампочки находятся в индивидуальной упаковке и более того, состоят из мягкого силикона, так что кроме гнутых контактов у пары ламп, визуально криминала не нашел.
Крупный план

Ну что, приступим к проверке. Ожидания, признаться, были самыми противоречивыми думал или не засветятся вообще, либо загорятся и потухнут, либо взорвутся, но все обошлось. Все десять лампочек засветились, причем нерабочие элементы отсутствовали. Свет заказывал «Теплый белый» но на мой взгляд, он ближе к холодному спектру.

Подключил мультиметр, вот его показания:

Т.е. 0,0418А при 220 v это примерно 9w. Неплохо против 40 у галогенки. Решил люксметром померить освещенность и сравнить с галогенкой. Результат весьма условный многое зависит от мощности трансформатора, но как видно галогенная светит ярче.
Диодная от розетки 220v:

Галогенная от трансформатора:

Что касается критичной для моей люстры температуры, то по сравнению с галогенной светодиодная почти не греется.
Светодиодная:

Галогенная:

Мерцание, к сожалению померить нечем, дискомфорта для глаз нет, но при попытке снять на камеру стробоскопический эффект очень заметен, следовательно чуда не произошло и данная лампочка сгодиться только для нежилых помещений, читать и работать с таким освещением нельзя. Главное теперь оценить долговечность, время все расставит на свои места, потому рекомендовать к покупке пока не могу.
За сим все, прошу сильно не бить, это мой первый обзор, да и в электронике я не силен. Остается только добавить, что товар покупал за свои кровные. Всем добра!
Да, забыл, кота у меня нет, но есть кролик Стёпа:
mysku.ru
Устройство светодиодных ламп на 220в
Устройство и принцип работы светодиодной лампы

- Принцип действия светодиодных ламп
- Общее устройство светодиодных источников света
- Преимущества светодиодных ламп
- Видео: как устроена светодиодная лампа
Вопросы снижения потребляемой электроэнергии решаются не только на государственном уровне. Эта проблема актуальна и для рядовых потребителей. В связи с этим, в квартирах, офисах и других учреждениях, начинают широко внедряться не только мощные, но и экономичные источники света. Среди них все более широкое распространение получают светодиодные лампы. Устройство и принцип работы светодиодной лампы позволяет использовать ее со стандартным патроном и подключать в электрическую сеть напряжением 220 В. Для того чтобы сделать правильный выбор, нужно знать основные преимущества и особенности современных источников света.
Принцип действия светодиодных ламп
В работе светодиодных ламп используются физические процессы, которые значительно сложнее тех, что применяются в обычных лампах накаливания с металлической нитью. Суть явления заключается в появлении светового потока в точке соприкосновения двух веществ из разнородных материалов, после того как через них пропущен электрический ток.

Основной парадокс заключается в том, что каждый из используемых материалов, не является проводником электрического тока. Они относятся к категории полупроводников и способны пропускать ток лишь в одну сторону при условии их соединения между собой. В одном из них должны обязательно преобладать отрицательные заряды – электроны, а в другом – ионы с положительным зарядом.
Кроме движения электрического тока, в полупроводниках происходят и другие процессы. При переходе из одного состояния в другое происходит выделение тепловой энергии. Путем экспериментов удалось найти такие сочетания веществ, у которых наряду с выделением энергии появлялось световое излучение. В электронике все устройства, пропускающие ток лишь в одном направлении стали называться диодами. а те из них, которые обладают способностью испускать свет, стали называться светодиодами.
В самом начале испускание фотонов полупроводниковыми соединениями охватывало только узкую часть спектра. Они могли испускать только красный, желтый или зеленый свет, с очень низкой силой свечения. Поэтому в течение длительного времени светодиоды использовались только в качестве индикаторных ламп. К настоящему времени были получены такие материалы, соединения которых позволили значительно расширить диапазон светового излучения и охватить практически весь спектр. Тем не менее, длина каких-то волн всегда преобладает в свечении. Поэтому светодиодные лампы разделяются на источники холодного света – синего и теплого свечения – преимущественно красного или желтого.
Устройство светодиодных источников света
Внешний вид светодиодных ламп практически не отличается от традиционных источников света с металлической нитью накаливания. Они оборудованы стандартным цоколем с резьбой, что позволяет использовать их с обычными патронами и не вносить изменений в электрооборудование помещений. Однако светодиодные лампы существенно отличаются сложным внутренним устройством.

В их состав входят контактный цоколь, корпус, выполняющий функцию радиатора, плата питания и управления, плата со светодиодами и прозрачный колпак. Планируя использование светодиодных ламп в сети 220 В, следует помнить, что они не смогут работать с таким током и напряжением. Для того чтобы исключить перегорание светильников, в их корпусах устанавливаются платы питания и управления, снижающие напряжение и выпрямляющие ток.
Устройство такой платы оказывает серьезное влияние на срок эксплуатации лампы. В некоторых моделях перед диодным мостом устанавливается лишь резистор, а в некоторых случаях недобросовестные производители обходятся без него. В результате, лампы дают очень яркое свечение, но очень быстро сгорают из-за отсутствия стабилизирующих устройств. Поэтому качественные светильники непременно оборудуются стабилизаторами, например, балластными трансформаторами. В наиболее распространенных управляющих схемах используются сглаживающие фильтры, в состав которых входит конденсатор и резистор. В наиболее дорогих моделях в блоках управления и питания используются микросхемы.
Каждый отдельно взятый светодиод излучает довольно слабый свет. Поэтому для достижения нужного светового эффекта, группируется необходимое количество элементов. С этой целью используется плата, изготовленная из диэлектрического материала, с нанесенными токопроводящими дорожками. Примерно такие же платы применяются в других электронных устройствах.
Светодиодная плата является еще и понижающим трансформатором. С этой целью все элементы включаются последовательно в общую цепь, и сетевое напряжение равномерно распределяется между ними. Единственным существенным недостатком такой схемы является обрыв всей цепочки в случае перегорания хотя-бы одного светодиода.
Защиту всей лампы от попадания влаги, пыли и других негативных воздействий обеспечивает прозрачный колпак. Некоторые свойства колпака позволяют усилить общее свечение. Дело в том что его внутренняя сторона покрыта слоем люминофора, который начинает светиться под действием энергии квантов. Поэтому снаружи поверхность колпака выглядит матовой. Люминофор обладает более широкий спектр излучения, в несколько раз превышающий аналогичный показатель у светодиодов. В результате, излучение становится сравнимо с естественным солнечным светом. Без такого покрытия светодиоды оказывают раздражающее действие на глаза, вызывая усталость и болевые ощущения.
Лучше всего изучать полезные качества, устройство и принцип действия светодиодных ламп на схемах при напряжении электрической сети 220 вольт. Чаще всего такие светильники применяются в промышленном и уличном освещении, а в бытовых условиях традиционные источники света заменяются светодиодными лампочками, работающими при низком напряжении, в основном от 12 вольт. Однако мощность лампы и ее светоотдача не имеют прямой зависимости между собой. Этот фактор следует учитывать при выборе светодиодных светильников.
В светодиодных лампах, рассчитанных на 220 вольт, в схеме отсутствует трансформатор. В связи с этим возникает дополнительная экономия при эксплуатации таких светильников. Данная особенность отличает их от светодиодных ламп с другими мощностями. Поэтому выбор светильников происходит не по мощности, а по степени освещенности, создаваемой ими.
Преимущества светодиодных ламп
В настоящее время большое значение придается экономичной и долговечной работе осветительных приборов. Поэтому на первый план выходят светильники, создающие яркое освещение с выделением минимального количества тепла и небольшим энергопотреблением. Они обладают низкой чувствительностью к перепадам тока и напряжения, могут выдерживать большое количество включений и выключений.
Всеми этими качествами в полной мере обладают светодиодные лампы. Они имеют несколько разновидностей, отличающихся по конструктивным и техническим характеристикам, что позволяет выбрать наиболее подходящий вариант. Все лампы отличаются наличием или отсутствием мерцания. степенью экологической безопасности, необходимостью в использовании выпрямителей тока и других дополнительных приборов.
Схема светодиодной лампы на 220 в
Для многих многоквартирных домов актуальна проблема освещения лестничных площадок: хорошую лампу туда ставить жалко, а дешевые быстро выходят из строя.
С другой стороны качество освещения в данном случае не является критичным, так как люди находятся там очень недолго, то вполне можно поставить туда лапочки с повышенными пульсациями. А раз так, то схема светодиодной лампы на 220 В получиться совсем простой:

- C1 – значение емкости по таблице, 275 В или больше
- C2 – 100 мкФ (напряжение должно быть больше чем падает на диодах
- R1 – 100 Ом
- R2 – 1 MОм (для разряда конденсатора C1)
- VD1. VD4 – 1N4007
Я уже приводил схему подключение светодиодной ленты к сети 220В так вот её можно упростить выкинуть стабилизатор тока. Упрощенная схема не будет работать в широком диапазоне напряжений, это плата за упрощение.
Конденсатор C1 является тем компонентом, который ограничивает ток. И выбор его значения очень важен, его величина зависит от напряжения питания, напряжения на последовательно включенных светодиодах и требуемого тока через светодиоды.
количество светодиодов последовательно, шт
Для 1 светодиода в сборке фильтрующий конденсатор C2 следует увеличить до 1000мкФ, а для 10 светодиодов, до 470мкФ.
По таблице можно понять, что для получения максимальной мощности (чуть более 4 Вт) нужен конденсатор на 1мкФ и 70 последовательно включенных светодиодов на 20мА. Для более мощных источников света лучше подойдет схема светодиодной лампы на 220 в использующая широтноимпульсную модуляцию для преобразования и стабилизации тока через светодиоды.
Схемы на основе широтноимпульсной более сложные, но зато обладают преимуществами: им не требуется большой ограничивающий конденсатор, эти схемы обладают высоким КПД и широким диапазоном работы.
Я заказал несколько светодиодных светильников в Китае. В основе преобразователей этих ламп лежат микросхемы драйверов разработанных в том же Китае, конечно качество работы этих схем ещё не дотягивает до западных стандартов, но вот стоимость более чем демократичная.
Итак, конкретно в последних светодиодных лампах была установлена микросхема WS3413D7P, являющаяся светодиодным драйвером с активным корректором коэффициента мощности.

Что же мы видим на схеме? Все тот же диодный мост VD1 — VD4, сглаживающий конденсатор С1. Остальные же компоненты работают нужны для работы микросхемы D1. Резистор R1 нужен для питания самой микросхемы в начальный момент времени, а после запуска микросхема начинает питаться со своего выхода через цепочку R5, VD5. Конденсатор С2 фильтрует питания собственных нужд. Конденсатор С3 служит для задания частоты преобразования. Резистор R2 нужен для измерения тока через светодиоды. Делитель на резисторах R3, R4 позволяет микросхеме получать информацию о напряжении на светодиодной сборке. Катушка индуктивности L1 и конденсатор C4 нужны для преобразования импульсной энергии в постоянную.
Существует куча других разновидностей микросхем, но основных типов высоковольтных драйверов светодиодов всего три: на основе емкостного гасящего сопротивления, активный гасящий стабилизатор тока и импульсный стабилизатор тока.
Запись опубликована 08.01.2016 автором в рубрике Электроника для начинающих.
Навигация по записям
Схема светодиодной лампы на 220 в. 11 комментариев
Даже с «выброшенным» стабилизатором, светодиодная лампочка для подъезда получается слишком дорогой. Там лучше вкрутить обычную лампочку «Ильича Эдисона» с диодом, который монтируется в слегка модернизированный патрон.
Не в патрон, в выключатель, там больше места.
Не знаю, что слишком дорогого увидел здесь Игорь, но, уж если экономить по полной, то можно выкинуть сопротивления и мост. Останутся: С1, как реактивное сопротивление, один диод для выпрямления переменки и С2 (емкость увеличить в 2-3 раза) для сглаживания пульсаций. Затраты на питание и замену ламп накаливания гораздо выше, чем, даже первоначальный вариант схемы. Очень уж они неэкономичны, причем, во всех ракурсах. От них и избавляются поэтому везде, где только можно. А в подъездах — это архиважно и архинужно, как говаривал Ильич.
У лампы накаливая маловат ресурс, на коробке пишут 1000ч, при круглосуточной работе это 42 дня. В лучшем случае лампочка прослужит несколько месяцев.
Питание лампы однополупериодным напряжением должно значительно увеличить ресурс ( якобы до 100 раз ), вот только светоотдача упадет больше чем в два раза. И лампочка будет мерцать с частотой 50Гц.
Чтобы вернуть частоту к 100Гц, достаточно включить две одинаковых лампочки последовательно — и ресурс возрастет и частота не снизиться.
В первой схеме конденсатор С1 надо брать на большее допустимое напряжение в сети 220 в это действующее напряжение Максимальное 220*1,42= примерно 320 в к тому же как правило На конденсаторе указывается на постоянное напряжение а в сети 50 герц. Я рекомендую брать не меньше 450 В. Один диод как пишет Greg не пойдет так на светодиоды или выпрямительный диод будет действовать обратное напряжение.Я рекомендую Выкинуть диодный мост и С2 параллейно светодиодам в обратной полярности поставить диол один период пойдет через светодиод другой через силовой диод. Светодиод можно взять из не исправных фонариков.
Ну, обратное напряжение светодиоды должны выдержать, но идея хороша. Зачем терять один период? С2 — выбрасываем, да, а вместо предложенного Олександром силового, ставим еще один световой — пусть моргают попеременно, усиливая общий световой поток и защищая друг дружку от обратного напряжения. А учитывая, что сверхъярких светодиодов, в некоторые фонарики тулят штук по 20, наковырять можно много. Можно и целиком взять, у многих ручных фонарей — ручка выполнена в виде удлиненной лампочки кругового рассеивания.
Данную схему можно не только в подъезде как предполагает (Игорь ) но где угодно, например освещение приусадебного участка по схеме Greg через понижающий трансформатор для безопасности и две группы светодиодов включенных параллейно и в противоположной полярности.или освещение кессона, душа летнего.
Я часто видел в подъездах мерцающие лампочки накаливания, где использовался «хитрый» патрон с одним диодом. По моему самое то для подъезда, экономия энергии и непрезентабельный вид. Вот для дома схема №1 вполне подойдёт, скопирую её себе.
разобрал «замолчавшую» светодиодную лампу на 11 ватт(100 эквивалента к накаливанию). То что автор называет драйвером, обычный инвертор, схема которого вошла в быт повсеместно, от лампочек до компьютеров и сварочных аппаратов. Так вот на моей лампе стоит 20 диодных светоизлучающих элементов. Исследуя их я пришел к выводу, что они включены как елочная гирлянда — последовательно. Обнаружить неисправный диод не составило труда. Припаяв перемычку из резистроа порядка 50 ом, лампа восстановилась. Так что светоизлучатели работают не при 9.8 иольтах а на всё напряжение выдаваемое инвертором. То есть 220 вольт.
Дале — у меня есть фонарь ЭРА летучая мышь, с 6 вольтовым АКБ и люминесцентной лампой. Эта лампа светит очень гумозно при своих 7 ваттах. А АКБ хватает на 4 часа. Что я сделал — выпаял из схемы «драйвера» диодный мост и плату со светоизлучателями. В точки пайки проводов от инвертора обозначенные + и —. впаял этот мост соблюдая полярность. На вход моста подал переменное напряжение которое вырабатывал штатный генератор «Эры». Лампа заработала как надо. Светоотдача осталась той же как и от сети 220 вольт. Поскольку холостой ход генератора обеспечивал это напряжение на светоизлучателях.
Как то вот так.
Ох и понапописали вы тут, однако. Я бы, с такой то логикой, посоветовал держаться от электросети подальше. Насчет инвертора — это как раз то, что стоит в вашей лампе ЭРА и преобразует 6 В постоянного напряжения аккумулятора в 220 В переменного. Хотя, инвертор может и понижать исходное напряжение — не суть важно. Важно, что вы абсолютно не понимаете значение этого и других терминов, а ваш вывод: «Так что светоизлучатели работают не при 9.8 иольтах а на всё напряжение выдаваемое инвертором. То есть 220 вольт.» — абсурдно.
есть простая схема подключения светодиодных ламп и работать она будет экономичнее покупной. даже если вы в эту лампу напихаете диоды большей мощности. главное чтобы компоненты соответствовали мощности нагрузки )).
Cхема светодиодной лампы на 220 В
Несмотря на высокую стоимость, потребление электроэнергии полупроводниковыми светильниками (LED) намного меньше, чем у ламп накаливания, а срок службы в 5 раз больше. Схема светодиодной лампы работает при подаче 220 вольт, когда входной сигнал, вызывающий свечение, преобразуется до рабочей величины с помощью драйвера.

Светодиодные светильники на 220 В
Каким бы ни было напряжение питания, на один светодиод подается постоянное напряжение 1,8-4 В.
Типы светодиодов
Светодиод – это полупроводниковый кристалл из нескольких слоев, преобразующий электричество в видимый свет. При изменении его состава получается излучение определенного цвета. Светодиод делается на основе чипа – кристалла с площадкой для подключения проводников питания.
Чтобы воспроизвести белый свет, «синий» чип покрывается желтым люминофором. При излучении кристалла люминофор испускает собственное. Смешивание желтого и синего света образует белый.
Разные способы сборки чипов позволяют создавать 4 основных типа светодиодов:
- DIP – состоит из кристалла с расположенной сверху линзой и присоединенными двумя проводниками. Он наиболее распространен и используется для подсветки, в световых украшениях и табло.
- «Пиранья» – похожая конструкция, но с четырьмя выводами, что делает ее более надежной для монтажа и улучшает отвод выделяющегося тепла. Большей частью применяется в автомобильной промышленности.
- SMD-светодиод – размещается на поверхности, за счет чего удается уменьшить габариты, улучшить теплоотвод и обеспечить множество вариантов исполнения. Используется в любых источниках света.
- СОВ-технология, где чип впаивается в плату. За счет этого контакт лучше защищен от окисления и перегрева, а также значительно повышается интенсивность свечения. Если светодиод перегорает, его надо полностью менять, поскольку ремонт своими руками с заменой отдельных чипов не возможен.
Недостатком светодиода является его маленький размер. Чтобы создать большое красочное световое изображение, требуется много источников, объединенных в группы. Кроме того, кристалл со временем стареет, и яркость ламп постепенно падает. У качественных моделей процесс износа протекает очень медленно.
Устройство LED-лампы
В состав лампы входят:
- корпус;
- цоколь;
- рассеиватель;
- радиатор;
- блок светодиодов LED;
- бестрансформаторный драйвер.

Устройство LED-лампы на 220 вольт
На рисунке изображена современная LED-лампа по технологии СОВ. Светодиод выполнен как одно целое, с множеством кристаллов. Для него не требуется распайка многочисленных контактов. Достаточно присоединить всего одну пару. Когда делается ремонт светильника с перегоревшим светодиодом, его меняют целиком.
По форме лампы бывают круглыми, цилиндрическими и прочими. Подключение к сети питания производится через резьбовые или штырьковые цоколи.
Под общее освещение выбираются светильники с цветовой температурой 2700К, 3500К и 5000К. Градации спектра могут быть любыми. Их часто используют для освещения реклам и в декоративных целях.
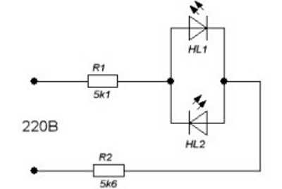
Простейшая схема драйвера для питания лампы от сети изображена на рисунке ниже. Количество деталей здесь минимальное, за счет наличия одного или двух гасящих резисторов R1, R2 и встречно-параллельного включения светодиодов HL1, HL2. Так они защищают друг друга от обратного напряжения. При этом частота мерцания лампы увеличивается до 100 Гц.

Простейшая схема подключения LED-лампы в сеть 220 вольт
Напряжение питания 220 вольт поступает через ограничительный конденсатор С1 на выпрямительный мост, а после – на лампу. Один из светодиодов можно заменить на обычный выпрямительный, но при этом мерцание изменится до 25 Гц, что плохо повлияет на зрение.
На рисунке ниже изображена классическая схема источника питания LED-лампы. Он применяется во многих моделях, и его можно извлекать, чтобы производить ремонт своими руками.
Классическая схема включения LED-лампы в сеть 220 В
На электролитическом конденсаторе выпрямленное напряжение сглаживается, что устраняет мерцание с частотой 100 Гц. Резистор R1 разряжает конденсатор при отключении питания.
Ремонт своими руками
В простой LED-лампе с отдельными светодиодами можно сделать ремонт с заменой неисправных элементов. Она легко разбирается, если аккуратно отделить от стеклянного корпуса цоколь. Внутри располагаются светодиоды. У лампы MR 16 их 27 штук. Для доступа к печатной плате, на которой они размещены, надо удалить защитное стекло, поддев его отверткой. Порой эту операцию сделать довольно трудно.

Лампа светодиодная на 220 вольт
Прогоревшие светодиоды сразу заменяются. Остальные следует прозвонить тестером или подать на каждый напряжение 1,5 В. Исправные должны загораться, а остальные подлежат замене.
Изготовитель рассчитывает лампы так, чтобы рабочий ток светодиодов был как можно выше. Это значительно снижает их ресурс, но «вечные» устройства продавать невыгодно. Поэтому последовательно к светодиодам можно подключить ограничивающий резистор.
Если светильники моргают, причиной может быть выход из строя конденсатора С1. Его следует заменить на другой, с номинальным напряжением 400 В.
Изготовить своими руками
Заново светильники на светодиодах делают редко. Лампу проще изготовить из неисправной. Фактически получается, что ремонт и изготовление нового изделия – это один процесс. Для этого LED-лампу разбирают и восстанавливают перегоревшие светодиоды и радиодетали драйвера. В продаже часто бывают оригинальные светильники с нестандартными лампами, которым в дальнейшем трудно найти замену. Простой драйвер можно взять из неисправной лампы, а светодиоды – из старого фонарика.
Схема драйвера собирается по классическому образцу, рассмотренному выше. Только к ней добавляется резистор R3 для разрядки конденсатора С2 при отключении и пара стабилитронов VD2,VD3 для его шунтирования на случай обрыва цепи светодиодов. Можно обойтись одним стабилитроном, если правильно подобрать напряжение стабилизации. Если конденсатор выбрать под напряжение больше 220 В, можно обойтись без дополнительных деталей. Но в этом случае его размеры увеличатся и после того, как будет сделан ремонт, плата с деталями может не поместиться в цоколь.

Схема драйвера приведена для лампы из 20 светодиодов. Если их количество будет другим, необходимо подобрать такую величину емкости конденсатора С1, чтобы через них проходил ток 20 мА.
Схема питания LED-лампы является чаще всего бестрансформаторной, и следует соблюдать осторожность при монтаже своими руками на металлическом светильнике, чтобы не было замыкания фазы или нуля на корпус.
Конденсаторы подбираются по таблице, в зависимости от количества светодиодов. Их можно закрепить на алюминиевой пластине в количестве 20-30 шт. Для этого в ней сверлятся отверстия, и на термоклей устанавливаются светодиоды. Их пайка производится последовательно. Все детали можно разместить на печатной плате из стеклотекстолита. Они располагаются со стороны, где отсутствуют печатные дорожки, за исключением светодиодов. Последние – крепятся пайкой выводов на плате. Их длина составляет около 5 мм. Затем устройство собирается в светильнике.

Настольная лампа на светодиодах
Лампа на 220 В. Видео
Об изготовлении светодиодной лампы на 220 В своими руками можно узнать из этого видео.
Правильно изготовленная самодельная схема светодиодной лампы позволит эксплуатировать ее многие годы. Для нее бывает возможным ремонт. Источники питания могут быть любые: от обычной батарейки до сети на 220 вольт.
Источники: http://electric-220.ru/news/ustrojstvo_i_princip_raboty_svetodiodnoj_lampy/2017-02-12-1178, http://hardelectronics.ru/sxema-svetodiodnoj-lampy-na-220-v.html, http://elquanta.ru/lampa/ckhema-svetodiodnojj-lampy.html
electricremont.ru
светодиодная лампа g9 220v, схема и параметры
Светодиодная лампа g9 220v 5w Selecta с рабочим напряжением 220-240 вольт переменного тока, капсульная, световой поток 270 Лм, цветовая температура 4000 К.

Светящаяся часть лампы открытая, типа «кукуруза» с 24-мя светодиодами 5050 белого свечения. Все три диода находящиеся внутри каждого smd чипа включены параллельно.
Внимание! Электрическая схема лампы не имеет гальванической развязки с сетью 220В, для исключения опасности поражения электрическим током при установке и снятии лампы не прикасайтесь к открытым токопроводящим частям.
Принципиальная электрическая схема светодиодной лампы Selecta G9 5w от схемы лампы Camelion LED3-JDR отличается незначительно.
Схема собрана с конденсаторным балластом, параллельно подключенный резистор разряжает конденсатор после выключения лампы. Далее выпрямительный мост, электролитический конденсатор с параллельно подключенным разрядным резистором и нагрузка: последовательная цепь, состоящая из двух параллельно включенных резисторов для ограничения пиковых токов и 24-х светодиодов 5050. Такую лампу можно диммировать.
При сетевом напряжении 233 вольта напряжение на электролитическом конденсаторе 70 вольт, на цепочке последовательно включенных светодиодов 68,4 В. Для диодов с белым свечением при номинальном токе 20 мА напряжения должно быть в районе 3,5 вольт. В нашем случае на каждом smd чипе 5050 разброс напряжений в пределах 2,79-2,87 вольт, среднее напряжение 2,85 В. Ток через включенные параллельно три светодиода 30 мА, что вдвое меньше номинального, т.е. диоды работают в облегченном режиме и срок службы лампы будет больше.
Потребляемая лампой мощность при напряжении в сети 233 В около 7 Вт, а при напряжении 220 В должна составить не более 6,5 Вт.

Монтаж элементов схемы лампы Selecta с цоколем g9 на220v 5w односторонний, ремонтопригодность высокая, корпус разбирается легко, режим работы светодиодов мягкий. У этой светодиодной лампы led g9 при определенных условиях существует вероятность поражения электрическим током (при прикосновении к открытым проводящим частям лампы даже при выключенном выключателе может быть разорван нулевой, а не фазный провод).
firstelectro.ru
как сделать самому (схема, видео, картинки)
Светодиодная лампа, сделанная своими руками позволяет сэкономить на покупке осветительных приборов и усовершенствовать собственные навыки. Чем можно объяснить подобный интерес? Это обусловлено объективной экономичностью светодиодов. В условиях постоянно растущих цен на коммунальные услуги, попытка сэкономить на электричестве путем установки светодиодов через 220в полностью себя оправдывает.
ОГЛАВЛЕНИЕ
- Купить или сделать
- Сборка конструкции
Купить или сделать
Светодиодная лампа — это оптимальное решение для освещения квартиры. Но как лучше поступить — приобрести готовые лампы или сделать их своими руками?
В пользу самодельных лампочек из светодиодов говорит несколько фактов:
- Это самый дешевый способ получить светодиодное освещение;
- Схема сборки не сложная, что позволяет выполнить работу своими руками даже начинающему электрику;
- При правильной самостоятельной сборке эффективность свечения не будет уступать фабричным устройствам;
- Для работы самодельной светодиодной лампы потребуется напряжение 220 Вольт.
А в чем выигрывают покупные светодиодные лампы?
- Это гарантия качества изделия. Но только при условии, что вы покупаете продукцию проверенного производителя.
- Длительный срок службы, превосходящий обычные лампы накаливания в несколько раз.
- Эффективное световое излучение, обеспечивающее качественное освещение помещений.
- Гарантия от производителя. Некоторые фирмы позволяют вернуть деньги за лампочку или обменять светодиодное устройство на новое в случае возникновения неисправностей или обнаружения заводского брака.
загрузка…
Но не стоит забывать, что покупная лампочка обойдется значительно дороже, чем сделанная собственными силами.
Выбор всегда за вами. Если вы начинающий электрик и хотите самостоятельно сделать устройство полезное для дома, проблем возникнуть не должно. Мы расскажем, как можно сделать из светодиодов полноценную лампу, которая будет питаться от 220 Вольт.
Сборка конструкции
Хотя вариантов изготовления светодиодной лампы множество, мы рассмотрим пример с использованием старой люминесцентной лампочки. Они часто встречаются в домах и квартирах, потому проблем с поиском заготовки возникнуть не должно.
- Главные интересующие нас компоненты люминесцентной лампы — это цоколь и отражатель. Тут располагаются объединенные в электросхему элементы. Они отвечают за включение лампочки. Потому разбирайте корпус очень аккуратно, дабы не повредить конструкцию. Иначе придется искать другую люминесцентную лампу, пока не научитесь разбирать ее.
- Непосредственно та схема, которая используется на люминесцентной лампе, для создания светодиодного устройства нам не подойдет. Ее следует разобрать.
- Из цоколя потребуется использовать предохранитель. Потому извлекать ее из схемы не нужно.
- Потребуется и сам диод. Обычно там применяют диоды марки 1N4007.
- Для новой схемы добавляется электролит. Подойдет практически любой, но только напряжение его должно быть минимум 50 Вольт, а емкость — от 100 мкФ и выше.
- Следующая необходимая нам деталь исходной конструкции — конденсатор. Его емкость составляет 1 мкФ, напряжение — 630 Вольт.

- Самый главный элемент для будущей светодиодной лампы — это непосредственно сами светодиоды. Можете задействовать элементы из светодиодных лент. Их разрезают на участки, содержащие по 3 диода. Для питания этого участка используется напряжение 12 Вольт. Для нашей лампы потребуется взять 4 таких отрезка. Ниже приведена схема, согласно которой выполняется сборка всех компонентов будущей лампы.
- Чтобы не возникало проблем с разбалтыванием светодиодов в цоколе, посадите их на любой клей. Желательно что-то из разряда супер-клея.
- А для кусков диодов лучше использовать каркас. Вооружитесь для этих целей любым плотным материалом, который гнется. Исключением является металла и любой проводящий ток материал. Многие мастера используют пенокартон, свернутый в трубочку. Ее диаметр должен оказаться немного меньше, чем диаметр цоколя. Пенокартонную конструкцию лучше дополнительно насадить на клей для лучшего сцепления.
- Грубо говоря, самодельные светодиодные лампочки, использующие питание на 220 Вольт — это цоколь с основанием для кусочков светодиодной ленты. Отрезки ленты крепятся снаружи трубочки пенокартона, что образует светящуюся часть лампы. Все просто, как вы сами можете убедиться.
- Согласно схеме, светодиодные отрезки ленты соединяются последовательно. При этом на деле они будут находиться друг над другом. Если есть необходимость, количество уровней из отрезков ленты можно увеличить, повысив тем самым яркость лампы. Только в этом случае потребуется выбрать конденсатор с электролитом, соответствующие мощности светильника с увеличенной емкостью.

- Приклеивание ленты на пенокартонное основание рекомендуется с помощью жидких гвоздей. Так вы сможете подкорректировать расположение светодиодов. Супер-клей возьмется намертво. И если сделать что-то не совсем ровно, исправить это вы уже не сможете.
- Саму ленту не редко заливают жидкими гвоздями. Снаружи остаются только сами светодиоды. Так светильник будет выглядеть оригинальнее, а клей дополнительно сможет защитить устройство от механических нагрузок.
- Подобные собранные устройства на 220 Вольт могут питаться и от напряжения 40 Вольт.
- Если использовать напряжение 220 Вольт, каждый отрезок ленты с диодами получит напряжение 11,5 Вольт.
- Если же повысить его до 240 Вольт, идущее на отрезки светодиодов напряжение станет 12 Вольт.
- Подобные моменты позволяют понять, что сделанные лампы не будут опасаться перепадов напряжения.
- Собрав конструкцию согласно схеме, вы получите лампу с приличной эффективностью излучаемого света.
Есть ли у подобной схемы недостатки? Да. Но он один, хотя и существенный.
Проблема собранной схемы в том, что вы получаете электрическую открытую связь, заключенную между электрической сетью на 220 Вольт и светодиодами. Потому обращение с подобными устройствами потребует повышенного внимания. Но если соблюдать элементарные правила безопасности, проблем с эксплуатацией самодельной лампочки возникнуть не должно.
Хотя процесс самостоятельной сборки светодиодной лампы не является сложным, при отсутствии элементарных знаний в данной сфере есть минимум две причины отказаться от самостоятельных попыток собрать конструкцию:
- У вас просто может ничего не получиться, если не разбираться в схемах.
- Собранная кустарным способам лампочка может навредить всей проводке вашего дома, привести к печальным последствиям.
Если же опыт есть, хотя бы из личного интереса стоит попробовать собрать нечто подобное.
electricvdele.ru
Устройство светодиодной лампы на 220 вольт
Светодиодная лампа LED: устройство лампы.
Светодиодные лампы в отличие от привычных, нам лап накаливания значительно отличаются от них по устройству и принципу работы.
Если в привычной, нам лампе накаливания в качестве источника света служит вольфрамовая спираль, то в светодиодной лампе источники света светодиоды сокращённо СИД (СД) или LED (англ. light-emitting diode). Поэтому светодиодные лампы также называют LED лампами.
Устройство светодиодной лампы на 220 вольт представлено на рисунке.

Как видно из рисунка устройство светодиодной лампы не сложное и состоит из таких элементов:

Пластикового или стеклянного рассеивателя света, в свою очередь рассеиватель может быть матовым или прозрачным. При использовании матового рассеивателя часть светового излучения теряется (потери могут составлять около 15%), но матовость скрывает внутреннюю плату со светодиодами, и такая лампа выглядит более эстетично.
Светодиодная лампа в разобранном виде.

Под рессеивателем размещена печатная плата с впаянными светодиодами, светодиоды подключаются между собой последовательно.

В процессе работы светодиоды имеют свойство сильно нагреваться, поэтому в LED лампах для отвода тепла применяются радиаторы из анодированного алюминия, керамики или пластика.

Светодиоды подключаются коннектором или пайкой к так называемому драйверу, который состоит из импульсного трансформатора, полярных конденсаторов, нескольких микросхем и планарных элементов.

Драйвер представляет собой гальваническую развязку и стабилизатор выходного тока.
Радиатор лампы крепится к полимерному основанию цоколя, цоколь в свою очередь изготовляется из латуни с никелевым покрытием.
Популярные типы цоколей светодиодных ламп.

Для бытовых осветительных приборов, рассчитанных на работу от сети 220 вольт, наиболее часто используются лампы с цоколями Е14 и Е27.
Светодиодные лампы на 220 вольт могут быть не только в форме привычных ламп накаливания, также популярны так называемые лампы «кукурузы».

Светодиодная лампа «Кукуруза» отличается только размещением светодиодов на корпусе лампы.

В настоящее время также набирают популярность Filament лампы по внешнему виду они напоминают лампы накаливания.. В Filament лампах используются нитевидные светодиоды которые помещаются в колбу с газом.

Поделиться в соц. сетях
led-lampu.ru
Светодиодные лампы на 220 В
Главная > Статьи > Светодиодные лампы >
Лампы на светодиодах приобретают все большую, вытесняя другие морально устаревшие осветительные приборы. Светодиодные лампы 220 вольт были разработаны для частного использования, с целью заменить традиционные лампы накаливания. Благодаря тому, что светодиодные лампы 220в могут работать от обычной домашней сети с частотой тока 50 Гц и при этом имеют цоколи стандартных типов, например Е27 или Е14, то их монтаж не требует никаких дополнительных комплектующих и специальных навыков. Вся процедура – это всего лишь стандартная замена лампочки.
Лампа светодиодная 220В имеет ряд преимуществ перед известными традиционными лампами.
- Во-первых, она экономичнее, так как для создания той же освещенности требуется меньшее питающее напряжение, и вся энергия расходуется только лишь на освещение, а не нагрев. В результате лампа потребляет на 80% электроэнергии меньше, чем лампа накаливания, и на 50% меньше в сравнении с люминесцентной лампой.
- Во-вторых, они являются совершенно безопасными и безвредными.
- В-третьих, эта технология очень надежна и лампы служат дольше обычного, ресурс бесперебойной работы превышает 50 000 часов.
На сегодняшний день выбор светодиодных ламп очень велик: они могут отличаться по форме, в том числе есть весьма нестандартные варианты для необычного дизайна, по потребляемой мощности, по направленности светового потока и его интенсивности.
Конструктивно светодиодная лампа 220v состоит из корпуса и колбы. Корпус может быть изготовлен из алюминия, а колба из матового или прозрачного пластика высокой прочности, способного защитить лампу от внешних воздействий.
Данные объекты световой техники находят применение повсюду: от банальной замены лампочек в квартирах до организации с их помощью на уже имеющемся световом оборудовании яркой и насыщенной подсветки.
Где купить светодиодные лампы на 220 в?
С полным ассортиментом Вы можете ознакомиться в каталоге Светодиодные лампы. Чтобы заказать выбранный товар достаточно сделать звонок в нашу компанию по одному из телефону ближе к Вашему региону или отправить заявку в произвольном виде на электронный адрес [email protected]
Всё для светодиодного освещения Вы найдете в разделах каталога:
www.mir-svetodiodov.ru
Светодиодная лампа своими руками на 220 вольт. Схема и описание
В наше время все чаще встает вопрос энергосбережения. Для решения этого вопроса производители выпускают энергосберегающие лампы (люминесцентные), имеющие цоколь как у стандартных ламп накаливания на 220 вольт.

Потребление электроэнергии данным видом электроламп, бесспорно, значительно меньше, чем у простых ламп накаливания на 220 вольт. В свою очередь обозначенный срок службы их составляет приблизительно 5000 часов, то есть приблизительно в 5 раз больше срок службы обычной лампы.
При всех плюсах в этой электролампе имеется и недостаток — высокая цена. В данных лампах применяется особый электронный балласт, но, хотя он ломается весьма редко, а вот нити данной электролампы сгорают достаточно часто, зачастую не проработав даже заявленного срока службы.
Но сейчас выпускаются сверхяркие светодиоды, которые в свою очередь можно использовать для изготовления самодельной светодиодной лампы своими руками. Срок службы нынешних светодиодов доходит приблизительно до 50000 часов, это почти 6 лет постоянной работы.
Описываемая в данной статье светодиодная лампа своими руками на 220в специально создавалась для питания от электросети напряжением 220 В.
Описание источника питания на 220 вольт для самодельной светодиодной лампы
Электросхема довольно проста, и не требует наладки. Особенностью данной лампы служит использование светодиодов с большим углом излучения, в результате чего создается ровный и яркий свет. В свою очередь к плюсам этой лампы возможно отнести очень небольшое энергопотребление (около 2 Вт) и повышенный КПД.

Главным элементом электрической схемы являются ультраяркие светодиоды (25 штук) белого спектра излучения. В роли HL1 — HL25 лучше применить светодиоды с углом излучения 160 градусов, например, марки 5WW4SC. Их возможно поменять на другие светодиоды с прямым напряжением от 3,2 до 3,7 вольт и током потребления около 20 мА.
Светодиоды запитаны от бестрансформаторного модуля питания, который состоит из гасящего конденсатора С1, резистора R1, выпрямительного моста на диодах VD1…VD4, сглаживающей емкости С2 и ограничительного сопротивления R2.
Сетевое напряжение 220 вольт гасится цепью элементов R1, С1, R2. Емкость С1 должна быть на напряжение не менее 250 В. Затем пониженное напряжение идет на выпрямительный мост, и дальше через емкостный фильтр С2 напряжение поступает на последовательно соединенные светодиоды HL1 — HL25. При использовании в схеме 37-и светодиодов можно убрать сопротивление R2.
В данной схеме предусмотрена возможность защиты светодиодов от скачка повышенного напряжения 220 вольт. Она состоит из предохранителя на 80 мА и варистора (TVR05361 или FNR05361). При увеличении сетевого напряжения сопротивление варистора резко падает, что приводит к перегоранию предохранителя.
www.joyta.ru


