Балка металлическая двутавровая размеры: Размеры двутавровых балок: таблица
Размеры двутавровых балок: таблица
Двутавровая балка – так называют металлическую конструкцию сплошного сечения, чья длина превышает длину сечения. Им находят применение при строительстве зданий, крупных металлоконструкций и прочего, потому они имеют довольно большой разброс в размерах, притом, что они созданы по одному и тому же уравнению прочности.
Таким образом, размер становится одной из самых важных характеристик двутавровой балки. По размерам может отличаться высота двутавра, толщина и ширина его элементов, возможные размеры определяются требованиями, прописанными в ГОСТ.
Типы
Двутавровые балки разделяются на несколько видов, они могут быть обычными или специальными, универсальными, и приспособленными для использования в определенной сфере, к примеру, для армирования стволов шахты, и так далее.
По размеру она может быть мерной, краткой мерной длины, или мерной длины с остатком до 5% массы, также определяются балки немерной длины. Сам по себе размер балки определяется длиной отрезка между внешними гранями балки.
Отличия могут быть и в толщине самих элементов балки, стенки и полки в балках разных марок могут отличаться между собой. Различия наблюдаются и в способе производстве, марки стали, и так далее. Грани полок могут быть параллельными, или скошенными вовнутрь.
Размеры двутавровых балок, таблица для горячекатаной продукции по ГОСТ 8239-89:
Основные преимущества
Двутавровые балки занимают довольно большую нишу на рынке сортового проката, их производят многие металлургические заводы, а спрос на них остается постоянным.
Такая популярность обеспечивается рядом преимуществ:
- Прочность – они имеют чрезвычайно прочную конструкцию, что позволяет складывать их в крупногабаритные металлоконструкции, подвергаемые большим нагрузкам;
- Точность – продукция производится на заводе целыми сериями, современное оборудование позволяет добиться предельной точности при производстве;
- Качество – балки выпускаются по сертифицированным технологиям, предусматривающим высокий уровень качества;
- Удобство – монтажные работы с использованием двутавровых металлических блоков максимально просты, их можно обработать при помощи простейших инструментах, что значительно облегчает строительные работы;
- Стабильность – металлоконструкции из этого материала не будут скрипеть, усаживаться, и так далее;
- Универсальность – число доступных комбинаций при строительстве крупногабаритных металлоконструкций ограничено только фантазией проектировщика.

Характеристики
Выше мы уже упоминали вскользь некоторые характеристики, поэтому подведем итог, и выделим основные:
- Размеры;
- Назначение;
- Способ производства;
- Толщина элементов;
- Металлический сплав;
- Положение планок.
Серия М применяется при строительстве монорельсов, внутренние грани имеют минимальный наклон, серия С с большим наклоном применяется при армировании стволов шахт.
Горячекатаные двутавры могут иметь высоту от 10 до 50 см, и длину от 4 до 12 метров, при этом часто длина отличается в зависимости от производителей. Допускается производство более длинных балок, по специальному заказу производителя. Высота сварных профилей ограничивается показателем в 1013 мм.
Вне зависимости от способа производства, выбирая двутавровую балку нужно учесть толщину полки. В случае если полка наклонная, есть смысл измерить толщину самостоятельно, поскольку самим производителем они определяются по среднему значению.
Вес погонного метра – еще одна важная характеристика, данную продукцию изготавливают из высокопрочной легированной стали, содержащей малое количество углерода.
Повышенный вес нужно учитывать при составлении строительных проектов.
ГОСТы
Как и вся металлургическая продукция, двутавры изготавливаются в точном соответствии действующим в стране и/или на международном уровне ГОСТам. К примеру, требования к характеристикам горячекатаной продукции такого типа указаны в ГОСТ 535-88, который также определяет существующие разновидности граней полок.
На территории РФ основным производителем является Нижнетагильский меткомбинат, чья продукция соответствует также требованиям ГОСТ 26020-83, и техусловию СТО АСЧМ 20-93, действующему на самом предприятии. Характеристики всех производящихся в России двутавровых балок стандартных габаритов указаны в ГОСТ 8239-89, продукция из серий М и С регулируется ГОСТом 19425-74.
Расчет веса балки
Вес является одной из ключевых характеристик любого строительного или конструкционного материала, его расчет производится на основании параметров, указанных в ГОСТе 8239-89, в котором собраны характеристики все промышленных профилей стандартных габаритов.
Для того чтобы произвести расчет веса, который балка сможет выдержать, нужно взять данные о конкретном виде продукции, и добавить к нему запас прочности в размере 20-30% с учетом прогиба. Это необходимо, чтобы конструкция могла свой вес, вес надстроек, и дополнительные нагрузки в виде осадков, ветра, и других природных явлений.
Как правило, на сам профиль наносится маркировка, указывающая максимальную нагрузку, которая рассчитывается путем умножения веса, который будет нести эта часть конструкции, на коэффициент прочности.
К полученному значению нужно добавить собственный вес балки, после чего им можно пользоваться для выбора профиля, максимально подходящего варианта.
Размеры двутавровых балок, таблица для горячекатаной продукции по ГОСТ 19425-74:
таблица размеров, вес и их характеристики
ПОДЕЛИТЕСЬ
В СОЦСЕТЯХ
Балка двутавровая: таблица размеров, вес и технические характеристики – это те данные, которые обязательно пригодятся в строительстве объектов гражданского и промышленного назначения.
Специфическая форма двутавровой балки повышает прочность и жесткость изделия, а также позволяет выдерживать повышенную нагрузку
Особенности конструкции двутаврового профиляДвутавр – стандартная балка с сечением, по форме напоминающим букву «Н». Современное строительство мостовых конструкций, перекрытий, многоэтажных зданий или гидротехнических сооружений невозможно без использования профиля этого типа. Также его широко применяют в машиностроении.
Так как двутавровые балки это строительный материал, который применяется в ответственных конструкциях, то и их изготовление осуществляется строго в соответствии с государственными стандартами
Двутавровый профиль представляет собой разновидность сортового металлопроката, изготовленного из профильной стали высокого качества. Как правило, в производстве изделий используется сталь конструкционная без легирующих добавок или с их низким содержанием.
Двутавровые балки имеют различный вес и размерные характеристики. Для классификации профилей используется соответствующая нумерация и маркировка. Это облегчает процесс выбора материалов, учитывая особенности строящегося объекта и предполагаемые нагрузки на конструкцию.
Cложно недоооценить преимущества использования двутавровых профилей. Эти изделия, применяемые в разных сферах, отличаются устойчивостью к высоким нагрузкам, невосприимчивостью к внешним воздействиям. Они прочны, надежны, доступны. Радует и ценовая политика изделий. Стоимость конструкций, по сравнению с аналогами, отличается скромностью, что, несомненно, является плюсом.
Покупая двутавровые балки, обязательно следует обращать внимание на их номер, по нему можно узнать высоту профиля
В каркасном домостроении нашли широкое применение деревянные двутавровые балки, размеры которых также разнообразны.
Использование профилей из этого материала позволяет уменьшить расходы при закладке фундамента, ускорить срок возведения конструкции, а также существенно уменьшить общий вес постройки. Применение двутавров из древесных пород исключает в дальнейшем проблемы, связанные с усадкой, сдвигами, усушкой строения. Изготовленная своими руками деревянная двутавровая балка позволяет избежать скрипа готового строения, шаткости и вибраций, присущих обыкновенным каркасным постройкам.
Особенности изготовления двутавровых профилейВажно! Балки из углеродистой стали рассчитаны на применение внутри помещения, где исключается воздействие неблагоприятных погодных условий. Для проведения наружных работ или при повышенных требованиях к прочности конструкции следует использовать балки из низколегированной стали.
Двутавровые профили производят согласно утвержденным нормативным документам. ГОСТом 26020-83 определяются моменты, связанные с изготовлением профилей с параллельными гранями. Аспекты изготовления профилей специализированного назначения регламентированы ГОСТом 19425-74. Особенности выполнения профилей с наклоненными гранями обозначены в ГОСТе 8239-89.
Производство двутавровой балки осуществляется посредством сварки трех основных элементов, в результате получаются поясные швы
Изготовление своими руками двутавровой балки из металла практически невозможно. Процесс производства осуществляется на специализированном оборудовании методом горячего прокатывания. Заготовкой для изделия служат блюмы, которые обрабатываются при температуре около 1200 ℃. Специфическая форма профиля повышает прочность и жесткость изделия, а также позволяет выдерживать повышенную нагрузку и равномерно распределять ее по всей поверхности конструкции.
Существует и другой способ производства двутавровых профилей – сварочный, когда три элемента профиля соединяют с помощью сварки. Данный процесс полностью автоматизирован.
Сварные двутавры имеют меньшее поперечное сечение в сравнении с монолитными балками. Также здесь можно сочетать различные марки стали, укрепляя только «нужные» участки, что, в свою очередь, позволяет уменьшить общую стоимость профиля.
Двутавровый профиль №10 – самый миниатюрный представитель данных конструкций. Несмотря на небольшую массу, изделие довольно жесткое. Такой профиль отличается повышенной устойчивостью к нагрузкам, высокой надежностью и стабильностью геометрических характеристик на период эксплуатации.
Двутавровый профиль №10 имея небольшой вес, достаточно устойчив к ударным и весовым нагрузкам
Двутавр 10 используется как прочное перекрытие каркасов при строительстве малоэтажных конструкций, укреплении сооружений или для возведения опоры, а также изделие применяется в оформлении вертикальных колонн. Параметры данного профиля невелики. Полная высота двутавра составляет 100 мм. По ширине профиль достигает 55 мм. Стенка имеет толщину 4, 5 мм, а полка – 7,2 мм. Весит метр двутаврового профиля в этой модификации 10 9, 46 кг. Десятый двутавр может быть изготовлен длиной от 4 м до 12 м.
По положению граней выделяют наклонные и параллельные двутавры. Они имеют соответствующую маркировку, где «У» – профиль с уклоном граней и «П» – балка, в которой грани расположены параллельно.
Двутавр 12: размеры и масса профиля, маркировкаДанный тип профиля изготавливают в соответствии с положениями ГОСТа 8239-89. Он представлен в нескольких вариациях. Маркировка определяет особенности изделия. Так, буква «Б» обозначает грани полок без наклона на стандартных двутаврах. Маркировка «Ш» указывает на параллельность граней полок на широкополочных профилях. Буква «К» характеризует колонные двутавры. Узкополочные профили маркируются пометкой «У», а среднеполочные балки имеют индекс «Д».
В сравнении с № 10, двутавровая балка № 12 способна выдерживать более значительные несущие нагрузки, прогибы и сжатие
Полная высота профиля 12 размера составляет 120 мм.
Его общая ширина равна 64 мм. Стенка изделия по толщине равна 4, 8 мм, а перемычка — 7, 3 мм. Погонный метр такого двутавра весит 11,54 кг.
Двутавр 14: размеры и особенности конструкцииВажно! Приведенные размерные данные носят ознакомительный характер, они являются справочными и формируются исходя из номинального размера при плотности металла 7,85 г/см³.
Двутавровый профиль № 14 изготовлен в соответствии положениям, предписанным в ГОСТе 8239-89. Его рекомендуется использовать при строительстве несущих конструкций в промышленных и жилых зданиях, в строительстве мостов, а также в отраслях машиностроения. Материал демонстрирует высокую устойчивость к неблагоприятным воздействиям окружающей среды, огнеупорность, а также не боится различного рода микроорганизмов. С помощью таких конструкций можно достичь снижения стоимости монтажа и сокращения времени строительства.
Двутавр 14, размеры которого идеальны для использования в строительстве перекрытий, применяют в создании ЖБК с умеренными и незначительно повышенными нагрузками
Полная высота такого профиля (с толщиной полок) составляет 140 мм. Балка имеет ширину, равную 73 мм, стенка перемычки – 4, 9 мм. Общая толщина полки достигает 7,5 мм. По весу метровый двутавр равен 13, 68 кг. Двутавровая балка такого типа имеет разновидности.
Таблица двутавров № 14 наглядно это демонстрирует:
| Вид профиля | Ширина, мм | Высота, мм | Толщина полки, мм | Толщина стенки, мм | Масса 1 м длины, кг |
| 14 | 73 | 140 | 7,5 | 4,9 | 13,68 |
| 14С | 80 | 140 | 9,1 | 5,5 | 16,9 |
| 14Б1 | 73 | 137,4 | 5,6 | 3,8 | 10,5 |
| 14Б2 | 73 | 140 | 6,9 | 4,7 | 12,9 |
Двутавр 16 размера, модификации и сфера применения
Производство двутавровой балки этого размера регламентирует госстандарт.
Сфера ее применения достаточно широка: объекты промышленного и жилого назначения, павильоны, колонны, хранилища, мосты и пр.
Двутавровые профили № 16 бывают нескольких видов. Технически возможно изготовить балки, где грани полок параллельны, профили с наклоном внутренней грани от 6% до 12% и с наклоном от 12% до 16%. Также производят сварные профили, где верхняя и нижняя полки присоединяются к основанию. Как вариация такого профиля встречается нестандартный двутавр, где ширина верхней и нижней полок отличается.
Двутавр 16, размеры которого способны обеспечить высокую жесткость, используется для возведения конструкций с длительными статическими и проектными нагрузками
Двутавры с уклоном до 12% представляют собой усиленную модификацию профиля и подходят для повсеместного применения. Профили с уклоном 12% имеют маркировку «М». Они предназначены для использования при монтаже подвесных путей. Профили, обозначенные буквой «С», характеризуются наклоном внутренних полок 16%. Их используют для укрепления или армирования шахтовых стволов.
Двутавр 16 имеет полную высоту 160 мм. Общая ширина балки равна 81 мм. Стенка профиля по толщине составляет 5 мм. Показатель средней толщины полки – 7, 8 мм. Весит один метр двутавра по ГОСТу 15, 89 кг.
Двутавровый профиль № 18: отличительные особенности и вес двутавраЭтот вид профиля относят к прокату фасонного типа – к категории монорельсовых балок. Двутавр 18 принято считать универсальным, поскольку он применим во всех отраслях строительства. Основные его преимущества – жесткость, прочность, износоустойчивость.
Как и предыдущие типы балок, двутавр № 18 изготовлен в соответствии госстандарта 8239-89. Это изделие выполнено в Н-образной форме и представлено в двух вариантах. Различают двутавр стандартной и повышенной точности. Профиль обычной точности имеет высоту 180 мм, ширину 90 мм, значение толщины стенки — 5,1 мм и средней толщины перемычки — 8,1 мм. Вес 18 двутавра в метровой балке составляет 18, 35 кг.
Балка повышенной точности характеризуется своими отличительными особенностями. В маркировке присутствует буква «А». Размеры двутавра 18 в этом варианте несколько отличаются. Полная высота профиля составляет 180 мм. Общая ширина равна 100 мм. Перемычка имеет толщину 5, 1 мм, показатель толщины полки равен 8,3 мм. Весит двутавровая балка № 18 19, 92 кг.
Балку двутавровую № 18 используют при закладке фундамента, создании опорных площадей, а также в качестве армирующих элементов
Технические показатели, размер и вес двутавра 20Полезный совет! Чтобы быстро разобраться в маркировке профиля, достаточно знать принцип надписи: первые цифры – высота профиля, буквы – тип балки и цифра в конце – размер балки в данной серии.
Двутавр № 20 – это профиль, выполненный таким же горячекатаным способом, как и другие балки этого типа. Он имеет форму в виде перевернутой буквы «Н». Двутавровый профиль № 20 производится согласно положению ГОСТа 26020-83, регламентирующего размер и вес двутавра 20, а также в соответствии с госстандартом 19425-74 и 8239-89.
Полная высота профиля составляет 200 мм, показатель его ширины – 100 мм. Стенка профиля имеет толщину 5, 2 мм, а перемычка – 8, 4 мм. Вес 1 метра двутавра 20 равен 21, 04 кг.
Как вариант такой двутавр может быть изготовлен из сварных балок. Важно отметить, что он имеет более широкую сферу применения.
Двутавровая балка № 20 предназначена для строительно-монтажных работ и укрепления секций корпуса здания
Классификация профилей и возможные размеры двутавровой балки 20Двутавры № 20 могут различаться расположением граней полки. Есть профили с уклоном и параллельные. Грани с уклоном бывают обычные (с углом 6-12%), т.е. без дополнительной маркировки, и с особым расположением. Второй вариант различается по типу маркировки: М и С. Маркировка «М» предполагает использование изделия при устройстве навесных систем сложного типа.
Профиль, обозначенный буквой «С», используется при возведении сооружений сложной геометрии или при формировании специфических конструкций.
Статья по теме:
Блоки ФБС: размеры и характеристики универсального строительного материала
Характеристика строительного материала. Рекомендации по выбору габаритов изделия. Производители ФБС блоков. Монтаж фундамента.
Двутавровый профиль, у которого грани параллельны, маркируется как «Б», «К» или «Ш». Выше упоминалось, что маркировка с буквой Б – это обычный профиль. К данному виду относится двутавр 20б1, размеры которого следующие: общая ширина балки – 100 мм и полная высота профиля – 200 мм. Стенки такой конструкции по толщине составляют 5, 6 мм, а его полка — 8, 5 мм. Весит погонный метр профиля 20Б1 22,4 кг.
Балки можно крепить болтами, заклёпками или сваривать сварочным аппаратом
Отметка «К» обозначает колонный профиль, подразумевает использование в ситуациях, когда невозможно применение железобетонных колонн. Профиль с маркировкой «Ш» вполне может выступить самостоятельным компонентом в строительстве. Так, размеры двутавра 20ш1 по ГОСТу следующие: высота – 193 мм, а его ширина равна 150 мм. Показатель толщины стенки балки составляет 6 мм, перемычки – 9 мм. Метровая двутавровая балка этого типа имеет массу 30,6 кг.
Возможные размеры и вес двутавровой балки – таблицаРазмеры двутавра 20 в длину могут варьироваться от 4 м до 12 м. Размер бывает мерный, немерный, кратный мерному и мерный с остатком, где остаток – это профиль длиной, превышающей 3 м.
Таблица позволяет наглядно сравнить размерные характеристики каждого варианта двутавра:
| Вид профиля | Ширина, мм | Высота, мм | Толщина полки, мм | Толщина стенки, мм | Вес 1 м длины, кг |
| 20Б1 | 100 | 200 | 8,5 | 5,6 | 22,4 |
| 20Ш1 | 150 | 193 | 9 | 6,0 | 30,6 |
| 20К1 | 200 | 195 | 10 | 6,5 | 41,5 |
Технические характеристики и размеры двутавра 22
Двутавровый профиль № 22 имеет обширное применение во всех отраслях строительства.
Часто его используют как несущую конструкцию возводящейся постройки. Изделие характеризуется прочностью, длительным эксплуатационным сроком, а также устойчивостью к любым погодным условиям.
Размеры двутавра 22 отличаются в зависимости от типа изделия. Балки изготавливаются в двух вариациях – стандартной и повышенной точности. Балка обычной точности имеет полную высоту 220 мм. Общая ширина профиля составляет 110 мм при толщине 5, 4 мм. Значение средней толщины перемычки – 8, 7 мм. Погонный метр профиля этой модификации весит 24, 04 кг.
Двутавровые балки № 22 изготавливаются в двух вариациях – стандартной и повышенной точности
Высота двутаврового профиля повышенной точности составляет 220 мм при ширине, равной 120 мм. Стенка профиля имеет толщину 5, 4 мм, а полка – 8, 9 мм. Балка длиной 1 метр весит 25, 76 кг.
Двутавр № 24: характеристики и размеры двутавровой балки, ее модификацииОбратите внимание! Двутавровые балки № 22 также варьируются по степени прочности проката. Выделяют высокую (маркировка «А»), повышенную (индекс«Б») и обычную (маркировка «В») точность.
Этот профиль, как и другие двутавры, характеризуется рядом достоинств. Среди них можно выделить надежность, длительный эксплуатационный срок, устойчивость к погодным катаклизмам. Использование двутавровых балок исключает опасность разрушения конструкций из-за неблагоприятных факторов окружающей среды. Выполняется он согласно критериям, прописанным в ГОСТе 8239-89.
Размеры двутавра 24 отличаются в зависимости от типа балки. Профиль может быть обычной и повышенной точности. Значение высоты двутавровой балки обычной точности составляет 240 мм. Показатель ширины полки равен 115 мм, стенки – 5,6 мм при толщине полки 9, 5 мм. Метровая балка этого вида имеет массу 27, 34 кг.
Балка двутавр № 24 — это первичный вид стальных конструкций, которые используются при строительстве как промышленных зданий, так и зданий гражданского назначения
Двутавр с индексом «А» (повышенная точность) по высоте равен 240 мм.
Профиль характеризуется более широкой полкой (125 мм) и толстой стенкой (5,6 мм). В толщину перемычка увеличена до 9, 8 мм. Весит такая балка 29, 4 кг.
Двутавр с маркировкой «М» (используемый для конструкции подвесных путей) имеет наклон внутренней грани менее 12%. Размеры двутавра 24м таковы: общая высота балки – 240 мм, значение полной ширины – 110 мм. Перемычка имеет толщину 8, 2 мм, а полка – 14 мм. Метровая балка этого типа весит 38, 3 кг.
Характеристики и вес балки двутавровой № 25Профиль двутавровый № 25 применяется при строительстве гражданских и производственных объектов, для формирования несущих тяжелонагруженных конструкций, каркасов сооружений и пр. Изготавливается из нелегированного или низколегированного металла в различном исполнении. Вполне естественно, что размеры двутавра 25 в каждом варианте несколько отличаются.
25Б1 – нормальная двутавровая балка. Размеры двутавра 25б1 по высоте составляют 248 мм. Показатель ширины полки — 124 мм, толщины – 8 мм. Показатель толщины стенки равен 5 мм. Метровый профиль весит 21,3 кг.
Двутавровая балка № 25 изготавливается из нелегированного или низколегированного металла в различном исполнении
25Ш1 – двутавровый профиль с широкими полками. Размеры двутавра 25ш1 таковы: высота профиля – 244 мм, его ширина – 175 мм. Перемычка имеет среднюю толщину 7 мм, а полка – 11 мм. Метровая балка двутавра № 25 весит 44,1 кг.
Таблица двутавровых балок № 25 другой модификации демонстрирует размерные характеристики изделия:
| Вид профиля | Ширина, мм | Высота, мм | Толщина полки, мм | Толщина стенки, мм | Вес 1 м длины, кг |
| 25Б2 | 125 | 250 | 9 | 6 | 29,6 |
| 25К1 | 249 | 246 | 12 | 8 | 62,6 |
| 25К2 | 250 | 250 | 14 | 9 | 72,4 |
Особенности профиля, размеры и вес двутавра 30
Производство двутаврового профиля № 30 регламентируется нормативной документацией, о которой было упомянуто выше.
Данные двутавры производят в двух модификациях: обычный двутавр и двутавр с повышенной точностью (имеет маркировку «А»).
Нужно обратить внимание, что размеры двутавра 30, как и профилей другого размера, отличаются в зависимости от точности. Соответственно изменяется и вес изделия, что для некоторых строений имеет принципиальное значение.
Стальная балка № 30 максимально устойчива к деформации и выдерживает колоссальные нагрузки
Метровая балка 30Б1 весит 32,9 кг. Размеры двутавра 30б1 следующие: высота металлической балки равна 296 мм, ее ширина – 140 мм. Стенка по толщине составляет 4,8 мм, полка – 5,8 мм. Длина профиля 30б1 составляет от 4 м до 12 м.
Размеры двутавра 30ш1 иные. Профиль имеет высоту 291 мм, значение ширины полки – 200 мм, размер толщины перемычки – 8 мм и толщину одной полки – 11 мм. Длина балки варьируется от 4 м до 13 м. Профиль длиной 1 метр весит 36,48 кг.
Двутавровый профиль повышенной точности имеет высоту 300 мм, ширину 145 мм, толщину перемычки 6, 5 мм. Показатель толщины одной полки составляет 10,7 мм. При этом масса метрового двутавра повышенной прочности равна 39,17 кг.
Балка 30 см применяется в строительстве мощных подъемных механизмов, опорных конструкций и в строительстве стволов шахт
Тридцатый двутавр: таблица размеровДвутавровый профиль № 30 используется при возведении крупных строительных объектов сложной архитектуры. Поэтому существует несколько «колонных» модификаций балки этого размера. Для возможности точного определения требуемых материалов существует удобная таблица: вес двутавра и его размерные характеристики указаны для каждого типа конкретного профиля.
| Вид профиля | Высота, мм | Толщина стенки, мм | Ширина, мм | Толщина полки, мм | Вес 1 м длины, кг |
| 30К1 | 298 | 9 | 299 | 14 | 87 |
| 30К2 | 300 | 10 | 300 | 15 | 94 |
| 30К3 | 300 | 15 | 305 | 15 | 105,8 |
| 30К4 | 304 | 11 | 301 | 17 | 105,8 |
Двутавр 36м: размеры и характеристики профиля
Двутавровый профиль 36М представляет собой специальную горячекатаную конструкцию для подвесных путей.
Такие изделия используются для формирования опорных конструкций перекрытий или в постройках с большими пролетами.
Двутавровые балки имеют ряд преимуществ, что делает их незаменимым элементом в строительстве
В данном варианте наклон внутренней грани не превышает 12 %. Производство изделия выполняется согласно положениям госстандарта 19425-74. Параметры профиля следующие: высота – 360 мм при полной ширине 130 мм. Показатель толщины перемычки в этом профиле равен 9, 5 мм, значение толщины одной полки – 16 мм. Метровый профиль 36М весит 57, 9 кг.
Двутавр 40: размеры и особенности двутавровой балкиДанная модификация профиля представляет собой широкополочную балку с нормальной толщиной граней. Изделие используется в строительстве крупных конструкций для формирования несущих опор. Демонстрирует отличную устойчивость к высоким температурам, кислотной среде.
Размеры двутавра 40ш1 по ГОСТу 26020-83 имеют следующие показатели: высота – 388 мм, полная ширина – 300 мм. Перемычка широкопрофильной балки 40ш1 имеет толщину 9, 5 мм, значение общей толщины полки равно 14 мм. Весит стальная широкополочная балка этой модификации 96, 1 кг (из расчета на один метр изделия).
Двутавровую балку № 40 чаще всего используют при возведении зданий в сейсмически активных регионах
Формулы для определения требуемого веса двутавраРасчет массы двутаврового профиля следует начинать с определения веса погонного метра. Проще всего найти данную величину в справочной таблице сортамента ГОСТа, однако могут быть неточности из-за плотности металла.
Для самостоятельного расчета массы балок нужно учитывать показатели площадей полки и стенки, плотность стали. Чтобы определить расстояние между полками, следует руководствоваться формулой: L=h-2×t. Расчет площади полки происходит в соответствии с математическим выражением: SП = b×t. Для определения площади стенки используем формулу: SС = L×S.
Для вычисления сечения – S = Sс + 2×Sп. Полученный показатель сечения следует умножить на среднюю плотность стали, которая равна 7850 кг/м³. Все данные предварительно следует перевести в квадратные метры. S – толщина стенки профиля, h – высота балки, b – размер полки, t обозначает среднюю толщину полки, L – длина проката.
Полезный совет! Чтобы упростить процесс просчета и сэкономить время, можно воспользоваться калькулятором двутавровой балки.
Чтобы расчитать массу двутаврового профиля, нужно сначала определить вес погонного метра
Балка двутавровая: таблица размеров, вес и размерные характеристики профилейСовременное производство позволяет изготавливать профили различных размеров, из большого количества материалов и в разнообразной конфигурации. Есть возможность выполнения двутавровых балок по индивидуальным параметрам.
Данная статья содержит описание наиболее распространенных в строительстве двутавровых балок. Для наглядности представленной информации и возможности визуального сравнения предлагается таблица размеров двутавровых балок:
| Вид профиля | Ширина мм | Высота мм | Толщина полки, мм | Толщина стенки, мм | Кол-во метров в 1 тонне | Масса 1 м длины, кг |
| 10 | 55 | 100 | 7,2 | 4,5 | 105,7 | 9,456 |
| 12 | 64 | 120 | 7,3 | 4,8 | 86,62 | 11,54 |
| 14 | 73 | 140 | 7,5 | 4,9 | 73,09 | 13,68 |
| 16 | 81 | 160 | 7,8 | 5 | 62,94 | 15,89 |
| 18 | 90 | 180 | 8,1 | 5,1 | 54,50 | 18,35 |
| 18а | 100 | 180 | 8,3 | 5,1 | 50,20 | 19,92 |
| 20 | 100 | 200 | 8,4 | 5,2 | 47,53 | 21,04 |
| 20а | 110 | 200 | 8,6 | 5,2 | 44,08 | 22,69 |
| 22 | 110 | 220 | 8,7 | 5,4 | 41,06 | 24,04 |
| 22а | 120 | 220 | 8,9 | 5,4 | 38,82 | 25,76 |
| 24 | 115 | 240 | 9,5 | 5,6 | 36,57 | 27,34 |
| 24а | 125 | 240 | 9,8 | 5,6 | 34,02 | 29,40 |
| 27 | 125 | 270 | 9,8 | 6 | 31,71 | 31,53 |
| 27а | 135 | 270 | 10,2 | 6 | 29,51 | 33,88 |
| 30 | 135 | 300 | 10,2 | 6,5 | 27,41 | 36,48 |
| 30а | 145 | 300 | 10,7 | 6,5 | 25,53 | 39,17 |
| 33 | 140 | 330 | 11,2 | 7 | 23,67 | 42,25 |
| 36 | 145 | 360 | 12,3 | 7,5 | 20,60 | 48,55 |
| 40 | 155 | 400 | 13 | 8,3 | 17,56 | 56,96 |
| 45 | 160 | 450 | 14,2 | 9 | 15,04 | 66,50 |
| 50 | 170 | 500 | 15,2 | 10 | 12,72 | 78,64 |
| 55 | 180 | 550 | 16,5 | 11 | 10,79 | 92,66 |
| 60 | 190 | 190 | 17,8 | 12 | 9,263 | 108,0 |
Таблица размеров двутавра, цена за метр погонный
Экономичность производства двутавровых профилей позволяет выпускать продукцию по доступной для потребителя цене.
Высокая надежность изделий при относительно низкой стоимости формирует повышенный спрос на двутавры в широких сферах строительства.
Экономичность изготовления двутавровых профилей позволяет выпускать продукцию по приемлемой цене
Стоимость двутаврового профиля формируется из расчета цены на металл и количества расходного материала, требуемого для изготовления балки. Стоимость просчитывается за каждый метр профиля.
Приобрести двутавры сегодня несложно, гораздо труднее подобрать двутавровые профили, максимально точно отвечающие запросам возводящегося объекта. Руководствуясь данными, представленными в статье, можно сориентироваться в типе, количестве материалов и значительно сэкономить время на расчетах.
Двутавр размеры + таблица
Двутавр – это металлическая или деревянная балка, которая имеет определенное сечение. В продажу она поступает в виде Н-образного профиля. Изделия широко используются не только в промышленном строительстве, но и в частном. Чтобы возводимые конструкции и создаваемые перекрытия из двутавровых балок соответствовали требованиям, нужно выяснить особенности двутавров, его вес, конструктивные особенности и размеры.![]()
Особое внимание уделим именно размерам, ведь в продаже можно найти очень много разновидностей этих конструктивных элементов.
Сфера использования металлических изделий
Для начала рассмотрим, где именно их можно использовать. За счет своей особенной формы профиля, двутавровая балка намного жестче и крепче других профилей такого сечения. Жесткость лучше в 30 раз, а прочность в 7 раз. Не зря они используются для следующих целей:
- Возведение зданий, мостов, трубопроводов, промышленных складов, для постройки самолетных ангаров, а также других конструкций. Все сводится к тому, что металлоемкость намного эффективней и лучше, чем у обычных горячекатаных балок. Почему? За счет подбора требуемого веса и размера и сечения.
- Вторая сфера использования – в качестве элементов перекрытия зданий. К тому же они незаменимы, если нужно возвести колонны, подвесные пути и дорожные эстакады. Но, чаще всего двутавры используются для монтажа каркасов с большими пролетами в промышленном производстве.
В чем их преимущества? Начнем с того, что они намного прочнее других профилей и могут выдерживать колоссальные нагрузки. К тому же готовая конструкция будет иметь меньший вес. На фундамент оказывается меньшая нагрузка, поэтому можно сэкономить немало средств. Радует и большой ассортимент марок изделий. Есть выбор: купить продукцию из высокопрочной стали (они больше напряжены), или же из малоуглеродистой стали (они меньше напряжены). Данная особенность весомо отражается на стоимости, купить их можно дешевле.
Еще некоторые положительные моменты использования
- огромный запас прочности. Несмотря на свою кажущуюся хрупкость, прочность изделий намного выше за счет продуманной конструкции;
- идеальная геометрия продукции. Все габариты обусловлены в СНИП и ГОСТ. В ходе эксплуатации они не будут прогибаться и не изменят своих параметров. По словам производителей, даже спустя 100 лет, они останутся такими, как в первые полгода;
- за счет своей конструкции, прифили очень удобно и просто транспортировать;
- в отличие от аналогов, установка балок выполняется намного проще.

А еще существенно снижается количество отходов. Их нет вовсе, так как двутавр имеет размеры, которые нужны для строительства. Кроме стандартных габаритов, которые по ГОСТу начинаются от марки 10 и заканчиваются маркой 60, есть возможность сделать индивидуальный заказ, в зависимости от конструкции. По подсчетам специалистов, снижение отходов позволяет сэкономить на строительстве до 15% средств.
Сортамент двутавров
Размер двутавра напрямую зависит от его назначения, вида и других особенностей. Чтобы понять это, нужно немного вникнуть в сортамент изделий.
Исходя из ГОСТ 19425–74, специальный двутавр делается двух видов:
- Которым армируют шахтные стволы. Такой профиль имеет отметку «С».
- Балки, которые используются для подвесных путей. Они маркируются буквой «М».
Различают два вида балок, с учетом их точности прокатки:
- Продукция высокой точности, маркируемые буквой «А».
- Продукция обычной точности, маркируемые буквой «В».
В зависимости от пожеланий, размер балок может варьироваться от 4 до 13 м. Это касается сварных изделий:
- немерной длинны;
- мерной длины;
- мерной длины + остаток минимум 5% веса партии;
- кратной мерной длины.
В зависимости от требований заказчиков, могут быть изготовлены профили с ограниченной длинной (в пределах немерной), а также длиной, превышающей 13 м.
Виды
Двутарвы различают по назначению. Есть 5 видов профилей, которые обладают своими размерами:
- Узкополочные балки, ширина которых меньше, чем у обычных. Они маркируются буквой «У».
- Стандартные обычные двутавровые балки имеют маркировку «Б».
- Балки с широкими полками, которые маркируются буквой «Ш».
- Что-то среднее между обычным и широкополочным двутавром – среднеполосный двутавр, который маркируется буквой «Д».

- Последняя – колонная балка. Ее особенность в том, что ширина полки примерно идентичная с высотой профиля. Обозначается буквой «Ш».
Обратите внимание! Цифра, которая стоит после буквы, указывает на размер профиля в данной серии (толщина полки и стенки). Если профилеразмер один, то цифру не указывают.
Теперь что касается размеров. Начнем со специальных двутавров, ниже приводится таблица размеров:
Теперь что касается обозначений. Например, двутавр 24М имеет размеры 240:110:8,2;14,0. Что это означает?
- h – это высота двутавровой балки.
- b – ширина полки двутавра.
- s – толщина, которую имеет стенка.
- t – средняя толщина полки.
Обратите внимание! Номер двутавра выбран не просто так. Например, двутавр 36М имеет размеры 360:130:9,5:16,0. Название профиля соответствует высоте двутавровой балки.
Различия между горячекатаной и сварной продукцией
Кроме вышеперечисленных отличий, изделия отличаются по методу их изготовления. Есть две большие группы:
- Сделанные методом раскатки металла (горячекатаные).
- Сделанные методом сваривания.
Какие различия между ними? Начнем с того, что первая группа является абсолютно монолитной. Это позволяет изделиям выдерживать большие нагрузки. А вот сварные профили делаются из 3 частей, сваренных друг к другу (2 полки и стенка). А вот и другие отличия:
- максимальная высота горячекатаных изделий составляет 60 см, в то время как сварные конструкции могут иметь размер от 2 до 4 м;
- профили, сделанные методом горячей катки, обладают строгим соотношением размеров (полка и стенка). Это касается ширины и высоты стенок. Нестандартная горячекатаная продукция по ГОСТу не производится. А вот что касается сварных изделий, то они могут быть сделаны любого типоразмера. Благодаря этому расход металла при создании уменьшается, а прочностные характеристики – нет.

Размеры
Теперь можно рассмотреть точные параметры изделий. Они четко регламентированы положениями СНИП. Обыкновенные, широкополочные, колонные балки отличаются, поэтому нужно рассмотреть размеры двутавровых балок. Таблица поможет в этом.
Обычные изделия
Начнем с самого первого. Двутавр 10 имеет размеры:
Следом за ней идет балка 10Б1:
Дальше все по нумерации:
Двутавр 12 размеры.
Двутавр 14 размеры.
Двутавр 16 размеры.
Двутавр 18 размеры.
Двутавр 20 размеры.
Двутавр 22 размеры.
Двутавр 24 размеры
Двутавр 30 размеры.
Габариты и особенности остальных изделий можно увидеть из этой таблицы.
Широкополочные балки
Их особенность в полках большого размера. Все виды изделий и их габариты можно увидеть на этой таблице.
Колонные изделия
Выяснить точные габариты профиля и его название поможет таблица внизу.
Рассчитываем вес
Если говорить о строительных работах, то знать табличные данные – это одно, а реализовать все на практике, совсем другое. Если нужно сделать перекрытие этажа или кровли, то важно рассчитать вес, дабы определить нагрузку на фундамент.
Для подсчета веса нужны две составляющие: номер изделия по ГОСТу, и его вес из таблички. Обратите внимание на то, что в ней указан вес всего лишь одного погонного метра изделия. Чтобы выполнить подсчет нужного количества, потребуется умножить эти показатели. Например, у вас есть 3-метровая балка марки 14. Чтобы выполнить расчет, нужно обратиться к табличке. В ней сказано, что вес одного погонного метра составляет 13,7 кг. Осталось умножить метраж изделия на его массу. Выглядит это так: 3*13,7=41,1 кг. Получается, что общая масса 3-метровой балки №14 – 41,1 кг.
Подведем итоги
Двутавровы – это профили, которые имеют продуманную и идеальную форму. Благодаря этому изделия выдерживают огромные нагрузки без изменений по характеристикам, имеют небольшой вес, просты в транспортировке, а их использование помогает сэкономить на строительстве. Профили ужа давно активно используются в Америке, Канаде и других странах. Это позволяет возводить легкие и надежные конструкции. Благодаря таблицам, можно разобраться в многочисленных видах данной продукции, увидеть габариты и другие точные данные. Благодаря тому, что они строго регламентированы, можно получить качественную и идеально точную балку.
Что еще почитать по теме?
Автор статьи:Сергей Новожилов — эксперт по кровельным материалам с 9-летним опытом практической работы в области инженерных решений в строительстве.
Понравилась статья? Поделись с друзьями в социальных сетях:Вконтакте
Одноклассники
Google+
Cортамент двутавров таблица — сортамент двутавровых балок, балочных двутавров
Сортамент двутавров
Двутавровые балки подразделяют на:
а) Двутавры с параллельными гранями полок (ГОСТ 26020, СТО АСЧМ 20-93):
— нормальные — Б
— широкополочные — Ш
— колонные — К
б) Двутавры с уклоном внутренней грани полок:
— обычные — ГОСТ 8239 (без букв): 10, 12,14, 16, 18, 20, 22, 24, 27, 30, 33, 36, 40, 45, 50, 55, 60.
— специальные — ГОСТ 19425 (М — монорельсовая балка и С — для армирования шахтных стволов)
Двутавры изготавливаются длиной от 4 до 13м,в зависимости от стандарта и требований потребителя. Длина может быть мерной, немерной и кратной мерной. Сварную балку изготавливают до 16 м.
У нас её производят на складах в городах Лобня, Калуга и Тверь.
По точности изготовления балки, балку катают: повышенной (Б) и обычной точности (В) по ГОСТ 8239; высокой (А) и обычной (В) точности по ГОСТ 19425.
Балки изготавливают классов стали: С245 (Ст3), С255 (Ст3Гпс и Ст3Гсп), С345 (09Г2С).
Балка двутавровая используется в строительстве для изготовления металлоконструкций, для подвесных путей, для перекрытий, для стадионов, мосто- и вагоностроении и т.д.
Двутавры из стали 09Г2С -конструкционной низколегированной стали — используются для сварных конструкций в условиях крайнего севера при температуре от минус 70град С, а также сталь 09Г2С может применяться при высочайшей температуре +450 град С. Используется балка 09Г2С там, где требуется повышенная прочность, в строительстве для сварных конструкций. Сварная балка предназначается для крупных металлоконструкций для уменьшения их веса, но увеличения ширины пролёта. Сварную балку производим по СТО АСЧМ 20 и ГОСТ 26020, по ст3 и ст09Г2С, на неё также выдаём сертификат качества.
Сортамент нашей производимой сварной балки: 35Ш3, 35К3, 30К3, 30Ш3, 40Ш2, 40Ш3, 45Ш1, 40К1- 40К5, 50Б2, 50Б3, 50Ш1- 50Ш4, 60Ш1-60Ш4, 70Б1, 70Б2, 70Ш1-70Ш5, 80Б1, 80Б2, 80Ш1, 80Ш2, 90Б1, 90Б2, 90Ш1, 90Ш2, 100Б1- 100Б4, 100Ш1 — 100Ш4.
Основной производитель двутавров — Нижнетагильский металлургический комбинат.
Сортамент двутавров ГОСТ 8239 89
Таблица обычных двутавров стальных горячекатаных с уклоном внутренней грани полок.
Металлические балки ГОСТ 8239.
Вес металлической балки.
Количество метров в тонне.
| Обозначение профиля | Балки металлической размеры | Масса 1 м, кг | Метров в тн | |||
| h | b | s | t | |||
| 10 | 100 | 55 | 4,5 | 7,2 | 9,5 | 105,7 |
| 12 | 120 | 64 | 4,8 | 7,3 | 11,5 | 87,0 |
| 14 | 140 | 73 | 4,9 | 7,5 | 13,7 | 73,0 |
| 16 | 160 | 81 | 5,0 | 7,8 | 15,9 | 62,9 |
| 18 | 180 | 90 | 5,1 | 8,1 | 18,4 | 54,3 |
| 20 | 200 | 100 | 5,2 | 8,4 | 21,0 | 47,6 |
| 22 | 220 | 110 | 5,4 | 8,7 | 24,0 | 41,7 |
| 24 | 240 | 115 | 5,6 | 9,5 | 27,3 | 36,6 |
| 27 | 270 | 125 | 6,0 | 9,8 | 31,5 | 31,7 |
| 30 | 300 | 135 | 6,5 | 10,2 | 36,5 | 27,4 |
| 33 | 330 | 140 | 7,0 | 11,2 | 42,2 | 23,7 |
| 36 | 360 | 145 | 7,5 | 12,3 | 48,6 | 20,6 |
| 40 | 400 | 155 | 8,3 | 13,0 | 57,0 | 17,5 |
| 45 | 450 | 160 | 9,0 | 14,2 | 66,5 | 15,0 |
| 50 | 500 | 170 | 10,0 | 15,2 | 78,5 | 12,7 |
| 55 | 550 | 180 | 11,0 | 16,5 | 92,6 | 10,8 |
| 60 | 600 | 190 | 12,0 | 17,8 | 108,0 | 9,3 |
Сортамент двутавров ГОСТ 26020-83 с параллельными гранями полок
Таблица сортамента двутавров.
ГОСТ двутавров стальных горячекатаных нормальных с параллельными гранями полок.
Масса метра. Количество метров в тонне.
Обозначение профиля | Размеры балок, мм | Масса 1 м, | Метров в | |||
h | b | s | t | |||
10Б1 | 100,0 | 55 | 4,1 | 5,7 | 8,1 | 123,46 |
12Б1 | 117,6 | 64 | 3,8 | 5,1 | 8,7 | 114,94 |
14Б1 | 137,4 | 73 | 3,8 | 5,6 | 10,5 | 95,24 |
16Б1 | 157,0 | 82 | 4 | 5,9 | 12,7 | 78,74 |
20Б1 | 200,0 | 100 | 5,6 | 8,5 | 22,4 | 44,64 |
30Б1 | 296,0 | 140,0 | 5,8 | 8,5 | 32,9 | 30,40 |
35Б1 | 346,0 | 155,0 | 6,2 | 8,5 | 38,9 | 25,71 |
40Б1 | 392,0 | 165,0 | 7,0 | 9,5 | 48,1 | 20,79 |
Сортамент металлических балок двутавровых СТО АСЧМ 20-93
В России балку стальную двутавровую изготавливает в основном Нижнетагильский металлургический комбинат по своему собственному техническому условию — СТО АСЧМ 20-93, отличающемуся от ГОСТа.
Таблица.
Масса балки металлической нормальной двутавровой СТО АСЧМ 20-93
Обозначение профиля | Балка стальная двутавровая размеры, мм | Масса 1 м, кг | Метров в | |||
h | b | s | t | |||
20Б1 | 200,0 | 100,0 | 5,5 | 8,0 | 21,3 | 46,95 |
25Б1 | 248,0 | 124,0 | 5,0 | 8,0 | 25,7 | 38,91 |
25Б2 | 250,0 | 125,0 | 6,0 | 9,0 | 29,6 | 33,78 |
30Б1 | 298,0 | 149,0 | 5,5 | 8,0 | 32,0 | 31,25 |
30Б2 | 300,0 | 150,0 | 6,5 | 9,0 | 36,8 | 27,19 |
35Б1 | 346,0 | 174,0 | 6,0 | 9,0 | 41,4 | 24,15 |
35Б2 | 350,0 | 175,0 | 7,0 | 11,0 | 49,6 | 20,16 |
40Б1 | 396,0 | 199,0 | 7,0 | 11,0 | 56,6 | 17,67 |
40Б2 | 400,0 | 200,0 | 8,0 | 13,0 | 66,0 | 15,15 |
45Б1 | 446,0 | 199,0 | 8,0 | 12,0 | 66,2 | 15,11 |
45Б2 | 450,0 | 200,0 | 9,0 | 14,0 | 76,0 | 13,16 |
50Б1 | 492,0 | 199,0 | 8,8 | 12,0 | 72,5 | 13,79 |
50Б2 | 496,0 | 199,0 | 9,0 | 14,0 | 79,5 | 12,58 |
55Б1 | 543,0 | 220,0 | 9,5 | 13,5 | 89,0 | 11,24 |
55Б2 | 547,0 | 220,0 | 10,0 | 15,5 | 97,9 | 10,21 |
60Б1 | 596,0 | 199,0 | 10,0 | 15,0 | 94,6 | 10,57 |
60Б2 | 600,0 | 200,0 | 11,0 | 17,0 | 105,5 | 9,48 |
Таблица.
Двутавры стальные горячекатаные сортамент СТО АСЧМ 20-93.
Двутавра широкополочного сортамент, масса.
Обозначение профиля | Размеры балок, мм | Масса 1 м,кг | Метров в | |||
h | b | s | t | |||
20Ш1 | 194,0 | 150,0 | 6,0 | 9,0 | 30,6 | 32,68 |
25Ш1 | 244,0 | 175,0 | 7,0 | 11,0 | 44,1 | 22,68 |
30Ш1 | 294,0 | 200,0 | 8,0 | 12,0 | 56,8 | 17,61 |
30Ш2 | 300,0 | 201,0 | 9,0 | 15,0 | 68,6 | 14,58 |
35Ш1 | 334,0 | 249,0 | 11,0 | 20,0 | 65,3 | 15,31 |
35Ш2 | 340,0 | 250,0 | 9,0 | 14,0 | 79,7 | 12,55 |
40Ш1 | 383,0 | 299,0 | 9,5 | 12,5 | 88,6 | 11,29 |
40Ш2 | 390,0 | 300,0 | 10,0 | 16,0 | 106,7 | 9,37 |
45Ш1 | 440,0 | 300,0 | 11,0 | 18,0 | 123,5 | 8,10 |
50Ш1 | 482,0 | 300,0 | 11,0 | 15,0 | 114,2 | 8,76 |
50Ш2 | 487,0 | 300,0 | 14,5 | 17,5 | 138,4 | 7,23 |
50Ш3 | 493,0 | 300,0 | 15,5 | 20,5 | 156,1 | 6,41 |
50Ш4 | 499,0 | 300,0 | 16,5 | 23,5 | 173,4 | 5,77 |
Таблица.
Сортамент двутавра (балки), масса балки колонной двутавровой СТО АСЧМ 20-93
Обозначение профиля | Размеры балок, мм | Масса 1 м, | Метров в | |||
h | b | s | t | |||
20К1 | 196,0 | 199,0 | 6,5 | 10,0 | 41,4 | 24,15 |
20К2 | 200,0 | 200,0 | 8,0 | 12,0 | 49,9 | 20,04 |
25К1 | 246,0 | 249,0 | 8,0 | 12,0 | 62,6 | 15,97 |
25К2 | 250,0 | 250,0 | 9,0 | 14,0 | 72,4 | 13,81 |
25К3 | 253,0 | 251,0 | 10,0 | 15,5 | 80,2 | 12,47 |
30К1 | 298,0 | 299,0 | 9,0 | 14,0 | 87,0 | 11,49 |
30К2 | 300,0 | 300,0 | 10,0 | 15,0 | 94,0 | 10,64 |
30К3 | 300,0 | 305,0 | 15,0 | 15,0 | 105,8 | 9,45 |
30К4 | 304,0 | 301,0 | 11,0 | 17,0 | 105,8 | 9,45 |
35К1 | 342,0 | 348,0 | 10,0 | 15,0 | 109,1 | 9,17 |
35К2 | 350,0 | 350,0 | 12,0 | 19,0 | 136,5 | 7,33 |
40К1 | 394,0 | 398,0 | 11,0 | 18,0 | 146,6 | 6,82 |
40К2 | 400,0 | 400,0 | 13,0 | 21,0 | 171,7 | 5,82 |
40К3 | 406,0 | 403,0 | 16,0 | 24,0 | 200,1 | 5,00 |
40К4 | 414,0 | 405,0 | 18,0 | 28,0 | 231,9 | 4,31 |
Сортамент двутавра (балки) специальной ГОСТ 19425-74
Таблица.
Масса балки двутавровой специальной ГОСТ 19425:
С — для армировки шахтных стволов, М — балки для подвесных путей.
Обозначение профиля | Размеры балок, мм | Масса 1 м, кг | Метров в | |||
h | b | s | t | |||
14С | 140 | 80 | 5,5 | 9,1 | 16,9 | 59,17 |
20С | 200 | 100 | 7,0 | 11,4 | 27,9 | 35,84 |
18М | 180 | 90 | 7,0 | 12,0 | 25,8 | 38,76 |
24М | 240 | 110 | 8,2 | 14,0 | 38,3 | 26,11 |
30М | 300 | 130 | 9,0 | 15,0 | 50,2 | 19,92 |
36М | 360 | 130 | 9,5 | 16,0 | 57,9 | 17,27 |
45М | 450 | 150 | 10,5 | 18,0 | 77,6 | 12,89 |
Купить балки стальные ГОСТ 8239, ГОСТ 26020, ГОСТ 19425 или СТО АСЧМ 20-93, сварные балки
У нас вы можете приобрести стальную балку всех производимых видов со складов филиалов, складов Московской области или напрямую с завода.
Оказываем услуги по резке, доставке и комплектации балки. Наличие, стальной балки цене за тонну, двутавров стальных горячекатаных сортамент, двутавра стального размеры, двутавра стального ГОСТ, двутавра стального сортамент СТО АСЧМ, сортамент двутавров ГОСТ 26020 83 Вы можете посмотреть на сайте. Более подробную информацию по стального двутавра цене за штуку, двутавра 30 сортаменту, двутавра 24 сортаменту, уточнить виды стальных балок и сделать расчёт количества, выписать счёт и оформить заявку, уточнить варианты оплаты и запросить сертификат на взятый уже металл — можно у менеджера, связавшись с ним по телефону: (495) 232-67-81 (495) 232-22-62
размеры – Кровля крыши для дома
Автор Кровельщик На чтение 6 мин. Просмотров 78 Обновлено
Двутавровые балки имеют широкое применение в строительной сфере и не только. Широкое применение этого материала обусловлено тем, что он имеет хорошие несущие и опорные качества. Применение металлических двутавровых балок в строительной сфере позволяет значительно удешевить смету объекта и ускорить процесс его возведения.
В каких сферах применяются двутавровые балки?
Металлическая балка двутавр выполняет функцию равномерного перераспределения вертикальной или горизонтальной нагрузки на основание.
Как правило, используются в строительстве для перекрытия или опор на следующих объектах:
- При возведении многоэтажных зданий.
- Для возведения мостов.
- Для возведения самолётных ангаров и производственных складов.
- При конструировании сводов в шахтах.
- При сооружении подвесных железнодорожных путей.
- При постройке водопровода.
Устойчивость двутавровых балок к прогибанию и различного рода скручиванию позволяет применять их для перекрытий и в качестве несущих элементов.
Также такой материал находит применений не только в промышленном строительстве, но и в гражданском. Кроме строительной сферы двутавровые балки используются для рельсов трамваев, поездов и аттракционов.
Основные преимущества двутавровых балок
Большую популярность двутавровые балки приобрели в строительстве и не только за счёт своих следующих преимуществ:
- Сравнительно небольшой вес.
- Балки обладают высоким запасом прочности.
- Возможность лёгкой транспортировки на объект.
- Лёгкий и быстрый монтаж.
- Экономичность в установке.
- Возможность изготовления балок по индивидуальным размерам.
- Неизменные геометрические формы.
- Высокая устойчивость к различным видам нагрузок.
Также к положительной стороне двутавровых балок можно отнести разновидность крепежа. Балки можно крепить болтами, заклёпками или сваривать сварочным аппаратом. Эти способы крепежа считаются экономичными и практичными.
Сортамент двутавров
Металлические изделия, обладающие схожими техническими характеристиками, обозначаются как сортамент. К сортаменту относятся различные виды и типы метало изделий. Все технические характеристики двутавров указываются в спецификациях ГОСТ стандарта.
Есть два типа металлических изделий двутавра.
- Сортамент широкополочных двутавров.
- Мостовой сортамент двутавров.
Ширина полок двутавров определяется такими маркировками как:
- К — размер полки равен размеру профиля. Как правило, предназначена для сооружения колон.
- Ш — полки балки значительно больше относительно профиля.
- У — полки балки значительно меньше относительно профиля.
- Д — полки балки имеют средние значение относительно профиля.
- Б — полки расположены параллельно.

- М — изделие имеет уклон полок.
Двутавровые изделия независимо от вида могут изготавливаться различных размеров. Горячекатаные двутавровые балки изготавливают длиной от 4 до 12 метров. Что касается прокатной балки, ее максимальная длина также составляет 12 метров.
Как правило, технические характеристики двутавровых балок указываются следующими обозначениями:
- Высота двутавровой балки обозначается буквой «h».
- Ширина полки балки обозначается буквой «b».
- Толщина стенки двутавра обозначается буквой «d».
- Средняя толщина полки обозначается буквой «t».
- Моменты инерции обозначаются буквой «I».
- Моменты сопротивления обозначают буквой «W».
- Радиусы инерции имеют обозначение буквой «i».
- Статистический момент пол-усечения указывает буква «S».
Ориентируясь вышеописанными обозначениями можно выбрать двутавровые балки полностью соответствующие необходимым требованиям.
Полную информацию об изделии можно узнать из специальных таблиц производителей.
Как правило, в них указывается следующая информация:
- Технология производства изделия.
- Технические параметры.
- Сорт метала.
- Величина стенок.
- Масса погонного метра двутавра.
В таблице сортамента двутавра можно ознакомиться со следующими величинами изделия:
- Геометральные размеры сечения.
- Площадь сечения.
- Масса метра длины.
- Осевой момент сопротивления касательно главных, центральных осей. Находит применение при вычислении прочности.

- Основной момент инерции касательно центральных осей.
- Статический момент инерции касательно центральных осей.
- Радиус инерции двутавра касательно центральных осей.
Ниже представлена таблица “Двутавр по СТО АСЧМ 20-93”
Отличительными характеристиками двутавровых балок могут быть следующие критерии:
- Класс точности изготовления А или В.
- Мерность изделия.
- Назначение для применения.
Расчёт веса двутавра
Вес двутавровой балки указывается производителем за метр погонный. Для расчёта веса двутавра не нужно обладать сверхъестественными знаниями, достаточно произвести следующие расчёты:
- Посмотреть в таблице производителя вес погонного метра двутавровой балки.
- Вес погонного метра двутавра умножить на длину балки.
Например, необходимо узнать вес десяти метровой двутавровой балки № 10 при этом в таблице производителя указано, что вес 1 метра погонного составляет 9.46 килограмма. Следовательно расчёт будет выглядеть так 9.46 кг. Х 10 м. = 94.6 килограмма. То есть вес десяти метровой двутавровой балки составляет 94.6 килограмма.
Что нужно знать о полках двутавра?
Условно можно сказать, что полка двутавра это металлическая пластина, расположенная поперечно сверху и снизу основы балки. У двутавровой балки две полки, которые абсолютно идентичны друг другу.
Полки двутавровой балки бывают следующих видов:
- Узкополочные.
- Стандартные.
- Широкополочные.
Полки двутавровой балки могут производиться с параллельными и наклонными сторонами. Основные значения полок двутавровой балки это её ширина и толщина, которые определяются по ГОСТу. Эти значения указываются в таблицах сортамента производителя.
Важные параметры при расчёте нагрузок
При проектировании проекта необходимо произвести вычисление, насколько надёжны балки и их несущие свойства. Как правило, для вычисления какую двутавровую балку необходимо использовать при данной задаче производят расчёт пространства между стенами и максимально допустимой нагрузки на возводимое здание или конструкцию.
Определить, насколько надёжна балка можно по следующим параметрам:
- Длина двутавра.
- Вариант крепежа.
- Общая площадь и разновидность поперечного сечения.
- Ширина опоры.
Также необходимо произвести расчёт общей нагрузки на балку. Для этого нужно учесть временную и постоянную нагрузку на элементы перекрытия. Результат расчета должен быть на метр погонный двутавровой балки, который необходимо умножить на коэффициент прочности. Коэффициент прочности двутавровой балки указывается в таблице сортамента.
Все эти значения применяют при расчёте необходимого момента сопротивления. Опираясь на полученные результаты можно определиться, какой вид материала необходим.
В случае, если несущих свойств двутавровой балки не хватает, её нужно усилить. Элементы конструкции, которые принимают на себя различные нагрузки, необходимо усиливать увеличением сечения. То есть жёсткость конструкцию усиливают, приваривая дополнительные элементы.
Теоретически такой метод усиления считается одним из лучших, но, как показывает практика, довольно сложно достичь желаемого результата, так как при сварочных работах метал прогревается, что производит к ослаблению его несущих свойств.Понижение несущих свойств двутавров зависят от его величины, производительности и направленности сварочных работ.
Как определить вес двутавра 20 размера?
Узнать вес двутавровой балки 20 размера можно следующим образом:
- В таблице сортамента посмотреть значения веса.
- Указанное в таблице значение умножить на длину балки.

Следует помнить, что в таблицах сортамента вес изделия указан за один метр погонный.
Если в таблице сортамента указан вес по ГОСТу это означает, что в процессе изготовления изделия, производитель придерживался государственных стандартов. Это позволяет приобретать материал у разных производителей, не беспокоясь, что он будет отличаться друг от друга.
Технические характеристики, приведенные в таблицах сортамента, позволяют безошибочно использовать двутавровые балки при сооружении конструкции.
В завершение можно сказать, что такие изделия металлопроката как двутавровые балки, цена на которые являются достаточно низкой, стали незаменимым материалом в разных сферах, но стоит учитывать, что надежность конструкции зависит от качественных опорных элементов.
Сортамент двутавра, Маркировка, размеры и характеристики двутавровой балки
Двутавр (двутавровая балка) – вид фасонного металлопроката, имеющего в поперечном сечении Н-образную форму.
Фасонным прокат — вид не пустотелого металлопроката, имеющего сложную форму поперечного сечения. К фасонному прокату относятся:
Двутавр и швеллер применяется в строительстве, а также при изготовлении металлоконструкций для формирования несущих каркасов и в качестве балок перекрытий.
Размеры, пределы их отклонений и форма металлических двутавров регулируются государственными стандартами ГОСТ 8239-89 и ГОСТ 26020-83. В них там же указаны порядок маркировки и марки сталей, используемых при их изготовлении.
Балка выпускается длинной 3, 6 или 12 метров. При заказе больших партий возможно производство двутавров под размер клиента.
По сравнению с другими видами металлопроката двутавровая балка имеет наибольшую степень удельной прочности и жесткости. Связано это с формой поперечного сечения проката, она способствует наиболее правильному распределению напряжения по площади балки, что позволяет существенно снизить объем используемого материала.
Так сопротивление на разрыв двутавра и цельного бруска металла аналогичного размера практически одинакова, но при этом масса Н-образного профиля ниже более чем в 10 раз.
В зависимости от формы сечения двутавр подразделяют на следующие категории:
Горячекатаный стальной двутавр с уклоном внутренних граней полок по ГОСТ 8239-89. Представляет собой Н-образный профиль, полки которого образует со стенкой угол от 8 до 12 градусов.
Двутавры нормальные по ГОСТ 26020-83. От предыдущего типа профиля его отличает параллельность граней полок между собой. Это упрощает процесс изготовления с одной стороны, а с другой, хотя и незначительно, снижает сопротивляемость деформации профилем. В конструкторской документации его принято обозначать буквой «Б».
Двутавр широкополочный по ГОСТ 26020-83. Ширина полок в данном профиле увеличена почти в 1,5 раза по сравнению с вышеуказанными видами. Увеличение формы сечения положительно сказывается на прочности, жесткости и долговечности балки. Она способна выдержать на 40% большей нагрузки по сравнению с нормальным двутавром. Маркируется буквой «Ш».
Колонные двутавры по ГОСТ 26020-83 отличаются еще большей шириной полок. Толщина стенки также увеличена. Что позволяет повысить их прочность почти на 100%. Употребляется в особо ответственных конструкциях. Обозначается буквой «К».
Марки сталей и сплавов, используемых для производства двутавровПомимо формы поперечного сечения регламентируемый ГОСТами сортамент определяет допустимые виды сталей, из которых изготавливают двутавровые балки. Наиболее применяемыми из них являются:
Углеродистые стали обыкновенного качества. Механические свойства и химический состав соответствуют ГОСТ 380-2005. По степени раскисления подразделяются на спокойные, кипящие и полуспокойные.
Восемьдесят процентов рынка представлены именно этими сталями в силу их оптимального соотношения цены, технологических и прочностных характеристик.
Строительные стали ГОСТ 27772-88. Отличаются более высокими требованиями по отношению к содержанию вредных примесей. Основной сортамент данных сталей представлен такими марками как С235, С245 и С255.
Низколегированные прокатные стали. Характеристики указаны в таблице ГОСТа 19281-89. Эти сплавы дополнительно легированы марганцем, кремнием и алюминием, что делает их более устойчивыми по отношению к динамическим нагрузкам.
Стали для мостостроения ГОСТ 4784-97. Еще более прочный сплав. Обладает повышенным сопротивлением к воздействию циклических нагрузок. Применяется в особо ответственных конструкциях.
Алюминиевые сплавы ГОСТ 4784-97. Сюда входят различные их марки: Амг5, Д16 и прочие. Применяются в тех случаях, когда приоритетом для конструкции является легкость. Также сортамент двутавров из данного материала отличается более высокими эстетическими и коррозионностойкими свойствами.
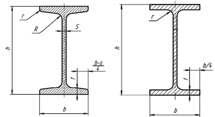
Параметры и характеристикиНа значение жесткости двутавров наибольшее влияние оказывает размеры и форма сечения двутавровой балки, которые характеризуются такими параметрами как:
- h — высота двутаврового профиля;
- b — ширина двутаврового профиля;
- s — толщина стенки двутавра;
- t — толщина полки двутавра;
- r — радиус скругления.
- A — площадь поперечного сечения;
- Jx, Jy — моменты инерции сечения;
- Wx, Wy — моменты сопротивления сечения;
- ix, iy — радиусы инерции сечения.
Момент сопротивления и момент инерции — величины, определяющие сопротивляемость профиля к деформации. Их значение можно найти в таблицах приведенных ниже.
Значения данных параметров при изготовлении конструкций подбирается исходя из следующих технических условий:
- Расстояние между опорными концами;
- Тип нагрузки;
- Усилие на балку сконцентрировано в одной точке или распределено по ее поверхности;
- Значение нагрузки;
- Тип материала, из которого изготовлена балка.

Таблица 1. Маркировка, размеры и характеристики двутавров стальных горячекатаных
№ двутавра | h [мм] | b [мм] | s [мм] | t [мм] | R [мм] | r [мм] | А [см2] | m [кг] | Ix [см4] | Wx [см3] | ix [см] | Sx [см3] | Iy [см4] | Wy [см3] | iy [см] |
|---|---|---|---|---|---|---|---|---|---|---|---|---|---|---|---|
| 10 | 100 | 55 | 4.5 | 7.2 | 7 | 2.5 | 12 | 9.46 | 198 | 39.7 | 4.06 | 23 | 17.9 | 6.49 | 1.22 |
| 12 | 120 | 64 | 4.8 | 7.3 | 7.5 | 3 | 14.7 | 11.5 | 350 | 58.4 | 4.88 | 33.7 | 27.9 | 8.72 | 1.38 |
| 14 | 140 | 73 | 4.9 | 7.5 | 8 | 3 | 17.4 | 13.7 | 572 | 81.7 | 5.73 | 46.8 | 41.9 | 11. 5 | 1.55 |
| 16 | 160 | 81 | 5 | 7.8 | 8.5 | 3.5 | 20.2 | 15.9 | 873 | 109 | 6.57 | 62.3 | 58.6 | 14.5 | 1.7 |
| 18 | 180 | 90 | 5.1 | 8.1 | 9 | 3.5 | 23.4 | 18.4 | 1290 | 143 | 7.42 | 81.4 | 82.6 | 18.4 | 1.88 |
| 20 | 200 | 100 | 5.2 | 8.4 | 9.5 | 4 | 26.8 | 21 | 1840 | 184 | 8.28 | 104 | 115 | 23.1 | 2.07 |
| 22 | 220 | 110 | 5.4 | 8.7 | 10 | 4 | 30.6 | 24 | 2550 | 232 | 9.13 | 131 | 157 | 28.6 | 2.27 |
| 24 | 240 | 115 | 5.6 | 9.5 | 10.5 | 4 | 34.8 | 27.3 | 3460 | 289 | 9.97 | 163 | 198 | 34.5 | 2.37 |
| 27 | 270 | 125 | 6 | 9.8 | 11 | 4.5 | 40.2 | 31.5 | 5010 | 371 | 11.2 | 210 | 260 | 41.5 | 2.54 |
| 30 | 300 | 135 | 6.5 | 10.2 | 12 | 5 | 46.5 | 36.5 | 7080 | 472 | 12.3 | 268 | 337 | 49.9 | 2.69 |
Таблица 2. Маркировка, размеры и характеристики двутавров с параллельными гранями полок
| № двутавра | h [мм] | b [мм] | s [мм] | t [мм] | r [мм] | А [см2] | m [кг] | Ix [см4] | Wx [см3] | ix [см] | Sx [см3] | Iy [см4] | Wy [см3] | iy [см] |
|---|---|---|---|---|---|---|---|---|---|---|---|---|---|---|
| 10Б1 | 100 | 55 | 4. 1 | 5.7 | 7 | 10.32 | 8.1 | 171 | 34.2 | 19.7 | 4.07 | 15.9 | 5.8 | 1.24 |
| 12Б1 | 117.6 | 64 | 3.8 | 5.1 | 7 | 11.03 | 8.7 | 257 | 43.8 | 24.9 | 4.83 | 22.4 | 7 | 1.42 |
| 12Б2 | 120 | 64 | 4.4 | 6.3 | 7 | 13.21 | 10.4 | 318 | 53 | 30.4 | 4.9 | 27.7 | 8.6 | 1.45 |
| 14Б1 | 137.4 | 73 | 3.8 | 5.6 | 7 | 13.39 | 10.5 | 435 | 63.3 | 35.8 | 5.7 | 36.4 | 10 | 1.65 |
| 14Б2 | 140 | 73 | 4.7 | 6.9 | 7 | 16.43 | 12.9 | 541 | 77.3 | 44.2 | 5.74 | 44.9 | 12.3 | 1.65 |
| 16Б1 | 157 | 82 | 4 | 5.9 | 9 | 16.18 | 12.7 | 689 | 87.8 | 49.5 | 6.53 | 54.4 | 13.3 | 1.83 |
| 16Б2 | 160 | 82 | 5 | 7.4 | 9 | 20.09 | 15.8 | 869 | 108.7 | 61.9 | 6.58 | 68.3 | 16.6 | 1.81 |
| 18Б1 | 177 | 91 | 4.3 | 6.5 | 9 | 19.58 | 15.4 | 1063 | 120.1 | 67.7 | 7.37 | 81.9 | 18 | 2.04 |
| 18Б2 | 180 | 91 | 5.3 | 8 | 9 | 23.95 | 18 | 1317 | 146.3 | 83.2 | 7.41 | 100.8 | 22.2 | 2.05 |
| 20Б1 | 200 | 100 | 5.6 | 8.5 | 12 | 28.49 | 22.4 | 1943 | 194.3 | 110.3 | 8.26 | 142. 3 | 28.5 | 2.23 |
Таблица 3. Маркировка, размеры и характеристики широкополочных двутавров
| № двутавра | h [мм] | b [мм] | s [мм] | t [мм] | r [мм] | А [см2] | m [кг] | Ix [см4] | Wx [см3] | ix [cм] | Sx [см3] | Iy [см4] | Wy [см3] | iy [cм] |
|---|---|---|---|---|---|---|---|---|---|---|---|---|---|---|
| 20Ш1 | 193 | 150 | 6 | 9 | 13 | 38.95 | 30.6 | 2660 | 275 | 153 | 8.26 | 507 | 67.6 | 3.61 |
| 23Ш1 | 226 | 155 | 6.5 | 10 | 14 | 46.08 | 36.2 | 4260 | 377 | 210 | 9.62 | 622 | 80.2 | 3.67 |
| 26Ш1 | 251 | 180 | 7 | 10 | 16 | 54.37 | 42.7 | 6225 | 496 | 276 | 10.7 | 974 | 108.2 | 4.23 |
| 26Ш2 | 255 | 180 | 7.5 | 12 | 16 | 62.73 | 49.2 | 7429 | 583 | 325 | 10. 88 | 1138 | 129.8 | 4.31 |
| 30Ш1 | 291 | 200 | 8 | 11 | 18 | 68.31 | 53.6 | 10400 | 715 | 398 | 12.34 | 1470 | 147 | 4.64 |
| 30Ш2 | 295 | 200 | 8.5 | 13 | 18 | 77.65 | 61 | 12200 | 827 | 452 | 12.53 | 1737 | 173.7 | 4.73 |
| 30Ш3 | 299 | 200 | 9 | 15 | 18 | 87 | 68.3 | 14040 | 939 | 523 | 12.7 | 2004 | 200.4 | 4.8 |
| 35Ш1 | 338 | 250 | 9.5 | 12.5 | 20 | 95.67 | 75.1 | 19790 | 1171 | 651 | 14.38 | 3260 | 261 | 5.84 |
| 35Ш2 | 341 | 250 | 10 | 14 | 20 | 104.74 | 82.2 | 22070 | 1295 | 721 | 14.52 | 3650 | 292 | 5.9 |
| 35Ш3 | 345 | 250 | 10.5 | 16 | 20 | 116.3 | 91.3 | 25140 | 1458 | 813 | 14.7 | 4170 | 334 | 5.99 |
Таблица 4. Маркировка, размеры и характеристики колонных двутавров
| № двутавра | H [мм] | B [мм] | s [мм] | t [мм] | r [мм] | А [см2] | m [кг] | Ix [см4] | Wx [см3] | ix [cм] | Sx [см3] | Iy [см4] | Wy [см3] | iy [cм] |
|---|---|---|---|---|---|---|---|---|---|---|---|---|---|---|
| 20К1 | 195 | 200 | 6. 5 | 10 | 13 | 52.82 | 41.5 | 3820 | 392 | 216 | 8.5 | 1334 | 133 | 5.03 |
| 20К2 | 198 | 200 | 7 | 11.5 | 13 | 59.7 | 46.9 | 4422 | 447 | 247 | 8.61 | 1534 | 153 | 5.07 |
| 23К1 | 227 | 240 | 7 | 10.5 | 14 | 65.51 | 52.2 | 6589 | 580 | 318 | 9.95 | 2421 | 202 | 6.03 |
| 23К2 | 230 | 240 | 8 | 12 | 14 | 75.77 | 59.5 | 7601 | 661 | 365 | 10.02 | 2766 | 231 | 6.04 |
| 26К1 | 255 | 260 | 8 | 12 | 16 | 83.08 | 65.2 | 10300 | 809 | 445 | 11.14 | 3517 | 271 | 6.51 |
| 26К2 | 258 | 260 | 9 | 13.5 | 16 | 93.19 | 73.2 | 11700 | 907 | 501 | 11.21 | 3957 | 304 | 6.52 |
| 26К3 | 262 | 260 | 10 | 15.5 | 16 | 109.9 | 83.1 | 13560 | 1035 | 576 | 11.32 | 4544 | 349 | 6.55 |
| 30К1 | 296 | 300 | 9 | 13.5 | 18 | 108 | 84.8 | 18110 | 1223 | 672 | 12.95 | 6079 | 405 | 7.5 |
| 30К2 | 300 | 300 | 10 | 15.5 | 18 | 122.7 | 96.3 | 20936 | 1395 | 771 | 13.05 | 6980 | 465 | 7.54 |
| 30К3 | 304 | 300 | 11.5 | 17.5 | 18 | 138.72 | 108.9 | 23910 | 1573 | 874 | 13. 12 | 7881 | 525 | 7.54 |
Смотрите также:
Балка двутавровая стальная — стоимость, сортамент, размеры, расчет на прочность, нагрузка на колонные и широкополочные металлические двутавры 25б1, 09г2с
Как узнать минимальные цены на двутавровую балку
Чтобы узнать стоимость и минимальные цены на двутавровую балку в METAL БЮРО, необходимо в меню выбрать черный металл и кликнуть на ссылку «Балка». Далее в таблице «Минимальные цены», используя фильтры характеристик, изучить все цены на требуемые виды стальных балок.
Например, узнаем сколько стоит балка 25Б1, СТО АСЧМ 20-93 по стали 09Г2С. Для этого выбираем в сером фильтре ГОСТ, далее размер 25, потом профиль б1, сталь 09г2с и мерную или немерную длину.
Для быстрого перехода воспользуйтесь нижеуказанными ссылками:
Где используют стальные двутавры
Металлическая балка применяется в различных сферах строительства: в промышленном, гражданском и крупнопанельном для возведения перекрытий, колонных металлоконструкций, мостов, опор и подвесных путей.
Специальную информацию о размерах, несущей способности двутавровой балки, нагрузки на перекрытие и расчет прочности этого проката, вы всегда получите у специалистов METAL БЮРО по телефону +7 (495) 232-2233 или через ответ по заявке на закупку металла.
Виды и технические характеристики балки двутавровой
В METAL БЮРО вы всегда найдете по минимальным ценам балки для строительства:
1. С параллельными гранями полок:
СТО-АСЧМ 20-93 (длина 12 метров)
- маркировка Б — нормальные
- (20 Б1, 25Б1, 25 Б2, 30 Б1 Б2, 35 Б1 Б2, 40 Б1 Б2, 45 Б1 Б2, 50 Б1 Б2, 55 Б1 Б2, 60 Б1 Б2)
- маркировка Ш — широкополочные двутавры
- (20 Ш1, 25 Ш1, 30 Ш1, 35 Ш1 Ш2, 40 Ш1 Ш2, 45 Ш1 Ш2, 50 Ш1 Ш2, 55 Ш1 Ш2)
- маркировка К — колонные двутавры
- (20 К1 К2, 25 К1 К2, К3, 30 К1 К2 К3 К4, 35 К1 К2)
ГОСТ 26020-83 (длина 6, 11,7, 12 метров)
- маркировка Б — нормальные балки перекрытия (12 Б1, 14 Б1, 16Б1)
2.
С уклоном внутренних граней полок:
ГОСТ 8239-89 (длина 9, 11,7 и 12 метров)
- без буквы — обычные стальные балки перекрытия (10, 12, 14, 16, 18, 20, 30, 36, 45)
ГОСТ 19425-74 (длина 12 метров)
- маркировка М — специальные стальные двутавры для подвесных путей (18М, 24М, 30М, 36М, 45М)
- маркировка С — для армирования шахтных стволов (14С, 20С, 22С, 27С)
Для изготовления балок с параллельными гранями полок и с уклоном внутренних граней полок используют следующие марки стали: 3СП, 09Г2С.
Расчет стоимости 1 метра или штуки двутавра 25Б1
Рассчитать цену 1 метра или 1 хлыста стальной балки 25б1 вы можете при помощи нижеприведенных формул или позвонить по вышеуказанному телефону специалистам по продажам.
1. Цена за 1 погонный метр стального двутавра 25Б1 рассчитывается по формуле:
Цена 1 п.м (руб) = Вес 1 п.м (кг) х Цена 1 тн (руб/тн) : 1000 (кг)
Вопрос: Сколько стоит 1 п.м балки 25 Б1?
Ответ: Цена 1 п.м = 25,7 кг х 35 790 руб/тн : 1000 кг = 919,80 руб
2. Цена 1 штуки двутавровой балки 25 б1 сталь 3 рассчитывается по формуле:
Цена 1 шт (руб) = Цена 1 п.м (руб) х Длина 1 шт
Вопрос: Сколько стоит 1 балка 25Б1 длиной 12 м?
Ответ: Цена 1 шт = 919,8 руб х 12 м = 11 061,65 руб
Упаковка завода-производителя
Стальная или двутавровая балка поставляется с заводов-производителей на склады в Москву, МО и другие регионы РФ в пачках, которая скрепляется металлической лентой и средний вес одной пачки составляет 7-8 тонн.
Какие заводы производят
Основными заводами и предприятиями-изготовителями двутавровой балки являются:
- Нижнетагильский металлургический комбинат (ОАО «Евраз НТМК»)
- Западно-Сибирский металлургический комбинат (ОАО «ЗСМК»)
- Кулебакский металлургический завод (ОАО «КМК»)
- Металлургический комбинат «Азовсталь ( ОАО «МК «Азовсталь»)
- Енакиевский металлургический завод (ОАО «Енакиевский МК»)
Стандартная норма загрузки в автотранспорт
Максимальная масса загрузки такого металлопроката, как стальная балка — составляет 25 тн.
Автотранспорт, в частности длинномер, позволяет перевозить эту продукцию — длиной до 12 м.
Норма загрузки стального балки в ж/д транспорт
В одном грузовом вагоне ж/д транспорта возможна перевозка двутавровой балки массой до 70 тн и длиной до12 м. Отгрузка вагонными нормами осуществляется напрямую с заводов-изготовителей или с металлобаз Москвы, Московской области и других регионов РФ, кроме того возможна комплектация стального двутавра различных характеристик.
Как называется балка на английском языке
I-beam
Размеры стальных двутавровых балок, HSS, швеллеров и уголков [+ бесплатный калькулятор]
Введение
Конструкционная стальдоступна в различных стандартных размерах. Вы найдете размеры для этих размеров в наших удобных таблицах ниже, сгруппированные по форме конструкции. Кроме того, есть полезная информация о применимых стандартах и других основах.
Конструкционная стальобычно обозначается ее профилем (например, «двутавровая балка») и размером. Размеры определяются стандартами, которые описаны в разделах для каждой формы ниже.
Одна из целей конструкционной стали, которая направлена на определение формы, состоит в том, чтобы у нее были высокие вторые моменты площади, которые делают их очень жесткими по отношению к площади их поперечного сечения. Это делает их прочными по сравнению с количеством материала и весом, которые необходимо использовать при их строительстве.
Стандартные формы конструкционной стали Уильям Перри из отдела развития бизнеса Mercury — https://commons.wikimedia.org/w/index.php?curid=5326461…
Если вы хотите узнать больше о свойствах различных типов стали, используемых в конструкционной стали, ознакомьтесь с нашей удобной статьей о типах металлов.
Бесплатный калькулятор размеров и веса стали
Все данные, которые вы ищете по стандартным размерам стали, доступны ниже в табличной форме, но зачем использовать таблицы, когда доступен бесплатный калькулятор, который содержит всю ту же информацию, а также поможет вам рассчитать вес, объем и стоимость для квотирования работ ?
Наш калькулятор подачи и скорости G-Wizard имеет все это и многое другое.
Воспользовавшись нашей бесплатной 30-дневной пробной версией, вы получите доступ к бесплатному калькулятору размера и веса стали (и многому другому):
Все стандартные конструктивные формы доступны в бесплатном калькуляторе размеров и веса…
Все стандартные конструктивные формы доступны в бесплатном калькуляторе размеров и веса, и это касается не только стали — есть большая база данных материалов с более чем тысячей различных материалов на выбор.
Чтобы получить бесплатную пробную версию и пожизненный доступ к бесплатному калькулятору размера и веса, щелкните ниже:
Стальной двутавр, размеры
Двутавровые балкитакже известны как двутавровые балки, W-образные балки (для «широкого фланца»), универсальные балки (UB), стальные прокатные балки (RSJ) или двутавровые балки. Двутавровые балки имеют двутавровое или, если повернуть, H-образное поперечное сечение. Горизонтальные элементы буквы «I» называются «фланцами», а вертикальные элементы — «стенкой». Двутавровые балки являются одной из нескольких стандартных конструкционных форм для стали, и они обычно используются в строительных и гражданских проектах.
Форма двутавровой балки обеспечивает универсальную прочность при минимальном весе. Перегородка противостоит силам сдвига, а полки противостоят изгибающему моменту, действующему на балку. Таким образом, двутавровые балки очень эффективны для восприятия изгибающих и поперечных нагрузок в плоскости стенки. Слабость формы в том, что она не сопротивляется скручивающим силам и не обладает большой пропускной способностью в поперечном направлении. Если необходимы прочности в этих областях, предпочтительны полые структурные профили (HSS).
Стальные двутавровые балки обычно производятся методом прокатки, изобретенным в 1849 году Альфонсом Хальбу во Франции. Использование двутавровых балок было обычным явлением в середине 20 века. Сегодня также широко распространены сборные двутавровые балки, которые изготавливают путем сварки вместе полок и стенки.
Стандарты США
В США наиболее распространены широкие фланцы (W-образные балки). Эти балки имеют почти параллельные фланцы. Соответствующие стандарты с пределом текучести:
— ASTM A992: 50 000 — 65 000 фунтов на квадратный дюйм (340-450 МПа)
— A588: аналогично A572
— A572: 42 000–60 000 фунтов на квадратный дюйм (290–410 МПа), но наиболее распространенным является 50 000 фунтов на квадратный дюйм (340 МПа).
— A36: 36000 фунтов на кв. Дюйм (250 МПа)
A992 обычно заменил старые стандарты A572 и A36.
Американский институт стальных конструкций (AISC) издает Руководство по стальным конструкциям для проектирования конструкций различной формы. В нем документируются общие подходы, расчет допустимого напряжения (ASD) и расчет факторов нагрузки и сопротивления (LRFD) (начиная с 13-го изд.) Для создания таких конструкций.
Евронорм
— EN 10024: Горячекатаный конический фланец I профиля
— EN 10034: Конструкционная сталь I и H профилей
— EN 10162: Профили из холоднокатаной стали
Прочие стандарты
— DIN 1025-5
— ASTM A6, балки американского стандарта
— БС 4-1
— ИС 808 — Размеры стальных горячекатаных балок, колонн, швеллеров и уголков
— AS / NZS 3679.1 — Стандарт Австралии и Новой Зеландии
Имя | Глубина | Ширина | Толщина стенки | Толщина фланца | Площадь сечения | Вес фунт / фут | ||
| Вт 27 x 178 | 27. 8 | 14,09 | 0,725 | 1,19 | 52,3 | 178 | ||
| Вт 27 x 161 | 27,6 | 14,02 | 0,66 | 1,08 | 47,4 | 161 | ||
| Вт 27 x 146 | 27,4 | 14 | 0.605 | 0,975 | 42,9 | 146 | ||
| Вт 27 x 114 | 27.3 | 10,07 | 0,57 | 0,93 | 33,5 | 114 | ||
| Вт 27 x 102 | 27,1 | 10,02 | 0,515 | 0,83 | 30 | 102 | ||
| Вт 27 x 94 | 26,9 | 10 | 0,49 | 0,745 | 27,7 | 94 | ||
| Вт 27 x 84 | 26.7 | 9,96 | 0,46 | 0,64 | 24,8 | 84 | ||
| Вт 24 x 162 | 25 | 13 | 0,705 | 1,22 | 47,7 | 162 | ||
| Вт 24 x 146 | 24,7 | 12,9 | 0,65 | 1,09 | 43 | 146 | ||
| Вт 24 x 131 | 24.5 | 12,9 | 0.605 | 0,96 | 38,5 | 131 | ||
| Вт 24 x 117 | 24,3 | 12,8 | 0,55 | 0,85 | 34,4 | 117 | ||
| Вт 24 x 104 | 24,1 | 12,75 | 0,5 | 0,75 | 30,6 | 104 | ||
| Вт 24 x 94 | 24.1 | 9,07 | 0,515 | 0,875 | 27,7 | 94 | ||
| Вт 24 x 84 | 24,1 | 9,02 | 0,47 | 0,77 | 24,7 | 84 | ||
| Вт 24 x 76 | 23,9 | 9 | 0,44 | 0,68 | 22,4 | 76 | ||
| Вт 24 x 68 | 23.7 | 8,97 | 0,415 | 0,585 | 20,1 | 68 | ||
| Вт 24 x 62 | 23,7 | 7,04 | 0,43 | 0,59 | 18,2 | 62 | ||
| Вт 24 x 55 | 23,6 | 7,01 | 0,395 | 0,505 | 16,2 | 55 | ||
| Вт 21 x 147 | 22.1 | 12,51 | 0,72 | 1,15 | 43,2 | 147 | ||
| Вт 21 x 132 | 21,8 | 12,44 | 0,65 | 1.035 | 38,8 | 132 | ||
| Вт 21 x 122 | 21,7 | 12,39 | 0,6 | 0,96 | 35,9 | 122 | ||
| Вт 21 x 111 | 21.5 | 12,34 | 0,55 | 0,875 | 32,7 | 111 | ||
| Вт 21 x 101 | 21,4 | 12,29 | 0,5 | 0,8 | 29,8 | 101 | ||
| Вт 21 x 93 | 21,6 | 8,42 | 0,58 | 0,93 | 27,3 | 93 | ||
| Вт 21 x 83 | 21.4 | 8,36 | 0,515 | 835 | 24,3 | 83 | ||
| Вт 21 x 73 | 21,2 | 8,3 | 0,455 | 0,74 | 21,5 | 73 | ||
| Вт 21 x 68 | 21,1 | 8,27 | 0,43 | 0,685 | 20 | 68 | ||
| Вт 21 x 62 | 21 | 8.24 | 0,4 | 0,615 | 18,3 | 62 | ||
| Вт 21 x 57 | 21,1 | 6,56 | 0,405 | 0,65 | 16,7 | 57 | ||
| Вт 21 x 50 | 20,8 | 6,53 | 0,38 | 0,535 | 14,7 | 50 | ||
| Вт 21 x 44 | 20.7 | 6,5 | 0,35 | 0,45 | 13 | 44 | ||
| Вт 18 x 119 | 19 | 11,27 | 0,655 | 1,06 | 35,1 | 119 | ||
| Вт 18 x 106 | 18,7 | 11,2 | 0,59 | 0,94 | 31,1 | 106 | ||
| Вт 18 x 97 | 18.6 | 11,15 | 0,535 | 0,87 | 28,5 | 97 | ||
| Вт 18 x 86 | 18,4 | 11,09 | 0,48 | 0,77 | 25,3 | 86 | ||
| Вт 18 x 76 | 18,2 | 11,04 | 0,425 | 0,68 | 22,3 | 76 | ||
| Вт 18 x 71 | 18.5 | 7,64 | 0,495 | 0,81 | 20,8 | 71 | ||
| Вт 18 x 65 | 18,4 | 7,59 | 0,45 | 0,75 | 19,1 | 65 | ||
| Вт 18 x 60 | 18,2 | 7,56 | 0,415 | 0,695 | 17,6 | 60 | ||
| Вт 18 x 55 | 18.1 | 7,53 | 0,39 | 0,63 | 16,2 | 55 | ||
| Вт 18 x 50 | 18 | 7,5 | 0,355 | 0,57 | 14,7 | 50 | ||
| Вт 18 x 46 | 18,1 | 6,06 | 0,36 | 0.605 | 13,5 | 46 | ||
| Вт 18 x 40 | 17.9 | 6,02 | 0,315 | 0,525 | 11,8 | 40 | ||
| Вт 18 x 35 | 17,7 | 6 | 0,3 | 0,425 | 10,3 | 35 | ||
| Вт 16 x 100 | 16,97 | 10,425 | 0,585 | 0,985 | 29,4 | 100 | ||
| Вт 16 x 89 | 16.75 | 10,365 | 0,525 | 0,875 | 26,2 | 89 | ||
| Вт 16 x 77 | 16,52 | 10,295 | 0,455 | 0,76 | 22,6 | 77 | ||
| Вт 16 x 67 | 16,33 | 10,235 | 0,395 | 0,665 | 19,7 | 67 | ||
| Вт 16 x 57 | 16.43 | 7,12 | 0,43 | 0,715 | 16,8 | 57 | ||
| Вт 16 x 50 | 16,26 | 7,07 | 0,38 | 0,63 | 14,7 | 50 | ||
| Вт 16 x 45 | 16,13 | 7.035 | 0,345 | 0,565 | 13,3 | 45 | ||
| Вт 16 x 40 | 16.01 | 6,995 | 0,305 | 0,505 | 11,8 | 40 | ||
| Вт 16 x 36 | 15,86 | 6,985 | 0,295 | 0,43 | 10,6 | 36 | ||
| Вт 16 x 31 | 15,88 | 5,525 | 0,275 | 0,44 | 9,12 | 31 | ||
| Вт 16 x 26 | 15.69 | 5,5 | 0,25 | 0,345 | 7,68 | 26 | ||
| Вт 14 x 132 | 14,66 | 14,725 | 0,645 | 1,03 | 38,8 | 132 | ||
| Вт 14 x 120 | 14,48 | 14,67 | 0,59 | 0,94 | 35,3 | 120 | ||
| Вт 14 x 109 | 14.32 | 14,605 | 0,525 | 0,86 | 32 | 109 | ||
| Вт 14 x 99 | 14,16 | 14,565 | 0,485 | 0,78 | 29,1 | 99 | ||
| Вт 14 x 90 | 14,02 | 14,52 | 0,44 | 0,71 | 26,5 | 90 | ||
| Вт 14 x 82 | 14.31 | 10,13 | 0,51 | 0,855 | 24,1 | 82 | ||
| Вт 14 x 74 | 14,17 | 10,07 | 0,45 | 0,785 | 21,8 | 74 | ||
| Вт 14 x 68 | 14,04 | 10,035 | 0,415 | 0,72 | 20 | 68 | ||
| Вт 14 x 61 | 13.89 | 9,995 | 0,375 | 0,645 | 17,9 | 61 | ||
| Вт 14 x 53 | 13,92 | 8,06 | 0,37 | 0,66 | 15,6 | 53 | ||
| Вт 14 x 48 | 13,79 | 8,03 | 0,34 | 0,595 | 14,1 | 48 | ||
| Вт 14 x 43 | 13.66 | 7,995 | 0,305 | 0,53 | 12,6 | 43 | ||
| Вт 14 x 38 | 14,1 | 6,77 | 0,31 | 0,515 | 11,2 | 38 | ||
| Вт 14 x 34 | 13,98 | 6,745 | 0,285 | 0,455 | 10 | 34 | ||
| Вт 14 x 30 | 13.84 | 6,73 | 0,27 | 0,385 | 8,85 | 30 | ||
| Вт 14 x 26 | 13,91 | 5,025 | 0,255 | 0,42 | 7,69 | 26 | ||
| Вт 14 x 22 | 13,74 | 5 | 0,23 | 0,335 | 6,49 | 22 | ||
| Вт 12 x 136 | 13.41 | 12,4 | 0,79 | 1,25 | 39,9 | 136 | ||
| Вт 12 x 120 | 13,12 | 12,32 | 0,71 | 1,105 | 35,3 | 120 | ||
| Вт 12 x 106 | 12,89 | 12,22 | 0,61 | 0,99 | 31,2 | 106 | ||
| Вт 12 x 96 | 12.71 | 12,16 | 0,55 | 0,9 | 28,2 | 96 | ||
| Вт 12 x 87 | 12,53 | 12,125 | 0,515 | 0,81 | 25,6 | 87 | ||
| Вт 12 x 79 | 12,38 | 12,08 | 0,47 | 0,735 | 23,2 | 79 | ||
| Вт 12 x 72 | 12.25 | 12,04 | 0,43 | 0,67 | 21,1 | 72 | ||
| Вт 12 x 65 | 12,12 | 12 | 0,39 | 0.605 | 19,1 | 65 | ||
| Вт 12 x 58 | 12,19 | 10,01 | 0,36 | 0,64 | 17 | 58 | ||
| Вт 12 x 53 | 12.06 | 9,995 | 0,345 | 0,575 | 15,6 | 53 | ||
| Вт 12 x 50 | 12,19 | 8,08 | 0,37 | 0,64 | 14,7 | 50 | ||
| Вт 12 x 45 | 12,06 | 8,045 | 0,335 | 0,575 | 13,2 | 45 | ||
| Вт 12 x 40 | 11.94 | 8,005 | 0,295 | 0,515 | 11,8 | 40 | ||
| Вт 12 x 35 | 12,5 | 6,56 | 0,3 | 0,52 | 10,3 | 35 | ||
| Вт 12 x 30 | 12,34 | 6,52 | 0,26 | 0,44 | 8,8 | 30 | ||
| Вт 12 x 26 | 12.22 | 6,49 | 0,23 | 0,38 | 7,7 | 26 | ||
| Вт 12 x 22 | 12,31 | 4,03 | 0,26 | 0,425 | 6,5 | 22 | ||
| Вт 12 x 19 | 12,16 | 4,005 | 0,235 | 0,35 | 5,6 | 19 | ||
| Вт 12 x 16 | 11.99 | 3,99 | 0,22 | 0,265 | 4,7 | 16 | ||
| Вт 12 x 14 | 11,91 | 3,97 | 0,2 | 0,225 | 4,2 | 14 | ||
| Вт 10 x 112 | 11,36 | 10,415 | 0,755 | 1,25 | 32,9 | 112 | ||
| Вт 10 x 100 | 11.1 | 10,34 | 0,68 | 1,112 | 29,4 | 100 | ||
| Вт 10 x 88 | 10,84 | 10,265 | 0.605 | 0,99 | 25,9 | 88 | ||
| Вт 10 x 77 | 10,6 | 10,19 | 0,53 | 0,87 | 22,6 | 77 | ||
| Вт 10 x 68 | 10.4 | 10,13 | 0,47 | 770 | 20 | 68 | ||
| Вт 10 x 60 | 10,22 | 10,08 | 0,42 | 0,68 | 17,6 | 60 | ||
| Вт 10 x 54 | 10,09 | 10,03 | 0,37 | 0,615 | 15,8 | 54 | ||
| Вт 10 x 49 | 9.98 | 10 | 0,34 | 0,56 | 14,4 | 49 | ||
| Вт 10 x 45 | 10,1 | 8,02 | 0,35 | 0,62 | 13,3 | 45 | ||
| Вт 10 x 39 | 9,92 | 7,985 | 0,315 | 0,53 | 11,5 | 39 | ||
| Вт 10 x 33 | 9.73 | 7,96 | 0,29 | 0,435 | 9,71 | 33 | ||
| Вт 10 x 30 | 10,47 | 5,81 | 0,3 | 0,51 | 8,84 | 30 | ||
| Вт 10 x 26 | 10,33 | 5,77 | 0,26 | 0,44 | 7,6 | 26 | ||
| Вт 10 x 22 | 10.17 | 5,75 | 0,24 | 0,36 | 6,5 | 22 | ||
| Вт 10 x 19 | 10,24 | 4,02 | 0,25 | 0,395 | 5,6 | 19 | ||
| Вт 10 x 17 | 10,11 | 4,01 | 0,24 | 0,33 | 5 | 17 | ||
| Вт 10 x 15 | 9.99 | 4 | 0,23 | 0,27 | 4,4 | 15 | ||
| Вт 10 x 12 | 9,87 | 3,96 | 0,19 | 0,21 | 3,5 | 12 | ||
| Вт 8 x 67 | 9 | 8,28 | 0,57 | 0,935 | 19,7 | 67 | ||
| Вт 8 x 58 | 8.75 | 8,22 | 0,51 | 0,81 | 17,1 | 58 | ||
| Вт 8 x 48 | 8,5 | 8,11 | 0,4 | 0,685 | 14,1 | 48 | ||
| Вт 8 x 40 | 8,25 | 8,07 | 0,36 | 0,56 | 11,7 | 40 | ||
| Вт 8 x 35 | 8.12 | 8,02 | 0,31 | 0,495 | 10,3 | 35 | ||
| Вт 8 x 31 | 8 | 7,995 | 0,285 | 0,435 | 9,1 | 31 | ||
| Вт 8 x 28 | 8,06 | 6.535 | 0,285 | 0,465 | 8,3 | 28 | ||
| Вт 8 x 24 | 7.93 | 6,495 | 0,245 | 0,4 | 7,1 | 24 | ||
| Вт 8 x 21 | 8,28 | 5,27 | 0,25 | 0,4 | 6,2 | 21 | ||
| Вт 8 x 18 | 8,14 | 5,25 | 0,23 | 0,33 | 5,3 | 18 | ||
| Вт 8 x 15 | 8.11 | 4,015 | 0,245 | 0,315 | 4,4 | 15 | ||
| Вт 8 x 13 | 7,99 | 4 | 0,23 | 0,255 | 3,8 | 13 | ||
| Вт 8 x 10 | 7,89 | 3,94 | 0,17 | 0,205 | 2,9 | 10 | ||
| Вт 6 x 25 | 6.38 | 6,08 | 0,32 | 0,455 | 7,3 | 25 | ||
| Вт 6 x 20 | 6,2 | 6,02 | 0,26 | 0,365 | 5,9 | 20 | ||
| Вт 6 x 16 | 6,28 | 4,03 | 0,26 | 0,405 | 4,7 | 16 | ||
| Вт 6 x 15 | 5.99 | 5,99 | 0,23 | 0,26 | 4,4 | 15 | ||
| Вт 6 x 12 | 6,03 | 4 | 0,23 | 0,28 | 3,6 | 12 | ||
| Вт 6 x 9 | 5,9 | 3,94 | 0,17 | 0,215 | 2,7 | 9 | ||
| Вт 5 x 19 | 5.15 | 5,03 | 0,27 | 0,43 | 5,5 | 19 | ||
| Вт 5 x 16 | 5,01 | 5 | 0,24 | 0,36 | 4,7 | 16 | ||
| Вт 4 x 13 | 4,16 | 4,06 | 0,28 | 0,345 | 3,8 | 13 | ||
Имя | Глубина | Ширина | Толщина стенки | Площадь сечения | Вес фунт / фут | ||
| S 24 x 121 | 24.5 | 8,05 | 0,8 | 35,6 | 121 | ||
| S 24 x 106 | 24,5 | 7,78 | 0,62 | 31,2 | 106 | ||
| S 24 x 100 | 24 | 7,425 | 0,745 | 29,3 | 100 | ||
| S 24 х 90 | 24 | 7.125 | 0,625 | 26,5 | 90 | ||
| S 24 x 80 | 24 | 7 | 0,5 | 23,5 | 80 | ||
| S 20 х 96 | 20,3 | 7,2 | 0,8 | 28,2 | 96 | ||
| S 20 х 86 | 20,3 | 7,06 | 0.66 | 25,3 | 86 | ||
| S 20 х 75 | 20 | 6,385 | 0,635 | 22 | 75 | ||
| S 20 х 66 | 20 | 6,255 | 0,505 | 19,4 | 66 | ||
| S 18 x 70 | 18 | 6,251 | 0,711 | 20.6 | 70 | ||
| S 18 x 54,7 | 18 | 6,001 | 0,461 | 16,1 | 54,7 | ||
| S 15 х 50 | 15 | 5,64 | 0,55 | 14,7 | 50 | ||
| S 15 x 42,9 | 15 | 5,501 | 0,411 | 12,6 | 42.9 | ||
| S 12 х 50 | 12 | 5,477 | 0,687 | 14,7 | 50 | ||
| S 12 x 40,8 | 12 | 5,252 | 0,462 | 12 | 40,8 | ||
| S 12 x 35 | 12 | 5,078 | 0,428 | 10,3 | 35 | ||
| S 12 х 31.8 | 12 | 5 | 0,35 | 9,35 | 31,8 | ||
| S 10 х 35 | 10 | 4,944 | 0,594 | 10,3 | 35 | ||
| S 10 x 25,4 | 10 | 4,661 | 0,311 | 7,46 | 25,4 | ||
| S 8 x 23 | 8 | 4.171 | 0,441 | 6,77 | 23 | ||
| S 8 x 18,4 | 8 | 4,001 | 0,271 | 5,41 | 18,4 | ||
| S 7 х 20 | 7 | 3,86 | 0,45 | 5,88 | 20 | ||
| S 7 x 15,3 | 7 | 3,662 | 0.252 | 4,5 | 15,3 | ||
| S 6 x 17,25 | 6 | 3,565 | 0,465 | 5,07 | 17,25 | ||
| S 6 x 12,5 | 6 | 3,332 | 0,232 | 3,67 | 12,5 | ||
| S 5 х 14,75 | 5 | 3,284 | 0,494 | 4.34 | 14,75 | ||
| S 5 х 10 | 5 | 3,004 | 0,214 | 2,94 | 10 | ||
| S 4 x 9,5 | 4 | 2,796 | 0,326 | 2,79 | 9,5 | ||
| S 4 x 7,7 | 4 | 2,663 | 0,193 | 2,26 | 7.7 | ||
| S 3 х 7,5 | 3 | 2,509 | 0,349 | 2,21 | 7,5 | ||
| S 3 x 5,7 | 3 | 2,33 | 0,17 | 1,67 | 5,7 | ||
Размер стального канала
Структурный канал также известен как C-образная балка.Это тип конструкционной стальной балки, используемой в основном в строительстве и гражданском строительстве. Поперечное сечение канала имеет С-образную форму и состоит из широкой перемычки (при использовании обычно ориентированной вертикально) и двух «фланцев» вверху и внизу перемычки.
C-образные балки не симметричны (по крайней мере, когда используются вертикально), как двутавровые балки, что означает, что ось изгиба не центрирована по ширине полок. Если мы приложим нагрузку к верхней части полки, балка будет пытаться отклониться от стенки.Это может не быть проблемой для некоторых конструкций, но это приводит к тому, что каналы используются реже, чем двутавровые балки для структурных целей.
Вместо этого они чаще всего используются там, где большая плоская перегородка будет либо прикреплена к другой плоской поверхности для максимальной площади контакта, либо будет обращена наружу, чтобы скрыть фланцы по эстетическим причинам.
Применимым стандартом США для стали, используемой в канале, является ASTM A-36, который определяет предел текучести минимум 36 000 фунтов на квадратный дюйм.
Имя | Глубина (дюйм) | Ширина (дюйм) | Толщина стенки (дюймы) | Вес фунты / фут |
| C 15 х 50 | 15 | 3.716 | 0,716 | 50 |
| C 15 x 40 | 15 | 3,52 | 0,52 | 40 |
| C 15 x 33,9 | 15 | 3,4 | 0,4 | 33,9 |
| C 12 х 30 | 12 | 3,17 | 0,51 | 30 |
| C 12 x 25 | 12 | 3.047 | 0,387 | 25 |
| C 12 x 20,7 | 12 | 2,942 | 0,282 | 20,7 |
| C 10 х 30 | 10 | 3,033 | 0,673 | 30 |
| C 10 x 25 | 10 | 2,886 | 0,526 | 25 |
| C 10 х 20 | 10 | 2.739 | 0,379 | 20 |
| C 10 x 15,3 | 10 | 2,6 | 0,24 | 15,3 |
| C 9 х 20 | 9 | 2,648 | 0,448 | 20 |
| C 9 х 15 | 9 | 2.485 | 0,285 | 15 |
| C 9 x 13.4 | 9 | 2,433 | 0,233 | 13,4 |
| C 8 x 18,75 | 8 | 2,527 | 0,487 | 18,75 |
| C 8 x 13,75 | 8 | 2,343 | 0,303 | 13,75 |
| C 8 x 11,5 | 8 | 2,26 | 0,22 | 11.5 |
| C 7 x 14,75 | 7 | 2,299 | 0,419 | 14,75 |
| C 7 x 12,25 | 7 | 2,194 | 0,314 | 12,25 |
| C 7 x 9,8 | 7 | 2,09 | 0,21 | 9,8 |
| C 6 x 13 | 6 | 2.157 | 0,437 | 13 |
| C 6 x 10,5 | 6 | 2,034 | 0,314 | 10,5 |
| C 6 x 8,2 | 6 | 1,92 | 0,2 | 8,2 |
| C 5 x 9 | 5 | 1.885 | 0,325 | 9 |
| C 5 x 6.7 | 5 | 1,75 | 0,19 | 6,7 |
| C 4 x 7,25 | 4 | 1,721 | 0,321 | 7,25 |
| C 4 x 5,4 | 4 | 1,584 | 0,184 | 5,4 |
| C 3 x 6 | 3 | 1.596 | 0,356 | 6 |
| C 3 x 5 | 3 | 1.498 | 0,258 | 5 |
| C 3 x 4,1 | 3 | 1,41 | 0,17 | 4,1 |
Размер стального уголка
Уголок из стали— еще одна широко доступная форма из конструкционной стали. Уголок обычно имеет L-образное поперечное сечение.
Размер | Глубина | Толщина | Вес / Ft |
| 12 х 12 | 12 | 1 3/8 | 105 |
| 12 | 1 1/4 | 96.4 | |
| 12 | 1 1/8 | 87,2 | |
| 12 | 1 | 77,8 | |
| 10 х 10 | 10 | 1 3/8 | 87,1 |
| 10 | 1 1/4 | 79,9 | |
| 10 | 1 1/8 | 72,3 | |
| 10 | 1 | 64.7 | |
| 10 | 7/8 | 56,9 | |
| 10 | 3/4 | 49,1 | |
| 8 х 8 | 8 | 1 1/8 | 56,9 |
| 8 | 1 | 51 | |
| 8 | 7/8 | 45 | |
| 8 | 3/4 | 38,9 | |
| 8 | 5/8 | 32.7 | |
| 8 | 9/16 | 29,6 | |
| 8 | 1/2 | 26,4 | |
| 6 х 6 | 6 | 1 | 37,4 |
| 6 | 7/8 | 33,1 | |
| 6 | 3/4 | 28,7 | |
| 6 | 5/8 | 24.2 | |
| 6 | 9/16 | 21,9 | |
| 6 | 1/2 | 19,6 | |
| 6 | 7/16 | 17,2 | |
| 6 | 3/8 | 14,9 | |
| 6 | 5/16 | 12,4 | |
| 5 х 5 | 5 | 7/8 | 27.2 |
| 5 | 3/4 | 23,6 | |
| 5 | 5/8 | 20 | |
| 5 | 1/2 | 16,2 | |
| 5 | 7/16 | 14,3 | |
| 5 | 3/8 | 12,3 | |
| 5 | 5/16 | 10,3 | |
| 4 х 4 | 4 | 3/4 | 18.5 |
| 4 | 5/8 | 15,7 | |
| 4 | 1/2 | 12,8 | |
| 4 | 7/16 | 11,3 | |
| 4 | 3/8 | 9,8 | |
| 4 | 5/16 | 8,2 | |
| 4 | 1/4 | 6,6 | |
| 3 1/2 x 3 1/2 | 3 1/2 | 1/2 | 11.1 |
| 3 1/2 | 7/16 | 9,8 | |
| 3 1/2 | 3/8 | 8,5 | |
| 3 1/2 | 5/16 | 7,2 | |
| 3 1/2 | 1/4 | 5,8 | |
| 3 x 3 | 3 | 1/2 | 9,4 |
| 3 | 7/16 | 8.3 | |
| 3 | 3/8 | 7,2 | |
| 3 | 5/16 | 6,1 | |
| 3 | 1/4 | 4,9 | |
| 3 | 3/16 | 3,7 | |
| 2 1/2 x 2 1/2 | 2 1/2 | 1/2 | 7,7 |
| 2 1/2 | 3/8 | 5.9 | |
| 2 1/2 | 5/16 | 5 | |
| 2 1/2 | 1/4 | 4,1 | |
| 2 1/2 | 3/16 | 3,1 | |
| 2 х 2 | 2 | 3/8 | 4,7 |
| 2 | 5/16 | 3,9 | |
| 2 | 1/4 | 3.2 | |
| 2 | 3/16 | 2,4 | |
| 2 | 1/8 | 1,7 |
Полый структурный профиль (HSS) Размеры
Пустотелые профили(HSS) — это один из стандартных профилей конструкционной стали. Секции HSS представляют собой профили с полыми трубчатыми профилями, которые обычно имеют квадратное или прямоугольное сечение, хотя также доступны круглые и эллиптические секции. Эти секции также обычно называют стальными трубами или конструкционными трубами, а иногда их ошибочно называют «пустотелой конструкционной сталью».Круглые секции иногда ошибочно называют «стальными трубами», а не трубами, хотя настоящие стальные трубы имеют разные размеры и классифицируются по сравнению с HSS.
HSS — это термин, используемый в США и других странах, который следует американской строительной и инженерной терминологии. В Великобритании термин HSS не используется. Скорее, основные формы называются CHS (круглое полое сечение), SHS (квадратное полое сечение) и RHS (прямоугольное полое сечение).
HSS обычно используется в сварных стальных каркасах, элементы которых подвергаются нагрузке в нескольких направлениях.Квадратные и круглые HSS являются очень эффективными формами для многоосной нагрузки из-за их однородной геометрии по двум или более осям поперечного сечения. Обычно HSS изготавливается из низкоуглеродистой стали, такой как A500 класса C или класса B.
Размер | Вес (фунт / фут) | Толщина стенки (дюймы) |
| 32 х 32 х 5/8 | 259.83 | 0,625 |
| 32 х 32 х 1/2 | 210,72 | 0,5 |
| 32 x 32 x 3/8 | 159,37 | 0,375 |
| 30 х 30 х 5/8 | 242,82 | 0,625 |
| 30 х 30 х 1/2 | 197,11 | 0,5 |
| 30 х 30 х 3/8 | 149,16 | 0,375 |
| 28 х 28 х 5/8 | 225,8 | 0.625 |
| 28 х 28 х 1/2 | 183,5 | 0,5 |
| 28 x 28 x 3/8 | 138,95 | 0,375 |
| 26 х 26 х 5/8 | 208,79 | 0,625 |
| 26 х 26 х 1/2 | 169,89 | 0,5 |
| 26 x 26 x 3/8 | 128,74 | 0,375 |
| 24 х 24 х 5/8 | 191,78 | 0,625 |
| 24 х 24 х 1/2 | 156.28 | 0,5 |
| 24 x 24 x 3/8 | 118,53 | 0,375 |
| 22 х 22 х 5/8 | 174,76 | 0,625 |
| 22 х 22 х 1/2 | 142,67 | 0,5 |
| 22 х 22 х 3/8 | 108,32 | 0,375 |
| 20 х 20 х 5/8 | 157,75 | 0,625 |
| 20 х 20 х 1/2 | 129,06 | 0.5 |
| 20 х 20 х 3/8 | 98,12 | 0,375 |
| 18 х 18 х 5/8 | 140,73 | 0,625 |
| 18 х 18 х 1/2 | 115,45 | 0,5 |
| 18 x 18 x 3/8 | 87,91 | 0,375 |
| 16 х 16 х 5/8 | 127,37 | 0,581 |
| 16 x 16 x 1/2 | 103,3 | 0,465 |
| 16 x 16 x 3/8 | 78.52 | 0,349 |
| 16 х 16 х 5/16 | 65,87 | 0,291 |
| 14 х 14 х 5/8 | 110,36 | 0,581 |
| 14 х 14 х 1/2 | 89,68 | 0,465 |
| 14 x 14 x 3/8 | 68,31 | 0,349 |
| 14 х 14 х 5/16 | 57,36 | 0,291 |
| 12 х 12 х 5/8 | 93,34 | 0.581 |
| 12 х 12 х 1/2 | 76,07 | 0,465 |
| 12 х 12 х 3/8 | 58,1 | 0,349 |
| 12 х 12 х 5/16 | 48,86 | 0,291 |
| 12 х 12 х 1/4 | 39,43 | 0,233 |
| 10 х 10 х 5/8 | 76,33 | 0,581 |
| 10 х 10 х 1/2 | 62,46 | 0,465 |
| 10 х 10 х 3/8 | 47.9 | 0,349 |
| 10 х 10 х 5/16 | 40,35 | 0,291 |
| 10 х 10 х 1/4 | 32,63 | 0,233 |
| 10 х 10 х 3/16 | 24,73 | 0,174 |
| 9 х 9 х 1/2 | 55,66 | 0,465 |
| 9 х 9 х 3/8 | 42,79 | 0,349 |
| 9 х 9 х 5/16 | 36,1 | 0.291 |
| 9 х 9 х 1/4 | 29,23 | 0,233 |
| 9 х 9 х 3/16 | 22,18 | 0,174 |
| 8 х 8 х 5/8 | 59,32 | 0,581 |
| 8 х 8 х 1/2 | 48,85 | 0,465 |
| 8 x 8 x 3/8 | 37,69 | 0,349 |
| 8 х 8 х 5/16 | 31,84 | 0,291 |
| 8 х 8 х 1/4 | 25.82 | 0,233 |
| 8 x 8 x 3/16 | 19,63 | 0,174 |
| 7 х 7 х 5/8 | 50,81 | 0,581 |
| 7 х 7 х 1/2 | 42,05 | 0,465 |
| 7 x 7 x 3/8 | 32,58 | 0,349 |
| 7 х 7 х 5/16 | 27,59 | 0,291 |
| 7 х 7 х 1/4 | 22,42 | 0.233 |
| 7 x 7 x 3/16 | 17,08 | 0,174 |
| 6 х 6 х 5/8 | 42,3 | 0,581 |
| 6 х 6 х 1/2 | 35,24 | 0,465 |
| 6 x 6 x 3/8 | 27,48 | 0,349 |
| 6 х 6 х 5/16 | 23,34 | 0,291 |
| 6 х 6 х 1/4 | 19,02 | 0,233 |
| 6 x 6 x 3/16 | 14.53 | 0,174 |
| 6 х 6 х 1/8 | 9,86 | 0,116 |
| 5-1 / 2 x 5-1 / 2 x 3/8 | 24,93 | 0,349 |
| 5-1 / 2 х 5-1 / 2 х 5/16 | 21,21 | 0,291 |
| 5-1 / 2 x 5-1 / 2 x 1/4 | 17,32 | 0,233 |
| 5-1 / 2 x 5-1 / 2 x 3/16 | 13,25 | 0,174 |
| 5-1 / 2 x 5-1 / 2 x 1/8 | 9.01 | 0,116 |
| 5 х 5 х 1/2 | 28,43 | 0,465 |
| 5 х 5 х 3/8 | 22,37 | 0,349 |
| 5 х 5 х 5/16 | 19,08 | 0,291 |
| 5 х 5 х 1/4 | 15,62 | 0,233 |
| 5 х 5 х 3/16 | 11,97 | 0,174 |
| 5 х 5 х 1/8 | 8,16 | 0,116 |
| 4-1 / 2 x 4-1 / 2 x 1/2 | 25.03 | 0,465 |
| 4-1 / 2 x 4-1 / 2 x 3/8 | 19,82 | 0,349 |
| 4-1 / 2 х 4-1 / 2 х 5/16 | 16,96 | 0,291 |
| 4-1 / 2 x 4-1 / 2 x 1/4 | 13,91 | 0,233 |
| 4-1 / 2 x 4-1 / 2 x 3/16 | 10,7 | 0,174 |
| 4-1 / 2 x 4-1 / 2 x 1/8 | 7,31 | 0,116 |
| 4 х 4 х 1/2 | 21.63 | 0,465 |
| 4 х 4 х 3/8 | 17,27 | 0,349 |
| 4 х 4 х 5/16 | 14,83 | 0,291 |
| 4 х 4 х 1/4 | 12,21 | 0,233 |
| 4 х 4 х 3/16 | 9,42 | 0,174 |
| 4 х 4 х 1/8 | 6,46 | 0,116 |
| 3-1 / 2 x 3-1 / 2 x 3/8 | 14,72 | 0.349 |
| 3-1 / 2 x 3-1 / 2 x 5/16 | 12,7 | 0,291 |
| 3-1 / 2 x 3-1 / 2 x 1/4 | 10,51 | 0,233 |
| 3-1 / 2 x 3-1 / 2 x 3/16 | 8,15 | 0,174 |
| 3-1 / 2 x 3-1 / 2 x 1/8 | 5,61 | 0,116 |
| 3 x 3 x 3/8 | 12,17 | 0,349 |
| 3 х 3 х 5/16 | 10,58 | 0.291 |
| 3 x 3 x 1/4 | 8,81 | 0,233 |
| 3 x 3 x 3/16 | 6,87 | 0,174 |
| 3 x 3 x 1/8 | 4,75 | 0,116 |
| 2-1 / 2 х 2-1 / 2 х 5/16 | 8,45 | 0,291 |
| 2-1 / 2 х 2-1 / 2 х 1/4 | 7,11 | 0,233 |
| 2-1 / 2 x 2-1 / 2 x 3/16 | 5,59 | 0.174 |
| 2-1 / 2 х 2-1 / 2 х 1/8 | 3,9 | 0,116 |
| 2-1 / 4 х 2-1 / 4 х 1/4 | 6,26 | 0,233 |
| 2-1 / 4 x 2-1 / 4 x 3/16 | 4,96 | 0,174 |
| 2-1 / 4 х 2-1 / 4 х 1/8 | 3,48 | 0,116 |
| 2 х 2 х 1/4 | 5,41 | 0,233 |
| 2 x 2 x 3/16 | 4,32 | 0.174 |
| 2 х 2 х 1/8 | 3,05 | 0,116 |
| 1-3 / 4 х 1-3 / 4 х 3/16 | 3,68 | 0,174 |
| 1-5 / 8 x 1-5 / 8 x 3/16 | 3,36 | 0,174 |
| 1-5 / 8 x 1-5 / 8 x 1/8 | 2,42 | 0,116 |
| 1-1 / 2 х 1-1 / 2 х 3/16 | 3,04 | 0,174 |
| 1-1 / 2 х 1-1 / 2 х 1/8 | 2,2 | 0.116 |
| 1-1 / 4 х 1-1 / 4 х 3/16 | 2,4 | 0,174 |
| 1-1 / 4 х 1-1 / 4 х 1/8 | 1,78 | 0,116 |
Metals Depot® — покупайте стальные балки онлайн!
B1644 M 6 x 4.4 фунта (6,00 «x 0,114» x 1,844 «)
Стальная вспомогательная балка A529-50
B1644
M 6 x 4,4 фунта (6,00 «x 0,114» x 1,844 «)
Стальная вспомогательная балка A529-50
4,40 фунта
Выберите … 5 футов 10 футов 20 футов или Отрежьте до размера
Вес: 4.40 фунтов / фут
Добавить в корзину B1865 M 8 x 6,5 фунта (8,00 x 0,135 x 2,281 дюйма)
Стальная юниорская балка A529-50
B1865
M 8 x 6.5 фунтов (8,00 x 0,135 x 2,281 дюйма)
Стальная юниорская балка A529-50
6,50 фунтов
Выберите … 5 футов 10 футов 20 футов или Отрежьте до размера
Вес: 6,50 фунт / фут
Добавить в корзину B1357 S 3 x 5.7 # (3,00 x 0,170 x 2,33 дюйма)
Стальная двутавровая балка A36 / A572-50
B1357
S 3 x 5,7 # (3,00 «x 0,170» x 2,33 «)
A36 / A572-50 Стандартная двутавровая балка из стали
5,70 фунтов
Выберите … 5 футов 10 футов 20 футов или Отрежьте до размера
Вес: 5.70 фунтов / фут
Добавить в корзину B1375 S 3 x 7,5 # (3,00 дюйма x 0,349 дюйма x 2,509 дюйма)
A36 / A572-50 Стандартная стальная двутавровая балка
B1375
S 3 x 7.5 # (3,00 дюйма x 0,349 дюйма x 2,509 дюйма)
A36 / A572-50 Стандартная двутавровая балка из стали
7,50 фунтов
Выберите … 10 Ft.20 Ft.
Вес: 7,50 фунт / фут
Добавить в корзину B1477 S 4 x 7.7 фунтов (4,00 x 0,193 x 2,663 дюйма)
A36 / A572-50 Стандартная стальная двутавровая балка
B1477
S 4 x 7,7 фунта (4,00 дюйма x 0,193 дюйма x 2,663 дюйма)
A36 / A572-50 Стандартная двутавровая балка из стали
7,70 фунтов
Выберите … 5 футов 10 футов 20 футов или Отрежьте до размера
Вес: 7.70 фунтов / фут
Добавить в корзину B1495 S 4 x 9,5 фунта (4,00 дюйма x 0,326 дюйма x 2,796 дюйма)
A36 / A572-50 Стандартная стальная двутавровая балка
B1495
S 4 x 9.5 фунтов (4,00 дюйма x 0,326 дюйма x 2,796 дюйма)
A36 / A572-50 Стандартная двутавровая балка из стали
9,50 фунтов
Выберите … 5 футов 10 футов 20 футов или Отрежьте до размера
Вес: 9,50 фунт / фут
Добавить в корзину B1510 S 5 x 10 фунтов (5.00 «x 0,214» x 3,004 «)
A36 / A572-50 Стандартная стальная двутавровая балка
B1510
S 5 x 10 фунтов (5,00 «x 0,214» x 3,004 «)
A36 / A572-50 Стандартная двутавровая балка из стали
10,00 фунтов
Выберите … 5 футов 10 футов 20 футов или Отрежьте до размера
Вес: 10.00 фунт / фут
Добавить в корзину B16125 S 6 x 12,5 фунтов (6,00 «x 0,232» x 3,332 «)
A36 / A572-50 Стандартная стальная двутавровая балка
B16125
S 6 x 12.5 фунтов (6,00 x 0,232 x 3,332 дюйма)
A36 / A572-50 Стандартная двутавровая балка из стали
12,50 фунтов
Выберите … 5 футов 10 футов 20 футов или Отрежьте до размера
Вес: 12,50 фунт / фут
Добавить в корзину B161725 S 6 х 17.25 фунтов (6,00 x 0,465 x 3,565 дюйма)
A36 / A572-50 Стандартная стальная двутавровая балка
B161725
S 6 x 17,25 фунта (6,00 «x 0,465» x 3,565 «)
A36 / A572-50 Стандартная двутавровая балка из стали
17,25 фунтов
Выберите … 5 футов 10 футов 20 футов или Отрежьте до размера
Вес: 17.25 фунтов / фут
Добавить в корзину B18184 S 8 x 18,4 фунта (8,00 «x 0,271» x 4,001 «)
A36 / A572-50 Стандартная стальная двутавровая балка
B18184
S 8 x 18.4 фунта (8,00 x 0,271 x 4,001 дюйма)
A36 / A572-50 Стандартная двутавровая балка из стали
18,40 фунта
Выберите … 5 футов 10 футов 20 футов или Отрежьте до размера
Вес: 18,40 фунт / фут
Добавить в корзину B1823 S 8 x 23 фунта (8.00 «x 0,441» x 4,171 «)
Стальная двутавровая балка стандарта A36 / A572-50
B1823
S 8 x 23 фунта (8,00 x 0,441 x 4,171 дюйма)
A36 / A572-50 Стандартная двутавровая балка из стали
23.00 фунтов
Выберите … 20 Ft.
Вес: 23.00 фунт / фут
Добавить в корзину B110254 S 10 x 25,4 фунта (10,00 «x 0,311» x 4,661 «)
A36 / A572-50 Стандартная стальная двутавровая балка
B110254
S 10 x 25.4 фунта (10,00 x 0,311 x 4,661 дюйма)
A36 / A572-50 Стандартная двутавровая балка из стали
25,40 фунта
Выберите … 20 Ft.
Вес: 25,40 фунт / фут
Добавить в корзину B112318 S 12 х 31.8 фунтов (12,00 x 0,350 x 5,00 дюйма)
A36 / A572-50 Стандартная стальная двутавровая балка
B112318
S 12 x 31,8 фунта (12,00 «x 0,350» x 5,00 «)
A36 / A572-50 Стандартная двутавровая балка из стали
31,80 фунта
Выберите … 25 Ft.
Вес: 31.80 фунтов / фут
Добавить в корзину B2413 W 4 x 13 фунтов (4,16 x 0,280 x 4,06 дюйма)
Стальная двутавровая балка A572 / A992
B2413
Вт 4 x 13 фунтов (4.16 дюймов x 0,280 x 4,06 дюйма)
A572 / A992 Стальная двутавровая балка
13.00 фунтов
Выберите … 5 футов 10 футов 20 футов или Отрежьте до размера
Вес: 13,00 фунт / фут
Добавить в корзину B2516 W 5 дюймов x 16 фунтов (5.01 «x .240» x 5,00 «)
A572 / A992 Стальная балка с широким фланцем
B2516
W 5 дюймов x 16 фунтов (5,01 дюйма x 0,240 дюйма x 5,00 дюйма)
A572 / A992 Стальная балка с широким фланцем
16.00 фунтов
Выберите … 10 футов 20 футов или Отрежьте до размера
Вес: 16.00 фунт / фут
Добавить в корзину B2519 W 5 x 19 фунтов (5,15 дюйма x 0,270 x 5,03 дюйма)
Стальная двутавровая балка A572 / A992
B2519
Вт 5 x 19 фунтов (5.15 дюймов x 0,270 x 5,03 дюйма)
A572 / A992 Стальная двутавровая балка
19.00 фунтов
Выберите … 10 Ft.20 Ft.
Вес: 19,00 фунт / фут
Добавить в корзину B269 Вт 6 x 9 фунтов (5.90 дюймов x 0,170 x 3,94 дюйма)
Стальная двутавровая балка A572 / A992
B269
W 6 x 9 фунтов (5,90 x 0,170 x 3,94 дюйма)
Стальная двутавровая балка A572 / A992
9.00 фунтов
Выберите … 5 футов 10 футов 20 футов.
Вес: 9,00 фунт / фут
Добавить в корзину B2612 Вт 6 x 12 фунтов (6.03 «x 0,230» x 4,00 «)
Стальная двутавровая балка A572 / A992
B2612
W 6 x 12 фунтов (6,03 x 0,230 x 4,00 дюйма)
Стальная двутавровая балка A572 / A992
12.00 фунтов
Выберите … 5 футов 10 футов 20 футов или Отрежьте до размера
Вес: 12.00 фунт / фут
Добавить в корзину B2615 W 6 x 15 фунтов (5,99 x 0,230 x 5,99 дюйма)
Стальная двутавровая балка A572 / A992
B2615
Вт 6 x 15 фунтов (5.99 дюймов x 0,230 x 5,99 дюйма)
A572 / A992 Стальная двутавровая балка
15,00 фунтов
Выберите … 5 футов 10 футов 20 футов или Отрежьте до размера
Вес: 15,00 фунт / фут
Добавить в корзину B2620 Вт 6 x 20 фунтов (6.20 дюймов x 0,260 x 6,02 дюйма)
Стальная двутавровая балка A572 / A992
B2620
W 6 x 20 фунтов (6,20 x 0,260 x 6,02 дюйма)
Стальная двутавровая балка A572 / A992
20,00 фунтов
Выберите … 10 футов 20 футов 25 футов.
Вес: 20,00 фунт / фут
Добавить в корзину B2625 Вт 6 x 25 фунтов (6.38 дюймов x 0,320 дюйма x 6,08 дюйма)
Стальная двутавровая балка A572 / A992
B2625
W 6 x 25 фунтов (6,38 дюйма x 0,320 дюйма x 6,08 дюйма)
Стальная двутавровая балка A572 / A992
25,00 фунтов
Выберите … 10 футов 20 футов 25 футов.
Вес: 25,00 фунт / фут
Добавить в корзину B2810 Вт 8 x 10 фунтов (7.89 дюймов x 0,170 x 3,94 дюйма)
Стальная двутавровая балка A572 / A992
B2810
W 8 x 10 фунтов (7,89 x 0,170 x 3,94 дюйма)
Стальная двутавровая балка A572 / A992
10,00 фунтов
Выберите … 5 футов 10 футов 20 футов или Отрежьте до размера
Вес: 10.00 фунт / фут
Добавить в корзину B2813 W 8 x 13 фунтов (7,99 x 0,230 x 4,00 дюйма)
Стальная двутавровая балка A572 / A992
B2813
Вт 8 x 13 фунтов (7.99 дюймов x 0,230 x 4,00 дюйма)
A572 / A992 Стальная двутавровая балка
13.00 фунтов
Выберите … 5 футов 10 футов 20 футов.
Вес: 13,00 фунт / фут
Добавить в корзину B2815 Вт 8 x 15 фунтов (8.11 дюймов x 0,245 дюйма x 4,02 дюйма)
Стальная двутавровая балка A572 / A992
B2815
W 8 x 15 фунтов (8,11 x 0,245 x 4,02 дюйма)
Стальная двутавровая балка A572 / A992
15,00 фунтов
Выберите … 5 футов 10 футов 20 футов 25 футов или Отрежьте до размера
Вес: 15.00 фунт / фут
Добавить в корзину B2818 W 8 x 18 фунтов (8,14 дюйма x 0,230 дюйма x 5,25 дюйма)
Стальная двутавровая балка A572 / A992
B2818
Вт 8 x 18 фунтов (8.14 дюймов x 0,230 x 5,25 дюйма)
A572 / A992 Стальная двутавровая балка
18.00 фунтов
Выберите … 5 футов 10 футов 20 футов 25 футов или Отрежьте до размера
Вес: 18,00 фунт / фут
Добавить в корзину B2821 Вт 8 x 21 фунт (8.28 дюймов x 0,250 x 5,27 дюйма)
Стальная двутавровая балка A572 / A992
B2821
W 8 x 21 фунт (8,28 x 0,250 x 5,27 дюйма)
Стальная двутавровая балка A572 / A992
21.00 фунтов
Выберите … 10 футов 20 футов 25 футов.
Вес: 21,00 фунт / фут
Добавить в корзину B2824 Вт 8 x 24 фунта (7.93 x 0,245 x 6,495 дюйма)
Стальная двутавровая балка A572 / A992
B2824
W 8 x 24 фунта (7,93 дюйма x 0,245 дюйма x 6,495 дюйма)
Стальная двутавровая балка A572 / A992
24,00 фунта
Выберите … 5 футов 10 футов 20 футов 25 футов или Отрежьте до размера
Вес: 24.00 фунт / фут
Добавить в корзину B2828 W 8 x 28 фунтов (8,06 x 0,285 x 6,54 дюйма)
Стальная двутавровая балка A572 / A992
B2828
Вт 8 x 28 фунтов (8.06 «x 0,285» x 6,54 «)
A572 / A992 Стальная двутавровая балка
28,00 фунтов
Выберите … 10 футов 20 футов 25 футов.
Вес: 28,00 фунт / фут
Добавить в корзину B2831 Вт 8 x 31 фунт (8.00 «x 0,285» x 8,00 «)
Стальная двутавровая балка A572 / A992
B2831
W 8 x 31 фунт (8,00 «x 0,285» x 8,00 «)
Стальная двутавровая балка A572 / A992
31.00 фунтов
Выберите … 10 футов 20 футов 25 футов.
Вес: 31,00 фунт / фут
Добавить в корзину B2835 Вт 8 x 35 фунтов (8.12 дюймов x 0,310 x 8,02 дюйма)
Стальная двутавровая балка A572 / A992
B2835
W 8 x 35 фунтов (8,12 дюйма x 0,310 дюйма x 8,02 дюйма)
Стальная двутавровая балка A572 / A992
35.00 фунтов
Выберите … 10 футов 20 футов 25 футов или Отрежьте до размера
Вес: 35.00 фунт / фут
Добавить в корзину B2840 W 8 x 40 фунтов (8,25 дюйма x 0,360 дюйма x 8,07 дюйма)
Стальная двутавровая балка A572 / A992
B2840
Вт 8 x 40 фунтов (8.25 x 0,360 x 8,07 дюйма)
A572 / A992 Стальная двутавровая балка
40,00 фунтов
Выберите … 10 футов 20 футов 25 футов.
Вес: 40,00 фунт / фут
Добавить в корзину B2848 Вт 8 x 48 фунтов (8.50 x 0,400 x 8,11 дюйма)
Стальная двутавровая балка A572 / A992
B2848
W 8 x 48 фунтов (8,50 x 0,400 x 8,11 дюйма)
Стальная двутавровая балка A572 / A992
48.00 фунтов
Выберите … 10 футов 20 футов 25 футов.
Вес: 48,00 фунт / фут
Добавить в корзину B2858 Вт 8 x 58 фунтов (8.75 дюймов x 0,510 x 8,22 дюйма)
Стальная двутавровая балка A572 / A992
B2858
W 8 x 58 фунтов (8,75 x 0,510 x 8,22 дюйма)
Стальная двутавровая балка A572 / A992
58.00 фунтов
Выберите … 10 футов 20 футов 25 футов.
Вес: 58,00 фунт / фут
Добавить в корзину B21012 Вт 10 x 12 фунтов (9.87 x 0,190 x 3,96 дюйма)
Стальная двутавровая балка A572 / A992
B21012
W 10 x 12 фунтов (9,87 дюйма x 0,190 дюйма x 3,96 дюйма)
Стальная двутавровая балка A572 / A992
12.00 фунтов
Выберите … 5 футов 10 футов 20 футов 25 футов или Отрежьте до размера
Вес: 12.00 фунт / фут
Добавить в корзину B21015 W 10 x 15 фунтов (9,99 дюйма x 0,230 дюйма x 4,00 дюйма)
Стальная двутавровая балка A572 / A992
B21015
Вт 10 x 15 фунтов (9.99 дюймов x 0,230 x 4,00 дюйма)
A572 / A992 Стальная двутавровая балка
15,00 фунтов
Выберите … 5 футов 10 футов 20 футов или Отрежьте до размера
Вес: 15,00 фунт / фут
Добавить в корзину B21019 Вт 10 x 19 фунтов (10.24 дюйма x 0,250 x 4,02 дюйма)
Стальная двутавровая балка A572 / A992
B21019
W 10 x 19 фунтов (10,24 дюйма x 0,250 дюйма x 4,02 дюйма)
Стальная двутавровая балка A572 / A992
19.00 фунтов
Выберите … 10 футов 20 футов или Отрежьте до размера
Вес: 19.00 фунт / фут
Добавить в корзину B21022 W 10 x 22 фунта (10,17 x 0,240 x 5,75 дюйма)
Стальная двутавровая балка A572 / A992
B21022
Вт 10 x 22 фунта (10.17 дюймов x 0,240 x 5,75 дюйма)
A572 / A992 Стальная двутавровая балка
22.00 фунтов
Выберите … 5 футов 10 футов 20 футов 25 футов или Отрежьте до размера
Вес: 22,00 фунт / фут
Добавить в корзину B21026 Вт 10 x 26 фунтов (10.33 дюйма x 0,260 дюйма x 5,77 дюйма)
Стальная двутавровая балка A572 / A992
B21026
W 10 x 26 фунтов (10,33 x 0,260 x 5,77 дюйма)
Стальная двутавровая балка A572 / A992
26.00 фунтов
Выберите … 5 футов 10 футов 20 футов 25 футов или Отрежьте до размера
Вес: 26.00 фунт / фут
Добавить в корзину B21030 W 10 x 30 фунтов (10,47 x 0,300 x 5,81 дюйма)
Стальная двутавровая балка A572 / A992
B21030
Вт 10 x 30 фунтов (10.47 дюймов x 0,300 x 5,81 дюйма)
Стальная двутавровая балка A572 / A992
30,00 фунтов
Выберите … 10 футов 20 футов 25 футов.
Вес: 30,00 фунт / фут
Добавить в корзину B21033 Вт 10 x 33 фунта (9.73 x 0,290 x 7,96 дюйма)
Стальная двутавровая балка A572 / A992
B21033
W 10 x 33 фунта (9,73 x 0,290 x 7,96 дюйма)
Стальная двутавровая балка A572 / A992
33,00 фунта
Выберите … 10 футов 20 футов 25 футов.
Вес: 33,00 фунт / фут
Добавить в корзину B21045 Вт 10 x 45 фунтов (10.10 дюймов x 0,350 x 8,02 дюйма)
Стальная двутавровая балка A572 / A992
B21045
W 10 x 45 фунтов (10,10 x 0,350 x 8,02 дюйма)
Стальная двутавровая балка A572 / A992
45.00 фунтов
Выберите … 10 футов 20 футов 25 футов.
Вес: 45.00 фунт / фут
Добавить в корзину B21214 W 12 x 14 фунтов (11,91 x 0,200 x 3,97 дюйма)
Стальная двутавровая балка A572 / A992
B21214
Вт 12 x 14 фунтов (11.91 дюйм x 0,200 x 3,97 дюйма)
A572 / A992 Стальная двутавровая балка
14.00 фунтов
Выберите … 10 Ft.20 Ft.
Вес: 14,00 фунт / фут
Добавить в корзину B21216 Вт 12 x 16 фунтов (11.99 дюймов x 0,200 x 3,97 дюйма)
Стальная двутавровая балка A572 / A992
B21216
W 12 x 16 фунтов (11,99 x 0,200 x 3,97 дюйма)
Стальная двутавровая балка A572 / A992
16.00 фунтов
Выберите … 5 футов 10 футов 20 футов 25 футов или Отрежьте до размера
Вес: 16.00 фунт / фут
Добавить в корзину B21219 W 12 x 19 фунтов (12,16 x 0,235 x 4,01 дюйма)
Стальная двутавровая балка A572 / A992
B21219
Вт 12 x 19 фунтов (12.16 дюймов x 0,235 x 4,01 дюйма)
A572 / A992 Стальная двутавровая балка
19.00 фунтов
Выберите … 5 футов 10 футов 20 футов.
Вес: 19,00 фунт / фут
Добавить в корзину B21222 Вт 12 x 22 фунта (12.31 дюйм x 0,260 x 4,03 дюйма)
Стальная двутавровая балка A572 / A992
B21222
W 12 x 22 фунта (12,31 x 0,260 x 4,03 дюйма)
Стальная двутавровая балка A572 / A992
22.00 фунтов
Выберите … 5 футов 10 футов 20 футов 25 футов или Отрежьте до размера
Вес: 22.00 фунт / фут
Добавить в корзину B21226 W 12 x 26 фунтов (12,22 x 0,230 x 6,49 дюйма)
Стальная двутавровая балка A572 / A992
B21226
Вт 12 x 26 фунтов (12.22 x 0,230 x 6,49 дюйма)
A572 / A992 Стальная двутавровая балка
26.00 фунтов
Выберите … 5 футов 10 футов 20 футов 25 футов или Отрежьте до размера
Вес: 26,00 фунт / фут
Добавить в корзину B21230 Вт 12 x 30 фунтов (12.34 дюйма x 0,260 дюйма x 6,52 дюйма)
Стальная двутавровая балка A572 / A992
B21230
W 12 x 30 фунтов (12,34 дюйма x 0,260 дюйма x 6,52 дюйма)
Стальная двутавровая балка A572 / A992
30,00 фунтов
Выберите … 10 футов 20 футов 25 футов.
Вес: 30.00 фунт / фут
Добавить в корзину B21235 W 12 x 35 фунтов (12,50 x 0,300 x 6,56 дюйма)
Стальная двутавровая балка A572 / A992
B21235
Вт 12 x 35 фунтов (12.50 x 0,300 x 6,56 дюйма)
A572 / A992 Стальная двутавровая балка
35.00 фунтов
Выберите … 10 футов 20 футов 25 футов или Отрежьте до размера
Вес: 35,00 фунт / фут
Добавить в корзину B21240 Вт 12 x 40 фунтов (11.94 дюйма x 0,295 дюйма x 8,01 дюйма)
Стальная двутавровая балка A572 / A992
B21240
W 12 x 40 фунтов (11,94 дюйма x 0,295 дюйма x 8,01 дюйма)
Стальная двутавровая балка A572 / A992
40,00 фунтов
Выберите … 10 футов 20 футов 25 футов.
Вес: 40.00 фунт / фут
Добавить в корзину B21250 W 12 x 50 фунтов (12,19 x 0,370 x 8,08 дюйма)
Стальная двутавровая балка A572 / A992
B21250
Вт 12 x 50 фунтов (12.19 «x 0,370» x 8,08 «)
A572 / A992 Стальная двутавровая балка
50.00 фунтов
Выберите … 10 футов 20 футов 25 футов.
Вес: 50,00 фунт / фут
Добавить в корзину B21265 Вт 12 x 65 фунтов (12.12 дюймов x 0,390 x 12,00 дюймов)
Стальная двутавровая балка A572 / A992
B21265
W 12 x 65 фунтов (12,12 дюйма x 0,390 дюйма x 12,00 дюйма)
Стальная двутавровая балка A572 / A992
65.00 фунтов
Выберите … 10 футов 20 футов 25 футов.
Вес: 65.00 фунт / фут
Добавить в корзину B21422 W 14 x 22 фунта (13,74 дюйма x 0,230 дюйма x 5,00 дюйма)
Стальная двутавровая балка A572 / A992
B21422
Вт 14 x 22 фунта (13.74 дюйма x 0,230 дюйма x 5,00 дюйма)
A572 / A992 Стальная двутавровая балка
22.00 фунтов
Выберите … 10 футов 20 футов 25 футов.
Вес: 22,00 фунт / фут
Добавить в корзину B21426 Вт 14 x 26 фунтов (13.91 дюйм x 0,255 x 5,03 дюйма)
Стальная двутавровая балка A572 / A992
B21426
W 14 x 26 фунтов (13,91 x 0,255 x 5,03 дюйма)
Стальная двутавровая балка A572 / A992
26.00 фунтов
Выберите … 10 футов 20 футов 25 футов.
Вес: 26.00 фунт / фут
Добавить в корзину B21430 W 14 x 30 фунтов (13,84 x 0,270 x 6,73 дюйма)
Стальная двутавровая балка A572 / A992
B21430
Вт 14 x 30 фунтов (13.84 x 0,270 x 6,73 дюйма)
A572 / A992 Стальная двутавровая балка
30,00 фунтов
Выберите … 10 футов 20 футов 25 футов.
Вес: 30,00 фунт / фут
Добавить в корзину B21434 Вт 14 x 34 фунта (13.98 x 0,285 x 6,75 дюйма)
Стальная двутавровая балка A572 / A992
B21434
W 14 x 34 фунта (13,98 x 0,285 x 6,75 дюйма)
Стальная двутавровая балка A572 / A992
34.00 фунтов
Выберите … 10 футов 20 футов 25 футов.
Вес: 34.00 фунт / фут
Добавить в корзину B21443 W 14 x 43 фунта (13,66 x 0,3305 x 7,99 дюйма)
Стальная двутавровая балка A572 / A992
B21443
Вт 14 x 43 фунта (13.66 дюймов x 0,305 x 7,99 дюйма)
A572 / A992 Стальная двутавровая балка
43.00 фунтов
Выберите … 10 футов 20 футов 25 футов.
Вес: 43,00 фунт / фут
Добавить в корзину B21626 Вт 16 x 26 фунтов (15.69 дюймов x 0,250 x 5,50 дюйма)
Стальная двутавровая балка A572 / A992
B21626
W 16 x 26 фунтов (15,69 дюйма x 0,250 x 5,50 дюйма)
Стальная двутавровая балка A572 / A992
26.00 фунтов
Выберите … 10 футов 20 футов 25 футов.
Вес: 26.00 фунт / фут
Добавить в корзину B21631 W 16 x 31 фунт (15,88 x 0,275 x 5,53 дюйма)
Стальная двутавровая балка A572 / A992
B21631
Вт 16 x 31 фунт (15.88 x 0,275 x 5,53 дюйма)
A572 / A992 Стальная двутавровая балка
31.00 фунтов
Выберите … 10 футов 20 футов 25 футов.
Вес: 31,00 фунт / фут
Добавить в корзину B21636 Вт 16 x 36 фунтов (15.86 дюймов x 0,295 дюйма x 6,985 дюйма)
Стальная двутавровая балка A572 / A992
B21636
W 16 x 36 фунтов (15,86 дюйма x 0,295 дюйма x 6,985 дюйма)
Стальная двутавровая балка A572 / A992
36.00 фунтов
Выберите … 10 футов 20 футов 25 футов.
Вес: 36.00 фунт / фут
Добавить в корзину B21640 W 16 x 40 фунтов (16,01 x 0,305 x 6,99 дюйма)
Стальная двутавровая балка A572 / A992
B21640
Вт 16 x 40 фунтов (16.01 «x .305» x 6,99 «)
A572 / A992 Стальная двутавровая балка
40,00 фунтов
Выберите … 10 футов 20 футов 25 футов.
Вес: 40,00 фунт / фут
Добавить в корзину B21650 Вт 16 x 50 фунтов (16.26 дюймов x 0,380 x 7,07 дюйма)
Стальная двутавровая балка A572 / A992
B21650
W 16 x 50 фунтов (16,26 x 0,380 x 7,07 дюйма)
Стальная двутавровая балка A572 / A992
50.00 фунтов
Выберите … 10 футов 20 футов 25 футов.
Вес: 50.00 фунт / фут
Добавить в корзину B21667 W 16 x 67 фунтов (16,33 x 0,395 x 10,24 дюйма)
Стальная двутавровая балка A572 / A992
B21667
Вт 16 x 67 фунтов (16.33 дюйма x 0,395 дюйма x 10,24 дюйма)
A572 / A992 Стальная двутавровая балка
67.00 фунтов
Выберите … 10 футов 20 футов 25 футов.
Вес: 67,00 фунт / фут
Добавить в корзину B21835 Вт 18 x 35 фунтов (17.70 x 0,300 x 6,00 дюйма)
Стальная двутавровая балка A572 / A992
B21835
W 18 x 35 фунтов (17,70 дюйма x 0,300 дюйма x 6,00 дюйма)
Стальная двутавровая балка A572 / A992
35.00 фунтов
Выберите … 10 футов 20 футов 25 футов.
Вес: 35.00 фунт / фут
Добавить в корзину B21840 W 18 x 40 фунтов (17,90 дюйма x 0,315 дюйма x 6,02 дюйма)
Стальная двутавровая балка A572 / A992
B21840
Вт 18 x 40 фунтов (17.90 дюймов x 0,315 дюйма x 6,02 дюйма)
A572 / A992 Стальная двутавровая балка
40,00 фунтов
Выберите … 10 футов 20 футов 25 футов.
Вес: 40,00 фунт / фут
Добавить в корзину B21850 Вт 18 x 50 фунтов (17.99 x 0,355 x 7,50 дюйма)
Стальная двутавровая балка A572 / A992
B21850
W 18 x 50 фунтов (17,99 дюйма x 0,355 дюйма x 7,50 дюйма)
Стальная двутавровая балка A572 / A992
50.00 фунтов
Выберите … 10 футов 20 футов 25 футов.
Вес: 50.00 фунт / фут
Добавить в корзину B21865 W 18 x 65 фунтов (18,35 x 0,450 x 7,59 дюйма)
Стальная двутавровая балка A572 / A992
B21865
Вт 18 x 65 фунтов (18.35 дюймов x 0,450 x 7,59 дюйма)
A572 / A992 Стальная двутавровая балка
65.00 фунтов
Выберите … 10 футов 20 футов 25 футов.
Вес: 65,00 фунт / фут
Добавить в корзину B22144 Вт 21 x 44 фунта (20.66 дюймов x 0,350 x 6,50 дюйма)
Стальная двутавровая балка A572 / A992
B22144
W 21 x 44 фунта (20,66 x 0,350 x 6,50 дюйма)
Стальная двутавровая балка A572 / A992
44.00 фунтов
Выберите … 10 футов 20 футов 25 футов.
Вес: 44.00 фунт / фут
Добавить в корзину B22455 W 24 x 55 фунтов (23,57 дюйма x 0,395 дюйма x 7,01 дюйма)
Стальная двутавровая балка A572 / A992
B22455
Вт 24 x 55 фунтов (23.57 дюймов x 0,395 дюйма x 7,01 дюйма)
A572 / A992 Стальная двутавровая балка
55.00 фунтов
Выберите … 10 футов 20 футов 25 футов.
Вес: 55,00 фунт / фут
Добавить в корзину Основы стальной балки— Как купить стальную балку
Оставить комментарийБалки из углеродистой стали бывают самых разных форм и спецификаций, чтобы соответствовать бесчисленным промышленным применениям.В Continental Steel & Tube мы знаем, что может быть сложно ориентироваться в бесчисленном множестве вариантов балок, чтобы найти правильный вариант для вашего конкретного проекта. Однако вы можете сузить выбор просто и легко, сосредоточив внимание на ваших основных требованиях. Обычно сюда входят такие элементы, как форма, сорт и размер.
Балки из углеродистой стали бывают разных форм. Форма балки влияет на ее прочность, вес и конечную стоимость. Для большинства применений требуются широкополочные балки, которые также несколько двусмысленно называют двутавровыми, двутавровыми или швантовыми балками.Балки с широкими полками характеризуются широкими полками по обе стороны от стенки. В редких случаях для некоторых проектов требуется стандартная американская балка, также известная как S-образная двутавровая балка, которая имеет изогнутый профиль. Балки с широкими полками и стандартные американские балки доказали свою способность выдерживать изгибающие и поперечные нагрузки и широко используются в строительной отрасли.
Следующее соображение — оценка. Большинство заводов производят широкие фланцевые балки в соответствии с двойной спецификацией ASTM A992 и A572 GR 50.ASTM A992 является новым отраслевым стандартом и требует, чтобы балки из углеродистой стали были изготовлены из более прочного материала, чем раньше. В результате реже встречаются широкие фланцевые балки со старой спецификацией ASTM A36. Некоторые заводы могут по-прежнему предлагать S-образные двутавровые балки с этой спецификацией сегодня, но они постепенно сокращаются в пользу балок с более новым и прочным стандартом.
Последняя важная проблема — размер. Размер широкой полочной балки следует за буквой W. После размера следует номер сечения, который дает вам номинальную глубину.Затем идут фунты на линейный фут балки, а затем длина. Например, балка размером W12 x 50 x 40 имеет высоту 12 дюймов, вес 50 фунтов на линейный фут и длину 40 футов; согласно цифрам, эта балка будет весить 2 000 фунтов. Таким же образом можно определить размер двутавровой балки S-образной формы. Единственное отличие состоит в том, что буква W заменяется буквой S, чтобы обозначить другой профиль балки. Понимание системы размеров стальных балок поможет вам рассчитать вес и стоимость единицы.
Найти наиболее подходящую балку для проекта может быть непросто. Компания Continental Steel & Tube составила список стандартных размеров широкополочных балок и двутавровых балок S-образной формы, которые вы можете легко загрузить с нашего сайта.
Как специалисты в этой области, мы можем предоставить вам более редкие и большие балки и доставить их прямо к месту работы. Наши дополнительные услуги включают резку по длине, горячее цинкование, грунтовку, сварку опорных пластин и прожигание монтажных отверстий.
Свяжитесь с нами сегодня, чтобы обсудить ваши требования к балке и начать реализацию вашего проекта.
Размеры стальной балки| SkyCiv
Наличие хорошего ресурса для размеров двутавровых балок очень важно при проектировании конструкций. Для нас, как инженера-строителя, важно определить секции, которые не только безопасны, но и рентабельны. С помощью приведенной ниже таблицы размеров стальных балок SkyCiv стремится получить бесплатный ресурс, к которому можно будет получить доступ в любое время через браузер. Приведенная ниже таблица размеров стальных балок поможет инженерам-строителям найти подходящий размер и форму, которые вам нужны для вашего проекта.Эти свойства важны при проверке прочности секции, что является само определение конструкции конструкции.
Таблица размеров стальных балок — это интерактивная таблица, в которой перечислены размерные и геометрические свойства сечения. Эти свойства могут помочь инженерам найти желаемый стальной профиль, который они ищут. Просто выберите систему единиц измерения, библиотеку, прежде чем выбирать форму, чтобы отобразить размеры балки этой формы. Библиотека содержит разделы из Австралии, США, Канады, Великобритании и Европы.Программное обеспечение извлекает размеры балки непосредственно из базы данных Structural 3D, которая является основным программным обеспечением для трехмерного структурного анализа платформы SkyCiv, которое также доступно для использования в веб-браузере. Эта информация обычно требует, чтобы пользователь держал под рукой ручные схемы или схемы стальных балок, что может доставлять неудобства, т. Е. Если у пользователя есть копия. Хотя приобретение руководства по стали требует денежных затрат, мы должны еще раз подчеркнуть, что справочная таблица SkyCiv легко доступна здесь бесплатно.
Некоторые из размеров, которые может отображать этот инструмент:
- Размеры двутавровой балки
- Размеры S-образной балки
- Квадрат полый / HSS Размеры
- Круглые размеры из быстрорежущей стали
- Размеры балки с широким фланцем
- Т-образная балка Размеры
- Размеры каналов
- Размеры уголков
- Имперские и метрические размеры балки
Приведенные выше размеры стальных секций должны дать пользователю возможность легко получить доступ к свойствам элементов и размерам часто используемых секций в различных библиотеках по всему миру.Мы надеемся, что инженеры найдут ссылки на эти размеры и размеры стальных балок, которые будут полезны для их рабочего процесса. Опять же, в настоящее время существуют размеры и размеры стали для профилей из Австралии, США, Великобритании, Европы и Канады. Если конкретная используемая вами библиотека недоступна, вы можете связаться с нами здесь. Мы открыты для улучшения и расширения нашей базы данных. Еще одним замечательным аспектом этого инструмента является то, что он может преобразовывать размеры балки из метрических в британские и наоборот. Это экономит время инженера при работе с единичными системами и снижает риск ошибки в расчетах.
Свойства сечения, отображаемые в приведенной выше таблице, включая площадь поперечного сечения (A), полярный момент инерции (J), момент площади (Iz, Iy), модуль упругости сечения и постоянную деформации (Iw). Эти результаты чрезвычайно важны при выборе конструкционной стали для конструкций балок и колонн. Это свойства, которые контролируют количество и тип силы, которую может принять стальной элемент.
Здесь, в SkyCiv, у нас есть ряд программного обеспечения (бесплатного и платного), которое позволяет инженерам моделировать и проектировать свои конструкции.Наш калькулятор свободных балок — это простой в использовании калькулятор, который помогает анализировать консольные балки и балки с простой опорой. Вы также можете воспользоваться нашим калькулятором ферм для быстрого анализа 2D ферм. Для небольших 2D-рам вы можете воспользоваться нашим бесплатным калькулятором несущих рам. Для типичных форм нестандартных размеров стали калькулятор свободного момента инерции является хорошим средством для определения их геометрических характеристик и характеристик сечения.
SkyCiv предлагает инженерам широкий спектр программного обеспечения для структурного анализа и проектирования облачных вычислений.Как постоянно развивающаяся технологическая компания, мы стремимся внедрять инновации и улучшать существующие рабочие процессы, чтобы сэкономить время инженеров в их рабочих процессах и проектах.
Основы стальных балок— двутавровая балка и двутавровая балка с широким фланцем
Стальная двутавровая балка — это высокопрочные, длиннопролетные деревянные балки, которые широко используются в строительных и инженерных проектах. Вообще говоря, двутавровые балки содержат S-образную балку, универсальную балку, двутавровую балку или широкополочную балку.Однако эти секции балки различаются по размерам, прочности и применению.
Двутавровая балка состоит из горизонтального элемента — полки и вертикального элемента — стенки. Перегородка противостоит силам сдвига, в то время как фланцы выдерживают большую часть изгибающего момента. Благодаря своей способности выдерживать как изгибающие, так и поперечные нагрузки, он наиболее часто используется для стальных зданий, мостов и гражданских объектов.
Балка стальная с W-образным и S-образным сечением
Балка стальная горячекатаная
По профилю стальные балки можно разделить на двутавровую S-образную балку и двутавровую балку с широкими полками.Чем отличается S-образная балка сечением от широкополочной двутавровой балки? Во-первых, стальная балка с широкими полками имеет параллельные полки, в то время как S-образная двутавровая балка имеет конические полки, которые имеют наклон на внутренней поверхности. Во-вторых, для широкой полки балки ширина стенки и полки почти равна, в то время как для S-образной балки полка намного уже, чем стенка. В-третьих, из-за вышеупомянутых различий их механические свойства и области применения сильно различаются.
Размеры стальной двутавровой балки:
Согласно европейским стандартам, размеры стальных двутавровых балок содержат IPN и IPE.Найдите следующие профили и детали в конкретных стальных двутавровых балках.
Балка ИПН с коническим фланцем
Балки IPE с параллельными полками
Стальные двутавровые балки :
- Балки опорные для строительства, сооружений и инженерии.
- Швеллеры опорные стальные, уголки стальные.
- Платформы для рабочих мест.
- Заводские магазины, склады.
- Каркас кузова тележки.
Размеры двутавровой балки с широким фланцем :
- Облегченная версия — HEA согласно DIN 1025-3.
- Обычная версия — HEB согласно DIN 1025-2.
- Heavy Version — HEM согласно DIN 1025-4.
Применение двутавровых балок с широкими полками :
- Строительные опорные балки для заводских цехов, металлоконструкций.
- Заводские платформы.
- Мосты.
- Рамы для кузова грузовика.
- Машинный.
Балка двутавровая широкополочная для цехового строительства.
Запрос на наш продукт
Когда вы свяжетесь с нами, просьба предоставить подробные требования.
Это поможет нам дать вам верное предложение.
Жилые стальные балки
Жилая стальная балка — их довольно много в доме, который я построил в Эмберли-Виллидж, штат Огайо. Балки имеют высоту 10 дюймов и вес 31 фунт на погонный фут. С ними вы можете пролететь до 14 футов! © 2018 Тим Картер
Жилая стальная балка очень распространена в большинстве домов. Большинство из них имеют высоту 8 дюймов, но балки высотой 10 или 12 дюймов позволяют преодолевать большие расстояния с меньшим количеством надоедливых колонн.
Исправлено в феврале 2018 г.
Стальная балка для жилых помещений TIPS
- Балки бывают всех размеров, толщины, веса, длины и оцинкованы
- Стальные опорные балки колонн следует сварить, а колонны засыпать песком
- Смотрите ВИДЕО о балках и колоннах!
- Более высокие балки позволяют располагать колонны дальше друг от друга
- Инженеры-строители или архитекторы должны определять размеры балок
- НАЖМИТЕ ЗДЕСЬ, чтобы получить БЕСПЛАТНЫЙ И ВЕСЕЛЫЙ информационный бюллетень Тима
УВАЖАЕМЫЙ ТИМ: Мой план дома предусматривает использование стальных балок, которые будут поддерживать балки пола и даже части кирпичной стены.Могу ли я заменить стальные балки деревянными? Трудно ли обращаться со стальной балкой I на строительной площадке?
Как вы думаете, я могу установить его с друзьями? Как получить лучшие цены на стальную балку, если у меня довольно ограниченный бюджет? Если я найду бывшую в употреблении стальную балку, заметите ли вы какие-либо проблемы с ее использованием в моем новом доме? Стив Б., Синнаминсон, штат Нью-Джерси,
Ссылки по теме
Конструкция колонн и балок — используйте сталь и дерево
Основы установки балки— будьте осторожны!
УВАЖАЕМЫЙ СТИВ: Стальные двутавровые балки — довольно толстые структурные компоненты, которые редко используются на стройплощадке жилых домов, потому что дерево является основным конструкционным материалом, который можно найти в большинстве домов.
Тем не менее, сталь является обычным материалом для коммерческого или промышленного строительства, поскольку она является основой этих крупных проектов, где к древесине относятся с презрением из-за присущей ей пожарной опасности и ограниченных характеристик по мере роста зданий.
Видео о стальных балках для жилых домов — Открытые балки для современного вида
В этом видео много отличных фотографий стальных балок, используемых в домах. Вы можете получить вдохновение, посмотрев это. Это стоит того.
НАЖМИТЕ ЗДЕСЬ, чтобы получить БЕСПЛАТНЫЕ И БЫСТРЫЕ СТАВКИ от местных инженеров-строителей в вашем городе.
Архитекторы и инженеры используют стальные балки в домах как для балок, так и для колонн, потому что они очень прочные. Обычно вы можете удерживать те же грузы с помощью дерева, но вам нужно больше, и обычно размер деревянной балки намного больше, чем размер стальной двутавровой балки, которая выдерживает такое же количество веса.
Термиты и другие насекомые, разрушающие дерево, не едят сталь, так что это явное преимущество, если вы хотите, чтобы определенные части вашего дома оставались стоять.
Во многих случаях вы можете заменить конструкционную стальную балку на деревянную балку.Если вы хотите это сделать, убедитесь, что у вас есть инженер-строитель или архитектор, укажите материал и необходимые опоры.
Если вы используете сталь, обратите особое внимание на детали соединения на опоре стальной балки. Соединения между балкой и колоннами должны быть надежными.
Сталь тяжелая — Кран поднимает кухонную стальную балку Видео
Посмотрите это видео, чтобы узнать, сколько мужчин могут поднять стальную балку. Лучше пусть это делают люди, которым вы можете ДОВЕРИТЬ!
Не полагайтесь на простые тонкие ремни наверху колонн, которые загибаются над нижним фланцем балки.Эти вкладки — временные меры, пока не появится сварщик.
НЕ кладите кладку на деревянную балку
Я бы никогда не стал кладку на деревянную балку. Слишком велика вероятность того, что древесина прогнется и вызовет разрушение кирпичной кладки. Более того, это может быть нарушение строительных норм в вашем районе.
Стальные балки, как вы могли догадаться, тяжелые. Размеры и размеры стальной балки не совпадают. У вас могут быть две разные балки, которые почти идентичны по высоте и длине, но одна может весить вдвое больше, чем другая.
Обычно размеры балок указаны в числовой форме, например 8×17. Обычно это означает, что стальная балка имеет высоту около 8 дюймов и весит 17 фунтов на погонный фут. Это очень распространенный размер, который можно найти во многих жилых домах. Но вы можете получить стальные двутавровые балки высотой 8 дюймов, которые весят более 35 фунтов на фут. В последнем доме, который построил для себя, я установил балки 10х31.
Двое мужчин устанавливают жилую стальную балку
Посмотрите, как эти двое упитанных кукурузой мужчин установили стальную балку менее чем за две минуты! УХ ТЫ!
НАЖМИТЕ ЗДЕСЬ, чтобы получить БЕСПЛАТНЫЕ И БЫСТРЫЕ СТАВКИ от местных инженеров-строителей в вашем городе.
Более высокие балки лучше
Проблема с типичными стальными балками 8×17, которые вы найдете во многих домах, заключается в том, что для них требуются опорные колонны в среднем примерно через каждые 8 футов. Если идти отделывать подвал, эти колонны проблематичны.
Вы можете избежать образования большого количества колонн, установив более высокую балку. Чем выше балка, скажем, 10 или 12 дюймов, а не 8 дюймов, тем большее расстояние вы можете преодолеть между опорными стойками. У меня в собственном подвале были пролеты 14 футов с использованием стальных балок 10×31.
Более тяжелые балки иногда могут перекрывать большие расстояния между столбами. Стальная балка 8×35 может нести больший вес, чем 8×17. Инженер-строитель или опытный архитектор может обратиться к своему руководству по стальным балкам и решить все это за вас.
НАЖМИТЕ ЗДЕСЬ, чтобы получить БЕСПЛАТНЫЕ И БЫСТРЫЕ СТАВКИ от местных производителей СТАЛЬНОЙ БАЛКИ!
Защита от ржавчины для жилой стальной балки — оцинковка или окраска
Если вы собираетесь использовать сталь во влажных помещениях и беспокоитесь о ржавчине, вы можете заказать их горячеоцинкованные.Я работал с оцинкованными балками и колоннами в одном из детских домов на Ямайке. Стоимость выше, но если вам нужна защита от ржавчины, знайте, что она доступна.
Если вы не можете позволить себе цинкование, прогрунтуйте и покрасьте стальные балки и колонны перед их установкой. Для лучшей защиты нанесите три слоя краски и используйте специальную антикоррозионную краску для стали.
Вот аэрозольная краска, которая отлично подходит для стальных балок и колонн. Содержит грунтовку по металлу.Эта марка также доступна в канистрах на кварты или галлоны, если у вас есть МНОГО стали для окраски. НАЖМИТЕ ИЗОБРАЖЕНИЕ, ЧТОБЫ ЗАКАЗАТЬ СЕЙЧАС.
Но найдите время и посчитайте. Допустим, у вас есть дом на ранчо, и в планах требуется балка 8×17 длиной 40 футов. Вы можете доставить эту балку на строительную площадку.
Не пытайтесь поднять его самостоятельно, он весит почти 700 фунтов. Меньший луч, который длинный, также создает проблемы при обращении, потому что он будет похож на мокрый кусок спагетти, когда вы поднимете его со всеми своими друзьями.Если вы никогда раньше не работали с балками, лучше поработайте с балками меньшего размера, прежде чем пытаться работать с длинными кусками стали.
Стальдешевая — стоит вложения
Сталь — это товар, и цена на нее колеблется. Текущая цена на стальную балку, которую вы должны платить за новую сталь, может быть неплохой, как вы могли подумать. В настоящее время рынок находится в депрессивном состоянии, и предложение может намного превышать спрос. Вы можете быть приятно удивлены, узнав, что за невысокие деньги можно приобрести строительную стальную балку.
Вы можете найти приличные стальные балки у подрядчика по сносу, который обычно вынимает их из зданий. Они продают их на металлолом, поэтому цена, которую вы платите, обычно будет намного меньше, чем цена новой балки. Однако при работе с использованными балками возникают самые разные проблемы. Возможно, вы не получите точного размера, балки можно согнуть, и вам нужно придумать, как транспортировать его на стройплощадку. Я предполагаю, что подрядчик по сносу не настроен делать это за вас. Но случались и более странные вещи.
В конце концов, когда вы сравните все затраты, связанные с получением бывшей в употреблении балки вместо новой, вы можете обнаружить, что разница в цене не так уж велика. В любом случае убедитесь, что балки, которые вы используете, загрунтованы и окрашены, чтобы предотвратить или минимизировать ржавчину. Прокрутите вверх, чтобы выбрать лучшую краску.
Стальные колонны
Я бы никогда не использовал дерево для поддержки стальной колонны. Лучше всего использовать сталь. Стальные круглые колонны — универсальный стандарт в жилищном строительстве.Проблема в пожаре, стальные колонны могут размягчиться, а балка может разрушиться.
Чтобы избежать прогиба и разрушения стальных колонн в результате пожара, заполните их сухим песком. Просто закажите стальную колонну с отверстием диаметром 1/2 дюйма, просверленным примерно на два дюйма ниже вершины. Используйте пластиковую трубку и воронку, чтобы засыпать песок в колонку.
Убедитесь, что у вас есть сварщик, приваривающий стальную стойку к нижней стороне балки для лучшего соединения. Вы также можете попросить изготовителей стали просверлить отверстия в нижней части полки балки и прикрепить колонну к балке болтами.Вам придется оценить каждый вариант, чтобы увидеть, что является наиболее экономичным в вашем районе.
Если вы решили попробовать установить стальную конструкцию самостоятельно на строительной площадке, помните об опасностях. Карманы в бетонном фундаменте не такие глубокие, и если вы не будете осторожны, балка может выскользнуть из одного конца, а вы будете двигаться с другим концом балки.
Для выравнивания балок в карманах необходимы стальные прокладки разной толщины. Никогда не используйте прокладки для дерева, даже обработанные пиломатериалы, которые не должны гнить.Большие нагрузки на балку со временем могут сжимать древесину.
Стальные балки могут быть сдуты ветром, если они не закреплены. Я видел, как балки разрушаются после дождя, пропитанного глинистой почвой, заставляя ее расширяться и поднимать колонны, поддерживающие балки. Сотни фунтов веса, плавающие над вашей головой и телом на строительной площадке, никогда не следует недооценивать.
Размер стальных балок, а также размер и расстояние между стальными колоннами, поддерживающими балки, должны определяться обученным и образованным профессионалом.Нельзя угадывать и надеяться, что балки и колонны будут работать. Наймите инженера-строителя или архитектора, имеющего большой опыт в определении размеров балок и колонн, когда вы решите установить или изменить все, с чем вы, возможно, работаете в своем доме.
Заметки автора
Я получил следующее электронное письмо от Джеймса Кэлхауна, архитектора. Он написал:
«Тим, кое-что вы, возможно, захотите узнать. Большинство муниципальных строительных норм и правил теперь разрешают использовать использованные конструктивные элементы, такие как старые стальные балки, в новые конструкции без сертификатов архитектора или инженера (который в здравом уме сделает это. …) или серьезное (50%) обесценивание расчетной структурной способности элемента. В противном случае вы хорошо рассказали о преимуществах стали в жилых конструкциях. Я все время проектирую сталь для домов ».
Спасибо, Джеймс.
НАЖМИТЕ ЗДЕСЬ, чтобы получить БЕСПЛАТНЫЕ И БЫСТРЫЕ СТАВКИ от местных инженеров-строителей в вашем городе.
Джейсон мог бы извлечь пользу из этой колонки. Прочтите информационный бюллетень от 18 августа 2019 года, чтобы увидеть драматические фотографии проблем Джейсона.
Столбец 818
H-Beams | Стальная продукция | Продукция | Yamato Steel Co., ООО
К началу продуктов
Балка двутавровая
Прокат стальной Н-образного сечения. Равная толщина двух параллельных фланцев без конуса на внутренней поверхности. Классифицируются на узкие, средние и широкие, в зависимости от высоты и ширины фланца.
Форма / Размеры
Серия с широким фланцем
| Классификация (высота × ширина фланца) | Стандартное поперечное сечение Размеры (мм) | Поперечное сечение Площадь (см 3 ) | Масса устройства (кг / м) | |||
|---|---|---|---|---|---|---|
| H × B | т 1 | т 2 | r | |||
| 100 × 100 | * 100 × 100 | 6 | 8 | 8 | 21.59 | 16,9 |
| 125 × 125 | 125 × 125 | 6,5 | 9 | 8 | 30,00 | 23,6 |
| 150 × 150 | 150 × 150 | 7 | 10 | 8 | 39.65 | 31,1 |
| 175 × 175 | 175 × 175 | 7,5 | 11 | 13 | 51,43 | 40,4 |
| 200 × 200 | 200 × 200 * 200 × 204 | 8 | 12 | 13 | 63.53 71,53 | 49,9 56,2 |
| 250 × 250 | * 244 × 252 250 × 250 * 250 × 255 | 11 | 11 | 13 | 81,31 91,43 103,9 | 63,8 71,8 81,6 |
| 300 × 300 | * 294 × 302 300 × 300 * 300 × 305 | 12 | 12 | 13 | 106.3 118,5 133,4 | 83,4 93,0 105,0 |
| 350 × 350 | * 344 × 348 * 344 × 354 350 × 350 | 10 | 16 | 13 | 144,0 164,6 171,9 | 113,0 129.0 135,0 |
| 400 × 400 | 400 × 400 | 13 | 21 | 22 | 218,7 | 172,0 |
| Классификация (высота × ширина фланца) | Номер ссылки | |||||
|---|---|---|---|---|---|---|
| Момент второй площади (см 4 ) | Радиус вращения площади (см) | Сечение Модуль упругости (см 3 ) | ||||
| лк | св. Лет | ix | iy | zx | zy | |
| 100 × 100 | 378 | 134 | 4.18 | 2,49 | 75,6 | 26,7 |
| 125 × 125 | 839 | 293 | 5,29 | 3,13 | 134,0 | 46,9 |
| 150 × 150 | 1,620 | 563 | 6.40 | 3,77 | 216,0 | 75,1 |
| 175 × 175 | 2 900 | 984 | 7,50 | 4,37 | 331,0 | 112,0 |
| 200 × 200 | 4,720 4,980 | 1,600 1,700 | 8.62 8,35 | 5,02 4,88 | 472,0 498,0 | 160,0 167,0 |
| 250 × 250 | 8,700 10,700 11,400 | 2,940 3,650 3,880 | 10,30 10,80 10,50 | 6,01 6,32 6,11 | 713,0 860.0 912,0 | 233,0 292,0 304,0 |
| 300 × 300 | 16,600 20 200 21 300 | 5,510 6,750 7,100 | 12,50 13,10 12,60 | 7,20 7,55 7,30 | 1,130,0 1,350,0 1,420,0 | 365,0 450,0 466,0 |
| 350 × 350 | 32 800 34 900 39 800 | 11 200 11 800 13 600 | 15.10 14,60 15,20 | 8,84 8,48 8,89 | 1,910,0 2,030,0 2,280,0 | 646,0 669,0 776,0 |
| 400 × 400 | 66 600 | 22 400 | 17,50 | 10,10 | 3 330,0 | 1,120,0 |
Средний фланец серии
| Классификация (высота × ширина фланца) | Стандартное поперечное сечение Размеры (мм) | Поперечное сечение Площадь (см 3 ) | Масса устройства (кг / м) | |||
|---|---|---|---|---|---|---|
| H × B | т 1 | т 2 | r | |||
| 200 × 150 | 194 × 150 | 6 | 9 | 8 | 38.11 | 29,9 |
| 250 × 175 | 244 × 175 | 7 | 11 | 13 | 55,49 | 43,6 |
| 300 × 200 | 294 × 200 | 8 | 12 | 13 | 71.05 | 55,8 |
| 350 × 250 | 340 × 250 | 9 | 14 | 13 | 99,53 | 78,1 |
| 400 × 300 | 390 × 300 | 10 | 16 | 13 | 133.30 | 105 |
| 450 × 300 | 440 × 300 | 11 | 18 | 13 | 153,90 | 121 |
| 500 × 300 | 482 × 300 488 × 300 | 11 | 15 | 13 | 141.2 159,2 | 111 125 |
| 600 × 300 | 582 × 300 588 × 300 594 × 302 | 12 | 17 | 13 | 169,20 187,20 217,10 | 133 147 170 |
| 700 × 300 | 692 × 300 700 × 300 | 13 | 20 | 18 | 207.50 231,50 | 163 182 |
| 800 × 300 | 792 × 300 800 × 300 | 14 | 22 | 18 | 239,50 263,50 | 188 207 |
| 900 × 300 | * 890 × 299 900 × 300 * 912 × 302 | 15 | 23 | 18 | 266.90 305,80 360,10 | 210 240 283 |
| Классификация (высота × ширина фланца) | Номер ссылки | |||||
|---|---|---|---|---|---|---|
| Момент второй площади (см 4 ) | Радиус вращения площади (см) | Сечение Модуль упругости (см 3 ) | ||||
| лк | св. Лет | ix | iy | zx | zy | |
| 200 × 150 | 2 630 | 507 | 8.30 | 3,65 | 271 | 67,6 |
| 250 × 175 | 6 040 | 984 | 10,40 | 4,21 | 495 | 112 |
| 300 × 200 | 11 100 | 1,600 | 12.50 | 4,75 | 756 | 160 |
| 350 × 250 | 21 200 | 3,650 | 14,60 | 6,05 | 1,250 | 292 |
| 400 × 300 | 37 900 | 7 200 | 16.90 | 7,35 | 1 940 | 480 |
| 450 × 300 | 54,700 | 8,110 | 18,90 | 7,26 | 2,490 | 540 |
| 500 × 300 | 58 300 68 900 | 6,760 8,110 | 20.30 20,80 | 6,92 7,14 | 2,420 2,820 | 450 540 |
| 600 × 300 | 98 900 114 000 134 000 | 7,660 9,010 10,600 | 24,20 24,70 24.80 | 6,73 6,94 6,98 | 3,400 3,890 4,500 | 511 601 700 |
| 700 × 300 | 168 000 197 000 | 9 020 10 800 | 28.50 29,20 | 6,59 6,83 | 4,870 5,640 | 601 721 |
| 800 × 300 | 248 000 286 000 | 9 920 95 5 95 11 700 | 32,20 33,00 | 6,44 6,67 | 6,270 7,160 | 661 781 |
| 900 × 300 | 339 000 404 000 491 000 | 10,300 12,600 15,700 | 35.60 36,40 36,90 | 6,20 6,43 6,59 | 7,610 8,990 10,800 | 687 842 1.040 |
Серия с узким фланцем
| Классификация (высота × ширина фланца) | Стандартное поперечное сечение Размеры (мм) | Поперечное сечение Площадь (см 3 ) | Масса устройства (кг / м) | |||
|---|---|---|---|---|---|---|
| H × B | т 1 | т 2 | r | |||
| 200 × 100 | * 198 × 99 200 × 100 | 4.5 | 7 | 8 | 22,69 26,67 | 17,8 20,9 |
| 250 × 125 | 248 × 124 250 × 125 | 5 | 8 | 8 | 31.99 36,97 | 25,1 29,0 |
| 300 × 150 | 298 × 149 300 × 150 | 5,5 | 8 | 13 | 40,80 46,78 | 32,0 36,7 |
| 350 × 175 | 346 × 174 350 × 175 | 6 | 9 | 13 | 52.45 62,91 | 41,2 49,4 |
| 400 × 200 | 396 × 199 400 × 200 | 7 | 11 | 13 | 71,41 83,37 | 56,1 65,4 |
| 450 × 200 | 446 × 199 450 × 200 | 8 | 12 | 13 | 82.97 95,43 | 65,1 74,9 |
| 500 × 200 | 496 × 199 500 × 200 * 506 × 201 | 9 | 14 | 13 | 99,29 112,30 129,30 | 77,9 88.2 102,0 |
| 600 × 200 | 596 × 199 600 × 200 * 606 × 201 | 10 | 15 | 13 | 117,80 131,70 149,80 | 92,5 103,0 118,0 |
| Классификация (высота × ширина фланца) | Номер ссылки | |||||
|---|---|---|---|---|---|---|
| Момент второй площади (см 4 ) | Радиус вращения площади (см) | Сечение Модуль упругости (см 3 ) | ||||
| лк | св. Лет | ix | iy | zx | zy | |
| 200 × 100 | 1,540 1,810 | 113 134 | 8.25 8,23 | 2,24 2,24 | 156 181 | 22,9 26,7 |
| 250 × 125 | 3,450 3,960 | 255 294 | 10,40 10,40 | 2,82 2,82 | 278 317 | 41,1 47,0 |
| 300 × 150 | 6,320 7,210 | 442 508 | 12.40 12,40 | 3,29 3,29 | 424 481 | 59,3 67,7 |
| 350 × 175 | 11 000 13 500 | 791 984 | 14,50 14,60 | 3,88 3,96 | 638 771 | 91,0 112,0 |
| 400 × 200 | 19 800 23 500 | 1,450 1,740 | 16.60 16,80 | 4,50 4,56 | 999 1,170 | 145,0 174,0 |
| 450 × 200 | 28 100 32 900 | 1,580 1,870 | 18,40 18,60 | 4,36 4,43 | 1,260 1,460 | 159,0 187.0 |
| 500 × 200 | 40,800 46,800 55,500 | 1,840 2,140 2,580 | 20,30 20,40 20,70 | 4,31 4,36 4,46 | 1,650 1,870 2,190 | 185,0 214,0 256,0 |
| 600 × 200 | 66,600 75,600 88,300 | 1,980 2,270 2,720 | 23. | |||

5
1
3
88
5
12
8