ΠΠ°Π½Π½ΡΠ΅ ΠΏΠ΅ΡΠΈ ΡΠ°ΠΌΠΎΠ΄Π΅Π»ΡΠ½ΡΠ΅ ΠΈΠ· ΠΌΠ΅ΡΠ°Π»Π»Π° β Π‘Π°ΠΌΠΎΠ΄Π΅Π»ΡΠ½ΡΠ΅ ΠΏΠ΅ΡΠΈ Π΄Π»Ρ Π±Π°Π½ΠΈ ΠΈΠ· ΠΌΠ΅ΡΠ°Π»Π»Π° ΡΠ΅ΡΡΠ΅ΠΆΠΈ
Π‘Π°ΠΌΠΎΠ΄Π΅Π»ΡΠ½ΡΠ΅ ΠΏΠ΅ΡΠΈ Π΄Π»Ρ Π±Π°Π½ΠΈ ΠΈΠ· ΠΌΠ΅ΡΠ°Π»Π»Π°
ΠΠ·Π³ΠΎΡΠΎΠ²Π»Π΅Π½ΠΈΠ΅ ΡΠ°ΠΌΠΎΠ΄Π΅Π»ΡΠ½ΡΡ ΠΏΠ΅ΡΠ΅ΠΉ Π΄Π»Ρ Π±Π°Π½ΠΈ
Π‘Π°ΠΌΠΎΠ΄Π΅Π»ΡΠ½ΡΠ΅ ΠΏΠ΅ΡΠΈ Π΄Π»Ρ Π±Π°Π½ΠΈ, ΠΈΡΠΏΠΎΠ»ΡΠ·ΡΠ΅ΠΌΡΠ΅ ΠΏΡΠΈ ΠΎΠ±ΡΡΡΡΠΎΠΉΡΡΠ²Π΅ Π±Π°Π½Π½ΠΎΠ³ΠΎ ΠΊΠΎΠΌΠΏΠ»Π΅ΠΊΡΠ°, ΠΏΠΎΠ·Π²ΠΎΠ»ΡΡΡ ΠΌΠ°ΠΊΡΠΈΠΌΠ°Π»ΡΠ½ΠΎ ΡΡΠ΅ΡΡΡ ΠΏΠΎΠΆΠ΅Π»Π°Π½ΠΈΡ ΠΈ ΡΡΠ΅Π±ΠΎΠ²Π°Π½ΠΈΡ ΠΊ ΡΡΠΎΠΌΡ ΠΎΠ±ΠΎΡΡΠ΄ΠΎΠ²Π°Π½ΠΈΡ Π²Π»Π°Π΄Π΅Π»ΡΡΠ° Π±Π°Π½Π½ΠΎΠ³ΠΎ ΠΊΠΎΠΌΠΏΠ»Π΅ΠΊΡΠ°.
Π ΠΏΠΎΠ΄Π±ΠΎΡΡ ΠΌΠΎΠ΄Π΅Π»ΠΈ ΠΈ ΡΠΎΠ·Π΄Π°Π½ΠΈΡ Π±Π°Π½Π½ΠΎΠΉ ΠΏΠ΅ΡΠΈ ΡΠ²ΠΎΠΈΠΌΠΈ ΡΡΠΊΠ°ΠΌΠΈ ΡΠ»Π΅Π΄ΡΠ΅Ρ ΠΏΠΎΠ΄Ρ ΠΎΠ΄ΠΈΡΡ Ρ ΠΎΡΠΎΠ±ΡΠΌ Π²Π½ΠΈΠΌΠ°Π½ΠΈΠ΅ΠΌ, Π΄Π΅Π»ΠΎ Π² ΡΠΎΠΌ, ΡΡΠΎ ΡΡΠΎΡ ΠΊΠΎΠ½ΡΡΡΡΠΊΡΠΈΠ²Π½ΡΠΉ ΡΠ»Π΅ΠΌΠ΅Π½Ρ ΡΠ²Π»ΡΠ΅ΡΡΡ ΠΎΠ΄Π½ΠΈΠΌ ΠΈΠ· ΠΎΡΠ½ΠΎΠ²Π½ΡΡ , ΠΎΡ Π½Π΅Π³ΠΎ Π²ΠΎ ΠΌΠ½ΠΎΠ³ΠΎΠΌ Π·Π°Π²ΠΈΡΠΈΡ Π½ΠΎΡΠΌΠ°Π»ΡΠ½Π°Ρ ΠΈ ΠΊΠΎΠΌΡΠΎΡΡΠ½Π°Ρ ΡΠΊΡΠΏΠ»ΡΠ°ΡΠ°ΡΠΈΡ Π²ΡΠ΅Π³ΠΎ ΠΊΠΎΠΌΠΏΠ»Π΅ΠΊΡΠ° Π² ΡΠ΅Π»ΠΎΠΌ.

ΠΠ΅ΡΠΊΠ°, ΡΡΡΠ°Π½ΠΎΠ²Π»Π΅Π½Π½Π°Ρ Π² Π±Π°Π½Π΅, Π²ΡΠΏΠΎΠ»Π½ΡΠ΅Ρ Π΄Π²Π΅ ΠΎΡΠ½ΠΎΠ²Π½ΡΡ ΡΡΠ½ΠΊΡΠΈΠΈ:
- ΠΠ° ΡΡΠ΅Ρ ΡΠ΅ΠΏΠ»Π°, Π²ΡΡΠ°Π±Π°ΡΡΠ²Π°Π΅ΠΌΠΎΠ³ΠΎ ΠΏΠ΅ΡΡΡ, ΠΎΡΡΡΠ΅ΡΡΠ²Π»ΡΠ΅ΡΡΡ Π½Π°Π³ΡΠ΅Π² Π²ΠΎΠ΄Ρ Π΄Π»Ρ ΠΈΡΠΏΠΎΠ»ΡΠ·ΠΎΠ²Π°Π½ΠΈΡ Π²ΠΎ Π²ΡΠ΅ΠΌΡ ΠΏΡΠΎΠ²Π΅Π΄Π΅Π½ΠΈΡ Π±Π°Π½Π½ΡΡ ΠΏΡΠΎΡΠ΅Π΄ΡΡ.
- ΠΠ° ΡΡΠ΅Ρ Π²ΡΠ΄Π΅Π»Π΅Π½ΠΈΡ ΡΠ½Π΅ΡΠ³ΠΈΠΈ ΠΏΡΠΈ ΡΠ³ΠΎΡΠ°Π½ΠΈΠΈ ΡΠΎΠΏΠ»ΠΈΠ²Π° ΠΏΡΠΎΠΈΡΡ ΠΎΠ΄ΠΈΡ ΡΠ°Π·ΠΎΠ³ΡΠ΅Π² Π²ΠΎΠ·Π΄ΡΡ Π° Π² ΠΏΠΎΠΌΠ΅ΡΠ΅Π½ΠΈΠΈ ΠΏΠ΅ΡΠ΅Π΄ ΠΈΡΠΏΠΎΠ»ΡΠ·ΠΎΠ²Π°Π½ΠΈΠ΅ΠΌ ΠΏΠ°ΡΠ½ΠΎΠΉ.
ΠΠ°ΠΈΠ±ΠΎΠ»Π΅Π΅ ΡΠ°ΡΠΏΡΠΎΡΡΡΠ°Π½Π΅Π½Π½ΡΠΌΠΈ ΡΠ°ΠΌΠΎΠ΄Π΅Π»ΡΠ½ΡΠΌΠΈ ΠΏΠ΅ΡΠ°ΠΌΠΈ Π΄Π»Ρ Π±Π°Π½ΠΈ ΡΠ²Π»ΡΡΡΡΡ ΠΆΠ΅Π»Π΅Π·Π½ΡΠ΅ ΠΊΠΎΠ½ΡΡΡΡΠΊΡΠΈΠΈ.
ΠΡΠ΅ΠΆΠ΄Π΅ ΡΠ΅ΠΌ ΠΏΡΠΈΡΡΡΠΏΠ°ΡΡ ΠΊ ΠΈΠ·Π³ΠΎΡΠΎΠ²Π»Π΅Π½ΠΈΡ ΡΠ°ΠΌΠΎΠ΄Π΅Π»ΡΠ½ΠΎΠΉ ΠΏΠ΅ΡΠΈ Π΄Π»Ρ Π±Π°Π½ΠΈ ΠΈΠ· ΠΌΠ΅ΡΠ°Π»Π»Π°, ΡΠ»Π΅Π΄ΡΠ΅Ρ ΡΠ°Π·ΡΠ°Π±ΠΎΡΠ°ΡΡ ΠΎΠ±ΡΠΈΠΉ ΡΠ΅ΡΡΠ΅ΠΆ ΡΡΡΡΠΎΠΉΡΡΠ²Π° ΠΈ ΡΠ΅ΡΡΠ΅ΠΆΠΈ ΠΎΡΠ΄Π΅Π»ΡΠ½ΡΡ Π΅Π³ΠΎ ΡΠ·Π»ΠΎΠ².
ΠΠ±ΡΠΈΠ΅ ΡΡΠ΅Π±ΠΎΠ²Π°Π½ΠΈΡ, ΠΏΡΠ΅Π΄ΡΡΠ²Π»ΡΠ΅ΠΌΡΠ΅ ΠΊ Π±Π°Π½Π½ΡΠΌ ΠΏΠ΅ΡΠΊΠ°ΠΌ
Π ΡΠ»ΡΡΠ°Π΅ Π²ΡΠΏΠΎΠ»Π½Π΅Π½ΠΈΡ Π²ΡΠ΅Ρ ΡΡΠ΅Π±ΠΎΠ²Π°Π½ΠΈΠΉ, ΠΏΡΠ΅Π΄ΡΡΠ²Π»ΡΠ΅ΠΌΡΡ Π² ΠΏΡΠΎΡΠ΅ΡΡΠ΅ ΠΊΠΎΠ½ΡΡΡΡΠΈΡΠΎΠ²Π°Π½ΠΈΡ ΠΊ ΡΡΡΠ°Π½ΠΎΠ²ΠΊΠ΅ Π΄Π»Ρ ΠΎΠ±ΠΎΠ³ΡΠ΅Π²Π° Π±Π°Π½Π½ΠΎΠ³ΠΎ ΠΏΠΎΠΌΠ΅ΡΠ΅Π½ΠΈΡ, Π°Π³ΡΠ΅Π³Π°Ρ Π΄ΠΎΠ»ΠΆΠ΅Π½ ΠΏΠΎΠ»ΡΡΠΈΡΡΡΡ Π½Π°Π΄Π΅ΠΆΠ½ΡΠΌ ΠΈ ΡΠΊΠΎΠ½ΠΎΠΌΠΈΡΠ½ΡΠΌ, Π° ΠΏΡΠΈ Π²ΠΎΠΏΠ»ΠΎΡΠ΅Π½ΠΈΠΈ ΠΎΠΏΡΠ΅Π΄Π΅Π»Π΅Π½Π½ΡΡ Π΄ΠΈΠ·Π°ΠΉΠ½Π΅ΡΡΠΊΠΈΡ ΠΈΠ΄Π΅ΠΉ ΡΠ°ΠΊΠ°Ρ ΡΡΡΠ°Π½ΠΎΠ²ΠΊΠ° ΠΌΠΎΠΆΠ΅Ρ ΠΈΠΌΠ΅ΡΡ Π΅ΡΠ΅ ΠΈ ΠΎΡΠ»ΠΈΡΠ½ΡΠΉ Π²Π½Π΅ΡΠ½ΠΈΠΉ Π²ΠΈΠ΄.

ΠΠ΅Π·Π°Π²ΠΈΡΠΈΠΌΠΎ ΠΎΡ Π²ΠΈΠ΄Π° ΠΈΡΠΏΠΎΠ»ΡΠ·ΡΠ΅ΠΌΠΎΠ³ΠΎ ΡΠΎΠΏΠ»ΠΈΠ²Π° ΡΡΡΠ°Π½ΠΎΠ²ΠΊΠ° Π΄ΠΎΠ»ΠΆΠ½Π° ΠΎΠ±Π»Π°Π΄Π°ΡΡ ΡΠ»Π΅Π΄ΡΡΡΠΈΠΌΠΈ ΠΏΠ°ΡΠ°ΠΌΠ΅ΡΡΠ°ΠΌΠΈ:
- Π°Π³ΡΠ΅Π³Π°Ρ Π΄ΠΎΠ»ΠΆΠ΅Π½ ΠΈΠΌΠ΅ΡΡ Π²ΡΡΠΎΠΊΡΡ ΡΠ΅ΠΏΠ»ΠΎΠ²ΡΡ ΠΌΠΎΡΠ½ΠΎΡΡΡ ΠΈ ΡΠΈΡΠΎΠΊΠΈΠΉ Π΄ΠΈΠ°ΠΏΠ°Π·ΠΎΠ½ ΡΠ΅Π³ΡΠ»ΠΈΡΠΎΠ²ΠΊΠΈ ΡΡΠΎΠ³ΠΎ ΠΏΠ°ΡΠ°ΠΌΠ΅ΡΡΠ°;
- Π°Π³ΡΠ΅Π³Π°Ρ Π΄ΠΎΠ»ΠΆΠ΅Π½ Π±ΡΡΡ ΠΎΡΠ½Π°ΡΠ΅Π½ ΠΏΠ°ΡΠΎΠ³Π΅Π½Π΅ΡΠ°ΡΠΎΡΠΎΠΌ ΠΈ ΡΠ΅ΠΏΠ»ΠΎΠ°ΠΊΠΊΡΠΌΡΠ»ΡΡΠΎΡΠΎΠΌ, ΠΊΠΎΡΠΎΡΡΠ΅ ΠΏΡΠ΅Π΄Π½Π°Π·Π½Π°ΡΠ΅Π½Ρ Π΄Π»Ρ ΠΈΠ·ΠΌΠ΅Π½Π΅Π½ΠΈΡ ΠΏΠ°ΡΠ°ΠΌΠ΅ΡΡΠΎΠ² Π²ΡΠ΄Π΅Π»Π΅Π½ΠΈΡ ΡΠ΅ΠΏΠ»ΠΎΠ²ΠΎΠΉ ΡΠ½Π΅ΡΠ³ΠΈΠΈ ΠΈ ΠΏΠ°ΡΠ°;
- Π°Π³ΡΠ΅Π³Π°Ρ Π½Π΅ Π΄ΠΎΠ»ΠΆΠ΅Π½ ΠΈΠΌΠ΅ΡΡ Π±ΠΎΠ»ΡΡΠΎΠ΅ ΠΊΠΎΠ»ΠΈΡΠ΅ΡΡΠ²ΠΎ ΠΏΠΎΠ²Π΅ΡΡ Π½ΠΎΡΡΠ΅ΠΉ, ΠΊΠΎΡΠΎΡΡΠ΅ ΡΠΏΠΎΡΠΎΠ±Π½Ρ ΡΠ°Π·ΠΎΠ³ΡΠ΅Π²Π°ΡΡΡΡ Π΄ΠΎ ΡΠ΅ΠΌΠΏΠ΅ΡΠ°ΡΡΡ ΡΠ²ΡΡΠ΅ 150 0Π‘.
ΠΠΎΠΌΠΈΠΌΠΎ ΡΠΊΠ°Π·Π°Π½Π½ΡΡ ΡΠ΅Ρ Π½ΠΈΡΠ΅ΡΠΊΠΈΡ ΠΏΠ°ΡΠ°ΠΌΠ΅ΡΡΠΎΠ² ΠΏΡΠΈ ΡΠΎΠ·Π΄Π°Π½ΠΈΠΈ ΠΏΠ΅ΡΠΈ ΡΠ²ΠΎΠΈΠΌΠΈ ΡΡΠΊΠ°ΠΌΠΈ Π΄ΠΎΠ»ΠΆΠ½Ρ Π²ΡΠΏΠΎΠ»Π½ΡΡΡΡΡ ΡΡΠ΅Π±ΠΎΠ²Π°Π½ΠΈΡ, ΠΏΡΠ΅Π΄ΡΡΠ²Π»ΡΠ΅ΠΌΡΠ΅ ΠΊ ΡΠ°Π·ΠΌΠ΅ΡΠ°ΠΌ ΡΠΎΠΏΠΎΡΠ½ΠΎΠΉ ΠΊΠ°ΠΌΠ΅ΡΡ Π°Π³ΡΠ΅Π³Π°ΡΠ° ΠΈ ΡΡΠ΅ΠΏΠ΅Π½ΠΈ ΠΏΠΎΠΆΠ°ΡΠΎΠ±Π΅Π·ΠΎΠΏΠ°ΡΡΠ½ΠΎΡΡΠΈ.
ΠΡΠ΅ ΡΠΈΠΏΡ ΠΎΡΠΎΠΏΠΈΡΠ΅Π»ΡΠ½ΡΡ Π°Π³ΡΠ΅Π³Π°ΡΠΎΠ² ΠΌΠΎΠΆΠ½ΠΎ ΡΠ°Π·Π΄Π΅Π»ΠΈΡΡ Π½Π° 2 Π³ΡΡΠΏΠΏΡ β Ρ ΠΎΠ»ΠΎΠ΄Π½ΡΠ΅ ΠΈ Π³ΠΎΡΡΡΠΈΠ΅. ΠΠΎΡΡΡΠΈΠ΅ ΠΏΠ΅ΡΠΈ ΠΎΡΠ»ΠΈΡΠ°ΡΡΡΡ ΡΠ΅ΠΌ, ΡΡΠΎ ΠΎΠ½ΠΈ ΡΠΏΠΎΡΠΎΠ±Π½Ρ ΠΎΡΠ΅Π½Ρ Π±ΡΡΡΡΠΎ ΡΠ°Π·ΠΎΠ³ΡΠ΅Π²Π°ΡΡΡΡ ΠΈ Π½Π°Π³ΡΠ΅Π²Π°ΡΡ ΠΎΠΊΡΡΠΆΠ°ΡΡΠ΅Π΅ ΠΏΡΠΎΡΡΡΠ°Π½ΡΡΠ²ΠΎ. Π‘ΡΠ΅Π½ΠΊΠΈ Π³ΠΎΡΡΡΠ΅ΠΉ ΠΏΠ΅ΡΠΊΠΈ ΡΠΏΠΎΡΠΎΠ±Π½Ρ ΡΠ°Π·ΠΎΠ³ΡΠ΅Π²Π°ΡΡΡΡ Π΄ΠΎ ΡΠ΅ΠΌΠΏΠ΅ΡΠ°ΡΡΡΡ Π² 100 0Π‘.
superbany.ru
Π‘Π°ΠΌΠΎΠ΄Π΅Π»ΡΠ½Π°Ρ ΠΆΠ΅Π»Π΅Π·Π½Π°Ρ ΠΏΠ΅ΡΡ Π΄Π»Ρ Π±Π°Π½ΠΈ ΡΠΎΡΠΎ ΡΠ΅ΡΡΠ΅ΠΆ
ΠΠ°ΠΊ ΡΠ΄Π΅Π»Π°ΡΡ ΠΌΠ΅ΡΠ°Π»Π»ΠΈΡΠ΅ΡΠΊΡΡ ΠΏΠ΅ΡΡ Π΄Π»Ρ Π±Π°Π½ΠΈ
ΠΠ΅ΡΠ°Π»Π»ΠΈΡΠ΅ΡΠΊΠΈΡ ΠΏΠ΅ΡΠ΅ΠΉ Π΄Π»Ρ Π±Π°Π½ΠΈ Π² ΠΏΡΠΎΠ΄Π°ΠΆΠ΅ ΠΌΠ½ΠΎΠ³ΠΎ, Π½ΠΎ Β Ρ ΠΎΡΠΎΡΠΈΠ΅ ΡΡΠΎΡΡ Π½Π΅ΠΌΠ°Π»ΡΡ Π΄Π΅Π½Π΅Π³. ΠΡΠ»ΠΈ Π΅ΡΡΡ Π΄ΠΎΡΡΠ°ΡΠΎΡΠ½ΡΠΉ ΠΎΠΏΡΡ ΡΠ²Π°ΡΠΊΠΈ ΠΌΠ΅ΡΠ°Π»Π»Π°, ΠΌΠΎΠΆΠ½ΠΎ ΠΈΠ·Π³ΠΎΡΠΎΠ²ΠΈΡΡ ΠΏΠ΅ΡΡ ΡΠ°ΠΌΠΎΠΌΡ, ΠΏΠΎ ΡΠ²ΠΎΠΈΠΌ ΡΠ°Π·ΠΌΠ΅ΡΠ°ΠΌ. Π ΡΠΎΠΌ, ΠΊΠ°ΠΊ ΡΠ΄Π΅Π»Π°ΡΡ ΠΏΠ΅ΡΡ Π΄Π»Ρ Π±Π°Π½ΠΈ ΠΈΠ· ΠΌΠ΅ΡΠ°Π»Π»Π° (Π»ΠΈΡΡΠΎΠ²ΠΎΠ³ΠΎ), ΡΠ΅ΡΡΠ΅ΠΆΠΈ ΠΈ ΡΠΎΡΠΎ β Π΄Π°Π»ΡΡΠ΅.Β
ΠΠ΅ΡΡ ΠΈΠ· ΠΌΠ΅ΡΠ°Π»Π»Π° Π΄Π»ΡΒ Π±Π°Π½ΠΈ ΠΈ ΡΠ°ΡΠ½Ρ β Π² ΡΠ΅ΠΌ ΡΠ°Π·Π½ΠΈΡΠ°
ΠΠ΅ΠΆΠ΄Ρ ΡΠ΅ΠΆΠΈΠΌΠ°ΠΌΠΈ ΠΏΠ°ΡΠ΅Π½ΠΈΡ Π² Π±Π°Π½Π΅ ΠΈ ΡΠ°ΡΠ½Π΅ Π΅ΡΡΡ ΡΡΡΠ΅ΡΡΠ²Π΅Π½Π½Π°Ρ ΡΠ°Π·Π½ΠΈΡΠ°. Π ΡΠ°ΡΠ½Π΅ ΡΠ΅ΠΌΠΏΠ΅ΡΠ°ΡΡΡΠ° Π²ΠΎΠ·Π΄ΡΡ Π° ΠΎΡΠ΅Π½Ρ Π²ΡΡΠΎΠΊΠ°Ρ β ΠΎΡ 85C ΠΈ Π½Π°ΠΌΠ½ΠΎΠ³ΠΎ Π²ΡΡΠ΅. ΠΡΠΈ ΡΠ°ΠΊΠΎΠΉ ΡΠ΅ΠΌΠΏΠ΅ΡΠ°ΡΡΡΠ΅ Π²Π»Π°ΠΆΠ½ΠΎΡΡΡ Π²ΡΡΠΎΠΊΠΎΠΉ Π±ΡΡΡ ΠΏΡΠΎΡΡΠΎ Π½Π΅ ΠΌΠΎΠΆΠ΅Ρ β ΡΡΠ°Π·Ρ ΠΏΠΎΠ»ΡΡΠΈΡΠ΅ ΠΎΠΆΠΎΠ³, Π° Π²Π΅Π½ΠΈΠΊ ΠΎΡΡΠΏΠ΅ΡΡΡ Π·Π° ΠΏΡΡΡ ΠΌΠΈΠ½ΡΡ. Β ΠΒ ΠΎΠ½Π° Π΄Π΅ΠΉΡΡΠ²ΠΈΡΠ΅Π»ΡΠ½ΠΎ Π½Π΅Π±ΠΎΠ»ΡΡΠ°Ρ, ΠΏΠΎΡΡΠ΄ΠΊΠ° 5-15%. Π ΡΡΡΡΠΊΠΎΠΉ ΠΆΠ΅ ΠΏΠ°ΡΠ½ΠΎΠΉ ΡΠ΅ΠΌΠΏΠ΅ΡΠ°ΡΡΡΠ° Π΄Π΅ΡΠΆΠΈΡΡΡ Π² ΠΏΡΠ΅Π΄Π΅Π»Π°Ρ 55-65Β°C, ΠΈΠ·ΡΠ΅Π΄ΠΊΠ° ΠΏΠΎΠ΄Π½ΠΈΠΌΠ°ΡΡΡ Π΄ΠΎ 70Β°C. ΠΡΠΈ ΡΠ°ΠΊΠΈΡ ΡΠ΅ΠΌΠΏΠ΅ΡΠ°ΡΡΡΠ°Ρ Π²Π»Π°ΠΆΠ½ΠΎΡΡΡ Β«Π½Π°Π³ΠΎΠ½ΡΡΡΒ» Π±ΠΎΠ»ΡΡΡΡ β 50-60%.

ΠΠ΄ΠΈΠ½ ΠΈΠ· Π²Π°ΡΠΈΠ°Π½ΡΠΎΠ² ΡΠ²Π°ΡΠ½ΠΎΠΉ ΠΏΠ΅ΡΠΈ Π΄Π»Ρ ΡΠ°ΡΠ½Ρ
ΠΠ»Ρ ΠΎΠ±Π΅ΡΠΏΠ΅ΡΠ΅Π½ΠΈΡ ΡΠ°ΠΊΠΈΡ ΡΠ°Π·Π½ΡΡ Π·Π°Π΄Π°Ρ ΡΡΠ΅Π±ΡΡΡΡΡ ΡΠ°Π·Π½ΡΠ΅ ΠΏΠΎΠ΄Ρ ΠΎΠ΄Ρ Π΄Π»Ρ ΠΏΠΎΡΡΡΠΎΠ΅Π½ΠΈΡ ΠΏΠ΅ΡΠΈ. Π ΡΠ°ΡΠ½Ρ ΡΡΠ΅Π±ΡΠ΅ΡΡΡ Π½Π°ΠΈΠ±ΠΎΠ»ΡΡΠ°Ρ ΠΏΠ»ΠΎΡΠ°Π΄Ρ ΡΠΎΠΏΡΠΈΠΊΠΎΡΠ½ΠΎΠ²Π΅Π½ΠΈΡ ΠΊΠΎΡΠΏΡΡΠ° ΠΏΠ΅ΡΠΈ Ρ ΠΎΠΊΡΡΠΆΠ°ΡΡΠΈΠΌ Π²ΠΎΠ·Π΄ΡΡ ΠΎΠΌ ΠΈ ΡΡΠΊΠΎΡΠ΅Π½ΠΈΠ΅ ΠΏΡΠΎΡ ΠΎΠΆΠ΄Π΅Π½ΠΈΡ Π²ΠΎΠ·Π΄ΡΡΠ½ΡΡ ΠΏΠΎΡΠΎΠΊΠΎΠ² Π²Π΄ΠΎΠ»Ρ ΡΡΠ΅Π½ΠΎΠΊ. ΠΡΠ΅ ΠΏΠΎΠ΄ΡΠΈΠ½Π΅Π½ΠΎ Π·Π°Π΄Π°ΡΠ΅ ΠΊΠ°ΠΊ ΠΌΠΎΠΆΠ½ΠΎ ΡΠΊΠΎΡΠ΅Π΅ Π½Π°Π³ΡΠ΅ΡΡ Π²ΠΎΠ·Π΄ΡΡ Π² ΠΏΠ°ΡΠΈΠ»ΠΊΠ΅. ΠΠ°ΠΌΠ΅Π½ΠΊΠ° Π΅ΡΡΡ, Π½ΠΎ ΠΎΠ½Π° Π½Π΅Π±ΠΎΠ»ΡΡΠ°Ρ, ΠΎΡΠΊΡΡΡΠ°Ρ, Π½Π°Ρ ΠΎΠ΄ΠΈΡΡΡ, ΠΊΠ°ΠΊ ΠΏΡΠ°Π²ΠΈΠ»ΠΎ, Π½Π°Π΄ ΡΠΎΠΏΠΊΠΎΠΉ. ΠΠ°ΠΌΠ½ΠΈ Π² Π½Π΅ΠΉ ΠΏΡΠΎΠ³ΡΠ΅Π²Π°ΡΡΡΡ ΠΌΠ°ΠΊΡΠΈΠΌΡΠΌ Π΄ΠΎ 200-250Β°C, ΡΠ°ΠΊ ΠΊΠ°ΠΊ ΠΌΠ½ΠΎΠ³ΠΎ ΡΠ΅ΠΏΠ»Π° ΠΎΡΠ΄Π°ΡΡ ΠΎΠΊΡΡΠΆΠ°ΡΡΠ΅ΠΌΡ Π²ΠΎΠ·Π΄ΡΡ Ρ. Π‘ ΡΠ°ΠΊΠΎΠΉ ΠΊΠ°ΠΌΠ΅Π½ΠΊΠΈ ΠΏΠΎΠ»ΡΡΠΈΡΡ ΠΌΠΎΠΆΠ½ΠΎ Π½Π΅ΠΌΠ½ΠΎΠ³ΠΎ ΠΏΠ°ΡΠ°. ΠΠΎ Π² ΡΠ°ΡΠ½Π΅ ΠΌΠ½ΠΎΠ³ΠΎ ΠΈ Π½Π΅ Π½Π°Π΄ΠΎ β ΠΎΠ΄ΠΈΠ½/Π΄Π²Π° ΠΊΠΎΠ²ΡΠΈΠΊΠ° Π΄Π°Π΄ΡΡ 15% Π²Π»Π°ΠΆΠ½ΠΎΡΡΠΈ. ΠΠΎΠ»ΡΡΠ΅ ΠΏΡΠΎΡΡΠΎ Π½Π΅ Π²ΡΡΠ΅ΡΠΏΠ΅ΡΡ.
Π ΡΡΡΡΠΊΠΎΠΉ ΠΏΠ°ΡΠ½ΠΎΠΉ Π·Π°Π΄Π°ΡΠ° Π΄ΡΡΠ³Π°Ρ β Π½Π΅ ΠΏΠ΅ΡΠ΅Π³ΡΠ΅ΡΡ ΠΏΠΎΠΌΠ΅ΡΠ΅Π½ΠΈΠ΅ ΠΈ Π΄ΠΎΠ±ΠΈΡΡΡΡ Π±ΠΎΠ»ΡΡΠΎΠ³ΠΎ ΠΊΠΎΠ»ΠΈΡΠ΅ΡΡΠ²Π° ΠΏΠ°ΡΠ°. ΠΡΠΈΡΠ΅ΠΌ ΠΏΠ°Ρ Π΄ΠΎΠ»ΠΆΠ΅Π½ Π±ΡΡΡ ΠΎΠΏΡΠ΅Π΄Π΅Π»Π΅Π½Π½ΠΎΠΉ ΠΊΠΎΠ½Π΄ΠΈΡΠΈΠΈ β ΠΎΠ½ Π΄ΠΎΠ»ΠΆΠ΅Π½ ΡΠΎΡΡΠΎΡΡΡ ΠΈΠ· ΠΎΡΠ΅Π½Ρ ΠΌΠ΅Π»ΠΊΠΈΡ ΠΊΠ°ΠΏΠ΅Π»Π΅ΠΊ.Β ΠΠ³ΠΎ Π΅ΡΠ΅ Π½Π°Π·ΡΠ²Π°ΡΡ Β«ΡΡΡ ΠΈΠΌΒ» ΠΈ ΠΈΠΌΠ΅Π΅Ρ ΠΎΠ½ Π²ΡΡΠΎΠΊΡΡ ΡΠ΅ΠΌΠΏΠ΅ΡΠ°ΡΡΡΡ β ΠΏΠΎΡΡΠ΄ΠΊΠ° 130-150Β°C.Β ΠΡΠΈ ΡΠ°ΠΊΠΎΠΌ ΡΡΠ»ΠΎΠ²ΠΈΠΈ ΠΏΠΎΡΠ»Π΅ ΠΏΠ°ΡΠ΅Π½ΠΈΡ Π² ΡΠ΅Π»Π΅ ΠΎΡΡΡΠ°Π΅ΡΡΡ Π»Π΅Π³ΠΊΠΎΡΡΡ ΠΈ ΠΏΡΠΈΠ»ΠΈΠ² ΡΠΈΠ». Π’Π°ΠΊΠΎΠΉ ΠΏΠ°Ρ ΠΏΠΎΠ»ΡΡΠ°ΡΡ ΡΠΎΠ»ΡΠΊΠΎ Ρ ΡΠ°ΡΠΊΠ°Π»Π΅Π½Π½ΡΡ ΠΊΠ°ΠΌΠ½Π΅ΠΉ, ΡΠ΅ΠΌΠΏΠ΅ΡΠ°ΡΡΡΠ° ΠΊΠΎΡΠΎΡΡΡ Π½Π΅ ΠΌΠ΅Π½Π΅Π΅ 500Β°C. Π§ΡΠΎΠ±Ρ Π΄ΠΎΡΡΠΈΡΡ Π΅Π΅ ΠΊΠ°ΠΌΠ½ΠΈ Β«ΡΠΏΠ°ΠΊΠΎΠ²ΡΠ²Π°ΡΡΒ» Π²Π½ΡΡΡΡ ΡΠΎΠΏΠΊΠΈ β Π² Π½Π΅ΠΉ ΡΠ°Π·ΠΌΠ΅ΡΠ°ΡΡ ΡΡΠΈΠΊ β Π·Π°ΠΊΡΡΡΡΡ ΠΊΠ°ΠΌΠ΅Π½ΠΊΡ.

Π’ΡΡ
superbany.ru
ΠΠ΅ΡΠΈ Π΄Π»Ρ Π±Π°Π½ΠΈ ΡΠ°ΠΌΠΎΠ΄Π΅Π»ΡΠ½ΡΠ΅ ΠΈΠ· ΠΌΠ΅ΡΠ°Π»Π»Π°

Π‘Π°ΠΌΠΎΠ΄Π΅Π»ΡΠ½ΡΠ΅ Π±Π°Π½Π½ΡΠ΅ ΠΏΠ΅ΡΠΈ ΠΈΠ· ΠΌΠ΅ΡΠ°Π»Π»Π° ΠΈ ΡΡΡΠ±Ρ

- Π½Π°Π»ΠΈΡΠΈΠ΅ Π΄ΠΎΡΡΠ°ΡΠΎΡΠ½ΠΎΠΉ ΡΠ΅ΠΏΠ»ΠΎΠ²ΠΎΠΉ ΠΌΠΎΡΠ½ΠΎΡΡΠΈ Ρ ΡΠΈΡΠΎΠΊΠΈΠΌ Π΄ΠΈΠ°ΠΏΠ°Π·ΠΎΠ½ΠΎΠΌ Π΄Π»Ρ Π΅Π΅ ΡΠ΅Π³ΡΠ»ΠΈΡΠΎΠ²Π°Π½ΠΈΡ;
- Π½Π°Π»ΠΈΡΠΈΠ΅ ΠΏΠ°ΡΠΎΠ³Π΅Π½Π΅ΡΠ°ΡΠΎΡΠ°;
- Π½Π°Π»ΠΈΡΠΈΠ΅ ΡΠ΅ΠΏΠ»ΠΎΠ°ΠΊΠΊΡΠΌΡΠ»ΡΡΠΎΡΠ°;
- ΠΎΡΡΡΡΡΡΠ²ΠΈΠ΅ ΠΏΠΎΠ²Π΅ΡΡ Π½ΠΎΡΡΠ΅ΠΉ, ΡΠ΅ΠΌΠΏΠ΅ΡΠ°ΡΡΡΠ° ΠΊΠΎΡΠΎΡΡΡ ΡΠΎΡΡΠ°Π²Π»ΡΠ΅Ρ Π±ΠΎΠ»Π΅Π΅ 150 Π³ΡΠ°Π΄ΡΡΠΎΠ².
Π’Π°ΠΊΠΆΠ΅ Π½Π΅ΠΎΠ±Ρ ΠΎΠ΄ΠΈΠΌΠΎ Π²ΡΠΏΠΎΠ»Π½Π΅Π½ΠΈΠ΅ ΡΡΠ΄Π° Π΄ΠΎΠΏΠΎΠ»Π½ΠΈΡΠ΅Π»ΡΠ½ΡΡ ΡΡΠ΅Π±ΠΎΠ²Π°Π½ΠΈΠΉ ΠΏΠΎ ΠΏΠΎΠ²ΠΎΠ΄Ρ ΠΏΠΎΠΆΠ°ΡΠ½ΠΎΠΉ Π±Π΅Π·ΠΎΠΏΠ°ΡΠ½ΠΎΡΡΠΈ ΠΈ ΡΠ°Π·ΠΌΠ΅ΡΡ ΡΠΎΠΏΠΊΠΈ.
Π’Π°ΠΊΠΈΠ΅ ΡΡΡΠ°Π½ΠΎΠ²ΠΊΠΈ ΠΌΠΎΠ³ΡΡ ΠΈΠΌΠ΅ΡΡ Β«Π³ΠΎΡΡΡΡΡΒ» ΠΈΠ»ΠΈ Β«Ρ ΠΎΠ»ΠΎΠ΄Π½ΡΡΒ» ΠΊΠΎΠ½ΡΡΡΡΠΊΡΠΈΡ. Π ΠΏΠ΅ΡΠ²ΠΎΠΌ ΡΠ»ΡΡΠ°Π΅ ΡΡΠ΅Π½Ρ ΠΏΠ΅ΡΠΈ ΡΠΏΠΎΡΠΎΠ±Π½Ρ Π½Π°Π³ΡΠ΅Π²Π°ΡΡΡΡ Π΄ΠΎ ΡΡΠ° Π³ΡΠ°Π΄ΡΡΠΎΠ². ΠΡΠΈ ΡΡΠΎΠΌ Π±Π°Π½Ρ ΡΠ΅Π°Π»ΡΠ½ΠΎ ΡΠ°ΡΡΠΎΠΏΠΈΡΡ Π·Π° ΠΌΠ°ΠΊΡΠΈΠΌΠ°Π»ΡΠ½ΠΎ ΠΊΠΎΡΠΎΡΠΊΠΎΠ΅ Π²ΡΠ΅ΠΌΡ. Π’Π°ΠΊΠΎΠΉ ΡΠΈΠΏ ΠΏΠ΅ΡΠΈ ΠΏΠΎΠ΄Ρ ΠΎΠ΄ΠΈΡ Π΄Π»Ρ ΡΠ΅Ρ ΡΠ»ΡΡΠ°Π΅Π², ΠΊΠΎΠ³Π΄Π° Π±Π°Π½Ρ Π±ΡΠ΄Π΅Ρ ΠΈΡΠΏΠΎΠ»ΡΠ·ΠΎΠ²Π°ΡΡΡΡ Π½Π΅ ΡΠ»ΠΈΡΠΊΠΎΠΌ ΡΠ°ΡΡΠΎ. Β«Π₯ΠΎΠ»ΠΎΠ΄Π½ΡΠ΅Β» ΠΊΠΎΠ½ΡΡΡΡΠΊΡΠΈΠΈ ΡΡΠ΅Π±ΡΡΡ Π³ΠΎΡΠ°Π·Π΄ΠΎ Π±ΠΎΠ»ΡΡΠ΅Π³ΠΎ Π²ΡΠ΅ΠΌΠ΅Π½ΠΈ Π΄Π»Ρ ΡΠ°ΡΡΠΎΠΏΠΊΠΈ. ΠΡΠΈ ΡΡΠΎΠΌ ΠΎΡΡΡΡΡΡΠ²ΡΠ΅Ρ ΠΎΠΏΠ°ΡΠ½ΠΎΡΡΡ ΠΏΠΎΠ»ΡΡΠΈΡΡ ΠΎΠΆΠΎΠ³, ΡΠ°ΠΊ ΠΊΠ°ΠΊ ΠΌΠ°ΠΊΡΠΈΠΌΠ°Π»ΡΠ½Π°Ρ ΡΠ΅ΠΌΠΏΠ΅ΡΠ°ΡΡΡΠ° Π² ΡΡΠΎΠΌ ΡΠ»ΡΡΠ°Π΅ ΡΠΎΡΡΠ°Π²Π»ΡΠ΅Ρ Π²ΡΠ΅Π³ΠΎ 50 Π³ΡΠ°Π΄ΡΡΠΎΠ². Π’Π°ΠΊΠΈΠ΅ Π±Π°Π½Π½ΡΠ΅ ΠΏΠ΅ΡΠΈ ΠΏΠΎΠ·Π²ΠΎΠ»ΡΡΡ ΠΌΠ΅Π½ΡΡΡ ΡΡΠΎΠ²Π΅Π½Ρ Π²Π»Π°ΠΆΠ½ΠΎΡΡΠΈ ΠΈ ΡΠ΅ΠΌΠΏΠ΅ΡΠ°ΡΡΡΡ Π½Π°Π³ΡΠ΅Π²Π°.
ΠΠΈΡΠΏΠΈΡ ΠΈΠ»ΠΈ ΠΌΠ΅ΡΠ°Π»Π»
ΠΠ»Π°ΡΡΠΈΡΠ΅ΡΠΊΠΈΠΉ Π²Π°ΡΠΈΠ°Π½Ρ β ΠΏΠ΅ΡΡ ΠΈΠ· ΠΊΠΈΡΠΏΠΈΡΠ°. Π’Π°ΠΊΠΈΠ΅ ΠΊΠΎΠ½ΡΡΡΡΠΊΡΠΈΠΈ ΠΈΠΌΠ΅ΡΡ ΡΡΡΠ΅ΡΠΈΡΠ½ΡΠΉ Π²ΠΈΠ΄, ΠΊΡΠΎΠΌΠ΅ ΡΠΎΠ³ΠΎ, ΠΎΠ½ΠΈ Π΄ΠΎΡΡΠ°ΡΠΎΡΠ½ΠΎ ΠΏΡΠΎΡΡΡ. Π‘Π°ΠΌΠΎΠ΄Π΅Π»ΡΠ½ΡΠ΅ ΠΏΠ΅ΡΠΈ ΠΈΠ· ΠΊΠΈΡΠΏΠΈΡΠ° ΠΏΡΠ΅Π΄ΡΡΠ°Π²Π»ΡΡΡ ΡΠΎΠ±ΠΎΠΉ Π²Π»ΠΎΠΆΠ΅Π½Π½ΡΡ ΠΊΠΈΡΠΏΠΈΡΠ½ΡΡ ΡΠΎΠΏΠΊΡ, ΠΏΠΎΠ΄ ΠΊΠΎΡΠΎΡΠΎΠΉ ΡΠ°ΡΠΏΠΎΠ»ΠΎΠΆΠ΅Π½ Π·ΠΎΠ»ΡΠ½ΠΈΠΊ. Π’Π°ΠΊΠΆΠ΅ Π·Π΄Π΅ΡΡ Π΄ΠΎΠ»ΠΆΠ½Π° Π±ΡΡΡ ΡΡΡΠ°Π½ΠΎΠ²Π»Π΅Π½Π° ΡΠ΅ΡΠ΅ΡΠΊΠ° Π΄Π»Ρ ΠΊΠ°ΠΌΠ½Π΅ΠΉ. ΠΠ½Π° ΠΌΠΎΠΆΠ΅Ρ Π±ΡΡΡ ΠΈΠ·Π³ΠΎΡΠΎΠ²Π»Π΅Π½Π° ΠΈΠ· ΡΡΠ°Π»ΠΈ ΠΈΠ»ΠΈ ΠΈΠ· ΡΡΠ³ΡΠ½Π°. ΠΠ»Ρ Π³ΠΎΡΡΡΠ΅ΠΉ Π²ΠΎΠ΄Ρ ΡΡΡΠ°Π½Π°Π²Π»ΠΈΠ²Π°Π΅ΡΡΡ Π·ΠΌΠ΅Π΅Π²ΠΈΠΊ. ΠΠ°ΠΊ ΠΈ Π² Π»ΡΠ±ΠΎΠΉ Π΄ΡΡΠ³ΠΎΠΉ Π±Π°Π½Π½ΠΎΠΉ ΠΏΠ΅ΡΠΈ, Π½Π΅ΠΎΠ±Ρ ΠΎΠ΄ΠΈΠΌΠΎ ΡΠΎΠΎΡΡΠ΄ΠΈΡΡ Π΄ΡΠΌΠΎΡ ΠΎΠ΄. ΠΠ·-Π·Π° Π²Π½ΡΡΠΈΡΠ΅Π»ΡΠ½ΠΎΠ³ΠΎ Π²Π΅ΡΠ° ΠΏΠ΅ΡΠ΅Π΄ ΡΠΎΠΎΡΡΠΆΠ΅Π½ΠΈΠ΅ΠΌ ΠΊΠΈΡΠΏΠΈΡΠ½ΠΎΠΉ ΠΏΠ΅ΡΠΈ Π½Π΅ΠΎΠ±Ρ ΠΎΠ΄ΠΈΠΌΠΎ ΡΡΡΡΠΎΠΈΡΡ ΡΡΠ½Π΄Π°ΠΌΠ΅Π½Ρ.
ΠΠΌΠ΅ΡΡΠΎ ΡΠ°ΡΡΠ²ΠΎΡΠ° ΠΈΡΠΏΠΎΠ»ΡΠ·ΡΡΡ Π½Π΅ ΡΠ΅ΠΌΠ΅Π½Ρ, Π° ΡΠΌΠ΅ΡΡ ΠΏΠ΅ΡΠΊΠ° ΠΈ Π³Π»ΠΈΠ½Ρ. ΠΡΠΎ ΡΠ²ΡΠ·Π°Π½ΠΎ Ρ ΡΠ΅ΠΌ, ΡΡΠΎ ΡΠ΅ΠΌΠ΅Π½Ρ Π½Π΅ ΠΎΠ±Π»Π°Π΄Π°Π΅Ρ ΡΡΠ΅Π±ΡΠ΅ΠΌΠΎΠΉ ΡΡΠ΅ΠΏΠ΅Π½ΡΡ ΡΡΡΠΎΠΉΡΠΈΠ²ΠΎΡΡΠΈ ΠΊ Π²ΠΎΠ·Π΄Π΅ΠΉΡΡΠ²ΠΈΡ Π²ΡΡΠΎΠΊΠΈΡ ΡΠ΅ΠΌΠΏΠ΅ΡΠ°ΡΡΡ. Π Π΄Π»Ρ ΡΠΎΠ³ΠΎ ΡΡΠΎΠ±Ρ ΠΏΡΠΈΠ΄Π°ΡΡ ΠΊΠΎΠ½ΡΡΡΡΠΊΡΠΈΠΈ ΠΌΠ°ΠΊΡΠΈΠΌΠ°Π»ΡΠ½ΡΡ ΠΏΡΠΎΡΠ½ΠΎΡΡΡ, ΠΊΠ»Π°Π΄ΠΊΡ Π½ΡΠΆΠ½ΠΎ ΠΎΡΡΡΠ΅ΡΡΠ²Π»ΡΡΡ ΠΏΠΎ ΠΎΡΠΎΠ±ΠΎΠΉ ΡΡ Π΅ΠΌΠ΅. Π ΠΠ½ΡΠ΅ΡΠ½Π΅ΡΠ΅ ΠΌΠΎΠΆΠ½ΠΎ Π½Π°ΠΉΡΠΈ ΠΏΠΎΠ΄ΡΠΎΠ±Π½ΠΎΠ΅ ΠΎΠΏΠΈΡΠ°Π½ΠΈΠ΅ ΡΠ°ΠΊΠΎΠ³ΠΎ ΠΌΠ΅ΡΠΎΠ΄Π°, ΠΊΠΎΡΠΎΡΡΠΉ ΠΏΡΠΈΠΌΠ΅Π½ΡΠ΅ΡΡΡ ΡΠΏΠ΅ΡΠΈΠ°Π»ΡΠ½ΠΎ Π΄Π»Ρ ΡΠΎΠ·Π΄Π°Π½ΠΈΡ Π±Π°Π½Π½ΠΎΠΉ ΠΏΠ΅ΡΠΈ.
ΠΡΠ΅ ΠΎΠ΄ΠΈΠ½ Π²Π°ΡΠΈΠ°Π½Ρ β ΠΌΠ΅ΡΠ°Π»Π»ΠΈΡΠ΅ΡΠΊΠ°Ρ ΠΏΠ΅ΡΡ. ΠΠΎΠ½ΡΡΡΡΠΊΡΠΈΠΈ ΠΈΠ· ΡΡΠ³ΡΠ½Π° ΠΈΠ»ΠΈ ΠΈΠ· ΡΡΠ°Π»ΠΈ ΠΈΠΌΠ΅ΡΡ Π±ΠΎΠ»Π΅Π΅ ΠΊΠΎΠΌΠΏΠ°ΠΊΡΠ½ΡΠ΅ ΡΠ°Π·ΠΌΠ΅ΡΡ, ΡΠ΅ΠΌ ΠΊΠΈΡΠΏΠΈΡΠ½ΡΠ΅ Π°Π½Π°Π»ΠΎΠ³ΠΈ. Π’Π°ΠΊΠΆΠ΅ ΠΎΠ½ΠΈ ΠΎΠ±Π»Π°Π΄Π°ΡΡ Π»ΡΡΡΠ΅ΠΉ ΡΠ΅ΠΏΠ»ΠΎΠΎΡΠ΄Π°ΡΠ΅ΠΉ. ΠΡΠΏΠΎΠ»ΡΠ·ΡΡ ΠΌΠ΅ΡΠ°Π»Π»ΠΈΡΠ΅ΡΠΊΡΡ ΠΏΠ΅ΡΡ, Π±Π°Π½Ρ ΠΌΠΎΠΆΠ½ΠΎ ΡΠ°Π·ΠΎΠ³ΡΠ΅ΡΡ Π·Π° ΠΊΠΎΡΠΎΡΠΊΠΎΠ΅ Π²ΡΠ΅ΠΌΡ. ΠΡ ΠΊΠΎΠ½ΡΡΡΡΠΊΡΠΈΡ ΠΏΡΠ°ΠΊΡΠΈΡΠ΅ΡΠΊΠΈ Π½ΠΈΡΠ΅ΠΌ Π½Π΅ ΠΎΡΠ»ΠΈΡΠ°Π΅ΡΡΡ ΠΎΡ ΠΊΠΈΡΠΏΠΈΡΠ½ΠΎΠΉ. ΠΠΎ ΡΡΠΎΠΈΡ ΠΎΡΠΌΠ΅ΡΠΈΡΡ, ΡΡΠΎ ΠΈΡ Π½Π΅Π²ΠΎΠ·ΠΌΠΎΠΆΠ½ΠΎ ΡΠΎΠΎΡΡΠ΄ΠΈΡΡ ΠΏΡΡΠΌΠΎ Π½Π° ΠΌΠ΅ΡΡΠ΅ ΡΡΡΠ°Π½ΠΎΠ²ΠΊΠΈ.
ΠΡΠ»ΠΈ ΠΈΡΠΏΠΎΠ»ΡΠ·ΠΎΠ²Π°ΡΡ ΡΠΎΠ»ΡΡΡΠ΅ Π»ΠΈΡΡΡ ΡΡΠ°Π»ΠΈ ΠΈΠ»ΠΈ ΡΡΠ³ΡΠ½Π°, Π½Π΅ΠΏΠ»ΠΎΡ ΠΎ ΡΠΎΠΎΡΡΠ΄ΠΈΡΡ ΠΊΠΎΠ½ΡΡΡΡΠΊΡΠΈΡ ΠΊΠ²Π°Π΄ΡΠ°ΡΠ½ΠΎΠΉ ΡΠΎΡΠΌΡ, Π° Π΅ΡΠ»ΠΈ ΡΡΡΠΎΠΈΡΡ ΠΈΠ· ΠΌΠ΅ΡΠ°Π»Π»ΠΈΡΠ΅ΡΠΊΠΈΡ ΡΡΡΠ± Ρ ΡΠΎΠ»ΡΡΡΠΌΠΈ ΡΡΠ΅Π½Π°ΠΌΠΈ, ΠΌΠΎΠΆΠ½ΠΎ ΠΏΡΠΈΠ΄Π°ΡΡ Π΅ΠΉ ΠΎΠΊΡΡΠ³Π»ΡΡ ΡΠΎΡΠΌΡ. Π‘ΠΎΠ²ΡΠ΅ΠΌΠ΅Π½Π½ΡΠ΅ ΠΌΠ΅ΡΠ°Π»Π»ΠΈΡΠ΅ΡΠΊΠΈΠ΅ Π±Π°Π½Π½ΡΠ΅ ΠΏΠ΅ΡΠΈ ΠΈΠ·Π³ΠΎΡΠ°Π²Π»ΠΈΠ²Π°ΡΡΡΡ Π½Π΅ΠΌΠ½ΠΎΠ³ΠΎ ΠΈΠ½Π°ΡΠ΅, ΡΠ΅ΠΌ ΡΠ΅, ΠΊΠΎΡΠΎΡΡΠ΅ Π΄Π΅Π»Π°Π»ΠΈ Π½Π΅ΡΠΊΠΎΠ»ΡΠΊΠΎ Π΄Π΅ΡΡΡΠΊΠΎΠ² Π»Π΅Ρ Π½Π°Π·Π°Π΄. ΠΡΠ΅ΠΆΠ΄Π΅ Π²ΡΠ΅Π³ΠΎ, ΡΡΠΎ ΠΊΠ°ΡΠ°Π΅ΡΡΡ ΡΡΡΡΠΎΠΉΡΡΠ²Π° ΡΠΎΠΏΠΊΠΈ. Π‘ΠΎΠ²ΡΠ΅ΠΌΠ΅Π½Π½ΡΠ΅ ΡΠ°ΠΌΠΎΠ΄Π΅Π»ΡΠ½ΡΠ΅ ΠΊΠΎΠ½ΡΡΡΡΠΊΡΠΈΠΈ ΠΈΠΌΠ΅ΡΡ Π΄Π²Π΅ ΠΊΠ°ΠΌΠ΅ΡΡ: Π² ΠΎΠ΄Π½ΠΎΠΉ ΡΠΎΠΏΠ»ΠΈΠ²ΠΎ ΡΠ³ΠΎΡΠ°Π΅Ρ, Π° Π²ΠΎ Π²ΡΠΎΡΠΎΠΉ Π΄ΠΎΠ³ΠΎΡΠ°Π΅Ρ ΡΠΎ, ΡΡΠΎ Π½Π΅ Π±ΡΠ»ΠΎ ΠΏΠΎΠ»Π½ΠΎΡΡΡΡ ΡΠΎΠΆΠΆΠ΅Π½ΠΎ Π² ΠΏΠ΅ΡΠ²ΠΎΠΉ. ΠΡΠΎ ΠΏΠΎΠ·Π²ΠΎΠ»ΡΠ΅Ρ ΡΠ²Π΅Π»ΠΈΡΠΈΡΡ ΠΠΠ Π½Π° 20 ΠΏΡΠΎΡΠ΅Π½ΡΠΎΠ².
ΠΠΎΠΌΠΈΠΌΠΎ ΡΡΠ΄Π° ΠΏΡΠ΅ΠΈΠΌΡΡΠ΅ΡΡΠ², Ρ ΡΠ°ΠΊΠΈΡ ΡΡΡΠ°Π½ΠΎΠ²ΠΎΠΊ Π΅ΡΡΡ ΠΎΠ΄ΠΈΠ½ Π½Π΅Π΄ΠΎΡΡΠ°ΡΠΎΠΊ: ΠΎΠ½ΠΈ ΠΈΠΌΠ΅ΡΡ Π΄ΠΎΠ²ΠΎΠ»ΡΠ½ΠΎ Π±ΠΎΠ»ΡΡΡΡ ΠΏΠ»ΠΎΡΠ°Π΄Ρ ΠΏΠΎΠ²Π΅ΡΡ Π½ΠΎΡΡΠΈ, ΠΏΡΠΈ ΡΠΎΠΏΡΠΈΠΊΠΎΡΠ½ΠΎΠ²Π΅Π½ΠΈΠΈ Ρ ΠΊΠΎΡΠΎΡΠΎΠΉ ΠΌΠΎΠΆΠ½ΠΎ ΠΏΠΎΠ»ΡΡΠΈΡΡ ΡΠ΅ΡΡΠ΅Π·Π½ΡΠΉ ΠΎΠΆΠΎΠ³. ΠΠΎΡΡΠΎΠΌΡ, ΡΡΠΎΠ±Ρ ΠΏΡΠ΅Π΄ΠΎΡΠ²ΡΠ°ΡΠΈΡΡ ΠΎΠΏΠ°ΡΠ½ΠΎΡΡΡ, ΡΠ»Π΅Π΄ΡΠ΅Ρ Π΄ΠΎΠΏΠΎΠ»Π½ΠΈΡΠ΅Π»ΡΠ½ΠΎ ΠΎΠ±Π»ΠΎΠΆΠΈΡΡ ΠΏΠ΅ΡΠΊΡ ΠΊΠΈΡΠΏΠΈΡΠΎΠΌ, ΠΎΠ±Π»Π°Π΄Π°ΡΡΠΈΠΌ ΠΎΠ³Π½Π΅ΡΠΏΠΎΡΠ½ΡΠΌΠΈ ΡΠ²ΠΎΠΉΡΡΠ²Π°ΠΌΠΈ.
ΠΡΡΠ³ΠΈΠ΅ Π²ΠΈΠ΄Ρ ΠΌΠ°ΡΠ΅ΡΠΈΠ°Π»ΠΎΠ²
ΠΠ°Π½Π½ΡΠ΅ ΠΏΠ΅ΡΠΈ ΠΌΠΎΠ³ΡΡ Π±ΡΡΡ Π³Π°Π·ΠΎΠ²ΡΠΌΠΈ ΠΈ ΡΠ»Π΅ΠΊΡΡΠΈΡΠ΅ΡΠΊΠΈΠΌΠΈ. ΠΠ΄Π½Π°ΠΊΠΎ ΡΠ°ΠΊΠΈΠ΅ ΡΠ°ΠΌΠΎΠ΄Π΅Π»ΡΠ½ΡΠ΅ ΠΊΠΎΠ½ΡΡΡΡΠΊΡΠΈΠΈ Π²ΡΡΡΠ΅ΡΠ°ΡΡΡΡ ΠΊΡΠ°ΠΉΠ½Π΅ ΡΠ΅Π΄ΠΊΠΎ. ΠΠ°Π»Π΅ΠΉΡΠΈΠ΅ ΠΎΡΠΈΠ±ΠΊΠΈ ΠΈΠ»ΠΈ Π½Π΅ΡΠΎΠ±Π»ΡΠ΄Π΅Π½ΠΈΠ΅ ΠΊΠ°ΠΊΠΈΡ -ΡΠΎ ΠΏΡΠ°Π²ΠΈΠ» ΠΌΠΎΠΆΠ΅Ρ ΠΏΡΠΈΠ²Π΅ΡΡΠΈ ΠΊ ΠΏΠΎΠΆΠ°ΡΡ ΠΈΠ»ΠΈ Π΄Π°ΠΆΠ΅ Π²Π·ΡΡΠ²Ρ. ΠΠΎΡΡΠΎΠΌΡ, Π΅ΡΠ»ΠΈ Π²Ρ Π½ΠΈΠΊΠΎΠ³Π΄Π° Π½Π΅ Π·Π°Π½ΠΈΠΌΠ°Π»ΠΈΡΡ ΡΠΎΠ·Π΄Π°Π½ΠΈΠ΅ΠΌ ΠΏΠ΅ΡΠ΅ΠΉ Π΄Π»Ρ Π±Π°Π½ΠΈ, Π»ΡΡΡΠ΅ ΠΎΡΠ΄Π°ΡΡ ΠΏΡΠ΅Π΄ΠΏΠΎΡΡΠ΅Π½ΠΈΠ΅ ΠΌΠ°ΠΊΡΠΈΠΌΠ°Π»ΡΠ½ΠΎ ΠΏΡΠΎΡΡΡΠΌ ΠΊΠΎΠ½ΡΡΡΡΠΊΡΠΈΡΠΌ, ΠΊΠΎΡΠΎΡΡΠ΅ Π±ΡΠ΄ΡΡ Π½Π°Π³ΡΠ΅Π²Π°ΡΡ ΡΡΠ΅Π½Ρ Π² ΠΏΠΎΠΌΠ΅ΡΠ΅Π½ΠΈΠΈ, Π³ΡΠ΅ΡΡ Π²ΠΎΠ΄Ρ ΠΈ ΠΏΡΠΎΠΈΠ·Π²ΠΎΠ΄ΠΈΡΡ ΠΏΠ°Ρ. Π’Π°ΠΊΠΈΠ΅ ΡΠ°ΠΌΠΎΠ΄Π΅Π»ΡΠ½ΡΠ΅ Π°Π³ΡΠ΅Π³Π°ΡΡ ΠΌΠΎΠ³ΡΡ Π±ΡΡΡ ΠΈΠ·Π³ΠΎΡΠΎΠ²Π»Π΅Π½Ρ ΠΈΠ· ΠΊΠ°ΠΌΠ½Ρ. ΠΡΠΈ ΡΡΠΎΠΌ Π½ΡΠΆΠ½ΠΎ ΡΠΎΠ±Π»ΡΠ΄Π°ΡΡ ΡΠ°ΠΊΠΈΠ΅ ΠΏΡΠ°Π²ΠΈΠ»Π°:
- Π’ΠΎΠ»ΡΠΈΠ½Π° ΡΡΠ΅Π½ Π΄ΠΎΠ»ΠΆΠ½Π° Π±ΡΡΡ Π½Π΅ ΠΌΠ΅Π½Π΅Π΅ 13 ΡΠΌ, Π½ΠΎ Π½Π΅ Π±ΠΎΠ»Π΅Π΅ 25 ΡΠΌ.
- ΠΠ°ΠΌΠ½ΠΈ Π½ΡΠΆΠ½ΠΎ Π²ΡΠ±ΠΈΡΠ°ΡΡ ΠΏΠΎ Π²Π΅ΡΡ. ΠΠΏΡΠΈΠΌΠ°Π»ΡΠ½Π°Ρ ΠΌΠ°ΡΡΠ° ΡΠΎΡΡΠ°Π²Π»ΡΠ΅Ρ ΠΎΡ 1 Π΄ΠΎ 1,5 ΠΊΠ³.
ΠΠΎΠΆΠ½ΠΎ ΠΈΡΠΏΠΎΠ»ΡΠ·ΠΎΠ²Π°ΡΡ Π³ΡΠ°Π½ΠΈΡ ΠΈΠ»ΠΈ Π±ΡΡ. ΠΠ΅Π»ΡΠ·Ρ Π΄Π»Ρ ΡΡΠΈΡ ΡΠ΅Π»Π΅ΠΉ ΠΏΡΠΈΠΌΠ΅Π½ΡΡΡ ΠΊΡΠ΅ΠΌΠ΅Π½Ρ. ΠΡΠΎΡ ΠΊΠ°ΠΌΠ΅Π½Ρ Π½Π΅ ΡΠΏΠΎΡΠΎΠ±Π΅Π½ Π²ΡΠ΄Π΅ΡΠΆΠΈΠ²Π°ΡΡ Π²ΡΡΠΎΠΊΠΈΠ΅ ΡΠ΅ΠΌΠΏΠ΅ΡΠ°ΡΡΡΡ. ΠΡ Π²ΠΎΠ·Π΄Π΅ΠΉΡΡΠ²ΠΈΡ Π³ΠΎΡΡΡΠ΅Π³ΠΎ Π²ΠΎΠ·Π΄ΡΡ Π° ΠΎΠ½ ΡΠ°Π·Π»Π΅ΡΠ°Π΅ΡΡΡ Π½Π° ΠΊΡΡΠΊΠΈ.
Π§ΡΠΎ ΠΊΠ°ΡΠ°Π΅ΡΡΡ ΡΡΡΠ°Π½ΠΎΠ²ΠΊΠΈ ΠΊΠΎΡΠ»Π° ΠΈ Π±Π°ΠΊΠ°, ΡΠΎ ΠΈΡ ΠΌΠΎΠΆΠ½ΠΎ ΠΌΠΎΠ½ΡΠΈΡΠΎΠ²Π°ΡΡ ΡΠ°ΠΊΠΈΠΌ ΠΎΠ±ΡΠ°Π·ΠΎΠΌ, ΡΡΠΎΠ±Ρ ΠΎΠ½ΠΈ ΠΎΠΏΠΈΡΠ°Π»ΠΈΡΡ Π½Π° ΡΡΠ΅Π½Ρ ΠΊΠ»Π°Π΄ΠΊΠΈ. ΠΡΠ΅ ΠΎΠ΄ΠΈΠ½ Π²Π°ΡΠΈΠ°Π½Ρ Π·Π°ΠΊΠ»ΡΡΠ°Π΅ΡΡΡ Π² ΡΠΎΠΎΡΡΠΆΠ΅Π½ΠΈΠΈ ΡΠΏΠ΅ΡΠΈΠ°Π»ΡΠ½ΡΡ ΡΡΠΎΠ»Π±ΠΎΠ² ΠΈΠ· ΡΡΠ°Π»ΠΈ Π²Π½ΡΡΡΠΈ ΡΠΎΠΏΠΊΠΈ.
ΠΡΠ°ΡΠΈΠ²ΡΠ΅ ΡΠ°ΠΌΠΎΠ΄Π΅Π»ΡΠ½ΡΠ΅ ΠΏΠ΅ΡΠΈ Π½ΠΈΡΠ΅ΠΌ Π½Π΅ ΡΡΡΡΠΏΠ°ΡΡ Π³ΠΎΡΠΎΠ²ΡΠΌ ΠΊΠΎΠ½ΡΡΡΡΠΊΡΠΈΡΠΌ, Π΄ΠΎΡΡΡΠΏΠ½ΡΠΌ Π² ΠΏΡΠΎΠ΄Π°ΠΆΠ΅, ΠΊΠ°ΠΊ ΠΏΠΎ Π²Π½Π΅ΡΠ½Π΅ΠΌΡ Π²ΠΈΠ΄Ρ, ΡΠ°ΠΊ ΠΈ ΠΏΠΎ ΡΠ²ΠΎΠΈΠΌ ΡΡΠ½ΠΊΡΠΈΠΎΠ½Π°Π»ΡΠ½ΡΠΌ ΠΎΡΠΎΠ±Π΅Π½Π½ΠΎΡΡΡΠΌ. Π ΠΠ½ΡΠ΅ΡΠ½Π΅ΡΠ΅ Π΅ΡΡΡ ΡΠ°Π·Π»ΠΈΡΠ½ΡΠ΅ ΡΡ Π΅ΠΌΡ ΠΈ Π²ΠΈΠ΄Π΅ΠΎΠΌΠ°ΡΠ΅ΡΠΈΠ°Π»Ρ ΠΏΠΎ ΡΡΡΡΠΎΠΉΡΡΠ²Ρ ΡΠ°ΠΊΠΈΡ ΡΠΎΠΎΡΡΠΆΠ΅Π½ΠΈΠΉ Ρ ΠΈΡΠΏΠΎΠ»ΡΠ·ΠΎΠ²Π°Π½ΠΈΠ΅ΠΌ ΡΠ°Π·Π½ΡΡ ΠΌΠ°ΡΠ΅ΡΠΈΠ°Π»ΠΎΠ². ΠΡΠΎΠ±ΠΎΠ΅ Π²Π½ΠΈΠΌΠ°Π½ΠΈΠ΅ Π½Π΅ΠΎΠ±Ρ ΠΎΠ΄ΠΈΠΌΠΎ ΡΠ΄Π΅Π»ΡΡΡ ΠΎΠ±Π΅ΡΠΏΠ΅ΡΠ΅Π½ΠΈΡ Π±Π΅Π·ΠΎΠΏΠ°ΡΠ½ΠΎΡΡΠΈ, ΠΏΡΠ΅Π΄ΠΎΡΠ²ΡΠ°ΡΠ°Ρ Π²ΠΎΠ·ΠΌΠΎΠΆΠ½ΠΎΡΡΡ ΠΏΠΎΠΆΠ°ΡΠ° ΠΈΠ»ΠΈ ΠΏΠΎΠ»ΡΡΠ΅Π½ΠΈΡ ΠΎΠΆΠΎΠ³ΠΎΠ² Π²ΠΎ Π²ΡΠ΅ΠΌΡ Π½Π°Ρ ΠΎΠΆΠ΄Π΅Π½ΠΈΡ Π² ΠΏΠ°ΡΠ½ΠΎΠΉ.
Π§ΠΈΡΠ°ΠΉΡΠ΅ ΡΠ°ΠΊΠΆΠ΅ ΠΏΠΎ ΡΠ΅ΠΌΠ΅:
ΠΠ°ΠΊ ΡΡΡΠ°Π½ΠΎΠ²ΠΈΡΡ ΠΏΠ΅ΡΡ Π² Π±Π°Π½Ρ Ρ ΡΠΎΠΏΠΊΠΎΠΉ Π² ΠΏΡΠ΅Π΄Π±Π°Π½Π½ΠΈΠΊ Π£ΡΡΠ°Π½ΠΎΠ²ΠΊΠ° ΠΏΠ΅ΡΠΈ Π² Π±Π°Π½Ρ Ρ Π²ΡΠ½ΠΎΡΠ½ΠΎΠΉ ΡΠΎΠΏΠΊΠΎΠΉ ΠΠ°ΠΊ ΡΠ΄Π΅Π»Π°ΡΡ ΠΏΠ΅ΡΡ Π΄Π»Ρ Π±Π°Π½ΠΈ ΡΠ²ΠΎΠΈΠΌΠΈ ΡΡΠΊΠ°ΠΌΠΈ ΠΈΠ· ΠΌΠ΅ΡΠ°Π»Π»Π°
ΠΠΎΡΠ΅ΠΌΡ ΡΠ΅Π³ΠΎΠ΄Π½Ρ ΡΠ°ΠΊ ΠΏΠΎΠΏΡΠ»ΡΡΠ½Ρ ΡΠ°ΠΌΠΎΠ΄Π΅Π»ΡΠ½ΡΠ΅ ΠΏΠ΅ΡΠΈ Π΄Π»Ρ Π±Π°Π½ΠΈ ΠΈΠ· ΠΌΠ΅ΡΠ°Π»Π»Π°

ΠΠ΅ΡΠ°Π»Π»ΠΈΡΠ΅ΡΠΊΠΈΠ΅ ΠΏΠ΅ΡΠΈ Π²ΡΠ΅Π³Π΄Π° Π±ΡΠ»ΠΈ ΡΠ΅ΡΡΠ΅Π·Π½ΡΠΌΠΈ ΠΊΠΎΠ½ΠΊΡΡΠ΅Π½ΡΠ°ΠΌΠΈ ΠΊΠΈΡΠΏΠΈΡΠ½ΡΠΌ, ΠΎΡΠΎΠ±Π΅Π½Π½ΠΎ, ΠΊΠΎΠ³Π΄Π° Π΄Π΅Π»ΠΎ ΠΊΠ°ΡΠ°Π»ΠΎΡΡ ΠΎΠ±ΠΎΠ³ΡΠ΅Π²Π° Π±Π°Π½Ρ. Π‘ ΠΈΡ ΠΏΠΎΠΌΠΎΡΡΡ Π±Π°Π½ΠΈ Π±ΡΡΡΡΠΎ Π½Π°Π³ΡΠ΅Π²Π°ΡΡΡΡ, Π° ΠΌΠΎΠ½ΡΠ°ΠΆ ΡΠ°ΠΊΠΈΡ ΠΏΠ΅ΡΠ΅ΠΉ ΠΏΡΠΎΡΡ ΠΈ Π½Π΅ ΡΡΠ΅Π±ΡΠ΅Ρ Π½ΠΈ ΠΎΡΠΎΠ±ΡΡ Π·Π½Π°Π½ΠΈΠΉ, Π½ΠΈ ΠΎΠΏΡΡΠ°. ΠΡΠΎΠΌΠ΅ ΡΠΎΠ³ΠΎ, ΡΠΎΠ²ΡΠ΅ΠΌΠ΅Π½Π½ΡΠ΅ ΠΎΠ±ΡΠ°Π·ΡΡ ΠΈΠΌΠ΅ΡΡ ΠΏΡΠ΅Π·Π΅Π½ΡΠ°Π±Π΅Π»ΡΠ½ΡΠΉ Π²Π½Π΅ΡΠ½ΠΈΠΉ Π²ΠΈΠ΄ ΠΈ ΠΌΠΎΠ³ΡΡ ΡΠ°Π±ΠΎΡΠ°ΡΡ Π½Π° Π»ΡΠ±ΡΡ Π²ΠΈΠ΄Π°Ρ ΡΠΎΠΏΠ»ΠΈΠ²Π°. Π ΡΠΎΠΌΡ ΠΆΠ΅ ΠΈΠ·Π³ΠΎΡΠΎΠ²ΠΈΡΡ ΡΠ°ΠΊΡΡ ΠΏΠ΅ΡΠΊΡ ΡΠ²ΠΎΠΈΠΌΠΈ ΡΡΠΊΠ°ΠΌΠΈ β Π½Π΅ ΠΏΡΠΎΠ±Π»Π΅ΠΌΠ°, ΠΏΠΎΡΠΊΠΎΠ»ΡΠΊΡ ΡΠ΅ΡΡΠ΅ΠΆΠΈ ΠΊΠΎΠ½ΡΡΡΡΠΊΡΠΈΠΉ ΡΠ΅Π³ΠΎΠ΄Π½Ρ Π½Π°Ρ ΠΎΠ΄ΡΡΡΡ Π² ΡΠ²ΠΎΠ±ΠΎΠ΄Π½ΠΎΠΌ Π΄ΠΎΡΡΡΠΏΠ΅ Π² ΠΠ½ΡΠ΅ΡΠ½Π΅ΡΠ΅. Π’Π°ΠΊ ΡΡΠΎ ΡΠ°ΡΡΠΌΠΎΡΡΠΈΠΌ ΠΏΠΎΠ΄ΡΠΎΠ±Π½Π΅Π΅ ΡΠ°ΠΌΠΎΠ΄Π΅Π»ΡΠ½ΡΠ΅ ΠΏΠ΅ΡΠΈ Π΄Π»Ρ Π±Π°Π½ΠΈ.
ΠΠΎ ΡΠ½Π°ΡΠ°Π»Π° ΡΠ΄Π΅Π»Π°Π΅ΠΌ ΠΎΠ΄Π½Ρ ΠΎΠ³ΠΎΠ²ΠΎΡΠΊΡ. ΠΠΎΡΡΠΎΠΈΠ½ΡΡΠ² Ρ ΠΏΠ΅ΡΠΈ Π΄Π»Ρ Π±Π°Π½ΠΈ ΠΈΠ· ΠΌΠ΅ΡΠ°Π»Π»Π° Π½Π΅ΠΌΠ°Π»ΠΎ, Π½ΠΎ ΠΊ Π½ΠΈΠΌ ΠΏΡΠ΅Π΄ΡΡΠ²Π»ΡΡΡΡΡ ΠΎΡΠ΅Π½Ρ ΠΆΠ΅ΡΡΠΊΠΈΠ΅ ΡΡΠ΅Π±ΠΎΠ²Π°Π½ΠΈΡ Π² ΠΏΠ»Π°Π½Π΅ ΡΠΊΡΠΏΠ»ΡΠ°ΡΠ°ΡΠΈΠΈ. ΠΠ΅Π±ΠΎΠ»ΡΡΠΎΠ΅ Π½Π°ΡΡΡΠ΅Π½ΠΈΠ΅ ΠΏΡΠ°Π²ΠΈΠ», ΠΈ ΠΏΠΎΠΆΠ°ΡΠ° Π½Π΅ ΠΈΠ·Π±Π΅ΠΆΠ°ΡΡ. ΠΠΎΡ ΠΏΠΎΡΠ΅ΠΌΡ Π²ΡΠ΅ ΡΠΏΠ΅ΡΠΈΠ°Π»ΠΈΡΡΡ Π² ΠΎΠ΄ΠΈΠ½ Π³ΠΎΠ»ΠΎΡ ΡΡΠ΅Π±ΡΡΡ Π΄ΠΎΡΠΊΠΎΠ½Π°Π»ΡΠ½ΠΎΠ³ΠΎ ΠΈΠ·ΡΡΠ΅Π½ΠΈΡ ΠΏΠ΅ΡΠ½ΠΎΠΉ ΠΊΠΎΠ½ΡΡΡΡΠΊΡΠΈΠΈ Ρ ΠΎΠ±ΡΠ·Π°ΡΠ΅Π»ΡΠ½ΡΠΌ ΠΈΡΠΏΠΎΠ»ΡΠ·ΠΎΠ²Π°Π½ΠΈΠ΅ΠΌ ΡΠ΅ΡΡΠ΅ΠΆΠ΅ΠΉ. Π ΡΠΎΠ»ΡΠΊΠΎ ΠΏΠΎΡΠ»Π΅ ΡΡΠΎΠ³ΠΎ ΠΌΠΎΠΆΠ½ΠΎ ΠΏΠ΅ΡΠ΅Ρ ΠΎΠ΄ΠΈΡΡ ΠΊ ΠΈΡ ΡΠΎΠ·Π΄Π°Π½ΠΈΡ. ΠΠΎΠΏΠΎΠ»Π½ΠΈΡΠ΅Π»ΡΠ½ΠΎ ΡΠ°ΡΡΠΌΠΎΡΡΠΈΠΌ Π½ΡΠ°Π½ΡΡ ΠΈΠ·Π³ΠΎΡΠΎΠ²Π»Π΅Π½ΠΈΡ.
Π Π°Π·Π½ΠΎΠ²ΠΈΠ΄Π½ΠΎΡΡΠΈ ΠΌΠ΅ΡΠ°Π»Π»ΠΈΡΠ΅ΡΠΊΠΈΡ ΠΏΠ΅ΡΠ΅ΠΉ
Π‘Π°ΠΌΡΠΉ ΠΏΡΠΎΡΡΠΎΠΉ Π²Π°ΡΠΈΠ°Π½Ρ ΠΏΠ΅ΡΠΈ ΠΈΠ· ΠΌΠ΅ΡΠ°Π»Π»Π° β ΡΡΠΎ ΠΎΠ±ΡΡΠ½Π°Ρ Π±ΡΡΠΆΡΠΉΠΊΠ°. ΠΠ½Π° ΡΠΎΡΡΠΎΠΈΡ ΠΈΠ· ΠΊΠΎΠΆΡΡ Π° Ρ Π΄Π²Π΅ΡΡΠ΅ΠΉ ΠΈ Π½ΠΎΠΆΠΊΠ°ΠΌΠΈ, Π²Π½ΡΡΡΠΈ ΠΊΠΎΡΠΎΡΠΎΠ³ΠΎ ΡΡΡΠ°Π½ΠΎΠ²Π»Π΅Π½Π° ΡΠ΅ΡΠ΅ΡΠΊΠ°. ΠΠ° Π½Π΅ΠΉ ΠΈ ΡΠΆΠΈΠ³Π°ΡΡΡΡ Π΄ΡΠΎΠ²Π°. ΠΠ°ΠΊ ΠΈ Ρ Π²ΡΠ΅Ρ ΠΏΠ΅ΡΠ΅ΠΉ, Π½Π°Π»ΠΈΡΠΈΠ΅ Π΄ΡΠΌΠΎΡ ΠΎΠ΄Π° ΠΎΠ±ΡΠ·Π°ΡΠ΅Π»ΡΠ½ΠΎ. Π‘ΠΊΠ°ΠΆΠ΅ΠΌ ΠΏΡΡΠΌΠΎ β ΡΡΠΎ Π½Π΅ ΡΠ°ΠΌΡΠΉ Π»ΡΡΡΠΈΠΉ Π²Π°ΡΠΈΠ°Π½Ρ, Ρ ΠΎΡΡ ΠΎΠ½ Π³ΡΠ΅Π΅Ρ ΠΏΠΎΠΌΠ΅ΡΠ΅Π½ΠΈΠ΅ Π±Π°Π½ΠΈ ΠΎΡΠ»ΠΈΡΠ½ΠΎ. ΠΠΎ ΠΏΡΠΈ ΡΡΠΎΠΌ ΠΏΠΎΡΡΠ΅Π±Π»ΡΠ΅Ρ ΡΠ»ΠΈΡΠΊΠΎΠΌ ΠΌΠ½ΠΎΠ³ΠΎ ΡΠΎΠΏΠ»ΠΈΠ²Π°. ΠΡ ΠΏΡΠΎΡΡΠΎ Π½Π΅ Π±ΡΠ΄Π΅ΡΠ΅ ΡΡΠΏΠ΅Π²Π°ΡΡ ΠΏΠΎΠ΄Π±ΡΠ°ΡΡΠ²Π°ΡΡ Π΄ΡΠΎΠ²ΠΈΡΠΊΠΈ Π² ΠΏΠ°ΡΡΡ Π±ΡΡΠΆΡΠΉΠΊΠΈ, ΡΡΠΎΠ±Ρ ΠΏΠΎΠ΄Π΄Π΅ΡΠΆΠΈΠ²Π°ΡΡ Π² Π±Π°Π½Π΅ ΡΡΠ΅Π±ΡΠ΅ΠΌΡΡ ΡΠ΅ΠΌΠΏΠ΅ΡΠ°ΡΡΡΡ. ΠΠ½ΠΎΠ³ΠΈΠ΅ Π³ΠΎΠ²ΠΎΡΡΡ, ΡΡΠΎ ΡΡΠΎ Π²ΠΎΠΎΠ±ΡΠ΅ ΠΏΠ΅ΡΠ΅ΠΆΠΈΡΠΎΠΊ ΠΏΡΠΎΡΠ»ΠΎΠ³ΠΎ.
ΠΠΎ Π΄Π°Π²Π°ΠΉΡΠ΅ Π½Π΅ Π±ΡΠ΄Π΅ΠΌ ΡΡΠ°Π·Ρ ΡΠΏΠΈΡΡΠ²Π°ΡΡ ΡΡΠΎΡ ΠΎΠ±ΡΠ°Π·Π΅Ρ, ΠΊΠΎΡΠΎΡΡΠΉ Π²Π΅ΡΠΎΠΉ ΠΈ ΠΏΡΠ°Π²Π΄ΠΎΠΉ ΠΎΠ±ΡΠ»ΡΠΆΠΈΠ²Π°Π» Π±Π°Π½ΠΈ Π½Π° ΠΏΡΠΎΡΡΠΆΠ΅Π½ΠΈΠΈ ΠΌΠ½ΠΎΠ³ΠΈΡ Π»Π΅Ρ. Π‘Π΅Π³ΠΎΠ΄Π½Ρ ΡΠΎΠ²ΡΠ΅ΠΌΠ΅Π½Π½ΡΠ΅ ΠΊΡΠ»ΠΈΠ±ΠΈΠ½Ρ ΠΏΡΠ΅Π΄Π»Π°Π³Π°ΡΡ ΡΡΠΎΠ²Π΅ΡΡΠ΅Π½ΡΡΠ²ΠΎΠ²Π°Π½Π½ΡΡ Π±ΡΡΠΆΡΠΉΠΊΡ, ΠΊΠΎΡΠΎΡΡΡ ΠΎΡΠ½ΠΎΡΡΡ ΠΊ ΠΊΠ°ΡΠ΅Π³ΠΎΡΠΈΠΈ ΠΏΠ΅ΡΠ΅ΠΉ Π΄Π»ΠΈΡΠ΅Π»ΡΠ½ΠΎΠ³ΠΎ Π³ΠΎΡΠ΅Π½ΠΈΡ.
Π§ΡΠΎ ΠΆΠ΅ ΠΈΠ·ΠΌΠ΅Π½ΠΈΠ»ΠΎΡΡ Π²Π½ΡΡΡΠΈ ΡΠ°ΠΌΠΎΠΉ ΠΊΠΎΠ½ΡΡΡΡΠΊΡΠΈΠΈ?
- ΠΠΎ-ΠΏΠ΅ΡΠ²ΡΡ , Π΅Π΅ ΡΠΎΠΏΠΎΡΠ½ΡΡ ΠΊΠ°ΠΌΠ΅ΡΡ ΡΠ°Π·Π΄Π΅Π»ΠΈΠ»ΠΈ Π³ΠΎΡΠΈΠ·ΠΎΠ½ΡΠ°Π»ΡΠ½ΠΎΠΉ ΠΏΠ΅ΡΠ΅Π³ΠΎΡΠΎΠ΄ΠΊΠΎΠΉ Π½Π° Π΄Π²Π΅ ΡΠ°ΡΡΠΈ. Π Π½ΠΈΠΆΠ½Π΅ΠΉ ΡΠ³ΠΎΡΠ°ΡΡ Π΄ΡΠΎΠ²Π°, Π° Π² Π²Π΅ΡΡ Π½Π΅ΠΉ β ΡΠΎΠΏΠΎΡΠ½ΡΠ΅ Π³Π°Π·Ρ. ΠΠ½ΠΈ ΠΏΡΠΎΡ ΠΎΠ΄ΡΡ ΠΏΠΎ ΠΊΠ°Π½Π°Π»Ρ, ΠΎΡΡΠ°Π²Π»Π΅Π½Π½ΠΎΠΌΡ ΡΠ±ΠΎΠΊΡ Π² Π²ΠΈΠ΄Π΅ Π·Π°Π·ΠΎΡΠ° ΠΌΠ΅ΠΆΠ΄Ρ ΠΏΠ΅ΡΠ΅Π³ΠΎΡΠΎΠ΄ΠΊΠΎΠΉ ΠΈ Π²Π΅ΡΡΠΈΠΊΠ°Π»ΡΠ½ΠΎΠΉ ΡΡΠ΅Π½ΠΊΠΎΠΉ ΠΏΡΠΈΠ±ΠΎΡΠ°.
- ΠΠΎ-Π²ΡΠΎΡΡΡ , Π΄ΡΠΎΠ²Π° ΡΠΊΠ»Π°Π΄ΡΠ²Π°ΡΡΡΡ ΠΏΠ»ΠΎΡΠ½ΠΎ Π΄ΡΡΠ³ ΠΊ Π΄ΡΡΠ³Ρ, ΡΡΠΎΠ±Ρ ΠΎΠ½ΠΈ ΡΠ³ΠΎΡΠ°Π»ΠΈ ΠΏΡΠΈ ΠΌΠ΅Π½ΡΡΠ΅ΠΌ ΠΊΠΎΠ»ΠΈΡΠ΅ΡΡΠ²Π΅ ΠΊΠΈΡΠ»ΠΎΡΠΎΠ΄Π°.
- Π-ΡΡΠ΅ΡΡΠΈΡ , ΡΡΡΠ°Π½Π°Π²Π»ΠΈΠ²Π°ΡΡΡΡ ΡΠΏΠ΅ΡΠΈΠ°Π»ΡΠ½ΡΠ΅ ΠΊΠ°Π½Π°Π»Ρ, ΠΏΠΎ ΠΊΠΎΡΠΎΡΡΠΌ ΡΠ²Π΅ΠΆΠΈΠΉ Π²ΠΎΠ·Π΄ΡΡ ΠΏΠΎΡΡΡΠΏΠ°Π΅Ρ Π²ΠΎ Π²ΡΠΎΡΡΡ ΠΊΠ°ΠΌΠ΅ΡΡ ΡΠ³ΠΎΡΠ°Π½ΠΈΡ.
Π Π²ΡΠ΅ ΠΆΠ΅ ΡΡΠΈ ΠΏΠ΅ΡΠΈ ΠΈΠ· ΠΌΠ΅ΡΠ°Π»Π»Π° Π½Π΅ ΡΠ°ΠΌΡΠ΅ ΡΠΊΠΎΠ½ΠΎΠΌΠΈΡΠ½ΡΠ΅. ΠΠ° ΠΈ ΠΠΠ Ρ Π½ΠΈΡ Π½Π΅ ΠΎΡΠ΅Π½Ρ Π²ΡΡΠΎΠΊΠΈΠΉ. ΠΠΎΡΡΠΎΠΌΡ ΠΏΡΠ΅Π΄Π»Π°Π³Π°Π΅ΠΌ Π΄ΡΡΠ³ΠΈΠ΅ Π²ΠΈΠ΄Ρ ΠΈΠ·Π΄Π΅Π»ΠΈΠΉ.
Π’ΡΠ°Π΄ΠΈΡΠΈΠΎΠ½Π½ΡΠ΅ ΠΌΠ΅ΡΠ°Π»Π»ΠΈΡΠ΅ΡΠΊΠΈΠ΅ ΡΠ°ΠΌΠΎΠ΄Π΅Π»ΡΠ½ΡΠ΅ ΠΏΠ΅ΡΠΈ β ΡΡΠΎ ΡΠ²ΠΎΠ΅ΠΎΠ±ΡΠ°Π·Π½ΡΠ΅ ΠΊΠΎΠ½ΡΡΡΡΠΊΡΠΈΠΈ, Π² ΠΊΠΎΡΠΎΡΡΡ Π΅ΡΡΡ ΠΌΠ΅ΡΡΠΎ ΠΈ ΡΠΎΠΏΠΊΠ΅, ΠΈ ΠΏΠ»ΠΎΡΠΊΠΎΡΡΡΠΌ Π½Π°Π³ΡΠ΅Π²Π°, ΠΈ ΠΊΠ°ΠΌΠ΅Π½ΠΊΠ΅, ΠΈ Π±Π°ΠΊΡ Ρ Π²ΠΎΠ΄ΠΎΠΉ. Π’ΠΎ Π΅ΡΡΡ Π΄ΠΎΠ»ΠΆΠ΅Π½ Π±ΡΡΡ ΠΏΠΎΠ»Π½ΡΠΉ ΠΊΠΎΠΌΠΏΠ»Π΅ΠΊΡ, ΠΊΠΎΡΠΎΡΡΠΉ ΠΎΠ±Π΅ΡΠΏΠ΅ΡΠΈΡ Π±Π°Π½Ρ Π½Π΅ ΡΠΎΠ»ΡΠΊΠΎ ΡΠ΅ΠΏΠ»ΠΎΠΌ, Π½ΠΎ ΠΈ Π³ΠΎΡΡΡΠ΅ΠΉ Π²ΠΎΠ΄ΠΎΠΉ. ΠΡΡΠ°ΡΠΈ, ΠΎ Π±Π°ΠΊΠ΅ Ρ Π²ΠΎΠ΄ΠΎΠΉ. ΠΠ³ΠΎ ΠΎΠ±ΡΠ΅ΠΌ ΠΌΠΎΠΆΠ΅Ρ Π±ΡΡΡ ΡΠ°Π·Π½ΡΠΌ, Π½ΠΎ ΠΌΠ°ΡΡΠ΅ΡΠ° Π³ΠΎΠ²ΠΎΡΡΡ ΠΎ ΡΠΎΠΌ, ΡΡΠΎ Π΄Π»Ρ Π½Π΅Π±ΠΎΠ»ΡΡΠΈΡ Π±Π°Π½Π½ΡΡ ΠΏΠΎΠΌΠ΅ΡΠ΅Π½ΠΈΠΉ Ρ Π½Π΅Π±ΠΎΠ»ΡΡΠΎΠΉ ΠΏΠ΅ΡΠΊΠΎΠΉ ΠΈΠ· ΠΌΠ΅ΡΠ°Π»Π»Π° ΠΎΠΏΡΠΈΠΌΠ°Π»ΡΠ½ΡΠΉ Π²Π°ΡΠΈΠ°Π½Ρ β ΡΡΠΎ 60β70 Π»ΠΈΡΡΠΎΠ².
ΠΡΠ°Π²Π΄Π°, Π΅ΡΡΡ Π΄Π²Π° ΠΎΡΠ΅Π½Ρ Π²Π°ΠΆΠ½ΡΡ ΠΏΡΠ΅Π΄ΡΠΏΡΠ΅ΠΆΠ΄Π΅Π½ΠΈΡ:
- ΠΠ°Π½Π½Π°Ρ ΠΌΠ΅ΡΠ°Π»Π»ΠΈΡΠ΅ΡΠΊΠ°Ρ ΠΏΠ΅ΡΡ Π΄ΠΎΠ»ΠΆΠ½Π° ΠΈΠ·Π³ΠΎΡΠ°Π²Π»ΠΈΠ²Π°ΡΡΡΡ ΠΈΠ· Π»ΠΈΡΡΠΎΠ²ΠΎΠ³ΠΎ ΠΆΠ΅Π»Π΅Π·Π° ΡΠΎΠ»ΡΠΈΠ½ΠΎΠΉ ΠΌΠΈΠ½ΠΈΠΌΡΠΌ 4 ΠΌΠΌ. ΠΠΎΠΆΠ½ΠΎ ΠΈΠ·Π³ΠΎΡΠΎΠ²ΠΈΡΡ Π΅Π΅ ΠΈ ΠΈΠ· ΡΡΡΠ±Ρ.
- ΠΠ½Π° Π΄ΠΎΠ»ΠΆΠ½Π° ΠΎΠ±ΡΠ·Π°ΡΠ΅Π»ΡΠ½ΠΎ ΠΎΠ±ΠΊΠ»Π°Π΄ΡΠ²Π°ΡΡΡΡ ΠΊΠΈΡΠΏΠΈΡΠΎΠΌ. ΠΡΠΎ ΡΠ²Π΅Π»ΠΈΡΠΈΡ Π±Π΅Π·ΠΎΠΏΠ°ΡΠ½ΠΎΡΡΡ ΠΊΠΎΠ½ΡΡΡΡΠΊΡΠΈΠΈ ΠΈ ΡΠΎΠ·Π΄Π°ΡΡ ΡΡΠ»ΠΎΠ²ΠΈΡ Π΄Π»Ρ ΡΠ°Π²Π½ΠΎΠΌΠ΅ΡΠ½ΠΎΠ³ΠΎ ΡΠ°ΡΠΏΡΠ΅Π΄Π΅Π»Π΅Π½ΠΈΡ ΡΠ΅ΠΏΠ»Π° ΠΏΠΎ Π²ΡΠ΅ΠΌΡ ΠΏΠΎΠΌΠ΅ΡΠ΅Π½ΠΈΡ.
ΠΠ½ΠΈΠΌΠ°Π½ΠΈΠ΅! ΠΠ΄Π½ΠΎ ΠΈΠ· ΡΠ°ΠΌΡΡ Π±ΠΎΠ»ΡΡΠΈΡ Π΄ΠΎΡΡΠΎΠΈΠ½ΡΡΠ² ΡΠ°ΠΌΠΎΠ΄Π΅Π»ΡΠ½ΡΡ ΠΏΠ΅ΡΠ΅ΠΉ ΠΈΠ· ΠΌΠ΅ΡΠ°Π»Π»Π° β ΡΡΠΎ ΠΎΡΡΡΡΡΡΠ²ΠΈΠ΅ Π½Π΅ΠΎΠ±Ρ ΠΎΠ΄ΠΈΠΌΠΎΡΡΠΈ ΡΡΡΡΠΎΠΉΡΡΠ²Π° Π±ΠΎΠ»ΡΡΠΎΠ³ΠΎ ΠΈ ΠΏΡΠΎΡΠ½ΠΎΠ³ΠΎ ΠΎΡΠ½ΠΎΠ²Π°Π½ΠΈΡ. ΠΠ°ΡΠΈΠ°Π½ΡΠΎΠ² ΠΎΡΠ½ΠΎΠ²Π°Π½ΠΈΡ ΠΌΠ½ΠΎΠ³ΠΎ. Π ΠΏΡΠΈΠΌΠ΅ΡΡ, Π±Π΅ΡΠΎΠ½Π½Π°Ρ ΡΡΡΠΆΠΊΠ°, ΠΎΠ±Π»ΠΈΡΠΎΠ²Π°Π½Π½Π°Ρ ΠΊΠ΅ΡΠ°ΠΌΠΈΡΠ΅ΡΠΊΠΎΠΉ ΠΏΠ»ΠΈΡΠΊΠΎΠΉ, ΠΎΠ³Π½Π΅ΡΠΏΠΎΡΠ½ΡΠΉ ΠΊΠΈΡΠΏΠΈΡ ΠΈΠ»ΠΈ ΠΊΡΡΠΎΠΊ ΠΌΠ΅ΡΠ°Π»Π»ΠΈΡΠ΅ΡΠΊΠΎΠ³ΠΎ Π»ΠΈΡΡΠ°.
Π’ΠΈΠΏΡ ΠΊΠΎΠ½ΡΡΡΡΠΊΡΠΈΠΉ

ΠΠ΅ΡΠ°Π»Π»ΠΈΡΠ΅ΡΠΊΠ°Ρ ΠΏΠ΅ΡΡ Π΄Π»Ρ Π±Π°Π½ΠΈ
Π‘Π°ΠΌΠΎΠ΄Π΅Π»ΡΠ½ΡΠ΅ ΠΌΠ΅ΡΠ°Π»Π»ΠΈΡΠ΅ΡΠΊΠΈΠ΅ ΠΏΠ΅ΡΠΈ ΠΏΠΎ ΡΠ²ΠΎΠ΅ΠΉ ΠΊΠΎΠ½ΡΡΡΡΠΊΡΠΈΠΈ Π΄Π΅Π»ΡΡΡΡ Π½Π° ΡΡΠΈ ΠΎΡΠ½ΠΎΠ²Π½ΡΡ ΡΠΈΠΏΠ°:
Π§Π΅ΠΌ ΠΎΠ½ΠΈ ΠΎΡΠ»ΠΈΡΠ°ΡΡΡΡ Π΄ΡΡΠ³ ΠΎΡ Π΄ΡΡΠ³Π°? Π ΠΏΠ΅ΡΠ²ΠΎΠΌ ΡΠ»ΡΡΠ°Π΅ ΡΡΠΎ ΠΏΡΠΎΡΡΠ°Ρ ΠΌΠΎΠ΄Π΅Π»Ρ, ΠΊΠΎΡΠΏΡΡ ΠΊΠΎΡΠΎΡΠΎΠΉ ΡΠ½Π°ΡΡΠΆΠΈ ΠΈ ΠΈΠ·Π½ΡΡΡΠΈ ΠΎΠ±Π»ΠΈΡΠΎΠ²ΡΠ²Π°Π΅ΡΡΡ ΠΎΠ³Π½Π΅ΡΠΏΠΎΡΠ½ΡΠΌ ΠΊΠΈΡΠΏΠΈΡΠΎΠΌ. ΠΠ΅Π·ΡΡΠ»ΠΎΠ²Π½ΠΎ, ΡΡΠΎ Π΄ΠΎΡΠΎΠ³ΠΎΠΉ Π²Π°ΡΠΈΠ°Π½Ρ, ΠΏΠΎΡΡΠΎΠΌΡ ΠΌΠ½ΠΎΠ³ΠΈΠ΅ ΠΈΡΠΏΠΎΠ»ΡΠ·ΡΡΡ Π΄Π»Ρ ΠΎΠ±Π»ΠΈΡΠΎΠ²ΠΊΠΈ ΠΎΠ±ΡΡΠ½ΡΠΉ ΠΊΡΠ°ΡΠ½ΡΠΉ ΠΊΠΈΡΠΏΠΈΡ. ΠΡΡΠ°ΡΠΈ, ΠΊΠΈΡΠΏΠΈΡΠΈ ΠΊΡΠ΅ΠΏΡΡΡΡ ΠΊ ΡΡΠ΅Π½ΠΊΠ°ΠΌ Π°Π³ΡΠ΅Π³Π°ΡΠ° ΠΈ ΠΌΠ΅ΠΆΠ΄Ρ ΡΠΎΠ±ΠΎΠΉ ΡΠΏΠ΅ΡΠΈΠ°Π»ΡΠ½ΠΎΠΉ ΠΏΡΠΎΠ²ΠΎΠ»ΠΎΠΊΠΎΠΉ. ΠΠΎΡΡΠ΅Π΄ΠΈΠ½Π΅ ΠΏΠ΅ΡΠΈ Π²Π½ΡΡΡΠΈ ΡΡΡΠ°Π½Π°Π²Π»ΠΈΠ²Π°Π΅ΡΡΡ ΡΠ΅ΡΠ΅ΡΠΊΠ°, Π½Π° ΠΊΠΎΡΠΎΡΡΡ Π½Π°ΠΊΠ»Π°Π΄ΡΠ²Π°ΡΡ ΠΊΠ°ΠΌΠ½ΠΈ.
ΠΡΠΎΡΠΎΠΉ Π²Π°ΡΠΈΠ°Π½Ρ Π±ΠΎΠ»Π΅Π΅ ΠΏΡΠΎΡΡΠΎΠΉ. ΠΠ»Ρ ΡΡΠΎΠ³ΠΎ ΠΏΠ΅ΡΠΊΡ ΠΏΠΎ Π²ΡΠ΅ΠΌΡ ΠΏΠ΅ΡΠΈΠΌΠ΅ΡΡΡ ΠΎΡΠ΄Π΅Π»ΡΠ²Π°ΡΡ ΠΌΠ΅ΡΠ°Π»Π»ΠΈΡΠ΅ΡΠΊΠΎΠΉ ΡΠ΅ΡΠ΅ΡΠΊΠΎΠΉ ΡΠ°ΠΊ, ΡΡΠΎΠ±Ρ ΠΌΠ΅ΠΆΠ΄Ρ ΡΡΠ΅Π½ΠΊΠ°ΠΌΠΈ ΠΏΡΠΈΠ±ΠΎΡΠ° ΠΈ ΡΠ΅ΡΠ΅ΡΠΊΠΈ ΠΎΡΡΠ°Π²Π°Π»ΡΡ Π΄ΠΎΡΡΠ°ΡΠΎΡΠ½ΠΎ Π²Π½ΡΡΠΈΡΠ΅Π»ΡΠ½ΡΠΉ Π·Π°Π·ΠΎΡ. Π Π½Π΅Π³ΠΎ ΠΈ Π·Π°ΡΡΠΏΠ°ΡΡ ΠΊΠ°ΠΌΠ½ΠΈ.
ΠΠΎΠΌΠ±ΠΈΠ½ΠΈΡΠΎΠ²Π°Π½Π½ΡΠΉ Π²Π°ΡΠΈΠ°Π½Ρ ΡΠ°ΠΌΡΠΉ ΡΠ»ΠΎΠΆΠ½ΡΠΉ. ΠΠ»Ρ ΡΡΠΎΠ³ΠΎ ΠΊΠ°ΠΌΠ΅Π½ΠΊΡ ΡΡΡΡΠ°ΠΈΠ²Π°ΡΡ ΠΏΠΎΠ²Π΅ΡΡ ΠΊΠΎΡΠ»Π°, Π΄Π»Ρ ΡΠ΅Π³ΠΎ ΡΠΎΠΎΡΡΠΆΠ°Π΅ΡΡΡ Π΄ΠΎΠΏΠΎΠ»Π½ΠΈΡΠ΅Π»ΡΠ½Π°Ρ ΠΏΡΠΎΡΠ½Π°Ρ ΠΊΠΎΠ½ΡΡΡΡΠΊΡΠΈΡ. ΠΡΠΎ ΡΡΠ»ΠΎΠΆΠ½ΡΠ΅Ρ Π°Π³ΡΠ΅Π³Π°Ρ ΠΈ ΡΠ²Π΅Π»ΠΈΡΠΈΠ²Π°Π΅Ρ Π΅Π³ΠΎ ΡΡΠΎΠΈΠΌΠΎΡΡΡ. ΠΠΎ ΡΠ°Π±ΠΎΡΠ°Π΅Ρ ΠΎΠ½ Π³ΠΎΡΠ°Π·Π΄ΠΎ ΡΡΡΠ΅ΠΊΡΠΈΠ²Π½Π΅Π΅ Π·Π° ΡΡΠ΅Ρ ΡΡΡΠ°Π½ΠΎΠ²ΠΊΠΈ Π΄ΠΎΠΏΠΎΠ»Π½ΠΈΡΠ΅Π»ΡΠ½ΡΡ ΡΠ»Π΅ΠΌΠ΅Π½ΡΠΎΠ² ΠΎΡΠ΄Π°ΡΠΈ ΡΠ΅ΠΏΠ»ΠΎΠ²ΠΎΠΉ ΡΠ½Π΅ΡΠ³ΠΈΠΈ.
Π’ΠΈΠΏΡ ΡΠΎΠΏΠ»ΠΈΠ²Π°
Π ΡΡΠΎΠΉ ΠΊΠ°ΡΠ΅Π³ΠΎΡΠΈΠΈ Π²ΡΠ΅Π³ΠΎ Π»ΠΈΡΡ ΡΡΠΈ Π³ΡΡΠΏΠΏΡ ΠΈΠ·Π΄Π΅Π»ΠΈΠΉ:
- ΠΠ΅ΡΠΈ ΡΠ»Π΅ΠΊΡΡΠΈΡΠ΅ΡΠΊΠΈΠ΅. Π ΠΈΡ ΠΊΠΎΠΌΠΏΠ»Π΅ΠΊΡΠ°ΡΠΈΡ Π²Ρ ΠΎΠ΄ΡΡ ΠΌΠ΅ΡΠ°Π»Π»ΠΈΡΠ΅ΡΠΊΠΈΠΉ ΠΊΠΎΡΠΏΡΡ ΠΈ Π’ΠΠ. Π’ΡΠ΅Π±ΠΎΠ²Π°Π½ΠΈΠ΅ β Ρ ΠΎΡΠΎΡΠ°Ρ ΠΈΠ·ΠΎΠ»ΡΡΠΈΡ ΠΊΠ»Π΅ΠΌΠΌ ΠΈ ΠΌΠ΅ΡΡ ΠΏΠΎΠ΄ΠΊΠ»ΡΡΠ΅Π½ΠΈΡ.
- ΠΠ°Π·ΠΎΠ²ΡΠ΅. Π ΠΈΡ ΡΠΎΡΡΠ°Π²Π΅ ΠΊΡΠΎΠΌΠ΅ ΠΊΠΎΡΠΏΡΡΠ° Π΅ΡΡΡ Π³ΠΎΡΠ΅Π»ΠΊΠ°, ΠΏΠΎΠ΄Π°ΡΡΠ°Ρ ΡΠΎΠΏΠ»ΠΈΠ²ΠΎ Π² ΡΠΎΠΏΠΊΡ. Π‘ΠΏΠ΅ΡΠΈΠ°Π»ΠΈΡΡΡ ΡΠ΅ΠΊΠΎΠΌΠ΅Π½Π΄ΡΡΡ ΡΡΡΠ°Π½ΠΎΠ²ΠΈΡΡ Π±Π»ΠΎΠΊ Π±Π΅Π·ΠΎΠΏΠ°ΡΠ½ΠΎΡΡΠΈ Π² Π²ΠΈΠ΄Π΅ Π½Π΅ΡΠ»ΠΎΠΆΠ½ΠΎΠΉ Π°Π²ΡΠΎΠΌΠ°ΡΠΈΡΠ΅ΡΠΊΠΎΠΉ ΡΠΈΡΡΠ΅ΠΌΡ ΠΊΠΎΠ½ΡΡΠΎΠ»Ρ. Π ΠΏΡΠΈΠΌΠ΅ΡΡ, ΡΠ΅ΡΠΌΠΎΡΠ΅Π³ΡΠ»ΡΡΠΎΡ, Π΄Π°ΡΡΠΈΠΊ ΡΠ΅ΠΌΠΏΠ΅ΡΠ°ΡΡΡΡ ΠΈ Π΄Π°ΡΡΠΈΠΊ ΠΏΠ»Π°ΠΌΠ΅Π½ΠΈ. ΠΠΎΡΠ»Π΅Π΄Π½ΠΈΠΉ ΠΎΡΠΎΠ±Π΅Π½Π½ΠΎ Π²Π°ΠΆΠ΅Π½ β ΠΎΠ½ Π±ΡΠ΄Π΅Ρ ΠΊΠΎΠ½ΡΡΠΎΠ»ΠΈΡΠΎΠ²Π°ΡΡ ΠΏΠΎΠ΄Π°ΡΡ Π³Π°Π·Π°. ΠΡΠΈ Π·Π°ΡΡΡ Π°Π½ΠΈΠΈ ΠΏΠ»Π°ΠΌΠ΅Π½ΠΈ ΠΎΠ½ Π΄Π°ΡΡ ΠΊΠΎΠΌΠ°Π½Π΄Ρ ΠΊΠ»Π°ΠΏΠ°Π½Ρ, ΠΊΠΎΡΠΎΡΡΠΉ ΠΏΠ΅ΡΠ΅ΠΊΡΠΎΠ΅Ρ Π³Π°Π·ΠΎΠ²ΡΡ ΡΡΡΠ±Π½ΡΡ ΠΌΠ°Π³ΠΈΡΡΡΠ°Π»Ρ.
- ΠΡΠΎΠ²ΡΠ½ΡΠ΅. ΠΡΠΎ ΡΠ°ΠΌΡΠ΅ ΠΏΡΠΎΡΡΡΠ΅ ΠΊΠΎΠ½ΡΡΡΡΠΊΡΠΈΠΈ, Π² ΠΊΠΎΡΠΎΡΡΡ Π½Π΅ ΠΈΡΠΏΠΎΠ»ΡΠ·ΡΡΡΡΡ ΠΏΠΎΠ΄Π²ΠΎΠ΄ΡΡΠΈΠ΅ ΡΠ΅ΡΠΈ ΡΠ½Π΅ΡΠ³ΠΎΠ½ΠΎΡΠΈΡΠ΅Π»Π΅ΠΉ. Π Π½ΠΈΠΌ, ΠΊΡΡΠ°ΡΠΈ, ΠΎΡΠ½ΠΎΡΡΡΡΡ ΠΈ Π±ΡΡΠΆΡΠΉΠΊΠΈ.
ΠΡΠΈΠΌΠ΅Ρ ΠΊΠΎΠ½ΡΡΡΡΠΊΡΠΈΠΈ ΡΠ°ΠΌΠΎΠ΄Π΅Π»ΡΠ½ΠΎΠΉ ΠΏΠ΅ΡΠΊΠΈ
Π‘Π°ΠΌΠΎΠ΄Π΅Π»ΡΠ½Π°Ρ ΠΏΠ΅ΡΡ Π΄Π»Ρ Π±Π°Π½ΠΈ ΠΈΠ· ΠΌΠ΅ΡΠ°Π»Π»Π° Π²ΡΠ΄Π΅Π»ΡΠ΅Ρ ΠΆΠ΅ΡΡΠΊΠΎΠ΅ ΡΠ΅ΠΏΠ»ΠΎ. ΠΠΌΠ΅Π½Π½ΠΎ ΠΏΠΎΡΡΠΎΠΌΡ ΠΌΠ½ΠΎΠ³ΠΈΠ΅ ΠΏΡΠ΅Π΄ΠΏΠΎΡΠΈΡΠ°ΡΡ Π°Π³ΡΠ΅Π³Π°ΡΡ ΠΈΠ· ΠΊΠΈΡΠΏΠΈΡΠ°. ΠΠΎ Ρ ΠΌΠ΅ΡΠ°Π»Π»ΠΈΡΠ΅ΡΠΊΠΎΠ³ΠΎ Π²Π°ΡΠΈΠ°Π½ΡΠ° Π΅ΡΡΡ ΠΌΠ½ΠΎΠ³ΠΎ ΠΏΡΠ΅ΠΈΠΌΡΡΠ΅ΡΡΠ²:
- ΠΡΡΠΎΠΊΠ°Ρ ΡΠ΅ΠΏΠ»ΠΎΠΎΡΠ΄Π°ΡΠ° ΠΌΠ΅ΡΠ°Π»Π»Π°. ΠΠ°ΡΠΈΠ»ΠΊΠ° Ρ ΠΆΠ΅Π»Π΅Π·Π½ΠΎΠΉ ΠΏΠ΅ΡΠΊΠΎΠΉ Π½Π°Π³ΡΠ΅Π²Π°Π΅ΡΡΡ Π·Π° ΡΠ°Ρ ΠΈΠ»ΠΈ ΠΏΠΎΠ»ΡΠΎΡΠ°. ΠΠΈΡΠΏΠΈΡΠ½ΡΡ ΠΏΠ΅ΡΠΊΡ ΠΏΡΠΈΠ΄Π΅ΡΡΡ Π³ΡΠ΅ΡΡ Π½Π΅ΡΠΊΠΎΠ»ΡΠΊΠΎ ΡΠ°ΡΠΎΠ².
- ΠΡΠΎ Π³Π΅ΡΠΌΠ΅ΡΠΈΡΠ½Π°Ρ ΠΊΠΎΠ½ΡΡΡΡΠΊΡΠΈΡ, ΠΈΠ· ΠΊΠΎΡΠΎΡΠΎΠΉ ΡΠ³Π°ΡΠ½ΡΠ΅ Π³Π°Π·Ρ Π²ΡΠ»Π΅ΡΠ°ΡΡ Π² ΡΡΡΠ±Ρ Π΄ΡΠΌΠΎΡ ΠΎΠ΄Π°. Π ΡΡΠΎΠΌ ΠΏΠ»Π°Π½Π΅ ΡΡΡΡΠΎΠΉΡΡΠ²ΠΎ ΠΊΠΈΡΠΏΠΈΡΠ½ΠΎΠΉ ΠΏΠ΅ΡΠΊΠΈ ΡΠ²Π½ΠΎ Π½Π΅ Π½Π° Π²ΡΡΠΎΡΠ΅. ΠΡΠ»ΠΈ Π²Ρ Π½Π΅ ΡΠΏΠ΅ΡΠΈΠ°Π»ΠΈΡΡ ΠΈ ΡΠ΄Π΅Π»Π°Π»ΠΈ Π΅Π΅ ΡΠ²ΠΎΠΈΠΌΠΈ ΡΡΠΊΠ°ΠΌΠΈ, ΡΠΎ Π²Π΅Π»ΠΈΠΊΠ° Π²Π΅ΡΠΎΡΡΠ½ΠΎΡΡΡ, ΡΡΠΎ Π² ΠΊΠΎΠ½ΡΡΡΡΠΊΡΠΈΠΈ ΠΌΠ΅ΠΆΠ΄Ρ ΠΊΠ»Π°Π΄ΠΊΠ°ΠΌΠΈ ΠΊΠΈΡΠΏΠΈΡΠ΅ΠΉ ΠΎΡΡΠ°Π½ΡΡΡΡ ΡΠ΅Π»ΠΈ. Π§Π΅ΡΠ΅Π· Π½ΠΈΡ Π΄ΡΠΌ Π±ΡΠ΄Π΅Ρ ΠΏΡΠΎΡΠ°ΡΠΈΠ²Π°ΡΡΡΡ Π²Π½ΡΡΡΡ ΠΏΠΎΠΌΠ΅ΡΠ΅Π½ΠΈΡ Π±Π°Π½ΠΈ.
- ΠΠ°ΠΆΠ΅ Π΅ΡΠ»ΠΈ ΠΈΡΠΏΠΎΠ»ΡΠ·ΠΎΠ²Π°ΡΡ Π²Π»Π°ΠΆΠ½ΡΠ΅ Π΄ΡΠΎΠ²Π°, ΡΠ°ΠΌΠΎΠ΄Π΅Π»ΡΠ½Π°Ρ ΠΏΠ΅ΡΠΊΠ° ΠΈΠ· ΠΌΠ΅ΡΠ°Π»Π»Π° ΠΈΡ ΠΏΠ΅ΡΠ΅ΡΠ°Π±ΠΎΡΠ°Π΅Ρ.
ΠΡΡΠ°ΡΠΈ, ΠΌΠΎΠ½ΡΠ°ΠΆ ΠΏΠ΅ΡΠΈ Π΄Π»Ρ Π΄ΠΎΠΌΠ° ΠΈΠ»ΠΈ Π±Π°Π½ΠΈ Π½Π°Π΄ΠΎ Π½Π°ΡΠΈΠ½Π°ΡΡ Ρ ΡΡΡΠ°Π½ΠΎΠ²ΠΊΠΈ Π΄ΡΠΌΠΎΡ ΠΎΠ΄Π°, ΠΏΠΎΡΠ»Π΅ ΡΠ΅Π³ΠΎ ΠΏΡΠΈΠ±ΠΎΡ ΠΏΠΎΠ΄ΡΡΡΠ°ΠΈΠ²Π°Π΅ΡΡΡ ΠΏΠΎΠ΄ Π½Π΅Π³ΠΎ.
ΠΡΠ°ΠΊ, ΡΠ΄Π΅Π»Π°ΡΡ ΠΏΠ΅ΡΡ Π΄Π»Ρ Π±Π°Π½ΠΈ ΡΠ²ΠΎΠΈΠΌΠΈ ΡΡΠΊΠ°ΠΌΠΈ Π±ΡΠ΄Π΅Ρ Π½Π΅ ΠΎΡΠ΅Π½Ρ ΡΠ»ΠΎΠΆΠ½ΠΎ, Π΅ΡΠ»ΠΈ Π²Ρ Π²Π»Π°Π΄Π΅Π΅ΡΠ΅ Π½Π°Π²ΡΠΊΠ°ΠΌΠΈ ΡΠ°Π±ΠΎΡΡ ΡΠΎ ΡΠ²Π°ΡΠΎΡΠ½ΡΠΌ Π°ΠΏΠΏΠ°ΡΠ°ΡΠΎΠΌ. Π Π΅Π΅ ΠΊΠΎΠ½ΡΡΡΡΠΊΡΠΈΠΈ Π²ΡΠ΅Π³ΠΎ Π΄Π²Π° Π±ΠΎΠ»ΡΡΠΈΡ ΡΠ»Π΅ΠΌΠ΅Π½ΡΠ° β ΠΊΠ°ΠΌΠ΅ΡΠ° ΡΠ³ΠΎΡΠ°Π½ΠΈΡ ΠΈ Π²ΠΎΠ΄ΡΠ½ΠΎΠΉ Π±Π°ΠΊ. ΠΡΠΏΠΎΠ»ΡΠ·ΠΎΠ²Π°ΡΡ Π΄Π»Ρ ΡΠ°ΠΌΠΎΠ΄Π΅Π»ΡΠ½ΠΎΠ³ΠΎ Π°Π³ΡΠ΅Π³Π°ΡΠ° Π»ΡΡΡΠ΅ Π²ΡΠ΅Π³ΠΎ ΡΡΡΠ±Ρ Ρ ΡΠΎΠ»ΡΠΈΠ½ΠΎΠΉ ΡΡΠ΅Π½ΠΊΠΈ Π½Π΅ ΠΌΠ΅Π½Π΅Π΅ 10 ΠΌΠΌ.
ΠΠΎΡΠ»Π΅Π΄ΠΎΠ²Π°ΡΠ΅Π»ΡΠ½ΠΎΡΡΡ ΠΌΠΎΠ½ΡΠ°ΠΆΠ° ΠΏΠ΅ΡΠΊΠΈ

Π§Π΅ΡΡΠ΅ΠΆ ΠΏΠ΅ΡΠΊΠΈ Π΄Π»Ρ Π±Π°Π½ΠΈ
ΠΠΎΠ½ΡΠ°ΠΆ ΠΏΠ΅ΡΠΈ ΠΏΡΠΎΠ²ΠΎΠ΄ΠΈΡΡΡ Π² ΡΠ»Π΅Π΄ΡΡΡΠ΅ΠΌ ΠΏΠΎΡΡΠ΄ΠΊΠ΅. Π‘Π½Π°ΡΠ°Π»Π° ΡΡΠ°Π²ΠΈΡΠ΅ ΡΡΡΠ±Ρ Π²Π΅ΡΡΠΈΠΊΠ°Π»ΡΠ½ΠΎ ΠΈ Π΄Π΅Π»ΠΈΡΠ΅ Π΅Π΅ Π½Π° Π΄Π²Π΅ ΡΠΎΠ²Π½ΡΠ΅ ΡΠ°ΡΡΠΈ Π³ΠΎΡΠΈΠ·ΠΎΠ½ΡΠ°Π»ΡΠ½ΡΠΌ Π±Π»ΠΈΠ½ΠΎΠΌ. ΠΠ½ ΠΏΡΠΈΠ²Π°ΡΠΈΠ²Π°Π΅ΡΡΡ Π³Π΅ΡΠΌΠ΅ΡΠΈΡΠ½ΡΠΌ ΡΠΏΠ»ΠΎΡΠ½ΡΠΌ ΡΠ²ΠΎΠΌ, Π»ΡΡΡΠ΅ Ρ Π΄Π²ΡΡ ΡΡΠΎΡΠΎΠ½. ΠΠΈΠΆΠ½ΡΡ ΡΠ°ΡΡΡ Π±ΡΠ΄Π΅Ρ ΡΠΎΠΏΠΊΠΎΠΉ. Π Π½Π΅Π΅ ΡΡΡΠ°Π½Π°Π²Π»ΠΈΠ²Π°Π΅ΡΡΡ ΡΠ΅ΡΠ΅ΡΠΊΠ° ΠΈ Π΄Π΅Π»Π°Π΅ΡΡΡ Π΄Π²Π΅ΡΡΠ° Π΄Π»Ρ Π·Π°Π³ΡΡΠ·ΠΊΠΈ Π΄ΡΠΎΠ², Π° ΡΠ½ΠΈΠ·Ρ ΠΎΠ±ΡΠ·Π°ΡΠ΅Π»ΡΠ½ΠΎ Π²ΡΡΠ΅Π·Π°Π΅ΡΡΡ ΠΏΠΎΠ΄Π΄ΡΠ²Π°Π»ΠΎ. Π Π³ΠΎΡΠΈΠ·ΠΎΠ½ΡΠ°Π»ΡΠ½ΠΎΠΌ Π±Π»ΠΈΠ½Π΅ Π΄Π΅Π»Π°Π΅ΡΡΡ ΠΎΡΠ²Π΅ΡΡΡΠΈΠ΅ ΠΏΠΎΠ΄ Π΄ΡΠΌΠΎΡ ΠΎΠ΄Π½ΡΡ ΡΡΡΠ±Ρ, ΠΊΡΠ΄Π° Π²ΡΡΠ°Π²Π»ΡΠ΅ΡΡΡ ΠΈ ΠΏΡΠΈΠ²Π°ΡΠΈΠ²Π°Π΅ΡΡΡ Π΄ΡΠΌΠΎΡ ΠΎΠ΄.
Π ΠΎΠ±ΡΠ°Π·ΠΎΠ²Π°Π²ΡΠ΅Π΅ΡΡ Π²Π΅ΡΡ Π½Π΅Π΅ ΠΏΡΠΎΡΡΡΠ°Π½ΡΡΠ²ΠΎ Π·Π°ΡΡΠΏΠ°ΡΡΡΡ ΠΊΠ°ΠΌΠ½ΠΈ β ΡΡΠΎ Π±ΡΠ΄Π΅Ρ ΠΊΠ°ΠΌΠ΅Π½ΠΊΠ°. Π’Π΅ΠΏΠ΅ΡΡ ΠΊ ΠΎΡΠ½ΠΎΠ²Π½ΠΎΠΉ ΡΡΡΠ±Π΅ ΠΏΡΠΈΠ²Π°ΡΠΈΠ²Π°ΡΡΡΡ ΠΏΠΎ ΠΏΠ΅ΡΠΈΠΌΠ΅ΡΡΡ Π½Π΅ΡΠΊΠΎΠ»ΡΠΊΠΎ ΠΎΡΡΠ΅Π·ΠΊΠΎΠ² ΠΌΠ΅ΡΠ°Π»Π»ΠΈΡΠ΅ΡΠΊΠΎΠΉ Π°ΡΠΌΠ°ΡΡΡΡ. ΠΠ° Π½ΠΈΡ ΡΠ°ΡΠΏΠΎΠ»Π°Π³Π°Π΅ΡΡΡ Π±Π°ΠΊ, Π² ΠΊΠΎΡΠΎΡΡΠΉ Π²ΡΡΠ°Π²Π»Π΅Π½Π° Π²Π΅ΡΡΠΈΠΊΠ°Π»ΡΠ½Π°Ρ ΡΡΡΠ±Π°. ΠΠ½Π° Π±ΡΠ΄Π΅Ρ ΠΏΡΠΎΠ΄ΠΎΠ»ΠΆΠ΅Π½ΠΈΠ΅ΠΌ Π΄ΡΠΌΠΎΡ ΠΎΠ΄Π° ΠΏΠ΅ΡΠΈ. ΠΡΡΠ°ΡΠΈ, Π±Π°ΠΊ ΠΌΠΎΠΆΠ΅Ρ Π±ΡΡΡ ΡΡΠ΅ΠΌΠ½ΡΠΌ ΠΈΠ»ΠΈ ΡΠ΅Π»ΡΠ½ΡΠΌ Ρ Π½Π°Π³ΡΠ΅Π²Π°ΡΠ΅Π»ΡΠ½ΡΠΌ ΠΏΡΠΈΠ±ΠΎΡΠΎΠΌ.
Π’Π΅ΠΏΠ΅ΡΡ ΠΌΠΎΠΆΠ½ΠΎ ΡΠΎΠ±ΡΠ°ΡΡ ΠΏΠ΅ΡΡ ΠΈ ΠΎΠΏΡΠΎΠ±ΠΎΠ²Π°ΡΡ Π΅Π΅ Π² ΡΠ°Π±ΠΎΡΠ΅. Π ΡΠΎΠΏΠΊΠ΅ ΡΠ°Π·ΠΆΠΈΠ³Π°ΡΡΡΡ Π΄ΡΠΎΠ²Π°, Π² ΠΊΠ°ΠΌΠ΅Π½ΠΊΡ Π·Π°ΠΊΠ»Π°Π΄ΡΠ²Π°ΡΡΡΡ ΠΊΠ°ΠΌΠ½ΠΈ, Π° Π² Π±Π°ΠΊ Π·Π°Π»ΠΈΠ²Π°Π΅ΡΡΡ Π²ΠΎΠ΄Π°. Π§Π΅ΡΠ΅Π· 1,0β1,5 ΡΠ°ΡΠ° ΠΏΠ°ΡΠΈΠ»ΠΊΠ° ΠΈ Π²ΠΎΠ΄Π° Π΄ΠΎΠ»ΠΆΠ½Ρ Π½Π°Π³ΡΠ΅ΡΡΡΡ Π΄ΠΎ Π½Π΅ΠΎΠ±Ρ ΠΎΠ΄ΠΈΠΌΠΎΠΉ ΡΠ΅ΠΌΠΏΠ΅ΡΠ°ΡΡΡΡ. ΠΡΠ»ΠΈ Π²ΡΠ΅ Π² ΠΏΠΎΡΡΠ΄ΠΊΠ΅, ΠΈ ΡΠ°Π±ΠΎΡΠ° ΠΏΠ΅ΡΠΊΠΈ Π²Π°Ρ ΠΏΠΎΠ»Π½ΠΎΡΡΡΡ ΡΡΡΡΠ°ΠΈΠ²Π°Π΅Ρ, ΠΌΠΎΠΆΠ½ΠΎ ΠΏΠ΅ΡΠ΅Ρ ΠΎΠ΄ΠΈΡΡ ΠΊ Π΅Π΅ ΡΡΡΠ°Π½ΠΎΠ²ΠΊΠ΅. Π£ΡΡΠ°Π½ΠΎΠ²ΠΈΠ»ΠΈ? ΠΠ±ΡΠ·Π°ΡΠ΅Π»ΡΠ½ΠΎ ΠΎΠ±Π»ΠΈΡΡΠΉΡΠ΅ Π΅Π΅ ΠΊΠΈΡΠΏΠΈΡΠΎΠΌ. ΠΡΠΎ ΠΎΠ±Π΅ΡΠ΅ΠΆΠ΅Ρ Π²Π°Ρ ΠΎΡ ΠΎΠΆΠΎΠ³ΠΎΠ² ΠΈ Π±ΡΠ΄Π΅Ρ ΡΠ°Π²Π½ΠΎΠΌΠ΅ΡΠ½ΠΎ ΡΠ°ΡΠΏΡΠ΅Π΄Π΅Π»ΡΡΡ ΡΠ΅ΠΏΠ»ΠΎΠ²ΡΡ ΡΠ½Π΅ΡΠ³ΠΈΡ ΠΏΠΎ Π²ΡΠ΅ΠΌΡ ΠΏΠΎΠΌΠ΅ΡΠ΅Π½ΠΈΡ.
Π’Π°ΠΊΠΎΠ΅ ΡΡΡΡΠΎΠΉΡΡΠ²ΠΎ ΠΏΠ΅ΡΠΈ ΠΈΠ· ΠΎΠ±ΡΡΠ½ΠΎΠΉ ΡΡΡΠ±Ρ β Π½Π΅ Π΅Π΄ΠΈΠ½ΡΡΠ²Π΅Π½Π½ΡΠΉ Π²Π°ΡΠΈΠ°Π½Ρ. ΠΠΌΠ΅ΡΡΠΎ ΡΡΡΠ±Ρ ΠΌΠΎΠΆΠ½ΠΎ ΠΈΡΠΏΠΎΠ»ΡΠ·ΠΎΠ²Π°ΡΡ ΠΌΠ΅ΡΠ°Π»Π»ΠΈΡΠ΅ΡΠΊΠΈΠ΅ Π»ΠΈΡΡΡ. Π’ΠΎΠ³Π΄Π° ΠΏΠ΅ΡΠΊΠ° Π±ΡΠ΄Π΅Ρ ΠΏΡΡΠΌΠΎΡΠ³ΠΎΠ»ΡΠ½ΠΎΠ³ΠΎ ΡΠ΅ΡΠ΅Π½ΠΈΡ, Π½ΠΎ ΡΡΠΎ Π½ΠΈΠΊΠΎΠΈΠΌ ΠΎΠ±ΡΠ°Π·ΠΎΠΌ Π½Π΅ ΡΠΊΠ°ΠΆΠ΅ΡΡΡ Π½Π° ΠΊΠ°ΡΠ΅ΡΡΠ²Π΅ ΡΠ΅ΠΏΠ»ΠΎΠ²ΠΎΠΉ ΠΎΡΠ΄Π°ΡΠΈ ΠΏΡΠΈΠ±ΠΎΡΠ°. ΠΡΡΠ°ΡΠΈ, Π½Π΅ ΡΡΠΎΠΈΡ ΠΎΠ±ΡΠ°ΡΠ°ΡΡ Π²Π½ΠΈΠΌΠ°Π½ΠΈΠ΅ Π½Π° Π²Π½Π΅ΡΠ½ΠΈΠΉ Π²ΠΈΠ΄ Π°Π³ΡΠ΅Π³Π°ΡΠ°. ΠΠ½, Π΅ΡΡΠ΅ΡΡΠ²Π΅Π½Π½ΠΎ, Π±ΡΠ΄Π΅Ρ ΡΡΡΡΠΏΠ°ΡΡ Π·Π°Π²ΠΎΠ΄ΡΠΊΠΈΠΌ Π°Π½Π°Π»ΠΎΠ³Π°ΠΌ. ΠΡΠΎ Π½Π΅ΠΏΡΠΈΡΡΠ½ΠΎΡΡΡ ΠΏΠΎΠΏΡΠ°Π²ΠΈΠΌΠ°, ΠΏΠΎΡΠΊΠΎΠ»ΡΠΊΡ Π°Π³ΡΠ΅Π³Π°Ρ Π²Ρ ΠΎΠ±Π»ΠΈΡΡΠ΅ΡΠ΅ ΠΊΠΈΡΠΏΠΈΡΠΎΠΌ. Π Π²ΠΎΡ Π΄Π»Ρ Π΅Π³ΠΎ ΠΊΠ»Π°Π΄ΠΊΠΈ, Π΅ΡΠ»ΠΈ Π²Ρ Π½Π΅ΡΠΏΠ΅ΡΠΈΠ°Π»ΠΈΡΡ, ΡΠ΅ΠΊΠΎΠΌΠ΅Π½Π΄ΡΠ΅ΠΌ ΠΏΡΠΈΠ³Π»Π°ΡΠΈΡΡ ΠΌΠ°ΡΡΠ΅ΡΠ°. Π§ΡΠΎ Π½ΠΈ Π³ΠΎΠ²ΠΎΡΠΈ, Π° ΡΡΡΠ΅ΡΠΈΡΠ΅ΡΠΊΠ°Ρ ΡΡΠΎΡΠΎΠ½Π° Π»ΡΠ±ΠΎΠ³ΠΎ Π΄Π΅Π»Π° Π΄ΠΎΠ»ΠΆΠ½Π° Π±ΡΡΡ Π½Π° ΡΠ°ΠΌΠΎΠΌ Π²ΡΡΠΎΠΊΠΎΠΌ ΡΡΠΎΠ²Π½Π΅.
ΠΠ°ΠΆΠ½Π° Π»ΠΈ ΡΠΎΡΠΌΠ° ΠΏΠ΅ΡΠΊΠΈ?
ΠΠ΅ΡΡ Π΄Π»Ρ Π±Π°Π½ΠΈ ΠΈΠ· ΠΌΠ΅ΡΠ°Π»Π»Π° ΡΠ΅ΡΡΠ΅ΠΆ
ΠΠΎΠΏΡΠΎΡ, ΠΏΠ΅ΡΡ ΠΊΠ°ΠΊΠΎΠΉ ΡΠΎΡΠΌΡ ΡΠ°Π±ΠΎΡΠ°Π΅Ρ ΡΡΡΠ΅ΠΊΡΠΈΠ²Π½ΠΎ, Π° ΠΊΠ°ΠΊΠ°Ρ Π½Π΅ ΠΎΡΠ΅Π½Ρ, ΡΠ΅Π³ΠΎΠ΄Π½Ρ Π·Π°Π΄Π°ΡΡ ΠΌΠ½ΠΎΠ³ΠΈΠ΅ ΠΎΠ±ΡΠ²Π°ΡΠ΅Π»ΠΈ, ΠΊΠΎΡΠΎΡΡΠ΅ ΡΠ΅ΡΠΈΠ»ΠΈ ΡΠ°ΠΌΠΎΡΡΠΎΡΡΠ΅Π»ΡΠ½ΠΎ ΠΈΠ·Π³ΠΎΡΠΎΠ²ΠΈΡΡ ΠΏΠ΅ΡΡ ΠΈΠ· ΠΌΠ΅ΡΠ°Π»Π»Π°. Π Π°Π·Π½ΠΈΡΠ°, ΠΊΠΎΠ½Π΅ΡΠ½ΠΎ, Π΅ΡΡΡ:
- ΠΡΡΠΌΠΎΡΠ³ΠΎΠ»ΡΠ½ΡΠ΅ ΠΊΠΎΠ½ΡΡΡΡΠΊΡΠΈΠΈ Π±ΠΎΠ»Π΅Π΅ ΡΡΡΠΎΠΉΡΠΈΠ²Ρ ΠΊ ΠΏΠ΅ΡΠ΅ΠΏΠ°Π΄Π°ΠΌ ΡΠ΅ΠΌΠΏΠ΅ΡΠ°ΡΡΡΡ. Π₯ΠΎΡΡ ΡΠΏΠ΅ΡΠΈΠ°Π»ΠΈΡΡΡ Π³ΠΎΠ²ΠΎΡΡΡ ΠΎ ΡΠΎΠΌ, ΡΡΠΎ Π΄Π°ΠΆΠ΅ ΠΈΡ Π½Π΅ΠΎΠ±Ρ ΠΎΠ΄ΠΈΠΌΠΎ ΡΡΠΈΠ»ΠΈΠ²Π°ΡΡ ΡΠ³ΠΎΠ»ΠΊΠ°ΠΌΠΈ, ΠΊΠΎΡΠΎΡΡΠ΅ Π²ΡΠΏΠΎΠ»Π½ΡΡΡ ΡΡΠ½ΠΊΡΠΈΡ ΡΠ΅Π±Π΅Ρ ΠΆΠ΅ΡΡΠΊΠΎΡΡΠΈ. ΠΠΎΠ±Π°Π²ΠΈΠΌ, ΡΡΠΎ Π² ΡΠ³Π»Π°Ρ ΡΡΠΎΠΉ ΠΊΠΎΠ½ΡΡΡΡΠΊΡΠΈΠΈ ΡΠ΅ΠΌΠΏΠ΅ΡΠ°ΡΡΡΠ° Π²ΡΠ΅Π³Π΄Π° Π½ΠΈΠΆΠ΅, ΡΡΠΎ ΡΠΏΡΠΎΡΠ°Π΅Ρ ΠΏΡΠΎΡΠ΅ΡΡ ΠΎΠ±ΡΠ»ΡΠΆΠΈΠ²Π°Π½ΠΈΡ.
- ΠΠ΅ΡΠΊΠΈ ΡΠΈΠ»ΠΈΠ½Π΄ΡΠΈΡΠ΅ΡΠΊΠΎΠΉ ΡΠΎΡΠΌΡ ΠΈΠ· ΠΌΠ΅ΡΠ°Π»Π»Π° Π±ΠΎΠ»ΡΡΠΎΠΉ ΡΠΎΠ»ΡΠΈΠ½Ρ ΠΎΠ±Π»Π°Π΄Π°ΡΡ Π²ΡΡΠΎΠΊΠΎΠΉ ΠΌΠ΅Ρ Π°Π½ΠΈΡΠ΅ΡΠΊΠΎΠΉ ΠΏΡΠΎΡΠ½ΠΎΡΡΡΡ.
- ΠΠΎΡΠΈΠ·ΠΎΠ½ΡΠ°Π»ΡΠ½ΡΠ΅ ΠΎΠ±ΡΠ°Π·ΡΡ Π½Π΅ΡΠ°Π²Π½ΠΎΠΌΠ΅ΡΠ½ΠΎ ΡΠ°ΡΠΏΡΠ΅Π΄Π΅Π»ΡΡΡ ΡΠ΅ΠΏΠ»ΠΎ ΠΏΠΎ ΡΡΠ°Π²Π½Π΅Π½ΠΈΡ Ρ Π²Π΅ΡΡΠΈΠΊΠ°Π»ΡΠ½ΡΠΌΠΈ. Π ΠΏΠΎΡΠ»Π΅Π΄Π½ΠΈΡ ΡΠ°ΠΌΠ°Ρ Π½Π°Π³ΡΠ΅ΡΠ°Ρ ΡΠ°ΡΡΡ β ΡΡΠΎ ΠΊΠ°ΠΌΠ΅ΡΠ° ΡΠ³ΠΎΡΠ°Π½ΠΈΡ, ΠΎΡΠΊΡΠ΄Π° ΡΠ΅ΠΏΠ»ΠΎ ΠΏΠΎ Π²Π΅ΡΡΠΈΠΊΠ°Π»ΠΈ ΡΠ°Π²Π½ΠΎΠΌΠ΅ΡΠ½ΠΎ ΡΠ°ΡΠΏΡΠ΅Π΄Π΅Π»ΡΠ΅ΡΡΡ ΠΈ ΠΏΠΎ ΠΊΠΎΠ½ΡΡΡΡΠΊΡΠΈΠΈ Π°Π³ΡΠ΅Π³Π°ΡΠ°, ΠΈ ΠΏΠΎ Π²ΡΠ΅ΠΌΡ ΠΎΠ±ΡΠ΅ΠΌΡ ΠΏΠΎΠΌΠ΅ΡΠ΅Π½ΠΈΡ.
Π Π²ΡΠ΅ ΠΆΠ΅ Π½Π° ΠΏΡΠΎΡΠ½ΠΎΡΡΡ ΠΊΠΎΠ½ΡΡΡΡΠΊΡΠΈΠΈ Π² ΠΏΠ΅ΡΠ²ΡΡ ΠΎΡΠ΅ΡΠ΅Π΄Ρ Π²Π»ΠΈΡΠ΅Ρ Π²ΡΠ±ΡΠ°Π½Π½ΡΠΉ ΠΌΠ΅ΡΠ°Π»Π», ΠΎΡΠΎΠ±Π΅Π½Π½ΠΎ Π΅Π³ΠΎ ΡΠΎΠ»ΡΠΈΠ½Π°. Π§Π΅ΠΌ ΡΠΎΠ»ΡΠ΅, ΡΠ΅ΠΌ Π½Π°Π΄Π΅ΠΆΠ½Π΅Π΅, Ρ ΠΎΡΡ ΡΡΠΎ ΡΠ²Π΅Π»ΠΈΡΠΈΠ²Π°Π΅Ρ Π²Π΅Ρ ΠΈΠ·Π΄Π΅Π»ΠΈΡ. ΠΠΎ ΡΡΠΈΡΡΠ²Π°ΠΉΡΠ΅ ΡΠΎΡ ΠΌΠΎΠΌΠ΅Π½Ρ, ΡΡΠΎ Π»ΠΈΡΡΠΎΠ²ΠΎΠΉ ΠΌΠ΅ΡΠ°Π»Π» Π² ΠΏΡΠΎΡΠ΅ΡΡΠ΅ Π½Π°Π³ΡΠ΅Π²Π° ΠΈΠ·ΠΌΠ΅Π½ΡΠ΅Ρ ΡΠ²ΠΎΠΈ Π»ΠΈΠ½Π΅ΠΉΠ½ΡΠ΅ ΡΠ°Π·ΠΌΠ΅ΡΡ, ΡΡΠΎ Π²Π»ΠΈΡΠ΅Ρ Π½Π° Π΅Π³ΠΎ ΠΏΡΠΎΡΠ½ΠΎΡΡΡ. ΠΡΠ»ΠΈ Π½Π΅ ΡΡΡΠ°Π½ΠΎΠ²ΠΈΡΡ ΡΠ΅Π±ΡΠ° ΠΆΠ΅ΡΡΠΊΠΎΡΡΠΈ, ΡΠΎ Π²Π΅ΡΠΎΡΡΠ½ΠΎΡΡΡ ΠΊΠΎΡΠΎΠ±Π»Π΅Π½ΠΈΡ ΠΈ ΠΎΠ±ΡΠ°Π·ΠΎΠ²Π°Π½ΠΈΡ ΡΡΠ΅ΡΠΈΠ½ ΡΠ΅Π·ΠΊΠΎ Π²ΠΎΠ·ΡΠ°ΡΡΠ°Π΅Ρ.
ΠΠ°ΠΊΠ»ΡΡΠ΅Π½ΠΈΠ΅ ΠΏΠΎ ΡΠ΅ΠΌΠ΅
ΠΠ°ΠΊ Π²ΠΈΠ΄ΠΈΡΠ΅, ΡΠ°ΠΌΠΎΠ΄Π΅Π»ΡΠ½ΡΡ ΠΏΠ΅ΡΠ΅ΠΉ ΠΏΠΎ ΡΠΈΠΏΡ ΠΊΠΎΠ½ΡΡΡΡΠΊΡΠΈΠΈ Π΄ΠΎΡΡΠ°ΡΠΎΡΠ½ΠΎ ΠΌΠ½ΠΎΠ³ΠΎ. ΠΠ°ΡΠΊΠΎΠ»ΡΠΊΠΎ ΠΎΠ½ΠΈ Ρ ΠΎΡΠΎΡΠΈ, ΠΏΠΎΠΊΠ°Π·ΡΠ²Π°Π΅Ρ ΠΆΠΈΠ·Π½Ρ ΠΈ ΠΏΡΠΎΠ΄ΠΎΠ»ΠΆΠΈΡΠ΅Π»ΡΠ½Π°Ρ ΠΈΡ ΡΠΊΡΠΏΠ»ΡΠ°ΡΠ°ΡΠΈΡ. ΠΠ΅ Π±ΡΠ΄Π΅ΠΌ ΡΡΠ²Π΅ΡΠΆΠ΄Π°ΡΡ, ΡΡΠΎ ΠΎΠ½ΠΈ Π»ΡΡΡΠ΅ Π·Π°Π²ΠΎΠ΄ΡΠΊΠΈΡ . ΠΠΎ Π½Π΅ ΡΡΠΎΠΈΡ ΠΏΡΠΈΠ½ΠΈΠΆΠ°ΡΡ ΠΈ ΠΈΡ Π΄ΠΎΡΡΠΎΠΈΠ½ΡΡΠ². ΠΡΠ»ΠΈ Π²ΡΠ΅ ΠΎΠΏΠ΅ΡΠ°ΡΠΈΠΈ ΠΏΠΎ ΠΈΠ·Π³ΠΎΡΠΎΠ²Π»Π΅Π½ΠΈΡ ΠΏΠ΅ΡΠΈ ΠΏΡΠΎΠ²Π΅Π΄Π΅Π½Ρ Π³ΡΠ°ΠΌΠΎΡΠ½ΠΎ ΠΈ Π½Π° ΡΠ°ΠΌΠΎΠΌ Π²ΡΡΠΎΠΊΠΎΠΌ ΡΡΠΎΠ²Π½Π΅, ΡΠΎ Π±ΠΎΡΡΡΡΡ Π½Π΅Ρ ΠΏΡΠΈΡΠΈΠ½. Π’Π°ΠΊΠΈΠ΅ ΠΏΠ΅ΡΠΈ Π±ΡΠ΄ΡΡ Π΄Π΅ΡΡΡΠΈΠ»Π΅ΡΠΈΡΠΌΠΈ ΡΡΡΠ΄ΠΈΡΡΡΡ, Π³ΡΠ΅Ρ Π΄ΠΎΠΌΠ°, Π±Π°Π½ΠΈ, Π³Π°ΡΠ°ΠΆΠΈ ΠΈ Π΄ΡΡΠ³ΠΈΠ΅ ΠΏΠΎΡΡΡΠΎΠΉΠΊΠΈ.
ΠΠ΅ΡΡ Π΄Π»Ρ Π±Π°Π½ΠΈ ΡΠ²ΠΎΠΈΠΌΠΈ ΡΡΠΊΠ°ΠΌΠΈ
ΠΠ°Π½Ρ Π½Π° ΠΏΡΠΈΡΡΠ°Π΄Π΅Π±Π½ΠΎΠΌ ΠΈΠ»ΠΈ Π΄Π°ΡΠ½ΠΎΠΌ ΡΡΠ°ΡΡΠΊΠ΅ ΡΡΠ°Π½ΠΎΠ²ΠΈΡΡΡ ΡΠ°ΠΊΠΈΠΌ ΠΆΠ΅ ΠΎΠ±ΡΠ΄Π΅Π½Π½ΡΠΌ Π΄Π΅Π»ΠΎΠΌ, ΠΊΠ°ΠΊ Π°Π²ΡΠΎΠ½ΠΎΠΌΠ½ΠΎΠ΅ ΠΎΡΠΎΠΏΠ»Π΅Π½ΠΈΠ΅ ΠΈΠ»ΠΈ ΡΠ²ΠΎΡ ΡΠΊΠ²Π°ΠΆΠΈΠ½Π° Π΄Π»Ρ Π²ΠΎΠ΄ΠΎΡΠ½Π°Π±ΠΆΠ΅Π½ΠΈΡ Π΄ΠΎΠΌΠ°. ΠΠΎ ΡΠ°ΡΡΠΎ Π±Π°Π½Ρ Π½Π΅Ρ Π²ΠΎΠ·ΠΌΠΎΠΆΠ½ΠΎΡΡΠΈ ΡΠ΄Π΅Π»Π°ΡΡ ΠΏΡΠΎΡΡΠΎΡΠ½ΠΎΠΉ, ΡΡΡΠ°Π½ΠΎΠ²ΠΈΡΡ ΡΠ°ΠΌ ΠΊΠ°ΠΌΠ΅Π½ΠΊΡ, ΡΠ΄Π΅Π»Π°ΡΡ ΠΏΡΠΎΡΡΠΎΡΠ½ΡΠΉ ΠΏΡΠ΅Π΄Π±Π°Π½Π½ΠΈΠΊ ΠΈΠ»ΠΈ ΠΌΠΈΠ½ΠΈ-Π±Π°ΡΡΠ΅ΠΉΠ½. Π ΡΠ»ΡΡΠ°Π΅ Π½Π΅Π±ΠΎΠ»ΡΡΠΎΠΉ ΠΏΠ»ΠΎΡΠ°Π΄ΠΈ ΠΏΠΎΠΌΠ΅ΡΠ΅Π½ΠΈΡ ΠΏΠΎΠΌΠΎΠΆΠ΅Ρ ΠΌΠ΅ΡΠ°Π»Π»ΠΈΡΠ΅ΡΠΊΠ°Ρ ΠΊΠΎΠ½ΡΡΡΡΠΊΡΠΈΡ Π±Π°Π½Π½ΠΎΠΉ ΠΏΠ΅ΡΠΊΠΈ, Π² ΡΠ°ΡΡΠ½ΠΎΡΡΠΈ, ΠΏΠ΅ΡΡ ΠΏΠ°ΡΠΎΠ²ΠΎΠ·, ΠΈΠ»ΠΈ Β«ΠΏΠ°ΡΠ°Π²ΠΎΠ·Β» β ΠΎΡ ΡΠ»ΠΎΠ²Π° Β«ΠΏΠ°ΡΒ». ΠΡΡΠ°ΡΠΈ, ΡΡΠ° ΠΏΠ΅ΡΡ Π²Π½Π΅ΡΠ½Π΅ Π΄Π΅ΠΉΡΡΠ²ΠΈΡΠ΅Π»ΡΠ½ΠΎ Π½Π°ΠΏΠΎΠΌΠΈΠ½Π°Π΅Ρ ΠΏΠ°ΡΠΎΠ²ΠΎΠ·:
ΠΠΎ, Ρ ΠΎΡΡ ΠΊΠΎΠ½ΡΡΡΡΠΊΡΠΈΡ ΡΡΠΎΠΉ ΠΏΠ΅ΡΠΈ ΠΈ ΠΏΠΎΠ΄Ρ ΠΎΠ΄ΠΈΡ ΠΏΡΠ°ΠΊΡΠΈΡΠ΅ΡΠΊΠΈ Π΄Π»Ρ Π»ΡΠ±ΡΡ Π±Π°Π½Ρ ΠΏΠΎ ΠΏΠ»ΠΎΡΠ°Π΄ΠΈ, ΠΈΡΠΏΠΎΠ»ΡΠ·ΡΠ΅ΠΌΡΠΌ ΡΡΡΠΎΠΉΠΌΠ°ΡΠ΅ΡΠΈΠ°Π»Π°ΠΌ ΠΈ ΡΠ½Π΅ΡΠ³ΠΎΠ½ΠΎΡΠΈΡΠ΅Π»ΡΠΌ, ΠΌΠ½ΠΎΠ³ΠΈΠ΅ Π΄ΠΎΠΌΠ°ΡΠ½ΠΈΠ΅ ΡΠΌΠ΅Π»ΡΡΡ ΠΏΡΠ΅Π΄ΠΏΠΎΡΠΈΡΠ°ΡΡ ΡΠΎΠΎΡΡΠ΄ΠΈΡΡ ΡΠ²ΠΎΡ, ΠΊΠ°ΠΊ ΠΎΠ½ΠΈ Π΄ΡΠΌΠ°ΡΡ, Π±ΠΎΠ»Π΅Π΅ ΡΡΡΠ΅ΠΊΡΠΈΠ²Π½ΡΡ ΠΈ ΠΊΠ°ΡΠ΅ΡΡΠ²Π΅Π½Π½ΡΡ ΠΏΠ΅ΡΠΊΡ. Π Π²ΠΎ ΠΌΠ½ΠΎΠ³ΠΎΠΌ ΠΎΠ½ΠΈ ΠΏΡΠ°Π²Ρ β Π² ΡΡΠ»ΠΎΠ²ΠΈΡΡ ΡΠ΅ΡΠΈΠΉΠ½ΠΎΠ³ΠΎ ΠΏΡΠΎΠΈΠ·Π²ΠΎΠ΄ΡΡΠ²Π° Π°Π³ΡΠ΅Π³Π°ΡΠΎΠ² ΠΈ ΠΎΠ±ΠΎΡΡΠ΄ΠΎΠ²Π°Π½ΠΈΡ Π΄Π»Ρ Π±Π°Π½ΠΈ Π½Π΅Π²ΠΎΠ·ΠΌΠΎΠΆΠ½ΠΎ ΡΡΠ΅ΡΡΡ Π²ΡΠ΅ ΡΠ°ΠΊΡΠΎΡΡ ΡΠ΅Π³ΠΈΠΎΠ½Π° ΠΈΠ»ΠΈ ΠΊΠΎΠ½ΠΊΡΠ΅ΡΠ½ΠΎΠ³ΠΎ ΡΡΠ°ΡΡΠΊΠ°, Π° Ρ ΠΎΠ·ΡΠΈΠ½ ΡΠ²ΠΎΠ΅ΠΉ Π΄Π°ΡΠΈ ΠΈΠ»ΠΈ Π·Π°Π³ΠΎΡΠΎΠ΄Π½ΠΎΠ³ΠΎ Π΄ΠΎΠΌΠ° Π·Π½Π°Π΅Ρ ΠΈ ΡΡΠΈΡΡΠ²Π°Π΅Ρ Π²ΡΠ΅ ΠΌΠ΅Π»ΠΎΡΠΈ ΠΏΡΠΈ ΡΠΎΠΎΡΡΠΆΠ΅Π½ΠΈΠΈ ΡΠ°ΠΊΠΎΠΉ ΡΠ°ΠΌΠΎΠ΄Π΅Π»ΡΠ½ΠΎΠΉ ΠΏΠ΅ΡΠΈ Π΄Π»Ρ Π±Π°Π½ΠΈ ΡΠ²ΠΎΠΈΠΌΠΈ ΡΡΠΊΠ°ΠΌΠΈ. Π ΡΠΎΠΌΡ ΠΆΠ΅ ΡΠ°ΡΡΠΎ Π±ΡΠ²Π°Π΅Ρ ΡΠ°ΠΊ, ΡΡΠΎ ΠΏΠΎΠ΄ ΡΡΠΊΠΎΠΉ Π΅ΡΡΡ Π²ΡΠ΅ Π½Π΅ΠΎΠ±Ρ ΠΎΠ΄ΠΈΠΌΡΠ΅ ΡΡΡΠΎΠΉΠΌΠ°ΡΠ΅ΡΠΈΠ°Π»Ρ, ΠΊΠ°ΠΊ, Π½Π°ΠΏΡΠΈΠΌΠ΅Ρ, Π΄Π»Ρ ΠΏΡΠΎΡΡΠΎΠΉ ΠΈ Π»Π΅Π³ΠΊΠΎΠΉ ΠΏΠ΅ΡΠΊΠΈ ΠΈΠ· Π»ΠΈΡΡΠΎΠ²ΠΎΠ³ΠΎ ΠΌΠ΅ΡΠ°Π»Π»Π°:
ΠΠ΅ΡΡ ΠΈΠ· Π»ΠΈΡΡΠΎΠ²ΠΎΠ³ΠΎ ΠΌΠ΅ΡΠ°Π»Π»Π°
ΠΠΊΡΡΠ°Π»ΡΠ½ΠΎΡΡΡ ΡΠΎΠ²ΡΠ΅ΠΌΠ΅Π½Π½ΡΡ ΠΏΠ΅ΡΠ΅ΠΉ Π΄Π»Ρ Π±Π°Π½ΠΈ ΠΈΠ· ΠΌΠ΅ΡΠ°Π»Π»Π°
Π‘ ΡΠ΅Ρ ΠΏΠΎΡ, ΠΊΠ°ΠΊ Π»ΡΠ΄ΠΈ Π½Π°ΡΡΠΈΠ»ΠΈΡΡ ΠΏΠ»Π°Π²ΠΈΡΡ ΠΆΠ΅Π»Π΅Π·ΠΎ, ΠΌΠ΅ΡΠ°Π»Π»ΠΈΡΠ΅ΡΠΊΠΈΠ΅ ΠΏΠ΅ΡΠΈ ΠΏΠ΅ΡΠΈΠΎΠ΄ΠΈΡΠ΅ΡΠΊΠΈ ΠΏΠΎΡΠ²Π»ΡΠ»ΠΈΡΡ Π² ΠΎΠ±ΠΈΡ ΠΎΠ΄Π΅, ΡΠΎΡΡΠ°Π²Π»ΡΡ ΠΊΠΎΠ½ΠΊΡΡΠ΅Π½ΡΠΈΡ ΡΡΠ°Π΄ΠΈΡΠΈΠΎΠ½Π½ΡΠΌ ΠΏΠ΅ΡΠΊΠ°ΠΌ ΠΈΠ· ΠΊΠΈΡΠΏΠΈΡΠ° ΠΈΠ»ΠΈ Π³Π»ΠΈΠ½Ρ. ΠΠ°ΠΏΡΠΈΠΌΠ΅Ρ, Π²ΠΎΡΡΠΎΡΠ½ΡΠΉ ΡΠ°Π½Π΄ΡΡ β ΡΡΠΎ ΡΠ°Π·Π½ΠΎΠ²ΠΈΠ΄Π½ΠΎΡΡΡ ΠΊΠΎΠΏΡΠΈΠ»ΡΠ½ΠΈ β ΡΠΎΠΎΡΡΠΆΠ°Π΅ΡΡΡ Π½Π΅ ΡΠΎΠ»ΡΠΊΠΎ ΠΈΠ· ΠΊΠΈΡΠΏΠΈΡΠ°, Π½ΠΎ ΠΈ ΠΈΠ· ΠΌΠ΅ΡΠ°Π»Π»Π°. ΠΠ½Π°ΠΌΠ΅Π½ΠΈΡΡΠ΅ Β«Π±ΡΡΠΆΡΠΉΠΊΠΈΒ» ΠΈΠ·Π²Π΅ΡΡΠ½Ρ Π²ΡΠ΅ΠΌ, ΠΈ ΡΡΡΠ°Π½Π°Π²Π»ΠΈΠ²Π°ΡΡ ΠΈΡ ΠΏΠΎΠ²ΡΠ΅ΠΌΠ΅ΡΡΠ½ΠΎ β ΠΈ Π²ΠΎ Π²ΡΠ΅ΠΌΠ΅Π½Π½ΡΡ ΠΏΠΎΠΌΠ΅ΡΠ΅Π½ΠΈΡΡ , ΠΈ Π² Π±Π°Π½ΡΡ , Π² ΡΠΎΠΌ ΡΠΈΡΠ»Π΅.
ΠΠΎΡΡΠΎΠΈΠ½ΡΡΠ²Π° ΠΆΠ΅Π»Π΅Π·Π½ΠΎΠΉ ΠΏΠ΅ΡΠΈ ΠΎΡΠ΅Π²ΠΈΠ΄Π½Ρ β ΠΌΠΎΠΌΠ΅Π½ΡΠ°Π»ΡΠ½ΠΎΠ΅ ΠΏΡΠΎΠ³ΡΠ΅Π²Π°Π½ΠΈΠ΅ ΠΏΠΎΠΌΠ΅ΡΠ΅Π½ΠΈΡ, ΠΌΠ°ΠΊΡΠΈΠΌΠ°Π»ΡΠ½ΠΎ ΡΠΏΡΠΎΡΠ΅Π½Π½Π°Ρ ΠΊΠΎΠ½ΡΡΡΡΠΊΡΠΈΡ, Π΄Π΅ΡΠ΅Π²ΡΠ΅ ΠΌΠ°ΡΠ΅ΡΠΈΠ°Π»Ρ. ΠΠ· Π½Π΅Π΄ΠΎΡΡΠ°ΡΠΊΠΎΠ² ΠΌΠΎΠΆΠ½ΠΎ ΡΠ²Π΅ΡΠ΅Π½Π½ΠΎ ΡΠΊΠ°Π·Π°ΡΡ ΠΎΠ± ΠΎΠ΄Π½ΠΎΠΌ β Π²ΡΡΠΎΠΊΠ°Ρ ΠΏΠΎΠΆΠ°ΡΠΎΠΎΠΏΠ°ΡΠ½ΠΎΡΡΡ, Π½ΠΎ ΡΡΠΎΡ ΠΎΡΡΠΈΡΠ°ΡΠ΅Π»ΡΠ½ΡΠΉ ΠΏΠ°ΡΠ°ΠΌΠ΅ΡΡ Π΄ΠΎΡΡΠ°ΡΠΎΡΠ½ΠΎ Π»Π΅Π³ΠΊΠΎ Π½ΠΈΠ²Π΅Π»ΠΈΡΡΠ΅ΡΡΡ ΡΠ°Π·Π½ΡΠΌΠΈ ΡΠΏΠΎΡΠΎΠ±Π°ΠΌΠΈ, ΠΎΡ ΠΊΠΈΡΠΏΠΈΡΠ½ΠΎΠ³ΠΎ ΠΏΠΎΠΆΠ°ΡΠΎΠ±Π΅Π·ΠΎΠΏΠ°ΡΠ½ΠΎΠ³ΠΎ ΠΊΠΎΠΆΡΡ Π° Π΄ΠΎ ΠΈΡΠΏΠΎΠ»ΡΠ·ΠΎΠ²Π°Π½ΠΈΡ ΠΌΠ΅ΡΠΎΠ΄ΠΎΠ² Π³ΠΎΡΠ΅Π½ΠΈΡ ΠΏΡΠΈ Π½ΠΈΠ·ΠΊΠΎΠΉ ΡΠ΅ΠΌΠΏΠ΅ΡΠ°ΡΡΡΠ΅ (ΡΠ»Π΅Π½ΠΈΡ).
Π‘Π°ΠΌΠ°Ρ ΠΏΡΠΎΡΡΠ°Ρ ΠΌΠ΅ΡΠ°Π»Π»ΠΈΡΠ΅ΡΠΊΠ°Ρ ΠΏΠ΅ΡΡ β Π±ΡΡΠΆΡΠΉΠΊΠ°Β», ΠΏΡΠ΅Π΄ΡΡΠ°Π²Π»ΡΡΡΠ°Ρ ΡΠΎΠ±ΠΎΠΉ ΠΌΠ΅ΡΠ°Π»Π»ΠΈΡΠ΅ΡΠΊΠΈΠΉ ΡΡΠΈΠΊ ΠΈΠ»ΠΈ Π±ΠΎΡΠΊΡ, ΠΎΡΠ½Π°ΡΠ΅Π½Π½ΡΡ ΡΠΎΠΏΠΎΡΠ½ΠΎΠΉ Π΄Π²Π΅ΡΡΠ΅ΠΉ ΠΈ Π΄ΡΠΌΠΎΡ ΠΎΠ΄Π½ΠΎΠΉ ΡΡΡΠ±ΠΎΠΉ. ΠΠ΅Π΄ΠΎΡΡΠ°ΡΠΎΠΊ Π±ΡΡΠΆΡΠ΅ΠΊ ΠΈΠ·Π²Π΅ΡΡΠ΅Π½ β ΠΏΡΠΈ ΠΌΠ°Π»Π΅Π½ΡΠΊΠΎΠΉ ΡΠ΅ΠΏΠ»ΠΎΠΎΡΠ΄Π°ΡΠ΅ ΠΎΠ½ΠΈ ΠΏΠΎΡΡΠ΅Π±Π»ΡΡΡ ΠΌΠ½ΠΎΠ³ΠΎ ΡΠΎΠΏΠ»ΠΈΠ²Π°, Π±ΡΠ΄Ρ ΡΠΎ Π΄ΡΠΎΠ²Π°, ΡΠ³ΠΎΠ»Ρ ΠΈΠ»ΠΈ ΠΠ’.
Π‘ΠΎΠ²ΡΠ΅ΠΌΠ΅Π½Π½ΡΠ΅ ΠΊΠΎΠ½ΡΡΡΡΠΊΡΠΈΠΈ ΠΆΠ΅Π»Π΅Π·Π½ΡΡ ΠΏΠ΅ΡΠ΅ΠΉ ΠΊΠΎΠ½ΡΡΡΡΠΈΡΡΡΡΡΡ ΠΏΠΎ Π²ΡΡΠΎΠΊΠΎΠΌΡ ΠΊΠ»Π°ΡΡΡ ΠΏΠΎΠΆΠ°ΡΠΎΠ±Π΅Π·ΠΎΠΏΠ°ΡΠ½ΠΎΡΡΠΈ. ΠΠΎ-ΠΏΠ΅ΡΠ²ΡΡ , ΡΡΠΎ ΡΠΎΠ»ΡΡΡΠ΅ (4-12 ΠΌΠΌ) Π»ΠΈΡΡΡ ΠΌΠ΅ΡΠ°Π»Π»Π°, Π²ΠΎ-Π²ΡΠΎΡΡΡ , Π½Π°Π»ΠΈΡΠΈΠ΅ ΡΠΏΠ΅ΡΠΈΠ°Π»ΡΠ½ΠΎΠΉ ΡΠ΅ΠΏΠ»ΠΎΠ²ΠΎΠΉ ΠΊΠ°ΠΌΠ΅ΡΡ, ΠΊΠΎΡΠΎΡΠ°Ρ ΠΈΡΠΏΠΎΠ»ΡΠ·ΡΠ΅ΡΡΡ Π΄Π»Ρ Π·Π°ΡΡΠΏΠΊΠΈ Π³Π°Π»Π΅ΡΠ½ΡΡ ΠΊΠ°ΠΌΠ½Π΅ΠΉ, Π²-ΡΡΠ΅ΡΡΠΈΡ , Π΄ΠΎΠΏΠΎΠ»Π½ΠΈΡΠ΅Π»ΡΠ½ΡΠΉ ΡΠ΅Π·Π΅ΡΠ²ΡΠ°Ρ Π΄Π»Ρ Π²ΠΎΠ΄Ρ ΠΎΠ±ΡΠ΅ΠΌΠΎΠΌ Π΄ΠΎ 200 Π»ΠΈΡΡΠΎΠ². ΠΡΠ΅ ΡΡΠΈ ΠΌΠ΅ΡΡ Π½Π΅ ΡΠΎΠ»ΡΠΊΠΎ ΡΠ²Π΅Π»ΠΈΡΠΈΠ²Π°ΡΡ ΡΡΠ½ΠΊΡΠΈΠΎΠ½Π°Π»ΡΠ½ΠΎΡΡΡ Π±Π°Π½Π½ΠΎΠΉ ΠΏΠ΅ΡΠΊΠΈ, Π½ΠΎ ΠΈ ΠΏΠΎΠ²ΡΡΠ°ΡΡ Π±Π΅Π·ΠΎΠΏΠ°ΡΠ½ΠΎΡΡΡ Π΅Π΅ ΡΠΊΡΠΏΠ»ΡΠ°ΡΠ°ΡΠΈΠΈ. Π Π΄Π»Ρ Π±ΠΎΠ»Π΅Π΅ ΡΠ°Π²Π½ΠΎΠΌΠ΅ΡΠ½ΠΎΠ³ΠΎ ΠΏΡΠΎΠ³ΡΠ΅Π²Π° Π²ΠΎΠ·Π΄ΡΡ Π°, Π² Π΄ΠΎΠΏΠΎΠ»Π½Π΅Π½ΠΈΠ΅ ΠΊ ΠΏΠΎΠ²ΡΡΠ΅Π½ΠΈΡ ΠΏΠΎΠΆΠ°ΡΠΎΠΎΠΏΠ°ΡΠ½ΠΎΡΡΠΈ, ΠΏΡΠΈΠΌΠ΅Π½ΡΡΡ ΠΈ ΡΠ΅ΡΠ²Π΅ΡΡΡΡ ΠΌΠ΅ΡΡ β ΠΎΠ±ΠΊΠ»Π°Π΄ΡΠ²Π°ΡΡ ΠΆΠ΅Π»Π΅Π·Π½ΡΠ΅ ΠΏΠ΅ΡΠΈ Π΄Π»Ρ Π±Π°Π½ΠΈ ΠΎΠ³Π½Π΅ΡΠΏΠΎΡΠ½ΡΠΌ ΠΊΡΠ°ΡΠ½ΡΠΌ ΠΏΡΡΡΠΎΡΠ΅Π»ΡΠΌ ΠΊΠΈΡΠΏΠΈΡΠΎΠΌ.
ΠΠ΅ΡΠ°Π»Π»ΠΈΡΠ΅ΡΠΊΠ°Ρ Π±Π°Π½Π½Π°Ρ ΠΏΠ΅ΡΡ, ΠΎΠ±Π»ΠΎΠΆΠ΅Π½Π½Π°Ρ ΠΊΠΈΡΠΏΠΈΡΠΎΠΌ
ΠΠ°ΠΆΠ½ΠΎ! ΠΡΠΈΠΎΠ±ΡΠ΅ΡΠ°Ρ ΠΌΠ΅ΡΠ°Π»Π»ΠΈΡΠ΅ΡΠΊΡΡ ΠΏΠ΅ΡΡ Π΄Π»Ρ Π±Π°Π½ΠΈ, Π²Π°ΠΌ Π½Π΅ ΠΏΡΠΈΠ΄Π΅ΡΡΡ Π΄Π΅Π»Π°ΡΡ Π΄Π»Ρ Π½Π΅Π΅ ΠΌΠΎΡΠ½ΡΠΉ ΠΏΠΎΠΆΠ°ΡΠΎΠ±Π΅Π·ΠΎΠΏΠ°ΡΠ½ΡΠΉ Π±Π΅ΡΠΎΠ½Π½ΡΠΉ ΡΡΠ½Π΄Π°ΠΌΠ΅Π½Ρ, ΠΊΠ°ΠΊ Π² ΡΠ»ΡΡΠ°Π΅ Ρ Π»ΡΠ±ΠΎΠΉ ΡΠ°ΠΌΠΎΠ΄Π΅Π»ΡΠ½ΠΎΠΉ ΠΏΠ΅ΡΠΊΠΎΠΉ. Π ΠΊΠ°ΡΠ΅ΡΡΠ²Π΅ ΠΎΡΠ½ΠΎΠ²Π°Π½ΠΈΡ ΠΌΠΎΠΆΠ΅Ρ Π²ΡΡΡΡΠΏΠΈΡΡ ΠΎΠ±ΡΡΠ½Π°Ρ ΠΆ/Π± ΠΏΠ»ΠΈΡΠ°, ΡΡΠΎ ΡΠ΄Π΅ΡΠ΅Π²ΠΈΡ ΡΡΠΎΠΈΠΌΠΎΡΡΡ Π²ΠΎΠ·Π²Π΅Π΄Π΅Π½ΠΈΡ ΠΈ ΠΎΠ±ΡΡΡΡΠΎΠΉΡΡΠ²Π° ΠΏΠ΅ΡΠΈ.
Π’ΠΈΠΏΡ Π±Π°Π½Π½ΡΡ ΠΏΠ΅ΡΠ΅ΠΉ
ΠΠΎ ΠΊΠΎΠ½ΡΡΡΡΠΊΡΠΈΠΈ:
- ΠΠ°ΠΊΡΡΡΡΠ΅ Π±Π°Π½Π½ΡΠ΅ ΠΏΠ΅ΡΠΈ ΠΈΠ·-Π·Π° ΠΈΡ ΠΊΠΎΠΌΠΏΠ°ΠΊΡΠ½ΠΎΠΉ ΠΊΠΎΠ½ΡΡΡΡΠΊΡΠΈΠΈ ΡΠ°ΡΠ΅ Π²ΡΠ΅Π³ΠΎ ΠΎΠ±ΠΎΡΡΠ΄ΡΡΡ Π² ΠΌΠ°Π»Π΅Π½ΡΠΊΠΈΡ ΡΠ΅ΠΌΠ΅ΠΉΠ½ΡΡ Π±Π°Π½ΡΡ . ΠΠ»Ρ ΡΠ²Π΅Π»ΠΈΡΠ΅Π½ΠΈΡ ΡΠ΅ΠΏΠ»ΠΎΠΎΡΠ΄Π°ΡΠΈ ΡΠ°ΠΊΡΡ ΠΏΠ΅ΡΡ ΠΎΠ±ΠΊΠ»Π°Π΄ΡΠ²Π°ΡΡ ΡΠΎ Π²ΡΠ΅Ρ ΡΡΠΎΡΠΎΠ½ ΠΎΠ³Π½Π΅ΡΠΏΠΎΡΠ½ΡΠΌ ΠΊΠΈΡΠΏΠΈΡΠΎΠΌ, ΡΠ²ΡΠ·ΡΠ²Π°Ρ ΠΊΠΈΡΠΏΠΈΡΠ½ΡΠΉ ΠΏΡΠΎΡΡΠ΅Π½ΠΎΠΊ Ρ ΠΌΠ΅ΡΠ°Π»Π»ΠΎΠΌ ΠΏΡΠΈΠ²Π°ΡΠ΅Π½Π½ΡΠΌΠΈ ΠΊ ΠΊΠΎΡΠΏΡΡΡ ΠΏΡΡΡΡΡΠΌΠΈ;
- ΠΡΠΊΡΡΡΡΠ΅ Π±Π°Π½Π½ΡΠ΅ ΠΏΠ΅ΡΠΈ ΠΎΠ±ΠΎΡΡΠ΄ΡΡΡΡΡ Π½Π΅Π±ΠΎΠ»ΡΡΠΈΠΌ Π²ΠΎΠ΄ΡΠ½ΡΠΌ ΡΠ΅Π·Π΅ΡΠ²ΡΠ°ΡΠΎΠΌ ΠΈ ΠΎΡΠΊΡΡΡΠΎΠΉ ΠΊΠ°ΠΌΠ΅Π½ΠΊΠΎΠΉ, ΡΡΠΎ ΠΏΠΎΠ·Π²ΠΎΠ»ΡΠ΅Ρ Π±ΡΡΡΡΠ΅Π΅ ΠΏΡΠΎΠ³ΡΠ΅ΡΡ ΠΏΠ°ΡΠΈΠ»ΠΊΡ. ΠΠ»Ρ ΠΏΠΎΠ²ΡΡΠ΅Π½ΠΈΡ ΡΠΊΠΎΡΠΎΡΡΠΈ ΡΠ΅ΠΏΠ»ΠΎΠΎΡΠ΄Π°ΡΠΈ ΠΏΠ΅ΡΠΈ ΠΊΠ°ΠΌΠ½ΠΈ ΠΌΠΎΠΆΠ½ΠΎ Π½Π°ΠΊΡΡΡΡ ΠΌΠ΅ΡΠ°Π»Π»ΠΈΡΠ΅ΡΠΊΠΎΠΉ ΠΊΡΡΡΠΊΠΎΠΉ;
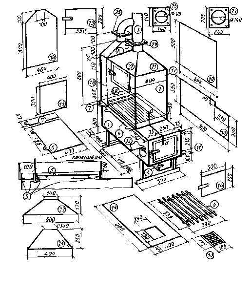
- ΠΠΎΠΌΠ±ΠΈΠ½ΠΈΡΠΎΠ²Π°Π½Π½Π°Ρ ΠΆΠ΅Π»Π΅Π·Π½Π°Ρ ΠΏΠ΅ΡΡ Π΄Π»Ρ Π±Π°Π½ΠΈ ΡΠ²ΠΎΠΈΠΌΠΈ ΡΡΠΊΠ°ΠΌΠΈ ΡΠ΅ΡΡΠ΅ΠΆΠΈ ΠΊΠΎΡΠΎΡΡΠΉ ΠΏΡΠΈΠ²Π΅Π΄Π΅Π½Ρ Π½ΠΈΠΆΠ΅, ΡΠΎΡΡΠΎΠΈΡ ΠΈΠ· ΡΠΎΠΏΠ»ΠΈΠ²Π½ΠΈΠΊΠ° Ρ Π΄Π²ΡΠΌΡ Π·Π°Π΄Π²ΠΈΠΆΠΊΠ°ΠΌΠΈ, ΡΠΎΠΏΠ»ΠΈΠ²Π½ΠΎΠΉ ΡΠ΅ΡΠ΅ΡΠΊΠΈ ΠΈ ΠΏΠΎΠ΄Π΄ΡΠ²Π°Π»Π°. ΠΠ· ΠΊΠ°ΠΌΠ΅ΡΡ Π²ΡΡ ΠΎΠ΄ΡΡ Π΄Π²Π° ΠΏΠ°ΡΡΡΠ±ΠΊΠ° 10 ΠΈ 16 ΡΠΌ, Ρ ΠΎΡΠ²Π΅ΡΡΡΠΈΡΠΌΠΈ Π΄Π»Ρ ΠΎΠ±Π²ΠΎΠ΄Π½ΠΎΠ³ΠΎ ΠΊΠΎΠ»Π΅Π½Π° ΠΈ ΡΡΡΠ±Ρ. Π’ΠΎΠ»ΡΠΈΠ½Π° ΠΊΠΎΡΠΏΡΡΠ° ΡΠ°ΠΊΠΎΠΉ ΠΏΠ΅ΡΠΊΠΈ β 3-6 ΠΌΠΌ;
Π§Π΅ΡΡΠ΅ΠΆ ΠΊΠΎΠΌΠ±ΠΈΠ½ΠΈΡΠΎΠ²Π°Π½Π½ΠΎΠΉ Π±Π°Π½Π½ΠΎΠΉ ΠΏΠ΅ΡΠΈ
ΠΠΎ ΡΠΈΠΏΡ ΡΠΎΠΏΠ»ΠΈΠ²Π°:
- ΠΡΠΎΠ²ΡΠ½Π°Ρ Π±Π°Π½Π½Π°Ρ ΠΏΠ΅ΡΡ β ΡΠ°ΠΌΠ°Ρ ΠΈΠ·Π²Π΅ΡΡΠ½Π°Ρ ΡΡΠ°Π΄ΠΈΡΠΈΠΎΠ½Π½Π°Ρ ΠΊΠΎΠ½ΡΡΡΡΠΊΡΠΈΡ. ΠΠ΅ΡΡ ΡΠ°ΡΡ ΠΎΠ΄ΡΠ΅Ρ ΠΌΠ½ΠΎΠ³ΠΎ Π΄ΡΠΎΠ², ΡΡΠ΅Π±ΡΠ΅Ρ ΠΏΠΎΡΡΠΎΡΠ½Π½ΠΎΠ³ΠΎ ΡΡ ΠΎΠ΄Π° ΠΈ ΠΏΡΠΈΡΠΌΠΎΡΡΠ°. ΠΡΠΎ β ΠΊΠΎΠ½ΡΡΡΡΠΊΡΠΈΡ Π΄Π»Ρ Π»ΡΠ±ΠΈΡΠ΅Π»Π΅ΠΉ ΠΊΠ»Π°ΡΡΠΈΠΊΠΈ ΠΈ ΡΡΠ°ΡΠΈΠ½Ρ;
- ΠΠ°Π½Π½Π°Ρ ΠΌΠ΅ΡΠ°Π»Π»ΠΈΡΠ΅ΡΠΊΠ°Ρ ΠΏΠ΅ΡΡ Π½Π° ΡΠ»Π΅ΠΊΡΡΠΈΡΠ΅ΡΡΠ²Π΅. ΠΠΎΡΠΏΡΡ Π²ΡΠΏΠΎΠ»Π½Π΅Π½ ΠΈΠ· ΠΌΠ΅ΡΠ°Π»Π»Π° ΡΠΎΠ»ΡΠΈΠ½ΠΎΠΉ 4-5 ΠΌΠΌ, Π²Π½ΡΡΡΠΈ ΠΊΠΎΡΠΏΡΡΠ°, ΠΎΠ±ΡΡΠ½ΠΎ Π·Π°ΠΏΠΎΠ»Π½ΡΠ΅ΠΌΠΎΠ³ΠΎ Π²ΠΎΠ΄ΠΎΠΉ, Π²ΠΌΠΎΠ½ΡΠΈΡΠΎΠ²Π°Π½ ΡΠ²ΠΎΠΉ Π’ΠΠ;
- ΠΠ΅ΡΠ°Π»Π»ΠΈΡΠ΅ΡΠΊΠ°Ρ ΠΏΠ΅ΡΡ Π΄Π»Ρ Π±Π°Π½ΠΈ Π½Π° ΠΏΡΠΈΡΠΎΠ΄Π½ΠΎΠΌ Π³Π°Π·Π΅ β ΡΠ°ΠΌΡΠΉ Π½Π°Π΄Π΅ΠΆΠ½ΡΠΉ ΠΈ ΡΠΎΠ²ΡΠ΅ΠΌΠ΅Π½Π½ΡΠΉ Π°Π³ΡΠ΅Π³Π°Ρ. Π’Π°ΠΊΠΈΠ΅ ΠΊΠΎΠ½ΡΡΡΡΠΊΡΠΈΠΈ ΠΎΠ±ΠΎΡΡΠ΄ΡΡΡΡΡ ΡΠ΅ΡΠΌΠΎΡΡΠ°ΡΠ°ΠΌΠΈ Π΄Π»Ρ ΡΠ΅Π³ΡΠ»ΠΈΡΠΎΠ²ΠΊΠΈ ΠΌΠΎΡΠ½ΠΎΡΡΠΈ, Π°Π²ΡΠΎΠΌΠ°ΡΠΈΠΊΠΎΠΉ, ΠΎΡΠΊΠ»ΡΡΠ°ΡΡΠ΅ΠΉ Π³Π°Π· ΠΏΡΠΈ Π·Π°ΡΡΡ Π°Π½ΠΈΠΈ ΠΎΠ³Π½Ρ, ΡΠ΅ΡΠΌΠΎΠ΄Π°ΡΡΠΈΠΊΠ°ΠΌΠΈ ΠΈ Π΄ΡΡΠ³ΠΈΠΌΠΈ ΠΊΠΎΠ½ΡΡΠΎΠ»Π»Π΅ΡΠ°ΠΌΠΈ.
ΠΠΎΡΡΠΎΠΈΠ½ΡΡΠ²Π° ΠΈ Π½Π΅Π΄ΠΎΡΡΠ°ΡΠΊΠΈ ΠΌΠ΅ΡΠ°Π»Π»ΠΈΡΠ΅ΡΠΊΠΈΡ Π±Π°Π½Π½ΡΡ ΠΏΠ΅ΡΠ΅ΠΉ
ΠΠ΅ΡΠ°Π»Π»ΠΈΡΠ΅ΡΠΊΠΈΠ΅ ΠΏΠ΅ΡΠΊΠΈ Π΄Π»Ρ ΡΠ²ΠΎΠ΅ΠΉ Π±Π°Π½ΠΈ β ΡΡΠΎ ΠΌΠΎΠ±ΠΈΠ»ΡΠ½Π°Ρ ΠΈ ΠΊΠΎΠΌΠΏΠ°ΠΊΡΠ½Π°Ρ ΠΊΠΎΠ½ΡΡΡΡΠΊΡΠΈΡ, ΠΈΠ΄Π΅Π°Π»ΡΠ½ΠΎ ΠΏΠΎΠ΄Ρ ΠΎΠ΄ΡΡΠ°Ρ Π΄Π»Ρ ΡΠ°Π±ΠΎΡΡ Π² ΠΌΠ°Π»Π΅Π½ΡΠΊΠΈΡ ΠΏΠΎΠΌΠ΅ΡΠ΅Π½ΠΈΡΡ . ΠΡΠΈ ΠΈΠ·Π³ΠΎΡΠΎΠ²Π»Π΅Π½ΠΈΠΈ ΡΠ°ΠΊΠΎΠΉ ΡΠ°ΠΌΠΎΠ΄Π΅Π»ΡΠ½ΠΎΠΉ ΠΏΠ΅ΡΠΊΠΈ ΠΈΡΠΏΠΎΠ»ΡΠ·ΡΠ΅ΡΡΡ ΡΡ Π΅ΠΌΠ°, ΠΏΡΠ΅Π΄ΡΡΠΌΠ°ΡΡΠΈΠ²Π°ΡΡΠ°Ρ Π²ΠΎΠ·ΠΌΠΎΠΆΠ½ΠΎΠ΅ ΠΏΠ΅ΡΠ΅ΠΌΠ΅ΡΠ΅Π½ΠΈΠ΅ Π°Π³ΡΠ΅Π³Π°ΡΠ° Π½Π° Π΄ΡΡΠ³ΠΎΠ΅ ΠΌΠ΅ΡΡΠΎ, Π½Π°ΠΏΡΠΈΠΌΠ΅Ρ, ΡΠ°ΠΊΠ°Ρ:
ΠΠ΅ΡΠ΅Π΄Π²ΠΈΠΆΠ½Π°Ρ ΠΏΠ΅ΡΡ Π΄Π»Ρ ΡΠ²ΠΎΠ΅ΠΉ Π±Π°Π½ΠΈ
ΠΠΎ ΠΏΡΠΈΠ½ΡΠΈΠΏΡ ΡΠ°Π±ΠΎΡΡ ΡΠ°Π·Π»ΠΈΡΠ°ΡΡ Π΄Π²Π° ΡΠΈΠΏΠ° ΠΏΠ΅ΡΠ΅ΠΉ ΠΈΠ· ΠΆΠ΅Π»Π΅Π·Π°:
- ΠΠΎΡΡΡΠ°Ρ ΠΏΠ΅ΡΡ β ΡΠ΅ΡΠ΅Π½ΠΈΠ΅ Π΄Π»Ρ Π½Π΅ΡΠ΅Π³ΡΠ»ΡΡΠ½ΠΎΠΉ ΡΠΊΡΠΏΠ»ΡΠ°ΡΠ°ΡΠΈΠΈ. ΠΡΡΡΡΡΠΉ ΠΏΡΠΎΠ³ΡΠ΅Π² ΠΏΠΎΠΌΠ΅ΡΠ΅Π½ΠΈΡ ΡΠ°ΠΊΠΎΠΉ ΠΏΠ΅ΡΠΊΠΎΠΉ Π½Π΅ ΠΏΠΎΠ·Π²ΠΎΠ»ΡΠ΅Ρ ΠΎΠΏΡΠΈΠΌΠ°Π»ΡΠ½ΠΎ ΠΈΡΠΏΠΎΠ»ΡΠ·ΠΎΠ²Π°ΡΡ Π΅Π΅ Π² Π±Π°Π½Π΅ ΠΏΠΎΡΡΠΎΡΠ½Π½ΠΎΠ³ΠΎ ΠΏΠΎΠ»ΡΠ·ΠΎΠ²Π°Π½ΠΈΡ, ΡΠ°ΠΊ ΠΊΠ°ΠΊ Π½Π΅Ρ Π²ΠΎΠ·ΠΌΠΎΠΆΠ½ΠΎΡΡΠΈ ΠΆΠ΅ΡΡΠΊΠΎ ΠΊΠΎΠ½ΡΡΠΎΠ»ΠΈΡΠΎΠ²Π°ΡΡ ΡΠ΅ΠΌΠΏΠ΅ΡΠ°ΡΡΡΡ;
- Π₯ΠΎΠ»ΠΎΠ΄Π½ΡΡ ΠΌΠ΅ΡΠ°Π»Π»ΠΈΡΠ΅ΡΠΊΡΡ ΠΏΠ΅ΡΡ ΡΡΠ°Π΄ΠΈΡΠΈΠΎΠ½Π½ΠΎ ΡΡΡΠ°Π½Π°Π²Π»ΠΈΠ²Π°ΡΡ Π² ΠΎΡΠ°ΠΏΠ»ΠΈΠ²Π°Π΅ΠΌΠΎΠΌ ΠΏΠΎΠΌΠ΅ΡΠ΅Π½ΠΈΠΈ. ΠΡΠΎΡ Π°Π³ΡΠ΅Π³Π°Ρ ΡΠ°ΠΊΠΆΠ΅ Π±ΡΡΡΡΠΎ ΠΏΡΠΎΠ³ΡΠ΅Π²Π°Π΅ΡΡΡ, ΠΊΠ°ΠΊ ΠΈ ΠΏΠ΅ΡΡ Π³ΠΎΡΡΡΠ΅Π³ΠΎ ΡΠΈΠΏΠ°, Π½ΠΎ ΠΏΠ΅ΡΠ΅Π³ΡΠ΅Π² ΠΏΠΎΠΌΠ΅ΡΠ΅Π½ΠΈΡ Π½Π΅Π²ΠΎΠ·ΠΌΠΎΠΆΠ΅Π½ ΠΈΠ·-Π·Π° Π²ΡΡΡΠΎΠ΅Π½Π½ΠΎΠΉ ΡΠΈΡΡΠ΅ΠΌΡ ΠΊΠΎΠ½ΡΡΠΎΠ»Ρ ΡΠ΅ΠΌΠΏΠ΅ΡΠ°ΡΡΡΡ, ΠΊΠΎΡΠΎΡΠ°Ρ Π½Π° Π½Π°ΡΡΠΆΠ½ΠΎΠΌ ΠΊΠΎΠΆΡΡ Π΅ ΠΏΠ΅ΡΠΈ ΠΎΠ±ΡΡΠ½ΠΎ Π½Π΅ ΠΏΡΠ΅Π²ΡΡΠ°Π΅Ρ 50 0 Π‘.
ΠΡΠΎΠΌΡΡΠ»Π΅Π½Π½Π°Ρ ΠΌΠ΅ΡΠ°Π»Π»ΠΈΡΠ΅ΡΠΊΠ°Ρ ΠΏΠ΅ΡΡ Π΄Π»Ρ Π±Π°Π½ΠΈ
ΠΡΠ΅ΠΈΠΌΡΡΠ΅ΡΡΠ²Π° ΠΌΠ΅ΡΠ°Π»Π»ΠΈΡΠ΅ΡΠΊΠΈΡ ΠΏΠ΅ΡΠ΅ΠΉ:
- ΠΠ°Π»Π΅Π½ΡΠΊΠΈΠ΅ Π³Π°Π±Π°ΡΠΈΡΡ ΠΈ ΠΌΠΎΠ±ΠΈΠ»ΡΠ½Π°Ρ ΠΊΠΎΠ½ΡΡΡΡΠΊΡΠΈΡ;
- ΠΠ»Ρ ΡΡΡΠ°Π½ΠΎΠ²ΠΊΠΈ ΡΠ°ΠΊΠΎΠΉ ΠΏΠ΅ΡΠΈ Π² ΠΌΠ°Π»Π΅Π½ΡΠΊΠΎΠΉ Π±Π°Π½Π΅ Π½Π΅ Π½ΡΠΆΠ½ΠΎ ΠΎΠ±ΡΡΡΡΠ°ΠΈΠ²Π°ΡΡ ΠΌΠ°ΡΡΠΈΠ²Π½ΡΠΉ ΠΈ ΠΌΠΎΡΠ½ΡΠΉ ΡΡΠ½Π΄Π°ΠΌΠ΅Π½Ρ β ΠΌΠΎΠΆΠ½ΠΎ ΠΎΠ±ΠΎΠΉΡΠΈΡΡ ΠΎΠ±Π»Π΅Π³ΡΠ΅Π½Π½ΡΠΌ ΡΠ΅ΡΠ΅Π½ΠΈΠ΅ΠΌ, ΡΠΏΡΠΎΡΠ°ΡΡΠΈΠΌ ΠΌΠΎΠ½ΡΠ°ΠΆ ΠΊΠΎΠ½ΡΡΡΡΠΊΡΠΈΠΈ;
- ΠΡΠΈΠ½ΡΠΈΠΏ ΠΏΠΎΡΡΠΎΡΠ½Π½ΠΎΠ³ΠΎ Π³ΠΎΡΠ΅Π½ΠΈΡ ΡΠ°Π±ΠΎΡΡ Π½Π΅ ΠΏΠΎΠ·Π²ΠΎΠ»ΡΠ΅Ρ ΠΎΡΡΠ°Π²ΠΈΡΡ ΠΏΠ΅ΡΡ Π±Π΅Π· ΠΏΡΠΈΡΠΌΠΎΡΡΠ° β Π½ΡΠΆΠ΅Π½ ΠΏΡΠ΅Π΄Π²Π°ΡΠΈΡΠ΅Π»ΡΠ½ΡΠΉ ΠΏΡΠΎΠ³ΡΠ΅Π² ΠΏΠΎΠΌΠ΅ΡΠ΅Π½ΠΈΡ, Π°Π²ΡΠΎΠΌΠ°ΡΠΈΡΠ΅ΡΠΊΠΈ ΠΎΠ±Π΅ΡΠΏΠ΅ΡΠΈΠ²Π°ΡΡΠΈΠΉ ΠΏΡΠΈΡΡΡΡΡΠ²ΠΈΠ΅ ΡΠ΅Π»ΠΎΠ²Π΅ΠΊΠ° Π² Π±Π°Π½Π΅;
- ΠΠ΅Π²ΡΡΠΎΠΊΠ°Ρ ΡΠ΅Π±Π΅ΡΡΠΎΠΈΠΌΠΎΡΡΡ ΠΏΡΠΈ ΡΠ°ΠΌΠΎΠ΄Π΅Π»ΡΠ½ΠΎΠΌ ΠΎΠ±ΡΡΡΡΠΎΠΉΡΡΠ²Π΅ ΠΈΠ»ΠΈ ΡΠΎΠ·Π½ΠΈΡΠ½Π°Ρ ΡΠ΅Π½Π° ΠΏΡΠΈ ΠΏΠΎΠΊΡΠΏΠΊΠ΅ Π² ΠΌΠ°Π³Π°Π·ΠΈΠ½Π΅. Π£ΡΡΠ°Π½ΠΎΠ²ΠΊΠ° ΡΠ°ΠΊΠΎΠΉ ΠΏΠ΅ΡΠΊΠΈ Ρ ΠΆΠ΅Π»Π΅Π·Π½ΡΠΌ ΠΊΠΎΡΠΏΡΡΠΎΠΌ Π½Π΅ ΡΡΠ΅Π±ΡΠ΅Ρ Π΄ΠΎΠΏΠΎΠ»Π½ΠΈΡΠ΅Π»ΡΠ½ΡΡ Π²Π»ΠΎΠΆΠ΅Π½ΠΈΠΉ ΠΈ Π½Π΅ΡΡΡΠ΄ΠΎΠ·Π°ΡΡΠ°ΡΠ½Π°. ΠΠ°ΠΉΡΠΈ ΡΠ΅ΡΡΠ΅ΠΆΠΈ ΠΆΠ΅Π»Π΅Π·Π½ΡΡ ΠΏΠ΅ΡΠ΅ΠΉ Π΄Π»Ρ Π±Π°Π½ΠΈ Π½Π΅ ΡΠΎΡΡΠ°Π²Π»ΡΠ΅Ρ ΡΡΡΠ΄Π° β ΠΈΡ ΠΌΠ½ΠΎΠ³ΠΎ Π² ΠΈΠ½ΡΠ΅ΡΠ½Π΅ΡΠ΅ ΠΈ ΡΠΏΠ΅ΡΠΈΠ°Π»ΠΈΠ·ΠΈΡΠΎΠ²Π°Π½Π½ΡΡ ΠΈΠ·Π΄Π°Π½ΠΈΡΡ , ΠΏΠΎΡΠ²ΡΡΠ΅Π½Π½ΡΡ Π΄Π°ΡΠ½ΡΠΌ ΠΈ ΠΏΡΠΈΡΡΠ°Π΄Π΅Π±Π½ΡΠΌ ΡΡΠ°ΡΡΠΊΠ°ΠΌ.
- ΠΠ΅Π²ΠΎΠ·ΠΌΠΎΠΆΠ½ΠΎΡΡΡ ΡΠΎΠ½ΠΊΠΎΠ³ΠΎ ΠΌΠ΅ΡΠ°Π»Π»Π° Π°ΠΊΠΊΡΠΌΡΠ»ΠΈΡΠΎΠ²Π°ΡΡ ΡΠ΅ΠΏΠ»ΠΎ ΠΏΡΠΈΠ²ΠΎΠ΄ΠΈΡ ΠΊ Π±ΡΡΡΡΠΎΠΌΡ ΠΎΡΡΡΠ²Π°Π½ΠΈΡ ΠΏΠ΅ΡΠΈ ΠΈ ΠΏΠΎΠΌΠ΅ΡΠ΅Π½ΠΈΡ. ΠΠΎΡΡΠΎΠΌΡ Π΄Π»Ρ ΠΏΠΎΠ΄Π΄Π΅ΡΠΆΠ°Π½ΠΈΡ ΡΠ΅ΠΏΠ»Π° ΡΠ»Π΅Π΄ΡΠ΅Ρ ΠΏΠΎΠ΄Π΄Π΅ΡΠΆΠΈΠ²Π°ΡΡ ΠΏΠΎΡΡΠΎΡΠ½Π½ΠΎΠ΅ Π³ΠΎΡΠ΅Π½ΠΈΠ΅;
- ΠΠ΅ΡΡΡΠ΅ΠΊΡΠΈΠ²Π½ΠΎΡΡΡ ΠΎΡΠΎΠΏΠ»Π΅Π½ΠΈΡ Π±ΠΎΠ»ΡΡΠΎΠΉ Π±Π°Π½ΠΈ;
- Π§ΡΠΎΠ±Ρ Π½Π΅ Π΄ΠΎΠΏΡΡΡΠΈΡΡ ΡΠ΅ΠΏΠ»ΠΎΠ²ΠΎΠ³ΠΎ ΡΠ΄Π°ΡΠ° ΠΏΡΠΈ ΠΌΡΡΡΠ΅ Π² Π±Π°Π½Π΅ Ρ ΡΠ°ΠΊΠΎΠΉ ΠΏΠ΅ΡΡΡ, ΠΎΠ±ΠΎΡΡΠ΄ΡΡΡΡΡ Π΄Π²ΠΎΠΉΠ½ΡΠ΅ ΠΌΠ΅ΡΠ°Π»Π»ΠΈΡΠ΅ΡΠΊΠΈΠ΅ ΡΡΠ΅Π½ΠΊΠΈ Ρ Π²ΠΎΠ·Π΄ΡΡΠ½ΠΎΠΉ ΠΏΡΠΎΠΊΠ»Π°Π΄ΠΊΠΎΠΉ ΠΌΠ΅ΠΆΠ΄Ρ Π½ΠΈΠΌΠΈ;
- ΠΠ»Ρ ΡΠΎΠ±Π»ΡΠ΄Π΅Π½ΠΈΡ Π½ΠΎΡΠΌ ΠΏΠΎΠΆΠ°ΡΠΎΠ±Π΅Π·ΠΎΠΏΠ°ΡΠ½ΠΎΡΡΠΈ Π΄ΠΎΠ»ΠΆΠ½Π° Π±ΡΡΡ ΡΡΠΈΠ»Π΅Π½Π° Π²Π½ΡΡΡΠ΅Π½Π½ΡΡ Π·Π°ΡΠΈΡΠ° ΠΏΠ΅ΡΠ½ΠΎΠΉ ΠΎΠ±ΡΠΈΠ²ΠΊΠΈ.
Π§Π΅ΡΡΠ΅ΠΆ ΠΏΡΠΎΡΡΠΎΠΉ ΠΆΠ΅Π»Π΅Π·Π½ΠΎΠΉ ΠΏΠ΅ΡΠΈ
ΠΠΎΠ½ΡΠΈΠ³ΡΡΠ°ΡΠΈΡ Π±Π°Π½Π½ΠΎΠΉ ΠΏΠ΅ΡΠΈ
ΠΠ½ΠΎΠ³ΠΈΠ΅ Ρ ΠΎΠ·ΡΠ΅Π²Π°, Π½Π°ΡΠΈΠ½Π°Ρ ΡΡΡΠΎΠΈΡΡ Π±Π°Π½Ρ ΠΈ Π²ΡΠ±ΠΈΡΠ°Ρ ΡΡ Π΅ΠΌΡ ΠΏΠ΅ΡΠΈ, Π΄ΡΠΌΠ°ΡΡ, ΡΡΠΎ Π΅Π΅ ΡΠΎΡΠΌΠ°βΠΏΠ°ΡΠ°ΠΌΠ΅ΡΡ ΠΌΠ°Π»ΠΎΠ·Π½Π°ΡΠΈΡΠ΅Π»ΡΠ½ΡΠΉ: Π»ΠΈΡΡ Π±Ρ Π³ΡΠ΅Π»Π° ΠΈ Π½Π΅ ΠΌΠ΅ΡΠ°Π» ΠΏΠ΅ΡΠ΅Π΄Π²ΠΈΠ³Π°ΡΡΡΡ ΠΏΠΎ ΠΏΠ°ΡΠΈΠ»ΠΊΠ΅. ΠΠΎ ΡΡΠΎ Π½Π΅ ΡΠ°ΠΊ β ΠΎΡ ΠΊΠΎΠ½ΡΠΈΠ³ΡΡΠ°ΡΠΈΠΈ ΠΊΠΎΡΠΏΡΡΠ° Π·Π°Π²ΠΈΡΠΈΡ ΠΌΠΎΡΠ½ΠΎΡΡΡ ΠΈ ΠΏΡΠΎΠΈΠ·Π²ΠΎΠ΄ΠΈΡΠ΅Π»ΡΠ½ΠΎΡΡΡ ΠΆΠ΅Π»Π΅Π·Π½ΠΎΠΉ Π±Π°Π½Π½ΠΎΠΉ ΠΏΠ΅ΡΠΊΠΈ, ΠΏΡΠ°Π²ΠΈΠ»ΡΠ½ΠΎΡΡΡ ΠΈ ΡΠ΄ΠΎΠ±ΡΡΠ²ΠΎ ΡΠΊΡΠΏΠ»ΡΠ°ΡΠ°ΡΠΈΠΈ, ΠΏΠΎΠΆΠ°ΡΠΎΠ±Π΅Π·ΠΎΠΏΠ°ΡΠ½ΠΎΡΡΡ ΠΈ Π΄Π°ΠΆΠ΅ ΡΠΊΠΎΠ½ΠΎΠΌΠΈΡΠ½ΠΎΡΡΡ. Π‘Π°ΠΌΡΠΌΠΈ ΠΏΠΎΠΏΡΠ»ΡΡΠ½ΡΠΌΠΈ Ρ Π²Π»Π°Π΄Π΅Π»ΡΡΠ΅Π² Π±Π°Π½Ρ ΡΠ²Π»ΡΡΡΡΡ ΡΠΈΠ»ΠΈΠ½Π΄ΡΠΈΡΠ΅ΡΠΊΠΈΠ΅ ΠΏΠ΅ΡΠΈ, Π° ΡΠ°ΠΊΠΆΠ΅ Π³ΠΎΡΠΈΠ·ΠΎΠ½ΡΠ°Π»ΡΠ½ΡΠ΅ ΠΈΠ»ΠΈ ΡΠΈΠ³ΡΡΠ½ΡΠ΅ ΠΎΡΠΎΠΏΠΈΡΠ΅Π»ΡΠ½ΡΠ΅ Π°Π³ΡΠ΅Π³Π°ΡΡ, Π½ΠΎ ΠΎΠ±ΡΠ΅ΠΏΡΠΈΠ·Π½Π°Π½ΠΎ, ΡΡΠΎ ΡΠ°ΠΌΡΠΌΠΈ ΡΠ΄ΠΎΠ±Π½ΡΠΌΠΈ Π² ΡΠΊΡΠΏΠ»ΡΠ°ΡΠ°ΡΠΈΠΈ ΡΠ²Π»ΡΡΡΡΡ ΠΏΠ΅ΡΠΈ ΠΏΡΡΠΌΠΎΡΠ³ΠΎΠ»ΡΠ½ΠΎΠΉ ΠΊΠΎΠ½ΡΡΡΡΠΊΡΠΈΠΈ.
Π§Π΅ΠΌ Π²ΡΠ·Π²Π°Π½Π° ΡΡΠ° ΠΊΠΎΠΌΡΠΎΡΡΠ°Π±Π΅Π»ΡΠ½ΠΎΡΡΡ ΠΎΠ±ΡΠ»ΡΠΆΠΈΠ²Π°Π½ΠΈΡ? Π ΠΏΡΡΠΌΠΎΡΠ³ΠΎΠ»ΡΠ½ΠΎΠΉ ΠΏΠ΅ΡΠΈ ΡΡΡΠ΅ΡΡΠ²ΡΡΡ ΡΠ³Π»ΠΎΠ²ΡΠ΅ Π·ΠΎΠ½Ρ, Π½ΠΈΠΊΠΎΠ³Π΄Π° Π½Π΅ Π½Π°Π³ΡΠ΅Π²Π°ΡΡΠΈΠ΅ΡΡ Π΄ΠΎ ΠΎΠΏΠ°ΡΠ½ΡΡ Π΄Π»Ρ ΡΠ΅Π»ΠΎΠ²Π΅ΠΊΠ° ΡΠ΅ΠΌΠΏΠ΅ΡΠ°ΡΡΡ. ΠΡΡΠΌΠΎΡΠ³ΠΎΠ»ΡΠ½Π°Ρ ΡΠΎΡΠΌΠ° ΠΏΠ΅ΡΠΈ Π±ΠΎΠ»Π΅Π΅ ΡΠ°ΡΠΈΠΎΠ½Π°Π»ΡΠ½Π° β ΠΎΠ½Π° ΡΡΠ³ΠΎΠ½ΠΎΠΌΠΈΡΠ½ΠΎ Π²ΠΏΠΈΡΡΠ²Π°Π΅ΡΡΡ Π² Π»ΡΠ±ΠΎΠ΅ ΠΏΡΠΎΡΡΡΠ°Π½ΡΡΠ²ΠΎ ΠΏΠ°ΡΠ½ΠΎΠΉ, ΡΠ°Π²Π½ΠΎΠΌΠ΅ΡΠ½ΠΎ ΠΏΡΠΎΠ³ΡΠ΅Π²Π°Ρ Π΅Π΅ ΠΎΠ±ΡΠ΅ΠΌ. ΠΡΠΎΠΈΡΡ ΠΎΠ΄ΠΈΡ ΡΡΠΎ ΠΈΠ·-Π·Π° ΡΠΎΠ³ΠΎ, ΡΡΠΎ ΠΌΠ°ΠΊΡΠΈΠΌΠ°Π»ΡΠ½ΠΎ Π½Π°Π³ΡΠ΅ΡΡΠΉ ΡΠ»Π΅ΠΌΠ΅Π½Ρ ΠΊΠΎΡΠΏΡΡΠ° ΠΏΠ΅ΡΠ΅Π΄Π°Π΅Ρ ΡΠ΅ΠΏΠ»ΠΎ ΡΠΎΡΠ΅Π΄Π½Π΅ΠΉ ΡΡΠ΅Π½Π΅, ΡΠΌΠ΅Π½ΡΡΠ°Ρ ΡΠ΅ΠΌΠΏΠ΅ΡΠ°ΡΡΡΡ ΡΡΠ΅Π½Ρ Ρ ΡΠΎΠΏΠΎΡΠ½ΠΎΠΉ ΠΊΠ°ΠΌΠ΅ΡΡ, Π° ΡΡΠΎ ΠΏΠΎΠΌΠΎΠ³Π°Π΅Ρ Π±ΠΎΠ»Π΅Π΅ ΡΠ°Π²Π½ΠΎΠΌΠ΅ΡΠ½ΠΎ Π½Π°Π³ΡΠ΅ΡΡ Π²ΡΡ Π±Π°Π½Ρ ΠΈ ΡΠ±Π°Π»Π°Π½ΡΠΈΡΠΎΠ²Π°ΡΡ ΡΠ΅ΠΏΠ»ΠΎΠ²ΡΠ΅ ΠΏΠΎΡΠΎΠΊΠΈ Π² ΠΏΠΎΠΌΠ΅ΡΠ΅Π½ΠΈΠΈ. Π’Π°ΠΊΠΆΠ΅ ΠΏΡΠ°Π²ΠΈΠ»ΡΠ½ΡΠΉ ΠΈ ΡΠ°Π²Π½ΠΎΠΌΠ΅ΡΠ½ΡΠΉ Π½Π°Π³ΡΠ΅Π² ΠΊΠΎΡΠΏΡΡΠ° ΠΏΠ΅ΡΠΈ ΠΎΠ±Π΅ΡΠΏΠ΅ΡΠΈΠ²Π°Π΅Ρ ΠΌΠ΅Ρ Π°Π½ΠΈΡΠ΅ΡΠΊΡΡ ΡΡΡΠΎΠΉΡΠΈΠ²ΠΎΡΡΡ Π²ΡΠ΅ΠΉ ΠΊΠΎΠ½ΡΡΡΡΠΊΡΠΈΠΈ. ΠΠΎΠ²ΡΡΠ΅Π½Π½Π°Ρ ΠΌΠ΅Ρ Π°Π½ΠΈΡΠ΅ΡΠΊΠ°Ρ ΡΡΠΎΠΉΠΊΠΎΡΡΡ ΠΏΠ΅ΡΠΈ Ρ ΠΏΡΡΠΌΠΎΡΠ³ΠΎΠ»ΡΠ½ΡΠΌ ΠΊΠΎΡΠΏΡΡΠΎΠΌ ΠΎΠ±ΡΡΡΠ½ΡΠ΅ΡΡΡ Ρ ΠΎΠ»ΠΎΠ΄Π½ΡΠΌΠΈ ΡΠ³Π»Π°ΠΌΠΈ.
ΠΡΡΠΌΠΎΡΠ³ΠΎΠ»ΡΠ½Π°Ρ ΠΌΠ΅ΡΠ°Π»Π»ΠΈΡΠ΅ΡΠΊΠ°Ρ ΠΏΠ΅ΡΡ Ρ ΠΊΠΎΠ»Π»Π΅ΠΊΡΠΎΡΠΎΠΌ
ΠΠ°ΡΠΈΠ°Π½ΡΡ ΠΊΠΎΠ½ΡΡΡΡΠΊΡΠΈΠΈ ΠΆΠ΅Π»Π΅Π·Π½ΠΎΠΉ ΠΏΠ΅ΡΠΈ
ΠΠ° ΡΡΠΎΠ»Π΅ΡΠΈΡ ΡΠΊΡΠΏΠ»ΡΠ°ΡΠ°ΡΠΈΠΈ ΠΏΠ΅ΡΠ΅ΠΉ Π΄Π»Ρ Π±Π°Π½ΠΈ ΠΈΠ· ΠΌΠ΅ΡΠ°Π»Π»Π° ΠΏΡΠΈΠ΄ΡΠΌΠ°Π½ΠΎ ΠΈ ΡΠ΅Π°Π»ΠΈΠ·ΠΎΠ²Π°Π½ΠΎ ΠΌΠ½ΠΎΠ³ΠΎ ΡΠ΅ΡΠ΅Π½ΠΈΠΉ, ΠΏΡΠ΅Π΄Π»Π°Π³Π°ΡΡΠΈΡ ΠΏΠΎΡΡΡΠΎΠΈΡΡ ΠΏΠ΅ΡΡ ΡΠ²ΠΎΠΈΠΌΠΈ ΡΡΠΊΠ°ΠΌΠΈ. Π‘Π°ΠΌΡΠΌ ΠΏΡΠΎΡΡΡΠΌ, Π½ΠΎ Π½Π΅ ΡΠ°ΠΌΡΠΌ ΡΡΡΠ΅ΠΊΡΠΈΠ²Π½ΡΠΌ ΡΠ΅ΡΠ΅Π½ΠΈΠ΅ΠΌ Π΄ΠΎ ΡΠΈΡ ΠΏΠΎΡ ΡΡΠΈΡΠ°Π΅ΡΡΡ ΠΊΠ°ΠΌΠ΅Π½ΠΊΠ° ΠΈΠ· ΠΌΠ΅ΡΠ°Π»Π»ΠΈΡΠ΅ΡΠΊΠΎΠΉ Π±ΠΎΡΠΊΠΈ. ΠΠ»Ρ ΠΈΠ·Π³ΠΎΡΠΎΠ²Π»Π΅Π½ΠΈΡ ΠΏΠ΅ΡΠΈ Π½ΡΠΆΠ½ΠΎ Π²ΡΠ΅Π³ΠΎ Π²ΡΡΠ΅Π·Π°ΡΡ ΠΊΡΡΡΠΊΡ ΠΈ Π΄Π½ΠΎ Π±ΠΎΡΠΊΠΈ, ΡΡΠΎΠ±Ρ ΠΏΠΎΠ»ΡΡΠΈΠ»ΡΡ ΠΎΡΠΊΡΡΡΡΠΉ ΡΠΈΠ»ΠΈΠ½Π΄Ρ. ΠΠ΄Π½Π° ΠΏΠΎΠ»ΠΎΠ²ΠΈΠ½ΠΊΠ° ΡΠΈΠ»ΠΈΠ½Π΄ΡΠ° Π·Π°ΠΊΠ»Π°Π΄ΡΠ²Π°Π΅ΡΡΡ ΠΊΠ°ΠΌΠ½ΡΠΌΠΈ ΠΈΠ»ΠΈ ΠΊΠΈΡΠΏΠΈΡΠ°ΠΌΠΈ, Π½Π° ΠΊΠΎΡΠΎΡΡΠ΅ ΡΠΊΠ»Π°Π΄ΡΠ²Π°ΡΡΡΡ ΠΊΠΎΠ»ΠΎΡΠ½ΠΈΠΊΠΈ ΠΊΠ°ΠΌΠ΅ΡΡ Π³ΠΎΡΠ΅Π½ΠΈΡ. ΠΡΡΠ°Π²ΡΠ΅Π΅ΡΡ ΠΏΡΠΎΡΡΡΠ°Π½ΡΡΠ²ΠΎ Π½Π° 2/3 Π·Π°ΠΏΠΎΠ»Π½ΡΠ΅ΡΡΡ ΠΊΡΡΠΏΠ½ΠΎΠΉ Π³Π°Π»ΡΠΊΠΎΠΉ, ΠΌΠΎΠ½ΡΠΈΡΡΠ΅ΡΡΡ Π΄ΡΠΌΠΎΡ ΠΎΠ΄Π½Π°Ρ ΡΡΡΠ±Π°, Π° Π²Π΅ΡΡ Π½ΡΡ ΡΠ°ΡΡΡ ΡΠ°ΠΌΠΎΠ΄Π΅Π»ΡΠ½ΠΎΠΉ ΠΏΠ΅ΡΠΈ Π½Π°ΠΊΡΡΠ²Π°Π΅ΡΡΡ ΠΌΠ΅ΡΠ°Π»Π»ΠΈΡΠ΅ΡΠΊΠΎΠΉ ΠΊΡΡΡΠΊΠΎΠΉ.
ΠΠ΅ΡΠΊΠ° ΠΈΠ· ΠΆΠ΅Π»Π΅Π·Π½ΠΎΠΉ Π±ΠΎΡΠΊΠΈ
Π ΠΈΠ·Π³ΠΎΡΠΎΠ²Π»Π΅Π½ΠΈΠΈ ΡΠ°ΠΊΠ°Ρ ΠΏΠ΅ΡΠΊΠ° ΠΏΡΠΎΡΠ΅ Π΄ΡΡΠ³ΠΈΡ , Π½ΠΎ Π² ΡΠΊΡΠΏΠ»ΡΠ°ΡΠ°ΡΠΈΠΈ ΡΡΠΈΡΠ°Π΅ΡΡΡ ΡΠ°ΠΌΠΎΠΉ Π½Π΅ΡΠ΄ΠΎΠ±Π½ΠΎΠΉ. ΠΠΎΡΡΠΎΠΌΡ Π΅ΡΠ»ΠΈ Π±Π°Π½Ρ ΠΈΠΌΠ΅Π΅Ρ Π½Π΅Π±ΠΎΠ»ΡΡΡΡ ΠΎΠ±ΡΡΡ ΠΏΠ»ΠΎΡΠ°Π΄Ρ ΠΏΠ°ΡΠ½ΠΎΠ³ΠΎ ΠΏΠΎΠΌΠ΅ΡΠ΅Π½ΠΈΡ, ΡΠΎ Π²ΡΠ³ΠΎΠ΄Π½Π΅Π΅ ΡΠ΄Π΅Π»Π°ΡΡ ΠΊΠΎΠΌΠΏΠ°ΠΊΡΠ½ΡΡ ΠΏΠ΅ΡΡ ΠΈΠ· Π»ΠΈΡΡΠΎΠ²ΠΎΠ³ΠΎ ΠΌΠ΅ΡΠ°Π»Π»Π°, Π° Π²Π½ΡΡΡΠΈ ΠΎΠ±Π»ΠΎΠΆΠΈΡΡ Π΅Π΅ ΠΊΡΠ°ΡΠ½ΡΠΌ ΠΎΠ³Π½Π΅ΡΠΏΠΎΡΠ½ΡΠΌ ΠΊΠΈΡΠΏΠΈΡΠΎΠΌ.
ΠΠ°Π±Π°ΡΠΈΡΡ ΠΏΡΡΠΌΠΎΡΠ³ΠΎΠ»ΡΠ½ΠΎΠΉ ΠΏΠ΅ΡΠΊΠΈ ΠΈΠ· ΠΌΠ΅ΡΠ°Π»Π»Π° Π² Π»ΡΠ±ΠΎΠΌ ΡΠ»ΡΡΠ°Π΅ Π²ΠΏΠΈΡΡΡΡΡ Π² ΠΏΠ΅ΡΠΈΠΌΠ΅ΡΡ Π±Π°Π½ΠΈ, ΠΈ Π±ΡΠ΄ΡΡ ΡΠΎΠΎΡΠ²Π΅ΡΡΡΠ²ΠΎΠ²Π°ΡΡ ΠΎΠ±ΠΎΠ³ΡΠ΅Π²Π°Π΅ΠΌΠΎΠΌΡ ΠΏΠΎΠΌΠ΅ΡΠ΅Π½ΠΈΡ. Π‘ΡΠ΅Π½ΠΊΠΈ ΠΊΠ°ΠΌΠ΅ΡΡ ΡΠ³ΠΎΡΠ°Π½ΠΈΡ ΡΠΎΠΏΠ»ΠΈΠ²Π° Π²ΡΠΊΠ»Π°Π΄ΡΠ²Π°ΡΡΡΡ Π² ΠΏΠΎΠ»ΠΊΠΈΡΠΏΠΈΡΠ°, Π΄ΡΠΌΠΎΡ ΠΎΠ΄Π½Π°Ρ ΡΡΡΠ±Π° β Π² ΡΠ΅ΡΠ²Π΅ΡΡΡ ΠΊΠΈΡΠΏΠΈΡΠ°. Π’Π°ΠΊΡΡ ΠΊΠΎΠ½ΡΡΡΡΠΊΡΠΈΡ Π½Π΅ ΡΠΎΠ»ΡΠΊΠΎ ΠΏΡΠΎΡΡΠΎ ΠΈ Π±ΡΡΡΡΠΎ ΡΠ΅Π°Π»ΠΈΠ·ΠΎΠ²Π°ΡΡ, Π½ΠΎ ΠΈ ΡΠ΄ΠΎΠ±Π½Π΅Π΅ ΡΠΊΡΠΏΠ»ΡΠ°ΡΠΈΡΠΎΠ²Π°ΡΡ, ΠΏΠΎΡΠΊΠΎΠ»ΡΠΊΡ ΡΠ°ΠΊΠ°Ρ ΠΏΠ΅ΡΡ Π½Π΅ ΠΏΠΎΡΡΠ΅Π±Π»ΡΠ΅Ρ ΠΌΠ½ΠΎΠ³ΠΎ Π΄ΡΠΎΠ², ΠΈ ΠΏΠΎΠΌΠ΅ΡΠ΅Π½ΠΈΠ΅ ΠΏΠ°ΡΠ½ΠΎΠΉ ΠΏΡΠΎΠ³ΡΠ΅Π΅ΡΡΡ Π·Π° ΠΊΠΎΡΠΎΡΠΊΠΎΠ΅ Π²ΡΠ΅ΠΌΡ.
ΠΠ°ΡΠΈΠ°Π½ΡΠΎΠ² ΠΎΠ±ΡΡΡΡΠΎΠΉΡΡΠ²Π° ΠΏΠ΅ΡΠΈ-ΠΊΠ°ΠΌΠ΅Π½ΠΊΠΈ ΡΠ²ΠΎΠΈΠΌΠΈ ΡΡΠΊΠ°ΠΌΠΈ Π±ΠΎΠ»ΡΡΠΎΠ΅ ΠΌΠ½ΠΎΠΆΠ΅ΡΡΠ²ΠΎ, Π² ΡΠΎΠΌ ΡΠΈΡΠ»Π΅ ΠΈ ΡΠ°ΠΊΠΈΡ , Π² ΠΊΠΎΡΠΎΡΡΡ ΠΊΠΈΡΠΏΠΈΡ Π½Π΅ Π½ΡΠΆΠ΅Π½. ΠΠΎ Π²ΡΡΠ΅ΠΎΠΏΠΈΡΠ°Π½Π½ΡΠ΅ ΠΌΠ΅ΡΠΎΠ΄Ρ ΠΈ ΠΏΠΎΠ΄Ρ ΠΎΠ΄Ρ ΠΏΡΠΈ ΡΡΡΠΎΠΈΡΠ΅Π»ΡΡΡΠ²Π΅ ΠΌΠ΅ΡΠ°Π»Π»ΠΈΡΠ΅ΡΠΊΠΎΠΉ ΠΏΠ΅ΡΠΊΠΈ Π΄Π»Ρ Π±Π°Π½ΠΈ ΡΡΠΈΡΠ°ΡΡΡΡ ΡΠ°ΠΌΡΠΌΠΈ Π΄Π΅ΡΠ΅Π²ΡΠΌΠΈ ΠΈ Π±ΡΡΡΡΡΠΌΠΈ, ΠΏΡΠΈ ΡΡΠΎΠΌ ΡΠΎΠ±Π»ΡΠ΄Π°Π΅ΡΡΡ ΠΈ ΡΠ°ΠΊΠΎΠΉ Π²Π°ΠΆΠ½ΡΠΉ ΠΏΠ°ΡΠ°ΠΌΠ΅ΡΡ, ΠΊΠ°ΠΊ ΡΡΡΠ΅ΡΠΈΡΠ½ΠΎΡΡΡ ΠΊΠΎΠ½ΡΡΡΡΠΊΡΠΈΠΈ. ΠΠ΅ΡΡ ΠΈΠ· ΠΌΠ΅ΡΠ°Π»Π»Π° ΡΠΌΠΎΠΆΠ΅Ρ ΠΎΠ±ΠΎΠ³ΡΠ΅ΡΡ Π½Π΅ ΡΠΎΠ»ΡΠΊΠΎ ΠΏΠ°ΡΠΈΠ»ΠΊΡ, Π½ΠΎ ΠΈ ΠΏΡΠ΅Π΄Π±Π°Π½Π½ΠΈΠΊ, ΠΌΠΎΠΉΠΊΡ ΠΈ ΠΊΠΎΡΠΈΠ΄ΠΎΡ.
ΠΠ΅ΡΡ Π΄Π»Ρ Π±Π°Π½ΠΈ ΡΠ²ΠΎΠΈΠΌΠΈ ΡΡΠΊΠ°ΠΌΠΈ ΠΎΠ±Π½ΠΎΠ²Π»Π΅Π½ΠΎ: Π€Π΅Π²ΡΠ°Π»Ρ 18, 2017 Π°Π²ΡΠΎΡΠΎΠΌ: kranch0
ΠΡΡΠΎΡΠ½ΠΈΠΊΠΈ: http://banyaprofi.ru/bannye-pechi/samodelnye-bannye-pechi-iz-metalla-i-truby.html, http://gidotopleniya.ru/pechi-kaminy/samodelnye-pechi-dlja-bani-iz-metalla-pochemu-segodnja-7965, http://jsnip.ru/vodosnabzheniya/pech-dlja-bani-svoimi-rukami-chertezhi.html
v-banyu.ru
ΠΠ°Π½Π½Π°Ρ ΠΏΠ΅ΡΡ ΠΈΠ· ΠΌΠ΅ΡΠ°Π»Π»Π°: ΡΠ΅ΡΡΠ΅ΠΆΠΈ, ΠΈΠ½ΡΡΡΡΠΊΡΠΈΡ ΠΏΠΎ ΠΌΠΎΠ½ΡΠ°ΠΆΡ
Π‘ΠΎΠ²ΡΠ΅ΠΌΠ΅Π½Π½ΠΎΠ΅ Π²ΠΎΠ·ΡΠΎΠΆΠ΄Π΅Π½ΠΈΠ΅ ΠΈΠ½ΡΠ΅ΡΠ΅ΡΠ° ΠΊ Π±Π°Π½Π½ΠΎΠΌΡ Π΄Π΅Π»Ρ ΡΠ²ΡΠ·Π°Π½ΠΎ Ρ ΠΎΡΠ΅Π»ΠΎΠΌΠ»ΡΡΡΠΈΠΌ ΠΎΡΠΊΡΡΡΠΈΠ΅ΠΌ ΠΌΠ΅Π΄ΠΈΠΊΠΎΠ², ΡΡΠ²Π΅ΡΠΆΠ΄Π°ΡΡΠΈΠΌ, ΡΡΠΎ ΡΠ΅ΠΊΡΠ΅Ρ ΡΡΡΡΠΊΠΎΠΉ, Π° Π²ΠΌΠ΅ΡΡΠ΅ Ρ ΡΠ΅ΠΌ ΠΈ ΡΠΈΠ½ΡΠΊΠΎΠΉ Π±Π°Π½ΠΈ ΡΠ°ΡΠΊΡΡΡ. Π‘Π»Π΅Π΄ΡΡΠ²ΠΈΠ΅ΠΌ Π΄Π°Π½Π½ΠΎΠΉ ΠΏΠΎΠΏΡΠ»ΡΡΠΈΠ·Π°ΡΠΈΠΈ ΠΏΠ°ΡΠ½ΠΎΠΉ ΡΡΠ°Π»Π° ΠΏΠ΅ΡΡ Π΄Π»Ρ Π±Π°Π½ΠΈ, ΠΈΠ·Π³ΠΎΡΠΎΠ²Π»Π΅Π½Π½Π°Ρ ΡΠ²ΠΎΠΈΠΌΠΈ ΡΡΠΊΠ°ΠΌΠΈ. ΠΡΠΎ ΡΠ²ΡΠ·Π°Π½ΠΎ Ρ ΡΠ΅ΠΌ, ΡΡΠΎ ΡΠΎΠ²ΡΠ΅ΠΌΠ΅Π½Π½ΡΠΉ ΡΡΠ½ΠΎΠΊ Π΄ΠΎ ΡΠΈΡ ΠΏΠΎΡ Π½Π΅ Π² ΡΠΎΡΡΠΎΡΠ½ΠΈΠΈ ΠΏΠΎΠ»Π½ΠΎΡΡΡΡ ΡΠ΄ΠΎΠ²Π»Π΅ΡΠ²ΠΎΡΠΈΡΡ ΠΏΠΎΡΡΠ΅Π±ΠΈΡΠ΅Π»ΡΡΠΊΠΈΠΉ ΡΠΏΡΠΎΡ Π½Π° Π±Π°Π½Π½ΡΠ΅ ΠΏΠ΅ΡΠΈ, Π° ΡΠ°ΠΊΠΆΠ΅ Ρ Π½Π΅ΠΎΠΏΡΠ°Π²Π΄Π°Π½Π½ΠΎ Π²ΡΡΠΎΠΊΠΎΠΉ ΡΠ΅Π½ΠΎΠΉ Π½Π° ΡΠΊΠ°Π·Π°Π½Π½ΡΠ΅ Π°Π³ΡΠ΅Π³Π°ΡΡ. ΠΡΠΎΠΌΠ΅ ΡΠΎΠ³ΠΎ, ΡΠΈΠ½ΡΠΊΠ°Ρ ΠΈ ΡΡΡΡΠΊΠ°Ρ Π±Π°Π½ΠΈ ΡΠ²Π»ΡΡΡΡΡ ΠΌΠ΅ΡΡΠΎΠΌ Π½Π΅ ΡΠΎΠ»ΡΠΊΠΎ Π΄Π»Ρ ΠΏΠΎΠΌΡΠ²ΠΊΠΈ, Π½ΠΎ ΠΈ Π΄Π»Ρ ΡΠ»ΠΎΠΆΠ½ΡΡ ΠΎΠ·Π΄ΠΎΡΠΎΠ²ΠΈΡΠ΅Π»ΡΠ½ΠΎ Π³ΠΈΠ³ΠΈΠ΅Π½ΠΈΡΠ΅ΡΠΊΠΈΡ ΠΏΡΠΎΡΠ΅Π΄ΡΡ, ΠΏΠΎΠ»Π½ΠΎΡΡΡΡ Π²ΠΎΡΡΡΠ°Π½Π°Π²Π»ΠΈΠ²Π°ΡΡΠΈΡ ΡΠ½Π΅ΡΠ³Π΅ΡΠΈΡΠ΅ΡΠΊΠΈΠΉ ΠΏΠΎΡΠ΅Π½ΡΠΈΠ°Π» Π΄ΡΡΠΈ ΠΈ ΡΠ΅Π»Π°. Π£ΡΠ»ΠΎΠ²ΠΈΡ, ΡΠΎΠ·Π΄Π°Π²Π°Π΅ΠΌΡΠ΅ Π½Π° ΡΠ΅ΡΠΈΠΉΠ½ΠΎΠΌ ΠΏΡΠΎΠΈΠ·Π²ΠΎΠ΄ΡΡΠ²Π΅, Π½Π΅ ΠΏΠΎΠ·Π²ΠΎΠ»ΡΡΡ ΠΏΡΠ΅Π΄ΡΡΠΌΠΎΡΡΠ΅ΡΡ ΡΠΎΡΠ΅ΡΠ°Π½ΠΈΠ΅ ΠΊΠΎΠ½ΠΊΡΠ΅ΡΠ½ΡΡ ΠΌΠ΅ΡΡΠ½ΡΡ ΡΠ°ΠΊΡΠΎΡΠΎΠ², Π² ΡΠ²ΡΠ·ΠΈ Ρ ΡΠ΅ΠΌ, ΠΏΡΠΎΡΠ΅ΡΡΠΈΠΎΠ½Π°Π»ΡΠ½ΡΠ΅ ΡΠ΅Π½ΠΈΡΠ΅Π»ΠΈ Π±Π°Π½ΠΈ Π·Π°ΡΠ°ΡΡΡΡ ΠΏΡΠ΅Π΄ΠΏΠΎΡΠΈΡΠ°ΡΡ ΡΠΊΠΎΠ½ΡΡΡΡΠΈΡΠΎΠ²Π°ΡΡ Π±Π°Π½Π½ΡΠΉ Π°Π³ΡΠ΅Π³Π°Ρ ΡΠ°ΠΌΠΎΡΡΠΎΡΡΠ΅Π»ΡΠ½ΠΎ, Π° Π½Π΅ ΠΏΡΠΈΠΎΠ±ΡΠ΅ΡΠ°ΡΡ Π·Π°Π²ΠΎΠ΄ΡΠΊΠΎΠΉ, ΠΈΠ·Π³ΠΎΡΠΎΠ²Π»Π΅Π½Π½ΡΠΉ ΠΏΠΎ Π±Π΅Π·Π»ΠΈΠΊΠΈΠΌ ΡΡΠ°Π½Π΄Π°ΡΡΠ°ΠΌ.
Π‘ΠΎΠ΄Π΅ΡΠΆΠ°Π½ΠΈΠ΅
- ΠΠ°Π½Π½Π°Ρ ΠΏΠ΅ΡΡ ΠΈΠ· ΠΌΠ΅ΡΠ°Π»Π»Π°: Π°ΠΊΡΡΠ°Π»ΡΠ½ΠΎΡΡΡ ΡΠ΅ΠΌΡ
- Π‘ΠΎΠ²ΡΠ΅ΠΌΠ΅Π½Π½ΡΠ΅ ΠΌΠ΅ΡΠ°Π»Π»ΠΈΡΠ΅ΡΠΊΠΈΠ΅ ΠΏΠ΅ΡΠΈ: ΠΎΡΠΎΠ±Π΅Π½Π½ΠΎΡΡΠΈ ΠΊΠΎΠ½ΡΡΡΡΠΊΡΠΈΠΈ
- Π Π°Π·Π½ΠΎΠ²ΠΈΠ΄Π½ΠΎΡΡΠΈ Π±Π°Π½Π½ΡΡ
ΠΏΠ΅ΡΠ΅ΠΉ ΠΈΠ· ΠΌΠ΅ΡΠ°Π»Π»Π°
- ΠΡΠΎΠ±Π΅Π½Π½ΠΎΡΡΠΈ ΠΊΠΎΠ½ΡΡΡΡΠΊΡΠΈΠΈ: 3 ΡΠΈΠΏΠ° Π±Π°Π½Π½ΡΡ ΠΏΠ΅ΡΠ΅ΠΉ
- ΠΠΈΠ΄ ΡΠΎΠΏΠ»ΠΈΠ²Π°: 3 ΡΠΈΠΏΠ° Π±Π°Π½Π½ΡΡ ΠΏΠ΅ΡΠ΅ΠΉ
- ΠΠ°Π½Π½ΡΠ΅ ΠΏΠ΅ΡΠΈ ΠΈΠ· ΠΌΠ΅ΡΠ°Π»Π»Π°: ΠΏΡΠ΅ΠΈΠΌΡΡΠ΅ΡΡΠ²Π° ΠΈ Π½Π΅Π΄ΠΎΡΡΠ°ΡΠΊΠΈ
- Π€ΠΎΡΠΌΠ° Π±Π°Π½Π½ΠΎΠΉ ΠΏΠ΅ΡΠΈ: Π½Π° ΡΡΠΎ ΠΎΠ±ΡΠ°ΡΠΈΡΡ Π²Π½ΠΈΠΌΠ°Π½ΠΈΠ΅?
- ΠΠ·Π³ΠΎΡΠΎΠ²Π»Π΅Π½ΠΈΠ΅ ΠΌΠ΅ΡΠ°Π»Π»ΠΈΡΠ΅ΡΠΊΠΎΠΉ ΠΏΠ΅ΡΠΈ Π΄Π»Ρ Π±Π°Π½ΠΈ: ΠΏΠΎΠΈΡΠΊ Π²ΠΎΠ·ΠΌΠΎΠΆΠ½ΡΡ Π²Π°ΡΠΈΠ°Π½ΡΠΎΠ²
- ΠΠ·Π³ΠΎΡΠΎΠ²Π»Π΅Π½ΠΈΠ΅ ΠΌΠ΅ΡΠ°Π»Π»ΠΈΡΠ΅ΡΠΊΠΎΠΉ ΠΏΠ΅ΡΠΈ ΡΠ²ΠΎΠΈΠΌΠΈ ΡΡΠΊΠ°ΠΌΠΈ: ΠΏΠΎΡΠ°Π³ΠΎΠ²Π°Ρ ΠΈΠ½ΡΡΡΡΠΊΡΠΈΡ
- ΠΠ΅ΠΎΠ±Ρ ΠΎΠ΄ΠΈΠΌΡΠ΅ ΠΌΠ°ΡΠ΅ΡΠΈΠ°Π»Ρ ΠΈ ΠΈΠ½ΡΡΡΡΠΌΠ΅Π½ΡΡ
- Π ΡΠΊΠΎΠ²ΠΎΠ΄ΡΡΠ²ΠΎ ΠΏΠΎ ΠΈΠ·Π³ΠΎΡΠΎΠ²Π»Π΅Π½ΠΈΡ ΠΏΠ΅ΡΠ½ΠΎΠ³ΠΎ Π°Π³ΡΠ΅Π³Π°ΡΠ°
- Π£ΡΡΠ°Π½ΠΎΠ²ΠΊΠ° Π±Π°Π½Π½ΠΎΠΉ ΠΏΠ΅ΡΠΈ: Π½Π° ΡΡΠΎ ΠΎΠ±ΡΠ°ΡΠΈΡΡ Π²Π½ΠΈΠΌΠ°Π½ΠΈΠ΅?
ΠΠ°Π½Π½Π°Ρ ΠΏΠ΅ΡΡ ΠΈΠ· ΠΌΠ΅ΡΠ°Π»Π»Π°: Π°ΠΊΡΡΠ°Π»ΡΠ½ΠΎΡΡΡ ΡΠ΅ΠΌΡ
Π‘ Π½Π΅Π·Π°ΠΏΠ°ΠΌΡΡΠ½ΡΡ Π²ΡΠ΅ΠΌΠ΅Π½ ΠΌΠ΅ΡΠ°Π»Π»ΠΈΡΠ΅ΡΠΊΠΈΠ΅ ΠΏΠ΅ΡΠΈ Π±ΡΠ»ΠΈ ΠΈΠ·Π²Π΅ΡΡΠ½ΡΠΌΠΈ ΠΊΠΎΠ½ΠΊΡΡΠ΅Π½ΡΠ°ΠΌΠΈ ΡΡΠ°Π΄ΠΈΡΠΈΠΎΠ½Π½ΡΠΌ ΠΊΠΈΡΠΏΠΈΡΠ½ΡΠΌ Π°Π³ΡΠ΅Π³Π°ΡΠ°ΠΌ, ΡΡΠΎ Π°ΠΊΡΡΠ°Π»ΡΠ½ΠΎ Π½Π΅ ΡΠΎΠ»ΡΠΊΠΎ Π΄Π»Ρ ΡΠ°ΡΡΠ½ΡΡ Π΄ΠΎΠΌΠΎΠ², Π½ΠΎ ΠΈ Π΄Π»Ρ Π±Π°Π½Ρ. ΠΡΠΎ ΠΎΠ±ΡΡΠ»ΠΎΠ²Π»Π΅Π½ΠΎ ΠΈΡ Π½Π΅ΠΎΡΠΏΠΎΡΠΈΠΌΡΠΌΠΈ Π΄ΠΎΡΡΠΎΠΈΠ½ΡΡΠ²Π°ΠΌΠΈ, ΡΠ°ΠΊΠΈΠΌΠΈ ΠΊΠ°ΠΊ Π±ΡΡΡΡΡΠΉ Π½Π°Π³ΡΠ΅Π² ΠΈ ΠΎΡΠ½ΠΎΡΠΈΡΠ΅Π»ΡΠ½Π°Ρ ΠΏΡΠΎΡΡΠΎΡΠ° ΠΌΠΎΠ½ΡΠ°ΠΆΠ°, ΡΡΠΎ ΠΎΡΠΎΠ±ΠΎ Π°ΠΊΡΡΠ°Π»ΡΠ½ΠΎ Π΄Π»Ρ ΡΠ΅Ρ , ΠΊΡΠΎ ΠΏΠ»Π°Π½ΠΈΡΡΠ΅Ρ ΠΈΡ ΠΈΠ·Π³ΠΎΡΠΎΠ²ΠΈΡΡ ΡΠ°ΠΌΠΎΡΡΠΎΡΡΠ΅Π»ΡΠ½ΠΎ. ΠΠ°ΡΡΠ΄Ρ Ρ Π²ΡΡΠΎΠΊΠΎΠΉ ΡΠ΅ΠΏΠ»ΠΎΠΏΡΠΎΠ²ΠΎΠ΄Π½ΠΎΡΡΡΡ ΠΈ ΠΎΡΠΌΠ΅Π½Π½ΡΠΌΠΈ ΡΡΡΠ΅ΡΠΈΡΠ΅ΡΠΊΠΈΠΌΠΈ Ρ Π°ΡΠ°ΠΊΡΠ΅ΡΠΈΡΡΠΈΠΊΠ°ΠΌΠΈ, ΠΏΡΠΈ Π½Π΅ΡΠ°ΡΠΈΠΎΠ½Π°Π»ΡΠ½ΠΎΠΌ ΠΈΡΠΏΠΎΠ»ΡΠ·ΠΎΠ²Π°Π½ΠΈΠ΅ ΠΌΠ΅ΡΠ°Π»Π»ΠΈΡΠ΅ΡΠΊΠΎΠΉ ΠΏΠ΅ΡΠΊΠΈ ΠΈΠ»ΠΈ Π½Π΅ΡΠΎΠ±Π»ΡΠ΄Π΅Π½ΠΈΠΈ Π²ΡΠ΅Ρ Π½ΡΠ°Π½ΡΠΎΠ² ΠΏΡΠΈ Π΅Π΅ ΡΠ°ΠΌΠΎΡΡΠΎΡΡΠ΅Π»ΡΠ½ΠΎΠΌ ΠΈΠ·Π³ΠΎΡΠΎΠ²Π»Π΅Π½ΠΈΠΈ, Π½Π΅Π»ΡΠ·Ρ Π·Π°Π±ΡΠ²Π°ΡΡ ΠΏΡΠΎ ΡΠΈΡΠΊ Π²ΠΎΠ·Π½ΠΈΠΊΠ½ΠΎΠ²Π΅Π½ΠΈΡ ΠΏΠΎΠΆΠ°ΡΠ°. Π ΡΠ²ΡΠ·ΠΈ Ρ ΡΡΠΈΠΌ, Π²Π°ΠΆΠ½ΠΎ ΡΠ»Π΅Π΄ΠΎΠ²Π°ΡΡ Π²ΡΠ΅ΠΌ Π½ΡΠ°Π½ΡΠ°ΠΌ ΠΈ ΠΈΠ·Π³ΠΎΡΠ°Π²Π»ΠΈΠ²Π°ΡΡ Π±Π°Π½Π½ΡΡ ΠΏΠ΅ΡΡ Π² ΡΠΎΠΎΡΠ²Π΅ΡΡΡΠ²ΠΈΠΈ Ρ ΠΈΠ½ΡΡΡΡΠΊΡΠΈΠ΅ΠΉ, ΠΏΡΠ΅Π΄Π»ΠΎΠΆΠ΅Π½Π½ΠΎΠΉ Π½Π°ΡΠΈΠΌΠΈ ΡΠΏΠ΅ΡΠΈΠ°Π»ΠΈΡΡΠ°ΠΌΠΈ. Π‘ Π½Π΅ΠΉ Π²Ρ ΠΌΠΎΠΆΠ΅ΡΠ΅ ΠΎΠ·Π½Π°ΠΊΠΎΠΌΠΈΡΡΡΡ, ΠΏΡΠΎΡΠΈΡΠ°Π² Π½Π°ΡΡΠΎΡΡΡΡ ΡΡΠ°ΡΡΡ.
Π‘ΠΎΠ²ΡΠ΅ΠΌΠ΅Π½Π½ΡΠ΅ ΠΌΠ΅ΡΠ°Π»Π»ΠΈΡΠ΅ΡΠΊΠΈΠ΅ ΠΏΠ΅ΡΠΈ: ΠΎΡΠΎΠ±Π΅Π½Π½ΠΎΡΡΠΈ ΠΊΠΎΠ½ΡΡΡΡΠΊΡΠΈΠΈ
ΠΠ°ΠΈΠ±ΠΎΠ»Π΅Π΅ ΠΏΡΠΎΡΡΠ°Ρ ΠΌΠΎΠ΄Π΅Π»Ρ ΡΠ°ΠΌΠΎΠ΄Π΅Π»ΡΠ½ΠΎΠΉ ΠΌΠ΅ΡΠ°Π»Π»ΠΈΡΠ΅ΡΠΊΠΎΠΉ ΠΏΠ΅ΡΠΈ β ΡΠ°ΠΊ Π½Π°Π·ΡΠ²Π°Π΅ΠΌΠ°Ρ Β«Π±ΡΡΠΆΡΠΉΠΊΠ°Β», ΡΠΎΡΡΠΎΡΡΠ°Ρ ΠΈΠ· ΡΡΠΈΠΊΠ°, ΠΎΡΠ½Π°ΡΠ΅Π½Π½ΠΎΠ³ΠΎ Π΄Π²Π΅ΡΡΠ΅ΠΉ ΠΈ ΡΡΡΠ±ΠΎΠΉ. ΠΡ Π½Π΅Π΄ΠΎΡΡΠ°ΡΠΊΠΎΠΌ ΡΠ²Π»ΡΠ΅ΡΡΡ ΡΠΎ, ΡΡΠΎ, Π½Π΅ΡΠΌΠΎΡΡΡ ΡΡΠ°Π²Π½ΠΈΡΠ΅Π»ΡΠ½ΠΎ Π½Π΅Π±ΠΎΠ»ΡΡΡΡ ΡΠ΅ΠΏΠ»ΠΎΠ²ΡΡ ΠΎΡΠ΄Π°ΡΡ, ΠΈΡ ΠΏΠΎΡΡΠ΅Π±Π½ΠΎΡΡΡ Π² ΡΠΎΠΏΠ»ΠΈΠ²Π΅ ΡΡΠ΅Π·Π²ΡΡΠ°ΠΉΠ½ΠΎ Π²ΡΡΠΎΠΊΠ°. Π ΡΠ²ΡΠ·ΠΈ Ρ ΡΡΠΈΠΌ, ΠΎΠ½ΠΈ Π΄Π°Π²Π½ΠΎ ΡΡΠΈΡΠ°ΡΡΡΡ Π½Π΅Π°ΠΊΡΡΠ°Π»ΡΠ½ΡΠΌ ΠΏΠ΅ΡΠ΅ΠΆΠΈΡΠΊΠΎΠΌ ΠΏΡΠΎΡΠ»ΠΎΠ³ΠΎ.
Π§ΡΠΎ ΠΊΠ°ΡΠ°Π΅ΡΡΡ ΡΠΎΠ²ΡΠ΅ΠΌΠ΅Π½Π½ΡΡ ΠΌΠ΅ΡΠ°Π»Π»ΠΈΡΠ΅ΡΠΊΠΈΡ ΠΏΠ΅ΡΠ΅ΠΉ, ΠΎΠ½ΠΈ ΠΎΡΠ½ΠΎΡΡΡΡΡ ΠΊ Π±ΠΎΠ»Π΅Π΅ Π²ΡΡΠΎΠΊΠΎΠΌΡ ΠΊΠ»Π°ΡΡΡ Π±Π΅Π·ΠΎΠΏΠ°ΡΠ½ΠΎΡΡΠΈ. ΠΡ ΠΈΠ·Π³ΠΎΡΠΎΠ²Π»Π΅Π½ΠΈΠ΅ ΠΎΡΡΡΠ΅ΡΡΠ²Π»ΡΠ΅ΡΡΡ ΠΈΠ· Π»ΠΈΡΡΠΎΠ²ΠΎΠ³ΠΎ ΠΆΠ΅Π»Π΅Π·Π°, ΡΠΎΠ»ΡΠΈΠ½Π° ΠΊΠΎΡΠΎΡΠΎΠ³ΠΎ Π½Π΅ ΠΏΡΠ΅Π²ΡΡΠ°Π΅Ρ 4-5 ΠΌΠΌ. ΠΡΠΎΠΌΠ΅ ΡΠΎΠ³ΠΎ, ΠΎΠ½ΠΈ ΠΎΡΠ½Π°ΡΠ΅Π½Ρ ΡΠΏΠ΅ΡΠΈΠ°Π»ΠΈΠ·ΠΈΡΠΎΠ²Π°Π½Π½ΠΎΠΉ ΡΠ΅ΠΏΠ»ΠΎΠ²ΠΎΠΉ ΠΊΠ°ΠΌΠ΅ΡΠΎΠΉ, ΠΏΡΠ΅Π΄Π½Π°Π·Π½Π°ΡΠ΅Π½Π½ΠΎΠΉ Π΄Π»Ρ ΠΊΠ°ΠΌΠ΅Π½Π½ΠΎΠΉ Π·Π°ΡΡΠΏΠΊΠΈ. ΠΠ°ΡΠ°ΡΡΡΡ Π²ΠΎΠ·ΠΌΠΎΠΆΠ½ΠΎΡΡΠΈ ΠΈΡ ΠΊΠΎΠ½ΡΡΡΡΠΊΡΠΈΠΈ ΠΏΠΎΠ·Π²ΠΎΠ»ΡΡΡ ΠΎΠ±ΡΡΡΡΠΎΠΈΡΡ Π΄ΠΎΠΏΠΎΠ»Π½ΠΈΡΠ΅Π»ΡΠ½ΡΠΉ Π±Π°ΠΊ Π΄Π»Ρ Π²ΠΎΠ΄Ρ, ΠΎΠ±ΡΠ΅ΠΌ ΠΊΠΎΡΠΎΡΠΎΠ³ΠΎ Π΄ΠΎΡΡΠΈΠ³Π°Π΅Ρ 70 Π»ΠΈΡΡΠΎΠ². Π§ΡΠΎΠ±Ρ ΠΎΠ±Π΅ΡΠΏΠ΅ΡΠΈΡΡ ΡΠ°Π²Π½ΠΎΠΌΠ΅ΡΠ½ΠΎΠ΅ ΠΏΡΠΎΠ³ΡΠ΅Π²Π°Π½ΠΈΠ΅ Π²ΠΎΠ·Π΄ΡΡ Π° Π² ΠΏΠ΅ΡΠΈ, Π° ΡΠ°ΠΊΠΆΠ΅ ΡΠ½ΠΈΠ·ΠΈΡΡ Π΅Π΅ ΠΏΠΎΠΆΠ°ΡΠΎΠΎΠΏΠ°ΡΠ½ΠΎΡΡΡ, ΠΌΠ΅ΡΠ°Π»Π»ΠΈΡΠ΅ΡΠΊΡΡ ΠΏΠ΅ΡΡ Π²ΡΠΊΠ»Π°Π΄ΡΠ²Π°ΡΡ ΠΎΠ³Π½Π΅ΡΠΏΠΎΡΠ½ΡΠΌ ΠΊΠΈΡΠΏΠΈΡΠΎΠΌ.
ΠΠ°ΠΆΠ½ΠΎ! ΠΡΠ΄Π°Π² ΠΏΡΠ΅Π΄ΠΏΠΎΡΡΠ΅Π½ΠΈΠ΅ ΡΠΎΠ²ΡΠ΅ΠΌΠ΅Π½Π½ΡΠΌ ΠΌΠ΅ΡΠ°Π»Π»ΠΈΡΠ΅ΡΠΊΠΈΠΌ ΠΏΠ΅ΡΠ°ΠΌ, Π²Ρ ΠΈΠ·Π±Π°Π²ΠΈΡΠ΅ ΡΠ΅Π±Ρ ΠΎΡ Π²ΠΎΠ·Π²Π΅Π΄Π΅Π½ΠΈΡ ΡΡΠ½Π΄Π°ΠΌΠ΅Π½ΡΠ° Π²ΡΡΠΎΠΊΠΎΠΉ ΠΏΡΠΎΡΠ½ΠΎΡΡΠΈ. Π ΡΡΠΎΠΌ ΡΠ»ΡΡΠ°Π΅ Π±ΡΠ΄Π΅Ρ Π΄ΠΎΡΡΠ°ΡΠΎΡΠ½ΠΎ Π²ΡΠΏΠΎΠ»Π½Π΅Π½ΠΈΡ ΠΊΡΡΠΏΠ½ΠΎΠ³Π°Π±Π°ΡΠΈΡΠ½ΠΎΠ³ΠΎ ΠΎΡΠ½ΠΎΠ²Π°Π½ΠΈΡ, Π² ΡΠΎΠ»ΠΈ ΠΊΠΎΡΠΎΡΠΎΠ³ΠΎ ΠΌΠΎΠΆΠ΅Ρ Π²ΡΡΡΡΠΏΠ°ΡΡ ΡΠ΅ΠΌΠ΅Π½ΡΠ½Π°Ρ ΠΏΠ»ΠΈΡΠ°, Π΄Π»Ρ ΠΏΠΎΠ²ΡΡΠ΅Π½ΠΈΡ ΡΡΡΠ΅ΠΊΡΠΈΠ²Π½Π°Ρ ΠΎΡΠ΄Π΅Π»Π°Π½Π½Π°Ρ ΠΊΠ°ΡΠ΅Π»ΡΠ½ΠΎΠΉ ΠΏΠ»ΠΈΡΠΊΠΎΠΉ, Π»ΠΈΡΡΠΎΠΌ ΠΌΠ΅ΡΠ°Π»Π»Π° ΠΈΠ»ΠΈ ΠΎΠ³Π½Π΅ΡΠΏΠΎΡΠ½ΡΠΌ ΠΊΠΈΡΠΏΠΈΡΠΎΠΌ.
Π€ΠΎΡΠΎ Π±Π°Π½Π½ΡΡ ΠΏΠ΅ΡΠ΅ΠΉ ΠΈΠ· ΠΌΠ΅ΡΠ°Π»Π»Π°



Π Π°Π·Π½ΠΎΠ²ΠΈΠ΄Π½ΠΎΡΡΠΈ Π±Π°Π½Π½ΡΡ ΠΏΠ΅ΡΠ΅ΠΉ ΠΈΠ· ΠΌΠ΅ΡΠ°Π»Π»Π°
ΠΡΠΎΠ±Π΅Π½Π½ΠΎΡΡΠΈ ΠΊΠΎΠ½ΡΡΡΡΠΊΡΠΈΠΈ: 3 ΡΠΈΠΏΠ° Π±Π°Π½Π½ΡΡ ΠΏΠ΅ΡΠ΅ΠΉ
ΠΡΠ»ΠΈ ΠΈΠ·ΡΡΠΈΡΡ ΠΌΠ½ΠΎΠ³ΠΎΡΠΈΡΠ»Π΅Π½Π½ΡΠ΅ ΡΠ΅ΡΡΠ΅ΠΆΠΈ Π±Π°Π½Π½ΡΡ ΠΏΠ΅ΡΠ΅ΠΉ ΠΈΠ· ΠΌΠ΅ΡΠ°Π»Π»Π°, ΠΌΠΎΠΆΠ½ΠΎ ΠΏΡΠΈΠΉΡΠΈ ΠΊ Π²ΡΠ²ΠΎΠ΄Ρ, ΡΡΠΎ Ρ ΠΊΠΎΠ½ΡΡΡΡΠΊΡΠΈΠ²Π½ΠΎΠΉ ΡΠΎΡΠΊΠΈ Π·ΡΠ΅Π½ΠΈΡ Π²ΡΠ΄Π΅Π»ΡΡΡ Π½Π΅ΡΠΊΠΎΠ»ΡΠΊΠΎ ΡΠ°Π·Π½ΠΎΠ²ΠΈΠ΄Π½ΠΎΡΡΠ΅ΠΉ Π±Π°Π½Π½ΡΡ ΠΏΠ΅ΡΠ΅ΠΉ:
- ΠΠ°Π½Π½ΡΠ΅ ΠΏΠ΅ΡΠΈ Ρ Π·Π°ΠΊΡΡΡΠΎΠΉ ΠΊΠΎΠ½ΡΡΡΡΠΊΡΠΈΠ΅ΠΉ, Π±Π»Π°Π³ΠΎΠ΄Π°ΡΡ ΠΊΠΎΠΌΠΏΠ°ΠΊΡΠ½ΠΎΡΡΠΈ ΠΊΠΎΡΠΎΡΡΡ ΠΈΡ ΠΏΡΠ΅Π΄ΠΏΠΎΡΠΈΡΠ°ΡΡ ΡΡΡΠ°Π½Π°Π²Π»ΠΈΠ²Π°ΡΡ Π² Π½Π΅Π±ΠΎΠ»ΡΡΠΈΡ Π±Π°Π½ΡΡ ΡΠ΅ΠΌΠ΅ΠΉΠ½ΠΎΠ³ΠΎ ΡΠΈΠΏΠ°. ΠΠ»Ρ ΠΏΠΎΠ²ΡΡΠ΅Π½ΠΈΡ ΡΠ΅ΠΏΠ»ΠΎΠ΅ΠΌΠΊΠΎΡΡΠΈ Π΄Π°Π½Π½ΡΠ΅ ΠΊΠΎΠ½ΡΡΡΡΠΊΡΠΈΡ ΡΠ½Π°ΡΡΠΆΠΈ ΠΈ Π²Π½ΡΡΡΠΈ Π·Π°ΡΡΡΠ°ΠΈΠ²Π°ΡΡ ΠΊΡΠ°ΡΠ½ΡΠΌ ΠΎΠ³Π½Π΅ΡΠΏΠΎΡΠ½ΡΠΌ ΠΊΠΈΡΠΏΠΈΡΠΎΠΌ. Π€ΠΈΠΊΡΠ°ΡΠΈΡ ΠΊΠΈΡΠΏΠΈΡΠ΅ΠΉ ΠΎΡΡΡΠ΅ΡΡΠ²Π»ΡΠ΅ΡΡΡ Ρ ΠΏΠΎΠΌΠΎΡΡΡ ΠΌΠ΅ΡΠ°Π»Π»ΠΈΡΠ΅ΡΠΊΠΈΡ ΡΠΊΡΠ΅ΠΏ. Π ΡΡΠ΅Π΄Π½Π΅ΠΉ ΡΠ°ΡΡΠΈ ΠΏΠ΅ΡΠΈ ΡΡΡΠ°Π½Π°Π²Π»ΠΈΠ²Π°Π΅ΡΡΡ ΡΠ΅ΡΠ΅ΡΠΊΠ° Π΄Π»Ρ ΠΊΠ°ΠΌΠ½Π΅ΠΉ;
- ΠΠ°Π½Π½ΡΠ΅ ΠΏΠ΅ΡΠΈ Ρ ΠΎΡΠΊΡΡΡΠΎΠΉ ΠΊΠΎΠ½ΡΡΡΡΠΊΡΠΈΠ΅ΠΉ Ρ Π°ΡΠ°ΠΊΡΠ΅ΡΠΈΠ·ΡΡΡΡΡ Π½Π°Π»ΠΈΡΠΈΠ΅ΠΌ Π±Π°ΠΊΠ° ΠΌΠ΅Π½ΡΡΠ΅Π³ΠΎ ΠΎΠ±ΡΠ΅ΠΌΠ°, ΡΠΎΠ³Π΄Π° ΠΊΠ°ΠΊ ΠΈΡ ΠΊΠ°ΠΌΠ΅Π½ΠΊΠ° ΠΎΡΠΊΡΡΡΠ°Ρ. Π ΡΠ²ΡΠ·ΠΈ Ρ ΡΡΠΈΠΌ, ΡΡΡΠ°Π½ΠΎΠ²ΠΈΠ² Π² ΠΏΠ°ΡΠΈΠ»ΠΊΠ΅ ΠΏΠ΅ΡΡ ΠΎΡΠΊΡΡΡΠΎΠ³ΠΎ ΡΠΈΠΏΠ°, Π²Ρ ΠΎΠ±Π΅ΡΠΏΠ΅ΡΠΈΡΠ΅ Π±ΠΎΠ»Π΅Π΅ Π±ΡΡΡΡΡΠΉ ΠΏΡΠΎΠ³ΡΠ΅Π² ΠΏΠΎΠΌΠ΅ΡΠ΅Π½ΠΈΡ. Π§ΡΠΎΠ±Ρ ΡΠ²Π΅Π»ΠΈΡΠΈΡΡ ΡΠ΅ΠΏΠ»ΠΎΠ΅ΠΌΠΊΠΎΡΡΡ ΡΠ°ΠΊΠΎΠΉ ΠΏΠ΅ΡΠΈ, ΠΊΠ°ΠΌΠ½ΠΈ Π½Π°ΠΊΡΡΠ²Π°ΡΡ ΠΎΡΠΈΠ½ΠΊΠΎΠ²Π°Π½Π½ΠΎΠΉ ΠΊΡΡΡΠΊΠΎΠΉ;
- ΠΠΎΠΌΠ±ΠΈΠ½ΠΈΡΠΎΠ²Π°Π½Π½ΡΠ΅ Π±Π°Π½Π½ΡΠ΅ ΠΏΠ΅ΡΠΈ, Π² ΠΊΠΎΠ½ΡΡΡΡΠΊΡΠΈΠΈ ΠΊΠΎΡΠΎΡΡΡ Π²ΡΠ΄Π΅Π»ΡΡΡ ΡΠΎΠΏΠ»ΠΈΠ²Π½ΠΈΠΊ, ΠΎΡΠ½Π°ΡΠ΅Π½Π½ΡΠΉ Π΄Π²ΡΠΌΡ Π·Π°Π΄Π²ΠΈΠΆΠΊΠ°ΠΌΠΈ, ΡΠ΅ΡΠ΅ΡΠΊΠΎΠΉ ΠΈ ΠΏΠΎΠ΄Π΄ΡΠ²Π°Π»ΠΎΠΌ, Π΄Π²Π° ΠΏΠ°ΡΡΡΠ±ΠΊΠ° (Π΄ΠΈΠ°ΠΌΠ΅ΡΡΠΎΠΌ 10 ΠΈ 14 ΡΠΌ), Π² ΠΊΠΎΡΠΎΡΡΡ Π²ΡΠ΄Π΅Π»ΡΡΡ ΡΠ΅ΡΡΡΠ΅ ΠΎΡΠ²Π΅ΡΡΡΠΈΡ Π΄Π»Ρ ΡΡΡΠ±Ρ ΠΈ ΠΎΠ±Π²ΠΎΠ΄Π½ΠΎΠ³ΠΎ ΠΊΠΎΠ»Π΅Π½Π°. ΠΠ·Π³ΠΎΡΠΎΠ²Π»Π΅Π½ΠΈΠ΅ ΡΠ°ΠΊΠΈΡ ΠΏΠ΅ΡΠ΅ΠΉ ΠΎΡΡΡΠ΅ΡΡΠ²Π»ΡΠ΅ΡΡΡ ΠΈΠ· Π»ΠΈΡΡΠΎΠ² ΡΡΠ°Π»ΠΈ ΡΠΎΠ»ΡΠΈΠ½ΠΎΠΉ 3-5 ΠΌΠΌ;

ΠΠΈΠ΄ ΡΠΎΠΏΠ»ΠΈΠ²Π°: 3 ΡΠΈΠΏΠ° Π±Π°Π½Π½ΡΡ ΠΏΠ΅ΡΠ΅ΠΉ
Π ΡΠΎΠΎΡΠ²Π΅ΡΡΡΠ²ΠΈΠΈ Ρ ΠΈΡΠΏΠΎΠ»ΡΠ·ΡΠ΅ΠΌΡΠΌ Π²ΠΈΠ΄ΠΎΠΌ ΡΠΎΠΏΠ»ΠΈΠ²Π° ΡΠ°ΠΊΠΆΠ΅ ΡΠ°Π·Π»ΠΈΡΠ°ΡΡ Π½Π΅ΡΠΊΠΎΠ»ΡΠΊΠΎ Π²ΠΈΠ΄ΠΎΠ² Π±Π°Π½Π½ΡΡ ΠΏΠ΅ΡΠ΅ΠΉ:
- ΠΡΠΎΠ²ΡΠ½ΡΠ΅ ΠΏΠ΅ΡΠΈ β Π½Π°ΠΈΠ±ΠΎΠ»Π΅Π΅ ΡΠ°Π½Π½ΡΡ ΡΠ°Π·Π½ΠΎΠ²ΠΈΠ΄Π½ΠΎΡΡΡ Π±Π°Π½Π½ΡΡ ΠΌΠ΅ΡΠ°Π»Π»ΠΈΡΠ΅ΡΠΊΠΈΡ ΠΏΠ΅ΡΠ΅ΠΉ Ρ ΡΠΎΠΎΡΠ²Π΅ΡΡΡΠ²ΡΡΡΠΈΠΌΠΈ Ρ Π°ΡΠ°ΠΊΡΠ΅ΡΠΈΡΡΠΈΠΊΠ°ΠΌΠΈ. ΠΠ½ΠΈ ΡΡΠ΅Π±ΡΡΡ Π±ΠΎΠ»ΡΡΠΎΠ΅ ΠΊΠΎΠ»ΠΈΡΠ΅ΡΡΠ²ΠΎ ΡΠΎΠΏΠ»ΠΈΠ²Π° ΠΈ, Π²ΠΌΠ΅ΡΡΠ΅ Ρ ΡΡΠΈΠΌ, Π½ΡΠΆΠ΄Π°ΡΡΡΡ Π² ΠΏΠΎΡΡΠΎΡΠ½Π½ΠΎΠΌ ΠΈ ΡΡΠ°ΡΠ΅Π»ΡΠ½ΠΎΠΌ ΡΡ ΠΎΠ΄Π΅. ΠΠ΄Π½Π°ΠΊΠΎ, ΡΡΡΠ΅ΡΡΠ²ΡΡΡ ΠΈ ΡΠ΅Π½ΠΈΡΠ΅Π»ΠΈ ΡΠ°ΠΊΠΈΡ ΠΏΠ΅ΡΠ΅ΠΉ, ΠΊΠΎΡΠΎΡΡΠ΅ ΠΏΡΠ΅Π΄ΠΏΠΎΡΠΈΡΠ°ΡΡ Π½Π΅ ΡΠΎΡΠΎΠΏΡΡΡ ΠΏΠΎΠ΄ΠΎΠΆΠ΄Π°ΡΡ, ΠΏΠΎΠΊΠ° ΠΎΠ½ΠΈ Π½Π°Π³ΡΠ΅ΡΡΡΡ, Π·Π°ΡΠΎ ΠΏΠΎΡΠΎΠΌ ΡΠΏΠΎΠ»Π½Π° Π½Π°ΡΠ»Π°Π΄ΠΈΡΡΡΡ Π°ΡΠΎΠΌΠ°ΡΠ½ΡΠΌ ΡΠ΅ΠΏΠ»ΠΎΠΌ Π½Π°ΡΡΠΎΡΡΠ΅Π³ΠΎ ΠΎΠ³Π½Ρ;
- ΠΠ»Π΅ΠΊΡΡΠΈΡΠ΅ΡΠΊΠΈΠ΅ ΠΏΠ΅ΡΠΈ β Π΅ΡΠ΅ ΠΎΠ΄Π½Π° ΡΠ°Π·Π½ΠΎΠ²ΠΈΠ΄Π½ΠΎΡΡΡ Π±Π°Π½Π½ΡΡ ΠΏΠ΅ΡΠ΅ΠΉ ΠΈΠ· ΠΌΠ΅ΡΠ°Π»Π»Π°. ΠΠ½ΠΈ ΡΠΎΡΡΠΎΡΡ ΠΈΠ· ΠΌΠ΅ΡΠ°Π»Π»ΠΈΡΠ΅ΡΠΊΠΎΠ³ΠΎ ΠΊΠΎΡΠΏΡΡΠ°, ΠΎΡΠ½Π°ΡΠ΅Π½Π½ΠΎΠ³ΠΎ Π½Π°Π³ΡΠ΅Π²Π°ΡΠ΅Π»ΡΠ½ΡΠΌ Π’ΠΠΠΎΠΌ ΠΈ ΡΠ΅ΠΏΠ»ΠΎΠΈΠ·ΠΎΠ»ΡΡΠΈΠΎΠ½Π½ΡΠΌΠΈ ΡΠ»Π΅ΠΌΠ΅Π½ΡΠ°ΠΌΠΈ;
- ΠΠ°Π·ΠΎΠ²ΡΠ΅ ΠΌΠ΅ΡΠ°Π»Π»ΠΈΡΠ΅ΡΠΊΠΈΠ΅ ΠΏΠ΅ΡΠΈ Π΄Π»Ρ Π±Π°Π½ΠΈ β Π½Π°ΠΈΠ±ΠΎΠ»Π΅Π΅ Π½Π°Π΄Π΅ΠΆΠ½ΡΠ΅ ΠΈ ΡΠΎΠ²ΡΠ΅ΠΌΠ΅Π½Π½ΡΠ΅ ΠΏΠ΅ΡΠ½ΡΠ΅ Π°Π³ΡΠ΅Π³Π°ΡΡ. ΠΠ½ΠΈ ΠΏΡΠ΅Π΄ΡΡΠ°Π²Π»ΡΡΡ ΡΠΎΠ±ΠΎΠΉ ΠΆΠ΅Π»Π΅Π·Π½ΡΠ΅ ΠΊΠΎΠ½ΡΡΡΡΠΊΡΠΈΠΈ, ΠΎΡΠ½Π°ΡΠ΅Π½Π½ΡΠ΅ ΡΠ΅ΡΠΌΠΎΡΡΠ°ΡΠΎΠΌ, ΠΏΡΠ΅Π΄Π½Π°Π·Π½Π°ΡΠ΅Π½Π½ΡΠΌ Π΄Π»Ρ ΡΠ΅Π³ΡΠ»ΠΈΡΠΎΠ²Π°Π½ΠΈΡ ΠΌΠΎΡΠ½ΠΎΡΡΠΈ. ΠΠ° Π±Π΅Π·ΠΎΠΏΠ°ΡΠ½ΠΎΡΡΡ ΠΊΠΎΠ½ΡΡΡΡΠΊΡΠΈΠΈ ΡΠ°ΠΊΠΆΠ΅ ΠΌΠΎΠΆΠ½ΠΎ Π½Π΅ Π²ΠΎΠ»Π½ΠΎΠ²Π°ΡΡΡΡ, ΡΠ°ΠΊ ΠΊΠ°ΠΊ ΠΎΠ½Π° ΠΏΠΎΠ΄ΡΠ°Π·ΡΠΌΠ΅Π²Π°Π΅Ρ Π½Π°Π»ΠΈΡΠΈΠ΅ ΠΏΡΠ΅Π΄ΠΎΡ ΡΠ°Π½ΠΈΡΠ΅Π»ΡΠ½ΠΎΠ³ΠΎ ΡΡΡΡΠΎΠΉΡΡΠ²ΠΎ, ΠΌΠ³Π½ΠΎΠ²Π΅Π½Π½ΠΎ ΡΡΠ°Π±Π°ΡΡΠ²Π°ΡΡΠ΅Π³ΠΎ Π² ΡΠ»ΡΡΠ°Π΅ Π·Π°ΡΡΡ Π°Π½ΠΈΡ Π³Π°Π·Π°.

ΠΠ°Π½Π½ΡΠ΅ ΠΏΠ΅ΡΠΈ ΠΈΠ· ΠΌΠ΅ΡΠ°Π»Π»Π°: ΠΏΡΠ΅ΠΈΠΌΡΡΠ΅ΡΡΠ²Π° ΠΈ Π½Π΅Π΄ΠΎΡΡΠ°ΡΠΊΠΈ
Π’Π°ΠΊ ΠΊΠ°ΠΊ ΡΡΡΠ΅ΡΡΠ²ΡΠ΅Ρ Π΄Π²Π΅ ΠΎΡΠ½ΠΎΠ²Π½ΡΠ΅ ΡΠ°Π·Π½ΠΎΠ²ΠΈΠ΄Π½ΠΎΡΡΠΈ ΠΏΠ΅ΡΠ΅ΠΉ Π΄Π»Ρ Π±Π°Π½ΠΈ: ΠΊΠΈΡΠΏΠΈΡΠ½ΡΠ΅ ΠΈ ΠΌΠ΅ΡΠ°Π»Π»ΠΈΡΠ΅ΡΠΊΠΈΠ΅, ΡΠ°ΡΡΠΌΠΎΡΡΠΈΠΌ ΠΎΡΠ½ΠΎΠ²Π½ΡΠ΅ Ρ Π°ΡΠ°ΠΊΡΠ΅ΡΠΈΡΡΠΈΠΊΠΈ ΠΏΠΎΡΠ»Π΅Π΄Π½ΠΈΡ ΠΈ ΠΈΡ ΠΏΡΠ΅ΠΈΠΌΡΡΠ΅ΡΡΠ²Π° ΠΏΠ΅ΡΠ΅Π΄ ΡΡΠ°ΡΠΈΠΎΠ½Π°ΡΠ½ΡΠΌΠΈ ΠΊΠΈΡΠΏΠΈΡΠ½ΡΠΌΠΈ ΠΏΠ΅ΡΠ°ΠΌΠΈ. ΠΠΎ-ΠΏΠ΅ΡΠ²ΡΡ , ΠΊΠ°ΠΊ ΡΠΆΠ΅ Π±ΡΠ»ΠΎ ΠΎΡΠΌΠ΅ΡΠ΅Π½ΠΎ, Π² ΠΎΡΠ»ΠΈΡΠΈΠ΅ ΠΎΡ ΡΡΠ°ΡΠΈΠΎΠ½Π°ΡΠ½ΡΡ ΠΊΠΈΡΠΏΠΈΡΠ½ΡΡ ΠΏΠ΅ΡΠ΅ΠΉ, ΠΌΠ΅ΡΠ°Π»Π»ΠΈΡΠ΅ΡΠΊΠΈΠ΅ Π°Π³ΡΠ΅Π³Π°ΡΡ ΡΠ²Π»ΡΡΡΡΡ Π±ΠΎΠ»Π΅Π΅ ΠΌΠΎΠ±ΠΈΠ»ΡΠ½ΡΠΌ ΠΈ ΠΊΠΎΠΌΠΏΠ°ΠΊΡΠ½ΡΠΌ Π²Π°ΡΠΈΠ°Π½ΡΠΎΠΌ, Π² ΡΠ²ΡΠ·ΠΈ Ρ ΡΠ΅ΠΌ, ΠΎΠ½ΠΈ ΠΈΠ΄Π΅Π°Π»ΡΠ½ΠΎ ΠΏΠΎΠ΄Ρ ΠΎΠ΄ΡΡ Π΄Π»Ρ ΡΡΡΠ°Π½ΠΎΠ²ΠΊΠΈ Π² Π½Π΅Π±ΠΎΠ»ΡΡΠΈΡ ΠΏΠΎΠΌΠ΅ΡΠ΅Π½ΠΈΡΡ . Π§ΡΠΎ ΠΊΠ°ΡΠ°Π΅ΡΡΡ ΠΈΠ·Π³ΠΎΡΠΎΠ²Π»Π΅Π½ΠΈΡ ΡΠ°ΠΌΠΎΠ΄Π΅Π»ΡΠ½ΡΡ ΠΏΠ΅ΡΠ΅ΠΉ, ΡΠΎΠ²Π΅ΡΡΠ΅Π½Π½ΠΎ Π½Π΅ΠΎΠ±ΡΠ·Π°ΡΠ΅Π»ΡΠ½ΠΎ ΠΎΡΡΡΠ΅ΡΡΠ²Π»ΡΡΡ ΠΈΡ ΠΌΠΎΠ½ΡΠ°ΠΆ Π½Π° ΠΌΠ΅ΡΡΠ΅ ΡΡΡΠ°Π½ΠΎΠ²ΠΊΠ΅, Π²Ρ ΠΌΠΎΠΆΠ΅ΡΠ΅ ΠΏΡΠΎΠΈΠ·Π²Π΅ΡΡΠΈ Π΅Π³ΠΎ Π² Π»ΡΠ±ΠΎΠΌ ΡΠ΄ΠΎΠ±Π½ΠΎΠΌ Π΄Π»Ρ Π²Π°Ρ ΠΌΠ΅ΡΡΠ΅ ΠΈ Π²ΠΏΠΎΡΠ»Π΅Π΄ΡΡΠ²ΠΈΠΈ ΠΏΠ΅ΡΠ΅ΠΌΠ΅ΡΡΠΈΡΡ Π½Π° ΠΌΠ΅ΡΡΠΎ ΡΡΡΠ°Π½ΠΎΠ²ΠΊΠΈ. Π Π°Π·Π»ΠΈΡΠ°ΡΡ Π΄Π²Π° ΠΎΡΠ½ΠΎΠ²Π½ΡΡ ΡΠΈΠΏΠ° ΠΊΠΎΠ½ΡΡΡΡΠΊΡΠΈΠΉ ΠΌΠ΅ΡΠ°Π»Π»ΠΈΡΠ΅ΡΠΊΠΈΡ ΠΏΠ΅ΡΠ΅ΠΉ:

ΠΠ΅ΡΡ Π³ΠΎΡΡΡΠ΅Π³ΠΎ ΡΠΈΠΏΠ° β Π²Π°ΡΠΈΠ°Π½Ρ, ΠΈΠ΄Π΅Π°Π»ΡΠ½ΠΎ ΠΏΠΎΠ΄Ρ ΠΎΠ΄ΡΡΠΈΠΉ Π΄Π»Ρ ΡΡΡΠ°Π½ΠΎΠ²ΠΊΠΈ Π² Π±Π°Π½ΡΡ ΡΠΏΠΈΠ·ΠΎΠ΄ΠΈΡΠ΅ΡΠΊΠΎΠ³ΠΎ ΠΏΠΎΠ»ΡΠ·ΠΎΠ²Π°Π½ΠΈΡ, Π½Π°ΠΏΡΠΈΠΌΠ΅Ρ, Π½Π° Π΄Π°ΡΠ΅. ΠΠ΅ΡΠΌΠΎΡΡΡ Π½Π° ΡΠΎ, ΡΡΠΎ ΠΎΠ½Π° Π±ΡΡΡΡΠΎ ΠΏΡΠΎΠ³ΡΠ΅Π²Π°Π΅ΡΡΡ, Π΅Π΅ Π½Π΅ ΡΠ΅ΠΊΠΎΠΌΠ΅Π½Π΄ΡΠ΅ΡΡΡ ΠΈΡΠΏΠΎΠ»ΡΠ·ΠΎΠ²Π°ΡΡ Π² Π±Π°Π½ΡΡ ΠΏΠΎΡΡΠΎΡΠ½Π½ΠΎΠ³ΠΎ ΠΏΠΎΠ»ΡΠ·ΠΎΠ²Π°Π½ΠΈΡ, ΡΠ°ΠΊ ΠΊΠ°ΠΊ, ΠΈΡΠΏΠΎΠ»ΡΠ·ΡΡ ΡΠ°ΠΊΡΡ ΠΏΠ΅ΡΡ, ΠΎΡΠ΅Π½Ρ Π»Π΅Π³ΠΊΠΎ ΠΏΠ΅ΡΠ΅Π³ΡΠ΅ΡΡ ΠΏΠΎΠΌΠ΅ΡΠ΅Π½ΠΈΠ΅, ΡΡΠΎ ΠΎΠ±ΡΡΠ»ΠΎΠ²Π»Π΅Π½ΠΎ Π½Π΅Π²ΠΎΠ·ΠΌΠΎΠΆΠ½ΠΎΡΡΡΡ ΠΊΠΎΠ½ΡΡΠΎΠ»Ρ Π΅Π΅ ΡΠ΅ΠΌΠΏΠ΅ΡΠ°ΡΡΡΡ;
ΠΠ΅ΡΡ Ρ ΠΎΠ»ΠΎΠ΄Π½ΠΎΠ³ΠΎ ΡΠΈΠΏΠ° β ΠΈΠ΄Π΅Π°Π»ΡΠ½ΠΎ ΠΏΠΎΠ΄Ρ ΠΎΠ΄ΡΡΠ°Ρ Π΄Π»Ρ ΡΡΡΠ°Π½ΠΎΠ²ΠΊΠΈ Π² ΠΎΡΠ°ΠΏΠ»ΠΈΠ²Π°Π΅ΠΌΡΡ ΠΏΠΎΠΌΠ΅ΡΠ΅Π½ΠΈΡΡ . ΠΠ½ΠΈ, ΠΊΠ°ΠΊ ΠΈ ΠΏΡΠ΅Π΄ΡΠ΄ΡΡΠΈΠΉ Π²Π°ΡΠΈΠ°Π½Ρ, Π±ΡΡΡΡΠΎ ΠΏΡΠΎΠ³ΡΠ΅Π²Π°ΡΡΡΡ, ΠΎΠ΄Π½Π°ΠΊΠΎ Π²ΠΎΠ·ΠΌΠΎΠΆΠ½ΠΎΡΡΡ ΠΏΠ΅ΡΠ΅Π³ΡΠ΅Π²Π° ΠΈΡΠΊΠ»ΡΡΠ°Π΅ΡΡΡ, ΡΠ°ΠΊ ΠΊΠ°ΠΊ ΠΎΠ½Π° ΠΎΡΠ½Π°ΡΠ΅Π½Π° ΡΠΈΡΡΠ΅ΠΌΠΎΠΉ ΠΊΠΎΠ½ΡΡΠΎΠ»Ρ ΡΠ΅ΠΌΠΏΠ΅ΡΠ°ΡΡΡΡ. ΠΠ±ΠΆΠ΅ΡΡΡΡ ΠΎ ΡΠ°ΠΊΡΡ ΠΏΠ΅ΡΡ ΠΏΡΠ°ΠΊΡΠΈΡΠ΅ΡΠΊΠΈ Π½Π΅Π²ΠΎΠ·ΠΌΠΎΠΆΠ½ΠΎ, ΡΠ°ΠΊ ΠΊΠ°ΠΊ ΡΠ΅ΠΌΠΏΠ΅ΡΠ°ΡΡΡΠ° Π΅Π΅ ΡΡΠ΅Π½ΠΎΠΊ ΡΠ΅Π΄ΠΊΠΎ ΠΏΡΠ΅Π²ΡΡΠ°Π΅Ρ ΠΎΡΠΌΠ΅ΡΠΊΡ Π² 50 Π³ΡΠ°Π΄ΡΡΠΎΠ².

ΠΠΎΡΡΠΎΠΈΠ½ΡΡΠ²Π° Π±Π°Π½Π½ΡΡ ΠΏΠ΅ΡΠ΅ΠΉ ΠΈΠ· ΠΌΠ΅ΡΠ°Π»Π»Π°
ΠΠΎΠ΄Π²ΠΎΠ΄Ρ ΠΈΡΠΎΠ³, ΠΎΡΠΌΠ΅ΡΠΈΠΌ ΡΠ»Π΅Π΄ΡΡΡΠΈΠ΅ Π΄ΠΎΡΡΠΎΠΈΠ½ΡΡΠ²Π°:
- ΠΠ΅Π±ΠΎΠ»ΡΡΠΈΠ΅ ΡΠ°Π·ΠΌΠ΅ΡΡ ΠΈ ΠΌΠΎΠ±ΠΈΠ»ΡΠ½ΠΎΡΡΡ ΠΊΠΎΠ½ΡΡΡΡΠΊΡΠΈΠΈ ΠΎΠ±ΡΡΠ»Π°Π²Π»ΠΈΠ²Π°Π΅Ρ Π½Π΅Π·Π°ΠΌΠ΅Π½ΠΈΠΌΠΎΡΡΡ ΡΠ°ΠΊΠΎΠΉ ΠΏΠ΅ΡΠΈ Π² Π½Π΅Π±ΠΎΠ»ΡΡΠΈΡ Π±Π°Π½ΡΠΊΠ°Ρ ;
- ΠΠ΅ Π½ΡΠΆΠ΄Π°ΡΡΡΡ Π² ΠΏΡΠ΅Π΄Π²Π°ΡΠΈΡΠ΅Π»ΡΠ½ΠΎΠΉ ΡΡΡΠ°Π½ΠΎΠ²ΠΊΠ΅ ΠΌΠ°ΡΡΠΈΠ²Π½ΠΎΠ³ΠΎ ΡΡΠ½Π΄Π°ΠΌΠ΅Π½ΡΠ°, Π΄ΠΎΡΡΠ°ΡΠΎΡΠ½ΠΎ ΠΎΠ±ΡΡΡΡΠΎΠΈΡΡ ΠΎΠ±Π»Π΅Π³ΡΠ΅Π½Π½ΡΠΉ Π²Π°ΡΠΈΠ°Π½Ρ ΡΡΠ½Π΄Π°ΠΌΠ΅Π½ΡΠ°, ΡΡΠΎ Π·Π½Π°ΡΠΈΡΠ΅Π»ΡΠ½ΠΎ ΠΎΠ±Π»Π΅Π³ΡΠ°Π΅Ρ ΡΡΡΠ°Π½ΠΎΠ²ΠΊΡ Π±Π°Π½Π½ΠΎΠΉ ΠΏΠ΅ΡΠΈ;
- ΠΡΠΎΠ±Π΅Π½Π½ΠΎΡΡΠΈ ΠΏΡΠΈΠ½ΡΠΈΠΏΠ° ΡΠ°Π±ΠΎΡΡ. Π ΠΎΡΠ»ΠΈΡΠΈΠ΅ ΠΎΡ ΠΊΠΈΡΠΏΠΈΡΠ½ΡΡ Π°Π³ΡΠ΅Π³Π°ΡΠΎΠ², ΠΌΠ΅ΡΠ°Π»Π»ΠΈΡΠ΅ΡΠΊΠΈΠ΅ ΠΏΠ΅ΡΠΈ Π³ΠΎΡΡΡ ΠΏΠΎΡΡΠΎΡΠ½Π½ΠΎ, Π² ΡΠ²ΡΠ·ΠΈ Ρ ΡΠ΅ΠΌ, Π½Π΅Π²ΠΎΠ·ΠΌΠΎΠΆΠ½ΠΎ ΠΏΠΎΠΉΡΠΈ Π² Π±Π°Π½Ρ, ΠΏΡΠ΅Π΄Π²Π°ΡΠΈΡΠ΅Π»ΡΠ½ΠΎ Π½Π΅ ΠΏΡΠΎΡΠΎΠΏΠΈΠ² ΠΏΠ΅ΡΡ;
- ΠΠΈΠ·ΠΊΠ°Ρ ΡΠ΅Π½Π°. Π ΠΎΡΠ»ΠΈΡΠΈΠ΅ ΠΎΡ ΠΊΠΈΡΠΏΠΈΡΠ½ΠΎΠΉ, ΠΌΠ΅ΡΠ°Π»Π»ΠΈΡΠ΅ΡΠΊΠ°Ρ ΠΏΠ΅ΡΡ ΠΏΡΠΎΡΡΠ° Π² ΠΈΠ·Π³ΠΎΡΠΎΠ²Π»Π΅Π½ΠΈΠΈ ΠΈ Π½Π΅ ΡΡΠ΅Π±ΡΠ΅Ρ Π΄ΠΎΠΏΠΎΠ»Π½ΠΈΡΠ΅Π»ΡΠ½ΡΡ Π·Π°ΡΡΠ°Ρ. ΠΠΎΠΈΡΠΊ ΡΡ Π΅ΠΌ Π±Π°Π½Π½ΡΡ ΠΏΠ΅ΡΠ΅ΠΉ ΠΈΠ· ΠΌΠ΅ΡΠ°Π»Π»Π° ΡΠ°ΠΊΠΆΠ΅ Π½Π΅ ΠΏΡΠ΅Π΄ΡΡΠ°Π²Π»ΡΠ΅Ρ ΡΠΎΠ±ΠΎΠΉ ΡΡΡΠ΄Π½ΠΎΡΡΠ΅ΠΉ β ΠΎΠ³ΡΠΎΠΌΠ½ΠΎΠ΅ ΠΊΠΎΠ»ΠΈΡΠ΅ΡΡΠ²ΠΎ ΡΠ΅ΡΡΠ΅ΠΆΠ΅ΠΉ ΠΌΠΎΠΆΠ½ΠΎ Π½Π°ΠΉΡΠΈ Π² ΠΈΠ½ΡΠ΅ΡΠ½Π΅ΡΠ΅ ΠΈ ΡΠΏΠ΅ΡΠΈΠ°Π»ΠΈΠ·ΠΈΡΠΎΠ²Π°Π½Π½ΡΡ ΠΆΡΡΠ½Π°Π»Π°Ρ .

ΠΠ΅Π΄ΠΎΡΡΠ°ΡΠΊΠΈ Π±Π°Π½Π½ΡΡ ΠΏΠ΅ΡΠ΅ΠΉ ΠΈΠ· ΠΌΠ΅ΡΠ°Π»Π»Π°
- ΠΡΡΡΡΠΎΠ΅ ΠΎΡΡΡΠ²Π°Π½ΠΈΠ΅, ΠΎΠ±ΡΡΠ»ΠΎΠ²Π»Π΅Π½Π½ΠΎΠ΅ Π½Π΅ΡΠΏΠΎΡΠΎΠ±Π½ΠΎΡΡΡΡ Π°ΠΊΠΊΡΠΌΡΠ»ΠΈΡΠΎΠ²Π°ΡΡ ΡΠ΅ΠΏΠ»ΠΎ. Π ΡΠ²ΡΠ·ΠΈ Ρ ΡΡΠΈΠΌ, Π½Π΅ΠΎΠ±Ρ ΠΎΠ΄ΠΈΠΌΠΎ ΠΏΠΎΡΡΠΎΡΠ½Π½ΠΎ ΠΏΠΎΠ΄Π΄Π΅ΡΠΆΠΈΠ²Π°ΡΡ Π³ΠΎΡΠ΅Π½ΠΈΠ΅ ΡΠΎΠΏΠ»ΠΈΠ²Π° Π² ΡΠ°ΠΊΠΈΡ ΠΏΠ΅ΡΠ°Ρ ;
- ΠΠ΅ΡΠΏΠΎΡΠΎΠ±Π½ΠΎΡΡΡ ΠΎΡΠ°ΠΏΠ»ΠΈΠ²Π°ΡΡ Π±ΠΎΠ»ΡΡΠΈΠ΅ ΠΏΠΎΠΌΠ΅ΡΠ΅Π½ΠΈΡ;
- Π§ΡΠΎΠ±Ρ ΠΏΡΠ΅Π΄ΠΎΡΠ²ΡΠ°ΡΠΈΡΡ ΡΠ°Π·Π²ΠΈΡΠΈΠ΅ ΡΠ΅ΠΏΠ»ΠΎΠ²ΠΎΠ³ΠΎ ΡΠ΄Π°ΡΠ° Π² ΠΏΡΠΎΡΠ΅ΡΡΠ΅ ΠΏΡΠ΅Π±ΡΠ²Π°Π½ΠΈΡ Π² ΠΏΠΎΠΌΠ΅ΡΠ΅Π½ΠΈΠΈ, Π½Π΅ΠΎΠ±Ρ ΠΎΠ΄ΠΈΠΌΠΎ ΡΡΡΠ°Π½ΠΎΠ²ΠΈΡΡ Π΄Π²ΠΎΠΉΠ½ΡΠ΅ ΡΡΠ΅Π½ΠΊΠΈ Ρ ΡΠΎΡ ΡΠ°Π½Π΅Π½ΠΈΠ΅ΠΌ ΠΌΠ΅ΠΆΠ΄Ρ Π½ΠΈΠΌΠΈ Π²ΠΎΠ·Π΄ΡΡΠ½ΠΎΠΉ ΠΏΡΠΎΡΠ»ΠΎΠΉΠΊΠΈ;
- Π ΡΠ²ΡΠ·ΠΈ Ρ ΡΠ΅ΠΌ, ΡΡΠΎ ΠΏΠΎΠΆΠ°ΡΠΎΠ±Π΅Π·ΠΎΠΏΠ°ΡΠ½ΠΎΡΡΡ ΠΌΠ΅ΡΠ°Π»Π»ΠΈΡΠ΅ΡΠΊΠΎΠΉ ΠΏΠ΅ΡΠΈ Π·Π½Π°ΡΠΈΡΠ΅Π»ΡΠ½ΠΎ Π½ΠΈΠΆΠ΅ ΡΠ°ΠΊΠΎΠ²ΠΎΠΉ Π΄Π»Ρ ΠΊΠΈΡΠΏΠΈΡΠ½ΠΎΠΉ ΠΏΠ΅ΡΠΈ, Π½Π΅ΠΎΠ±Ρ ΠΎΠ΄ΠΈΠΌΠΎ ΠΎΠ±Π΅ΡΠΏΠ΅ΡΠΈΡΡ ΡΡΠΈΠ»Π΅Π½Π½ΡΡ Π·Π°ΡΠΈΡΡ Π²Π½ΡΡΡΠ΅Π½Π½Π΅ΠΉ ΠΎΠ±ΡΠΈΠ²ΠΊΠΈ ΠΏΠ΅ΡΠΈ.
Π€ΠΎΡΠΌΠ° Π±Π°Π½Π½ΠΎΠΉ ΠΏΠ΅ΡΠΈ: Π½Π° ΡΡΠΎ ΠΎΠ±ΡΠ°ΡΠΈΡΡ Π²Π½ΠΈΠΌΠ°Π½ΠΈΠ΅?
ΠΠ΅ΡΠΌΠΎΡΡΡ Π½Π° ΡΠΎ, ΡΡΠΎ Π½Π° ΠΏΠ΅ΡΠ²ΡΠΉ Π²Π·Π³Π»ΡΠ΄ ΠΊΠ°ΠΆΠ΅ΡΡΡ, ΡΡΠΎ ΡΠΎΡΠΌΠ° ΠΏΠ΅ΡΠΈ β Π½Π΅ΡΡΡΠ΅ΡΡΠ²Π΅Π½Π½ΡΠΉ ΠΏΠ°ΡΠ°ΠΌΠ΅ΡΡ, ΠΈΠΌΠ΅Π½Π½ΠΎ ΠΎΡ Π½Π΅Π΅ Π·Π°Π²ΠΈΡΠΈΡ ΠΏΡΠΎΠΈΠ·Π²ΠΎΠ΄ΠΈΡΠ΅Π»ΡΠ½ΠΎΡΡΡ Π°Π³ΡΠ΅Π³Π°ΡΠ° ΠΈ ΡΠ΄ΠΎΠ±ΡΡΠ²ΠΎ Π΅Π³ΠΎ ΡΠΊΡΠΏΠ»ΡΠ°ΡΠ°ΡΠΈΠΈ. ΠΠ°ΠΈΠ±ΠΎΠ»Π΅Π΅ ΡΠ°ΡΠΏΡΠΎΡΡΡΠ°Π½Π΅Π½Π½ΡΠΌΠΈ ΡΠ²Π»ΡΡΡΡΡ ΠΏΠ΅ΡΠΈ ΡΠΈΠ»ΠΈΠ½Π΄ΡΠΈΡΠ΅ΡΠΊΠΎΠΉ ΡΠΎΡΠΌΡ, Π³ΠΎΡΠΈΠ·ΠΎΠ½ΡΠ°Π»ΡΠ½ΠΎΠΉ ΠΈ ΡΠΈΠ³ΡΡΠ½ΠΎΠΉ ΠΊΠΎΠ½ΡΡΡΡΠΊΡΠΈΠΈ, ΠΎΠ΄Π½Π°ΠΊΠΎ Π½Π°ΠΈΠ±ΠΎΠ»Π΅Π΅ ΡΠ΄ΠΎΠ±Π½Ρ Π² ΡΠΊΡΠΏΠ»ΡΠ°ΡΠ°ΡΠΈΠΈ ΠΏΡΡΠΌΠΎΡΠ³ΠΎΠ»ΡΠ½ΡΠ΅ Π°Π³ΡΠ΅Π³Π°ΡΡ.

ΠΡΠΎ ΠΎΠ±ΡΡΠ»ΠΎΠ²Π»Π΅Π½ΠΎ Π½Π°Π»ΠΈΡΠΈΠ΅ΠΌ Π² Π½ΠΈΡ ΡΠ³Π»ΠΎΠ²ΡΡ Π·ΠΎΠ½, ΠΊΠΎΡΠΎΡΡΠ΅ ΠΏΡΠ°ΠΊΡΠΈΡΠ΅ΡΠΊΠΈ Π½ΠΈΠΊΠΎΠ³Π΄Π° Π½Π΅ ΡΠ°ΡΠΊΠ°Π»ΡΡΡΡΡ Β«Π΄ΠΎΠΊΡΠ°ΡΠ½Π°Β». Π ΡΠ²ΡΠ·ΠΈ Ρ ΡΡΠΈΠΌ, ΡΠ°ΡΠΏΡΠΎΡΡΡΠ°Π½Π΅Π½ΠΎ ΡΠ°ΠΊΠΎΠ΅ ΠΌΠ½Π΅Π½ΠΈΠ΅, ΡΡΠΎ ΡΠ°ΠΊΠΎΠΉ ΠΊΠ°ΡΠΊΠ°Ρ Β«ΡΠΎΡ ΡΠ°Π½ΡΠ΅ΡΒ» ΡΠΎΡΠΌΡ ΠΏΠ΅ΡΠΈ. ΠΡΠΎΠΌΠ΅ ΡΠΎΠ³ΠΎ, ΡΠΎΡΠΌΠ° ΠΏΠ΅ΡΠΈ ΠΎΠΏΡΠ΅Π΄Π΅Π»ΡΠ΅Ρ ΡΠ°ΡΠΈΠΎΠ½Π°Π»ΠΈΠ·ΠΌ ΠΈ ΡΠ°Π²Π½ΠΎΠΌΠ΅ΡΠ½ΠΎΡΡΡ Π½Π°Π³ΡΠ΅Π²Π° ΠΏΠ΅ΡΠΈ, ΡΠ°ΠΊ ΠΊΠ°ΠΊ ΠΌΠ°ΠΊΡΠΈΠΌΠ°Π»ΡΠ½ΡΠΉ ΡΠ°Π·ΠΎΠ³ΡΠ΅Π² ΠΎΠ΄Π½ΠΎΠ³ΠΎ ΡΠ»Π΅ΠΌΠ΅Π½ΡΠ° ΡΠΏΠΎΡΠΎΠ±ΡΡΠ²ΡΠ΅Ρ ΡΠΌΠ΅Π½ΡΡΠ΅Π½ΠΈΡ Π½Π°Π³ΡΠ΅Π²Π° ΡΡΠ΅Π½Ρ, ΡΠ°ΡΠΏΠΎΠ»ΠΎΠΆΠ΅Π½Π½ΠΎΠΉ ΡΡΠ΄ΠΎΠΌ Ρ Π·ΠΎΠ½ΠΎΠΉ Π³ΠΎΡΠ΅Π½ΠΈΡ, ΡΡΠΎ ΡΠΏΠΎΡΠΎΠ±ΡΡΠ²ΡΠ΅Ρ ΡΠ°Π²Π½ΠΎΠΌΠ΅ΡΠ½ΠΎΡΡΠΈ ΡΠ°Π·ΠΎΠ³ΡΠ΅Π²Π° ΠΏΠΎΠΌΠ΅ΡΠ΅Π½ΠΈΡ ΠΈ Π±Π°Π»Π°Π½ΡΡ ΡΠ΅ΠΏΠ»ΠΎΠ²ΡΡ ΠΏΠΎΡΠΎΠΊΠΎΠ². ΠΡΠΎΠΌΠ΅ ΡΠΎΠ³ΠΎ, ΠΎΡ ΠΏΡΠ°Π²ΠΈΠ»ΡΠ½ΠΎΠ³ΠΎ ΡΠ°Π·ΠΎΠ³ΡΠ΅Π²Π° Π·Π°Π²ΠΈΡΠΈΡ ΠΌΠ΅Ρ Π°Π½ΠΈΡΠ΅ΡΠΊΠ°Ρ ΡΡΡΠΎΠΉΡΠΈΠ²ΠΎΡΡΡ ΠΊΠΎΠ½ΡΡΡΡΠΊΡΠΈΠΈ. ΠΡΠΎ Π½Π΅ ΡΡΡΠ΄Π½ΠΎ ΠΏΡΠΎΡΠ»Π΅Π΄ΠΈΡΡ, Π½Π°ΠΏΡΠΈΠΌΠ΅Ρ, ΠΊΡΡΠ³Π»ΡΠ΅ ΠΈ ΡΠΈΠ»ΠΈΠ½Π΄ΡΠΈΡΠ΅ΡΠΊΠΈΠ΅ ΠΏΠ΅ΡΠΈ ΠΌΠ΅Π½Π΅Π΅ ΡΡΡΠΎΠΉΡΠΈΠ²Ρ ΠΊ Π½Π°Π³ΡΠ΅Π²Ρ, Π² ΡΠ²ΡΠ·ΠΈ Ρ ΡΠ΅ΠΌ, ΠΈΡ ΡΡΠ΅Π½ΠΊΠΈ Π±ΠΎΠ»Π΅Π΅ ΠΏΠ»ΠΎΡΠ½ΡΠ΅, ΡΡΠΈΠ»Π΅Π½Π½ΡΠ΅. ΠΡΡΠΎΠΊΠ°Ρ ΠΆΠ΅ ΡΡΡΠΎΠΉΡΠΈΠ²ΠΎΡΡΡ ΠΏΡΡΠΌΠΎΡΠ³ΠΎΠ»ΡΠ½ΠΎΠΉ ΠΏΠ΅ΡΠΈ ΠΎΠ±ΡΡΠ»ΠΎΠ²Π»Π΅Π½Π° Π½Π°Π»ΠΈΡΠΈΠ΅ΠΌ Ρ ΠΎΠ»ΠΎΠ΄Π½ΡΡ ΡΠ³Π»ΠΎΠ². ΠΠ΄Π½Π°ΠΊΠΎ ΡΠΎ Π²ΡΠ΅ΠΌΠ΅Π½Π΅ΠΌ ΠΏΠΎΡΠ΅ΡΠΈ ΡΠΎΡΠΌΡ Π½Π΅ ΠΈΠ·Π±Π΅ΠΆΠ°ΡΡ β ΡΡΠΎ Π΄ΠΎΠΊΠ°Π·Π°Π½Π½ΡΠΉ ΡΠ°ΠΊΡ.

ΠΠ·Π³ΠΎΡΠΎΠ²Π»Π΅Π½ΠΈΠ΅ ΠΌΠ΅ΡΠ°Π»Π»ΠΈΡΠ΅ΡΠΊΠΎΠΉ ΠΏΠ΅ΡΠΈ Π΄Π»Ρ Π±Π°Π½ΠΈ: ΠΏΠΎΠΈΡΠΊ Π²ΠΎΠ·ΠΌΠΎΠΆΠ½ΡΡ Π²Π°ΡΠΈΠ°Π½ΡΠΎΠ²
ΠΠ° ΠΌΠ½ΠΎΠ³ΠΈΠ΅ Π³ΠΎΠ΄Ρ ΠΈΡΠΏΠΎΠ»ΡΠ·ΠΎΠ²Π°Π½ΠΈΡ ΠΌΠ΅ΡΠ°Π»Π»ΠΈΡΠ΅ΡΠΊΠΈΡ ΠΏΠ΅ΡΠ΅ΠΉ Π΄Π»Ρ Π±Π°Π½ΠΈ ΠΏΡΠ΅Π΄Π»ΠΎΠΆΠ΅Π½ΠΎ ΠΌΠ½ΠΎΠΆΠ΅ΡΡΠ²ΠΎ Π²Π°ΡΠΈΠ°Π½ΡΠΎΠ² ΠΈΡ ΠΈΠ·Π³ΠΎΡΠΎΠ²Π»Π΅Π½ΠΈΡ ΡΠ²ΠΎΠΈΠΌΠΈ ΡΡΠΊΠ°ΠΌΠΈ. ΠΠ΄Π½ΠΈΠΌ ΠΈΠ· ΠΏΡΠΎΡΡΠ΅ΠΉΡΠΈΡ Π²Π°ΡΠΈΠ°Π½ΡΠΎΠ² ΡΠ²Π»ΡΠ΅ΡΡΡ ΠΈΠ·Π³ΠΎΡΠΎΠ²Π»Π΅Π½ΠΈΠ΅ ΠΌΠ΅ΡΠ°Π»Π»ΠΈΡΠ΅ΡΠΊΠΎΠΉ ΠΏΠ΅ΡΠΈ-ΠΊΠ°ΠΌΠ΅Π½ΠΊΠΈ ΠΈΠ· ΠΆΠ΅Π»Π΅Π·Π½ΠΎΠΉ Π±ΠΎΡΠΊΠΈ, Π² ΠΏΡΠΎΡΠ΅ΡΡΠ΅ ΠΊΠΎΡΠΎΡΠΎΠ³ΠΎ ΡΠ±ΠΈΡΠ°ΡΡ ΠΊΡΡΡΠΊΡ ΠΈ Π΄Π½ΠΈΡΠ΅ Π±ΠΎΡΠΊΠΈ Ρ ΠΎΠ±ΡΠ°Π·ΠΎΠ²Π°Π½ΠΈΠ΅ΠΌ ΡΠΈΠ»ΠΈΠ½Π΄ΡΠ°. ΠΠΎΠ»ΠΎΠ²ΠΈΠ½Ρ ΠΏΠΎΠ»ΡΡΠ΅Π½Π½ΠΎΠ³ΠΎ ΡΠΈΠ»ΠΈΠ½Π΄ΡΠ° Π·Π°ΠΏΠΎΠ»Π½ΡΡΡ ΠΊΠΈΡΠΏΠΈΡΠ°ΠΌΠΈ, ΠΏΠΎΡΡΠ°Π²Π»Π΅Π½Π½ΡΠΌΠΈ Π½Π° ΡΠ΅Π±ΡΠΎ, Π½Π° ΠΊΠΎΡΠΎΡΡΠ΅ Π²ΠΏΠΎΡΠ»Π΅Π΄ΡΡΠ²ΠΈΠΈ ΡΡΡΠ°Π½Π°Π²Π»ΠΈΠ²Π°ΡΡ ΠΊΠΎΠ»ΠΎΡΠ½ΠΈΠΊΠΎΠ²ΡΡ ΡΠ΅ΡΠ΅ΡΠΊΡ. ΠΠΎΠ»ΡΡΠΈΠ²ΡΠ΅Π΅ΡΡ ΡΠ²ΠΎΠ±ΠΎΠ΄Π½ΠΎΠ΅ ΠΏΡΠΎΡΡΡΠ°Π½ΡΡΠ²ΠΎ Π½Π° Π΄Π²Π΅ ΡΡΠ΅ΡΠΈ Π·Π°ΠΏΠΎΠ»Π½ΡΡΡ ΠΊΠ°ΠΌΠ½ΡΠΌΠΈ, ΠΏΠΎΡΠ»Π΅ ΡΠ΅Π³ΠΎ ΡΡΡΠ°Π½Π°Π²Π»ΠΈΠ²Π°ΡΡ Π΄ΡΠΌΠΎΡ ΠΎΠ΄ ΠΈ Π½Π°ΠΊΡΡΠ²Π°ΡΡ ΡΠ°ΠΌΠΎΠ΄Π΅Π»ΡΠ½ΡΡ ΠΏΠ΅ΡΡ ΠΊΡΡΡΠΊΠΎΠΉ. ΠΠ΄Π½Π°ΠΊΠΎ, Π½Π΅ΡΠΌΠΎΡΡΡ Π½Π° ΠΏΡΠΎΡΡΠΎΡΡ ΠΈΠ·Π³ΠΎΡΠΎΠ²Π»Π΅Π½ΠΈΡ, Π΄Π°Π½Π½ΡΠΉ Π²Π°ΡΠΈΠ°Π½Ρ ΡΡΠΈΡΠ°Π΅ΡΡΡ ΠΎΠ΄Π½ΠΈΠΌ ΠΈΠ· ΡΠ°ΠΌΡΡ Π½Π΅ΡΠ΄ΠΎΠ±Π½ΡΡ Π² ΡΠΊΡΠΏΠ»ΡΠ°ΡΠ°ΡΠΈΠΈ.

ΠΡΠ»ΠΈ Π²Π°ΡΠ° Π±Π°Π½Ρ Ρ Π°ΡΠ°ΠΊΡΠ΅ΡΠΈΠ·ΡΠ΅ΡΡΡ Π΄ΠΎΡΡΠ°ΡΠΎΡΠ½ΠΎ Π½Π΅Π±ΠΎΠ»ΡΡΠΎΠΉ ΠΏΠ»ΠΎΡΠ°Π΄ΡΡ, Π²Ρ ΠΌΠΎΠΆΠ΅ΡΠ΅ ΠΈΠ·Π³ΠΎΡΠΎΠ²ΠΈΡΡ ΠΊΠΎΠΌΠΏΠ°ΠΊΡΠ½ΡΡ ΠΏΠ΅ΡΡ-ΠΊΠ°ΠΌΠ΅Π½ΠΊΡ ΠΈΠ· Π»ΠΈΡΡΠΎΠ²ΠΎΠΉ ΡΡΠ°Π»ΠΈ, Π²Π½ΡΡΡΠ΅Π½Π½ΡΡ ΠΏΠΎΠ²Π΅ΡΡ Π½ΠΎΡΡΡ ΠΊΠΎΡΠΎΡΠΎΠΉ Π²ΡΠΊΠ»Π°Π΄ΡΠ²Π°ΡΡ ΠΊΠΈΡΠΏΠΈΡΠΎΠΌ. Π Π°Π·ΠΌΠ΅ΡΡ Π±Π°Π½Π½ΠΎΠΉ ΠΏΠ΅ΡΠΈ ΠΈΠ· ΠΌΠ΅ΡΠ°Π»Π»Π° Π΄ΠΎΡΡΠ°ΡΠΎΡΠ½ΠΎ ΡΠΊΡΠΎΠΌΠ½Ρ ΠΈ ΡΠΎΠΎΡΠ²Π΅ΡΡΡΠ²ΡΡΡ ΠΎΡΠ°ΠΏΠ»ΠΈΠ²Π°Π΅ΠΌΠΎΠΉ ΠΏΠ»ΠΎΡΠ°Π΄ΠΈ. Π‘ΡΠ΅Π½ΠΊΠΈ ΡΠΎΠΏΠΊΠΈ Π΄ΠΎΡΡΠ°ΡΠΎΡΠ½ΠΎ Π²ΡΠ»ΠΎΠΆΠΈΡΡ Π² ΠΏΠΎΠ»ΠΎΠ²ΠΈΠ½Ρ ΠΊΠΈΡΠΏΠΈΡΠ°, Π° Π΄ΡΠΌΠΎΡ ΠΎΠ΄ β Π² ΡΠ΅ΡΠ²Π΅ΡΡΡ. ΠΠ°Π½Π½Π°Ρ ΠΏΠ΅ΡΡ Π½Π΅ ΡΠΎΠ»ΡΠΊΠΎ ΠΏΡΠΎΡΡΠ° Π² ΠΈΠ·Π³ΠΎΡΠΎΠ²Π»Π΅Π½ΠΈΠΈ, Π½ΠΎ ΠΈ ΠΊΡΠ°ΠΉΠ½Π΅ ΡΠ΄ΠΎΠ±Π½Π° Π² ΡΠΊΡΠΏΠ»ΡΠ°ΡΠ°ΡΠΈΠΈ, ΡΠ°ΠΊ ΠΊΠ°ΠΊ Π½Π΅ ΡΡΠ΅Π±ΡΠ΅Ρ Π±ΠΎΠ»ΡΡΠΎΠ³ΠΎ ΠΊΠΎΠ»ΠΈΡΠ΅ΡΡΠ²Π° ΡΠΎΠΏΠ»ΠΈΠ²Π° ΠΈ ΠΏΡΠΎΠ³ΡΠ΅Π²Π°Π΅ΡΡΡ Π·Π° ΡΡΠ°Π²Π½ΠΈΡΠ΅Π»ΡΠ½ΠΎ Π½Π΅Π±ΠΎΠ»ΡΡΠΎΠΉ ΠΏΡΠΎΠΌΠ΅ΠΆΡΡΠΎΠΊ Π²ΡΠ΅ΠΌΠ΅Π½ΠΈ.
Π‘ΡΡΠ΅ΡΡΠ²ΡΠ΅Ρ Π΅ΡΠ΅ ΠΎΠ΄ΠΈΠ½ Π²Π°ΡΠΈΠ°Π½Ρ ΠΈΠ·Π³ΠΎΡΠΎΠ²Π»Π΅Π½ΠΈΡ ΠΏΠ΅ΡΠΈ-ΠΊΠ°ΠΌΠ΅Π½ΠΊΠΈ, Π΄Π»Ρ ΠΊΠΎΡΠΎΡΠΎΠΉ Π½Π΅ ΡΡΠ΅Π±ΡΠ΅ΡΡΡ ΠΈΡΠΏΠΎΠ»ΡΠ·ΠΎΠ²Π°ΡΡ ΠΊΠΈΡΠΏΠΈΡ. ΠΠ°Π½Π½ΡΠΉ ΡΠΏΠΎΡΠΎΠ± ΡΠ°ΠΊΠΆΠ΅ ΠΏΡΠΎΡΡ Π² ΠΈΡΠΏΠΎΠ»Π½Π΅Π½ΠΈΠΈ ΠΈ Π½Π΅ ΡΠ»ΠΈΡΠΊΠΎΠΌ Π·Π°ΡΡΠ°ΡΠ½ΡΠΉ Ρ ΡΠΈΠ½Π°Π½ΡΠΎΠ²ΠΎΠΉ ΡΠΎΡΠΊΠΈ Π·ΡΠ΅Π½ΠΈΡ. Π§ΡΠΎ ΠΊΠ°ΡΠ°Π΅ΡΡΡ Π²Π½Π΅ΡΠ½Π΅Π³ΠΎ Π²ΠΈΠ΄Π°, ΡΠΎ ΠΎΠ½ Π΄ΠΎΠ²ΠΎΠ»ΡΠ½ΠΎ ΡΡΡΠ΅ΡΠΈΡΠ½ΡΠΉ. ΠΠ°Π½Π½Π°Ρ ΠΊΠΎΠ½ΡΡΡΡΠΊΡΠΈΡ Π»Π΅Π³ΠΊΠΎ ΡΠΏΡΠ°Π²ΠΈΡΡΡ Ρ ΠΎΠ±ΠΎΠ³ΡΠ΅Π²ΠΎΠΌ ΠΏΡΠ΅Π΄Π±Π°Π½Π½ΠΈΠΊΠ°, ΠΌΠΎΠΉΠΊΠΈ ΠΈ ΡΠΎΠ±ΡΡΠ²Π΅Π½Π½ΠΎ ΠΏΠ°ΡΠΈΠ»ΠΊΠΈ.

ΠΠ·Π³ΠΎΡΠΎΠ²Π»Π΅Π½ΠΈΠ΅ ΠΌΠ΅ΡΠ°Π»Π»ΠΈΡΠ΅ΡΠΊΠΎΠΉ ΠΏΠ΅ΡΠΈ ΡΠ²ΠΎΠΈΠΌΠΈ ΡΡΠΊΠ°ΠΌΠΈ: ΠΏΠΎΡΠ°Π³ΠΎΠ²Π°Ρ ΠΈΠ½ΡΡΡΡΠΊΡΠΈΡ
ΠΠ΅ΠΎΠ±Ρ ΠΎΠ΄ΠΈΠΌΡΠ΅ ΠΌΠ°ΡΠ΅ΡΠΈΠ°Π»Ρ ΠΈ ΠΈΠ½ΡΡΡΡΠΌΠ΅Π½ΡΡ
- ΠΠΈΡΡΠΎΠ²Π°Ρ ΡΡΠ°Π»Ρ ΡΠΎΠ»ΡΠΈΠ½ΠΎΠΉ ΠΎΡ 8 ΠΌΠΌ;
- ΠΠ΅ΡΠ°Π»Π»ΠΈΡΠ΅ΡΠΊΠ°Ρ ΡΡΡΠ±Π°, ΡΠΎΠ»ΡΠΈΠ½Π° ΡΡΠ΅Π½ΠΊΠΈ ΠΊΠΎΡΠΎΡΠΎΠΉ Π΄ΠΎΡΡΠΈΠ³Π°Π΅Ρ 10 ΠΌΠΌ, Π° Π΄ΠΈΠ°ΠΌΠ΅ΡΡ β 500-600 ΠΌΠΌ;
- ΠΡΡΡΠΎΠΊ, ΡΠΎΠ»ΡΠΈΠ½Π° ΠΊΠΎΡΠΎΡΠΎΠ³ΠΎ ΡΠΎΡΡΠ°Π²Π»ΡΠ΅Ρ 10 ΠΌΠΌ;
- ΠΠΎΠ»ΠΎΡΠ½ΠΈΠΊ;
- Π©Π΅ΠΊΠΎΠ»Π΄Ρ ΠΈ Π΄Π²Π΅ΡΡΡ Π΄Π»Ρ ΡΠΎΠΏΠΊΠΈ, ΠΊΠ°ΠΌΠ΅Π½ΠΊΠΈ ΠΈ ΠΏΠΎΠ΄Π΄ΡΠ²Π°Π»Π°. Π ΡΠ»ΡΡΠ°Π΅ ΡΠ°ΠΌΠΎΡΡΠΎΡΡΠ΅Π»ΡΠ½ΠΎΠ³ΠΎ ΠΈΠ·Π³ΠΎΡΠΎΠ²Π»Π΅Π½ΠΈΡ Π΄Π²Π΅ΡΠ΅Ρ, Π²Π°ΠΌ ΠΏΠΎΡΡΠ΅Π±ΡΡΡΡΡ ΡΠΎΠ»ΡΠΊΠΎ ΡΠ΅ΠΊΠΎΠ»Π΄Ρ;
- ΠΠΎΠ΄Π½ΡΠΉ ΠΊΡΠ°Π½;
- ΠΠΊΠΎΠ»ΠΎ 2-Ρ ΠΌΠ΅ΡΡΠΎΠ² ΡΡΡΠ±Ρ, 90 ΡΠΌ ΠΈΠ· ΠΊΠΎΡΠΎΡΡΡ ΠΏΠΎΠ½Π°Π΄ΠΎΠ±ΠΈΡΡΡ Π΄Π»Ρ ΡΠΎΠΏΠΊΠΈ, 60 β Π΄Π»Ρ Π±Π°ΠΊΠ°, Π° ΠΎΡΡΠ°Π²ΡΠΈΠ΅ΡΡ 50 ΡΠΌ β Π΄Π»Ρ ΠΈΠ·Π³ΠΎΡΠΎΠ²Π»Π΅Π½ΠΈΡ Π²ΡΠΎΡΠΎΡΡΠ΅ΠΏΠ΅Π½Π½ΡΡ Π΄Π΅ΡΠ°Π»Π΅ΠΉ;
- ΠΠ· ΠΈΠ½ΡΡΡΡΠΌΠ΅Π½ΡΠΎΠ² ΠΏΠΎΡΡΠ΅Π±ΡΡΡΡΡ Π±ΠΎΠ»Π³Π°ΡΠΊΠ° ΠΈ ΡΠ²Π°ΡΠΎΡΠ½ΡΠΉ Π°ΠΏΠΏΠ°ΡΠ°Ρ.


Π ΡΠΊΠΎΠ²ΠΎΠ΄ΡΡΠ²ΠΎ ΠΏΠΎ ΠΈΠ·Π³ΠΎΡΠΎΠ²Π»Π΅Π½ΠΈΡ ΠΏΠ΅ΡΠ½ΠΎΠ³ΠΎ Π°Π³ΡΠ΅Π³Π°ΡΠ°
ΠΠ° Π΄Π°Π½Π½ΠΎΠΌ ΡΡΠ°ΠΏΠ΅ Π²Π°ΠΌ ΠΏΠΎΡΡΠ΅Π±ΡΠ΅ΡΡΡ Π±ΠΎΠ»ΡΡΠΎΠΉ ΠΎΡΡΠ΅Π·ΠΎΠΊ ΡΡΡΠ±Ρ.
ΠΠ°ΠΆΠ½ΠΎ! ΠΠ·Π³ΠΎΡΠ°Π²Π»ΠΈΠ²Π°Π΅ΠΌΠ°Ρ ΠΊΠΎΠ½ΡΡΡΡΠΊΡΠΈΡ ΠΏΡΠ΅Π΄ΠΏΠΎΠ»Π°Π³Π°Π΅Ρ Π½Π°Π»ΠΈΡΠΈΠ΅ Π·Π°ΠΊΡΡΡΠΎΠΉ ΠΊΠ°ΠΌΠ΅Π½ΠΊΠΈ, ΠΈ Π΅ΡΠ»ΠΈ Π²Π°ΠΌ ΠΏΠΎΡΡΠ΅Π±ΡΠ΅ΡΡΡ ΠΏΠ»Π΅ΡΠ½ΡΡΡ Π² Π½Π΅Π΅ Π²ΠΎΠ΄Ρ β Π½Π΅ΠΎΠ±Ρ ΠΎΠ΄ΠΈΠΌΠΎ ΠΏΡΠΈΠΎΡΠΊΡΡΡΡ Π΄Π²Π΅ΡΡΡ.
Π ΠΏΠ΅ΡΠ²ΡΡ ΠΎΡΠ΅ΡΠ΅Π΄Ρ Π² ΡΡΡΠ±Π΅ Π²ΡΡΠ΅Π·Π°ΡΡ ΠΏΠΎΠ΄Π΄ΡΠ²Π°Π»ΠΎ, ΡΠ°Π·ΠΌΠ΅ΡΡ ΠΊΠΎΡΠΎΡΠΎΠ³ΠΎ 50 ΠΈ 200 ΠΌΠΌ. Π‘ Π²Π½ΡΡΡΠ΅Π½Π½Π΅ΠΉ ΡΡΠΎΡΠΎΠ½Ρ ΡΡΡΠ±Ρ Π½Π°Π΄ ΠΎΡΠ²Π΅ΡΡΡΠΈΠ΅ΠΌ ΠΏΡΠΈΠ²Π°ΡΠΈΠ²Π°ΡΡ ΠΊΡΠ΅ΠΏΠ»Π΅Π½ΠΈΡ Π΄Π»Ρ ΠΊΠΎΠ»ΠΎΡΠ½ΠΈΠΊΠ° β Π΄Π»Ρ ΡΡΠΎΠ³ΠΎ ΠΏΠΎΡΡΠ΅Π±ΡΠ΅ΡΡΡ ΠΌΠ΅ΡΠ°Π»Π»ΠΈΡΠ΅ΡΠΊΠ°Ρ ΠΏΠ»Π°ΡΡΠΈΠ½Π°, ΡΠ½Π°Π±ΠΆΠ΅Π½Π½Π°Ρ ΠΏΡΠΎΡΡΠΈΠ½Π°ΠΌΠΈ. ΠΠΎΠ»ΠΎΡΠ½ΠΈΠΊ ΠΌΠΎΠΆΠ½ΠΎ ΠΏΡΠΈΠΎΠ±ΡΠ΅ΡΡΠΈ Π² Π»ΡΠ±ΠΎΠΌ ΡΡΡΠΎΠΈΡΠ΅Π»ΡΠ½ΠΎΠΌ ΠΈΠ»ΠΈ ΡΠΏΠ΅ΡΠΈΠ°Π»ΠΈΠ·ΠΈΡΠΎΠ²Π°Π½Π½ΠΎΠΌ ΠΌΠ°Π³Π°Π·ΠΈΠ½Π΅.

ΠΠ°Π»Π΅Π΅ ΠΏΡΠΈΡΡΡΠΏΠ°Π΅ΠΌ ΠΊ ΠΈΠ·Π³ΠΎΡΠΎΠ²Π»Π΅Π½ΠΈΡ ΡΠΎΠΏΠΊΠΈ. ΠΠ»Ρ Π½Π΅Π΅ Π½Π΅ΠΎΠ±Ρ ΠΎΠ΄ΠΈΠΌΠΎ ΡΠ΄Π΅Π»Π°ΡΡ ΠΎΡΠ²Π΅ΡΡΡΠΈΠ΅ ΡΠ°Π·ΠΌΠ΅ΡΠΎΠΌ 250 Π½Π° 200 ΠΌΠΌ. Π‘Π²Π΅ΡΡ Ρ ΠΏΡΠΈΠ²Π°ΡΠΈΠ²Π°ΡΡ ΠΊΡΠ΅ΠΏΠ»Π΅Π½ΠΈΡ, Π½Π΅ΠΎΠ±Ρ ΠΎΠ΄ΠΈΠΌΡΠ΅ Π΄Π»Ρ ΡΡΡΠ°Π½ΠΎΠ²ΠΊΠΈ ΠΏΡΡΡΠΎΠ² ΠΊΠ°ΠΌΠ΅Π½ΠΊΠΈ, Π΄ΠΈΠ°ΠΌΠ΅ΡΡ ΠΊΠΎΡΠΎΡΡΡ Π΄ΠΎΠ»ΠΆΠ΅Π½ Π±ΡΡΡ Π½Π΅ ΠΌΠ΅Π½ΡΡΠ΅ ΠΎΠ΄Π½ΠΎΠ³ΠΎ ΡΠ°Π½ΡΠΈΠΌΠ΅ΡΡΠ°. Π’Π°ΠΊΠΆΠ΅ ΠΈΡ ΠΌΠΎΠΆΠ½ΠΎ Π·Π°ΠΌΠ΅Π½ΠΈΡΡ ΠΊΠΎΠ»ΠΎΡΠ½ΠΈΠΊΠΎΠ²ΡΠΌΠΈ ΡΠ΅ΡΠ΅ΡΠΊΠ°ΠΌΠΈ, ΠΏΡΠ΅Π΄Π½Π°Π·Π½Π°ΡΠ΅Π½Π½ΡΠΌΠΈ Π΄Π»Ρ ΠΊΡΡΠ³Π»ΡΡ ΠΏΠ΅ΡΠ΅ΠΉ, ΠΏΡΠΈΠΎΠ±ΡΠ΅ΡΡΠΈ ΠΊΠΎΡΠΎΡΡΠ΅ ΠΌΠΎΠΆΠ½ΠΎ ΡΠ°ΠΌ ΠΆΠ΅.
Π‘ ΠΏΡΠΎΡΠΈΠ²ΠΎΠΏΠΎΠ»ΠΎΠΆΠ½ΠΎΠΉ ΡΡΠΎΡΠΎΠ½Ρ ΠΊΠ°ΠΌΠ΅Π½ΠΊΠΈ ΠΏΡΠΎΠ΄Π΅Π»ΡΠ²Π°ΡΡ ΠΎΡΠ²Π΅ΡΡΡΠΈΠ΅, Π² ΠΊΠΎΡΠΎΡΠΎΠ΅ Π»ΡΡΡ Π²ΠΎΠ΄Ρ. ΠΠ°Π»Π΅Π΅ ΠΊΠ°ΠΌΠ΅Π½ΠΊΡ Π·Π°ΠΏΠΎΠ»Π½ΡΡΡ ΠΊΠ°ΠΌΠ½Π΅ΠΌ, Π½Π°ΠΏΡΠΈΠΌΠ΅Ρ, ΡΠ°Π»ΡΠΊΠΎΡ Π»ΠΎΡΠΈΡΠΎΠΌ, Π΄ΠΈΠ°Π±Π°Π·ΠΎΠΌ. ΠΡΠΊΠ»ΡΡΠ΅Π½ΠΎ ΠΈΡΠΏΠΎΠ»ΡΠ·ΠΎΠ²Π°Π½ΠΈΠ΅ ΡΠ»ΡΠ΄ΠΎΡΠΎΠ΄Π΅ΡΠΆΠ°ΡΠΈΡ ΠΊΠ°ΠΌΠ½Π΅ΠΉ, ΠΊΡΠ΅ΠΌΠ½Ρ ΠΈ Π³ΡΠ°Π½ΠΈΡΠ°.

Π ΠΊΡΡΡΠΊΠ΅, ΠΏΡΠ΅Π΄Π½Π°Π·Π½Π°ΡΠ΅Π½Π½ΠΎΠΉ Π΄Π»Ρ Π°Π³ΡΠ΅Π³Π°ΡΠ°, ΠΏΡΠΎΠ΄Π΅Π»ΡΠ²Π°ΡΡ ΠΎΡΠ²Π΅ΡΡΡΠΈΠ΅ Π΄Π»Ρ Π΄ΡΠΌΠΎΡ ΠΎΠ΄Π½ΠΎΠΉ ΡΡΡΠ±Ρ, ΠΏΠΎΡΠ»Π΅ ΡΠ΅Π³ΠΎ ΡΡΡΠ°Π½Π°Π²Π»ΠΈΠ²Π°ΡΡ ΡΠ°ΠΌΡ ΡΡΡΠ±Ρ. ΠΠ΅ΡΠΌΠΎΡΡΡ Π½Π° ΡΠΎ, ΡΡΠΎ ΠΌΠΎΠ½ΡΠ°ΠΆ Π±Π°Π½Π½ΠΎΠΉ ΠΏΠ΅ΡΠΈ ΠΌΠΎΠΆΠ½ΠΎ ΡΡΠΈΡΠ°ΡΡ ΠΏΡΠ°ΠΊΡΠΈΡΠ΅ΡΠΊΠΈ Π·Π°Π²Π΅ΡΡΠ΅Π½Π½ΡΠΌ, ΡΠΏΠ΅ΡΠΈΠ°Π»ΠΈΡΡΡ ΡΠΎΠ²Π΅ΡΡΡΡ Π΄ΠΎΠΏΠΎΠ»Π½ΠΈΡΠ΅Π»ΡΠ½ΠΎ ΡΡΡΠ°Π½ΠΎΠ²ΠΈΡΡ Π±Π°ΠΊ Π΄Π»Ρ Π²ΠΎΠ΄Ρ.
ΠΠ»Ρ ΡΡΠΎΠ³ΠΎ Π½Π° ΠΊΠ°ΠΌΠ΅Π½ΠΊΡ ΠΏΡΠΈΠ²Π°ΡΠΈΠ²Π°ΡΡ ΠΎΡΡΠ°Π²ΡΠΈΠΉΡΡ, ΡΠ°Π½Π΅Π΅ Π½Π΅ Π²ΠΎΡΡΡΠ΅Π±ΠΎΠ²Π°Π½Π½ΡΠΉ ΠΊΡΡΠΎΠΊ ΡΡΡΠ±Ρ, Π² Π½ΠΈΠΆΠ½ΡΡ ΡΠ°ΡΡΡ ΠΊΠΎΡΠΎΡΠΎΠ³ΠΎ Π²Π²Π°ΡΠΈΠ²Π°ΡΡ ΠΊΡΠ°Π½ Π΄Π»Ρ Π²ΠΎΠ΄Ρ. Π ΠΏΡΠΎΡΠ΅ΡΡΠ΅ ΡΠΊΡΠΏΠ»ΡΠ°ΡΠ°ΡΠΈΠΈ ΠΏΠ΅ΡΠΈ Π΄ΡΠΌ, ΠΏΡΠΎΡ ΠΎΠ΄Ρ ΠΏΠΎ ΡΡΡΠ±Π΅, Π±ΡΠ΄Π΅Ρ ΠΏΠΎΡΡΠ΅ΠΏΠ΅Π½Π½ΠΎ Π΅Π΅ Π½Π°Π³ΡΠ΅Π²Π°ΡΡ, ΠΎΠ΄Π½Π°ΠΊΠΎ Π΅Π΅ ΠΊΠΈΠΏΠ΅Π½ΠΈΠ΅ ΠΏΡΠΎΠΈΡΡ ΠΎΠ΄ΠΈΡΡ Π½Π΅ Π±ΡΠ΄Π΅Ρ. Π Π·Π°ΠΊΠ»ΡΡΠ΅Π½ΠΈΠ΅ Π½Π΅ΠΎΠ±Ρ ΠΎΠ΄ΠΈΠΌΠΎ ΠΈΠ·Π³ΠΎΡΠΎΠ²ΠΈΡΡ ΠΊΡΡΡΠΊΡ, ΠΏΡΠ΅Π΄Π½Π°Π·Π½Π°ΡΠ΅Π½Π½ΡΡ Π΄Π»Ρ Π½Π°Π³ΡΠ΅Π²Π°ΡΠ΅Π»ΡΠ½ΠΎΠ³ΠΎ Π±Π°ΠΊΠ°. Π ΡΠΎΠΎΡΠ²Π΅ΡΡΡΠ²ΠΈΠΈ Ρ Π΄ΠΈΠ°ΠΌΠ΅ΡΡΠΎΠΌ ΠΈΡΠΏΠΎΠ»ΡΠ·ΡΠ΅ΠΌΠΎΠΉ ΡΡΡΠ±Ρ, ΠΏΡΠΈΠ³ΠΎΡΠΎΠ²ΡΡΠ΅ ΠΊΡΡΡΠΊΡ ΠΈ ΡΠ°Π·ΡΠ΅ΠΆΡΡΠ΅ Π΅Π΅ ΠΏΠΎΠΏΠΎΠ»Π°ΠΌ. Π ΠΏΠ΅ΡΠ²ΠΎΠΉ ΠΏΠΎΠ»ΠΎΠ²ΠΈΠ½Π΅ Π½Π΅ΠΎΠ±Ρ ΠΎΠ΄ΠΈΠΌΠΎ Π²ΡΡΠ΅Π·Π°ΡΡ ΠΎΡΠ²Π΅ΡΡΡΠΈΠ΅ ΠΏΠΎΠ΄ Π΄ΡΠΌΠΎΡ ΠΎΠ΄, ΠΏΠΎΡΠ»Π΅ ΡΠ΅Π³ΠΎ Π΅Π΅ ΠΏΡΠΈΠ²Π°ΡΠΈΠ²Π°ΡΡ ΠΊ Π±Π°ΠΊΡ. ΠΡΠΎΡΡΡ ΠΏΠΎΠ»ΠΎΠ²ΠΈΠ½Ρ Π² ΠΏΡΠΎΡΠ΅ΡΡΠ΅ ΠΌΠΎΠ½ΡΠ°ΠΆΠ° Π½Π΅ΠΎΠ±Ρ ΠΎΠ΄ΠΈΠΌΠΎ ΠΎΡΠ½Π°ΡΡΠΈΡΡ ΠΏΠ΅ΡΠ»ΡΠΌΠΈ ΠΈ ΡΡΡΠΊΠΎΠΉ, Π±Π»Π°Π³ΠΎΠ΄Π°ΡΡ ΡΠ΅ΠΌΡ ΡΠ²ΠΎΠ±ΠΎΠ΄Π½Π°Ρ ΡΠ°ΡΡΡ ΠΊΡΡΡΠΊΠΈ ΠΎΡΡΠ°Π½Π΅ΡΡΡ ΡΡΠ΅ΠΌΠ½ΠΎΠΉ.

Π£ΡΡΠ°Π½ΠΎΠ²ΠΊΠ° Π±Π°Π½Π½ΠΎΠΉ ΠΏΠ΅ΡΠΈ: Π½Π° ΡΡΠΎ ΠΎΠ±ΡΠ°ΡΠΈΡΡ Π²Π½ΠΈΠΌΠ°Π½ΠΈΠ΅?
- ΠΠ± ΡΡΡΠ°Π½ΠΎΠ²ΠΊΠ΅ Π±Π°Π½Π½ΠΎΠΉ ΠΏΠ΅ΡΠΈ Π½Π΅ΠΎΠ±Ρ ΠΎΠ΄ΠΈΠΌΠΎ ΠΏΠΎΠ·Π°Π±ΠΎΡΠΈΡΡΡΡ Π΅ΡΠ΅ Π½Π° ΡΡΠ°ΠΏΠ΅ ΡΡΡΠΎΠΈΡΠ΅Π»ΡΡΡΠ²Π° Π±Π°Π½ΠΈ ΠΈ Π½Π° ΠΌΠ΅ΡΡΠ΅ Π±ΡΠ΄ΡΡΠ΅ΠΉ ΠΏΠ΅ΡΠΊΠΈ Π·Π°Π»ΠΎΠΆΠΈΡΡ ΠΌΠ΅Π»ΠΊΠΎΠ·Π°Π³Π»ΡΠ±Π»Π΅Π½Π½ΡΠΉ ΡΡΠ½Π΄Π°ΠΌΠ΅Π½Ρ. ΠΠΏΠΎΡΠ»Π΅Π΄ΡΡΠ²ΠΈΠΈ Π½Π° Π½Π΅Π³ΠΎ ΡΠΊΠ»Π°Π΄ΡΠ²Π°ΡΡ Π΄Π²ΠΎΠΉΠ½ΠΎΠΉ ΡΡΠ΄ ΠΊΠΈΡΠΏΠΈΡΠ΅ΠΉ ΠΈ ΡΡΡΠ°Π½Π°Π²Π»ΠΈΠ²Π°ΡΡ ΠΏΠ΅ΡΡ. Π§ΡΠΎΠ±Ρ ΠΏΠΎΠ²ΡΡΠΈΡΡ ΠΏΠΎΠΆΠ°ΡΠ½ΡΡ Π±Π΅Π·ΠΎΠΏΠ°ΡΠ½ΠΎΡΡΡ ΡΠ°ΠΌΠΎΠ΄Π΅Π»ΡΠ½ΠΎΠΉ ΠΏΠ΅ΡΠΈ, Π½Π΅ΠΎΠ±Ρ ΠΎΠ΄ΠΈΠΌΠΎ ΡΠ΅ΡΠΊΠΎ ΡΠΎΠ±Π»ΡΠ΄Π°ΡΡ ΠΏΡΠ°Π²ΠΈΠ»Π° ΠΈΡ ΡΡΡΠ°Π½ΠΎΠ²ΠΊΠΈ. ΠΠ½ΠΈ Π·Π°ΠΊΠ»ΡΡΠ°ΡΡΡΡ Π² ΡΠ»Π΅Π΄ΡΡΡΠ΅ΠΌ:
- ΠΠ°ΠΈΠΌΠ΅Π½ΡΡΠ΅Π΅ ΡΠ°ΡΡΡΠΎΡΠ½ΠΈΠ΅ ΠΎΡ ΡΡΠ΅Π½Ρ Π΄ΠΎ ΠΏΠ΅ΡΠΈ Π΄ΠΎΠ»ΠΆΠ½ΠΎ ΡΠΎΡΡΠ°Π²Π»ΡΡΡ Π½Π΅ ΠΌΠ΅Π½Π΅Π΅ ΠΎΠ΄Π½ΠΎΠ³ΠΎ ΠΌΠ΅ΡΡΠ°. ΠΡΠΎΠΌΠ΅ ΡΠΎΠ³ΠΎ, ΡΠΏΠ΅ΡΠΈΠ°Π»ΠΈΡΡΡ ΡΠ΅ΠΊΠΎΠΌΠ΅Π½Π΄ΡΡΡ Π²ΠΎΡΠΏΠΎΠ»ΡΠ·ΠΎΠ²Π°ΡΡΡΡ Π΄ΠΎΠΏΠΎΠ»Π½ΠΈΡΠ΅Π»ΡΠ½ΠΎΠΉ Π·Π°ΡΠΈΡΠΎΠΉ ΠΈ ΡΡΡΠ°Π½ΠΎΠ²ΠΈΡΡ Π½Π° Π±Π»ΠΈΠ·Π»Π΅ΠΆΠ°ΡΡΡ ΠΊ ΠΏΠ΅ΡΠΈ ΡΡΠ΅Π½Ρ ΡΠΎΠ»ΡΠ³Ρ, ΡΠ½Π°Π±ΠΆΠ΅Π½Π½ΡΡ ΠΏΡΠΎΡΠ»ΠΎΠΉΠΊΠΎΠΉ ΡΡΠ΅ΠΏΠ»ΠΈΡΠ΅Π»Ρ, ΡΡΠΎ ΠΏΠΎΠ·Π²ΠΎΠ»ΠΈΡΡ ΡΠ²ΠΎΠ΅Π²ΡΠ΅ΠΌΠ΅Π½Π½ΠΎ ΠΏΡΠ΅Π΄ΠΎΡΠ²ΡΠ°ΡΠΈΡΡ ΠΏΠ΅ΡΠ΅Π³ΡΠ΅Π² Π΄Π΅ΡΠ΅Π²Π° ΠΈ Π΅Π³ΠΎ ΠΏΠΎΡΠ»Π΅Π΄ΡΡΡΠ΅Π΅ Π²ΠΎΠ·Π³ΠΎΡΠ°Π½ΠΈΠ΅;

- ΠΠ΅Π»ΡΠ·Ρ ΠΏΡΠ΅Π½Π΅Π±ΡΠ΅Π³Π°ΡΡ ΠΈ ΠΈΠ·ΠΎΠ»ΡΡΠΈΠ΅ΠΉ Π΄ΡΠΌΠΎΡ ΠΎΠ΄Π°. ΠΠ»Ρ ΡΡΠΎΠ³ΠΎ Π΅Π³ΠΎ ΡΠ΅ΠΊΠΎΠΌΠ΅Π½Π΄ΡΠ΅ΡΡΡ ΠΈΠ·Π³ΠΎΡΠ°Π²Π»ΠΈΠ²Π°ΡΡ ΠΈΠ· ΡΡΠ½Π΄Π²ΠΈΡ-ΡΡΡΠ±Ρ, ΠΌΠ΅ΠΆΠ΄Ρ Π²Π½Π΅ΡΠ½ΠΈΠΌ ΠΈ Π²Π½ΡΡΡΠ΅Π½Π½ΠΈΠΌ ΠΊΠΎΠΆΡΡ ΠΎΠΌ ΠΊΠΎΡΠΎΡΠΎΠΉ Π½Π°Ρ ΠΎΠ΄ΠΈΡΡΡ ΡΠ΅ΠΏΠ»ΠΎΠΈΠ·ΠΎΠ»ΡΡΠΈΠΎΠ½Π½Π°Ρ ΠΏΡΠΎΡΠ»ΠΎΠΉΠΊΠ°;
- ΠΡΠ»ΠΈ ΠΊΠΎΠ½ΡΡΡΡΠΊΡΠΈΡ Π²Π°ΡΠ΅ΠΉ ΠΏΠ΅ΡΠΈ ΠΏΡΠ΅Π΄ΠΏΠΎΠ»Π°Π³Π°Π΅Ρ Π²ΡΠ²Π΅Π΄Π΅Π½ΠΈΠ΅ ΠΏΡΠΎΠ΄ΡΠΊΡΠΎΠ² ΡΠ³ΠΎΡΠ°Π½ΠΈΡ ΠΏΠΎ ΡΡΡΠ±Π΅, ΠΈΠ·Π³ΠΎΡΠΎΠ²Π»Π΅Π½Π½ΠΎΠΉ ΠΈΠ· ΠΌΠ΅ΡΠ°Π»Π»Π°, Π² ΠΌΠ΅ΡΡΠ΅ ΡΡΡΠΊΠ° ΠΏΠΎΡΠΎΠ»ΠΊΠ° ΠΈ ΡΡΡΠ±Ρ ΠΎΠ±ΠΎΡΡΠ΄ΡΡΡ ΠΏΠΎΡΠΎΠ»ΠΎΡΠ½ΠΎ-ΠΏΡΠΎΡ ΠΎΠ΄Π½ΠΎΠΉ ΡΠ·Π΅Π».
ΠΠΎ Π·Π°Π²Π΅ΡΡΠ΅Π½ΠΈΠΈ ΡΡΡΠ°Π½ΠΎΠ²ΠΊΠΈ ΠΏΠ΅ΡΡ ΠΌΠΎΠΆΠ½ΠΎ ΠΎΠ±Π»ΠΈΡΠ΅Π²Π°ΡΡ ΠΊΠΈΡΠΏΠΈΡΠΎΠΌ, ΡΡΠΎ Π½Π΅ ΡΠΎΠ»ΡΠΊΠΎ Π΄ΠΎΠ±Π°Π²ΠΈΡ ΡΡΡΠ΅ΡΠΈΡΠ½ΠΎΡΡΠΈ Π²Π½Π΅ΡΠ½Π΅ΠΌΡ Π²ΠΈΠ΄Ρ ΠΏΠ΅ΡΠΊΠΈ, Π½ΠΎ ΠΈ ΠΏΠΎΠ·Π²ΠΎΠ»ΠΈΡ ΠΏΡΠ΅Π΄ΠΎΡΠ²ΡΠ°ΡΠΈΡΡ Π²ΠΎΠ·Π½ΠΈΠΊΠ½ΠΎΠ²Π΅Π½ΠΈΠ΅ ΠΎΠΆΠΎΠ³ΠΎΠ². ΠΡΠΎΠΌΠ΅ ΡΠΎΠ³ΠΎ, Π² ΡΡΠΎΠΌ ΡΠ»ΡΡΠ°Π΅ Π΄ΠΎΠΏΡΡΠΊΠ°Π΅ΡΡΡ Π±ΠΎΠ»Π΅Π΅ Π±Π»ΠΈΠ·ΠΊΠΎΠ΅ ΡΠ°ΡΠΏΠΎΠ»ΠΎΠΆΠ΅Π½ΠΈΠ΅ ΠΏΠ΅ΡΠΈ ΠΊ ΡΡΠ΅Π½Π΅.

ΠΠ°Π΄Π΅Π΅ΠΌΡΡ, ΡΡΠΎ ΠΌΡ ΡΠΌΠΎΠ³Π»ΠΈ Π²Π°Ρ ΡΠ±Π΅Π΄ΠΈΡΡ Π² ΡΠΎΠΌ, ΡΡΠΎ ΠΈΠ·Π³ΠΎΡΠΎΠ²Π»Π΅Π½ΠΈΠ΅ ΠΌΠ΅ΡΠ°Π»Π»ΠΈΡΠ΅ΡΠΊΠΎΠΉ ΠΏΠ΅ΡΠΈ Π΄Π»Ρ Π±Π°Π½ΠΈ β Π½Π΅ ΡΠ°ΠΊΠΎΠ΅ ΡΠΆ ΡΠ»ΠΎΠΆΠ½ΠΎΠ΅ ΠΌΠ΅ΡΠΎΠΏΡΠΈΡΡΠΈΠ΅, ΠΈ, Π²ΠΎΡΠΏΠΎΠ»ΡΠ·ΠΎΠ²Π°Π²ΡΠΈΡΡ Π΄Π°Π½Π½ΡΠΌ ΡΡΠΊΠΎΠ²ΠΎΠ΄ΡΡΠ²ΠΎΠΌ, Π²Ρ ΡΠΌΠΎΠΆΠ΅ΡΠ΅ ΠΈΠ·Π±Π΅ΠΆΠ°ΡΡ ΡΡΡΠ΄Π½ΠΎΡΡΠΈ Π² ΠΏΡΠΎΡΠ΅ΡΡΠ΅ Π΅Π΅ ΠΈΠ·Π³ΠΎΡΠΎΠ²Π»Π΅Π½ΠΈΡ. ΠΡ Π½Π΅ ΠΎΡΡΠΈΡΠ°Π΅ΠΌ, ΡΡΠΎ Π΄Π°Π½Π½Π°Ρ ΠΊΠΎΠ½ΡΡΡΡΠΊΡΠΈΡ β Π½Π΅ Π΅Π΄ΠΈΠ½ΡΡΠ²Π΅Π½Π½ΡΠΉ ΡΠΏΠΎΡΠΎΠ± ΠΈΠ·Π³ΠΎΡΠΎΠ²Π»Π΅Π½ΠΈΡ Π±Π°Π½Π½ΠΎΠΉ ΠΏΠ΅ΡΠΈ, ΠΎΠ΄Π½Π°ΠΊΠΎ ΠΎΠ½Π° ΡΠ²Π»ΡΠ΅ΡΡΡ Π½Π°ΠΈΠ±ΠΎΠ»Π΅Π΅ ΠΏΡΠΎΡΡΠΎΠΉ Π² ΠΌΠΎΠ½ΡΠ°ΠΆΠ΅ ΠΈ ΡΠ΄ΠΎΠ±Π½ΠΎΠΉ Π² ΡΠΊΡΠΏΠ»ΡΠ°ΡΠ°ΡΠΈΠΈ.
tolkostroyka.ru
Π§Π΅ΡΡΠ΅ΠΆΠΈ Π±Π°Π½Π½ΠΎΠΉ ΠΏΠ΅ΡΠΈ ΠΈΠ· ΠΌΠ΅ΡΠ°Π»Π»Π°
Π§Π΅ΡΡΠ΅ΠΆΠΈ ΠΏΠ΅ΡΠΈ Π΄Π»Ρ Π±Π°Π½ΠΈ ΠΈΠ· ΠΌΠ΅ΡΠ°Π»Π»Π°: ΠΏΡΠΎΡΡΠ΅ΠΉΡΠΈΠ΅ ΠΊΠΎΠ½ΡΡΡΡΠΊΡΠΈΠΈ
ΠΠ΅ΡΡ Π² Π±Π°Π½Π΅ ΡΠ²Π»ΡΠ΅ΡΡΡ ΠΎΠ±ΡΠ·Π°ΡΠ΅Π»ΡΠ½ΡΠΌ Π°ΡΡΠΈΠ±ΡΡΠΎΠΌ, ΠΏΠΎΡΠΊΠΎΠ»ΡΠΊΡ ΠΈΠΌΠ΅Π½Π½ΠΎ ΠΎΠ½Π° ΠΎΡΠ²Π΅ΡΠ°Π΅Ρ Π·Π° Π½Π°Π³ΡΠ΅Π² ΠΈ ΠΏΠΎΡΠ»Π΅Π΄ΡΡΡΠ΅Π΅ ΠΏΠΎΠ΄Π΄Π΅ΡΠΆΠ°Π½ΠΈΠ΅ ΡΠ΅ΠΌΠΏΠ΅ΡΠ°ΡΡΡΡ. ΠΡΠΈ ΡΡΠΎΠΌ ΡΡΡΠ΅ΡΡΠ²ΡΠ΅Ρ ΡΠ΅Π»ΡΠΉ ΡΡΠ΄ Π·Π°Π²ΠΎΠ΄ΡΠΊΠΈΡ ΠΈΠ·Π΄Π΅Π»ΠΈΠΉ ΠΈΠ»ΠΈ ΠΊΠΎΠ½ΡΡΡΡΠΊΡΠΈΠΉ ΠΈΠ· ΠΊΠΈΡΠΏΠΈΡΠ°, ΠΊΠΎΡΠΎΡΡΠ΅ ΠΌΠ°ΠΊΡΠΈΠΌΠ°Π»ΡΠ½ΠΎ ΠΎΡΠ²Π΅ΡΠ°ΡΡ Π½Π΅ΠΎΠ±Ρ ΠΎΠ΄ΠΈΠΌΡΠΌ ΡΡΠ΅Π±ΠΎΠ²Π°Π½ΠΈΡΠΌ. ΠΠ΄Π½Π°ΠΊΠΎ ΠΎΡΠΎΠ±ΠΎΠΉ ΠΏΠΎΠΏΡΠ»ΡΡΠ½ΠΎΡΡΡΡ ΠΏΠΎΠ»ΡΠ·ΡΡΡΡΡ ΡΠ΅ΡΡΠ΅ΠΆΠΈ ΡΠ°ΠΌΠΎΠ΄Π΅Π»ΡΠ½ΡΡ ΠΏΠ΅ΡΠ΅ΠΉ Π΄Π»Ρ Π±Π°Π½ΠΈ ΠΈΠ· ΠΌΠ΅ΡΠ°Π»Π»Π°, ΠΊΠΎΡΠΎΡΡΠ΅ Π΄Π°ΡΡ Π²ΠΎΠ·ΠΌΠΎΠΆΠ½ΠΎΡΡΡ ΠΈΠ·Π³ΠΎΡΠΎΠ²ΠΈΡΡ Π½Π΅Π±ΠΎΠ»ΡΡΠΎΠ΅ ΡΡΡΡΠΎΠΉΡΡΠ²ΠΎ, ΠΈΠ΄Π΅Π°Π»ΡΠ½ΠΎ ΠΏΠΎΠ΄Ρ ΠΎΠ΄ΡΡΠ΅Π΅ Π΄Π»Ρ ΠΊΠΎΠ½ΠΊΡΠ΅ΡΠ½ΡΡ ΡΡΠ»ΠΎΠ²ΠΈΠΉ.

ΠΡΠ±ΠΈΡΠ΅Π»ΡΡΠΊΠΎΠ΅ ΡΠΎΡΠΎ ΠΏΡΠΎΡΡΠ΅ΠΉΡΠ΅ΠΉ ΡΠ°ΠΌΠΎΠ΄Π΅Π»ΡΠ½ΠΎΠΉ ΠΏΠ΅ΡΠΈ ΠΈΠ· ΠΌΠ΅ΡΠ°Π»Π»Π°
ΠΡΠΎΡΠ΅ΡΡ ΠΈΠ·Π³ΠΎΡΠΎΠ²Π»Π΅Π½ΠΈΡ
ΠΠ»Ρ Π½Π°ΡΠ°Π»Π° Π½Π΅ΠΎΠ±Ρ ΠΎΠ΄ΠΈΠΌΠΎ ΡΠΊΠ°Π·Π°ΡΡ ΠΎ ΡΠΎΠΌ, ΡΡΠΎ ΡΡΡΠ΅ΡΡΠ²ΡΠ΅Ρ ΡΠ΅Π»ΡΠΉ ΡΡΠ΄ ΠΏΠΎΠ΄ΠΎΠ±Π½ΡΡ ΠΈΠ·Π΄Π΅Π»ΠΈΠΉ, ΠΊΠΎΡΠΎΡΡΠ΅ ΠΎΡΠ»ΠΈΡΠ°ΡΡΡΡ ΡΠ²ΠΎΠ΅ΠΉ ΠΊΠΎΠ½ΡΡΡΡΠΊΡΠΈΠ΅ΠΉ ΠΈ ΠΏΡΠΈΠ½ΡΠΈΠΏΠΎΠΌ ΡΠ°Π±ΠΎΡΡ. ΠΠΎΡΡΠΎΠΌΡ ΡΠ΅ΡΡΠ΅ΠΆΠΈ ΠΏΠ΅ΡΠ΅ΠΉ Π΄Π»Ρ Π±Π°Π½Ρ ΠΈΠ· ΠΌΠ΅ΡΠ°Π»Π»Π° Π±ΡΠ²Π°ΡΡ ΡΠ°Π·Π½ΡΠΌΠΈ. ΠΠ΄Π½Π°ΠΊΠΎ Π²ΡΠ΅ ΠΎΠ½ΠΈ ΠΎΠ±Π»Π°Π΄Π°ΡΡ ΠΏΡΠΈΠ±Π»ΠΈΠ·ΠΈΡΠ΅Π»ΡΠ½ΠΎ ΠΎΠ΄ΠΈΠ½Π°ΠΊΠΎΠ²ΡΠΌ ΠΏΡΠΈΠ½ΡΠΈΠΏΠΎΠΌ Π΄Π΅ΠΉΡΡΠ²ΠΈΡ (ΡΠΌ.ΡΠ°ΠΊΠΆΠ΅ ΡΡΠ°ΡΡΡ Β«ΠΠ΅ΡΡ Π΄Π»Ρ Π±Π°Π½ΠΈ ΠΈΠ· ΡΡΡΠ±Ρ: ΡΠΎΠ²Π΅ΡΡ ΠΏΠΎ ΠΈΠ·Π³ΠΎΡΠΎΠ²Π»Π΅Π½ΠΈΡΒ»).

ΠΡΠΎΡΡΠ΅ΠΉΡΠΈΠΉ ΡΠ΅ΡΡΠ΅ΠΆ Π±Π°Π½Π½ΠΎΠΉ ΠΏΠ΅ΡΠΈ
Π’ΠΎΠΏΠΊΠ°
- ΠΡΠ΅ΠΆΠ΄Π΅ Π²ΡΠ΅Π³ΠΎ, Π½Π΅ΠΎΠ±Ρ ΠΎΠ΄ΠΈΠΌΠΎ ΠΈΠ·Π³ΠΎΡΠΎΠ²ΠΈΡΡ ΡΠΎΠΏΠΊΡ. ΠΠ΅ ΡΠ°Π·ΠΌΠ΅ΡΡ ΠΊΠ°ΠΆΠ΄ΡΠΉ ΠΎΠΏΡΠ΅Π΄Π΅Π»ΡΠ΅Ρ ΡΠ°ΠΌ, Π½ΠΎ ΠΏΡΠΎΡΠ΅ΡΡΠΈΠΎΠ½Π°Π»Ρ ΡΠΎΠ²Π΅ΡΡΡΡ ΠΏΡΠΈ ΡΠΈΡΠΈΠ½Π΅ 0.5 ΠΌΠ΅ΡΡΠ° Π΄Π΅Π»Π°ΡΡ ΡΠ°ΠΊΡΡ ΠΆΠ΅ Π²ΡΡΠΎΡΡ.
- ΠΠ½ΠΎΠ³ΠΈΠ΅ ΡΠ΅ΡΡΠ΅ΠΆΠΈ ΡΠ°ΠΌΠΎΠ΄Π΅Π»ΡΠ½ΠΎΠΉ ΠΏΠ΅ΡΠΈ Π΄Π»Ρ Π±Π°Π½ΠΈ ΠΈΠ· ΠΌΠ΅ΡΠ°Π»Π»Π° ΠΏΡΠ΅Π΄ΠΏΠΎΠ»Π°Π³Π°ΡΡ ΠΈΡΠΏΠΎΠ»ΡΠ·ΠΎΠ²Π°Π½ΠΈΠ΅ Π½Π΅ΠΊΠΎΡΠΎΡΡΡ Π³ΠΎΡΠΎΠ²ΡΡ ΡΠ»Π΅ΠΌΠ΅Π½ΡΠΎΠ². Π Π½ΠΈΠΌ ΠΎΡΠ½ΠΎΡΡΡΡΡ ΡΠ΅ΡΠ΅ΡΠΊΠΈ ΠΈ Π΄Π²Π΅ΡΡΡ. ΠΡΠΈ ΡΡΠΎΠΌ ΠΌΠ°ΡΡΠ΅ΡΠ° ΡΠΎΠ²Π΅ΡΡΡΡ Π²ΡΠ±ΠΈΡΠ°ΡΡ ΡΡΠΈ Π΄Π΅ΡΠ°Π»ΠΈ, ΠΈΠ·Π³ΠΎΡΠΎΠ²Π»Π΅Π½Π½ΡΠ΅ ΠΈΠΌΠ΅Π½Π½ΠΎ ΠΈΠ· ΠΌΠ΅ΡΠ°Π»Π»Π°, ΠΏΠΎΡΠΊΠΎΠ»ΡΠΊΡ ΡΡΠ³ΡΠ½Π½ΡΠ΅ ΠΈΠ·Π΄Π΅Π»ΠΈΡ ΠΏΡΠΈΠ΄Π΅ΡΡΡ ΡΠΈΠΊΡΠΈΡΠΎΠ²Π°ΡΡ ΠΎΡΠΎΠ±Π΅Π½Π½ΡΠΌ ΠΎΠ±ΡΠ°Π·ΠΎΠΌ.

ΠΡΠΎΠ΅ΠΊΡ ΠΈΠ·Π³ΠΎΡΠΎΠ²Π»Π΅Π½ΠΈΡ ΠΌΠ΅ΡΠ°Π»Π»ΠΈΡΠ΅ΡΠΊΠΎΠΉ ΠΊΠΎ
superbany.ru
