Баня своими руками проекты фото 3х3 – проекты и интерьер каркасной дачи размером 3 на 4, конструкция из блоков
Проект бани 3 на 3: особенности составления. Постройка бани 3×3

Просторная и вместительная баня с беседкой или просторной мансардой – мечта многих, но не всегда имеется достаточная площадь для размещения подобной постройки. Если вы не можете похвастаться большим участком, то это вовсе не значит, что вам придется отказаться от постройки места для отдыха, оптимальным вариантом в этом случае станет проект бани 3 на 3.
Бани 3 на 3: фото, проекты, интерьер
Такая баня представляет собой небольшую конструкцию, которая хорошо подходит для дачи. Она имеет вместимость 2-3 человека, что достаточно для семейной пары с ребенком.
Преимущества небольшой бани:
- компактность. Она легко поместится даже на небольшом земельном участке;
- низкая стоимость постройки. Малый расход материалов значительно снижает стоимость возведения бани;
- быстрый разогрев. Небольшое помещение быстрее отапливается и дольше сохраняет тепло, что также позволяет уменьшить расход топлива;
- простота постройки. Возвести баню 3×3 просто, поэтому вы сможете построить ее самостоятельно, не обращаясь к специалистам;
- быстрая скорость строительства. Возведение бани займет немного времени, что позволит вам быстрее начать использовать парную.
Несмотря на то, что проект бани 3х3 имеет небольшие размеры, в нем вполне возможно разместить все необходимые помещения. Составляя план, лучше всего разделить постройку на два помещения (одно должно быть больше). Комната большей площади будет содержать парную и мойку, а другая – предбанник и раздевалку.
Если посмотреть проекты бани 3х3, фото, то можно заметить, что большинство построек представляет собой обычное одноэтажное здание. Реже делают баню с мансардой или двухэтажную.
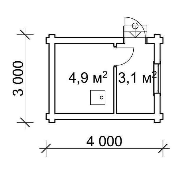
В первом случае баня имеет площадь 8-8,5 квадратных метров. Постройка имеет несколько помещений:
- парилку – 4-5 квадратных метров;
- душевую – 2 квадратных метра;
- предбанник/комнату отдыха – 2-3 квадратных метра.
В данном проекте предбанник совмещен с комнатой отдыха и имеет небольшую площадь. Рекомендуется поставить складной столик, который поможет сэкономить пространство.

Баня с мансардой имеет площадь около 14-15 квадратных метров. Второй этаж используют в качестве комнаты отдыха. Если вы размещаете баню 3 на 3 на даче, то можно сделать гостевую. В таком случае удобно будет оставаться с ночевкой.

Благодаря такой компактности особенно популярны проекты бани 3х3 на даче. Фото дачных участков, представленные в интернете, доказывают, что большинство имеет небольшую по площади территорию, размером около 6 соток, где разумнее всего ставить именно небольшую баню.
Разрабатывая проект бани 3×3, нужно указать на чертеже расположение всех перегородок, окон, дверей, продумать систему водоотведения, вентиляцию и расположить светильники с розетками. Нужно указать все размеры и проверить, соответствуют ли они нормам.

Если вы затрудняетесь составлять проект самостоятельно, то можете обратиться к специалистам. Также готовые проекты, фото бань 3х3 представлены в интернете. В сети также можно найти фото и видео, где показано воплощение конкретного проекта.
Чертеж помогает также рассчитать количество требуемых материалов для постройки бани и узнать примерную стоимость будущего сооружения.
Баня 3х3: выбираем материал для строительства
Первым делом нужно определиться с материалом, из которого вы планируете строить баню. Классический вариант – это дерево. Еще наши дальние предки возводили бани именно из этого материала. Он хорошо сохраняет тепло, слабо нагревается, а также помогает создать уютную и домашнюю атмосферу.
Самый дешевый и простой вариант – каркасная баня. Баню из бруса несложно построить своими руками, по цене она выходит дешевле остальных вариантов, кроме того, эксплуатацию бани можно начинать сразу после постройки, поскольку усадка отсутствует.
Другой вариант – баня из бревна. По цене такой вариант обойдется дороже, а также учтите, что в этом случае вас ожидают большие трудозатраты.

Более современными материалами являются кирпичи и блоки. Баня из блоков проста в установке, но она требует дополнительной внешней отделки. Баня из кирпича – это надежное и крепкое сооружение, но из-за большого веса она нуждается в упрочненном фундаменте.

Бани 3 на 3: фото, проекты и особенности постройки
Строительство бани происходит в несколько этапов, порядок которых должен строго соблюдаться: сначала закладывается фундамент, далее нужно собрать сруб для бани, возвести кровлю и провести внутреннюю/внешнюю отделку.
Шаг 1. Подготовка участка
Первым делом нужно выбрать участок, где будут проводиться строительные работы. Необходимо очистить его, причем лучше делать уборку с небольшим запасом. Если недалеко от вашего участка имеется водоем, то лучше делать баню поближе к нему, в таком случае после посещения парной и разогрева тела вы сможете охладиться в прохладной воде – такие контрастные процедуры полезны для здоровья.
Шаг 2. Возведение фундамента
Для бани можно использовать разные типы фундамента: столбчатый, плитный или свайный. При выборе нужно учитывать вес постройки и тип почвы.
Самым популярным вариантом является ленточный фундамент. Для его установки нужно:
- Вырыть траншею шириной 10-15 см на глубину ниже промерзания почвы (примерно до 0,7 м).
- Засыпать траншею слоем песка толщиной 15-20 см.
- Уложить щебень.
- Сделать опалубку из брусков 40×40 см, ее высота должна составлять около 20 см.
- Залить бетон.
Можно также провести армирование траншеи, это придаст ей дополнительную прочность. После того, как бетон высохнет, нужно положить изоляционный слой (2-3 слоя рубероида).
Шаг 3. Возведение стен
Постройка стен зависит от материала, который вы выбрали для строительства. При постройке нужно следить за тем, чтобы стены получались ровными, особенно это касается первых рядов, в противном случае баня получится кривой.
Для строительства нижних рядов также могут использоваться более крепкие материалы. К примеру, если вы строите баню из кирпича, то два нижних ряда укладывайте красным водостойким кирпичом. Если вы остановили свой выбор на брусе, то нижний венец лучше собирать из лиственницы.
Не забудьте подготовить дверные и оконные проемы. Они могут прорабатываться в процессе возведения стен или вырезаться после сборки.
Шаг 4. Изготовление кровли
Поскольку постройка небольшая, лучше выбирать простую кровельную конструкцию: одно- или двускатную систему. Угол наклона зависит от выбранного кровельного материала. Простым и недорогим вариантом станут рубероид или шифер.

Шаг 5. Отделка бани
Нужно подготовить потолок и пол, провести коммуникации. В парной должна поддерживаться высокая температура, поэтому обязательным условием является теплоизоляция. Не меньшую роль играет гидроизоляция, которая защитит стены от влаги, предотвратит их преждевременное разрушение.
Для внутренней отделки помещений чаще всего используют вагонку. Этот простой материал легко собирается, делает помещение аккуратным, а также имеет хорошие тепло- и гидроизоляционные свойства.
После можно переходить к установке печи. Чтобы сэкономить пространство не рекомендуется ставить кирпичную печь, лучше выбрать компактную металлическую. Оптимальный вариант – установка печи у стены, прилегающей к предбаннику, в таком случае ее будет удобно растапливать, а также вы сможете ощутимо сэкономить на отоплении.
Еще один нюанс в обустройстве бани 3 на 3 – это полок. Лучше всего делать двухъярусные полки, которые увеличат вместимость парной, при этом сэкономив драгоценные метры. Больше никакая мебель в парной не нужна.
В моечной нужно поставить лавку, в раздевалке прикрепить крючки для одежды, также поставить лавку или стулья, стол.
Ниже представлены проекты интерьеров и фото бань 3×3:
Баня 3 на 3 имеет компактные размеры и подойдет даже для небольшого участка. Она не может похвастаться большой вместимостью, но 2-3 человека будут чувствовать себя в ней достаточно комфортно.
Строительство такой бани не имеет особых сложностей, постройка не требует больших финансовых затрат и много времени.
795
Автор публикации
Комментарии: 0Публикации: 198Регистрация: 13-01-2017
postroitbanju.ru
Баня 3х3 на даче проекты фото
Проекты бань из бруса 3х4 — чертеж
Владельцам небольших земельных участков приходится постоянно идти на разного рода выдумки и ухищрения, чтобы компактно разместить на имеющейся территории все необходимые постройки, насаждения и прочие элементы.

Проекты бань из бруса 3х4
В особенности актуальным в подобных условиях является вопрос обустройства бани. Даже если места совсем мало, при грамотном подходе все равно можно возвести полноценное строение со всеми необходимыми помещениями: парилкой, помывочной и предбанником. К примеру, прекрасным вариантом для маленького участка является компактная баня из бруса 3х4 м: древесина известна как полностью безопасный для человека, экологически чистый материал, а возведение подобной небольшой конструкции при условии правильного планирования не потребует от исполнителя чрезмерных усилий и финансовых затрат.

На фото- типовая баня 3 на 4, построенная из бруса
Ознакомившись с нижеизложенной информацией, вы в подробностях рассмотрите наиболее удачный вариант проекта бани из бруса 3х4 м, сможете изучить необходимые сопутствующие чертежи и в целом получите ряд полезных сведений в отношении грамотного проектирования компактных строений подобного предназначения.
Преимущества бани размерами 3х4 м
Баня 3х4superbany.ru
Баня 3х3 своими руками, инструкция для новичков
Баня из бревна 3х3 хорошо вписывается даже на самом небольшом участке.Строится баня 3х3 своими руками из любого строительного материала: дерева, кирпича, блоков, или камня. Главное выбрать подходящий проект и соблюдать в точности все этапы строительства. О том как построить небольшую баню 3х3 какие особенности имеет конструкция и какие правила соблюдать при сборке своими руками расскажем нашим читателям в этой статье.
Особенности бани 3х3
Баня 3х3 м это небольшая конструкция подходящая для дачи или садового домика. Разместить в такой, можно 2-3 человека одновременно. Строят обычно одноэтажную, но можно выбрать проект с открытой верандой и мансардой. В такой площади хватит для небольшой комнаты отдыха на втором этаже, а на веранде можно благоустроить место под чаепитие.
В основном выбор падает на небольшую баню в двух ситуациях:
- Недостаточно денег на строительство большой.
- Участок под застройку слишком мал по площади.
Одноэтажная баня
Баня 3х3 в один этаж может стать хорошим местом для отдыха небольшой семьи.Одноэтажная конструкция 3х3 имеет максимальную площадь в 8-8,5 м². Разделяют на предбанник в 2-3 м², парилку 4-5 м², душевую 2м². Предбанник совмещают с местом для отдыха. Несмотря на небольшие размеры здесь помещается небольшой стол и пара лавочек для отдыха. Столик можно сделать своими руками, складной, тогда место будет сэкономлено. И во время растопки или уборке можно максимально освободить место в предбаннике.
Баня с мансардой
Баня с мансардой 3х3 имеет максимальную площадь 14–15 м². Причем второй этаж в 6–7 м² подходит под комнату отдыха. Не редко такие бани с мансардой строят на дачных участках, когда второй этаж используется как гостевая комната или место для детской комнаты. Можно построить не утепленную мансарду, тогда ее используют как место для хранения веников, хоз. инструментов и т. д.
Для строительства бани 3х3 под круглогодичное использование нужно строить утепленную конструкцию, для дачи можно каркасный вариант с 1-м слоем утеплителя.
Квадратная форма бани делает постройку удобной при размещении и выборе места на участке. Из-за небольшой формы можно установить пристроив к дому или отдельно стоящую.
Выбор материала для строительства
Готовый сруб под баню из бревна можно приобрести комплектом, где каждое бревно выпилено и собрать ее будет не сложно своими руками.Для строительства подойдет любой материал. Самый дешевый вариант построить своими руками каркасную баню 3х3. Строят ее из бруса 100х100 на облегченном ленточном фундаменте. Для этого копается траншея по разметке фундамента и заливается бетонная лента по опалубке. Как поэтапно собрать каркасную баню своими руками можно прочитать в одной из предыдущих статей.
Хорошо смотрится и держит тепло традиционная из дерева. Можно самостоятельно заготовить бревна и высушить их под навесом. Утеплитель тоже набирают в лесу-мох. Строительство своими руками обойдется минимумом, а вот трудозатрат будет много.
Хорошая альтернатива бревну оцилиндровка или брус профилированный или клееный. Брать необходимо камерную сушку, тогда строительство даст минимальную усадку, а пользоваться баней можно будет сразу по окончанию строительства и отделки. Плюс клееного и профилированного материалов в том, что не придется баню изнутри и снаружи дополнительно утеплять.
Умельцы собирают бани 3х3 из кирпича или блоков, так как коробка квадратная, то собрать ее своими руками большого труда не составит. Для кирпичной постройки фундамент делают ленточный с армированием, ниже промерзания почвы. Так как стены получаться тяжелыми, необходим фундамент усиленный арматурой.
Основные этапы строительства бани
Строят баню 3х3 своими руками по выбранному проекту. В любом случае основные этапы сборки включают в себя:
- Монтаж фундамента.
- Строительство коробки.
- Кровля.
- Отделка.
Каждый из этапов под различный материал индивидуален.
Монтаж фундамента
Фундамент под баню 3х3 делается облегченный ленточный.Фундамент под баню 3х3 из бруса или каркасную строят ленточный не заглубленный, как мы уже говорили выше. Рассмотрим фундамент подробнее под строение из бруса или оцилиндрованного бревна.
Отмечается квадрат 3 на 3 м и роется траншея на глубину ниже промерзания почвы, шириной 10-15 см. На дно накладывают песочную подушку толщиной в 10–15 см. Подушку необходимо пролить и утрамбовать. На подушку укладывают щебень и строят опалубку. Своими руками опалубку собирают из простой не обрезной доски и брусков 40х40 см. Придавать большую жесткость фундаменту не нужно, так как строение 3х3 не слишком тяжелое.
В опалубку заливают бетон, который можно изготовить своими руками (цемент+песок+гравий). Но при строительстве бани необходимо брать влагостойкий цемент, так как конструкция связана с использованием воды. После заливки фундамента необходимо распланировать место под печку и залить отдельную бетонную подушку. В месте предбанника монтируется слив в виде ямы засыпанной гравием. Вода будет попадать внутрь и расходиться равномерно по грунту.
Фундамент изолируется при помощи подходящего рулонного или обмазочного материала. Внутреннюю часть можно обработать гидроизоляцией глубокого проникающего свойства, например жидким стеклом. Сверху укладывают 2–3 слоя рубероида.
Сборка коробки
Каркасную баню из бруса 3х3 собрать дешевле, чем из остальных материалов.Коробку собирают в зависимости от выбранного материала. Если стены из кирпича 2-а нижних ряда укладывают красным водостойким, выше можно использовать силикатный. Из бруса нижний венец выполняют из лиственницы ли осины большего сечения. Так если основные стены собираются из бруса 150х150, то нижний венец 200х200 мм. Обвязку крепят к фундаменту при помощи специальных пластин, которые прикручены к основанию бани.
Коробку собирают согласно схеме-плану. Проще собирать профилированный простой или клееный брус. Система шип-паз позволяет сложить стены как детский конструктор «лего». Справиться со строительством можно в одиночку, так как брус 3 м длиной небольшого веса.
Для укладки бруса необходимо использовать деревянные нагеля и джутовый утеплитель. Кто-то предлагает брать металлические нагеля, но при высыхании щели могут приоткрыть часть соединительных и железо будет бросаться в глаза. Изготовить нагеля можно своими руками из остатков древесины.
Кровля для бани
Кровля на бане 3х3 должна вписываться в основной ансамбль всех строений на участке.Крышу для коробки 3х3 выбирают самую простую двускатную или односкатную. Угол наклона зависит от выбора кровельного материала. Самый недорогой вариант-рубероид или шифер. Для сруба под усадку берут рубероид и выполняется черновая крыша. Подробнее как собрать крышу для бани можно прочитать в одной из статей нашего сайта.
Черновую крышу собирают на 1 год, чтобы коробка простояла все сезоны, после этого ее заменяют чистовой. Для бани из кирпича или бруса камерной сушки сразу укладывают чистовую кровлю.
После этого укладывают пол и потолок. Их монтируют на лаги которые размещают посередине конструкции сверху снизу прямо на фундамент. Потолок можно выполнить настильной, так как конструкция небольшая. Такой крепится непосредственно на стены без лаг.
Одну из готовых бань 3х3 можно увидеть на видео:
Отделка бани
Внутреннюю отделку бани из бруса можно не выполнять, так как стены уже экологичны и выглядят не плохо.Отделку бани 3х3 своими руками начинают с проводки коммуникаций. Если на участке есть электроэнергия необходимо провести свет в баню. Вытяжку необходимо сделать из парилки и предбанника. Для этого можно воспользоваться простой вентиляционной системой, которая работает под воздействием небольшого вентилятора и запускается механически.
Следующим этапом утепляется парная. Для этого используют натуральные утеплители, типа минваты. Сверху стены укрывают фольгоизолью, так чтобы пар отражался от поверхности парилка держала температуры по прицепу термоса. Сверху стены и потолок обшивают вагонкой из липы или осины. В редких случаях используется дуб, его как дорогостоящий в бюджетной конструкции применять невыгодно.
В стене напротив печи крепится небольшой полог и ставят лавочки, их тоже выгоднее сделать своими руками. Предбанник можно не отделывать дорогостоящими материалами, достаточно покрасить стены водостойкими составами или пропитать маслами. Они подчеркнут текстуру древесины и придадут ей водоотталкивающие свойства. Кирпичные стены заштукатуривают влагостойкими составами и красят. Построить баню 3х3 своими руками просто, так как конструкция небольшая. А типовых проектов подобного размера много в сети. Главное подойти к процессу с душой и «легкий пар» не заставит себя ждать.
banyabest.ru
Баня своими руками проекты фото 3х4
Баня 3 на 4 из бруса или блоков: проект, планировка
Размеры бани 3х4 метра считаются середнячком. Это не совсем скромные размеры, на которых можно разместить все помещения. Внутри будут вполне комфортно себя чувствовать 4–5 человек. При этом пофантазировать и прибегнуть к таким изыскам, как обустройство просторной комнаты отдыха, не получится. Приходится чем-то жертвовать, чтобы создать уютное и комфортное помещение.

Планировка помещений бани 3х4
Начать нужно не с традиционного расположения комнаты отдыха, а с оборудования парной. Место под нее необходимо выделить столько, чтобы на полке мог свободно расположиться лежа человек среднего роста. То есть это примерно 2 метра. Вдоль стены необходимо расположить лежак, чтобы принимающие процедуры могли прилечь на лавку, не подгибая ног. В длину парное отделение рассчитывается по усмотрению хозяина. Обычно это 1,5–2 метра. На этом пространстве можно расположить двухъярусный лежак, и, при этом, должно остаться место, чтобы при входе стояли 1–2 человека.
Необходимо максимально внимательно отнестись к внутренней отделке и планировке. Условие расположения нескольких уровней лежаков считается оптимальным вариантом. Минимальная ширина каждого от 40 до 50 см. При этом верхняя полка всегда должна быть немного шире.
Учитывая характеристики внутреннего обустройства на парилку необходимо выделить от 1,8 до 2 метров. Остальные помещения либо делятся пополам, или же под моечное отделение выделяется немного больше места. Многие поступают наоборот и жертвуют площадью ради просторной комнаты отдыха.

Есть варианты планировки бани 3х4 и со вторым этажом. Но в таком варианте полноценные помещения не получится сделать. Максимум на что можно рассчитывать – установка пары стульев или, вовсе, организация места для хранения банных принадлежностей. Дополнительно увеличить площадь можно пристройкой летней веранды. При желании и возможностях помещение остекляют, проводят отопление и пользуются им круглый год. Учитывая это, крыша бани с верандой, в бане размерами 3х4 не такой уж и востребованный вариант.
Возможные проекты
На самом деле, даже на небольших квадратах можно спроектировать различные варианты расположения помещений. Чтобы «выжать» максимум из площади, вход в моечное отделение делают сразу с улицы, без тамбурного п
superbany.ru
Баня 3 на 3 — планировка внутри, фото

Сегодня у нас на повестке дня баня 3 на 3 — планировка внутри, фото и обустройство. В первую очередь рассмотрим, как грамотно все распланировать в таком небольшом пространстве, как и где установить банную печь, а также как совместить парное и моечное отделение в таких небольших габаритах.
И кстати, этот материал вам пригодится не только, если у вас вся баня 3 на 3. Планировка внутри, фото и схемы подойдут также тем, у кого только парилка 3 на 3 метра, а к ней еще пристроены моечное отделение, комната отдыха, предбанник и топочная.
Планировка бани 3 на 3 метра
Итак, у вас есть небольшой сруб размером 3 на 3 метра. Как на площади 9 квадратных метров разместить все в бане, чтобы было удобно принимать банные процедуры.

При этом, естественно, нужно защищать сразу 2 стены банного сруба. В таких небольших размерах ставить вокруг банной печи кирпичные стенки с воздушным зазором не стоит – каждый сантиметр на счету. Лучше применить листовой минерит, который конечно же стоит монтировать с воздушным зазором от стены.

Когда планируется баня 3 на 3, планировка внутри, фото и прочая информация может быть взята и от банного помещения большего размера, но с пропорциональным уменьшением.
Например, как разместить полок в такой небольшой бане? Лучше всего располагать его у стены, противоположной входу и установленной банной печи.
Где разместить моечное отделение в бане 3 на 3
Далее, как можно разместить моечное отделение в такой бане?

Единственный разумный вариант – это совместить моечное отделение и парное отделение. Потому что даже если выделить под парилку «кубик» 2 на 2 метра, то у вас останется «аппендикс» шириной всего 1 метр.

Вот так можно к парилке 3 на 3 пристроить просторное моечное отделение.
Мыться в таком неудобном помещении будет невозможно. Конечно, если только вы к срубу 3 на 3 не пристроите еще каркасную утепленную пристройку 2 на 3 или 3 на 3, где вы сможете устроить моечное отделение.

Либо все-таки вот так делить помещение 3 на 3 сразу на 4 части — парилку, душевую, комнату отдыха и топочную. Ну,хоть крыльцо отдельно, и то вперед.
Фото бани 3 на 3 метра
А вот вам интересная подборка небольших банных помещений, некоторые из которых как раз имеют размеры 3 на 3 метра.
Хозяева этих небольших бань проявили смекалку в размещении банного оборудования и инвентаря.
Так что даже небольшая баня 3 на 3 может быть обустроена по самому высшему разряду и притом не выходить за рамки самого скромного бюджета.
Смотрите фото, и вы сможете сделать свою небольшую баню уютной и очень удобной для принятия банных процедур.






dompraktika.ru
планировка, проекты с размерами, фото
У владельцев частных домов и дач часто встает вопрос о постройке полноценной бани на маленьком участке земли. Такое помещение должно быть компактным, но в то же время в нем должны быть обустроены полноценные комнаты для отдыха. Оптимальным вариантом считается размер бани 3×4 метра, ее можно соорудить самостоятельно, выбрав для себя одну из простейших планировок, приведенных ниже.
Варианты планировки бани 3х4 для дачи
Перед постройкой бани нужно определиться с местом ее расположения. Она должна находиться не ближе 15 метров от жилого здания, такое расстояние продиктовано техникой безопасности. Удачно было бы построить ее с водоемом или бассейном. Баня должна быть построена на песчано-гравийном участке, если такового нет, то необходимо выкопать яму глубиной полтора метра, и засыпать ее нужной землей. Но в любом случае сооружение нужно возводить на сваях.
Пример проекта
На фото представлен чертеж бани с отдельными комнатами – 3 штуки.

Схема бани площадью 12 м2.
Классический чертеж: парная, мойка, предбанник
Он предусматривает наличие трех комнат:
- парилку;
- моечную;
- предбанник.
В парилке обязательно предусмотренная печь-каменка, которая выполняет две функции: обеспечивает помещение теплом и паром. Лучше располагать ее между предбанником (комнатой отдыха) и парилкой. Оптимальным было бы обустроить ее рядом с дверью. Если после ее установки в предбаннике чувствуется прохлада, то есть смысл установить еще и печь-буржуйку, специально для обогрева помещения. Обе печи работают на дровяном топливе.
Вас также может заинтересовать проект бани из керамзитобетонных блоков.
Парная – особая комната, если в предбаннике достаточно установить стол и удобную мебель для сидения, то в ней нужно продумать все до мелочей. Ни одна парная не обходится без лежанок – полок, чтобы сэкономить место, а также с учетом предпочтений разных людей, они должны быть двухъярусными. На них человек должен умещаться лежа во весь рост.
Читайте также о проектах двухэтажных бань по этой ссылке.
Верхняя полка не должна быть расположена сильно близко к потолку, иначе с нее будет некомфортно слезать, есть вероятность удариться головой об потолок. Высоту полок нужно просчитать заранее в предварительном плане бани, чтобы правильно рассчитать ее размеры не только по ширине и длине, но и по высоте.
Лавки чаще всего идут низкие и высокие, последние предназначены для любителей горячего пара, на нижних полках могут возлежать новички или те, кто не выдерживает воздействия высоких температур. Печь должна располагаться вблизи полок, на расстоянии вытянутой руки, чтобы человек, лежа на полке, мог, не вставая подлить воды на угли, для создания лечебного пара. Расчет длины и количества полок ведется с учетом пожеланий владельцев бани. Они должны будут заранее определиться, сколько человек смогут одновременно париться в одной парилке.
Всю информацию про проекты бань из оцилиндрованного бревна с террасой найдете тут.
Парная площадь не должна быть сильно большой и желательно с низким потолком, чтобы она смогла быстро прогреться. В ней лучше предусмотреть высокий порожек у дверей, чтобы создаваемый пар не уходил сквозь двери.
Смежное расположение печи между парной и комнатой отдыха поможет сэкономить пространство парилки, если загрузку отопительного прибора осуществлять через выполненное в стене окошко, а дрова хранить в предбаннике.
Схема только с парилкой и предбанником
В качестве примера представлена схема, состоящая из двух комнат:
- предбанника;
- парной.
Комнаты имеют одинаковые габариты: 3×2 метра. Для удобства возле бани предусмотрено крылечко, можно пристроить небольшой тамбур с размерами 1×1 метр. Туда можно установить мойку.
И предбанник и парилка идет по 6 м2. Печь установлена на смежной стене, в парной предусмотрено окно для проветривания. Также рекомендуем ознакомиться с проектами деревянных бань с террасой.
План с верандой или террасой
Такая планировка предлагается многими фирмами, занимающимися возведением каркасных домов и бань. По ней площадь всей застройки с пристроенной верандой или террасой составляет 17 м2. Полезной площади внутри помещения остается 11 м2.
Что собой представляют проекты бань с бассейном под одной крышей расскажет данный материал.
Она распределена между тремя комнатами:
- верандой;
- предбанником;
- парилкой.

Веранда расположена вдоль узкой стороны здания, она идет шириной в одни метр. С нее можно попасть в предбанник длиной 2,5 на 0,8 метра. В нем имеется дверь в парную, эта комната занимает около 5 м2. Возле стены, разделяющей веранду и парную, расположена печь-каменка, а в противоположной от нее стене установлены полки для парения.
Как выглядит каркасная баня на фундаменте из покрышек, поможет понять фото из статьи.
Как выглядят бани из бруса с мансардой и террасой, можно посмотреть в данной статье.
Также будет интересно узнать о том, какие варианты планировки бани 6х4 самые удачные: https://2gazon.ru/postroiki/bani/6×4-planirovka.html
Такой вариант бани 3×4 метра можно обыграть по-разному. По одной из версий использовать веранду как предбанник, установив в ней вместо больших открывающихся окон глухие и утеплив ее стены подходящим рулонным утеплителем, который можно применять для сооружений из сруба. Вместо тамбура организовать помывочную, установив рукомойник и душевую. Оригинально будет использовать бочку, которая приводится в движение закрепленной на ней веревкой или цепью.
С особенностями проектов бань из газосиликатных блоков ознакомитесь здесь.
Для тех, кто хочет, чтобы его баня была полностью самостоятельным зданием, нелишним будет продумать обустройство туалета, который можно вынести на туже веранду.

Важная часть постройки это утепление потолка бани.
Удобный вариант
В нем помещение бани делят условно на две комнаты. В первую – предбанник, устанавливается большое окно и дверь, ведущая в помывочную. Предбанник занимает по длине 3, а по ширине 2 метра. Оставшуюся часть площади разделяют между помывочной и парной.
Не исключено, что вам будет полезен материал о проектах бань из рубленного бревна.
Вначале из предбанника человек попадает в компактную помывочную с габаритами: 1×2 метра, а затем с нее переходит в квадратную комнату с размерами 2×2 метра.
Квадратная комната позволяет рационально использовать пространство парной, в одном ее углу устанавливают печь, обычно она возводиться возле стены, смежной к предбаннику, чтобы она смогла обеспечить теплом обе комнаты одновременно. На противоположной стене устанавливаются полки во всю длину полученной комнаты, их размеры полностью подходят для среднестатистического человека.
В маленькой помывочной отведено место под душ и небольшой туалет с перегородкой. Его можно разместить сразу за дверью, ведущей в парную. В такой комнатке можно установить и вентиляцию, которая смогла бы обеспечить здание свежим воздухом, и выводила бы излишнюю влагу, или же заменить ее большим окном, иногда открывать его для проветривания.
О том, какие существуют оригинальные проекты бань с террасой и барбекю узнаете в этой информации.
Видео: как построить своими руками
На видео – планировка бани 3х4 своими руками в классическом исполнении.
Заключение
Небольшие приусадебные территории, на которых имеется освещение, подвод канализации и водопровода легко обустроить под баню, нужно только определиться с подходящим местом. Лучше располагать ее на возвышенности, баня с размерами 3×4 метра, конечно, маловата, но к ней можно пристроить тамбур. Хотя даже такие малые габариты сооружения при должном подходе можно правильно организовать.
Возможно, вам также будет интересно прочитать про планировку бани 3х5.
2gazon.ru
Строительство бани 3 на 4 из бруса или блоков: проект, планировка и фото
Размеры бани 3х4 метра считаются середнячком. Это не совсем скромные размеры, на которых можно разместить все помещения. Внутри будут вполне комфортно себя чувствовать 4–5 человек. При этом пофантазировать и прибегнуть к таким изыскам, как обустройство просторной комнаты отдыха, не получится. Приходится чем-то жертвовать, чтобы создать уютное и комфортное помещение.

Планировка помещений бани 3х4
Начать нужно не с традиционного расположения комнаты отдыха, а с оборудования парной. Место под нее необходимо выделить столько, чтобы на полке мог свободно расположиться лежа человек среднего роста. То есть это примерно 2 метра. Вдоль стены необходимо расположить лежак, чтобы принимающие процедуры могли прилечь на лавку, не подгибая ног. В длину парное отделение рассчитывается по усмотрению хозяина. Обычно это 1,5–2 метра. На этом пространстве можно расположить двухъярусный лежак, и, при этом, должно остаться место, чтобы при входе стояли 1–2 человека.
Необходимо максимально внимательно отнестись к внутренней отделке и планировке. Условие расположения нескольких уровней лежаков считается оптимальным вариантом. Минимальная ширина каждого от 40 до 50 см. При этом верхняя полка всегда должна быть немного шире.
Учитывая характеристики внутреннего обустройства на парилку необходимо выделить от 1,8 до 2 метров. Остальные помещения либо делятся пополам, или же под моечное отделение выделяется немного больше места. Многие поступают наоборот и жертвуют площадью ради просторной комнаты отдыха.

Есть варианты планировки бани 3х4 и со вторым этажом. Но в таком варианте полноценные помещения не получится сделать. Максимум на что можно рассчитывать – установка пары стульев или, вовсе, организация места для хранения банных принадлежностей. Дополнительно увеличить площадь можно пристройкой летней веранды. При желании и возможностях помещение остекляют, проводят отопление и пользуются им круглый год. Учитывая это, крыша бани с верандой, в бане размерами 3х4 не такой уж и востребованный вариант.
Возможные проекты
На самом деле, даже на небольших квадратах можно спроектировать различные варианты расположения помещений. Чтобы «выжать» максимум из площади, вход в моечное отделение делают сразу с улицы, без тамбурного помещения. Но, в таких вариантах необходимо подумать об изготовлении надежной дверной коробки и ее дополнительном утеплении. Нужно добавить, что баня с такой планировкой используется строго по назначению. Посидеть и отдохнуть будет негде.
Компенсируется недостаток большим помещением парной и моечного отделения. Здесь позволяется регулировать размеры. Печь размещается в парной. Неплохо, если растапливаться она будет из моечного отделения. В относительно небольших пространствах необходимо сделать качественную вентиляцию. В парной это будет два вытяжных отверстия, а в моечном отделении окно. Дополнительный приток воздуха будет осуществляться за счет естественной вентиляции.

Еще один вариант рассчитан на ценителей банного искусства. От общей площади половина отдается под комнату отдыха, где на входе располагается небольшой тамбур как вспомогательное помещение. Моечная заменяется душевой кабиной. Но это не запрещает расположить на небольшом пространстве пару тумб или лавочек для установки тазов.
Парная занимает небольшое пространство 2–2,5 м/2. Этого вполне достаточно для принятия процедур. При этом три человека будут себя чувствовать на этой площади вполне комфортно. В такой планировке можно немного скорректировать пространство в сторону увеличения площади парилки. Делается это в процессе составления проекта, потому что кардинально менять все, начав возведение бани, нельзя.
Из чего будем строить?
В такой планировке баню можно сделать из кирпича или производных от него материалов. Отлично проявили себя блоки из полистирола или керамзита. У них высокая степень прочности, низкая теплопроводность и достаточный ресурс, позволяющий выстаивать строениям в течение длительного времени. Большие размеры упрощают процесс строительства. Бани из блоков можно возвести под крышу практически за неделю.
Нюансы возведения
Блоки имеют небольшой вес, поэтому от закладки сложной ленточной основы можно отказаться. Достаточно будет свайно-винтовых опор. При условии, что на месте строительства в грунте проходят подземные воды, прочные и защищенные от коррозии сваи будут как нельзя кстати.
При правильном обустройстве столбчатой основы, закладке ее на необходимую глубину и гидроизоляцию соответствующими материалами, такой фундамент тоже будет надежным для бани 3х4 метра построенной из блоков.
Рассматривая выбор фундамента для бани, в расчет необходимо взять тип печи. На таких габаритах возможна кладка каменки, потому основу под нее тоже необходимо продумать заранее. При этом, вне зависимости от варианта обустройства, фундамент для печи лучше сделать как единую площадку, залив ее сплошной плитой.
Возведение стен
Кладка блоков идентична работе с кирпичом. Начинается процесс с выведения углов. Затем по натянутой веревке, производится кладка всей стены. При необходимости через 4–5 рядов, стены связываются армированием. В местах установки дверей и оконных рам, оставляется пространство. Верхняя перемычка выполняется из металлического швеллера или железобетонного блока.

Подняв стены под кровлю, устанавливаются крепления под мауэрлат. На этом этапе нужно остановиться и, закрыв контур коробки, оставить ее в покое на пару месяцев для усадки. В отличие от кирпича, для этого потребуется меньше времени. По истечении срока, можно переходить к решению остальных задач.
Сборка кровельной конструкции
Никаких архитектурных изысков здесь нет. Оригинально можно оформить и односкатную крышу, важно добиться главного – снижения утечки тепла через крышу. Утепление и гидроизоляция чердачного пространства проводится согласно всем правилам. Покрыть крышу можно любым материалом. Даже при конструировании двускатной кровли общая площадь не будет оказывать особой нагрузки на стены бани.
Проводка коммуникаций
Еще на этапе планировки помещений необходимо продумать подводку всех коммуникационных линий. Канализация и водоотвод прокладываются в подпольном пространстве. Все линии необходимо дополнительно изолировать. Если фундамент используется свайный или столбчатый, то придется продумать еще и обустройство цоколя, затем закрыть его и дополнительно утеплить. Это позволит не только защитить коммуникации от холода, но и снизить вероятность промерзания полов в бане.
Утепление стен
Хотя блоки, в производстве которых используются материалы, относящиеся к классу теплосберегающих (полистирол или керамзит), отлично справляются с задачей, дополнительное утепление стен бани, все же, необходимо. Обычно делается это снаружи. Строение обшивается сайдингом, а в обрешетку предварительно собранную для этих целей, укладывают теплоизоляционный материал.
Изнутри стены только обшивают вагонкой, предварительно закрыв их паро- и гидроизоляцией. Пленки, используемые для этих целей, защитят материал от циркуляции паров, влага от которых разрушающе действует на любой материал. Укладка теплоизолятора потребуется только в парилке, где просто необходимо поддержание высокой температуры.
Баня размерами 3 на 4 метра снаружи может показаться не слишком просторной. Иллюзию можно опровергнуть, заглянув внутрь. Сегодня такие габариты пользуются высоким спросом и считаются самыми востребованными для семей со средним достатком.
proekt-banya.ru

