Π§Π΅ΡΡΠ΅ΠΆ ΡΠ»Π΅ΠΊΡΡΠΈΠΊΠΈ Π² ΠΊΠ²Π°ΡΡΠΈΡΠ΅ β ΡΠΈΠΏΠΎΠ²ΡΠ΅ ΡΡ Π΅ΠΌΡ ΠΈ ΠΏΡΠΎΠ³ΡΠ°ΠΌΠΌΡ Π΄Π»Ρ ΡΠ°ΡΡΠ΅ΡΠΎΠ²
ΠΠ°ΠΊ Π½Π°ΡΠΈΡΠΎΠ²Π°ΡΡ ΠΏΠ»Π°Π½ ΡΠ»Π΅ΠΊΡΡΠΈΠΊΠΈ Π² ΠΊΠ²Π°ΡΡΠΈΡΠ΅
Π‘ΠΎΡΡΠ°Π²Π»Π΅Π½ΠΈΠ΅ ΠΏΠ»Π°Π½Π° ΡΠ»Π΅ΠΊΡΡΠΎΠΏΡΠΎΠ²ΠΎΠ΄ΠΊΠΈ Π² ΠΊΠ²Π°ΡΡΠΈΡΠ΅ β ΡΡΠΎ ΡΠΎ, Ρ ΡΠ΅Π³ΠΎ ΡΠ»Π΅Π΄ΡΠ΅Ρ Π½Π°ΡΠ°ΡΡ ΠΏΡΠΈ ΠΏΠΎΠ΄Π³ΠΎΡΠΎΠ²ΠΊΠ΅ ΠΊ Π±ΡΠ΄ΡΡΠ΅ΠΌΡ ΡΠ΅ΠΌΠΎΠ½ΡΡ. ΠΡΠ΅ ΡΠ»Π΅ΠΊΡΡΠΎΡΠ΅Ρ Π½ΠΈΡΠ΅ΡΠΊΠΈΠ΅ ΡΠ°Π±ΠΎΡΡ ΡΠ΅Π³Π»Π°ΠΌΠ΅Π½ΡΠΈΡΡΡΡΡΡ ΠΠΠ‘Π’ Π Β 50571.5.52-2011 (Β«ΠΡΠ±ΠΎΡ ΠΈ ΠΌΠΎΠ½ΡΠ°ΠΆ ΡΠ»Π΅ΠΊΡΡΠΎΠΎΠ±ΠΎΡΡΠ΄ΠΎΠ²Π°Π½ΠΈΡ. ΠΠ»Π΅ΠΊΡΡΠΎΠΏΡΠΎΠ²ΠΎΠ΄ΠΊΠΈΒ»), Π‘Π 31-110-2003 (Β«ΠΡΠΎΠ΅ΠΊΡΠΈΡΠΎΠ²Π°Π½ΠΈΠ΅ ΠΈ ΠΌΠΎΠ½ΡΠ°ΠΆ ΡΠ»Π΅ΠΊΡΡΠΎΡΡΡΠ°Π½ΠΎΠ²ΠΎΠΊ ΠΆΠΈΠ»ΡΡ ΠΈ ΠΎΠ±ΡΠ΅ΡΡΠ²Π΅Π½Π½ΡΡ Π·Π΄Π°Π½ΠΈΠΉΒ»), ΠΠ£Π-7 (Β«ΠΡΠ°Π²ΠΈΠ»Π° ΡΡΡΡΠΎΠΉΡΡΠ²Π° ΡΠ»Π΅ΠΊΡΡΠΎΡΡΡΠ°Π½ΠΎΠ²ΠΎΠΊΒ»). ΠΠ»Ρ ΡΠ΅Ρ , ΠΊΡΠΎ ΠΏΡΠΈΠ²ΡΠΊ Π²ΡΠ΅ Π΄Π΅Π»Π°ΡΡ ΡΠ²ΠΎΠΈΠΌΠΈ ΡΡΠΊΠ°ΠΌΠΈ, ΠΏΡΠΈΠ΄Π΅ΡΡΡ ΠΈΠ·ΡΡΠΈΡΡ ΡΡΠ΅Π±ΠΎΠ²Π°Π½ΠΈΡ, ΠΎΡΠ½ΠΎΡΡΡΠΈΠ΅ΡΡ ΠΊ ΠΏΡΠΎΠ΅ΠΊΡΠΈΡΠΎΠ²Π°Π½ΠΈΡ.
ΠΠ»Π°Π½ ΡΠ»Π΅ΠΊΡΡΠΈΠΊΠΈ β ΡΡΠΎ Π΄ΠΎΠΊΡΠΌΠ΅Π½Ρ, Π½Π° ΠΎΡΠ½ΠΎΠ²Π°Π½ΠΈΠΈ ΠΊΠΎΡΠΎΡΠΎΠ³ΠΎ Π΄Π΅Π»Π°ΡΡΡΡ ΡΠ°ΡΡΠ΅ΡΡ ΠΏΠΎ ΡΠΎΠΊΠΎΠ²ΡΠΌ Π½Π°Π³ΡΡΠ·ΠΊΠ°ΠΌ ΠΈ Π²ΡΠ±ΠΈΡΠ°ΡΡΡΡ ΠΌΠ°ΡΠ΅ΡΠΈΠ°Π»Ρ ΠΈ ΠΎΠ±ΠΎΡΡΠ΄ΠΎΠ²Π°Π½ΠΈΠ΅: ΠΏΡΠΎΠ²ΠΎΠ΄, Π°Π²ΡΠΎΠΌΠ°ΡΠΈΡΠ΅ΡΠΊΠΈΠ΅ Π²ΡΠΊΠ»ΡΡΠ°ΡΠ΅Π»ΠΈ, ΡΠΎΠ·Π΅ΡΠΊΠΈ, Π²ΡΠΊΠ»ΡΡΠ°ΡΠ΅Π»ΠΈ, ΡΠ°ΡΠΏΡΠ΅Π΄Π΅Π»ΠΈΡΠ΅Π»ΡΠ½ΡΠ΅ ΠΊΠΎΡΠΎΠ±ΠΊΠΈ ΠΈ Ρ.Π΄.

Π‘ΠΎΡΡΠ°Π²Π»ΡΠ΅ΠΌ ΠΏΠ»Π°Π½ ΡΠ»Π΅ΠΊΡΡΠΈΠΊΠΈ: ΠΎΠ±ΠΎΠ·Π½Π°ΡΠ΅Π½ΠΈΠ΅ ΡΠ»Π΅ΠΊΡΡΠΈΠΊΠΈ Π½Π° ΡΠ΅ΡΡΠ΅ΠΆΠ°Ρ
ΠΠ΅ΡΠ²ΠΎΠ΅, ΡΡΠΎ ΠΏΡΠΈΠ΄Π΅ΡΡΡ ΠΎΡΠ²ΠΎΠΈΡΡ, ΡΡΠΎ ΡΡΠ»ΠΎΠ²Π½ΡΠ΅ ΠΎΠ±ΠΎΠ·Π½Π°ΡΠ΅Π½ΠΈΡ:
ΠΡΠ΅ Π΄ΠΎ Π½Π°ΡΠ°Π»Π° ΡΠ°Π±ΠΎΡ Π½Π΅ΠΎΠ±Ρ ΠΎΠ΄ΠΈΠΌΠΎ ΡΠ΅ΡΠΊΠΎ ΠΏΡΠ΅Π΄ΡΡΠ°Π²Π»ΡΡΡ, Π³Π΄Π΅ Π±ΡΠ΄ΡΡ ΡΠ°ΡΠΏΠΎΠ»Π°Π³Π°ΡΡΡΡ Π²ΡΠΊΠ»ΡΡΠ°ΡΠ΅Π»Ρ, ΡΠΎΠ·Π΅ΡΠΊΠΈ ΠΈ ΡΠ²Π΅ΡΠΈΠ»ΡΠ½ΠΈΠΊΠΈ. ΠΡ ΡΡΠΎΠ³ΠΎ Π±ΡΠ΄Π΅Ρ Π·Π°Π²ΠΈΡΠ΅ΡΡ, Π½Π°ΡΠΊΠΎΠ»ΡΠΊΠΎ ΡΡΠ½ΠΊΡΠΈΠΎΠ½Π°Π»ΡΠ½ΠΎΠΉ Π±ΡΠ΄Π΅Ρ ΡΠ»Π΅ΠΊΡΡΠΈΠΊΠ°. ΠΡΠ»ΠΈ Π½Π΅ ΠΏΡΠΎΠ΄ΡΠΌΠ°ΡΡ Ρ ΠΎΡΠΎΡΠΎ ΡΡΠΎ Π²ΠΎΠΏΡΠΎΡ, ΡΠΎ ΠΌΠΎΠΆΠ΅Ρ ΠΎΠΊΠ°Π·Π°ΡΡΡΡ, ΡΡΠΎ ΡΠ°ΡΡΡ ΡΠΎΠ·Π΅ΡΠΎΠΊ ΠΈΠ»ΠΈ Π²ΡΠΊΠ»ΡΡΠ°ΡΠ΅Π»Π΅ΠΉ ΠΎΠΊΠ°ΠΆΡΡΡΡ Π·Π°Π³ΡΠΎΠΌΠΎΠΆΠ΄Π΅Π½Π½ΡΠΌΠΈ ΠΌΠ΅Π±Π΅Π»ΡΡ ΠΈ ΠΏΡΠΈΠ΄Π΅ΡΡΡ ΡΠ°ΡΠΊΠΈΠ΄ΡΠ²Π°ΡΡ ΡΠ΄Π»ΠΈΠ½ΠΈΡΠ΅Π»ΠΈ ΠΏΠΎ Π²ΡΠ΅ΠΉ ΠΊΠ²Π°ΡΡΠΈΡΠ΅. ΠΡΠΎΠΌΠ΅ ΡΠΎΠ³ΠΎ, Π½Π΅ΠΎΠ±Ρ ΠΎΠ΄ΠΈΠΌΠΎ ΠΏΡΠΎΠ΄ΡΠΌΠ°ΡΡ, ΠΊΠ°ΠΊΡΡ ΡΠ΅Ρ Π½ΠΈΠΊΡ Π²Ρ ΠΏΠ»Π°Π½ΠΈΡΡΠ΅ΡΠ΅ ΠΏΡΠΈΠΎΠ±ΡΠ΅ΡΡΠΈ, ΡΡΠΎΠ±Ρ ΠΏΡΠ΅Π΄ΡΡΠΌΠΎΡΡΠ΅ΡΡ Π΄ΠΎΡΡΠ°ΡΠΎΡΠ½ΠΎΠ΅ ΠΊΠΎΠ»ΠΈΡΠ΅ΡΡΠ²ΠΎ ΡΠΎΠ·Π΅ΡΠΎΠΊ. ΠΠ±ΡΡΠΆΠ΄Π΅Π½ΠΈΠ΅ ΡΡΠΎΠ³ΠΎ Π²ΠΎΠΏΡΠΎΡΠ° Π² ΠΊΡΡΠ³Ρ Π΄ΠΎΠΌΠ°ΡΠ½ΠΈΡ Π½Π΅ Π±ΡΠ΄Π΅Ρ Π»ΠΈΡΠ½ΠΈΠΌ.
Π§ΠΈΡΠ°ΠΉΡΠ΅ ΡΠ°ΠΊΠΆΠ΅: ΠΠΎΠ΄ΠΊΠ»ΡΡΠ΅Π½ΠΈΠ΅ ΡΠΎΠ·Π΅ΡΠΊΠΈ ΠΊ Π°Π²ΡΠΎΠΌΠ°ΡΡ Π² ΡΠΈΡΠΊΠ΅
ΠΠ° ΡΠ»Π΅Π΄ΡΡΡΠ΅ΠΌ ΡΡΠ°ΠΏΠ΅ ΠΏΡΠΈΡΡΡΠΏΠ°Π΅ΠΌ ΠΊ ΠΈΠ·Π»ΠΎΠΆΠ΅Π½ΠΈΡ ΡΠ²ΠΎΠΈΡ ΠΏΠ»Π°Π½ΠΎΠ² Π½Π° Π±ΡΠΌΠ°Π³Π΅. ΠΠ»Ρ ΡΡΠΎΠ³ΠΎ Π½Π΅ΠΎΠ±Ρ ΠΎΠ΄ΠΈΠΌΠΎ Π½Π°ΡΠΈΡΠΎΠ²Π°ΡΡ ΠΏΠ»Π°Π½ ΠΊΠ²Π°ΡΡΠΈΡΡ Π² ΠΌΠ°ΡΡΡΠ°Π±Π΅ (Ρ ΠΎΠΊΠ½Π°ΠΌΠΈ ΠΈ Π΄Π²Π΅ΡΠ½ΡΠΌΠΈ ΠΏΡΠΎΠ΅ΠΌΠ°ΠΌΠΈ) Π² Π΄Π²ΡΡ ΡΠΊΠ·Π΅ΠΌΠΏΠ»ΡΡΠ°Ρ . ΠΠΎΠΆΠ½ΠΎ Π²ΠΎΡΠΏΠΎΠ»ΡΠ·ΠΎΠ²Π°ΡΡΡΡ ΡΠ΅Ρ Π½ΠΈΡΠ΅ΡΠΊΠΈΠΌ ΠΏΠ°ΡΠΏΠΎΡΡΠΎΠΌ ΠΈΠ»ΠΈ ΠΏΡΠΎΠΈΠ·Π²Π΅ΡΡΠΈ Π·Π°ΠΌΠ΅ΡΡ ΠΏΠΎ ΠΌΠ΅ΡΡΡ.
Π’Π΅Ρ Π½ΠΈΡΠ΅ΡΠΊΠΈΠΉ ΠΏΠ°ΡΠΏΠΎΡΡ ΠΊΠ²Π°ΡΡΠΈΡΡ β ΡΡΠΎ Π΄ΠΎΠΊΡΠΌΠ΅Π½Ρ, ΠΊΠΎΡΠΎΡΡΠΉ ΠΌΠΎΠΆΠ½ΠΎ Π·Π°ΠΊΠ°Π·Π°ΡΡ Π² ΠΡΡΠΎ ΡΠ΅Ρ Π½ΠΈΡΠ΅ΡΠΊΠΎΠΉ ΠΈΠ½Π²Π΅Π½ΡΠ°ΡΠΈΠ·Π°ΡΠΈΠΈ. Π Π½Π΅ΠΌ ΠΏΡΠΈΡΡΡΡΡΠ²ΡΠ΅Ρ ΠΏΠ»Π°Π½ ΠΊΠ²Π°ΡΡΠΈΡΡ Ρ Π½Π°Π½Π΅ΡΠ΅Π½Π½ΡΠΌΠΈ ΡΠ°Π·ΠΌΠ΅ΡΠ°ΠΌΠΈ.
ΠΠ°Π»Π΅Π΅ Π½Π°Π½ΠΎΡΠΈΠΌ Π½Π° ΠΏΠ»Π°Π½ β1 ΠΌΠ΅Π±Π΅Π»Ρ ΠΈ ΡΠ΅Ρ Π½ΠΈΠΊΡ, Π·Π°ΠΊΡΠ°ΡΠΈΠ²Π°Ρ ΡΠΏΠ»ΠΎΡΠ½ΡΠΌ ΡΠ΅ ΠΏΡΠ΅Π΄ΠΌΠ΅ΡΡ, ΠΊΠΎΡΠΎΡΡΠ΅ ΡΡΠ΅Π±ΡΡΡ ΠΏΠΎΠ΄ΠΊΠ»ΡΡΠ΅Π½ΠΈΡ ΠΊ ΡΠ»Π΅ΠΊΡΡΠΈΡΠ΅ΡΡΠ²Ρ.
ΠΠ°Π»Π΅Π΅ ΠΏΡΠΈΡΡΡΠΏΠ°Π΅ΠΌ ΠΊ Π½Π°Π½Π΅ΡΠ΅Π½ΠΈΡ Π½Π° ΡΡ
Π΅ΠΌΡ β2 ΠΎΠ±ΡΠ΅ΠΊΡΠΎΠ² ΡΠ»Π΅ΠΊΡΡΠΎΠΏΡΠΎΠ²ΠΎΠ΄ΠΊΠΈ: ΡΠΎΠ·Π΅ΡΠΎΠΊ, Π²ΡΠΊΠ»ΡΡΠ°ΡΠ΅Π»Π΅ΠΉ, ΡΠ²Π΅ΡΠΈΠ»ΡΠ½ΠΈΠΊΠΎΠ², ΡΠ°ΡΠΏΡΠ΅Π΄Π΅Π»ΠΈΡΠ΅Π»ΡΠ½ΠΎΠ³ΠΎ ΡΠΈΡΠ°, ΡΠΎΠΏΠΎΡΡΠ°Π²Π»ΡΡ ΠΈΡ
ΡΠΎ ΡΡ
Π΅ΠΌΠΎΠΉ β2. ΠΡΠ½ΠΎΠ²Π½Π°Ρ Π·Π°Π΄Π°ΡΠ°, ΠΊΠΎΡΠΎΡΠ°Ρ ΡΡΠΎΠΈΡ Π½Π° ΡΡΠΎΠΌ ΡΡΠ°ΠΏΠ΅, β ΠΎΠΏΡΠ΅Π΄Π΅Π»Π΅Π½ΠΈΠ΅ ΠΌΠ΅ΡΡΠ° ΡΡΡΠ°Π½ΠΎΠ²ΠΊΠΈ Π²ΡΠ΅Ρ
ΡΠ»Π΅ΠΌΠ΅Π½ΡΠΎΠ².
ΠΠ»Ρ ΡΠΎΠ³ΠΎ ΡΡΠΎΠ±Ρ ΡΠΏΡΠΎΡΡΠΈΡΡ Π·Π°Π΄Π°ΡΡ, Π²ΡΠ΅ ΡΠΎΡΠΊΠΈ ΠΏΠΎΠ΄ΠΊΠ»ΡΡΠ΅Π½ΠΈΡ ΡΠ°Π·Π±ΠΈΠ²Π°ΡΡΡΡ Π½Π° ΠΎΡΠ΄Π΅Π»ΡΠ½ΡΠ΅ Π³ΡΡΠΏΠΏΡ:
- ΠΡΠ²Π΅ΡΠ΅Π½ΠΈΠ΅ ΠΊΡΡ Π½ΠΈ ΠΈ ΠΊΠΎΡΠΈΠ΄ΠΎΡΠ°
- ΠΡΠ²Π΅ΡΠ΅Π½ΠΈΠ΅ Π²Π°Π½Π½ΠΎΠΉ ΠΈ ΡΡΠ°Π»Π΅ΡΠ°
- ΠΡΠ²Π΅ΡΠ΅Π½ΠΈΠ΅ ΠΆΠΈΠ»ΡΡ ΠΊΠΎΠΌΠ½Π°Ρ
- Π ΠΎΠ·Π΅ΡΠΊΠΈ ΠΊΡΡ Π½ΠΈ
- Π ΠΎΠ·Π΅ΡΠΊΠΈ ΠΊΠΎΡΠΈΠ΄ΠΎΡΠ° ΠΈ ΠΆΠΈΠ»ΡΡ ΠΊΠΎΠΌΠ½Π°Ρ
- ΠΠΎΠ΄ΠΊΠ»ΡΡΠ΅Π½ΠΈΠ΅ ΡΠ»Π΅ΠΊΡΡΠΎΠΏΠ»ΠΈΡΡ
- ΠΠΎΠ΄ΠΊΠ»ΡΡΠ΅Π½ΠΈΠ΅ ΠΊΠΎΠ½Π΄ΠΈΡΠΈΠΎΠ½Π΅ΡΠ°
ΠΡΠΈ ΡΠ°Π·Π±ΠΈΡΠΈΠΈ ΡΠΎΡΠ΅ΠΊ ΠΏΠΎΠ΄ΠΊΠ»ΡΡΠ΅Π½ΠΈΡ Π½Π° Π³ΡΡΠΏΠΏΡ Π²Π°ΠΆΠ½ΠΎ ΡΡΡΠ½ΠΈΡΡ ΠΎΠ΄ΠΈΠ½ ΠΌΠΎΠΌΠ΅Π½Ρ: ΡΠ΅ΠΌ ΡΡΠ°ΡΠ΅Π»ΡΠ½Π΅Π΅ ΠΏΡΠΎΡΠ°Π±ΠΎΡΠ°ΡΡ ΡΡΠΎΡ Π²ΠΎΠΏΡΠΎΡ, ΡΠ΅ΠΌ ΠΌΠ΅Π½ΡΡΠ΅ Π±ΡΠ΄ΡΡ Π·Π°ΡΡΠ°ΡΡ Π½Π° ΠΌΠ°ΡΠ΅ΡΠΈΠ°Π»Ρ.
ΠΠ»Ρ ΡΠ½ΠΈΠΆΠ΅Π½ΠΈΡ Π·Π°ΡΡΠ°Ρ Π½Π° ΠΌΠΎΠ½ΡΠ°ΠΆ ΡΠ»Π΅ΠΊΡΡΠΈΠΊΠΈ, ΠΏΡΠΎΠ²ΠΎΠ΄Π° ΠΌΠΎΠΆΠ½ΠΎ ΠΏΡΠΎΠ»ΠΎΠΆΠΈΡΡ Π² ΠΏΠΎΠ»Π°Ρ , ΠΏΠΎΠ΄Π²Π΅ΡΠ½ΡΡ ΠΏΠΎΡΠΎΠ»ΠΊΠ°Ρ ΠΈ Π³ΠΈΠΏΡΠΎΠΊΠ°ΡΡΠΎΠ½Π½ΡΡ ΡΡΠ΅Π½Π°Ρ . ΠΠ° ΡΡ Π΅ΠΌΠ΅ ΡΠ°ΠΊΠΎΠ΅ ΠΏΠΎΠ΄ΠΊΠ»ΡΡΠ΅Π½ΠΈΠ΅ ΠΎΠ±ΡΡΠ½ΠΎ ΠΎΡΠΌΠ΅ΡΠ°ΡΡ ΠΏΡΠ½ΠΊΡΠΈΡΠ½ΠΎΠΉ Π»ΠΈΠ½ΠΈΠ΅ΠΉ.
ΠΡΠΈ ΡΠ°Π·ΠΌΠ΅ΡΠ΅Π½ΠΈΠΈ Π²ΡΠΊΠ»ΡΡΠ°ΡΠ΅Π»Π΅ΠΉ Π²Π°ΠΆΠ½ΠΎ ΠΎΡΠΈΠ΅Π½ΡΠΈΡΠΎΠ²Π°ΡΡΡΡ Π½Π° ΡΠ°ΡΠΏΠΎΠ»ΠΎΠΆΠ΅Π½ΠΈΠ΅ ΠΏΠ΅ΡΠ»Π΅ΠΉ Π½Π° Π΄Π²Π΅ΡΡΡ . ΠΡΠΊΠ»ΡΡΠ°ΡΠ΅Π»Ρ ΡΠ»Π΅Π΄ΡΠ΅Ρ ΡΠ°ΡΠΏΠΎΠ»Π°Π³Π°ΡΡ Ρ ΠΏΡΠΎΡΠΈΠ²ΠΎΠΏΠΎΠ»ΠΎΠΆΠ½ΠΎΠΉ ΠΎΡ ΠΌΠ΅ΡΡΠ° ΠΊΡΠ΅ΠΏΠ»Π΅Π½ΠΈΡ ΠΏΠ΅ΡΠ»Π΅ΠΉ Π΄Π²Π΅ΡΠΈ ΡΡΠΎΡΠΎΠ½Ρ, ΡΡΠΎΠ±Ρ, Π·Π°Ρ ΠΎΠ΄Ρ ΠΈΠ»ΠΈ Π²ΡΡ ΠΎΠ΄Ρ ΠΈΠ· ΠΊΠΎΠΌΠ½Π°ΡΡ, Π±ΡΠ»ΠΎ ΡΠ΄ΠΎΠ±Π½ΠΎ ΠΈΠΌ ΠΏΠΎΠ»ΡΠ·ΠΎΠ²Π°ΡΡΡΡ. Π‘ΠΎΠΎΡΠ²Π΅ΡΡΡΠ²Π΅Π½Π½ΠΎ ΡΠ°ΠΌΠΈ Π²ΡΠΊΠ»ΡΡΠ°ΡΠ΅Π»ΠΈ ΡΡΡΠ°Π½Π°Π²Π»ΠΈΠ²Π°ΡΡΡΡ Π²Π½ΡΡΡΠΈ ΠΏΠΎΠΌΠ΅ΡΠ΅Π½ΠΈΠΉ. ΠΡΠΊΠ»ΡΡΠ΅Π½ΠΈΠ΅ ΡΠΎΡΡΠ°Π²Π»ΡΡΡ ΠΏΠΎΠΌΠ΅ΡΠ΅Π½ΠΈΡ Ρ Π²ΡΡΠΎΠΊΠΎΠΉ Π²Π»Π°ΠΆΠ½ΠΎΡΡΡΡ (Π²Π°Π½Π½Π°Ρ ΠΈ ΡΡΠ°Π»Π΅Ρ), Π½Π° ΠΊΠΎΡΠΎΡΡΠ΅ ΠΈΡ ΡΡΡΠ°Π½Π°Π²Π»ΠΈΠ²Π°ΡΡ ΡΠ½Π°ΡΡΠΆΠΈ.
Π₯ΠΎΡΡ ΡΠ΅ΡΠΊΠΈΡ ΡΡΠ΅Π±ΠΎΠ²Π°Π½ΠΈΠΉ Π½Π° ΠΊΠ°ΠΊΠΎΠΌ ΡΠ°ΡΡΡΠΎΡΠ½ΠΈΠΈ ΠΎΡ ΠΏΠΎΡΠΎΠ»ΠΊΠ° ΠΈ ΠΏΠΎΠ»ΠΎΠ² ΠΏΡΠΎΠΊΠ»Π°Π΄ΡΠ²Π°Π΅ΡΡΡ ΠΊΠ°Π±Π΅Π»Ρ ΠΈ ΡΡΡΠ°Π½Π°Π²Π»ΠΈΠ²Π°ΡΡΡΡ Π²ΡΠΊΠ»ΡΡΠ°ΡΠ΅Π»ΠΈ ΠΈ ΡΠΎΠ·Π΅ΡΠΊΠΈ Π½Π΅ ΡΡΡΠ΅ΡΡΠ²ΡΠ΅Ρ, Π½Π° ΠΎΡΠ½ΠΎΠ²Π°Π½ΠΈΠΈ ΠΎΠΏΡΡΠ° ΠΏΡΠΎΠ²Π΅Π΄Π΅Π½ΠΈΡ ΠΏΠΎΠ΄ΠΎΠ±Π½ΡΡ ΡΠ°Π±ΠΎΡ ΠΌΠΎΠΆΠ½ΠΎ Π΄Π°ΡΡ ΡΠ»Π΅Π΄ΡΡΡΠΈΠ΅ ΡΠ΅ΠΊΠΎΠΌΠ΅Π½Π΄Π°ΡΠΈΠΈ:
- ΠΡΠΎΠ²ΠΎΠ΄Π° ΠΏΠΎ ΠΏΠΎΡΠΎΠ»ΠΊΡ ΠΏΡΠΎΠΊΠ»Π°Π΄ΡΠ²Π°Π΅ΡΡΡ ΡΡΡΠΎΠ³ΠΎ ΠΏΠ΅ΡΠΏΠ΅Π½Π΄ΠΈΠΊΡΠ»ΡΡΠ½ΠΎ ΡΡΠ΅Π½Π°ΠΌ, ΠΏΠΎ ΡΡΠ΅Π½Π°ΠΌ β ΡΡΡΠΎΠ³ΠΎ Π²Π΅ΡΡΠΈΠΊΠ°Π»ΡΠ½ΠΎ (ΠΏΡΠΈ ΠΎΠΏΡΡΠΊΠ°Π½ΠΈΠΈ ΠΊ ΡΠΎΠ·Π΅ΡΠΊΠ°ΠΌ ΠΈ Π²ΡΠΊΠ»ΡΡΠ°ΡΠ΅Π»ΡΠΌ) ΠΈΠ»ΠΈ Π³ΠΎΡΠΈΠ·ΠΎΠ½ΡΠ°Π»ΡΠ½ΠΎ (ΠΏΡΠΈ ΠΏΡΠΎΠΊΠ»Π°Π΄ΠΊΠ΅ Π»ΠΈΠ½ΠΈΠΈ). ΠΠ»Π°Π³ΠΎΠ΄Π°ΡΡ ΡΡΠΎΠΌΡ ΡΠ½ΠΈΠΆΠ°Π΅ΡΡΡ ΡΠΈΡΠΊ ΡΠ»ΡΡΠ°ΠΉΠ½ΠΎΠ³ΠΎ ΠΏΠΎΠ²ΡΠ΅ΠΆΠ΄Π΅Π½ΠΈΡ ΠΏΡΠΎΠ²ΠΎΠ΄ΠΊΠΈ ΠΏΡΠΈ ΠΏΡΠΎΠ²Π΅Π΄Π΅Π½ΠΈΠΈ ΡΠ΅ΠΌΠΎΠ½ΡΠ°.
- ΠΡΠΎΠΊΠ»Π°Π΄ΠΊΠ° ΠΏΡΠΎΠ²ΠΎΠ΄Π° ΠΏΠΎ ΡΡΠ΅Π½Π΅ ΠΎΡΡΡΠ΅ΡΡΠ²Π»ΡΠ΅ΡΡΡ Π½Π° ΡΠ°ΡΡΡΠΎΡΠ½ΠΈΠΈ 200Β ΠΌΠΌ ΠΎΡ ΠΏΠΎΡΠΎΠ»ΠΊΠ°
- Π ΠΎΠ·Π΅ΡΠΊΠΈ ΡΠ°ΡΠΏΠΎΠ»Π°Π³Π°ΡΡ Π½Π° ΡΠ°ΡΡΡΠΎΡΠ½ΠΈΠΈ 300Β ΠΌΠΌ ΠΎΡ ΠΏΠΎΠ»Π°, 100Β ΠΌΠΌ ΠΎΡ ΠΏΠΎΠ²Π΅ΡΡ Π½ΠΎΡΡΠΈ ΠΊΡΡ ΠΎΠ½Π½ΠΎΠΉ ΡΡΠΎΠ»Π΅ΡΠ½ΠΈΡΡ (ΡΠ½ΠΈΠΆΠ°Π΅Ρ ΡΠΈΡΠΊ ΠΏΠΎΠΏΠ°Π΄Π°Π½ΠΈΠ΅ Π²ΠΎΠ΄Ρ).
- ΠΡΠΊΠ»ΡΡΠ°ΡΠ΅Π»ΠΈ ΡΠ°ΡΠΏΠΎΠ»Π°Π³Π°ΡΡ Π½Π° ΡΡΠΎΠ²Π½Π΅ Π΄Π²Π΅ΡΠ½ΠΎΠΉ ΡΡΡΠΊΠΈ.
Π Π°ΡΡΠ΅Ρ ΠΌΠ°ΡΠ΅ΡΠΈΠ°Π»ΠΎΠ²
ΠΠ° ΠΎΡΠ½ΠΎΠ²Π°Π½ΠΈΠΈ ΡΡ Π΅ΠΌΡ Π»Π΅Π³ΠΊΠΎ ΠΏΠΎΠ΄ΡΡΠΈΡΠ°ΡΡ ΠΊΠΎΠ»ΠΈΡΠ΅ΡΡΠ²ΠΎ ΡΠΎΠ·Π΅ΡΠΎΠΊ, Π²ΡΠΊΠ»ΡΡΠ°ΡΠ΅Π»Π΅ΠΉ, Π°Π²ΡΠΎΠΌΠ°ΡΠΎΠ² (ΠΏΠΎ ΠΎΠ΄Π½ΠΎΠΌΡ Π½Π° ΠΊΠ°ΠΆΠ΄ΡΡ Π»ΠΈΠ½ΠΈΡ) ΠΈ ΠΏΡΠΎΠ²ΠΎΠ΄Π°. ΠΡΠΈΠΎΠ±ΡΠ΅ΡΠ°Ρ ΠΏΡΠΎΠ²ΠΎΠ΄, ΠΎΠ±ΡΠ·Π°ΡΠ΅Π»ΡΠ½ΠΎ ΠΊΡΠΏΠΈΡΠ΅ Π΅Π³ΠΎ Ρ Π·Π°ΠΏΠ°ΡΠΎΠΌ, ΡΡΠΎΠ±Ρ ΠΈΠ·Π±Π΅ΠΆΠ°ΡΡ Π½Π΅Π½ΡΠΆΠ½ΡΡ ΡΠΊΡΡΡΠΎΠΊ. ΠΠΎΠ΄ΡΡΠΈΡΡΠ²Π°Ρ Π΄Π»ΠΈΠ½Ρ ΠΊΠ°Π±Π΅Π»Ρ ΡΡΡΠΈΡΠ΅, ΡΡΠΎ ΠΏΡΠΈ Π·Π°Ρ ΠΎΠ΄Π΅ Π² ΠΊΠ°ΠΆΠ΄ΡΡ ΠΊΠΎΡΠΎΠ±ΠΊΡ Π½Π΅ΠΎΠ±Ρ ΠΎΠ΄ΠΈΠΌΠΎ ΠΎΡΡΠ°Π²Π»ΡΡΡ Π·Π°ΠΏΠ°Ρ ΠΎΠΊΠΎΠ»ΠΎ 10Β ΡΠΌ Π΄Π»Ρ ΠΏΠΎΠ΄ΠΊΠ»ΡΡΠ΅Π½ΠΈΡ, ΡΠΎ Π΅ΡΡΡ ΠΊ Π΄Π»ΠΈΠ½Π΅ ΠΊΠ°ΠΆΠ΄ΠΎΠ³ΠΎ ΠΎΡΡΠ΅Π·ΠΊΠ° Π½ΡΠΆΠ½ΠΎ ΠΏΡΠΈΠ±Π°Π²ΠΈΡΡ 20Β ΡΠΌ. Π‘Π΄Π΅Π»Π°ΡΡ ΡΡΠΎ ΠΌΠΎΠΆΠ½ΠΎ Π²ΡΡΡΠ½ΡΡ Π»ΠΈΠ±ΠΎ ΠΏΡΠΈ ΠΏΠΎΠΌΠΎΡΠΈ ΡΠΏΠ΅ΡΠΈΠ°Π»ΡΠ½ΡΡ ΠΏΡΠΎΠ³ΡΠ°ΠΌΠΌ ΠΈΠ»ΠΈ ΠΎΠ½Π»Π°ΠΉΠ½-ΡΠ΅ΡΠ²ΠΈΡΠΎΠ².
Π§ΠΈΡΠ°ΠΉΡΠ΅ ΡΠ°ΠΊΠΆΠ΅: ΠΠ°ΠΊ ΠΏΡΠ°Π²ΠΈΠ»ΡΠ½ΠΎ ΡΠΎΠ±ΡΠ°ΡΡ ΡΠ»Π΅ΠΊΡΡΠΈΡΠ΅ΡΠΊΠΈΠΉ ΡΠΈΡΠΎΠΊ Π² ΠΊΠ²Π°ΡΡΠΈΡΠ΅
ΠΡΠΎΠ΅ΠΊΡΠΈΡΠΎΠ²Π°Π½ΠΈΠ΅ ΡΠ»Π΅ΠΊΡΡΠΎΠΏΡΠΎΠ²ΠΎΠ΄ΠΊΠΈ ΠΎΠ½Π»Π°ΠΉΠ½: ΠΏΠΎΠΏΡΠ»ΡΡΠ½ΡΠ΅ ΡΠ΅ΡΠ²ΠΈΡΡ ΠΈ ΠΏΡΠΎΠ³ΡΠ°ΠΌΠΌΡ
Β«NanoCADΒ» β Π±ΠΎΠ»Π΅Π΅ Π΄ΠΎΡΡΡΠΏΠ½Π°Ρ Π°Π»ΡΡΠ΅ΡΠ½Π°ΡΠΈΠ²Π°, ΠΎΠ±Π»Π°Π΄Π°ΡΡΠ°Ρ ΠΌΠΎΡΠ½ΡΠΌ ΡΡΠ½ΠΊΡΠΈΠΎΠ½Π°Π»ΠΎΠΌ Π·Π° Π²Π΄Π²ΠΎΠ΅ ΠΌΠ΅Π½ΡΡΡΡ ΡΠ΅Π½Ρ. Π£ Β«AutoCADΒ» ΠΈ Β«NanoCADΒ» Π΅ΡΡΡ Π±Π΅ΡΠΏΠ»Π°ΡΠ½ΡΠ΅ Π²Π΅ΡΡΠΈΠΈ Ρ ΡΡΠ΅Π·Π°Π½Π½ΡΠΌ ΡΡΠ½ΠΊΡΠΈΠΎΠ½Π°Π»ΠΎΠΌ, Π½ΠΎ ΠΈΡ Π²ΠΎΠ·ΠΌΠΎΠΆΠ½ΠΎΡΡΠ΅ΠΉ Π²ΠΏΠΎΠ»Π½Π΅ Ρ Π²Π°ΡΠ°Π΅Ρ, ΡΡΠΎΠ±Ρ Π½Π°ΡΠ΅ΡΡΠΈΡΡ ΠΏΠ»Π°Π½ ΡΠ»Π΅ΠΊΡΡΠΈΠΊΠΈ Π² Π΄ΠΎΠΌΠ΅ ΠΈΠ»ΠΈ ΠΊΠ²Π°ΡΡΠΈΡΠ΅.
Β«EagleΒ» β Π΅ΡΠ΅ ΠΎΠ΄Π½Π° ΠΏΠΎΠΏΡΠ»ΡΡΠ½Π°Ρ ΠΏΡΠΎΠ³ΡΠ°ΠΌΠΌΠ° Π΄Π»Ρ ΡΠΈΡΠΎΠ²Π°Π½ΠΈΡ ΡΡ Π΅ΠΌ ΠΏΡΠΎΠ²ΠΎΠ΄ΠΊΠΈ. ΠΠ°ΠΊ ΠΈ Π΄Π²Π΅ ΠΏΡΠ΅Π΄ΡΠ΄ΡΡΠΈΠ΅ ΠΈΠΌΠ΅Π΅Ρ ΠΏΠ»Π°ΡΠ½ΡΡ ΠΈ Π±Π΅ΡΠΏΠ»Π°ΡΠ½ΡΡ Π²Π΅ΡΡΠΈΠΈ.
Β«ΠΠ»ΡΡΒ» β ΠΌΠΎΡΠ½ΡΠΉ ΠΏΡΠΎΠ³ΡΠ°ΠΌΠΌΠ½ΡΠΉ ΠΊΠΎΠΌΠΏΠ»Π΅ΠΊΡ, ΡΠΎΠ·Π΄Π°Π½Π½ΡΠΉ Π΄Π»Ρ ΠΈΠ½ΠΆΠ΅Π½Π΅ΡΠΎΠ²-ΡΠ»Π΅ΠΊΡΡΠΈΠΊΠΎΠ². ΠΠΌΠ΅Π΅Ρ ΠΏΡΠΎΡΡΠΎΠΉ ΠΈΠ½ΡΠ΅ΡΡΠ΅ΠΉΡ ΠΈ ΠΌΠ½ΠΎΠΆΠ΅ΡΡΠ²ΠΎ ΠΈΠ½ΡΠ΅ΡΠ΅ΡΠ½ΡΡ ΡΡΠ½ΠΊΡΠΈΠΉ: ΡΠΎΠ·Π΄Π°Π½ΠΈΠ΅ ΡΠ΅ΡΡΠ΅ΠΆΠ΅ΠΉ ΠΈ ΡΠΏΠ΅ΡΠΈΡΠΈΠΊΠ°ΡΠΈΠΉ, ΠΏΠΎΠ΄ΡΡΠ΅Ρ Π΄Π»ΠΈΠ½Ρ ΠΏΡΠΎΠ²ΠΎΠ΄Π°, Π½Π°Π±ΠΎΡ ΡΡΠ»ΠΎΠ²Π½ΡΡ ΠΎΠ±ΠΎΠ·Π½Π°ΡΠ΅Π½ΠΈΠΉ ΠΈΒ Ρ.Π΄.
ΠΠ°ΠΈΠ±ΠΎΠ»Π΅Π΅ ΠΏΠΎΠΏΡΠ»ΡΡΠ½ΡΠ΅ Π±Π΅ΡΠΏΠ»Π°ΡΠ½ΡΠ΅ ΠΏΡΠΎΠ³ΡΠ°ΠΌΠΌΡ Π΄Π»Ρ ΡΠ°ΡΡΠ΅ΡΠ° ΡΠ»Π΅ΠΊΡΡΠΎΠΏΡΠΎΠ²ΠΎΠ΄ΠΊΠΈ β Β«ΠΠ»Π΅ΠΊΡΡΠΈΠΊΒ», Β«QElectroTechΒ», Β«1-2-3Β» ΠΈΒ Π΄Ρ.
ΠΠΎΠΌΠΈΠΌΠΎ Π΄Π΅ΡΠΊΡΠΎΠΏΠ½ΡΡ ΠΏΡΠΈΠ»ΠΎΠΆΠ΅Π½ΠΈΠΉ ΠΌΠΎΠΆΠ½ΠΎ Π²ΠΎΡΠΏΠΎΠ»ΡΠ·ΠΎΠ²Π°ΡΡΡΡ ΠΎΠ½Π»Π°ΠΉΠ½-ΡΠ΅ΡΠ²ΠΈΡΠ°ΠΌΠΈ, ΠΊΠΎΡΠΎΡΡΠ΅ Π·Π° Π½Π΅Π±ΠΎΠ»ΡΡΡΡ ΠΏΠ»Π°ΡΡ ΠΏΠΎΠΌΠΎΠ³ΡΡ ΡΠΎΡΡΠ°Π²ΠΈΡΡ ΡΡ Π΅ΠΌΡ, ΡΠ°ΡΡΡΠΈΡΠ°ΡΡ ΡΠΎΠΊΠΎΠ²ΡΠ΅ Π½Π°Π³ΡΡΠ·ΠΊΠΈ ΠΈ ΡΠ΅ΡΠ΅Π½ΠΈΠ΅ ΠΏΡΠΎΠ²ΠΎΠ΄Π°, ΠΏΠΎΠ΄ΡΡΠΈΡΠ°ΡΡ Π΄Π»ΠΈΠ½Ρ ΠΏΡΠΎΠ²ΠΎΠ΄Π° ΠΈ Ρ.Π΄. ΠΠ΄Π½ΠΈΠΌ ΠΈΠ· ΡΠ°ΠΊΠΈΡ ΡΠ΅ΡΠ²ΠΈΡΠΎΠ², ΠΊΠΎΡΠΎΡΡΠΉ ΠΊ ΡΠΎΠΌΡ ΠΆΠ΅ ΠΎΠΊΠ°Π·ΡΠ²Π°Π΅Ρ ΠΏΠΎΠ΄Π΄Π΅ΡΠΆΠΊΡ ΠΏΠΎΠ»ΡΠ·ΠΎΠ²Π°ΡΠ΅Π»Π΅ΠΉ, ΡΠ²Π»ΡΠ΅ΡΡΡ Β«CAD5dΒ».
votetoremont.ru
Π‘Ρ Π΅ΠΌΡ ΠΎΠ±ΡΠ΅ΠΉ ΡΠ»Π΅ΠΊΡΡΠΎΠΏΡΠΎΠ²ΠΎΠ΄ΠΊΠΈ

Π‘Ρ Π΅ΠΌΠ° ΠΏΠ°ΡΠ°Π»Π»Π΅Π»ΡΠ½ΠΎΠ³ΠΎ ΡΠΎΠ΅Π΄ΠΈΠ½Π΅Π½ΠΈΡ ΡΠ΅ΠΏΠΈ Π½Π° ΠΏΡΠΈΠΌΠ΅ΡΠ΅ ΡΠ²Π΅ΡΠΈΠ»ΡΠ½ΠΈΠΊΠ° Ρ 5 Π»Π°ΠΌΠΏΠ°ΠΌΠΈ
Π§ΡΠΎΠ±Ρ ΡΠ°ΡΡΡΠΈΡΠ°ΡΡ ΠΊΠΎΠ»ΠΈΡΠ΅ΡΡΠ²ΠΎ ΠΏΡΠΎΠ²ΠΎΠ΄ΠΎΠ², Π²ΡΠ±ΡΠ°ΡΡ ΠΌΠ΅ΡΡΠ° Π΄Π»Ρ ΠΌΠΎΠ½ΡΠ°ΠΆΠ° ΡΠ»Π΅ΠΊΡΡΠΈΡΠ΅ΡΠΊΠΈΡ ΡΠΎΡΠ΅ΠΊ ΠΈ Π³ΡΠ°ΠΌΠΎΡΠ½ΠΎ ΡΠΎΠ΅Π΄ΠΈΠ½ΠΈΡΡ ΠΊΠ°Π±Π΅Π»Ρ, Π½Π΅ΠΎΠ±Ρ ΠΎΠ΄ΠΈΠΌΠΎ ΡΠΎΡΡΠ°Π²ΠΈΡΡ ΠΎΠ±ΡΡΡ ΡΡ Π΅ΠΌΡ ΡΠ»Π΅ΠΊΡΡΠΎΠΏΡΠΎΠ²ΠΎΠ΄ΠΊΠΈ. Π Π°ΡΡΠΌΠΎΡΡΠΈΠΌ ΡΠΏΠΎΡΠΎΠ±Ρ ΡΠΎΠ΅Π΄ΠΈΠ½Π΅Π½ΠΈΡ ΡΠ»Π΅ΠΊΡΡΠΈΡΠ΅ΡΠΊΠΎΠΉ ΡΠ΅ΠΏΠΈ.
Β
Β
ΠΠ°ΡΠ°Π»Π»Π΅Π»ΡΠ½ΠΎΠ΅ β ΠΏΡΠΈ ΡΠ°ΠΊΠΎΠΌ ΡΠΏΠΎΡΠΎΠ±Π΅ Π²Ρ ΠΎΠ΄ΡΡΠΈΠ΅ Π² ΡΠ΅ΠΏΡ ΡΠ»Π΅ΠΌΠ΅Π½ΡΡ ΠΎΠ±ΡΠ΅Π΄ΠΈΠ½Π΅Π½Ρ Π΄Π²ΡΠΌΡ ΡΠ·Π»Π°ΠΌΠΈ ΠΈ Π½Π΅ ΡΠΎΠ΅Π΄ΠΈΠ½Π΅Π½Ρ Π΄ΡΡΠ³ Ρ Π΄ΡΡΠ³ΠΎΠΌ. ΠΡΠΈ ΡΠ°ΠΊΠΎΠΌ ΡΠΎΠ΅Π΄ΠΈΠ½Π΅Π½ΠΈΠΈ ΡΠ»Π΅ΠΌΠ΅Π½ΡΠΎΠ², Π΄Π°ΠΆΠ΅ Π΅ΡΠ»ΠΈ ΠΎΠ΄Π½Π° ΠΈΠ· Π»Π°ΠΌΠΏ ΠΏΠ΅ΡΠ΅Π³ΠΎΡΠΈΡ ΠΈ ΡΠ°Π·ΠΎΡΠ²Π΅Ρ ΡΠ΅ΠΏΡ, ΠΎΡΡΠ°Π»ΡΠ½ΡΠ΅ Π½Π΅ ΠΏΠΎΠ³Π°ΡΠ½ΡΡ, ΠΏΠΎΡΠΊΠΎΠ»ΡΠΊΡ Ρ ΡΠΎΠΊΠ° ΠΎΡΡΠ°Π½ΡΡΡΡ Β«ΠΎΠ±Ρ ΠΎΠ΄Π½ΡΠ΅Β» ΠΏΡΡΠΈ.
ΠΠΎΡΠ»Π΅Π΄ΠΎΠ²Π°ΡΠ΅Π»ΡΠ½ΠΎΠ΅ β Π²ΡΠ΅ ΡΠ»Π΅ΠΌΠ΅Π½ΡΡ ΡΠ΅ΠΏΠΈ ΡΠ°ΡΠΏΠΎΠ»Π°Π³Π°ΡΡΡΡ Π΄ΡΡΠ³ Π·Π° Π΄ΡΡΠ³ΠΎΠΌ ΠΈ Π½Π΅ ΠΈΠΌΠ΅ΡΡ ΡΠ·Π»ΠΎΠ². ΠΡΠΈΠΌΠ΅Ρ ΠΏΠΎΡΠ»Π΅Π΄ΠΎΠ²Π°ΡΠ΅Π»ΡΠ½ΠΎΠ³ΠΎ ΡΠΎΠ΅Π΄ΠΈΠ½Π΅Π½ΠΈΡ β Π²ΡΠ΅ΠΌ ΠΈΠ·Π²Π΅ΡΡΠ½Π°Ρ Π΅Π»ΠΎΡΠ½Π°Ρ Π³ΠΈΡΠ»ΡΠ½Π΄Π°: Π±ΠΎΠ»ΡΡΠΎΠ΅ ΠΊΠΎΠ»ΠΈΡΠ΅ΡΡΠ²ΠΎ Π»Π°ΠΌΠΏΠΎΡΠ΅ΠΊ, ΡΠΎΠ΅Π΄ΠΈΠ½Π΅Π½Π½ΡΡ ΠΎΠ΄Π½ΠΈΠΌ ΠΏΡΠΎΠ²ΠΎΠ΄ΠΎΠΌ. ΠΡΠ»ΠΈ ΡΠ³ΠΎΡΠΈΡ ΠΎΠ΄Π½Π°, ΡΠ΅ΠΏΡ ΡΠ°Π·ΠΎΡΠ²Π΅ΡΡΡ ΠΈ ΠΏΠΎΠ³Π°ΡΠ½ΡΡ Π²ΡΠ΅.

ΠΠΎΡΠ»Π΅Π΄ΠΎΠ²Π°ΡΠ΅Π»ΡΠ½ΠΎΠ΅ ΡΠΎΠ΅Π΄ΠΈΠ½Π΅Π½ΠΈΠ΅
ΠΡΠ½ΠΎΠ²Π½ΡΡ ΡΠΈΠΏΠΎΠ² ΡΠ°Π·Π²ΠΎΠ΄ΠΊΠΈ ΡΠ»Π΅ΠΊΡΡΠΎΠΏΡΠΎΠ²ΠΎΠ΄ΠΊΠΈ ΡΡΠΈ. Π Π°ΡΡΠΌΠΎΡΡΠΈΠΌ ΠΈΡ ΠΏΠΎΠ΄ΡΠΎΠ±Π½ΠΎ, ΠΏΠΎΡΠΊΠΎΠ»ΡΠΊΡ ΠΎΡ Π²ΡΠ±ΡΠ°Π½Π½ΠΎΠ³ΠΎ ΡΠΈΠΏΠ° Π·Π°Π²ΠΈΡΠΈΡ Π²ΡΡ ΡΡ Π΅ΠΌΠ° ΡΠ΅Π»ΠΈΠΊΠΎΠΌ.
1. Π’ΠΈΠΏ Β«Π·Π²Π΅Π·Π΄Π°Β» ΠΈΠ½ΠΎΠ³Π΄Π° Π½Π°Π·ΡΠ²Π°ΡΡ Π±Π΅ΡΠΊΠΎΡΠΎΠ±ΠΎΡΠ½ΡΠΌ, ΠΈΠ»ΠΈ Π΅Π²ΡΠΎΠΏΠ΅ΠΉΡΠΊΠΈΠΌ, ΡΠΈΠΏΠΎΠΌ ΡΠ°Π·Π²ΠΎΠ΄ΠΊΠΈ. ΠΠΊΡΠ°ΡΡΠ΅ Π΄Π°Π½Π½ΡΠΉ ΡΠΈΠΏ ΠΌΠΎΠΆΠ½ΠΎ ΠΎΡΠΎΠ±ΡΠ°Π·ΠΈΡΡ ΡΠ°ΠΊ: ΠΎΠ΄Π½Π° ΡΠΎΠ·Π΅ΡΠΊΠ° β ΠΎΠ΄Π½Π° Π»ΠΈΠ½ΠΈΡ ΠΊΠ°Π±Π΅Π»Ρ Π΄ΠΎ ΡΠΈΡΠΊΠ°. ΠΡΠΎ ΠΎΠ·Π½Π°ΡΠ°Π΅Ρ, ΡΡΠΎ ΠΊΠ°ΠΆΠ΄Π°Ρ ΡΠΎΠ·Π΅ΡΠΊΠ° ΠΈ ΡΠΎΡΠΊΠ° ΠΎΡΠ²Π΅ΡΠ΅Π½ΠΈΡ ΠΈΠΌΠ΅ΡΡ ΠΎΡΠ΄Π΅Π»ΡΠ½ΡΡ ΠΊΠ°Π±Π΅Π»ΡΠ½ΡΡ Π»ΠΈΠ½ΠΈΡ, ΠΊΠΎΡΠΎΡΠ°Ρ Π·Π°Ρ ΠΎΠ΄ΠΈΡ ΠΏΡΡΠΌΠΎ Π² ΠΊΠ²Π°ΡΡΠΈΡΠ½ΡΠΉ ΡΠΈΡΠΎΠΊ ΠΈ Π² ΠΈΠ΄Π΅Π°Π»Π΅ ΠΈΠΌΠ΅Π΅Ρ Π°Π²ΡΠΎΠΌΠ°ΡΠΈΡΠ΅ΡΠΊΠΈΠΉ Π²ΡΠΊΠ»ΡΡΠ°ΡΠ΅Π»Ρ. Π ΡΠ΅ΠΌ ΠΏΡΠ΅ΠΈΠΌΡΡΠ΅ΡΡΠ²Π° ΠΈ Π½Π΅Π΄ΠΎΡΡΠ°ΡΠΊΠΈ ΡΠ°ΠΊΠΎΠ³ΠΎ ΡΠΈΠΏΠ° ΡΠ°Π·Π²ΠΎΠ΄ΠΊΠΈ? ΠΠ»ΡΡ β ΠΏΡΠ΅ΠΆΠ΄Π΅ Π²ΡΠ΅Π³ΠΎ Π² Π±Π΅Π·ΠΎΠΏΠ°ΡΠ½ΠΎΡΡΠΈ ΠΈ Π²ΠΎΠ·ΠΌΠΎΠΆΠ½ΠΎΡΡΠΈ ΠΊΠΎΠ½ΡΡΠΎΠ»Ρ Π½Π°Π΄ ΠΊΠ°ΠΆΠ΄ΠΎΠΉ ΡΠ»Π΅ΠΊΡΡΠΈΡΠ΅ΡΠΊΠΎΠΉ ΡΠΎΡΠΊΠΎΠΉ. Π ΡΠΎΠΌΡ ΠΆΠ΅ Π½Π΅ ΡΡΠ΅Π±ΡΠ΅ΡΡΡ ΡΡΡΠ°Π½Π°Π²Π»ΠΈΠ²Π°ΡΡ ΡΠ°ΡΠΏΡΠ΅Π΄Π΅Π»ΠΈΡΠ΅Π»ΡΠ½ΡΠ΅ ΠΊΠΎΡΠΎΠ±ΠΊΠΈ. Π Π°Π·Π²ΠΎΠ΄ΠΊΠ° ΠΈΠΌΠ΅Π½Π½ΠΎ ΡΠ°ΠΊΠΎΠ³ΠΎ ΡΠΈΠΏΠ° Π΄Π΅Π»Π°Π΅ΡΡΡ, ΠΊΠΎΠ³Π΄Π° ΡΡΡΠ°Π½Π°Π²Π»ΠΈΠ²Π°ΡΡ ΡΠΈΡΡΠ΅ΠΌΡ Β«ΡΠΌΠ½ΡΠΉ Π΄ΠΎΠΌΒ». ΠΠΈΠ½ΡΡ Β«Π·Π²Π΅Π·Π΄ΡΒ» β ΠΊΠ°ΠΊ ΠΌΠΈΠ½ΠΈΠΌΡΠΌ ΡΡΠΎΠ΅ΠΊΡΠ°ΡΠ½ΡΠΉ ΡΠ°ΡΡ ΠΎΠ΄ ΠΏΡΠΎΠ²ΠΎΠ΄ΠΊΠΈ ΠΈ, ΡΠΎΠΎΡΠ²Π΅ΡΡΡΠ²Π΅Π½Π½ΠΎ, ΡΡΡΠ΄ΠΎΠ²ΡΡ Π·Π°ΡΡΠ°Ρ ΠΏΠΎ Π΅Π΅ ΠΌΠΎΠ½ΡΠ°ΠΆΡ. ΠΡΠΎΠΌΠ΅ ΡΠΎΠ³ΠΎ, ΠΊΠ²Π°ΡΡΠΈΡΠ½ΡΠΉ ΡΠΈΡΠΎΠΊ ΡΡΠ°Π½ΠΎΠ²ΠΈΡΡΡ ΡΠ°Π·ΠΌΠ΅ΡΠΎΠΌ ΡΠΎ ΡΡΠ΅Π΄Π½ΠΈΠΉ ΡΠΊΠ°Ρ. ΠΠ½ ΠΌΠΎΠΆΠ΅Ρ Π½Π°ΡΡΠΈΡΡΠ²Π°ΡΡ 70β100 Π³ΡΡΠΏΠΏ Π°Π²ΡΠΎΠΌΠ°ΡΠΎΠ², ΠΎΡΠΎΠ±Π΅Π½Π½ΠΎ Π΅ΡΠ»ΠΈ Π½Π° ΠΎΠ±ΡΠ΅ΠΊΡΠ΅ Π΅ΡΡΡ Π΅ΡΠ΅ ΠΈ ΠΈΠ½ΡΠΎΡΠΌΠ°ΡΠΈΠΎΠ½Π½ΡΠ΅ ΡΠ΅ΡΠΈ. Π£ΡΡΠ°Π½ΠΎΠ²ΠΈΡΡ ΡΠ°ΠΌΠΎΡΡΠΎΡΡΠ΅Π»ΡΠ½ΠΎ ΡΠ°ΠΊΠΎΠΉ ΡΠΈΡΠΎΠΊ ΡΠ»ΠΎΠΆΠ½ΠΎ, ΠΈ ΠΎΠ½ Π΄ΠΎΡΠΎΠΆΠ΅ ΠΎΠ±ΡΡΠ½ΠΎΠ³ΠΎ.
2. Π’ΠΈΠΏ Β«ΡΠ»Π΅ΠΉΡΒ» Π½Π°ΠΏΠΎΠΌΠΈΠ½Π°Π΅Ρ Β«Π·Π²Π΅Π·Π΄ΡΒ», Π½ΠΎ ΠΎΡΠ»ΠΈΡΠ°Π΅ΡΡΡ ΠΎΡ Π½Π΅Π΅ ΡΠΊΠΎΠ½ΠΎΠΌΠΈΡΠ½ΠΎΡΡΡΡ. ΠΠ·ΠΎΠ±ΡΠ°Π·ΠΈΡΡ Π΅Π³ΠΎ ΠΌΠΎΠΆΠ½ΠΎ ΡΠ°ΠΊ: ΡΠΎΠ·Π΅ΡΠΊΠ° β ΡΠΎΠ·Π΅ΡΠΊΠ° β ΡΠΎΠ·Π΅ΡΠΊΠ° β ΠΊΠ²Π°ΡΡΠΈΡΠ½ΡΠΉ ΡΠΈΡΠΎΠΊ ΠΈΠ»ΠΈ ΡΠ°ΡΠΏΠ°ΡΡΠ½Π°Ρ ΠΊΠΎΡΠΎΠ±ΠΊΠ°. ΠΠ° ΠΎΠ΄ΠΈΠ½ ΠΊΠ°Π±Π΅Π»Ρ ΠΏΠΎΡΠ»Π΅Π΄ΠΎΠ²Π°ΡΠ΅Π»ΡΠ½ΠΎ ΠΏΠΎΠ΄ΠΊΠ»ΡΡΠ°ΡΡΡΡ Π½Π΅ΡΠΊΠΎΠ»ΡΠΊΠΎ ΡΠ»Π΅ΠΊΡΡΠΈΡΠ΅ΡΠΊΠΈΡ ΡΠΎΡΠ΅ΠΊ, ΠΎΡ ΠΊΠΎΡΠΎΡΡΡ ΠΎΠ±ΡΠΈΠΉ ΠΏΠΈΡΠ°ΡΡΠΈΠΉ ΠΏΡΠΎΠ²ΠΎΠ΄Π½ΠΈΠΊ ΠΈΠ΄Π΅Ρ Π»ΠΈΠ±ΠΎ ΠΊ ΠΊΠ²Π°ΡΡΠΈΡΠ½ΠΎΠΌΡ ΡΠΈΡΠΊΡ, Π»ΠΈΠ±ΠΎ ΠΊ ΡΠ°ΡΠΏΠ°ΡΡΠ½ΠΎΠΉ ΠΊΠΎΡΠΎΠ±ΠΊΠ΅.
3. Π’ΠΈΠΏ ΡΠ°Π·Π²ΠΎΠ΄ΠΊΠΈ Π² ΡΠ°ΡΠΏΡΠ΅Π΄Π΅Π»ΠΈΡΠ΅Π»ΡΠ½ΡΡ ΠΊΠΎΡΠΎΠ±ΠΊΠ°Ρ β Π½Π°ΠΈΠ±ΠΎΠ»Π΅Π΅ ΡΠ°ΡΡΠΎ Π²ΡΡΡΠ΅ΡΠ°ΡΡΠΈΠΉΡΡ Π²Π°ΡΠΈΠ°Π½Ρ. ΠΠΌΠ΅Π½Π½ΠΎ ΡΠ°ΠΊΠΈΠΌ ΠΎΠ±ΡΠ°Π·ΠΎΠΌ Π΄Π΅Π»Π°Π»Π°ΡΡ ΡΠ°Π·Π²ΠΎΠ΄ΠΊΠ° Π² ΡΠΎΠ²Π΅ΡΡΠΊΠΎΠ΅ Π²ΡΠ΅ΠΌΡ. ΠΠΊΠΎΠ½ΠΎΠΌΠΈΡΠ½ΡΠΉ ΡΠΏΠΎΡΠΎΠ±, Π½Π΅ ΡΡΠ΅Π±ΡΡΡΠΈΠΉ ΠΎΡΠΎΠ±ΡΡ Π·Π°ΡΡΠ°Ρ. Π ΠΊΠ²Π°ΡΡΠΈΡΠ΅ ΡΠΈΡΠΊΠ° Π½Π΅Ρ Π²ΠΎΠ²ΡΠ΅, ΠΎΠ½ ΡΠ°ΡΠΏΠΎΠ»ΠΎΠΆΠ΅Π½ Π½Π° Π»Π΅ΡΡΠ½ΠΈΡΠ½ΠΎΠΉ ΠΏΠ»ΠΎΡΠ°Π΄ΠΊΠ΅. ΠΡ ΡΠ°ΠΊΠΎΠ³ΠΎ ΠΎΠ±ΡΠ΅Π³ΠΎ ΠΏΠΈΡΠ°ΡΡΠ΅Π³ΠΎ Β«ΡΡΠΎΡΠΊΠ°Β» ΠΎΡΡ ΠΎΠ΄ΠΈΡ ΠΊΠ²Π°ΡΡΠΈΡΠ½ΠΎΠ΅ ΠΎΡΠ²Π΅ΡΠ²Π»Π΅Π½ΠΈΠ΅. ΠΠ° Π½Π΅ΠΌ Π² ΡΠΈΡΠΊΠ΅ ΡΡΠΎΡΡ ΡΡΠ΅ΡΡΠΈΠΊ ΠΈ Π°Π²ΡΠΎΠΌΠ°ΡΠΈΡΠ΅ΡΠΊΠΈΠΉ Π²ΡΠΊΠ»ΡΡΠ°ΡΠ΅Π»Ρ (ΠΈΠ½ΠΎΠ³Π΄Π° β 1, ΠΈΠ½ΠΎΠ³Π΄Π° β 2β3, ΡΠ΅Π΄ΠΊΠΎ Π±ΠΎΠ»ΡΡΠ΅). ΠΠΈΡΠ°ΡΡΠΈΠΉ ΠΊΠ°Π±Π΅Π»Ρ Π·Π°Ρ ΠΎΠ΄ΠΈΡ Π² ΠΊΠ²Π°ΡΡΠΈΡΡ, Π·Π°ΡΠ΅ΠΌ ΠΏΡΠΈ ΠΏΠΎΠΌΠΎΡΠΈ ΡΠ°ΡΠΏΡΠ΅Π΄Π΅Π»ΠΈΡΠ΅Π»ΡΠ½ΡΡ ΠΊΠΎΡΠΎΠ±ΠΎΠΊ β Π² ΠΏΠΎΠΌΠ΅ΡΠ΅Π½ΠΈΡ, ΠΏΠΎΠ΄Ρ ΠΎΠ΄Ρ ΠΊ ΠΊΠ°ΠΆΠ΄ΠΎΠΉ ΡΠΎΡΠΊΠ΅. ΠΠΎΠΆΠ½ΠΎ ΡΠΊΠ°Π·Π°ΡΡ, ΡΡΠΎ ΠΎΡ ΡΠ°ΡΠΏΡΠ΅Π΄Π΅Π»ΠΈΡΠ΅Π»ΡΠ½ΠΎΠΉ ΠΊΠΎΡΠΎΠ±ΠΊΠΈ ΠΏΡΠΎΠ²ΠΎΠ΄ΠΊΠ° ΠΈΠ΄Π΅Ρ ΠΊ ΡΠΎΡΠΊΠ°ΠΌ Β«Π·Π²Π΅Π·Π΄ΠΎΠΉΒ».
Π ΡΠΈΡΡΠΎΠΌ Π²ΠΈΠ΄Π΅ ΡΠΈΠΏΡ ΡΠ°Π·Π²ΠΎΠ΄ΠΊΠΈ ΠΏΡΠΈΠΌΠ΅Π½ΡΡΡΡΡ ΡΠ΅Π΄ΠΊΠΎ. ΠΡΡ ΠΎΠ΄Ρ ΠΈΠ· ΠΈΠΌΠ΅ΡΡΠΈΡ ΡΡ Π² Π½Π°Π»ΠΈΡΠΈΠΈ ΡΠ΅ΡΡΡΡΠΎΠ² ΠΈ ΠΏΠΎ ΠΏΠΎΠΆΠ΅Π»Π°Π½ΠΈΡ ΠΎΠ±ΡΡΠ½ΠΎ Π²ΡΠ±ΠΈΡΠ°Π΅ΡΡΡ ΡΠΌΠ΅ΡΠ°Π½Π½ΡΠΉ ΡΠΈΠΏ. ΠΡΠΈΠΌΠ΅Ρ ΠΏΠΎ ΡΠ°Π·Π²ΠΎΠ΄ΠΊΠ΅ Π² ΠΎΡΠ΄Π΅Π»ΡΠ½ΠΎΠΉ ΠΊΠ²Π°ΡΡΠΈΡΠ΅.

ΠΠ²Π° Π²ΠΈΠ΄Π° ΡΠ°Π·Π²ΠΎΠ΄ΠΊΠΈ ΠΏΡΠΎΠ²ΠΎΠ΄ΠΎΠ²: ΡΠΎΠ·Π΅ΡΠΊΠ° β ΡΠΈΡΠΎΠΊ (Β«Π·Π²Π΅Π·Π΄Π°Β») ΠΈ ΡΠΈΡΠΎΠΊ β ΡΠΎΠ·Π΅ΡΠΊΠ° β ΡΠΎΠ·Π΅ΡΠΊΠ° β ΡΠΎΠ·Π΅ΡΠΊΠ° (Β«ΡΠ»Π΅ΠΉΡΒ»)
ΠΠΈΡΠ°ΡΡΠΈΠΉ ΠΊΠ°Π±Π΅Π»Ρ Π²Ρ ΠΎΠ΄ΠΈΡ Π² ΠΊΠ²Π°ΡΡΠΈΡΠ½ΡΠΉ ΡΠΈΡΠΎΠΊ, Π³Π΄Π΅ ΡΡΠΎΡΡ Π½Π΅ΡΠΊΠΎΠ»ΡΠΊΠΎ Π³ΡΡΠΏΠΏ Π°Π²ΡΠΎΠΌΠ°ΡΠΎΠ² ΠΈ ΡΡΡΡΠΎΠΉΡΡΠ² Π·Π°ΡΠΈΡΡ. Π ΡΠΈΡΠΊΠ΅ ΠΎΠ±ΡΠΈΠΉ ΠΊΠ°Π±Π΅Π»Ρ ΡΠ°Π·Π²ΠΎΠ΄ΠΈΡΡΡ Π½Π° Π½Π΅ΡΠΊΠΎΠ»ΡΠΊΠΎ Π·ΠΎΠ½, Π½Π°ΠΏΡΠΈΠΌΠ΅Ρ, ΠΏΠΎ ΠΆΠΈΠ»ΡΠΌ ΠΊΠΎΠΌΠ½Π°ΡΠ°ΠΌ ΠΈ ΠΎΡΠ΄Π΅Π»ΡΠ½ΠΎ ΠΏΠΎ Π²Π°Π½Π½ΠΎΠΉ ΠΈ ΠΊΡΡ Π½Π΅ Ρ ΡΠ°Π·Π΄Π΅Π»Π΅Π½ΠΈΠ΅ΠΌ Π½Π° ΡΠΎΠ·Π΅ΡΠΊΠΈ ΠΈ ΠΎΡΠ²Π΅ΡΠ΅Π½ΠΈΠ΅. ΠΠΈΡΠ°ΡΡΠΈΠΉ ΠΊΠ°Π±Π΅Π»Ρ ΠΎΡΠ΄Π΅Π»ΡΠ½ΠΎΠΉ Π·ΠΎΠ½Ρ Π·Π°Ρ ΠΎΠ΄ΠΈΡ Π² ΠΊΠΎΠΌΠ½Π°ΡΡ ΠΈ ΡΠ°ΡΠΏΡΠ΅Π΄Π΅Π»ΡΠ΅ΡΡΡ Π² ΠΊΠΎΡΠΎΠ±ΠΊΠ΅ ΠΏΠΎ ΡΠΎΡΠΊΠ°ΠΌ. ΠΠ΄Π΅ΡΡ Π²ΠΎΠ·ΠΌΠΎΠΆΠ½Ρ Π²Π°ΡΠΈΠ°Π½ΡΡ: ΠΊΠ°Π±Π΅Π»Ρ ΠΏΠΎΠΉΠ΄Π΅Ρ Π½Π° ΡΠΎΠ·Π΅ΡΠΊΠΈ Β«ΡΠ»Π΅ΠΉΡΠΎΠΌΒ» ΠΈΠ»ΠΈ Π½Π° ΠΊΠ°ΠΆΠ΄ΡΡ ΡΠΎΡΠΊΡ Π±ΡΠ΄Π΅Ρ Π²ΡΠ΄Π΅Π»Π΅Π½ ΠΎΡΠ΄Π΅Π»ΡΠ½ΡΠΉ ΠΏΡΠΎΠ²ΠΎΠ΄.

Π‘ΠΏΠΎΡΠΎΠ±Ρ ΡΠ°Π·Π²ΠΎΠ΄ΠΊΠΈ ΡΠΎΠ·Π΅ΡΠΎΠΊ: ΠΏΠΎΡΠ»Π΅Π΄ΠΎΠ²Π°ΡΠ΅Π»ΡΠ½ΡΠΉ Β«ΡΠ»Π΅ΠΉΡΠΎΠΌΒ» ΠΈ ΠΏΠ°ΡΠ°Π»Π»Π΅Π»ΡΠ½ΡΠΉ Π² ΡΠ°ΡΠΏΡΠ΅Π΄Π΅Π»ΠΈΡΠ΅Π»ΡΠ½ΡΡ ΠΊΠΎΡΠΎΠ±ΠΊΠ°Ρ

Π‘ΠΈΠ»ΠΎΠ²ΡΠ΅ ΠΊΠ°Π±Π΅Π»ΠΈ ΠΈ ΠΏΡΠΎΠ²ΠΎΠ΄Π° ΠΎΡΠ²Π΅ΡΠ΅Π½ΠΈΡ ΠΏΠΎΠ΄ΠΊΠ»ΡΡΠ΅Π½Ρ ΠΊ ΡΠΈΡΠΊΡ ΠΎΡΠ΄Π΅Π»ΡΠ½ΠΎ
ΠΡΠΎΡΠ΅ΡΡΠΈΠΎΠ½Π°Π»ΡΠ½ΡΠ΅ ΡΠ»Π΅ΠΊΡΡΠΈΠΊΠΈ ΡΠΎΡΡΠ°Π²Π»ΡΡΡ ΡΠ°ΠΊΠΈΠ΅ ΡΡ Π΅ΠΌΡ Ρ ΡΡΠ΅ΡΠΎΠΌ Π²ΡΠ΅Ρ ΡΠ°ΠΊΡΠΎΡΠΎΠ². ΠΡΠΎ ΠΏΠΎΠΆΠ΅Π»Π°Π½ΠΈΡ Ρ ΠΎΠ·ΡΠΈΠ½Π° ΠΎΠ±ΡΠ΅ΠΊΡΠ°, ΡΠΎ Π΅ΡΡΡ ΡΡΠΎ ΠΈΠΌΠ΅Π½Π½ΠΎ Ρ ΠΎΡΠ΅ΡΡΡ ΡΠ²ΠΈΠ΄Π΅ΡΡ Π² ΠΊΠ²Π°ΡΡΠΈΡΠ΅ ΠΈΠ»ΠΈ Π΄ΠΎΠΌΠ΅.Β ΠΠ°ΠΏΡΠΈΠΌΠ΅Ρ, Ρ ΠΎΠ·ΡΠΈΠ½ Π³ΠΎΠ²ΠΎΡΠΈΡ, ΡΡΠΎ Π² Π³ΠΎΡΡΠΈΠ½ΠΎΠΉ Π΄ΠΎΠ»ΠΆΠ½Ρ Π±ΡΡΡ Π΄Π²Π΅ Π³ΡΡΠΏΠΏΡ ΡΠΎΠ·Π΅ΡΠΎΠΊ ΠΏΠΎ ΡΡΠΈ Π² ΠΊΠ°ΠΆΠ΄ΠΎΠΉ. ΠΠ»ΡΡ Π΄Π²Π° ΠΏΡΠΎΡ ΠΎΠ΄Π½ΡΡ Π²ΡΠΊΠ»ΡΡΠ°ΡΠ΅Π»Ρ ΠΈ ΡΠ΅Π»Π΅ΡΠΎΠ½Π½ΡΠ΅ ΡΠΎΠ·Π΅ΡΠΊΠΈ Π² ΠΊΠΎΠ»ΠΈΡΠ΅ΡΡΠ²Π΅ ΡΡΠ΅Ρ ΡΡΡΠΊ. ΠΠ»Π΅ΠΊΡΡΠΈΠΊ, ΠΏΡΠΈΠ½ΡΠ² ΠΊ ΡΠ²Π΅Π΄Π΅Π½ΠΈΡ ΡΡΠΈ Π΄Π°Π½Π½ΡΠ΅, ΠΏΠΎ ΠΏΡΠ°Π²ΠΈΠ»Π°ΠΌ ΡΠ»Π΅ΠΊΡΡΠΎΠΌΠΎΠ½ΡΠ°ΠΆΠ½ΡΡ ΡΠ°Π±ΠΎΡ ΡΠΎΡΡΠ°Π²Π»ΡΠ΅Ρ ΡΡ Π΅ΠΌΡ, Π² ΠΊΠΎΡΠΎΡΠΎΠΉ ΡΡΠΈΡΡΠ²Π°ΡΡΡΡ ΠΏΠ°ΡΠ°ΠΌΠ΅ΡΡΡ Π±Π΅Π·ΠΎΠΏΠ°ΡΠ½ΠΎΡΡΠΈ, ΠΏΠΎΡΡΠ΄ΠΎΠΊ Π²ΡΠΏΠΎΠ»Π½Π΅Π½ΠΈΡ ΡΠ°Π±ΠΎΡ, ΡΠΈΠΏ ΠΏΡΠΎΠ²ΠΎΠ΄ΠΊΠΈ, ΡΠ°Π·ΠΌΠ΅ΡΡ ΡΡΡΠΎΠ± ΠΈ Ρ. Π΄. Π’Π°ΠΊΠΎΠΉ ΡΠ΅ΡΡΠ΅ΠΆ ΡΠ²Π»ΡΠ΅ΡΡΡ Π΄ΠΎΠΊΡΠΌΠ΅Π½ΡΠΎΠΌ ΠΈ Π·Π°Π²Π΅ΡΡΠ΅ΡΡΡ Π² ΡΠΏΠ΅ΡΠΈΠ°Π»ΡΠ½ΠΎΠΉ ΠΎΡΠ³Π°Π½ΠΈΠ·Π°ΡΠΈΠΈ.

ΠΡΠΈΠΌΠ΅Ρ ΠΏΡΠΈΠ½ΡΠΈΠΏΠΈΠ°Π»ΡΠ½ΠΎΠΉ ΡΡ Π΅ΠΌΡ ΡΠ»Π΅ΠΊΡΡΠΎΡΠ½Π°Π±ΠΆΠ΅Π½ΠΈΡ ΠΊΠ²Π°ΡΡΠΈΡΡ, ΡΠΎΡΡΠ°Π²Π»Π΅Π½Π½ΠΎΠΉ ΠΏΡΠΎΡΠ΅ΡΡΠΈΠΎΠ½Π°Π»ΡΠ½ΡΠΌ ΡΠ»Π΅ΠΊΡΡΠΈΠΊΠΎΠΌ
Π‘ΠΎΠ²ΡΠ΅ΠΌΠ΅Π½Π½ΡΠ΅ ΡΠΈΡΠΌΡ, ΠΏΡΠ΅Π΄ΠΎΡΡΠ°Π²Π»ΡΡΡΠΈΠ΅ ΡΡΠ»ΡΠ³ΠΈ ΠΏΠΎ ΡΠ»Π΅ΠΊΡΡΠΎΠΌΠΎΠ½ΡΠ°ΠΆΠ½ΡΠΌ ΡΠ°Π±ΠΎΡΠ°ΠΌ, ΠΏΠΎΠ»ΡΠ·ΡΡΡΡΡ ΠΊΠΎΠΌΠΏΡΡΡΠ΅ΡΠ½ΡΠΌΠΈ ΠΏΡΠΎΠ³ΡΠ°ΠΌΠΌΠ°ΠΌΠΈ. ΠΠ½ΠΈ ΡΠΎΠ·Π΄Π°Π½Ρ ΡΠΏΠ΅ΡΠΈΠ°Π»ΡΠ½ΠΎ Π΄Π»Ρ ΠΈΠ½ΠΆΠ΅Π½Π΅ΡΠ½ΠΎ-ΡΠ΅Ρ Π½ΠΈΡΠ΅ΡΠΊΠΈΡ ΡΠ°Π±ΠΎΡΠ½ΠΈΠΊΠΎΠ² (ΠΠ’Π ) ΠΈ Π΄ΠΎΠΌΠ°ΡΠ½Π΅ΠΌΡ ΠΌΠ°ΡΡΠ΅ΡΡ Π²ΡΡΠ΄ Π»ΠΈ ΠΏΡΠΈΠ³ΠΎΠ΄ΡΡΡΡ.
Π§ΡΠΎΠ±Ρ ΡΠ°ΠΌΠΎΡΡΠΎΡΡΠ΅Π»ΡΠ½ΠΎ Π²ΡΠΏΠΎΠ»Π½ΠΈΡΡ ΠΌΠΎΠ½ΡΠ°ΠΆ ΠΏΡΠΎΠ²ΠΎΠ΄ΠΊΠΈ, ΡΡ Π΅ΠΌΡ ΠΌΠΎΠΆΠ½ΠΎ Π½Π°ΡΠ΅ΡΡΠΈΡΡ ΡΠ°ΠΌΠΎΠΌΡ. ΠΡΠΎ Π΄Π΅Π»Π°Π΅ΡΡΡ Π΄ΠΎΡΡΠ°ΡΠΎΡΠ½ΠΎ ΠΏΡΠΎΡΡΠΎ. ΠΠ»Ρ Π½Π°ΡΠ°Π»Π° ΠΈΠ·ΠΎΠ±ΡΠ°ΠΆΠ°Π΅ΡΡΡ ΠΊΠ²Π°ΡΡΠΈΡΠ½ΡΠΉ ΠΏΠ»Π°Π½ Ρ ΡΡΠ΅ΡΠΎΠΌ Π²ΡΠ΅Ρ ΡΠ°Π·ΠΌΠ΅ΡΠΎΠ². ΠΡΠ»ΠΈ Π½Π΅Ρ Π½Π΅ΠΎΠ±Ρ ΠΎΠ΄ΠΈΠΌΠΎΠΉ Π΄ΠΎΠΊΡΠΌΠ΅Π½ΡΠ°ΡΠΈΠΈ, ΠΌΠΎΠΆΠ½ΠΎ Π²Π·ΡΡΡ Π΅Π΅ Ρ Π·Π°ΡΡΡΠΎΠΉΡΠΈΠΊΠ°, Ρ ΠΎΡΡ ΠΎΠ½Π° ΠΎΠ±ΡΠ·Π°Π½Π° Ρ ΡΠ°Π½ΠΈΡΡΡΡ ΠΈ Ρ Π²Π»Π°Π΄Π΅Π»ΡΡΠ° ΠΆΠΈΠ»ΡΡ.
ΠΠ°ΡΠ΅ΠΌ ΠΏΡΠΈ ΠΏΠΎΠΌΠΎΡΠΈ ΡΠΏΠ΅ΡΠΈΠ°Π»ΡΠ½ΡΡ ΠΎΠ±ΠΎΠ·Π½Π°ΡΠ΅Π½ΠΈΠΉ Π²ΡΡΡΠ°Π²Π»ΡΡΡΡΡ Π²ΡΠ΅ ΠΆΠ΅Π»Π°Π΅ΠΌΡΠ΅ ΡΠΎΡΠΊΠΈ: Π»Π°ΠΌΠΏΡ, ΡΠΎΠ·Π΅ΡΠΊΠΈ, Π°Π²ΡΠΎΠΌΠ°ΡΠΈΡΠ΅ΡΠΊΠΈΠ΅ Π²ΡΠΊΠ»ΡΡΠ°ΡΠ΅Π»ΠΈ ΠΈ Ρ. Π΄. ΠΠ°Π΄ΠΎ Π½Π΅ ΠΏΠΎΠ»Π΅Π½ΠΈΡΡΡΡ ΠΈ ΠΏΠΎΡΡΠ°Π²ΠΈΡΡ ΠΎΠ±ΡΠ΅ΠΏΡΠΈΠ½ΡΡΡΠ΅ ΠΎΠ±ΠΎΠ·Π½Π°ΡΠ΅Π½ΠΈΡ, ΡΡΠΎΠ±Ρ ΡΡΡ ΡΡ Π΅ΠΌΡ ΠΏΠΎΠ½ΡΠ»ΠΈ ΠΈ Π΄ΡΡΠ³ΠΈΠ΅ Π»ΡΠ΄ΠΈ. Π§Π°ΡΡΡ ΡΠ»ΡΡΠ°ΠΈ, ΠΊΠΎΠ³Π΄Π° ΠΊΠ°ΠΊΠΎΠ΅-ΡΠΎ Π²ΡΠ΅ΠΌΡ ΡΠΏΡΡΡΡ Π°Π²ΡΠΎΡ ΡΡ Π΅ΠΌΡ Π½Π΅ ΠΌΠΎΠΆΠ΅Ρ ΡΠ°Π·ΠΎΠ±ΡΠ°ΡΡΡΡ Π² Π·Π°Π³Π°Π΄ΠΎΡΠ½ΡΡ ΠΈΠ΅ΡΠΎΠ³Π»ΠΈΡΠ°Ρ , ΠΊΠΎΡΠΎΡΡΠ΅ ΠΎΠ½ ΡΠ°ΠΌ ΠΆΠ΅ ΠΈ ΠΏΡΠΈΠ΄ΡΠΌΠ°Π». ΠΠΎΡΠ»Π΅ ΡΡΠΎΠ³ΠΎ Π²ΡΡΠ΅ΡΡΠΈΠ²Π°ΡΡΡΡ Π»ΠΈΠ½ΠΈΠΈ, ΠΊΠΎΡΠΎΡΡΠ΅ ΠΎΠ±ΠΎΠ·Π½Π°ΡΠ°ΡΡ ΠΏΡΠΎΠΊΠ»Π°Π΄ΠΊΡ ΠΏΡΠΎΠ²ΠΎΠ΄ΠΊΠΈ. ΠΠ±ΡΠ·Π°ΡΠ΅Π»ΡΠ½ΠΎ ΡΠΊΠ°ΠΆΠΈΡΠ΅ Π½Π° ΠΏΠ»Π°Π½Π΅, Π½Π° ΠΊΠ°ΠΊΠΎΠΌ ΡΠ°ΡΡΡΠΎΡΠ½ΠΈΠΈ ΠΎΡ ΠΏΠΎΡΠΎΠ»ΠΊΠ° ΠΈΠ»ΠΈ ΠΏΠΎΠ»Π° Π½Π°Ρ ΠΎΠ΄ΠΈΡΡΡ ΠΊΠ°Π±Π΅Π»Ρ, ΠΎΡΠΎΠ±Π΅Π½Π½ΠΎ Π΅ΡΠ»ΠΈ ΠΏΡΠΎΠ²ΠΎΠ΄ΠΊΠ° ΡΠΊΡΡΡΠΎΠ³ΠΎ ΡΠΈΠΏΠ°.

ΠΠ΅ΡΠ²ΠΎΠ½Π°ΡΠ°Π»ΡΠ½ΠΎ Π½Π° ΡΡ Π΅ΠΌΠ΅ Π²ΡΡΡΠ°Π²Π»ΡΡΡΡΡ Π²ΡΠ΅ ΡΠ»Π΅ΠΊΡΡΠΈΡΠ΅ΡΠΊΠΈΠ΅ ΡΠΎΡΠΊΠΈ, ΠΊΠΎΡΠΎΡΡΠ΅ Π½Π΅ΠΎΠ±Ρ ΠΎΠ΄ΠΈΠΌΠΎ ΡΠ°Π·ΠΌΠ΅ΡΡΠΈΡΡ Π² ΠΊΠ²Π°ΡΡΠΈΡΠ΅ ΠΈΠ»ΠΈ Π΄ΠΎΠΌΠ΅
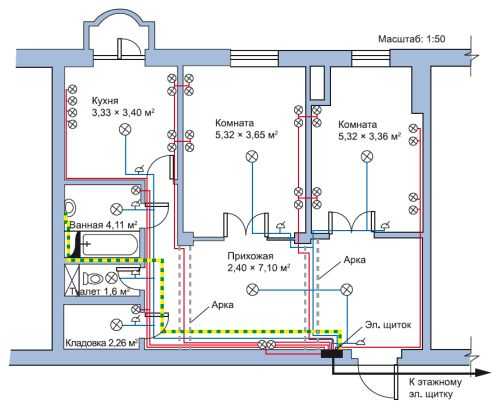
ΠΠ°Π»Π΅Π΅ ΠΏΡΠΈΠ²Π΅Π΄Π΅Π½ ΠΏΡΠΈΠΌΠ΅Ρ ΡΠ»Π΅ΠΊΡΡΠΈΡΠ΅ΡΠΊΠΎΠΉ ΡΡ Π΅ΠΌΡ ΠΊΠ²Π°ΡΡΠΈΡΡ. Π Π°Π·Π½ΡΠΌΠΈ ΡΠ²Π΅ΡΠ°ΠΌΠΈ ΠΏΠΎΠΊΠ°Π·Π°Π½Ρ ΠΏΡΠΎΠ²ΠΎΠ΄Π° ΠΎΡΠ²Π΅ΡΠ΅Π½ΠΈΡ, ΡΠΈΠ»ΠΎΠ²ΡΠ΅ ΠΊΠ°Π±Π΅Π»ΠΈ ΠΈ ΠΏΡΠΎΠ²ΠΎΠ΄ Π·Π°Π·Π΅ΠΌΠ»Π΅Π½ΠΈΡ. Π£ΡΠ»ΠΎΠ²Π½ΡΠΌΠΈ Π·Π½Π°ΡΠΊΠ°ΠΌΠΈ ΠΈΠ·ΠΎΠ±ΡΠ°ΠΆΠ΅Π½Ρ ΡΠ²Π΅ΡΠΈΠ»ΡΠ½ΠΈΠΊΠΈ, ΡΠΎΠ·Π΅ΡΠΊΠΈ, Π²ΡΠΊΠ»ΡΡΠ°ΡΠ΅Π»ΠΈ ΠΈ ΡΠ°ΡΠΏΡΠ΅Π΄Π΅Π»ΠΈΡΠ΅Π»ΡΠ½ΡΠ΅ ΠΊΠΎΡΠΎΠ±ΠΊΠΈ. Π’Π°ΠΊΠ°Ρ ΡΡ Π΅ΠΌΠ° ΠΎΡΠ΅Π½Ρ Π½Π°Π³Π»ΡΠ΄Π½Π°, ΠΈ ΠΏΠΎ Π½Π΅ΠΉ ΠΌΠΎΠΆΠ½ΠΎ Π²ΡΠΏΠΎΠ»Π½ΡΡΡ Π²ΡΠ΅ Π½Π΅ΠΎΠ±Ρ ΠΎΠ΄ΠΈΠΌΡΠ΅ ΡΠ°ΡΡΠ΅ΡΡ. ΠΡΠΎ Π½Π΅ΠΎΠ±Ρ ΠΎΠ΄ΠΈΠΌΠΎ Π΄Π»Ρ ΡΠΎΠ³ΠΎ, ΡΡΠΎΠ±Ρ Π² Π΄Π°Π»ΡΠ½Π΅ΠΉΡΠ΅ΠΌ ΡΠΎΡΠ½ΠΎ Π·Π½Π°ΡΡ, Π³Π΄Π΅ ΠΏΡΠΎΡ ΠΎΠ΄ΡΡ ΠΏΡΠΎΠ²ΠΎΠ΄Π°. ΠΠ½Π°ΡΠ΅ ΠΌΠΎΠΆΠ½ΠΎ, Π²Π΅ΡΠ°Ρ ΠΊΠ°ΡΡΠΈΠ½Ρ ΠΈΠ»ΠΈ ΠΏΠΎΠ»ΠΊΡ, ΠΏΠΎΠΏΠ°ΡΡΡ ΡΠ²Π΅ΡΠ»ΠΎΠΌ ΠΏΡΡΠΌΠΎ Π² ΠΊΠ°Π±Π΅Π»Ρ.

ΠΠ»Π΅ΠΊΡΡΠΎΡΡ Π΅ΠΌΠ° ΠΊΠ²Π°ΡΡΠΈΡΡ
Π‘ΡΡΠ΅ΡΡΠ²ΡΡΡ ΡΠΈΠΏΠΎΠ²ΡΠ΅ ΠΏΡΠ°Π²ΠΈΠ»Π° Π΄Π»Ρ ΠΌΠΎΠ½ΡΠ°ΠΆΠ°. ΠΠ½ΠΈ ΡΠ°ΠΊΠΎΠ²Ρ:
1. ΠΡΠΎΠ²ΠΎΠ΄ ΠΏΡΠΎΠΊΠ»Π°Π΄ΡΠ²Π°Π΅ΡΡΡ ΡΠΎΠ»ΡΠΊΠΎ ΠΏΠΎ Π²Π΅ΡΡΠΈΠΊΠ°Π»ΡΠ½ΡΠΌ ΠΈ Π³ΠΎΡΠΈΠ·ΠΎΠ½ΡΠ°Π»ΡΠ½ΡΠΌ Π»ΠΈΠ½ΠΈΡΠΌ ΠΏΠΎΠ΄ ΠΏΡΡΠΌΡΠΌΠΈ ΡΠ³Π»Π°ΠΌΠΈ. ΠΡΠ»ΠΈ Π²ΠΎΠ·Π½ΠΈΠΊΠ½Π΅Ρ ΠΆΠ΅Π»Π°Π½ΠΈΠ΅ ΡΡ ΠΈΡΡΠΈΡΡ ΠΈ ΡΡΠΊΠΎΠ½ΠΎΠΌΠΈΡΡ ΠΊΠ°Π±Π΅Π»Ρ, ΠΏΡΠΎΠ²Π΅Π΄Ρ Π΅Π³ΠΎ ΠΏΠΎ Π΄ΠΈΠ°Π³ΠΎΠ½Π°Π»ΠΈ, Π»ΡΡΡΠ΅ ΡΠ°ΠΊ Π½Π΅ Π΄Π΅Π»Π°ΡΡ. Π Π΄Π°Π»ΡΠ½Π΅ΠΉΡΠ΅ΠΌ Π½Π°ΠΉΡΠΈ ΡΡΠΎΡ ΠΊΡΠΈΠ²ΠΎΠΉ ΠΏΡΡΡ Π²Π΅ΡΡΠΌΠ° ΡΡΡΠ΄Π½ΠΎ, Π° ΠΏΠΎΠΏΠ°ΡΡΡ Π² Π½Π΅Π³ΠΎ Π³Π²ΠΎΠ·Π΄Π΅ΠΌ ΠΏΡΠΎΡΠ΅ ΠΏΡΠΎΡΡΠΎΠ³ΠΎ.
2. Π Π°ΡΡΡΠΎΡΠ½ΠΈΠ΅ ΠΎΡ ΠΏΡΠΎΠ²ΠΎΠ΄Π° Π΄ΠΎ ΠΏΠΎΡΠΎΠ»ΠΊΠ° ΠΈΠ»ΠΈ ΠΏΠΎΠ»Π° Π΄ΠΎΠ»ΠΆΠ½ΠΎ Π±ΡΡΡ 15 ΡΠΌ. ΠΡ ΡΠ³Π»ΠΎΠ², Π΄Π²Π΅ΡΠ½ΡΡ ΠΊΠΎΡΡΠΊΠΎΠ² ΠΈ ΠΎΠΊΠΎΠ½Π½ΡΡ ΡΠ°ΠΌ β Π½Π΅ ΠΌΠ΅Π½Π΅Π΅ 10 ΡΠΌ. ΠΡΠΈ ΠΎΠ±Π²ΠΎΠ΄ΠΊΠ΅ ΡΠ΅ΡΠ΅Π· ΡΡΡΠ±Ρ ΠΎΡΠΎΠΏΠ»Π΅Π½ΠΈΡ ΡΠ»Π΅Π΄ΡΠ΅Ρ ΡΠΎΠ±Π»ΡΠ΄Π°ΡΡ Π·Π°Π·ΠΎΡ ΠΌΠ΅ΠΆΠ΄Ρ Π½ΠΈΠΌΠΈ ΠΈ ΠΏΡΠΎΠ²ΠΎΠ΄ΠΊΠΎΠΉ Π½Π΅ ΠΌΠ΅Π½ΡΡΠ΅ 3 ΡΠΌ.

ΠΠ±Π²ΠΎΠ΄ΠΊΠ° ΠΏΡΠΎΠ²ΠΎΠ΄ΠΊΠΈ Π²ΠΎΠΊΡΡΠ³ ΠΎΡΠΎΠΏΠΈΡΠ΅Π»ΡΠ½ΡΡ ΡΡΡΠ±
3. ΠΠ΅ΠΎΠ±Ρ ΠΎΠ΄ΠΈΠΌΠΎ ΠΈΠ·Π±Π΅Π³Π°ΡΡ ΠΏΠ΅ΡΠ΅ΡΠ΅ΡΠ΅Π½ΠΈΡ ΠΏΡΠΎΠ²ΠΎΠ΄ΠΎΠ² ΠΏΡΠΈ ΠΏΡΠΎΠΊΠ»Π°Π΄ΠΊΠ΅. ΠΡΠ»ΠΈ ΡΡΠΎ ΡΡΡΠ΄Π½ΠΎΠ²ΡΠΏΠΎΠ»Π½ΠΈΠΌΠΎ, ΡΠΎ ΡΠ°ΡΡΡΠΎΡΠ½ΠΈΠ΅ ΠΌΠ΅ΠΆΠ΄Ρ ΠΊΠ°Π±Π΅Π»ΡΠΌΠΈ Π΄ΠΎΠ»ΠΆΠ½ΠΎ Π±ΡΡΡ Π½Π΅ ΠΌΠ΅Π½ΡΡΠ΅ 3 ΠΌΠΌ.
4. ΠΠ»Ρ ΡΠΏΡΠΎΡΠ΅Π½ΠΈΡ ΡΠ°ΡΡΠ΅ΡΠΎΠ² Π²ΡΠ΅ ΡΠΎΠ·Π΅ΡΠΊΠΈ ΠΈ Π²ΡΠΊΠ»ΡΡΠ°ΡΠ΅Π»ΠΈ Π΄ΠΎΠ»ΠΆΠ½Ρ Π½Π°Ρ ΠΎΠ΄ΠΈΡΡΡΡ Π½Π° ΠΎΠ΄ΠΈΠ½Π°ΠΊΠΎΠ²ΠΎΠΉ Π²ΡΡΠΎΡΠ΅. ΠΠ±ΡΡΠ½ΠΎ Π²ΡΠΊΠ»ΡΡΠ°ΡΠ΅Π»ΠΈ ΡΡΡΠ°Π½Π°Π²Π»ΠΈΠ²Π°ΡΡ ΡΠ»Π΅Π²Π° ΠΎΡ Π΄Π²Π΅ΡΠΈ Π½Π° Π²ΡΡΠΎΡΠ΅, Π΄ΠΎΡΡΠ°ΡΠΎΡΠ½ΠΎΠΉ Π΄Π»Ρ ΡΠΎΠ³ΠΎ, ΡΡΠΎΠ±Ρ ΠΎΠΏΡΡΠ΅Π½Π½ΠΎΠΉ Π»Π°Π΄ΠΎΠ½ΡΡ ΠΏΡΠΈΠΊΠΎΡΠ½ΡΡΡΡΡ ΠΊ Π½ΠΈΠΌ, ΡΠΎ Π΅ΡΡΡ 80β90 ΡΠΌ. Π ΠΎΠ·Π΅ΡΠΊΠΈ ΠΌΠΎΠ½ΡΠΈΡΡΡΡ Π½Π° Π²ΡΡΠΎΡΠ΅ 25β30 ΡΠΌ. ΠΠ΄Π½Π°ΠΊΠΎ Π½Π° ΠΊΡΡ Π½Π΅ ΠΈ Π² ΡΠ»ΡΡΠ°Π΅ ΠΏΠΎΠ΄ΠΊΠ»ΡΡΠ΅Π½ΠΈΡ Π²ΡΡΠΎΠΊΠΎ Π²ΠΈΡΡΡΠΈΡ ΡΠ»Π΅ΠΊΡΡΠΎΠΏΡΠΈΠ±ΠΎΡΠΎΠ² ΡΡΠΎ ΡΠ°ΡΡΡΠΎΡΠ½ΠΈΠ΅ ΠΌΠΎΠΆΠ΅Ρ Π±ΡΡΡ ΠΈ Π΄ΡΡΠ³ΠΈΠΌ. ΠΡΡΡΠ΅ Π²ΡΠ΅Π³ΠΎ, Π΅ΡΠ»ΠΈ ΠΏΡΠΎΠ²ΠΎΠ΄ ΠΊ Π²ΡΠΊΠ»ΡΡΠ°ΡΠ΅Π»ΡΠΌ Π±ΡΠ΄Π΅Ρ ΡΠΏΡΡΠΊΠ°ΡΡΡΡ ΡΠ²Π΅ΡΡ Ρ, Π° ΠΊ ΡΠΎΠ·Π΅ΡΠΊΠ°ΠΌ ΠΏΠΎΠ΄Π²ΠΎΠ΄ΠΈΡΡΡΡ ΡΠ½ΠΈΠ·Ρ β ΡΠ°ΠΊ Π΄Π΅Π»Π°Π΅Ρ Π±ΠΎΠ»ΡΡΠΈΠ½ΡΡΠ²ΠΎ ΡΠ»Π΅ΠΊΡΡΠΈΠΊΠΎΠ².
5. ΠΠ»ΠΈΠ½Π° ΠΏΡΠΎΠ²ΠΎΠ΄Π½ΠΈΠΊΠ°, Π²ΡΡ ΠΎΠ΄ΡΡΠ΅Π³ΠΎ ΠΈΠ· ΡΠ»Π΅ΠΊΡΡΠΈΡΠ΅ΡΠΊΠΎΠΉ ΡΠΎΡΠΊΠΈ, Π΄ΠΎΠ»ΠΆΠ½Π° Π±ΡΡΡ 15β20 ΡΠΌ. ΠΡΠΎ Π΄Π΅Π»Π°Π΅ΡΡΡ Π΄Π»Ρ ΡΠ΄ΠΎΠ±ΡΡΠ²Π° ΠΌΠΎΠ½ΡΠ°ΠΆΠ° ΡΠΎΡΠ΅ΠΊ ΠΏΡΠΈ ΡΠΊΡΡΡΠΎΠΌ ΡΠΈΠΏΠ΅ ΠΏΡΠΎΠ²ΠΎΠ΄ΠΊΠΈ. ΠΡΠ»ΠΈ ΠΎΠ½Π° ΠΎΡΠΊΡΡΡΠΎΠ³ΠΎ ΡΠΈΠΏΠ°, ΡΠΎ Π΄Π»ΠΈΠ½Π° ΠΏΡΠΎΠ²ΠΎΠ΄Π½ΠΈΠΊΠ° ΠΌΠΎΠΆΠ΅Ρ Π±ΡΡΡ ΠΌΠ΅Π½ΡΡΠ΅: 10β15 ΡΠΌ.
ΠΠΎΠ½ΡΡ ΠΆΠΈΠ» ΠΏΡΠΎΠ²ΠΎΠ΄ΠΎΠ², ΠΊΠΎΡΠΎΡΡΠ΅ Π·Π°Ρ ΠΎΠ΄ΡΡ Π² ΡΠ»Π΅ΠΊΡΡΠΈΡΠ΅ΡΠΊΠΈΠ΅ ΡΠΎΡΠΊΠΈ, Π΄ΠΎΠ»ΠΆΠ½Ρ Π±ΡΡΡ Π·Π°ΠΈΠ·ΠΎΠ»ΠΈΡΠΎΠ²Π°Π½Ρ ΠΈΠ·ΠΎΠ»Π΅Π½ΡΠΎΠΉ. ΠΠΎΠΎΡΡΠΆΠΈΠ²ΡΠΈΡΡ ΡΠ΅ΡΡΠ΅ΠΆΠΎΠΌ, ΠΌΠΎΠΆΠ½ΠΎ Π½Π°ΡΠΈΠ½Π°ΡΡ ΠΌΠΎΠ½ΡΠΈΡΠΎΠ²Π°ΡΡ ΡΠ»Π΅ΠΊΡΡΠΎΠΏΡΠΎΠ²ΠΎΠ΄ΠΊΡ.
Β
Β
Β
Β
Π§ΡΠΎ Π±Ρ Π΅ΡΠ΅ ΠΏΠΎΡΠΈΡΠ°ΡΡ?
remstd.ru
Π‘Ρ Π΅ΠΌΠ° ΡΠ°Π·Π²ΠΎΠ΄ΠΊΠΈ ΡΠ»Π΅ΠΊΡΡΠΎΠΏΡΠΎΠ²ΠΎΠ΄ΠΊΠΈ Π² ΠΊΠ²Π°ΡΡΠΈΡΠ΅ ΠΏΡΠΈΠΌΠ΅ΡΡ
ΠΠ»Π°Π²Π½Π°Ρ Β» ΠΡΠΎΠ²ΠΎΠ΄ΠΊΠ° Β» Π ΠΊΠ²Π°ΡΡΠΈΡΠ΅ Β» Π‘ΠΎΡΡΠ°Π²Π»ΡΠ΅ΠΌ ΠΈ Π²ΡΠ±ΠΈΡΠ°Π΅ΠΌ ΠΏΡΠ°Π²ΠΈΠ»ΡΠ½ΡΠ΅ ΡΡ Π΅ΠΌΡ ΡΠ°Π·Π²ΠΎΠ΄ΠΊΠΈ ΡΠ»Π΅ΠΊΡΡΠΎΠΏΡΠΎΠ²ΠΎΠ΄ΠΊΠΈ Π² ΠΊΠ²Π°ΡΡΠΈΡΠ΅
Π‘ΠΎΡΡΠ°Π²Π»ΡΠ΅ΠΌ ΠΈ Π²ΡΠ±ΠΈΡΠ°Π΅ΠΌ ΠΏΡΠ°Π²ΠΈΠ»ΡΠ½ΡΠ΅ ΡΡ Π΅ΠΌΡ ΡΠ°Π·Π²ΠΎΠ΄ΠΊΠΈ ΡΠ»Π΅ΠΊΡΡΠΎΠΏΡΠΎΠ²ΠΎΠ΄ΠΊΠΈ Π² ΠΊΠ²Π°ΡΡΠΈΡΠ΅
Π‘ΠΎΠ²ΡΠ΅ΠΌΠ΅Π½Π½Π°Ρ ΠΊΠ²Π°ΡΡΠΈΡΠ° ΠΎΡΠ½Π°ΡΠ°Π΅ΡΡΡ Π±ΠΎΠ»ΡΡΠΈΠΌ ΠΊΠΎΠ»ΠΈΡΠ΅ΡΡΠ²ΠΎΠΌ ΡΠ°Π·Π½ΠΎΠΎΠ±ΡΠ°Π·Π½ΠΎΠΉ Π±ΡΡΠΎΠ²ΠΎΠΉ ΡΠ΅Ρ Π½ΠΈΠΊΠΈ. ΠΠΈΠΊΡΠΎΠ²ΠΎΠ»Π½ΠΎΠ²ΡΠ΅ ΠΏΠ΅ΡΠΈ, ΡΠ»Π΅ΠΊΡΡΠΈΡΠ΅ΡΠΊΠΈΠ΅ Π²ΠΎΠ΄ΠΎΠ½Π°Π³ΡΠ΅Π²Π°ΡΠ΅Π»ΠΈ, Ρ ΠΎΠ»ΠΎΠ΄ΠΈΠ»ΡΠ½ΠΈΠΊΠΈ, ΠΊΠ°ΠΌΠΈΠ½Ρ, ΠΊΠΎΠ½Π΄ΠΈΡΠΈΠΎΠ½Π΅ΡΡ, ΡΠ»Π΅ΠΊΡΡΠΎΠΏΠ»ΠΈΡΡ β Π²ΡΠ΅ ΡΡΠΈ ΠΏΡΠΈΠ±ΠΎΡΡ ΡΠΎΠ·Π΄Π°ΡΡ ΡΠ΅ΡΡΠ΅Π·Π½ΡΡ Π½Π°Π³ΡΡΠ·ΠΊΡ Π½Π° ΡΠ»Π΅ΠΊΡΡΠΎΡΠ΅ΡΡ.
Π Π΅ΡΠ»ΠΈ Π΄ΠΎΠΌ, Π² ΠΊΠΎΡΠΎΡΠΎΠΌ Π½Π°Ρ ΠΎΠ΄ΠΈΡΡΡ Π²Π°ΡΠ° ΠΊΠ²Π°ΡΡΠΈΡΠ°, Π±ΡΠ» ΠΏΠΎΡΡΡΠΎΠ΅Π½ Π½Π΅ΡΠΊΠΎΠ»ΡΠΊΠΎ Π΄Π΅ΡΡΡΠΈΠ»Π΅ΡΠΈΠΉ Π½Π°Π·Π°Π΄, ΠΊΠΎΠ³Π΄Π° Π½Π°Π±ΠΎΡ Π΄ΠΎΠΌΠ°ΡΠ½Π΅ΠΉ ΡΠ΅Ρ Π½ΠΈΠΊΠΈ ΠΎΠ³ΡΠ°Π½ΠΈΡΠΈΠ²Π°Π»ΡΡ ΡΠ΅Π»Π΅Π²ΠΈΠ·ΠΎΡΠΎΠΌ, Ρ ΠΎΠ»ΠΎΠ΄ΠΈΠ»ΡΠ½ΠΈΠΊΠΎΠΌ ΠΈ ΠΈΠ½ΠΎΠ³Π΄Π° ΠΏΡΠ»Π΅ΡΠΎΡΠΎΠΌ, ΠΈΠΌΠ΅ΡΡΠΈΠ΅ΡΡ ΠΏΡΠΎΠ²ΠΎΠ΄Π° ΠΌΠΎΠ³ΡΡ ΡΠ°ΠΊΡΡ Π½Π°Π³ΡΡΠ·ΠΊΡ ΠΏΠΎΠΏΡΠΎΡΡΡ Π½Π΅ Π²ΡΠ΄Π΅ΡΠΆΠ°ΡΡ. Π§ΡΠΎΠ±Ρ ΠΈΠ·Π±Π΅ΠΆΠ°ΡΡ ΡΠ²ΡΠ·Π°Π½Π½ΡΡ Ρ ΡΡΠΈΠΌ ΠΏΡΠΎΠ±Π»Π΅ΠΌ, Π½Π΅ΠΎΠ±Ρ ΠΎΠ΄ΠΈΠΌΠΎ ΡΠ²ΠΎΠ΅Π²ΡΠ΅ΠΌΠ΅Π½Π½ΠΎ Π²ΡΠΏΠΎΠ»Π½ΠΈΡΡ Π·Π°ΠΌΠ΅Π½Ρ ΡΠ»Π΅ΠΊΡΡΠΎΠΏΡΠΎΠ²ΠΎΠ΄ΠΊΠΈ ΠΊΠ²Π°ΡΡΠΈΡΠ΅.
Π‘ Π²ΡΠΏΠΎΠ»Π½Π΅Π½ΠΈΠ΅ΠΌ Π²ΡΠ΅Ρ ΡΠΎΠΏΡΡΡΡΠ²ΡΡΡΠΈΡ ΠΌΠ΅ΡΠΎΠΏΡΠΈΡΡΠΈΠΉ ΠΌΠΎΠΆΠ½ΠΎ ΡΠΏΡΠ°Π²ΠΈΡΡΡΡ ΡΠΎΠ±ΡΡΠ²Π΅Π½Π½ΡΠΌΠΈ ΡΠΈΠ»Π°ΠΌΠΈ. ΠΡΠΆΠ½ΠΎ Π»ΠΈΡΡ ΠΏΠΎΠ΄ΡΠΎΠ±Π½ΠΎ ΠΈΠ·ΡΡΠΈΡΡ ΠΎΡΠΎΠ±Π΅Π½Π½ΠΎΡΡΠΈ ΡΡΡΠ΅ΡΡΠ²ΡΡΡΠΈΡ ΡΡ Π΅ΠΌ ΡΠ». ΠΏΡΠΎΠ²ΠΎΠ΄ΠΊΠΈ Π² ΠΊΠ²Π°ΡΡΠΈΡΠ΅, ΡΠ°Π·ΠΎΠ±ΡΠ°ΡΡΡΡ Π² ΠΏΠΎΡΡΠ΄ΠΊΠ΅ ΠΏΡΠΎΠ²Π΅Π΄Π΅Π½ΠΈΡ ΡΠ°Π±ΠΎΡΡ ΠΈ ΡΠ΄Π΅Π»Π°ΡΡ Π²ΡΠ΅ Ρ ΡΠΎΠ±Π»ΡΠ΄Π΅Π½ΠΈΠ΅ΠΌ ΡΡΠ΅Π±ΠΎΠ²Π°Π½ΠΈΠΉ ΡΠ΅Ρ Π½ΠΈΠΊΠΈ Π±Π΅Π·ΠΎΠΏΠ°ΡΠ½ΠΎΡΡΠΈ.
Π’ΠΈΠΏΠΎΠ²ΡΠ΅ ΡΡ Π΅ΠΌΡ ΡΠ»Π΅ΠΊΡΡΠΎΠΏΡΠΎΠ²ΠΎΠ΄ΠΊΠΈ Π² ΠΊΠ²Π°ΡΡΠΈΡΠ΅
Π‘ΡΡΠ΅ΡΡΠ²ΡΠ΅Ρ Π½Π΅ΡΠΊΠΎΠ»ΡΠΊΠΎ ΡΡ
Π΅ΠΌ ΡΠ°Π·Π²ΠΎΠ΄ΠΊΠΈ ΠΏΡΠΎΠ²ΠΎΠ΄ΠΊΠΈ Π² ΠΊΠ²Π°ΡΡΠΈΡΠ΅. ΠΠ°ΠΆΠ΄Π°Ρ ΠΈΠ· Π½ΠΈΡ
ΡΠΎΠ·Π΄Π°Π΅ΡΡΡ Π΄Π»Ρ Π²ΡΠΏΠΎΠ»Π½Π΅Π½ΠΈΡ ΡΡΠ΄Π° Π·Π°Π΄Π°Ρ.
Π‘ΡΡΡΠΊΡΡΡΠ½Π°Ρ
Π’Π°ΠΊΠ°Ρ ΡΡ Π΅ΠΌΠ° ΡΠ»Π΅ΠΊΡΡΠΈΡΠ΅ΡΠΊΠΎΠΉ ΠΏΡΠΎΠ²ΠΎΠ΄ΠΊΠΈ Π² ΠΊΠ²Π°ΡΡΠΈΡΠ΅ ΡΠΎΠ·Π΄Π°Π΅ΡΡΡ Π² ΠΏΠ΅ΡΠ²ΡΡ ΠΎΡΠ΅ΡΠ΅Π΄Ρ. ΠΠ° ΡΡΠΎΠΌ ΡΠ΅ΡΡΠ΅ΠΆΠ΅ ΡΡ Π΅ΠΌΠ°ΡΠΈΡΠ΅ΡΠΊΠΈ ΠΎΡΠΎΠ±ΡΠ°ΠΆΠ°Π΅ΡΡΡ Π²Π·Π°ΠΈΠΌΠΎΡΠ²ΡΠ·Ρ ΠΌΠ΅ΠΆΠ΄Ρ ΡΠΈΡΠΊΠΎΠΌ, Π²Π²ΠΎΠ΄ΠΎΠΌ Π² ΠΊΠ²Π°ΡΡΠΈΡΡ ΠΈ Π·Π°ΠΏΠ»Π°Π½ΠΈΡΠΎΠ²Π°Π½Π½ΡΠΌΠΈ ΠΊ ΡΡΡΠ°Π½ΠΎΠ²ΠΊΠ΅ ΡΠ»Π΅ΠΊΡΡΠΎΠΏΡΠΈΠ±ΠΎΡΠ°ΠΌΠΈ.
ΠΡΠ΅ ΡΠ»Π΅ΠΊΡΡΠΈΡΠ΅ΡΠΊΠΈΠ΅ Π²Π·Π°ΠΈΠΌΠΎΡΠ²ΡΠ·ΠΈ Π΄ΠΎΠ»ΠΆΠ½Ρ Π±ΡΡΡ ΠΎΡΠΎΠ±ΡΠ°ΠΆΠ΅Π½Ρ ΠΌΠ°ΠΊΡΠΈΠΌΠ°Π»ΡΠ½ΠΎ ΠΏΠΎΠ»Π½ΠΎ. ΠΠ»Ρ ΠΎΡΠΎΠ±ΡΠ°ΠΆΠ΅Π½ΠΈΡ ΡΠ²ΡΠ·Π΅ΠΉ Π½Π° ΡΡΡΡΠΊΡΡΡΠ½ΠΎΠΉ ΡΡ Π΅ΠΌΠ΅ ΠΎΠ±ΡΡΠ½ΠΎ ΠΈΡΠΏΠΎΠ»ΡΠ·ΡΡΡΡΡ ΡΡΡΠ΅Π»ΠΊΠΈ.
ΠΠ° ΠΊΠ°ΠΆΠ΄ΠΎΠΌ ΡΠ»Π΅ΠΌΠ΅Π½ΡΠ΅ ΡΡ Π΅ΠΌΡ ΡΠΊΠ°Π·ΡΠ²Π°Π΅ΡΡΡ Π΅Π³ΠΎ Π½ΠΎΠΌΠΈΠ½Π°Π»: Π½Π°ΠΏΡΡΠΆΠ΅Π½ΠΈΠ΅. ΠΌΠΎΡΠ½ΠΎΡΡΡ, Π° ΡΠ°ΠΊΠΆΠ΅ ΡΠΈΠ»Π° ΡΠΎΠΊΠ°. ΠΡΠ΅ ΡΡΠΈ ΠΌΠΎΠΌΠ΅Π½ΡΡ Π½Π΅ΠΎΠ±Ρ ΠΎΠ΄ΠΈΠΌΠΎ ΡΠΊΠ°Π·Π°ΡΡ Π΄Π»Ρ ΡΡΠΏΠ΅ΡΠ½ΠΎΠ³ΠΎ ΡΠΎΡΡΠ°Π²Π»Π΅Π½ΠΈΡ ΡΡΠ½ΠΊΡΠΈΠΎΠ½Π°Π»ΡΠ½ΠΎΠΉ ΡΡ Π΅ΠΌΡ ΠΏΡΠΎΠΊΠ»Π°Π΄ΠΊΠΈ ΡΠ»Π΅ΠΊΡΡΠΎΠΏΡΠΎΠ²ΠΎΠ΄ΠΊΠΈ Π² ΠΊΠ²Π°ΡΡΠΈΡΠ΅.
Π€ΡΠ½ΠΊΡΠΈΠΎΠ½Π°Π»ΡΠ½Π°Ρ
ΠΠ° ΡΡΠΎΠΌ ΡΠ΅ΡΡΠ΅ΠΆΠ΅ ΠΏΡΠΈΠ²ΠΎΠ΄ΡΡΡΡ ΡΠ»Π΅ΠΌΠ΅Π½ΡΡ ΡΠ»Π΅ΠΊΡΡΠΎΠΏΡΠΎΠ²ΠΎΠ΄ΠΊΠΈ ΠΈ ΠΈΠ»Π»ΡΡΡΡΠΈΡΡΡΡΡΡ ΡΠ»Π΅ΠΊΡΡΠΈΡΠ΅ΡΠΊΠΈΠ΅ ΡΠ²ΡΠ·ΠΈ ΠΌΠ΅ΠΆΠ΄Ρ Π½ΠΈΠΌΠΈ. ΠΠ»Ρ ΡΡΠΎΠ³ΠΎ ΠΏΡΠΈΠΌΠ΅Π½ΡΡΡΡΡ ΡΠΏΠ΅ΡΠΈΠ°Π»ΡΠ½ΡΠ΅ ΠΎΠ±ΠΎΠ·Π½Π°ΡΠ΅Π½ΠΈΡ.
Π‘ ΡΠΏΠΎΠΌΡΠ½ΡΡΡΠΌΠΈ ΠΎΠ±ΠΎΠ·Π½Π°ΡΠ΅Π½ΠΈΡΠΌΠΈ Π²Ρ ΠΌΠΎΠΆΠ΅ΡΠ΅ ΠΎΠ·Π½Π°ΠΊΠΎΠΌΠΈΡΡΡΡ Π½Π° ΠΈΠ·ΠΎΠ±ΡΠ°ΠΆΠ΅Π½ΠΈΠΈ. ΠΠ΄Π΅ΡΡ ΠΏΠΎΠΊΠ°Π·Π°Π½ ΠΏΡΠΈΠΌΠ΅Ρ ΡΡΠ½ΠΊΡΠΈΠΎΠ½Π°Π»ΡΠ½ΠΎΠΉ ΡΡ Π΅ΠΌΡ ΠΏΠΎΠ΄ΠΊΠ»ΡΡΠ΅Π½ΠΈΡ ΠΏΡΠΎΠ²ΠΎΠ΄ΠΊΠΈ Π² ΠΊΠ²Π°ΡΡΠΈΡΠ΅ Ρ Π΄Π²ΡΠΌΡ ΡΡΡΡΠΎΠΉΡΡΠ²Π°ΠΌΠΈ Π·Π°ΡΠΈΡΠ½ΠΎΠ³ΠΎ ΠΎΡΠΊΠ»ΡΡΠ΅Π½ΠΈΡ ΠΈ Π·Π°Π·Π΅ΠΌΠ»Π΅Π½ΠΈΠ΅ΠΌ.
ΠΡΠΈΠ½ΡΠΈΠΏΠΈΠ°Π»ΡΠ½Π°Ρ
Π―Π²Π»ΡΠ΅ΡΡΡ Π½Π°ΠΈΠ±ΠΎΠ»Π΅Π΅ ΠΏΠΎΠ»Π½ΠΎΠΉ ΠΈ ΠΏΠΎΠ΄ΡΠΎΠ±Π½ΠΎΠΉ ΡΡ Π΅ΠΌΠΎΠΉ. ΠΠ° ΡΠ΅ΡΡΠ΅ΠΆΠ΅ ΡΠΊΠ°Π·ΡΠ²Π°ΡΡΡΡ Π²ΡΠ΅ ΡΠ»Π΅ΠΌΠ΅Π½ΡΡ ΡΠ»Π΅ΠΊΡΡΠΎΡΠΈΡΡΠ΅ΠΌΡ (ΡΠ²Π΅ΡΠΈΠ»ΡΠ½ΠΈΠΊΠΈ, Π²ΡΠΊΠ»ΡΡΠ°ΡΠ΅Π»ΠΈ ΠΈ ΠΏΡ.), Π° ΡΠ°ΠΊΠΆΠ΅ Π±ΡΡΠΎΠ²ΡΠ΅ ΡΡΡΡΠΎΠΉΡΡΠ²Π° (ΡΠ΅ΠΏΠ»ΡΠΉ ΠΏΠΎΠ», ΠΏΠ»ΠΈΡΠ°, ΠΊΠΎΠ½Π΄ΠΈΡΠΈΠΎΠ½Π΅ΡΡ ΠΈ Ρ.Π΄.).
ΠΠ° ΡΡ Π΅ΠΌΠ΅ ΠΌΠ°ΠΊΡΠΈΠΌΠ°Π»ΡΠ½ΠΎ ΡΠΎΡΠ½ΠΎ ΠΏΠΎΠΊΠ°Π·ΡΠ²Π°ΡΡΡΡ Π»ΠΈΠ½ΠΈΠΈ ΠΏΡΠΎΠΊΠ»Π°Π΄ΠΊΠΈ ΠΏΡΠΎΠ²ΠΎΠ΄ΠΎΠ², ΠΌΠ΅ΡΡΠ° ΡΡΡΠ°Π½ΠΎΠ²ΠΊΠΈ ΡΠ°ΡΠΏΠ°ΡΡΠ½ΡΡ ΠΊΠΎΡΠΎΠ±ΠΎΠΊ, ΡΠΈΠ½ ΡΠΎΠ΅Π΄ΠΈΠ½Π΅Π½ΠΈΡ ΠΈ ΠΏΡΠΎΡΠΈΡ ΡΠ»Π΅ΠΌΠ΅Π½ΡΠΎΠ².
ΠΠ΄Π½Π° ΠΈΠ· Π²Π°ΠΆΠ½Π΅ΠΉΡΠΈΡ ΡΡ Π΅ΠΌ ΠΏΠΎΠ΄ΠΊΠ»ΡΡΠ΅Π½ΠΈΡ ΡΠ»Π΅ΠΊΡΡΠΎΠΏΡΠΎΠ²ΠΎΠ΄ΠΊΠΈ Π² ΠΊΠ²Π°ΡΡΠΈΡΠ΅. Π‘ΠΎΠ·Π΄Π°Π΅ΡΡΡ Π΄Π»Ρ ΡΠ»Π΅ΠΊΡΡΠΎΡΠΈΡΠΊΠΎΠ². ΠΠ° ΡΡ Π΅ΠΌΠ΅ ΠΎΡΠΎΠ±ΡΠ°ΠΆΠ°ΡΡΡΡ Π²Π²ΠΎΠ΄Π½ΡΠ΅ Π°Π²ΡΠΎΠΌΠ°ΡΡ, Π·Π°ΡΠΈΡΠ½ΡΠ΅ Π°Π²ΡΠΎΠΌΠ°ΡΠΈΡΠ΅ΡΠΊΠΈΠ΅ Π²ΡΠΊΠ»ΡΡΠ°ΡΠ΅Π»ΠΈ Π΄Π»Ρ ΠΎΡΠ΄Π΅Π»ΡΠ½ΡΡ Π³ΡΡΠΏΠΏ ΠΏΡΠΎΠ²ΠΎΠ΄ΠΊΠΈ. ΠΡΠΈ ΡΠΎΡΡΠ°Π²Π»Π΅Π½ΠΈΠΈ ΠΈΡΠΏΠΎΠ»ΡΠ·ΡΡΡΡΡ ΡΠΏΠ΅ΡΠΈΠ°Π»ΡΠ½ΡΠ΅ ΡΡΠ»ΠΎΠ²Π½ΡΠ΅ ΠΎΠ±ΠΎΠ·Π½Π°ΡΠ΅Π½ΠΈΡ. Π’Π°ΠΊΠΆΠ΅ Π½Π° ΡΠ΅ΡΡΠ΅ΠΆΠ΅ ΠΎΡΠΎΠ±ΡΠ°ΠΆΠ°ΡΡΡΡ Π²ΡΠ΅ ΠΏΡΠΎΠ²ΠΎΠ΄Π° ΠΈ Π³ΡΡΠΏΠΏΡ ΠΏΠΎΡΡΠ΅Π±ΠΈΡΠ΅Π»Π΅ΠΉ ΡΠ»Π΅ΠΊΡΡΠΈΡΠ΅ΡΡΠ²Π°.
ΠΠ°ΠΆΠ΄ΡΠΉ ΡΠ»Π΅ΠΌΠ΅Π½Ρ ΡΡ Π΅ΠΌΡ ΡΠΎΠΏΡΠΎΠ²ΠΎΠΆΠ΄Π°Π΅ΡΡΡ Π½Π΅ΠΎΠ±Ρ ΠΎΠ΄ΠΈΠΌΡΠΌΠΈ Π½ΠΎΠΌΠΈΠ½Π°Π»ΡΠ½ΡΠΌΠΈ Ρ Π°ΡΠ°ΠΊΡΠ΅ΡΠΈΡΡΠΈΠΊΠ°ΠΌΠΈ.
Π ΠΏΡΠΈΠΌΠ΅ΡΡ, Π΄Π»Ρ ΡΠ»Π΅ΠΊΡΡΠΎΠΊΠ°Π±Π΅Π»Π΅ΠΉ ΡΠΊΠ°Π·ΡΠ²Π°Π΅ΡΡΡ ΠΊΠΎΠ»ΠΈΡΠ΅ΡΡΠ²ΠΎ, ΡΠ΅ΡΠ΅Π½ΠΈΠ΅ ΠΈ ΠΌΠ°ΡΠΊΠ° ΠΆΠΈΠ», Π° Π΄Π»Ρ Π°Π²ΡΠΎΠΌΠ°ΡΠΎΠ² ΠΏΡΠΈΠ²ΠΎΠ΄ΠΈΡΡΡ Π·Π½Π°ΡΠ΅Π½ΠΈΠ΅ ΡΠΎΠΊΠ° ΡΡΠ°Π±Π°ΡΡΠ²Π°Π½ΠΈΡ.
ΠΠΎΡΠ»Π΅ ΡΠΎΡΡΠ°Π²Π»Π΅Π½ΠΈΡ ΠΏΠΎΠΊΡΠΏΠ°ΡΡΡΡ Π½Π΅ΠΎΠ±Ρ ΠΎΠ΄ΠΈΠΌΡΠ΅ ΠΌΠ°ΡΠ΅ΡΠΈΠ°Π»Ρ Π΄Π»Ρ ΠΏΡΠΎΠΊΠ»Π°Π΄ΠΊΠΈ Π»ΠΈΠ±ΠΎ Π·Π°ΠΌΠ΅Π½Ρ ΡΠ»Π΅ΠΊΡΡΠΎΠΏΡΠΎΠ²ΠΎΠ΄ΠΊΠΈ. Π’Π°ΠΊΠΆΠ΅ ΡΠ°ΡΡΠ΅ΡΠ½Π°Ρ ΡΡ Π΅ΠΌΠ° ΠΏΠΎΠ·Π²ΠΎΠ»ΡΠ΅Ρ ΡΠ°Π·Π±ΠΈΡΡ ΠΊΠ²Π°ΡΡΠΈΡΠ½ΡΡ ΡΠ»Π΅ΠΊΡΡΠΎΠΏΡΠΎΠ²ΠΎΠ΄ΠΊΡ Π½Π° Π³ΡΡΠΏΠΏΡ.
ΠΠ° ΠΌΠΎΠ½ΡΠ°ΠΆΠ½ΠΎΠΉ ΡΡ Π΅ΠΌΠ΅ ΠΎΡΠΎΠ±ΡΠ°ΠΆΠ°ΡΡΡΡ ΡΠ»Π΅ΠΊΡΡΠΈΡΠ΅ΡΠΊΠΈΠ΅ ΡΠΎΠ΅Π΄ΠΈΠ½Π΅Π½ΠΈΡ Π² ΠΎΠ±ΡΠ»ΡΠΆΠΈΠ²Π°Π΅ΠΌΠΎΠΉ ΠΊΠ²Π°ΡΡΠΈΡΠ΅. Π§Π΅ΡΡΠ΅ΠΆΠ½ΡΠΉ ΠΏΠ»Π°Π½ ΠΈΠΌΠ΅Π΅Ρ Π²ΠΈΠ΄ ΠΏΠΎΠ΄ΡΠΎΠ±Π½ΠΎΠΉ ΡΠ°Π±Π»ΠΈΡΡ Ρ ΡΠΊΠ°Π·Π°Π½ΠΈΠ΅ΠΌ ΡΠ»Π΅Π΄ΡΡΡΠΈΡ ΠΌΠΎΠΌΠ΅Π½ΡΠΎΠ²:
- ΠΌΠ΅ΡΡΠ° Π²ΡΡ ΠΎΠ΄Π° ΠΈ Π½Π°ΠΏΡΠ°Π²Π»Π΅Π½ΠΈΡ ΠΏΡΠΎΠΊΠ»Π°Π΄ΠΊΠΈ ΠΊΠ°ΠΆΠ΄ΠΎΠ³ΠΎ ΠΊΠ°Π±Π΅Π»Ρ;
- ΠΊΠ»Π΅ΠΌΠΌ ΠΏΠΎΠ΄ΡΠΎΠ΅Π΄ΠΈΠ½Π΅Π½ΠΈΡ ΠΊΠ°Π±Π΅Π»Π΅ΠΉ;
- Ρ Π°ΡΠ°ΠΊΡΠ΅ΡΠΈΡΡΠΈΠΊ ΠΏΡΠΎΠ²ΠΎΠ΄ΠΎΠ².
ΠΠΎΠ½ΡΠ°ΠΆΠ½ΡΠ΅ ΡΡ Π΅ΠΌΡ ΡΠ»Π΅ΠΊΡΡΠΎΠΏΡΠΎΠ²ΠΎΠ΄ΠΊΠΈ ΠΊΠ²Π°ΡΡΠΈΡΡ ΡΠΎΡΡΠ°Π²Π»ΡΡΡΡΡ Π΄ΠΎΡΡΠ°ΡΠΎΡΠ½ΠΎ ΡΠ΅Π΄ΠΊΠΎ, Ρ.ΠΊ. ΠΏΡΠ°ΠΊΡΠΈΡΠ΅ΡΠΊΠΈ Π»ΡΠ±ΠΎΠΉ ΠΊΠ²Π°Π»ΠΈΡΠΈΡΠΈΡΠΎΠ²Π°Π½Π½ΡΠΉ ΡΠ»Π΅ΠΊΡΡΠΈΠΊ ΠΌΠΎΠΆΠ΅Ρ ΡΠ΄Π΅Π»Π°ΡΡ ΠΌΠΎΠ½ΡΠ°ΠΆ ΡΠ»Π΅ΠΊΡΡΠΎΡΠΈΡΠΊΠ° Π½Π° ΠΎΡΠ½ΠΎΠ²Π΅ ΡΠ°ΡΡΠ΅ΡΠ½ΠΎΠΉ ΡΡ Π΅ΠΌΡ. Π ΠΎΡΡΠ°Π»ΡΠ½ΠΎΠΌ ΠΆΠ΅ ΠΎΠ±ΡΡΠ½ΠΎ ΠΎΡΠΈΠ΅Π½ΡΠΈΡΡΡΡΡΡ ΠΏΠΎ ΡΠΈΡΡΠ°ΡΠΈΠΈ.
ΠΡΠ°ΠΏΡ ΠΌΠΎΠ½ΡΠ°ΠΆΠ° ΠΈ Π·Π°ΠΌΠ΅Π½Ρ ΡΠ»Π΅ΠΊΡΡΠΈΡΠ΅ΡΠΊΠΈΡ ΠΏΡΠΎΠ²ΠΎΠ΄ΠΎΠ²
ΠΡΠΈ ΠΆΠ΅Π»Π°Π½ΠΈΠΈ Ρ Π·Π°ΠΌΠ΅Π½ΠΎΠΉ ΡΠ»Π΅ΠΊΡΡΠΎΠΏΡΠΎΠ²ΠΎΠ΄ΠΊΠΈ Π² ΠΊΠ²Π°ΡΡΠΈΡΠ΅ ΠΌΠΎΠΆΠ½ΠΎ ΡΠΏΡΠ°Π²ΠΈΡΡΡΡ ΡΠΎΠ±ΡΡΠ²Π΅Π½Π½ΡΠΌΠΈ ΡΠΈΠ»Π°ΠΌΠΈ.
ΠΠ΄Π½Π°ΠΊΠΎ Π²Π°ΠΆΠ½ΠΎ ΠΏΠΎΠΌΠ½ΠΈΡΡ, ΡΡΠΎ ΡΡΠΎ ΠΏΠΎΡΠ΅Π½ΡΠΈΠ°Π»ΡΠ½ΠΎ ΠΎΠΏΠ°ΡΠ½Π°Ρ ΡΠ°Π±ΠΎΡΠ°, Ρ.ΠΊ. ΡΠ»Π΅ΠΊΡΡΠΈΡΠ΅ΡΡΠ²ΠΎ ΠΏΡΠΈ Π½Π΅ΠΏΡΠ°Π²ΠΈΠ»ΡΠ½ΠΎΠΌ ΠΈ Π½Π΅ΠΎΡΡΠΎΡΠΎΠΆΠ½ΠΎΠΌ ΠΎΠ±ΡΠ°ΡΠ΅Π½ΠΈΠΈ ΠΌΠΎΠΆΠ΅Ρ Π½Π°Π½Π΅ΡΡΠΈ Π½Π΅ΠΏΠΎΠΏΡΠ°Π²ΠΈΠΌΡΠ΅ ΠΏΠΎΠ²ΡΠ΅ΠΆΠ΄Π΅Π½ΠΈΡ.
Π ΠΎΡΡΠ°Π»ΡΠ½ΠΎΠΌ ΠΆΠ΅ ΡΠ»Π΅Π΄ΡΠΉΡΠ΅ ΠΏΡΠΈΠ²Π΅Π΄Π΅Π½Π½ΠΎΠΌΡ ΡΡΠΊΠΎΠ²ΠΎΠ΄ΡΡΠ²Ρ ΠΈ Π²ΡΠ΅ ΠΎΠ±ΡΠ·Π°ΡΠ΅Π»ΡΠ½ΠΎ ΠΏΠΎΠ»ΡΡΠΈΡΡΡ.
Π‘ΠΎΡΡΠ°Π²Π»Π΅Π½ΠΈΠ΅ ΠΏΠ»Π°Π½Π° ΡΠ»Π΅ΠΊΡΡΠΎΠΎΠ±Π΅ΡΠΏΠ΅ΡΠ΅Π½ΠΈΡ
Π ΠΏΠ΅ΡΠ²ΡΡ ΠΎΡΠ΅ΡΠ΅Π΄Ρ Π²Ρ Π΄ΠΎΠ»ΠΆΠ½Ρ ΡΠΎΡΡΠ°Π²ΠΈΡΡ ΠΏΠΎΠ΄ΡΠΎΠ±Π½ΡΠΉ ΠΏΠ»Π°Π½ ΡΠ²ΠΎΠ΅ΠΉ ΠΊΠ²Π°ΡΡΠΈΡΡ ΠΈ ΡΠΊΠ°Π·Π°ΡΡ Π½Π° Π½Π΅ΠΌ ΠΌΠ΅ΡΡΠ° ΡΡΡΠ°Π½ΠΎΠ²ΠΊΠΈ ΡΠ»Π΅ΠΊΡΡΠΎΡΠΎΠ·Π΅ΡΠΎΠΊ, Π²ΡΠΊΠ»ΡΡΠ°ΡΠ΅Π»Π΅ΠΉ ΠΈ ΠΎΡΠ²Π΅ΡΠΈΡΠ΅Π»ΡΠ½ΡΡ ΠΏΡΠΈΠ±ΠΎΡΠΎΠ².
ΠΠ»Ρ Π±ΠΎΠ»ΡΡΠ΅Π³ΠΎ ΡΠ΄ΠΎΠ±ΡΡΠ²Π° ΡΠ°Π·Π±Π΅ΠΉΡΠ΅ Π²ΡΠ΅Ρ ΠΏΠΎΡΡΠ΅Π±ΠΈΡΠ΅Π»Π΅ΠΉ Π½Π° ΡΠ»Π΅Π΄ΡΡΡΠΈΠ΅ ΠΎΡΠ½ΠΎΠ²Π½ΡΠ΅ Π³ΡΡΠΏΠΏΡ:
- ΡΠ»Π΅ΠΊΡΡΠΎΡΠΎΠ·Π΅ΡΠΊΠΈ;
- ΠΎΡΠ²Π΅ΡΠ΅Π½ΠΈΠ΅;
- ΡΠ°Π½ΡΠ·Π΅Π»;
- ΡΠ»Π΅ΠΊΡΡΠΈΡΠ΅ΡΠΊΠ°Ρ ΠΏΠ»ΠΈΡΠ° (ΠΊΡΡ Π½Ρ).

Π ΠΊΠ°ΠΆΠ΄ΠΎΠΉ ΡΠ°ΠΊΠΎΠΉ Π³ΡΡΠΏΠΏΠ΅ ΠΏΡΠΎΠΊΠ»Π°Π΄ΡΠ²Π°Π΅ΡΡΡ ΡΠ²ΠΎΠΉ ΠΊΠ°Π±Π΅Π»Ρ ΠΎΡ ΡΠ°ΡΠΏΡΠ΅Π΄Π΅Π»ΠΈΡΠ΅Π»ΡΠ½ΠΎΠ³ΠΎ ΡΠΈΡΠ°. ΠΡΠΈ ΠΏΠΎΠ΄ΠΎΠ±Π½ΠΎΠΉ ΡΡ
Π΅ΠΌΠ΅ ΠΌΠΎΠ½ΡΠ°ΠΆΠ° ΡΠ»Π΅ΠΊΡΡΠΎΠΏΡΠΎΠ²ΠΎΠ΄ΠΊΠΈ Π² ΠΊΠ²Π°ΡΡΠΈΡΠ΅ ΠΏΠΎΠ»ΠΎΠΌΠΊΠ° ΠΎΠ΄Π½ΠΎΠΉ ΠΈΠ· Π³ΡΡΠΏΠΏ Π½Π΅ ΠΎΡΡΠ°Π·ΠΈΡΡΡ Π½Π° ΡΠ°Π±ΠΎΡΠΎΡΠΏΠΎΡΠΎΠ±Π½ΠΎΡΡΠΈ ΠΎΡΡΠ°Π»ΡΠ½ΡΡ
ΠΏΠΎΡΡΠ΅Π±ΠΈΡΠ΅Π»Π΅ΠΉ.
ΠΠ΅ΠΎΠ±Ρ ΠΎΠ΄ΠΈΠΌΠΎ ΡΠ΄Π΅Π»Π°ΡΡ ΠΎΠΏΡΠΈΠΌΠ°Π»ΡΠ½ΡΠΉ ΡΠ°ΡΡΠ΅Ρ ΡΠ΅ΡΠ΅Π½ΠΈΡ ΠΊΠ°Π±Π΅Π»Ρ ΠΏΠΎ ΠΌΠΎΡΠ½ΠΎΡΡΠΈ. ΠΏΠΎ ΡΠΎΠΊΡ. Π§Π΅ΠΌ ΡΠΎΠ»ΡΠ΅ Π±ΡΠ΄ΡΡ ΠΈΡΠΏΠΎΠ»ΡΠ·ΡΠ΅ΠΌΡΠ΅ ΠΆΠΈΠ»Ρ, ΡΠ΅ΠΌ Π±ΠΎΠ»ΡΡΠ΅ Π΄Π΅Π½Π΅Π³ Π²Ρ ΠΏΠΎΡΡΠ°ΡΠΈΡΠ΅ Π½Π° ΠΎΠ±ΡΡΡΡΠΎΠΉΡΡΠ²ΠΎ ΡΠ»Π΅ΠΊΡΡΠΎΠΏΡΠΎΠ²ΠΎΠ΄ΠΊΠΈ. Π‘Π»ΠΈΡΠΊΠΎΠΌ ΡΠΊΠΎΠ½ΠΎΠΌΠΈΡΡ Π½Π° ΡΡΠΎΠΌ Π½Π΅ ΡΡΠΎΠΈΡ, Π½ΠΎ ΠΎΠ±ΡΠ·Π°ΡΠ΅Π»ΡΠ½ΠΎ Π·Π°ΠΏΠΎΠΌΠ½ΠΈΡΠ΅ ΡΠ»Π΅Π΄ΡΡΡΠΈΠΉ Π²Π°ΠΆΠ½ΡΠΉ Π½ΡΠ°Π½Ρ: Π² ΡΠ»ΡΡΠ°Π΅ ΠΏΡΠΎΠΊΠ»Π°Π΄ΠΊΠΈ ΠΎΠ΄Π½ΠΎΠ³ΠΎ ΡΠΎΠ»ΡΡΠΎΠ³ΠΎ ΠΊΠ°Π±Π΅Π»Ρ ΠΎΡΠ²Π΅ΡΠ²Π»Π΅Π½ΠΈΡ Π½ΡΠΆΠ½ΠΎ Π±ΡΠ΄Π΅Ρ Π²ΡΠΏΠΎΠ»Π½ΡΡΡ Π² ΡΠ»Π΅ΠΊΡΡΠΈΡΠ΅ΡΠΊΠΈΡ ΡΠ°ΡΠΏΡΠ΅Π΄Π΅Π»ΠΈΡΠ΅Π»ΡΠ½ΡΡ ΠΊΠΎΡΠΎΠ±ΠΊΠ°Ρ .
ΠΡΠΈ ΡΡΠΎΠΌ ΠΎΠ±ΡΡΡΡΠΎΠΉΡΡΠ²ΠΎ ΡΠ»ΠΈΡΠΊΠΎΠΌ Π±ΠΎΠ»ΡΡΠΎΠ³ΠΎ ΠΊΠΎΠ»ΠΈΡΠ΅ΡΡΠ²Π° ΡΠΎΠ΅Π΄ΠΈΠ½Π΅Π½ΠΈΠΉ Π½Π΅ΠΈΠ·Π±Π΅ΠΆΠ½ΠΎ ΠΏΡΠΈΠ²ΠΎΠ΄ΠΈΡ ΠΊ ΡΠΌΠ΅Π½ΡΡΠ΅Π½ΠΈΡ Π½Π°Π΄Π΅ΠΆΠ½ΠΎΡΡΠΈ ΡΠ»Π΅ΠΊΡΡΠΎΠΏΡΠΎΠ²ΠΎΠ΄ΠΊΠΈ.
ΠΠ΅ ΠΏΠΎΠ΄ΠΊΠ»ΡΡΠ°ΠΉΡΠ΅ Π²ΡΡ ΡΠ»Π΅ΠΊΡΡΠΎΠΏΡΠΎΠ²ΠΎΠ΄ΠΊΡ ΠΊ ΠΎΠ΄Π½ΠΎΠΉ Π³ΡΡΠΏΠΏΠ΅. Π‘Π°Π½ΡΠ·Π΅Π» Π»ΡΡΡΠ΅ Π²ΡΠ΅Π³ΠΎ ΠΏΠΎΠ΄ΡΠΎΠ΅Π΄ΠΈΠ½ΡΡΡ ΠΎΡΠ΄Π΅Π»ΡΠ½ΠΎΠΉ Π»ΠΈΠ½ΠΈΠ΅ΠΉ, Ρ.ΠΊ. ΠΏΠΎΠ΄ΠΎΠ±Π½ΡΠ΅ ΠΏΠΎΠΌΠ΅ΡΠ΅Π½ΠΈΡ ΡΡΠ΅Π±ΡΡΡ ΡΠΎΠ±Π»ΡΠ΄Π΅Π½ΠΈΡ ΠΎΡΠΎΠ±ΡΡ ΠΌΠ΅Ρ ΠΏΡΠ΅Π΄ΠΎΡΡΠΎΡΠΎΠΆΠ½ΠΎΡΡΠΈ. ΠΡΡ Π»ΠΈΠ½ΠΈΡ ΡΠ΅ΠΊΠΎΠΌΠ΅Π½Π΄ΡΠ΅ΡΡΡ ΠΎΡΠ½Π°ΡΡΠΈΡΡ Π£ΠΠ ΠΈΠ»ΠΈ Π΄ΠΈΡΠ°Π²ΡΠΎΠΌΠ°ΡΠΎΠΌ .
ΠΠ΅ΠΌΠΎΠ½ΡΠ°ΠΆ ΡΡΠ°ΡΠΎΠΉ ΠΏΡΠΎΠ²ΠΎΠ΄ΠΊΠΈ
ΠΡΠΈΡΡΡΠΏΠ°ΠΉΡΠ΅ ΠΊ Π΄Π΅ΠΌΠΎΠ½ΡΠ°ΠΆΡ ΡΠ»Π΅ΠΌΠ΅Π½ΡΠΎΠ² ΠΈΠΌΠ΅ΡΡΠ΅ΠΉΡΡ ΡΠ»Π΅ΠΊΡΡΠΎΠΏΡΠΎΠ²ΠΎΠ΄ΠΊΠΈ. ΠΠ±Π΅ΡΡΠΎΡΡΡΠ΅ ΠΊΠ²Π°ΡΡΠΈΡΡ ΠΏΡΠΈ ΠΏΠΎΠΌΠΎΡΠΈ ΠΏΠ°ΠΊΠ΅ΡΠ½ΠΎΠ³ΠΎ Π²ΡΠΊΠ»ΡΡΠ°ΡΠ΅Π»Ρ Π² ΡΠΈΡΠΊΠ΅.
ΠΠ΅ΠΌΠΎΠ½ΡΠ°ΠΆ ΠΏΡΠΎΠ²ΠΎΠ΄ΠΎΠ² Π½Π°ΡΠΈΠ½Π°ΠΉΡΠ΅ ΠΎΡ ΡΠ°ΡΠΏΡΠ΅Π΄Π΅Π»ΠΈΡΠ΅Π»ΡΠ½ΡΡ ΠΊΠΎΡΠΎΠ±ΠΎΠ². ΠΡΡΡΠΊΠΈ ΡΡΠΈΡ ΡΠ»Π΅ΠΌΠ΅Π½ΡΠΎΠ², ΠΊΠ°ΠΊ ΠΏΡΠ°Π²ΠΈΠ»ΠΎ, ΡΠ°ΡΠΏΠΎΠ»Π°Π³Π°ΡΡΡΡ ΠΏΠΎΠ΄ ΠΏΠΎΡΠΎΠ»ΠΊΠΎΠΌ. ΠΠΎΡΡΠ΄ΠΎΠΊ Π΄Π΅ΠΉΡΡΠ²ΠΈΠΉ ΡΠ»Π΅Π΄ΡΡΡΠΈΠΉ:
- ΠΎΡΠΊΡΡΠ²Π°Π΅ΡΡΡ ΠΊΡΡΡΠΊΠ° ΡΠ°ΡΠΏΡΠ΅Π΄Π΅Π»ΠΈΡΠ΅Π»ΡΠ½ΠΎΠ³ΠΎ ΠΊΠΎΡΠΎΠ±Π°;
- ΠΎΠ±ΡΠ΅Π·Π°Π΅ΡΡΡ ΠΈ ΠΈΠ·ΠΎΠ»ΠΈΡΡΠ΅ΡΡΡ Π²Π²ΠΎΠ΄Π½ΡΠΉ ΠΏΡΠΎΠ²ΠΎΠ΄;
- ΡΠ΄Π°Π»ΡΡΡΡΡ Π²ΡΠ΅ ΠΏΡΠΎΠ²ΠΎΠ΄Π°.
ΠΡΠ»ΠΈ ΡΠ΄Π°Π»Π΅Π½ΠΈΠ΅ ΠΏΡΠΎΠ²ΠΎΠ΄Π° Π½Π΅Π²ΠΎΠ·ΠΌΠΎΠΆΠ½ΠΎ, Π΅Π³ΠΎ Π½Π΅ΠΎΠ±Ρ ΠΎΠ΄ΠΈΠΌΠΎ ΠΎΠ±ΡΠ΅Π·Π°ΡΡ ΠΈ ΠΌΠ°ΠΊΡΠΈΠΌΠ°Π»ΡΠ½ΠΎ ΠΊΠ°ΡΠ΅ΡΡΠ²Π΅Π½Π½ΠΎ ΠΈΠ·ΠΎΠ»ΠΈΡΠΎΠ²Π°ΡΡ.
ΠΡΠΎΠΊΠ»Π°Π΄ΠΊΠ° Π½ΠΎΠ²ΡΡ ΡΠ»Π΅ΠΊΡΡΠΈΡΠ΅ΡΠΊΠΈΡ ΠΊΠ°Π±Π΅Π»Π΅ΠΉ
ΠΠΎΡΠ»Π΅ Π΄Π΅ΠΌΠΎΠ½ΡΠ°ΠΆΠ° ΡΡΠ°ΡΡΡ ΠΊΠ°Π±Π΅Π»Π΅ΠΉ ΠΏΡΠΈΡΡΡΠΏΠ°ΠΉΡΠ΅ ΠΊ ΡΠΊΠ»Π°Π΄ΠΊΠ΅ Π½ΠΎΠ²ΡΡ Π² ΡΠΎΠΎΡΠ²Π΅ΡΡΡΠ²ΠΈΠΈ Ρ Π²ΡΠ±ΡΠ°Π½Π½ΠΎΠΉ ΡΡ Π΅ΠΌΠΎΠΉ ΠΏΡΠΎΠ²ΠΎΠ΄ΠΊΠΈ Π² ΠΊΠ²Π°ΡΡΠΈΡΠ΅ ΠΈ ΠΏΡΠ΅Π΄Π²Π°ΡΠΈΡΠ΅Π»ΡΠ½ΠΎ ΡΠΎΡΡΠ°Π²Π»Π΅Π½Π½ΡΠΌΠΈ ΡΠ΅ΡΡΠ΅ΠΆΠ°ΠΌΠΈ.
ΠΠ»Π°Π΄Π΅Π»ΡΡΡ ΠΊΠ²Π°ΡΡΠΈΡ ΡΠ°ΡΠ΅ Π²ΡΠ΅Π³ΠΎ ΠΎΡΠ΄Π°ΡΡ ΠΏΡΠ΅Π΄ΠΏΠΎΡΡΠ΅Π½ΠΈΠ΅ ΡΠΊΡΡΡΠΎΠΉ ΠΏΡΠΎΠ²ΠΎΠ΄ΠΊΠ΅. ΠΠ»Ρ ΠΏΡΠΎΠΊΠ»Π°Π΄ΠΊΠΈ ΠΏΡΠΎΠ²ΠΎΠ΄ΠΎΠ² ΠΏΠΎ ΡΠ°ΠΊΠΎΠΉ ΡΡ Π΅ΠΌΠ΅ Π² ΡΡΠ΅Π½Π°Ρ Π½ΡΠΆΠ½ΠΎ ΠΏΡΠ΅Π΄Π²Π°ΡΠΈΡΠ΅Π»ΡΠ½ΠΎ ΠΏΠΎΠ΄Π³ΠΎΡΠΎΠ²ΠΈΡΡ ΡΡΡΠΎΠ±Ρ. ΠΠ»Ρ ΡΡΠΎΠ³ΠΎ ΡΠ΄ΠΎΠ±Π½ΠΎ ΠΈΡΠΏΠΎΠ»ΡΠ·ΠΎΠ²Π°ΡΡ ΠΏΠ΅ΡΡΠΎΡΠ°ΡΠΎΡ, Π° Π΅ΡΡ Π»ΡΡΡΠ΅ β ΡΠ°ΠΌΠΎΡΡΠΎΡΡΠ΅Π»ΡΠ½ΠΎ ΠΈΠ·Π³ΠΎΡΠΎΠ²Π»Π΅Π½Π½ΡΠΉ ΡΡΡΠΎΠ±ΠΎΡΠ΅Π· .
Π¨ΡΡΠΎΠ±Ρ ΠΏΡΠΎΠΊΠ»Π°Π΄ΡΠ²Π°ΡΡΡΡ ΡΡΡΠΎΠ³ΠΎ ΠΏΠ΅ΡΠΏΠ΅Π½Π΄ΠΈΠΊΡΠ»ΡΡΠ½ΠΎ Π»ΠΈΠ±ΠΎ ΠΏΠ°ΡΠ°Π»Π»Π΅Π»ΡΠ½ΠΎ ΠΏΠΎΠ²Π΅ΡΡ Π½ΠΎΡΡΠΈ ΠΏΠΎΠ»Π° β Π΄ΠΈΠ°Π³ΠΎΠ½Π°Π»ΡΠ½Π°Ρ ΠΏΡΠΎΠΊΠ»Π°Π΄ΠΊΠ° ΠΏΡΠΎΠ²ΠΎΠ΄ΠΎΠ² Π·Π°ΠΏΡΠ΅ΡΠ΅Π½Π° ΡΠ΅Ρ Π½ΠΈΠΊΠΎΠΉ Π±Π΅Π·ΠΎΠΏΠ°ΡΠ½ΠΎΡΡΠΈ.
ΠΠ°Π»Π΅Π΅ Π²ΡΠΏΠΎΠ»Π½ΡΠ΅ΡΡΡ ΡΡΡΠ°Π½ΠΎΠ²ΠΊΠ° ΡΠ»Π΅ΠΊΡΡΠΎΡΠΎΠ·Π΅ΡΠΎΠΊ, Π²ΡΠΊΠ»ΡΡΠ°ΡΠ΅Π»Π΅ΠΉ ΠΈ ΡΠ°ΡΠΏΡΠ΅Π΄Π΅Π»ΠΈΡΠ΅Π»ΡΠ½ΡΡ ΠΊΠΎΡΠΎΠ±ΠΎΠ². ΠΠ»Ρ ΡΡΠΎΠ³ΠΎ Π² ΡΡΠ΅Π½Π°Ρ ΠΏΡΠ΅Π΄Π²Π°ΡΠΈΡΠ΅Π»ΡΠ½ΠΎ ΡΠΎΠ·Π΄Π°ΡΡΡΡ ΡΠΎΠΎΡΠ²Π΅ΡΡΡΠ²ΡΡΡΠΈΠ΅ ΡΠ³Π»ΡΠ±Π»Π΅Π½ΠΈΡ.
ΠΡΡΠΎΡΡ ΡΡΡΠ°Π½ΠΎΠ²ΠΊΠΈ ΡΠΎΠ·Π΅ΡΠΎΠΊ ΠΈ Π²ΡΠΊΠ»ΡΡΠ°ΡΠ΅Π»Π΅ΠΉ ΠΏΠΎΠ΄Π±ΠΈΡΠ°ΠΉΡΠ΅ Π½Π° ΡΠ²ΠΎΠ΅ ΡΡΠΌΠΎΡΡΠ΅Π½ΠΈΠ΅. ΠΠ΅Π»Π°ΠΉΡΠ΅ Π²ΡΠ΅ ΡΠ°ΠΊ, ΡΡΠΎΠ±Ρ Π² Π΄Π°Π»ΡΠ½Π΅ΠΉΡΠ΅ΠΌ Π²Π°ΠΌ Π±ΡΠ»ΠΎ ΡΠ΄ΠΎΠ±Π½ΠΎ. ΠΠ΄ΠΈΠ½ΡΡΠ²Π΅Π½Π½ΠΎΠ΅ Π²Π°ΠΆΠ½ΠΎΠ΅ Π·Π°ΠΌΠ΅ΡΠ°Π½ΠΈΠ΅: ΡΠΎΠ·Π΅ΡΠΊΠΈ ΡΠ»Π΅Π΄ΡΠ΅Ρ ΡΡΡΠ°Π½Π°Π²Π»ΠΈΠ²Π°ΡΡ Π½Π° ΡΠ°ΡΡΡΠΎΡΠ½ΠΈΠΈ Π½Π΅ ΠΌΠ΅Π½Π΅Π΅ 300 ΠΌΠΌ ΠΎΡ ΠΏΠΎΠ²Π΅ΡΡ Π½ΠΎΡΡΠΈ ΠΏΠΎΠ»Π°.
ΠΡΠΎΠ²Π΅ΡΠΊΠ° ΠΊΠ°ΡΠ΅ΡΡΠ²Π° ΡΠ°Π±ΠΎΡΡ
ΠΠΎΡΠ»Π΅ ΡΠΊΠ»Π°Π΄ΠΊΠΈ ΠΈ Π·Π°ΠΊΡΠ΅ΠΏΠ»Π΅Π½ΠΈΡ Π²ΡΠ΅Ρ
ΠΏΡΠΎΠ²ΠΎΠ΄ΠΎΠ² Π² ΠΏΠΎΠ΄Π³ΠΎΡΠΎΠ²Π»Π΅Π½Π½ΡΡ
ΠΊΠ°Π½Π°Π»Π°Ρ
, Π²Ρ Π΄ΠΎΠ»ΠΆΠ½Ρ ΡΠ΄ΠΎΡΡΠΎΠ²Π΅ΡΠΈΡΡΡΡ Π² ΠΎΡΡΡΡΡΡΠ²ΠΈΠΈ ΠΊΠΎΡΠΎΡΠΊΠΈΡ
Π·Π°ΠΌΡΠΊΠ°Π½ΠΈΠΉ Π½Π° ΡΠΌΠΎΠ½ΡΠΈΡΠΎΠ²Π°Π½Π½ΠΎΠΉ Π»ΠΈΠ½ΠΈΠΈ. Π’Π°ΠΊΠ°Ρ ΠΏΡΠΎΠ²Π΅ΡΠΊΠ° Π²ΡΠΏΠΎΠ»Π½ΡΠ΅ΡΡΡ ΠΏΡΠΈ ΠΏΠΎΠΌΠΎΡΠΈ ΡΠ΅ΡΡΠ΅ΡΠ°.
Π£Π±Π΅Π΄ΠΈΠ²ΡΠΈΡΡ Π² ΠΎΡΡΡΡΡΡΠ²ΠΈΠΈ ΠΊΠΎΡΠΎΡΠΊΠΎΠ³ΠΎ Π·Π°ΠΌΡΠΊΠ°Π½ΠΈΡ, ΠΏΠΎΠ΄ΠΊΠ»ΡΡΠΈΡΠ΅ Π»ΠΈΠ½ΠΈΡ ΠΊ Π½Π°ΠΏΡΡΠΆΠ΅Π½ΠΈΡ. ΠΠ°Π»Π΅Π΅ Π½ΡΠΆΠ½ΠΎ ΠΏΡΠΎΠ²Π΅ΡΠΈΡΡ ΡΠ°Π±ΠΎΡΠΎΡΠΏΠΎΡΠΎΠ±Π½ΠΎΡΡΡ ΡΠΎΠ·Π΅ΡΠΎΠΊ ΠΈ ΠΎΡΠ²Π΅ΡΠΈΡΠ΅Π»ΡΠ½ΡΡ ΠΏΡΠΈΠ±ΠΎΡΠΎΠ² ΡΠ°Π·ΠΎΠ²ΡΠΌ ΠΈΠ½Π΄ΠΈΠΊΠ°ΡΠΎΡΠΎΠΌ ΠΈΠ»ΠΈ ΡΠ΅ΡΡΠ΅ΡΠΎΠΌ.
Π Π·Π°Π²Π΅ΡΡΠ΅Π½ΠΈΠ΅ ΠΎΡΡΠ°Π½Π΅ΡΡΡ Π»ΠΈΡΡ Π·Π°Π΄Π΅Π»Π°ΡΡ ΠΊΠ°Π½Π°Π»Ρ ΠΏΡΠΈ ΠΏΠΎΠΌΠΎΡΠΈ ΡΡΡΠΊΠ°ΡΡΡΠΊΠΈ. ΠΠ° ΡΡΠΎΠΌ ΡΠ°Π±ΠΎΡΡ ΠΏΠΎ Π·Π°ΠΌΠ΅Π½Π΅ ΡΠ»Π΅ΠΊΡΡΠΎΠΏΡΠΎΠ²ΠΎΠ΄ΠΊΠΈ Π·Π°Π²Π΅ΡΡΠ°ΡΡΡΡ. Π§ΡΠΎΠ±Ρ ΠΎΠ½ΠΈ ΠΏΡΠΎΡΠ»ΠΈ ΠΌΠ°ΠΊΡΠΈΠΌΠ°Π»ΡΠ½ΠΎ ΡΡΠΏΠ΅ΡΠ½ΠΎ, Π½Π°Π΄ΠΎ ΠΏΠΎΠΌΠ½ΠΈΡΡ ΠΏΡΠΎΡΡΡΠ΅ ΡΠ΅ΠΊΠΎΠΌΠ΅Π½Π΄Π°ΡΠΈΠΈ ΠΏΠΎ ΡΠ΅Ρ Π½ΠΈΠΊΠ΅ Π±Π΅Π·ΠΎΠΏΠ°ΡΠ½ΠΎΡΡΠΈ ΠΈ ΠΏΡΠΈΠ΄Π΅ΡΠΆΠΈΠ²Π°ΡΡΡΡ ΠΈΡ Π² ΠΏΡΠΎΡΠ΅ΡΡΠ΅ Π²ΡΠΏΠΎΠ»Π½Π΅Π½ΠΈΡ Π·Π°ΠΏΠ»Π°Π½ΠΈΡΠΎΠ²Π°Π½Π½ΡΡ ΠΌΠ΅ΡΠΎΠΏΡΠΈΡΡΠΈΠΉ.
Π Π΅ΠΊΠΎΠΌΠ΅Π½Π΄Π°ΡΠΈΠΈ ΠΏΠΎ Π±Π΅Π·ΠΎΠΏΠ°ΡΠ½ΠΎΠΌΡ Π²ΡΠΏΠΎΠ»Π½Π΅Π½ΠΈΡ ΡΡΡΠ°Π½ΠΎΠ²ΠΊΠΈ
ΠΠ΅ΡΠ΅Π΄ Π½Π°ΡΠ°Π»ΠΎΠΌ ΡΠ°Π±ΠΎΡΡ ΠΎΠ±ΡΠ·Π°ΡΠ΅Π»ΡΠ½ΠΎ ΠΎΠ±Π΅ΡΡΠΎΡΡΡΠ΅ ΠΊΠ²Π°ΡΡΠΈΡΡ ΠΈ Π΄ΠΎΠΏΠΎΠ»Π½ΠΈΡΠ΅Π»ΡΠ½ΠΎ ΡΠ±Π΅Π΄ΠΈΡΠ΅ΡΡ Π² ΠΎΡΡΡΡΡΡΠ²ΠΈΠΈ Π½Π°ΠΏΡΡΠΆΠ΅Π½ΠΈΡ Ρ ΠΏΠΎΠΌΠΎΡΡΡ ΡΠΏΠ΅ΡΠΈΠ°Π»ΡΠ½ΠΎ ΠΏΡΠ΅Π΄Π½Π°Π·Π½Π°ΡΠ΅Π½Π½ΠΎΠ³ΠΎ Π΄Π»Ρ ΡΡΠΎΠ³ΠΎ ΠΏΡΠΈΠ±ΠΎΡΠ°.
Π ΡΡΠΊΠΈ Π²ΡΠ΅Ρ ΠΏΠΎΠ΄ΡΡΡΠ½ΡΡ ΠΈΠ½ΡΡΡΡΠΌΠ΅Π½ΡΠΎΠ² ΠΎΠ±ΡΠ·Π°ΡΠ΅Π»ΡΠ½ΠΎ Π΄ΠΎΠ»ΠΆΠ½Ρ Π±ΡΡΡ ΠΈΠ·ΠΎΠ»ΠΈΡΠΎΠ²Π°Π½Ρ. ΠΡΠΈ ΠΎΡΡΡΡΡΡΠ²ΠΈΠΈ ΠΈΠ·ΠΎΠ»ΡΡΠΈΠΈ Π½Π° Π½ΠΈΡ ΡΠ΄Π΅Π»Π°ΠΉΡΠ΅ Π΅Π΅ ΡΠ°ΠΌΠΎΡΡΠΎΡΡΠ΅Π»ΡΠ½ΠΎ.
Π ΡΠ»ΡΡΠ°Π΅, Π΅ΡΠ»ΠΈ ΡΠ°ΡΠΏΡΠ΅Π΄Π΅Π»ΠΈΡΠ΅Π»ΡΠ½ΡΠΉ ΡΠΈΡ Π½Π°Ρ ΠΎΠ΄ΠΈΡΡΡ Π½Π° Π»Π΅ΡΡΠ½ΠΈΡΠ½ΠΎΠΉ ΠΏΠ»ΠΎΡΠ°Π΄ΠΊΠ΅ ΠΈΠ»ΠΈ Π² Π΄ΡΡΠ³ΠΎΠΌ ΠΌΠ΅ΡΡΠ΅ ΠΎΠ±ΡΠ΅Π³ΠΎ Π΄ΠΎΡΡΡΠΏΠ°, ΠΎΠ±ΡΠ·Π°ΡΠ΅Π»ΡΠ½ΠΎ ΠΏΠΎΠ²Π΅ΡΡΡΠ΅ ΡΠ°Π±Π»ΠΈΡΠΊΡ Ρ ΠΏΡΠ΅Π΄ΡΠΏΡΠ΅ΠΆΠ΄Π΅Π½ΠΈΠ΅ΠΌ ΠΎ Π²ΡΠΏΠΎΠ»Π½Π΅Π½ΠΈΠΈ ΡΠ°Π±ΠΎΡ Π½Π° Π»ΠΈΠ½ΠΈΠΈ.
ΠΠΎΠΌΠ½ΠΈΡΠ΅. ΠΏΡΠ΅Π½Π΅Π±ΡΠ΅ΠΆΠΈΡΠ΅Π»ΡΠ½ΠΎΠ΅ ΠΎΡΠ½ΠΎΡΠ΅Π½ΠΈΠ΅ ΠΊ ΡΠ΅ΠΊΠΎΠΌΠ΅Π½Π΄Π°ΡΠΈΡΠΌ ΡΠ΅Ρ Π½ΠΈΠΊΠΈ Π±Π΅Π·ΠΎΠΏΠ°ΡΠ½ΠΎΡΡΠΈ ΠΌΠΎΠΆΠ΅Ρ ΠΏΡΠΈΠ²Π΅ΡΡΠΈ Π½Π΅ ΡΠΎΠ»ΡΠΊΠΎ ΠΊ ΡΠΊΠΎΡΠ΅ΠΉΡΠ΅ΠΉ ΠΏΠΎΠ»ΠΎΠΌΠΊΠ΅ ΡΠ»Π΅ΠΊΡΡΠΈΡΠ΅ΡΠΊΠΎΠΉ ΡΠ΅ΠΏΠΈ, Π½ΠΎ ΠΈ ΠΊ Π³ΠΎΡΠ°Π·Π΄ΠΎ Π±ΠΎΠ»Π΅Π΅ ΡΡΡΠ°ΡΠ½ΡΠΌ ΠΈ Π½Π΅ΠΏΠΎΠΏΡΠ°Π²ΠΈΠΌΡΠΌ ΠΏΠΎΡΠ»Π΅Π΄ΡΡΠ²ΠΈΡΠΌ, ΠΊΠ°ΠΊ Π΄Π»Ρ ΠΊΠ²Π°ΡΡΠΈΡΡ, ΡΠ°ΠΊ ΠΈ Π΄Π»Ρ ΠΏΡΠΎΠΆΠΈΠ²Π°ΡΡΠΈΡ Π² Π½Π΅ΠΉ Π»ΡΠ΄Π΅ΠΉ.
Π‘Π»Π΅Π΄ΡΠΉΡΠ΅ ΠΈΠ½ΡΡΡΡΠΊΡΠΈΠΈ, ΠΎΡΠ½ΠΎΡΠΈΡΠ΅ΡΡ ΠΊ ΡΠ»Π΅ΠΊΡΡΠΈΡΠ΅ΡΡΠ²Ρ Ρ Π΄ΠΎΠ»ΠΆΠ½ΡΠΌ ΡΠ²Π°ΠΆΠ΅Π½ΠΈΠ΅ΠΌ, ΠΈ Π²ΡΠ΅ ΠΎΠ±ΡΠ·Π°ΡΠ΅Π»ΡΠ½ΠΎ ΠΏΠΎΠ»ΡΡΠΈΡΡΡ.
ΠΡΠΈΠΌΠ΅Ρ ΠΌΠΎΠ½ΡΠ°ΠΆΠ° ΡΠ»Π΅ΠΊΡΡΠΎΠΏΡΠΎΠ²ΠΎΠ΄ΠΊΠΈ Π² ΠΊΠ²Π°ΡΡΠΈΡΠ΅ Π½Π° Π²ΠΈΠ΄Π΅ΠΎ
Π Π°Π·Π²ΠΎΠ΄ΠΊΠ° ΡΠ»Π΅ΠΊΡΡΠΈΠΊΠΈ Π² ΠΊΠ²Π°ΡΡΠΈΡΠ΅

- Π‘ΠΎΡΡΠ°Π²Π»Π΅Π½ΠΈΠ΅ ΡΡ Π΅ΠΌΡ ΡΠ»Π΅ΠΊΡΡΠΎΠΏΡΠΎΠ²ΠΎΠ΄ΠΊΠΈ
- Π Π°ΡΡΠ΅Ρ ΠΌΠ°ΡΠ΅ΡΠΈΠ°Π»Π°
- Π Π°Π·ΠΌΠ΅ΡΠΊΠ° ΡΡΠ΅Π½
- Π¨ΡΡΠΎΠ±Π»Π΅Π½ΠΈΠ΅
- ΠΠΎΠ΄ΠΊΠ»ΡΡΠ΅Π½ΠΈΠ΅ ΡΠΎΠ·Π΅ΡΠΎΠΊ ΠΈ Π²ΡΠΊΠ»ΡΡΠ°ΡΠ΅Π»Π΅ΠΉ
- ΠΠΎΠ΄ΠΊΠ»ΡΡΠ΅Π½ΠΈΠ΅ Π°Π²ΡΠΎΠΌΠ°ΡΠΎΠ² ΠΈ Π£ΠΠ
ΠΡΠ΅ Π½Π΅Π΄Π°Π²Π½ΠΎ Π΄ΠΎΠΌΠ°ΡΠ½ΠΈΠ΅ ΡΠ»Π΅ΠΊΡΡΠΈΡΠ΅ΡΠΊΠΈΠ΅ ΡΠ΅ΡΠΈ ΠΈΡΠΏΡΡΡΠ²Π°Π»ΠΈ ΡΡΠ°Π²Π½ΠΈΡΠ΅Π»ΡΠ½ΠΎ Π½Π΅Π±ΠΎΠ»ΡΡΠΈΠ΅ Π½Π°Π³ΡΡΠ·ΠΊΠΈ. Π Π½Π°ΡΡΠΎΡΡΠ΅Π΅ Π²ΡΠ΅ΠΌΡ ΠΊΠΎΠ»ΠΈΡΠ΅ΡΡΠ²ΠΎ ΠΎΠ±ΠΎΡΡΠ΄ΠΎΠ²Π°Π½ΠΈΡ ΠΈ Π±ΡΡΠΎΠ²ΠΎΠΉ ΡΠ΅Ρ Π½ΠΈΠΊΠΈ Π²ΠΎΠ·ΡΠΎΡΠ»ΠΎ Π² Π½Π΅ΡΠΊΠΎΠ»ΡΠΊΠΎ ΡΠ°Π·. Π‘ΠΎΠΎΡΠ²Π΅ΡΡΡΠ²Π΅Π½Π½ΠΎ Π²ΠΎΠ·ΡΠΎΡΠ»Π° ΠΈ Π½Π°Π³ΡΡΠ·ΠΊΠ°, ΠΊΠΎΡΠΎΡΡΡ ΡΡΠ°ΡΠ°Ρ ΠΏΡΠΎΠ²ΠΎΠ΄ΠΊΠ° Π² Π±ΠΎΠ»ΡΡΠΈΠ½ΡΡΠ²Π΅ ΡΠ»ΡΡΠ°Π΅Π² ΠΏΡΠΎΡΡΠΎ Π½Π΅ Π²ΡΠ΄Π΅ΡΠΆΠΈΠ²Π°Π΅Ρ. Π ΡΠ²ΡΠ·ΠΈ Ρ ΡΡΠΈΠΌ Π²ΡΡΠ°Π΅Ρ Π²ΠΎΠΏΡΠΎΡ ΠΎ Π΅Π΅ Π·Π°ΠΌΠ΅Π½Π΅ ΠΈ ΠΏΡΠΎΠΊΠ»Π°Π΄ΠΊΠ΅ Π½ΠΎΠ²ΡΡ ΠΊΠ°Π±Π΅Π»ΡΠ½ΡΡ Π»ΠΈΠ½ΠΈΠΉ. Π Π΄Π°Π½Π½ΠΎΠΌ ΡΠ»ΡΡΠ°Π΅ Π±ΠΎΠ»ΡΡΠΎΠ΅ Π·Π½Π°ΡΠ΅Π½ΠΈΠ΅ ΠΏΡΠΈΠΎΠ±ΡΠ΅ΡΠ°Π΅Ρ ΡΠ°Π·Π²ΠΎΠ΄ΠΊΠ° ΡΠ»Π΅ΠΊΡΡΠΈΠΊΠΈ Π² ΠΊΠ²Π°ΡΡΠΈΡΠ΅.
Π‘ΠΎΡΡΠ°Π²Π»Π΅Π½ΠΈΠ΅ ΡΡ Π΅ΠΌΡ ΡΠ°Π·Π²ΠΎΠ΄ΠΊΠΈ ΡΠ»Π΅ΠΊΡΡΠΎΠΏΡΠΎΠ²ΠΎΠ΄ΠΊΠΈ
Π‘Ρ Π΅ΠΌΠ° ΠΏΡΠΎΠ²ΠΎΠ΄ΠΊΠΈ ΡΠ»Π΅ΠΊΡΡΠΈΠΊΠΈ Π² ΠΊΠ²Π°ΡΡΠΈΡΠ΅ ΠΈΠΌΠ΅Π΅Ρ ΡΠΎΠ±ΡΡΠ²Π΅Π½Π½ΡΠ΅ ΠΈΠ½Π΄ΠΈΠ²ΠΈΠ΄ΡΠ°Π»ΡΠ½ΡΠ΅ ΠΎΡΠΎΠ±Π΅Π½Π½ΠΎΡΡΠΈ. ΠΡΠΈ ΡΠ°Π·ΡΠ°Π±ΠΎΡΠΊΠ΅ ΡΡ Π΅ΠΌΡ Π½Π΅ΠΎΠ±Ρ ΠΎΠ΄ΠΈΠΌΠΎ ΡΡΠΈΡΡΠ²Π°ΡΡ ΠΏΠ»Π°Π½ΠΈΡΠΎΠ²ΠΊΡ ΠΈ ΡΠ°ΡΠΏΠΎΠ»ΠΎΠΆΠ΅Π½ΠΈΠ΅ ΠΏΠΎΠΌΠ΅ΡΠ΅Π½ΠΈΠΉ, Π° ΡΠ°ΠΊΠΆΠ΅ ΠΏΠΎΡΡΠ΅Π±Π½ΠΎΡΡΠΈ ΠΏΡΠΎΠΆΠΈΠ²Π°ΡΡΠΈΡ Π·Π΄Π΅ΡΡ Π»ΡΠ΄Π΅ΠΉ. Π ΠΊΠ°ΡΠ΅ΡΡΠ²Π΅ ΠΏΡΠΈΠΌΠ΅ΡΠ° ΡΠ΅ΠΊΠΎΠΌΠ΅Π½Π΄ΡΠ΅ΡΡΡ ΡΠ°ΡΡΠΌΠ°ΡΡΠΈΠ²Π°ΡΡ ΡΠΈΠΏΠΎΠ²ΡΡ ΡΡΠ΅Π΄Π½Π΅ΡΡΠ°ΡΠΈΡΡΠΈΡΠ΅ΡΠΊΡΡ ΠΊΠ²Π°ΡΡΠΈΡΡ.

ΠΠ½Π° ΡΠΎΡΡΠΎΠΈΡ ΠΈΠ· Π½Π΅ΡΠΊΠΎΠ»ΡΠΊΠΈΡ ΠΏΠΎΠΌΠ΅ΡΠ΅Π½ΠΈΠΉ β ΠΏΡΠΈΡ ΠΎΠΆΠ΅ΠΉ, Π·Π°Π»Π°, ΡΠΏΠ°Π»ΡΠ½ΠΈ, ΡΡΠ°Π»Π΅ΡΠ°, Π²Π°Π½Π½ΠΎΠΉ ΠΊΠΎΠΌΠ½Π°ΡΡ ΠΈ ΠΊΡΡ Π½ΠΈ. ΠΠ΅ΡΠ΅Π΄ ΡΠΎΡΡΠ°Π²Π»Π΅Π½ΠΈΠ΅ΠΌ ΡΡ Π΅ΠΌΡ, ΡΠ»Π΅Π΄ΡΠ΅Ρ ΡΠΎΡΠ½ΠΎ ΠΎΠΏΡΠ΅Π΄Π΅Π»ΠΈΡΡΡΡ, ΠΊΠ°ΠΊΠΈΠ΅ ΠΏΡΠΈΠ±ΠΎΡΡ ΠΈ ΠΎΠ±ΠΎΡΡΠ΄ΠΎΠ²Π°Π½ΠΈΠ΅ Π±ΡΠ΄ΡΡ ΡΡΡΠ°Π½Π°Π²Π»ΠΈΠ²Π°ΡΡΡΡ Π² ΠΊΠ°ΠΆΠ΄ΠΎΠΌ ΠΈΠ· ΠΊΠΎΠΌΠ½Π°Ρ. ΠΡΠΈ ΠΏΡΠΎΠ²Π΅Π΄Π΅Π½ΠΈΠΈ ΡΠ°ΡΡΠ΅ΡΠΎΠ² ΡΠ»Π΅Π΄ΡΠ΅Ρ ΡΡΠΈΡΡΠ²Π°ΡΡ Π²ΠΎΠ·ΠΌΠΎΠΆΠ½ΠΎΠ΅ Π΄ΠΎΠ±Π°Π²Π»Π΅Π½ΠΈΠ΅ Π² Π΄Π°Π»ΡΠ½Π΅ΠΉΡΠ΅ΠΌ Π½ΠΎΠ²ΡΡ Π±ΡΡΠΎΠ²ΡΡ ΠΏΡΠΈΠ±ΠΎΡΠΎΠ² ΠΈ ΡΠΎΠΎΡΠ²Π΅ΡΡΡΠ²ΡΡΡΠΈΠΉ ΡΠΎΡΡ ΠΏΠΎΡΡΠ΅Π±Π»Π΅Π½ΠΈΡ ΡΠ»Π΅ΠΊΡΡΠΎΡΠ½Π΅ΡΠ³ΠΈΠΈ.
ΠΠΎΡΠ»Π΅ ΠΎΠΏΡΠ΅Π΄Π΅Π»Π΅Π½ΠΈΡ ΠΊΠΎΠ»ΠΈΡΠ΅ΡΡΠ²Π° ΠΏΠΎΡΡΠ΅Π±ΠΈΡΠ΅Π»Π΅ΠΉ, Π½ΡΠΆΠ½ΠΎ ΠΏΠΎΠ΄ΡΡΠΈΡΠ°ΡΡ ΠΈΡ Π½Π°Π³ΡΡΠ·ΠΊΡ ΠΈΠ»ΠΈ ΠΎΠ±ΡΡΡ ΠΌΠΎΡΠ½ΠΎΡΡΡ. ΠΡΠ΅ Π½Π΅ΠΎΠ±Ρ ΠΎΠ΄ΠΈΠΌΡΠ΅ Π΄Π°Π½Π½ΡΠ΅ ΠΌΠΎΠΆΠ½ΠΎ Π½Π°ΠΉΡΠΈ Π² ΡΠ΅Ρ Π½ΠΈΡΠ΅ΡΠΊΠΈΡ ΠΏΠ°ΡΠΏΠΎΡΡΠ°Ρ ΠΈΠ·Π΄Π΅Π»ΠΈΠΉ. ΠΠΎΡΠ»Π΅ ΡΡΠΎΠ³ΠΎ ΠΏΠΎ ΡΠΎΡΠΌΡΠ»Π΅ I=P/U ΠΎΠΏΡΠ΅Π΄Π΅Π»ΡΠ΅ΡΡΡ Π½Π°Π³ΡΡΠ·ΠΊΠ° ΠΏΡΠΈΠ±ΠΎΡΠ° Π² Π°ΠΌΠΏΠ΅ΡΠ°Ρ . ΠΠ° ΠΎΡΠ½ΠΎΠ²Π°Π½ΠΈΠΈ ΠΏΠΎΠ»ΡΡΠ΅Π½Π½ΡΡ Π΄Π°Π½Π½ΡΡ ΡΠΎΡΡΠ°Π²Π»ΡΠ΅ΡΡΡ ΡΡ Π΅ΠΌΠ° ΡΠ»Π΅ΠΊΡΡΠΎΠΏΡΠΎΠ²ΠΎΠ΄ΠΊΠΈ.

ΠΠ½Π°ΡΠ°Π»Π΅ ΡΠ»Π΅Π΄ΡΠ΅Ρ ΠΎΠΏΡΠ΅Π΄Π΅Π»ΠΈΡΡ ΠΊΠΎΠ»ΠΈΡΠ΅ΡΡΠ²ΠΎ ΡΠΎΠ·Π΅ΡΠΎΠΊ ΠΈ ΠΌΠ΅ΡΡΠ° ΠΈΡ ΡΡΡΠ°Π½ΠΎΠ²ΠΊΠΈ. ΠΠ»Ρ ΠΊΡΡ Π½ΠΈ ΠΏΡΠ΅Π΄ΡΡΠΌΠ°ΡΡΠΈΠ²Π°Π΅ΡΡΡ ΡΡΠΈ ΡΠΎΠ·Π΅ΡΠΊΠΈ Π΄Π»Ρ ΡΡΠ΅Ρ Π³ΡΡΠΏΠΏ ΠΏΠΎΡΡΠ΅Π±ΠΈΡΠ΅Π»Π΅ΠΉ. ΠΠ· Π½ΠΈΡ Π΄Π²Π΅ ΡΠΎΠ·Π΅ΡΠΊΠΈ ΠΎΠ±ΡΡΠ½ΡΠ΅ β Π½Π° 16 Π°ΠΌΠΏΠ΅Ρ ΠΈ ΠΎΠ΄Π½Π° β ΡΠΈΠ»ΠΎΠ²Π°Ρ Π½Π° 25 Π°ΠΌΠΏΠ΅Ρ Π΄Π»Ρ ΡΠ»Π΅ΠΊΡΡΠΎΠΏΠ»ΠΈΡΡ. Π Π²Π°Π½Π½ΠΎΠΉ ΠΊΠΎΠΌΠ½Π°ΡΠ΅ Π½ΡΠΆΠ½ΠΎ Π·Π°ΠΏΠ»Π°Π½ΠΈΡΠΎΠ²Π°ΡΡ Π²Π»Π°Π³ΠΎΠ·Π°ΡΠΈΡΠ΅Π½Π½ΡΠ΅ ΡΠΎΠ·Π΅ΡΠΊΠΈ ΠΏΠΎΠ΄ Π²ΠΎΠ΄ΠΎΠ½Π°Π³ΡΠ΅Π²Π°ΡΠ΅Π»Ρ ΠΈ ΡΡΠΈΡΠ°Π»ΡΠ½ΡΡ ΠΌΠ°ΡΠΈΠ½Ρ. Π Π·Π°Π»Π΅ ΠΈ ΡΠΏΠ°Π»ΡΠ½Π΅ ΡΠ΅ΠΊΠΎΠΌΠ΅Π½Π΄ΡΠ΅ΡΡΡ ΡΡΡΠ°Π½Π°Π²Π»ΠΈΠ²Π°ΡΡ ΠΏΠΎ Π΄Π²Π΅ ΡΠΎΠ·Π΅ΡΠΊΠΈ, ΡΡΠΎΠ±Ρ Π½Π΅ ΠΏΠΎΠ»ΡΠ·ΠΎΠ²Π°ΡΡΡΡ ΡΠ΄Π»ΠΈΠ½ΠΈΡΠ΅Π»ΡΠΌΠΈ. ΠΠ°ΠΆΠ΄Π°Ρ ΡΠΎΠ·Π΅ΡΠΊΠ° ΠΏΠΎΠ΄ΠΊΠ»ΡΡΠ°Π΅ΡΡΡ ΠΊ ΠΎΡΠ΄Π΅Π»ΡΠ½ΠΎΠΉ Π»ΠΈΠ½ΠΈΠΈ, ΡΡΠΎ Π·Π°ΠΌΠ΅ΡΠ½ΠΎ ΠΏΠΎΠ²ΡΡΠ°Π΅Ρ Π½Π°Π΄Π΅ΠΆΠ½ΠΎΡΡΡ ΠΏΡΠΎΠ²ΠΎΠ΄ΠΊΠΈ. ΠΠΈΠ½ΠΈΠΈ ΠΎΡΠ²Π΅ΡΠ΅Π½ΠΈΡ ΠΏΠΎΠ΄Π²ΠΎΠ΄ΡΡΡΡ ΠΊ ΠΎΡΠ΄Π΅Π»ΡΠ½ΠΎΠΌΡ Π°Π²ΡΠΎΠΌΠ°ΡΡ .
Π ΡΠ΅Π·ΡΠ»ΡΡΠ°ΡΠ΅ ΠΏΡΠΈΠΌΠ΅Π½Π΅Π½ΠΈΡ Π΄Π°Π½Π½ΠΎΠΉ ΡΡ Π΅ΠΌΡ ΠΎΠ±Π΅ΡΠΏΠ΅ΡΠΈΠ²Π°Π΅ΡΡΡ Π½Π°Π΄Π΅ΠΆΠ½Π°Ρ Π·Π°ΡΠΈΡΠ° ΠΊΠ°ΠΆΠ΄ΠΎΠΉ Π»ΠΈΠ½ΠΈΠΈ ΠΎΡ Π²ΠΎΠ·ΠΌΠΎΠΆΠ½ΡΡ ΠΏΠ΅ΡΠ΅Π³ΡΡΠ·ΠΎΠΊ, ΠΏΠΎΡΠΊΠΎΠ»ΡΠΊΡ Π²ΡΠ΅ ΠΎΠ½ΠΈ ΠΏΠΎΠ΄ΠΊΠ»ΡΡΠ΅Π½Ρ ΠΊ ΡΠΎΠ±ΡΡΠ²Π΅Π½Π½ΠΎΠΌΡ Π°Π²ΡΠΎΠΌΠ°ΡΡ. ΠΠ»Ρ ΡΠΎΠ΅Π΄ΠΈΠ½Π΅Π½ΠΈΡ ΠΏΡΠΎΠ²ΠΎΠ΄ΠΎΠ² ΠΈΡΠΏΠΎΠ»ΡΠ·ΡΡΡΡΡ ΠΏΡΠΎΠΌΠ΅ΠΆΡΡΠΎΡΠ½ΡΠ΅ ΡΠ°ΡΠΏΡΠ΅Π΄Π΅Π»ΠΈΡΠ΅Π»ΡΠ½ΡΠ΅ ΠΊΠΎΡΠΎΠ±ΠΊΠΈ. Π ΠΊΠ°ΡΠ΅ΡΡΠ²Π΅ Π΄ΠΎΠΏΠΎΠ»Π½ΠΈΡΠ΅Π»ΡΠ½ΠΎΠΉ Π·Π°ΡΠΈΡΡ ΠΌΠΎΠ³ΡΡ ΡΡΡΠ°Π½Π°Π²Π»ΠΈΠ²Π°ΡΡΡΡ ΡΡΡΡΠΎΠΉΡΡΠ²Π° Π·Π°ΡΠΈΡΠ½ΠΎΠ³ΠΎ ΠΎΡΠΊΠ»ΡΡΠ΅Π½ΠΈΡ Π½Π° Π²Π²ΠΎΠ΄Π΅ ΠΈ Π½Π° ΠΊΠ°ΠΆΠ΄ΠΎΠΉ Π»ΠΈΠ½ΠΈΠΈ ΠΏΡΠΎΠ²ΠΎΠ΄ΠΊΠΈ.
Π Π°ΡΡΠ΅Ρ ΠΌΠ°ΡΠ΅ΡΠΈΠ°Π»Π°
ΠΠΎΡΠ»Π΅ ΠΏΡΠΎΠ²Π΅Π΄Π΅Π½ΠΈΡ ΠΏΡΠ΅Π΄Π²Π°ΡΠΈΡΠ΅Π»ΡΠ½ΡΡ ΡΠ°ΡΡΠ΅ΡΠΎΠ² ΠΈ ΡΠΎΡΡΠ°Π²Π»Π΅Π½ΠΈΡ ΡΡ Π΅ΠΌΡ, Π½Π΅ΠΎΠ±Ρ ΠΎΠ΄ΠΈΠΌΠΎ ΡΠ°ΡΡΡΠΈΡΠ°ΡΡ ΠΏΠΎΡΡΠ΅Π±Π½ΠΎΠ΅ ΠΊΠΎΠ»ΠΈΡΠ΅ΡΡΠ²ΠΎ ΠΌΠ°ΡΠ΅ΡΠΈΠ°Π»ΠΎΠ². Π ΠΏΠ΅ΡΠ²ΡΡ ΠΎΡΠ΅ΡΠ΅Π΄Ρ ΡΡΠΎ ΠΊΠ°ΡΠ°Π΅ΡΡΡ ΡΠ»Π΅ΠΊΡΡΠΎΠΏΡΠΎΠ²ΠΎΠ΄ΠΊΠΈ, ΠΏΠΎΡΠΊΠΎΠ»ΡΠΊΡ ΠΈΠΌΠ΅Π½Π½ΠΎ ΠΎΠ½Π° ΠΎΠ±Π΅ΡΠΏΠ΅ΡΠΈΠ²Π°Π΅Ρ Π½ΠΎΡΠΌΠ°Π»ΡΠ½ΡΡ ΡΠ°Π±ΠΎΡΡ ΠΏΡΠΈΠ±ΠΎΡΠΎΠ² ΠΈ ΠΎΠ±ΠΎΡΡΠ΄ΠΎΠ²Π°Π½ΠΈΡ.

ΠΠΎΡΡΠ΅Π±Π½ΡΠΉ ΠΌΠ΅ΡΡΠ°ΠΆ ΠΊΠ°Π±Π΅Π»Ρ ΡΠ°ΡΡΡΠΈΡΡΠ²Π°Π΅ΡΡΡ ΠΈΡΡ ΠΎΠ΄Ρ ΠΈΠ· ΠΊΠΎΠ»ΠΈΡΠ΅ΡΡΠ²Π° ΡΠΎΠ·Π΅ΡΠΎΠΊ, Π²ΡΠΊΠ»ΡΡΠ°ΡΠ΅Π»Π΅ΠΉ, ΠΏΡΠΈΠ±ΠΎΡΠΎΠ² ΠΎΡΠ²Π΅ΡΠ΅Π½ΠΈΡ ΠΈ ΠΌΠ΅ΡΡ ΠΈΡ ΡΡΡΠ°Π½ΠΎΠ²ΠΊΠΈ. Π‘ ΠΏΠΎΠΌΠΎΡΡΡ ΡΡΠ»Π΅ΡΠΊΠΈ ΠΈΠ·ΠΌΠ΅ΡΡΠ΅ΡΡΡ ΡΠ°ΡΡΡΠΎΡΠ½ΠΈΠ΅ ΠΎΡ ΡΠΈΡΠΊΠ° Π΄ΠΎ ΠΊΠ°ΠΆΠ΄ΠΎΠΉ ΡΠΎΡΠΊΠΈ. ΠΠΎΠ»ΡΡΠ΅Π½Π½ΡΠ΅ Π΄Π°Π½Π½ΡΠ΅ Π½Π°Π½ΠΎΡΡΡΡΡ Π½Π° ΡΡ Π΅ΠΌΡ Π΄Π»Ρ ΠΏΠΎΡΠ»Π΅Π΄ΡΡΡΠ΅Π³ΠΎ ΡΡΠΌΠΌΠΈΡΠΎΠ²Π°Π½ΠΈΡ. Π ΠΎΠ±ΡΠ΅ΠΌΡ Π·Π½Π°ΡΠ΅Π½ΠΈΡ ΡΠ»Π΅Π΄ΡΠ΅Ρ ΠΏΡΠΈΠ±Π°Π²ΠΈΡΡ Π΅ΡΠ΅ 15% Π½Π° ΡΠ»ΡΡΠ°ΠΉ Π²ΠΎΠ·Π½ΠΈΠΊΠ½ΠΎΠ²Π΅Π½ΠΈΡ Π½Π΅ΠΏΡΠ΅Π΄Π²ΠΈΠ΄Π΅Π½Π½ΡΡ ΡΠΈΡΡΠ°ΡΠΈΠΉ.
ΠΠ°ΠΏΠ°Ρ ΠΊΠ°Π±Π΅Π»Ρ Π½ΡΠΆΠ΅Π½ ΠΏΡΠΈ ΠΏΠΎΠΌΠ΅ΡΠ΅Π½ΠΈΠΈ Π΅Π³ΠΎ Π² Π³ΠΎΡΡΠΈΡΠΎΠ²Π°Π½Π½ΡΠ΅ ΡΡΡΠ±Ρ ΠΈΠ»ΠΈ ΠΊΠ°Π±Π΅Π»Ρ-ΠΊΠ°Π½Π°Π»Ρ. ΠΠ·-Π·Π° Π½Π°Π³ΡΠ΅Π²Π° ΠΏΡΠΎΠ²ΠΎΠ΄ΠΎΠ² Π½Π΅ ΡΠ΅ΠΊΠΎΠΌΠ΅Π½Π΄ΡΠ΅ΡΡΡ ΡΠΊΠ»Π°Π΄ΡΠ²Π°ΡΡ ΠΈΡ Π²ΠΌΠ΅ΡΡΠ΅ ΡΠ²Π΅ΡΡ ΡΡΡΠ°Π½ΠΎΠ²Π»Π΅Π½Π½ΡΡ Π½ΠΎΡΠΌ. Π ΡΠ²ΡΠ·ΠΈ Ρ ΡΡΠΈΠΌ ΠΌΠΎΠΆΠ΅Ρ ΠΏΠΎΠ½Π°Π΄ΠΎΠ±ΠΈΡΡΡΡ ΠΏΠ°ΡΠ°Π»Π»Π΅Π»ΡΠ½Π°Ρ ΠΏΡΠΎΠΊΠ»Π°Π΄ΠΊΠ°, ΡΡΠΎ ΠΏΡΠΈΠ²Π΅Π΄Π΅Ρ ΠΊ Π΄ΠΎΠΏΠΎΠ»Π½ΠΈΡΠ΅Π»ΡΠ½ΡΠΌ ΠΈΠ·Π³ΠΈΠ±Π°ΠΌ ΠΈ ΠΏΠΎΠ²ΠΎΡΠΎΡΠ°ΠΌ.

Π‘ΠΎΠ²ΡΠ΅ΠΌΠ΅Π½Π½Π°Ρ ΠΏΡΠΎΠ²ΠΎΠ΄ΠΊΠ° ΠΏΡΠΎΠΊΠ»Π°Π΄ΡΠ²Π°Π΅ΡΡΡ Ρ ΠΏΠΎΠΌΠΎΡΡΡ ΡΡΠ΅Ρ ΠΆΠΈΠ»ΡΠ½ΠΎΠ³ΠΎ ΠΌΠ΅Π΄Π½ΠΎΠ³ΠΎ ΠΊΠ°Π±Π΅Π»Ρ. Π‘Π΅ΡΠ΅Π½ΠΈΠ΅ ΠΏΠΎΠ΄Π±ΠΈΡΠ°Π΅ΡΡΡ ΡΠΎΠ³Π»Π°ΡΠ½ΠΎ ΡΠ°ΡΡΡΠΈΡΠ°Π½Π½ΠΎΠΉ ΠΌΠΎΡΠ½ΠΎΡΡΠΈ Ρ ΠΏΡΠΈΠΌΠ΅Π½Π΅Π½ΠΈΠ΅ΠΌ ΡΠΏΠ΅ΡΠΈΠ°Π»ΡΠ½ΡΡ ΡΠ°Π±Π»ΠΈΡ. ΠΡΠ»ΠΈ Π² ΠΊΠ²Π°ΡΡΠΈΡΠ΅ ΠΏΡΠΈΡΡΡΡΡΠ²ΡΠ΅Ρ ΡΡΠ°Π½Π΄Π°ΡΡΠ½ΡΠΉ Π½Π°Π±ΠΎΡ Π±ΡΡΠΎΠ²ΠΎΠΉ ΡΠ΅Ρ Π½ΠΈΠΊΠΈ ΠΈ ΠΎΠ±ΠΎΡΡΠ΄ΠΎΠ²Π°Π½ΠΈΡ, ΡΠΎ ΠΊ ΡΠΎΠ·Π΅ΡΠΊΠ°ΠΌ ΠΏΠΎΠ΄Π²ΠΎΠ΄ΠΈΡΡΡ ΠΏΡΠΎΠ²ΠΎΠ΄, ΡΠ΅ΡΠ΅Π½ΠΈΠ΅ΠΌ 2,5 ΠΌΠΌ2, Π° ΠΊ ΠΏΡΠΈΠ±ΠΎΡΠ°ΠΌ ΠΎΡΠ²Π΅ΡΠ΅Π½ΠΈΡ β 1,5 ΠΌΠΌ2.
ΠΠΎΡΠ»Π΅ ΠΎΠΏΡΠ΅Π΄Π΅Π»Π΅Π½ΠΈΡ ΠΏΠΎΡΡΠ΅Π±Π½ΠΎΡΡΠΈ Π² ΠΏΡΠΎΠ²ΠΎΠ΄ΠΊΠ΅, ΠΏΡΠΎΠ²ΠΎΠ΄ΠΈΡΡΡ ΡΠ°ΡΡΠ΅Ρ Π²ΡΠ΅Ρ ΠΎΡΡΠ°Π»ΡΠ½ΡΡ ΠΌΠ°ΡΠ΅ΡΠΈΠ°Π»ΠΎΠ²: Π²ΡΠΊΠ»ΡΡΠ°ΡΠ΅Π»Π΅ΠΉ, ΡΠΎΠ·Π΅ΡΠΎΠΊ, ΡΠ²Π΅ΡΠΈΠ»ΡΠ½ΠΈΠΊΠΎΠ², ΡΠ°ΡΠΏΡΠ΅Π΄Π΅Π»ΠΈΡΠ΅Π»ΡΠ½ΡΡ ΠΊΠΎΡΠΎΠ±ΠΎΠΊ, Π³ΠΎΡΡΠΈΡΠΎΠ²Π°Π½Π½ΡΡ ΡΡΡΠ±, ΠΊΠ°Π±Π΅Π»Ρ-ΠΊΠ°Π½Π°Π»ΠΎΠ², ΠΊΠ»Π΅ΠΌΠΌΠ½ΠΈΠΊΠΎΠ², ΠΊΡΠ΅ΠΏΠ»Π΅Π½ΠΈΠΉ ΠΈ Π΄ΡΡΠ³ΠΈΡ Π½Π΅ΠΎΠ±Ρ ΠΎΠ΄ΠΈΠΌΡΡ ΠΈΠ·Π΄Π΅Π»ΠΈΠΉ. ΠΠ»Ρ ΠΏΠΎΠ΄ΠΊΠ»ΡΡΠ΅Π½ΠΈΡ Π²ΡΠ΅Ρ Π»ΠΈΠ½ΠΈΠΉ ΠΏΠΎΠ½Π°Π΄ΠΎΠ±ΠΈΡΡΡ ΡΠ°ΡΠΏΡΠ΅Π΄Π΅Π»ΠΈΡΠ΅Π»ΡΠ½ΡΠΉ ΡΠΈΡΠΎΠΊ. ΠΠ°ΡΠΈΡΠ° ΠΎΡ ΡΠΊΠ°ΡΠΊΠΎΠ² Π½Π°ΠΏΡΡΠΆΠ΅Π½ΠΈΡ ΠΎΡΡΡΠ΅ΡΡΠ²Π»ΡΠ΅ΡΡΡ Ρ ΠΏΠΎΠΌΠΎΡΡΡ ΡΡΠ°Π±ΠΈΠ»ΠΈΠ·Π°ΡΠΎΡΠ°. ΠΠΎΠΆΠ½ΠΎ ΠΏΡΠΈΠΎΠ±ΡΠ΅ΡΡΠΈ ΠΎΠ΄ΠΈΠ½ ΠΌΠΎΡΠ½ΡΠΉ ΠΏΡΠΈΠ±ΠΎΡ Π΄Π»Ρ Π²ΡΠ΅ΠΉ ΠΊΠ²Π°ΡΡΠΈΡΡ ΠΈΠ»ΠΈ Π½Π΅ΡΠΊΠΎΠ»ΡΠΊΠΎ ΡΡΡΡΠΎΠΉΡΡΠ² ΠΌΠ°Π»ΠΎΠΉ ΠΌΠΎΡΠ½ΠΎΡΡΠΈ, ΠΏΠΎΠ΄ΠΊΠ»ΡΡΠ°Π΅ΠΌΡΡ ΡΠΎΠ»ΡΠΊΠΎ ΠΊ ΡΠΎΠΉ Π±ΡΡΠΎΠ²ΠΎΠΉ ΡΠ΅Ρ Π½ΠΈΠΊΠ΅, ΠΊΠΎΡΠΎΡΠ°Ρ ΡΡΠ²ΡΡΠ²ΠΈΡΠ΅Π»ΡΠ½Π° ΠΊ ΡΠΊΠ°ΡΠΊΠ°ΠΌ.
Π Π°Π·ΠΌΠ΅ΡΠΊΠ° ΡΡΠ΅Π½ ΠΈ ΡΠ°Π·Π²ΠΎΠ΄ΠΊΠ° ΡΠ»Π΅ΠΊΡΡΠΈΠΊΠΈ ΠΏΠΎ ΠΊΠ²Π°ΡΡΠΈΡΠ΅
ΠΠ΅ΡΠ΅Π΄ ΠΏΡΠΎΠ²Π΅Π΄Π΅Π½ΠΈΠ΅ΠΌ ΡΠ°Π·ΠΌΠ΅ΡΠΊΠΈ Π½Π΅ΠΎΠ±Ρ ΠΎΠ΄ΠΈΠΌΠΎ ΠΎΠ·Π½Π°ΠΊΠΎΠΌΠΈΡΡΡΡ Ρ ΡΠ°Π·Π²Π΅ΡΠ½ΡΡΡΠΌ ΡΠΈΠΏΠΎΠ²ΠΎΠΉ ΡΠ»Π΅ΠΊΡΡΠΈΡΠ΅ΡΠΊΠΎΠΉ ΡΡ Π΅ΠΌΠΎΠΉ, Π² ΠΊΠΎΡΠΎΡΠΎΠΉ ΠΎΡΠΌΠ΅ΡΠ΅Π½Π° ΠΊΠ°ΠΆΠ΄Π°Ρ ΠΊΠΎΠΌΠ½Π°ΡΠ° ΠΈ Π²ΡΠ΅ Π·Π΄Π°Π½ΠΈΠ΅ ΡΠ΅Π»ΠΈΠΊΠΎΠΌ. ΠΡΠΎΠΌΠ΅ ΡΠΎΠ³ΠΎ, Π½ΡΠΆΠ½ΠΎ ΠΈΠ·ΡΡΠΈΡΡ ΠΌΠΎΠ½ΡΠ°ΠΆΠ½ΡΠ΅ ΡΠ΅ΡΡΠ΅ΠΆΠΈ, Π³Π΄Π΅ ΡΠΊΠ°Π·Π°Π½ΠΎ ΡΠ°ΡΠΏΠΎΠ»ΠΎΠΆΠ΅Π½ΠΈΠ΅ ΠΊΠ°ΠΆΠ΄ΠΎΠ³ΠΎ ΡΠ»Π΅ΠΌΠ΅Π½ΡΠ° ΠΏΡΠΎΠ²ΠΎΠ΄ΠΊΠΈ. ΠΠ΄Π΅ΡΡ ΠΆΠ΅ ΡΠΎΠ΄Π΅ΡΠΆΠΈΡΡΡ ΠΈΠ½ΡΠΎΡΠΌΠ°ΡΠΈΡ ΠΎ Π²ΠΎΠ΄ΠΎΠΏΡΠΎΠ²ΠΎΠ΄Π΅, Π³Π°Π·ΠΎΠΏΡΠΎΠ²ΠΎΠ΄Π΅, ΠΎΡΠΎΠΏΠ»Π΅Π½ΠΈΠΈ ΠΈ Π΄ΡΡΠ³ΠΈΡ ΡΠΈΡΡΠ΅ΠΌΠ°Ρ . ΠΠ½Π° Π½Π΅ΠΎΠ±Ρ ΠΎΠ΄ΠΈΠΌΠ°, ΡΡΠΎΠ±Ρ ΡΡΠ΅ΡΡΡ Π²Π·Π°ΠΈΠΌΠ½ΠΎΠ΅ Π²Π»ΠΈΡΠ½ΠΈΠ΅ Π²ΡΠ΅Ρ ΡΠ΅ΡΠ΅ΠΉ. ΠΡΠΎ ΠΏΠΎΠ·Π²ΠΎΠ»ΠΈΡ ΠΈΠ·Π±Π΅ΠΆΠ°ΡΡ ΡΠ΅ΡΡΠ΅Π·Π½ΡΡ ΠΎΡΠΈΠ±ΠΎΠΊ, ΠΊΠΎΡΠΎΡΡΠ΅ Π² Π±ΡΠ΄ΡΡΠ΅ΠΌ Π½Π΅ ΡΠΌΠΎΠ³ΡΡ Π±ΡΡΡ ΠΈΡΠΏΡΠ°Π²Π»Π΅Π½Ρ.

ΠΡΠΈ Π²ΡΠΏΠΎΠ»Π½Π΅Π½ΠΈΠΈ ΡΠ°Π·ΠΌΠ΅ΡΠΊΠΈ Π½Π° ΡΡΠ΅Π½Ρ ΠΈ ΠΏΠΎΡΠΎΠ»ΠΎΠΊ Π½Π°Π½ΠΎΡΡΡΡΡ ΠΎΠ±ΠΎΠ·Π½Π°ΡΠ΅Π½ΠΈΡ ΠΌΠ΅ΡΡ, Π³Π΄Π΅ Π±ΡΠ΄ΡΡ ΡΠ°ΡΠΏΠΎΠ»Π°Π³Π°ΡΡΡΡ ΡΠΎΠ·Π΅ΡΠΊΠΈ, Π²ΡΠΊΠ»ΡΡΠ°ΡΠ΅Π»ΠΈ, ΡΠ²Π΅ΡΠΈΠ»ΡΠ½ΠΈΠΊΠΈ, ΡΠ°ΡΠΏΡΠ΅Π΄Π΅Π»ΠΈΡΠ΅Π»ΡΠ½ΡΠ΅ ΠΊΠΎΡΠΎΠ±ΠΊΠΈ, ΡΠΈΡΠΎΠΊ ΠΈ Π΄ΡΡΠ³ΠΎΠ΅ ΠΎΠ±ΠΎΡΡΠ΄ΠΎΠ²Π°Π½ΠΈΠ΅. ΠΡΠ΅ Π½Π΅ΠΎΠ±Ρ ΠΎΠ΄ΠΈΠΌΡΠ΅ Π΄Π°Π½Π½ΡΠ΅ Π±Π΅ΡΡΡΡΡ ΠΈΠ· ΠΏΡΠ΅Π΄Π²Π°ΡΠΈΡΠ΅Π»ΡΠ½ΠΎ ΡΠΎΡΡΠ°Π²Π»Π΅Π½Π½ΠΎΠΉ ΡΡ Π΅ΠΌΡ.
ΠΠΎΠ΄ ΡΡΡΠ°Π½ΠΎΠ²ΠΎΡΠ½ΡΠ΅ ΠΊΠΎΡΠΎΠ±ΠΊΠΈ Π·Π°ΡΠ°Π½Π΅Π΅ ΠΎΡΠΌΠ΅ΡΠ°ΡΡΡΡ Π³ΡΠ°Π½ΠΈΡΡ ΡΠ³Π»ΡΠ±Π»Π΅Π½ΠΈΠΉ. ΠΠ΅ΠΎΠ±Ρ ΠΎΠ΄ΠΈΠΌΠΎ ΡΡΠΈΡΡΠ²Π°ΡΡ Π²ΠΎΠ·ΠΌΠΎΠΆΠ½ΠΎΡΡΡ ΠΏΠΎΡΠ»Π΅Π΄ΡΡΡΠ΅Π³ΠΎ Π²ΡΡΠ°Π²Π½ΠΈΠ²Π°Π½ΠΈΡ ΡΡΡΠΊΠ°ΡΡΡΠΊΠΈ, ΠΊΡΠ΅ΠΏΠ»Π΅Π½ΠΈΡ ΠΊ ΠΎΡΠ½ΠΎΠ²Π½ΠΎΠΌΡ ΠΏΠΎΡΠΎΠ»ΠΊΡ Π½Π°ΡΡΠΆΠ½ΡΡ ΠΈΠ»ΠΈ ΠΏΠΎΠ΄Π²Π΅ΡΠ½ΡΡ ΠΊΠΎΠ½ΡΡΡΡΠΊΡΠΈΠΉ. Π£ΡΠΎΠ²Π΅Π½Ρ ΠΏΠΎΠ»Π° ΠΌΠΎΠΆΠ΅Ρ ΡΠ²Π΅Π»ΠΈΡΠΈΡΡΡΡ Π·Π° ΡΡΠ΅Ρ Π΄ΠΎΠΏΠΎΠ»Π½ΠΈΡΠ΅Π»ΡΠ½ΡΡ ΠΏΠΎΠΊΡΡΡΠΈΠΉ ΠΏΠ°ΡΠΊΠ΅ΡΠΎΠΌ, Π»Π°ΠΌΠΈΠ½Π°ΡΠΎΠΌ ΠΈ Π΄ΡΡΠ³ΠΈΠΌΠΈ ΠΌΠ°ΡΠ΅ΡΠΈΠ°Π»Π°ΠΌΠΈ. ΠΠ°Π½Π½ΡΠ΅ ΡΠ°ΠΊΡΠΎΡΡ ΡΠΏΠΎΡΠΎΠ±ΡΡΠ²ΡΡΡ ΡΠΌΠ΅Π½ΡΡΠ΅Π½ΠΈΡ Π²Π½ΡΡΡΠ΅Π½Π½Π΅Π³ΠΎ ΠΏΡΠΎΡΡΡΠ°Π½ΡΡΠ²Π° ΠΏΠΎΠΌΠ΅ΡΠ΅Π½ΠΈΡ ΠΈ ΡΠ½ΠΈΠΆΠ°ΡΡ ΡΠΎΡΠ½ΠΎΡΡΡ ΡΠ°ΡΡΠ΅ΡΠΎΠ².

ΠΠ° ΡΠ°ΡΡΠ΅ΡΡ Π²Π»ΠΈΡΠ΅Ρ ΠΎΡΡΡΡΡΡΠ²ΠΈΠ΅ Π²ΠΎ ΠΌΠ½ΠΎΠ³ΠΈΡ ΡΠ»ΡΡΠ°ΡΡ ΡΡΡΠΎΠ³ΠΎΠΉ ΠΏΡΡΠΌΠΎΡΠ³ΠΎΠ»ΡΠ½ΠΎΠΉ Π³Π΅ΠΎΠΌΠ΅ΡΡΠΈΠΈ ΠΏΠΎΠΌΠ΅ΡΠ΅Π½ΠΈΠΉ. ΠΠΎΡΡΠΎΠΌΡ Π½Π΅ΠΎΠ±Ρ ΠΎΠ΄ΠΈΠΌΠΎ ΠΈΡΠΏΠΎΠ»ΡΠ·ΠΎΠ²Π°ΡΡ Π²ΡΡΠ°Π²Π½ΠΈΠ²Π°ΡΡΠΈΠ΅ ΠΏΠΎΠΏΡΠ°Π²ΠΊΠΈ. ΠΡΠ΅ ΠΎΡΠΌΠ΅ΡΠΊΠΈ, Π½Π°Π½Π΅ΡΠ΅Π½Π½ΡΠ΅ Π½Π° ΠΊΠΎΠ½ΡΡΡΡΠΊΡΠΈΠ²Π½ΡΠ΅ ΡΠ»Π΅ΠΌΠ΅Π½ΡΡ, ΠΎΡΠΎΠ±ΡΠ°ΠΆΠ°ΡΡΡΡ Π² ΠΈΡΠΏΠΎΠ»Π½ΠΈΡΠ΅Π»ΡΠ½ΠΎΠΉ ΡΡ Π΅ΠΌΠ΅, ΠΊΠΎΡΠΎΡΡΡ Π½Π΅ΠΎΠ±Ρ ΠΎΠ΄ΠΈΠΌΠΎ Ρ ΡΠ°Π½ΠΈΡΡ ΠΈ ΠΏΡΠΈΠΌΠ΅Π½ΡΡΡ Π²ΠΎ Π²ΡΠ΅ΠΌΡ ΠΏΠΎΡΠ»Π΅Π΄ΡΡΡΠΈΡ ΡΠ΅ΠΌΠΎΠ½ΡΠΎΠ², ΡΡΠΎΠ±Ρ ΠΈΠ·Π±Π΅ΠΆΠ°ΡΡ ΠΏΠΎΠ²ΡΠ΅ΠΆΠ΄Π΅Π½ΠΈΠΉ ΠΏΡΠΎΠ»ΠΎΠΆΠ΅Π½Π½ΡΡ Π»ΠΈΠ½ΠΈΠΉ.
Π¨ΡΡΠΎΠ±Π»Π΅Π½ΠΈΠ΅ ΡΡΠ΅Π½
ΠΠ»Ρ ΡΡΡΡΠΎΠΉΡΡΠ²Π° ΡΠΊΡΡΡΠΎΠΉ ΠΏΡΠΎΠ²ΠΎΠ΄ΠΊΠΈ ΡΡΠ΅Π±ΡΠ΅ΡΡΡ Π²ΡΠΏΠΎΠ»Π½ΠΈΡΡ ΡΡΡΠΎΠ±Π»Π΅Π½ΠΈΠ΅ ΡΡΠ΅Π½ ΠΈ ΠΏΠΎΡΠΎΠ»ΠΊΠΎΠ². ΠΡΠΎ Π΄ΠΎΠ²ΠΎΠ»ΡΠ½ΠΎ ΡΡΡΠ΄ΠΎΠ΅ΠΌΠΊΠΈΠΉ ΠΏΡΠΎΡΠ΅ΡΡ, ΡΡΠ΅Π±ΡΡΡΠΈΠΉ Π½Π°Π²ΡΠΊΠΎΠ² ΠΈΡΠΏΠΎΠ»ΡΠ·ΠΎΠ²Π°Π½ΠΈΡ ΡΠΏΠ΅ΡΠΈΠ°Π»ΡΠ½ΠΎΠ³ΠΎ ΠΈΠ½ΡΡΡΡΠΌΠ΅Π½ΡΠ° ΠΈ ΡΠΎΠ±Π»ΡΠ΄Π΅Π½ΠΈΡ ΠΎΠΏΡΠ΅Π΄Π΅Π»Π΅Π½Π½ΡΡ ΠΏΡΠ°Π²ΠΈΠ». Π ΠΏΡΠΎΡΠ΅ΡΡΠ΅ ΡΠ°Π±ΠΎΡΡ ΠΏΡΠΎΠΈΡΡ ΠΎΠ΄ΠΈΡ Π²ΡΠ΄Π΅Π»Π΅Π½ΠΈΠ΅ Π±ΠΎΠ»ΡΡΠΎΠ³ΠΎ ΠΊΠΎΠ»ΠΈΡΠ΅ΡΡΠ²Π° ΠΏΡΠ»ΠΈ. ΠΠΎΡΡΠΎΠΌΡ Π²ΡΠ΅ Π²Ρ ΠΎΠ΄Ρ Π² Π΄ΡΡΠ³ΠΈΠ΅ ΠΊΠΎΠΌΠ½Π°ΡΡ Π·Π°Π²Π΅ΡΠΈΠ²Π°ΡΡΡΡ Π²Π»Π°ΠΆΠ½ΠΎΠΉ ΡΠΊΠ°Π½ΡΡ.

ΠΠ»Ρ ΡΡΡΡΠΎΠΉΡΡΠ²Π° ΡΡΡΠΎΠ± ΡΠ°ΡΠ΅ Π²ΡΠ΅Π³ΠΎ ΠΈΡΠΏΠΎΠ»ΡΠ·ΡΠ΅ΡΡΡ Π±ΠΎΠ»Π³Π°ΡΠΊΠ°, Π² ΠΊΠΎΡΠΎΡΡΡ ΡΡΡΠ°Π½Π°Π²Π»ΠΈΠ²Π°Π΅ΡΡΡ Π΄ΠΈΡΠΊ Ρ Π°Π»ΠΌΠ°Π·Π½ΡΠΌ Π½Π°ΠΏΡΠ»Π΅Π½ΠΈΠ΅ΠΌ. Π£Π³Π»ΡΠ±Π»Π΅Π½ΠΈΡ ΠΏΠΎΠ»ΡΡΠ°ΡΡΡΡ ΡΠΎΠ²Π½ΡΠΌΠΈ ΠΈ ΠΊΡΠ°ΡΠΈΠ²ΡΠΌΠΈ. Π‘ΡΡΠ΅ΡΡΠ²Π΅Π½Π½ΡΠΌ Π½Π΅Π΄ΠΎΡΡΠ°ΡΠΊΠΎΠΌ ΡΠ²Π»ΡΠ΅ΡΡΡ Π²ΡΠ±ΡΠΎΡ Π±ΠΎΠ»ΡΡΠΎΠ³ΠΎ ΠΊΠΎΠ»ΠΈΡΠ΅ΡΡΠ²Π° ΠΏΡΠ»ΠΈ, ΠΎΡ ΠΊΠΎΡΠΎΡΠΎΠΉ Π½Π΅ Π²ΡΠ΅Π³Π΄Π° ΡΠΏΠ°ΡΠ°ΡΡ Π΄Π°ΠΆΠ΅ ΡΠ΅ΡΠΏΠΈΡΠ°ΡΠΎΡ ΠΈ Π·Π°ΡΠΈΡΠ½ΡΠ΅ ΠΎΡΠΊΠΈ.
ΠΡΠ±ΠΈΠ»ΠΎ ΠΈ ΠΌΠΎΠ»ΠΎΡΠΎΠΊ Π»ΡΡΡΠ΅ Π²ΡΠ΅Π³ΠΎ ΠΏΠΎΠ΄Ρ ΠΎΠ΄ΡΡ Π΄Π»Ρ ΠΏΡΠΎΠΊΠ»Π°Π΄ΠΊΠΈ ΡΡΡΠΎΠ± Π² ΡΡΡΠΊΠ°ΡΡΡΠΊΠ΅. Π Π±Π΅ΡΠΎΠ½Π½ΡΡ ΠΈΠ»ΠΈ ΠΊΠΈΡΠΏΠΈΡΠ½ΡΡ ΡΡΠ΅Π½Π°Ρ ΠΏΡΠ°ΠΊΡΠΈΡΠ΅ΡΠΊΠΈ Π½Π΅Π²ΠΎΠ·ΠΌΠΎΠΆΠ½ΠΎ ΡΠ΄Π΅Π»Π°ΡΡ ΠΊΠ°Π½Π°Π²ΠΊΡ. ΠΠ»Ρ ΡΠ°Π±ΠΎΡΡ Ρ ΡΠ°ΠΊΠΈΠΌΠΈ ΡΡΠ΅Π½Π°ΠΌΠΈ ΡΠ΅ΠΊΠΎΠΌΠ΅Π½Π΄ΡΠ΅ΡΡΡ ΠΏΠΎΠ»ΡΠ·ΠΎΠ²Π°ΡΡΡΡ ΠΏΠ΅ΡΡΠΎΡΠ°ΡΠΎΡΠΎΠΌ.

ΠΠ°ΠΈΠ±ΠΎΠ»Π΅Π΅ ΠΎΠΏΡΠΈΠΌΠ°Π»ΡΠ½ΡΠΌ Π²Π°ΡΠΈΠ°Π½ΡΠΎΠΌ ΡΡΠΈΡΠ°Π΅ΡΡΡ ΡΡΡΠΎΠ±ΠΎΡΠ΅Π·, ΠΏΡΠΈΠΌΠ΅Π½ΡΡΡΠΈΠΉΡΡ ΠΈΠΌΠ΅Π½Π½ΠΎ Π΄Π»Ρ ΡΡΠΈΡ ΡΠ΅Π»Π΅ΠΉ. ΠΠΎ ΡΠ²ΠΎΠ΅ΠΉ ΡΡΡΠΈ ΡΡΠΎ ΠΌΠΎΠ΄ΠΈΡΠΈΡΠΈΡΠΎΠ²Π°Π½Π½Π°Ρ Π±ΠΎΠ»Π³Π°ΡΠΊΠ° Ρ Π΄Π²ΡΠΌΡ Π΄ΠΈΡΠΊΠ°ΠΌΠΈ, ΡΠ°ΡΠΏΠΎΠ»ΠΎΠΆΠ΅Π½Π½ΡΠΌΠΈ Π½Π° ΠΎΠΏΡΠ΅Π΄Π΅Π»Π΅Π½Π½ΠΎΠΌ ΡΠ°ΡΡΡΠΎΡΠ½ΠΈΠΈ ΠΌΠ΅ΠΆΠ΄Ρ ΡΠΎΠ±ΠΎΠΉ. ΠΠ΅ΡΠ΅ΠΌΠ΅ΡΠ΅Π½ΠΈΠ΅ ΠΏΠΎ ΡΡΠ΅Π½Π΅ ΠΎΡΡΡΠ΅ΡΡΠ²Π»ΡΠ΅ΡΡΡ Ρ ΠΏΠΎΠΌΠΎΡΡΡ ΡΠΏΠ΅ΡΠΈΠ°Π»ΡΠ½ΠΎΠΉ ΠΏΠ»Π°ΡΡΠΎΡΠΌΡ. Π ΠΊΠΎΠΆΡΡ Ρ ΠΏΡΠ΅Π΄ΡΡΠΌΠΎΡΡΠ΅Π½ΠΎ ΠΏΠΎΠ΄ΠΊΠ»ΡΡΠ΅Π½ΠΈΠ΅ ΡΡΡΠΎΠΈΡΠ΅Π»ΡΠ½ΠΎΠ³ΠΎ ΠΏΡΠ»Π΅ΡΠΎΡΠ°.
ΠΠ΅ΡΠ΅Π΄ Π½Π°ΡΠ°Π»ΠΎΠΌ ΡΠ°Π±ΠΎΡ Π½Π° ΠΏΠΎΠ²Π΅ΡΡ Π½ΠΎΡΡΡΡ ΠΊΠ°ΡΠ°Π½Π΄Π°ΡΠΎΠΌ ΠΎΡΠΌΠ΅ΡΠ°ΡΡΡΡ Π»ΠΈΠ½ΠΈΠΈ Π±ΡΠ΄ΡΡΠ΅ΠΉ ΠΏΡΠΎΠ²ΠΎΠ΄ΠΊΠΈ, ΠΌΠ΅ΡΡΠ° ΡΡΡΠ°Π½ΠΎΠ²ΠΊΠΈ ΡΠΎΠ·Π΅ΡΠΎΠΊ ΠΈ Π²ΡΠΊΠ»ΡΡΠ°ΡΠ΅Π»Π΅ΠΉ. ΠΠΎΡΠ»Π΅ ΡΡΠΎΠ³ΠΎ ΠΏΡΠΎΡΠ΅Π·Π°ΡΡΡΡ ΠΊΠ°Π½Π°Π²ΠΊΠΈ ΠΈ ΡΠ³Π»ΡΠ±Π»Π΅Π½ΠΈΡ Π² ΠΎΡΠΌΠ΅ΡΠ΅Π½Π½ΡΡ ΠΌΠ΅ΡΡΠ°Ρ . ΠΠΎΡΠ»Π΅ ΡΠΊΠ»Π°Π΄ΠΊΠΈ ΠΏΡΠΎΠ²ΠΎΠ΄ΠΎΠ² ΠΈ ΡΡΡΠ°Π½ΠΎΠ²ΠΊΠΈ ΡΠΎΠ·Π΅ΡΠΎΠΊ Π²ΡΠΏΠΎΠ»Π½ΡΠ΅ΡΡΡ ΠΈΡ ΡΠΈΠΊΡΠ°ΡΠΈΡ Π³ΠΈΠΏΡΠΎΠΌ ΡΡΡΠΎΠΈΡΠ΅Π»ΡΠ½ΡΠΌ β Π°Π»Π΅Π±Π°ΡΡΡΠΎΠΌ.
ΠΠΎΠ΄ΠΊΠ»ΡΡΠ΅Π½ΠΈΠ΅ ΡΠΎΠ·Π΅ΡΠΎΠΊ ΠΈ Π²ΡΠΊΠ»ΡΡΠ°ΡΠ΅Π»Π΅ΠΉ
Π ΠΎΠ·Π΅ΡΠΊΠΈ ΠΈ Π²ΡΠΊΠ»ΡΡΠ°ΡΠ΅Π»ΠΈ ΡΠ²Π»ΡΡΡΡΡ Π²Π°ΠΆΠ½Π΅ΠΉΡΠΈΠΌΠΈ ΡΠ»Π΅ΠΌΠ΅Π½ΡΠ°ΠΌΠΈ ΠΏΡΠΎΠ²ΠΎΠ΄ΠΊΠΈ Π² ΠΊΠ²Π°ΡΡΠΈΡΠ΅. ΠΠ½Π°ΡΠ°Π»Π΅ Π½ΡΠΆΠ½ΠΎ ΡΡΡΠ°Π½ΠΎΠ²ΠΈΡΡ ΡΠ°ΡΠΏΡΠ΅Π΄Π΅Π»ΠΈΡΠ΅Π»ΡΠ½ΡΡ ΠΊΠΎΡΠΎΠ±ΠΊΡ, ΠΎΡ ΠΊΠΎΡΠΎΡΠΎΠΉ Π±ΡΠ΄ΡΡ Π²ΡΡ ΠΎΠ΄ΠΈΡΡ ΠΏΡΠΎΠ²ΠΎΠ΄Π° ΠΊ ΡΠΎΠ·Π΅ΡΠΊΠ΅ ΠΈ Π²ΡΠΊΠ»ΡΡΠ°ΡΠ΅Π»Ρ. ΠΠΎΡΠ»Π΅ ΡΡΠΎΠ³ΠΎ ΡΡΡΠ°Π½Π°Π²Π»ΠΈΠ²Π°ΡΡΡΡ ΠΏΠΎΠ΄ΡΠΎΠ·Π΅ΡΠ½ΠΈΠΊΠΈ, Π² ΠΊΠΎΡΠΎΡΡΠ΅ ΠΌΠΎΠ½ΡΠΈΡΡΡΡΡΡ Π½Π΅ΠΎΠ±Ρ ΠΎΠ΄ΠΈΠΌΡΠ΅ ΡΠ»Π΅ΠΊΡΡΠΎΡΡΡΠ°Π½ΠΎΠ²ΠΎΡΠ½ΡΠ΅ ΠΈΠ·Π΄Π΅Π»ΠΈΡ.

ΠΠ»Ρ Π½ΠΎΡΠΌΠ°Π»ΡΠ½ΠΎΠ³ΠΎ ΡΠΎΠ΅Π΄ΠΈΠ½Π΅Π½ΠΈΡ ΠΏΡΠΎΠ²ΠΎΠ΄Π° Ρ ΡΠΎΠ·Π΅ΡΠΊΠΎΠΉ ΠΈ Π²ΡΠΊΠ»ΡΡΠ°ΡΠ΅Π»Π΅ΠΌ Π½Π΅ΠΎΠ±Ρ ΠΎΠ΄ΠΈΠΌΠΎ ΠΎΡΡΠ°Π²ΠΈΡΡ Π·Π°ΠΏΠ°Ρ ΠΏΡΠΈΠΌΠ΅ΡΠ½ΠΎ 10-12 ΡΠΌ. ΠΠΎΡΠ»Π΅ Π²ΡΠ΅Ρ ΠΏΠΎΠ΄ΠΊΠ»ΡΡΠ΅Π½ΠΈΠΉ ΡΠ»Π΅Π΄ΡΠ΅Ρ ΠΏΡΠΎΠ²Π΅ΡΠΈΡΡ ΡΠ°Π±ΠΎΡΠΎΡΠΏΠΎΡΠΎΠ±Π½ΠΎΡΡΡ ΡΡΡΠ°Π½ΠΎΠ²Π»Π΅Π½Π½ΡΡ ΠΏΡΠΈΠ±ΠΎΡΠΎΠ². ΠΡΠ΅ ΡΠ°Π±ΠΎΡΡ Π²ΡΠΏΠΎΠ»Π½ΡΡΡΡΡ ΠΏΡΠΈ ΠΎΠ±Π΅ΡΡΠΎΡΠ΅Π½Π½ΠΎΠΉ ΡΠ»Π΅ΠΊΡΡΠΈΡΠ΅ΡΠΊΠΎΠΉ ΡΠ΅ΡΠΈ.
ΠΠΎΠ΄ΠΊΠ»ΡΡΠ΅Π½ΠΈΠ΅ Π°Π²ΡΠΎΠΌΠ°ΡΠΎΠ² ΠΈ Π£ΠΠ
ΠΠ°ΡΠΈΡΠ° ΠΎΠ΄Π½ΠΎΡΠ°Π·Π½ΡΡ ΡΠ΅ΡΠ΅ΠΉ, Π½Π°ΠΏΡΡΠΆΠ΅Π½ΠΈΠ΅ΠΌ 220 Π²ΠΎΠ»ΡΡ, ΠΎΡΡΡΠ΅ΡΡΠ²Π»ΡΠ΅ΡΡΡ Ρ ΠΏΠΎΠΌΠΎΡΡΡ ΠΎΠ΄Π½ΠΎ- ΠΈΠ»ΠΈ Π΄Π²ΡΡ ΠΏΠΎΠ»ΡΡΠ½ΡΡ Π°Π²ΡΠΎΠΌΠ°ΡΠΎΠ². ΠΠΎΠ΄ΠΊΠ»ΡΡΠ΅Π½ΠΈΠ΅ ΠΏΠΎ ΡΡ Π΅ΠΌΠ΅ TN-C Ρ Π΄Π²ΡΠΌΡ ΠΏΡΠΎΠ²ΠΎΠ΄Π°ΠΌΠΈ ΡΠ°Π·Ρ ΠΈ Π½ΡΠ»Ρ Π²ΡΠΏΠΎΠ»Π½ΡΠ΅ΡΡΡ ΡΠ»Π΅Π΄ΡΡΡΠΈΠΌ ΠΎΠ±ΡΠ°Π·ΠΎΠΌ: ΠΡΠΎΠ²ΠΎΠ΄ ΡΠ°Π·Ρ ΠΏΠΎΠ΄ΠΊΠ»ΡΡΠ°Π΅ΡΡΡ ΠΊ ΠΏΠ΅ΡΠ²ΠΎΠΉ ΠΊΠ»Π΅ΠΌΠΌΠ΅ Π²Π²ΠΎΠ΄Π½ΠΎΠ³ΠΎ Π°Π²ΡΠΎΠΌΠ°ΡΠ°, Π° Π·Π°ΡΠ΅ΠΌ ΡΠ΅ΡΠ΅Π· ΠΊΠ»Π΅ΠΌΠΌΡ β 2 ΠΈ ΡΡΠ΅ΡΡΠΈΠΊ ΡΠ°ΡΠΏΡΠ΅Π΄Π΅Π»ΡΠ΅ΡΡΡ Π½Π° Π³ΡΡΠΏΠΏΠΎΠ²ΡΠ΅ Π°Π²ΡΠΎΠΌΠ°ΡΡ. ΠΡΠ»Π΅Π²ΠΎΠΉ ΠΏΡΠΎΠ²ΠΎΠ΄ ΠΏΡΠΎΡ ΠΎΠ΄ΠΈΡ ΡΠ΅ΡΠ΅Π· ΡΡΠ΅ΡΡΠΈΠΊ ΠΈ ΡΠΎΠ΅Π΄ΠΈΠ½ΡΠ΅ΡΡΡ Ρ Π½ΡΠ»Π΅Π²ΠΎΠΉ ΡΠΈΠ½ΠΎΠΉ PEN.

ΠΡΠΎΠΌΠ΅ Π°Π²ΡΠΎΠΌΠ°ΡΠΎΠ², ΡΠ°Π·Π²ΠΎΠ΄ΠΊΠ° ΡΠ»Π΅ΠΊΡΡΠΈΠΊΠΈ Π² ΠΊΠ²Π°ΡΡΠΈΡΠ΅ ΠΏΡΠ΅Π΄ΡΡΠΌΠ°ΡΡΠΈΠ²Π°Π΅Ρ ΠΏΠΎΠ΄ΠΊΠ»ΡΡΠ΅Π½ΠΈΠ΅ Π£ΠΠ. ΠΠ³ΠΎ ΡΠ»Π΅Π΄ΡΠ΅Ρ ΡΡΡΠ°Π½Π°Π²Π»ΠΈΠ²Π°ΡΡ ΡΠΎΠ»ΡΠΊΠΎ ΠΏΠΎΡΠ»Π΅ Π°Π²ΡΠΎΠΌΠ°ΡΠ°, ΡΡΠΎΠ±Ρ ΠΎΠ±Π΅ΡΠΏΠ΅ΡΠΈΡΡ Π·Π°ΡΠΈΡΡ Π²ΠΌΠ΅ΡΡΠ΅ ΡΠΎ ΡΡΠ΅ΡΡΠΈΠΊΠΎΠΌ Π² ΡΠ»ΡΡΠ°Π΅ ΡΠ²Π΅Π»ΠΈΡΠ΅Π½ΠΈΡ ΡΠΎΠΊΠ°.

ΠΡΠ»ΠΈ ΠΆΠ΅ Π΄Π»Ρ Π²Π²ΠΎΠ΄Π° Π² ΠΊΠ²Π°ΡΡΠΈΡΡ ΠΈΡΠΏΠΎΠ»ΡΠ·ΡΠ΅ΡΡΡ ΡΡ Π΅ΠΌΠ° TN-C-S ΠΈΠ»ΠΈ TN-S Ρ ΡΡΠ΅ΠΌΡ ΠΏΡΠΎΠ²ΠΎΠ΄Π°ΠΌΠΈ ΡΠ°Π·Ρ, Π½ΡΠ»Ρ ΠΈ Π·Π°Π·Π΅ΠΌΠ»Π΅Π½ΠΈΡ, ΡΡ Π΅ΠΌΠ° ΠΏΠΎΠ΄ΠΊΠ»ΡΡΠ΅Π½ΠΈΡ Π±ΡΠ΄Π΅Ρ ΡΠΆΠ΅ Π΄ΡΡΠ³Π°Ρ. Π€Π°Π·Π° ΠΏΠΎΠ΄ΠΊΠ»ΡΡΠ°Π΅ΡΡΡ ΠΊ ΠΏΠ΅ΡΠ²ΠΎΠΉ ΠΊΠ»Π΅ΠΌΠΌΠ΅, Π° Π½ΠΎΠ»Ρ β ΠΊ ΡΡΠ΅ΡΡΠ΅ΠΉ ΠΊΠ»Π΅ΠΌΠΌΠ΅ Π²Π²ΠΎΠ΄Π½ΠΎΠ³ΠΎ Π΄Π²ΡΡ ΠΏΠΎΠ»ΡΡΠ½ΠΎΠ³ΠΎ Π°Π²ΡΠΎΠΌΠ°ΡΠ°. ΠΠ°Π»Π΅Π΅ ΡΠ°Π·Π° ΡΠΎ Π²ΡΠΎΡΠΎΠΉ Π²ΡΡ ΠΎΠ΄Π½ΠΎΠΉ ΠΊΠ»Π΅ΠΌΠΌΡ ΠΏΡΠΎΡ ΠΎΠ΄ΠΈΡ ΡΠ΅ΡΠ΅Π· ΡΡΠ΅ΡΡΠΈΠΊ ΠΈ Π£ΠΠ, Π° Π·Π°ΡΠ΅ΠΌ ΡΠ°ΡΠΏΡΠ΅Π΄Π΅Π»ΡΠ΅ΡΡΡ Π½Π° Π³ΡΡΠΏΠΏΠΎΠ²ΡΠ΅ Π°Π²ΡΠΎΠΌΠ°ΡΠΈΡΠ΅ΡΠΊΠΈΠ΅ Π²ΡΠΊΠ»ΡΡΠ°ΡΠ΅Π»ΠΈ. ΠΠΎΠ»Ρ ΡΠ°ΠΊΠΆΠ΅ ΠΏΡΠΎΡ ΠΎΠ΄ΠΈΡ ΡΠ΅ΡΠ΅Π· ΡΡΠ΅ΡΡΠΈΠΊ ΠΈ Π£ΠΠ, ΠΏΠΎΡΠ»Π΅ ΡΠ΅Π³ΠΎ ΠΏΠΎΠ΄ΠΊΠ»ΡΡΠ°Π΅ΡΡΡ ΠΊ Π½ΡΠ»Π΅Π²ΠΎΠΉ ΡΠΈΠ½Π΅.
Π¦Π²Π΅ΡΠΎΠ²Π°Ρ ΠΌΠ°ΡΠΊΠΈΡΠΎΠ²ΠΊΠ° ΡΠ΅Π·ΠΈΡΡΠΎΡΠΎΠ² ΠΎΠ½Π»Π°ΠΉΠ½
.
ΠΠ»Π΅ΠΊΡΡΠΈΠΊΠ° Π² ΠΊΠ²Π°ΡΡΠΈΡΠ΅: ΡΠΎΡΡΠ°Π²Π»ΡΠ΅ΠΌ ΡΡ Π΅ΠΌΡ ΠΈ ΠΌΠΎΠ½ΡΠΈΡΡΠ΅ΠΌ ΡΠ²ΠΎΠΈΠΌΠΈ ΡΡΠΊΠ°ΠΌΠΈ
Π Π°Π·Π²ΠΎΠ΄ΠΊΠ° ΡΠ»Π΅ΠΊΡΡΠΈΠΊΠΈ Π² ΠΊΠ²Π°ΡΡΠΈΡΠ΅ β Π²Π°ΠΆΠ½Π΅ΠΉΡΠΈΠΉ ΠΌΠΎΠΌΠ΅Π½Ρ, Ρ ΠΊΠΎΡΠΎΡΠΎΠ³ΠΎ Π½Π°ΡΠΈΠ½Π°Π΅ΡΡΡ Π»ΡΠ±ΠΎΠΉ ΠΊΠ°ΠΏΠΈΡΠ°Π»ΡΠ½ΡΠΉ ΡΠ΅ΠΌΠΎΠ½Ρ. ΠΡΠΎΠ»ΠΎΠΆΠ΅Π½Π½ΡΠ΅ ΠΏΡΠΎΠ²ΠΎΠ΄Π° ΡΠ°ΡΠ΅ Π²ΡΠ΅Π³ΠΎ ΡΠ°ΡΠΏΠΎΠ»Π°Π³Π°ΡΡΡΡ ΠΏΠΎΠ΄ ΠΌΠ½ΠΎΠ³ΠΎΡΠ»ΠΎΠΉΠ½ΡΠΌ Β«ΠΏΠΈΡΠΎΠ³ΠΎΠΌΒ» ΠΈΠ· ΡΡΡΠΊΠ°ΡΡΡΠΊΠΈ ΠΈ Π΄Π΅ΠΊΠΎΡΠ°ΡΠΈΠ²Π½ΠΎΠΉ ΠΎΡΠ΄Π΅Π»ΠΊΠΈ, ΠΈ Π΅ΡΠ»ΠΈ Π½Π΅ ΠΏΡΠ΅Π΄ΡΡΠΌΠΎΡΡΠ΅ΡΡ Π²ΡΠ΅ Π½ΡΠ°Π½ΡΡ Π·Π°ΡΠ°Π½Π΅Π΅, Π½Π΅ΠΏΠΎΠ»Π°Π΄ΠΊΠΈ Π² ΡΠ°Π±ΠΎΡΠ΅ ΡΠ΅ΡΠΈ ΠΈΠ»ΠΈ ΠΏΠΎΠ΄ΠΊΠ»ΡΡΠ΅Π½ΠΈΠ΅ ΠΌΠΎΡΠ½ΠΎΠ³ΠΎ ΠΏΡΠΈΠ±ΠΎΡΠ° ΠΌΠΎΠ³ΡΡ ΠΏΡΠΈΠ²Π΅ΡΡΠΈ ΠΊ Π½ΠΎΠ²ΠΎΠΌΡ ΡΠ΅ΠΌΠΎΠ½ΡΡ. ΠΠΎΡΡΠΎΠΌΡ ΡΠ°ΡΡΠΌΠΎΡΡΠΈΠΌ ΠΏΠΎΡΡΠ°ΠΏΠ½ΠΎ, ΠΊΠ°ΠΊ ΡΠ΄Π΅Π»Π°ΡΡ ΠΏΡΠΎΠ²ΠΎΠ΄ΠΊΡ Π² ΠΊΠ²Π°ΡΡΠΈΡΠ΅, Π° Π²ΠΎΡ ΡΠ²ΠΎΠΈΠΌΠΈ ΡΡΠΊΠ°ΠΌΠΈ ΠΏΡΠΎΠ²ΠΎΠ΄ΠΈΡΡ ΡΠ°Π±ΠΎΡΡ ΠΈΠ»ΠΈ Π΄ΠΎΠ²Π΅ΡΠΈΡΡΡΡ ΠΏΡΠΎΡΠ΅ΡΡΠΈΠΎΠ½Π°Π»ΡΠ½ΠΎΠΌΡ ΡΠ»Π΅ΠΊΡΡΠΈΠΊΡ β ΡΠ΅ΡΠ°ΡΡ Π²Π°ΠΌ.
Π‘ΠΎΡΡΠ°Π²Π»ΡΠ΅ΠΌ ΡΡ Π΅ΠΌΡ ΡΠ»Π΅ΠΊΡΡΠΎΠΏΡΠΎΠ²ΠΎΠ΄ΠΊΠΈ Π² ΠΊΠ²Π°ΡΡΠΈΡΠ΅
ΠΠ»Π°Π²Π½Π°Ρ ΠΎΡΠΈΠ±ΠΊΠ° Π½Π°ΡΠΈΠ½Π°ΡΡΠΈΡ ΠΌΠ°ΡΡΠ΅ΡΠΎΠ² β Π½Π΅ΠΏΡΠ°Π²ΠΈΠ»ΡΠ½ΠΎΠ΅ ΠΏΠ»Π°Π½ΠΈΡΠΎΠ²Π°Π½ΠΈΠ΅ ΠΏΡΠ΅Π΄ΡΡΠΎΡΡΠ΅ΠΉ ΡΠ°Π±ΠΎΡΡ. ΠΡΠΈ ΡΠΎΡΡΠ°Π²Π»Π΅Π½ΠΈΠΈ ΡΡ Π΅ΠΌΡ ΡΠ΅ΡΠΈ Π½Π΅Π»ΡΠ·Ρ ΠΏΡΠΈΠΊΠΈΠ΄ΡΠ²Π°ΡΡ Β«Π½Π° Π³Π»Π°Π·ΠΎΠΊΒ» ΡΠ°ΡΠΏΠΎΠ»ΠΎΠΆΠ΅Π½ΠΈΠ΅ Π»Π°ΠΌΠΏ ΠΈ Π²ΡΠΊΠ»ΡΡΠ°ΡΠ΅Π»Π΅ΠΉ, Π½Π΅ΠΎΠ±Ρ ΠΎΠ΄ΠΈΠΌΠΎ ΠΏΡΠ΅Π΄ΡΡΠΌΠΎΡΡΠ΅ΡΡ ΠΊΠ°ΠΆΠ΄ΡΡ ΠΌΠ΅Π»ΠΎΡΡ, ΡΡΠΎΠ±Ρ ΠΊΠ²Π°ΡΡΠΈΡΠ΅ Π½Π΅ ΠΏΡΠΈΡΠ»ΠΎΡΡ ΠΎΠ±ΡΠ°ΡΡΠ°ΡΡ ΡΡΠΎΠΉΠ½ΠΈΠΊΠ°ΠΌΠΈ ΠΈ ΡΠ΄Π»ΠΈΠ½ΠΈΡΠ΅Π»ΡΠΌΠΈ. ΠΠΎΡΡΠΎΠΌΡ Π±Π΅Π· ΡΠ΅ΡΡΠ΅ΠΆΠ΅ΠΉ ΠΈ ΡΠ°ΡΡΠ΅ΡΠΎΠ² Π½ΠΈΠΊΠ°ΠΊ Π½Π΅ ΠΎΠ±ΠΎΠΉΡΠΈΡΡ.
ΠΠ»Π΅ΠΊΡΡΠΎΠΏΡΠΎΠ²ΠΎΠ΄ΠΊΠ° Π² ΠΊΠ²Π°ΡΡΠΈΡΠ΅ ΡΠ²ΠΎΠΈΠΌΠΈ ΡΡΠΊΠ°ΠΌΠΈ: ΠΏΠΎΡΠ°Π³ΠΎΠ²Π°Ρ ΠΈΠ½ΡΡΡΡΠΊΡΠΈΡ ΡΠΎΡΡΠ°Π²Π»Π΅Π½ΠΈΡ ΡΡ Π΅ΠΌΡ:
1. Π§Π΅ΡΡΠΈΠΌ ΠΎΠ±ΡΠΈΠΉ ΠΏΠ»Π°Π½ ΠΊΠ²Π°ΡΡΠΈΡΡ, ΠΏΠΎΠΌΠ΅ΡΠ°Π΅ΠΌ ΡΠ°ΡΠΏΠΎΠ»ΠΎΠΆΠ΅Π½ΠΈΠ΅ ΠΎΠΊΠΎΠ½ ΠΈ Π΄Π²Π΅ΡΠ΅ΠΉ.
2. Π‘Ρ Π΅ΠΌΠ°ΡΠΈΡΠ΅ΡΠΊΠΈ ΡΠ°ΡΡΡΠ°Π²Π»ΡΠ΅ΠΌ ΠΌΠ΅Π±Π΅Π»Ρ, ΡΠ°Π½ΡΠ΅Ρ Π½ΠΈΠΊΡ ΠΈ Π±ΡΡΠΎΠ²ΡΡ ΡΠ΅Ρ Π½ΠΈΠΊΡ. ΠΠ΅ Π·Π°Π±ΡΠ²Π°Π΅ΠΌ ΠΈ ΠΏΡΠΎ ΠΊΡΡΠΏΠ½ΡΠ΅ Π°ΠΊΡΠ΅ΡΡΡΠ°ΡΡ, ΡΡΠΎΠ±Ρ Π·Π΅ΡΠΊΠ°Π»ΠΎ ΠΈΠ»ΠΈ ΠΊΠ°ΡΡΠΈΠ½Π° Π½Π΅ ΠΎΠΊΠ°Π·Π°Π»Π°ΡΡ Π½Π° ΠΌΠ΅ΡΡΠ΅ Π·Π°ΠΏΠ»Π°Π½ΠΈΡΠΎΠ²Π°Π½Π½ΠΎΠΉ ΡΠΎΠ·Π΅ΡΠΊΠΈ ΠΈΠ»ΠΈ Π²ΡΠΊΠ»ΡΡΠ°ΡΠ΅Π»Ρ. ΠΠ»Ρ Π±ΠΎΠ»ΡΡΠ΅ΠΉ Π½Π°Π³Π»ΡΠ΄Π½ΠΎΡΡΠΈ, ΠΏΠΎΡΡΠ΅Π±ΠΈΡΠ΅Π»ΠΈ ΡΠ»Π΅ΠΊΡΡΠΎΡΠ½Π΅ΡΠ³ΠΈΠΈ ΠΌΠΎΠΆΠ½ΠΎ Π²ΡΠ΄Π΅Π»ΠΈΡΡ ΠΊΡΠ°ΡΠ½ΡΠΌ ΡΠ²Π΅ΡΠΎΠΌ. ΠΠ°ΠΏΡΠΈΠΌΠ΅Ρ, ΡΠ°ΠΊ.
3. Π£ΠΏΡΠΎΡΠ°Π΅ΠΌ ΡΠ΅ΡΡΠ΅ΠΆ: ΡΠ±ΠΈΡΠ°Π΅ΠΌ ΠΌΠ΅Π±Π΅Π»Ρ ΠΈ Π΄ΡΡΠ³ΠΈΠ΅ ΠΏΡΠ΅Π΄ΠΌΠ΅ΡΡ, Π½Π΅ Π½ΡΠΆΠ΄Π°ΡΡΠΈΠ΅ΡΡ Π² ΠΏΠΎΠ΄ΠΊΠ»ΡΡΠ΅Π½ΠΈΠΈ ΠΊ ΡΠ΅ΡΠΈ, Π° Π½Π° ΠΌΠ΅ΡΡΠ΅ ΡΠ°ΡΠΏΠΎΠ»ΠΎΠΆΠ΅Π½ΠΈΡ ΡΠ»Π΅ΠΊΡΡΠΎΠΏΡΠΈΠ±ΠΎΡΠΎΠ² ΠΏΠΎΠΌΠ΅ΡΠ°Π΅ΠΌ ΡΠΎΠ·Π΅ΡΠΊΠΈ (ΠΎΠ΄ΠΈΠ½Π°ΡΠ½ΡΠ΅, Π΄Π²ΠΎΠΉΠ½ΡΠ΅ β Π²ΡΠ΅ Π·Π°Π²ΠΈΡΠΈΡ ΠΎΡ ΠΊΠΎΠ»ΠΈΡΠ΅ΡΡΠ²Π° ΠΏΠΎΡΡΠ΅Π±ΠΈΡΠ΅Π»Π΅ΠΉ).
4. ΠΠ»Ρ ΡΠ΄ΠΎΠ±ΡΡΠ²Π°, ΡΠ΅ΠΊΠΎΠΌΠ΅Π½Π΄ΡΠ΅ΠΌ ΠΏΡΠΎΠ΄ΡΠΌΠ°ΡΡ ΡΡ Π΅ΠΌΠ°ΡΠΈΡΠ΅ΡΠΊΠΎΠ΅ ΠΎΠ±ΠΎΠ·Π½Π°ΡΠ΅Π½ΠΈΠ΅ Π΄Π»Ρ Π²ΡΠ΅Ρ ΡΠ»Π΅ΠΌΠ΅Π½ΡΠΎΠ² ΡΠ΅ΡΠΈ ΠΈΠ»ΠΈ Π²ΠΎΡΠΏΠΎΠ»ΡΠ·ΠΎΠ²Π°ΡΡΡΡ ΠΏΠΎΠ΄ΡΠΊΠ°Π·ΠΊΠΎΠΉ.
5. Π ΠΈΡΠΎΠ³Π΅ ΠΌΡ ΠΏΠΎΠ»ΡΡΠΈΠ»ΠΈ ΡΠΈΠ»ΠΎΠ²ΡΡ ΡΠ°ΡΡΡ ΡΡ Π΅ΠΌΡ ΡΠ»Π΅ΠΊΡΡΠΈΠΊΠΈ Π² ΠΊΠ²Π°ΡΡΠΈΡΠ΅.
6. Π’Π΅ΠΏΠ΅ΡΡ ΠΏΡΠΈΠΌΠ΅ΠΌΡΡ Π·Π° ΡΠ°ΡΡΡΠ°Π½ΠΎΠ²ΠΊΡ ΠΎΡΠ²Π΅ΡΠΈΡΠ΅Π»ΡΠ½ΡΡ ΠΏΡΠΈΠ±ΠΎΡΠΎΠ². ΠΠ±ΡΡΠ½ΠΎ, Π»ΡΡΡΡΡ ΡΠ°ΡΠΏΠΎΠ»Π°Π³Π°ΡΡ Π² ΡΠ΅Π½ΡΡΠ΅ ΠΊΠΎΠΌΠ½Π°ΡΡ. Π§ΡΠΎΠ±Ρ ΠΎΠΏΡΠ΅Π΄Π΅Π»ΠΈΡΡ ΠΌΠ΅ΡΡΠΎ Π²ΡΠ²ΠΎΠ΄Π° ΠΏΡΠΎΠ²ΠΎΠ΄ΠΎΠ² Π΄Π»Ρ Π½ΠΈΡ , Π½Π΅ΠΎΠ±Ρ ΠΎΠ΄ΠΈΠΌΠΎ ΠΈΠ·ΠΌΠ΅ΡΠΈΡΡ ΠΈ ΡΠ°Π·Π΄Π΅Π»ΠΈΡΡ ΠΏΠΎΠΏΠΎΠ»Π°ΠΌ Π΄Π»ΠΈΠ½Ρ ΠΈ ΡΠΈΡΠΈΠ½Ρ ΠΊΠΎΠΌΠ½Π°ΡΡ ΠΈ ΠΎΡΠΌΠ΅ΡΠΈΡΡ Π½Π° ΡΡ Π΅ΠΌΠ΅ ΠΏΠ΅ΡΠ΅ΡΠ΅ΡΠ΅Π½ΠΈΠ΅ Π»ΠΈΠ½ΠΈΠΉ ΠΈΠ· ΡΡΠΈΡ ΡΠΎΡΠ΅ΠΊ. Π ΠΏΠΎΠΌΠ΅ΡΠ΅Π½ΠΈΡΡ Ρ Π½Π΅ΠΏΡΠ°Π²ΠΈΠ»ΡΠ½ΠΎΠΉ Π³Π΅ΠΎΠΌΠ΅ΡΡΠΈΠ΅ΠΉ (Π ΠΈΠ»ΠΈ Π-ΠΎΠ±ΡΠ°Π·Π½ΡΡ ), Π½ΡΠΆΠ½ΠΎ ΠΏΠΎΠ΄Π΅Π»ΠΈΡΡ ΠΊΠΎΠΌΠ½Π°ΡΡ Π½Π° 2 ΠΈΠ»ΠΈ 3 ΡΠ°ΡΡΠΈ ΠΈ Π½Π°ΠΉΡΠΈ ΡΠ΅Π½ΡΡ Π½Π° ΠΊΠ°ΠΆΠ΄ΠΎΠΌ ΡΡΠ°ΡΡΠΊΠ΅. ΠΡΠ»ΠΈ ΠΏΡΠ΅Π΄ΡΡΠΌΠΎΡΡΠ΅Π½ΠΎ Π΄ΠΎΠΏΠΎΠ»Π½ΠΈΡΠ΅Π»ΡΠ½ΠΎΠ΅ ΠΎΡΠ²Π΅ΡΠ΅Π½ΠΈΠ΅ Ρ ΠΏΠΎΠ΄ΠΊΠ»ΡΡΠ΅Π½ΠΈΠ΅ΠΌ ΠΊ ΡΠ΅ΡΠΈ Π±Π΅Π· ΠΈΡΠΏΠΎΠ»ΡΠ·ΠΎΠ²Π°Π½ΠΈΡ ΡΠΎΠ·Π΅ΡΠΎΠΊ, ΠΎΠ±ΠΎΠ·Π½Π°ΡΡΡΠ΅ Π½Π° ΡΡ Π΅ΠΌΠ΅ ΠΈ ΡΡΠΈ ΠΏΡΠΈΠ±ΠΎΡΡ.
7. ΠΡΡΠ°Π»ΠΎΡΡ ΠΏΡΠΎΠ΄ΡΠΌΠ°ΡΡ ΡΠ°ΡΠΏΠΎΠ»ΠΎΠΆΠ΅Π½ΠΈΠ΅ Π²ΡΠΊΠ»ΡΡΠ°ΡΠ΅Π»Π΅ΠΉ. ΠΠΎΠ½ΡΡΠ½ΠΎ, ΡΡΠΎ ΠΎΠ½ΠΈ Π±ΡΠ΄ΡΡ Π½Π°Ρ ΠΎΠ΄ΠΈΡΡΡΡ ΠΏΡΠΈ Π²Ρ ΠΎΠ΄Π΅ Π² ΠΊΠΎΠΌΠ½Π°ΡΡ ΠΈΠ»ΠΈ ΠΎΠΊΠΎΠ»ΠΎ ΠΏΡΠΈΠ±ΠΎΡΠΎΠ² Π·ΠΎΠ½Π°Π»ΡΠ½ΠΎΠ³ΠΎ ΠΎΡΠ²Π΅ΡΠ΅Π½ΠΈΡ, Π·Π΄Π΅ΡΡ Π³Π»Π°Π²Π½ΠΎΠ΅ β ΡΡΠ΅ΡΡΡ, Π² ΠΊΠ°ΠΊΡΡ ΡΡΠΎΡΠΎΠ½Ρ Π±ΡΠ΄Π΅Ρ ΠΎΡΠΊΡΡΠ²Π°ΡΡΡΡ Π΄Π²Π΅ΡΡ, ΡΡΠΎΠ±Ρ Π·Π°ΠΆΠΆΠ΅Π½ΠΈΠ΅ ΡΠ²Π΅ΡΠ° Π½Π΅ ΠΏΡΠ΅Π²ΡΠ°ΡΠΈΠ»ΠΎΡΡ Π² ΠΈΠ³ΡΡ Π½Π° ΠΎΡΡΠΏΡ Π² ΠΏΠΎΠ»Π½ΠΎΠΉ ΡΠ΅ΠΌΠ½ΠΎΡΠ΅. ΠΡΠΊΠ»ΡΡΠ°ΡΠ΅Π»ΠΈ ΡΠ΄ΠΎΠ±Π½ΠΎ ΡΠ°ΡΠΏΠΎΠ»Π°Π³Π°ΡΡ ΠΏΠΎ Π²Π½ΡΡΡΠ΅Π½Π½Π΅ΠΉ ΡΡΠ΅Π½ΠΊΠ΅ ΠΏΠΎΠΌΠ΅ΡΠ΅Π½ΠΈΡ (ΠΈΡΠΊΠ»ΡΡΠ΅Π½ΠΈΠ΅ β Π²Π°Π½Π½Π°Ρ ΠΈ ΡΡΠ°Π»Π΅Ρ).
Π Π΅Π·ΡΠ»ΡΡΠ°ΡΠΎΠΌ ΠΏΠΎΠ΄Π³ΠΎΡΠΎΠ²ΠΈΡΠ΅Π»ΡΠ½ΡΡ ΡΠ°Π±ΠΎΡ ΡΡΠ°Π½Π΅Ρ ΠΎΠ±ΡΠΈΠΉ ΡΠΈΡΡΠ½ΠΎΠΊ, Π½Π° ΠΊΠΎΡΠΎΡΠΎΠΌ Π±ΡΠ΄Π΅Ρ ΡΠΎΠ²ΠΌΠ΅ΡΠ΅Π½ ΠΏΠ»Π°Π½ ΡΠΈΠ»ΠΎΠ²ΠΎΠΉ Π»ΠΈΠ½ΠΈΠΈ, ΡΡ Π΅ΠΌΠ° ΡΠ°Π·ΠΌΠ΅ΡΠ΅Π½ΠΈΡ Π²ΡΠΊΠ»ΡΡΠ°ΡΠ΅Π»Π΅ΠΉ ΠΈ ΠΎΡΠ²Π΅ΡΠΈΡΠ΅Π»ΡΠ½ΡΡ ΠΏΡΠΈΠ±ΠΎΡΠΎΠ².
ΠΡΡΠ°ΡΠΈ, Π΅ΡΠ»ΠΈ Π²Ρ Π½Π΅ Π΄ΡΡΠΆΠ½Ρ Ρ ΡΠ΅ΡΡΠ΅Π½ΠΈΠ΅ΠΌ, Π·Π°ΡΠΎ Π½Π° Β«ΡΡΒ» Ρ ΠΊΠΎΠΌΠΏΡΡΡΠ΅ΡΠΎΠΌ β ΠΌΠΎΠΆΠ½ΠΎ Π²ΡΠ΅ ΡΠ°ΡΡΠ΅ΡΡ ΠΈ ΠΏΠ»Π°Π½ΠΈΡΠΎΠ²Π°Π½ΠΈΠ΅ ΠΏΡΠΎΠΈΠ·Π²Π΅ΡΡΠΈ Π² ΡΠΏΠ΅ΡΠΈΠ°Π»ΡΠ½ΡΡ
ΠΏΡΠΎΠ³ΡΠ°ΠΌΠΌΠ°Ρ
, Π½Π°ΠΏΡΠΈΠΌΠ΅Ρ Β«ΠΠ»Π΅ΠΊΡΡΠΈΠΊΒ», Β«DIAΒ», Β«sPlanΒ», Β«AutoCADΒ», Β«VisioΒ».
ΠΠΎΡΠΌΡ ΠΈ ΡΡΠ°Π½Π΄Π°ΡΡΡ, ΠΊΠΎΡΠΎΡΡΠ΅ Π½ΡΠΆΠ½ΠΎ ΡΡΠ΅ΡΡΡ ΠΏΡΠΈ ΠΏΡΠΎΠΊΠ»Π°Π΄ΠΊΠ΅ ΠΏΡΠΎΠ²ΠΎΠ΄ΠΎΠ²
ΠΠΎ ΡΠΎΠ²ΡΠ΅ΠΌΠ΅Π½Π½ΡΠΌ Π½ΠΎΡΠΌΠ°ΡΠΈΠ²Π°ΠΌ, ΡΠ°Π·Π²ΠΎΠ΄ΠΊΠ° ΡΠ»Π΅ΠΊΡΡΠΎΡΠ½Π°Π±ΠΆΠ΅Π½ΠΈΡ Π΄ΠΎΠ»ΠΆΠ½Π° Π²ΠΊΠ»ΡΡΠ°ΡΡ ΠΌΠΈΠ½ΠΈΠΌΡΠΌ 2 Π°Π²ΡΠΎΠ½ΠΎΠΌΠ½ΡΠ΅ Π»ΠΈΠ½ΠΈΠΈ β ΠΎΡΠ²Π΅ΡΠΈΡΠ΅Π»ΡΠ½ΡΡ ΠΈ ΡΠΈΠ»ΠΎΠ²ΡΡ (ΡΠΎΠ·Π΅ΡΠΎΡΠ½ΡΡ). ΠΡΠΈΡΠ΅ΠΌ ΠΊ ΠΎΠ΄Π½ΠΎΠΉ ΠΎΡΠ²Π΅ΡΠΈΡΠ΅Π»ΡΠ½ΠΎΠΉ Π»ΠΈΠ½ΠΈΠΈ ΠΌΠΎΠΆΠ½ΠΎ ΠΏΠΎΠ΄ΠΊΠ»ΡΡΠ°ΡΡ Π½Π΅ Π±ΠΎΠ»Π΅Π΅ 5-ΡΠΈ ΠΏΡΠΈΠ±ΠΎΡΠΎΠ², Π° ΡΠΎΠ·Π΅ΡΠΎΡΠ½ΠΎΠΉ β ΠΌΠ°ΠΊΡΠΈΠΌΡΠΌ 4 (Π΄Π»Ρ ΠΌΠΎΡΠ½ΡΡ ΠΏΠΎΡΡΠ΅Π±ΠΈΡΠ΅Π»Π΅ΠΉ ΡΠΈΠΏΠ° ΠΌΠΈΠΊΡΠΎΠ²ΠΎΠ»Π½ΠΎΠ²ΠΊΠΈ, ΡΠ»Π΅ΠΊΡΡΠΎΠΏΠ»ΠΈΡΡ ΠΈΠ»ΠΈ ΡΡΠΈΡΠ°Π»ΡΠ½ΠΎΠΉ ΠΌΠ°ΡΠΈΠ½Ρ ΡΠ΅ΠΊΠΎΠΌΠ΅Π½Π΄ΡΠ΅ΡΡΡ Π²ΡΠ΄Π΅Π»ΠΈΡΡ Π΄ΠΎΠΏΠΎΠ»Π½ΠΈΡΠ΅Π»ΡΠ½ΡΠΉ ΠΏΡΠΎΠ²ΠΎΠ΄).
Π‘ΠΎΡΡΠ°Π²Π»ΡΡ ΡΡ
Π΅ΠΌΡ ΠΏΡΠΎΠ²ΠΎΠ΄ΠΊΠΈ Π² ΠΊΠ²Π°ΡΡΠΈΡΠ΅, Π½Π΅ Π·Π°Π±ΡΠ²Π°ΠΉΡΠ΅ ΠΎ ΡΡΠ°Π½Π΄Π°ΡΡΠ°Ρ
:
οΌ
ΠΠ°Π±Π΅Π»Ρ Π΄ΠΎΠ»ΠΆΠ΅Π½ ΠΏΡΠΎΡ ΠΎΠ΄ΠΈΡΡ ΠΎΡ ΠΏΠΎΡΠΎΠ»ΠΊΠ°, ΠΎΠΊΠΎΠ½Π½ΡΡ , Π΄Π²Π΅ΡΠ½ΡΡ ΠΏΡΠΎΠ΅ΠΌΠΎΠ² ΠΈ ΡΠ³Π»ΠΎΠ² Ρ ΠΎΡΡΡΡΠΏΠΎΠΌ Π½Π΅ ΠΌΠ΅Π½ΡΡΠ΅ 10 ΡΠΌ, ΠΎΡ ΠΏΠΎΠ»Π° β ΠΌΠΈΠ½ΠΈΠΌΡΠΌ 15 ΡΠΌ.
οΌ ΠΡΠΎΠ²ΠΎΠ΄Π° ΡΠ»Π΅Π΄ΡΠ΅Ρ ΠΏΡΠΎΠΊΠ»Π°Π΄ΡΠ²Π°ΡΡ ΠΏΠΎ Π³ΠΎΡΠΈΠ·ΠΎΠ½ΡΠ°Π»ΠΈ ΠΈ Π²Π΅ΡΡΠΈΠΊΠ°Π»ΠΈ ΠΏΠΎΠ΄ ΠΏΡΡΠΌΡΠΌ ΡΠ³Π»ΠΎΠΌ Π΄ΡΡΠ³ ΠΊ Π΄ΡΡΠΆΠΊΠ΅, ΡΠΎΠ±Π»ΡΠ΄Π°Ρ ΠΏΠ°ΡΠ°Π»Π»Π΅Π»ΡΠ½ΠΎΡΡΡ Π»ΠΈΠ½ΠΈΠΉ. ΠΠ·Π±Π΅Π³Π°ΠΉΡΠ΅ Π²ΡΠ΅Π²ΠΎΠ·ΠΌΠΎΠΆΠ½ΡΡ ΠΏΠ΅ΡΠ΅ΠΏΠ»Π΅ΡΠ΅Π½ΠΈΠΉ ΠΈ ΠΏΠ΅ΡΠ΅ΡΠ΅ΡΠ΅Π½ΠΈΠΉ (Π·Π°Π·ΠΎΡ ΠΌΠ΅ΠΆΠ΄Ρ ΠΏΡΠΎΠ²ΠΎΠ΄Π°ΠΌΠΈ β ΠΎΡ 3 ΠΌΠΌ). Π’Π°ΠΊΠΆΠ΅ Π½Π΅ ΡΡΠΎΠΈΡ ΡΠΊΠΎΠ½ΠΎΠΌΠΈΡΡ, ΠΏΡΠΎΠ»ΠΎΠΆΠΈΠ² ΠΏΡΠΎΠ²ΠΎΠ΄ ΠΏΠΎ Π΄ΠΈΠ°Π³ΠΎΠ½Π°Π»ΠΈ β ΡΠ»ΠΈΡΠΊΠΎΠΌ Π²Π΅Π»ΠΈΠΊΠ° Π²Π΅ΡΠΎΡΡΠ½ΠΎΡΡΡ Π²ΠΏΠΎΡΠ»Π΅Π΄ΡΡΠ²ΠΈΠΈ Π·Π°Π±ΡΡΡ Π΅Π³ΠΎ ΡΠΎΡΠ½ΡΡ Π΄ΠΈΡΠ»ΠΎΠΊΠ°ΡΠΈΡ ΠΈ Π½Π°ΡΡΡΠΈΡΡ ΡΠ΅Π»ΠΎΡΡΠ½ΠΎΡΡΡ ΠΏΡΠΎΠ²ΠΎΠ΄ΠΊΠΈ Π±Π°Π½Π°Π»ΡΠ½ΡΠΌ Π³Π²ΠΎΠ·Π΄Π΅ΠΌ.
Π Π°ΡΡΡΠΎΡΠ½ΠΈΠ΅ ΠΌΠ΅ΠΆΠ΄Ρ ΠΎΡΠΎΠΏΠΈΡΠ΅Π»ΡΠ½ΡΠΌΠΈ ΠΊΠΎΠΌΠΌΡΠ½ΠΈΠΊΠ°ΡΠΈΡΠΌΠΈ ΠΈ ΡΠ»Π΅ΠΊΡΡΠΎΠΏΡΠΎΠ²ΠΎΠ΄Π°ΠΌΠΈ Π΄ΠΎΠ»ΠΆΠ΅Π½ Π±ΡΡΡ Π±ΠΎΠ»ΡΡΠ΅ 3 ΡΠΌ.
οΌ ΠΡΠΊΠ»ΡΡΠ°ΡΠ΅Π»ΠΈ ΠΈ ΡΠΎΠ·Π΅ΡΠΊΠΈ ΡΠ΄ΠΎΠ±Π½ΠΎ ΡΠ°ΡΠΏΠΎΠ»Π°Π³Π°ΡΡ Π½Π° ΠΎΠ΄Π½ΠΎΠΉ Π²ΡΡΠΎΡΠ΅. ΠΠΏΡΠ΅Π΄Π΅Π»Π΅Π½Π½ΡΡ ΡΡΠ΅Π±ΠΎΠ²Π°Π½ΠΈΠΉ ΠΏΠΎ ΡΡΠ°Π½Π΄Π°ΡΡΠ°ΠΌ Π·Π΄Π΅ΡΡ Π½Π΅Ρ, Π½ΠΎ Π²ΡΠΊΠ»ΡΡΠ°ΡΠ΅Π»ΠΈ, ΠΎΠ±ΡΡΠ½ΠΎ, ΡΠ°Π·ΠΌΠ΅ΡΠ°ΡΡ Π½Π° ΡΠ°ΡΡΡΠΎΡΠ½ΠΈΠΈ ΠΎΠΏΡΡΠ΅Π½Π½ΠΎΠΉ ΡΡΠΊΠΈ, Π° ΡΠΎΠ·Π΅ΡΠΊΠΈ β ΠΎΠΊΠΎΠ»ΠΎ 30 ΡΠΌ ΠΎΡ ΠΏΠΎΠ»Π° (ΠΈΡΠΊΠ»ΡΡΠ΅Π½ΠΈΠ΅ β Π²ΡΡΠΎΠΊΠΎ ΠΏΠΎΠ΄Π²Π΅ΡΠ΅Π½Π½ΡΠ΅ ΠΏΡΠΈΠ±ΠΎΡΡ).
ΠΡΠΎΠ²ΠΎΠ΄Π° ΠΊ Π²ΡΠΊΠ»ΡΡΠ°ΡΠ΅Π»ΡΠΌ Π²Π΅Π΄ΡΡΡΡ ΡΠ²Π΅ΡΡ Ρ, Π° ΠΊ ΡΠΎΠ·Π΅ΡΠΊΠ°ΠΌ β ΡΠ½ΠΈΠ·Ρ.
οΌ ΠΠ°Π·Π΅ΠΌΠ»ΡΡΡΠΈΠ΅ ΠΊΠΎΠ½ΡΠ°ΠΊΡΡ ΡΠΎΠ·Π΅ΡΠΎΠΊ Π½ΠΈ Π² ΠΊΠΎΠ΅ΠΌ ΡΠ»ΡΡΠ°Π΅ Π½Π΅Π»ΡΠ·Ρ ΠΏΠΎΠ΄ΠΊΠ»ΡΡΠ°ΡΡ ΠΊ Π²ΠΎΠ΄Π½ΡΠΌ ΠΈΠ»ΠΈ ΠΎΡΠΎΠΏΠΈΡΠ΅Π»ΡΠ½ΡΠΌ ΠΊΠΎΠΌΠΌΡΠ½ΠΈΠΊΠ°ΡΠΈΡΠΌ ΠΈΠ»ΠΈ Π½ΡΠ»Π΅Π²ΠΎΠΌΡ ΠΏΡΠΎΠ²ΠΎΠ΄Ρ β ΡΡΠΎ ΠΎΠΏΠ°ΡΠ½ΠΎ Π΄Π»Ρ ΠΆΠΈΠ·Π½ΠΈ.
Π ΠΈΠ΄Π΅Π°Π»Π΅, Π² Π²Π°Π½Π½ΠΎΠΉ Π½Π΅ Π΄ΠΎΠ»ΠΆΠ½ΠΎ Π±ΡΡΡ ΡΠΎΠ·Π΅ΡΠΎΠΊ, Π½ΠΎ Π΅ΡΠ»ΠΈ Π±Π΅Π· Π½ΠΈΡ Π½Π΅ ΠΎΠ±ΠΎΠΉΡΠΈΡΡ, ΠΏΠΎΠ·Π°Π±ΠΎΡΡΡΠ΅ΡΡ ΠΎ Π²Π»Π°Π³ΠΎΠ·Π°ΡΠΈΡΠ΅.
Π§ΡΠΎΠ±Ρ ΠΏΡΠΎΠ²Π΅ΡΡΠΈ ΡΠ»Π΅ΠΊΡΡΠΎΠΏΡΠΎΠ²ΠΎΠ΄ΠΊΡ Π² ΠΊΠ²Π°ΡΡΠΈΡΠ΅ ΡΠ²ΠΎΠΈΠΌΠΈ ΡΡΠΊΠ°ΠΌΠΈ, Π½Π΅ΠΎΠ±Ρ ΠΎΠ΄ΠΈΠΌΠΎ ΠΎΠΏΡΠ΅Π΄Π΅Π»ΠΈΡΡΡΡ Ρ ΡΠΈΠΏΠΎΠΌ ΡΠ°Π·Π²ΠΎΠ΄ΠΊΠΈ.
Π‘ΡΡΠ΅ΡΡΠ²ΡΠ΅Ρ 3 Π½Π°ΠΈΠ±ΠΎΠ»Π΅Π΅ ΡΠ°ΡΠΏΡΠΎΡΡΡΠ°Π½Π΅Π½Π½ΡΠ΅ ΡΡ
Π΅ΠΌΡ:
1. Π‘ ΠΈΡΠΏΠΎΠ»ΡΠ·ΠΎΠ²Π°Π½ΠΈΠ΅ΠΌ ΡΠ°ΡΠΏΠ°Π΅ΡΠ½ΡΡ
ΠΊΠΎΡΠΎΠ±ΠΎΠΊ β ΡΠ°ΠΌΡΠΉ ΡΠΊΠΎΠ½ΠΎΠΌΠΈΡΠ½ΡΠΉ Π²Π°ΡΠΈΠ°Π½Ρ. Π©ΠΈΡΠΎΠΊ ΡΠΎ ΡΡΠ΅ΡΡΠΈΠΊΠΎΠΌ ΠΈ Π°Π²ΡΠΎΠΌΠ°ΡΠΈΡΠ΅ΡΠΊΠΈΠΌ Π²ΡΠΊΠ»ΡΡΠ°ΡΠ΅Π»Π΅ΠΌ Π½Π°Ρ
ΠΎΠ΄ΠΈΡΡΡ Π½Π° Π»Π΅ΡΡΠ½ΠΈΡΠ½ΠΎΠΉ ΠΊΠ»Π΅ΡΠΊΠ΅, Π° ΠΎΡ Π½Π΅Π³ΠΎ Π² ΠΊΠ²Π°ΡΡΠΈΡΡ Π·Π°Π²ΠΎΠ΄ΠΈΡΡΡ ΠΊΠ°Π±Π΅Π»Ρ ΠΏΠΈΡΠ°Π½ΠΈΡ. Π ΡΡΠΎΠΌ ΡΠ»ΡΡΠ°Π΅ ΠΏΡΠΎΠ²ΠΎΠ΄ΠΊΠ° Π² ΠΊΠ²Π°ΡΡΠΈΡΠ΅ ΡΠ²ΠΎΠΈΠΌΠΈ ΡΡΠΊΠ°ΠΌΠΈ ΠΎΡ ΡΠΈΡΠΊΠ° ΠΎΡΡΡΠ΅ΡΡΠ²Π»ΡΠ΅ΡΡΡ ΡΠ΅ΡΠ΅Π· ΡΠ°ΡΠΏΡΠ΅Π΄Π΅Π»ΠΈΡΠ΅Π»ΡΠ½ΡΠ΅ ΠΊΠΎΡΠΎΠ±ΠΊΠΈ, ΡΠ°ΡΠΏΠΎΠ»Π°Π³Π°ΡΡΠΈΠ΅ΡΡ Ρ Π²Ρ
ΠΎΠ΄Π° Π² ΠΊΠ°ΠΆΠ΄ΡΡ ΠΊΠΎΠΌΠ½Π°ΡΡ.
2. ΠΠ΅ΡΠΊΠΎΡΠΎΠ±ΠΎΡΠ½ΡΠΉ ΡΠΏΠΎΡΠΎΠ± ΠΈΠ»ΠΈ Β«Π·Π²Π΅Π·Π΄Π°Β» β ΠΊΠ°ΠΆΠ΄ΡΠΉ ΡΠ»Π΅ΠΊΡΡΠΎΠΏΡΠΈΠ±ΠΎΡ ΠΈΠΌΠ΅ΡΡ Π²ΡΠ΄Π΅Π»Π΅Π½Π½ΡΠΉ ΠΏΡΠΎΠ²ΠΎΠ΄ (Π² ΠΈΠ΄Π΅Π°Π»Π΅ β ΠΈ Π°Π²ΡΠΎΠΌΠ°ΡΠΈΡΠ΅ΡΠΊΠΈΠΉ Π²ΡΠΊΠ»ΡΡΠ°ΡΠ΅Π»Ρ), ΠΊΠΎΡΠΎΡΡΠΉ Π·Π°Π²ΠΎΠ΄ΠΈΡΡΡ Π² ΠΊΠ²Π°ΡΡΠΈΡΠ½ΡΠΉ ΡΠ»Π΅ΠΊΡΡΠΎΡΠΈΡΠΎΠΊ. ΠΡΠΎΡ Π²ΠΈΠ΄ ΡΠ°Π·Π²ΠΎΠ΄ΠΊΠΈ ΡΡΠΈΡΠ°Π΅ΡΡΡ ΡΠ°ΠΌΡΠΌ Π±Π΅Π·ΠΎΠΏΠ°ΡΠ½ΡΠΌ, Π½Π΅ ΡΡΠ΅Π±ΡΠ΅Ρ ΠΌΠΎΠ½ΡΠ°ΠΆΠ° ΡΠ°ΡΠΏΡΠ΅Π΄Π΅Π»ΠΈΡΠ΅Π»ΡΠ½ΡΡ ΠΊΠΎΡΠΎΠ±ΠΎΠΊ ΠΈ ΠΏΠΎΠ·Π²ΠΎΠ»ΡΠ΅Ρ ΠΊΠΎΠ½ΡΡΠΎΠ»ΠΈΡΠΎΠ²Π°ΡΡ ΠΊΠ°ΠΆΠ΄ΡΠΉ ΡΠ»Π΅ΠΌΠ΅Π½Ρ ΡΠ»Π΅ΠΊΡΡΠΎΡΠ΅ΡΠΈ. ΠΠΎ Π½Π° ΠΏΡΠ°ΠΊΡΠΈΠΊΠ΅ ΠΎΠ½ Π²ΡΡΡΠ΅ΡΠ°Π΅ΡΡΡ ΡΠ΅Π΄ΠΊΠΎ, ΡΠ°ΠΊ ΠΊΠ°ΠΊ Π·Π½Π°ΡΠΈΡΠ΅Π»ΡΠ½ΠΎ ΡΠ²Π΅Π»ΠΈΡΠΈΠ²Π°Π΅Ρ ΡΡΠΎΠΈΠΌΠΎΡΡΡ ΠΏΡΠΎΠ΅ΠΊΡΠ° (ΠΏΠΎΡΡΠ΅Π±ΡΠ΅ΡΡΡ Π³Π°Π±Π°ΡΠΈΡΠ½ΡΠΉ ΡΠΈΡ ΠΈ Π²ΡΡΠΎΠΉΠ½Π΅ Π±ΠΎΠ»ΡΡΠ΅Π΅ ΠΊΠΎΠ»ΠΈΡΠ΅ΡΡΠ²ΠΎ ΠΏΡΠΎΠ²ΠΎΠ΄ΠΎΠ², ΡΠ΅ΠΌ ΠΏΡΠΈ ΠΊΠΎΡΠΎΠ±ΠΎΡΠ½ΠΎΠΌ ΠΏΠΎΠ΄ΠΊΠ»ΡΡΠ΅Π½ΠΈΠΈ).
3. Β«Π¨Π»Π΅ΠΉΡΒ» β ΡΠΊΠΎΠ½ΠΎΠΌΠΈΡΠ½ΡΠΉ Π²Π°ΡΠΈΠ°Π½Ρ Β«Π·Π²Π΅Π·Π΄ΡΒ» ΠΏΡΠ΅Π΄ΡΡΠΌΠ°ΡΡΠΈΠ²Π°Π΅Ρ ΠΏΠΎΡΠ»Π΅Π΄ΠΎΠ²Π°ΡΠ΅Π»ΡΠ½ΠΎΠ΅ ΠΏΠΎΠ΄ΠΊΠ»ΡΡΠ΅Π½ΠΈΠ΅ Π½Π΅ΡΠΊΠΎΠ»ΡΠΊΠΈΡ ΡΠ»Π΅ΠΊΡΡΠΎΡΠΎΡΠ΅ΠΊ ΠΊ ΠΎΠ±ΡΠ΅ΠΌΡ ΠΏΡΠΎΠ²ΠΎΠ΄Π½ΠΈΠΊΡ, ΠΊΠΎΡΠΎΡΡΠΉ Π·Π°Π²ΠΎΠ΄ΠΈΡΡΡ Π»ΠΈΠ±ΠΎ Π² ΡΠ°ΡΠΏΡΠ΅Π΄Π΅Π»ΠΈΡΠ΅Π»ΡΠ½ΡΡ ΠΊΠΎΡΠΎΠ±ΠΊΡ, Π»ΠΈΠ±ΠΎ ΡΡΠ°Π·Ρ Π² ΡΠΈΡΠΎΠΊ.
ΠΠ°ΠΈΠ±ΠΎΠ»Π΅Π΅ ΡΠ°ΡΡΠΎ ΠΈΡΠΏΠΎΠ»ΡΠ·ΡΡΡΡΡ ΠΊΠΎΠΌΠ±ΠΈΠ½ΠΈΡΠΎΠ²Π°Π½Π½ΡΠ΅ Π²Π°ΡΠΈΠ°Π½ΡΡ, ΠΊΠΎΡΠΎΡΡΠ΅ ΠΏΠΎΠ΄Π±ΠΈΡΠ°ΡΡΡΡ ΠΈΠ½Π΄ΠΈΠ²ΠΈΠ΄ΡΠ°Π»ΡΠ½ΠΎ Π΄Π»Ρ ΠΊΠ°ΠΆΠ΄ΠΎΠ³ΠΎ ΠΏΡΠΎΠ΅ΠΊΡΠ°, ΠΈΡΡ ΠΎΠ΄Ρ ΠΈΠ· ΠΎΡΠΎΠ±Π΅Π½Π½ΠΎΡΡΠ΅ΠΉ ΠΏΠ»Π°Π½ΠΈΡΠΎΠ²ΠΊΠΈ ΠΈ ΡΠ½Π΅ΡΠ³ΠΎΡΠ΅ΡΡΡΡΠΎΠ² Π΄ΠΎΠΌΠ°. ΠΠ°ΠΏΡΠΈΠΌΠ΅Ρ, Π΄Π»Ρ ΠΌΠ°Π»ΠΎΠΌΠΎΡΠ½ΡΡ ΠΏΡΠΈΠ±ΠΎΡΠΎΠ² ΠΌΠΎΠΆΠ½ΠΎ ΠΈΡΠΏΠΎΠ»ΡΠ·ΠΎΠ²Π°ΡΡ ΠΏΠΎΠ΄ΠΊΠ»ΡΡΠ΅Π½ΠΈΠ΅ ΠΏΠΎ ΡΠΈΠΏΡ Β«ΡΠ»Π΅ΠΉΡΠ°Β», Π° Π΄Π»Ρ ΡΡΠ΅Π±ΡΡΡΠΈΡ Π±ΠΎΠ»ΡΡΠΈΡ ΡΠ½Π΅ΡΠ³ΠΎΠ·Π°ΡΡΠ°Ρ β Π·Π°Π΄Π΅ΠΉΡΡΠ²ΠΎΠ²Π°ΡΡ Β«Π·Π²Π΅Π·Π΄ΡΒ».
Π§ΡΠΎΠ±Ρ Π±ΡΠ»ΠΎ Π»Π΅Π³ΡΠ΅ ΠΎΠΏΡΠ΅Π΄Π΅Π»ΠΈΡΡΡΡ Ρ ΡΠΈΠΏΠΎΠΌ ΠΏΠΎΠ΄ΠΊΠ»ΡΡΠ΅Π½ΠΈΡ, ΡΠ΅ΠΊΠΎΠΌΠ΅Π½Π΄ΡΠ΅ΡΡΡ ΡΠ³ΡΡΠΏΠΏΠΈΡΠΎΠ²Π°ΡΡ Π²ΡΠ΅ ΡΠ»Π΅ΠΊΡΡΠΎΠΏΡΠΈΠ±ΠΎΡΡ ΠΏΠΎ ΠΌΠΎΡΠ½ΠΎΡΡΠΈ, ΡΠΏΠ΅ΡΠΈΡΠΈΠΊΠ΅ ΡΠ°Π±ΠΎΡΡ (ΠΎΡΠ²Π΅ΡΠ΅Π½ΠΈΠ΅/ΡΠ»Π΅ΠΊΡΡΠΎΡΠ½Π°Π±ΠΆΠ΅Π½ΠΈΠ΅) ΠΈ ΠΌΠ΅ΡΡΡ ΡΡΡΠ°Π½ΠΎΠ²ΠΊΠΈ.
ΠΠ°ΠΏΡΠΈΠΌΠ΅Ρ, ΠΌΠΎΠΆΠ½ΠΎ Π²ΡΠ΄Π΅Π»ΠΈΡΡ Π² ΠΎΡΠ΄Π΅Π»ΡΠ½ΡΠ΅ Π»ΠΈΠ½ΠΈΠΈ:
1) ΠΎΡΠ²Π΅ΡΠ΅Π½ΠΈΠ΅ ΠΆΠΈΠ»ΡΡ
ΠΊΠΎΠΌΠ½Π°Ρ;
2) ΠΎΡΠ²Π΅ΡΠ΅Π½ΠΈΠ΅ ΠΊΡΡ
Π½ΠΈ ΠΈ ΠΊΠΎΡΠΈΠ΄ΠΎΡΠ°;
3) ΡΠ»Π΅ΠΊΡΡΠΎΡΠ½Π°Π±ΠΆΠ΅Π½ΠΈΠ΅ ΠΊΡΡ
Π½ΠΈ ΠΈ ΠΊΠΎΡΠΈΠ΄ΠΎΡΠ°;
4) ΡΠ»Π΅ΠΊΡΡΠΎΠΏΠ»ΠΈΡΡ, Π±ΠΎΠΉΠ»Π΅Ρ ΠΈ Π΄ΡΡΠ³ΠΈΠ΅ ΠΌΠΎΡΠ½ΡΠ΅ ΠΏΡΠΈΠ±ΠΎΡΡ;
5) ΡΠ»Π΅ΠΊΡΡΠΎΡΠ½Π°Π±ΠΆΠ΅Π½ΠΈΠ΅ ΠΆΠΈΠ»ΡΡ
ΠΊΠΎΠΌΠ½Π°Ρ;
6)ΡΠ»Π΅ΠΊΡΡΠΎΡΠ½Π°Π±ΠΆΠ΅Π½ΠΈΠ΅ ΠΈ ΠΎΡΠ²Π΅ΡΠ΅Π½ΠΈΠ΅ ΡΠ°Π½ΡΠ·Π»Π°.
ΠΡΠΎ ΠΏΠΎΠΌΠΎΠΆΠ΅Ρ ΠΈΠ·Π±Π΅ΠΆΠ°ΡΡ ΠΏΠ΅ΡΠ΅Π³ΡΡΠ·ΠΊΠΈ ΡΠ΅ΡΠΈ ΠΈ ΠΏΠΎΠ»Π½ΠΎΠ³ΠΎ ΠΎΠ±Π΅ΡΡΠΎΡΠΈΠ²Π°Π½ΠΈΡ Π²ΡΠ΅Π³ΠΎ ΠΏΠΎΠΌΠ΅ΡΠ΅Π½ΠΈΡ, Π΅ΡΠ»ΠΈ ΠΏΠΎΡΡΠ΅Π±ΡΠ΅ΡΡΡ ΠΏΡΠΎΠΈΠ·Π²Π΅ΡΡΠΈ ΡΠ°ΡΡΠΈΡΠ½ΡΠΉ ΡΠ΅ΠΌΠΎΠ½Ρ ΡΠ»Π΅ΠΊΡΡΠΈΠΊΠΈ Π² ΠΊΠ²Π°ΡΡΠΈΡΠ΅. ΠΠ»Ρ Π±Π΅Π·ΠΎΠΏΠ°ΡΠ½ΠΎΡΡΠΈ, Π½Π° Π³ΡΡΠΏΠΏΡ ΠΎΡΠ²Π΅ΡΠ΅Π½ΠΈΡ ΠΈ ΡΠ»Π΅ΠΊΡΡΠΎΡΠ½Π°Π±ΠΆΠ΅Π½ΠΈΡ ΡΠ°Π½ΡΠ·Π»ΠΎΠ² ΠΈ ΠΊΡΡ Π½ΠΈ Π½Π΅ΠΎΠ±Ρ ΠΎΠ΄ΠΈΠΌΠΎ ΡΡΡΠ°Π½ΠΎΠ²ΠΈΡΡ Π£ΠΠ β Π²ΡΠΊΠ»ΡΡΠ°ΡΠ΅Π»ΠΈ Π΄ΠΈΡΡΠ΅ΡΠ΅Π½ΡΠΈΠ°Π»ΡΠ½ΠΎΠ³ΠΎ ΡΠΎΠΊΠ° (Π° Π² ΠΈΠ΄Π΅Π°Π»Π΅, Π½ΡΠΆΠ½ΠΎ ΠΎΠ±Π΅ΡΠΏΠ΅ΡΠΈΡΡ Π½ΠΈΠΌΠΈ Π²ΡΠ΅ Π»ΠΈΠ½ΠΈΠΈ). Π ΠΈΡΠΎΠ³Π΅ Π΄ΠΎΠ»ΠΆΠ½Π° ΠΏΠΎΠ»ΡΡΠΈΡΡΡΡ ΠΏΡΠΈΠ±Π»ΠΈΠ·ΠΈΡΠ΅Π»ΡΠ½ΠΎ ΡΠ°ΠΊΠ°Ρ ΡΡ Π΅ΠΌΠ° ΠΏΡΠΎΠ²ΠΎΠ΄ΠΊΠΈ ΡΠ»Π΅ΠΊΡΡΠΈΠΊΠΈ Π² ΠΊΠ²Π°ΡΡΠΈΡΠ΅.
ΠΡΠ±ΠΎΡ ΠΏΡΠΎΠ²ΠΎΠ΄ΠΎΠ² ΠΈ ΡΡΡΠ½ΠΈΡΡΡΡ
ΠΡΠ»ΠΈ Π²Ρ ΡΠ΅ΡΠΈΠ»ΠΈ ΡΠ΄Π΅Π»Π°ΡΡ ΡΠ»Π΅ΠΊΡΡΠΈΠΊΡ Π² ΠΊΠ²Π°ΡΡΠΈΡΠ΅ ΡΠ²ΠΎΠΈΠΌΠΈ ΡΡΠΊΠ°ΠΌΠΈ, ΠΎΠ±ΡΠ°ΡΠΈΡΠ΅ Π²Π½ΠΈΠΌΠ°Π½ΠΈΠ΅ Π½Π° ΠΌΠ°ΡΠΊΡ ΠΏΡΠΎΠ²ΠΎΠ΄Π° ΠΈ Π΅Π³ΠΎ ΡΠ΅ΡΠ΅Π½ΠΈΠ΅. ΠΠ»Ρ ΡΠΎΠ·Π΅ΡΠΎΠΊ ΠΏΠΎΠ½Π°Π΄ΠΎΠ±ΠΈΡΡΡ ΠΏΡΠΎΠ²ΠΎΠ΄ 2,5-4 ΠΌΠΌ, Π° Π΄Π»Ρ Π²ΡΠΊΠ»ΡΡΠ°ΡΠ΅Π»Π΅ΠΉ β 1,5 ΠΌΠΌ.
ΠΠ°ΠΈΠ±ΠΎΠ»Π΅Π΅ Π²ΠΎΡΡΡΠ΅Π±ΠΎΠ²Π°Π½Ρ Π½Π° ΡΠ΅Π³ΠΎΠ΄Π½Ρ Π΄Π²Π° ΡΠΈΠΏΠ°:
1) ΠΠΠ β ΠΊΠ°Π±Π΅Π»Ρ Ρ ΠΌΠ΅Π΄Π½ΡΠΌΠΈ ΠΆΠΈΠ»Π°ΠΌΠΈ, ΠΊΠ°ΠΆΠ΄Π°Ρ ΠΈΠ· ΠΊΠΎΡΠΎΡΡΡ
Π·Π°ΡΠΈΡΠ΅Π½Π° ΠΎΡΠ΄Π΅Π»ΡΠ½ΠΎΠΉ ΠΏΠΎΠ»ΠΈΠ²ΠΈΠ½ΠΈΠ»Ρ
Π»ΠΎΡΠΈΠ΄Π½ΠΎΠΉ ΠΈΠ·ΠΎΠ»ΡΡΠΈΠ΅ΠΉ.
ΠΠ»ΡΡΡ: ΡΠ°Π·Π½ΠΎΠΎΠ±ΡΠ°Π·ΠΈΠ΅ ΡΠΎΡΠΌ (Π±ΡΠ²Π°Π΅Ρ ΠΏΠ»ΠΎΡΠΊΠΈΠΌ, ΡΡΠ΅ΡΠ³ΠΎΠ»ΡΠ½ΡΠΌ, ΠΊΡΡΠ³Π»ΡΠΌ, ΡΠ΅ΠΊΡΠΎΡΠ½ΡΠΌ, ΠΊΠ²Π°Π΄ΡΠ°ΡΠ½ΡΠΌ), Π΅ΡΡΡ ΠΎΠ³Π½Π΅ΡΠΏΠΎΡΠ½Π°Ρ ΠΌΠΎΠ΄ΠΈΡΠΈΠΊΠ°ΡΠΈΡ (ΠΠΠΠ½Π³).
ΠΠΈΠ½ΡΡΡ: Π²ΡΡΠΎΠΊΠ°Ρ ΡΠ΅Π½Π°.
2) ΠΠ£ΠΠ (ΠΠ£ΠΠΠ, ΠΠΠ£ΠΠ) β ΠΏΡΠΎΠ²ΠΎΠ΄Π° Ρ ΠΌΠ΅Π΄Π½ΡΠΌΠΈ ΠΈΠ·ΠΎΠ»ΠΈΡΠΎΠ²Π°Π½Π½ΡΠΌΠΈ ΠΆΠΈΠ»Π°ΠΌΠΈ, Π·Π°ΠΊΠ»ΡΡΠ΅Π½Π½ΡΠΌΠΈ Π² ΠΎΠ±ΠΎΠ»ΠΎΡΠΊΡ ΠΈΠ· ΠΠΠ₯.
ΠΠ»ΡΡΡ: Π΄ΠΎΡΡΡΠΏΠ½Π°Ρ ΡΡΠΎΠΈΠΌΠΎΡΡΡ
ΠΠΈΠ½ΡΡΡ: ΠΌΠ°ΡΠ΅ΡΠΈΠ°Π»Ρ ΠΌΠΎΠ³ΡΡ Π²ΡΠΉΡΠΈ ΠΈΠ· ΡΡΡΠΎΡ ΠΏΡΠΈ Π½Π°Π³ΡΠ΅Π²Π΅, Π° ΡΠΎΡΠΌΠ° ΠΏΡΠΎΠ²ΠΎΠ΄Π° β ΡΠΎΠ»ΡΠΊΠΎ ΠΏΠ»ΠΎΡΠΊΠ°Ρ.
Π Π²ΠΎΡ ΠΏΡΠΎΠ²ΠΎΠ΄Π° Ρ ΠΆΠΈΠ»Π°ΠΌΠΈ ΠΈΠ· Π°Π»ΡΠΌΠΈΠ½ΠΈΡ (ΠΠΠ, ΠΠΠΠ, ΠΠΠ Π’Π) Π½Π΅ ΡΡΠΎΠΈΡ ΠΈΡΠΏΠΎΠ»ΡΠ·ΠΎΠ²Π°ΡΡ ΠΏΡΠΈ ΠΎΠ±ΡΡΡΡΠΎΠΉΡΡΠ²Π΅ Π΄ΠΎΠΌΠ°ΡΠ½Π΅ΠΉ ΡΠ»Π΅ΠΊΡΡΠΎΠΏΡΠΎΠ²ΠΎΠ΄ΠΊΠΈ β ΠΎΠ½ΠΈ Π±ΡΡΡΡΠΎ Π²ΡΡ ΠΎΠ΄ΡΡ ΠΈΠ· ΡΡΡΠΎΡ ΠΎΡ ΠΏΠΎΠΏΠ°Π΄Π°Π½ΠΈΡ Π²Π»Π°Π³ΠΈ ΠΈ ΡΠΎ Π²ΡΠ΅ΠΌΠ΅Π½Π΅ΠΌ ΡΠ΅ΡΡΡΡ ΠΏΡΠΎΡΠ½ΠΎΡΡΡ, ΡΡΠΎ ΡΡΠ°Π½ΠΎΠ²ΡΡΡΡ ΠΏΡΠΈΡΠΈΠ½ΠΎΠΉ Π·Π°ΠΌΡΠΊΠ°Π½ΠΈΠΉ.
ΠΠΎΠΌΠΈΠΌΠΎ ΠΏΡΠΎΠ²ΠΎΠ΄ΠΎΠ², ΠΏΠΎΠ½Π°Π΄ΠΎΠ±ΠΈΡΡΡ ΠΈ ΡΡΡΠ½ΠΈΡΡΡΠ°:
β’ Π ΠΎΠ·Π΅ΡΠΊΠΈ ΠΈ Π²ΡΠΊΠ»ΡΡΠ°ΡΠ΅Π»ΠΈ (ΠΎΠΏΡΠΈΠΌΠ°Π»ΡΠ½ΡΠΉ Π²Π°ΡΠΈΠ°Π½Ρ β ΡΠΊΡΡΡΠΎΠ³ΠΎ ΡΠΈΠΏΠ°).
β’ ΠΠ»Π΅ΠΌΠΌΠ½ΡΠ΅ ΠΊΠΎΠ»ΠΎΠ΄ΠΊΠΈ.
β’ Π Π°ΡΠΏΡΠ΅Π΄Π΅Π»ΠΈΡΠ΅Π»ΡΠ½ΡΠ΅ ΠΊΠΎΡΠΎΠ±ΠΊΠΈ Ρ Π·Π°ΡΠΈΡΠΎΠΉ ΠΎΡ Π²ΠΎΠ·Π³ΠΎΡΠ°Π½ΠΈΡ.
β’ ΠΠ²ΡΠΎΠΌΠ°ΡΡ Ρ Π£ΠΠ (Π΄Π»Ρ ΠΎΡΠ²Π΅ΡΠΈΡΠ΅Π»ΡΠ½ΠΎΠΉ Π»ΠΈΠ½ΠΈΠΈ ΠΏΠΎΠ΄ΠΎΠΉΠ΄Π΅Ρ 10Π ΠΈΠ»ΠΈ 16Π, Π΄Π»Ρ ΡΠ»Π΅ΠΊΡΡΠΎΠΏΠΈΡΠ°Π½ΠΈΡ β 25Π ΠΈΠ»ΠΈ 32Π, Π΄Π»Ρ ΡΠ»Π΅ΠΊΡΡΠΎΠΏΠ»ΠΈΡΡ β 40Π).
ΠΠ°ΠΊ ΠΏΡΠΎΠ²Π΅ΡΡΠΈ ΠΏΡΠΎΠ²ΠΎΠ΄ΠΊΡ Π² ΠΊΠ²Π°ΡΡΠΈΡΠ΅ ΡΠ²ΠΎΠΈΠΌΠΈ ΡΡΠΊΠ°ΠΌΠΈ
Π§ΡΠΎΠ±Ρ Π·Π½Π°ΡΡ, ΠΊΠ°ΠΊ ΠΏΡΠ°Π²ΠΈΠ»ΡΠ½ΠΎ ΡΠ΄Π΅Π»Π°ΡΡ ΠΏΡΠΎΠ²ΠΎΠ΄ΠΊΡ Π² ΠΊΠ²Π°ΡΡΠΈΡΠ΅, Π½Π΅ΠΎΠ±Ρ
ΠΎΠ΄ΠΈΠΌΠΎ ΡΡΠ΅ΡΡΡ ΡΠ»Π΅Π΄ΡΡΡΠΈΠ΅ ΠΌΠΎΠΌΠ΅Π½ΡΡ:
β’ ΠΠ±ΡΡΡΡΠΎΠΉΡΡΠ²ΠΎ ΠΏΠΎΠ»Π° ΠΈ ΠΏΠΎΡΠΎΠ»ΠΊΠΎΠ² β ΠΏΠΎΠ΄Π²Π΅ΡΠ½ΡΠ΅ ΠΈΠ»ΠΈ Π½Π°ΡΡΠΆΠ½ΡΠ΅ ΠΊΠΎΠ½ΡΡΡΡΠΊΡΠΈΠΈ, Π½Π°ΠΏΠΎΠ»ΡΠ½ΡΠ΅ Π½ΠΈΡΠΈ ΠΈ ΠΊΠΎΡΠΎΠ±Π° ΠΌΠΎΠ³ΡΡ ΡΡΠ°ΡΡ ΠΎΡΠ»ΠΈΡΠ½ΠΎΠΉ ΠΌΠ°ΡΠΊΠΈΡΠΎΠ²ΠΊΠΎΠΉ Π΄Π»Ρ ΡΠ°ΡΡΠΈ ΠΊΠΎΠΌΠΌΡΠ½ΠΈΠΊΠ°ΡΠΈΠΉ, ΠΏΠΎΠ·Π²ΠΎΠ»ΡΡ ΡΡΠΊΠΎΠ½ΠΎΠΌΠΈΡΡ Π½Π° Π΄Π»ΠΈΠ½Π΅ ΠΏΡΠΎΠ²ΠΎΠ΄ΠΎΠ² ΠΈ Π²ΡΠ΅ΠΌΡ Π½Π° ΠΏΡΠΎΠΊΠ»Π°Π΄ΠΊΡ ΡΡΡΠΎΠ±.
β’ ΠΡΠ΄Π΅Π»ΠΊΠ° ΡΡΠ΅Π½ (ΡΠΎΠ»ΡΠΈΠ½Π° ΡΡΡΠΊΠ°ΡΡΡΠ½ΠΎΠ³ΠΎ ΡΠ»ΠΎΡ ΠΈΠ»ΠΈ Π²ΡΡΠ°Π²Π½ΠΈΠ²Π°Π½ΠΈΠ΅ Ρ ΠΏΠΎΠΌΠΎΡΡΡ Π³ΠΈΠΏΡΠΎΠΊΠ°ΡΡΠΎΠ½Π°).
β’ ΠΠ΅ΡΡΠΎΠ½Π°Ρ ΠΎΠΆΠ΄Π΅Π½ΠΈΠ΅ ΠΏΠ»ΠΈΡ β Π² ΠΏΠ°Π½Π΅Π»ΡΠ½ΡΡ Π΄ΠΎΠΌΠ°Ρ ΠΌΠΎΠΆΠ½ΠΎ ΠΈΡΠΏΠΎΠ»ΡΠ·ΠΎΠ²Π°ΡΡ ΠΏΡΡΡΠΎΡΡ Π² ΠΏΠ΅ΡΠ΅ΠΊΡΡΡΠΈΡΡ . ΠΡΠ°Π²Π΄Π°, ΡΠΎΡΡΠΎΡΠ½ΠΈΠ΅ ΠΊΠ°Π½Π°Π»ΠΎΠ² Π² Π½ΠΈΡ ΠΌΠΎΠΆΠ΅Ρ Π±ΡΡΡ ΠΏΠ»Π°ΡΠ΅Π²Π½ΠΎΠ΅ β ΠΏΡΠΈΠ΄Π΅ΡΡΡ ΠΏΡΠΎΠ²ΠΎΠ΄ΠΈΡΡ Π·Π°ΡΠΈΡΡΠΊΡ.
β’ ΠΠ΅ΡΡΡΠΈΠ΅ ΡΡΠ΅Π½Ρ β Π½Π°ΡΡΡΠ°ΡΡ ΠΈΡ ΡΠ΅Π»ΠΎΡΡΠ½ΠΎΡΡΡ Π·Π°ΠΏΡΠ΅ΡΠ°Π΅ΡΡΡ. ΠΠ° ΠΈ Π±Π΅ΡΠΎΠ½Π½ΡΠ΅ ΠΏΠ΅ΡΠ΅ΠΊΡΡΡΠΈΡ, ΠΎΡΠΎΠ±Π΅Π½Π½ΠΎ Π² ΡΡΠ°ΡΡΠΊΠ°Ρ Π½Π°Π΄ Π΄Π²Π΅ΡΠ½ΡΠΌΠΈ ΠΈ ΠΎΠΊΠΎΠ½Π½ΡΠΌΠΈ ΠΏΡΠΎΠ΅ΠΌΠ°ΠΌΠΈ, ΡΡΡΠΎΠ±ΠΈΡΡ ΠΏΡΠΎΠ±Π»Π΅ΠΌΠ°ΡΠΈΡΠ½ΠΎ, ΠΊ ΠΏΠΎΡΠ»Π΅ Π΅ΡΡΡ ΡΠΈΡΠΊ ΠΏΠΎΠΏΠ°ΡΡΡ Π² ΠΏΡΠΎΠ²ΠΎΠ΄ΠΊΡ ΠΏΡΠΈ ΡΡΡΠ°Π½ΠΎΠ²ΠΊΠ΅ ΠΊΠ°ΡΠ½ΠΈΠ·ΠΎΠ².
Π Π·Π°Π²ΠΈΡΠΈΠΌΠΎΡΡΠΈ ΠΎΡ ΡΡΠΈΡ Π½ΡΠ°Π½ΡΠΎΠ², ΡΠ°Π±ΠΎΡΡ ΠΌΠΎΠΆΠ½ΠΎ Π²ΡΠΏΠΎΠ»Π½ΠΈΡΡ ΡΠΊΡΡΡΡΠΌ, ΠΎΡΠΊΡΡΡΡΠΌ ΠΈΠ»ΠΈ ΠΊΠΎΠΌΠ±ΠΈΠ½ΠΈΡΠΎΠ²Π°Π½Π½ΡΠΌ ΡΠΏΠΎΡΠΎΠ±ΠΎΠΌ. Π‘ΠΊΡΡΡΡΠΉ ΠΌΠΎΠ½ΡΠ°ΠΆ ΠΏΡΠΎΠ²ΠΎΠ΄ΠΈΡΡΡ Π² Π½ΠΎΠ²ΠΎΡΡΡΠΎΠΉΠΊΠ°Ρ ΠΈΠ»ΠΈ ΠΏΡΠΈ ΠΊΠ°ΠΏΠΈΡΠ°Π»ΡΠ½ΠΎΠΌ ΡΠ΅ΠΌΠΎΠ½ΡΠ΅ ΠΊΠ²Π°ΡΡΠΈΡΡ, Π²Π΅Π΄Ρ ΠΎΠ½ ΠΏΡΠ΅Π΄ΡΡΠΌΠ°ΡΡΠΈΠ²Π°Π΅Ρ ΡΡΡΠΎΠ±Π»Π΅Π½ΠΈΠ΅ ΡΡΠ΅Π½ Ρ ΠΏΠΎΡΠ»Π΅Π΄ΡΡΡΠΈΠΌ ΠΈΡ ΠΎΡΡΡΠΊΠ°ΡΡΡΠΈΠ²Π°Π½ΠΈΠ΅ΠΌ ΠΈ Π²ΡΡΠ°Π²Π½ΠΈΠ²Π°Π½ΠΈΠ΅ΠΌ.
ΠΠ»Π³ΠΎΡΠΈΡΠΌ ΡΠ°Π±ΠΎΡ Π΄Π»Ρ ΠΏΡΠΎΠ²Π΅Π΄Π΅Π½ΠΈΡ ΡΠ»Π΅ΠΊΡΡΠΈΠΊΠΈ Π² ΠΊΠ²Π°ΡΡΠΈΡΠ΅ ΡΠ²ΠΎΠΈΠΌΠΈ ΡΡΠΊΠ°ΠΌΠΈ Π²ΡΠ³Π»ΡΠ΄ΠΈΡ ΡΠ°ΠΊ:
1. ΠΠ° ΡΠΎΡΡΠ°Π²Π»Π΅Π½Π½ΠΎΠΉ ΡΡ
Π΅ΠΌΠ΅ ΡΠ»Π΅ΠΊΡΡΠΎΠΏΡΠΎΠ²ΠΎΠ΄ΠΊΠΈ ΡΠ°Π·Π½ΠΎΡΠΈΡΡΡ ΡΡΠ°ΡΡΠ° ΠΏΡΠΎΠΊΠ»Π°Π΄ΠΊΠΈ ΡΡΡΠΎΠ±.
2. Π‘ ΠΏΠΎΠΌΠΎΡΡΡ ΡΠ°Π·ΠΌΠ΅ΡΠΎΡΠ½ΠΎΠ³ΠΎ ΡΠ½ΡΡΠ°, ΠΎΡΠ²Π΅ΡΠ° ΠΈ ΡΡΡΠΎΠΈΡΠ΅Π»ΡΠ½ΠΎΠ³ΠΎ ΡΡΠΎΠ²Π½Ρ Π΄Π΅Π»Π°Π΅ΡΡΡ ΡΠ°Π·ΠΌΠ΅ΡΠΊΠ°.
3. ΠΠΎ ΡΠ°Π·ΠΌΠ΅ΡΠΊΠ΅ ΠΏΡΠΎΠ²ΠΎΠ΄ΡΡΡΡ ΡΡΡΠΎΠ±Ρ Ρ ΠΈΡΠΏΠΎΠ»ΡΠ·ΠΎΠ²Π°Π½ΠΈΠ΅ΠΌ ΠΏΠ΅ΡΡΠΎΡΠ°ΡΠΎΡΠ°, Π±ΠΎΠ»Π³Π°ΡΠΊΠΈ ΠΈΠ»ΠΈ Π·ΡΠ±ΠΈΠ»Π° Ρ ΠΌΠΎΠ»ΠΎΡΠΊΠΎΠΌ. Π‘ΡΠ°Π½Π΄Π°ΡΡΠ½Π°Ρ ΡΠΈΡΠΈΠ½Π° ΠΈ Π³Π»ΡΠ±ΠΈΠ½Π° Π²ΡΠ΅ΠΌΠΊΠΈ Π΄Π»Ρ ΠΏΡΠΎΠ²ΠΎΠ΄ΠΎΠ² β 2 ΡΠΌ.
4. Π ΠΊΠ°Π½Π°Π²ΠΊΠ°Ρ
ΠΏΡΠΎΠΊΠ»Π°Π΄ΡΠ²Π°ΡΡΡΡ ΠΏΡΠΎΠ²ΠΎΠ΄Π°, ΡΠΈΠΊΡΠΈΡΡΡΡΡ Π½Π° ΡΡΠ΅Π½Π΅ ΡΠΏΠ΅ΡΠΈΠ°Π»ΡΠ½ΡΠΌΠΈ Π΄ΡΠ±Π΅Π»Ρ-Ρ
ΠΎΠΌΡΡΠ°ΠΌΠΈ ΠΈΠ»ΠΈ Π°Π»Π΅Π±Π°ΡΡΡΠΎΠΌ Ρ ΠΏΡΠΎΠΌΠ΅ΠΆΡΡΠΊΠ°ΠΌΠΈ Π² 25-30 ΡΠΌ.
5. Π£ΡΡΠ°Π½Π°Π²Π»ΠΈΠ²Π°ΡΡΡΡ ΠΏΠΎΠ΄ΡΠΎΠ·Π΅ΡΠ½ΠΈΠΊΠΈ ΠΈ ΠΊΠΎΡΠΎΠ±ΠΊΠΈ, ΠΏΠΎΠ΄ΠΊΠ»ΡΡΠ°ΡΡΡΡ ΡΠΎΠ·Π΅ΡΠΊΠΈ ΠΈ Π²ΡΠΊΠ»ΡΡΠ°ΡΠ΅Π»ΠΈ.
6. ΠΡΠΎΠΈΠ·Π²ΠΎΠ΄ΠΈΡΡΡ ΡΠ±ΠΎΡΠΊΠ° Π²Π²ΠΎΠ΄Π½ΠΎΠ³ΠΎ ΡΠΈΡΠΊΠ°: Π»ΠΈΠ½ΠΈΠΈ ΠΎΡΠ½Π°ΡΠ°ΡΡΡΡ Π£ΠΠ, ΠΏΠΎΠ΄ΠΊΠ»ΡΡΠ°ΡΡΡΡ Π°Π²ΡΠΎΠΌΠ°ΡΠΈΡΠ΅ΡΠΊΠΈΠ΅ Π²ΡΠΊΠ»ΡΡΠ°ΡΠ΅Π»ΠΈ.
7. ΠΠ° ΡΠΈΠ½Π°Π»ΡΠ½ΠΎΠΌ ΡΡΠ°ΠΏΠ΅ ΡΠ΅ΠΊΠΎΠΌΠ΅Π½Π΄ΡΠ΅ΡΡΡ ΡΠ΄Π΅Π»Π°ΡΡ Β«ΠΏΡΠΎΠ·Π²ΠΎΠ½ΠΊΡΒ» ΠΏΡΠΎΠ²Π΅Π΄Π΅Π½Π½ΠΎΠΉ ΡΠ»Π΅ΠΊΡΡΠΈΠΊΠΈ Π² ΠΊΠ²Π°ΡΡΠΈΡΠ΅ ΠΌΡΠ»ΡΡΠΈΠΌΠ΅ΡΡΠΎΠΌ. ΠΡΠ»ΠΈ Π½Π΅ Π²ΠΎΠ·Π½ΠΈΠΊΠ½Π΅Ρ ΠΏΡΠΎΠ±Π»Π΅ΠΌ β ΠΌΠΎΠΆΠ½ΠΎ Π²ΠΊΠ»ΡΡΠ°ΡΡ Π°Π²ΡΠΎΠΌΠ°Ρ ΠΈ ΠΈΡΠΏΡΡΡΠ²Π°ΡΡ ΡΠΎΠ±ΡΠ°Π½Π½ΡΡ ΡΠ΅ΡΡ.
ΠΡΠΊΡΡΡΡΠΌ ΡΠΏΠΎΡΠΎΠ±ΠΎΠΌ ΡΠ»Π΅ΠΊΡΡΠΎΠΏΡΠΎΠ²ΠΎΠ΄ΠΊΡ ΠΌΠΎΠΆΠ½ΠΎ ΠΏΡΠΎΠ²Π΅ΡΡΠΈ, ΡΠΏΡΡΡΠ°Π² ΠΏΡΠΎΠ²ΠΎΠ΄Π° Π² Π³ΠΎΡΡΠΎΡΡΡΠ±Ρ ΠΈΠ»ΠΈ Π·Π°ΠΊΡΡΡΡ Π² ΡΠΏΠ΅ΡΠΈΠ°Π»ΡΠ½ΡΠ΅ ΠΊΠ°Π±Π΅Π»Ρ-ΠΊΠ°Π½Π°Π»Ρ. ΠΡΠΎΡ ΠΌΠ΅ΡΠΎΠ΄ ΡΡΠΈΡΠ°Π΅ΡΡΡ ΡΠ°ΠΌΡΠΌ ΠΏΡΠΎΡΡΡΠΌ ΠΏΠΎ ΡΡΡΠ΄ΠΎΠ·Π°ΡΡΠ°ΡΠ°ΠΌ, Π½ΠΎ Π½Π°ΠΈΠ±ΠΎΠ»Π΅Π΅ ΡΠ»ΠΎΠΆΠ½ΡΠΌ Π² ΠΏΠ»Π°Π½ΠΈΡΠΎΠ²Π°Π½ΠΈΠΈ β Π²Π΅Π΄Ρ ΡΠΏΡΡΡΠ°ΡΡ ΠΈΠ»ΠΈ ΠΊΡΠ°ΡΠΈΠ²ΠΎ ΠΎΡΠΎΡΠΌΠΈΡΡ ΠΌΠ°ΡΠΊΠΈΡΠΎΠ²ΠΎΡΠ½ΡΠ΅ ΠΊΠΎΠ½ΡΡΡΡΠΊΡΠΈΠΈ Π΄ΠΎΠ²ΠΎΠ»ΡΠ½ΠΎ ΠΏΡΠΎΠ±Π»Π΅ΠΌΠ°ΡΠΈΡΠ½ΠΎ. ΠΠΎΡΡΠΎΠΌΡ ΡΠ°ΡΠ΅ Π²ΡΠ΅Π³ΠΎ ΠΏΡΠΎΠ²ΠΎΠ΄ΠΊΠ° Π² ΠΊΠ²Π°ΡΡΠΈΡΠ΅ ΡΠ²ΠΎΠΈΠΌΠΈ ΡΡΠΊΠ°ΠΌΠΈ ΠΏΡΠΎΠΈΠ·Π²ΠΎΠ΄ΠΈΡΡΡ ΠΊΠΎΠΌΠ±ΠΈΠ½ΠΈΡΠΎΠ²Π°Π½Π½ΡΠΌ ΡΠΏΠΎΡΠΎΠ±ΠΎΠΌ.
Π ΠΏΠΎΡΠ»Π΅Π΄Π½ΠΈΠΉ ΡΠΎΠ²Π΅Ρ: Π·Π°ΠΊΠΎΠ½ΡΠΈΠ² ΡΠ°Π·Π²ΠΎΠ΄ΠΊΡ ΡΠ»Π΅ΠΊΡΡΠΎΠΏΡΠΎΠ²ΠΎΠ΄ΠΊΠΈ Π² ΠΊΠ²Π°ΡΡΠΈΡΠ΅, ΠΎΠ±ΡΠ·Π°ΡΠ΅Π»ΡΠ½ΠΎ ΡΠΎΡ ΡΠ°Π½ΠΈΡΠ΅ Π΅Π΅ ΡΡ Π΅ΠΌΡ Π² Π°ΡΡ ΠΈΠ²Π΅ Ρ Π΄ΠΎΠΊΡΠΌΠ΅Π½ΡΠ°ΠΌΠΈ β ΠΎΠ½Π° Π΅ΡΠ΅ Π½Π΅ ΡΠ°Π· ΠΏΡΠΈΠ³ΠΎΠ΄ΠΈΡΡΡ Π²ΠΎ Π²ΡΠ΅ΠΌΡ ΡΠ΅ΠΌΠΎΠ½ΡΠ° ΠΈ Π½Π΅ ΡΠΎΠ»ΡΠΊΠΎ.
ΠΠΎΠ·ΠΌΠΎΠΆΠ½ΠΎ Π²Π°ΠΌ Π±ΡΠ΄ΡΡ ΠΈΠ½ΡΠ΅ΡΠ΅ΡΠ½Ρ:
ΠΠ΅ΠΊΠΎΡΠΈΡΠΎΠ²Π°Π½ΠΈΠ΅ ΡΡΠ΅Π½ Π² ΠΊΠ²Π°ΡΡΠΈΡΠ΅ ΡΠ²ΠΎΠΈΠΌΠΈ ΡΡΠΊΠ°ΠΌΠΈ: ΠΎΠ±Π½ΠΎΠ²Π»ΡΠ΅ΠΌ ΠΈΠ½ΡΠ΅ΡΡΠ΅Ρ Π±Π΅Π· ΠΊΠ°ΠΏΠΈΡΠ°Π»ΡΠ½ΠΎΠ³ΠΎ ΡΠ΅ΠΌΠΎΠ½ΡΠ° ΠΡΠ΄Π΅Π»ΠΊΠ° ΡΡΠ΅Π½ ΠΏΡΠΈΠ·Π²Π°Π½Π° Π²ΡΠΏΠΎΠ»Π½ΡΡΡ Π΄Π²Π΅ ΡΡΠ½ΠΊΡΠΈΠΈ: Π·Π°ΡΠΈΡΠ½ΡΡ β ΠΏΡΠ΅Π΄ΠΎΡ ΡΠ°Π½ΡΡΡ ΠΎΡ Π΄Π΅ΡΠΎΡΠΌΠΈΡΠΎΠ²Π°Π½ΠΈΡ ΠΈ Π·Π°Π³ΡΡΠ·Π½Π΅Π½ΠΈΠΉ, ΠΈ Π΄Π΅ΠΊΠΎΡΠ°ΡΠΈΠ²Π½ΡΡ β ΡΠΊΡΠ°ΡΠ°ΡΡ ΠΏΠΎΠΌΠ΅ΡΠ΅Π½ΠΈΠ΅, ΠΏΠΎΠΌΠΎΠ³Π°Ρ ΡΠΎΠ·Π΄Π°Π²Π°ΡΡ ΡΠΊΡΠΊΠ»ΡΠ·ΠΈΠ²Π½ΡΠΉ.
ΠΠ°ΠΊ ΠΎΠ±ΡΡΡΡΠΎΠΈΡΡ ΡΠ°Π»ΡΡ-ΠΊΠ°ΠΌΠΈΠ½ Π² ΠΊΠ²Π°ΡΡΠΈΡΠ΅ ΡΠ²ΠΎΠΈΠΌΠΈ ΡΡΠΊΠ°ΠΌΠΈ ΠΠ°ΠΌΠΈΠ½ β ΠΎΠ΄ΠΈΠ½ ΠΈΠ· ΡΠ°ΠΌΡΡ ΠΊΡΠ°ΡΠΈΠ²ΡΡ , ΡΠΎΠΌΠ°Π½ΡΠΈΡΠ½ΡΡ ΠΈ ΡΠ»ΠΎΠΆΠ½ΡΡ Π΄Π»Ρ ΠΎΠ±ΡΡΡΡΠΎΠΉΡΡΠ²Π° ΠΈΠ½ΡΠ΅ΡΡΠ΅ΡΠ½ΡΡ ΡΠ»Π΅ΠΌΠ΅Π½ΡΠΎΠ² (ΠΎΡΠΎΠ±Π΅Π½Π½ΠΎ, Π΅ΡΠ»ΠΈ ΡΠ΅ΡΡ ΠΈΠ΄Π΅Ρ ΠΎ Π³ΠΎΡΠΎΠ΄ΡΠΊΠΎΠΉ ΠΊΠ²Π°ΡΡΠΈΡΠ΅). ΠΠΎΡΡΠΎΠΌΡ.
ΠΡΠΊΠ° Π² ΠΊΠ²Π°ΡΡΠΈΡΠ΅ ΡΠ²ΠΎΠΈΠΌΠΈ ΡΡΠΊΠ°ΠΌΠΈ Π‘ Π½Π°ΡΠ°Π»ΠΎΠΌ ΡΡΡ Π΅Π²ΡΠΎΡΠ΅ΠΌΠΎΠ½ΡΠΎΠ² Π΄ΠΎΠΌΠΎΠ²Π»Π°Π΄Π΅Π»ΡΡΡ ΠΏΠΎ-ΠΈΠ½ΠΎΠΌΡ Π²Π·Π³Π»ΡΠ½ΡΠ»ΠΈ Π½Π° ΡΠ²ΠΎΡ ΠΆΠΈΠ»ΠΈΡΠ΅. ΠΡΠ΅ΠΌ ΠΈΠ·ΡΡΠ΄Π½ΠΎ ΠΏΠΎΠ΄Π½Π°Π΄ΠΎΠ΅Π»ΠΈ ΡΡΠΌΠ½ΡΠ΅ ΠΊΠΎΡΠΈΠ΄ΠΎΡΡ Ρ ΠΌΠ½ΠΎΠΆΠ΅ΡΡΠ²ΠΎΠΌ Π·Π°Π΄ΡΠ°Π΅Π½Π½ΡΡ Π΄Π²Π΅ΡΠ΅ΠΉ, ΠΊΠ°ΠΊ Π².
ΠΠ°ΠΊ ΡΡΡΠ°Π½ΠΎΠ²ΠΈΡΡ ΡΠ²Π΅ΡΠΈΠ»ΡΠ½ΠΈΠΊΠΈ ΡΠ²ΠΎΠΈΠΌΠΈ ΡΡΠΊΠ°ΠΌΠΈ ΠΠΎΡΠΎΠ»ΠΊΠΈ ΠΏΠΎΠΊΡΠ°ΡΠ΅Π½Ρ, ΡΡΠ΅Π½Ρ ΠΎΠΊΠ»Π΅Π΅Π½Ρ β Π·Π½Π°ΡΠΈΡ, ΡΠ΅ΠΌΠΎΠ½Ρ Π²ΡΡ ΠΎΠ΄ΠΈΡ Π½Π° ΡΠΈΠ½ΠΈΡΠ½ΡΡ ΠΏΡΡΠΌΡΡ, ΠΈ ΠΌΠΎΠΆΠ½ΠΎ ΠΏΡΠΈΡΡΡΠΏΠΈΡΡ ΠΊ ΡΡΡΠ°Π½ΠΎΠ²ΠΊΠ΅ ΡΠ²Π΅ΡΠΈΠ»ΡΠ½ΠΈΠΊΠΎΠ². Π Π²ΠΎΡ Π½Π° ΡΡΠΎΠΉ.
Π ΠΈΠΌΡΠΊΠΈΠ΅ ΡΡΠΎΡΡ ΡΠ²ΠΎΠΈΠΌΠΈ ΡΡΠΊΠ°ΠΌΠΈ Π ΠΈΠΌΡΠΊΠΈΠ΅ ΡΡΠΎΡΡ, ΠΊΠΎΡΠΎΡΡΠ΅ Π΅ΡΠ΅ Π½Π°Π·ΡΠ²Π°ΡΡ Π»Π°ΡΠΈΠ½ΡΠΊΠΈΠΌΠΈ ΠΈΠ»ΠΈ ΡΠΎΠΌΠ°Π½ΡΠΊΠΈΠΌΠΈ, Π±ΡΠ»ΠΈ ΠΏΡΠΈΠ΄ΡΠΌΠ°Π½Ρ ΠΌΠΎΡΠ΅ΠΏΠ»Π°Π²Π°ΡΠ΅Π»ΡΠΌΠΈ, ΠΊΠΎΡΠΎΡΡΠ΅ ΡΡΠΈΠ²Π°Π»ΠΈ ΠΈΡ ΠΏΠΎ ΠΏΡΠΈΠ½ΡΠΈΠΏΡ ΠΊΡΠ΅ΠΏΠ»Π΅Π½ΠΈΡ ΠΊΠΎΡΠ°Π±Π΅Π»ΡΠ½ΡΡ ΠΏΠ°ΡΡΡΠΎΠ². Π¨ΡΠΎΡΡ ΡΡΠΈ.
ΠΡΡΠΎΡΠ½ΠΈΠΊΠΈ: http://elektrik24.net/provodka/v-kvartire/sxema-razvodki.html, http://electric-220.ru/news/razvodka_ehlektriki_v_kvartire/2016-09-15-1060, http://samsmogy-remont.ru/electricity/sostavlyaem-shemu-i-montiruem/
remontonly.ru
Π‘Ρ Π΅ΠΌΠ° ΡΠ»Π΅ΠΊΡΡΠΎΠΏΡΠΎΠ²ΠΎΠ΄ΠΊΠΈ Π² ΠΊΠ²Π°ΡΡΠΈΡΠ΅ | ΠΠ°ΠΌΠ΅ΡΠΊΠΈ ΡΠ»Π΅ΠΊΡΡΠΈΠΊΠ°
Π ΠΏΡΠ΅Π΄ΡΠ΄ΡΡΠ΅ΠΉ ΡΡΠ°ΡΡΠ΅ Β«Π‘Ρ Π΅ΠΌΠ° ΡΠ»Π΅ΠΊΡΡΠΎΠΏΡΠΎΠ²ΠΎΠ΄ΠΊΠΈ Π² ΠΊΠ²Π°ΡΡΠΈΡΠ΅. Π§Π°ΡΡΡ 1Β» ΠΌΡ ΡΠ°ΡΡΠΌΠΎΡΡΠ΅Π»ΠΈ ΡΡ Π΅ΠΌΡ ΡΡΡΠ΅ΡΡΠ²ΡΡΡΠΈΡ ΡΡΠ°ΡΡΡ ΡΠ»Π΅ΠΊΡΡΠΎΠΏΡΠΎΠ²ΠΎΠ΄ΠΎΠΊ ΠΈ ΠΈΡ Π½Π΅Π΄ΠΎΡΡΠ°ΡΠΊΠΈ.
Π ΡΠ΅ΠΏΠ΅ΡΡ ΠΌΡ ΠΏΠΎΠ·Π½Π°ΠΊΠΎΠΌΠΈΠΌΡΡ Ρ ΡΠ»Π΅ΠΊΡΡΠΎΠΏΡΠΎΠ²ΠΎΠ΄ΠΊΠ°ΠΌΠΈ, Π²ΡΠΏΠΎΠ»Π½Π΅Π½Π½ΡΠΌ ΠΏΠΎ ΡΠΎΠ²ΡΠ΅ΠΌΠ΅Π½Π½ΡΠΌ Π½ΠΎΡΠΌΠ°ΠΌ ΠΈ ΡΡΠ΅Π±ΠΎΠ²Π°Π½ΠΈΡΠΌ (ΠΠ£Π, ΠΠ’ΠΠΠ).
Π‘Ρ Π΅ΠΌΠ° ΡΠ»Π΅ΠΊΡΡΠΎΠΏΡΠΎΠ²ΠΎΠ΄ΠΊΠΈ ΠΊΠ²Π°ΡΡΠΈΡ Π½Π΅ ΠΌΠΎΠ³ΡΡ Π±ΡΡΡ ΡΠΎΠ²ΡΠ΅ΠΌ ΠΎΠ΄ΠΈΠ½Π°ΠΊΠΎΠ²ΡΠΌΠΈ, ΠΏΠΎΡΠΎΠΌΡ ΡΡΠΎ ΡΡΠ΅Π±ΠΎΠ²Π°Π½ΠΈΡ ΠΊ ΡΠ»Π΅ΠΊΡΡΠΎΡΠΎΡΠΊΠ°ΠΌ (ΡΠΎΠ·Π΅ΡΠΊΠΈ, Π²ΡΠΊΠ»ΡΡΠ°ΡΠ΅Π»ΠΈ, ΡΠ²Π΅ΡΠΈΠ»ΡΠ½ΠΈΠΊΠΈ) ΠΈ Π·Π°ΡΠ²Π»Π΅Π½Π½ΠΎΠΉ ΠΌΠΎΡΠ½ΠΎΡΡΠΈ Ρ ΠΊΠ°ΠΆΠ΄ΠΎΠ³ΠΎ ΠΊΠ»ΠΈΠ΅Π½ΡΠ° (Π·Π°ΠΊΠ°Π·ΡΠΈΠΊΠ°) ΡΠ²ΠΎΠΈ. ΠΠΎ ΠΏΠΎ ΠΏΡΠΈΠ½ΡΠΈΠΏΡ ΠΈΡΠΏΠΎΠ»Π½Π΅Π½ΠΈΡ ΠΎΠ½ΠΈ ΠΌΠΎΠ³ΡΡ Π±ΡΡΡ ΡΡ ΠΎΠΆΠΈ.
Π ΡΡΠ°ΡΡΠ΅ ΠΏΡΠΎ ΡΡΡΠ°Π½ΠΎΠ²ΠΊΡ ΡΠΎΠ·Π΅ΡΠΎΠΊ ΠΈ Π²ΡΠΊΠ»ΡΡΠ°ΡΠ΅Π»Π΅ΠΉ ΠΡ ΡΠ·Π½Π°Π΅ΡΠ΅, Π² ΠΊΠ°ΠΊΠΈΡ ΠΌΠ΅ΡΡΠ°Ρ ΠΈ Π½Π° ΠΊΠ°ΠΊΠΎΠΉ Π²ΡΡΠΎΡΠ΅ ΡΠ°ΡΠΏΠΎΠ»ΠΎΠΆΠΈΡΡ ΡΠΎΠ·Π΅ΡΠΊΠΈ ΠΈ Π²ΡΠΊΠ»ΡΡΠ°ΡΠ΅Π»ΠΈ.
Π Π°ΡΡΠΌΠΎΡΡΠΈΠΌ ΡΠΈΠΏΠΎΠ²ΡΠ΅ ΡΡ Π΅ΠΌΡ ΡΠ»Π΅ΠΊΡΡΠΎΠΏΡΠΎΠ²ΠΎΠ΄ΠΊΠΈ Π΄Π»Ρ 2-ΠΊΠΎΠΌΠ½Π°ΡΠ½ΠΎΠΉ ΠΊΠ²Π°ΡΡΠΈΡΡ.
Π 2-ΠΊΠΎΠΌΠ½Π°ΡΠ½ΠΎΠΉ ΠΊΠ²Π°ΡΡΠΈΡΠ΅ ΡΠ»Π΅ΠΊΡΡΠΎΠΏΡΠΎΠ²ΠΎΠ΄ΠΊΡ ΠΌΠΎΠΆΠ½ΠΎ ΡΠ°Π·Π±ΠΈΡΡ Π½Π° 6 Π³ΡΡΠΏΠΏ:
- ΡΠΎΠ·Π΅ΡΠΊΠΈ ΠΊΠΎΠΌΠ½Π°Ρ
- ΡΠΎΠ·Π΅ΡΠΊΠΈ Π΄Π»Ρ ΠΊΡΡ Π½ΠΈ (Π΄ΠΎΡΡΠ°ΡΠΎΡΠ½ΠΎ ΠΌΠΎΡΠ½ΡΠ΅ ΡΠ»Π΅ΠΊΡΡΠΎΠΏΡΠΈΠ΅ΠΌΠ½ΠΈΠΊΠΈ β ΡΠ»Π΅ΠΊΡΡΠΈΡΠ΅ΡΠΊΠΈΠΉ ΡΠ°ΠΉΠ½ΠΈΠΊ, ΠΏΠΎΡΡΠ΄ΠΎΠΌΠΎΠ΅ΡΠ½Π°Ρ ΠΌΠ°ΡΠΈΠ½Π°, ΠΌΠΈΠΊΡΠΎΠ²ΠΎΠ»Π½ΠΎΠ²Π°Ρ ΠΏΠ΅ΡΡ ΠΈ Π΄Ρ.)
- ΡΠΎΠ·Π΅ΡΠΊΠ° Π΄Π»Ρ ΡΠ»Π΅ΠΊΡΡΠΈΡΠ΅ΡΠΊΠΎΠΉ ΠΏΠ»ΠΈΡΡ (Π΄Π΅Π»Π°Π΅ΠΌ ΠΎΡΠ΄Π΅Π»ΡΠ½ΡΠΌ ΠΊΠ°Π±Π΅Π»Π΅ΠΌ)
- ΡΠΎΠ·Π΅ΡΠΊΠΈ Π΄Π»Ρ Π²Π°Π½Π½ΠΎΠΉ ΠΊΠΎΠΌΠ½Π°ΡΡ (Π΄ΠΎΡΡΠ°ΡΠΎΡΠ½ΠΎ ΠΌΠΎΡΠ½ΡΠ΅ ΡΠ»Π΅ΠΊΡΡΠΎΠΏΡΠΈΠ΅ΠΌΠ½ΠΈΠΊΠΈ β ΡΡΠΈΡΠ°Π»ΡΠ½Π°Ρ ΠΌΠ°ΡΠΈΠ½Π°, ΡΠ΅Π½, ΠΏΠΎΠ»ΠΎΡΠ΅Π½ΡΠ΅-ΠΎΡΡΡΠΈΡΠ΅Π»Ρ, ΡΠ΅ΠΏΠ»ΡΠ΅ ΠΏΠΎΠ»Ρ)
- ΠΎΡΠ²Π΅ΡΠ΅Π½ΠΈΠ΅ ΠΎΠ΄Π½ΠΎΠΉ ΠΏΠΎΠ»ΠΎΠ²ΠΈΠ½Ρ ΠΊΠ²Π°ΡΡΠΈΡΡ
- ΠΎΡΠ²Π΅ΡΠ΅Π½ΠΈΠ΅ Π²ΡΠΎΡΠΎΠΉ ΠΏΠΎΠ»ΠΎΠ²ΠΈΠ½Ρ ΠΊΠ²Π°ΡΡΠΈΡΡ
ΠΡΠ»ΠΈ ΠΡ Π½Π΅ Π·Π°ΠΊΠ°Π·ΡΠ²Π°Π»ΠΈ ΠΏΡΠΎΠ΅ΠΊΡ Ρ ΡΠΏΠ΅ΡΠΈΠ°Π»ΠΈΠ·ΠΈΡΠΎΠ²Π°Π½Π½ΠΎΠΉ ΡΠΈΡΠΌΡ, Π° Π΄Π΅Π»Π°Π΅ΡΠ΅ ΡΠ»Π΅ΠΊΡΡΠΎΠΏΡΠΎΠ²ΠΎΠ΄ΠΊΡ Π² ΠΊΠ²Π°ΡΡΠΈΡΠ΅ ΡΠ²ΠΎΠΈΠΌΠΈ ΡΡΠΊΠ°ΠΌΠΈ, ΡΠΎ Π½Π΅ Π·Π°Π±ΡΠ²Π°ΠΉΡΠ΅ ΠΏΡΠΎ ΠΎΡΠ½ΠΎΠ²Π½ΡΠ΅ ΠΌΠΎΠΌΠ΅Π½ΡΡ β Π·Π°Π·Π΅ΠΌΠ»Π΅Π½ΠΈΠ΅, ΡΡΡΠ°Π½ΠΎΠ²Π»Π΅Π½Π½Π°Ρ ΠΌΠΎΡΠ½ΠΎΡΡΡ ΡΠ»Π΅ΠΊΡΡΠΈΡΠ΅ΡΠΊΠΈΡ ΠΏΡΠΈΠ±ΠΎΡΠΎΠ², Π²ΡΠ±ΠΎΡ ΡΠ΅ΡΠ΅Π½ΠΈΠ΅ ΠΆΠΈΠ» ΠΊΠ°Π±Π΅Π»Π΅ΠΉ ΠΈ ΠΏΡΠΈΠΌΠ΅Π½Π΅Π½ΠΈΠ΅ ΡΠΎΠ²ΡΠ΅ΠΌΠ΅Π½Π½ΡΡ Π·Π°ΡΠΈΡ, ΡΠ°ΠΊΠΈΡ ΠΊΠ°ΠΊ Π£ΠΠ ΠΈΠ»ΠΈ Π΄ΠΈΡΡΠ΅ΡΠ΅Π½ΡΠΈΠ°Π»ΡΠ½ΡΠ΅ Π°Π²ΡΠΎΠΌΠ°ΡΡ. ΠΠ°ΡΠ΅ΠΌΡ Π²Π½ΠΈΠΌΠ°Π½ΠΈΡ ΠΏΡΠ΅Π΄ΡΡΠ°Π²Π»ΡΡ ΡΠΈΠΏΠΎΠ²ΡΡ ΡΡ Π΅ΠΌΡ ΡΠ»Π΅ΠΊΡΡΠΎΠΏΡΠΎΠ²ΠΎΠ΄ΠΊΠΈ.
Β
Π’ΠΈΠΏΠΎΠ²Π°Ρ ΡΡ Π΅ΠΌΠ° ΡΠ»Π΅ΠΊΡΡΠΎΠΏΡΠΎΠ²ΠΎΠ΄ΠΊΠΈ Π² ΠΊΠ²Π°ΡΡΠΈΡΠ΅

Π’ΠΈΠΏΠΎΠ²Π°Ρ ΡΡ Π΅ΠΌΠ° ΡΠ»Π΅ΠΊΡΡΠΎΠΏΡΠΎΠ²ΠΎΠ΄ΠΊΠΈ Π² ΠΊΠ²Π°ΡΡΠΈΡΠ΅
Π Π΄Π°Π½Π½ΠΎΠΉ ΡΡ Π΅ΠΌΠ΅ Π² ΠΎΡΠ°Π½ΠΆΠ΅Π²ΡΡ ΠΊΠ²Π°Π΄ΡΠ°ΡΠΈΠΊΠ°Ρ ΡΠΊΠ°Π·Π°Π½ΠΎ ΡΠ΅ΡΠ΅Π½ΠΈΠ΅ ΠΆΠΈΠ» ΠΊΠ°Π±Π΅Π»Ρ (ΠΊΠ². ΠΌΠΌ), Π² Π·Π΅Π»Π΅Π½ΡΡ ΠΈ ΡΠΈΠ½ΠΈΡ ΠΊΠ²Π°Π΄ΡΠ°ΡΠΈΠΊΠ°Ρ β Π½ΠΎΠΌΠΈΠ½Π°Π»ΡΠ½ΡΠΉ ΡΠΎΠΊ (Π) Π°Π²ΡΠΎΠΌΠ°ΡΠΈΡΠ΅ΡΠΊΠΎΠ³ΠΎ Π²ΡΠΊΠ»ΡΡΠ°ΡΠ΅Π»Ρ, Π΄ΠΈΡΡΠ΅ΡΠ΅Π½ΡΠΈΠ°Π»ΡΠ½ΠΎΠ³ΠΎ Π°Π²ΡΠΎΠΌΠ°ΡΠ° ΠΈ Π£ΠΠ.
ΠΠΎΠΌΠΈΠ½Π°Π»ΡΠ½ΡΠ΅ ΡΠΎΠΊΠΈ Π°Π²ΡΠΎΠΌΠ°ΡΠΈΡΠ΅ΡΠΊΠΈΡ Π²ΡΠΊΠ»ΡΡΠ°ΡΠ΅Π»Π΅ΠΉ ΡΠ°ΡΡΡΠΈΡΠ°Π½Ρ Π² ΡΠΎΠΎΡΠ²Π΅ΡΡΡΠ²ΠΈΠ΅ Ρ ΡΠ΅ΡΠ΅Π½ΠΈΠ΅ΠΌ ΠΆΠΈΠ» ΠΊΠ°Π±Π΅Π»Ρ ΠΎΠΏΡΠ΅Π΄Π΅Π»Π΅Π½Π½ΠΎΠΉ Π³ΡΡΠΏΠΏΡ. ΠΠ»Ρ ΠΎΡΠ²Π΅ΡΠ΅Π½ΠΈΡ ΠΈΡΠΏΠΎΠ»ΡΠ·ΡΠ΅ΡΡΡ ΡΠ΅ΡΠ΅Π½ΠΈΠ΅ 1,5 ΠΊΠ². ΠΌΠΌ, Π΄Π»Ρ ΡΠΎΠ·Π΅ΡΠΎΠΊ β 2,5 ΠΊΠ². ΠΌΠΌ. ΠΠ»Ρ ΡΠ»Π΅ΠΊΡΡΠΈΡΠ΅ΡΠΊΠΎΠΉ ΠΏΠ»ΠΈΡΡ Π·Π°ΠΊΠ»Π°Π΄ΡΠ²Π°Π΅ΠΌ Π±ΠΎΠ»ΡΡΠ΅Π΅ ΡΠ΅ΡΠ΅Π½ΠΈΠ΅ β 4 ΠΊΠ². ΠΌΠΌ.
ΠΠΎ Π΅ΡΠ»ΠΈ Ρ ΠΠ°Ρ Π²ΠΎΠ·Π½ΠΈΠΊΠ½ΡΡ Π²ΠΎΠΏΡΠΎΡΡ ΠΏΠΎ Π²ΡΠ±ΠΎΡΡ ΡΠ΅ΡΠ΅Π½ΠΈΡ ΠΏΡΠΎΠ²ΠΎΠ΄Π½ΠΈΠΊΠΎΠ², ΡΠΎ ΠΌΠΎΠΆΠ½ΠΎ Π²ΠΎΡΠΏΠΎΠ»ΡΠ·ΠΎΠ²Π°ΡΡΡΡ ΡΠ°Π±Π»ΠΈΡΠ΅ΠΉ. ΠΠΎΠ»Π΅Π΅ ΠΏΠΎΠ΄ΡΠΎΠ±Π½ΠΎ ΠΎΠ± ΡΡΠΎΠΌ Π½Π°ΠΏΠΈΡΠ°Π½ΠΎ Π² ΡΡΠ°ΡΡΠ΅ ΠΠ°ΠΊ ΠΎΠΏΡΠ΅Π΄Π΅Π»ΠΈΡΡ ΡΠ΅ΡΠ΅Π½ΠΈΠ΅ ΠΏΡΠΎΠ²ΠΎΠ΄Π°?
ΠΠ½ΠΈΠΌΠ°Π½ΠΈΠ΅!!! ΠΡΠΎ Π΄ΠΎΠ»ΠΆΠ΅Π½ Π·Π½Π°ΡΡ ΠΊΠ°ΠΆΠ΄ΡΠΉ! ΠΡΠΈΠΌΠ΅Π½ΡΡΡ ΠΏΡΠΎΠ²ΠΎΠ΄ ΠΠ£ΠΠ ΡΡΡΠΎΠ³ΠΎ Π·Π°ΠΏΡΠ΅ΡΠ΅Π½ΠΎ.
ΠΠ½Π°Ρ ΡΠΈΠΏ ΠΌΠ°ΡΠ΅ΡΠΈΠ°Π»Π° (Π°Π»ΡΠΌΠΈΠ½ΠΈΠΉ ΠΈΠ»ΠΈ ΠΌΠ΅Π΄Ρ), ΡΡΡΠ°Π½ΠΎΠ²Π»Π΅Π½Π½ΡΡ ΠΌΠΎΡΠ½ΠΎΡΡΡ ΡΠ»Π΅ΠΊΡΡΠΎΠΏΡΠΈΠ΅ΠΌΠ½ΠΈΠΊΠ° ΠΈ ΡΡΠ»ΠΎΠ²ΠΈΡ ΠΏΡΠΎΠΊΠ»Π°Π΄ΠΊΠΈ ΠΊΠ°Π±Π΅Π»Π΅ΠΉ (Π½Π° Π²ΠΎΠ·Π΄ΡΡ Π΅ ΠΈΠ»ΠΈ Π² Π·Π΅ΠΌΠ»Π΅) ΡΠ°ΠΌΠΎΡΡΠΎΡΡΠ΅Π»ΡΠ½ΠΎ Π²ΡΠ±ΠΈΡΠ°Π΅ΠΌ ΡΠ΅ΡΠ΅Π½ΠΈΠ΅ ΠΏΡΠΎΠ²ΠΎΠ΄ΠΎΠ².
ΠΠΎΡΠ»Π΅ Π²ΡΠ±ΠΎΡΠ° ΡΠ΅ΡΠ΅Π½ΠΈΡ Π½Π΅ΠΎΠ±Ρ ΠΎΠ΄ΠΈΠΌΠΎ ΠΏΡΠΈΡΡΡΠΏΠΈΡΡ ΠΊ Π²ΡΠ±ΠΎΡΡ ΠΌΠ°ΡΠΊΠΈ ΠΏΡΠΎΠ²ΠΎΠ΄Π° ΠΈΠ»ΠΈ ΠΊΠ°Π±Π΅Π»Ρ. ΠΠ΅ΡΠ΅Ρ ΠΎΠ΄ΠΈΡΠ΅ ΠΏΠΎ ΡΡΡΠ»ΠΊΠ΅, ΡΠ°ΠΌ Π²ΡΠ΅ ΠΏΠΎΠ΄ΡΠΎΠ±Π½ΠΎ ΠΎΠΏΠΈΡΠ°Π½ΠΎ ΠΊΠ°ΠΊ ΡΡΠΎ ΡΠ΄Π΅Π»Π°ΡΡ.
ΠΠ° Π΄Π°Π½Π½ΠΎΠΉ ΡΡ Π΅ΠΌΠ΅ Π½Π΅ ΡΠΊΠ°Π·Π°Π½ΠΎ ΠΏΠΎΠ΄ΠΊΠ»ΡΡΠ΅Π½ΠΈΠ΅ ΡΠ»Π΅ΠΊΡΡΠΎΡΡΠ΅ΡΡΠΈΠΊΠ°, ΡΡΠΎ ΠΎΡΠ΄Π΅Π»ΡΠ½ΡΠΉ Π²ΠΎΠΏΡΠΎΡ, ΠΊΠΎΡΠΎΡΡΠΉ ΠΌΡ ΡΠ°ΡΡΠΌΠΎΡΡΠΈΠΌ Π² ΠΎΡΠ΄Π΅Π»ΡΠ½ΠΎΠΉ ΡΡΠ°ΡΡΠ΅. ΠΠ²ΠΎΠ΄ Π² ΠΊΠ²Π°ΡΡΠΈΡΡ Π·Π°Π»ΠΎΠΆΠ΅Π½ ΡΠ΅ΡΠ΅Π½ΠΈΠ΅ΠΌ 10 ΠΊΠ². ΠΌΠΌ, Π½ΠΎ ΡΡΠΎ ΡΠ΄Π΅Π»Π°Π½ΠΎ Ρ Π±ΠΎΠ»ΡΡΠΈΠΌ Π·Π°ΠΏΠ°ΡΠΎΠΌ β ΠΎΠ±ΡΡΠ½ΠΎ Π² ΡΠ²ΠΎΠ΅ΠΉ ΠΏΡΠ°ΠΊΡΠΈΠΊΠ΅ Π²Π²ΠΎΠ΄Π½ΠΎΠΉ ΠΊΠ°Π±Π΅Π»Ρ ΠΈΡΠΏΠΎΠ»ΡΠ·ΠΎΠ²Π°Π»ΠΈ ΡΠ΅ΡΠ΅Π½ΠΈΠ΅ΠΌ 6 ΠΊΠ². ΠΌΠΌ ΠΈΠ»ΠΈ 4 ΠΊΠ². ΠΌΠΌ.
ΠΠ²ΠΎΠ΄Π½ΠΎΠΉ Π°Π²ΡΠΎΠΌΠ°Ρ ΡΡΡΠ°Π½ΠΎΠ²Π»Π΅Π½ Π½Π° Π½ΠΎΠΌΠΈΠ½Π°Π»ΡΠ½ΡΠΉ ΡΠΎΠΊ 63 (Π), Π° ΡΡΠ°Π·Ρ ΠΆΠ΅ ΠΏΠΎΡΠ»Π΅ Π°Π²ΡΠΎΠΌΠ°ΡΠ° ΡΡΡΠ°Π½ΠΎΠ²Π»Π΅Π½ΠΎ Π£ΠΠ Ρ ΡΡΡΠ°Π²ΠΊΠΎΠΉ Π΄ΠΈΡΡΠ΅ΡΠ΅Π½ΡΠΈΠ°Π»ΡΠ½ΠΎΠ³ΠΎ ΡΠΎΠΊΠ° 300 (ΠΌΠ). Π‘Π΄Π΅Π»Π°Π½ΠΎ ΡΡΠΎ Ρ ΡΠ΅Π»ΡΡ ΠΏΠΎΠΆΠ°ΡΠ½ΠΎΠΉ Π±Π΅Π·ΠΎΠΏΠ°ΡΠ½ΠΎΡΡΠΈ. ΠΠ»Ρ Π·Π°ΡΠΈΡΡ Π»ΡΠ΄Π΅ΠΉ ΠΎΡ ΠΏΠΎΡΠ°ΠΆΠ΅Π½ΠΈΡ ΡΠ»Π΅ΠΊΡΡΠΈΡΠ΅ΡΠΊΠΈΠΌ ΡΠΎΠΊΠΎΠΌ Π² ΠΎΠΏΠ°ΡΠ½ΡΡ ΠΏΠΎΠΌΠ΅ΡΠ΅Π½ΠΈΡΡ (Π²Π»Π°ΠΆΠ½ΠΎΡΡΡ) ΠΏΡΠΈΠΌΠ΅Π½ΡΡΡ Π£ΠΠ Ρ ΡΡΡΠ°Π²ΠΊΠΎΠΉ Π΄ΠΈΡΡΠ΅ΡΠ΅Π½ΡΠΈΠ°Π»ΡΠ½ΠΎΠ³ΠΎ ΡΠΎΠΊΠ° ΠΎΡ 10-30 (ΠΌΠ). Π Π½Π°ΡΠ΅ΠΌ ΡΠ»ΡΡΠ°Π΅ Π£ΠΠ ΡΡΡΠ°Π½ΠΎΠ²Π»Π΅Π½Ρ Π²ΠΎ Π²ΡΠ΅Ρ ΡΠΎΠ·Π΅ΡΠΎΡΠ½ΡΡ Π³ΡΡΠΏΠΏΠ°Ρ .Π’Π°ΠΊΠΎΠ΅ ΡΠ΅ΡΠ΅Π½ΠΈΠ΅ Π±ΡΠ΄Π΅Ρ ΠΏΡΠ°Π²ΠΈΠ»ΡΠ½ΡΠΌ, Π½ΠΎ ΠΌΠΎΠΆΠ΅Ρ ΠΎΠΊΠ°Π·Π°ΡΡΡΡ Π΄ΠΎΡΠΎΠ³ΠΎΡΡΠΎΡΡΠΈΠΌ, ΠΏΠΎΡΡΠΎΠΌΡ ΠΌΠΎΡ ΡΠ΅ΠΊΠΎΠΌΠ΅Π½Π΄Π°ΡΠΈΡ ΠΏΡΠΈ ΠΎΠ³ΡΠ°Π½ΠΈΡΠ΅Π½Π½ΠΎΠΌ Π±ΡΠ΄ΠΆΠ΅ΡΠ΅ β Π² Π²Π°Π½Π½ΡΡ ΠΊΠΎΠΌΠ½Π°ΡΡ ΠΈ ΠΊΡΡ Π½Ρ ΡΡΡΠ°Π½Π°Π²Π»ΠΈΠ²Π°ΡΡ Π£ΠΠ Π½Π΅ΠΎΠ±Ρ ΠΎΠ΄ΠΈΠΌΠΎ Π² Π»ΡΠ±ΠΎΠΌ ΡΠ»ΡΡΠ°Π΅.
ΠΠ±ΡΠ·Π°ΡΠ΅Π»ΡΠ½ΠΎ ΠΏΡΠΎΡΠΈΡΠ°ΠΉΡΠ΅ ΡΡΠ°ΡΡΡ, ΠΊΠ°ΠΊ ΠΏΡΠ°Π²ΠΈΠ»ΡΠ½ΠΎ ΡΡΡΠ°Π½Π°Π²Π»ΠΈΠ²Π°ΡΡ ΡΠΎΠ·Π΅ΡΠΊΠΈ Π² Π²Π°Π½Π½ΠΎΠΉ ΠΊΠΎΠΌΠ½Π°ΡΠ΅.
ΠΡΡΠΏΠΏΡ ΠΎΡΠ²Π΅ΡΠ΅Π½ΠΈΡ Π½Π΅ ΡΠ½Π°Π±ΠΆΠ°Π΅ΡΡΡ Π£ΠΠ, Ρ.ΠΊ. ΠΌΠ°Π»ΠΎΠ²Π΅ΡΠΎΡΡΠ½ΠΎ ΡΠ»ΡΡΠ°ΠΉΠ½ΠΎΠ΅ ΠΏΡΠΈΠΊΠΎΡΠ½ΠΎΠ²Π΅Π½ΠΈΠ΅ Ρ ΡΠ»Π΅ΠΊΡΡΠΈΡΠ΅ΡΠΊΠΈΠΌΠΈ ΠΏΡΠΈΠ±ΠΎΡΠ°ΠΌΠΈ, Π° ΡΠ°ΠΊΠΆΠ΅ ΡΠ°ΠΌ ΠΊΠΎΡΠΏΡΡ ΡΠ²Π΅ΡΠΈΠ»ΡΠ½ΠΈΠΊΠΎΠ² ΠΈ Π»ΡΡΡΡ Π½Π΅ΠΎΠ±Ρ ΠΎΠ΄ΠΈΠΌΠΎ ΡΠΎΠ΅Π΄ΠΈΠ½ΡΡΡ Ρ PE ΠΏΡΠΎΠ²ΠΎΠ΄Π½ΠΈΠΊΠΎΠΌ.
ΠΡΠ΅ Π²ΡΡΠ΅ΠΏΠ΅ΡΠ΅ΡΠΈΡΠ»Π΅Π½Π½ΡΠ΅ ΠΊΠΎΠΌΠΌΡΡΠ°ΡΠΈΠΎΠ½Π½ΡΠ΅ Π°ΠΏΠΏΠ°ΡΠ°ΡΡ, Π² ΡΠΎΠΌ ΡΠΈΡΠ»Π΅ ΠΈ ΡΡΠ΅ΡΡΠΈΠΊ, ΠΏΠΎΠΌΠ΅ΡΠ°Π΅ΠΌ Π² ΡΠ²ΠΎΠΉ ΠΊΠ²Π°ΡΡΠΈΡΠ½ΡΠΉ ΡΠ»Π΅ΠΊΡΡΠΈΡΠ΅ΡΠΊΠΈΠΉ ΡΠΈΡΠΎΠΊ.

ΠΠ²Π°ΡΡΠΈΡΠ½ΡΠΉ ΡΠ»Π΅ΠΊΡΡΠΎΡΠΈΡΠΎΠΊ
Π‘ΡΠ΅ΡΡΠΈΠΊ ΡΠ»Π΅ΠΊΡΡΠΈΡΠ΅ΡΠΊΠΎΠΉ ΡΠ½Π΅ΡΠ³ΠΈΠΈ ΡΡΡΠ°Π½Π°Π²Π»ΠΈΠ²Π°Π΅ΠΌ ΡΠ»Π΅ΠΊΡΡΠΎΠ½Π½ΡΠΉ, ΠΏΡΠΎΠ³ΡΠ°ΠΌΠΌΠΈΡΡΠ΅ΠΌΡΠΉ Ρ Π½Π΅ΡΠΊΠΎΠ»ΡΠΊΠΈΠΌΠΈ ΡΠ°ΡΠΈΡΠ°ΠΌΠΈ (ΠΎΡ 2 ΠΈ Π²ΡΡΠ΅). Π£ΡΡΠ°Π½Π°Π²Π»ΠΈΠ²Π°Π΅ΡΡΡ ΠΎΠ½ ΠΏΡΠΎΡΡΠΎ ΠΈ ΡΠ΄ΠΎΠ±Π½ΠΎ Π½Π° DIN-ΡΠ΅ΠΉΠΊΡ. Π ΡΠ»Π΅Π΄ΡΡΡΠΈΡ ΡΡΠ°ΡΡΡΡ ΠΡ ΠΌΠΎΠΆΠ΅ΡΠ΅ ΠΏΠΎΠ΄ΡΠΎΠ±Π½ΠΎ ΡΠ·Π½Π°ΡΡ ΠΎ ΡΠΎΠΌ, ΠΊΠ°ΠΊ ΠΏΡΠ°Π²ΠΈΠ»ΡΠ½ΠΎ ΠΊΡΠΏΠΈΡΡ ΡΠ»Π΅ΠΊΡΡΠΎΡΡΠ΅ΡΡΠΈΠΊ ΠΈ Π²ΡΠ±ΡΠ°ΡΡ ΡΠ»Π΅ΠΊΡΡΠΎΡΡΠ΅ΡΡΠΈΠΊ.
Π Π΅ΡΠ΅ Π·Π°Π±ΡΠ» ΡΠΊΠ°Π·Π°ΡΡ. ΠΠΎΠΌΠΈΠΌΠΎ ΡΠΈΠ»ΠΎΠ²ΠΎΠΉ ΡΠ»Π΅ΠΊΡΡΠΎΠΏΡΠΎΠ²ΠΎΠ΄ΠΊΠΈ Π² ΠΊΠ²Π°ΡΡΠΈΡΠ΅, Π½ΡΠΆΠ½ΠΎ ΠΏΡΠΎΠ²ΠΎΠ΄ΠΈΡΡ ΡΠΎΠ²ΠΌΠ΅ΡΡΠ½ΠΎ ΠΈ ΠΌΠΎΠ½ΡΠ°ΠΆ Π½ΠΈΠ·ΠΊΠΎΠ²ΠΎΠ»ΡΡΠ½ΡΡ ΡΠ΅ΡΠ΅ΠΉ, ΡΠ°ΠΊΠΈΡ ΠΊΠ°ΠΊ ΡΠ΅Π»Π΅ΡΠΎΠ½Π½ΡΠΉ ΠΈΒ Π°Π½ΡΠ΅Π½Π½ΡΠΉ ΠΊΠ°Π±Π΅Π»ΠΈ, ΠΈ Π²ΠΈΡΡΡ ΠΏΠ°ΡΡ ΠΊ ΡΠ΅ΡΠ΅Π²ΠΎΠΉ ΠΊΠ°ΡΡΠ΅ ΠΊΠΎΠΌΠΏΡΡΡΠ΅ΡΠ°.
Π ΠΊΠΎΠ½ΡΠ΅ ΡΡΠ°ΡΡΠΈ ΠΏΡΠ΅Π΄Π»Π°Π³Π°Ρ ΠΠ°ΠΌ ΠΏΠΎΠ·Π½Π°ΠΊΠΎΠΌΠΈΡΡΡΡ Ρ ΠΏΡΠΎΠ΅ΠΊΡΠΎΠΌ ΡΡ Π΅ΠΌΡ ΡΠ»Π΅ΠΊΡΡΠΎΠΏΡΠΎΠ²ΠΎΠ΄ΠΊΠΈ ΠΌΠ°Π³Π°Π·ΠΈΠ½Π°, Π² ΠΊΠΎΡΠΎΡΠΎΠΌ ΠΏΠΎΠ΄ΡΠΎΠ±Π½ΠΎ ΡΠ°ΡΡΠΌΠΎΡΡΠ΅Π½Ρ Π²ΡΠ΅ ΡΡΠ°ΠΏΡ ΠΌΠΎΠ½ΡΠ°ΠΆΠ° ΠΎΡ ΠΏΠΈΡΠ°ΡΡΠ΅Π³ΠΎ ΠΊΠ°Π±Π΅Π»Ρ Π΄ΠΎ ΡΠΎΠ·Π΅ΡΠΎΠΊ.
P.S. ΠΠΎΡΠΎΠ³ΠΈΠ΅ ΡΠΈΡΠ°ΡΠ΅Π»ΠΈ ΠΌΠΎΠ΅Π³ΠΎ Π±Π»ΠΎΠ³Π°, Π΄Π°Π²Π°ΠΉΡΠ΅ Π½Π΅ΠΌΠ½ΠΎΠ³ΠΎ ΠΏΠΎΡΠΌΠ΅Π΅ΠΌΡΡ ΠΈ ΠΎΡΠ΄ΠΎΡ Π½Π΅ΠΌ. ΠΠ°ΡΠ΅ΠΌΡ Π²Π½ΠΈΠΌΠ°Π½ΠΈΡ ΠΏΡΠ΅Π΄ΡΡΠ°Π²Π»ΡΡ ΡΠΎΠ»ΠΈΠΊ ΠΏΡΠΎ ΡΠ΅ΠΌΠ΅ΠΉΠ½ΡΡ ΠΆΠΈΠ·Π½Ρβ¦
ΠΡΠ»ΠΈ ΡΡΠ°ΡΡΡ Π±ΡΠ»Π° ΠΠ°ΠΌ ΠΏΠΎΠ»Π΅Π·Π½Π°, ΡΠΎ ΠΏΠΎΠ΄Π΅Π»ΠΈΡΠ΅ΡΡ Π΅ΠΉ ΡΠΎ ΡΠ²ΠΎΠΈΠΌΠΈ Π΄ΡΡΠ·ΡΡΠΌΠΈ:
zametkielectrika.ru
Π‘Ρ Π΅ΠΌΠ° ΡΠ»Π΅ΠΊΡΡΠΎΠΏΡΠΎΠ²ΠΎΠ΄ΠΊΠΈ | ΠΠ°ΠΌΠ΅ΡΠΊΠΈ ΡΠ»Π΅ΠΊΡΡΠΈΠΊΠ°

ΠΠ΄ΡΠ°Π²ΡΡΠ²ΡΠΉΡΠ΅, ΡΠ²Π°ΠΆΠ°Π΅ΠΌΡΠ΅Β Π³ΠΎΡΡΠΈ ΠΈ ΠΏΠΎΡΡΠΎΡΠ½Π½ΡΠ΅ ΡΠΈΡΠ°ΡΠ΅Π»ΠΈ ΡΠ°ΠΉΡΠ° Β«ΠΠ°ΠΌΠ΅ΡΠΊΠΈ ΡΠ»Π΅ΠΊΡΡΠΈΠΊΠ°Β».
Π ΡΠ²ΠΎΠΈΡ ΡΡΠ°ΡΡΡΡ ΡΒ Π½Π΅ΠΎΠ΄Π½ΠΎΠΊΡΠ°ΡΠ½ΠΎ ΠΠ°ΠΌ ΡΠ²Π΅ΡΠ΄ΠΈΠ», ΡΡΠΎ Π»ΡΠ±ΡΠ΅ ΡΠ»Π΅ΠΊΡΡΠΎΠΌΠΎΠ½ΡΠ°ΠΆΠ½ΡΠ΅ ΡΠ°Π±ΠΎΡΡ Π½Π΅ΠΎΠ±Ρ ΠΎΠ΄ΠΈΠΌΠΎ Π²ΡΠΏΠΎΠ»Π½ΡΡΡ ΠΏΠΎ ΠΏΡΠΎΠ΅ΠΊΡΡ.
Π ΠΏΡΠΎΠ΅ΠΊΡΠ΅, ΡΠΎΠ³Π»Π°ΡΠ½ΠΎ ΠΠ£Π ΠΈ Π΄ΡΡΠ³ΠΎΠΉ Π½ΠΎΡΠΌΠ°ΡΠΈΠ²Π½ΠΎΠΉ Π»ΠΈΡΠ΅ΡΠ°ΡΡΡΡ, ΡΠ°ΡΡΡΠΈΡΠ°Π½Ρ Π²ΡΠ΅ Π½Π°Π³ΡΡΠ·ΠΊΠΈ, ΠΏΡΠΎΠΈΠ·Π²Π΅Π΄Π΅Π½ Π²ΡΠ±ΠΎΡ Π½Π΅ΠΎΠ±Ρ ΠΎΠ΄ΠΈΠΌΠΎΠ³ΠΎ ΡΠ»Π΅ΠΊΡΡΠΎΠΎΠ±ΠΎΡΡΠ΄ΠΎΠ²Π°Π½ΠΈΡ, ΡΠ΅ΡΠ΅Π½ΠΈΡ ΠΊΠ°Π±Π΅Π»Π΅ΠΉ ΠΈ ΠΏΡΠΎΠ²ΠΎΠ΄ΠΎΠ², ΠΈΡ ΠΌΠ°ΡΠΊΠΈ ΠΈ Π΄Π»ΠΈΠ½Ρ, ΡΠΎΡΡΠ°Π²Π»Π΅Π½Π° ΡΡ Π΅ΠΌΠ° ΡΠ»Π΅ΠΊΡΡΠΎΠΏΡΠΎΠ²ΠΎΠ΄ΠΊΠΈ Π½Π° ΠΏΠ»Π°Π½Π΅ ΠΏΠΎΠΌΠ΅ΡΠ΅Π½ΠΈΡ ΠΈ Π² Π²ΠΈΠ΄Π΅ ΠΎΠ΄Π½ΠΎΠ»ΠΈΠ½Π΅ΠΉΠ½ΠΎΠΉ ΠΏΡΠΈΠ½ΡΠΈΠΏΠΈΠ°Π»ΡΠ½ΠΎΠΉ ΡΡ Π΅ΠΌΡ.
Π ΡΡΠΎΠΉ ΡΡΠ°ΡΡΠ΅Β ΠΌΡ ΠΏΠΎΠ΄ΡΠΎΠ±Π½ΠΎ ΡΠ°ΡΡΠΌΠΎΡΡΠΈΠΌ ΡΡ Π΅ΠΌΡ ΡΠ»Π΅ΠΊΡΡΠΎΠΏΡΠΎΠ²ΠΎΠ΄ΠΊΠΈ Π½Π° ΠΏΡΠΈΠΌΠ΅ΡΠ΅ ΠΌΠ°Π³Π°Π·ΠΈΠ½Π° Β«ΠΡΠΎΠΌΡΠΎΠ²Π°ΡΡΒ». ΠΠ°Π½Π½ΡΠΉ ΠΏΡΠΈΠΌΠ΅Ρ ΠΌΠΎΠΆΠ½ΠΎ Ρ Π»Π΅Π³ΠΊΠΎΡΡΡΡ ΠΏΡΠΈΠΌΠ΅Π½ΠΈΡΡ Π΄Π»Ρ ΡΠ°ΠΌΠΎΡΡΠΎΡΡΠ΅Π»ΡΠ½ΠΎΠ³ΠΎ ΡΠΎΡΡΠ°Π²Π»Π΅Π½ΠΈΡ ΡΡ Π΅ΠΌΡ ΡΠ»Π΅ΠΊΡΡΠΎΠΏΡΠΎΠ²ΠΎΠ΄ΠΊΠΈ ΠΠ°ΡΠ΅ΠΉ ΠΊΠ²Π°ΡΡΠΈΡΡ ΠΈΠ»ΠΈ Π΄Π°ΡΠΈ.
ΠΠΎΡΠ΅ΠΌΡ Ρ Π²Π·ΡΠ» Π² ΠΏΡΠΈΠΌΠ΅Ρ ΠΌΠ°Π³Π°Π·ΠΈΠ½?
ΠΠ° ΠΏΠΎΡΠΎΠΌΡ, ΡΡΠΎ Π² Π½Π°ΡΡΠΎΡΡΠ΅Π΅ Π²ΡΠ΅ΠΌΡ ΠΌΠΎΠ½ΡΠ°ΠΆ ΡΠ»Π΅ΠΊΡΡΠΎΠΏΡΠΎΠ²ΠΎΠ΄ΠΊΠΈ ΡΡΠΎΠ³ΠΎ ΠΌΠ°Π³Π°Π·ΠΈΠ½Π° Π½Π°ΡΠ°Π» Π²ΡΠΏΠΎΠ»Π½ΡΡΡ ΠΌΠΎΠΉ ΠΊΠΎΠ»Π»Π΅Π³Π°. Π ΠΏΠΎΡΠ»Π΅ Π·Π°Π²Π΅ΡΡΠ΅Π½ΠΈΡ Π²ΡΠ΅Ρ Π΅Π³ΠΎ ΡΠ°Π±ΠΎΡ ΠΌΠ½Π΅ ΠΏΡΠ΅Π΄ΡΡΠΎΠΈΡ Π²ΡΠΏΠΎΠ»Π½ΠΈΡΡ ΡΡΠ΄ ΠΏΡΠΈΠ΅ΠΌΠΎ-ΡΠ΄Π°ΡΠΎΡΠ½ΡΡ ΠΈΡΠΏΡΡΠ°Π½ΠΈΠΉ ΡΠ»Π΅ΠΊΡΡΠΎΠΏΡΠΎΠ²ΠΎΠ΄ΠΊΠΈ, ΠΎ ΠΊΠΎΡΠΎΡΡΡ Ρ ΡΠ°ΡΡΠΊΠ°ΠΆΡ Π² Π΄ΡΡΠ³ΠΈΡ ΡΠ²ΠΎΠΈΡ ΡΡΠ°ΡΡΡΡ .
Β
Π’Π΅Ρ Π½ΠΈΡΠ΅ΡΠΊΠΈΠ΅ ΡΡΠ»ΠΎΠ²ΠΈΡ Π½Π° ΡΠ»Π΅ΠΊΡΡΠΎΡΠ½Π°Π±ΠΆΠ΅Π½ΠΈΠ΅ ΠΌΠ°Π³Π°Π·ΠΈΠ½Π°
ΠΠ°Π³Π°Π·ΠΈΠ½ Β«ΠΡΠΎΠΌΡΠΎΠ²Π°ΡΡΒ» ΡΠ°ΡΠΏΠΎΠ»ΠΎΠΆΠ΅Π½ Π½Π° ΠΏΠ΅ΡΠ²ΠΎΠΌ ΡΡΠ°ΠΆΠ΅ Π½Π° ΠΏΠ»ΠΎΡΠ°Π΄ΡΡ ΠΊΠ²Π°ΡΡΠΈΡΡ ΠΆΠΈΠ»ΠΎΠ³ΠΎ ΠΌΠ½ΠΎΠ³ΠΎΠΊΠ²Π°ΡΡΠΈΡΠ½ΠΎΠ³ΠΎ Π΄ΠΎΠΌΠ°. ΠΠΎΡΠ»Π΅ ΠΏΠΎΠ΄Π°ΡΠΈ Π·Π°ΡΠ²ΠΊΠΈ Π½Π° ΡΠ΅Ρ Π½ΠΎΠ»ΠΎΠ³ΠΈΡΠ΅ΡΠΊΠΎΠ΅ ΠΏΡΠΈΡΠΎΠ΅Π΄ΠΈΠ½Π΅Π½ΠΈΠ΅, ΠΎΡ ΡΠ½Π΅ΡΠ³ΠΎΡΠ½Π°Π±ΠΆΠ°ΡΡΠ΅ΠΉ ΠΎΡΠ³Π°Π½ΠΈΠ·Π°ΡΠΈΠΈ Π±ΡΠ»ΠΈ ΠΏΠΎΠ»ΡΡΠ΅Π½Ρ ΡΠ΅Ρ Π½ΠΈΡΠ΅ΡΠΊΠΈΠ΅ ΡΡΠ»ΠΎΠ²ΠΈΡ. ΠΡΡ ΠΏΡΠΎΡΠ΅Π΄ΡΡΡ ΠΏΠΎΠ»ΡΡΠ΅Π½ΠΈΡ ΡΠ΅Ρ Π½ΠΈΡΠ΅ΡΠΊΠΈΡ ΡΡΠ»ΠΎΠ²ΠΈΠΉ Ρ ΡΠ°ΡΡΠΊΠ°Π·ΡΠ²Π°ΡΡ ΡΠ΅ΠΉΡΠ°Ρ Π½Π΅ Π±ΡΠ΄Ρ. ΠΠ± ΡΡΠΎΠΌ ΠΡ ΠΌΠΎΠΆΠ΅ΡΠ΅ ΡΠ·Π½Π°ΡΡ, ΠΏΡΠΎΡΠΈΡΠ°Π² ΠΏΡΠΈΠΌΠ΅Ρ ΡΠ΅Ρ Π½ΠΈΡΠ΅ΡΠΊΠΈΡ ΡΡΠ»ΠΎΠ²ΠΈΠΉ Π½Π° ΡΠ»Π΅ΠΊΡΡΠΎΡΠ½Π°Π±ΠΆΠ΅Π½ΠΈΠ΅ Π³Π°ΡΠ°ΠΆΠ°.
Π ΡΠ΅Ρ Π½ΠΈΡΠ΅ΡΠΊΠΈΡ ΡΡΠ»ΠΎΠ²ΠΈΡΡ ΠΌΠ°Π³Π°Π·ΠΈΠ½Ρ Π±ΡΠ»Π° ΠΏΡΠΈΡΠ²ΠΎΠ΅Π½Π° 3 ΠΊΠ°ΡΠ΅Π³ΠΎΡΠΈΡ ΡΠ»Π΅ΠΊΡΡΠΎΠΏΡΠΈΠ΅ΠΌΠ½ΠΈΠΊΠΎΠ², Π²ΡΠ΄Π΅Π»Π΅Π½Π° ΠΌΠΎΡΠ½ΠΎΡΡΡ 8 (ΠΊΠΡ) ΠΏΡΠΈ ΡΡΠ΅Ρ ΡΠ°Π·Π½ΠΎΠΌ ΠΏΠΈΡΠ°ΡΡΠ΅ΠΌ Π½Π°ΠΏΡΡΠΆΠ΅Π½ΠΈΠΈ 380 (Π).
ΠΠ»Ρ ΡΡΠ΅ΡΡΠ΅ΠΉ ΠΊΠ°ΡΠ΅Π³ΠΎΡΠΈΠΈ ΡΠ»Π΅ΠΊΡΡΠΎΠΏΡΠΈΠ΅ΠΌΠ½ΠΈΠΊΠΎΠ² Π΄ΠΎΡΡΠ°ΡΠΎΡΠ½ΠΎ ΠΎΠ΄Π½ΠΎΠ³ΠΎ ΠΈΡΡΠΎΡΠ½ΠΈΠΊΠ° ΠΏΠΈΡΠ°Π½ΠΈΡ (Π²Π²ΠΎΠ΄Π°), Π° ΠΏΠ΅ΡΠ΅ΡΡΠ² Π² ΡΠ»Π΅ΠΊΡΡΠΎΡΠ½Π°Π±ΠΆΠ΅Π½ΠΈΠΈ Π΄ΠΎΠΏΡΡΡΠΈΠΌ Π΄ΠΎ 24 ΡΠ°ΡΠΎΠ².
Π’ΠΎΡΠΊΠ° ΠΏΠΎΠ΄ΠΊΠ»ΡΡΠ΅Π½ΠΈΡ ΠΌΠ°Π³Π°Π·ΠΈΠ½Π°, ΡΠΎΠ³Π»Π°ΡΠ½ΠΎ ΡΠ΅Ρ Π½ΠΈΡΠ΅ΡΠΊΠΈΠΌ ΡΡΠ»ΠΎΠ²ΠΈΡΠΌ, ΠΏΡΠΈΠ½ΡΡΠ° Ρ Π½Π°ΠΊΠΎΠ½Π΅ΡΠ½ΠΈΠΊΠΎΠ² Π²Π²ΠΎΠ΄Π½ΡΡ ΠΊΠ°Π±Π΅Π»Π΅ΠΉ Π² ΠΠ Π£-0,4 (ΠΊΠ) ΠΆΠΈΠ»ΠΎΠ³ΠΎ Π΄ΠΎΠΌΠ°. ΠΠΎΡ ΡΠΎΡΠΎ:



Π ΠΌΠ°Π³Π°Π·ΠΈΠ½Π΅ Π½Π΅ΠΎΠ±Ρ ΠΎΠ΄ΠΈΠΌΠΎ ΡΡΡΠ°Π½ΠΎΠ²ΠΈΡΡ Π²Π²ΠΎΠ΄Π½ΠΎΠΉ ΡΠ»Π΅ΠΊΡΡΠΈΡΠ΅ΡΠΊΠΈΠΉ ΡΠ°ΡΠΏΡΠ΅Π΄Π΅Π»ΠΈΡΠ΅Π»ΡΠ½ΡΠΉ ΡΠΈΡ (Π©Π ), ΡΠΎΡΡΠΎΡΡΠΈΠΉ ΠΈΠ·:
ΠΠΎΡΠ»Π΅ Π·Π°Π²Π΅ΡΡΠ΅Π½ΠΈΡ ΠΏΡΠΎΠ΅ΠΊΡΠ° ΡΠ»Π΅ΠΊΡΡΠΎΡΠ½Π°Π±ΠΆΠ΅Π½ΠΈΡ ΠΌΠ°Π³Π°Π·ΠΈΠ½Π° Β«ΠΡΠΎΠΌΡΠΎΠ²Π°ΡΡΒ» Π΅Π³ΠΎ ΡΡΠ΅Π±ΡΠ΅ΡΡΡ ΠΏΡΠ΅Π΄ΡΡΠ°Π²ΠΈΡΡ Π½Π° ΡΠΎΠ³Π»Π°ΡΠΎΠ²Π°Π½ΠΈΠ΅ Π² Β«ΠΠΎΡΠΎΠ΄ΡΠΊΠΈΠ΅ ΡΠ΅ΡΠΈΒ». ΠΠΊΠ»ΡΡΠ΅Π½ΠΈΠ΅ ΠΌΠ°Π³Π°Π·ΠΈΠ½Π° Π½Π° ΠΏΠΎΡΡΠΎΡΠ½Π½ΠΎΠ΅ ΡΠ»Π΅ΠΊΡΡΠΎΡΠ½Π°Π±ΠΆΠ΅Π½ΠΈΠ΅ Π²ΠΎΠ·ΠΌΠΎΠΆΠ½ΠΎ ΡΠΎΠ»ΡΠΊΠΎ ΠΏΠΎΡΠ»Π΅ Π·Π°ΠΊΠ»ΡΡΠ΅Π½ΠΈΡ Π΄ΠΎΠ³ΠΎΠ²ΠΎΡΠ° Ρ ΡΠ½Π΅ΡΠ³ΠΎΡΠ±ΡΡΠΎΠ²ΠΎΠΉ ΠΊΠΎΠΌΠΏΠ°Π½ΠΈΠ΅ΠΉ ΠΈ ΠΏΠΎ Π°ΠΊΡΡ Π΄ΠΎΠΏΡΡΠΊΠ° Π£ΠΏΡΠ°Π²Π»Π΅Π½ΠΈΡ ΠΏΠΎ ΡΠ΅Ρ Π½ΠΎΠ»ΠΎΠ³ΠΈΡΠ΅ΡΠΊΠΎΠΌΡ ΠΈ ΡΠΊΠΎΠ»ΠΎΠ³ΠΈΡΠ΅ΡΠΊΠΎΠΌΡ Π½Π°Π΄Π·ΠΎΡΡ Π ΠΎΡΡΠ΅Ρ Π½Π°Π΄Π·ΠΎΡΠ°.
Β
ΠΡΠΎΠ΅ΠΊΡ ΡΡ Π΅ΠΌΡ ΡΠ»Π΅ΠΊΡΡΠΎΠΏΡΠΎΠ²ΠΎΠ΄ΠΊΠΈ ΠΌΠ°Π³Π°Π·ΠΈΠ½Π°. ΠΠ²ΠΎΠ΄
ΠΠ»Ρ ΡΠ»Π΅ΠΊΡΡΠΎΡΠ½Π°Π±ΠΆΠ΅Π½ΠΈΡ ΠΌΠ°Π³Π°Π·ΠΈΠ½Π° ΠΏΡΠΎΠΌΡΡΠ»Π΅Π½Π½ΡΡ ΡΠΎΠ²Π°ΡΠΎΠ² ΠΏΡΠΈΠΌΠ΅Π½ΡΠ΅ΡΡΡ ΡΠ»Π΅ΠΊΡΡΠΈΡΠ΅ΡΠΊΠ°Ρ ΡΠ΅ΡΡ Ρ ΡΠΈΡΡΠ΅ΠΌΠΎΠΉ Π·Π°Π·Π΅ΠΌΠ»Π΅Π½ΠΈΡ TN-C-SΒ (Π½Π΅ΠΉΡΡΠ°Π»Ρ ΠΏΠΈΡΠ°ΡΡΠ΅Π³ΠΎ ΡΡΠ°Π½ΡΡΠΎΡΠΌΠ°ΡΠΎΡΠ° Π³Π»ΡΡ ΠΎ Π·Π°Π·Π΅ΠΌΠ»Π΅Π½Π°).
ΠΠ²ΠΎΠ΄Π½ΠΎΠΉ ΠΏΠΈΡΠ°ΡΡΠΈΠΉ ΠΊΠ°Π±Π΅Π»Ρ ΠΌΠ°ΡΠΊΠΈ ΠΠΠΠ½Π³ (5Ρ 6) ΠΏΡΠΎΠΊΠ»Π°Π΄ΡΠ²Π°Π΅ΡΡΡ ΠΎΡΠΊΡΡΡΠΎ Π² ΠΠΠ₯-Π³ΠΎΡΡΠΈΡΠΎΠ²Π°Π½Π½ΠΎΠΉ ΡΡΡΠ±Π΅ ΠΏΠΎ ΠΏΠΎΡΠΎΠ»ΠΎΡΠ½ΠΎΠΌΡ ΠΏΠ΅ΡΠ΅ΠΊΡΡΡΠΈΡ ΠΏΠΎΠ΄Π²Π°Π»Π° Π΄ΠΎ ΠΌΠ΅ΡΠ°Π»Π»ΠΈΡΠ΅ΡΠΊΠΎΠ³ΠΎ Π²Π²ΠΎΠ΄Π½ΠΎΠ³ΠΎ ΡΠ°ΡΠΏΡΠ΅Π΄Π΅Π»ΠΈΡΠ΅Π»ΡΠ½ΠΎΠ³ΠΎ ΡΠΈΡΠΊΠ° (Π©Π ) ΠΌΠ°Π³Π°Π·ΠΈΠ½Π°. ΠΡΠ΅ΠΏΠΈΡΡΡ ΠΠΠ₯-Π³ΠΎΡΡΠ° ΠΊ ΠΏΠΎΡΠΎΠ»ΠΊΡ Ρ ΠΏΠΎΠΌΠΎΡΡΡ ΠΏΠ»Π°ΡΡΠΈΠΊΠΎΠ²ΡΡ ΠΊΠ»ΠΈΠΏΡ. ΠΠ½Π΅ Π½ΡΠ°Π²ΠΈΡΡΡ ΡΠ°ΠΊΠΎΠΉ Π²ΠΈΠ΄ ΠΊΡΠ΅ΠΏΠ»Π΅Π½ΠΈΡ β Π±ΡΡΡΡΠΎ, Π½Π°Π΄Π΅ΠΆΠ½ΠΎ ΠΈ ΡΠΌΠΎΡΡΠΈΡΡΡ ΡΡΡΠ΅ΡΠΈΡΠ½ΠΎ, ΠΎΡΠΎΠ±Π΅Π½Π½ΠΎ ΠΊΠΎΠ³Π΄Π° ΠΏΡΠΎΠΊΠ»Π°Π΄ΡΠ²Π°Π΅ΡΡ Π½Π΅ΡΠΊΠΎΠ»ΡΠΊΠΎ ΠΏΠ°ΡΠ°Π»Π»Π΅Π»ΡΠ½ΡΡ ΠΊΠ°Π±Π΅Π»Π΅ΠΉ.
Π ΠΡ Π·Π½Π°Π΅ΡΠ΅ ΠΊΠ°ΠΊΠΈΠ΅ ΠΌΠ°ΡΠΊΠΈ ΠΊΠ°Π±Π΅Π»Π΅ΠΉ ΠΈ ΠΏΡΠΎΠ²ΠΎΠ΄ΠΎΠ² ΠΌΠΎΠΆΠ½ΠΎ ΠΏΡΠΈΠΌΠ΅Π½ΡΡΡ Π΄Π»Ρ Π²ΡΠΏΠΎΠ»Π½Π΅Π½ΠΈΡ ΡΡ Π΅ΠΌ ΡΠ»Π΅ΠΊΡΡΠΎΠΏΡΠΎΠ²ΠΎΠ΄ΠΊΠΈ? ΠΡΠ»ΠΈ Π½Π΅Ρ, ΡΠΎ Π·Π½Π°ΠΊΠΎΠΌΡΡΠ΅ΡΡ Ρ ΡΠ°Π±Π»ΠΈΡΠ΅ΠΉ Π²ΡΠ±ΠΎΡΠ° ΠΌΠ°ΡΠΎΠΊ ΠΊΠ°Π±Π΅Π»Π΅ΠΉ ΠΈ ΠΏΡΠΎΠ²ΠΎΠ΄ΠΎΠ².

ΠΡΠ»Π΅Π²ΠΎΠΉ ΡΠ°Π±ΠΎΡΠΈΠΉ N ΠΈ Π½ΡΠ»Π΅Π²ΠΎΠΉ Π·Π°ΡΠΈΡΠ½ΡΠΉ Π Π ΠΏΡΠΎΠ²ΠΎΠ΄Π½ΠΈΠΊΠΈ Π²Π²ΠΎΠ΄Π½ΠΎΠ³ΠΎ ΠΊΠ°Π±Π΅Π»Ρ Π΄Π»Ρ ΠΌΠ°Π³Π°Π·ΠΈΠ½Π° ΠΏΠΎΠ΄ΠΊΠ»ΡΡΠ°ΡΡΡΡ Π² ΠΠ Π£-0,4 (ΠΊΠ), ΡΠΎΠΎΡΠ²Π΅ΡΡΡΠ²Π΅Π½Π½ΠΎ, Π½Π° Π½ΡΠ»Π΅Π²ΡΡ ΡΠΈΠ½Ρ N ΠΈ ΡΠΈΠ½Ρ Π Π (ΠΠΠ¨).

ΠΡΠΈΠ²ΠΎΠΆΡ ΠΎΠ΄Π½ΠΎΠ»ΠΈΠ½Π΅ΠΉΠ½ΡΡ ΡΡ Π΅ΠΌΡ ΠΏΠ΅ΡΠ΅ΡΠΈΡΠ»Π΅Π½Π½ΡΡ Π²ΡΡΠ΅ ΠΏΠΎΠ΄ΠΊΠ»ΡΡΠ΅Π½ΠΈΠΉ. Π’Π°ΠΊ Π½Π°Π³Π»ΡΠ΄Π½Π΅Π΅.

ΠΡΠΎΠ΅ΠΊΡ Π²Π½ΡΡΡΠ΅Π½Π½Π΅ΠΉ ΡΡ Π΅ΠΌΡ ΡΠ»Π΅ΠΊΡΡΠΎΠΏΡΠΎΠ²ΠΎΠ΄ΠΊΠΈ ΠΌΠ°Π³Π°Π·ΠΈΠ½Π°
ΠΠ²ΠΎΠ΄Π½ΠΎΠΉ ΠΊΠ°Π±Π΅Π»Ρ ΠΠΠΠ½Π³ (5Ρ 6) ΠΏΡΠΈΡ ΠΎΠ΄ΠΈΡ Π² ΡΠ°ΡΠΏΡΠ΅Π΄Π΅Π»ΠΈΡΠ΅Π»ΡΠ½ΡΠΉ ΡΠΈΡ ΠΌΠ°Π³Π°Π·ΠΈΠ½Π° (Π©Π ). Π€Π°Π·Ρ Π, Π ΠΈ Π‘ ΠΏΠΎΠ΄ΠΊΠ»ΡΡΠ°ΡΡΡΡ Π½Π° Π²Π²ΠΎΠ΄Π½ΠΎΠΉ ΡΡΠ΅Ρ ΡΠ°Π·Π½ΡΠΉ (ΡΡΠ΅Ρ ΠΏΠΎΠ»ΡΡΠ½ΡΠΉ) Π°Π²ΡΠΎΠΌΠ°ΡΠΈΡΠ΅ΡΠΊΠΈΠΉ Π²ΡΠΊΠ»ΡΡΠ°ΡΠ΅Π»Ρ ΠΠ47-29 Ρ Π½ΠΎΠΌΠΈΠ½Π°Π»ΡΠ½ΡΠΌ ΡΠΎΠΊΠΎΠΌ 32 (Π). ΠΡΠ»Π΅Π²ΠΎΠΉ ΡΠ°Π±ΠΎΡΠΈΠΉ N ΠΏΡΠΎΠ²ΠΎΠ΄Π½ΠΈΠΊ ΠΏΠΎΠ΄ΠΊΠ»ΡΡΠ°Π΅ΡΡΡ ΠΊ ΡΡΠ΅Ρ ΡΠ°Π·Π½ΠΎΠΌΡ ΡΡΠ΅ΡΡΠΈΠΊΡ Π‘Π-301 ΠΏΡΡΠΌΠΎΠ³ΠΎ Π²ΠΊΠ»ΡΡΠ΅Π½ΠΈΡ Ρ ΠΊΠ»Π°ΡΡΠΎΠΌ ΡΠΎΡΠ½ΠΎΡΡΠΈ 1,0, Π° Ρ Π½Π΅Π³ΠΎ ΡΡ ΠΎΠ΄ΠΈΡ Π½Π° Π½ΡΠ»Π΅Π²ΡΡ ΡΠΈΠ½Ρ N. ΠΡΠ»Π΅Π²ΠΎΠΉ Π·Π°ΡΠΈΡΠ½ΡΠΉ Π Π ΠΏΡΠΎΠ²ΠΎΠ΄Π½ΠΈΠΊ ΠΏΠΎΠ΄ΠΊΠ»ΡΡΠ°Π΅ΡΡΡ ΡΡΠ°Π·Ρ Π½Π° ΡΠΈΠ½Ρ Π Π.
ΠΡΠΈ ΠΏΠΎΠ΄ΠΊΠ»ΡΡΠ΅Π½ΠΈΠΈ Π²Π²ΠΎΠ΄Π½ΠΎΠ³ΠΎ ΠΊΠ°Π±Π΅Π»Ρ ΡΠΎΠ±Π»ΡΠ΄Π°ΠΉΡΠ΅ ΡΠ²Π΅ΡΠΎΠ²ΡΡ ΠΌΠ°ΡΠΊΠΈΡΠΎΠ²ΠΊΡ ΠΆΠΈΠ».Β
Π’ΡΠ΅Ρ ΡΠ°Π·Π½ΡΠΉ ΡΡΠ΅ΡΡΠΈΠΊ Π‘Π-301 (ΠΠ½Π΅ΡΠ³ΠΎΠΌΠ΅ΡΠ°) ΡΡΡΠ°Π½Π°Π²Π»ΠΈΠ²Π°Π΅ΡΡΡ Π² ΡΠ°ΡΠΏΡΠ΅Π΄Π΅Π»ΠΈΡΠ΅Π»ΡΠ½ΠΎΠΌ ΡΠΈΡΠ΅ (Π©Π ) ΠΌΠ°Π³Π°Π·ΠΈΠ½Π° Π½Π° DIN-ΡΠ΅ΠΉΠΊΡ. Π£ΡΡΠ°Π½Π°Π²Π»ΠΈΠ²Π°ΡΡ ΡΡΠ΅ΡΡΠΈΠΊ Π½ΡΠΆΠ½ΠΎ Π² ΡΠΎΠΎΡΠ²Π΅ΡΡΡΠ²ΠΈΠ΅ Ρ Π΅Π³ΠΎ ΡΠ΅Ρ Π½ΠΈΡΠ΅ΡΠΊΠΈΠΌ ΠΏΠ°ΡΠΏΠΎΡΡΠΎΠΌ ΠΈ ΠΠ£Π. ΠΠΎΠ»Π΅Π΅ ΠΏΠΎΠ΄ΡΠΎΠ±Π½ΠΎ ΠΎΠ± ΡΡΠΎΠΌ ΡΠΈΡΠ°ΠΉΡΠ΅ Π² ΡΡΠ°ΡΡΠ΅ ΠΏΡΠΎ ΠΏΡΠ°Π²ΠΈΠ»ΡΠ½ΡΡ ΡΡΡΠ°Π½ΠΎΠ²ΠΊΡ ΡΡΠ΅ΡΡΠΈΠΊΠ°.
Π‘ΡΠ°Π·Ρ ΠΆΠ΅ ΠΏΠΎΡΠ»Π΅ ΡΡΠ΅ΡΡΠΈΠΊΠ° ΡΡΡΠ°Π½ΠΎΠ²Π»Π΅Π½ ΠΎΠ³ΡΠ°Π½ΠΈΡΠΈΡΠ΅Π»Ρ ΠΌΠΎΡΠ½ΠΎΡΡΠΈ ΠΠ-630-5/35, ΠΊΠΎΡΠΎΡΡΠΉ ΡΠΏΡΠ°Π²Π»ΡΠ΅Ρ Ρ ΠΏΠΎΠΌΠΎΡΡΡ ΠΌΠΎΠ΄ΡΠ»ΡΠ½ΡΡ ΠΊΠΎΠ½ΡΠ°ΠΊΡΠΎΡΠΎΠ² ΠΠ-40-40 Π΄Π²ΡΠΌΡ ΡΠ΅ΠΊΡΠΈΡΠΌΠΈ Π½Π°Π³ΡΡΠ·ΠΎΠΊ. ΠΡΠΎ Π·Π½Π°ΡΠΈΡ, ΡΡΠΎ ΠΏΡΠΈ ΠΏΡΠ΅Π²ΡΡΠ΅Π½ΠΈΠΈ ΠΏΠΎΡΡΠ΅Π±Π»ΡΠ΅ΠΌΠΎΠΉ ΠΌΠΎΡΠ½ΠΎΡΡΠΈ Π±ΠΎΠ»Π΅Π΅ 8 (ΠΊΠΡ) Π² Π½Π°ΡΠ°Π»Π΅ ΠΎΡΠΊΠ»ΡΡΠΈΡΡΡ 1 ΡΠ΅ΠΊΡΠΈΡ Π½Π°Π³ΡΡΠ·ΠΎΠΊ, ΠΊ ΠΊΠΎΡΠΎΡΠΎΠΉ ΠΏΠΎΠ΄ΠΊΠ»ΡΡΠ΅Π½Π° ΡΠΎΠ»ΡΠΊΠΎ ΡΠ΅ΠΏΠ»ΠΎΠ²Π°Ρ Π·Π°Π²Π΅ΡΠ°. ΠΡΠ»ΠΈ ΠΈ Π΄Π°Π»ΡΡΠ΅ ΠΌΠΎΡΠ½ΠΎΡΡΡ Π±ΡΠ΄Π΅Ρ ΠΏΡΠ΅Π²ΡΡΠ°ΡΡ 8 (ΠΊΠΡ), ΡΠΎ ΠΊΠΎΠ½ΡΠ°ΠΊΡΠΎΡ ΠΎΡΠΊΠ»ΡΡΠΈΡ 2 ΡΠ΅ΠΊΡΠΈΡ Π½Π°Π³ΡΡΠ·ΠΎΠΊ, Ρ ΠΊΠΎΡΠΎΡΠΎΠΉ ΠΏΠΈΡΠ°Π΅ΡΡΡ Π²ΡΠ΅ ΠΎΡΡΠ°Π»ΡΠ½ΠΎΠ΅ ΡΠ»Π΅ΠΊΡΡΠΎΠΎΠ±ΠΎΡΡΠ΄ΠΎΠ²Π°Π½ΠΈΠ΅.
ΠΡΠΎ ΡΡΠ΅Ρ ΡΠ°Π·Π½ΡΠΉ ΠΎΠ³ΡΠ°Π½ΠΈΡΠΈΡΠ΅Π»Ρ ΠΌΠΎΡΠ½ΠΎΡΡΠΈ ΠΠ-630 Ρ Π΅ΡΠ΅ Π½Π΅ ΠΏΠΈΡΠ°Π» ΡΡΠ°ΡΡΠΈ. ΠΠ°ΡΠΎ Π½Π΅Π΄Π°Π²Π½ΠΎ Π΄Π΅Π»Π°Π» ΠΏΠΎΠ΄ΡΠΎΠ±Π½ΡΠΉ ΠΎΠ±Π·ΠΎΡ ΠΎΠ΄Π½ΠΎΡΠ°Π·Π½ΠΎΠ³ΠΎ ΠΎΠ³ΡΠ°Π½ΠΈΡΠΈΡΠ΅Π»Ρ ΠΌΠΎΡΠ½ΠΎΡΡΠΈ ΠΠ-110.
ΠΠΈΠΆΠ΅ ΠΏΡΠ΅Π΄ΡΡΠ°Π²Π»ΡΡ ΠΠ°ΡΠ΅ΠΌΡ Π²Π½ΠΈΠΌΠ°Π½ΠΈΡ ΠΎΠ΄Π½ΠΎΠ»ΠΈΠ½Π΅ΠΉΠ½ΡΡ ΠΏΡΠΈΠ½ΡΠΈΠΏΠΈΠ°Π»ΡΠ½ΡΡ ΡΡ Π΅ΠΌΡ ΡΠ»Π΅ΠΊΡΡΠΎΠΏΡΠΎΠ²ΠΎΠ΄ΠΊΠΈ ΠΌΠ°Π³Π°Π·ΠΈΠ½Π° Β«ΠΡΠΎΠΌΡΠΎΠ²Π°ΡΡΒ» (ΠΊΠ»ΠΈΠΊΠ½ΠΈΡΠ΅ Π½Π° ΡΡ Π΅ΠΌΡ Π΄Π»Ρ ΡΠ²Π΅Π»ΠΈΡΠ΅Π½ΠΈΡ):

ΠΠ°Π±ΡΠ» ΡΠΊΠ°Π·Π°ΡΡ, ΡΡΠΎ Π²ΡΡ ΠΊΠΎΠΌΠΌΡΡΠ°ΡΠΈΡ ΡΠ°ΡΠΏΡΠ΅Π΄Π΅Π»ΠΈΡΠ΅Π»ΡΠ½ΠΎΠ³ΠΎ ΡΠΈΡΠ° Π²ΡΠΏΠΎΠ»Π½Π΅Π½Π° Ρ ΠΏΠΎΠΌΠΎΡΡΡ ΠΌΠ΅Π΄Π½ΠΎΠ³ΠΎ ΠΏΡΠΎΠ²ΠΎΠ΄Π° ΠΠ-1 ΡΠ΅ΡΠ΅Π½ΠΈΠ΅ΠΌ 6 ΠΊΠ².ΠΌΠΌ.
ΠΠ°ΡΠΊΠΈΡΠΎΠ²ΠΊΠ° Π½Π° ΡΡ Π΅ΠΌΠ΅Β Β Β«/Β» ΠΈ Β«///Β» ΠΎΠ±ΠΎΠ·Π½Π°ΡΠ°Π΅Ρ ΠΊΠΎΠ»ΠΈΡΠ΅ΡΡΠ²ΠΎ ΡΠ°Π·.Β Π ΠΏΠ΅ΡΠ²ΠΎΠΌ ΡΠ»ΡΡΠ°Π΅ β ΡΡΠΎ ΠΎΠ΄Π½ΠΎΡΠ°Π·Π½Π°Ρ Π½Π°Π³ΡΡΠ·ΠΊΠ°, Π²ΠΎ Π²ΡΠΎΡΠΎΠΌ β ΡΡΠ΅Ρ ΡΠ°Π·Π½Π°Ρ. ΠΠ· ΡΡ Π΅ΠΌΡ Π²ΡΡΠ΅ Π²ΠΈΠ΄Π½ΠΎ, ΡΡΠΎ Π²ΡΠ΅ Π½Π°ΡΠΈ ΠΏΠΎΡΡΠ΅Π±ΠΈΡΠ΅Π»ΠΈ ΡΠ²Π»ΡΡΡΡΡ ΠΎΠ΄Π½ΠΎΡΠ°Π·Π½ΡΠΌΠΈ, Π½ΠΎ ΠΈΡ ΠΏΠΈΡΠ°Π½ΠΈΠ΅ Π²Π·ΡΡΠΎ Ρ ΡΠ°Π·Π½ΡΡ ΡΠ°Π·, Π΄Π»Ρ ΠΎΠ±Π΅ΡΠΏΠ΅ΡΠ΅Π½ΠΈΡ ΡΠ°Π²Π½ΠΎΠΌΠ΅ΡΠ½ΠΎΡΡΠΈ Π·Π°Π³ΡΡΠ·ΠΊΠΈ ΡΡΠ΅Ρ ΡΠ°Π·Π½ΠΎΠΉ ΠΏΠΈΡΠ°ΡΡΠ΅ΠΉΒ ΡΠ΅ΡΠΈ.
ΠΡ Π²ΠΎΡ ΠΌΡ ΠΏΠ»Π°Π²Π½ΠΎ ΠΏΠΎΠ΄ΠΎΠ±ΡΠ°Π»ΠΈΡΡ ΠΊ ΡΠ°ΡΠΏΡΠ΅Π΄Π΅Π»ΠΈΡΠ΅Π»ΡΠ½ΡΠΌ Π³ΡΡΠΏΠΏΠ°ΠΌ.
Π Π°ΡΠΏΡΠ΅Π΄Π΅Π»ΠΈΡΠ΅Π»ΡΠ½ΡΠ΅ Π³ΡΡΠΏΠΏΡ ΠΌΠ°Π³Π°Π·ΠΈΠ½Π°
ΠΠ°Β ΠΎΠ΄Π½ΠΎΠ»ΠΈΠ½Π΅ΠΉΠ½ΠΎΠΉ ΡΡ Π΅ΠΌΠ΅ ΡΠ»Π΅ΠΊΡΡΠΎΠΏΡΠΎΠ²ΠΎΠ΄ΠΊΠΈ ΠΌΠ°Π³Π°Π·ΠΈΠ½Π° ΡΠΊΠ°Π·Π°Π½Ρ 7 ΡΠ°ΡΠΏΡΠ΅Π΄Π΅Π»ΠΈΡΠ΅Π»ΡΠ½ΡΡ Π³ΡΡΠΏΠΏ ΠΈΠ»ΠΈ Π»ΠΈΠ½ΠΈΠΉ. ΠΠΎΠΌΡ ΠΊΠ°ΠΊ ΡΠ΄ΠΎΠ±Π½ΠΎ Π½Π°Π·ΡΠ²Π°ΡΡ.
Π Π°ΡΠΏΠΈΡΠ΅ΠΌ ΡΡΠΈ Π³ΡΡΠΏΠΏΡ:
- ΡΠ΅ΠΏΠ»ΠΎΠ²Π°Ρ Π·Π°Π²Π΅ΡΠ° (Π³Ρ. 1)
- ΡΠΎΠ·Π΅ΡΠΎΡΠ½Π°Ρ Π»ΠΈΠ½ΠΈΡ ΠΏΠΎΠΌΠ΅ΡΠ΅Π½ΠΈΠΉ β 1, 2 (Π³Ρ. 2)
- ΡΠΎΠ·Π΅ΡΠΎΡΠ½Π°Ρ Π»ΠΈΠ½ΠΈΡ ΠΏΠΎΠΌΠ΅ΡΠ΅Π½ΠΈΡ β 1 (Π³Ρ. 3)
- ΠΊΠ°Π½Π°Π»ΡΠ½ΡΠΉ Π²Π΅Π½ΡΠΈΠ»ΡΡΠΎΡ (Π³Ρ. 4)
- ΠΎΡΠ²Π΅ΡΠ΅Π½ΠΈΠ΅ ΠΏΠΎΠΌΠ΅ΡΠ΅Π½ΠΈΠΉ β 1, 5, Π½Π°ΡΡΠΆΠ½ΠΎΠ΅ ΠΎΡΠ²Π΅ΡΠ΅Π½ΠΈΠ΅ (Π³Ρ. 5)
- ΠΎΡΠ²Π΅ΡΠ΅Π½ΠΈΠ΅ ΠΏΠΎΠΌΠ΅ΡΠ΅Π½ΠΈΠΉ β 2-4 (Π³Ρ. 6)
- ΠΠΠ‘ β ΠΏΠΎΠΆΠ°ΡΠ½ΠΎ-ΠΎΡ ΡΠ°Π½Π½Π°Ρ ΡΠΈΠ³Π½Π°Π»ΠΈΠ·Π°ΡΠΈΡ (Π³Ρ. 7)
ΠΡΠ΅ ΠΏΠ΅ΡΠ΅ΡΠΈΡΠ»Π΅Π½Π½ΡΠ΅ Π³ΡΡΠΏΠΏΠΎΠ²ΡΠ΅ ΡΠ΅ΡΠΈ ΡΠ»Π΅ΠΊΡΡΠΎΠΏΡΠΎΠ²ΠΎΠ΄ΠΊΠΈ Π²ΡΠΏΠΎΠ»Π½ΡΡΡΡΡ ΠΊΠ°Π±Π΅Π»Π΅ΠΌ ΠΠΠΠ½Π³-LS ΠΈ ΠΏΡΠΎΠΊΠ»Π°Π΄ΡΠ²Π°ΡΡΡΡ Π² ΠΠΠ₯ β Π³ΠΎΡΡΠ΅Β Π·Π° Π»ΠΈΡΡΠ°ΠΌΠΈ Π³ΠΈΠΏΡΠΎΠΊΠ°ΡΡΠΎΠ½Π° ΠΈ ΠΏΠΎΠ΄Π²Π΅ΡΠ½ΡΠΌ ΠΏΠΎΡΠΎΠ»ΠΊΠΎΠΌ.Β ΠΠ»Ρ ΠΊΠ°ΠΆΠ΄ΠΎΠΉ Π³ΡΡΠΏΠΏΡ ΠΈΠΌΠ΅Π΅ΡΡΡ ΡΠ²ΠΎΠΉ Π°ΠΏΠΏΠ°ΡΠ°Ρ Π·Π°ΡΠΈΡΡ Ρ ΠΎΠΏΡΠ΅Π΄Π΅Π»Π΅Π½Π½ΡΠΌΠΈ Ρ Π°ΡΠ°ΠΊΡΠ΅ΡΠΈΡΡΠΈΠΊΠ°ΠΌΠΈ Π² Π·Π°Π²ΠΈΡΠΈΠΌΠΎΡΡΠΈ ΠΎΡ ΠΌΠΎΡΠ½ΠΎΡΡΠΈ ΠΏΠΎΡΡΠ΅Π±ΠΈΡΠ΅Π»Ρ.
ΠΡΠΈΠ²ΠΎΠΆΡ ΠΠ°ΠΌ ΡΠ°ΡΡΠ΅ΡΠ½ΡΡ ΡΡ Π΅ΠΌΡ ΡΠ»Π΅ΠΊΡΡΠΎΠΏΡΠΎΠ²ΠΎΠ΄ΠΊΠΈ ΠΌΠ°Π³Π°Π·ΠΈΠ½Π°, Π³Π΄Π΅ Π΄Π»Ρ ΠΊΠ°ΠΆΠ΄ΠΎΠΉ Π³ΡΡΠΏΠΏΡ ΡΠΊΠ°Π·Π°Π½Ρ:
- ΠΌΠΎΡΠ½ΠΎΡΡΡ Π½Π°Π³ΡΡΠ·ΠΊΠΈ, (ΠΊΠΡ)
- Π½ΠΎΠΌΠΈΠ½Π°Π»ΡΠ½ΡΠΉ ΡΠΎΠΊ Π½Π°Π³ΡΡΠ·ΠΊΠΈ, (Π)
(Π½Π°ΠΆΠΌΠΈΡΠ΅ Π½Π° ΠΊΠ°ΡΡΠΈΠ½ΠΊΡ Π΄Π»Ρ ΡΠ²Π΅Π»ΠΈΡΠ΅Π½ΠΈΡ)
ΠΠ°ΠΏΡΠΈΠΌΠ΅Ρ, ΡΠ΅ΠΏΠ»ΠΎΠ²Π°Ρ Π·Π°Π²Π΅ΡΠ° ΠΈΠΌΠ΅Π΅Ρ ΡΠ°ΡΡΠ΅ΡΠ½ΡΡ ΠΌΠΎΡΠ½ΠΎΡΡΡ 3,5 (ΠΊΠΡ). Π‘Π΅ΡΠ΅Π½ΠΈΠ΅ ΠΏΠΈΡΠ°ΡΡΠ΅Π³ΠΎ ΠΊΠ°Π±Π΅Π»ΡΒ ΠΠΠΠ½Π³-LS ΡΠΎΡΡΠ°Π²Π»ΡΠ΅Ρ 2,5 ΠΊΠ².Β ΠΌΠΌ.Β Π ΠΊΠ°ΡΠ΅ΡΡΠ²Π΅ Π°ΠΏΠΏΠ°ΡΠ°ΡΠ° Π·Π°ΡΠΈΡΡ ΠΏΡΠΈΠΌΠ΅Π½ΡΠ΅ΡΡΡ Π΄ΠΈΡΡΠ΅ΡΠ΅Π½ΡΠΈΠ°Π»ΡΠ½ΡΠΉ Π°Π²ΡΠΎΠΌΠ°ΡΠΈΡΠ΅ΡΠΊΠΈΠΉ Π²ΡΠΊΠ»ΡΡΠ°ΡΠ΅Π»Ρ ΠΠ12 Ρ Π½ΠΎΠΌΠΈΠ½Π°Π»ΡΠ½ΡΠΌ ΡΠΎΠΊΠΎΠΌ 25 (Π) ΠΈ ΡΡΡΠ°Π²ΠΊΠΎΠΉ Π΄ΠΈΡΡΠ΅ΡΠ΅Π½ΡΠΈΠ°Π»ΡΠ½ΠΎΠ³ΠΎ ΡΠΎΠΊΠ° 30 (ΠΌΠ). ΠΠ»ΠΈΠ½Π° ΠΊΠ°Π±Π΅Π»ΡΠ½ΠΎΠΉ Π»ΠΈΠ½ΠΈΠΈ ΡΠ°Π²Π½Π° 15 (ΠΌ).

ΠΡΠ΅ ΠΏΡΠΈΠΌΠ΅Ρ, ΠΊΠ°Π½Π°Π»ΡΠ½ΡΠΉ Π²Π΅Π½ΡΠΈΠ»ΡΡΠΎΡ ΠΌΠΎΡΠ½ΠΎΡΡΡΡ 0,1 (ΠΊΠΡ). Π‘Π΅ΡΠ΅Π½ΠΈΠ΅ ΠΏΠΈΡΠ°ΡΡΠ΅Π³ΠΎΒ ΠΊΠ°Π±Π΅Π»ΡΒ ΠΠΠΠ½Π³-LS ΡΠΎΡΡΠ°Π²Π»ΡΠ΅Ρ 2,5 ΠΊΠ².Β ΠΌΠΌ.Β Π ΠΊΠ°ΡΠ΅ΡΡΠ²Π΅ Π°ΠΏΠΏΠ°ΡΠ°ΡΠ° Π·Π°ΡΠΈΡΡ ΠΈΡΠΏΠΎΠ»ΡΠ·ΡΠ΅ΡΡΡ Π°Π²ΡΠΎΠΌΠ°ΡΠΈΡΠ΅ΡΠΊΠΈΠΉ Π²ΡΠΊΠ»ΡΡΠ°ΡΠ΅Π»ΡΒ ΠΠ47-29 Ρ Π½ΠΎΠΌΠΈΠ½Π°Π»ΡΠ½ΡΠΌ ΡΠΎΠΊΠΎΠΌΒ 16 (Π). ΠΠ»ΠΈΠ½Π° ΠΊΠ°Π±Π΅Π»ΡΠ½ΠΎΠΉ Π»ΠΈΠ½ΠΈΠΈ ΡΠ°Π²Π½Π° 10 (ΠΌ).
ΠΠΌΠ΅Ρ Π² Π½Π°Π»ΠΈΡΠΈΠ΅ ΡΠ°ΡΡΠ΅ΡΠ½ΡΡ ΡΡ Π΅ΠΌΡ ΡΠ»Π΅ΠΊΡΡΠΎΠΏΡΠΎΠ²ΠΎΠ΄ΠΊΠΈ ΠΡ Π±Π΅Π· Π²ΡΡΠΊΠΈΡ ΠΏΡΠΎΠ±Π»Π΅ΠΌ ΠΏΡΠΈΠΎΠ±ΡΠ΅ΡΠ΅ΡΠ΅ Π½Π΅ΠΎΠ±Ρ ΠΎΠ΄ΠΈΠΌΡΠΉ ΠΌΠ°ΡΠ΅ΡΠΈΠ°Π» Π΄Π»Ρ Π²ΡΠΏΠΎΠ»Π½Π΅Π½ΠΈΡ ΡΠ»Π΅ΠΊΡΡΠΎΠΌΠΎΠ½ΡΠ°ΠΆΠ°. ΠΡΠΈΠ²Π΅Π΄Ρ ΠΠ°ΠΌ ΠΌΠΎΠΈ ΠΏΠΎΠ»Π΅Π·Π½ΡΠ΅ ΡΡΠ°ΡΡΠΈ ΠΏΠΎ ΡΠ΅ΠΌΠ΅Β ΠΏΡΠΈΠΎΠ±ΡΠ΅ΡΠ΅Π½ΠΈΡ ΡΠ»Π΅ΠΊΡΡΠΎΠΎΠ±ΠΎΡΡΠ΄ΠΎΠ²Π°Π½ΠΈΡ ΠΈ ΡΠ»Π΅ΠΊΡΡΠΎΡΠ΅Ρ Π½ΠΈΡΠ΅ΡΠΊΠΈΡ ΠΈΠ·Π΄Π΅Π»ΠΈΠΉ:
ΠΠΎΠ½ΡΠ°ΠΆΠ½Π°ΡΒ ΡΡ Π΅ΠΌΠ° ΡΠ»Π΅ΠΊΡΡΠΎΠΏΡΠΎΠ²ΠΎΠ΄ΠΊΠΈ ΠΌΠ°Π³Π°Π·ΠΈΠ½Π°
Π§ΡΠΎΠ±Ρ ΠΏΠ΅ΡΠ΅ΠΉΡΠΈ ΠΊ ΠΌΠΎΠ½ΡΠ°ΠΆΠ½ΠΎΠΉ ΡΡ Π΅ΠΌΠ΅ ΡΠ»Π΅ΠΊΡΡΠΎΠΏΡΠΎΠ²ΠΎΠ΄ΠΊΠΈ ΠΌΠ°Π³Π°Π·ΠΈΠ½Π° Β«ΠΡΠΎΠΌΡΠΎΠ²Π°ΡΡΒ» Π½Π΅ΠΎΠ±Ρ ΠΎΠ΄ΠΈΠΌΠΎ ΠΏΠΎΠ·Π½Π°ΠΊΠΎΠΌΠΈΡΡΡΡ Ρ ΠΏΠ»Π°Π½ΠΎΠΌ (ΡΠΊΡΠΏΠ»ΠΈΠΊΠ°ΡΠΈΠ΅ΠΉ) Π΅Π³ΠΎ ΠΏΠΎΠΌΠ΅ΡΠ΅Π½ΠΈΠΉ, Π³Π΄Π΅Β ΠΎΠ±ΠΎΠ·Π½Π°ΡΠ΅Π½Ρ Π½Π°ΠΈΠΌΠ΅Π½ΠΎΠ²Π°Π½ΠΈΡ ΠΊΠΎΠΌΠ½Π°Ρ.

ΠΡΠ΅Π³ΠΎ Π² ΠΌΠ°Π³Π°Π·ΠΈΠ½Π΅ ΠΈΠΌΠ΅Π΅ΡΡΡ 5 ΠΏΠΎΠΌΠ΅ΡΠ΅Π½ΠΈΠΉ:
- 1 β ΡΠΎΡΠ³ΠΎΠ²ΡΠΉ Π·Π°Π»
- 2 β ΠΊΠΎΠΌΠ½Π°ΡΠ° ΠΏΠ΅ΡΡΠΎΠ½Π°Π»Π°
- 3 β ΠΊΠΎΡΠΈΠ΄ΠΎΡ
- 4 β ΡΠ°Π½ΡΠ·Π΅Π»
- 5 β ΡΠ°ΠΌΠ±ΡΡ
ΠΠΎΡ ΡΠ°Π±Π»ΠΈΡΠ° Ρ ΡΠΊΠ°Π·Π°Π½ΠΈΠ΅ΠΌ ΠΈΡ Π½Π°ΠΈΠΌΠ΅Π½ΠΎΠ²Π°Π½ΠΈΠΉ, ΠΏΠ»ΠΎΡΠ°Π΄ΠΈ ΠΈ Ρ Π°ΡΠ°ΠΊΡΠ΅ΡΠΈΡΡΠΈΠΊ, ΡΠΎΠ³Π»Π°ΡΠ½ΠΎ ΠΠ£Π.

Π ΠΌΠΎΠ΅ΠΌ ΠΏΡΠΈΠΌΠ΅ΡΠ΅ ΡΠΈΠ»ΠΎΠ²Π°Ρ ΠΈ ΠΎΡΠ²Π΅ΡΠΈΡΠ΅Π»ΡΠ½Π°Ρ ΡΠ΅ΡΠΈ ΡΠ°Π·Π±ΠΈΡΡ Π½Π° Π΄Π²Π° ΡΠ°Π·Π½ΡΡ ΡΠ΅ΡΡΠ΅ΠΆΠ°, ΡΡΠΎΠ±Ρ Π½Π΅ Π±ΡΠ»ΠΎ ΠΏΡΡΠ°Π½ΠΈΡΡ ΠΏΡΠΈ ΡΡΠ΅Π½ΠΈΠΈ ΡΡ Π΅ΠΌΡ. Π§Π°ΡΠ΅ Π±ΡΠ²Π°Π΅Ρ Π½Π°ΠΎΠ±ΠΎΡΠΎΡ, Π²ΡΡ ΠΌΠΎΠ½ΡΠ°ΠΆΠ½Π°Ρ ΡΡ Π΅ΠΌΠ° ΡΠ»Π΅ΠΊΡΡΠΎΠΏΡΠΎΠ²ΠΎΠ΄ΠΊΠΈ ΠΈΠ·ΠΎΠ±ΡΠ°ΠΆΠ΅Π½Π° Π½Π° ΠΎΠ΄Π½ΠΎΠΌ ΡΠ΅ΡΡΠ΅ΠΆΠ΅, ΠΏΠΎΡΡΠΎΠΌΡ ΡΠΈΠ»ΠΎΠ²ΡΡ ΠΈ ΠΎΡΠ²Π΅ΡΠΈΡΠ΅Π»ΡΠ½ΡΡ ΡΠ΅ΡΡ ΠΎΠ±ΠΎΠ·Π½Π°ΡΠ°ΡΡ Π² ΡΠ°ΠΊΠΎΠΌ ΡΠ»ΡΡΠ°Π΅ ΡΠ°Π·Π½ΡΠΌΠΈ ΡΠ²Π΅ΡΠ°ΠΌΠΈ.
ΠΠ° ΠΌΠΎΠ½ΡΠ°ΠΆΠ½ΠΎΠΉ ΡΡ Π΅ΠΌΠ΅ ΠΡ ΡΠ²ΠΈΠ΄ΠΈΡΠ΅:
- Π²ΡΠ΅ ΠΏΡΡΠΈ ΠΏΡΠΎΠΊΠ»Π°Π΄ΠΊΠΈ ΠΊΠ°Π±Π΅Π»Π΅ΠΉ Π³ΡΡΠΏΠΏΠΎΠ²ΡΡ Π»ΠΈΠ½ΠΈΠΉ
- ΠΌΠ΅ΡΡΠ° ΡΡΡΠ°Π½ΠΎΠ²ΠΊΠΈ ΡΠ°ΡΠΏΡΠ΅Π΄Π΅Π»ΠΈΡΠ΅Π»ΡΠ½ΡΡ ΠΊΠΎΡΠΎΠ±ΠΎΠΊ
- ΠΌΠ΅ΡΡΠ° ΡΡΡΠ°Π½ΠΎΠ²ΠΊΠΈ Π²ΡΠ΅Ρ ΡΠΎΠ·Π΅ΡΠΎΠΊ ΠΈ Π²ΡΠΊΠ»ΡΡΠ°ΡΠ΅Π»Π΅ΠΉ
- ΠΌΠ΅ΡΡΠ° ΡΡΡΠ°Π½ΠΎΠ²ΠΊΠΈΒ ΡΠ²Π΅ΡΠΈΠ»ΡΠ½ΠΈΠΊΠΎΠ² ΠΈ ΡΠ»Π΅ΠΊΡΡΠΈΡΠ΅ΡΠΊΠΈΡ ΡΡΡΡΠΎΠΉΡΡΠ²
ΠΠ°Π΄Π΅ΡΡΡ ΠΡ Π·Π½Π°Π΅ΡΠ΅ Π²ΡΠ΅Β ΡΠΏΠΎΡΠΎΠ±Ρ ΡΠΎΠ΅Π΄ΠΈΠ½Π΅Π½ΠΈΡ ΠΏΡΠΎΠ²ΠΎΠ΄ΠΎΠ² Π² ΡΠ°ΡΠΏΡΠ΅Π΄Π΅Π»ΠΈΡΠ΅Π»ΡΠ½ΡΡ ΠΊΠΎΡΠΎΠ±ΠΊΠ°Ρ , ΠΊΠΎΡΠΎΡΡΠ΅ ΡΠ°Π·ΡΠ΅ΡΠ΅Π½Ρ ΠΠ£Π.
ΠΡΠ΅Π΄Π²Π°ΡΠΈΡΠ΅Π»ΡΠ½ΠΎ ΡΠΊΠ°ΠΆΡ, ΡΡΠΎ ΠΏΡΠΈ ΠΌΠΎΠ½ΡΠ°ΠΆΠ΅ ΡΠ»Π΅ΠΊΡΡΠΎΠΏΡΠΎΠ²ΠΎΠ΄ΠΊΠΈ ΡΠΎΠ΅Π΄ΠΈΠ½Π΅Π½ΠΈΠ΅ ΠΏΡΠΎΠ²ΠΎΠ΄ΠΎΠ² Π΄Π»Ρ ΡΠΈΠ»ΠΎΠ²ΡΡ Π½Π°Π³ΡΡΠ·ΠΎΠΊ Π±ΡΠ΄Π΅Ρ ΠΎΡΡΡΠ΅ΡΡΠ²Π»ΡΡΡΡΡ Ρ ΠΏΠΎΠΌΠΎΡΡΡ ΡΠ²Π°ΡΠΊΠΈ, Π° Π΄Π»Ρ ΡΠ΅ΠΏΠ΅ΠΉ ΠΎΡΠ²Π΅ΡΠ΅Π½ΠΈΡ Ρ ΠΏΠΎΠΌΠΎΡΡΡ ΠΊΠ»Π΅ΠΌΠΌ Wago.
Β
Π‘ΠΈΠ»ΠΎΠ²Π°Ρ ΡΡ Π΅ΠΌΠ° ΡΠ»Π΅ΠΊΡΡΠΎΠΏΡΠΎΠ²ΠΎΠ΄ΠΊΠΈ ΠΌΠ°Π³Π°Π·ΠΈΠ½Π°
ΠΠ° ΡΠΈΠ»ΠΎΠ²ΠΎΠΉ ΡΡ Π΅ΠΌΠ΅ ΠΏΠΎΠΊΠ°Π·Π°Π½Ρ ΠΌΠ΅ΡΡΠ° ΡΡΡΠ°Π½ΠΎΠ²ΠΊΠΈ ΡΠΈΠ»ΠΎΠ²ΠΎΠ³ΠΎ ΡΠ»Π΅ΠΊΡΡΠΎΠΎΠ±ΠΎΡΡΠ΄ΠΎΠ²Π°Π½ΠΈΡ (ΡΠ΅ΠΏΠ»ΠΎΠ²Π°Ρ Π·Π°Π²Π΅ΡΠ° ΠΈ ΠΊΠ°Π½Π°Π»ΡΠ½ΡΠΉ Π²Π΅Π½ΡΠΈΠ»ΡΡΠΎΡ) ΠΈ ΡΠΎΠ·Π΅ΡΠΎΠΊ.

Π ΡΠΎΡΠ³ΠΎΠ²ΠΎΠΌ Π·Π°Π»Π΅ Π²ΡΠ΅Π³ΠΎ ΡΡΡΠ°Π½ΠΎΠ²Π»Π΅Π½ΠΎ 6 ΡΠΎΠ·Π΅ΡΠΎΠΊ. ΠΠ²Π΅ ΠΈΠ· Π½ΠΈΡ Π·Π°ΠΏΠΈΡΠ°Π½Ρ Ρ Π³Ρ. 2, Π° ΠΎΡΡΠ°Π»ΡΠ½ΡΠ΅ ΡΠ΅ΡΡΡΠ΅ β Ρ Π³Ρ. 3.Β Π’Π΅ΠΏΠ»ΠΎΠ²Π°Ρ Π·Π°Π²Π΅ΡΠ° ΡΡΠΎΠΈΡ Π½Π° Π²Ρ ΠΎΠ΄Π΅ Π² ΠΌΠ°Π³Π°Π·ΠΈΠ½ (Π² ΡΠ°ΠΌΠ±ΡΡΠ΅) ΠΈ ΠΏΠΎΠ»ΡΡΠ°Π΅Ρ ΠΏΠΈΡΠ°Π½ΠΈΠ΅ ΡΒ Π³Ρ. 1. Π ΠΊΠΎΠΌΠ½Π°ΡΠ΅ ΠΏΠ΅ΡΡΠΎΠ½Π°Π»Π° ΡΡΡΠ°Π½ΠΎΠ²Π»Π΅Π½ΡΒ Π΄Π²Π΅ ΡΠΎΠ·Π΅ΡΠΊΠΈ, ΠΏΠΈΡΠ°ΡΡΠΈΠ΅ΡΡ Ρ Π³Ρ. 2.Β ΠΈ ΠΊΠ°Π½Π°Π»ΡΠ½ΡΠΉ Π²Π΅Π½ΡΠΈΠ»ΡΡΠΎΡ, ΠΊΠΎΡΠΎΡΡΠΉ ΠΏΠΎΠ»ΡΡΠ°Π΅Ρ ΠΏΠΈΡΠ°Π½ΠΈΠ΅Β ΠΎΡ Π³Ρ. 1 ΡΠ΅ΡΠ΅Π· ΠΎΠ΄Π½ΠΎΠΊΠ»Π°Π²ΠΈΡΠ½ΡΠΉ Π²ΡΠΊΠ»ΡΡΠ°ΡΠ΅Π»Ρ.
Π ΠΎΠ·Π΅ΡΠΊΠΈ ΠΏΡΠΈΠΌΠ΅Π½ΡΡΡΡΡ Π΄Π²ΠΎΠΉΠ½ΡΠ΅ Π΄Π»Ρ ΡΠΊΡΡΡΠΎΠΉ ΡΡΡΠ°Π½ΠΎΠ²ΠΊΠΈ ΠΈ ΡΠ°ΡΠΏΠΎΠ»Π°Π³Π°ΡΡΡΡ Π½Π° Π²ΡΡΠΎΡΠ΅ 30 (ΡΠΌ) ΠΎΡ ΠΏΠΎΠ»Π°. ΠΠΎΠ»Π΅Π΅ ΠΏΠΎΠ΄ΡΠΎΠ±Π½ΠΎ ΠΏΡΠΎΒ ΡΠΎΠ·Π΅ΡΠΊΠΈ ΡΠΈΡΠ°ΠΉΡΠ΅ ΡΠ»Π΅Π΄ΡΡΡΠΈΠ΅ ΠΌΠΎΠΈ ΡΡΠ°ΡΡΠΈ:
Π‘Ρ Π΅ΠΌΠ° ΠΎΡΠ²Π΅ΡΠ΅Π½ΠΈΡΒ ΠΌΠ°Π³Π°Π·ΠΈΠ½Π°
Π‘ΠΎΠ³Π»Π°ΡΠ½ΠΎ ΠΏΡΠΎΠ΅ΠΊΡΠ°, Π² ΠΌΠ°Π³Π°Π·ΠΈΠ½Π΅ ΠΏΡΠ΅Π΄ΡΡΠΌΠΎΡΡΠ΅Π½ΠΎ ΠΎΠ±ΡΠ΅Π΅ ΡΠ°Π²Π½ΠΎΠΌΠ΅ΡΠ½ΠΎΠ΅ ΠΎΡΠ²Π΅ΡΠ΅Π½ΠΈΠ΅. ΠΡΠ±ΠΎΡ ΠΈ ΡΠ°ΡΡΡΠ°Π½ΠΎΠ²ΠΊΠ° ΡΠ²Π΅ΡΠΈΠ»ΡΠ½ΠΈΠΊΠΎΠ² ΡΠΎΠΎΡΠ²Π΅ΡΡΡΠ²ΡΠ΅Ρ ΡΡΠ΅Π±ΠΎΠ²Π°Π½ΠΈΡΠΌ Π‘Π°Π½ΠΠΈΠ½ 2.2.1/2.1.1.1278 β 03.

Π ΠΏΠΎΠΌΠ΅ΡΠ΅Π½ΠΈΠΈ ΡΠΎΡΠ³ΠΎΠ²ΠΎΠ³ΠΎ Π·Π°Π»Π° Β ΡΡΡΠ°Π½ΠΎΠ²Π»Π΅Π½Ρ 9 ΡΠ²Π΅ΡΠΈΠ»ΡΠ½ΠΈΠΊΠΎΠ² ΡΠΈΠΏΠ° Ars/r418 4Ρ 18 (ΠΡ)Β Ρ Π»ΡΠΌΠΈΠ½Π΅ΡΡΠ΅Π½ΡΠ½ΡΠΌΠΈ Π»Π°ΠΌΠΏΠ°ΠΌΠΈ. Π’Π°ΠΊΠΈΠ΅ ΠΆΠ΅ ΡΠ²Π΅ΡΠΈΠ»ΡΠ½ΠΈΠΊΠΈ ΠΈΡΠΏΠΎΠ»ΡΠ·ΡΡΡΡΡ Π² ΠΊΠΎΠΌΠ½Π°ΡΠ΅ ΠΏΠ΅ΡΡΠΎΠ½Π°Π»Π° Π² ΠΊΠΎΠ»ΠΈΡΠ΅ΡΡΠ²Π΅ Π΄Π²ΡΡ ΡΡΡΠΊ.

Π ΡΠ°ΠΌΠ±ΡΡΠ΅ Π·Π°ΠΊΡΠ΅ΠΏΠ»Π΅Π½Ρ Π΄Π²Π° ΡΠ²Π΅ΡΠΈΠ»ΡΠ½ΠΈΠΊΠ° Arctic 218 2Ρ 18 (ΠΡ).

ΠΠ»Ρ Π½Π°ΡΡΠΆΠ½ΠΎΠ³ΠΎ ΠΎΡΠ²Π΅ΡΠ΅Π½ΠΈΡ Ρ Π²Ρ ΠΎΠ΄Π° Π² ΠΌΠ°Π³Π°Π·ΠΈΠ½ ΠΏΡΠΈΠΌΠ΅Π½ΡΠ΅ΡΡΡ ΠΎΠ΄ΠΈΠ½ ΡΠ²Π΅ΡΠΈΠ»ΡΠ½ΠΈΠΊ ΠΠ‘Π₯-60 1Ρ 60 (ΠΡ) Ρ Π»Π°ΠΌΠΏΠΎΠΉ Π½Π°ΠΊΠ°Π»ΠΈΠ²Π°Π½ΠΈΡ. Π’Π°ΠΊΠΈΠ΅ ΠΆΠ΅ ΡΠ²Π΅ΡΠΈΠ»ΡΠ½ΠΈΠΊΠΈ Π² ΠΊΠΎΠ»ΠΈΡΠ΅ΡΡΠ²Π΅ ΡΠ΅ΡΡΡΠ΅Ρ ΡΡΡΠΊ ΠΈΡΠΏΠΎΠ»ΡΠ·ΡΡΡΡΡ Π΄Π»Ρ ΠΎΡΠ²Π΅ΡΠ΅Π½ΠΈΡ ΡΠ°Π½ΡΠ·Π»Π° ΠΈ ΠΊΠΎΡΠΈΠ΄ΠΎΡΠ°.

ΠΠ΄Π½ΠΎΠΊΠ»Π°Π²ΠΈΡΠ½ΡΠ΅ ΠΈ Π΄Π²ΡΡ ΠΊΠ»Π°Π²ΠΈΡΠ½ΡΠ΅ Π²ΡΠΊΠ»ΡΡΠ°ΡΠ΅Π»ΠΈΒ ΡΠ°ΡΠΏΠΎΠ»ΠΎΠΆΠ΅Π½Ρ Π½Π° ΡΠ°ΡΡΡΠΎΡΠ½ΠΈΠΈ 80 (ΡΠΌ) ΠΎΡ ΠΏΠΎΠ»Π°. ΠΡΠΎ ΡΠ°ΡΡΡΠΎΡΠ½ΠΈΠ΅ Π½Π΅ Π½ΠΎΡΠΌΠΈΡΡΠ΅ΠΌΠΎΠ΅ ΠΈ ΠΡ ΠΌΠΎΠΆΠ΅ΡΠ΅Β ΠΏΡΠΎΠΈΠ·Π²Π΅ΡΡΠΈ ΠΈΡ ΠΌΠΎΠ½ΡΠ°ΠΆ ΡΠ°ΠΊ, ΠΊΠ°ΠΊ ΠΠ°ΠΌ ΡΠ΄ΠΎΠ±Π½ΠΎ. ΠΠΎΠ»Π΅Π΅ ΠΏΠΎΠ΄ΡΠΎΠ±Π½ΠΎ ΠΎΠ± ΡΡΠΎΠΌ ΡΠΈΡΠ°ΠΉΡΠ΅ Π² ΡΡΠ°ΡΡΠ΅ ΠΏΡΠΎ ΡΡΡΠ°Π½ΠΎΠ²ΠΊΡ ΡΠΎΠ·Π΅ΡΠΎΠΊ ΠΈ Π²ΡΠΊΠ»ΡΡΠ°ΡΠ΅Π»Π΅ΠΉ.
P.S. ΠΡ Π²ΠΎΡ Π² ΠΏΡΠΈΠ½ΡΠΈΠΏΠ΅ ΠΈ Π²ΡΠ΅, ΡΡΠΎ Ρ Ρ ΠΎΡΠ΅Π» ΡΠ°ΡΡΠΊΠ°Π·Π°ΡΡ ΠΠ°ΠΌ ΠΏΡΠΎ ΡΡ Π΅ΠΌΡ ΡΠ»Π΅ΠΊΡΡΠΎΠΏΡΠΎΠ²ΠΎΠ΄ΠΊΠΈ Π½Π° ΠΏΡΠΈΠΌΠ΅ΡΠ΅ ΠΌΠ°Π³Π°Π·ΠΈΠ½Π° Β«ΠΡΠΎΠΌΡΠΎΠ²Π°ΡΡΒ». ΠΠ°ΡΠ΅ΡΠΈΠ°Π» Π΄Π°Π½Π½ΠΎΠΉ ΡΡΠ°ΡΡΠΈ ΠΌΠΎΠΆΠ½ΠΎ ΠΈΡΠΏΠΎΠ»ΡΠ·ΠΎΠ²Π°ΡΡ Π΄Π°ΠΆΠ΅ ΠΏΡΠΈ ΠΏΡΠΎΠ΅ΠΊΡΠΈΡΠΎΠ²Π°Π½ΠΈΠΈ ΡΡ Π΅ΠΌΡ ΠΠ°ΡΠ΅ΠΉ ΠΊΠ²Π°ΡΡΠΈΡΡ, Π΄Π°ΡΠΈ ΠΈΠ»ΠΈ ΠΊΠΎΡΡΠ΅Π΄ΠΆΠ°. ΠΡΠ»ΠΈ Ρ ΠΠ°Ρ Π΅ΡΡΡ Π²ΠΎΠΏΡΠΎΡΡ, ΡΠΎ Π·Π°Π΄Π°Π²Π°ΠΉΡΠ΅ ΠΈΡ Π² ΠΊΠΎΠΌΠΌΠ΅Π½ΡΠ°ΡΠΈΡΡ .Β
ΠΡΠ»ΠΈ ΡΡΠ°ΡΡΡ Π±ΡΠ»Π° ΠΠ°ΠΌ ΠΏΠΎΠ»Π΅Π·Π½Π°, ΡΠΎ ΠΏΠΎΠ΄Π΅Π»ΠΈΡΠ΅ΡΡ Π΅ΠΉ ΡΠΎ ΡΠ²ΠΎΠΈΠΌΠΈ Π΄ΡΡΠ·ΡΡΠΌΠΈ:
zametkielectrika.ru
Π‘Ρ Π΅ΠΌΠ° ΡΠ»Π΅ΠΊΡΡΠΎΠΏΡΠΎΠ²ΠΎΠ΄ΠΊΠΈ Π² Π΄ΠΎΠΌΠ΅, ΠΊΠ²Π°ΡΡΠΈΡΠ΅
Π Π°Π½Π΅Π΅ ΠΌΡ ΡΠ°ΡΡΠΌΠ°ΡΡΠΈΠ²Π°Π»ΠΈ Π²Π°ΡΠΈΠ°Π½ΡΡ ΡΠ»Π΅ΠΊΡΡΠΎΠΏΡΠΎΠ²ΠΎΠ΄ΠΎΠΊ: Π·Π°ΠΌΠΊΠ½ΡΡΠ°Ρ ΠΊΠΎΠ»ΡΡΠ΅Π²Π°Ρ, ΠΎΠ΄Π½ΠΎΠ»ΠΈΠ½Π΅ΠΉΠ½ΠΎΠΉ ΠΎΠ΄Π½ΠΎ- ΠΈ ΡΡΡΡ ΡΠ°Π·Π½ΠΎΠΉ ΠΏΡΠΎΠ²ΠΎΠ΄ΠΊΠΈ Π² ΠΊΠ²Π°ΡΡΠΈΡΠ΅, ΠΎΡΠΈΡΠ΅ ΠΈ Π³Π°ΡΠ°ΠΆΠ΅.Β
Π‘Π΅Π³ΠΎΠ΄Π½Ρ ΠΏΠΎΠ³ΠΎΠ²ΠΎΡΠΈΠΌ ΠΏΠΎΠ΄ΡΠΎΠ±Π½Π΅Π΅ ΠΎΠ± ΡΡΠΈΡ ΠΈ Π΄ΡΡΠ³ΠΈΡ Π²Π°ΡΠΈΠ°Π½ΡΠ°Ρ ΡΡ Π΅ΠΌ ΡΠ»Π΅ΠΊΡΡΠΎΠΏΡΠΎΠ²ΠΎΠ΄ΠΊΠΈ Π² ΠΊΠ²Π°ΡΡΠΈΡΠ΅ ΠΏΡΠΈ ΠΏΠ»Π°Π½ΠΈΡΠΎΠ²Π°Π½ΠΈΠΈ ΠΈ ΠΏΡΠΎΠ²Π΅Π΄Π΅Π½ΠΈΠΈ ΡΠ΅ΠΌΠΎΠ½ΡΠ½ΡΡ ΡΠ°Π±ΠΎΡ.
ΠΠ½Π° ΠΈΠΌΠ΅Π΅Ρ Π½Π΅ΠΌΠ°Π»ΠΎΠ²Π°ΠΆΠ½ΠΎΠ΅ Π·Π½Π°ΡΠ΅Π½ΠΈΠ΅, Π² ΠΏΡΠΎΡΠΈΠ²Π½ΠΎΠΌ ΡΠ»ΡΡΠ°Π΅ Π² Π±ΡΠ΄ΡΡΠ΅ΠΌ, ΠΏΡΠΈ Π²ΠΎΠ·Π½ΠΈΠΊΠ½ΠΎΠ²Π΅Π½ΠΈΠΈ Π»ΡΠ±ΠΎΠ³ΠΎ ΡΠΈΠΏΠ° Π½Π΅ΠΈΡΠΏΡΠ°Π²Π½ΠΎΡΡΠ΅ΠΉ Π² ΡΠ»Π΅ΠΊΡΡΠΈΡΠ΅ΡΠΊΠΈΡ ΡΠ΅ΠΏΡΡ Π½ΡΠΆΠ½ΠΎ Π·Π½Π°ΡΡ ΡΠΎΡΠ½ΠΎΠ΅ ΡΠ°ΡΠΏΠΎΠ»ΠΎΠΆΠ΅Π½ΠΈΠ΅ Π²ΡΠ΅Ρ ΡΠ»Π΅ΠΌΠ΅Π½ΡΠΎΠ² ΡΡΠΈΡ ΡΠ΅ΠΏΠ΅ΠΉ Π΄Π»Ρ Π±ΡΡΡΡΠ΅ΠΉΡΠ΅ΠΉ Π»ΠΈΠΊΠ²ΠΈΠ΄Π°ΡΠΈΠΈ, Π²ΠΎΠ·Π½ΠΈΠΊΡΠΈΡ Π² ΡΠ΅ΡΡΡ Π½Π΅ΠΏΠΎΠ»Π°Π΄ΠΎΠΊ.
ΠΡΠΈΠΌΠ΅ΡΠ½Π°Ρ ΡΡ Π΅ΠΌΠ° ΡΠ»Π΅ΠΊΡΡΠΎΠΏΡΠΎΠ²ΠΎΠ΄ΠΊΠΈ Π² ΠΊΠ²Π°ΡΡΠΈΡΠ΅
ΠΡΠΈ Π·Π°ΡΠ΅Π»Π΅Π½ΠΈΠΈ ΠΆΠΈΠ»ΡΡΠΎΠ² Π² Π½ΠΎΠ²ΡΡ ΠΊΠ²Π°ΡΡΠΈΡΡ, ΠΊΠ°ΠΊ ΠΏΡΠ°Π²ΠΈΠ»ΠΎ, ΡΡ Π΅ΠΌΠ° ΡΠ»Π΅ΠΊΡΡΠΎΠΏΡΠΎΠ²ΠΎΠ΄ΠΊΠΈ Π½Π° ΡΡΠΊΠΈ Ρ ΠΎΠ·ΡΠ΅Π²Π°ΠΌ Π½Π΅ Π²ΡΠ΄Π°Π΅ΡΡΡ. ΠΡΠΎ Π΄ΠΎΡΡΠ°ΡΠΎΡΠ½ΠΎ Π½Π΅ΡΠ΄ΠΎΠ±Π½ΠΎ ΠΏΡΠΈ ΠΏΠΎΡΠ»Π΅Π΄ΡΡΡΠ΅ΠΌ ΡΡΡΡΠ°Π½Π΅Π½ΠΈΠΈ Π±ΡΡΠΎΠ²ΡΡ Π½Π΅ΠΏΠΎΠ»Π°Π΄ΠΎΠΊ Π² ΡΠ»Π΅ΠΊΡΡΠΈΡΠ΅ΡΠΊΠΈΡ ΡΠ΅ΡΡΡ , Π° ΡΠ°ΠΊΠΆΠ΅ ΠΏΡΠΈ ΠΏΡΠΎΠ²Π΅Π΄Π΅Π½ΠΈΠΈ Π² ΠΊΠ²Π°ΡΡΠΈΡΠ΅ ΡΠ΅ΠΌΠΎΠ½ΡΠ½ΡΡ ΡΠ°Π±ΠΎΡ.

ΠΠ°ΠΊ ΠΆΠ΅ Π½Π°ΠΌ ΠΏΠΎΡΡΡΠΏΠΈΡΡ ΠΏΡΠ°Π²ΠΈΠ»ΡΠ½ΠΎ, ΡΡΠΎΠ±Ρ Π²ΡΠ΅-ΡΠ°ΠΊΠΈ ΠΈΠΌΠ΅ΡΡ Π΄Π°Π½Π½ΡΡ ΡΡ Π΅ΠΌΡ Ρ ΡΠ΅Π±Ρ Π² Π½Π°Π»ΠΈΡΠΈΠΈ?
ΠΠ°ΠΊ ΠΏΡΠ°Π²ΠΈΠ»ΠΎ, ΠΏΡΠΈΡ ΠΎΠ΄ΠΈΡΡΡ ΠΈΠ»ΠΈ ΡΠ°ΠΌΠΎΠΌΡ, ΠΈΠ»ΠΈ ΠΆΠ΅ Ρ ΠΏΠΎΠΌΠΎΡΡΡ ΡΠΏΠ΅ΡΠΈΠ°Π»ΠΈΡΡΠΎΠ² ΡΠ»Π΅ΠΊΡΡΠΈΠΊΠΎΠ² β Π²ΡΠ΅-ΡΠ°ΠΊΠΈ ΡΠ°ΠΊΡΡ ΡΡ Π΅ΠΌΡ ΡΠΎΡΡΠ°Π²Π»ΡΡΡ.
Π§ΡΠΎΠ±Ρ Π² ΠΊΠΎΠ½Π΅ΡΠ½ΠΎΠΌ ΠΈΡΠΎΠ³Π΅ ΡΠ΄Π΅Π»Π°ΡΡ ΡΠΎΡΡΠ°Π²Π»Π΅Π½ΠΈΠ΅ ΡΡ Π΅ΠΌΡ ΡΠ»Π΅ΠΊΡΡΠΎΠΏΡΠΎΠ²ΠΎΠ΄ΠΊΠΈ Π³ΡΠ°ΠΌΠΎΡΠ½ΠΎ ΠΈ ΠΏΡΠΎΡΠ΅ΡΡΠΈΠΎΠ½Π°Π»ΡΠ½ΠΎ, Π½Π°ΠΌ ΠΎΠ±ΡΠ·Π°ΡΠ΅Π»ΡΠ½ΠΎ ΡΠ»Π΅Π΄ΡΠ΅Ρ Π·Π½Π°ΡΡ, ΠΊΠ°ΠΊΠΈΠ΅ ΠΆΠ΅ ΠΎΡΠ½ΠΎΠ²Π½ΡΠ΅ ΠΏΡΠΈΠ½ΡΠΈΠΏΡ ΠΈ ΡΡ Π΅ΠΌΡ ΡΠ°Π·Π²ΠΎΠ΄ΠΊΠΈ ΡΠ»Π΅ΠΊΡΡΠΎΠΏΡΠΎΠ²ΠΎΠ΄ΠΊΠΈ Π² ΡΠΎΠ²ΡΠ΅ΠΌΠ΅Π½Π½ΠΎΠΉ ΠΊΠ²Π°ΡΡΠΈΡΠ΅ ΡΡΡΠ΅ΡΡΠ²ΡΡΡ. ΠΠΎΡ ΠΎΠ± ΡΡΠΎΠΌ, ΠΌΡ Ρ ΠΠ°ΠΌΠΈ ΠΈ ΠΏΠΎΠ³ΠΎΠ²ΠΎΡΠΈΠΌ ΡΠ΅Π³ΠΎΠ΄Π½Ρ.
ΠΠ»Π°ΡΡΠΈΡΠ΅ΡΠΊΠ°Ρ ΡΡ Π΅ΠΌΠ° ΡΠ»Π΅ΠΊΡΡΠΎΠΏΡΠΎΠ²ΠΎΠ΄ΠΊΠΈ Π² ΠΊΠ²Π°ΡΡΠΈΡΠ΅
Π‘ΠΎΠ³Π»Π°ΡΠ½ΠΎ ΠΊΠ»Π°ΡΡΠΈΡΠ΅ΡΠΊΠΎΠΉ ΡΡ Π΅ΠΌΡ, ΡΠ»Π΅ΠΊΡΡΠΎΠΏΡΠΎΠ²ΠΎΠ΄ΠΊΠ° Π² ΠΊΠ²Π°ΡΡΠΈΡΠ΅ ΠΌΠΎΠ½ΡΠΈΡΡΠ΅ΡΡΡ ΠΏΠΎΡΡΠ΅Π΄ΡΡΠ²ΠΎΠΌ ΠΈΡΠΏΠΎΠ»ΡΠ·ΠΎΠ²Π°Π½ΠΈΡ ΡΠ°Π·Π²Π΅ΡΠ²Π»Π΅Π½ΠΈΡ ΡΠ»Π΅ΠΊΡΡΠΎΠΌΠΎΠ½ΡΠ°ΠΆΠ½ΡΡ ΠΊΠΎΡΠΎΠ±ΠΎΠΊ Π½Π°ΠΊΠ»Π°Π΄Π½ΡΡ , ΠΈΠ»ΠΈ ΠΆΠ΅ ΡΠΊΡΡΡΡΡ Π² ΡΡΠ΅Π½Π°Ρ ΠΏΠΎΠΌΠ΅ΡΠ΅Π½ΠΈΠΉ.

ΠΠΎΡΠΎΠ±ΠΊΠ° β ΡΠ»Π΅ΠΌΠ΅Π½Ρ ΡΡ Π΅ΠΌΡ ΡΠ»Π΅ΠΊΡΡΠΎΠΏΡΠΎΠ²ΠΎΠ΄ΠΊΠΈ
ΠΠ΄Π΅ΡΡ, ΠΎΡ Π°Π²ΡΠΎΠΌΠ°ΡΠΈΡΠ΅ΡΠΊΠΎΠ³ΠΎ ΡΡΠ°ΠΆΠ½ΠΎΠ³ΠΎ ΠΈΠ»ΠΈ Π²Π½ΡΡΡΠΈΠΊΠ²Π°ΡΡΠΈΡΠ½ΠΎΠ³ΠΎ Π°Π²ΡΠΎΠΌΠ°ΡΠ°, ΡΠ°Π·ΠΌΠ΅ΡΠ΅Π½Π½ΠΎΠ³ΠΎ Π² ΡΠΎΠΎΡΠ²Π΅ΡΡΡΠ²ΡΡΡΠ΅ΠΌ ΡΠ»Π΅ΠΊΡΡΠΈΡΠ΅ΡΠΊΠΎΠΌ ΡΠΈΡΠ΅, ΠΏΡΠΎΠ²ΠΎΠ΄ΠΎΠΌ Π½Π΅ΠΎΠ±Ρ ΠΎΠ΄ΠΈΠΌΠΎΠ³ΠΎ ΡΠ΅ΡΠ΅Π½ΠΈΡ β ΡΠ»Π΅ΠΊΡΡΠΈΡΠ΅ΡΠΊΠ°Ρ ΡΠΈΠ»ΠΎΠ²Π°Ρ Π»ΠΈΠ½ΠΈΡ ΠΌΠΎΠ½ΡΠΈΡΡΠ΅ΡΡΡ ΠΎΡ ΠΊΠΎΡΠΎΠ±ΠΊΠΈ ΠΊ ΠΊΠΎΡΠΎΠ±ΠΊΠ΅ ΠΏΠΎΡΠ»Π΅Π΄ΠΎΠ²Π°ΡΠ΅Π»ΡΠ½ΠΎ, ΠΈ ΡΠ°ΠΊ Π΄ΠΎ ΠΊΠΎΠ½Π΅ΡΠ½ΡΡ Π²Π½ΡΡΡΠΈΠΊΠ²Π°ΡΡΠΈΡΠ½ΡΡ ΠΏΠΎΡΡΠ΅Π±ΠΈΡΠ΅Π»Π΅ΠΉ ΡΠ»Π΅ΠΊΡΡΠΎΡΠ½Π΅ΡΠ³ΠΈΠΈ.
Π Π±ΠΎΠ»ΡΡΠΈΠ½ΡΡΠ²Π΅ Π΄ΠΎΠΌΠΎΠ² Π½Π°ΡΠ΅ΠΉ ΡΡΠ°ΡΠΎΠΉ ΠΏΠΎΡΡΡΠΎΠΉΠΊΠΈ ΠΈΠΌΠ΅Π½Π½ΠΎ ΡΠ°ΠΊΠΈΠΌ ΠΎΠ±ΡΠ°Π·ΠΎΠΌ, ΠΏΠΎ ΠΊΠ»Π°ΡΡΠΈΡΠ΅ΡΠΊΠΎΠΉ ΡΡ Π΅ΠΌΠ΅ ΠΈ ΡΠ΄Π΅Π»Π°Π½Π° Π²ΡΡ ΠΈΡ ΡΠ΅ΡΡ ΡΠ»Π΅ΠΊΡΡΠΎΡΠ½Π°Π±ΠΆΠ΅Π½ΠΈΡ.
ΠΠ°Π½Π½Π°Ρ ΠΊΠ»Π°ΡΡΠΈΡΠ΅ΡΠΊΠ°Ρ ΡΡ Π΅ΠΌΠ° ΡΠ»Π΅ΠΊΡΡΠΎΠΏΡΠΎΠ²ΠΎΠ΄ΠΊΠΈ Π² ΠΊΠ²Π°ΡΡΠΈΡΠ΅ ΠΈΠΌΠ΅Π΅Ρ ΠΎΠ΄ΠΈΠ½ ΡΡΡΠ΅ΡΡΠ²Π΅Π½Π½ΡΠΉ ΠΌΠΈΠ½ΡΡ.
ΠΠ½ Π·Π°ΠΊΠ»ΡΡΠ°Π΅ΡΡΡ Π² ΡΠΎΠΌ, ΡΡΠΎ ΠΎΡΠ½ΠΎΠ²Π½ΠΎΠΉ ΡΠ»Π΅ΠΌΠ΅Π½Ρ ΡΠ°ΠΊΠΎΠΉ ΡΡ Π΅ΠΌΡ, Π° ΠΈΠΌΠ΅Π½Π½ΠΎ Β«ΡΠ»Π΅ΠΊΡΡΠΎΠΌΠΎΠ½ΡΠ°ΠΆΠ½Π°Ρ ΠΊΠΎΡΠΎΠ±ΠΊΠ°Β», ΠΊΠ°ΠΊ ΠΏΡΠ°Π²ΠΈΠ»ΠΎ, ΡΠΏΡΡΡΠ°Π½Π° Π² ΡΡΠ΅Π½Π΅, Π½Π° ΠΊΠΎΡΠΎΡΠΎΠΉ, ΠΊ ΠΏΡΠΈΠΌΠ΅ΡΡ, Π½Π°ΠΊΠ»Π΅Π΅Π½Ρ ΠΎΠ±ΠΎΠΈ ΠΈΠ»ΠΈ ΠΆΠ΅ Π½Π°Π½Π΅ΡΠ΅Π½Ρ Π΄ΡΡΠ³ΠΈΠ΅ ΡΠ»Π΅ΠΌΠ΅Π½ΡΡ ΠΎΡΠ΄Π΅Π»ΠΎΡΠ½ΡΡ ΠΏΠΎΠΊΡΡΡΠΈΠΉ.
Π ΡΠ»ΡΡΠ°Π΅ Π²ΠΎΠ·Π½ΠΈΠΊΠ½ΠΎΠ²Π΅Π½ΠΈΡ Π½Π΅ΠΈΡΠΏΡΠ°Π²Π½ΠΎΡΡΠ΅ΠΉ Π² ΡΠΈΡΡΠ΅ΠΌΠ΅ ΡΠ»Π΅ΠΊΡΡΠΎΡΠ½Π°Π±ΠΆΠ΅Π½ΠΈΡ ΡΠΌΠΎΠ½ΡΠΈΡΠΎΠ²Π°Π½Π½ΠΎΠΉ ΠΏΠΎ ΠΊΠ»Π°ΡΡΠΈΡΠ΅ΡΠΊΠΎΠΉ ΡΡ Π΅ΠΌΠ΅, ΠΏΡΠΈΡ ΠΎΠ΄ΠΈΡΡΡΡ Π΄Π΅Π»Π°ΡΡ Π΄ΠΎΡΡΡΠΏ ΠΊ ΡΠΎΠΎΡΠ²Π΅ΡΡΡΠ²ΡΡΡΠΈΠΌ ΡΠ»Π΅ΠΌΠ΅Π½ΡΠ°ΠΌ Π΄Π°Π½Π½ΠΎΠΉ ΡΠΈΡΡΠ΅ΠΌΡ (ΠΊΠΎΡΠΎΠ±ΠΊΠ°ΠΌ), Π½Π΅ΡΠ΅Π΄ΠΊΠΎ ΡΡΡΠ΅ΡΡΠ²Π΅Π½Π½ΠΎ ΠΏΠΎΠ΄ΠΏΠΎΡΡΠΈΠ² Π²Π½Π΅ΡΠ½ΠΈΠΉ Π²ΠΈΠ΄ ΡΠ°ΠΌΠΎΠ³ΠΎ ΠΏΠΎΠΌΠ΅ΡΠ΅Π½ΠΈΡ.
Π‘Ρ Π΅ΠΌΠ° ΡΠ»Π΅ΠΊΡΡΠΎΠΏΡΠΎΠ²ΠΎΠ΄ΠΊΠΈ Ρ ΡΠ°Π·Π²ΠΎΠ΄ΠΊΠΎΠΉ ΠΏΠΎ Β«Π·Π²Π΅Π·Π΄Π΅Β»

ΠΠ°Π½Π½Π°Ρ ΡΡ Π΅ΠΌΠ° ΡΠ»Π΅ΠΊΡΡΠΎΠΏΡΠΎΠ²ΠΎΠ΄ΠΊΠΈ ΠΌΠΎΠ½ΡΠΈΡΡΠ΅ΡΡΡ Π±Π΅Π· ΡΠ°ΡΠΏΠ°ΠΉΠΎΡΠ½ΡΡ ΡΠ°Π·Π²Π΅ΡΠ²ΠΈΡΠ΅Π»ΡΠ½ΡΡ ΠΊΠΎΡΠΎΠ±ΠΎΠΊ, ΠΊΠΎΡΠΎΡΡΠ΅ ΠΏΡΠΎΡΡΠΎ Π² Π΄Π°Π½Π½ΠΎΠΉ ΡΡ Π΅ΠΌΠ΅ Π½Π΅ ΠΏΡΠ΅Π΄ΡΡΠΌΠΎΡΡΠ΅Π½Ρ.
ΠΠΈΡΠ°Π½ΠΈΠ΅ ΠΆΠ΅ ΠΏΠΎΡΡΠ΅Π±ΠΈΡΠ΅Π»Π΅ΠΉ ΡΠΎΠΊΠ° Π² Π»ΡΠ±ΠΎΠΉ ΠΈΠ· ΠΊΠΎΠΌΠ½Π°Ρ ΠΊΠ²Π°ΡΡΠΈΡΡ, Π·Π΄Π΅ΡΡ ΠΎΡΡΡΠ΅ΡΡΠ²Π»ΡΠ΅ΡΡΡ ΠΎΡ ΠΏΡΠΎΠ²ΠΎΠ΄ΠΎΠ², ΠΏΡΠΎΠ»ΠΎΠΆΠ΅Π½Π½ΡΡ Π½Π°ΠΏΡΡΠΌΡΡ ΠΎΡ Π°Π²ΡΠΎΠΌΠ°ΡΠΈΡΠ΅ΡΠΊΠΈΡ Π²ΡΠΊΠ»ΡΡΠ°ΡΠ΅Π»Π΅ΠΉ Π²Ρ ΠΎΠ΄Π½ΠΎΠ³ΠΎ ΡΠ»Π΅ΠΊΡΡΠΈΡΠ΅ΡΠΊΠΎΠ³ΠΎ ΡΠΈΡΠ°.
Π Π΄Π°Π½Π½ΠΎΠΉ ΡΡ Π΅ΠΌΠ΅ ΡΠ»Π΅ΠΊΡΡΠΎΡΠ½Π°Π±ΠΆΠ΅Π½ΠΈΡ ΠΊΠ²Π°ΡΡΠΈΡΡ ΠΌΡ Π½Π΅ ΠΈΠΌΠ΅Π΅ΠΌ ΠΊΠΎΡΠΎΠ±ΠΎΠΊ, Π° ΡΠΎΠΎΡΠ²Π΅ΡΡΡΠ²Π΅Π½Π½ΠΎ ΠΈ Π΄ΠΎΠΏΠΎΠ»Π½ΠΈΡΠ΅Π»ΡΠ½ΡΡ ΡΠΎΠΏΡΠΎΡΠΈΠ²Π»Π΅Π½ΠΈΠΉ Π² ΡΠΎΠ΅Π΄ΠΈΠ½Π΅Π½ΠΈΡΡ ΠΏΡΠΎΠ²ΠΎΠ΄ΠΊΠΈ Π² ΠΊΠΎΡΠΎΠ±ΠΊΠ°Ρ , ΡΡΠΎ ΡΡΡΠ΅ΡΡΠ²Π΅Π½Π½ΠΎ ΠΏΠΎΠ²ΡΡΠ°Π΅Ρ ΠΏΠΎΠΆΠ°ΡΠΎΠ±Π΅Π·ΠΎΠΏΠ°ΡΠ½ΠΎΡΡΡ ΡΠ°ΠΌΠΈΡ ΠΏΠΎΠΌΠ΅ΡΠ΅Π½ΠΈΠΉ ΠΈ ΠΈΡ ΡΡΡΠ΅ΡΠΈΡΠ΅ΡΠΊΠΈΠΉ Π²ΠΈΠ΄.
ΠΠΎΡΡΠ΅Π±ΠΈΡΠ΅Π»ΠΈ ΠΏΠΎΠ²ΡΡΠ΅Π½Π½ΠΎΠΉ ΠΌΠΎΡΠ½ΠΎΡΡΠΈ, ΡΠ°ΠΊΠΈΠ΅, ΠΊ ΠΏΡΠΈΠΌΠ΅ΡΡ, ΠΊΠ°ΠΊ ΡΡΠΈΡΠ°Π»ΡΠ½Π°Ρ ΠΌΠ°ΡΠΈΠ½Π°, ΡΠ»Π΅ΠΊΡΡΠΈΡΠ΅ΡΠΊΠΈΠΉ ΠΎΡΠΎΠΏΠΈΡΠ΅Π»ΡΠ½ΡΠΉ ΠΊΠΎΡΠ΅Π» ΠΈ ΠΏΡΠΎΡΠ΅Π΅ Π½Π°ΡΠ΅ Β«ΠΌΠΎΡΠ½ΠΎΠ΅Β» ΠΎΠ±ΠΎΡΡΠ΄ΠΎΠ²Π°Π½ΠΈΠ΅, ΠΏΡΠΈ Π΄Π°Π½Π½ΠΎΠΉ ΡΡ Π΅ΠΌΠ΅ ΡΠ°Π·Π²ΠΎΠ΄ΠΊΠΈ, ΠΊΠ°ΠΊ ΠΏΡΠ°Π²ΠΈΠ»ΠΎ, Π² ΡΠ»Π΅ΠΊΡΡΠΈΡΠ΅ΡΠΊΠΎΠΌ ΡΠΈΡΠ΅ ΠΈΠΌΠ΅ΡΡ ΡΠ²ΠΎΠΈ ΠΎΡΠ΄Π΅Π»ΡΠ½ΡΠ΅ Π°Π²ΡΠΎΠΌΠ°ΡΠΈΡΠ΅ΡΠΊΠΈΠ΅ Π²ΡΠΊΠ»ΡΡΠ°ΡΠ΅Π»ΠΈ.
ΠΠ»Π΅ΠΊΡΡΠΎΠΏΡΠΎΠ²ΠΎΠ΄ΠΊΠ° Β«Π·Π²Π΅Π·Π΄Π°Β» ΡΠΎ ΡΠ²ΠΎΠ΅ΠΉ ΡΠΈΡΡΠ΅ΠΌΠΎΠΉ ΡΠΏΡΠ°Π²Π»Π΅Π½ΠΈΡ.
ΠΠΎΡΠΊΠΎΠ»ΡΠΊΡ ΡΡ
Π΅ΠΌΠ° ΡΠ»Π΅ΠΊΡΡΠΎΠΏΡΠΎΠ²ΠΎΠ΄ΠΊΠΈ Π² ΠΊΠ²Π°ΡΡΠΈΡΠ΅ Ρ ΠΏΡΠΎΠΊΠ»Π°Π΄ΠΊΠΎΠΉ ΠΏΠΎ Β«Π·Π²Π΅Π·Π΄Π΅Β» ΠΏΡΠ΅Π΄ΡΡΠΌΠ°ΡΡΠΈΠ²Π°Π΅Ρ ΠΏΠΎΠ΄Π²ΠΎΠ΄ ΠΏΠΈΡΠ°Π½ΠΈΡ ΠΊ ΠΊΠ°ΠΆΠ΄ΠΎΠΌΡ ΠΏΠΎΡΡΠ΅Π±ΠΈΡΠ΅Π»Ρ ΠΏΠΎ ΠΎΡΠ΄Π΅Π»ΡΠ½ΠΎΠΉ ΡΠ»Π΅ΠΊΡΡΠΈΡΠ΅ΡΠΊΠΎΠΉ Π»ΠΈΠ½ΠΈΠΈ, ΡΠΎ Π·Π΄Π΅ΡΡ ΠΏΠΎΡΠ²Π»ΡΠ΅ΡΡΡ Π²ΠΎΠ·ΠΌΠΎΠΆΠ½ΠΎΡΡΡ ΡΠΏΡΠ°Π²Π»Π΅Π½ΠΈΡ ΠΎΡΠ²Π΅ΡΠ΅Π½ΠΈΠ΅ΠΌ ΠΈ Π½Π΅ΠΊΠΎΡΠΎΡΡΠΌΠΈ Π΄ΡΡΠ³ΠΈΠΌΠΈ ΠΏΡΠΎΡΠ΅ΡΡΠ°ΠΌΠΈ Π² ΠΊΠ²Π°ΡΡΠΈΡΠ΅ ΠΈΠ»ΠΈ ΠΆΠ΅ Π΄ΠΎΠΌΠ΅ ΡΠ΅ΡΠ΅Π· ΡΡΡΠ°Π½ΠΎΠ²ΠΊΡ Π΄ΠΎΠΏΠΎΠ»Π½ΠΈΡΠ΅Π»ΡΠ½ΠΎΠ³ΠΎ ΠΎΠ±ΠΎΡΡΠ΄ΠΎΠ²Π°Π½ΠΈΡ, ΠΈΠΌΠ΅Π½ΡΠ΅ΠΌΠΎΠ³ΠΎ ΠΊΠΎΠ½ΡΡΠΎΠ»Π»Π΅ΡΠΎΠΌ.
Π‘Ρ Π΅ΠΌΠ° ΡΠ»Π΅ΠΊΡΡΠΎΠΏΡΠΎΠ²ΠΎΠ΄ΠΊΠΈ Ρ ΠΊΠΎΠ½ΡΡΠΎΠ»Π»Π΅ΡΠΎΠΌ
ΠΠ°ΠΊ ΠΏΡΠ°Π²ΠΈΠ»ΠΎ, ΠΊΠΎΠ½ΡΡΠΎΠ»Π»Π΅Ρ ΡΠ°Π·ΠΌΠ΅ΡΠ°Π΅ΡΡΡ Π²ΠΎ Π²Ρ ΠΎΠ΄Π½ΠΎΠΌ ΡΠ»Π΅ΠΊΡΡΠΈΡΠ΅ΡΠΊΠΎΠΌ ΡΠΈΡΠ΅ ΠΊΠ²Π°ΡΡΠΈΡΡ ΠΈΠ»ΠΈ ΠΆΠ΅ Π΄ΠΎΠΌΠ°.

ΠΡΠΎΡΡΠ΅ΠΉΡΠ°Ρ ΡΡ Π΅ΠΌΠ° ΡΠ»Π΅ΠΊΡΡΠΎΠΏΡΠΎΠ²ΠΎΠ΄ΠΊΠΈ Ρ ΡΠ°Π·Π²ΠΎΠ΄ΠΊΠΎΠΉ ΠΏΠΎ Β«Π·Π²Π΅Π·Π΄Π΅Β» ΠΏΠΎΠ΄ ΡΠΏΡΠ°Π²Π»Π΅Π½ΠΈΠ΅ΠΌ ΠΊΠΎΠ½ΡΡΠΎΠ»Π»Π΅ΡΠ° ΠΏΡΠ΅Π΄ΡΡΠ°Π²Π»Π΅Π½Π° ΠΌΠ½ΠΎΠΉ Π½Π° ΡΠΈΡΡΠ½ΠΊΠ΅, ΠΈ ΠΏΠΎΠ²Π΅ΡΡΡΠ΅ β ΡΠ°Π±ΠΎΡΠ°Π΅Ρ ΠΎΠ½Π° ΠΎΡΠ΅Π½Ρ ΡΡΡΠ΅ΠΊΡΠΈΠ²Π½ΠΎ! ΠΠ°Π½Π½Π°Ρ ΡΡ Π΅ΠΌΠ° ΠΏΠΎΠ·Π²ΠΎΠ»ΡΠ΅Ρ Ρ ΠΎΠ·ΡΠ΅Π²Π°ΠΌ ΡΠ΅Π°Π»ΠΈΠ·ΠΎΠ²ΡΠ²Π°ΡΡ ΠΌΠ½ΠΎΠΆΠ΅ΡΡΠ²ΠΎ ΡΡΠ½ΠΊΡΠΈΠΉ ΡΠΏΡΠ°Π²Π»Π΅Π½ΠΈΡ ΠΎΡΠ²Π΅ΡΠ΅Π½ΠΈΠ΅ΠΌ ΠΈ ΡΠ»Π΅ΠΊΡΡΠΎΡΠ½Π°Π±ΠΆΠ΅Π½ΠΈΠ΅ΠΌ Π² ΠΈΡ Ρ ΠΎΠ·ΡΠΉΡΡΠ²Π΅, ΡΡΠΎ Π² ΠΊΠΎΠ½Π΅ΡΠ½ΠΎΠΌ ΠΈΡΠΎΠ³Π΅ Π²ΡΠ΅Π³Π΄Π° Π²Π΅Π΄Π΅Ρ ΠΊ ΡΡΡΠ΅ΡΡΠ²Π΅Π½Π½ΠΎΠΉ ΡΠΊΠΎΠ½ΠΎΠΌΠΈΠΈ ΠΏΠΎΡΡΠ΅Π±Π»ΡΠ΅ΠΌΠΎΠΉ ΡΠ»Π΅ΠΊΡΡΠΎΡΠ½Π΅ΡΠ³ΠΈΠΈ ΠΈ ΠΏΠΎΠ²ΡΡΠ΅Π½ΠΈΡ ΠΊΠΎΠΌΡΠΎΡΡΠ° ΠΈ Π±Π΅Π·ΠΎΠΏΠ°ΡΠ½ΠΎΡΡΠΈ ΠΆΠΈΠ»ΠΈΡΠ°.
ΠΠ²ΡΠΎΡ: Michalich. (ΡΠ°ΠΉΡ:Β W ΡΠ΅ΠΌΠΎΠ½ΡΠ΅ RU)
Π Π Π Π£ Π Π― Π Π Π Π:
- ΠΠ΅ΡΠ΅Π²ΡΠ½Π½ΡΠΉ ΡΡΠ°Π½ΠΎΠΊ ΠΏΠΎ Π΄Π΅ΡΠ΅Π²Ρ ΡΠ²ΠΎΠΈΠΌΠΈ ΡΡΠΊΠ°ΠΌΠΈ
- Π‘ΠΎΠ»Π½Π΅ΡΠ½ΡΠΉ ΠΊΠΎΠ»Π»Π΅ΠΊΡΠΎΡ ΡΠ²ΠΎΠΈΠΌΠΈ ΡΡΠΊΠ°ΠΌΠΈ
- Π‘ΠΏΠΎΡΠΎΠ±Ρ ΡΡΠ΅ΠΏΠ»Π΅Π½ΠΈΡ ΠΎΠΊΠΎΠ½ ΡΠ²ΠΎΠΈΠΌΠΈ ΡΡΠΊΠ°ΠΌΠΈ
Π€ΡΠ΅Π·Π΅ΡΠ½ΡΠΉ ΡΡΠ°Π½ΠΎΠΊ ΠΏΠΎ Π΄Π΅ΡΠ΅Π²Ρ
Π€ΡΠ΅Π·Π΅ΡΠ½ΡΠΉ ΡΡΠ°Π½ΠΎΠΊ β ΠΌΠ΅ΡΡΠ° Π»ΡΠ±ΠΎΠ³ΠΎ ΠΌΠ°ΡΡΠ΅ΡΠ°. ΠΠ°Π²Π½ΠΎ Ρ ΠΎΡΠ΅Π» ΡΠ΄Π΅Π»Π°ΡΡ ΡΠ²ΠΎΠΉΒ ΡΡΠ΅Π·Π΅ΡΠ½ΡΠΉ ΡΡΠ°Π½ΠΎΠΊ ΠΏΠΎ Π΄Π΅ΡΠ΅Π²Ρ,Β Π²Π΅Π΄Ρ ΠΈΡΠΏΠΎΠ»Π½ΠΈΡΡ Π΄ΡΠ΅Π»ΡΡ ΠΌΠΎΠΆΠ½ΠΎ Π½Π΅ Π²ΡΡ, Π½ΡΠΆΠ½Π° ΡΠΎΡΠ½ΠΎΡΡΡ ΠΈ Π²ΠΎΠ·ΠΌΠΎΠΆΠ½ΠΎΡΡΡ ΠΏΠΎΠ²ΡΠΎΡΡΡΡ ΡΠ»Π΅ΠΌΠ΅Π½ΡΡ!
ΠΠΎΠ΄ΡΠΎΠ±Π½Π΅Π΅β¦
Π‘ΠΎΠ»Π½Π΅ΡΠ½ΠΎΠ΅ ΠΎΡΠΎΠΏΠ»Π΅Π½ΠΈΠ΅ β ΡΡΠΎ ΠΏΡΠΎΡΡΠΎ!
ΠΡΠ΅Π³ΠΎ Π·Π° Π½Π΅ΡΠΊΠΎΠ»ΡΠΊΠΎ ΡΠ°Π³ΠΎΠ² ΠΌΠΎΠΆΠ½ΠΎ ΡΠ΄Π΅Π»Π°ΡΡ ΠΏΡΠΎΡΡΠΎΠΉ ΡΠ°ΠΌΠΎΠ΄Π΅Π»ΡΠ½ΡΠΉ ΡΠΎΠ»Π½Π΅ΡΠ½ΡΠΉ ΠΊΠΎΠ»Π»Π΅ΠΊΡΠΎΡ ΠΈΠ· Π°Π»ΡΠΌΠΈΠ½ΠΈΠ΅Π²ΡΡ Π±Π°Π½ΠΎΠΊ ΠΈ ΠΏΠΎΠ»ΠΈΠΊΠ°ΡΠ±ΠΎΠ½Π°ΡΠ°. ΠΡΠΎ ΠΏΡΠΎΡΡΠΎΠΉ ΠΈ Π½Π΅Π΄ΠΎΡΠΎΠ³ΠΎΠΉ ΡΠΎΠ»Π½Π΅ΡΠ½ΡΠΉ ΠΊΠΎΠ»Π»Π΅ΠΊΡΠΎΡ, ΠΊΠΎΡΠΎΡΡΠΉ ΠΌΠΎΠΆΠ½ΠΎ ΠΈΡΠΏΠΎΠ»ΡΠ·ΠΎΠ²Π°ΡΡ Π΄Π»Ρ Π΄ΠΎΠΏΠΎΠ»Π½ΠΈΡΠ΅Π»ΡΠ½ΠΎΠ³ΠΎ ΠΎΡΠΎΠΏΠ»Π΅Π½ΠΈΡ Π΄ΠΎΠΌΠ°, Π΄Π°ΡΠΈ, Π³Π°ΡΠ°ΠΆΠ° ΠΈ Ρ.Π΄. ΠΠ»Ρ Π΅Π³ΠΎ ΠΈΠ·Π³ΠΎΡΠΎΠ²Π»Π΅Π½ΠΈΡ Π² ΠΎΡΠ½ΠΎΠ²Π½ΠΎΠΌ ΠΈΡΠΏΠΎΠ»ΡΠ·ΠΎΠ²Π°Π»ΠΈΡΡ Π½Π΅Π½ΡΠΆΠ½ΡΠ΅ ΠΏΡΡΡΡΠ΅ Π°Π»ΡΠΌΠΈΠ½ΠΈΠ΅Π²ΡΠ΅ Π±Π°Π½ΠΊΠΈ.
ΠΠΎΠ΄ΡΠΎΠ±Π½Π΅Π΅β¦
Π‘ΠΊΠΎΡΠΎ Π·ΠΈΠΌΠ°. ΠΡΠ½ΠΎΠ²Π½ΠΎΠΉ ΠΏΠΎΡΠΎΠΊ Ρ ΠΎΠ»ΠΎΠ΄Π° ΠΈΠ΄ΡΡ Ρ Π½Π΅ΡΡΠ΅ΠΏΠ»ΡΠ½Π½ΡΡ ΠΎΠΊΠΎΠ½. Π‘ Π½Π°ΡΡΡΠΏΠ»Π΅Π½ΠΈΠ΅ΠΌ ΠΏΡΠΎΡ Π»Π°Π΄Π½ΠΎΠ³ΠΎ ΠΏΠ΅ΡΠΈΠΎΠ΄Π° Π³ΠΎΠ΄Π° ΠΊΠ°ΠΆΠ΄ΡΠΉ ΠΈΠ· Π½Π°Ρ ΡΡΠ°ΡΠ°Π΅ΡΡΡ ΡΠ΄Π΅Π»Π°ΡΡ ΡΡΠ΅ΠΏΠ»Π΅Π½ΠΈΠ΅ ΠΎΠΊΠΎΠ½ Π½Π° Π·ΠΈΠΌΡ, ΠΎΡΠΎΠ±Π΅Π½Π½ΠΎ Π΅ΡΠ»ΠΈ ΡΠ΅ΠΌΠΎΠ½Ρ Π² ΠΊΠ²Π°ΡΡΠΈΡΠ΅ ΠΈΠ»ΠΈ ΠΆΠ΅ Π΄ΠΎΠΌΠ΅ ΠΏΡΠΎΠ²ΠΎΠ΄ΠΈΠ»ΡΡ Π΄ΠΎΡΡΠ°ΡΠΎΡΠ½ΠΎ Π΄Π°Π²Π½ΠΎ. ΠΠΈΠΆΠ΅, Π² ΡΡΠ°ΡΡΠ΅ ΡΠ°ΡΡΠΌΠΎΡΡΠ΅Π½Ρ ΠΎΡΠ½ΠΎΠ²Π½ΡΠ΅ ΡΠΏΠΎΡΠΎΠ±Ρ ΡΡΠ΅ΠΏΠ»Π΅Π½ΠΈΡ ΠΎΠΊΠΎΠ½ Π½Π° Π·ΠΈΠΌΡ.
ΠΠΎΠ΄ΡΠΎΠ±Π½Π΅Π΅β¦
— Π½ Π° Π² ΠΈ Π³ Π° Ρ ΠΎ Ρ —
ΠΠΎΠΏΡΠ»ΡΡΠ½ΠΎΡΡΡ: 2Β 813 ΠΏΡΠΎΡΠΌ.
ΠΠΠΠΠΠΠ’ΠΠ‘Π¬ Π‘ ΠΠ Π£ΠΠ¬Π―ΠΠ
www.mastervintik.ru
Π‘ΠΎΡΡΠ°Π²Π»Π΅Π½ΠΈΠ΅ ΡΡ Π΅ΠΌΡ ΡΠ»Π΅ΠΊΡΡΠΎΠΏΡΠΎΠ²ΠΎΠ΄ΠΊΠΈ — ΠΏΠ»Π°Π½ΠΈΡΠΎΠ²Π°Π½ΠΈΠ΅ ΠΈ ΡΠ°ΡΡΡΡ ΡΡ Π΅ΠΌΡ ΠΏΡΠΈ ΠΌΠΎΠ½ΡΠ°ΠΆΠ΅ ΡΠ»Π΅ΠΊΡΡΠΈΡΠ΅ΡΠΊΠΎΠΉ ΠΏΡΠΎΠ²ΠΎΠ΄ΠΊΠΈ Π΄ΠΎΠΌΠ°
Π§ΡΠΎΠ±Ρ ΡΠ°ΡΡΡΠΈΡΠ°ΡΡ ΠΊΠΎΠ»ΠΈΡΠ΅ΡΡΠ²ΠΎ ΠΏΡΠΎΠ²ΠΎΠ΄Π½ΠΈΠΊΠΎΠ², Π²ΡΠ±ΡΠ°ΡΡ ΠΌΠ΅ΡΡΠ° Π΄Π»Ρ ΠΌΠΎΠ½ΡΠ°ΠΆΠ° ΡΠ»Π΅ΠΊΡΡΠΈΡΠ΅ΡΠΊΠΈΡ ΡΠΎΡΠ΅ΠΊ ΠΈ Π³ΡΠ°ΠΌΠΎΡΠ½ΠΎ ΡΠΎΠ΅Π΄ΠΈΠ½ΠΈΡΡ ΠΊΠ°Π±Π΅Π»Ρ, Π½Π΅ΠΎΠ±Ρ ΠΎΠ΄ΠΈΠΌΠΎ ΡΠΎΡΡΠ°Π²ΠΈΡΡ ΠΎΠ±ΡΡΡ ΡΡ Π΅ΠΌΡ ΡΠ»Π΅ΠΊΡΡΠΎΠΏΡΠΎΠ²ΠΎΠ΄ΠΊΠΈ.
Π Π°ΡΡΠΌΠΎΡΡΠΈΠΌ ΡΠΏΠΎΡΠΎΠ±Ρ ΡΠΎΠ΅Π΄ΠΈΠ½Π΅Π½ΠΈΡ ΡΠ»Π΅ΠΊΡΡΠΈΡΠ΅ΡΠΊΠΎΠΉ ΡΠ΅ΠΏΠΈ.
— ΠΠ°ΡΠ°Π»Π»Π΅Π»ΡΠ½ΠΎΠ΅ ΡΠΎΠ΅Π΄ΠΈΠ½Π΅Π½ΠΈΠ΅ β ΠΏΡΠΈ ΡΠ°ΠΊΠΎΠΌ ΡΠΏΠΎΡΠΎΠ±Π΅ Π²Ρ ΠΎΠ΄ΡΡΠΈΠ΅ Π² ΡΠ΅ΠΏΡ ΡΠ»Π΅ΠΌΠ΅Π½ΡΡ ΠΎΠ±ΡΠ΅Π΄ΠΈΠ½Π΅Π½Ρ Π΄Π²ΡΠΌΡ ΡΠ·Π»Π°ΠΌΠΈ ΠΈ Π½Π΅ ΡΠΎΠ΅Π΄ΠΈΠ½Π΅Π½Ρ Π΄ΡΡΠ³ Ρ Π΄ΡΡΠ³ΠΎΠΌ (ΡΠΈΡ, 6.4). ΠΡΠΈ ΡΠ°ΠΊΠΎΠΌ ΡΠΎΠ΅Π΄ΠΈΠ½Π΅Π½ΠΈΠΈ ΡΠ»Π΅ΠΌΠ΅Π½ΡΠΎΠ², Π΄Π°ΠΆΠ΅ Π΅ΡΠ»ΠΈ ΠΎΠ΄Π½Π° ΠΈΠ· Π»Π°ΠΌΠΏ ΠΏΠ΅ΡΠ΅Π³ΠΎΡΠΈΡ ΠΈ ΡΠ°Π·ΠΎΡΠ²Π΅Ρ ΡΠ΅ΠΏΡ, ΠΎΡΡΠ°Π»ΡΠ½ΡΠ΅ Π½Π΅ ΠΏΠΎΠ³Π°ΡΠ½ΡΡ, ΠΏΠΎΡΠΊΠΎΠ»ΡΠΊΡ Ρ ΡΠΎΠΊΠ° ΠΎΡΡΠ°Π½ΡΡΡΡ Β«ΠΎΠ±Ρ ΠΎΠ΄Π½ΡΠ΅Β» ΠΏΡΡΠΈ.
![]() |
Π ΠΈΡ. 6.4. Π‘Ρ Π΅ΠΌΠ° ΠΏΠ°ΡΠ°Π»Π»Π΅Π»ΡΠ½ΠΎΠ³ΠΎ ΡΠΎΠ΅Π΄ΠΈΠ½Π΅Π½ΠΈΡ ΡΠ΅ΠΏΠΈ Π½Π° ΠΏΡΠΈΠΌΠ΅ΡΠ΅ ΡΠ²Π΅ΡΠΈΠ»ΡΠ½ΠΈΠΊΠ° Ρ 5 Π»Π°ΠΌΠΏΠ°ΠΌΠΈ |
— ΠΠΎΡΠ»Π΅Π΄ΠΎΠ²Π°ΡΠ΅Π»ΡΠ½ΠΎΠ΅ ΡΠΎΠ΅Π΄ΠΈΠ½Π΅Π½ΠΈΠ΅ β Π²ΡΠ΅ ΡΠ»Π΅ΠΌΠ΅Π½ΡΡ ΡΠ΅ΠΏΠΈ ΡΠ°ΡΠΏΠΎΠ»Π°Π³Π°ΡΡΡΡ Π΄ΡΡΠ³ Π·Π° Π΄ΡΡΠ³ΠΎΠΌ ΠΈ Π½Π΅ ΠΈΠΌΠ΅ΡΡ ΡΠ·Π»ΠΎΠ² (ΡΠΈΡ, 6.5). ΠΡΠΈΠΌΠ΅Ρ ΠΏΠΎΡΠ»Π΅Π΄ΠΎΠ²Π°ΡΠ΅Π»ΡΠ½ΠΎΠ³ΠΎ ΡΠΎΠ΅Π΄ΠΈΠ½Π΅Π½ΠΈΡ β Π²ΡΠ΅ΠΌ ΠΈΠ·Π²Π΅ΡΡΠ½Π°Ρ Π΅Π»ΠΎΡΠ½Π°Ρ Π³ΠΈΡΠ»ΡΠ½Π΄Π°: Π±ΠΎΠ»ΡΡΠΎΠ΅ ΠΊΠΎΠ»ΠΈΡΠ΅ΡΡΠ²ΠΎ Π»Π°ΠΌΠΏΠΎΡΠ΅ΠΊ, ΡΠΎΠ΅Π΄ΠΈΠ½Π΅Π½Π½ΡΡ ΠΎΠ΄Π½ΠΈΠΌ ΠΏΡΠΎΠ²ΠΎΠ΄ΠΎΠΌ. ΠΡΠ»ΠΈ ΡΠ³ΠΎΡΠΈΡ ΠΎΠ΄Π½Π°, ΡΠ΅ΠΏΡ ΡΠ°Π·ΠΎΡΠ²Π΅ΡΡΡ ΠΈ ΠΏΠΎΠ³Π°ΡΠ½ΡΡ Π²ΡΠ΅.
![]() |
Π ΠΈΡ. 6.5. ΠΠΎΡΠ»Π΅Π΄ΠΎΠ²Π°ΡΠ΅Π»ΡΠ½ΠΎΠ΅ ΡΠΎΠ΅Π΄ΠΈΠ½Π΅Π½ΠΈΠ΅ |
ΠΡΠ½ΠΎΠ²Π½ΡΡ ΡΠΈΠΏΠΎΠ² ΡΠ°ΡΠΊΠ»ΡΡΠ΅Π½ΠΈΡ ΠΏΡΠΎΠ²ΠΎΠ΄ΠΊΠΈ ΡΡΠΈ. Π Π°ΡΡΠΌΠΎΡΡΠΈΠΌ ΠΈΡ ΠΏΠΎΠ΄ΡΠΎΠ±Π½ΠΎ, ΠΏΠΎΡΠΊΠΎΠ»ΡΠΊΡ ΠΎΡ Π²ΡΠ±ΡΠ°Π½Π½ΠΎΠ³ΠΎ ΡΠΈΠΏΠ° Π·Π°Π²ΠΈΡΠΈΡ Π²ΡΡ ΡΡ Π΅ΠΌΠ° ΡΠ΅Π»ΠΈΠΊΠΎΠΌ.
1. Π’ΠΈΠΏ Β«Π·Π²Π΅Π·Π΄Π°Β» ΠΈΠ½ΠΎΠ³Π΄Π° Π½Π°Π·ΡΠ²Π°ΡΡ Π±Π΅ΡΠΊΠΎΡΠΎΠ±ΠΎΡΠ½ΡΠΌ, ΠΈΠ»ΠΈ Π΅Π²ΡΠΎΠΏΠ΅ΠΉΡΠΊΠΈΠΌ, ΡΠΈΠΏΠΎΠΌ ΡΠ°Π·Π²ΠΎΠ΄ΠΊΠΈ. ΠΠΊΡΠ°ΡΡΠ΅ Π΄Π°Π½Π½ΡΠΉ ΡΠΈΠΏ ΠΌΠΎΠΆΠ½ΠΎ ΠΎΡΠΎΠ±ΡΠ°Π·ΠΈΡΡ ΡΠ°ΠΊ: ΠΎΠ΄Π½Π° ΡΠΎΠ·Π΅ΡΠΊΠ° β ΠΎΠ΄Π½Π° Π»ΠΈΠ½ΠΈΡ ΠΊΠ°Π±Π΅Π»Ρ Π΄ΠΎ ΡΠΈΡΠΊΠ°. ΠΡΠΎ ΠΎΠ·Π½Π°ΡΠ°Π΅Ρ, ΡΡΠΎ ΠΊΠ°ΠΆΠ΄Π°Ρ ΡΠΎΠ·Π΅ΡΠΊΠ° ΠΈ ΡΠΎΡΠΊΠ° ΠΎΡΠ²Π΅ΡΠ΅Π½ΠΈΡ ΠΈΠΌΠ΅ΡΡ ΠΎΡΠ΄Π΅Π»ΡΠ½ΡΡ ΠΊΠ°Π±Π΅Π»ΡΠ½ΡΡ Π»ΠΈΠ½ΠΈΡ, ΠΊΠΎΡΠΎΡΠ°Ρ Π·Π° Ρ ΠΎΠ΄ΠΈΡ ΠΏΡΡΠΌΠΎ Π² ΠΊΠ²Π°ΡΡΠΈΡΠ½ΡΠΉ ΡΠΈΡΠΎΠΊ ΠΈ Π² ΠΈΠ΄Π΅Π°Π»Π΅ ΠΈΠΌΠ΅Π΅Ρ Π°Π²ΡΠΎΠΌΠ°ΡΠΈΡΠ΅ΡΠΊΠΈΠΉ Π²ΡΠΊΠ»ΡΡΠ°ΡΠ΅Π»Ρ.
Π ΡΠ΅ΠΌ ΠΏΡΠ΅ΠΈΠΌΡΡΠ΅ΡΡΠ²Π° ΠΈ Π½Π΅Π΄ΠΎΡΡΠ°ΡΠΊΠΈ ΡΠ°ΠΊΠΎΠ³ΠΎ ΡΠΈΠΏΠ° ΡΠ°ΡΠΊΠ»ΡΡΠ΅Π½ΠΈΡ? ΠΠ»ΡΡ ΠΏΡΠ΅ΠΆΠ΄Π΅ Π²ΡΠ΅Π³ΠΎ Π² Π±Π΅Π·ΠΎΠΏΠ°ΡΠ½ΠΎΡΡΠΈ ΠΈ Π²ΠΎΠ·ΠΌΠΎΠΆΠ½ΠΎΡΡΠΈ ΠΊΠΎΠ½ΡΡΠΎΠ»Ρ Π½Π°Π΄ ΠΊΠ°ΠΆΠ΄ΠΎΠΉ ΡΠ»Π΅ΠΊΡΡΠΈΡΠ΅ΡΠΊΠΎΠΉ ΡΠΎΡΠΊΠΎΠΉ. Π ΡΠΎΠΌΡ ΠΆΠ΅ Π½Π΅ ΡΡΠ΅Π±ΡΠ΅ΡΡΡ ΡΡΡΠ°Π½Π°Π²Π»ΠΈΠ²Π°ΡΡ ΡΠ°ΡΠΏΡΠ΅Π΄Π΅Π»ΠΈΡΠ΅Π»ΡΠ½ΡΠ΅ ΠΊΠΎΡΠΎΠ±ΠΊΠΈ. Π Π°ΡΠΊΠ»ΡΡΠ΅Π½ΠΈΠ΅ ΠΈΠΌΠ΅Π½Π½ΠΎ ΡΠ°ΠΊΠΎΠ³ΠΎ ΡΠΈΠΏΠ° Π΄Π΅Π»Π°Π΅ΡΡΡ, ΠΊΠΎΠ³Π΄Π° ΡΡΡΠ°Π½Π°Π²Π»ΠΈΠ²Π°ΡΡ ΡΠΈΡΡΠ΅ΠΌΡ Β«ΡΠΌΠ½ΡΠΉ Π΄ΠΎΠΌΒ». ΠΠΈΠ½ΡΡ Β«Π·Π²Π΅Π·Π΄ΡΒ» β ΠΊΠ°ΠΊ ΠΌΠΈΠ½ΠΈΠΌΡΠΌ ΡΡΠΎΠ΅ΠΊΡΠ°ΡΠ½ΡΠΉ ΡΠ°ΡΡ ΠΎΠ΄ ΠΏΡΠΎΠ²ΠΎΠ΄ΠΊΠΈ ΠΈ, ΡΠΎΠΎΡΠ²Π΅ΡΡΡΠ²Π΅Π½Π½ΠΎ, ΡΡΡΠ΄ΠΎΠ²ΡΡ Π·Π°ΡΡΠ°Ρ ΠΏΠΎ Π΅Π΅ ΠΌΠΎΠ½ΡΠ°ΠΆΡ. ΠΡΠΎΠΌΠ΅ ΡΠΎΠ³ΠΎ, ΠΊΠ²Π°ΡΡΠΈΡΠ½ΡΠΉ ΡΠΈΡΠΎΠΊ ΡΡΠ°Π½ΠΎΠ²ΠΈΡΡΡ ΡΠ°Π·ΠΌΠ΅ΡΠΎΠΌ ΡΠΎ ΡΡΠ΅Π΄Π½ΠΈΠΉ ΡΠΊΠ°Ρ. ΠΠ½ ΠΌΠΎΠΆΠ΅Ρ Π½Π°ΡΡΠΈΡΡΠ²Π°ΡΡ 70-100 Π³ΡΡΠΏΠΏ Π°Π²ΡΠΎΠΌΠ°ΡΠΎΠ², ΠΎΡΠΎΠ±Π΅Π½Π½ΠΎ Π΅ΡΠ»ΠΈ Π½Π° ΠΎΠ±ΡΠ΅ΠΊΡΠ΅ Π΅ΡΡΡ Π΅ΡΠ΅ ΠΈ ΠΈΠ½ΡΠΎΡΠΌΠ°ΡΠΈΠΎΠ½Π½ΡΠ΅ ΡΠ΅ΡΠΈ. Π£ΡΡΠ°Π½ΠΎΠ²ΠΈΡΡ ΡΠ°ΠΌΠΎΡΡΠΎΡΡΠ΅Π»ΡΠ½ΠΎ ΡΠ°ΠΊΠΎΠΉ ΡΠΈΡΠΎΠΊ ΡΠ»ΠΎΠΆΠ½ΠΎ, ΠΈ ΠΎΠ½ Π΄ΠΎΡΠΎΠΆΠ΅ ΠΎΠ±ΡΡΠ½ΠΎΠ³ΠΎ.
2.Β Π’ΠΈΠΏ Β«ΡΠ»Π΅ΠΉΡΒ» Π½Π°ΠΏΠΎΠΌΠΈΠ½Π°Π΅Ρ Β«Π·Π²Π΅Π·Π΄ΡΒ», Π½ΠΎ ΠΎΡΠ»ΠΈΡΠ°Π΅ΡΡΡ ΠΎΡ Π½Π΅Π΅ ΡΠΊΠΎΠ½ΠΎΠΌΠΈΡΠ½ΠΎΡΡΡΡ. ΠΠ·ΠΎΠ±ΡΠ°Π·ΠΈΡΡ Π΅Π³ΠΎ ΠΌΠΎΠΆΠ½ΠΎ ΡΠ°ΠΊ: ΡΠΎΠ·Π΅ΡΠΊΠ° β ΡΠΎΠ·Π΅ΡΠΊΠ° β ΡΠΎΠ·Π΅ΡΠΊΠ° β ΠΊΠ²Π°ΡΡΠΈΡΠ½ΡΠΉ ΡΠΈΡΠΎΠΊ ΠΈΠ»ΠΈ ΡΠ°ΡΠΏΠ°ΡΠ½Π½Π°Ρ ΠΊΠΎΡΠΎΠ±ΠΊΠ°. ΠΠ° ΠΎΠ΄ΠΈΠ½ ΠΊΠ°Π±Π΅Π»Ρ ΠΏΠΎΡΠ»Π΅Π΄ΠΎΠ²Π°ΡΠ΅Π»ΡΠ½ΠΎ ΠΏΠΎΠ΄ΠΊΠ»ΡΡΠ°ΡΡΡΡ Π½Π΅ΡΠΊΠΎΠ»ΡΠΊΠΎ ΡΠ»Π΅ΠΊΡΡΠΈΡΠ΅ΡΠΊΠΈΡ ΡΠΎΡΠ΅ΠΊ, ΠΎΡ ΠΊΠΎΡΠΎΡΡΡ ΠΎΠ±ΡΠΈΠΉ ΠΏΠΈΡΠ°ΡΡΠΈΠΉ ΠΏΡΠΎΠ²ΠΎΠ΄Π½ΠΈΠΊ ΠΈΠ΄Π΅Ρ Π»ΠΈΠ±ΠΎ ΠΊ ΠΊΠ²Π°ΡΡΠΈΡΠ½ΠΎΠΌΡ ΡΠΈΡΠΊΡ, Π»ΠΈΠ±ΠΎ ΠΊ ΡΠ°ΡΠΏΠ°ΡΠ½Π½ΠΎΠΉ ΠΊΠΎΡΠΎΠ±ΠΊΠ΅ (ΡΠΈΡ, 6.6).
3.Β Π’ΠΈΠΏ ΡΠ°ΡΠΊΠ»ΡΡΠ΅Π½ΠΈΡ Π² ΡΠ°ΡΠΏΡΠ΅Π΄Π΅Π»ΠΈΡΠ΅Π»ΡΠ½ΡΡ ΠΊΠΎΡΠΎΠ±ΠΊΠ°Ρ β Π½Π°ΠΈΠ±ΠΎΠ»Π΅Π΅ ΡΠ°ΡΡΠΎ Π²ΡΡΡΠ΅ΡΠ°ΡΡΠΈΠΉΡΡ Π²Π°ΡΠΈΠ°Π½Ρ (ΡΠΈΡ, 6.7). ΠΠΌΠ΅Π½Π½ΠΎ ΡΠ°ΠΊΠΈΠΌ ΠΎΠ±ΡΠ°Π·ΠΎΠΌ Π΄Π΅Π»Π°Π»Π°ΡΡ ΡΠ°Π·Π²ΠΎΠ΄ΠΊΠ° Π² ΡΠΎΠ²Π΅ΡΡΠΊΠΎΠ΅ Π²ΡΠ΅ΠΌΡ. ΠΠΊΠΎΠ½ΠΎΠΌΠΈΡΠ½ΡΠΉ ΡΠΏΠΎΡΠΎΠ±, Π½Π΅ ΡΡΠ΅Π±ΡΡΡΠΈΠΉ ΠΎΡΠΎΠ±ΡΡ Π·Π°ΡΡΠ°Ρ. Π ΠΊΠ²Π°ΡΡΠΈΡΠ΅ ΡΠΈΡΠΊΠ° Π½Π΅Ρ Π²ΠΎΠ²ΡΠ΅, ΠΎΠ½ ΡΠ°ΡΠΏΠΎΠ»ΠΎΠΆΠ΅Π½ Π½Π° Π»Π΅ΡΡΠ½ΠΈΡΠ½ΠΎΠΉ ΠΏΠ»ΠΎΡΠ°Π΄ΠΊΠ΅. ΠΡ ΡΠ°ΠΊΠΎΠ³ΠΎ ΠΎΠ±ΡΠ΅Π³ΠΎ ΠΏΠΈΡΠ°ΡΡΠ΅Π³ΠΎ Β«ΡΡΠΎΡΠΊΠ°Β» ΠΎΡΡ ΠΎΠ΄ΠΈΡ ΠΊΠ²Π°ΡΡΠΈΡΠ½ΠΎΠ΅ ΠΎΡΠ²Π΅ΡΠ²Π»Π΅Π½ΠΈΠ΅. ΠΠ° Π½Π΅ΠΌ Π² ΡΠΈΡΠΊΠ΅ ΡΡΠΎΡΡ
Π ΠΎΠ·Π΅ΡΠΊΠΈ, ΡΠΎΠ΅Π΄ΠΈΠ½Π΅Π½Π½ΡΠ΅ Β«ΡΠ»Π΅ΠΉΡΠΎΠΌΒ» ΡΡΠ΅ΡΡΠΈΠΊ ΠΈ Π°Π²ΡΠΎΠΌΠ°ΡΠΈΡΠ΅ΡΠΊΠΈΠΉ Π²ΡΠΊΠ»ΡΡΠ°ΡΠ΅Π»Ρ (ΠΈΠ½ΠΎΠ³Π΄Π° β 1, ΠΈΠ½ΠΎΠ³Π΄Π° β 2-3, ΡΠ΅Π΄ΠΊΠΎ Π±ΠΎΠ»ΡΡΠ΅). ΠΠΈΡΠ°ΡΡΠΈΠΉ ΠΊΠ°Π±Π΅Π»Ρ Π·Π°Ρ ΠΎΠ΄ΠΈΡ Π² ΠΊΠ²Π°ΡΡΠΈΡΡ, Π·Π°ΡΠ΅ΠΌ ΠΏΡΠΈ ΠΏΠΎΠΌΠΎΡΠΈ ΡΠ°ΡΠΏΡΠ΅Π΄Π΅Π»ΠΈΡΠ΅Π»ΡΠ½ΡΡ ΠΊΠΎΡΠΎΠ±ΠΎΠΊ Π² ΠΏΠΎΠΌΠ΅ΡΠ΅Π½ΠΈΡ, ΠΏΠΎΠ΄Ρ ΠΎΠ΄Ρ ΠΊ ΠΊΠ°ΠΆΠ΄ΠΎΠΉ ΡΠΎΡΠΊΠ΅. ΠΠΎΠΆΠ½ΠΎ ΡΠΊΠ°Π·Π°ΡΡ, ΡΡΠΎ ΠΎΡ ΡΠ°ΡΠΏΡΠ΅Π΄Π΅Π»ΠΈΡΠ΅Π»ΡΠ½ΠΎΠΉ ΠΊΠΎΡΠΎΠ±ΠΊΠΈ ΠΏΡΠΎΠ²ΠΎΠ΄ΠΊΠ° ΠΈΠ΄Π΅Ρ ΠΊ ΡΠΎΡΠΊΠ°ΠΌ Β«Π·Π²Π΅Π·Π΄ΠΎΠΉΒ». Π ΡΠΈΡΡΠΎΠΌ Π²ΠΈΠ΄Π΅ ΡΠΈΠΏΡ ΡΠ°Π·Π²ΠΎΠ΄ΠΊΠΈ ΠΏΡΠΈΠΌΠ΅Π½ΡΡΡΡΡ ΡΠ΅Π΄ΠΊΠΎ. ΠΡΡ
ΠΎΠ΄Ρ ΠΈΠ· ΠΈΠΌΠ΅ΡΡΠΈΡ
ΡΡ Π² Π½Π°Π»ΠΈΡΠΈΠΈ ΡΠ΅ΡΡΡΡΠΎΠ² ΠΈ ΠΏΠΎ ΠΏΠΎΠΆΠ΅Π»Π°Π½ΠΈΡ ΠΎΠ±ΡΡΠ½ΠΎ Π²ΡΠ±ΠΈΡΠ°Π΅ΡΡΡ ΡΠΌΠ΅ΡΠ°Π½Π½ΡΠΉ ΡΠΈΠΏ. ΠΡΠΈΠ²Π΅Π΄Π΅ΠΌ ΠΏΡΠΈΠΌΠ΅Ρ ΠΏΠΎ ΡΠ°Π·Π²ΠΎΠ΄ΠΊΠ΅ Π² ΠΎΡΠ΄Π΅Π»ΡΠ½ΠΎΠΉ ΠΊΠ²Π°ΡΡΠΈΡΠ΅ (ΡΠΈΡ, 6.8). ΠΠΈΡΠ°ΡΡΠΈΠΉ ΠΊΠ°Π±Π΅Π»Ρ Π²Ρ ΠΎΠ΄ΠΈΡ Π² ΠΊΠ²Π°ΡΡΠΈΡΠ½ΡΠΉ ΡΠΈΡΠΎΠΊ, Π³Π΄Π΅ ΡΡΠΎΡΡ Π½Π΅ΡΠΊΠΎΠ»ΡΠΊΠΎ Π³ΡΡΠΏΠΏ Π°Π²ΡΠΎΠΌΠ°ΡΠΎΠ² ΠΈ ΡΡΡΡΠΎΠΉΡΡΠ² Π·Π°ΡΠΈΡΡ. Π ΡΠΈΡΠΊΠ΅ ΠΎΠ±ΡΠΈΠΉ ΠΊΠ°Π±Π΅Π»Ρ ΡΠ°Π·Π²ΠΎΠ΄ΠΈΡΡΡ Π½Π° Π½Π΅ΡΠΊΠΎΠ»ΡΠΊΠΎ Π·ΠΎΠ½, Π½Π°ΠΏΡΠΈΠΌΠ΅Ρ ΠΏΠΎ ΠΆΠΈΠ»ΡΠΌ ΠΊΠΎΠΌΠ½Π°ΡΠ°ΠΌ ΠΈ ΠΎΡΠ΄Π΅Π»ΡΠ½ΠΎ ΠΏΠΎ Π²Π°Π½Π½ΠΎΠΉ ΠΈ ΠΊΡΡ Π½Π΅ Ρ ΡΠ°Π·Π΄Π΅Π»Π΅Π½ΠΈΠ΅ΠΌ Π½Π° ΡΠΎΠ·Π΅ΡΠΊΠΈ ΠΈ ΠΎΡΠ²Π΅ΡΠ΅Π½ΠΈΠ΅. ΠΠΈΡΠ°ΡΡΠΈΠΉ ΠΊΠ°Π±Π΅Π»Ρ ΠΎΡΠ΄Π΅Π»ΡΠ½ΠΎΠΉ Π·ΠΎΠ½Ρ Π·Π°Ρ ΠΎΠ΄ΠΈΡ Π² ΠΊΠΎΠΌΠ½Π°ΡΡ ΠΈ ΡΠ°ΡΠΊΠ»ΡΡΠ°Π΅ΡΡΡ Π² ΠΊΠΎΡΠΎΠ±ΠΊΠ΅ ΠΏΠΎ ΡΠΎΡΠΊΠ°ΠΌ. ΠΠ΄Π΅ΡΡ Π²ΠΎΠ·ΠΌΠΎΠΆΠ½Ρ Π²Π°ΡΠΈΠ°Π½ΡΡ: ΠΊΠ°Π±Π΅Π»Ρ ΠΏΠΎΠΉΠ΄Π΅Ρ Π½Π° ΡΠΎΠ·Π΅ΡΠΊΠΈ Β«ΡΠ»Π΅ΠΉΡΠΎΠΌΒ» ΠΈΠ»ΠΈ Π½Π° ΠΊΠ°ΠΆΠ΄ΡΡ ΡΠΎΡΠΊΡ Π±ΡΠ΄Π΅Ρ Π²ΡΠ΄Π΅Π»Π΅Π½ ΠΎΡΠ΄Π΅Π»ΡΠ½ΡΠΉ ΠΏΡΠΎΠ²ΠΎΠ΄Π½ΠΈΠΊ. |
ΠΡΡΠ³ΠΎΠΉ Π²ΠΎΠ·ΠΌΠΎΠΆΠ½ΡΠΉ Π²Π°ΡΠΈΠ°Π½Ρ (ΠΏΠ°ΡΠ°Π»Π»Π΅Π»ΡΠ½Π°Ρ ΡΡ Π΅ΠΌΠ°)
ΠΡΠΎΡΠ΅ΡΡΠΈΠΎΠ½Π°Π»ΡΠ½ΡΠ΅ ΡΠ»Π΅ΠΊΡΡΠΈΠΊΠΈ ΡΠΎΡΡΠ°Π²Π»ΡΡΡ ΡΠ°ΠΊΠΈΠ΅ ΡΡ Π΅ΠΌΡ Ρ ΡΡΠ΅ΡΠΎΠΌ Π²ΡΠ΅Ρ ΡΠ°ΠΊΡΠΎΡΠΎΠ². ΠΡΠΎ ΠΏΠΎΠΆΠ΅Π»Π°Π½ΠΈΡ Ρ ΠΎΠ·ΡΠΈΠ½Π° ΠΎΠ±ΡΠ΅ΠΊΡΠ°, ΡΠΎ Π΅ΡΡΡ ΡΡΠΎ ΠΈΠΌΠ΅Π½Π½ΠΎ Ρ ΠΎΡΠ΅ΡΡΡ ΡΠ²ΠΈΠ΄Π΅ΡΡ Π² ΠΊΠ²Π°ΡΡΠΈΡΠ΅ ΠΈΠ»ΠΈ Π΄ΠΎΠΌΠ΅ (ΡΠΈΡ. 6.9).
|
ΠΠ°ΠΏΡΠΈΠΌΠ΅Ρ, Ρ ΠΎΠ·ΡΠΈΠ½ Π³ΠΎΠ²ΠΎΡΠΈΡ, ΡΡΠΎ Π² Π³ΠΎΡΡΠΈΠ½ΠΎΠΉ Π΄ΠΎΠ»ΠΆΠ½Ρ Π±ΡΡΡ Π΄Π²Π΅ Π³ΡΡΠΏΠΏΡ ΡΠΎΠ·Π΅ΡΠΎΠΊ ΠΏΠΎ ΡΡΠΈ Π² ΠΊΠ°ΠΆΠ΄ΠΎΠΉ. ΠΠ»ΡΡ Π΄Π²Π° ΠΏΡΠΎΡ ΠΎΠ΄Π½ΡΡ Π²ΡΠΊΠ»ΡΡΠ°ΡΠ΅Π»Ρ ΠΈ ΡΠ΅Π»Π΅ΡΠΎΠ½Π½ΡΠ΅ ΡΠΎΠ·Π΅ΡΠΊΠΈ Π² ΠΊΠΎΠ»ΠΈΡΠ΅ΡΡΠ²Π΅ ΡΡΠ΅Ρ ΡΡΡΠΊ. ΠΠ»Π΅ΠΊΡΡΠΈΠΊ, ΠΏΡΠΈΠ½ΡΠ² ΠΊ ΡΠ²Π΅Π΄Π΅Π½ΠΈΡ ΡΡΠΈ Π΄Π°Π½Π½ΡΠ΅, ΠΏΠΎ ΠΏΡΠ°Π²ΠΈΠ»Π°ΠΌ ΡΠ»Π΅ΠΊΡΡΠΎΠΌΠΎΠ½ΡΠ°ΠΆΠ½ΡΡ ΡΠ°Π±ΠΎΡ ΡΠΎΡΡΠ°Π²Π»ΡΠ΅Ρ ΡΡ Π΅ΠΌΡ, Π² ΠΊΠΎΡΠΎΡΠΎΠΉ ΡΡΠΈΡΡΠ²Π°ΡΡΡΡ ΠΏΠ°ΡΠ°ΠΌΠ΅ΡΡΡ Π±Π΅Π·ΠΎΠΏΠ°ΡΠ½ΠΎΡΡΠΈ, ΠΏΠΎΡΡΠ΄ΠΎΠΊ Π²ΡΠΏΠΎΠ»Π½Π΅Π½ΠΈΡ ΡΠ°Π±ΠΎΡ, ΡΠΈΠΏ ΠΏΡΠΎΠ²ΠΎΠ΄ΠΊΠΈ, ΡΠ°Π·ΠΌΠ΅ΡΡ ΡΡΡΠΎΠ± ΠΈ Ρ. Π΄. Π’Π°ΠΊΠΎΠΉ ΡΠ΅ΡΡΠ΅ΠΆ ΡΠ²Π»ΡΠ΅ΡΡΡ Π΄ΠΎΠΊΡΠΌΠ΅Π½ΡΠΎΠΌ ΠΈ Π·Π°Π²Π΅ΡΡΠ΅ΡΡΡ Π² ΡΠΏΠ΅ΡΠΈΠ°Π»ΡΠ½ΠΎΠΉ ΠΎΡΠ³Π°Π½ΠΈΠ·Π°ΡΠΈΠΈ (ΡΠΈΡ. 6.10).
![]() |
Π ΠΈΡ. 6.10. ΠΡΠΈΠΌΠ΅Ρ ΠΏΡΠΈΠ½ΡΠΈΠΏΠΈΠ°Π»ΡΠ½ΠΎΠΉ ΡΡ Π΅ΠΌΡ ΡΠ»Π΅ΠΊΡΡΠΎΡΠ½Π°Π±ΠΆΠ΅Π½ΠΈΡ ΠΊΠ²Π°ΡΡΠΈΡΡ, ΡΠΎΡΡΠ°Π²Π»Π΅Π½Π½ΠΎΠΉ ΠΏΡΠΎΡΠ΅ΡΡΠΈΠΎΠ½Π°Π»ΡΠ½ΡΠΌ ΡΠ»Π΅ΠΊΡΡΠΈΠΊΠΎΠΌ |
Π‘ΠΎΠ²ΡΠ΅ΠΌΠ΅Π½Π½ΡΠ΅ ΡΠΈΡΠΌΡ, ΠΏΡΠ΅Π΄ΠΎΡΡΠ°Π²Π»ΡΡΡΠΈΠ΅ ΡΡΠ»ΡΠ³ΠΈ ΠΏΠΎ ΡΠ»Π΅ΠΊΡΡΠΎΠΌΠΎΠ½ΡΠ°ΠΆΠ½ΡΠΌ ΡΠ°Π±ΠΎΡΠ°ΠΌ, ΠΏΠΎΠ»ΡΠ·ΡΡΡΡΡ ΠΊΠΎΠΌΠΏΡΡΡΠ΅ΡΠ½ΡΠΌΠΈ ΠΏΡΠΎΠ³ΡΠ°ΠΌΠΌΠ°ΠΌΠΈ (ΡΠΈΡ. 6.11). ΠΠ½ΠΈ ΡΠΎΠ·Π΄Π°Π½Ρ ΡΠΏΠ΅ΡΠΈΠ°Π»ΡΠ½ΠΎ Π΄Π»Ρ ΠΈΠ½ΠΆΠ΅Π½Π΅ΡΠ½ΠΎΡΠ΅Ρ Π½ΠΈΡΠ΅ΡΠΊΠΈΡ ΡΠ°Π±ΠΎΡΠ½ΠΈΠΊΠΎΠ² (ΠΠ’Π ) ΠΈ Π΄ΠΎΠΌΠ°ΡΠ½Π΅ΠΌΡ ΠΌΠ°ΡΡΠ΅ΡΡ Π²ΡΡΠ΄ Π»ΠΈ ΠΏΡΠΈΠ³ΠΎΠ΄ΡΡΡΡ.
![]() |
Π ΠΈΡ. 6.11. ΠΠ»Π΅ΠΊΡΡΠΈΡΠ΅ΡΠΊΠ°Ρ ΡΡ Π΅ΠΌΠ°, Π²ΡΠΏΠΎΠ»Π½Π΅Π½Π½Π°Ρ Ρ ΠΈΡΠΏΠΎΠ»ΡΠ·ΠΎΠ²Π°Π½ΠΈΠ΅ΠΌ ΡΠΎΠ²ΡΠ΅ΠΌΠ΅Π½Π½ΡΡ ΠΊΠΎΠΌΠΏΡΡΡΠ΅ΡΠ½ΡΡ ΠΏΡΠΎΠ³ΡΠ°ΠΌΠΌ |
Π§ΡΠΎΠ±Ρ ΡΠ°ΠΌΠΎΡΡΠΎΡΡΠ΅Π»ΡΠ½ΠΎ Π²ΡΠΏΠΎΠ»Π½ΠΈΡΡ ΠΌΠΎΠ½ΡΠ°ΠΆ ΠΏΡΠΎΠ²ΠΎΠ΄ΠΊΠΈ, ΡΡ Π΅ΠΌΡ ΠΌΠΎΠΆΠ½ΠΎ Π½Π°ΡΠ΅ΡΡΠΈΡΡ ΡΠ°ΠΌΠΎΠΌΡ. ΠΡΠΎ Π΄Π΅Π»Π°Π΅ΡΡΡ Π΄ΠΎΡΡΠ°ΡΠΎΡΠ½ΠΎ ΠΏΡΠΎΡΡΠΎ. ΠΠ»Ρ Π½Π°ΡΠ°Π»Π° ΠΈΠ·ΠΎΠ±ΡΠ°ΠΆΠ°Π΅ΡΡΡ ΠΊΠ²Π°ΡΡΠΈΡΠ½ΡΠΉ ΠΏΠ»Π°Π½ Ρ ΡΡΠ΅ΡΠΎΠΌ Π²ΡΠ΅Ρ ΡΠ°Π·ΠΌΠ΅ΡΠΎΠ². ΠΡΠ»ΠΈ Π½Π΅Ρ Π½Π΅ΠΎΠ±Ρ ΠΎΠ΄ΠΈΠΌΠΎΠΉ Π΄ΠΎΠΊΡΠΌΠ΅Π½ΡΠ°ΡΠΈΠΈ, ΠΌΠΎΠΆΠ½ΠΎ Π²Π·ΡΡΡ Π΅Π΅ Ρ Π·Π°ΡΡΡΠΎΠΉΡΠΈΠΊΠ°, Ρ ΠΎΡΡ ΠΎΠ½Π° ΠΎΠ±ΡΠ·Π°Π½Π° Ρ ΡΠ°Π½ΠΈΡΡΡΡ ΠΈ Ρ Π²Π»Π°Π΄Π΅Π»ΡΡΠ° ΠΆΠΈΠ»ΡΡ.
ΠΠ°ΡΠ΅ΠΌ ΠΏΡΠΈ ΠΏΠΎΠΌΠΎΡΠΈ ΡΠΏΠ΅ΡΠΈΠ°Π»ΡΠ½ΡΡ ΠΎΠ±ΠΎΠ·Π½Π°ΡΠ΅Π½ΠΈΠΉ Π²ΡΡΡΠ°Π²Π»ΡΡΡΡΡ Π²ΡΠ΅ ΠΆΠ΅Π»Π°Π΅ΠΌΡΠ΅ ΡΠΎΡΠΊΠΈ: Π»Π°ΠΌΠΏΡ, ΡΠΎΠ·Π΅ΡΠΊΠΈ, Π°Π²ΡΠΎΠΌΠ°ΡΠΈΡΠ΅ΡΠΊΠΈΠ΅ Π²ΡΠΊΠ»ΡΡΠ°ΡΠ΅Π»ΠΈ ΠΈ Ρ. Π΄. (ΡΠΈΡ. 6.12). ΠΠ°Π΄ΠΎ Π½Π΅ ΠΏΠΎΠ»Π΅Π½ΠΈΡΡΡΡ ΠΈ ΠΏΠΎΡΡΠ°Π²ΠΈΡΡ ΠΎΠ±ΡΠ΅ΠΏΡΠΈΠ½ΡΡΡΠ΅ ΠΎΠ±ΠΎΠ·Π½Π°ΡΠ΅Π½ΠΈΡ, ΡΡΠΎΠ±Ρ ΡΡΡ ΡΡ Π΅ΠΌΡ ΠΏΠΎΠ½ΡΠ»ΠΈ ΠΈ Π΄ΡΡΠ³ΠΈΠ΅ Π»ΡΠ΄ΠΈ. Π§Π°ΡΡΡ ΡΠ»ΡΡΠ°ΠΈ, ΠΊΠΎΠ³Π΄Π° ΠΊΠ°ΠΊΠΎΠ΅-ΡΠΎ Π²ΡΠ΅ΠΌΡ ΡΠΏΡΡΡΡ Π°Π²ΡΠΎΡ ΡΡ Π΅ΠΌΡ Π½Π΅ ΠΌΠΎΠΆΠ΅Ρ ΡΠ°Π·ΠΎΠ±ΡΠ°ΡΡΡΡ Π² Π·Π°Π³Π°Π΄ΠΎΡΠ½ΡΡ ΠΈΠ΅ΡΠΎΠ³Π»ΠΈΡΠ°Ρ , ΠΊΠΎΡΠΎΡΡΠ΅ ΠΎΠ½ ΡΠ°ΠΌ ΠΆΠ΅ ΠΈ ΠΏΡΠΈΠ΄ΡΠΌΠ°Π».
![]() |
Π ΠΈΡ. 6.12. ΠΠ΅ΡΠ²ΠΎΠ½Π°ΡΠ°Π»ΡΠ½ΠΎ Π½Π° ΡΡ Π΅ΠΌΠ΅ Π²ΡΡΡΠ°Π²Π»ΡΡΡΡΡ Π²ΡΠ΅ ΡΠ»Π΅ΠΊΡΡΠΈΡΠ΅ΡΠΊΠΈΠ΅ ΡΠΎΡΠΊΠΈ, ΠΊΠΎΡΠΎΡΡΠ΅ Π½Π΅ΠΎΠ±Ρ ΠΎΠ΄ΠΈΠΌΠΎ ΡΠ°Π·ΠΌΠ΅ΡΡΠΈΡΡ Π² ΠΊΠ²Π°ΡΡΠΈΡΠ΅ ΠΈΠ»ΠΈ Π΄ΠΎΠΌΠ΅ |
ΠΠΎΡΠ»Π΅ ΡΡΠΎΠ³ΠΎ Π²ΡΡΠ΅ΡΡΠΈΠ²Π°ΡΡΡΡ Π»ΠΈΠ½ΠΈΠΈ, ΠΊΠΎΡΠΎΡΡΠ΅ ΠΎΠ±ΠΎΠ·Π½Π°ΡΠ°ΡΡ ΠΏΡΠΎΠΊΠ»Π°Π΄ΠΊΡ ΠΏΡΠΎΠ²ΠΎΠ΄ΠΊΠΈ. ΠΠ±ΡΠ·Π°ΡΠ΅Π»ΡΠ½ΠΎ ΡΠΊΠ°ΠΆΠΈΡΠ΅ Π½Π° ΠΏΠ»Π°Π½Π΅, Π½Π° ΠΊΠ°ΠΊΠΎΠΌ ΡΠ°ΡΡΡΠΎΡΠ½ΠΈΠΈ ΠΎΡ ΠΏΠΎΡΠΎΠ»ΠΊΠ° ΠΈΠ»ΠΈ ΠΏΠΎΠ»Π° Π½Π°Ρ ΠΎΠ΄ΠΈΡΡΡ ΠΊΠ°Π±Π΅Π»Ρ, ΠΎΡΠΎΠ±Π΅Π½Π½ΠΎ Π΅ΡΠ»ΠΈ ΠΏΡΠΎΠ²ΠΎΠ΄ΠΊΠ° ΡΠΊΡΡΡΠΎΠ³ΠΎ ΡΠΈΠΏΠ°.
ΠΠ°Π»Π΅Π΅ ΠΏΡΠΈΠ²Π΅Π΄Π΅Π½ ΠΏΡΠΈΠΌΠ΅Ρ ΡΠ»Π΅ΠΊΡΡΠΈΡΠ΅ΡΠΊΠΎΠΉ ΡΡ Π΅ΠΌΡ ΠΊΠ²Π°ΡΡΠΈΡΡ (ΡΠΈΡ. 6.13). Π Π°Π·Π½ΡΠΌΠΈ ΡΠ²Π΅ΡΠ°ΠΌΠΈ ΠΏΠΎΠΊΠ°Π·Π°Π½Ρ ΠΏΡΠΎΠ²ΠΎΠ΄Π° ΠΎΡΠ²Π΅ΡΠ΅Π½ΠΈΡ, ΡΠΈΠ»ΠΎΠ²ΡΠ΅ ΠΊΠ°Π±Π΅Π»ΠΈ ΠΈ ΠΏΡΠΎΠ²ΠΎΠ΄ Π·Π°Π·Π΅ΠΌΠ»Π΅Π½ΠΈΡ. Π£ΡΠ»ΠΎΠ²Π½ΡΠΌΠΈ Π·Π½Π°ΡΠΊΠ°ΠΌΠΈ ΠΈΠ·ΠΎΠ±ΡΠ°ΠΆΠ΅Π½Ρ ΡΠ²Π΅ΡΠΈΠ»ΡΠ½ΠΈΠΊΠΈ, ΡΠΎΠ·Π΅ΡΠΊΠΈ, Π²ΡΠΊΠ»ΡΡΠ°ΡΠ΅Π»ΠΈ ΠΈ ΡΠ°ΡΠΏΡΠ΅Π΄Π΅Π»ΠΈΡΠ΅Π»ΡΠ½ΡΠ΅ ΠΊΠΎΡΠΎΠ±ΠΊΠΈ. Π’Π°ΠΊΠ°Ρ ΡΡ Π΅ΠΌΠ° ΠΎΡΠ΅Π½Ρ Π½Π°Π³Π»ΡΠ΄Π½Π°, ΠΈ ΠΏΠΎ Π½Π΅ΠΉ ΠΌΠΎΠΆΠ½ΠΎ Π²ΡΠΏΠΎΠ»Π½ΡΡΡ Π²ΡΠ΅ Π½Π΅ΠΎΠ±Ρ ΠΎΠ΄ΠΈΠΌΡΠ΅ ΡΠ°ΡΡΠ΅ΡΡ.

ΠΡΠΎ Π½Π΅ΠΎΠ±Ρ ΠΎΠ΄ΠΈΠΌΠΎ Π΄Π»Ρ ΡΠΎΠ³ΠΎ, ΡΡΠΎΠ±Ρ Π² Π΄Π°Π»ΡΠ½Π΅ΠΉΡΠ΅ΠΌ ΡΠΎΡΠ½ΠΎ Π·Π½Π°ΡΡ, Π³Π΄Π΅ ΠΏΡΠΎΡ ΠΎΠ΄ΡΡ ΠΏΡΠΎΠ²ΠΎΠ΄Π°. ΠΠ½Π°ΡΠ΅ ΠΌΠΎΠΆΠ½ΠΎ, Π²Π΅ΡΠ°Ρ ΠΊΠ°ΡΡΠΈΠ½Ρ ΠΈΠ»ΠΈ ΠΏΠΎΠ»ΠΊΡ, ΠΏΠΎΠΏΠ°ΡΡΡ ΡΠ²Π΅ΡΠ»ΠΎΠΌ ΠΏΡΡΠΌΠΎ Π² ΠΊΠ°Π±Π΅Π»Ρ. Π‘ΡΡΠ΅ΡΡΠ²ΡΡΡ ΡΠΈΠΏΠΎΠ²ΡΠ΅ ΠΏΡΠ°Π²ΠΈΠ»Π° Π΄Π»Ρ ΠΌΠΎΠ½ΡΠ°ΠΆΠ°. ΠΠ½ΠΈ ΡΠ°ΠΊΠΎΠ²Ρ.
1.Β ΠΡΠΎΠ²ΠΎΠ΄ ΠΏΡΠΎΠΊΠ»Π°Π΄ΡΠ²Π°Π΅ΡΡΡ ΡΠΎΠ»ΡΠΊΠΎ ΠΏΠΎ Π²Π΅ΡΡΠΈΠΊΠ°Π»ΡΠ½ΡΠΌ ΠΈ Π³ΠΎΡΠΈΠ·ΠΎΠ½ΡΠ°Π»ΡΠ½ΡΠΌ Π»ΠΈΠ½ΠΈΡΠΌ ΠΏΠΎΠ΄ ΠΏΡΡΠΌΡΠΌΠΈ ΡΠ³Π»Π°ΠΌΠΈ. ΠΡΠ»ΠΈ Π²ΠΎΠ·Π½ΠΈΠΊΠ½Π΅Ρ ΠΆΠ΅Π»Π°Π½ΠΈΠ΅ ΡΡ ΠΈΡΡΠΈΡΡ ΠΈ ΡΡΠΊΠΎΠ½ΠΎΠΌΠΈΡΡ ΠΊΠ°Π±Π΅Π»Ρ, ΠΏΡΠΎΠ²Π΅Π΄Ρ Π΅Π³ΠΎ ΠΏΠΎ Π΄ΠΈΠ°Π³ΠΎΠ½Π°Π»ΠΈ, Π»ΡΡΡΠ΅ ΡΠ°ΠΊ Π½Π΅ Π΄Π΅Π»Π°ΡΡ. Π Π΄Π°Π»ΡΠ½Π΅ΠΉΡΠ΅ΠΌ Π½Π°ΠΉΡΠΈ ΡΡΠΎΡ ΠΊΡΠΈΠ²ΠΎΠΉ ΠΏΡΡΡ Π²Π΅ΡΡΠΌΠ° ΡΡΡΠ΄Π½ΠΎ, Π° ΠΏΠΎΠΏΠ°ΡΡΡ Π² Π½Π΅Π³ΠΎ Π³Π²ΠΎΠ·Π΄Π΅ΠΌ ΠΏΡΠΎΡΠ΅ ΠΏΡΠΎΡΡΠΎΠ³ΠΎ.
2.Β Π Π°ΡΡΡΠΎΡΠ½ΠΈΠ΅ ΠΎΡ ΠΏΡΠΎΠ²ΠΎΠ΄Π° Π΄ΠΎ ΠΏΠΎΡΠΎΠ»ΠΊΠ° ΠΈΠ»ΠΈ ΠΏΠΎΠ»Π° Π΄ΠΎΠ»ΠΆΠ½ΠΎ Π±ΡΡΡ 15 ΡΠΌ. ΠΡ ΡΠ³Π»ΠΎΠ², Π΄Π²Π΅ΡΠ½ΡΡ ΠΊΠΎΡΡΠΊΠΎΠ² ΠΈ ΠΎΠΊΠΎΠ½Π½ΡΡ ΡΠ°ΠΌ β Π½Π΅ ΠΌΠ΅Π½Π΅Π΅ 10 ΡΠΌ. ΠΡΠΈ ΠΎΠ±Π²ΠΎΠ΄ΠΊΠ΅ ΡΠ΅ΡΠ΅Π· ΡΡΡΠ±Ρ ΠΎΡΠΎΠΏΠ»Π΅Π½ΠΈΡ ΡΠ»Π΅Π΄ΡΠ΅Ρ ΡΠΎΠ±Π»ΡΠ΄Π°ΡΡ Π·Π°Π·ΠΎΡ ΠΌΠ΅ΠΆΠ΄Ρ Π½ΠΈΠΌΠΈ ΠΈ ΠΏΡΠΎΠ²ΠΎΠ΄ΠΊΠΎΠΉ Π½Π΅ ΠΌΠ΅Π½ΡΡΠ΅ 3 ΡΠΌ (ΡΠΈΡ, 6.14).
![]() |
Π ΠΈΡ. 6.14. ΠΠ±Π²ΠΎΠ΄ΠΊΠ° ΠΏΡΠΎΠ²ΠΎΠ΄ΠΊΠΈ Π²ΠΎΠΊΡΡΠ³ ΠΎΡΠΎΠΏΠΈΡΠ΅Π»ΡΠ½ΡΡ ΡΡΡΠ± |
3.Β ΠΠ΅ΠΎΠ±Ρ ΠΎΠ΄ΠΈΠΌΠΎ ΠΈΠ·Π±Π΅Π³Π°ΡΡ ΠΏΠ΅ΡΠ΅ΡΠ΅ΡΠ΅Π½ΠΈΡ ΠΏΡΠΎΠ²ΠΎΠ΄ΠΎΠ² ΠΏΡΠΈ ΠΏΡΠΎΠΊΠ»Π°Π΄ΠΊΠ΅. ΠΡΠ»ΠΈ ΡΡΠΎ ΡΡΡΠ΄Π½ΠΎΠ²ΡΠΏΠΎΠ»Π½ΠΈΠΌΠΎ, ΡΠΎ ΡΠ°ΡΡΡΠΎΡΠ½ΠΈΠ΅ ΠΌΠ΅ΠΆΠ΄Ρ ΠΊΠ°Π±Π΅Π»ΡΠΌΠΈ Π΄ΠΎΠ»ΠΆΠ½ΠΎ Π±ΡΡΡ Π½Π΅ ΠΌΠ΅Π½ΡΡΠ΅ 3 ΠΌΠΌ.
4.Β ΠΠ»Ρ ΡΠΏΡΠΎΡΠ΅Π½ΠΈΡ ΡΠ°ΡΡΠ΅ΡΠΎΠ² Π²ΡΠ΅ ΡΠΎΠ·Π΅ΡΠΊΠΈ ΠΈ Π²ΡΠΊΠ»ΡΡΠ°ΡΠ΅Π»ΠΈ Π΄ΠΎΠ»ΠΆΠ½Ρ Π½Π°Ρ ΠΎΠ΄ΠΈΡΡΡΡ Π½Π° ΠΎΠ΄ΠΈΠ½Π°ΠΊΠΎΠ²ΠΎΠΉ Π²ΡΡΠΎΡΠ΅. ΠΠ±ΡΡΠ½ΠΎ Π²ΡΠΊΠ»ΡΡΠ°ΡΠ΅Π»ΠΈ ΡΡΡΠ°Π½Π°Π²Π»ΠΈΠ²Π°ΡΡ ΡΠ»Π΅Π²Π° ΠΎΡ Π΄Π²Π΅ΡΠΈ Π½Π° Π²ΡΡΠΎΡΠ΅, Π΄ΠΎΡΡΠ°ΡΠΎΡΠ½ΠΎΠΉ Π΄Π»Ρ ΡΠΎΠ³ΠΎ, ΡΡΠΎΠ±Ρ ΠΎΠΏΡΡΠ΅Π½Π½ΠΎΠΉ Π»Π°Π΄ΠΎΠ½ΡΡ ΠΏΡΠΈΠΊΠΎΡΠ½ΡΡΡΡΡ ΠΊ Π½ΠΈΠΌ, ΡΠΎ Π΅ΡΡΡ 80-90 ΡΠΌ. Π ΠΎΠ·Π΅ΡΠΊΠΈ ΠΌΠΎΠ½ΡΠΈΡΡΡΡ Π½Π° Π²ΡΡΠΎΡΠ΅ 25-30 ΡΠΌ. ΠΠ΄Π½Π°ΠΊΠΎ Π½Π° ΠΊΡΡ Π½Π΅ ΠΈ Π² ΡΠ»ΡΡΠ°Π΅ ΠΏΠΎΠ΄ΠΊΠ»ΡΡΠ΅Π½ΠΈΡ Π²ΡΡΠΎΠΊΠΎ Π²ΠΈΡΡΡΠΈΡ ΡΠ»Π΅ΠΊΡΡΠΎΠΏΡΠΈΠ±ΠΎΡΠΎΠ² ΡΡΠΎ ΡΠ°ΡΡΡΠΎΡΠ½ΠΈΠ΅ ΠΌΠΎΠΆΠ΅Ρ Π±ΡΡΡ ΠΈ Π΄ΡΡΠ³ΠΈΠΌ. ΠΡΡΡΠ΅ Π²ΡΠ΅Π³ΠΎ, Π΅ΡΠ»ΠΈ ΠΏΡΠΎΠ²ΠΎΠ΄ ΠΊ Π²ΡΠΊΠ»ΡΡΠ°ΡΠ΅Π»ΡΠΌ Π±ΡΠ΄Π΅Ρ ΡΠΏΡΡΠΊΠ°ΡΡΡΡ ΡΠ²Π΅ΡΡ Ρ, Π° ΠΊ ΡΠΎΠ·Π΅ΡΠΊΠ°ΠΌ ΠΏΠΎΠ΄Π²ΠΎΠ΄ΠΈΡΡΡΡ ΡΠ½ΠΈΠ·Ρ ΡΠ°ΠΊ Π΄Π΅Π»Π°Π΅Ρ Π±ΠΎΠ»ΡΡΠΈΠ½ΡΡΠ²ΠΎ ΡΠ»Π΅ΠΊΡΡΠΈΠΊΠΎΠ².
5.Β ΠΠ»ΠΈΠ½Π° ΠΏΡΠΎΠ²ΠΎΠ΄Π½ΠΈΠΊΠ°, Π²ΡΡ ΠΎΠ΄ΡΡΠ΅Π³ΠΎ ΠΈΠ· ΡΠ»Π΅ΠΊΡΡΠΈΡΠ΅ΡΠΊΠΎΠΉ ΡΠΎΡΠΊΠΈ, Π΄ΠΎΠ»ΠΆΠ½Π° Π±ΡΡΡ 15-20 ΡΠΌ. ΠΡΠΎ Π΄Π΅Π»Π°Π΅ΡΡΡ Π΄Π»Ρ ΡΠ΄ΠΎΠ±ΡΡΠ²Π° ΠΌΠΎΠ½ΡΠ°ΠΆΠ° ΡΠΎΡΠ΅ΠΊ ΠΏΡΠΈ ΡΠΊΡΡΡΠΎΠΌ ΡΠΈΠΏΠ΅ ΠΏΡΠΎΠ²ΠΎΠ΄ΠΊΠΈ. ΠΡΠ»ΠΈ ΠΎΠ½Π° ΠΎΡΠΊΡΡΡΠΎΠ³ΠΎ ΡΠΈΠΏΠ°, ΡΠΎ Π΄Π»ΠΈΠ½Π° ΠΏΡΠΎΠ²ΠΎΠ΄Π½ΠΈΠΊΠ° ΠΌΠΎΠΆΠ΅Ρ Π±ΡΡΡ ΠΌΠ΅Π½ΡΡΠ΅: 10-15 ΡΠΌ.
ΠΠΠΠΠΠΠΠ!
ΠΠΎΠ½ΡΡ ΠΆΠΈΠ» ΠΏΡΠΎΠ²ΠΎΠ΄Π½ΠΈΠΊΠΎΠ², ΠΊΠΎΡΠΎΡΡΠ΅ Π·Π°Ρ ΠΎΠ΄ΡΡ Π² ΡΠ»Π΅ΠΊΡΡΠΈΡΠ΅ΡΠΊΠΈΠ΅ ΡΠΎΡΠΊΠΈ, Π΄ΠΎΠ»ΠΆΠ½ΡΠ±ΡΡΡ Π·Π°ΠΈΠ·ΠΎΠ»ΠΈΡΠΎΠ²Π°Π½Ρ ΠΈΠ·ΠΎΠ»Π΅Π½ΡΠΎΠΉ.
ΠΠΎΠΎΡΡΠΆΠΈΠ²ΡΠΈΡΡ ΡΠ΅ΡΡΠ΅ΠΆΠΎΠΌ, ΠΌΠΎΠΆΠ½ΠΎ Π½Π°ΡΠΈΠ½Π°ΡΡ ΠΌΠΎΠ½ΡΠΈΡΠΎΠ²Π°ΡΡ ΡΠ»Π΅ΠΊΡΡΠΎΠΏΡΠΎ Π²ΠΎΠ΄ΠΊΡ.
delo-elektrika.ru










