Диммера устройство – Устройство, схема и подключение диммера для ламп накаливания
Типы диммиров, принцип работы и устройство диммера | ENARGYS.RU

Диммер — что это такое? Прежде всего это светорегулятор или вариатор, изменяющий выходное напряжение по принципу реостата, служит для плавного изменения (диммирования) яркости свечения ламп различного типа: накаливания, светодиодных, за счет изменения входного напряжения. Светорегулятор механический относится к удобному типу выключателей освещения с расширенными функциями. Нужно только помнить, что к некоторым типам освещения он неприемлем это: металлогалогенное, люминесцентное и энергосберегающие лампы. В комплектацию с диммером поставляются дроссели это делается для предупреждения появления высокочастотных помех и шумов в работе прибора.
Какие бывают диммеры?
Существует несколько разновидностей типов диммеров по способу выполнения регулирования:
- Механические.
- Сенсорные.
- Акустические.
- Дистанционные.
- Модульное устройство. Монтаж такого диммера осуществляется непосредственно в распределительный шкаф, работать устройство, может, с системами освещения использующим лампы накаливания, а также галогеновыми осветительными приборами, оборудованными трансформатором понижающего типа. Управление происходит за счет одноклавишного или кнопочного выключателя.
- Диммер, устанавливаемый в монтажную коробку. Устанавливается одновременно с монтажом электропроводки, может использоваться с галогеновыми лампами с понижающим или электронными трансформаторами.
- Моноблочное диммирующее устройство. Выполняет функцию выключателя, особенность монтажа в необходимости двухпроводного подключения, производиться в разрыв фазного провода цепи, идущей к нагрузке.
- Поворотно-нажимной моноблочный диммер, включается при нажатии на клавишу, яркость регулируется вращением клавиши.
- Поворотный диммер. Включение и управление яркостью происходит за счет вращения кнопки, включение всегда происходит с наименьшего уровня яркости.
- Клавишные диммеры, отличаются регулировкой, она осуществляется посредством удержания клавиши.
- Сенсорные устройства, регулировка происходит за счет прикосновения к сенсорам.
Одна из разновидностей диммирующих устройств о которой можно упомянуть отдельно — это накладной диммер. Может применяться в качестве эстетически-декоративной управляющей электро-фурнитуры на поверхности стены, например, для стен,облицованных, керамической плиткой, за счет многообразия материала изготовления: керамика, силикон, пластик и т. д.

Рис №1. Диммер накладной XZ-10, может использоваться для светодиодных светильников и светодиодных лент
Существует несколько хитростей, которые характерны для обустройства систем освещения. Одна из них это использование проходного диммера. Эта установка заключается в монтаже механического диммера для регулировки яркости освещения из противоположных углов комнаты, наиболее удобным принято решение использовать проходной диммер в количестве 2 штук подключенные в параллель при этом каждое из устройств будет регулировать относящийся к нему полупериод. При полном задействовании одного устройства второе в регулировании не участвует.

Рис №2. Схема параллельного подключения двух механических диммеров, используемых в качестве проходного устройства
Рис №3. Схемы установки диммирующего устройства: а. с регулировкой из одного места, б. с двух мест сначала и конца комнаты, диммер используется в качестве проходного регулятора
Лучшее решение для этого вопроса может быть в использовании сенсорного диммера при использовании двух таких электронных устройств может легко произойти синхронизация. Неплохое решение для устройства проходного диммера можно найти использовав микромодуль Fibaro модели FGD211или FGB-001.

Рис №4. Микромодуль Fibaro FGD-211
Светодиодный диммер
Для регулировки интегрированных светодиодных ламп с успехом подойдет диммер Bypass FGB-001 или диммер Busch-Dimmer® LED. Диммеры этого типа подойдут к использованию и с галлогенными и с энергосберегающими лампами для которых обычные механические устройства не подойдут.
Сенсорный диммер позволяет регулировать мощность осветительных приборов в соответствии с собственными запросами и с запоминанием последнего подключения, управление осуществляется при помощи сенсорного устройства и посредством дистанционного управления через инфракрасный порт. В устройстве используется транзисторная технология.

Рис №5. Сенсорный диммер Busch-Dimmer® LED
Принцип работы диммера
Работа устройства основана на использовании регулировки фазы, за счет отсечения переднего или заднего фронта волны переменного тока при помощи двунаправленного тиристора, при использовании широтно-импульсной модуляции, то есть изменение подачи напряжения к лампе в самых широких пределах. Срабатывание тиристора активизирует сигнал нагрузки с задержкой при полном включении – 0, а при максимальном уменьшении яркости – 9 мсек.
Как работает диммер
Диммирование осуществляется при использовании «фазовой отсечки», при которой происходит отсечение одной части синусоиды напряжения в сети, и происходит уменьшение действия, питающего напряжение на освещение. Если действие отсечки применимо к началу синусоиды, способ называется «регулирование по переднему фронту», если эта технология используется на конце синусоиды, такой способ называется «диммирование по заднему фронту».
Эти способы используются для диммирования ламп различных типов: «Диммирование по заднему фронту» рекомендуется для ламп с низким напряжением светодиодного или галогенового типа с применением электронных трансформаторов. «Диммирование по переднему фронту» используется для ламп низкого напряжения с использованием трансформаторов электромагнитного типа, а также для компактных люминесцентных и светодиодных ламп 230В. Эти два способа также хорошо подойдут для ламп галогенового типа и ламп накаливания 230В.
Стабильная работа прибора заставляет использовать провод с тремя жилами один для заземления, для рабочего нуля и для фазы, это действие применяется для соблюдения точки перехода через ноль. При использовании малых диммеров достаточно двухжильного провода.
Устройство диммера универсального типа

Рис №6. Устройство диммера, предназначение клемных колодок
В устройстве диммера предусмотрено наличие нескольких защит – это защита от перегрева, она срабатывает на отключение прибора и повторно включить его удастся только после его охлаждения и только вручную, работает при подключенной нагрузке.
Защита от короткого замыкания, при этом происходит отключение выхода где произошло замыкание. При этом происходит работа в режиме отсечки фазы, отсутствие неисправности в течение 7 сек заставляет прибор включаться в автоматическом режиме, если больше, то включить его можно только вручную.
В устройстве предусмотрены также клеммы для подключения проводов и регулятор уровня освещенности.
enargys.ru
Как сделать диммер для ламп накаливания своими руками?
Многие владельцы частных домов и квартир предпочитают всячески управлять освещением в своем помещении. Одним из многих вариантов является регулятор яркости для ламп накаливания. Для таких целей используют специальные устройства, называемые диммерами. Существует множество моделей данного девайса, но стоимость многих из них не по карману обычному покупателю. При необходимости возможно собрать диммер для ламп накаливания своими руками, имеется несколько вариантов его изготовления. Эти устройства могут быть 12- и 220-вольтовые.
Устройство
Чтобы сделать диммер своими руками, потребуется подробно изучить принцип его действия и внутреннее устройство. Простейшие из этих девайсов имеют ручку, поворачивая которую можно регулировать освещение, и выведенные клеммы для подключения проводов. Таким устройством управляют яркостью ламп двух видов — галогенных и накаливания. С развитием электроники стали появляться диммеры для регулирования мощности люминесцентных и светодиодных ламп.

Внутреннее устройство диммера
В более ранние времена для изменения этого параметра у ламп накаливания применяли резисторы. Мощность таких деталей рассчитывалась не меньше нагрузочной. Минусом таких приспособлений являлась потеря мощности при снижении яркости света.
Наиболее часто их применяли в больших общественных залах, театрах и т. д. Принцип работы прибора основан на использовании симистора и динистора, являющихся современными полупроводниковыми приборами.
По конструкционным особенностям диммеры можно классифицировать по следующим типам:
- поворотные, где управление выполняется при использовании ручки – электронные;
- кнопочные управляются при помощи специальных кнопок – групповые;
- дистанционные, которые работают при помощи дистанционного пульта.
Кнопочный диммер более многофункционален, чем поворотный. Это связано с тем, что если в цепь завязать нужное количество кнопок, управление можно осуществлять с разных мест. Длина проводов, используемых для подключения диммера, не должна превышать 10 метров. Это связано с возникновением помех.

Кнопочный диммер
Мало кто знает, что при помощи самодельных регуляторов мощности можно изменять температуру паяльника, контролировать обороты вытяжного вентилятора. Также он отлично подойдет для пылесоса или дрели, у которых можно регулировать их скорость вращения.
Подключение диммера
Схема диммера для ламп накаливания довольна простая. Он подключается вместо обычного выключателя в разрыв цепи в монтажную коробку. Необходимо соблюдать предписания изготовителя, согласно которым нельзя путать выводы для подключения фазы и нагрузки. Для сборки диммера своими руками не понадобится много дорогих деталей, подойдут симисторы, рассчитанные на определенную мощность. Существует два варианта подключения — одинарный и групповой. Первый вариант подразумевает подключение в цепь с одним или несколькими источниками света, которые объединены в группу. При групповом способе принципиальная схема будет насчитывать несколько диммеров, согласно количеству групп освещения.

Групповое подключение светорегулятора
При подключении светорегулятора вместо двухклавишного выключателя работа светильника немного изменится. Теперь будет другим подсоединение проводов и лампы накаливания, их не получится включать групповым способом. Фазу необходимо подсоединить на фазный вывод диммера, а остальные два присоединяются на соседнюю клемму. Для осуществления прежнего освещения потребуется групповой светорегулятор.
Изготовление
Как указывалось ранее, существует множество схем, с помощью которых умельцы изготавливают устройства, способные регулировать значение напряжения для осветительных приборов. Можно выделить несколько наиболее популярных элементов, используемых для сборки данных устройств:
- симистор;
- тиристор;
- конденсатор;
- применение готовых микросхем.
Принцип работы диммера на симисторе
Данный светорегулятор работает от сети 220 В. В основу его действия заложено открытие силового ключа за счет смещения фазы. Главным элементом схемы является RC-цепочка, которая у каждого устройства разного номинала. Силовым ключом выступает симистор. Работа схемы заключается в пропускании симистором через себя тока. Для этого необходимо возникновение напряжения между его электродами. Чтобы регулировать смещение фазы, и тем самым угол открывания, в цепочку впаивается переменный реостат, который предназначен для регулировки быстроты заряда конденсатора. В цепь с управляющим электродом ставится динистор. Время, за которое конденсатор наберет пороговое напряжение, влияет на быстроту открытия симистора, а значение нагрузок будет прямо пропорционально зависеть от величины этого напряжения.

Принцип работы диммера на симисторе
При наличии принципиальной схемы такой диммер на симисторе можно собрать менее чем за час.
Как работает диммер на тиристоре?
Данный светорегулятор могут собрать умельцы, у которых есть различные радиодетали, из которых можно выбрать тиристоры с необходимыми параметрами. Этот самодельный диммер будет немного отличаться схемой и является более трудным в сборке. В нем для каждого ключа устанавливается отдельный динистор и тиристоры для полуволн.
Для работы данной схемы применяются две параллельные цепочки резисторов. Через одну цепь резисторов проходит заряд конденсатора, где в свою очередь происходит нарастание порога открывания ключа, при открытии которого на электрод управления подается ток и проходит положительная полуволна. Отрицательная фаза пропускает волну таким же образом через другой ключ.

Важно знать, что использовать диммер на тиристоре не получится для приборов освещения, в которых устанавливаются светодиодные, люминесцентные и экономные лампы.
Конденсаторный диммер и принцип его действия
Помимо регуляторов, рассчитанных на плавность управления освещением, также распространены устройства, работающие за счет конденсатора. В этом случае на передачу тока влияет емкостная величина. Соответственно, с увеличением емкости конденсатора через его полюсы пройдет ток большего значения. Данный диммер-регулятор является достаточно компактным.
В основном схемы для таких устройств сочетают в себе три различных положения:
- Без ограничения мощности.
- Через конденсатор гашения.
- Перекрытое положение (режим «выключено»).
В схеме такого диммера обычно используют неполярные конденсаторы. Найти их можно в электротехнике старого образца. Используя схему, можно своими руками собрать светорегулятор и управлять значением напряжения на лампочке в светильнике.
Использование микросхем для пониженного напряжения
В цепях с постоянным напряжением, рассчитанным на 12 вольт, регулировка мощности часто выполняется при помощи интегральных стабилизаторов, называемых КРЕНами. Использование таких устройств позволяет регулировать электрические двигатели малой мощности и светодиодное освещение. Чтобы обеспечить удобство монтажа деталей, используют микросхему. Готовый диммер будет не только выполнять функции регулировки, но и обеспечивать защиту электрооборудования.

Микросхема для сборки светорегулятора
Использование микросхемы КРЕН обеспечивает управление значением напряжения от 1,5 В до 30 В, а тока до 7,5 А. Во время сборки устройства нужно обратить внимание на следующие нюансы:
- Для охлаждения микросхемы необходим радиатор, что обусловлено ее нагреванием при выделении тепла. Это является существенным недостатком, так как занимается лишнее место на плате.
- Установленные диоды должны быть рассчитаны на ток не более 12 А и напряжение от 50 В.
- Силовой трансформатор устанавливается мощностью не менее 0,25 кВт.
Принцип действия схемы прост. На электроде управления за счет переменного резистора образовывается основное напряжение. С помощью стабилизатора можно регулировать этот параметр от максимальных 12 вольт до десятых его долей.
Вариант с цифровой микросхемой
Для выполнения регулировки осветительных приборов со светодиодными лампами обычные светорегуляторы не подходят, потому что для их включения необходимо 9 В. Такой диммер можно собрать, используя микросхему NE555. При возникновении потребности в плавной регулировке освещения в данную схему можно подключить и лампы на 12 В. Мощность здесь усиливает полевой транзистор. Это связано с тем, что у микросхемы выходной ток составляет 0,2 А.

Диммер цифрового типа
При увеличении нагрузки свыше 1 А потребуется установка транзистора на радиатор, который можно выполнить из любого подходящего материала. Для защиты этой детали от статических помех потребуется перемотать выходящие ножки фольгой из алюминия или медной проволокой.
Монтаж диммера можно произвести на текстолите с оболочкой из фольги. Такой материал применяется для изготовления печатных плат. Материал корпуса выбирается на усмотрение исполнителя работы.
Большинство современных диммеров – китайского производства. Не все светорегуляторы добротного качества. Иногда лучше изготовить диммер своими руками, чем переплатить деньги за быстро вышедшее из строя устройство.
lampagid.ru
разновидности, где используются и как сделать светорегулятор ламп накаливания самому
Светорегуляторы или диммеры сегодня являются если не обязательным, то весьма распространенным атрибутом любого объекта. Изменение освещенности – это не только эстетично и комфортно, но и достаточно экономично в плане потребления электроэнергии. Имея широкий функционал и относительно невысокую стоимость, современные регуляторы легко устанавливаются, а самые простые диммеры для ламп накаливания можно собрать даже своими руками.
Какие бывают и как работают
Практически все существующие на сегодня диммеры являются электронными и работают по одному принципу – фазо-импульсному. Для того чтобы этот принцип понять, необходимо вспомнить, что такое переменный ток. Зависимость величины напряжения в обычной розетке от времени будет выглядеть так:
Осциллограмма переменного напряжения в бытовой розетке
На графике хорошо видно, что величина напряжения постоянно изменяется от 0 до 220 В. Скорость этого изменения постоянна и в нашей стране составляет 50 раз в секунду (50 Гц.). Именно этими импульсами и питается лампа накаливания. Что произойдет, если лампочка будет подключена к сети не постоянно, а лишь на время, отмеченное на следующем графике зеленой штриховкой?
Нагрузка подключается к сети только на половину каждого полупериода сетевого напряжения
Вполне очевидно, что средняя энергия, протекающая через спираль, будет вдвое меньше, а значит, яркость лампы уменьшится. Таким образом, изменяя время и «место» подключения лампочки к синусоиде переменного напряжения, можно изменять рассеиваемую на ней мощность в практически неограниченных пределах – от 0 до 100%:
Ограничение мощности на лампе до 75%, 50% и 25% фазо-импульсным методом
Именно так и делает диммер – вычисляет начало каждого полупериода сетевого напряжения, ждет определенное время и подключает лампу до тех пор, пока текущий полупериод не закончится. Время, которое прибор «ждет», естественно, может регулироваться пользователем. По методу регулировки диммеры различаются на 2 типа:
- Механические.
- Электронные.
Оба этих типа, конечно, имеют «электронную» начинку, поскольку никакая механика не сможет подключать нагрузку со скоростью в миллисекунды.
Но вот управление электронным узлом у приборов первого типа механическое – при помощи обычной поворотной ручки. Полностью электронные устройства нередко оснащаются микроконтроллерами и позволяют регулировать освещенность управляющими электрическими сигналами. Это не только удобнее и надежнее (обычная кнопка много долговечнее поворотного реостата), но и позволяет реализовать множество дополнительных функций, основные из которых:
- дистанционное управление, в том числе и беспроводное;
- независимая регулировка из нескольких мест;
- работа по заранее заданной программе;
- автоматическое изменение мощности в зависимости от внешних факторов, к примеру, освещенности на объекте.
Светорегуляторы с механическим, электронным и беспроводным управлением
Как подключить диммер
По сути, практически любой диммер является двухполюсником, а монтаж его не сложнее установки обычного выключателя. Более того, большинство регуляторов даже установочные размеры и крепежные элементы имеют те же. Таким образом, заменить как внутренние, так и накладные выключатели на диммер можно при помощи обычной отвертки, демонтировав первый и установив на его место второй соответствующего типа.
Установить диммер на место обычного выключателя можно при помощи обычной отвертки
Электрическое соединение светорегулятора со светильником тоже несложно и даже не требует изменения проводки – ничего не придется штробить, вырезать или прокладывать. Достаточно просто отсоединить провода от выключателя и подключить к диммеру. При этом прибору абсолютно все равно, какой стороной и в разрыв фазы или нуля он будет установлен. В схеме, приведенной ниже, регулятор установлен в разрыв фазного провода просто из соображений электробезопасности (светильник можно ремонтировать, выключив свет).
Схема подключения диммера к домовой проводке
Несмотря на всю простоту установки светорегулятора, при работах с проводкой необходимо соблюдать технику электробезопасности.
Прежде чем заниматься модернизацией домового освещения, следует обязательно отключить автомат на вводе в квартиру и повесить соответствующую предупреждающую табличку.
Управление лампой из двух мест
Нередко при модернизации объекта возникает желание сделать управление освещением из двух мест. Два проходных выключателя решают задачу включения/выключения, но как быть с плавной регулировкой яркости? Для реализации этой задумки существуют так называемые проходные диммеры. Схема их включения несколько сложнее обычной, но она легко реализуема без привлечения профессионалов:
Схема управления лампой из двух мест при помощи проходных светорегуляторов
Возможно, возникнет ситуация, когда в распоряжении есть проходные диммеры, но нужен обычный. В этом случае совсем необязательно бежать в магазин и тратиться на новую покупку:
Схема использования проходного диммера в качестве обычного
Область применения светорегуляторов
Кроме своего основного назначения – регулировки яркости ламп накаливания, в том числе и галогенных, – приборы могут исполнять роль регуляторов мощности, коими, по сути, и являются. Но в связи с особенностями принципа регулировки, применение диммеров в качестве регуляторов достаточно ограничено. Какой же тип нагрузки может коммутировать классический светорегулятор, а какой нет?
Люминесцентные лампы
Ввиду иного принципа работы управлять яркостью газоразрядных ламп намного сложнее. Но конструкторы современных энергосберегающих ламп частично обошли эту проблему, создав специальный диммируемый балласт. Обычно диапазон регулировки яркости люминесцентных ламп составляет 20-100%, но и этого вполне достаточно. Как отличить диммируемую лампу от обычной — для этого достаточно взглянуть на упаковку. Все лампы, яркость которых можно регулировать, маркируются специальным значком или надписью DIMMABLE (диммируемая):
Яркость этой люминесцентной лампы можно изменять при помощи обычного светорегулятора
К сожалению, найти диммируемую газоразрядную «энергосберегайку» достаточно сложно, но в продаже они есть.
Светодиодные светильники
Здесь картина та же, что и с люминесцентными лампами. Если драйвер питания светодиодов, встроенный в лампу или светильник, предусматривает использование регулятора, то яркость изменять можно. Иначе – нет.
В отличие от газоразрядных, светодиодные диммируемые лампы широко распространены и купить их можно без проблем. Правда, стоимость такой лампы несколько выше, чем обычной.
Диммируемая светодиодная лампа
Нагревательные приборы
Поскольку все нагреватели – устройства инерционные и являются активной нагрузкой, использовать светорегуляторы для регулировки их мощности можно без ограничений. Можно использовать диммер для регулировки температуры жала паяльника, электрокамина, плиты, теплого пола без всяких опасений. Единственное условие – мощность электроприбора не должна превышать максимальной мощности регулятора, которую можно прочитать на корпусе устройства.
Этот регулятор может коммутировать электроприборы мощностью до 450 Вт
Устройства с трансформаторным питанием
Теоретически регулировать напряжение на трансформаторной аппаратуре можно, но при этом сильно падает КПД трансформатора, который может не выдержать тока нагрузки и сгореть. Кроме того, в выходном напряжении трансформаторных источников питания появляется большое количество импульсных и высокочастотных помех, которые сильно влияют на работу электроники и могут сделать ее совершенно неработоспособной. Таким образом, учитывая все риски и неудобства, питание трансформаторов через фазо-импульсные регуляторы можно считать неоправданным и даже опасным, хотя в лабораторных конструкциях и самоделках оно нередко и вопреки рекомендациям профессионалов весьма успешно используется.
Приборы с импульсными блоками
Сегодня подавляющее большинство бытовой электроники имеют так называемые импульсные блоки питания (ИБП). Можно ли питать такие приборы через диммеры? С первого взгляда – можно. Все равно переменное напряжение в «импульснике» сперва превращается в «постоянку», а потом преобразуется.
На практике оказывается, что нельзя, причем категорически. В процессе регулировки диммер выдает огромное количество импульсных выбросов и разночастотных помех. Стандартные фильтры ИБП с ними не справляются, и вся эта «красота» благополучно отправляется на высоковольтный преобразователь, который от привалившего счастья просто сгорает. Кроме того, ни один фазо-импульсный регулятор не предназначен для работы на емкостную нагрузку, коей и является ИБП. В результате мгновенно и однозначно дополнительно выгорает самая дорогая деталь в регуляторе – симистор.
Электрические двигатели
Здесь дело обстоит намного лучше, чем с электроникой. Подключив светорегулятор к коллекторному двигателю, можно весьма успешно изменять его обороты без каких-либо последствий. Кстати, регулятор оборотов обычной электродрели, выполненный в виде нажимной кнопки, по схемотехнике и принципу работы не что иное, как самый настоящий диммер с фазо-импульсным управлением.
Кнопка регулировки оборотов дрели, устроенная так же, как и диммер
Регулятор освещенности своими руками
Собрать простой регулятор освещенности несложно и своими руками. Для этого потребуется всего несколько радиодеталей, минимум знаний по радиотехнике и умение держать в руках паяльник.
Простой диммер для люстры
Несмотря на свою простоту, эта конструкция вполне надежна и позволит регулировать яркость ламп или нагревательных приборов от 0 до 100%. При этом мощность нагрузки может достигать 500 Вт.
Схема диммера для ламп накаливания, где:
- R1 – 500 к;
- R1 – 4.7 к;
- C1 – 0.1 мкФ х 400 В;
- VD1 – DB3;
- VS1 – BT136-600E.
Главным ключевым элементом схемы является симистор BT136-600D, который управляется импульсами с цепочки R1, R2, C1. Работает схема следующим образом. При подключении к сети и при появлении в ней полуволны переменного напряжения начинает заряжаться конденсатор С1. Скорость его зарядки зависит от положения движка переменного резистора R1.
Как только напряжение на конденсаторе достигнет напряжения пробоя динистора VD1, он откроется. Одновременно откроется симистор и останется в таком положении до окончания полуволны. В начале следующей полуволны процесс повторится. Таким образом, при каждой волне сетевого напряжения симистор будет открываться не сразу, а с задержкой, которая будет зависеть от скорости зарядки С1. Чем медленнее заряжается конденсатор, тем позже открывается ключ и соответственно меньшая часть волны проходит на нагрузку.
Вместо симметричного динистора DB3 (используется в газоразрядных «энергосберегайках») можно использовать любой другой на напряжение пробоя 20-40 В. На замену подойдут, к примеру, HT-32, BAT54, STB80NF10T4. Конденсатор С1 должен быть неполярным на рабочее напряжение — не ниже 400 В. Если мощность нагрузки не превышает 150 Вт, то симистор устанавливать на радиатор не нужно.
Регулятор на микросхеме
Благодаря использованию отечественной интегральной микросхемы ГРН-1-220 этот регулятор получился настолько простым, что собрать его сможет практически каждый, имеющий минимальные знания в электрике. Для этой конструкции понадобятся всего два элемента – собственно микросхема и переменный резистор, при помощи которого и регулируют яркость лампы.
Схема регулятора яркости на микросхеме ГРН-1-220
Если светильник имеет мощность более 400 Вт, то в схему можно добавить мощный симистор, к примеру, КУ208Г. При этом суммарная мощность ламп может достигать 1.5 кВт. Важно не забыть поставить сам симистор на небольшой радиатор.
Схема мощного регулятора яркости ламп накаливания 220 В
Эту же схему можно использовать и в качестве регулятора оборотов коллекторного двигателя. Таким образом, собрать диммер самостоятельно вполне реально, главное — сделать все правильно, во избежание нежелательных последствий.
chebo.pro
Схемы диммеров своими руками — ElectrikTop.ru
Изменение величины сетевого напряжения дает возможность управлять бытовыми электроприборами. Например, увеличивать или уменьшать яркость свечения ламп, что в ряде случаев используется для экономии электроэнергии, но чаще для создания особых световых эффектов. Такие устройства называются диммерами (затемнителями). Сегодня мы вам расскажем о том, как сделать диммер своими руками.
Способы управления величиной напряжения
Регуляторы яркости света работают на одном из двух принципов:
- Рассеивания.
- Отсекания части подаваемой электрической энергии.
Рассеивание
Заключается в использовании резистивных свойств проводника. Это довольно простые элементы, их называют реостатами. Они состоят из одного проводника, обычно скрученного в спираль, и подвижного контакта, напряжение на котором зависит от того, на каком витке спирали он расположен. Та часть энергии, которая не используется, рассеивается в виде тепла, что и является главным недостатком устройства – при напряжениях свыше 100 вольт нагрев столь значительный, что может вызвать пожар.
Этот способ универсальный, может применяться как к постоянному, так и переменному току. Он редко используется напрямую, но на его основе строятся все схемы регулирования.
Отсекание
Применяется только к переменному току, у которого можно «отрезать» часть синусоиды, получив последовательность разнополярных импульсов, частота следования и амплитуда которых зависит от момента (фазы) и длительности периода отсекания. Способ связан с меньшим рассеиванием энергии, но приводит к значительному искажению формы синусоиды, что плохо действует на потребителей с преимущественно индуктивной или емкостной нагрузкой. Например, использование диммеров для управления частотой вращения электромоторов вызывает их перегрев. Эпюры отсекаемых частей синусоиды показаны на рисунке ниже.

Способ чаще всего используется для изменения яркости свечения ламп накаливания и им подобных светотехнических устройств – галогенных и металлогалогенных ламп. Его категорически нельзя применять для управления компактными люминесцентными лампами и ограниченно – для светодиодных. В основном для тех, схемы питания которых (драйверы) поддерживают диммирование, о чем обычно пишется на их упаковке.
Реализуются с помощью так называемых ключевых схем, построенных на тиристорах, динисторах и симисторах.
- Тиристор – диод, пропускающий ток только в одном направлении в тот момент, когда на его управляющем электроде появляется отпирающее напряжение.
- Симистор – фактически двойной тиристор, пропускающий ток в обоих направлениях. Применяется для упрощения монтажной схемы.
- Динистор – диод, пропускающий электрический ток при достижении порогового значения напряжения. Используется для построения времязадающих цепочек.
Тиристорная схема
Тиристорная схема диммера на 220 вольт приведена на рисунке ниже.

Тиристоры обозначены литерами V1 и V2. Обратите внимание, что они включены встречно, поскольку каждый пропускает часть полуволны синусоиды одного знака. Напряжения отпирания динисторов V3 и V4 регулируется рассеивающим энергию реостатом R5. Схема имеет две времязадающие цепочки: V3–C1 и V3–C2. В зависимости от уровня отпирающего напряжения на переменном резисторе R5 изменяется время зарядки конденсаторов, при разряде которых открываются ключи V1 и V2. Этим и определяется фаза пропускания синусоиды. Тиристоры можно найти в силовых схемах старых бытовых приборов – телевизоров или пылесосов.
Симисторная схема
Ключевая схема на симисторе приведении на рисунке ниже.

Ее преимущество в компактности. У нее один управляющий элемент – VS1 и одна времязадающая цепочка, состоящая из VS2 и С1. Рассеивающий регулятор напряжения – переменный резистор R1. Остальные элементы обеспечивают стабильность работы схемы.
Диммеры на постоянном токе
Только светодиодные лампы с цоколем типа Е (винтовой, аналогичный лампе накаливания) имеют собственный блок питания, преобразующий переменный ток в постоянный. Остальные светодиодные источники света, среди которых и светодиодные ленты, должны снабжаться отдельным блоком питания. Диммер для светодиодной ленты также должен работать от источника постоянного тока.
Оптимальным решением будет объединение блока питания ленты и диммера. Для этого используется схема с использованием микросхемы КР 142ЕН 12А, представленная на рисунке ниже.

Сама микросхема является регулируемым стабилизатором компенсационного типа. Её вывод 1 является точкой, на которую подается опорное напряжение, определяющее его величину на выходе диммера. Регулировка производится с помощью резистора R2, который является классическим рассеивателем энергии.
Зная принцип построения схем управляющих яркостью свечения ламп, вы можете не только сделать такое устройство самостоятельно, но и произвести ремонт диммера, купленного в магазине.
electriktop.ru
Делаем простой диммер своими руками
Диммер – электронное устройство, позволяющее управлять напряжением в нагрузке, а значит, и мощностью. Реализовать регулировку можно несколькими способами. Но наиболее распространён фазовый способ, суть которого состоит в управлении во времени моментом отпирания силового ключа (транзистора, тиристора). В сетях переменного тока лучше всего зарекомендовали себя диммеры на основе симметричного тиристора (симистора) в виде простой и недорогой конструкции. Как сделать диммер своими руками из доступных деталей, описано в этой статье.
Схема и принцип её работы
Практически все современные симисторные диммеры бытового назначения имеют общую элементную базу. Все остальные детали схемы выполняют дополнительные функции: осуществляют индикацию, способствуют стабильной работе на пониженном напряжении, делают регулировку более плавной и так далее.
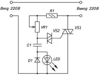
Принцип действия симисторного регулятора рассмотрим на примере наиболее распространённой схемы диммера на 220 вольт, представленной на рисунке. Основной элемент схемы – симистор VS1. Он пропускает ток в обоих направлениях при появлении на управляющем электроде отпирающего импульса. Силовые электроды VS1 подключаются последовательно с нагрузкой. Поэтому ток нагрузки равен току симистора. В цепи управления силовым ключом расположен динистор VS2, открытое и закрытое состояние которого зависит от величины напряжения на его электродах. Элементы R1, R2 и С1 участвуют в цепи заряда конденсатора С1. Диод VD1 и светодиод LED образуют цепь индикатора включенного состояния. При включении диммера симистор закрыт и ток нагрузки не протекает. В момент появления очередной положительной или отрицательной полуволны сетевого напряжения через резисторы R1 и R2 начинает протекать ток. Конденсатор С1 заряжается со скоростью, которая определяется сопротивлением указанных резисторов. Ввиду того что напряжение на конденсаторе не может измениться мгновенно, образуется некоторый фазовый сдвиг между напряжением в сети и на С1.
При достижении на конденсаторе напряжения равного напряжению срабатывания динистора (32В), последний открывается, что приводит к появлению импульса на управляющем электроде VS1 и его отпиранию. Через нагрузку протекает ток. Симистор находится в открытом состоянии до окончания полуволны (смены полярности) сетевого напряжения. Затем процесс повторяется.
За счёт изменения сопротивления R2 происходит увеличение (уменьшение) фазового сдвига. Чем больше сопротивление, тем дольше будет заряжаться конденсатор и тем меньше будет время открытого состояния симистора. Другими словами, вращение ручки регулятора приводит к изменению мощности в нагрузке.
Печатная плата и детали сборки
Для того чтобы собрать представленный диммер своими руками, потребуются следующие радиодетали:
- С1 – неполярный металлоплёночный конденсатор ёмкостью 0,022-0,1 мкФ-400В;
- R1 – резистор 4,7-27 кОм-0,25 Вт;
- R2 – переменный резистор со встроенным выключателем 0,5-1 МОм-0,5 Вт;
- VD1 – выпрямительный диод 1N4148, 1N4002 или аналогичные;
- VS1 – симистор BT136-600D или BT136-600E;
- VS2 – динистор DB3;
- LED – светодиод индикаторный.
Диммер в приведенной комплектации рассчитан на подключение электроприбора мощностью не более 500 Вт. Если мощность нагрузки превышает 150 Вт, то симистор крепят на радиатор. Печатная плата 25 на 30 мм доступна для скачивания здесь.
Область применения
В повседневной жизни диммер чаще всего применяют для регулировки яркости ламп освещения. Подключая его в цепь питания галогенных ламп, получают готовое устройство плавного розжига света, которое в разы продлевает срок службы осветительного прибора. Часто радиолюбители собирают диммер своими руками для регулировки нагрева паяльника. Регулятор мощности с увеличенной нагрузочной способностью можно использовать для изменения скорости вращения электродрели.
Запрещено подключать диммер к электроприборам, которые содержат электронный блок обработки сигнала (например, блок питания). Исключение составляют светодиодные лампы с возможностью диммирования.
Читайте так жеledjournal.info
Как собрать диммер своими руками

Согласитесь, иногда возникает потребность в регулировании яркости лампы. Ну, действительно, не всегда требуется, чтобы она светила на полную мощность. Если в вечернее время вы собрались семьёй в зальной комнате за беседой, достаточно приглушённого освещения. Зачем же включать люстру на полную мощность, гнать лишние киловатт-часы и переплачивать за расход электроэнергии. В таком случае выручает регулятор освещения, по-другому это устройство называется диммером. С его помощью можно изменять электрическую мощность лампы и тем самым регулировать яркость света. Многие мужчины, знатоки электротехники и любители радиоэлектроники, собирают диммер своими руками.
Но тут возникает вполне логичный вопрос, зачем нужен самодельный диммер, если можно пойти в магазин электротехнических товаров и купить заводское устройство? Во-первых, цена на заводской регулятор прямо скажем не маленькая. Но это ещё полбеды. Возникают иногда потребности установки диммера, например, для настольной лампы. И если вы отправитесь в магазин, то не факт, что найдёте устройство подходящих вам размеров, чтобы можно было впихнуть его в такой осветительный прибор. Так что проблема, собрать диммер в домашних условиях своими руками, всё-таки актуальна и поэтому посвятим ей данную статью.
Основная цель и суть диммера
Пару слов о том, что такое диммер и зачем он вообще нужен?
Это устройство электронное, предназначается для того, чтобы с его помощью изменять электрическую мощность. Чаще всего, таким образом меняют яркость осветительных приборов. Работает с лампами накаливания и светодиодами.

Электрическая сеть поставляет ток, который имеет синусоидальную форму. Чтобы в лампочке изменилась яркость, требуется подача на неё обрезанной синусоиды. Отсечь передний или задний фронт волны можно за счёт тиристоров, установленных в схеме диммеров. Это способствует уменьшению напряжения, подаваемого на светильник, что соответственно приводит к снижению мощности и яркости света.
Важно помнить! Такие регуляторы генерируют электромагнитные помехи. Чтобы их уменьшить, в схему диммеров включают индуктивно-ёмкостной фильтр либо дроссель.
Элементы схемы
Начнём с того, что определимся, какие элементы нам потребуются для схемы регулятора яркости освещения.

На самом деле схемы довольно простые и не потребует каких-то дефицитных деталей, с ними сможет разобраться даже не слишком опытный радиолюбитель.
- Симистор. Это триодный симметричный тиристор, по-другому его ещё называют триак (название пошло из английского языка). Представляет собой полупроводниковый прибор, который является тиристорной разновидностью. Используется для коммутирующих операций в электрических цепях на 220 В. Симистор имеет два основных силовых вывода, к которым последовательно подключается нагрузка. Когда симистор закрыт, в нём отсутствует проводимость и нагрузка получается выключенной. Как только на него подаётся отпирающий сигнал, между его электродами появляется проводимость и нагрузка включается. Его основной характеристикой является ток удержания. Пока через его электроды протекает ток, превышающий эту величину, симистор остаётся открытым.
- Динистор. Он относится к полупроводниковым приборам, является разновидностью тиристоров, и обладает двунаправленной проводимостью. Если рассмотреть принцип его работы подробнее, то динистор представляет собою два диода, которые включены навстречу друг другу. Динистор по-другому ещё называют диак.
- Диод. Это электронный элемент, который в зависимости от того, какое направление принимает электрический ток, обладает разной проводимостью. Он имеет два электрода – катод и анод. Когда к диоду прикладывают прямое напряжение, он открыт, в случае с обратным напряжением диод закрыт.
- Неполярный конденсатор. Их основное отличие от других конденсаторов заключается в том, что они могут подключаться в электрическую цепь без соблюдения полярности. В процессе эксплуатации допускается смена полярности.
- Постоянный и переменный резисторы. В электрических цепях они считаются пассивным элементом. Постоянный резистор обладает каким-то определённым сопротивлением, у переменного эта величина может изменяться. Их основное предназначение – преобразовать силу тока в напряжение или наоборот напряжение в силу тока, поглотить электрическую энергию, ограничить ток. Переменный резистор иначе ещё именуют потенциометр, у него имеется подвижный отводной контакт, так называемый движок.
- Светодиод для индикатора. Это такой полупроводниковый прибор, который имеет электронно-дырочный переход. Когда через него пропускается в прямом направлении электрический ток, он создаёт оптическое излучение.

Схема диммера на симисторе использует фазовый способ регулировки. При этом основным регулирующим элементом является симистор, от его параметров зависит мощность нагрузки, которую можно подключить к данной схеме. К примеру, если использовать симистор ВТ 12-600, то можно регулировать мощность нагрузки до 1 кВт. Если вы захотите сделать свой диммер на более мощную нагрузку, то соответственно выбирайте и симистор с большими параметрами.
Принцип работы
Перед тем, как сделать диммер своими руками, давайте разберёмся, в чём заключается суть его работы.
- При подключении схемы в электрическую цепь, на неё поступает переменное напряжение 220 В из сети. Когда в синусоиде напряжения наступает полупериод положительный, через резисторы и один из диодов начинает протекать ток, за счёт чего происходит зарядка конденсатора.
- Как только напряжение достигает параметра, необходимого для пробоя динистора, начинает протекать ток через динистор и через управляющий электрод симистора.
- Этот ток способствует тому, что симистор открывается. Лампы, которые последовательно с ним подсоединены, оказываются подключенными к цепи и зажигаются.
- Как только синусоида напряжения пройдёт через ноль, симистор закроется.
- Когда синусоида напряжения достигает полупериода отрицательного, весь процесс повторяется аналогичным образом.
- Момент открытия симистора имеет прямо пропорциональную зависимость от величины активного сопротивления в схеме. При изменении этого сопротивления можно менять в каждом полупериоде время открытия симистора. Тем самым будет плавно изменяться потребляемая мощность лампочки и яркость её свечения.
Подробнее принцип работы и последующая сборка устройства описаны в этом видео:
Сборка схемы
Теперь мы подошли к тому, чтобы собрать наш диммер. Имейте в виду, что схема может быть навесной, то есть с применением соединительных проводов. Но будет лучше использовать печатную плату. Для этой цели вы можете взять фольгированный текстолит (достаточно будет размера 35х25 мм). Диммер, собранный на симисторе с применением печатной платы, позволяет свести к минимуму размеры блока, он будет иметь малые габариты, а это даёт возможность устанавливать его на место обычного выключателя.

Перед началом работ запаситесь канифолью, припоем, паяльником, кусачками и соединительными проводами.
Далее схема регулятора собирается по следующему алгоритму:
- На плату нанесите схемы соединения. Для выводов подсоединяемых элементов просверлите отверстия. При помощи нитрокраски прорисуйте на схеме дорожки, а также определите место монтажных площадок для пайки.
- Далее плату необходимо протравить. Приготовьте раствор хлорного железа. Посуду возьмите такую, чтобы плата не ложилась плотно на дно, а своими уголками как бы упиралась о её стенки. Во время травления переворачивайте плату периодически и помешивайте раствор. В случае, когда это надо сделать быстро, согрейте раствор до температуры 50-60 градусов.
- Следующий этап – лужение платы и промывка её спиртом (ацетон использовать нежелательно).
- В проделанные отверстия установите элементы, лишние концы отрежьте и при помощи паяльника пропаяйте все контакты.
- Припаяйте при помощи соединительных проводов потенциометр.
- А теперь собранная схема диммера тестируется для ламп накаливания.
- Подключите лампочку, включите схему в электрическую сеть и вращайте ручку потенциометра. Если всё собрано верно, то яркость свечения лампы должна изменяться.

Подключение
Как правило, диммеры устанавливают на место выключателей. То есть он монтируется на разрыв фазы последовательно с нагрузкой. Это, кстати, очень важно, как и при подключении выключателя. Ни в коем случае не перепутайте фазу и ноль, если вы установите диммер на разрыв нуля, выйдет из строя электронная схема. Чтобы не допустить ошибки, перед установкой при помощи индикаторной отвёртки точно убедитесь – где у вас фаза, а где ноль.
Далее алгоритм такой:
- Обесточьте рабочее место путём отключения вводного автомата на комнату или квартиру.
- Демонтируйте из монтажной коробки выключатель.
- Подайте напряжение и на отсоединённых проводах точно определите фазу и ноль. Обнаруженную фазу каким-то образом наметьте (маркером или изолентой).
- Снова отключите вводное питание. Входные клеммы диммера подсоедините к фазному проводу, выходные клеммы соединяются с нагрузкой. У заводских регуляторов клеммы маркируются, в этом случае надо производить подсоединение согласно маркировке. Но для диммеров нет принципиальной разницы, так что подключение фазы может быть произвольным.
- Диммер для светодиодных ламп 220 В, сделанный своими руками, устанавливается точно также. Единственное принципиальное отличие, он должен устанавливаться перед контролёром этих ламп. То есть с диммера выход идёт на вход контролёра.
Диммер, который вы собрали своими руками, можно использовать не только, как регулятор мощности на симисторе для освещения. С его помощью вы можете изменять скорость вращения вытяжного вентилятора или регулировать температуру жала паяльника. Так что если вы дружите с радиоэлектроникой, вам вполне по силам сделать симисторный регулятор. Быть может, он не сильно облегчит вашу жизнь, но сам факт того, что вы сотворили это сами, уже хорошо.
yaelectrik.ru
Подключение диммера — виды схем подключения диммера
Диммер – это светорегулирующее устройство, принцип действия которого заключается в плавной регулировке напряжения, которое подается на люстру, точечный светильник. Простыми словами, изменяя напряжение, идущее на галогеновую или ламу накаливания, от 0 до 100%, можно делать освещение более тусклым или ярким.
С помощью диммера можно экономить электроэнергию, а, благодаря минимальной подаче тока на лампочки при включении электричества, их срок службы значительно продлевается. Современные диммеры способны не только плавно регулировать степень освещения, но и выполнять дополнительные функции:
- Отключать свет в соответствии со встроенным таймером;
- Управляться акустически или с помощью пульта ДУ;
- Включать и выключать свет в заданное время для эффекта присутствия, например, во время длительных командировок;
- Управляться в системе «Умный дом»;
- Создавать различные режимы работы лампы – мигать, изменять цветовую температуру и прочее.
Виды
По устройству выделяют три группы светорегуляторов:
- На основе реостата, или резисторные. На сегодняшний день серийно не выпускаются, поскольку это устаревший тип устройства, имеющий низкий КПД, к тому же сильно нагревающийся и требующий систему охлаждения.
- Электронные на основе симисторов, транзисторов и тиристоров. Отличаются доступной ценой, хорошим КПД, наличием дополнительных функций. Из недостатков – ограничения на использование с приборами с повышенными требованиями к форме электропитания, а также создание электрических помех. Несмотря на это, такой тип является самым распространенным и оптимальным вариантом.
- На основе автоматических трансформаторов – дорогостоящие, но не создают радиопомех.
По типу конструкции выделяют следующие виды светорегуляторов:
- Модульные – устанавливаются на дин-рейку квартирного электрощитка и подключаются к галогеновым или лампам накаливания. Механизм управления может быть кнопочным или в виде клавиши. Используются для освещения двора, лестничной площадки, подъезда.
- На шнуре – это мини-устройства, предназначенные для регулирования освещения приборов, включаемых в розетку – настольных ламп, бра, торшеров. Работают совместно с лампами накаливания.

- Устанавливаемые в монтажную коробку под выключатель. Совместимы с любыми типами ламп, а также системой «умный дом».
- Моноблочные – самый распространенный вариант, по виду похож на обычный выключатель, ставится в ту же монтажную коробку, что и он. Включаются в разрыв фазы, работают с лампами накаливания, галогеновыми, а электронные – со светодиодными. Управляются с помощью поворотного диска, поворота с нажатием или клавишами. Самые надежные модели из моноблочных регуляторов света – это сенсорные, управляемые с помощью прикосновения.

Основные требования к монтажу
Перед тем, как выполнить подключение диммера, следует ознакомиться с некоторыми требованиями к его установке:
- Чтобы не сокращать срок службы светорегулятора, подключать его следует только к лампам, мощность которых не менее 40 Вт.
- Установка диммера должна осуществляться в помещениях с температурой воздуха не более 25С во избежание возможного перегрева устройства.
- На разрыв соединения нельзя подсоединять ноль, а только фазный провод. Обычно это разъем с маркировкой «L».
- Для подключения диммера к люминесцентным лампам необходимо убедиться в том, что они могут применяться для диммирования, об этом обычно указывает соответствующая маркировка на упаковке продукции.
- Специальный диммер подбирается к светодиодным лампам.
- Мощность светорегулятора должна быть больше общей мощности всех светильников, к которым он подключается. Если он будет обслуживать три лампы мощностью по 60 ватт, то его мощность должна составлять не менее 300 ватт с запасом.
- Одновременное подсоединение к диммеру нагрузки емкостного и индуктивного характера запрещается.
Соблюдая необходимые требования, можно продлить срок службы светорегулирующего устройства.
Схема подключения диммера
Перед началом электромонтажных работ необходимо определиться, каким образом и из какого места будет удобнее управлять диммером. Для этого составляется схема подключения диммера. Любому домашнему мастеру, обладающим элементарными навыками электромонтажных работ, под силу подключить любую из нужных ему схем своими руками. Для этого сначала нужно отключить электроэнергию в помещении, где будет производиться установка диммера, а также проверить индикаторной отверткой отсутствие фазы.
Схема № 1
Самая простая и распространенная схема состоит из диммера и ламп, которые подключены к нему последовательно. Светорегулятор ставится в разрыв фазного провода, обозначаемого маркировкой «L». При этом один провод из распределительной коробки подключается на клемму «L» с указанием стрелки наверх, а второй провод – на обозначение «~» со стрелкой под наклоном. По этой схеме диммер устанавливается вместо обычного выключателя.
Схема № 2
Удобна схема в использовании, когда диммер установлен вместе с выключателем, подключаемый в разрыв фазного провода перед светорегулятором. Очень часто схема диммера с выключателем устанавливается в спальне, когда светорегулятор находится возле кровати и позволяет регулировать освещение, не вставая с нее, а выключатель расположен у входа в комнату.
Схема № 3
Схема с двумя диммерами позволяет располагать регуляторы в разных углах комнаты. Это особенно удобно в больших по площади помещениях с несколькими источниками света, например, бра и люстрой. Для подключения по этой схеме нужно, чтобы от каждого источника выходило по три провода в распределительную коробку, из которых два соединены перемычками, а на один третий контакт приходит фаза, а со второго регулятора с третьего контакта уходит на лампу.
Схема № 4
В длинном коридоре или проходной комнате обычно подключается схема с двумя проходными выключателями. Включение и выключение света производится с разных концов коридора или комнаты. При этом используются проходные выключатели.
Процесс установки
Установка светорегулятора по сложности не отличается от установки обыкновенного выключателя. При уже существующей распределительной коробке последовательность действий при установке светорегулятора следующая:
- Отключение электроэнергии
- Установка монтажной коробки в стене
- Закрепление жил проводов в соответствующих клеммах
- Фиксация корпуса диммера в стенках монтажной коробки
- Прикрепление декоративной панели устройства и регулирующего механизма.
- Подключение электроэнергии и проверка работоспособности диммера.
Если у диммера подписаны выходные и входные контакты, подача фазного провода в них осуществляется только в соответствующий разъем. Если контакты не подписаны, фазу можно подавать на любой из входов.
Схема для подключения светодиодных ламп
Для светодиодных ламп нельзя использовать тот же диммер, что для галогеновых и ламп накаливания, рассчитанный на определенный тип нагрузки. Большинство из светодиодных, а также люминесцентных и энергосберегающих ламп не настроены для работы с обычным диммером и быстро выходят из строя. Но, на сегодняшний день в продаже имеются специальные диммеры для работы с таким видом ламп. Каких-либо кардинальных отличий схемы подключения диммера для светодиодных ламп от схем, которые были описаны выше, нет. Ее особенностью является только то, что светорегулятор устанавливается перед контроллером светодиодной ленты или лампы.
stroypomochnik.ru
