Драйвер для светодиодной лампы – Схемы драйверов светодиодов на PT4115, QX5241 и др. микросхемах с регулятором яркости для диммируемых светодиодных светильников
Драйверы для светодиодных лампочек.
Небольшая лабораторка на тему «какой драйвер лучше?» Электронный или на конденсаторах в роли балласта? Думаю, что у каждого есть своя ниша. Постараюсь рассмотреть все плюсы и минусы и тех и других схем. Напомню формулу расчёта балластных драйверов. Может кому интересно?Свой обзор построю по простому принципу. Сначала рассмотрю драйверы на конденсаторах в роли балласта. Затем посмотрю на их электронных собратьев. Ну а в конце сравнительный вывод.
А теперь перейдём к делу.
Берём стандартную китайскую лампочку. Вот её схема (немного усовершенствованная). Почему усовершенствованная? Эта схема подойдёт к любой дешёвой китайской лампочке. Отличие будет только в номиналах радиодеталей и отсутствии некоторых сопротивлений (в целях экономии).

Бывают лампочки с отсутствующим С2 (очень редко, но бывает). В таких лампочках коэффициент пульсаций 100%. Очень редко ставят R4. Хотя сопротивление R4 просто необходимо. Оно будет вместо предохранителя, а также смягчит пусковой ток. Если в схеме отсутствует, лучше поставить. Ток через светодиоды определяет номинал ёмкости С1. В зависимости от того, какой ток мы хотим пропустить через светодиоды (для самодельщиков), можно рассчитать его ёмкость по формуле (1).

Эту формулу я писАл много раз. Повторюсь.
Формула (2) позволяет сделать обратное. С её помощью можно посчитать ток через светодиоды, а затем и мощность лампочки, не имея Ваттметра. Для расчётов мощности нам ещё необходимо знать падение напряжения на светодиодах. Можно вольтметром измерить, можно просто посчитать (без вольтметра). Вычисляется просто. Светодиод ведёт себя в схеме как стабилитрон с напряжением стабилизации около 3В (есть исключения, но очень редкие). При последовательном подключении светодиодов падение напряжения на них равно количеству светодиодов, умноженному на 3В (если 5 светодиодов, то 15В, если 10 — 30В и т.д.). Всё просто. Бывает, что схемы собраны из светодиодов в несколько параллелей. Тогда надо будет учитывать количество светодиодов только в одной параллели.
Допустим, мы хотим сделать лампочку на десяти светодиодах 5730smd. По паспортным данным максимальный ток 150мА. Рассчитаем лампочку на 100мА. Будет запас по мощности. По формуле (1) получаем: С=3,18*100/(220-30)=1,67мкФ. Такой ёмкости промышленность не выпускает, даже китайская. Берём ближайшую удобную (у нас 1,5мкФ) и пересчитываем ток по формуле (2).
(220-30)*1,5/3,18=90мА. 90мА*30В=2,7Вт. Это и есть расчетная мощность лампочки. Всё просто. В жизни конечно будет отличаться, но не намного. Всё зависит от реального напряжения в сети (это первый минус драйвера), от точной ёмкости балласта, реального падения напряжения на светодиодах и т.д. При помощи формулы (2) вы можете рассчитать мощность уже купленных лампочек (уже упоминал). Падением напряжения на R2 и R4 можно пренебречь, оно незначительно. Можно подключить последовательно достаточно много светодиодов, но общее падение напряжения не должно превышать половины напряжения сети (110В). При превышении этого напряжения лампочка болезненно реагирует на все изменения напряжения. Чем больше превышает, тем болезненнее реагирует (это дружеский совет). Тем более, за этими пределами формула работает неточно. Точно уже не рассчитать.
Такой драйвер имеет практически 100%-ный КПД. Потери только на диодах и двух сопротивлениях.
Его можно изготовить в течение получаса (по-быстрому). Даже плату травить необязательно.
Конденсаторы заказывал эти:
aliexpress.com/snapshot/310648391.html
aliexpress.com/snapshot/310648393.html
Диоды вот эти:
aliexpress.com/snapshot/6008595825.html


Но у этих схем есть ещё один серьёзный недостаток. Это пульсации. Пульсации частотой 100Гц, результат выпрямления сетевого напряжения.

У различных лампочек форма незначительно будет отличаться. Всё зависит от величины фильтрующей ёмкости С2. Чем больше ёмкость, тем меньше горбы, тем меньше пульсации. Необходимо смотреть ГОСТ Р 54945-2012. А там чёрным по белому написано, что пульсации частотой до 300Гц вредны для здоровья. Там же формула для расчёта (приложение Г).

Но это не всё. Необходимо смотреть Санитарные нормы СНиП 23-05-95 «ЕСТЕСТВЕННОЕ И ИСКУССТВЕННОЕ ОСВЕЩЕНИЕ». В зависимости от предназначения помещения максимально допустимые пульсации от 10 до 20%.
В жизни ничего просто так не бывает. Результат простоты и дешевизны лампочек налицо.
Пора переходить к электронным драйверам. Здесь тоже не всё так безоблачно.
Вот такой драйвер я заказывал. Это ссылка именно на него в начале обзора.

Почему заказал именно такой? Объясню. Хотел сам «колхозить» светильники на 1-3Вт-ных светодиодах. Подбирал по цене и характеристикам. Меня устроил бы драйвер на 3-4 светодиода с током до 700мА. Драйвер должен иметь в своём составе ключевой транзистор, что позволит разгрузить микросхему управления драйвером. Для уменьшения ВЧ пульсаций по выходу должен стоять конденсатор. Первый минус. Стоимость подобных драйверов (US $13.75 /10 штук) отличается в бОльшую сторону от балластных. Но тут же плюс. Токи стабилизации подобных драйверов 300мА, 600мА и выше. Балластным драйверам такое и не снилось (более 200мА не рекомендую).
Посмотрим на характеристики от продавца:
[input voltage] ac85-265v» that everyday household appliances.»А вот диапазон выходных напряжений маловат (тоже минус). Максимум, можно подцепить последовательно пять светодиодов. Параллельно можно подцеплять сколько угодно. Светодиодная мощность считается по формуле: Ток драйвера умножить на падение напряжения на светодиодах [количество светодиодов (от трёх до пяти) и умножить на падение напряжения на светодиоде (около 3В)].
[output voltage] load after 10-15v; can drive 3-4 3w led lamp beads series
[output current] 600ma
Ещё один большой недостаток этих драйверов – большие ВЧ помехи. Некоторые экземпляры слышит не только ФМ радио, но и пропадает приём цифровых каналов ТВ при их работе. Частота преобразования составляет несколько десятков кГц. А вот защиты, как правило, никакой (от помех).

Под трансформатором что-то типа «экрана». Должно уменьшить помехи. Именно Этот драйвер почти не фонит.
Почему они фонят, становится ясно, если посмотреть на осциллограмму напряжения на светодиодах. Без конденсаторов ёлочка куда серьёзнее!

На выходе драйвера должен стоять не только электролит, но и керамика для подавления ВЧ помех. Высказал своё мнение. Обычно стоит либо то либо другое. Бывает, что ничего не стоит. Это бывает в дешёвых лампочках. Драйвер спрятан внутри, предъявить претензию будет сложно.
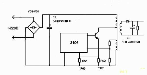
Посмотрим схему. Но предупрежу, она ознакомительная. Нанёс только основные элементы, которые необходимы нам для творчества (для понимания «что к чему»).

Микросхема 3106 отслеживает выходные параметры преобразователя через обратную связь с вспомогательной обмотки трансформатора и управляет ключевым транзистором. Попытки найти информацию на эту МС в Интернете ничего не дала. RS1 RS2 — токозадающие резисторы. От их номинала зависит выходной ток драйвера. RS1 (1 Ом) – основной, при помощи RS2 (33 Ом) выходной ток подгоняется более точно.

Оказывается, и у этих драйверов можно регулировать выходной ток. Снял зависимость выходного тока от сопротивления RS (может кому пригодится).
Регулировать ток при помощи выносного переменного резистора не получится. Паразитные ёмкости и индуктивности никто не отменял.
А теперь на счёт применимости.

В этот светильник что только не вклеивал (был обзор). Теперь приклеил 1-Вт-ные светодиоды. К ним буду подключать обозреваемые драйверы, так нагляднее.

Всего 12 светодиодов (6 пар). Для равномерного распределения света самое оптимальное количество. Для эксперимента тоже лучше не придумаешь.
Один из вариантов подключения к драйверу с балластом на конденсаторах.

С1=1,5мкФ+1,2мкФ=2,7мкФ. Чтобы посчитать мощность, необходимо посчитать ток по формуле (2).
I=(228В-36В)*2,7мкФ/3,18=163мА. Мощность считается по формуле из школьного учебника физики.
Р= 36В*0,163А=5,9Вт.
А теперь посмотрим, что показывают приборы.

Погрешность в расчётах присутствует. Кстати, на мелких мощностях приборчик тоже подвирает.
А теперь посчитаем пульсации (теория в начале обзора). Посмотрим, что же видит наш глаз. К осциллографу подключаю фотодиод. Два снимка объединил в один для удобства восприятия. Слева лампочка выключена. Справа – лампочка включена. Смотрим ГОСТ Р 54945-2012. А там чёрным по белому написано, что пульсации частотой до 300Гц вредны для здоровья. А у нас около 100Гц. Для глаз вредно.
У меня получилось 20%. Необходимо смотреть Санитарные нормы СНиП 23-05-95 «ЕСТЕСТВЕННОЕ И ИСКУССТВЕННОЕ ОСВЕЩЕНИЕ». Использовать можно, но не в спальне. А у меня коридор. Можно СНиП и не смотреть.
А теперь посмотрим другой вариант подключения светодиодов. Это схема подключения к электронному драйверу.

Итого 3 параллели по 4 светодиода.
Вот, что показывает Ваттметр. 7,1Вт активной мощности.

Посмотрим, сколько доходит до светодиодов. Подключил к выходу драйвера амперметр и вольтметр.

Посчитаем чисто светодиодную мощность. Р=0,49А*12,1В=5,93Вт. Всё, что не хватает, взял на себя драйвер.
Теперь посмотрим, что же видит наш глаз. Слева лампочка выключена. Справа – лампочка включена. Частота повторения импульсов около 100кГц. Смотрим ГОСТ Р 54945-2012. А там чёрным по белому написано, что вредны для здоровья только пульсации частотой до 300Гц. А у нас около 100кГц. Для глаз безвредно.
Всё рассмотрел, всё измерил.
Теперь выделю плюсы и минусы этих схем:
Минусы лампочек с конденсатором в роли балласта по сравнению с электронными драйверами.
-Во время работы КАТЕГОРИЧЕСКИ нельзя касаться элементов схемы, они под фазой.
-Невозможно достичь высоких токов свечения светодиодов, т.к. при этом необходимы конденсаторы больших размеров. А увеличение ёмкости приводит к большим пусковым токам, портящим выключатели.
-Большие пульсации светового потока частотой 100Гц, требуют больших фильтрующих ёмкостей на выходе.
Плюсы лампочек с конденсатором в роли балласта по сравнению с электронными драйверами.
+Схема очень проста, не требует особых навыков при изготовлении.
+Диапазон выходных напряжений просто фантастический. Один и тот же драйвер будет работать и с одним и с сорока последовательно соединёнными светодиодами. У электронных драйверов выходные напряжения имеют намного более узкий диапазон.
+Низкая стоимость подобных драйверов, которая складывается буквально из стоимости двух конденсаторов и диодного моста.
+Можно изготовить и самому. Большинство деталей можно найти в любом сарае или гараже (старые телевизоры и т.д.).
+Можно регулировать ток через светодиоды подбором ёмкости балласта.
+Незаменимы как начальный светодиодный опыт, как первый шаг в освоении светодиодного освещения.
Есть ещё одно качество, которое можно отнести как к плюсам, так и к минусам. При использовании подобных схем с выключателями с подсветкой, светодиоды лампочки подсвечиваются. Лично для меня это скорее плюс, чем минус. Использую повсеместно как дежурное (ночное) освещение.
Умышленно не пишу, какие драйверы лучше, у каждого есть своя ниша.
Я выложил по максимуму всё, что знаю. Показал все плюсы и минусы этих схем. А выбор как всегда делать вам. Я лишь постарался помочь.
На этом всё!
Удачи всем.
mysku.ru
Схема драйвера для светодиодной лампы на 220В
Неотъемлемой частью любой качественной лампы или светильника на светодиодах является драйвер. Применительно к освещению, под понятием «драйвер» следует понимать электронную схему, которая преобразует входное напряжение в стабилизированный ток заданной величины. Функциональность драйвера определяется шириной диапазона входных напряжений, возможностью регулировки выходных параметров, восприимчивостью к перепадам в питающей сети и эффективностью.
От перечисленных функций зависят качественные показатели светильника или лампы в целом, срок службы и стоимость. Все источники питания (ИП) для светодиодов условно разделяют на преобразователи линейного и импульсного типа. Линейные ИП могут иметь узел стабилизации по току или напряжению. Часто схемы такого типа радиолюбители конструируют своими руками на микросхеме LM317. Такое устройство легко собирается и имеет малую себестоимость. Но, ввиду очень низкого КПД и явного ограничения по мощности подключаемых светодиодов, перспективы развития линейных преобразователей ограничены.
Импульсные драйверы могут иметь КПД более 90% и высокую степень защиты от сетевых помех. Их мощность потребления в десятки раз меньше мощности, отдаваемой в нагрузку. Благодаря этому они могут изготавливаться в герметичном корпусе и не боятся перегрева.
Первые импульсные стабилизаторы имели сложное устройство без защиты от холостого хода. Затем они модернизировались и, в связи с бурным развитием светодиодных технологий, появились специализированные микросхемы с частотной и широтно-импульсной модуляцией.
Схема питания светодиодов на основе конденсаторного делителя
К сожалению, в конструкции дешёвых светодиодных ламп на 220В из Китая не предусмотрен ни линейный, ни импульсный стабилизатор. Мотивируясь исключительно низкой ценой готового изделия, китайская промышленность смогла максимально упростить схему питания. Называть её драйвером не корректно, так как здесь отсутствует какая-либо стабилизация.
Из рисунка видно, что электрическая схема лампы рассчитана на работу от сети 220В. Переменное напряжение понижается RC-цепочкой и поступает на диодный мост. Затем выпрямленное напряжение частично сглаживается конденсатором и через токоограничивающий резистор поступает на светодиоды. Данная схема не имеет гальванической развязки, то есть все элементы постоянно находятся под высоким потенциалом.
В результате частые просадки сетевого напряжения приводит к мерцанию светодиодной лампы. И наоборот, завышенное напряжение сети вызывает необратимый процесс старения конденсатора с потерей ёмкости, а, иногда, становится причиной его разрыва. Стоит отметить, что еще одной, серьезной отрицательной стороной данной схемы является ускоренный процесс деградации светодиодов вследствие нестабильного тока питания.
Схема драйвера на CPC9909
Современные импульсные драйверы для светодиодных ламп имеют несложную схему, поэтому ее можно легко смастерить даже своими руками. Сегодня, для построения драйверов, производится ряд интегральных микросхем, специально предназначенных для управления мощными светодиодами. Чтобы упростить задачу любителям электронных схем, разработчики интегральных драйверов для светодиодов в документации приводят типичные схемы включения и расчеты компонентов обвязки.
Общие сведения
Американская компания Ixys наладила выпуск микросхемы CPC9909, предназначенной для управления светодиодными сборками и светодиодами высокой яркости. Драйвер на основе CPC9909 имеет небольшие габариты и не требует больших денежных вложений. ИМС CPC9909 изготавливается в планарном исполнении с 8 выводами (SOIC-8) и имеет встроенный стабилизатор напряжения.
Благодаря наличию стабилизатора рабочий диапазон входного напряжения составляет 12-550В от источника постоянного тока. Минимальное падение напряжения на светодиодах – 10% от напряжения питания. Поэтому CPC9909 идеальна для подключения высоковольтных светодиодов. ИМС прекрасно работает в температурном диапазоне от -55 до +85°C, а значит, пригодна для конструирования светодиодных ламп и светильников для наружного освещения.
Назначение выводов
Стоит отметить, что с помощью CPC9909 можно не только включать и выключать мощный светодиод, но и управлять его свечением. Чтобы узнать обо всех возможностях ИМС, рассмотрим назначение ее выводов.
- VIN. Предназначен для подачи напряжения питания.
- CS. Предназначен для подключения внешнего датчика тока (резистора), с помощью которого задаётся максимальный ток светодиода.
- GND. Общий вывод драйвера.
- GATE. Выход микросхемы. Подает на затвор силового транзистора модулированный сигнал.
- PWMD. Низкочастотный диммирующий вход.
- VDD. Выход для регулирования напряжения питания. В большинстве случаев подключается через конденсатор к общему проводу.
- LD. Предназначен для задания аналогового диммирования.
- RT. Предназначен для подключения время задающего резистора.
Схема и ее принцип работы
Типичное включение CPC9909 с питанием от сети 220В показано на рисунке. Схема способна управлять одним или несколькими мощными светодиодами или светодиодами типа High Brightness. Схему можно легко собрать своими руками даже в домашних условиях. Готовый драйвер не нуждается в наладке с учетом грамотного выбора внешних элементов и соблюдением правил их монтажа.
Драйвер для светодиодной лампы на 220В на базе CPC9909 работает по методу частотно-импульсной модуляции. Это означает, что время паузы является постоянной величиной (time-off=const). Переменное напряжение выпрямляется диодным мостом и сглаживается емкостным фильтром C1, C2. Затем оно поступает на вход VIN микросхемы и запускает процесс формирования импульсов тока на выходе GATE. Выходной ток микросхемы управляет силовым транзистором Q1. В момент открытого состояния транзистора (время импульса «time-on») ток нагрузки протекает по цепи: «+диодного моста» – LED – L – Q1 – RS – «-диодного моста».
За это время катушка индуктивности накапливает энергию, чтобы отдать её в нагрузку во время паузы. Когда транзистор закрывается, энергия дросселя обеспечивает ток нагрузки в цепи: L – D1 – LED – L.
Процесс носит циклический характер, в результате чего ток через светодиод имеет пилообразную форму. Наибольшее и наименьшее значение пилы зависит от индуктивности дросселя и рабочей частоты.
Частота импульсов определяется величиной сопротивления RT. Амплитуда импульсов зависит от сопротивления резистора RS. Стабилизация тока светодиода происходит путем сравнения внутреннего опорного напряжения ИМС с падением напряжения на RS. Предохранитель и терморезистор защищают схему от возможных аварийных режимов.
Расчет внешних элементов
Частотозадающий резистор
Длительность паузы выставляют внешним резистором RT и определяют по упрощенной формуле:
tпаузы=RT/66000+0,8 (мкс).
В свою очередь время паузы связано с коэффициентом заполнения и частотой:
tпаузы=(1-D)/f (с), где D – коэффициент заполнения, который представляет собой отношение времени импульса к периоду.
Рекомендованный производителем диапазон рабочих частот составляет 30-120 кГц. Таким образом, сопротивление RT можно найти так: RT=(tпаузы-0,8)*66000, где значение tпаузы подставляют в микросекундах.
Датчик тока
Номинал сопротивления RS задает амплитудное значение тока через светодиод и рассчитывается по формуле: RS=UCS/(ILED+0.5*IL пульс), где UCS – калиброванное опорное напряжение, равное 0,25В;
ILED – ток через светодиод;
IL пульс – величина пульсаций тока нагрузки, которая не должна превышать 30%, то есть 0,3*ILED.
После преобразования формула примет вид: RS=0,25/1.15*ILED (Ом).
Мощность, рассеиваемая датчиком тока, определяется формулой: PS=RS*ILED*D (Вт).
К монтажу принимают резистор с запасом по мощности 1,5-2 раза.
Дроссель
Как известно, ток дросселя не может измениться скачком, нарастая за время импульса и убывая во время паузы. Задача радиолюбителя в том, чтобы подобрать катушку с индуктивностью, обеспечивающей компромисс между качеством выходного сигнала и её габаритами. Для этого вспомним об уровне пульсаций, который не должен превышать 30%. Тогда потребуется индуктивность номиналом:
L=(USLED*tпаузы)/ IL пульс, где ULED – падение напряжения на светодиоде (-ах), взятое из графика ВАХ.
Фильтр питания
В цепи питания установлены два конденсатора: С1 – для сглаживания выпрямленного напряжения и С2 – для компенсации частотных помех. Так как CPC9909 работает в широком диапазоне входного напряжения, то в большой ёмкости электролитического С1 нет нужды. Достаточно будет 22 мкФ, но можно и больше. Емкость металлопленочного С2 для схемы такого типа стандартная – 0,1 мкФ. Оба конденсатора должны выдерживать напряжение не менее 400В.
Однако, производитель микросхемы настаивает на монтаже конденсаторов С1 и С2 с малым эквивалентным последовательным сопротивлением (ESR), чтобы избежать негативного влияния высокочастотных помех, возникающих при переключении драйвера.
Выпрямитель
Диодный мост выбирают, исходя из максимального прямого тока и обратного напряжения. Для эксплуатации в сети 220В его обратное напряжение должно быть не менее 600В. Расчетная величина прямого тока напрямую зависит от тока нагрузки и определяется как: IAC=(π*ILED)/2√2, А.
Полученное значение необходимо умножить на два для повышения надежности схемы.
Выбор остальных элементов схемы
Конденсатор C3, установленный в цепи питания микросхемы должен быть ёмкостью 0,1 мкФ с низким значением ESR, аналогично C1 и C2. Незадействованные выводы PWMD и LD также через C3 соединяются с общим проводом.
Транзистор Q1 и диод D1 работают в импульсном режиме. Поэтому выбор следует делать с учетом их частотных свойств. Только элементы с малым временем восстановления смогут сдержать негативное влияние переходных процессов в момент переключения на частоте около 100 кГц. Максимальный ток через Q1 и D1 равен амплитудному значению тока светодиода с учетом выбранного коэффициента заполнения: IQ1=ID1= D*ILED, А.
Напряжение, прикладываемое к Q1 и D1, носит импульсный характер, но не более, чем выпрямленное напряжение с учетом емкостного фильтра, то есть 280В. Выбор силовых элементов Q1 и D1 следует производить с запасом, умножая расчетные данные на два.
Предохранитель (fuse) защищает схему от аварийного короткого замыкания и должен длительно выдерживать максимальный ток нагрузки, в том числе импульсные помехи.
IFUSE=5*IAC, А.
Установка терморезистора RTH нужна для ограничения пускового тока драйвера, когда фильтрующий конденсатор разряжен. Своим сопротивлением RTH должен защитить диоды мостового выпрямителя от пробоя в начальные секунды работы.
RTH=(√2*220)/5*IAC, Ом.
Другие варианты включения CPC9909
Плавный пуск и аналоговое диммирование
При желании CPC9909 может обеспечить мягкое включение светодиода, когда его яркость будет постепенно нарастать. Плавный пуск реализуется при помощи двух постоянных резисторов, подключенных к выводу LD, как показано на рисунке. Данное решение позволяет продлить срок службы светодиода.
Также вывод LD позволяет реализовывать функцию аналогового диммирования. Для этого резистор 2,2 кОм заменяют переменным резистором 5,1 кОм, тем самым плавно изменяя потенциал на выводе LD.
Импульсное димирование
Управлять свечением светодиода можно путем подачи импульсов прямоугольной формы на вывод PWMD (pulse width modulation dimming). Для этого задействуют микроконтроллер или генератор импульсов с обязательным разделением через оптопару.
Кроме рассмотренного варианта драйвера для светодиодных ламп, существуют аналогичные схемные решения от других производителей: HV9910, HV9961, PT4115, NE555, RCD-24 и пр. Каждая из них имеет свои сильные и слабые места, но в целом, они успешно справляются с возложенной нагрузкой при сборке своими руками.
Читайте так жеledjournal.info
Светодиодные драйверы для LED ламп и светодиодов Виды и типы

Сегодня я кратенько рассмотрю вопрос о том, какие драйверы устанавливают в LED лампы. Виды, типы, их характеристики. Сразу отмечу, что все драйверы светодиодных ламп можно разделить на два вида: электронные и на конденсаторах. О некоторых достоинствах и недостатках мы и поговорим сегодня. А по большому счету буду раскрывать более детально этот вопрос не много позднее и добавлять в данную статью. Таким образом, предполагаю, что «светодиодные драйверы для ламп» станет достаточно объемной. Тем более материала накопилось много.
Производят драйверы, рассчитанные на один или группу светодиодов. Рассчитанных на определенный ток.
Электронные драйверы для LED ламп
Драйвер для светодиодной лампыВообще, по хорошему, любой электронный драйвер должен иметь ключевой транзистор, дабы разгрузить микросхему управления драйвером. Чтобы исключить или по максимуму сгладить пульсацию на выходе должен стоять конденсатор. Стоимость драйверов такого типа не маленькая, в отличии от балластных, но зато они стабилизируют токи до 750 мА и выше, чего обычным «бесхребетным» не под силу. Можно. Но лучше больше 200 мА не использовать… Опять же опыт эксплуатации.
Пульсация – не один недостаток драйверов. Другим можно считать высокочастотные помехи. В случае, если ваша розетка связана с лампой ( разводка квартиры ), то не избежать проблем с приемом цифровым телевидением, IP и т.п. Естественно, будет проблематично поймать радио. Задался сейчас вопросом: “А Wi-Fi будет страдать?»… Надо поставить опыты…
В хороших драйверах для сглаживания пульсаций стоит установить электролиты, а для снижения ВЧ помех пойдет керамика. В идеале, когда в драйвере присутствует и тот и другой кондер. Но такое сочетание большая редкость. Особенно в китайских лампах. Есть некоторые «индивидуумы», но их очень мало. Когда-нибудь я поговорю о них.
Ну и еще одна общая информация. Для тех, кто любит «очумелые ручки». Вы всегда можете изменить выходной ток своего электронного драйвера, «балуясь» номиналом резисторов. Хотя, нужно ли? Уже выпускается огромное количество драйверов и подобрать нужный – не проблема. И не обязательно приобретать дорогущий. Китайцы давно научились штамповать вполне приличную электронику.
Перейдем к не менее распространенным так называемым драйверам – на конденсаторах. Я их всегда называю «так называемые». Почему? Это будет понятно из выводов в конце статьи.
Светодиодные драйверы для ламп на основе конденсаторов
Обратимся к любой стандартной схеме светодиодной лампы, использующей такие «драйверы»

Схема общая и в ряде случаев ее постоянно модифицируют. Особенно любят китайские производители выкидывать оттуда что-нибудь.
Часто в дешевых лампах мы можем «наблюдать» пульсацию в 100 процентов. В этом случае можно даже не заглядывать внутрь лампы, чтобы утверждать об отсутствии одного из конденсаторов. А именно второго. Т.к. первый необходим для регулировки выходного тока. Его – то уж точно никуда не денут))).
Для тех, кто желает самостоятельно собирать такие драйвера, есть формулы, которые можно найти в сети. И по ним рассчитать номинал конденсатора.
Это можно отнести к большому плюсу такого вида драйвера. Ведь мощность лампы можно подогнать простым подбором конденсатора. Минусом стоит отметить отсутствие электробезопасности. Прикасаться к включенной лампе руками запрещено. Электротравма обеспечена.
Еще одним плюсом можно отметить 100 процентный КПД, ведь потери будут только на самих LEDs и сопротивлениях.
Огромный минус – пульсация. Она берется в результате выпрямления сетевого напряжения и составляет порядка 100 Гц. Согласно ГОСТ и САНпИН пульсация допустима от 10-20 процентов и то, в зависимости от того, в каком помещении установлен источник света. Уменьшить пульсацию можно подбором номинала конденсатора №2. Но все-равно Вы не получите полного отсутствия, а только не много сгладите всплески.
Это второй и главный минус такого типа драйверов. Как говорится: то что дешево – не всегда полезно. А пульсация очень вредна для здорового организма. Да и для не здорового))).
Сравнение электронных и балластных драйверов для светодиодных ламп
Из всего выше сказанного ( возможно путанно ) можно сделать сравнительную характеристику между двумя типами драйверов для светодиодных ламп:
| Драйверы | Балластные на конденсаторах | Электронные |
| Вероятность электротравмы | Высокая. За счет отсутствия гальванической развязки с сетью. Запрещено прикосновение к элементам руками при включенной лампе | Низкая |
| Высокие токи | Не возможно получить высокие токи для свечения диодов, в результате того, что необходимы конденсаторы большого размера. Конструктивно и лампа будет больших размеров. Кроме того, увеличенные конденсаторы влекут увеличение пусковых токов, что приводит к быстрому выходу из строя выключателей | Возможно получить без особых проблем |
| Пульсация | Большая. Порядка 100 Гц. Практически невозможно избавиться из-за необходимости внедрения конденсаторов большой емкости на выходе, фильтрующих пульсацию | Легко регулируется либо отсутствует |
| Схема | Схема очень простая. Легко собирается на коленке и не требует больших познаний в радиоэлеткронике | Схема сложная. С большим количеством электронных компонентов |
| Выходное напряжение | Легко регулируется | Выходной диапазон напряжения узкий |
| Стоимость | Низкая | Высокая |
| Регулировка тока | Путем изменения емкости входного конденсатора | Более сложная. Как правило только при помощи резисторов. И то не всегда. Все зависит от сложности собранной схемы |
Какие светодиодные драйверы для ламп лучше, а какие хуже – решать Вам. У обоих есть как сильные так и слабые стороны. И те и другие можно использовать. Только в разных помещениях. Но для себя я ввел градацию простую. Никогда не считаю качественными лампами те, которые собраны на балластах из конденсаторов по причине пульсации. Я сторонник здорового образа жизни))) и поэтому определяю такие источники света сразу в мусор.
Видео материал на тему светодиодных драйверов для ламп
Ну и на последок, как уже повелось, предлагаю интересное видео о светодиодных драйверах. Вернее об одном, самом простом, который можно собрать на коленке самостоятельно.
leds-test.ru
Светодиодная лампа – ремонт своими руками, электрические схемы
Светодиодные лампы, благодаря малому энергопотреблению, теоретической долговечности и снижению цены стремительно вытесняют лампы накаливания и энергосберегающие. Но, несмотря на заявленный ресурс работы до 25 лет, зачастую перегорают, даже не отслужив гарантийный срок.

В отличие от ламп накаливания, 90% перегоревших светодиодных ламп можно успешно отремонтировать своими руками, даже не имея специальной подготовки. Представленные примеры помогут Вам отремонтировать отказавшие светодиодные лампы.
Устройство светодиодной лампы
Прежде, чем браться за ремонт светодиодной лампы нужно представлять ее устройство. Вне зависимости от внешнего вида и типа применяемых светодиодов, все светодиодные лампы, в том числе и филаментные лампочки, устроены одинаково. Если удалить стенки корпуса лампы, то внутри можно увидеть драйвер, который представляет собой печатную плату с установленными на ней радиоэлементами.

Любая светодиодная лампа устроена и работает следующим образом. Питающее напряжение с контактов электрического патрона подается на выводы цоколя. К нему припаяны два провода, через которые напряжение подается на вход драйвера. С драйвера питающее напряжение постоянного тока подается на плату, на которой распаяны светодиоды.
Драйвер представляет собой электронный блок – генератор тока, который преобразует напряжение питающей сети в ток, необходимый для свечения светодиодов.
Иногда для рассеивания света или защиты от прикосновения человека к незащищенным проводникам платы со светодиодами ее закрывают рассеивающим защитным стеклом.
Устройство филаментной лампы
По внешнему виду филаментная лампа похожа на лампу накаливания. Устройство филаментных ламп отличается от светодиодных тем, что в качестве излучателей света в них используется не плата со светодиодами, а стеклянная герметичная заполненная газом колба, в которой размещены один или несколько филаментных стержней. Драйвер находится в цоколе.

Филаментный стержень представляет собой стеклянную или сапфировую трубку диаметром около 2 мм и длиной около 30 мм, на которой закреплены и соединены последовательно покрытые люминофором 28 миниатюрных светодиодов. Один филамент потребляет мощность около 1 Вт. Мой опыт эксплуатации показывает, что филаментные лампы гораздо надежнее, чем изготовленные на базе SMD светодиодов. Полагаю, со временем они вытеснят все другие искусственные источники света.
Филаментные лампы самостоятельному ремонту не подлежат, поэтому в этой статье не рассмотрены.
Примеры ремонта светодиодных ламп
Внимание, электрические схемы драйверов светодиодных ламп гальванически связаны с фазой электрической сети и поэтому следует соблюдать предельную осторожность. Прикосновение не защищенным участком тела человека к оголенным участкам схемы подключенной к электрической сети может нанести серьезный урон здоровью, вплоть до остановки сердца.
Ремонт светодиодной лампы
ASD LED-A60, 11 Вт на микросхеме SM2082
В настоящее время появились мощные светодиодные лампочки, драйверы которых собраны на микросхемах типа SM2082. Одна из них проработала менее года и попала мне в ремонт. Лампочка бессистемно гасла и опять зажигалась. При постукивании по ней она отзывалась светом или гашением. Стало очевидно, что неисправность заключается в плохом контакте.

Чтобы добраться к электронной части лампы нужно с помощью ножа подцепить рассеивающее стекло в месте соприкосновения его с корпусом. Иногда отделить стекло трудно, так как при его посадке на фиксирующее кольцо наносят силикон.

После снятия светорассеивающего стекла открылся доступ к светодиодам и микросхеме – генератора тока SM2082. В этой лампе одна часть драйвера была смонтирована на алюминиевой печатной плате светодиодов, а вторая на отдельной.

Внешний осмотр не выявил дефектных паек или обрывов дорожек. Пришлось снимать плату со светодиодами. Для этого сначала был срезан силикон и плата поддета за край лезвием отвертки.
Чтобы добраться до драйвера, расположенного в корпусе лампы пришлось его отпаять, разогрев паяльником одновременно два контакта и сдвинуть вправо.

С одной стороны печеной платы драйвера был установлен только электролитический конденсатор емкостью 6,8 мкФ на напряжение 400 В.

С обратной стороны платы драйвера был установлен диодный мост и два последовательно соединенных резистора номиналом по 510 кОм.

Для того, чтобы разобраться в какой из плат пропадает контакт пришлось их соединить, соблюдая полярность, с помощью двух проводков. После простукивания по платам ручкой отвертки стало очевидным, что неисправность кроется в плате с конденсатором или в контактах проводов, идущих из цоколя светодиодной лампы.

Так как пайки не вызывали подозрений сначала проверил надежность контакта в центральном выводе цоколя. Он легко вынимается, если поддеть его за край лезвием ножа. Но контакт был надежным. На всякий случай залудил провод припоем.
Винтовую часть цоколя снимать сложно, поэтому решил паяльником пропаять пайки подходящих от цоколя проводов. При прикосновении к одной из паек провод оголился. Обнаружилась «холодная» пайка. Так как добраться для зачистки провода возможности небыло, то пришлось смазать его активным флюсом «ФИМ», а затем припаять заново.

После сборки светодиодная лампа стабильно излучала свет, не смотря за удары по ней рукояткой отвертки. Проверка светового потока на пульсации показала, что они значительны с частотой 100 Гц. Такую светодиодную лампу допустимо устанавливать только в светильники для общего освещения.
Электрическая схема драйвера
светодиодной лампы ASD LED-A60 на микросхеме SM2082
Электрическая схема лампы ASD LED-A60, благодаря применению в драйвере для стабилизации тока специализированной микросхемы SM2082 получилась довольно простой.

Схема драйвера работает следующим образом. Питающее напряжение переменного тока через предохранитель F подается на выпрямительный диодный мост, собранный на микросборке MB6S. Электролитический конденсатор С1 сглаживает пульсации, а R1 служит для его разрядки при отключении питания.
С положительного вывода конденсатора питающее напряжение подается непосредственно на последовательно включенные светодиоды. С вывода последнего светодиода напряжение подается на вход (вывод 1) микросхемы SM2082, в микросхеме ток стабилизируется и далее с ее выхода (вывод 2) поступает на отрицательный вывод конденсатора С1.
Резистор R2 задает величину тока, протекающего через диоды. Величина тока обратно пропорциональна его номиналу. Если номинал резистора уменьшить, то ток увеличится, если номинал увеличить, то ток уменьшится. Микросхема SM2082 допускает регулировать резистором величину тока от 5 до 60 мА.
Ремонт светодиодной лампы
ASD LED-A60, 11 Вт, 220 В, E27
В ремонт попала еще одна светодиодная лампа ASD LED-A60 похожая по внешнему виду и с такими же техническими характеристиками, как и выше отремонтированная.
При включении лампа на мгновенье зажигалась и далее не светила. Такое поведение светодиодных ламп обычно связано с неисправностью драйвера. Поэтому сразу приступил к разборке лампы.
Светорассеивающее стекло снялось с большим трудом, так как по всей линии контакта с корпусом оно было, несмотря на наличие фиксатора, обильно смазано силиконом. Для отделения стекла пришлось по всей линии соприкосновения с корпусом с помощью ножа искать податливое место, но все равно без трещины в корпусе не обошлось.

Для получения доступа к драйверу лампы на следующем шаге предстояло извлечь светодиодную печатную плату, которая была по контуру запрессована в алюминиевую вставку. Несмотря на то, что плата была алюминиевая, и можно было извлекать ее без опасения появления трещин, все попытки не увенчались успехом. Плата держалась намертво.
Извлечь плату вместе с алюминиевой в
ydoma.info
Как подобрать светодиодный драйвер — виды и основные характеристики
Светодиоды получили большую популярность. Главную роль в этом сыграл светодиодный драйвер, поддерживающий постоянный выходной ток определенного значения. Можно сказать, что это устройство представляет собой источник тока для LED-приборов. Такой драйвер тока, работая вместе со светодиодом, обеспечивает долголетний срок службы и надежную яркость. Анализ характеристик и видов этих устройств позволяет понять, какие они выполняют функции, и как их правильно выбирать.
Что такое драйвер и каково его назначение?
Драйвер для светодиодов является электронным устройством, на выходе которого образуется постоянный ток после стабилизации. В данном случае образуется не напряжение, а именно ток. Устройства, которые стабилизируют напряжение, называются блоками питания. На их корпусе указывается выходное напряжение. Блоки питания 12 В применяют для питания LED-линеек, светодиодной ленты и модулей.
Основным параметром LED-драйвера, которым он сможет обеспечивать потребителя длительное время при определенной нагрузке, является выходной ток. В качестве нагрузки применяются отдельные светодиоды или сборки из аналогичных элементов.

КПД импульсного драйвера для светодиодов достигает 95%
Драйвер для светодиода обычно питается от сети напряжением 220 В. В большинстве случаев диапазон рабочего выходного напряжения составляет от трех вольт и может достигать нескольких десятков вольт. Для подключения светодиодов 3W в количестве шести штук потребуется драйвер с выходным напряжением от 9 до 21 В, рассчитанный на 780 мА. При своей универсальности он обладает малым КПД, если на него включить минимальную нагрузку.
При освещении в автомобилях, в фарах велосипедов, мотоциклов, мопедов и т. д., в оснащении переносных фонарей используется питание с постоянным напряжением, значение которого варьируется от 9 до 36 В. Можно не применять драйвер для светодиодов с небольшой мощностью, но в таких случаях потребуется внесение соответствующего резистора в питающую сеть напряжением 220 В. Несмотря на то, что в бытовых выключателях используется этот элемент, подключить светодиод к сети 220 В и рассчитывать на надежность достаточно проблематично.
Основные особенности
Мощность, которую эти устройства способны отдавать под нагрузкой, является важным показателем. Не стоит перегружать его, пытаясь добиться максимальных результатов. В результате таких действий могут выйти из строя драйверы для светодиодов или же сами LED-элементы.

Дешевый светодиодный драйвер
На электронную начинку устройства влияет множество причин:
- класс защиты аппарата;
- элементная составляющая, которая применяется для сборки;
- параметры входа и выхода;
- марка производителя.
Изготовление современных драйверов выполняется при помощи микросхем с использованием технологии широтно-импульсного преобразования, в состав которых входят импульсные преобразователи и схемы, стабилизирующие ток. ШИМ-преобразователи запитываются от 220 В, обладают высоким классом защиты от коротких замыканий, перегрузок, а так же высоким КПД.
Технические характеристики
Перед приобретением преобразователя для светодиодов следует изучить характеристики устройства. К ним относятся следующие параметры:
- выдаваемая мощность;
- выходное напряжение;
- номинальный ток.

Схема подключения LED-драйвера
На выходное напряжение влияет схема подключения к источнику питания, количество в ней светодиодов. Значение тока пропорционально зависит от мощности диодов и яркости их излучения. Светодиодный драйвер должен выдавать столько тока для светодиодов, сколько потребуется для обеспечения постоянной яркости. Стоит помнить, что мощность необходимого устройства должна быть более потребляемой всеми светодиодами. Рассчитать ее можно, используя следующую формулу:
P = P(led) × n
P(led) – мощность одного LED-элемента;
n — количество LED-элементов.
Для обеспечения длительной и стабильной работы драйвера следует учитывать запас мощности устройства в 20–30% от номинальной.

Подключение светодиодов к драйверу
Выполняя расчет, следует учитывать цветовой фактор потребителя, так как он влияет на падение напряжения. У разных цветов оно будет иметь отличающиеся значения.
Срок годности
Светодиодные драйверы, как и вся электроника, обладают определенным сроком службы, на который сильно влияют эксплуатационные условия. LED-элементы, изготовленные известными брендами, рассчитаны на работу до 100 тысяч часов, что намного дольше источников питания. По качеству рассчитанный драйвер можно классифицировать на три типа:
- низкого качества, с работоспособностью до 20 тысяч часов;
- с усредненными параметрами — до 50 тысяч часов;
- преобразователь, состоящий из комплектующих известных брендов — до 70 тысяч часов.
Многие даже не знают, зачем обращать внимание на этот параметр. Это понадобится для выбора устройства для длительного использования и дальнейшей окупаемости. Для использования в бытовых помещениях подойдет первая категория (до 20 тысяч часов).
Как подобрать драйвер?
Насчитывается множество разновидностей драйверов, используемых для LED-освещения. Большинство из представленной продукции изготовлено в Китае и не имеет нужного качества, но выделяется при этом низким ценовым диапазоном. Если нужен хороший драйвер, лучше не гнаться за дешевизной китайского производства, так как их характеристики не всегда совпадают с заявленными, и редко когда к ним прилагается гарантия. Может быть брак на микросхеме или быстрый выход из строя устройства, в таком случае не удастся совершить обмен на более качественное изделие или вернуть средства.

Светодиодный драйвер без корпуса
Наиболее часто выбираемым вариантом является бескорпусный драйвер, питающийся от 220 В или 12 В. Различные модификации позволяют использовать их для одного или более светодиодов. Эти устройства можно выбрать для организации исследований в лаборатории или же проведения экспериментов. Для фито-ламп и бытового применения выбирают драйверы для светодиодов, находящиеся в корпусе. Бескорпусные устройства выигрывают в ценовом плане, но проигрывают в эстетике, безопасности и надежности.
Виды драйверов
Устройства, осуществляющие питание светодиодов, условно можно разделить на:
- импульсные;
- линейные.

Импульсный драйвер
Устройства импульсного типа производят на выходе множество токовых импульсов высокой частоты и работают по принципу ШИМ, КПД у них составляет до 95%. Импульсные преобразователи имеют один существенный недостаток — во время работы возникают сильные электромагнитные помехи. Для обеспечения стабильного выходного тока в линейный драйвер установлен генератор тока, который играет роль выхода. Такие устройства имеют небольшой КПД (до 80%), но при этом просты в техническом плане и стоят недорого. Такие устройства не получится использовать для потребителей большой мощности.
Из вышеперечисленного можно сделать вывод, что источник питания для светодиодов следует выбирать очень тщательно. Примером может послужить люминесцентная лампа, на которую подается ток, превышающий норму на 20%. В ее характеристиках практически не произойдет изменений, а вот работоспособность светодиода уменьшится в несколько раз.
lampagid.ru
Схема драйвера для светодиодов 220
Для того чтобы светодиодные лампы работали максимально ярко и эффективно, используются специальные модули – драйверы. Собрать самостоятельно схему драйвера для светодиодов сможет каждый, если, конечно, имеются познания в электротехнике. Смысл работы прибора – преобразовать переменное напряжение, протекающее в сети, в постоянное (пониженное). Но прежде чем приступать к сборке, нужно определиться с тем, какие требования к устройству предъявляются – проанализируйте характеристики и виды приборов.
Для чего нужны драйверы?
Основное назначение драйверов – это стабилизация тока, который проходит через светодиод. Причем нужно учесть, что сила тока, который проходит по кристаллу полупроводника, должна быть точно такой же, как и у светодиода по паспорту. Благодаря этому обеспечивается устойчивое освещение. Кристалл в светодиоде намного дольше прослужит. Чтобы узнать напряжение, необходимое для питания светодиодов, нужно воспользоваться вольт-амперной характеристикой. Это график, показывающий зависимость между напряжением питания и током.

Если планируется проводить освещение светодиодными лампами жилого или офисного помещения, то драйвер должен питаться от бытовой сети переменного тока с напряжением 220 В. Если же светодиоды используются в автомобильной или мототехнике, нужно использовать драйверы, питающиеся от постоянного напряжения, значение 9-36 В. В некоторых случаях (если светодиодная лампа небольшой мощности и питается от сети 220 В) допускается убрать схему драйвера светодиода. От сети если запитано устройство, достаточно включить в схему постоянный резистор.
Параметры драйверов
Прежде чем приобрести устройство или самостоятельно его изготовить, нужно ознакомиться с тем, какие у него имеются основные характеристики:
- Номинальный ток потребления.
- Мощность.
- Выходное напряжение.
Напряжение на выходе преобразователя напрямую зависит от того, какой выбран способ подключения источника света, числа светодиодов. Ток имеет прямую зависимость от яркости и мощности элементов.

Преобразователь должен обеспечивать ток, при котором светодиоды будут работать с одинаковой яркостью. На PT4115 схема драйвера светодиодов реализуется довольно просто – это самый распространенный преобразователь напряжения для использования с LED-элементами. Изготовить прибор на его основе можно буквально «на коленке».
Мощность драйвера
Мощность прибора – это самая важная характеристика. Чем мощнее драйвер, тем большее число светодиодов можно подключить к нему (конечно, придется проводить простые расчеты). Обязательное условие – мощность драйвера должна быть больше, чем у всех светодиодов в сумме. Выражается это такой формулой:
Р = Р(св) х N,
где Р, Вт – мощность драйвера;
Р(св), Вт – мощность одного светодиода;
N – количество светодиодов.

Например, при сборке схемы драйвера для светодиода 10W вы можете смело подключать в качестве нагрузки LED-элементы мощностью до 10 Вт. Обязательно нужно иметь небольшой запас по мощности – примерно 25%. Поэтому, если планируется подключение светодиода 10 Вт, драйвер должен обеспечивать мощность не менее 12,5-13 Вт.
Цвета светодиодов
Обязательно нужно учитывать то, какой цвет испускает светодиод. От этого зависит то, какое падение напряжения будет у них при одинаковой силе тока. Например, при токе питания 0,35 А, падение напряжения у красных LED-элементов примерно 1,9-2,4 В. Мощность в среднем 0,75 Вт. Аналогичная модель с зеленым цветом будет уже иметь падение в интервале 3,3-3,9 В, а мощность 1,25 Вт. Поэтому, если вы применяете схему драйвера светодиода 220В с преобразованием в 12 В, к нему можно подключить максимум 9 элементов с зеленым цветом или 16 с красным.
Типы драйверов

Всего можно выделить два типа драйверов для светодиодов:
- Импульсные. С помощью таких устройств создаются в выходной части устройства высокочастотные импульсы. Функционирование основывается на принципах ШИМ-модуляции. Среднее значение тока зависит от коэффициента заполнения (отношения длительности одного импульса к частоте его повторения). Ток на выходе меняется за счет того, что коэффициент заполнения колеблется в интервале 10-80%, а частота остается постоянной.
- Линейные – типовая схема и структура выполнены в виде генератора тока на транзисторах с р-каналом. С их помощью можно обеспечить максимально плавную стабилизацию питающего тока в случае, если напряжение на входе неустойчиво. Отличаются дешевизной, но у них малая эффективность. При работе выделяется большое количество тепла, поэтому можно использовать только для маломощных светодиодов.
Импульсные получили большее распространение, так как у них КПД намного выше (может достигать 95%). Устройства компактные, диапазон входного напряжения достаточно широкий. Но есть один большой недостаток – высокое влияние различного рода электромагнитных помех.
На что обратить внимание при покупке?
Покупку драйвера обязательно нужно совершать при выборе светодиодов. На PT4115 схема драйвера светодиодов позволяет обеспечить нормальное функционирование системы освещения. Устройства, использующие ШИМ-модуляторы, построенные по схемам с одной микросхемой, применяются по большей части в автомобильной технике. В частности, для подключения подсветки и ламп головного освещения. Но качество у таких простейших приборов довольно низкое – для использования в бытовых системах они не годятся.
Диммируемый драйвер

Практически все конструкции преобразователей позволяют регулировать яркость свечения LED-элементов. С помощью таких устройств можно выполнять следующие действия:
- Уменьшать интенсивность освещенности днем.
- Скрывать или же подчеркивать определенные элементы интерьера.
- Зонировать помещение.
Благодаря этим качествам можно существенно сэкономить на электроэнергии, увеличить ресурс элементов.
Разновидности диммируемых драйверов

Типы диммируемых драйверов:
- Подключаются между БП и источником света. Они позволяют управлять энергией, которая поступает на LED-элементы. В основе конструкции находятся ШИМ-модуляторы с микроконтроллерным управлением. Вся энергия идет к светодиодам импульсами. От длины импульсов напрямую зависит энергия, которая поступит на светодиоды. Такие конструкции драйверов применяются в основном для работы модулей со стабилизированным питанием. Например, для лент или бегущих строк.
- Второй тип устройств позволяет проводить управление блоком питания. Управление производится при помощи ШИМ-модулятора. Также изменяется величина тока, который протекает через светодиоды. Как правило, такие конструкции применяются для питания тех устройств, которым необходим стабилизированный ток.
Нужно обязательно учесть тот факт, что ШИМ-регулирование плохо влияет на зрение. Лучше всего использовать схемы драйверов для питания светодиодов, в которых регулируется величина тока. Но вот один нюанс – в зависимости от величины тока свечение будет различным. При низком значении элементы будут излучать свет с желтым оттенком, при увеличении – с синеватым.
Какую микросхему выбрать?

Если нет желания искать готовое устройство, можно сделать его самостоятельно. Причем произвести расчет под конкретные светодиоды. Микросхем для изготовления драйверов довольно много. Вам потребуется только умение читать электрические схемы и работать с паяльником. Для простейших устройств (мощностью до 3 Вт) можно использовать микросхему PT4115. Она дешевая, и достать очень просто. Характеристики элемента такие:
- Регулирование яркости.
- Напряжение питания – 6-30 В.
- Выходной ток – 1,2 А.
- Допустимая погрешность при стабилизации тока – не более 5%.
- Защита от отключения нагрузки.
- Выводы для диммирования.
- КПД – 97%.
Обозначение выводов микросхемы:
- SW – подключение выходного коммутатора.
- GND – отрицательный вывод источников питания и сигнала.
- DIM – регулятор яркости.
- CSN – датчик входного тока.
- VIN – положительный вывод, соединяемый с источником питания.
Варианты схем драйверов
Варианты исполнения устройств:
- Если имеется источник питания с постоянным напряжением 6-30 В.
- Питание от переменного напряжения 12-18 В. В схему вводится диодный мост и электролитический конденсатор. По сути, «классическая» схема мостового выпрямителя с отсечением переменной составляющей.
Нужно отметить тот факт, что электролитический конденсатор не сглаживает пульсации напряжения, а позволяет избавиться от переменной составляющей в нем. В схемах замещения (по теореме Кирхгофа) электролитический конденсатор в цепи переменного тока является проводником. А вот в цепи постоянного тока он заменяется разрывом (нет никакого элемента).

Собрать схему драйвера светодиодов 220 своими руками можно только в том случае, если использовать дополнительный блок питания. В нем обязательно задействован трансформатор, которым понижается напряжение до необходимого значения в 12-18 В. Учтите, что нельзя подключать драйверы к светодиодам без электролитического конденсатора в блоке питания. При необходимости установки индуктивности необходимо произвести ее расчет. Обычно величина составляет 70-220 мкГн.
Процесс сборки
Все элементы, которые используются в схеме, нужно подбирать, опираясь на даташит (техническую документацию). Обычно в нем приводятся даже практические схемы использования устройств. Обязательно использовать в схеме выпрямителя низкоимпедансные конденсаторы (значение ESR должно быть низким). Применение иных аналогов снижает эффективность регулятора. Емкость должна быть не менее 4,7 мкФ (в случае использования схемы с постоянным током) и от 100 мкФ (для работы в цепи переменного тока).

Собрать по схеме драйвер для светодиодов своими руками можно буквально за несколько минут, потребуется только наличие элементов. Но нужно знать и особенности проведения монтажа. Катушку индуктивности желательно располагать возле вывода микросхемы SW. Изготовить ее можно самостоятельно, для этого необходимо всего несколько элементов:
- Ферритовое кольцо – можно использовать со старых блоков питания компьютеров.
- Провод типа ПЭЛ-0,35 в лаковой изоляции.
Старайтесь все элементы располагать максимально близко к микросхеме, это позволит исключить появление помех. Никогда не проводите соединения элементов при помощи длинных проводов. Они не только создают множество помех, но и способны принимать их. В результате микросхема, неустойчивая к этим помехам, будет работать неправильно, нарушится регулировка тока.
Вариант компоновки
Разместить все элементы можно в корпусе от старой лампы дневного света. В ней уже все имеется – корпус, патрон, плата (которую можно повторно использовать). Внутри расположить все элементы блока питания и микросхему можно без особого труда. А с внешней стороны установить светодиод, который планируете запитывать от устройства. Схемы драйверов для светодиодов 220 В можно использовать практически любые, главное – понизить напряжение. Сделать это легко простейшим трансформатором.

Монтажную плату желательно использовать новую. А лучше вообще обойтись без нее. Конструкция очень простая, допустимо применить навесной монтаж. Обязательно удостоверьтесь в том, что на выходе выпрямителя напряжение в допустимых пределах, в противном случае микросхема сгорит. После сборки и подключения произведите замер потребляемого тока. Учтите, что в случае снижения тока питания увеличится ресурс светодиодного элемента.
Тщательно выбирайте схему драйвера для питания светодиодов, рассчитывайте каждый компонент конструкции – от этого зависит срок службы и надежность. При правильном подборе драйверов характеристики светодиодов останутся максимально высокими, а ресурс не пострадает. Схемы драйверов для мощных светодиодов отличаются тем, что в них большее число элементов. Зачастую применяется ШИМ-модуляция, но в домашних условиях, что называется, «на коленке», такие устройства уже сложно собрать.
fb.ru
что это такое, виды, модели, цены
Ссылка на статью успешно отправлена!
Отправим материал вам на email
В последние годы все большую популярность стало набирать светодиодное освещение. Это вызвано тем, что используемые в светильниках светодиоды, их еще называют светоизлучающими диодами (СИД), довольно яркие, экономичные и долговечные. При помощи светодиодных элементов создаются интересные и оригинальные световые эффекты, которые можно применять в самых различных интерьерах. Однако, такие осветительные приборы очень требовательны к параметрам электросетей, особенно к величине тока. Поэтому для нормальной работы освещения в цепь должны быть включены драйверы для светодиодов. В этой статье мы попробуем разобраться, что же такое светодиодные драйверы, каковы их основные характеристики, как не ошибиться при выборе и можно ли сделать его своими руками.

Без такого миниатюрного устройства светодиоды работать не будут
Содержание статьи
Что такое драйвер для LED-освещения и его необходимость
Поскольку светодиоды являются токовыми приборами, то соответственно они очень чувствительны к этому параметру. Для нормальной работы освещения требуется, чтобы через LED-элемент проходил стабилизированный ток с номинальной величиной. Для этих целей и был создан драйвер для светодиодных светильников.
Некоторые читатели, увидев слово драйвер, будут в недоумении, поскольку все мы привыкли, что этим термином обозначается некое ПО, позволяющее управлять программами и устройствами. В переводе с английского языка driver означает: водитель, машинист, поводок, мачта, управляющая программа и еще более 10 значений, но всех их объединяет одна функция – управление. Так обстоит дело и с драйверами для светодиодных светильников, только управляют они током. Итак, с термином разобрались, теперь перейдем к сути.

Драйвера ставят даже в энергосберегающих лампах с цоколем, правда он хорошо замаскирован
LED-драйвер – электронное устройство, на выходе которого, после стабилизации, образуется постоянный ток необходимой величины, обеспечивающий нормальную работу светодиодных элементов. В этом случае стабилизируется именно ток, а не напряжение. Устройства, стабилизирующие выходное напряжение называются блоками питания, которые также используются для питания светодиодных элементов освещения.
Как мы уже поняли, основным параметром драйвера для светодиодов является выходной ток, который устройство может обеспечивать длительное время при включении нагрузки. Для нормального и стабильного свечения LED-элементов требуется, чтобы через светодиод протекал ток, величина которого должна совпадать со значениями указанными в техническом паспорте полупроводника.
Где нашли применение драйвера для светодиодов
Как правило, светодиодные драйверы рассчитаны на работу с напряжением 10, 12, 24, 220 В и постоянным током в 350 мА, 700 мА и 1 А. Стабилизаторы тока для светодиодов производят, в основном, под определенные изделия, но существуют и универсальные устройства, подходящие к LED-элементам ведущих производителей.

Стабилизаторы тока применяются и в уличном (основном и декоративном) освещении
В основном LED-драйвера в сетях с переменным током используются для:
В электроцепях с постоянным током стабилизаторы нужны для нормальной работы бортового освещения и фар автомобиля, переносных фонарей и т.д.

Применяют драйвера и в светодиодных прожекторах с датчиками движения
Токовые стабилизаторы адаптированы для работы с системами контроля и датчиками фотоэлементов, а в силу своей компактности могут быть легко установлены в распределительных коробках. Также посредством драйверов можно легко менять яркость и цвет светодиодных элементов, уменьшая величину тока посредством цифрового управления.
Как работают стабилизирующие устройства для светодиодов
Принцип работы преобразователя для светодиодных ламп и лент состоит в поддержании заданной величины тока независимо от выходного напряжения. В этом и заключается разница между блоком питания и драйвером для светодиодов.

Простейшая схема драйвера для светодиодной лампы
Если посмотреть на представленную выше схему то мы увидим, что ток, благодаря резистору R1, стабилизируется, а конденсатор C1 задает необходимую частоту. Далее в работу включается диодный мост, в результате чего на светодиоды поступает стабилизированный ток.
Характеристики устройства, на которые нужно обратить внимание
Подбирая ЛЕД-драйвер для светодиодных светильников необходимо обязательно учитывать тот основных параметра, а именно: ток, выходное напряжение и мощность, потребляемая подключаемой нагрузкой.
Выходное напряжение токового стабилизатора зависит от следующих факторов:
- количество LED-элементов;
- падение напряжения на СИД;
- способ подключения.
Ток на выходе устройства обусловлен мощностью и яркостью светодиодов. Мощность нагрузки оказывает влияние на потребляемый ею ток в зависимости от требуемой интенсивности свечения. Именно стабилизатор обеспечивает светодиодам ток необходимой величины.

Хорошо, когда на корпусе написаны все параметры на которые нужно обращать внимание
Мощность светодиодного светильника зависит непосредственно от:
- мощности каждого LED-элемента;
- общего количества светодиодов;
- цвета.
Потребляемую нагрузкой мощность можно рассчитать по следующей формуле:
PН = PLED × N, где
- PН – общая мощность нагрузки;
- PLED – мощность отдельного светодиода;
- N – количество светодиодных элементов, подключаемых в нагрузку .
Максимальная мощность токового стабилизатора не должна быть меньше PН. Для нормальной работоспособности LED-драйвера рекомендуется обеспечить запас мощности минимум на 20÷30%.

Цвет светодиодного элемента также играет большую роль
Помимо мощности и количества СИД, мощность нагрузки, подключаемой к драйверу, зависит и от цвета светодиодных элементов. Дело в том, что светодиоды разного цвета обладают разной величиной падения напряжения при одинаковом значении тока. Так, например, у светодиода CREE XP-E красного цвета падение напряжения при токе в 350 мА составляет 1,9÷2,4 В, и средняя мощность потребления будет порядка 750 мВт. У зеленого светодиодного элемента при том же токе падение напряжения будет 3,3÷3,9 В, а средняя мощность составит уже почти 1,25 Вт. Соответственно стабилизатором тока рассчитанным на мощность 10 Вт можно запитывать 12÷13 СИД красного цвета или 7-8 зеленых светодиодов.
Виды стабилизаторов по типу устройства
Токовые стабилизаторы для светоизлучающих диодов разделяются по типу устройства на импульсные и линейные.
У линейного драйвера выходом является токовый генератор, обеспечивающий плавную стабилизацию выходного тока при неустойчивом входном напряжении, не создавая при этом высокочастотных электромагнитных помех. Такие устройства имеют простую конструкцию и невысокую стоимость, однако не очень высокий КПД (до 80%) сужает область их использования до маломощных LED-элементов и лент.

Линейный стабилизатор тока для светодиодов
Устройства импульсного типа позволяют создавать на выходе череду токовых импульсов высокой частоты. Подобные драйвера работают по принципу широтно-импульсной модуляции (ШИМ), то есть средняя величина тока на выходе определяется отношением ширины импульсов к их частоте. Подобные устройства более востребованы в силу своей компактности и более высокого КПД, составляющего порядка 95%. Однако в сравнении с линейными драйверами ШИМ стабилизаторы имеют больший уровень электромагнитных помех.

Импульсный LED-преобразователь
Как подобрать драйвер для светодиодов
Необходимо сразу заметить, что резистор не может являться полноценной заменой драйверу, поскольку он не в состоянии защитить светодиоды от перепадов в сети и импульсных помех. Также не лучшим вариантом будет использование линейного источника тока вследствие его низкой эффективности, ограничивающей возможности стабилизатора.

Китайцы никогда не заботились об объемах наполнения – все в стиле минимализма
При выборе LED-драйвера для светодиодов стоит придерживаться следующих основных рекомендаций:
- приобретать стабилизатор тока лучше всего одновременно с нагрузкой;
- учитывать падение напряжения на СИД;
- ток высокого номинала уменьшает КПД светодиода и приводит его перегреву;
- учитывать мощность нагрузки, подключаемой к драйверу.
Также необходимо обращать внимание, чтобы на корпусе стабилизатора была указана его мощность, рабочие диапазоны входного и выходного напряжения, номинальный стабилизированный ток и степень влаго- и пылезащищенности устройства.
Рекомендация! Насколько мощный и качественный будет драйвер для светодиодной ленты или СИД выбирать, конечно же, вам. Тем не менее, следует помнить, что для нормальной работы всей создаваемой системы освещения лучше всего купить фирменный преобразователь, особенно если речь идет о светодиодных прожекторах и других мощных осветительных приборах.
Подключение преобразователей тока для светодиодов: схема драйвера для светодиодной лампы 220 В
Большинство производителей выпускают драйвера на интегральных микросхемах (ИМС), которые позволяют запитываться от пониженного напряжения. Все преобразователи для LED-освещения, существующие на данный момент, делятся на простые, созданные на основе 1÷3 транзисторов и более сложные, выполненные с применением микросхем с ШИМ.

Схема драйвера для светодиодов от сети 220 В с использованием микросхемы
Выше представлена схема драйвера на базе микросхемы, но как мы упоминали, существуют способы подключения при помощи резисторов и транзисторов. На самом деле вариантов подключения светодиодного освещения много и рассмотреть их все подробно в одном обзоре просто невозможно. На просторах интернета можно найти практически любую схему, подходящую именно для вашей ситуации.
Как рассчитать токовый стабилизатор для светодиодного освещения
Для определения выходного напряжения преобразователя требуется рассчитать соотношение мощности и тока. Так, например, при мощности 3 Вт и токе 0,3 А максимальное напряжение на выходе будет равно 10 В. Далее необходимо определиться со способом подключения, параллельное или последовательное, а также количеством светодиодов. Дело в том, что от этого зависит номинальная мощность и напряжение на выходе драйвера. После вычисления всех этих параметров можно подбирать соответствующий стабилизатор.

Обязательно нужно учитывать мощность нагрузки и выбирать стабилизатор с запасом этого значения
Стоит отметить, что у преобразователей рассчитанных на определенное количество LED-элементов имеется защита от внештатных ситуаций. Такой тип устройств отличается некорректной работой при подключении меньшего числа светодиодов – наблюдается мерцание или вообще не работают.
Диммируемый драйвер для LED-элементов — что это?
Последние модели преобразователей для светодиодов адаптированы для работы с регуляторами яркости свечения полупроводниковых кристаллов – диммерами. Использование этих устройств позволяет более рационально использовать электроэнергию и увеличить ресурс LED-элемента.

Диммируемые драйвера позволят управлять яркостью ламп и сделать освещение более комфортным для глаз
Диммируемые преобразователи бывают двух типов. Одни включены в цепь между стабилизатором и светодиодными элементами освещения и работают посредством ШИМ-управления. Преобразователи подобного типа используются для работы со светодиодными лентами, бегущей строкой и т.п.
Во втором варианте диммер устанавливается на разрыве между источником питания и стабилизатором, а принцип работы заключается, как в управлении параметрами тока, проходящего через светодиоды, так и при помощи широтно-импульсной модуляции.
Особенности китайских преобразователей тока для светодиодов
Высокая востребованность драйверов для LED-освещения привела к их массовому производству в азиатском регионе, частности в Китае. А эта страна славится не только качественной электроникой, но и массовым производством всевозможных подделок. Светодиодные драйвера китайского производства представляют собой импульсные преобразователи тока, как правило, рассчитанные на 350÷700 мА и в бескорпусном исполнении.

Китайские драйвера конечно дешевые, но лучше купить устройство проверенного производителя
Преимущества китайских преобразователей тока заключаются лишь в невысокой стоимости и наличии гальванической развязки, а вот недостатков все-таки больше и состоят они в:
- высоком уровне радиопомех;
- ненадежности, вызванной дешевыми схемными решениями;
- незащищенность от сетевых колебаний и перегрева;
- высокий уровень пульсаций на выходе стабилизатора;
- малый срок эксплуатации.
Обычно комплектующие китайского производства работают на пределе своих возможностей, без наличия какого-либо запаса. Поэтому если желаете создать надежно работающую систему освещения лучше всего покупать преобразователь для светодиодов от известного проверенного производителя.
Срок эксплуатации токовых преобразователей
Как и любое электронное устройство, драйвер для светодиодного источника тока имеет определенный срок эксплуатации, который зависит от следующих факторов:
- стабильность напряжения в сети;
- температурные перепады;
- нагрузка;
- уровень влажности.

Фирменный светодиодный драйвер прослужит однозначно дольше китайского или самодельного
Известные производители дают гарантию на свои изделия в среднем на 30 000 часов работы. Дешевые самые простые стабилизаторы рассчитаны на эксплуатацию в течение 20 000 часов, среднего качества – 20 000 ч и японские – до 70 000 ч.
Схема светодиодного драйвера на базе РТ 4115
Благодаря появлению большого количества светодиодных элементов с мощностью 1÷3 Вт и невысокой ценой, большинство людей предпочитает на их основе делать домашнее и автомобильное освещение. Однако для этого необходим драйвер, который позволит стабилизировать ток до номинального значения.

Простая схема драйвера для светодиодов с PT4115 с регулятором яркости
Для корректной работы преобразователя рекомендуется использовать танталовые конденсаторы. Если не установить конденсатор по питанию, то интегральная микросхема (ИМС) просто выйдет из строя при включении устройства в сеть. Выше представлена схема драйвера для светодиода на ИМС PT4115.
Как сделать своими руками драйвер для светодиодов
При помощи готовых микросхем даже начинающий радиолюбитель в состоянии собрать преобразователь для светодиодов различной мощности. Для этого требуется умение чтения электросхем и опыт работы с паяльником.
Собрать токовый стабилизатор для 3-ваттных стабилизаторов, можно используя микросхему от китайского производителя PowTech – PT4115. Данная ИМС может быть использована для светодиодных элементов с мощностью более 1 Вт и состоит из блоков управления с довольно мощным транзистором на выходе. Преобразователь, созданный на основе PT4115, имеет высокую эффективность и минимальный набор компонентов.
Как видим при наличии опыта, знаний и желания можно собрать светодиодный драйвер практически по любой схеме. Теперь рассмотрим пошаговую инструкцию создания простейшего токового преобразователя для 3-х LED-элементов мощность по 1 Вт, из зарядного устройства для мобильного телефона. Кстати, это поможет лучше разобраться в работе устройства и позднее перейти к более сложным схемам, рассчитанным на большее количество светодиодов и ленты.
Инструкция по сборке драйвера для светодиодов
| Изображение | Описание этапа |
|---|---|
![]() | Для сборки стабилизатора на потребуется старое зарядное устройство от мобильного телефона. Мы взяли от «Самсунга», так они надежны. Зарядное устройство с параметрами 5 В и 700 мА аккуратно разобрать. |
![]() | Также нам понадобится переменный (подстроечный) резистор на 10 кОм, 3 светодиода по 1 Вт и шнур с вилкой. |
![]() | Вот так выглядит разобранное зарядное, которое мы будет переделывать. |
![]() | Выпаиваем выходной резистор на 5 кОм и на его место ставим «подстроечник». |
![]() | Далее находим выход на нагрузку и определив полярность припаиваем светодиоды, заранее собранные последовательно. |
![]() | Выпаиваем старые контакты от шнура и на их место подсоединяем провод с вилкой. Перед тем как проверить на работоспособность драйвер для светодиодов нужно убедиться в правильности соединений, их прочности и чтобы ничего не создало короткого замыкания. Только после этого можно приступать к тестам. |
![]() | Подстроечным резистором начинаем регулировку пока светодиоды не начнут светиться. |
![]() | Как видим LED-элементы горят. |
![]() | Тестером проверяем необходимые нам параметры: выходное напряжение, ток и мощность. При необходимости выполняем регулировку резистором. |
![]() | Вот, и все! Светодиоды горят нормально, нигде ничего не искрит и не дымит, а значит переделка прошла успешно, с чем вас и поздравляем. |
Как видите сделать простейший драйвер для светодиодов очень просто. Конечно, опытным радиолюбителям эта схема может быть не интересна, но для новичка она отлично подойдет для практики.
Где можно купить драйвер для светодиодов и какова цена вопроса
Приобрести преобразователь для светодиодов можно в специализированных магазинах для радиолюбителей, в магазинах или в интернете. Последний вариант сейчас наиболее популярен, поскольку в интернет-магазинах цены, как правило, ниже, а ассортимент товаров больше.
Как видим, по приведенным в таблице ценам, заниматься самостоятельно созданием ЛЕД-драйвера для светодиодных светильников может либо «отъявленный» радиолюбитель, либо тот, кто предпочитает делать все своими руками. Кстати, вещи, созданные своими руками, приносят больше удовольствия, чем те, что были приобретены в магазине. А вообще это дело вкуса, времени, желания и финансов.
Несколько слов в завершение
Вот мы и разобрались, что такое драйвер для светодиода, где он применяется, как работает и даже как можно его сделать своими руками. Хочется надеяться, что информация, которую вы сегодня узнали после прочтения нашей статьи, дала вам новые знания, была интересной и самое главное полезной. Если у вас возникли вопросы или вы можете предложить что-то свое, то обязательно напишите нам, и мы разберемся вместе и ответим на ваши вопросы.
Понравилась статья?
Сохраните, чтобы не потерять!
homemyhome.ru










