Драйвер для светодиодов диммируемый – Диммируемые драйверы
Диммируемые драйверы
Диммируемый драйвер для светодиодов
Диммируемый драйвер для светодиодов позволяет: экономить электроэнергию, экономить ресурс источников света, получить необходимый художественный эффект.
Снижение уровня освещения в помещениях, когда они не используются, или когда в помещение попадает естественный свет, позволяет значительно экономить материальные и энергоресурсы. Использование диммируемого драйвера для светодиода дает возможность зонального динамического изменения освещения и позволяет получить художественные/маркетинговые акценты, привлечь внимание к деталям или скрыть их. Использование блока питания диммируемого для светодиодов позволяет регулировать световой поток по сигналам датчиков освещенности и присутствия, кроме экономии ресурсов, позволяет получить эффект интерактивности и интеллектуальности пространства.
При освещении пространств искусственными источниками освещения эффективными и доступными методами регулирования уровня освещенности являются два: регулирования количества источников света задействованных в освещении (включенных) и использование драйверов с диммированием.
Первый метод знаком нам по люстрам в квартирах, в которых многоклавишным выключателем можно было получить несколько уровней освещения в комнате. Для больших промышленных и коммерческих помещений этот метод превращается в разделение всего количества используемых приборов на группы так, чтобы при работе любого количества групп освещение оставалось максимально равномерным, а количество уровней яркости отвечало техническим требованиям. Этот метод не всегда качественно реализуем, или его реализация экономически неэффективна. Так, наиболее равномерное освещение получается большим количеством маломощных источников света, а регулирование освещения получается без значительных перепадов уровня освещения по площади. Но в то же время, когда замена нескольких маломощных приборов одним мощным даёт как выигрыш в стоимости светильников, так и в эффективности освещения, отключение нескольких таких светильников способно кардинально нарушить равномерность освещения.
В связи с явными недостатками первого метода регулирования, набирает популярность второй метод – драйвер с диммированием. Варианты реализаций: изменение количества светоизлучающих элементов в светильнике, изменение яркости свечения элементов, прерывистое свечение элементов (ШИМ регулирование). В первом варианте реализована идея с разделением источников на группы, она имеет два недостатка: ограниченное количество уровней яркости и, при сложной диаграмме направленности источника света, невозможность её воспроизведения во всём диапазоне регулирования яркости. Второй и третий варианты представляют собой регулирование подводимой мощности к излучающим элементам двумя различными методами.
Диммируемый драйвер для светодиодов: возникновение
Диммер в прямом русском переводе следует понимать как «регулятор». В простейшем виде многие уже встречались с диммерами еще в светильниках с лампами накаливания. Такие приборы позволяли плавно менять яркость свечения настольной лампы, люстры и т. п. Классический (тиристорный) диммер регулирует количество энергии, передаваемое от сети электроснабжения к источнику света. С появлением моделей с блоками питания (такие как светодиодные, люминесцентные и т. д.) использование классических диммеров стало сопровождаться сложностями, и большая часть современных источников света с классическим диммером работают некорректно. Постепенно совершился переход к диммируемым блокам питания для светодиодов. Следует признать, что в бытовом классе приборов, некоторые производители выпускают источники питания светодиодов, диммируемые классическим диммером (в англоязычной литературе встречается название leddimmingdriver).
Диммируемый светодиодный драйвер: развитие и типы
Дальнейшее развитие диммеров привело их к двум современным типам: включаемые между источником питания и нагрузкой (светодиодами) и управляющие источником питания. Первый тип прямо регулирует количество энергии, передаваемой от источника питания к нагрузке, и, в связи со специфическими особенностями, применяется в основном в источниках света на фиксированное напряжение (светодиодные ленты и т. п.), в то время как для источников света с стабилизированным током через светодиоды в основном используется второй тип.
Первый тип диммеров в основном использует ШИМ регулирование, при котором энергия от источника к нагрузке подаётся импульсами, шириной которых и определяется количество энергии от минимальной, когда импульсов нет (или они очень малы по длительности) до максимальной, когда импульсы сливаются или их паузы минимально короткие. Во втором случае используется как ШИМ-регулирование, так и регулирование тока. Рассмотрим оба.
Белый светодиод имеет такой недостаток, как зависимость цветового оттенка от тока протекающего через него (от яркости). Так при снижении тока ниже номинального светодиод «желтеет», а при повышении – «синеет». Это связано с тем, что полупроводниковый кристалл в белом светодиоде излучает синий (чаще всего) свет, а нанесённый на него люминофор преобразовывает часть его в другие цвета от красного до зелёного. В итоге, на выходе из диода часть синего света от кристалла смешивается со светом от люминофора в правильных пропорциях в белый свет заданной цветовой температуры. При регулировании количества света от кристалла эти пропорции нарушаются.
Таким образом, при регулировании освещения изменением тока через светодиоды, кроме изменения яркости освещения, получается и сопутствующее изменение цвета. При регулировании света ШИМ, то есть подачей на светодиоды часто повторяющихся импульсов постоянной амплитуды (но регулируемой ширины) светодиод работает на номинальном токе, но меньшее время и цветового сдвига нет. Следует заметить, что этот метод диммирования при таком явном преимуществе и в некоторых случаях при большей простоте реализации имеет и явные недостатки, такие как стробоскопические эффекты (очень опасные в промышленности), повышенная утомляемость зрения и высокий уровень излучаемых помех. Выше перечисленное с учетом снижения эффектов цветовых сдвигов у современных диодов привело к тому, что ШИМ-регулирование используется всё реже, а регулирование тока всё чаще.
На данный момент все драйверы с диммированием для светодиодов производства Аргос-Электрон регулируют ток, протекающий через светодиоды. Такие диммируемые светодиодные драйверы изготавливаются как в герметичном, так и в негерметичном исполнении. У негерметичных LED-драйверов диммируемых увеличено количество контактов в выходной колодке, а у герметичных отдельным шнуром добавлен дополнительный вывод управления.
Блок питания ИПС50-350ТУ IP20

Фрагмент корпуса блока питания ИПС50-350ТУ (крупно выходная колодка).

Фрагмент корпуса герметичного блока питания (увеличена выходная часть).

Внутренняя схема входа диммирования драйверов в исполнении IP20 (примерная).
В герметичных драйверах нет переключателя SB1.
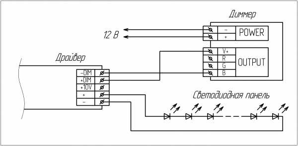
Для подключения к блоку питания управляющего устройства используется три цепи: +10V, +DIM и -DIM. Регулирование выходного тока осуществляется изменением напряжения на выводе +DIM относительно -DIM в пределах 0 – 10 вольт. При напряжении ниже примерно 1 вольта, блок питания снижает выходную мощность до нуля, а при напряжениях порядка 9,5 – 10 вольт выходная мощность максимальна. Вывод +DIM допускает подачу напряжения до 12 вольт. Вывод +10V используется при регулировании с помощью внешнего переменного резистора или при ШИМ-регулировании, а так же позволяет включить драйвер на полную мощность без дополнительных схем.
Для включения герметичного драйвера на максимальную мощность без схемы управления необходимо соединить выводы +DIM и +10V, а в негерметичном блоке достаточно замкнуть переключатель рядом с выходной колодкой.

Зависимость выходной мощности драйвера от напряжения на входе диммирования (отнормировано к максимальной мощности).
Допустимый диапазон напряжений на выводе +DIM 0 – 12 В.
Входное сопротивление у +DIM и —DIM не менее 240 кОм.
Максимальный вытекающий ток вывода +10V не более 100 мкА.
Изменять потенциал на выводах диммирования можно несколькими способами.

Регулирование при помощи переменного резистора (рекомендуемый номинал 100 кОм)
Регулирование при помощи переменного резистора номиналом 100 кОм. Для этого варианта может быть использован, например, переменный резистор, установленный в корпус классического диммера или самодельный регулятор. Следует обратить внимание на то, что максимальная выходная мощность драйвера в этой схеме будет составлять 95 – 100% от паспортной, что связано с особенностями работы драйвера в этой схеме.

Пример классического (тиристорного) диммера.

Регулирование при помощи источника напряжения 0 – 10 вольт.
Во втором случае может быть использован любой регулируемый источник напряжения, выходы промышленных датчиков или промышленных контроллеров стандарта 0-10 В (1-10 В), а так же бытовые панели управления (например «Панель сенсорная LN-120E-IN»). Напряжение подаётся на +DIM и -DIM, а цепи +10V и +DIM не должны быть замкнуты между собой.

Панель сенсорная LN-120E-IN

Регулирование при помощи стандартного выхода «открытый коллектор».
В третьем случае возможно использование как промышленных контроллеров с выходом типа «открытый коллектор», так и использование диммеров для светодиодных лент 12 вольт. От регулятора на вход диммирования драйвера можно подавать импульсы ШИМ амплитудой 10 – 12 вольт между (далее обозначение знаком /) +DIM и -DIM (цепи +10V и +DIM не должны быть соединены). В таком случае с увеличением ширины импульсов выходная мощность драйвера будет расти.
Ключ типа «открытый коллектор» следует подключать –DIM/+DIM, а выводы +DIM и +10V замкнуть между собой. В такой схеме включения увеличение времени открытия транзистора будет приводить к снижению выходного тока. Для смены зависимости выходной мощности от ширины импульсов на противоположную необходимо ключ ШИМ-регулятора включить +10V/ +DIM, а +DIM/-DIM- дополнительно установить резистор 100 — 500 кОм.
Во всех случаях для корректной работы драйвера частота ШИМ должна быть не менее 300 герц (Fшим>300Гц).
Если нагрузочная способность выхода контроллера будет недостаточна для управления необходимым количеством драйверов, то на некоторых из них можно разомкнуть цепи +DIM и +10V (см. схему).
Пример диммера для светодиодных лент 12 вольт.

Использование для управления диммера светодиодных лент 12 вольт.
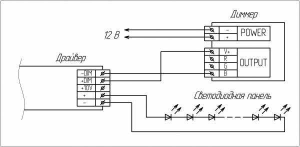
Если использовать контроллер RGB (RGBW) совместно с диммируемыми драйверами, нагруженными на панели соответствующих цветов, то можно получить полноцветное регулирование освещение (например для фасадов).
Поскольку вход диммирования соответствует по уровням сигналов промышленному стандарту 0-10В, толерантен к подаче 12 вольт и имеет высокое входное сопротивление, управлять диммером может очень широкий спектр промышленных и бытовых устройств от RGB контроллеров светодиодных лент и переходников DALI-0-10V до промышленных датчиков и контроллеров.

Управление драйвером контактами переключателей или датчиков.
В случае необходимости, диммируемым драйвером можно управлять при помощи контактных устройств приборов автоматики, датчиков (движения, света и т. д.) или выключателей. Для этого возможно использования одной из двух схем:
1) для того что бы драйвер выключался при замыкании контактов выключателя, необходимо соединить цепи +10V и +DIM, а выключатель — +DIM/ -DIM;
2) для того что бы драйвер включался при замыкании контактов выключателя, выключатель следует включить +10V/+DIM, а +DIM/ -DIM дополнительно установить резистор 100 — 500 кОм.
Драйверы могут быть объединены по цепям диммирования, если они не включены на одну нагрузку. Запрещается объединять цепи диммирования драйверов, работающих на общую нагрузку. На один диммер может быть включено более 40 драйверов. Не рекомендуем использовать линию диммирования длиннее 50 метров.
Для использования совместно с драйверами производства Аргос-Электрон, могут подойти такие приборы регулирования:
Arlight LN120E.
Arlight DIM105A
Arlight LN015
Arlight ROTARY SR-2202-IN
Arlight LN016
ArlightSENSCT-201-IN
(обратите внимание на питание самой панели)
В качестве преобразователей стандарта DALI мы обратили внимание на такие устройства:
LUNATONE 86458508-PWM DALI auf 0-10V PWM Interface
CONVERTOR-DALI-0-10V
Часто задаваемые вопросы:
Можно ли использовать тиристорный диммер для управления димируемыми драйверами производства Аргос-Электрон?
Нет.
Как зависти выходная мощность драйвера от напряжения на входе диммирования?
Выходная мощность растёт с напряжением +DIM/ -DIM.
Можно ли использовать для управления драйвером ШИМ-регулирование, каковы должны быть его параметры?
Для регулирования мощности во всём диапазоне, подаваемые импульсы ШИМ должны иметь амплитуду 10 – 12 вольт Такие ипульсы подаются на +DIM и -DIM. Если используется «открытый коллектор», он подключается +DIM/ -DIM, а +DIM и +10Vнеобходимо замкнуть. Возможно подключение ключа ШИМ +DIM/+10V, +DIM /-DIM необходимо подключить резистор номиналом 100 – 500 кОм. Такое подключение позволит изменить зависимость выходной мощности от ширины импульсов на противоположную. Во всех случаях несущая частота ШИМ должна быть выше 300 герц.
Как включить драйвер на полную мощность, если у меня нет диммера?
Если у вас герметичный драйвер, вам необходимо соединить между собой два провода в шнуре диммирования жёлто-зелёный и коричневый (цепи +10V и +DIM), а синий провод оставить не подключенным (-DIM). Если у вас драйвер в исполнении IP20, переведите переключатель рядом с выходной колодкой в положение ON.
Как мне подключить выключатель, что бы при его замыкании светильник выключался?
Соедините цепи +DIM и +10V, а выключатель подключите +DIM/-DIM.
Как мне подключить выключатель, что бы при его замыкании светильник включался?
Подключите резистор номиналом 100 – 500 кОм +DIM/ -DIM, а выключатель подключите +DIM/+10V.
www.argos-trade.com
Диммирование драйверов
Возможность регулирования светового потока от искусственных источников света позволяет: экономить электроэнергию, экономить ресурс источников света, получить необходимый художественный эффект.
Снижение уровня освещения в помещениях, когда они не используются, или когда в помещение попадает естественный свет, позволяет значительно экономить материальные и энергоресурсы. Возможность зонального динамического изменения освещения позволяет получить художественные/маркетинговые акценты, привлечь внимание к деталям или скрыть их. Использование регулирования светового потока по сигналам датчиков освещенности и присутствия, кроме экономии ресурсов, позволяют получить эффект интерактивности и интеллектуальности пространства.
При освещении пространств искусственными источниками света эффективными и доступными методами регулирования уровня освещенности являются два: регулирования количества источников света задействованных в освещении (включенных) и регулирование светового потока излучаемого источниками света.
Первый метод в виде простейшей реализации знаком нам по люстрам в квартирах, в которых многоклавишным (в основном двух) выключателем можно было получить несколько уровней освещения в комнате. Для больших промышленных и коммерческих помещений этот метод превращается в разделение всего количества используемых светильников на группы так, что бы при работе любого количества групп освещение оставалось максимально равномерным, а количество уровней яркости отвечало требованиям. Этот метод не всегда качественно реализуем, или его реализация экономически неэффективна. Так, наиболее равномерное освещение получается большим количеством маломощных источников света, а регулирование освещения получается без значительных перепадов уровня освещения по площади. Но в то же время, когда замена нескольких маломощных источников света одним мощным даёт как выигрыш в стоимости светильников, так и в эффективности освещения, отключение нескольких таких светильников способно кардинально нарушить равномерность освещения.
В связи с явными недостатками первого метода регулирования, набирает популярность второй метод – регулирование светового потока испускаемого светильником. Этот метод может иметь несколько различных по сути реализаций: изменение количества задействованных светоизлучающих элементов в светильнике, изменение яркости свечения элементов, прерывистое свечение элементов (ШИМ регулирование). В первом варианте по сути реализована идея с разделением источников света на группы и имеет два основных недостатка: ограниченное количество уровней яркости и при сложной диаграмме направленности источника света, невозможность её воспроизведения во всём диапазоне регулирования яркости. Второй и третий варианты представляют собой регулирование подводимой мощности к излучающим элементам двумя различными методами, подробнее которые рассмотрим позднее.
Диммер в прямом русском переводе следует понимать как «регулятор света». В простейшем виде многие уже встречались с диммерами еще в светильниках с лампами накаливания. Такие приборы позволяли плавно менять яркость свечения настольной лампы, люстры и т. п. Классический (тиристорный) диммер регулирует количество энергии передаваемое от сети электроснабжения к источнику света. С появлением источников света с блоками питания (такие как светодиодные, люминесцентные и т. д.) использование классических диммеров стало сопровождаться сложностями, и большая часть современных источников света с классическим диммером работают не корректно. Следует признать, что в бытовом классе приборов, некоторые производители выпускают источники питания светодиодов, диммируемые классическим диммером.
Дальнейшее развитие диммеров привело их к двум современным типам: включаемые между источником питания и нагрузкой (светодиодами) и управляющие источником питания. Первый тип прямо регулирует количество энергии, передаваемой от источника питания к нагрузке, и, в связи со специфическими особенностями, применяется в основном в источниках света на фиксированное напряжение (светодиодные ленты и т. п.) , в то время как для источников света с стабилизированным током через светодиоды в основном используется второй тип.
Первый тип диммеров в основном использует ШИМ регулирование, при котором энергия от источника к нагрузке подаётся импульсами, шириной которых и определяется количество энергии от минимальной, когда импульсов нет (или они очень малы по длительности) до максимальной, когда импульсы сливаются или паузы между ними минимально короткие. Во втором случае используется как ШИМ-регулирование, так и регулирование тока. Рассмотрим оба.
Белый светодиод имеет такой недостаток, как зависимость цветового оттенка от тока протекающего через него (от яркости). Так при снижении тока ниже номинального светодиод «желтеет», а при повышении – «синеет». Это связано с тем, что полупроводниковый кристалл в белом светодиоде излучает синий (чаще всего) свет, а нанесённый на него люминофор преобразовывает часть его в другие цвета от красного до зелёного. В итоге, на выходе из диода часть синего света от кристалла смешивается со светом от люминофора в правильных пропорциях в белый свет заданной цветовой температуры. При регулировании количества света от кристалла эти пропорции нарушаются.
Таким образом, при регулировании освещения изменением тока через светодиоды, кроме изменения количества света, получается и сопутствующее изменение цвета. При регулировании света ШИМ, то есть подачей на светодиоды часто повторяющихся импульсов постоянной амплитуды (но регулируемой ширины) светодиод работает на номинальном токе, но меньшее время и цветового сдвига нет. Следует заметить, что этот метод диммирования при таком явном преимуществе и в некоторых случаях при большей простоте реализации имеет и явные недостатки, такие как стробоскопические эффекты (очень опасные в промышленности), повышенная утомляемость зрения и высокий уровень излучаемых помех. Выше перечисленное с учетом снижения эффектов цветовых сдвигов у современных диодов привело к тому, что ШИМ-регулирование используется всё реже, а регулирование тока всё чаще.
На данный момент все диммируемые светодиодные драйверы производства Аргос-Электрон регулируют ток, протекающий через светодиоды. Такие светодиодные драйверы изготавливаются как в герметичном, так и в негерметичном исполнении. У негерметичных драйверов увеличено количество контактов в выходной колодке, а у герметичных отдельным шнуром добавлен дополнительный вывод управления.
Драйвер ИПС50-350ТУ IP20
Фрагмент корпуса драйвера ИПС50-350ТУ (крупно выходная колодка).
Фрагмент корпуса герметичного драйвера (увеличена выходная часть).
Внутренняя схема входа диммирования драйверов в исполнеии IP20 (примерная).
В герметичных драйверах нет переключателя SB1.
Для подключения к драйверу управляющего устройства используется три цепи: +10V, +DIM и -DIM. Регулирование выходного тока осуществляется изменением напряжения на выводе +DIM относительно -DIM в пределах 0 – 10 вольт. При напряжении ниже примерно 1 вольта, драйвер снижает выходную мощность до нуля, а при напряжениях порядка 9,5 – 10 вольт выходная мощность максимальна. Вывод +DIM допускает подачу напряжения до 12 вольт. Вывод +10V используется при регулировании с помощью внешнего переменного резистора или при ШИМ-регулировании, а так же позволяет включить драйвер на полную мощность без дополнительных схем.
Для включения герметичного драйвера на максимальную мощность без схемы управления необходимо соединить между собой выводы +DIM и +10V, а в негерметичном драйвере достаточно замкнуть переключатель рядом с выходной колодкой.
Зависимость выходной мощности драйвера от напряжения на входе диммирования (отнормировано к максимальной мощности).
Допустимый диапазон напряжений на выводе +DIM 0 – 12 В.
Входное сопротивление между +DIM и -DIM не менее 240 кОм.
Максимальный вытекающий ток вывода +10V не более 100 мкА.
Изменять потенциал на выводах диммирования можно несколькими способами.

Регулирование при помощи переменного резистора (рекомендуемый номинал 100 кОм)
Регулирование при помощи переменного резистора номиналом 100 кОм. Для этого варианта может быть использован, например, переменный резистор, установленный в корпус классического диммера или самодельный регулятор. Следует обратить внимание на то, что максимальная выходная мощность драйвера в этой схеме будет составлять 95 – 100% от паспортной, что связано с особенностями работы драйвера в этой схеме.
Пример классического (тиристорного) диммера.
Регулирование при помощи источника напряжения 0 – 10 вольт.
Во втором случае может быть использован любой регулируемый источник напряжения, выходы промышленных датчиков или промышленных контроллеров стандарта 0-10 В (1-10 В), а так же бытовые панели управления (например «Панель сенсорная LN-120E-IN»). Напряжение подаётся между +DIM и -DIM, а цепи +10V и +DIM не должны быть замкнуты между собой.
Панель сенсорная LN-120E-IN
Регулирование при помощи стандартного выхода «открытый коллектор».
В третьем случае возможно использование как промышленных контроллеров с выходом типа «открытый коллектор», так и использование диммеров для светодиодных лент 12 вольт. От регулятора на вход диммирования драйвера можно подавать импульсы ШИМ амплитудой 10 – 12 вольт между +DIM и -DIM (цепи +10V и +DIM не должны быть соединены). В таком случае с увеличением ширины импульсов выходная мощность драйвера будет расти.
Ключ типа «открытый коллектор» следует подключать между -DIM и +DIM, а выводы +DIM и +10V замкнуть между собой. В такой схеме включения увеличение времени открытия транзистора будет приводить к снижению выходного тока. Для смены зависимости выходной мощности от ширины импульсов на противоположную необходимо ключ ШИМ-регулятора включить между +10V и +DIM, а между +DIM и -DIM дополнительно установить резистор 100 — 500 кОм.
Во всех случаях для корректной работы драйвера частота ШИМ должна быть не менее 300 герц (Fшим>300Гц).
Если нагрузочная способность выхода контроллера будет недостаточна для управления необходимым количеством драйверов, то на некоторых из них можно разомкнуть цепи +DIM и +10V (см. схему).

Пример диммера для светодиодных лент 12 вольт.
Использование для управления диммера светодиодных лент 12 вольт.
Если использовать контроллер RGB (RGBW) совместно с диммируемыми драйверами, нагруженными на панели соответствующих цветов, то можно получить полноцветное регулирование освещение (например для фасадов).
Поскольку вход диммирования соответствует по уровням сигналов промышленному стандарту 0-10В, толерантен к подаче 12 вольт и имеет высокое входное сопротивление, управлять диммером может очень широкий спектр промышленных и бытовых устройств от RGB контроллеров светодиодных лент и переходников DALI-0-10V до промышленных датчиков и контроллеров.
Управление драйвером контактами переключателей или датчиков.
В случае необходимости, диммируемым драйвером можно управлять при помощи контактных устройств приборов автоматики, датчиков (движения, света и т. д.) или выключателей. Для этого возможно использования одной из двух схем:
1) для того что бы драйвер выключался при замыкании контактов выключателя, необходимо соединить цепи +10V и +DIM между собой, а выключатель подключить между +DIM и -DIM;
2) для того что бы драйвер включался при замыкании контактов выключателя, выключатель следует включить между +10V и +DIM, а между +DIM и -DIM дополнительно установить резистор 100 — 500 кОм.
Драйверы могут быть объединены по цепям диммирования, если они не включены на одну нагрузку. Запрещается объединять цепи диммирования драйверов, работающих на общую нагрузку. На один диммер может быть включено более 40 драйверов. Не рекомендуем использовать линию диммирования длиннее 50 метров.
Для использования совместно с драйверами производства Аргос-Электрон, могут подойти такие приборы регулирования:
Arlight LN120E.
Arlight DIM105A
Arlight LN015
Arlight ROTARY SR-2202-IN
Arlight LN016
Arlight SENS CT-201-IN
(обратите внимание на питание самой панели)
В качестве преобразователей стандарта DALI мы обратили внимание на такие устройства:
LUNATONE 86458508-PWM DALI auf 0-10V PWM Interface
CONVERTOR-DALI-0-10V (http://ru.aliexpress.com…)
Часто задаваемые вопросы:
Можно ли использовать тиристорный диммер для управления димируемыми драйверами производства Аргос-Электрон?
Нет.
Как зависти выходная мощность драйвера от напряжения на входе диммирования?
Выходная мощность растёт с ростом напряжения между +DIM и -DIM.
Можно ли использовать для управления драйвером ШИМ-регулирование, каковы должны быть его параметры?
Для регулирования мощности во всём диапазоне, подаваемые импульсы ШИМ должны иметь амплитуду 10 – 12 вольт Такие ипульсы подаются между +DIM и -DIM. Если используется «открытый коллектор», он подключается между +DIM и -DIM, а +DIM и +10V необходимо замкнуть между собой. Возможно подключение ключа ШИМ между +DIM и +10V, между +DIM и -DIM необходимо подключить резистор номиналом 100 – 500 кОм. Такое подключение позволит изменить зависимость выходной мощности от ширины импульсов на противоположную. Во всех случаях несущая частота ШИМ должна быть выше 300 герц.
Как включить драйвер на полную мощность, если у меня нет диммера?
Если у вас герметичный драйвер, вам необходимо соединить между собой два провода в шнуре диммирования жёлто-зелёный и коричневый (цепи +10V и +DIM), а синий провод оставить не подключенным (-DIM). Если у вас драйвер в исполнении IP20, переведите переключатель рядом с выходной колодкой в положение ON.
Как мне подключить выключатель, что бы при его замыкании светильник выключался?
Соедините цепи +DIM и +10V, а выключатель подключите между +DIM и -DIM.
Как мне подключить выключатель, что бы при его замыкании светильник включался?
Подключите резистор номиналом 100 – 500 кОм между +DIM и -DIM, а выключатель подключите между +DIM и +10V.
www.argos-trade.com
Что такое диммер? Диммируемые драйвера.
Диммер дословно переводится как «регулятор света». Диммируемые драйвера можно использовать как в статичном режиме «вкл.выкл.», так и в режиме регулировки яркости света.Возможность регулирования светового потока позволяет получить необходимую яркость, экономит расходы электроэнергию и продлевает рабочий ресурс источников света.
В простейшем виде диммеры использовались еще в старых светильниках с лампами накаливания. Такие приборы позволяли плавно менять яркость свечения настольной лампы, люстры и т. п. Но прогресс не стоит на месте, и с появлением источников света с блоками питания (такие как светодиодные, люминесцентные и т. д.) появилась потребность производить более сложные устройства регулировки света.
Дальнейшее развитие диммеров привело их к двум современным видам. Первый, включается между источником питания и нагрузкой (светодиодами). Второй, управляет источником питания. Первый тип прямо регулирует количество энергии, передаваемой от источника питания к нагрузке, и, в связи со специфическими особенностями, применяется в основном в светодиодных лентах и т.п.,
Второй тип имеет более широкую сферу применения и используется для источников света со стабилизированным током через светодиоды.
Первый тип диммеров в основном использует ШИМ регулирование, при котором энергия от источника к нагрузке подаётся импульсами, шириной которых и определяется количество энергии от минимальной, когда импульсов нет (или они очень малы по длительности) до максимальной, когда импульсы сливаются или паузы между ними минимально короткие. Во втором случае используется как ШИМ-регулирование, так и регулирование тока.
При регулировании света ШИМ, то есть подачей на светодиоды часто повторяющихся импульсов постоянной амплитуды (но регулируемой ширины) светодиод работает на номинальном токе, но меньшее время и цветового сдвига нет. Следует заметить, что этот метод диммирования при таком явном преимуществе и в некоторых случаях при большей простоте реализации имеет и явные недостатки, такие как стробоскопические эффекты (очень опасные в промышленности), повышенная утомляемость зрения и высокий уровень излучаемых помех. Выше перечисленное с учетом снижения эффектов цветовых сдвигов у современных диодов привело к тому, что ШИМ-регулирование используется всё реже, а регулирование тока всё чаще.
Большинство современных приборов освещения оснащено диммерами производства Аргос-Электрон. Компания «Аргос-Электрон» функционирует на рынке с 2008 г. и является производственным подразделением «Аргос-Трейд». Молодая быстроразвивающаяся компания «Аргос-Электрон» заняла весомую позицию на светодиодном рынке ,и является одним из крупнейших российских производителей комплектующих для светодиодных светильников. Деятельность компании направлена на выпуск светодиодных драйверов для широкого модельного ряда офисных, уличных и промышленных светодиодных светильников. Также выпускает высококачественные светодиодные модули и светозвуковые датчики.

На данный момент все диммируемые светодиодные драйверы производства Аргос-Электрон регулируют ток, протекающий через светодиоды.
Такие светодиодные драйверы изготавливаются как в герметичном, так и в негерметичном исполнении. У негерметичных драйверов увеличено количество контактов в выходной колодке, а у герметичных отдельным шнуром добавлен дополнительный вывод управления.

Инструкция и схемы подключения.
Для подключения к драйверу управляющего устройства используется три цепи: +10V, +DIM и -DIM. Регулирование выходного тока осуществляется изменением напряжения на выводе +DIM относительно -DIM в пределах 0 – 10 вольт. При напряжении ниже примерно 1 вольта, драйвер снижает выходную мощность до нуля, а при напряжениях порядка 9,5 – 10 вольт выходная мощность максимальна. Вывод +DIM допускает подачу напряжения до 12 вольт. Вывод +10V используется при регулировании с помощью внешнего переменного резистора или при ШИМ-регулировании, а так же позволяет включить драйвер на полную мощность без дополнительных схем.
Для включения герметичного драйвера на максимальную мощность без схемы управления необходимо соединить между собой выводы +DIM и +10V, а в негерметичном драйвере достаточно замкнуть переключатель рядом с выходной колодкой.

Зависимость выходной мощности драйвера от напряжения на входе диммирования (отнормировано к максимальной мощности).
Допустимый диапазон напряжений на выводе +DIM 0 – 12 В.
Входное сопротивление между +DIM и -DIM не менее 240 кОм.
Максимальный вытекающий ток вывода +10V не более 100 мкА.
Изменять потенциал на выводах диммирования можно несколькими способами.

Регулирование при помощи переменного резистора (рекомендуемый номинал 100 кОм)
Регулирование при помощи переменного резистора номиналом 100 кОм. Для этого варианта может быть использован, например, переменный резистор, установленный в корпус классического диммера или самодельный регулятор. Следует обратить внимание на то, что максимальная выходная мощность драйвера в этой схеме будет составлять 95 – 100% от паспортной, что связано с особенностями работы драйвера в этой схеме.

Пример классического (тиристорного) диммера.

Регулирование при помощи источника напряжения 0 – 10 вольт.
Во втором случае может быть использован любой регулируемый источник напряжения, выходы промышленных датчиков или промышленных контроллеров стандарта 0-10 В (1-10 В), а так же бытовые панели управления (например «Панель сенсорная»). Напряжение подаётся между +DIM и -DIM, а цепи +10V и +DIM не должны быть замкнуты между собой.

Панель сенсорная

В третьем случае возможно использование как промышленных контроллеров с выходом типа «открытый коллектор», так и использование диммеров для светодиодных лент 12 вольт. От регулятора на вход диммирования драйвера можно подавать импульсы ШИМ амплитудой 10 – 12 вольт между +DIM и -DIM (цепи +10V и +DIM не должны быть соединены). В таком случае с увеличением ширины импульсов выходная мощность драйвера будет расти.
Ключ типа «открытый коллектор» следует подключать между -DIM и +DIM, а выводы +DIM и +10V замкнуть между собой. В такой схеме включения увеличение времени открытия транзистора будет приводить к снижению выходного тока. Для смены зависимости выходной мощности от ширины импульсов на противоположную необходимо ключ ШИМ-регулятора включить между +10V и +DIM, а между +DIM и -DIM дополнительно установить резистор 100 — 500 кОм.
Во всех случаях для корректной работы драйвера частота ШИМ должна быть не менее 300 герц (Fшим>300Гц).
Если нагрузочная способность выхода контроллера будет недостаточна для управления необходимым количеством драйверов, то на некоторых из них можно разомкнуть цепи +DIM и +10V (см. схему).

Пример диммера для светодиодных лент 12 вольт.

Использование для управления диммера светодиодных лент 12 вольт.
Если использовать контроллер RGB (RGBW) совместно с диммируемыми драйверами, нагруженными на панели соответствующих цветов, то можно получить полноцветное регулирование освещение (например для фасадов).
Поскольку вход диммирования соответствует по уровням сигналов промышленному стандарту 0-10В, толерантен к подаче 12 вольт и имеет высокое входное сопротивление, управлять диммером может очень широкий спектр промышленных и бытовых устройств от RGB контроллеров светодиодных лент и переходников DALI-0-10V до промышленных датчиков и контроллеров.

Управление драйвером контактами переключателей или датчиков.
В случае необходимости, диммируемым драйвером можно управлять при помощи контактных устройств приборов автоматики, датчиков (движения, света и т. д.) или выключателей. Для этого возможно использования одной из двух схем:
1) для того что бы драйвер выключался при замыкании контактов выключателя, необходимо соединить цепи +10V и +DIM между собой, а выключатель подключить между +DIM и -DIM;
2) для того что бы драйвер включался при замыкании контактов выключателя, выключатель следует включить между +10V и +DIM, а между +DIM и -DIM дополнительно установить резистор 100 — 500 кОм.
Драйверы могут быть объединены по цепям диммирования, если они не включены на одну нагрузку. Запрещается объединять цепи диммирования драйверов, работающих на общую нагрузку. На один диммер может быть включено более 40 драйверов. Не рекомендуем использовать линию диммирования длиннее 50 метров.
В нашем магазине представлен широкий ассортимент диммируемых светодиодных светильников. Мы предоставляем лучшие цены и гарантию 4 года на продукцию.
newdiod.ru
Новости светотехники » Диммирование драйверов
Благодаря диммируемым драйверам возможно регулировать поток света искусственных источников, что экономично сказывается на расходе электроэнергии и продлевает срок службы оборудования. Так же благодаря регулировке можно создать необходимый визуальный световой эффект.
Уменьшение светового искусственного освещения, при небольшой необходимости, помогает снизить энергозатраты. Так же возможно точечное освещение определенной зоны. Это хорошо подходит для принудительного акцентирования определенного участка, чем пользуются торговые центры и магазины в период новинок, акций, распродаж. Возможность поставить датчики освещенности, включение по определенному сигналу, дает эффект светового интеллекта.
Существуют два основных способа регулировки искусственного освещения. Первая заключается в количестве включенных источников света, а вторая в регулировке излучаемого светового потока.
Первый вариант чаще используется в повседневной жизни. Например, люстры в квартирах, когда можно включить одну или несколько ламп. На предприятиях регулирование осуществляется группами, поделенными равномерно из всего количества. Но далеко не всегда такое освещение удобно или применимо на больших объектах. Поэтому выгоднее и удобнее ставить такое же количество источников света, но с наименьшим световым потоком. Однако, кроме этого есть и негативные стороны. Если несколько ламп минимального освещения выключить, нарушится общее равномерное световое освещение.
Второй вариант более гибкий в плане регулирования общего освещения, т. к имеет несколько возможностей реализации. Это может быть меньшее и большее количество задействованных элементов или изменение яркости.
Устройство, благодаря которому можно регулировать уровень яркости в помещениях, называется диммер. Дословно можно перевести как светорегулятор или вариатор. Диммеры используются в современном мире довольно давно. Первые светильники с обычными лампами накаливания уже были оснащены диммируемыми драйверами. Можно было изменять яркость свечения ламп и люстр в плавном режиме.
Современные диммеры разделяются на два основных вида. Первый вариант — включение и взаимодействие светодиода и, непосредственно, самого источника питания. Он самостоятельно корректирует величину энергии. Второй вариант управляет самим блоком питания и применяется при стабилизированном токе. Первый и второй тип применяет ШИМ-регулирование. Однако, во втором варианте происходит еще регулировка тока.
Белые светодиоды имеют свои минусы. Как, например, цвет зависит от силы тока, протекающего через него. Ели ток низкий, светодиод желтый, если больше положенного тока- синий. Вся причина в полупроводниковом кристалле, который из-за нанесенного на него люминофора может преображать цвета. А так, основной цвет синий. Поэтому на выходе синий смешивается с другим цветом, в необходимых пропорциях, и получается белый цвет. При регулировке светового потока кристалла пропорции нарушаются.
Поэтому при регулировке светового освещения, посредством снижения тока, меняться цвет. Если регулировать с помощью ШИМ, цветовых изменений не наблюдается. Однако при происходящей в таком случае постоянной пульсации может наблюдаться усталость глаз, повышенный уровень помех.
Корпус бывает герметичным и не герметичным. У драйвера с герметичным корпусом нет переключателя SB1 и управление осуществляется выводом отдельного шнура. У драйверов с негерметичным корпусом больше входных клемм.

Драйвер ИПС50-350ТУ IP20

Фрагмент корпуса драйвера ИПС50-350ТУ (крупно выходная колодка).

Фрагмент корпуса герметичного драйвера (увеличена выходная часть).

Внутренняя схема входа диммирования драйверов в исполнеии IP20 (примерная).
В герметичных драйверах нет переключателя SB1
При взаимодействии управляющего устройства и драйвера задействован ряд: DIM-, DIM+ и +10V. Регулировка осуществляется путем смены данных +DIM касательно –DIM от 0 до 10 вольт. Если напряжение падает ниже одного вольта, автоматически понижается мощность на выходе до отметки ноль. При напряжении от 9,5 до 10 вольт — поднимается до максимума. Увеличение до 12 вольт позволяет вывод +DIM. При ШИМ-регулировании, а также при помощи переменного внешнего резистора применяется вывод +10V. Предусмотрено включение драйвера на максимум, не используя дополнительных схем. При соединении +DIM и +10V в герметичном корпусе драйвера возможен вывод максимум мощности не используя схему управления. Если драйвер не герметичный необходимо просто замкнуть переключатель, находящийся рядом с выходной колодкой.

Зависимость выходной мощности драйвера от напряжения на входе диммирования (отнормировано к максимальной мощности)
- При выводе +DIM разрешен диапазон от 0 до 12 Вольт.
- Сопротивление входное между +DIM и -DIM не должно превышать 240кОм
- При выводе +10V на максимуме не более 100 мкА.

Регулирование при помощи переменного резистора (рекомендуемый номинал 100 кОм)
Есть несколько методов изменения ресурсов диммирования. Осуществляется встраиванием резистор переменного или регулятора. При этой схеме максимальная мощность примерно 95-100% от указанной в паспорте.

Пример классического (тиристорного) диммера.

Регулирование при помощи источника напряжения 0 – 10 вольт.
В следующем случае можно использовать любой источник, который можно регулировать. Напряжение подаётся между +DIM и -DIM, а цепи +10V и +DIM не должны быть замкнуты между собой.

Панель сенсорная LN-120E-IN

Регулирование при помощи стандартного выхода «открытый коллектор».
И в последнем случае возможно использовать как промышленный, так и бытовой контроллер. На вход диммирования подаются импульсы между +DIM и -DIM от 10 до 12В. При увеличении ширины импульсов выходная мощность увеличивается. При типе ключа «открытый коллектор» -DIM и +DIM подключаются между собой, а +DIM и +10V замыкаются. Не следует забывать, что частота должна быть не меньше 300 Герц.

Пример диммера для светодиодных лент 12 вольт.

Использование для управления диммера светодиодных лент 12 вольт.

Управление драйвером контактами переключателей или датчиков.
Если нагрузки не хватает для всех драйверов, можно некоторые цепи разомкнуть.
Использование цветного котроллера с диммируемым драйвером дает возможность получить цветное регулирование для создания световых художественных эффектов.
Благодаря универсальному входу диммирования, он подходит как для промышленного, так и для бытового применения.
Если нужно управление драйвером можно сделать автоматическим, присоединив датчики.
1) для того что бы драйвер выключался при замыкании контактов выключателя, необходимо соединить цепи +10V и +DIM между собой, а выключатель подключить между +DIM и -DIM;
2) для того что бы драйвер включался при замыкании контактов выключателя, выключатель следует включить между +10V и +DIM, а между +DIM и -DIM дополнительно установить резистор 100 — 500 кОм.
Запрещается объединять цепи диммирования драйверов, работающих на общую нагрузку. На один диммер может быть включено более 40 драйверов. Не рекомендуем использовать линию диммирования длиннее 50 метров.
sirius-led.ru
гибридное диммирование – Helvar
- Освещение сегодня
- Биологически активное освещение
- Искусственный интеллект
- Свет в динамике
- Системы контроля и освещение
- Энергосбережение
- Применение
- Для Офисов
- Для Больниц
- Для Образовательных учреждений
- Промышленный
- Для Отелей
- Круиз
- Для Торговли
- Спортивно / концертные комплексы
- Решения
- RoomSet
- Imagine
- DIGIDIM
- ILLUSTRIS
- iDim
- ActiveAhead
- Active+
- iDim Basic
- ILLUSTRIS POWER
- Select the Weather
- Lighting Control Sensors
- Key Concepts
- Key Technologies
- easySwitch
- светодиодные решения
- Управление цветовой температурой
- Управляемое освещение благодаря использованию DALI
- Амплитудное диммирование
- Фильтруемое диммирование
- гибридное диммирование
- Светодиодные драйверы с классом защиты SELV < 60 В
- High Efficiency LED Drivers
- С
www.helvar.com
Схема драйвера для светодиодов 220
Для того чтобы светодиодные лампы работали максимально ярко и эффективно, используются специальные модули – драйверы. Собрать самостоятельно схему драйвера для светодиодов сможет каждый, если, конечно, имеются познания в электротехнике. Смысл работы прибора – преобразовать переменное напряжение, протекающее в сети, в постоянное (пониженное). Но прежде чем приступать к сборке, нужно определиться с тем, какие требования к устройству предъявляются – проанализируйте характеристики и виды приборов.
Для чего нужны драйверы?
Основное назначение драйверов – это стабилизация тока, который проходит через светодиод. Причем нужно учесть, что сила тока, который проходит по кристаллу полупроводника, должна быть точно такой же, как и у светодиода по паспорту. Благодаря этому обеспечивается устойчивое освещение. Кристалл в светодиоде намного дольше прослужит. Чтобы узнать напряжение, необходимое для питания светодиодов, нужно воспользоваться вольт-амперной характеристикой. Это график, показывающий зависимость между напряжением питания и током.

Если планируется проводить освещение светодиодными лампами жилого или офисного помещения, то драйвер должен питаться от бытовой сети переменного тока с напряжением 220 В. Если же светодиоды используются в автомобильной или мототехнике, нужно использовать драйверы, питающиеся от постоянного напряжения, значение 9-36 В. В некоторых случаях (если светодиодная лампа небольшой мощности и питается от сети 220 В) допускается убрать схему драйвера светодиода. От сети если запитано устройство, достаточно включить в схему постоянный резистор.
Параметры драйверов
Прежде чем приобрести устройство или самостоятельно его изготовить, нужно ознакомиться с тем, какие у него имеются основные характеристики:
- Номинальный ток потребления.
- Мощность.
- Выходное напряжение.
Напряжение на выходе преобразователя напрямую зависит от того, какой выбран способ подключения источника света, числа светодиодов. Ток имеет прямую зависимость от яркости и мощности элементов.

Преобразователь должен обеспечивать ток, при котором светодиоды будут работать с одинаковой яркостью. На PT4115 схема драйвера светодиодов реализуется довольно просто – это самый распространенный преобразователь напряжения для использования с LED-элементами. Изготовить прибор на его основе можно буквально «на коленке».
Мощность драйвера
Мощность прибора – это самая важная характеристика. Чем мощнее драйвер, тем большее число светодиодов можно подключить к нему (конечно, придется проводить простые расчеты). Обязательное условие – мощность драйвера должна быть больше, чем у всех светодиодов в сумме. Выражается это такой формулой:
Р = Р(св) х N,
где Р, Вт – мощность драйвера;
Р(св), Вт – мощность одного светодиода;
N – количество светодиодов.

Например, при сборке схемы драйвера для светодиода 10W вы можете смело подключать в качестве нагрузки LED-элементы мощностью до 10 Вт. Обязательно нужно иметь небольшой запас по мощности – примерно 25%. Поэтому, если планируется подключение светодиода 10 Вт, драйвер должен обеспечивать мощность не менее 12,5-13 Вт.
Цвета светодиодов
Обязательно нужно учитывать то, какой цвет испускает светодиод. От этого зависит то, какое падение напряжения будет у них при одинаковой силе тока. Например, при токе питания 0,35 А, падение напряжения у красных LED-элементов примерно 1,9-2,4 В. Мощность в среднем 0,75 Вт. Аналогичная модель с зеленым цветом будет уже иметь падение в интервале 3,3-3,9 В, а мощность 1,25 Вт. Поэтому, если вы применяете схему драйвера светодиода 220В с преобразованием в 12 В, к нему можно подключить максимум 9 элементов с зеленым цветом или 16 с красным.
Типы драйверов

Всего можно выделить два типа драйверов для светодиодов:
- Импульсные. С помощью таких устройств создаются в выходной части устройства высокочастотные импульсы. Функционирование основывается на принципах ШИМ-модуляции. Среднее значение тока зависит от коэффициента заполнения (отношения длительности одного импульса к частоте его повторения). Ток на выходе меняется за счет того, что коэффициент заполнения колеблется в интервале 10-80%, а частота остается постоянной.
- Линейные – типовая схема и структура выполнены в виде генератора тока на транзисторах с р-каналом. С их помощью можно обеспечить максимально плавную стабилизацию питающего тока в случае, если напряжение на входе неустойчиво. Отличаются дешевизной, но у них малая эффективность. При работе выделяется большое количество тепла, поэтому можно использовать только для маломощных светодиодов.
Импульсные получили большее распространение, так как у них КПД намного выше (может достигать 95%). Устройства компактные, диапазон входного напряжения достаточно широкий. Но есть один большой недостаток – высокое влияние различного рода электромагнитных помех.
На что обратить внимание при покупке?
Покупку драйвера обязательно нужно совершать при выборе светодиодов. На PT4115 схема драйвера светодиодов позволяет обеспечить нормальное функционирование системы освещения. Устройства, использующие ШИМ-модуляторы, построенные по схемам с одной микросхемой, применяются по большей части в автомобильной технике. В частности, для подключения подсветки и ламп головного освещения. Но качество у таких простейших приборов довольно низкое – для использования в бытовых системах они не годятся.
Диммируемый драйвер

Практически все конструкции преобразователей позволяют регулировать яркость свечения LED-элементов. С помощью таких устройств можно выполнять следующие действия:
- Уменьшать интенсивность освещенности днем.
- Скрывать или же подчеркивать определенные элементы интерьера.
- Зонировать помещение.
Благодаря этим качествам можно существенно сэкономить на электроэнергии, увеличить ресурс элементов.
Разновидности диммируемых драйверов

Типы диммируемых драйверов:
- Подключаются между БП и источником света. Они позволяют управлять энергией, которая поступает на LED-элементы. В основе конструкции находятся ШИМ-модуляторы с микроконтроллерным управлением. Вся энергия идет к светодиодам импульсами. От длины импульсов напрямую зависит энергия, которая поступит на светодиоды. Такие конструкции драйверов применяются в основном для работы модулей со стабилизированным питанием. Например, для лент или бегущих строк.
- Второй тип устройств позволяет проводить управление блоком питания. Управление производится при помощи ШИМ-модулятора. Также изменяется величина тока, который протекает через светодиоды. Как правило, такие конструкции применяются для питания тех устройств, которым необходим стабилизированный ток.
Нужно обязательно учесть тот факт, что ШИМ-регулирование плохо влияет на зрение. Лучше всего использовать схемы драйверов для питания светодиодов, в которых регулируется величина тока. Но вот один нюанс – в зависимости от величины тока свечение будет различным. При низком значении элементы будут излучать свет с желтым оттенком, при увеличении – с синеватым.
Какую микросхему выбрать?

Если нет желания искать готовое устройство, можно сделать его самостоятельно. Причем произвести расчет под конкретные светодиоды. Микросхем для изготовления драйверов довольно много. Вам потребуется только умение читать электрические схемы и работать с паяльником. Для простейших устройств (мощностью до 3 Вт) можно использовать микросхему PT4115. Она дешевая, и достать очень просто. Характеристики элемента такие:
- Регулирование яркости.
- Напряжение питания – 6-30 В.
- Выходной ток – 1,2 А.
- Допустимая погрешность при стабилизации тока – не более 5%.
- Защита от отключения нагрузки.
- Выводы для диммирования.
- КПД – 97%.
Обозначение выводов микросхемы:
- SW – подключение выходного коммутатора.
- GND – отрицательный вывод источников питания и сигнала.
- DIM – регулятор яркости.
- CSN – датчик входного тока.
- VIN – положительный вывод, соединяемый с источником питания.
Варианты схем драйверов
Варианты исполнения устройств:
- Если имеется источник питания с постоянным напряжением 6-30 В.
- Питание от переменного напряжения 12-18 В. В схему вводится диодный мост и электролитический конденсатор. По сути, «классическая» схема мостового выпрямителя с отсечением переменной составляющей.
Нужно отметить тот факт, что электролитический конденсатор не сглаживает пульсации напряжения, а позволяет избавиться от переменной составляющей в нем. В схемах замещения (по теореме Кирхгофа) электролитический конденсатор в цепи переменного тока является проводником. А вот в цепи постоянного тока он заменяется разрывом (нет никакого элемента).

Собрать схему драйвера светодиодов 220 своими руками можно только в том случае, если использовать дополнительный блок питания. В нем обязательно задействован трансформатор, которым понижается напряжение до необходимого значения в 12-18 В. Учтите, что нельзя подключать драйверы к светодиодам без электролитического конденсатора в блоке питания. При необходимости установки индуктивности необходимо произвести ее расчет. Обычно величина составляет 70-220 мкГн.
Процесс сборки
Все элементы, которые используются в схеме, нужно подбирать, опираясь на даташит (техническую документацию). Обычно в нем приводятся даже практические схемы использования устройств. Обязательно использовать в схеме выпрямителя низкоимпедансные конденсаторы (значение ESR должно быть низким). Применение иных аналогов снижает эффективность регулятора. Емкость должна быть не менее 4,7 мкФ (в случае использования схемы с постоянным током) и от 100 мкФ (для работы в цепи переменного тока).

Собрать по схеме драйвер для светодиодов своими руками можно буквально за несколько минут, потребуется только наличие элементов. Но нужно знать и особенности проведения монтажа. Катушку индуктивности желательно располагать возле вывода микросхемы SW. Изготовить ее можно самостоятельно, для этого необходимо всего несколько элементов:
- Ферритовое кольцо – можно использовать со старых блоков питания компьютеров.
- Провод типа ПЭЛ-0,35 в лаковой изоляции.
Старайтесь все элементы располагать максимально близко к микросхеме, это позволит исключить появление помех. Никогда не проводите соединения элементов при помощи длинных проводов. Они не только создают множество помех, но и способны принимать их. В результате микросхема, неустойчивая к этим помехам, будет работать неправильно, нарушится регулировка тока.
Вариант компоновки
Разместить все элементы можно в корпусе от старой лампы дневного света. В ней уже все имеется – корпус, патрон, плата (которую можно повторно использовать). Внутри расположить все элементы блока питания и микросхему можно без особого труда. А с внешней стороны установить светодиод, который планируете запитывать от устройства. Схемы драйверов для светодиодов 220 В можно использовать практически любые, главное – понизить напряжение. Сделать это легко простейшим трансформатором.

Монтажную плату желательно использовать новую. А лучше вообще обойтись без нее. Конструкция очень простая, допустимо применить навесной монтаж. Обязательно удостоверьтесь в том, что на выходе выпрямителя напряжение в допустимых пределах, в противном случае микросхема сгорит. После сборки и подключения произведите замер потребляемого тока. Учтите, что в случае снижения тока питания увеличится ресурс светодиодного элемента.
Тщательно выбирайте схему драйвера для питания светодиодов, рассчитывайте каждый компонент конструкции – от этого зависит срок службы и надежность. При правильном подборе драйверов характеристики светодиодов останутся максимально высокими, а ресурс не пострадает. Схемы драйверов для мощных светодиодов отличаются тем, что в них большее число элементов. Зачастую применяется ШИМ-модуляция, но в домашних условиях, что называется, «на коленке», такие устройства уже сложно собрать.
fb.ru
Диммируемые драйверы светодиода
Диммируемый драйвер для светодиодов позволяет: экономить электроэнергию, экономить ресурс источников света, получить необходимый художественный эффект.
Снижение уровня освещения в помещениях, когда они не используются, или когда в помещение попадает естественный свет, позволяет значительно экономить материальные и энергоресурсы. Использование диммируемого драйвера для светодиода дает возможность зонального динамического изменения освещения и позволяет получить художественные/маркетинговые акценты, привлечь внимание к деталям или скрыть их. Использование блока питания диммируемого для светодиодов позволяет регулировать световой поток по сигналам датчиков освещенности и присутствия, кроме экономии ресурсов, позволяет получить эффект интерактивности и интеллектуальности пространства.
При освещении пространств искусственными источниками освещения эффективными и доступными методами регулирования уровня освещенности являются два: регулирования количества источников света задействованных в освещении (включенных) и использование драйверов с диммированием.
Первый метод знаком нам по люстрам в квартирах, в которых многоклавишным выключателем можно было получить несколько уровней освещения в комнате. Для больших промышленных и коммерческих помещений этот метод превращается в разделение всего количества используемых приборов на группы так, чтобы при работе любого количества групп освещение оставалось максимально равномерным, а количество уровней яркости отвечало техническим требованиям. Этот метод не всегда качественно реализуем, или его реализация экономически неэффективна. Так, наиболее равномерное освещение получается большим количеством маломощных источников света, а регулирование освещения получается без значительных перепадов уровня освещения по площади. Но в то же время, когда замена нескольких маломощных приборов одним мощным даёт как выигрыш в стоимости светильников, так и в эффективности освещения, отключение нескольких таких светильников способно кардинально нарушить равномерность освещения.
В связи с явными недостатками первого метода регулирования, набирает популярность второй метод – драйвер с диммированием. Варианты реализаций: изменение количества светоизлучающих элементов в светильнике, изменение яркости свечения элементов, прерывистое свечение элементов (ШИМ регулирование). В первом варианте реализована идея с разделением источников на группы, она имеет два недостатка: ограниченное количество уровней яркости и, при сложной диаграмме направленности источника света, невозможность её воспроизведения во всём диапазоне регулирования яркости. Второй и третий варианты представляют собой регулирование подводимой мощности к излучающим элементам двумя различными методами.
Диммируемый драйвер для светодиодов: возникновение
Диммер в прямом русском переводе следует понимать как «регулятор». В простейшем виде многие уже встречались с диммерами еще в светильниках с лампами накаливания. Такие приборы позволяли плавно менять яркость свечения настольной лампы, люстры и т. п. Классический (тиристорный) диммер регулирует количество энергии, передаваемое от сети электроснабжения к источнику света. С появлением моделей с блоками питания (такие как светодиодные, люминесцентные и т. д.) использование классических диммеров стало сопровождаться сложностями, и большая часть современных источников света с классическим диммером работают некорректно. Постепенно совершился переход к диммируемым блокам питания для светодиодов. Следует признать, что в бытовом классе приборов, некоторые производители выпускают источники питания светодиодов, диммируемые классическим диммером (в англоязычной литературе встречается название led dimming driver).
Диммируемый светодиодный драйвер: развитие и типы
Дальнейшее развитие диммеров привело их к двум современным типам: включаемые между источником питания и нагрузкой (светодиодами) и управляющие источником питания. Первый тип прямо регулирует количество энергии, передаваемой от источника питания к нагрузке, и, в связи со специфическими особенностями, применяется в основном в источниках света на фиксированное напряжение (светодиодные ленты и т. п.), в то время как для источников света с стабилизированным током через светодиоды в основном используется второй тип.
Первый тип диммеров в основном использует ШИМ регулирование, при котором энергия от источника к нагрузке подаётся импульсами, шириной которых и определяется количество энергии от минимальной, когда импульсов нет (или они очень малы по длительности) до максимальной, когда импульсы сливаются или их паузы минимально короткие. Во втором случае используется как ШИМ-регулирование, так и регулирование тока. Рассмотрим оба.
Белый светодиод имеет такой недостаток, как зависимость цветового оттенка от тока протекающего через него (от яркости). Так при снижении тока ниже номинального светодиод «желтеет», а при повышении – «синеет». Это связано с тем, что полупроводниковый кристалл в белом светодиоде излучает синий (чаще всего) свет, а нанесённый на него люминофор преобразовывает часть его в другие цвета от красного до зелёного. В итоге, на выходе из диода часть синего света от кристалла смешивается со светом от люминофора в правильных пропорциях в белый свет заданной цветовой температуры. При регулировании количества света от кристалла эти пропорции нарушаются.
Таким образом, при регулировании освещения изменением тока через светодиоды, кроме изменения яркости освещения, получается и сопутствующее изменение цвета. При регулировании света ШИМ, то есть подачей на светодиоды часто повторяющихся импульсов постоянной амплитуды (но регулируемой ширины) светодиод работает на номинальном токе, но меньшее время и цветового сдвига нет. Следует заметить, что этот метод диммирования при таком явном преимуществе и в некоторых случаях при большей простоте реализации имеет и явные недостатки, такие как стробоскопические эффекты (очень опасные в промышленности), повышенная утомляемость зрения и высокий уровень излучаемых помех. Выше перечисленное с учетом снижения эффектов цветовых сдвигов у современных диодов привело к тому, что ШИМ-регулирование используется всё реже, а регулирование тока всё чаще.
На данный момент все драйверы с диммированием для светодиодов производства Аргос-Электрон регулируют ток, протекающий через светодиоды. Такие диммируемые светодиодные драйверы изготавливаются как в герметичном, так и в негерметичном исполнении. У негерметичных LED-драйверов диммируемых увеличено количество контактов в выходной колодке, а у герметичных отдельным шнуром добавлен дополнительный вывод управления.
Блок питания ИПС50-350ТУ IP20

Фрагмент корпуса блока питания ИПС50-350ТУ (крупно выходная колодка).

Фрагмент корпуса герметичного блока питания (увеличена выходная часть).

Внутренняя схема входа диммирования драйверов в исполнеии IP20 (примерная).
В герметичных драйверах нет переключателя SB1.
Для подключения к блоку питания управляющего устройства используется три цепи: +10V, +DIM и -DIM. Регулирование выходного тока осуществляется изменением напряжения на выводе +DIM относительно -DIM в пределах 0 – 10 вольт. При напряжении ниже примерно 1 вольта, блок питания снижает выходную мощность до нуля, а при напряжениях порядка 9,5 – 10 вольт выходная мощность максимальна. Вывод +DIM допускает подачу напряжения до 12 вольт. Вывод +10V используется при регулировании с помощью внешнего переменного резистора или при ШИМ-регулировании, а так же позволяет включить драйвер на полную мощность без дополнительных схем.
Для включения герметичного драйвера на максимальную мощность без схемы управления необходимо соединить выводы +DIM и +10V, а в негерметичном блоке достаточно замкнуть переключатель рядом с выходной колодкой.

Зависимость выходной мощности драйвера от напряжения на входе диммирования (отнормировано к максимальной мощности).
Допустимый диапазон напряжений на выводе +DIM 0 – 12 В.
Входное сопротивление у +DIM и -DIM не менее 240 кОм.
Максимальный вытекающий ток вывода +10V не более 100 мкА.
Изменять потенциал на выводах диммирования можно несколькими способами.

Регулирование при помощи переменного резистора (рекомендуемый номинал 100 кОм)
Регулирование при помощи переменного резистора номиналом 100 кОм. Для этого варианта может быть использован, например, переменный резистор, установленный в корпус классического диммера или самодельный регулятор. Следует обратить внимание на то, что максимальная выходная мощность драйвера в этой схеме будет составлять 95 – 100% от паспортной, что связано с особенностями работы драйвера в этой схеме.

Пример классического (тиристорного) диммера.

Регулирование при помощи источника напряжения 0 – 10 вольт.
Во втором случае может быть использован любой регулируемый источник напряжения, выходы промышленных датчиков или промышленных контроллеров стандарта 0-10 В (1-10 В), а так же бытовые панели управления (например «Панель сенсорная LN-120E-IN»). Напряжение подаётся на +DIM и -DIM, а цепи +10V и +DIM не должны быть замкнуты между собой.

Панель сенсорная LN-120E-IN

Регулирование при помощи стандартного выхода «открытый коллектор».
В третьем случае возможно использование как промышленных контроллеров с выходом типа «открытый коллектор», так и использование диммеров для светодиодных лент 12 вольт. От регулятора на вход диммирования драйвера можно подавать импульсы ШИМ амплитудой 10 – 12 вольт между (далее обозначение знаком /) +DIM и -DIM (цепи +10V и +DIM не должны быть соединены). В таком случае с увеличением ширины импульсов выходная мощность драйвера будет расти.
Ключ типа «открытый коллектор» следует подключать –DIM/+DIM, а выводы +DIM и +10V замкнуть между собой. В такой схеме включения увеличение времени открытия транзистора будет приводить к снижению выходного тока. Для смены зависимости выходной мощности от ширины импульсов на противоположную необходимо ключ ШИМ-регулятора включить +10V / +DIM, а +DIM/-DIM — дополнительно установить резистор 100 — 500 кОм.
Во всех случаях для корректной работы драйвера частота ШИМ должна быть не менее 300 герц (Fшим>300Гц).
Если нагрузочная способность выхода контроллера будет недостаточна для управления необходимым количеством драйверов, то на некоторых из них можно разомкнуть цепи +DIM и +10V (см. схему).

Пример диммера для светодиодных лент 12 вольт.

Использование для управления диммера светодиодных лент 12 вольт.
Если использовать контроллер RGB (RGBW) совместно с диммируемыми драйверами, нагруженными на панели соответствующих цветов, то можно получить полноцветное регулирование освещение (например для фасадов).
Поскольку вход диммирования соответствует по уровням сигналов промышленному стандарту 0-10В, толерантен к подаче 12 вольт и имеет высокое входное сопротивление, управлять диммером может очень широкий спектр промышленных и бытовых устройств от RGB контроллеров светодиодных лент и переходников DALI-0-10V до промышленных датчиков и контроллеров.

Управление драйвером контактами переключателей или датчиков.
В случае необходимости, диммируемым драйвером можно управлять при помощи контактных устройств приборов автоматики, датчиков (движения, света и т. д.) или выключателей. Для этого возможно использования одной из двух схем:
1) для того что бы драйвер выключался при замыкании контактов выключателя, необходимо соединить цепи +10V и +DIM, а выключатель — +DIM / -DIM;
2) для того что бы драйвер включался при замыкании контактов выключателя, выключатель следует включить +10V /+DIM, а +DIM/ -DIM дополнительно установить резистор 100 — 500 кОм.
Драйверы могут быть объединены по цепям диммирования, если они не включены на одну нагрузку. Запрещается объединять цепи диммирования драйверов, работающих на общую нагрузку. На один диммер может быть включено более 40 драйверов. Не рекомендуем использовать линию диммирования длиннее 50 метров.
Для использования совместно с драйверами производства Аргос-Электрон, могут подойти такие приборы регулирования:
Arlight LN120E.
Arlight DIM105A
Arlight LN015
Arlight ROTARY SR-2202-IN
Arlight LN016
Arlight SENS CT-201-IN
(обратите внимание на питание самой панели)
В качестве преобразователей стандарта DALI мы обратили внимание на такие устройства:
LUNATONE 86458508-PWM DALI auf 0-10V PWM Interface
CONVERTOR-DALI-0-10V
Часто задаваемые вопросы:
Можно ли использовать тиристорный диммер для управления димируемыми драйверами производства Аргос-Электрон?
Нет.
Как зависти выходная мощность драйвера от напряжения на входе диммирования?
Выходная мощность растёт с напряжением +DIM/ -DIM.
Можно ли использовать для управления драйвером ШИМ-регулирование, каковы должны быть его параметры?
Для регулирования мощности во всём диапазоне, подаваемые импульсы ШИМ должны иметь амплитуду 10 – 12 вольт Такие ипульсы подаются на +DIM и -DIM. Если используется «открытый коллектор», он подключается +DIM/ -DIM, а +DIM и +10V необходимо замкнуть. Возможно подключение ключа ШИМ +DIM/+10V, +DIM /-DIM необходимо подключить резистор номиналом 100 – 500 кОм. Такое подключение позволит изменить зависимость выходной мощности от ширины импульсов на противоположную. Во всех случаях несущая частота ШИМ должна быть выше 300 герц.
Как включить драйвер на полную мощность, если у меня нет диммера?
Если у вас герметичный драйвер, вам необходимо соединить между собой два провода в шнуре диммирования жёлто-зелёный и коричневый (цепи +10V и +DIM), а синий провод оставить не подключенным (-DIM). Если у вас драйвер в исполнении IP20, переведите переключатель рядом с выходной колодкой в положение ON.
Как мне подключить выключатель, что бы при его замыкании светильник выключался?
Соедините цепи +DIM и +10V, а выключатель подключите +DIM/-DIM.
Как мне подключить выключатель, что бы при его замыкании светильник включался?
Подключите резистор номиналом 100 – 500 кОм +DIM / -DIM, а выключатель подключите +DIM /+10V.
www.argos-trade.com
