Дробилка для яблок своими руками изготовить из дисковых пил – Как сделать измельчитель для яблок своими руками?
Как сделать измельчитель для яблок своими руками?
Чтобы выжимать сок из яблок или винограда с помощью пресса, нужна их предварительная обработка. Яблоки нужно измельчить, а виноград подавить. Ведь, чем выше степень измельчения, тем больше выход сока.
Дробилку для яблок можно не только купить, но и сделать своими руками. Для этого достаточно инструментов, которые находятся в вашем гараже ну и конечно пригодится немного изобретательности.
Измельчитель (дробилка) для яблок, фруктов, овощей и винограда работающая от дрели своими руками
Это самый дешевый способ, так как не нужно покупать электродвигатель, заказывать у токаря детали и т. п. Измельчитель для яблок и винограда можно сделать из пластмассового ведра.
1) Пластиковое ведро
Купите ведро на 20 литров. Пластмассовую крышку и ручку снимите — они вам больше не пригодятся.
2) Режущий нож
Для изготовления ножа возьмите 3мм нержавейку и заточите ее на наждачном круге. По центру приварите трубку, а к конце трубки шестигранник, чтобы ось ножа можно было хорошо зажать в патроне. На обратной стороне ножа приварите кусочек металла, которые будет прорезать путь ножу вниз. (Смотрите фото)
3) Крышка
Сделайте крышку из нержавеющей стали или фанеры с отверстием посередине. Сделаете на крышке зажимы, чтобы можно было фиксировать крышку на ведре. К крышке прикрутите 4 саморезами центрирующую втулку из фрикционного пластика. Крышку, сделанную из фанеру покройте лаком.
4) Площадка для ног
К днищу ведра прикрутите площадку для ног, чтобы во время измельчения яблок ведро не прокручивалось. Площадку можно сделать из нержавейки или 10 мм фанеры. Фанеру покройте лаком.
5) Используйте только мощную качественную дрель, или перфоратор в режиме сверления.
Чтобы упростить изготовление дробилки для яблок и винограда, вы можете купить в нашем интернет магазине такую дробилку целиком в сборе или заказать у нас самые сложные в изготовлении и поиске материалов детали (например, нож и втулку). Это очень удобно сделать при покупке пресса, так как все поместится в одну коробку и не нужно будет переплачивать за доставку 2 товаров. В итоге у вас получится готовый комплект для отжима сока. Останется только собрать измельчитель своими руками.
Электрический измельчитель (дробилка) для яблок и фруктов на сок своими руками (1-ый вариант)
1) Измельчающий цилиндр
Выточите деревянный цилиндр диаметром около 160 мм и высотой 160-180мм. Большой диаметр цилиндра необходим, чтобы яблоки не нужно было прижимать и подталкивать в процессе измельчения. Цилиндр сам будет их захватывать. Посередине проточите сквозное отверстие и вклейте вал(нержавеющий круг 10-12мм). В цилиндр вкрутите нержавеющие саморезы в шахматном порядке так, чтобы головки саморезов выступали на 7-8мм. Также цилиндр можно изготовить из нержавеющей трубы. Насадите подшипники на концы вала и прикрутите их к корпусу.
Вал соедините с электродвигателем через шкивы и ремённую передачу.
2) Электродвигатель
— Мощность двигателя 0,55 кВт
— Частота оборотов 1400-1500 оборотов в минуту,
— Чтобы его можно было подключать в обычную розетку, лучше взять однофазный двигатель.
При работе с измельчителем обязательно использовать электрическую сеть с заземлением!!!
3) Корпус
Корпус измельчителя сделайте из дерева или нержавейки таким образом, чтобы резервуар для засыпания яблок постепенно сужался к измельчающему цилиндру.
Электрический измельчитель (дробилка) для яблок, фруктов своими руками (2-ой вариант)
1) Режущий диск
Сделайте режущий диск из нержавеющей стали толщиной 1мм. Для этого вырежьте круг и насверлите в нем чередующиеся отверстия диаметром 8мм. Лучше всего конечно вырезать такой диск с помощью лазерной резки. Затем «выбейте» отверстия и заточите с помощью напильника или фрезы по металлу. Прикрутите с другой стороны диска 2 лопатки, которые будут выталкивать измельчённые яблоки наружу.
2) Корпус
Сварите корпус из нержавеющей стали таким образом, чтобы при измельчении яблоки хорошо вылетали наружу, а сок не попадал на двигатель. Для этого можно использовать сальник или принцип «перевёрнутого стакана».
3) Двигатель
— Мощность двигателя 0,18-1,3 кВт в зависимости от требуемой производительности
— Частота оборотов 1400-1500 оборотов в минуту,
— Чтобы его можно было подключать в обычную розетку, лучше взять однофазный двигатель.
При работе с измельчителем обязательно использовать электрическую сеть с заземлением!!!
4) Опора двигателя
Сварите опору для двигателя или сделайте ножки, чтобы измельчитель был устойчивым при работе, а к выходному отверстию можно было поставить ведро для измельчённого сырья.
Изготовление электрического измельчителя для яблок и винограда своим руками это довольно трудоемкий процесс, также нужно соблюсти все требования электробезопасности. Поэтому проще купить сразу готовый измельчитель для яблок. Мы являемся производителями оборудования для отжима соков и в нашем интернет магазине вы можете купить как компактный электрический измельчитель для собственной дачи, так и измельчитель фруктов для небольшой линии по производству натуральных соков прямого отжима.
Купить измельчитель для фруктов и яблок
Если вы все таки решили сделать электрический измельчитель своими руками, то мы можем вам предложить купить у нас уже готовый режущий диск, втулку, корпус измельчителя или другие запчасти. Таким образом вы намного упростите себе задачу по изготовлению и сэкономите время.
Чертежи дроб
apple-presses.com
Измельчитель для фруктов своими руками (17 фото изготовления самоделки+видео)

Самодельный измельчитель для фруктов и овощей сделанный своими руками: фото и описание самоделки, а также видео, где показан измельчитель в работе.
С приходом осеннего периода, пришло время собирать урожай в саду, понадобился измельчитель для яблок, покупать не вариант, недорогие варианты хлипкие, более надёжные — стоят неоправданно дорого. Недолго думая, решил сделать самодельный измельчитель для яблок и прочих фруктов.
Процесс изготовления самоделки, показан на фото. Сделал вот такую раму.

Поставил электродвигатель.

Чтобы сок не протекал внутрь двигателя, применил прокладку из листовой резины.

Затем, купил два притопочных листа для печей и каминов, из них изготовил две разъёмные детали тёрки.


Припой для пайки нижней части использовал безсвинцовый оловянно-медный.

Детали для бункера сделал из 500 мм пластиковой вентиляционной трубы и двух клапанов, из которых удалил «хлопушки». Таз для
раструба купил в хозтоварах. Режущий диск взял от белорусской соковыжималки-шинковки, добавив ему переходник крепления на вал и лопасти.






Ещё сделал вертикальный нож на режущий диск.

Поставил резиновый диск-отражатель на вал двигателя. Он вращается вместе с валом и не даст проникнуть жидкости внутрь двигателя, когда отверстие в прокладке протрётся.


Самодельный измельчитель удачно прошёл испытания.


Также, есть видео, где показан самодельный измельчитель в работе.
Автор самоделки: Сергей Манаенков.
sam-stroitel.com
Как делается дробилка для яблок своими руками — Superfb
Яблоки во дворе
Домик, который снимаю, стоит на участке с несколькими яблонями. Деревья старые и высокие. Яблоки висят — не дотянешься. Даже с лестницы-стремянки не всякие достанешь.
Ждать полного созревания совсем не обязательно. Яблоки сами падают на землю по закону притяжения. Всякие червячки и ветер помогают.
Падалица не хранится дольше недели. Битые места гниют. Червячки жируют.
Варка варенья требует сахара немерянное количество. И времени уйму занимает. А яблок насыпается не одно ведро.
Вот бы выжать сок с яблок. Свежеотжатый сок без стерилизации в холодильнике постоит пару дней.
А если уж начнет бродить, сахарку чуток добавить, да под затвор. Глядишь, а вот и винцо получилось под новый год!
Можно, конечно купить заводскую соковыжималку. Потом втискивать ее в заполненные шкафы на тесной кухне, при переездах таскаться.
А тут во дворе гараж, куча досточек-деревяшечек. Накупил к тому же для работы всякие дрельки-лобзики. Шурупики-саморезики в гараже по полкам разложены.
Осталось всего-то напилить, попросверливать, поскручивать. Так это ж мое любимое дело!
Слазил в интернет, посмотрел ролики на Ютубе, кто чего мастерил. Навалом самодельных дробилок для яблок и прессов для отжима сока. Вроде ничего сложного.
Купил новый автомобильный домкрат на две тонны и монтажную ленту из оцинковки.
Пока собирал приспособы, фотографировать времени не было, потому показываю только как это работает и устроено.
Предупреждаю! Если вы эстет и любитель прекрасного, лучше полюбуйтеь на красивые картинки. Отжим сока в гараже — зрелище неприглядное.
Дробилка для яблок
Собираю яблоки и промываю водой от грязи. Первым делом, дроблю яблоки в самодельной дробилке.
Привод дробилки — небольшая дрелька мощностью 350 Ватт, этого достаточно для дробления целых яблок.

Яблоки засыпаются небольшими порциями в бункер, сделанный из обрезков ламинированного ДСП, и перемалываются барабаном. Сам бункер просто ставится сверху и ничем не крепится, что позволяет легко снимаь его для очистки.

Рабочим столом служит кусок ламинированной столешницы (такие остаются после врезки мойки в кухонную мебель). В столешнице прорезано отверстие, с двух сторон от него прикручены бруски 60×40 мм из сосны.
В свою очередь, дощечки из дуба крепятся саморезами к сосновым брускам. В дубовых дощечках просверлены отверстия под шпильку, на которую насажен барабан дробилки. Никаких подшипников не используется.

Барабан склеен из четырех обрезков буковой доски толщиной 25 мм (старая полка с кладовки). Дощечки проклеены между собой акриловым клеем. Получившийся брус 100×100 мм слегка оцилиндрован рубанком. Затем по оси просверлено отверстие и барабан был посажен на клею на шпильку 10 мм диаметром.
Шпильку с заготовкой барабана установил на место, закрепив длинный конец шпильки в патрон дрели. При включении дрели у нас получается как-бы токарный станок. Барабан вращается вместе со шпилькой, и, использовав подставку из бруска и стамеску придаем ему форму практически идеального цилиндра. Проточив барабан, вкрутил в него саморезы длиной 25 мм. Из дерева саморезы выступают примерно на 10 мм.
После первых дроблений дощечки покоробило из-за намокания и разорвало один шов. Пришлось заново клеить и дополнительно прокручивать все тело барабана саморезами 70 мм длиной.

Пятнадцать-двадцать минут дробилки, и у нас уже ведро измельченных яблок, можно переходить к отжиму сока. Рама под отжим собрана из досок и брусков, местами на саморезах, местами на шпильках.

Поддоном под корзину для отжима служит крышка от ведра из-под шпаклевки. Конечно, лучше было бы использовать подходящего размера таз с плоским дном, в нашем случаем просто наклоняем всю раму для слива сока.

На поддон устанавливаем корзину. Корзина для отжима изготовлена из реек 20×35 мм, скрепленных между собой перфорированной монтажной лентой из оцинковки. Зазоры между рейками выставлялись на глаз около 1 см.

Изначально корзина была около 40 см высотой, сейчас, около 25 см. При такой высоте, в корзину помещается треть ведра намолотых яблок.

Для фильтрации сока в корзину укладываем обычную марлю, сложенную вдвое.

Дробленые яблоки насыпаем в получившийся мешок из марли.

Свободные концы марли сводятся и скручиваются вместе.

На мешок из марли укладывается поршень из двух кружков буковой доски (той же, из которой сделан барабан). Изначально круги поршня были склеены между собой, но их также покоробило и клеевой шов разорвало. Так как все работает и в таком виде, склеивать покоробившиеся кружки не имеет смысла.

Сок начинаем сбегать даже раньше, чем придавливается поршень. Наклоняем раму, чтобы сок стекал в подставленную миску. Слегка продавливаем поршень рукой. Сок пошел!

Сверху на поршень устанавливаем двухтонный автомобильный домкрат. Шток домкрата упирается в верхнюю перекладину рам усиленную полосой металла (чтобы распределить нагрузку).

Наклоняем раму для стока сока в миску (подпираем специально обученной реечкой) и качаем ручку домкрата. Процесс идет полным ходом. Прожимаем поршень домкратом, немного ждем, еще прожимаем. Даем время стечь соку. Можем покамест присесть, отдохнуть и пощелкать орехи самодельным орехоколом.

После нескольких отжимов вместо крышки приспосабливаем обрезанное ведро из-под шпаклевки с просверленным отверстием для слива.

В результате, за двадцать минут ведро намолотых яблок превращается в 4-5 литров сока. Яблочный сок, выжатый своими руками с помощью нехитрых самодельных приспособлений. Вкуснотища-то какая!!!

Преимущества самодельного измельчителя
Измельчитель можно приобрести в магазине или интернете, но настоящие умельцы сделают этот агрегат сами и потратят минимум средств. Измельчитель необходим для дробления яблок на мелкие кусочки, если яблоко хорошо измельчено, то его легче давить, а выход сока получается намного больше. Считается, что чем однороднее масса после измельчения, тем будет легче выдавить сок.
Самодельный измельчитель яблокВ чем же заключаются преимущества яблочной дробилки:
- Для переработки большого количества яблок понадобится минимум времени.
- Практически нет отходов. Из яблок выжимается весь сок и остается небольшое количество жмыха.
- Чтобы сконструировать домашний измельчитель, понадобится минимум затрат.
- К минимуму сводятся все физические усилия.
- Переработка небольших партий яблок, что наиболее подходит для домашнего хозяйства.
- Надежность и практичность оборудования.
- В случае возникновения неисправностей, ремонт осуществляется самостоятельно, что опять экономит средства.
Для того чтобы самостоятельно сконструировать измельчитель для яблок понадобится базовый набор инструментов, который есть у каждого хозяина. Кроме инструментов вам нужны еще и материалы, если их в хозяйстве нет, тогда необходимо совершить закупку.
Делаем измельчитель для яблок своими руками, чертеж и схемы
Измельчители могут быть разных типов, одни бывают металлическими, другие деревянными, а третьи совмещают в себе и те и другие материалы. Но главное, не из чего сделана дробилка, а как она работает.
Для начала нам понадобиться лист метала, нержавейки, d 80 мм. Из этой заготовки делаем ступени для выхода вала и под подшипники. Работы осуществляются на токарном станке.
Чертеж изготовления зубчатого вала на фрезерном станкеДальше нам понадобится фрезерный станок, чтобы изготовить зубчатый вал. Как показано на чертеже снимаем 8 граней. Чтобы усилить эффект дробления берем болгарку и по всей длине зубьев делаем треугольные насечки.
В качестве корпуса можно использовать стиральную машину, а именно наружную ее часть. Стиральная машина должна быть с вертикальной загрузкой из нержавеющей стали с толщиной стенок 1.5-2 мм. После разрезаем ее на четыре детали и получаем 2 торцевых и 2 боковых части. Все части складываем вместе, делая короб, и свариваем его. Перед тем как закончить сварку боковых частей, внизу выгибаем немного листы металла, делая маленький зазор между рабочим валом и стенкой измельчителя.
Схема горловины измельчителя яблокЧтобы вал плавно вращался и был хорошо закреплен, используем обычные подшипниковые узлы, которые присутствуют в циркулярках. Из уголков варим опорную раму. Основание машины делаем из дерева. Дощатая основа располагается внизу, поскольку на нее ставятся емкости для приемки выходящей массы из измельчителя.
Для создания блока управления используем специальную пускорегулирующую аппаратуру, в основном это кнопка, отвечающая за включение и выключение. Ремень натягивается за счет фиксации специальным болтом для зажима и путем движения корпуса по направляющим. На раму необходимо прикрутить рукоять и ролики, которые увеличивают комфорт пользования прибором, и позволяют самостоятельно транспортировать измельчитель в любое место.
К верхним углам рамы, по средствам болтов, прикрепляется корпус дробилки, что позволяет устранить его изгибание под давлением, поскольку яблоки имеют свой вес. Чтобы уменьшить разбрызгивание используют широкий таз, а раму делают низкой. Электрический двигатель размещают с боку, чтобы на него не попадала жидкость.
Схема готовой дробилки яблок, вид спереди и сбоку1 – корпус, 2 – уголок жесткости, 3 – рабочий вал, 4 – буксы подшипников, 5 – шкив ременной передачи, 6 – ремень, 7 – электродвигатель, 8 – рама, 9 – ролики, 10 – блок управления, 11 – рукоятка транспортировки, 12 – болты крепления корпуса с уголками жесткости
Такая дробилка, изготовленная собственными руками, практически не отличается от заводской, в силу своей производительности и техничности. Чтобы не покупать мотор, можно воспользоваться двигателем из старой и ненужной стиральной машины или прочего оборудования. Измельчитель работающий от электрического двигателя, применяется для дробления яблок не только для сока, но и для вина. Такая дробилка всегда пригодится в хозяйстве. После одного пропуская через дробилку, даже яблоки самых твердых сортов превращаются в однообразную массу, которую можно загружать под пресс и давить сок.
Уход за яблочными измельчителями
Если вы своими руками сделали измельчитель для яблок, то ухаживать за ним будет проще простого. Самое главное правило – это чистота. После каждого использования тщательно мойте агрегат. Даже все труднодоступные места должны быть вымыты и очищены. Яблок быть не должно, поскольку их остатки могут пустить цвель, и когда машина будет запущенна вновь, цвель попадет в смесь, а потом и в сок, что приведет к его быстрой порче.
Не следует бросать измельчитель на улице под дождем. Влага не только приведет к ржавлению металла, но и порче двигателя. Если ваша дробилка из дерева, то влага ей тоже противопоказана. После каждой работы выключите измельчитель из розетки, хорошо его помойте и спрячьте в помещение.
Вывод
Чтобы летом и зимой наслаждаться вкусным яблочным соком, достаточно сделать домашний измельчитель и выдавить сок. Сделать дробилку для яблок очень просто и быстро, плюс вы потратите минимум денег. Подручные материалы, старая стиральная машинка и у вас уже есть собственный измельчитель для яблок. С этим прибором вы сможете измельчать не только яблоки, но и груши, и другие фрукты. Измельчитель для яблок станет просто незаменимой вещью в доме, приложите лишь немного усилия и ваши труды будут вознаграждены.
superfb.site
Как сделать измельчитель для яблок своими руками: дробилка для фруктов
Дробилка для фруктов

В видео самодельная дробилка для фруктов автор показал нехитрое приспособление для их измельчения. Он применяет её для переработки яблок, груш и винограда.
Конструкция дробилки для фруктов довольно простая. Корпус состоит всего из четырёх досок скреплённых между собой шпильками. В нижней части дробилки для фруктов закреплен вал который приводится во вращение с помощью электродвигателя от промышленного оборудования. На валу закреплен деревянный барабан, в который вкручены шурупы они выполняют роль ножей. Барабан легко вынимается из корпуса, так как в одной стенке отверстие сделано больше его диаметра, а чтобы брызги не летели отверстие закрыто выгнутой алюминиевой крышкой.
Процесс работы с дробилкой для фруктов достаточно прост. В верхней её части закреплен пластмассовый тазик, который выполняет функцию загрузочной воронки. В него закладываются фрукты и с помощью деревянного толкателя продавливаются вниз на вращающийся барабан. Конструкция достаточно безопасная, так как корпус высокий и достать рукой до барабана сложно.
Используется дробилка для фруктов для их измельчения с последующим отжимом сока. Как использовать сок можно посмотреть здесь: Лечение соками – фрукты и овощи для вашего здоровья.
>Какой измельчитель для яблок и винограда выбрать?>Виды измельчителей для яблок, фруктов и винограда, их устройство, плюсы/минусы.
2) Измельчители работающие от дрели (измельчители яблок из дрели)
1 — Дробилка для яблок из ведра
Конструкция такого измельчителя представляется собой пластмассовое ведро, на крышке которого есть центрирующая втулка для ножа. Яблоки засыпаются в ведро, ведро закрывается крышкой со вставленным ножом, крышка фиксируется. Дальше нож зажимается в патроне перфоратора и возвратно-поступательными движениями крутящегося ножа за несколько минут измельчаются яблоки. Такой измельчитель очень универсален, так как подойдет для любых фруктов, овощей, винограда и яблок.
Также за счет того, что конструкция измельчителя не содержит двигателя, он очень дешево стоит. Цена такого измельчителя для яблок, работающего от дрели состовляет всего 69€.
Купить измельчитель для яблок и винограда работающий от дрели можно в нашем интернет магазине:
http://apple-presses.com/ru/produkciya/crushers
2 — Дробилка для яблок с измельчающим цилиндром в деревянном или нержавеющем корпусе
Обычно, в качестве цилиндра выступает деревянный цилиндр с вкрученными в него саморезами таким образом, чтобы головки саморезов выступали на 7-8мм.
3) Электрические измельчители (дробилки для яблок, фруктов и овощей)
1 — Электрическая терка для картошки
Самый простой и дешевый вариант для дробления яблок в маленьких количествах это электрическая терка для картошки литовского производства. Литовцы так любят цеппелины, что даже придумали для этого специальную терку, чтобы не теперь картошку вручную. В комплекте с этой теркой есть более крупная насадка, как терка для морковки. Такая насадка отлично подходит для яблок и других фруктов. А цена такой терки составляет всего 60-70€. Такая терка по производительности отлично подойдет для винтового пресса объемом 3-5 литров. Единственный минус это то, что яблоки придется резать пополам.
Также возникает вопрос на сколько хватит двигателя измельчителя при таком частом использовании и длительных нагрузках. Поэтому при работе с таким измельчителем следите, чтобы двигатель не перегревался и давайте ему остыть.
Терка для картошки и яблок видео:
Также можно использовать вашу мощную соковыжималку с крупной теркой для измельчения яблок. Да, как бы странно это не звучало! И многие клиенты так делают! Ведь центробежная соковыжималка «гонит» много мякоти и каши, а при отжиме с помощью пресса сок получается гораздо чище, насыщеннее, вкуснее и полезнее.
Если у вас есть корморезка или что то подобное, на чем можно измельчить яблоки, то вам достаточно купить только пресс. Некоторые даже используют измельчитель веток для этих целей. Но здесь остается открытым вопрос безопасности. Ведь сок может попасть на электродвигатель!
2 — Электрическая терка для яблок
Дробилка для фруктов такого типа имеет диск из нержавеющий стали с выбитыми отверстиями и заточёнными режущими ячейками (как крупная терка на вашей кухне, на которой вы натираете морковь).
Конструкция такого измельчителя для яблок проста и надежна.
Однако обратите внимание при покупке, чтобы подающая труба была приварена под острым углом по отношению к плоскости диска. В таком случае измельчающий диск будет сам захватывать падающие яблоки и не нужно будет их подталкивать руками.
Электрическая терка для яблок видео:
Электрический измельчитель ESE-018
Электрический измельчитель ES-018
Электрический измельчитель ES-055
3 — Электрический измельчитель для яблок с диском с режущими лезвиями

Измельчитель для яблок такого типа представляет собой корпус с трубой для подачи фруктов, которые попадая на диск вылетают через выходное отверстие.
Диск имеет дополнительное лезвие посередине, чтобы яблоки не застревали по центру.
4 — Электрическая дробилка для яблок с 2 измельчающими цилиндрами
Измельчитель представляет собой корпус другу с приемным бункером и с 2 вальцами, которые крутятся друг навстречу другу, захватывают и размалывают фрукты.
Двигатель подсоединен через ременную передачу.
В нашем интернет магазине вы можете измельчитель и дробилку для яблок, винограда, других фруктов, овощей и ягод напрямую от производителя с курьерской доставкой до двери в ваш город. Цена на доставку в Москву, Санкт-Петербург, Краснодар, Ростов на Дону, Саратов, Воронеж, Орел, Ярославль, Псков и любой другой город России одинакова. Также доставляем товары в Минск, Киев, страны СНГ и в любую точку планеты.
Выбор измельчителя для яблок и винорада
При выборе измельчителя для фруктов или ягод стоит обратить внимание на его производительность. Измельчитель желательно подбирать к прессу так, чтобы скорость измельчения сырья и скорость отжима была примерно одинаковой. Ведь сок обычно отжимают всей семьей. Один человек собирает и моет плоды, другой измельчает, а третий только занимается отжимом. В этом случае ни один человек не будет простаивать и ждать, когда кто-то другой измельчит яблоки для отжима, или отожмет сок и наконец-то освободится емкость для измельчения сырья.
— Например, для пресса объемом 3-10 литров будет достаточно ручного измельчителя или измельчителя-дрели с производительностью 30-50 кг/час.
— Для пресса объемом 10-20 литров будет достаточно электрического измельчителя ES-018 с производительностью 100-200 кг/час.
— Для гидравлического пресса объемом бочонка 30 л и более уже нужен электрический измельчитель ES-055 с производительностью 300-500 кг/час.
— Для небольшой линии по производству соков прямого отжима нужна промышленная дробилка для яблок или винограда, например, электрический измельчитель для яблок и фруктов ES-130.
измельчитель ягод фруктов и овощей дробилка яблок нептун
- % Акция на снегоубощики MTD и Cub Cadet
- Садовая техника
- Мотоблоки, культиваторы
- Культиваторы, мотокультиваторы
- Мотоблоки
- Мотоблоки с валом отбора мощности (ВОМ)
- Навесное оборудование и запчасти для культиваторов и мотоблоков
- Газонокосилки
- Газонокосилки бензиновые
- Газонокосилки электрические
- Газонокосилки аккумуляторные
- Газонокосилки механические
- Газонокосилки роботы
- Колесные триммеры
- Сенокосилки
- Косилки роторные для неровных участков и высокой травы
- Триммеры для сада
- Бензокосы (мотокосы)
- Электротриммеры (электрические косы)
- Аккумуляторные триммеры
- Мультифункциональные двигатели и навесное оборудование к ним
- Насадки и расходные материалы для триммеров
- Аэраторы, скарификаторы, вертикуттеры
- Садовые пылесосы, воздуходувки
- Измельчители садового мусора
- Измельчители садового мусора бензиновые
- Измельчители садового мусора электрические
- Кусторезы и садовые ножницы
- Кусторезы
- Ножницы садовые
- Опрыскиватели садовые
- Опрыскиватели ручные и ранцевые
- Опрыскиватели бензиновые, электрические и аккумуляторные
- Высоторезы
- Дровоколы
- Транспортеры
- Комплектующие и расходные материалы к технике
- Мотоблоки, культиваторы
- Садовые тракторы, райдеры
- Тракторы садовые
- Райдеры-газонокосилки
- Райдер с фронтальной косильной декой
- Райдеры c нулевым радиусом разворота
- Трактора многофункциональные
- Навесное оборудование и комплектующие для тракторов и райдеров
- Снегоуборочная техника
- Снегоуборщики бензиновые
- Снегоуборщики электрические
- Снегоуборщики аккумуляторные
- Навесное оборудование и расходные материалы для снегоуборщиков
- Пилы цепные
- Бензопилы
- Электропилы
- Аккумуляторные пилы
- Аксессуары для цепных пил
- Силовая техника
- Генераторы
- Генераторы бензиновые
- Генераторы дизельные
- Генераторы газовые
- Генераторы сварочные
- Генераторы инверторные
- Электростанции стационарные
- Системы автоматического запуска (ATS)
- Компрессоры воздушные
- Стабилизаторы напряжения
- Источники бесперебойного питания
- Сварочное оборудование
- Аппараты сварочные инверторные
- Аппараты плазменной резки
- Полуавтоматы сварочные
- Трансформаторы сварочные
- Комплектующие и расходные материалы
- Генераторы
- Минимойки
- Минимойки высокого давления бензиновые
- Минимойки высокого давления электрические
- Насадки, аксессуары и чистящие средства для минимоек
- Оборудование для полива и водоснабжения
- Мотопомпы
- Бензиновые мотопомпы
- Дизельные мотопомпы
- Дополнительное оборудование и комплектующие к мотопомпам
- Насосы
- Садовые насосы
- Дренажные насосы
- Скважинные насосы
- Насосы погружные высокого давления
- Напорные насосы
- Насосы для бочки
- Станции бытового водоснабжения
- Шланги садовые
- Шланги для полива
- Шланги дождеватели
- Шланги сочащиеся
- Шланги водозаборные
- Комплектующие к насосам и садовым шлангом
- Мотопомпы
- Двигатели для техники
- Бензиновые двигатели
- Дизельные двигатели
- Тепловые пушки
- Электрические тепловые пушки
- Газовые тепловые пушки
- Дизельные тепловые пушки
- Дополнительное оборудование для тепловых пушек
- Коммунальная техника
- Подметальные машины
- Машины подметальные
- Навесное оборудование и комплектующие для подметальных машин
- Парковые коммунальные пылесосы
- Подрезчики дёрна
- Профессиональные измельчители пней
- Профессиональные измельчители веток
- Траншеекопатели
- Собиратели мусора и экскрементов
- Подметальные машины
- Профессиональная техника для газонов
- Оборудование для футбольных полей и спортивных площадок и крупных газонов
- Профессиональное оборудование для гольф полей
- Профессиональное оборудование для коммерческого и промышленного использования
- Профессиональное оборудование с электроприводом
- Оборудование по переработке отходов
- Измельчение отходов
- Мобильные измельчители
- Стационарные измельчители
- Компостирование отходов
- Мобильные установки для ворошения компоста
- Стационарные установки для подготовки компоста
- Сортировка отходов
- Мобильные сортировщики и просеиватели
- Стационарные сортировщики и просеиватели
- Измельчение отходов
- Оборудование для питомников и плодоводческих хозяйств
- Гидроплатформы для обрезки деревьев и ухода за ними
- Минитракторы PAZZAGLIA
- Оборудование для пересадки деревьев
- Погрузчики для транспортировки контейнеров
- Садовый инвентарь
- Инструмент ручной садовый
- Инструмент садовый многофункциональный (КОМБИСИСТЕМА)
- Разбрасыватели
- Садовые ножницы и секаторы
- Пилы садовые
- Сучкорезы
- Ножницы для живой изгороди механические
- Ножницы газонные
- Перчатки
- Детский садовый инструмент (игрушки)
- Тачки садовые и строительные
- Техника для уборки дома
- Пылесосы
- Пароочистители
- Стеклоочистители
- Паровые гладильные комплекты
- Комплектующие к пылесосам, пароочистителям
- Ландшафтный дизайн
- Пруды садовые декоративные
- Газонные смеси
- Мульча, камни декоративные
- Грунты, смеси горшечные
- Изделия для дома и сада
- Товары для дачи
- Туалеты компостные торфяные дачные
- Жидкостные биотуалеты
- Туалетные кабины
- Компостеры садовые
- Мангалы и гриль-барбекю
- Ловушки и уничтожители для насекомых
- Садовые тенты и шатры
- Батуты
- Газовые обогреватели
- Комплектующие и дополнения для туалетов и компостеров
- Водный транспорт
- Лодки надувные
- Лодочные моторы
- Источники питания
- Строительная техника
- Мотобуры
- Мотобуры бензиновые
- Аксессуары для мотобуров
- Строительные вибромашины
- Виброплиты
- Вибраторы глубинные
- Аксессуары для вибромашин
- Бензорезы
- Бетоносмесители
- Плиткорезы
- Принадлежности к строительной техники
- Электроинструмент
- Шуруповерты
- Гайковерты
- Лобзики
- Циркулярные пилы
- Сабельные пилы
- Многофункциональный инструмент
- Мотобуры
- Садовая мебель
- Скамейки садовые
- Качели садовые
- Товары для туризма
- Cкладная мебель
- Автохолодильники, термобоксы и термосумки
- Наборы для пикника
- Туристические палатки, рюкзаки, спальные мешки
- Распродажа
производители
baseperevozok.ru
Дробилки для яблок своими руками из подручных материалов. Самодельное оборудование для переработки фруктов и овощей :: SYL.ru
У домашнего яблочного сока масса поклонников. И не только потому, что он отличается ярко выраженными вкусовыми качествами, – свежий яблочный сок содержит витамины и питательные вещества. В магазинах свежий сок, как о нем говорят – настоящий, без химии и консервантов не найти. Единственный вариант — выдавить банку свежего сока самостоятельно. Но для этого потребуется специальное приспособление.
Преодолеть ряд трудностей по подготовке и обработке плодов поможет измельчитель для яблок и соковыжималка. С таким оборудованием на приготовление сока уйдет раза в три времени меньше, чем при ручной обработке.

Ознакомьтесь с преимуществами, характеристиками и процессом изготовления измельчителя в домашней мастерской.
Почему стоит обзавестись дробилкой
Названное приспособление можно без труда найти и приобрести в Интернете или в магазине, но настоящие умельцы конструируют дробилку своими руками, затратив в процессе изготовления минимум средств. Такое приспособление делается из подручных материалов.
Дробилка нужна для измельчения яблок на мелкие кусочки. Так яблоки будет проще давить, а выход сока увеличивается. Принято считать, что чем мельче масса, тем продуктивнее результат производства яблочного сока в домашних условиях.

Преимущества измельчителя
Дробилка универсальная обладает рядом достоинств:
- На переработку яблок большого объема уйдет минимум времени.
- Количество отходов сводится к минимуму. Из плодов выжимается весь сок, а на остатки уходит небольшое количество жмыха.
- Конструирование домашнего измельчителя мало затратный процесс.
- При обработке плодов в такой способ физические усилия сводятся к минимуму.
- Небольшие партии яблок удобнее всего перерабатывать, что идеально для домашнего хозяйства.
- Оборудование отличается практичностью и надежностью.
- Если установка вышла из строя, починить ее можно самостоятельно, не прибегая к помощи мастеров, что существенно экономит средства.

Для конструирования дробилки для яблок в домашних условия используют стандартный набор инструментов. Специальный инвентарь здесь не понадобится. Кроме того, потребуются и материалы для изготовления устройства, а если под руками нет подходящих деталей, придется сделать закупку.
Дробилка своими руками
Измельчители бывают разнотипными:
- металлическими;
- деревянными;
- комбинированными.
Но главное, не из чего сделана установка, а как она справляется с функциональными задачами. Итак, давайте рассмотрим, как сделать дробилку своими руками.
Подготовка материала
Для работы приготовьте лист нержавеющей жести, d80 мм. В дальнейшем металл предстоит обработать на токарном станке и произвести из него ступени для выхода вала и под подшипники.
Конструирование зубчатого вала
Для изготовления используют фрезерный станок и снимают 8 граней. С целью повышения продуктивности работы установки, болгаркой на зубцах (по всей длине) делают треугольные надсечки.
Изготовление корпуса
Для основы подойдет корпус от старой стиральной машины с вертикальной загрузкой, а именно ее наружная часть, изготовленная из нержавейки с толщиной стенок до 2 мм. В процессе обработки заготовку разрезают на четыре части, получая по 2 торцевые и боковые части. Элементы складываются в одну конструкцию и прихватываются сварочным аппаратом. Перед тем как окончательно сварить боковые детали, металлические листы в нижней части немного подгибают, делая небольшой зазор между вращающимся валом и стенкой конструкции.
Для плавного вращения вал хорошо закрепляют, используя подшипниковые узлы, схожие с теми, что устанавливаются в циркулярках. Чтобы сделанная своими руками дробилка для яблок надежно стояла, ее крепят к опорной раме, для изготовления которой используют металлические уголки.
Для основания машины берут деревянные заготовки из прочной породы. Внизу размещают дощатую основу, на которую в дальнейшем ставится емкость для приема переработанной массы на выходе, которую в дальнейшем требуется поместить под пресс для яблок.

Совершенствование приспособления
Для удобства работы, натягивают ремень, который крепят при помощи специального болта для зажима и путем основного блока по направляющим.
К раме прикручивают ролики и рукоять, что позволяет легко транспортировать измельчитель.
Избежать изгибания корпуса дробилки для яблок удается посредством крепления к верхним углам рамы при помощи болтов.
Обратите внимание! Чтобы избежать разбрызгивания во время переработки яблок, позаботьтесь о том, чтобы посуда, в которую вы собираете пюре на выходе, была широкой. В процессе конструирования сделайте низкую раму, иначе переработанные продукты будут плюхаться в таз и разбрызгиваться по сторонам.
Сборка блока управления
Для этого понадобится специальная пускорегулирующая аппаратура. Не пугайтесь громкого названия – это кнопка, отвечающая за подачу команд: «включить» и «выключить».
Электродвигатель монтируется сбоку конструкции так, чтобы на него не попадала жидкость и брызги от перерабатываемых плодов.
Сделанная своими руками, дробилка из подручных материалов ничем не хуже от покупных моделей, а отличается только внешним видом. Кстати, иногда самодельные устройства показывают большую производительность и техничность, чем разработанные специалистами агрегаты.
Чтобы сэкономить на конструировании, можно даже не покупать мотор, а взять старый узел от стиральной машинки.
Применение установки, работающей от электродвигателя, позволяет крошить яблоки не только на сок, но и для приготовления вина.

Дробилка для яблок – незаменимая в хозяйстве вещь. Пропустив через измельчитель плоды только 1 раз, вы получите однообразную масса, а после повторной обработки — субстанцию, по консистенции напоминающую пюре. Домашней дробилке под силу яблоки любых сортов, даже самые твердые.
После этого переработанные плоды загружаются под пресс для яблок или в соковыжималку для получения фреша или сока.
Как ухаживать за домашней дробилкой
Если вам удалось сделать измельчитель, то самое сложное позади. Об уходе и чистке дробилки своими руками не беспокойтесь – это проще простого.
Главное правило эксплуатации приборов, контактирующих с пищевыми продуктами, – чистота агрегатов. После каждого измельчения тщательно промывайте поверхность устройства, очищайте и просушивайте даже в труднодоступных местах – это основные очаги скопления бактерий и плесени, которые не только приводят к скорой порче сока, но и опасны для здоровья человека.
Важно! Перед тем, как приступать к мытью, обесточьте дробилку!

Чтобы иметь возможность наслаждаться вкусным соком и летом, и в зимнюю пору, достаточно сконструировать домашнюю дробилку для яблок и научиться давить сок. Собрать такой агрегат довольно просто. Вы получите несомненные преимущества и заметно сэкономите средства.
www.syl.ru
Дробилка для яблок своими руками чертежи
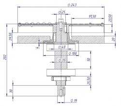
Дробилка для яблок своими руками, чертежи бытового измельчителя фруктов, для получения максимального количества сока.
При помощи сменных насадок можно получить различное измельчение яблок.А) Нож – выдавленные круглые отверстия.
Б) Нож – прямая выдавленная прорезь.
В) Нож – выдавленные отверстия с заусенцами.

Изделие состоит из следующих частей:

- Толкатель деревянный.
- Бункер загрузочный.
- Винт фиксации бункера.
- Винт с внутренним шестигранником М8х20.
- Шайба пружинная А8.
- Шайба прижимная.
- Винт фиксации ножа с выпуклой головкой М3х8.
- Нож.
- Основание ножа.
- Планка сброса измельченной массы.
- Корпус подшипников.
- Вал.
- Ременная передача.
- Натяжитель ремня.
- Электродвигатель АИР71В4.
- Болт М12х25.
- Рама.
- Винт с внутренним шестигранником М10х16.
- Винт с внутренним шестигранником М10х25.
- Уплотнитель резиновый.
- Подшипник 6307.
- Шайба тарельчатая IS6731-32.
- Гайка круглая со шлицем М32х1,5.
Справка.
Для изготовления деталей контактируемых с продуктом необходимо использовать пищевую нержавеющую сталь.
ВАЛ В СБОРЕ

Чертеж вала в сборе.

РЕМЕННАЯ ПЕРЕДАЧА

Диаметры шкивов с передаточным отношением 2 выбираем из стандартного ряда.
При межосевом расстоянии 360 (мм), длина ремня составит Z-1250 (мм).
ЭЛЕКТРОДВИГАТЕЛЬ АИР71В4

Крепится к металлической пластине, которая может двигаться вдоль рамы. Это необходимо для установки, смены и натяжения ремня. Натяжение производится при помощи натяжителя. Затем пластина с электродвигателем фиксируется винтами в нужном положении.

Для более лучшего представления посмотрим, как это работает.
Заказать чертеж
Поделитесь с друзьями!
chertegnik.ru
3 самодельных измельчителя для яблок: чертежи и схемы
Все любят домашний яблочный сок, поскольку он не только вкусный, но и полезный. Но где же взять настоящий яблочный сок, без химикатов и консервантов, в магазинах его вряд ли можно купить. Единственное решение этой проблемы – самостоятельно сделать домашний яблочный сок. Однако для того чтобы его получить, нужно преодолеть ряд небольших трудностей. Чтобы облегчить себе работу вам понадобится измельчитель для яблок и соковыжималка. Именно благодаря измельчителю вы потратите минимум времени и сил на получение домашнего яблочного сока. В данной статье рассмотрим способы изготовления самодельного измельчителя для яблок.
Преимущества самодельного измельчителя
Измельчитель можно приобрести в магазине или интернете, но настоящие умельцы сделают этот агрегат сами и потратят минимум средств. Измельчитель необходим для дробления яблок на мелкие кусочки, если яблоко хорошо измельчено, то его легче давить, а выход сока получается намного больше. Считается, что чем однороднее масса после измельчения, тем будет легче выдавить сок.
Самодельный измельчитель яблокВ чем же заключаются преимущества яблочной дробилки:
- Для переработки большого количества яблок понадобится минимум времени.
- Практически нет отходов. Из яблок выжимается весь сок и остается небольшое количество жмыха.
- Чтобы сконструировать домашний измельчитель, понадобится минимум затрат.
- К минимуму сводятся все физические усилия.
- Переработка небольших партий яблок, что наиболее подходит для домашнего хозяйства.
- Надежность и практичность оборудования.
- В случае возникновения неисправностей, ремонт осуществляется самостоятельно, что опять экономит средства.
Для того чтобы самостоятельно сконструировать измельчитель для яблок понадобится базовый набор инструментов, который есть у каждого хозяина. Кроме инструментов вам нужны еще и материалы, если их в хозяйстве нет, тогда необходимо совершить закупку.
Делаем измельчитель для яблок своими руками, чертеж и схемы
Измельчители могут быть разных типов, одни бывают металлическими, другие деревянными, а третьи совмещают в себе и те и другие материалы. Но главное, не из чего сделана дробилка, а как она работает.
- Деревянный измельчитель для яблок
- Металлический измельчитель для яблок
- Комбинированный измельчитель для яблок
Для начала нам понадобиться лист метала, нержавейки, d 80 мм. Из этой заготовки делаем ступени для выхода вала и под подшипники. Работы осуществляются на токарном станке.
Чертеж изготовления зубчатого вала на фрезерном станкеДальше нам понадобится фрезерный станок, чтобы изготовить зубчатый вал. Как показано на чертеже снимаем 8 граней. Чтобы усилить эффект дробления берем болгарку и по всей длине зубьев делаем треугольные насечки.
В качестве корпуса можно использовать стиральную машину, а именно наружную ее часть. Стиральная машина должна быть с вертикальной загрузкой из нержавеющей стали с толщиной стенок 1.5-2 мм. После разрезаем ее на четыре детали и получаем 2 торцевых и 2 боковых части. Все части складываем вместе, делая короб, и свариваем его. Перед тем как закончить сварку боковых частей, внизу выгибаем немного листы металла, делая маленький зазор между рабочим валом и стенкой измельчителя.
Схема горловины измельчителя яблокЧтобы вал плавно вращался и был хорошо закреплен, используем обычные подшипниковые узлы, которые присутствуют в циркулярках. Из уголков варим опорную раму. Основание машины делаем из дерева. Дощатая основа располагается внизу, поскольку на нее ставятся емкости для приемки выходящей массы из измельчителя.
Для создания блока управления используем специальную пускорегулирующую аппаратуру, в основном это кнопка, отвечающая за включение и выключение. Ремень натягивается за счет фиксации специальным болтом для зажима и путем движения корпуса по направляющим. На раму необходимо прикрутить рукоять и ролики, которые увеличивают комфорт пользования прибором, и позволяют самостоятельно транспортировать измельчитель в любое место.
К верхним углам рамы, по средствам болтов, прикрепляется корпус дробилки, что позволяет устранить его изгибание под давлением, поскольку яблоки имеют свой вес. Чтобы уменьшить разбрызгивание используют широкий таз, а раму делают низкой. Электрический двигатель размещают с боку, чтобы на него не попадала жидкость.
Схема готовой дробилки яблок, вид спереди и сбоку1 – корпус, 2 – уголок жесткости, 3 – рабочий вал, 4 – буксы подшипников, 5 – шкив ременной передачи, 6 – ремень, 7 – электродвигатель, 8 – рама, 9 – ролики, 10 – блок управления, 11 – рукоятка транспортировки, 12 – болты крепления корпуса с уголками жесткости
Такая дробилка, изготовленная собственными руками, практически не отличается от заводской, в силу своей производительности и техничности. Чтобы не покупать мотор, можно воспользоваться двигателем из старой и ненужной стиральной машины или прочего оборудования. Измельчитель работающий от электрического двигателя, применяется для дробления яблок не только для сока, но и для вина. Такая дробилка всегда пригодится в хозяйстве. После одного пропуская через дробилку, даже яблоки самых твердых сортов превращаются в однообразную массу, которую можно загружать под пресс и давить сок.
Чтобы получить хорошую сокоотдачу, после дробления масса должна полежать несколько часов, тогда при прессовании сок быстро отойдет сам.
Уход за яблочными измельчителями
Если вы своими руками сделали измельчитель для яблок, то ухаживать за ним будет проще простого. Самое главное правило – это чистота. После каждого использования тщательно мойте агрегат. Даже все труднодоступные места должны быть вымыты и очищены. Яблок быть не должно, поскольку их остатки могут пустить цвель, и когда машина будет запущенна вновь, цвель попадет в смесь, а потом и в сок, что приведет к его быстрой порче.
Перед началом мойки обязательно обесточьте прибор!
Не следует бросать измельчитель на улице под дождем. Влага не только приведет к ржавлению металла, но и порче двигателя. Если ваша дробилка из дерева, то влага ей тоже противопоказана. После каждой работы выключите измельчитель из розетки, хорошо его помойте и спрячьте в помещение.
Вывод
Чтобы летом и зимой наслаждаться вкусным яблочным соком, достаточно сделать домашний измельчитель и выдавить сок. Сделать дробилку для яблок очень просто и быстро, плюс вы потратите минимум денег. Подручные материалы, старая стиральная машинка и у вас уже есть собственный измельчитель для яблок. С этим прибором вы сможете измельчать не только яблоки, но и груши, и другие фрукты. Измельчитель для яблок станет просто незаменимой вещью в доме, приложите лишь немного усилия и ваши труды будут вознаграждены.
profermu.com


