Дробилку сделать самому – Самодельная зернодробилка своими руками: чертежи, размеры, видео
Самодельная зернодробилка своими руками: чертежи, размеры, видео

Зернодробилка: чертежи, схемы, размеры, фото и видео самодельной зернодробилки. Зернодробилка незаменимая вещь в домашнем хозяйстве, применяется для измельчения зерен злаковых культур — кукурузы, пшеницы, ячменя, овса, для приготовления дерти или комбикормов для домашней птицы и животных.
Для домашнего хозяйства обычно не требуется мощная мельница, вполне достаточно небольшой зернодробилки изготовлением которой мы и займёмся в этой статье.
Существует довольно много разновидностей зернодробилок, мы рассмотрим самый простой вариант самодельной зернодробилки, который можно сделать своими руками.

Для изготовления дробилки понадобится:
- Электродвигатель мощностью около 1 кВт.
- Листовой металл толщиной 3 мм.
- Калёная сталь для ножа.
- Болты, гайки, шайбы, гроверы — М8.
- Металлическая бочка или ёмкость подходящих размеров.
Инструмент:
- Болгарка с отрезным кругом.
- Электродрель.
- Шлифовальный станок.
- Сварочный аппарат.
- Слесарный инструмент.
Самодельная зернодробилка: схема.

Зернодробилка состоит из таких узлов:
- Задвижка для регулирования подачи зерна в рабочую камеру.
- Бункер для зерна.
- Кнопка включения-выключения электродвигателя.
- Электродвигатель.
- Втулка.
- Ось.
- Шайба.
- Гайка.
- Винт.
- Основание.
- Корпус рабочей камеры.
- Ёмкость для измельчённого зерна.
- Болт.
- Гайка.
- Металлическая сетка (решето).
Схема рабочей камеры дробилки.

- Основание.
- Корпус рабочей камеры.
- Винт.
- Решето.
Изготовление самодельной зернодробилки.
Для зернодробилки можно использовать двигатель от водяного насоса мощностью около 1,5 кВт 3000 об/мин.
Двигатель устанавливается на основание, металлический лист толщиной не менее 3 мм. В листе нужно просверлить отверстие диаметром чуть больше диаметра вала двигателя. Двигатель крепим к пластине болтами.
Рабочую камеру можно изготовить из листового металла 3 мм, вырезаем полоску толщиной 40 мм и выгибаем из неё кольцо диаметром 300 мм. Кольцо приваривается к основанию.
Для крепления ножа к валу двигателя понадобится муфта, заказать выточить муфту можно любому токарю.
Нож для зернодробилки можно изготовить из ножа газонокосилки или диска циркулярной пилы. Длина ножа должна быть соответственно на 10 – 20 мм меньше диаметра рабочей камеры. Нож крепится к муфте болтами М 8, муфта одевается на вал двигателя.
Дно рабочей камеры закрываем решетом, изготовить решето можно из металлической сетки с размером отверстий 3 – 3,5 мм. Решето крепим к рабочей камере шпильками и гайками, если требуется изменить размер помола достаточно поменять решето на другое с отверстиями требуемого диаметра.
Установка бункера для засыпки зерна. Под бункер можно использовать любую конусообразную ёмкость, для этого в верхней пластине рабочей камеры нужно сделать небольшое отверстие диаметром около 30 мм, приварить на него бункер и сделать задвижку для регулировки подачи зерна из бункера в камеру.
Зернодробилку устанавливаем на металлическую бочку или другую подходящую ёмкость.
Принцип работы самодельной зернодробилки.
Закрываем задвижку в бункере и засыпаем в него зерно, включаем электродвигатель и понемногу приоткрываем задвижку. Зерно начнёт понемногу просыпаться в рабочую камеру и измельчаться вращающимся ножом.
Когда зерно измельчится оно начнёт проспаться в нижние отверстия решета рабочей камеры и попадёт в бочку. В зависимости от диаметра отверстий решета вы получите либо крупный помол, либо мелкий, пока зерно не измельчится до такой степени что начнёт проваливаться в отверстия, оно будет оставаться в барабане и измельчаться ножом.
Задвижка на бункере нужна для регулирования подачи зерна, если двигатель начинает терять обороты, значит нужно уменьшить подачу зерна путем закрывания задвижки тем самым уменьшая размер входного отверстия.
Рабочий нож в процессе работы понемногу изнашивается, поэтому его нужно периодически менять.
При засыпке зерна в бункер нужно следить чтобы вместе с зерном в дробилку не попадали камни и металлические предметы которые могут повредить нож и вывести из строя двигатель.
Рекомендую посмотреть видео где показана самодельная зернодробилка в работе.
Устройство зернодробилки видео.
sam-stroitel.com
Зернодробилка своими руками чертежи
Как ни странно, дробить зерно в домашних условиях можно не хуже чем в заводских. А иногда случается, что результат может быть даже лучше. В данном материале, вы найдете все, чтобы изготовить такое приспособление как зернодробилка своими руками: чертежи, принцип работы, различные нюансы.

С помощью данного устройства измельчение мешка зерна может быть произведено в течение 12-15 мин. Зернодробилка изготавливается на основе деталей, используемых в сельскохозяйственных машинах:

как основанием, можно воспользоваться внешним тормозным барабаном, некогда стоявшим на заднем фрикционе в тракторе ДТ-75, внутренняя сторона которого содержит зубья, служащие для того, чтобы цеплять ведомые диски фрикциона;
как передним фланцем основания, можно воспользоваться диском сошника сеялки, в комплекте к которому идет ступица и подшипник;
молотки выполняются из противорежущих пластин пальцев в режущем аппарате на зерноуборочном комбайне;
зерновой бункер – емкость, которой оборудована свекловичная сеялка СУПН-8.
Изготовление основания измельчителя
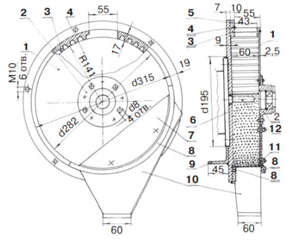
При помощи токарного станка следует произвести обрезку барабана 3 (рис. 1), для обеспечения высоты 65 мм. Внутренняя сторона должна обладать выточкой d = 282 мм, высота которой 3 мм (придется сточить зубцы). Теперь следует отрезать третью часть в барабане, это нужно для отверстия под решето. Оно должно поддерживаться дугами 8, приваренными на фланец 5 и внешнюю сторону в барабане.
Рис. 1 Сборочный чертеж основания измельчителя (агрегат показан без бункера и тумбочки)

Основание измельчителя состоит из:
1 – фланца (диска сошника), 2 – ступицы диска оборудованной подшипником 180503, 3 – зубчатого барабана, 4 – фланца основы, 5 – фланца барабана, 6 – электродвигателя, 7 – боковой пластины решета, 8 – опорной дуги (из шпоночного материала 6 на 8 мм), 9 – уголка 4,5 на 4,5 см, 10 – воронки зерносборника, 11 – болта М8 и гайки (2 шт.), 12 – валы электродвигателя.
Фланец 1 следует сточить до размера 285+0,5 мм, вставить в специально подготовленное место в барабане и приварить.
В ступице 2 следует заранее просверлить воздухозаборные отверстия диаметром 8 мм. Если этого не сделать, производительность дробилки значительно понизится. Там, где расположена отрезанная часть барабана, следует выполнить установку решета 7 (рис.2), которое крепиться двумя болтами 11 на М8 и боковой пластинок к поверхности диска в сошнике.
Чертеж решета измельчителя

Решето состоит из:
1 – боковой пластины крепления, 2 – решета
Переходим к следующему этапу производства агрегата под названием зернодробилка своими руками. Чертежи подсказывают нам, что верхняя часть барабана должна обладать отверстием 5,5 на 4,3 см, поверх которого следует выполнить закрепление бункер, в котором есть задвижка. Данная задвижка предназначена для того, чтобы регулировать поток зерна, которое поступает в измельчитель. Она устанавливается в нужное положение, после чего осуществляется её фиксация при помощи болта М5 и маховичка.
Воронка зернозаборника 10 приваривается на фланец основы опорной дуги снизу решета. Сквозь данный элемент происходит высыпание измельченного зерна в заранее подставленную емкость.

Уголком 9 дробилка закрепляется поверх тумбочки, которая разделяется при помощи горизонтальной перегородки напополам. Верхняя половина предназначается для установки электрооборудования – предохранительного автомата, реверсивного магнитного пускателя, сигнальной лампы и кнопки включения. В нижней же части будут храниться сменные решета и инструмент.
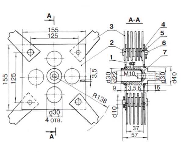
Изготовление молоткового барабана
Поверх вала 7 следует насадить и приварить пластины 2 (рис. 3). Торец вала должен обладать сквозным отверстием, в котором нарезается резьба М10. Когда барабан и вал двигателя разъединяются, в данное отверстие вкручивается специальный болт-съемник. Каждая из осей 6 оборудована шестью молотками 3. Данные детали имеют большую износостойкость, по прицине закалки их краев.
Рис. 3 Сборочный чертеж молоткового барабана

Молотковый барабан состоит из:
1 – болта стопорного М10, 2 – двух пластин, 3 – молотка, 4 – шайбы (1 на 2,2 см), 5 – шплинта, 6 – оси молотков, 7 – вала в барабане
Следует произвести рассверливание отверстий для заклепки до диаметра 1 см. Регулировка расстояния от одного молотка до другого на оси регулируется шайбами 4. Если расположить молотки в плоскостях, которые параллельны между собой, дробление будет более интенсивным.
Если молотковый барабан будет вращаться в направлении часовой стрелки, то высыпание зерна будет происходить быстрее, а следовательно, дробление будет более крупным, а если включить реверс – то более мелким. Регулировка степени измельчения производится при помощи замены решетки.
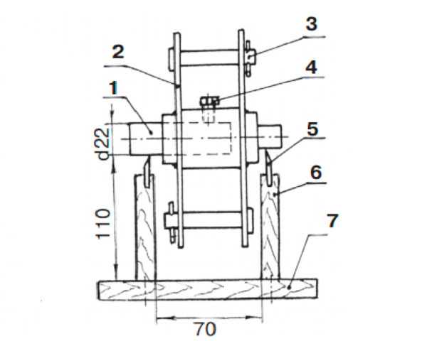
Процесс балансировки дробилки
Для защиты дробилки от такого явления как вибрации, ведущей к поломкам, должна быть выполнена статическая балансировка вращающихся частей. Эту операцию можно осуществить при помощи достаточно простого устройства (рис. 4). Осуществляем установку технологического валика 1 в отверстие на валу в барабане и ставим уже собранный ротор (содержащий оси, шплинты, шпонки и стопорный болт) поверх ножей расположенных в горизонтальной плоскости.
Путем высверливания металла из пластин в роторе, нужно добиться, чтобы ротор равномерно останавливался в различных положениях. Прежде чем устанавливать, следует подобрать молотки таким образом, чтобы их вес был равным. При правильно сбалансированном молотковом барабане, вибрация в дробилке будет отсутствовать.
Рис. 4 Балансировка барабана

Балансировочная установка состоит из:
1 – технологического валика, 2 – собранного ротора (не включая молотки и шайбы), 3 – оси и шплинта, 4 – болта стопорного М8, 5 – ножа устройства, 6 – деревянной стойки, 7 – основания.
Зернодробилка своими руками видео
Ну вот и все что вам нужно знать чтобы соорудить такую вещь как зернодробилка своими руками. Чертежи представлены, с описанием вы ознакомились, осталось только сделать!
sdelaj-sam.com
Чертежи самодельной зернодробилки: схемы сборки

Для измельчения зерна народные умельцы в качестве зернодробилки уже давно приспособили болгарку и даже стиральную машинку, с устройством которых вы уже ознакомились в предыдущих статьях, теперь мы рассмотрим чертежи для изготовления зернодробилки молоткового типа.
Чем удобна зернодробилка молоткового типа? В первую очередь хорошей производительностью, чтобы перемолоть ведро зерна на такой мельнице понадобится всего пару минут.
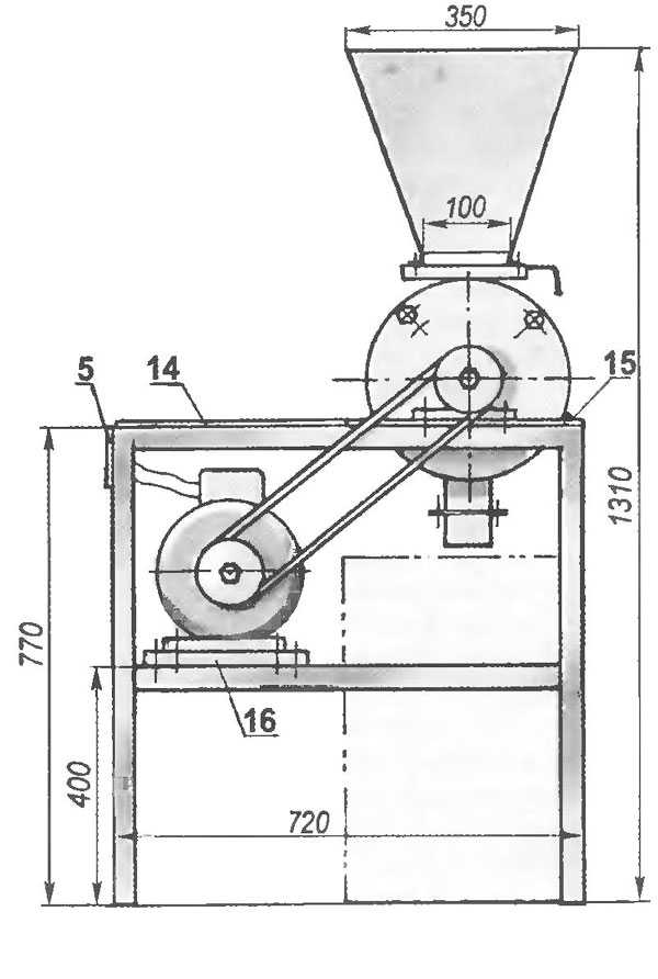
Схема самодельной зернодробилки.
На рисунке предоставлен общий вид и схема зернодробилки.


- Бункер для засыпки зерна.
- Задвижка.
- Рабочая камера.
- Подкос.
- Кнопка включения двигателя.
- Электродвигатель 3 кВт, 3 фазный на 3000 об/мин.
- Рама зернодробилки.
- Бункер для молотого зерна.
- Шкив ведущий.
- Ремни клиновидные (2 шт.).
- Шкив.
- Вал.
- Подшипник опорный (2 шт.).
- Площадка.
- Площадка для вала.
- Площадка под электродвигатель.
Изготовление самодельной зернодробилки чертежи.
Следует уточнить, что в этой самодельной зернодробилке использованы несколько деталей от сельхозтехники:
Тормозной барабан от трактора ДТ 75 – (из него сделана камера для дробилки).
Пластины от режущего механизма зерноуборочного комбайна – (сделаны молотки для дробилки).
Диск со ступицей и подшипником сошника от сеялки (сделан фланец основания зернодробилки).
Чертежи барабана зернодробилки.

- – фланец (диск сошника).
- – ступица диска с подшипником.
- – зубчатый барабан.
- – фланец основания.
- – фланец барабана.
- – электродвигатель.
- – пластина решета.
- – дуга опорная.
- – уголок 45 х 45 мм.
- – отверстие для молотого зерна.
- – болт М8, гайка (2 шт.).
- – валы электродвигателя.
На токарном станке нужно доработать тормозной барабан, расточить барабан изнутри, сделать внутренний диаметр – 285 мм, глубину барабана — 65 мм. Также нужно в барабане вырезать боковое отверстие под решето.
Доработка фланца – фланец стачивается до диаметра 282 мм.
Чертёж решета зернодробилки.

Как показано на рисунке решето зернодробилки состоит из полукруга с отверстиями и боковой пластины с отверстиями под крепление болтами к барабану. Размер отверстий решета 3 – 3,5 мм, от размера отверстий будет зависеть размер помола зерна.
Чертежи молоткового барабана зернодробилки.

Процесс дробления зерна осуществляется вращающимся молотковым барабаном который состоит из таких элементов:
- – Стопорный болт М10.
- – Пластина (2шт).
- – Молоток.
- – Шайба (10×22 мм).
- – Шплинт (3 мм).
- – Ось.
- – Вал.
Схема приспособления для балансировки молоткового барабана зернодробилки.
Ротор зернодробилки нужно обязательно отбалансировать, при вращении ротор должен равномерно останавливаться из любых положений и не раскачиваться при остановке. Сделать балансировку можно путём высверливания металла в пластинах ротора чтобы облегчить его в местах где вес металла больше.
Чтобы отбалансировать ротор можно сделать простое приспособление как показано на рисунке.
Схема балансировки ротора.

- Вал.
- Боковая пластина ротора.
- Ось со шплинтом для крепления молотков.
- Стопорный болт.
- Металлическая пластина.
- Деревянная стойка приспособления для балансировки.
- Деревянное основание приспособления балансировки.
Чертежи рамы зернодробилки.
Зернодробилка монтируется на раму, на рисунке показаны чертежи рамы, для изготовления рамы использован металлический уголок 50 х 50 мм.

- Стойка (уголок 50×50 мм, 4 шт.).
- Царга (2 шт.).
- Обвязка.
- Площадка приводного вала.
- Поперечина.
- Площадка.
- Площадка под электродвигатель.
- Поперечина нижняя (2 шт.).
Рекомендую посмотреть видео где показано устройство зернодробилки молоткового типа и её работа.
sam-stroitel.com
Маленькая зернодробилка из вала и трубы.
Более 20 лет имеем в своём хозяйстве используется маленькая зернодробилка, которую собрал для меня хороший знатный токарь из старых сельхоздеталей, валявшихся на территории тогдашнего хозяйства колхоза.
Он немного обработал на токарном станке шлицевую часть, пару дисков и подогнал размеры, а я собрал всё воедино.
В дробилке не используются центробежные молотки или вальца. Нет отсевной сетки. Всё гораздо проще.
Основу рабочей части, в которой происходит дробление зерна, составляет пара от телескопического кардана старой сельскохозяйственной техники. Пара образована отрезком шлицевого вала и трубой кардана со шлицами.
Отрезок шлицевого вала обрабатывается под конус, с наименьшим зазором 0,2mm от шлицов трубы. В нижней части вала высверливается глухое отверстие и нарезается резьба под подготовленную соответствующую резьбу на валу электродвигателя.
Дополнительно измельчение зерна происходит между двумя дисками. Один диск закреплён на валу и вращается вместе с ним. Второй диск не вращается и находится на нижнем торце шлицевой трубы.
Вращая регулировочные гайки можно изменять зазор между дисками вплоть до нуля.
Раздробленное зерно выводится из мельницы центробежной силой, вращающимися лопатками, закреплёнными на вращающемся нижнем диске.
Как происходит дробление зерна в такой дробилке.
Зерно из загрузочного бункера, конструкция которого может быть произвольная, ссыпается в полость шлицевой трубы, в которой вращается обработанный шлицевой вал. По мере продвижения, зерно попадает между шлицами вала и трубы, где дробится на несколько крупных частичек. Так как зазор между шлицами вала и трубы к низу постепенно уменьшается, то и размер фракции крупы уменьшается соответственно.
Получившаяся фракция далее измельчается между вращающимися дисками, на которые полотном по металлу и острым зубилом нанесены глубокие насечки. Зазор между дисками регулируется в зависимости от желаемого результата. Можно получить половинки зерна, а можно и муку, правда, время обработки в таком случае увеличится. У выпускного окна самой круш-камеры закреплён желобок, для вывода готовой дроблённой фракции в к ёмкости её сбора. Конструкция размещена на металлической станине.
Электродвигатель можно использовать с любой частотой вращения вала. Чем меньше частота вращения, тем меньше мучной пыли образуется при дроблении.
Вся конструкция зернодробилки крепится к электродвигателю 3-4 болтами или шпильками. Если электродвигатель фланцевый, то зернодробилка крепится станиной болтами непосредственно. Когда в распоряжении имеется электродвигатель на лапах, то процесс установки будет другим.
- Со стороны передней крышки выкручиваются болты крепящие крышку, а вместо них вкручивают длинные шпильки такого же диаметра.
- Крышка зажимается гайками на шпильках.
- На шпильки наживаются гайки, устанавливают станину, продевая вал электродвигателя через отверстие, фиксируют станину вторыми навернутыми гайками.
- К резьбовой части вала электродвигателя накручивается шлицевой вал до упора.
- На шпильки наворачивают четвёртые гайки, которые служат одновременно регулировочными и основанием для шлицевой трубы дробилки.
- Вся система фиксируется пятыми гайками, которые жёстко зажимаются поверх уха крепления трубы.
Сверху можно установить вставку с заслонкой и, я думаю, кому-то будет это удобным.
Скачать чертежи самодельной зернодробилки.
Смотреть видео работы зернодробилки.
Поделись с другими. Возможно, они тоже ищут.
vesyolyikarandashik.ru
Zernodrobilka. Как самостоятельно сделать зернодробилку, кормоизмельчитель или мельницу для приготовления комбикорма из подручных материалов в домашних условиях своими руками. Чертежи и технологии сборки зернодробилок с наглядными схемами, иллюстрациями и фото
Сегодня мы поговорим о том, как самостоятельно сделать зернодробилку, кормоизмельчитель или мельницу для приготовления комбикорма из подручных материалов в домашних условиях своими руками. Так же рассмотрим чертежи и технологии сборки зернодробилок с наглядными схемами, иллюстрациями и фотоВариант №1. Мельницу при желании можно сделать самому, например, из электродвигателя. Почему из него? Все очень просто. Разобрав двигатель, получим и корпус мельницы, и вал ротора с подшипниками. Параметры его могут быть различными. Я изготовил мельницу из электродвигателя мощностью 3 кВт (диаметр 200 мм, длина 200 мм), а мой сосед — из двигателя, размеры которого в два раза меньше.

Схема разборки обычная. Чтобы снять крышку клеммной коробки, нужно отвернуть болты. Так же снимаю клеммную колодку и саму коробку. Отвернув винты, крепящие защитный кожух вентилятора, снимаю его, а затем и сам вентилятор. В большинстве случаев алюминиевый вентилятор крепится с помощью болта. Отвинтив его, разжимаю разрез и либо снимаю вентилятор с вала, либо сбиваю легкими ударами по лопастям.
Затем снимаю два подшипниковых щитка. Каждый из них крепится 3—4 болтами. Отвинтив болты, поворачиваю щитки на подшипниках и легкими ударами по ушкам крепления сбиваю их. После этого вынимаю ротор из отверстия статора, а с помощью молотка и наставки извлекаю пакет статора из корпуса. (Если это удастся сделать аккуратно, то из статора можно затем изготовить сварочный аппарат). Следующая операция одна из самых трудных —нужно сбить ротор с вала.

Для этого удары наношу по ротору либо по валу, который устанавливаю на деревянном основании, чтобы не повредить. В качестве основания служат два швеллера, вал находится между ними, а статор — на швеллерах. На вал кладу дубовое полено и с помощью молота сильными ударами сбиваю ротор и собираю мельницу
Порядок сборки такой. Сверху на корпусе, где располагалась клеммная коробка, нужно сделать засыпочное отверстие и установить загрузочный бункер с заслонкой. Его укрепляю винтами Мб. Внизу следует сделать отверстие — для выхода готовой продукции, а также прикрепить рукав-пыльник, тогда помол не будет разлетаться в стороны, а будет ссыпаться в подставленную емкость.
Над выходным отверстием нужно установить сетку, а внутри корпуса мельницы прикрепить три отбойника. Два нижних отбойника (размеры 200x10x5 мм) прижимают сетку. Затем вытачиваю два круга диаметром 120 мм и толщиной 8 мм. В них высверливаю 4 отверстия, центральное — по диаметру должно равняться толщине вала. Из прута диаметром 10 мм делаю три оси, длиной 190 мм каждая, на которые насаживаю треугольные сегменты.
Их можно вырубить из листового железа толщиной 2 мм либо, как поступил я, использовать сегменты ножей косы комбайна. Я подобрал такие, в которых уже было готовое отверстие. Сегменты должны свободно вращаться, поэтому между ними следует установить шайбы. Оси с сегментами вставить в отверстия кругов и приварить. Ротор готов. Теперь нужно собрать все по схеме, повторяющей в обратном порядке схему разборки.

Собранную мельницу соединить с электродвигателем с помощью ременной передачи. Качество помола зависит не только от размера отверстий на сетке, но и от частоты вращения мельницы. Однако следует иметь в виду, что если эта величина будет превышать 3000об/мин, то ось, на которой расположены сегменты, желательно приварить к валу с
помощью пластины.
Производительность мельницы зависит от мощности электродвигателя и от диаметра входного отверстия. Моя электромельница (3000 об/мин) перемалывает мешок зерна за 15—20 мин.
Вариант № 2. Принцип работы зернодробилки похож на работу обычной кофемолки. Главным механизмом является нож, который вращается и измельчает зерна сельскохозяйственных культур до такой степени, пока они не будут проходить сквозь днище — сито. Движителем такого аппарата может быть любой электромотор от бытовой техники средней мощности. Например, от пылесоса или холодильника.
Нож можно изготовить из любой пластины толщиной не менее миллиметра и имеющей заточку в виде лезвия. Такие пластины можно взять где угодно, главное, чтобы это была сталь покрепче, чем Ст-3. Отлично подойдут держатели автомобильные или держатели бытовой техники.
Барабан – основа дробления – можно сделать из старого кондиционера или небольшого кожуха для промышленной вентиляции. Чтобы сделать зернодробилку самостоятельно, необходимо собрать простую модель. Берем толстый фанерный лист, закрепляем на нем электромотор с помощью болтов и гаек, предварительно просверлив отверстия под них.
Далее изготавливаем самостоятельно для зернодробилки нож. Для этого обтачиваем на наждаке пластину таким образом, чтобы она была одинаковой формы по горизонтали и вертикале. Сверлим посредине отверстие по диаметру вала мотора. Затачиваем с обоих концов пластину в виде пропеллера, по одинаковым сторонам. Вообще, зернодробилки могут иметь нож разной формы – здесь вы можете экспериментировать.
Далее на вале мотора делаем резьбу метчиком и трещоткой. Для того, чтобы самостоятельно сделать для оси мотора зернодробилки паз, накручиваем на валик столько гаек, сколько накручивается. Между гайками вставляем наш нож.
Затем следует просверлить отверстие вдоль вала под определенный размер на глубину резьбы. После чего аккуратно снимаем гайки и нож, не портя резьбу. Если из-за деформации при продольном сверлении резьба стала с деформированными краями, необходимо крутить гайку то в одну, то в другую стороны, пока гайка будет откручиваться.

Одеваем нож на вал, закрепляем двумя гайками и шпонкой. Подготавливаем барабан. Для этого, если барабан от вентиляции, отделяем части, одеваем на нож, снова скрепляем и устанавливаем на нашу основу — фанерный лист с помощью шпунтов. Можно с помощью паяльника припаять державки, если зернодробилка небольшая, можно приварить, если размеры достаточно большие.
В верхней части барабана делаем отверстие для конуса (обычный бытовой), в нижней – сито (можно также бытовое). Размер ячеек будет определять размер помола.
Сегодня трудно представить фермерское хозяйство без различной техники и полезных приспособлений. А хозяйство, где содержатся животные, не обойдется без такого полезного устройства, как зернодробилка. На рынке представлен большой ассортимент зернодробилок, но также ее не сложно сделать в домашних условия. В этой статье пойдет речь о том, как сделать зернодробилку самому.
.
Для основы прекрасно подойдет старый пылесос или стиральная машинка, также пригодится и мотор от пылесоса. Помимо этого, понадобится циркулярная пила, или двигатель от пылесоса в качестве основного механизма для нашей зернодробилки, деревянная доска, размером до 50 см., электрический чайник, канистра, которую используют для бензина, или пластиковая пятилитровая канистра, и кусок клеенки, или, если найдется, кожи, или кожзаменителя, металлический лист, высотой около 50 мм, и диаметром от 200 мм, сито, для просеивания дробленого зерна.
Будет рассмотрено два варианта, как сделать зернодробилку самому: для использования, как в хозяйстве таки и дома, а также модель для использования только в помещении, где она установлена, так как в основе такой зернодробилки будет циркулярная пила, и мобильность ее из-за принципа работы и веса будет ограничена.
Итак, для основы используем бак от стиральной машины, или основание пылесоса. В качестве отверстия для загрузки зерна используется чайник, важно, чтобы он был металлический; делаем следующее: отрезаем верхнюю часть болгаркой, хорошо обрабатываем края, чтобы не порезаться в процессе эксплуатации.

Дальше нам также понадобятся детали от пылесоса, а именно пластиковая трубка от щетки пылесоса, и вот эта самая трубка вставляется в отверстие бывшего чайника. Туда же помещаем и горловину канистры, или пятилитровой пластиковой бутылки со срезанным днищем.
Дальше необходимо просверлить в основании отверстие, из которого будет впоследствии, выходить зерно. Сделать его лучше в середине основания (пылесоса или бачка от стиральной машины, чтобы было удобно подставлять емкость, куда будет высыпаться перемолотое зерно. Диаметр примерно 10-12 см.
Далее собираем и укрепляем моторную систему нашего агрегата. Используем электродвигатель от пылесоса. Принцип работы зернодробилки прост: ножи для размельчения зерна вращаются с большой силой, за счет работы мотора – в целом очень похож на принцип работы обычной кофемолки.

На Деревянной доске размещаем мотор, его вал должен уходить вниз примерно на 40-50 см. На так называемом «хвостике» мотора при помощи гаек и шайб устанавливаем металлическую пластину. Далее из металлического листа сворачиваем полоски и ребра отгибаем наружу, на получившиеся крепления помещается сито, через которое будет просеиваться зерно. Получившуюся конструкцию вставляем на заранее подготовленное основание из пылесоса или стиральной машинки.
Далее нужно изготовить и укрепить ножи. За основу можно взять обычную дисковую пилу. Оттуда нам понадобится крестообразный нож – его нужно вырезать и отогнуть противоположные концы, чтобы ножи работали с одинаковой силой.
Ножи укрепляем под моторной системой, но над металлической конструкцией с ситом. Таким образом, в отверстие для загрузки зерна помещается зерно, размалывается ножами, приводимыми в действие моторной системой, после чего зерно через конструкцию с ситом просеивается в отверстия для подачи зерна, в качестве емкости для готового зерна подойдут тазы.
После чего всю конструкцию можно укрепить на листе фанеры, или металла, но лучше укрепить на высоком основании, например на большом столе. Просто привинчиваем основание в поверхности шурупами.
Есть также и другой вариант, как сделать зернодробилку самому. Это вариант подойдет для тех, у кого имеются циркулярная пила, и муфта управления трактора, а также ремни , с помощью которых дробильный механизм будет крепиться к основанию циркулярной пилы.
На вал пилы устанавливается так называемая стенка из фанеры, или металла. Предварительно вырезаются отверстия, под вал циркулярной пилы. Прикрепляем ее шурупами. Крышку можно изготовить таким же способом, как и в первом варианте – из чайника, трубки от пылесоса и пластиковой канистры без дна.
В качестве дробильного устройства используется муфта управления трактора. Устанавливаем его на основание циркулярной пилы, клиновыми ремнями, они же и будут передавать вращающий момент от механизма циркулярной пилы у муфте. В данном варианте не предусмотрено сито, для просеивания зерна, хотя его можно установить, например, на ведро, куда будет подаваться зерно, и просеивать его вручную.
Первый вариант удобно использовать и в домашних условиях, но производительность такой дробилки будет меньше, за счет меньшей мощности моторной системы, можно сказать, что это мобильный вариант. Что касается второй модели, то такую зернодробилку можно использовать для измельчения зерна для большого количества животных, установить ее можно в том же помещении, где содержаться животные.
Для многих вопрос, как сделать зернодробилку самому, кажется практически неразрешимым, но совершенно очевидно, что изготовить зернодробилку в домашних условия довольно просто и недорого – большинство материалов есть на каждой даче, или загородном доме, но производительность у таких зернодробилок ничуть не хуже, чем у промышленных моделей.
crovlya-krisha.blogspot.com
Дробилка своими руками — как сделать?
СодержаниеИзмельчительное оборудование на дачном участке имеет очень разнообразное применение. С его помощью можно измельчать грубые травяные корма, перебивать фрукты на сок, создавать комбинированные смеси для кормления молодняка домашней птицы и животных.
Зачастую стоят такие механизмы достаточно дорого. Но, всегда есть вариант изготовить дробилку своими руками.
Типы дробилок для фермерского участка
Перед тем как сделать ту или иную дробилку своими руками, следует четко определится с типом сырья, которое она будет перерабатывать. Исходный материал имеет разную структуру и степень жесткости, соответственно и оборудование для измельчения будет отличаться рядом особенностей.

Измельчитель веток — незаменимый утилизатор растительных отходов
По данному критерию выделяются:
Конечно, это не весь перечень возможных вариантов. Но, перечисленные механизмы могут перерабатывать большую часть сельскохозяйственной продукции, и очень просты в изготовлении.
к меню ↑
Как сделать измельчитель для травы своими руками?
Электрическое устройство для переработки сена и травяных культур не требует особых навыков. Для его изготовления достаточно подручных материалов. Состоит механизм из бункера для сырья, измельчительного барабана с несколькими ножами, дробительного механизма, специального сита, выпускного канала и электропривода.

Самодельный измельчитель для травы
Весь процесс изготовления имеет такой вид:
- Прежде всего нужно позаботится о электроприводе. В качестве силовой установки подойдет двигатель с мощностью 800 Вт и выше. Более мощные модели будут давать меньшую степень измельчения.
- Вторым пунктом идет изготовление барабана. Для стенок измельчительной камеры и ее основы подойдет металл с толщиной 4 мм. Высота барабана должна быть не менее 10 см, ширина минимум 30. В дне измельчителя прорезается отверстие под соединение с приводом.
- Дальше идет основа с поддоном и бункер для сырья. Их можно сделать из жести или из металлической оцинкованной бочки.
- В качестве режущего органа используется металлические пластины (2 и больше), которые соединяются с диском привода посредством длинных болтов и уплотняющих шайб. Если длина болтов позволяет, можно сделать два уровня ножей, что улучшит измельчение.
- Заканчивается самодельная дробилка для сена своими руками выпускным патрубком. Для него лучше всего использовать полимерные трубы от водопровода или канализации. Они не поддаются коррозии и подходят по диаметру.
Прежде чем активно использовать устройство, его нужно внимательно осмотреть, дальше проводится подтягивание всех болтовых креплений и проверка сварочных стыков. Только после этого проводится первый запуск. В качестве проверочного сырья подойдет крупная солома.
к меню ↑Измельчитель травы сделанный своими руками (видео)
к меню ↑
Как самому изготовить дробилку для яблок?
Дробилка для яблок своими руками позволит легко перерабатывать фрукты до однородного сырья, из которого потом проще получить сок, или использовать для создания комбинированных кормов. Все яблочные измельчители основываются на валковом механизме дробления.
В качестве рабочего органа для такого устройства подойдет стальной цилиндр с длиной 40 см и 20 см в поперечном разрезе. По всей длине, по диагонали, вкручиваются винты или саморезы из нержавейки. При этом лучше делать навивку симметрично в оба направления цилиндра.
Устанавливается рабочий орган на плоскую полированную доску, либо на наклонный сток из жести. Оцинкованную жесть лучше не брать, так как она может взаимодействовать с соком яблок. Цилиндрический пресс устанавливается на вал с помощью подшипников. В качестве привода для такого устройства используется двигатель из стиральной машинки. Его мощности вполне хватит для переработки фруктов. Вал соединяется с двигателем посредством автомобильного ременного механизма.
Если яблоки в дальнейшем будут использоваться в пищевой сфере, самодельную дробилку можно сделать из экологичных древесных материалов.
В этом случае будет использоваться рабочий цилиндрический орган, изготовленный из бука или осины. Он устанавливается с помощью подшипников на прямоугольную раму. В барабан вкручиваются шурупы, как и в предыдущем варианте.

Ручная дробилка для яблок
Сверху на цилиндр устанавливается специальный бункер. Его особенность заключается в том, что три вертикальных стенки располагаются перпендикулярно поверхности, а одна стоит под углом. Это обеспечивает легкий спуск яблок под дробительный барабан.
Ось вала зубчатого барабана выводится наружу, где к ней крепится рукоять. Может изготавливаться такая дробилка из болгарки. В этом сделанный механизм будет перерабатывать сырье автоматически. Выведенная ось, крепится на привод болгарки. Высокие обороты прибора будут равномерно раскручивать вал, что обеспечит непрерывную работу. Вниз под устройство устанавливается контейнер для приема переработанной продукции.
к меню ↑
Как изготавливается дробилка для винограда своими руками?
Сделать дробилку для винограда самому не так уж и сложно. Существуют самодельные дробилки для винограда с щековым механизмом, стандартным прессом или использующие молоток в качестве рабочего органа. В более сложном варианте используется валиковый вариант дробления.
В качестве рабочего органа здесь будут использоваться резиновые валики для отжима белья от стиральных машин типа «Таврия» или «Рига». Приобрести их можно практически на любой барахолке или в интернете. Вдоль каждого ролика прочерчивается шесть направляющих линий. По всей длине линий с интервалом 0,5 мм проделываются отверстия с сечением 1 см и 0,5 см в глубину.
Следующий момент самый сложный – необходимо изготовить две шестеренки под диаметр валиков. Лучше этот процесс доверить опытному токарю.
Дальше делается бункер для устройства. Делается он из двух деревянных и двух жестяных пластин, у которых сужен низ. Деревянные пластины устанавливаются под наклоном, а жестяные вертикально. В жестяных пластинах у основания просверливаются по два отверстия, и болтами крепятся пластины с приваренной трубкой. Диаметр трубки позволяет впрессовать в нее подшипник (желательно 202). С одной стороны в подшипник крепится валик, с другой одевается шестеренка.

Дробилка для винограда
По окончанию установки валики в основании бункера должны располагаться с просветом в 3 мм. В качестве основы берем любую широкую поверхность (деревянную использовать легче всего) и прорезаем отверстие под нижний периметр бункера. В качестве привода используется двигатель от стиральной машины. Ременную тягу лучше взять оттуда же. Ремень одевается одной стороной на колесо двигателя, а другой на один выход оси вала. В такой конструкции шестерни будут крутится в разные стороны и самостоятельно затягивать ягоды.
Такая виноградная измельчительная машина не так справляется с отходами как вальцовая дробилка для винограда с гребнеотделителем, но обладает более простой конструкцией.
к меню ↑
Дробилка для костей и универсальный измельчитель
Полезным дополнением дома станет садовая универсальная дробилка, которая подходит для щепы, костей, твердого мусора. Устройство включает в себя следующие комплектующие:
- силовую раму;
- рабочий орган из пил;
- защитный кожух;
- бункер для сырья;
- электромотор.
В качестве силового агрегата берется бензиновый или электрический двигатель. Для грубых материалов можно использовать привод мотоблока. Следующим этапом создается режущий орган. Чтобы его изготовить понадобится 10-15 циркулярных пил с диаметром не менее 6 см.
Все пилы собираются вместе на оси, диаметр которой зависит от отверстия пилы. Между каждой парой пил устанавливается пластиковая шайба (можно вырезать из любой полимерной пластины). Такая прокладка будет предотвращать сцепление пил во время работы. По бокам режущий орган укрепляется шайбами или заваривается. К оси приделывается шкив. И в целом режущий орган готов.

Измельчитель для кости Ж9-ФИС
Силовая рама сваривается из 4 уголков. К одному краю крепится ось с пилами. Для этой цели используются подшипники, установленные в зажимы, которые крепятся к раме сваркой или болтами. Сверху на режущий агрегат устанавливается кожух. Делается он из листовой стали. Три стенки располагаются в вертикальном положении, а четвертая имеет небольшой уклон к основанию рамы. Сверху на кожух надевается бункер, который также изготавливается из листовой или оцинкованной стали. Крепится бункер к кожуху болтами для простоты обслуживания.
Дальше на раме фиксируется двигатель. На шкив надевается диск ременной тяги и крепится к диску двигателя. Для удобства систему можно оборудовать системой управления или тумблером. Таким образом получается свой измельчитель для твердого сырья. Подходит для переработки веток, свеклы, костей, отходов пищевой сферы.
moezerno.ru
Зернодробилка своими руками: краткая инструкция :: SYL.ru
Персональная дробилка для зерна значительно облегчает труд на животноводческих фермах. С помощью такого агрегата можно быстро и легко пополнить запасы корма для птиц и кроликов, а также изготовить комбикорм для крупного рогатого скота и перемолоть фрукты и овощи. В домашнем хозяйстве также может пригодиться зернодробилка. Своими руками ее может сделать практически каждый. Для этого не нужно особых знаний. При помощи устройства можно измельчать зерна, например, пшеницу для получения муки или же кукурузу.

Конечно, не так легко отыскать на рынке всевозможной сельскохозяйственной техники дешевую зернодробилку. Поэтому многие пытаются сделать ее самостоятельно. Для этого могут понадобиться старая бытовая техника или ее отдельные детали, навыки работы со сварочным аппаратом и некоторый опыт в токарном деле.
Устройство из старого пылесоса
Итак, как сделать зернодробилку своими руками из старого пылесоса? В данном случае особое внимание стоит уделить мотору. Эта деталь идеально подходит для изготовления зернодробилки небольших размеров. Помимо этого, понадобятся:
- Фанера толщиной 1 сантиметр.
- Гайки, шайбы и втулка.
- Бункер со специальной заслонкой.
- Деревянные штифты.
- Металлическая полоска, необходимая для создания рабочей камеры.
- Стальные пластины, которые будут служить ножами.

Приступаем к изготовлению основы
Что еще нужно, чтобы получилась зернодробилка? Своими руками чертежи выполнить не каждому под силу, но это именно то, что поможет собрать нормальный, а главное — работающий агрегат. В крайнем случае для наглядности можно использовать картинки уже готового аппарата. Для начала нужно создать основание зернодробилки. Для этих целей идеально подойдет лист фанеры, толщина которого составляет 1 сантиметр. Из него нужно вырезать квадрат, каждая сторона которого ровна 30 сантиметрам. Поверх готового основания следует прикрепить рабочий электродвигатель, взятый у старого пылесоса. При этом устройство должно выступать вниз на сантиметров 40.
Ножи из стальных пластин
Зернодробилка своими руками изготавливается очень быстро. Главное — заранее подготовить все детали. Рабочий орган подобного устройства – это нож. Он будет вращаться с большой скоростью. Благодаря этому происходит измельчение сырья. Для создания такого ножа можно использовать пластины из стали. Каждая деталь должна соответствовать следующим размерам: толщина – 1,5 миллиметра, длина – 20 сантиметров и ширина – 1,5 сантиметра.

При выборе материала стоит отдать предпочтение тому, который будет крепче, чем сталь. В данном случае можно использовать автомобильные держатели, а также другие похожие детали от различной бытовой техники. Зернодробилка, своими руками сделанная, может молоть лучше покупной, если правильно заточить ножи. Их следует сделать в виде лезвия. Две передние кромки необходимо обрабатывать по направлению оси вращения.
Что касается формы данной детали, то здесь можно и поэкспериментировать. Можно просто сделать углы скошенными или же придать ножам форму пропеллера. Вид каждой пластины стоит отрегулировать при помощи наждака.
Когда деталь будет готова, нужно просверлить отверстие, которое будет соответствовать валу двигателя. Нож можно закрепить на резьбовой хвостик. В данном случае понадобятся гайка, втулка и несколько шайб необходимого размера. Самодельная зернодробилка, своими руками изготавливаемая, почти готова.
Сито, бункер и рабочая камера
Чтобы обустроить камеру, где происходит перемол зерна, можно использовать полоску металла длиной 70 сантиметров и шириной 6 сантиметров. Эту деталь необходимо свернуть кольцом, отогнув при этом ребра в нужную сторону. Сделать это следует по всему периметру камеры.
Фланцы, которые при этом образуются, будут шириной не более 1 сантиметра. Это необходимо для установки сита и скрепления с основанием. Для более надежной фиксации дробилки стоит на равном удалении друг от друга, на нижней стороне уже готовой камеры, монтировать деревянный штифты.

Как видите, зернодробилка своими руками выполняется элементарно. При выборе сита стоит помнить, что для получения муки нужна мелкая сетка, а вот для крупного помола идеально подойдут ячейки, для фруктов или овощей – диски с множеством отверстий.
Завершающий этап
Зерно будет закладываться из бункера в рабочую камеру, где происходит его измельчение. Агрегат следует оборудовать специальным отверстием и, конечно же, сделать пластинчатую заслонку, которая позволит регулировать каждую подачу зерна. Бункер нужно установить на основание.
Под ситом стоит разместить специальную емкость, например, бак, ведро, кастрюлю или же таз. Это нужно для сбора продукции. На этом готова ваша зернодробилка. Своими руками можно сделать агрегат не только из пылесоса. Для этих целей прекрасно подходит старая стиральная машина.
Зернодробилка помогает многим владельцам ферм справиться с заготовкой корма, а также сэкономить немало денежных средств. При желании подобный агрегат можно смастерить самому. При этом не нужно обладать многими навыками.
www.syl.ru
