Электросчетчик часы – электросчетчик | Где купить? Это реальный продукт или фейк?
Электронные часы из старого советского электросчетчика | Автоклад.ру
Делая уборку в шкафах, жена нашла старый электрический счетчик времен СССР)), собралась было выкинуть да я успел перехватить его), пожалел старичка, вроде как и по прямому назначению его уже не использовать и выкинуть жалко, и тут в голове стрельнула мысль, а не сделать ли из него часы под эл. счетчик.
Потрошим его, вытаскиваем полностью внутренности
разборкадалее заказываем на али самые примитивные часы для самостоятельной сборки-пайки.
И так нам понадобится, корпус от счетчика, часы с али, и кроватка под аккумулятор.
набор для будущих часовплатка часов достаточно легкая поэтому решил их просто прижать пружинными пластинам прямо к стеклу на имеющийся крепеж.
пружинные пластинкина задней части счетчика крепим кроватку под АКБ

кроватка АКБ
управление (кнопки) с часов перенес наружу, в нижнюю часть корпуса.

вид изнутри
Так будущие часы выглядят с лицевой части

лицевая часть
вставляем АКБ, проверяем что часы стартовали

последняя проверка перед сборкой
ну собственно собираем в итоговое состояние

часы-электросчетчик
пока на кухне ремонт, временно разместил их так

часы-счетчик, считают
Взято из блога kozmap
avtoclad.ru
Перевод времени на электросчетчике. Перевести часы на электросчетчиках на зимнее время в 2014-2015 году в СПб
Перевод часов на электросчетчиках в 2014-2015 годах
Многотарифные счетчики электроэнергии по праву считаются передовым энергетическим оборудованием, которое призвано экономить расходы потребителей на электроэнергию. В таких устройствах учет потребляемой абонентом электроэнергии ведется по двум тарифам: дневному и ночному. Как известно, в ночные часы оплата производится по ценам в два раза меньшим, чем днем, поэтому многотарифные счетчики являются наиболее эффективными с финансовой точки зрения.
Однако, в таком оборудовании не предусмотрена оптимизация тарифов в связи с переходом на зимнее время. Фактически в вечернее время, когда наблюдаются пиковые нагрузки на электросети, учет ведется по дневным тарифам. Отсюда собственникам без перевода времени на электросчетчике приходится платить по двойному тарифу. Чтобы решить такую проблему необходимо произвести перевод электросчетчиков на зимнее время.
Перевод счетчиков на зимнее время: быстро, качественно и доступно с ИЦ «Энергоучет»
Если вам необходим перевод времени на электросчетчике в 2015 году, тогда обращайтесь к нам! Компания ИЦ «Энергоучет» производит перепрограммирование электросчетчиков с учетом зимнего времени в СПБ в любом районе города. Мы работаем с устройствами таких торговых марок, как:
- Альфа
- ЕвроАльфа
- Нева
- Меркурий
- Энегомера
- ЦЭ 2726
- ЦЭ 2727
- ПСЧ
- СЭТ
- Delta
- ABB и других электросчетчиков.
Наши опытные специалисты применяют специальное программное обеспечение и технические средства, которые рекомендуются производителями. Поэтому мы предоставляем клиентам гарантии эффективности выполненных работ, а также их соответствие установленным нормам.
Перевод электросчетчиков на зимнее время
производится максимально быстро без необходимости демонтажа самого устройства. Поэтому после завершения работ счетчик полностью сохраняет свои эксплуатационные свойства, стабильность и точность учета. Стоимость такой услуги вас приятно удивит. Чтобы заказать услугу перевод времени на электросчетчике, перезвоните нам по указанным телефонам и оставьте заявку на вызов мастера. Компания ИЦ «Энергоучет» помимо сервисного обслуживания предоставляет своим клиентам комплексную информационную поддержку.auuckye.ru
Как поменять неправильное время на двухтарифном счетчике электроэнергии и кто за это заплатит? Разъяснения «Мосэнергосбыта» — Свет — Новости
11.01.2018
Свет / Счетчики и учет электроэнергии

У москвички, проживающей в доме 31, корп. 1 на бульваре Матроса Железняка (Коптево, Северный административный округ Москвы) возникла проблема со счетчиком. По её словам, время на двухтарифном электросчетчике постоянно отстаёт от реального.
Раньше раз в полгода сотрудники «Мосэнергосбыта» бесплатно корректировали время. Но теперь говорят, что это можно делать только за деньги. Женщина попросила редакцию издания «Север столицы» разобраться в этом вопросе. Журналисты переадресовали вопрос «Мосэнергсбыту».
Следить за исправностью счетчиков электроэнергии – обязанность потребителя
В пресс-службе ПАО «Мосэнергосбыт» сообщили, что работы по коррекции времени встроенных часов приборов учёта у граждан без взимания платы проводились «Мосэнергосбытом» по данному адресу в апреле 2015 года в рамках исполнения постановления Правительства РФ от 24 декабря 2014 года №1465 (возврат зимнего времени).
По действующему законодательству вопрос организации надлежащего учёта (проверка, калибровка, замена приборов учёта и т.д.) — сфера ответственности потребителя электроэнергии (пункт 81 Правил предоставления коммунальных услуг гражданам, утверждённых постановлением Правительства РФ от 6 мая 2011 года №354). В этой связи услуги по перепрограммированию приборов учёта, в том числе по коррекции времени, ПАО «Мосэнергосбыт» оказывает на коммерческой основе.
Отставание двухтарифного счетчика возможно по причине неисправности
Жителям, у которых двухтарифный счетчик постоянно отстает от правильного времени, стоит так же задуматься о замене прибора учёта. Возможно, он неисправен. Правда, это делается также за счёт средств потребителей.
В Госдуме в настоящее время находится законопроект, согласно которому гражданам могут менять электросчётчики бесплатно в рамках создания интеллектуальной системы учёта электроэнергии, однако эта кампания начнётся не ранее лета 2018 года.
Источники:Север столицы
Комментарии
energovopros.ru
Установка электросчетчика — Статьи по электротехнике — Каталог статей
Электрический счетчик – электроизмерительный прибор, предназначенный для учета расхода электрической энергии переменного или постоянного тока, которая измеряется в кВт/ч или А/ч. Электросчетчики применяются там, где осуществляется легальное потребление электроэнергии и есть возможность экономить деньги, отслеживая ее потребление за определенный промежуток времени. Электросчетчики выпускаются
Возникает вопрос, какой счетчик лучше –
индукционный или электронный? Чтобы ответить на него, надо понимать,
какие задачи на него будут возложены кроме простого списывания
показаний. Нужны ли будут различные функции, заложенные в большинстве
электронных счетчиков.
В отличие от индукционных счетчиков, электронные счетчики построены
на основе микросхем, не содержат вращающихся частей и производят
преобразование сигналов, поступающих с измерительных элементов, в
пропорциональные величины мощности и энергии. Электронные электросчетчики отличаются более высокой точностью и надежностью по сравнению с индукционными электросчетчиками, имеют больший меж поверочный интервал.
На лицевой стороне счетчика указывается число оборотов диска (для
индукционного счетчика) или количество импульсов (для электронного),
соответствующее 1 кВт∙ч электроэнергии. Например, 1 кВт∙ч – 1250
оборотов диска. Количество потребленной электроэнергии, в этом случае,
прямо пропорционально числу оборотов диска.
Основные параметры.
Класс точности – основной технический параметр электросчетчика. Он указывает на уровень погрешности измерений прибора. До середины 90-х годов все устанавливаемые в жилых домах счетчики имели класс точности 2.5 (максимально допустимый уровень погрешности составлял 2,5%). В 1996 году был введен новый стандарт точности приборов учета, используемых в бытовом секторе – 2.0. Именно это стало толчком к повсеместной замене индукционных счетчиков на более точные, с классом точности 2.0

Электронные электросчетчики
Также важным параметром электросчетчика является тарифность. До недавнего времени все электросчетчики, применяемые в быту, были одно тарифными. Современные счетчики позволяют вести учет по зонам суток и даже по временам года. Двух тарифные счетчики дают возможность платить за электроэнергию меньше – в установленное время они автоматически переключаются на ночной тариф, который почти вдвое ниже дневного. Двух тарифная система предлагает отдельные тарифы для дня (с 7:00 до 23:00) и ночи (с 23:00 до 7:00). Самые современные модели могут перестраиваться на любую тарифную политику. Например, если энергетики решат сделать скидки по выходным, то воспользоваться ими смогут лишь владельцы счетчиков, способных поддерживать несколько тарифов. Тарифы и время режимов вводятся представителем электроснабжающей организации, которые ставят электросчетчик на учет, пломбируют его и дают разрешение на использование.
Сегодня все новые дома еще на стадии строительства оборудуются
автоматизированными системами учета электроэнергии АСКУЭ, которые
предоставляют жителям возможность производить учет электроэнергии дифференцированно
по времени суток. В эту систему входят не только двух тарифные
счетчики, но и аппаратура автоматики, которая позволяет программировать
электросчетчики и снимать с них показания дистанционно. Если дом не
оборудован автоматизированной системой учета, то можно установить двух
тарифный счетчик с тарификатором.
С течением времени, из-за износа материалов, класс точности
электросчетчика может меняться. Наступает время, когда электросчетчик
необходимо повторно проверить на точность показаний. Период с момента
первичной проверки (обычно с даты выпуска) до следующей проверки
называется меж поверочным интервалом. Меж поверочный интервал измеряется
в годах и указывается в паспорте электросчетчика. Продолжительность меж
поверочного интервала связана со сроком эксплуатации прибора и с
гарантией на него. Важное значение имеет возможность произвести
гарантийный и послегарантийный ремонт.
Чтобы проверить правильность начисления оплаты в современном
электросчетчике, уже не нужно искать старые квитанции об оплате –
счетчик с соответствующей функцией покажет, сколько и в каком месяце и
по какому тарифу израсходовано электроэнергии. Вычислять в столбик
разницу между показаниями за месяц уже не нужно, электросчетчик способен
сам это сделать.
В настоящее время существует большой выбор электросчетчиков. Каждый из
них имеет свои характеристики, различные функциональные возможности.
Конечно, не всем нужны различные функции, такая, например, как
многотарифность, некоторые хотят простой, надежный и точный счетчик по
разумной цене. В настоящее время существует большой выбор
электросчетчиков, можно выбрать именно тот, который больше подходит.
Электросчетчик однофазный индукционный одно тарифный.

Электросчетчик однофазный индукционный одно тарифный в основном
предназначен для измерения и одно тарифного учета активной электрической
энергии в однофазных двухпроводных цепях переменного тока. Такие
электросчетчики выбираются по классу точности, по климатическим
условиям, по объединению приборов учета в АСКУЭ, по телеметрическому
выходу или определенному типу интерфейса. Однофазные двух тарифные
счетчики с внешним тарификатором подразумевают обязательно использование
такого тарификатора. Однофазный электросчетчик должен быть устойчив к
электромагнитному воздействию.
Имеет высокую надежность и долговечность, изготавливается из материалов,
не поддерживающих горение, срок службы не менее 30 лет, выпускаются
как в классическом корпусе черного цвета, так и в корпусе из прозрачного
материала.
Предназначен для эксплуатации в электроустановках административных, жилых и общественных зданий, производственных помещений, коттеджей, дач, торговых киосков, магазинов, гаражных кооперативов и т.п. при снабжении потребителей электроэнергии от однофазной электросети.
Электросчетчик трехфазный электронный многотарифный.

Электросчетчик трехфазный электронный многотарифный имеет встроенный цифровой интерфейс, встроенный тарификатор.
Обеспечивает – учет активной и реактивной электроэнергии в одно или многотарифном режимах суммарно по всем фазам или может осуществлять учёт активной энергии по каждой фазе отдельно. На жидко-кристаллическом дисплее индицируются – значения активной и реактивной электрической энергии, измерение мгновенных значений активной, реактивной и полной мощности по каждой фазе и по сумме фаз, измерение по каждой фазе – тока, напряжения, частоты, cos ф, углов между фазными напряжениями. Такой электросчетчик поддерживает передачу данных измерений по силовой сети, по интерфейсам – CAN, RS-485. Может передаваться вся доступная информация. Имеется возможность программировать счётчик в режим суммирования фаз «по модулю” для предотвращения хищения электроэнергии при нарушении фазировки подключения, имеется возможность корректировать внутренние часы электросчетчика.
Предназначен для эксплуатации в электроустановках административных, жилых и общественных зданий, производственных помещений, коттеджей, дач, магазинов, гаражных кооперативов и т.п. при снабжении потребителей электроэнергии от трехфазной электросети.
Расчет мощности нагрузки.
Иногда возникает необходимость узнать, сколько потребляют отдельные
электроприборы в данный момент времени. Для этого необходимо отключить
ненужные приборы, включить нужные. Дале посчитать количество оборотов
диска или количество импульсов за одну минуту в зависимости от типа
счетчика и рассчитать по формуле:
W = (n * 60)/(Imp * t), кВт
где W — потребляемая мощность за час, n — количество импульсов или
оборотов диска за определенный период времени, Imp — количество
импульсов или оборотов диска соответствующих 1 кВт*ч, t — время в
минутах.
Схемы подключения электросчетчика.
Схема подключения однофазного (индукционного) электросчетчика.

Фазный провод и токовая катушка обозначены красным цветом; нулевой провод и катушка напряжения обозначены синим цветом.
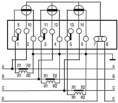
Схема подключения трехфазного электросчетчика прямого действия (подключения).

Фаза «А” обозначена желтым цветом, фаза «В” – зеленым, фаза «С” – красным, нулевой провод «N” – синим цветом; L1, L2, L3 – токовые катушки; L4, L5, L6 – катушки напряжения; 2, 5, 8 – винт напряжения; 1, 3, 4, 6, 7, 9, 10, 11 – клеммы для подключения электропроводки к счетчику.
Схема подключения трехфазного электросчетчика через трансформаторы тока.

http://fazaa.ru/
elektromehanika.org
Двухтарифный счетчик электроэнергии — принцип работы и обзор моделей
Стоимость электроэнергии имеет тенденцию постоянно увеличиваться, поэтому многие потребители задумываются, как уменьшить эти затраты, что такое двухтарифный счетчик, как работает этот прибор и как его подключить. Есть несколько способов экономии средств на электроэнергию: можно меньше пользоваться электроприборами, некоторые воруют, нарушая штатный режим работы приборов учета расхода электроэнергии. Эти способы создают определенные неудобства или могут привести к проблемам с энергоснабжающей организацией, результатом которых будут штрафы. Есть вполне легальный способ сэкономить средства, не ограничивая потребления — приобрести и установить двухтарифный счетчик электроэнергии.
В чем принцип экономии при учете электроэнергии двухтарифным счетчиком
Статистика показывает, что расход электроэнергии по времени в течении суток распределяется не равномерно. Утром начинается рост, на дневное время приходится пик и падение — на вечернее. На графике снизу показано распределение расхода электроэнергии в течение суток в отдельно взятом районе населенного пункта:
- Первая тенденция к росту начинается с 7:00 до 9:00 — начало рабочего дня, включаются бытовые электроприборы, люди собираются на предприятия, которые вступают в активную деятельность.
- С 10:00 до 17:00 наблюдается основной пик дневной нагрузки на электросети с коротким падением в обеденное время. Это связано с работой многочисленных промышленных предприятий.
График суточной нагрузки сети- С 17:00 до 21:00 происходит небольшой рост потребления электроэнергии в связи с приездом потребителей домой и решением хозяйственных проблем. Включается освещение и приборы бытовой техники.
- С 21:00 до 23:00 часов уровень расхода электроэнергии падает и становится стабильно низким до 7:00 — большинство населения спит.
Учитывая такое распределение расхода электроэнергии по времени, заинтересованные в рациональном режиме эксплуатации электросетей энергоснабжающие организации разработали многотарифную систему оплаты. Производителям были заказан двухтарифный счетчик электроэнергии, где тарифы за израсходованную электроэнергию зависят от времени ее потребления.
Принцип учета показаний
Предприятие-изготовитель программирует двухтарифный электросчетчик, выделяя два временных интервала:
Тарифные интервалы на часах- дневной — с 7:00 до 23:00;
- ночной — с 23:00 до 7:00.
В дневное время устанавливаются стандартные тарифы по региону, в котором вы проживаете. В ночное время тарифы существенно ниже, цены на них определяет энергоснабжающая организация.
Двухтарифные счетчики и сама схема тарификации интересна всем, потребители хотят меньше платить, поэтому будут искать возможность расходовать электроэнергию в ночное время. Энергетикам это выгодно с точки зрения равномерного распределения нагрузки, так как это способствует более стабильной работе электросетей, снижает риски аварийных ситуаций и продлевает срок эксплуатации электрооборудования.
Примеры тарифных планов в столичных городах на 2015 год
Опции и технические характеристики устройств
Производители делают много различных вариантов двухтарифных счетчиков, чем больше в нем функций, тем выше цена. Основная их задача — разделить учет электроэнергии по интервалам времени и отображать показания в этих интервалах на дисплее.
Отображение показаний Т1 — дневного режимаВ более продвинутых моделях по выделенному интерфейсу или беспроводному модему осуществляется соединение с ПК, куда при необходимости выводится интересующая информация, передаются через интернет показания в определенный день за контрольный период.
Показания в режиме Т2В некоторых моделях есть карты памяти, где сохраняются данные о расходе электроэнергии по месяцам — очень удобная функция. В случае возникновения разногласий с поставщиком электроэнергии всегда можно извлечь информацию и представить как доказательство. Бывают и другие опции:
- вывод на дисплей с целью контроля потребляемой мощности в текущий момент времени;
- контроль величины тока;
- контроль стабильности напряжения в сети.
Все эти и другие данные электросчетчики выводят на дисплей с целью контроля параметров. Наиболее востребованным и надежным считается счетчик «Меркурий», посмотрим его характеристики:
- производители делают несколько модификаций: однофазный на 220 В и трехфазный на 380 В;
- В зависимости от модели может быть учет по двум тарифам и х тарифный вариант;
- рассчитаны на величину рабочего тока от 5 до 60 А, есть модификации, работающие на токах 5–100 А, при больших токах можно использовать 5-амперные счетчики с подключением через трансформаторы тока.
Счетчик электроэнергии «Меркурий 200» двухтарифный
Модель с маркировкой «Меркурий 230 – ART» имеет функции самодиагностики, нарушения нормальной работы выводятся на дисплей с указанием причин, класс точности аппарата — 1 или 0,5 S. Для частного пользования в квартирах и жилых домах достаточно класса точности 2. Имеет возможность программирования 4 тарифов в 16 временных интервалах, высокая степень защиты от хищения энергии, опечатывается электронной пломбой. Блок памяти позволяет счетчику сохранять журнал событий, которым при необходимости можно воспользоваться.
Внешний вид «Меркурия 200»В серии под номером 231 АТ отсутствуют на передней панели механические органы управления. Все осуществляется без подключения лишних проводов через инфракрасный интерфейс IRDA. При наличии определенных навыков электронное опломбирование и перепрограммирование можно осуществить самостоятельно, используя специальное программное обеспечение.
По способу установки предусмотрены варианты монтажа в распределительном шкафу на DIN-рейку. Период перепроверки счетчика рассчитан на 16 лет, гарантийный срок работы — не менее 3 лет, производители утверждают, что ресурс работы этого изделия рассчитан до 30 лет.
Электрический счетчик СЭО-55 двухтарифный
Счетчики этой марки имеют следующие технические параметры:
- Рабочий ток в зависимости от модели Ш-50 — 50 А, Ш-60 — 60 А;
- Стандартное количество тарифов — 4, новые модели имеют расширенные возможности до 8 тарифов;
- В последних модификациях устанавливаются УЗО (Устройство защиты от прикосновения человека к токоведущим частям), которое мгновенно отключает цепи после счетчика.
- Класс точности — 1;
- Периодические проверки параметров в лабораториях КИЛ через 16 лет;
- Ресурс работы — не менее 32 лет;
- Гарантийные обязательства от производителя на 3,5 года.
Счетчики производятся с четырьмя модификациями корпусов. 1-я и 4-я соответствуют старым стандартам для крепления в распределительных щитах прошлого века.
СЭО-55 в корпусе 2–3 вариантов для установки на DIN-рейкуКорпуса 2 и 3 модели можно поставить по DIN-стандартам в новые РЩ, вес аппаратов — 300 и 600 г.
«Энергомера СЕ- 102»
Способен обеспечивать расчет 8 тарифов временных интервалов, память рассчитана на сохранение данных, накопленных в течение 13 месяцев. Удобная для пользователей возможность отображать на экране такую важную информацию:
- часы, где указывается дата и текущее время;
- действующий тариф на данный момент времени;
- величину потребляемой мощности;
- величину тока нагрузки;
- величину и стабильность напряжения в сети.
Процессор счетчика и программное обеспечение дает возможность исключить из стандартного тарифа 32 дня (настроив их по тарифам праздничных и выходных периодов). Сутки можно разделить на 16 тарифных интервалов, запрограммировать автоматический перевод с зимнего на летнее время и установить уровень порога срабатывания УЗО.
Производитель — ставропольская компания «Энергомера» — гарантирует при правильной эксплуатации безаварийную работу счетчика не менее 5 лет. Периодичность проверок 1 раз в 16 лет, первый класс точности. Установка двухтарифного счетчика электроэнергии этой модели может осуществляться обычным способом или на DIN-рейку.
Надежную систему защиты обеспечивает электронная пломба, показания и установленные тарифом расчеты передаются беспроводным модемом RMS-485, для снятия информации и программирования используется инфракрасный порт.
Учитывая свои потребности, финансовые возможности и используя эту информацию, каждый может определиться, какой двухрежимный счетчик ему установить. Выгода двухтарифных приборов учета расхода электроэнергии очевидна, особенно на промышленных предприятиях с электроустановками, потребляющими большие мощности, которые работают в ночное время. Двухтарифный электросчетчик, даже если сеть трехфазная на 380 В, быстро окупится сэкономленными средствами от льготных тарифов на электроэнергию.
Похожие статьи:domelectrik.ru
самостоятельная замена и принцип работы

Счетчики электроэнергии новые начали приходить на смену счётчикам индукционного типа в 90-х годах. Это случилось из-за того, что развитие интегральной электроники шагнуло вперёд, тем самым сделав требуемые элементы и новые счетчики электроэнергии доступнее.
Самые простенькие модели однофазного типа основаны на специальных микросхемах, что могут измерять мощность и преобразовывать её в частоту. Данные микросхемы имеют две 16-ти разрядные сигма-дельта АЦП, что являются аналоговой моделью цифрового преобразователя.
Электронные счётчики представляют собой преобразователи аналоговых сигналов в частоты следования импульсов, подсчитав которые становится видно объём прошедшей электроэнергии. В отличие от индукционных приборов учёта у них отсутствуют вращающиеся элементы. Помимо этого, с их помощью можно получить больший интервал входящего напряжения, сделать многотарифную систему учёта, посмотреть объём израсходованной электроэнергии за конкретный период. Часто электронные счётчики электроэнергии используются для внедрения в системы АСКУЭ.
Принцип работы устройства
Работает всё таким образом, что на вход одной из них подаётся сигнал напряжение сети, что проходит через трансформатор напряжения или термостабильный резистивный делитель. На другой вход идёт сигнал напряжения, что образовывается, когда ток нагрузки проходит по особому низкоомному шнуру или трансформатору тока. После этого оба сигнала, что были преобразованы в цифровые формы, уже перемноженные попадают на фильтр низкой частоты, чтобы выделить постоянную составляющую активной мощности. После фильтра низкой частоты сигнал приходит к преобразователю мощности в частоту, по выходу из которого сигнал является доступным к передаче к электромеханическому счётному устройству или к обработке микроконтроллером.
В моделях посложнее, электронные счётчики включают в себя помимо информационного семисегментного жидкокристаллического индикатора такие модули, что позволяют осуществлять тарифный учёт, приём и передачу информации и управлению подключённой нагрузкой. Потому что счётчик имеет различные полупроводниковые устройства, а в частности микросхемы и индикаторы, в нём имеется встроенный блок питания, что способен преобразовывать переменное напряжение сети в постоянное, которое требуют внутренние электронные схемы для собственного питания. За счёт широкого функционала данных устройств, они могут быть использованы во множестве отраслей, в которых важен точный контроль электроэнергии.
Компоненты электросчётчиков
Из главных компонентов электросчётчиков можно выделить:
- ЖКИ дисплей – это многоразрядное буквенно-цифровое устройство индикатор, что предназначается для индикации режима работы, информирования о том, на сколько была затрачена энергия, показа даты и актуального времени.
- Источник питания для электросхемы – нужен, чтобы получать ток для запитывания микроконтроллера и остальных частей электросхемы.
- Микроконтроллер – это сердце, которым обладает электросчетчик.
- Трансформатор тока – служит для преобразования тока.
- Часы реального времени – требуется для счёта даты и времени. Иногда эту функцию может выполнять микроконтроллер.
- Телеметрический выход – используется с целью подключения счётчика в системы АСКУЭ или к компьютеру.
- Супервизор – создаёт сигнал сброса для микроконтроллера в момент включения и выключения питания, а также отслеживает изменения входящего напряжения.
- Оптический порт (если предусмотрен) – даёт возможность для съёма информации с электросчётчика, а иногда и для задания требуемых параметров счётчика.
- Органы управления – различные дополнительные возможности управления.
Все возможности, которые имеются в электросчётчике, варьируются от ПО, которым наделён микроконтроллер. В данный момент счётчики развиваются в плане оснащения новыми возможностями. Это может быть контроль состояния питающей среды, с возможностью передачи данных в диспетчерский центр. Становится популярной функция, позволяющая ограничить мощность. При превышении заданной мощности потребления, счётчик способен отключить потребителя от питания. Контактор способен управлять подачей напряжения к счётчику, задавая определённый ток. Добавляются возможности отключения потребителей, когда идёт превышение отведённого им лимита электроэнергии или же по истечении предоплаты электроэнергии. Есть модели счётчиков, которые имеют возможность считывать пластиковые карты и пополнять баланс на зарегистрированный счётчик не выходя из дома.
Можно ли самому заменить индукционный счётчик на электронный
Устанавливать электронные приборы учёта можно лишь по разрешению поставляющей электроэнергию организации. Установка проводится только специалистами фирмы, у которой есть лицензия. Учитывая стандартный договор энергоснабжающей организации – демонтаж счётчика и повреждение пломбы является грубейшим нарушением правил. За это вводятся санкции, по которым происходит перерасчёт электроэнергии в многократно завышенном объёме.
Как только счётчик был установлен, следует вызвать сотрудника энергопоставляющей организации для опломбировки и проверки подключения. После этого сотрудник должен зарегистрировать счётчик и зафиксировать текущие показания на нём. По завершении этих операций снятие показаний будет проходить по электросчётчику.
Преимущества электросчётчиков
Такой счётчик является многофункциональным. Кроме измерений израсходованной энергии он способен измерять параметры электросети, создавать учётные задачи в межсистемных и сетевых перетоках и прочее. Также можно выделить:
- Более высокий уровень точности и надёжности;
- Монтаж может происходить не только в помещениях, но и на улице. Это связано с возможностью переносить перепад температуры и более высоким уровнем защиты;
- Поддержка расчета показаний по двум или более тарифам. Данный счетчик электроэнергии в значительной мере помогает сэкономить на плате за электричество в ночное время суток.
amperof.ru
Перевод времени на счетчиках электроэнергии. Перевести часы на двухтарифных счетчиках на зимнее время в СПб
Когда нужно переводить часы на счетчиках электроэнергии

Стремясь сохранить средства личного бюджета, люди ищут возможности сэкономить. Это стало причиной установки принятием установки многотарифных счетчиков на электроэнергию. Такие модели позволяют осуществлять дифференциированный учет, зависимо от времени суток.
Однако, при переходе на зимнее или летнее время возникает расхождение в показаниях счетчика. Исправить его можно осуществив перевод времени на счетчиках электроэнергии. Это нужно в первую очередь, чтобы не переплачивать за «лишний» час по более дорогому тарифу. В старых моделях электро счетчиков коррекция происходила автоматически, но в связи с принятием закона об отмене с 2014 года перехода на летнее время, в новых счетчиках отстуствует автоматический перевод часов.
Перевод счетчиков электроэнергии на зимнее время актуален потребителям моделей изготовленных позже 2011 года. Самостоятельно перепрограммировать счетчик не удастся. Поскольку помимо знаний и опыта, необходимо спецоборудование.
Какие счетчики электроэнергии переводят на зимнее время в СПб с ИЦ «Энергоучет»
Поскольку от правильности проведенной операции зависит корректность учета электроэнергии не стоит доверять работу сомнительным организациям или частникам. Специалисты ИЦ «Энергоучет в СПБ осуществляют перевод часов на счетчиках электроэнергии. Время предоставления услуги согласовывается с клиентами. Заказать перевод времени на двухтарифных счетчиках можно связавшись с представителем компании.
Отметим, что осуществить перевод времени на счетчиках электроэнергии в 2014-2015 годах обязало потребителей Правительство РФ. Кроме перевода счетчиков электроэнергии на зимнее врем мы готовы перепрограммировать «многотарифные счетчики на однотарифные жителям СПБ. Услуга доступна владельцам следующих моделей:
- Альфа
- ЕвроАльфа
- Нева
- Меркурий
- Энегомера
- ЦЭ 2726
- ЦЭ 2727
- ПСЧ
- СЭТ
- Delta
- ABB и других электросчетчиков.
Все сотрудники, которые занимаются переводом времени на счетчиках электроэнергии, прошли спецобучение и своевременно повышают квалификацию. У нас есть вся разрешительная документация и необходимое оборудование. Заказать услугу, уточнить интересующие моменты можно у представителя компании. Звоните, оставляйте заявку или подъезжайте лично. Вас удивят оперативность наших специалистов и цена.
auuckye.ru
