Индикатор влажности воздуха – Научно-исследовательский проект «Влажность воздуха» — Eстествознание — Детские исследовательские проекты — Обучение и развитие — ПочемуЧка
Индикатор влажности воздуха
Из огромного числа различных электронных устройств есть смысл выделить те из них, которые имеют практическое значение для использования в домашнем хозяйстве. Это особенно актуально в настоящий временной период. И нет сейчас проблемы насущней, чем сохранение собранного урожая овощей, да и не только их, в условиях конкретного домашнего хозяйства, где основным фактором сохранности помещённых в погреб продуктов является оптимальная влажность воздуха. Для определения влажности воздуха и существует измерительный прибор с мудрёным названием гигрометр,
Гигрометр – это прибор, используемый для измерения относительной влажности. Относительная влажность — количество водяных паров влаги в воздухе по отношению к температуре), а по-простому это измеритель влажности. Он может быть различного типа и его действие может быть основано на различных принципах. Речь пойдёт о самом современном и передовом – электронном.
Схема измерителя влажности

Электронный измеритель влажности обладает существенными преимуществами, если сравнивать его с гигрометром механического типа. Он способен работать в более широком температурном диапазоне, фиксируя при этом минимальные отклонения во влажности воздуха. Обычно такой гигрометр имеет удобный цифровой индикатор. Очень часто прибор бывает универсальным и дает возможность снимать показания температуры, показывает время и дает некоторые другие полезные сведения об окружающей среде. В нашем случае измеритель будет иметь исключительно прикладное значение – он будет установлен в домашний погреб и соответственно излишние «навороты» ему ни к чему. Его дело оповещать о достижении, в помещении хранения продуктов, критического значения влажности воздуха. Это будет детектор влажности. Он состоит из платы управления и непосредственно датчика влажности.


Размер печатной платы 6,5 см в ширину и 9,8 см в длину. Датчик гораздо меньше, 2 см в ширину и 5,3 см в длину. Также обратите внимание, что кнопка SW1 подключает резистор 470 кОм, который имитирует повышенное содержание влаги, для проверки работоспособности устройства и его настройки.

Напряжение питания схемы исключительно от 9 вольтовой батарейки – так будет соблюдено условие электробезопастности. Её заряда хватит очень надолго, больше чем на год. Преимущество этой схемы заключается в том, что к ней может быть подключено несколько детекторов. Схема, сама по себе, использует непосредственную связь друг с другом двух транзисторов 2N2222. Это связь даёт возможность сильно повысить их чувствительность. Прекрасно подойдут транзисторы в пластиковых корпусах. Следует сказать, что любой биполярный транзистор, с подходящими характеристиками, может работать на их месте.
Как это работает
Когда между контактами датчика, посредством осевшей на них влаги, образуется критическое её количество, оно даёт возможность прохождению небольшого количества электрического тока далее на R2, Q1 и Q2, который и активирует звуковой пьезоизлучатель. Ток достаточный для включения звукового сигнала составляет 6 мА. Регулировка порога включения производиться при помощи подбора величины сопротивления R2 и ёмкости C1. Особо качественно необходимо произвести лужение меди печатной платы датчика. Это позволит не допустить её окисление и тем самым сохранить электропроводность.
Этот индикатор (естественно настроенный соответствующим образом) может быть использован и в системе профилактических мер для больных астмой. Использование этого простого бытового прибора позволяет контролировать излишнюю влажность воздуха в жилом помещении и, тем самым, поддерживать необходимый для больного микроклимат.
Излишняя сухость воздуха тоже плохо. Первыми её ощущают комнатные растения. Желтеют кончики листьев, вдруг опадают не вовремя. Страдают дети, особенно грудные. Если воздух в комнате слишком сухой, у ребенка пересыхает слизистая, закладывает нос и он ночью часто с беспокойством просыпается. Все домашние могут ощущать першение в горле, сухость кожи, слизистые оболочки подсушиваются, лёгкие хуже избавляются от пыли и аллергенов. Повышается раздражительность и утомляемость. Музыканты знают, как быстро расстраиваются пианино, рассыхаются скрипка или гитара. От сухого или слишком влажного воздуха приходит в негодность мебель и паркет.
Похожие схемы
aes2.ru
Измеритель влажности воздуха в квартире
Опубликовал admin | Дата 25 ноября, 2014О датчике влажности и температуры DHT-11 я уже рассказывал. В статье «Электронный гигрометр для инкубатора» были использованы данные только по влажности, а данные температуры на индикатор не выводились. В этой статье я предлагаю новую схему с использованием данного датчика.
Как я уже писал, точность этого датчика не велика и для точных лабораторных измерений не достаточна, а вот для бытовых целей, для общего представления о погоде в доме, точности преобразования этого датчика вполне достаточна.
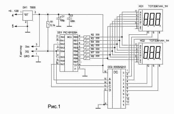
Электрическая схема бытового термометра и гигрометра показана на рисунке один.
Основой схемы является микроконтроллер PIC16F628A. Датчик DHT-11 связан с контроллером однопроводной линией, подтянутой к напряжению питания пять вольт с помощью резистора, номинал, которого может лежать в пределах от 4,7 кОм до 10 кОм. Общение микроконтроллера с датчиком происходит путем прижатия и отпускания шины данных к общему проводу. Для упрощения написания программы для приема и передачи команд, используются два вывода контроллера. RA5 — вывод 4 микросхемы DD1, работающего всегда на прием преобразованных данных о температуре и влажности и RA4 — вывод 3, сконфигурированный всегда на выход, и используемый для коммутации шины данных. Данный вывод контроллера имеет выход с открытым истоком и подтягивающий резистор R1 в данной схеме является, по сути, сопротивлением нагрузки. Для вывода информации в схеме использованы светодиодные семисегментные трехразрядные индикаторы с общим катодом. Резисторы R2… R8 — гасящие, от их номинала зависит яркость свечения сегментов индикатора. Но чем ярче будут светиться индикаторы, тем будет больше ток потребления, тем больше будет нагрузка на микросхемный стабилизатор напряжения DA1. Из-за нехватки выводов у микроконтроллера PIC16F628A, для коммутации катодов индикатора в схему введена микросхема DD2 — К555ИД10, представляющая собой дешифратор на десять выходов с открытым коллектором. Ее можно заменить микросхемой 555ИД6. Параметры на микросхему можно посмотреть на рисунке 2.

Блок питания для устройства можно применить как трансформаторный, так и безтрансформаторный с гасящим конденсатором. Схемы безтрансформаторных блоков питания можно посмотреть в статьях «Блок питания с гасящим конденсатором» и «Безтрансформаторный блок питания». Как самому определить емкость гасящего конденсатора, можно прочитать в статье «Использование конденсатора в качестве сопротивления». Все детали схемы, кроме блока питания, установлены на печатной плате, показанной на рисунке 3.


Плата эксперементальная
Если будете разрабатывать свою печатную плату, то обратите внимание на конденсатор С2. Он должен стоять, как можно ближе к выводам микроконтроллера, на которые подается питание. Если разница между входным напряжением стабилизатора DA1 и его выходным напряжением будет большая, то возможно потребуется снабдить его небольшим теплоотводом. Успехов! К.В.Ю.
Скачать схему, рисунок печатной платы и загрузочный файл можно здесь
Скачать “Измеритель влажности воздуха в квартире” Dom-T-H.rar – Загружено 413 раз – 18 KB
Обсудить эту статью на — форуме «Радиоэлектроника, вопросы и ответы».
Просмотров:7 514
www.kondratev-v.ru
Измеритель влажности воздуха в помещении
Комфортное проживание в помещении возможно при соблюдении многих условий. Одним из таких является оптимальная влажность, которая влияет на здоровье проживающих здесь людей или животных. Определить и отрегулировать этот уровень поможет измеритель влажности воздуха.

Что это за прибор?
Наверное, каждый замечал, как в один момент могут пожелтеть и увянуть листья комнатных растений, а сами обитатели помещения с трудом дышат в отопительный период или летнюю жару. Это означает, что в доме низкий уровень влажности, поэтому мы и ощущаем дискомфорт. Чтобы добиться оптимальной влажности воздуха, необходимо точно ее измерить. В этом и поможет измеритель влажности воздуха в помещении. Благодаря данному прибору можно не только избежать неприятных ощущений, но также защитить свои слизистые от пересыхания. Ведь если органы дыхания высушены, в организм может пробраться любой вирус, нанеся ощутимый вред здоровью.
Измеритель влажности воздуха — это прибор, который определяет и показывает уровень этой самой влажности в помещении или на улице. Еще его называют гигрометр. Благодаря этому устройству можно следить за уровнем влажности и при необходимости регулировать его.

Оптимальная влажность воздуха
Все мы знаем, что организм человека на 70% состоит из воды. Поэтому нам жизненно необходимо, чтобы воздух, окружающий нас, тоже не был пересушенным. Иначе не избежать таких симптомов, как сухость во рту, постоянная жажда, чувство усталости, заложенность носа, храп во сне и покашливание. Все эти признаки говорят о том, что вам необходимо увеличить влажность воздуха в помещении.
Существует масса способов, как это сделать. Но для начала рассмотрим самый простой метод, как узнать, какая же влажность воздуха в вашем доме именно сейчас. Для этого необходимо взять стеклянный стакан, налить в него воду и поставить в холодильник. Когда температура воды станет такой же, как внутри холодильной камеры, стакан необходимо выставить в комнату. Желательно поместить его подальше от обогревателей и батарей.
Если через 5-10 минут стенки стакана высохнут, влажность в комнате очень низкая. Если конденсат останется — средняя, если же влага будет стекать по стенкам стакана — влажность высокая. Это так называемый экспресс-метод, ну а для того чтобы точно знать в любую минуту, какая же у вас влажность, желательно иметь дома комнатный измеритель влажности воздуха.
Он будет надежно контролировать атмосферу вашего дома, вовремя показывая, какие меры стоит предпринять. Если влажность составляет 70-90% — комнату можно проветрить, если 20-40% — обязательно увлажнить. Ведь высокая влажность тоже не должна быть в доме постоянно, это чревато развитием грибка и плесени. Наиболее оптимальный уровень влажности, который необходимо поддерживать в квартире, — 50-60%. В случае превышения этого порога возможно развитие грибков, появление пылевых клещей. Если же влажность очень низкая, это чревато бактериями, вирусами, аллергиями и заболеваниями дыхательной системы.

Виды гигрометров
Перед тем как приобрести измеритель влажности воздуха, необходимо разобраться в том, какие их виды существуют на сегодняшний день. Ведь покупка только тогда будет удачной, точной и долговечной, если к ее выбору подойти грамотно.
| Механический | Встречается наиболее часто, но не всегда может быть проверен соответствующими службами, поэтому в показаниях вероятна погрешность |
| Волосяной | Этот вид прибора можно встретить лишь в некоторых лабораториях. Его работа построена на том, что обычный человеческий волос, правда, обезжиренный, реагирует на смену влажности, тем самым изменяя свою длину |
| Пленочный | Такие гигрометры в своей основе имеют специальную органическую пленку, которая растягивается и сжимается под воздействием влаги |
| Психометрический | Простой, высокоточный и дешевый — вот те положительные стороны, которыми можно охарактеризовать данный измеритель температуры и влажности воздуха |
| Электронный | Самый современный и точный прибор из всех разработанных. Имеет три модификации: электролитический, керамический и электролитический с подогревом |
Какой из представленных видов приобрести, выбирать вам. К тому же сейчас в продаже можно найти не только отдельные измерители влажности воздуха в квартире, но и комбинированные приборы. Так, очень распространены комнатные увлажнители со встроенными гигрометрами, термогигрометры (измеряют и температуру, и влажность), часы, как механические, так и электронные, в которые встроены датчики гигрометра.

Низкая влажность? Принимаем срочные меры
Когда измеритель влажности воздуха в помещении показывает минимальное значение, необходимо срочно принять меры. Это не означает, что надо сразу же открыть окно и проветрить помещение. В летнюю пору воздух на улице гораздо суше комнатного, поэтому проветривание не только не поможет, а еще и навредит. Да и лишняя температура будет некстати.
Чтобы поднять влажность в помещении, необходимо:
- Используйте специальные увлажнители. В продаже сейчас огромный выбор этих приборов. Только не пользуйтесь им слишком часто: может возникнуть плесень и грибок.
- Не забывайте о комнатных растениях. Пусть их наличие в комнате и не сильно влияет на влажность, но любое из них — своеобразный измеритель влажности воздуха. Чуть что — листья сразу же вянут и желтеют, а это один из признаков недостатка влаги.
- Если позволяет место, приобретите аквариум. Испарение воды из него будет повышать влажность. Главное — вовремя менять воду и подливать ее.
- Проветривать помещение желательно дважды в день, но только в холодную пору года 10-минутное проветривание повысит в комнате влажность.
- Чаще проводите влажную уборку. Особенно в комнатах, где работают телевизоры, компьютеры, утюг и прочие бытовые приборы.
Эти нехитрые советы помогут вам поддерживать оптимальную атмосферу вашего дома.

А если влажность высокая?
Бывает так, что в некоторых частях квартиры уровень влажности очень высокий. Такими помещениями могут быть кухня, ванная комната и прочие помещения. Что же делать тогда, когда гигрометр показывает высокие показатели?
- Проветривайте помещение после готовки, принятия ванны, стирки. Даже если в комнате нет окна, просто откройте настежь двери.
- Старайтесь сушить белье не в помещении, а на улице или балконе. Или сушите его там, где влажность низкая.
- Могут помочь специальные поглотители влаги, продающиеся в строительных магазинах.

Вместо эпилога
Несомненно, измеритель влажности воздуха — штука очень полезная для общего самочувствия и для здоровья в целом. Благодаря этому прибору можно регулировать уровень влаги в доме, чтобы она приносила пользу. Этот прибор очень хорош для тех, у кого проблемы с дыхательными органами, частая заболеваемость, да и для семей с маленьким ребенком он просто незаменим.
fb.ru
Приборы для измерения относительной влажности воздуха
1.3 Приборы для измерения относительной влажности воздуха
Гигрометр. Точку росы определяют с помощью прибора, называемого конденсационным гигрометром. Гигрометр представляет собой металлическую коробку, передняя стенка которой хорошо отполирована.
Коробка окружена полированным кольцом, отделенным от нее теплоизолирующей прокладкой. Коробка соединена с резиновой грушей. Внутрь коробки наливают легко испаряющуюся жидкость — эфир и вставляют термометр.
Определение точки росы — наиболее точный способ измерения относительной влажности.
Гигрометр волосяной предназначен для измерения относительной влажности воздуха в пределах от 30% до 100%.Гигрометр волосяной (рис. 1) состоит из металлической рамы 1, вдоль которой натянут обезжиренный человеческий волос 2. Свободный нижний конец волоса с легким грузом перекинут через шкив 3, соединенный со стрелкой 4, которая перемещается по шкале. На раме укреплена шкала с делениями 5, по которой в процентах отсчитывают относительную влажность воздуха.
Деления, соответствующие десяткам, оцифрованы. Цена каждого деления шкалы соответствует 1% относительной влажности. Вверху рамки имеется регулировочный винт 6, который позволяет при проверке прибора устанавливать стрелку на любое деление шкалы. Принцип действия волосяного гигрометра основан на свойстве обезжиренного человеческого волоса изменять свою длину с изменением влажности воздуха.
При уменьшении или увеличении влажности воздуха длина волоса меняется. Под действием этого изменения шкив поворачивается, и конец стрелки перемещается вдоль шкалы, показывая относительную влажность воздуха. Во время демонстрации гигрометр укрепляется вертикально в лапке универсального штатива или вешается на стену. Прибор должен находиться на уровне глаз работающего с ним.
В месте установки гигрометра должны отсутствовать вибрации, источники тепла или холода. Работающий с гигрометром должен находиться от него на расстоянии нормальной видимости отметок шкалы и остерегаться дышать на него во время отсчетов. Проверяют положение стрелки. Если стрелка смещена относительно «
По шкале в процентах отсчитывают относительную влажность воздуха. Цена деления шкалы соответствует 1%. При снятии показаний глаз работающего должен находиться на уровне вертикальной касательной к стрелке так, чтобы отметка шкалы в точке отсчета была видима прямолинейной.
Психрометр. Психрометр состоит из двух термометров. Резервуар одного из них остается сухим, и термометр показывает температуру воздуха. Резервуар другого окружен полоской ткани, конец которой опущен в воду.
Вода испаряется, и благодаря этому термометр охлажается. Чем больше относительная влажность, тем менее интенсивно идет испарение и тем меньше разность показаний термометра.
При относительной влажности, равной 100%, вода вообще не будет испаряться и показания обоих термометров будут одинаковы. По разности температур термометров с помощью специальных таблиц, называемых психрометрическими (приложение), можно определить относительную влажность воздуха. Психрометрами обычно пользуются в тех случаях, когда требуется достаточно точное и быстрое определение влажности воздуха.
«>
1.4«Природные» индикаторы влажности воздуха
Блестящий синоптик – лягушка. Любой, кто захочет, может обзавестись таким «живым» барометром. Сначала нужно сделать маленькую деревянную лесенку. И опустить её в стеклянную банку с водой. Затем поймать лягушку (травяную, остромордую или озёрную) и посадить её в банку.
Через некоторое время, когда животное придёт в себя, можно начинать наблюдения. Если лягушка поднимается по лесенке, ждите плохой погоды, спускается – погода будет переменной, барахтается на поверхности воды – тепло, солнечно, сухо. Предсказания всегда точны. Дело в том, что у лягушки кожа очень легко испаряет влагу.
В сухой атмосфере кожа быстро обезвоживается, поэтому лягушка перед сухой погодой сидит в воде. В сырую погоду, когда собирается дождь, она вылезает на поверхность – обезвоживание теперь ей не грозит.
Чудесными синоптиками являются многие птицы. Постоянно находясь в атмосфере, непосредственно испытывая на себе воздействие всех происходящих в воздушном океане изменений, птицы в течение веков приобрели высокую чувствительность к изменению атмосферного давления, к уменьшению освещённости (тонкие, прозрачные облака, ослабляющие солнечный свет, — предвестники ненастья), к скоплению в атмосфере электричества перед грозой и т. д. И, что особенно важно, птицы реагируют на все метеорологические изменения заранее. Это находит отражение в их пении, криках, поведении и ежегодных сроках прилёта.
О приближении дождя заблаговременно сигнализируют человеку муравьи и пчёлы. Первые старательно закрывают входы в муравейник, вторые сидят в ульях и гудят. Мухи и осы перед ненастьем стремятся залететь в помещение, даже в кабины автомобилей. Хорошо предчувствуют грозу бабочки-крапивницы.
Если в ясную погоду они ищут укрытия в защищённых от ветра местах, в пучках сухих веток, дуплах деревьев, то это значит, что через несколько часов можно ожидать грозу. Но если поздно вечером сильно трещат кузнечики, наутро наступит хороший день. Вьющиеся в воздухе столбом комары и мошки обычно тоже предвещают хорошую, ясную погоду.
Некоторые насекомые позволяют нам предугадывать погоду и на более длительный срок. Чем выше к осени муравьиные кучи, тем суровее будет зима. На холодную зиму пчёлы залепляют леток, оставляя в нём еле заметное отверстие, а к тёплой зиме он остаётся открытым.
К изменениям влажности воздуха и её температуры, чувствительны также и растения. Так, благодаря наблюдательности человека установлено: если берёза раньше ольхи листья выкинет, будет лето ведренное, а если ольха первая распустится, холод и дожди замучают. Если на лугах, на лесных полянах и среди кустов в первой половине апреля распускаются золотисто-жёлтые цветки первоцветов (примулы), баранчиков, то нужно ждать первых тёплых дней.
Белые шапки медоносных цветков рябины – точный предвестник изменения погоды к надёжному теплу. На установление тёплой погоды также указывает весеннее сокодвижение у берёзы, клёна и других деревьев.
Появление на поверхности воды в прудах, озёрах и реках широких зелёных листьев белой кувшинки знаменует конец заморозков. Обильное выделение капель жидкости на широких пластинках листьев конского каштана обычно предвещает наступление длительного дождливого периода.
Таких растений-барометров в природе немереное количество. Добавьте к этому сотни своеобразных растений – гигрометров, индикаторов температуры, флюгеров, компасов, сотни чудесных синоптиков – птиц, рыб, насекомых.
Мысленно войдите в этот мир живой инструментальной метеорологии, и перед вами предстанут тысячи оригинальных, мастерски созданных природой механизмов, чутко реагирующих на различные изменения природы.
obuchonok.ru
Измеритель влажности воздуха своими руками: методы и схемы
Информация о микроклимате помещения важна для многих: от владельцев фермерских хозяйств до тех, у кого есть проблемы со здоровьем. Но не все знают, что можно сделать измеритель влажности воздуха своими руками.
Причем, бесплатно. А вариантов для этого существует много…

6 простых способов измерений
С помощью простых методов есть возможность получить нужную информацию.
- Коктейльную трубочку протыкают булавкой. Втыкают в дырку деревянную плиту. Один конец человеческого волоса привязывают к трубочке, другой – к иголке. Натягиваем волос так, чтобы соломинка находилась в горизонтальном положении. Все изменения будут понятны по натягиванию или ослабеванию волоска, который будет тянуть стрелку.
- Рюмку с водой держат в рефрижераторе несколько часов, достают, ставят подальше от батарей и начинают смотреть. Стекло потеет, а потом высыхает – в доме сухой воздух. Потекли по стеклу ручейки – слишком влажно. А если ничего не меняется – значит все в норме.
- Берут два обычных градусника со ртутью. Кусочек тряпки скручивают в трубку и привязывают к одному из термометров, а потом опускают в баночку, где есть вода. Градусники цепляют к щитку и подвешивают с помощью крючков. Баночку ставят между градусниками. В результате получиться два градусника с сухим и влажным воздухом. Первый укажет на меньшую температуру. Разные температуры показывают насколько воздух влажный.

- Берутся салфетка, фанера, клей, 2 гвоздя, 2 куска проволоки (длиной 4 см). Гвозди вбиваются в фанеру, на расстоянии, которое ровняется длине салфетки. Между ними на клей крепится салфетка. К ней крепится проволока. Для образования стрелки, надо одну из частей проволоки частично прикрепить к салфетке, частично – к гвоздю. Принцип прибора основывается на свойствах салфетки вбирать в себя воду. Об изменениях микроклимата помещения скажет стрелка.
- Берутся шишка и кусок фанеры. Шишку прикрепляют к центру фанеры скотчем и наблюдают, как раскрываются чешуйки. Если быстро – микроклимат ниже нормы. Поднимаются вверх – высокая влажность. А если ничего не меняется – все показания в норме.
Но для измерения существуют и другие приборы, которые тоже, можно изготовить самому.
- Берется пластинка фольгированного стеклотекстолита. На ней изображаются две контактные площадки, изолированные друг от друга. Припаивают проводки и капают капельку туши для рисования. Измеряется сопротивление засохшей кляксы. Сопротивление при увеличении влажности увеличивается, а при уменьшении – уменьшается.
Кроме простейших измерителей можно сделать и сложные гигрометры.
Как самому сделать датчик влажности
С помощью схемы, основанной на одном транзисторе можно сделать простой датчик влажности. Пластина с датчиком, которого будет предупреждать о повышении уровня влажности. Ее делают с обрезка фантированого стеклотекстолита. Площадь делят на два сектора и хорошо лужируем.
Суть роботы: влажность попадает на контактирование клингера, они образуют отпор и обнаруживают прибор усиливающий электроколебание. И через прибор бегут электрически заряженные частицы.
Для роботы, подойдет светодиодный клигер и пьезоизлучатель с парадигмой, обмотку реле. Ее контакты будут служить зачинателем или размыкателем электрики.
Реагирует чувствительность прибора построечный резистор, реагирующий на любой уровень проходящего тока.
Как смастерить электронный измеритель влажности
Гигрометр имеет большое значение в сельском хозяйстве, особенно в период хранения урожая. Электронный измеритель — самый современный. Но, изготовить его можно самому. Вот схема. Всю информацию о ней можно увидеть здесь: http://aes2.ru/publ/indikator_vlazhnosti_vozdukha/1-1-0-122
Схема электронного измерителя
Такой прибор подойдет для помещений, в которых хранятся продукты.
Состоит из таких частей:
- Плата управления. Ее размер 6,5 см на 9,8 см.
- Датчик. Размером 2см на 5,3 см;
- Кнопка SW1;
- Резистор 470 кОм. Он будет свидетельствовать о повышении влажности.
Питание осуществляется с помощью 9 вольтной батарейки.
Преимущество схемы – возможность подключения нескольких детекторов.
Ее работа, базируясь на связи двух транзисторов 2N2222. Можно использовать транзисторы в пластиковых корпусах либо другие биполярные транзисторы.
Суть роботы: звуковой пьезоизлучатель запускается от проходящего, между контактами датчика, тока. Это происходит после того, как на контактах датчика осело достаточное количество влаги.
Чтобы включился сигнал, хватит 6 мА тока.
Порог включения регулируется подбору величины сопротивления R 2 и емкости С 1.
Лужение меди на печатной плате датчика – нуждается в правильном проведении. Это защитит от окисления и потери электропроводности.
Такой индикатор, если его правильно настроить, можно использовать в доме, где живет человек, страдающий от астмы.
Рассмотрим еще один способ, как сделать гигрометр самому
Делаем гигрометр для дома
В доме, где есть маленькие дети или люди с астмой, бронхитом и сердечнососудистыми заболеваниями, он просто необходим. Но, покупать его не обязательно, ведь можно все сделать самому.
Данный прибор поможет измерить не только влажность, но и температуру воздуха. Более подробную информацию можно найти здесь http://www.kondratev-v.ru/byt/izmeritel-vlazhnosti-vozduxa-v-kvartire.html
Схема бытового гигрометра и термометра
Основу схемы составляет микроконтроллер РIС 16F628А. Она связана с датчиком DHT-11 с помощью однопроводной линии. Резистор присоединяет провод к напряжению 500 вольт.
Механизм прижимания шины данных к общему проводу или отпускания ее, позволяет осуществлять общение между контролером и датчиком.
Для приема и дачи команд используют два микроконтроллера. Первый служит для приема изменений данных. Второй – для коммуникации шины данных.
Чтобы, показывать информацию используются светодиодные индикаторы.
Яркость освещения индикатора зависит от номинала регистра.
Для питания устройства используется трансформаторный или безтрансформаторный блок питания. Их схему можно найти здесь: http://www.kondratev-v.ru/bloki-pitaniya/blok-pitaniya-s-gasyashhim-kondensatorom.html
http://www.kondratev-v.ru/bloki-pitaniya/bestransformatornyj-blok-pitaniya.html
http://www.kondratev-v.ru/byt/izmeritel-vlazhnosti-vozduxa-v-kvartire.html
Для изготовления такого прибора можно использовать и другую плату, сделанную самостоятельно.
Схему и рисунок платы можно скачать тут:
http://www.kondratev-v.ru/byt/izmeritel-vlazhnosti-vozduxa-v-kvartire.html
Итак, измеритель влажности воздуха можно сделать своими руками. Однако, они не отличаются высокой точностью. И годятся только для получения приблизительных данных. Для получения точных данных придется покупать заводской гигрометр.
ventkam.ru
как измерять и определить данный показатель
Для того чтобы избежать неприятных проблем со здоровьем, связанных с неоптимальной влажностью в доме, следует постоянно контролировать ее уровень в помещении. Сухой пыльный воздух может содержать в себе большое количество аллергенов, что чревато последствиями. Сырой воздух в помещении может привести к появлению различных хронических заболеваний. Так чем измерить влажность воздуха? На этот ответ можно дать весьма развёрнутый ответ.
Для осуществления такого контроля следует регулярно проводить измерение влажности воздуха в помещении. На данный момент существует очень полезный прибор, который позволит измерять уровень влажности в доме. Таким устройством является гигрометр. Имеется несколько видов гигрометров, о которых следует узнать поподробнее.
Прибор для определения влажности воздуха
Термогигрометр является очень сложным устройством, осуществляющее измерение не только влажности воздуха, но и температуры в помещении. Кроме всего прочего, термогигрометр фиксирует показания о состоянии температуры и влажности, зафиксированные с разных точек. То есть непосредственно с места, где установлен сам термогигрометр и с точки, где ранее был установлен датчик.
Устройство синхронизирует показания, полученные с разных точек в помещении, и на основе этого уже предоставляет результаты проверки уровня влажности и измерения температуры.
Пару слов можно сказать о технических характеристиках термогигрометра. Кабель этого устройства имеет протяжённость в полтора метра, а показатели выводятся в диапазоне от 0 до 90%. Также есть беспроводные модели термогигрометров. Эти приборы оснащены ещё одной полезной функцией, которая состоит в том, что при критическом состоянии влажности в помещении, срабатывает сигнал тревоги, оповещающий о неблагоприятной смене состояния воздуха.
Психрометр
Психрометр ещё называют психрометрическим гигрометром. Он состоит из двух термометров. Один называется «сухим» и измеряет температуру воздуха. Второй называют увлажнённым из-за того, что он обёрнут тканевым фитилём и погружён в сосуд с водой. Этот термометр показывает температуру влажного фитиля. Показатели влажности выводятся в результате испарения влаги. Чем меньше влажность воздуха в помещении, тем интенсивнее испаряется влага. И уже в результате этих процессов, можно получить необходимые данные и о температуре воздуха и о его влажности.
Волосяной и плёночный гигрометры
Принцип работы волосяного гигрометра довольно прост и вместе тем весьма интересен. Заключается он в наличие в механизме устройства синтетического обезжиренного волоса, который имеет свойство менять длину в зависимости от состояния воздуха. Волос натягивается между пружинкой и концом стрелки. При наличии волосяного колебания стрелка двигается по циферблату, показывая данные о состоянии воздуха.
Данный прибор для определения влажности имеет довольно большой диапазон значений (от 0 до 100%), что свидетельствует о точности показаний волосяного гигрометра. Один из самых больших плюсов таких устройств заключается в его простоте. Волосяные гигрометры очень просты в обращении, что позволит избежать лишней головной боли при его эксплуатации. Также можно упомянуть ещё раз о точности его показаний. Волосяные гигрометры можно вешать на стену.
Кроме волосяных гигрометров, есть гигрометры плёночные. Устройство у них разное, поэтому и принцип работы у плёночных гигрометров несколько отличается. В таких приборах имеется чувствительный элемент, делающийся из органической плёнки. Данный материал имеет свойство растягивать или сжиматься в зависимости от состояния влажности воздуха. Показатели выводятся на циферблат при изменении положения центра плёночного чувствительного элемента.
Если условия, в которых будет использоваться прибор для определения влажности воздуха, будут предусматривать наличие относительно низких температур, то именно два вышеописанных вида гигрометров и будут единственными приборами, которые будут способны измерять уровень влажности воздуха в помещении.
Как выбрать гигрометр
Перед тем как выбрать гигрометр, следует ознакомиться с информацией насчёт того, какие виды таких устройств существуют. Их несколько:
- настенные
- настольные
- механические
- цифровые
Какой гигрометров из представленных в списке выше выбрать, покупатель решит сам. Для того чтобы определиться с выбором такого прибора следует обратить внимание на его технические характеристики и сделать для себя пару важных выводов, которыми нужно будет руководствоваться при выборе прибора.
- Во-первых, следует решить для себя, какой должна быть точность показателей гигрометра. Звучит грубо, но по сути может помочь в выборе прибора. Дело в том, что различные приборы дают разные результаты. Это предполагает, что некоторые аппараты будут выдавать весьма точные показания о влажности воздуха, в то время как другие — лишь относительные данные. Это не говорит о существовании «плохих» приборов. Просто многие покупатели довольствуются и относительными данными, так как нет надобности в сверхточных данных.
- Затем следует решить, где будет установлен гигрометр. Это может помочь в выборе, так как не все модели гигрометров могут быть установлены в любой точке в помещении. Например, не все гигрометры могут быть прикреплены к стене.
- При выборе гигрометра следует очень внимательно проверить наличие у устройства надлежащей комплектации. Необходимо обратить внимание на наличие индикаторов и психрометрической таблицы. Качественное устройство обязательно будет иметь это в комплектации.
Повышенная влажность в квартире
Измерение влажности воздуха в помещении проводится во избежание проблем, связанных с сухостью воздуха или повышенной влажностью. Возможно, многие люди считают, что это не весомая причина для осуществления контроля за влажностью воздуха. Для того чтобы изменить отношение к этому вопросу, следует внимательнее отнестись к возможным последствиям.
Влажный воздух в помещении влияет на развитие плесени. Влажная среда является идеальной средой для размножения и распространения споров этого опасного для здоровья грибка. Споры плесени, летающие в воздухе могут привести к развитию различных аллергических заболеваний. Сырость в помещении позволит грибу разрастись многократно и увеличить количество выбрасываемых спор в воздух. Наличие плесени пагубно отражается на состояние здоровья. Аллергия — не единственное опасное последствие существования плесени в помещении. Грибок способен спровоцировать появление и других зараз.
Также опасные последствия может повлечь за собой попадание спор плесени в пищу. Это приведёт к пищевым заболеваниям, имеющим свойство распространяться по организму. Это несёт опасность всем членам семьи.
Во избежание таких опасных последствий для организма следует регулярно проветривать помещение. Несмотря на температуру воздуха за окном, обязательно нужно проводить такие мероприятия минимум по два раза в день. Это поможет снизить риски увлажнения воздуха и появления плесени до минимума.
Выводы
Осведомлённость о состоянии влажности воздуха позволяет избежать многих неприятных и даже опасных для здоровья последствий. Именно для этого и существуют такие приборы, как гигрометры. Ассортимент таких устройств весьма разнообразен, что позволит покупателю выбрать гигрометр, который будет соответствовать всем требованиям.
При выборе гигрометра из существующих различных моделей следует обратить внимание на точность показателей влажности воздуха, которые предоставляются устройством. Далеко не каждый покупатель нуждается в сверхточных показаниях гигрометра, довольствуясь относительными.
Также при выборе гигрометра следует очень внимательно проверить все его технические характеристики. Гигрометр, выбранный спонтанно, может не выполнять всех заявленных функций, что отразится и на нервах, и на настроении. Деньги, потраченные впустую, уж точно радости не прибавят. Во избежание таких неприятностей нужно обязательно взять чек при покупке. Всегда должна быть возможность вернуть некачественный товар обратно в магазин.
Оцените статью: Поделитесь с друзьями!kotel.guru
Прибор для измерения влажности: выбор и использование
Влажность воздуха в помещении является одним из важнейших показателей, определяющих микроклимат в доме. Если температуру и скорость воздушных потоков можно приблизительно определить по личным ощущениям, то сказать, сколько воды в объеме комнаты «на глазок» не получится. Как определить влажность воздуха? Для этого используется либо прибор для измерения влажности воздуха в помещении, либо подручные средства.

Все они имеют индивидуальные точности и порядок использования.
Вопрос измерения температуры обсуждался в предыдущей статье.
Физическое понятие
Влажность – это содержание водяных паров в воздухе. Комфортное существование живых организмов, возможность развития живой природы, сохранность материалов возможно только при определенных значениях этого параметра.
Она бывает:
- абсолютной;
- относительной.
Абсолютная показывает количество паров воды в определенном объеме. Чаще всего измеряется в г/м3. Практического значения не имеет, так как невозможно определить нормальная влажность или нет, зная, что количество водяных паров 10 г/м3.
Максимальные показатели меняются в зависимости от температуры воздуха. При – 30оС этот параметр равен 0,29 г/м3, при 0оС – 4,8 г/м3, при + 30оС – 30,4 г/м3. Максимальная величина достигается при температуре 100оС (температура кипения воды) и равна 598 г/м3.

Относительная определяется путем деления значения текущей влажности на максимально возможную при определенной температуре, умноженной на 100. Измеряется влажность в процентах. Повсеместно используется в прогнозах погоды, составе продуктов питания, характеристиках производственных, складских и жилых помещений.
Чем опасна недостаточная и избыточная влага
Влагосодержание, необходимое для полноценного функционирования живого организма, сугубо индивидуально и зависит от многих параметров. Существенный избыток или недостаток водяных паров одинаково пагубен для человека, растения, животного, продуктов питания, строительных и отделочных материалов.
По окнам течет
Излишняя влага воздуха в прямом смысле слова плачевно сказывается на состоянии окружающих нас предметах. Внутренняя поверхность окон покрывается каплями влаги, которая стекает на подоконник. Постельное белье, одежда, меховые изделия приобретают неприятный запах сырости, ими неудобно и неприятно пользоваться.

Продукты портятся, употреблять в пищу их невозможно. Ограждающие конструкции и отделка покрываются плесенью. Ее споры распространяются по воздуху и могут стать причиной аллергических реакций и резкого снижения иммунитета. Человек чаще болеет, процесс выздоровления занимает больше времени.
Как в пустыне
Недостаток влаги в воздухе в условиях невысоких температур приводит к переохлаждению и обезвоживания вследствие повышенного потоотделения.

В таком воздухе происходит нарастание уровня статического электричества, повышается количество пыли. Пересыхают слизистые поверхности человеческого организма. Возникает першение в горле, сухость в носовой полости, жжение в глазах.
Используем приборы
Измерить влажность воздуха проще всего прибором. Называется он — гигрометр. По принципу действия он бывает:
- весовым;
- волосяным;
- пленочным;
- электролитическим;
- керамическим;
- конденсационным;
- электронным;
- психрометрическим.
В бытовых условиях применяются психрометрические, волосяные, электронные гигрометры. Для получения достоверных результатов знать, как ими измеряют влажность воздуха.
Самый надежный
Определение влажности воздуха с помощью психрометра (от греческого – холодный), не составляет особого труда. Действие прибора основано на том, что наличие влаги понижает температуру. На панели установлены 2 термометра и психрометрическая таблица. Первый термометр — сухой, второй – влажный. Для измерения необходимо найти разницу показаний температур. В таблице по вертикали указаны температура воздуха, измеряемого сухим термометром, по горизонтали разность показаний. Пересечением этих двух строчек показывается относительная влажность воздуха в процентах.

Психрометр надежный, достаточно простой прибор для определения влажности, дающий точную информацию. Требует постоянного контроля на наличие воды в емкости влажного термометра. Позволяет одновременно следить за температурой воздуха и его влажностью.
Самый простой
Самый древним и простым прибором для измерения влажности является волосяной гигрометр. Как узнать влажность воздуха с его помощью?

Достаточно просто посмотреть на стрелку, под которой расположена шкала с делениями через 1%. Принцип действия основан на изменении линейных размеров предметов в зависимости от насыщения их влагой. В качестве такого предмета используется обыкновенный обезжиренный волос. Отсюда и пошло название прибора «волосяной».
В качестве недостатка можно отметить большую погрешность измерения (около 10%). Плюсами являются:
- высокая чувствительность;
- быстрое реагирование на изменение влажности;
- большой диапазон измерения — от 30 до 100%.
Используется для определения относительной влажности воздуха в жилых помещениях. Зачастую является красиво оформленным предметом интерьера.

Самый современный
Чем измеряют влажность в интерьерах современной классики и хай-тек? Современный дизайн требует современных приборов. Одним из таких является цифровой (электронный) гигрометр. В основе его лежит измерение сопротивления электрического тока при изменении влажности электролита.

Минусом данного определителя влажности воздуха является необходимость подключения к электрической сети или использование батареек.
Жидкокристаллический дисплей еще отображает время и температуру. Имеется подсветка для использования в ночное время. Частота обновления показаний от 10 до 20 секунд. Погрешность измерения влажности воздуха в помещении составляет 5%.
Сами с усами
Чем измерить влажность, если прибора нет, а покупать его нет необходимости из-за редкого использования? На помощь придут смекалка, опыт поколений, простые предметы, которые есть в каждом доме.
Гори, гори моя свеча
Представляем дедовский способ, как определить влажность в комнате. Для этого достаточно изготовить влагомер из простой свечи и спички. Прежде чем измерять влажность воздуха:
- закройте двери, ведущие в смежные помещения;
- обеспечьте отсутствие сквозняков;
- зажгите свечу;
- наблюдайте за пламенем.

Если пламя колышется, и цвет ореола имеет малиновую окраску – паров воды в воздухе много. Если горение ровно вертикальное и пламя оранжево-желтого цвета – наличие водяных паров в норме.
Вода, стакан, холодильник
Данный способ дает возможность замерять влажность воздуха в домашних условиях. У этого прибора только три показания наличия влаги:
- избыточная;
- нормальная;
- недостаточная.
Перед тем как проверить влажность в квартире, налейте в стеклянный стакан простой водопроводной холодной воды. Поставьте в холодильник на 5-6 часов. Температура воды должна быть 6 оС.

Измерить можно либо с помощью уличного термометра или термометра для ванной. Затем поставьте стакан на стол в комнате, на расстоянии 1 метра от окон и стен. Через 10 минут оцените результат:
- конденсат на наружных стенках стакана сконцентрировался в капли, которые стекают на стол – избыточная;
- физическое состояние конденсата не изменилось – нормальная;
- конденсат испарился или его стало значительно меньше – недостаточная.
Сделай психрометр сам
Для определения влажности воздуха можно использовать обыкновенный комнатный ртутный термометр. С его помощью можно провести измерение влажности воздуха психрометрическим способом. Перед тем как измерить влажность в помещении приготовьте обыкновенную тряпку и воду.
Порядок проверки наличия паров воды в объеме воздуха своими руками следующий:
- проведите измерение температуры воздуха в помещении и запишите;
- оберните ртутную колбу термометра влажной тряпкой;
- ожидайте 10 минут;
- снимите и запишите показания термометра;
- высчитайте разницу сухого и влажного измерения;
- скачайте психрометрическую таблицу;
- найдите уровень влажности в помещении.

Такой измеритель влажности воздуха не занимает много места, не требует дополнительных затрат, обеспечивает необходимую точность измерения.
Нормальные показатели
Мало определить влажность воздуха в комнате. Необходимо еще знать, нормальны ли полученные данные. Оптимальное и наиболее комфортное значение в 45%. При этом приемлемым диапазоном изменения влажности воздуха в квартире является 30 – 60%. В разных по своему функциональному назначению помещениях рекомендуется поддерживать разное количество водяных паров:
- зал, столовая, гостиная, кухня, ванная комната – 40-60%;
- спальня для взрослых и подростков – 40-50%;
- детская комната – 45-60%;
- кабинет – библиотека – 30-40%.
Добиваться разных показателей наличия влаги даже в небольших помещениях достаточно хлопотно. В первую очередь надо обеспечить норму влажности. В большинстве современных жилых помещениях ее не хватает из-за большого количества отопительных и электрических приборов.

От этого ухудшается самочувствие, понижается работоспособность. Больше всего от этого страдают дети.
Доводим до нормы
Для обеспечения комфортного проживания необходимо регулировать относительную влажность воздуха. Для этого необходимо:
- Регулярно, не менее двух раз в сутки, проветривать помещения. Лучше всего это делать это после пробуждения и перед сном. Зимой лучше проводить короткие по времени проветривания с широко открытым окном для предупреждения охлаждения стен и пола. Летом, когда количество влаги на улице недостаточно, можно открыть окна не широко на длительное время.
- Увеличить количество комнатных растений. Увлажнение происходит за счет испарения влаги с поверхности почвы. Сморщенные, поникшие, засохшие листья будут свидетельствовать о недостатке воздушной влаги.
- Установить аквариум. Испарение воды с его поверхности сильно увлажняют воздух. Это заметно даже без проведения измерений. Если нет желания заниматься аквариумистикой, можно расставить в квартире емкости с водой. Не так эстетично, зато очень практично.
- Регулярно проводить влажную уборку. Отсутствие пыли позволит большему количеству влаги находиться во взвешенном состоянии.
- Приобретите специальный прибор для увлажнения воздуха. Особенно это актуально, если есть дети грудничкового и младшего возраста.
- Разбрызгивайте воду с помощью пульверизатора для поливки растений или глажки белья.
АКВАРИУМ И ВЛАЖНОСТЬ ВОЗДУХА
Выберите ли какой-то один способ или будете использовать комплекс мероприятий, не важно. Главное, чтобы показатели температуры и влажности были в пределах нормы.
Влажность нужная нужна, влажность очень нам важна. Такой главный вывод можно сделать, прочитав статью. Поддерживайте влажность воздуха в квартире в пределах нормы, берегите собственное здоровье.
uteplix.com

