Как проверить транзистор к3878 – Как проверить полевой транзистор мультиметром. Часть 1. Транзистор с управляющим p-n переходом. — Интернет-журнал «Электрон» Выпуск №4
Как проверить полевой транзистор мультиметром
В технике и радиолюбительской практике часто применяются полевые транзисторы. Такие устройства отличаются от обычных, биполярных, транзисторов тем, что в них управление выходным сигналом осуществляется управляющим электрическим полем. Особенно часто используются полевые транзисторы с изолированным затвором.
Англоязычное обозначение таких транзисторов – MOSFET, что означает «управляемый полем металло-оксидный полупроводниковый транзистор». В отечественной литературе эти приборы часто называют МДП или МОП транзисторами. В зависимости от технологии изготовления такие транзисторы могут быть n- или p-канальными.
Особенности конструкции, хранения и монтажа
Транзистор n-канального типа состоит из кремниевой подложки с p-проводимостью, n-областей, получаемых путем добавления в подложку примесей, диэлектрика, изолирующего затвор от канала, расположенного между n-областями. К n-областям подсоединяются выводы (исток и сток). Под действием источника питания из истока в сток по транзистору может протекать ток. Величиной этого тока управляет изолированный затвор прибора.
При работе с полевыми транзисторами необходимо учитывать их чувствительность к воздействию электрического поля. Поэтому хранить их надо с закороченными фольгой выводами, а перед пайкой необходимо закоротить выводы проволочкой. Паять полевые транзисторы надо с использованием паяльной станции, которая обеспечивает защиту от статического электричества.
Прежде, чем начать проверку исправности полевого транзистора, необходимо определить его цоколевку. Часто на импортном приборе наносятся метки, определяющие соответствующие выводы транзистора.
Буквой G обозначается затвор прибора, буквой S – исток, а буквой D- сток.
При отсутствии цоколевки на приборе необходимо посмотреть ее в документации на данный прибор.Схема проверки полевого транзистора n-канального типа мультиметром
Перед тем, как проверить исправность полевого транзистора, необходимо учитывать, что в современных радиодеталях типа MOSFET между стоком и истоком есть дополнительный диод. Этот элемент обычно присутствует на схеме прибора. Его полярность зависит от типа транзистора.
Порядок проверки исправности n-канального транзистора мультиметром следующий:
- Снять статическое электричество с транзистора.
- Перевести мультиметр в режим проверки диодов.
- Подключить черный провод мультиметра к минусу измерительного прибора, а красный – к плюсу.
- Подключить красный провод к истоку, а черный – к стоку транзистора. Если транзистор исправен, то мультиметр покажет напряжение на переходе 0,5 — 0,7 В.
- Подключить красный провод мультиметра к стоку, а черный – к истоку транзистора. При исправном приборе мультиметр покажет единицу, что означает бесконечность.
- Подключить черный провод к истоку, а красный – к затвору. Таким образом, осуществляется открытие транзистора.
- Черный провод оставляется на истоке, а красный подсоединяется к стоку. При исправном приборе мультиметр покажет напряжение от 0 до 800 мВ.
- При смене полярности щупов мультиметра величина показаний не должна измениться.
- Подключить красный провод к истоку, а черный – к затвору. Произойдет закрытие транзистора.
- При этом транзистор возвратиться в состояние, соответствующее п.п.4 и 5.

По проделанным измерениям можно сделать вывод, что если полевой транзистор открывается и закрывается с помощью постоянного напряжения с мультиметра, то он исправен.
Полевой транзистор имеет большую входную емкость, которая разряжается довольно долго.
Это используется при проверке транзистора, когда вначале его открывают напряжением мультиметра (п.6), а затем в течение некоторого времени, пока не разрядилась входная емкость, проводят дополнительные измерения (п.п. 7,8).Оценка исправности р-канального устройства
Проверка исправности р-канального полевого транзистора производится таким же образом, что и n-канального. Отличие состоит в том, что в п. 3 к минусу мультиметра надо подключить красный провод, а к плюсу мультиметра – черный провод.Выводы:
- Полевые транзисторы типа MOSFET широко используются в технике и радиолюбительской практике.
- Проверку работоспособности таких транзисторов можно осуществить с помощью мультиметра, следуя определенной методике.
- Проверка p-канального полевого транзистора мультиметром осуществляется таким же образом, что и n-канального транзистора, за исключением того, что следует изменить полярность подключения проводов мультиметра на обратную.
Видео о том, как проверить полевой транзистор
elektrik24.net
Содержание:
В радиоэлектронике и электротехнике транзисторы относятся к одним из основных элементов, без которых не будет работать ни одна схема. Среди них, наиболее широкое распространение получили полевые транзисторы, управляемые электрическим полем. Само электрическое поле возникает под действием напряжения, следовательно, каждый полевой транзистор является полупроводниковым прибором, управляемым напряжением. Наиболее часто применяются элементы с изолированным затвором. В процессе эксплуатации радиоэлектронных устройств и оборудования довольно часто возникает необходимость проверить полевой транзистор мультиметром, не нарушая общей схемы и не выпаивая его. Кроме того, на результаты проверки оказывает влияние модификация этих устройств, которые технологически разделяются на п- или р-канальные. Устройство и принцип действия полевых транзисторовПолевые транзисторы относятся к категории полупроводниковых приборов. Их усиливающие свойства создаются потоком основных носителей, который протекает через проводящий канал и управляется электрическим полем. Полевые транзисторы, в отличие от биполярных, для своей работы используют основные носители заряда, расположенные в полупроводнике. По своим конструктивным особенностям и технологии производства полевые транзисторы разделяются на две группы: элементы с управляющим р-п-переходом и устройства с изолированным затвором.
К первому варианту относятся элементы, затвор которых отделяется от канала р-п-переходом, смещенным в обратном направлении. Носители заряда входят в канал через электрод, называемый истоком. Выходной электрод, через который носители заряда уходят, называется стоком. Третий электрод – затвор выполняет функцию регулировки поперечного сечения канала. Когда к истоку подключается отрицательное, а к стоку положительное напряжение, в самом канале появляется электрический ток. Он создается за счет движения от истока к стоку основных носителей заряда, то есть электронов. Еще одной характерной особенностью полевых транзисторов является движение электронов вдоль всего электронно-дырочного перехода. Между затвором и каналом создается электрическое поле, способствующее изменению плотности носителей заряда в канале. То есть, изменяется величина протекающего тока. Поскольку управление происходит с помощью обратно смещенного р-п-перехода, сопротивление между каналом и управляющим электродом будет велико, а мощность, потребляемая от источника сигнала в цепи затвора, очень мала. За счет этого обеспечивается усиление электромагнитных колебаний не только по току и напряжению, но и по мощности.
Существуют полевые транзисторы, у которых затвор отделяется от канала слоем диэлектрика. В состав элемента с изолированным затвором входит подложка – полупроводниковая пластина, имеющая относительно высокое удельное сопротивление. В свою очередь, она состоит из двух областей с противоположными типами электропроводности. На каждую из них нанесен металлический электрод – исток и сток. Поверхность между ними покрывает тонкий слой диэлектрика. Таким образом, в полученную структуру входят металл, диэлектрик и полупроводник. Данное свойство позволяет проверить полевой транзистор мультиметром не выпаивая. Поэтому данный вид транзисторов сокращенно называют МДП. Они различаются наличием индуцированных или встроенных каналов. Проверка мультиметромПеред началом проверки на исправность полевого транзистора мультиметром, рекомендуется принять определенные меры безопасности, с целью предотвращения выхода транзистора из строя. Полевые транзисторы обладают высокой чувствительностью к статическому электричеству, поэтому перед их проверкой необходимо организовать заземление. Для снятия с себя накопленных статических зарядов, следует воспользоваться антистатическим заземляющим браслетом, надеваемым на руку. В случае отсутствия такого браслета можно просто коснуться рукой батареи отопления или других заземленных предметов.
Хранение полевых транзисторов, особенно с малой мощностью, должно осуществляться с соблюдением определенных правил. Одно из них заключается в том, что выводы транзисторов в этот период, находятся в замкнутом состоянии между собой. Конфигурация цоколей, то есть расположение выводов в различных моделях транзисторов может отличаться. Однако их маркировка остается неизменной, в соответствии с общепринятыми стандартами. Затвор по-английски означает Gate, сток – Drain, исток – Source, а для маркировки используются соответствующие буквы G, D и S. Если маркировка отсутствует необходимо воспользоваться специальным справочником или официальным документом от производителя электронных компонентов. Проверку можно выполнить с помощью стрелочного омметра, но более удобной и эффективной будет прозвонка цифровым мультиметром, настроенным на тестирование p-n-переходов. Полученное значение сопротивления, отображаемое на дисплее, на пределе х100 численно будет соответствовать напряжению на р-п-переходе в милливольтах. После подготовки можно переходить к непосредственной проверке. Прежде всего нужно знать, что исправный транзистор обладает бесконечным сопротивлением между всеми его выводами. Прибор должен показывать такое сопротивление независимо от полярности щупов, то есть прикладываемого напряжения.
Современные мощные полевые транзисторы имеют встроенный диод, расположенный между стоком и истоком. В результате, при решении задачи, как прозвонить полевой транзистор мультиметром, канал сток-исток, ведет себя аналогично обычному диоду. Отрицательным щупом черного цвета необходимо коснуться подложки – стоку D, а положительным красным щупом – вывода истока S. Мультиметр покажет наличие прямого падения напряжения на внутреннем диоде до 500-800 милливольт. В обратном смещении, когда транзистор закрыт, прибор будет показывать бесконечно высокое сопротивление. Далее, черный щуп остается на месте, а красный щуп касается вывода затвора G и вновь возвращается к выводу истока S. В этом случае мультиметр покажет значение, близкое к нулю, независимо от полярности приложенного напряжения. Транзистор откроется в результате прикосновения. Некоторые цифровые устройства могут показывать не нулевое значение, а 150-170 милливольт. Если после этого, не отпуская красного щупа, коснуться черным щупом вывода затвора G, а затем возвратить его к выводу подложки стока D, то в этом случае произойдет закрытие транзистора, и мультиметр вновь отобразит падение напряжения на диоде. Такие показания характерны для большинства п-канальных устройств, используемых в видеокартах и материнских платах. Проверка р-канальных транзисторов осуществляется таким же образом, только со сменой полярности щупов мультиметра. |
electric-220.ru
Как проверить транзистор мультиметром | Для дома, для семьи
Здравствуйте уважаемые читатели сайта sesaga.ru. Сегодня хочу рассказать, как проверить исправность транзистора обычным мультиметром. Хотя для этого существуют специальные пробники, и даже в самом мультиметре имеется гнездо для проверки транзисторов, но, на мой взгляд, все они не совсем практичны. Вот чтобы подобрать пару транзисторов с одинаковым коэффициентом усиления (h31э) пробники вещь даже очень нужная. А для определения исправности достаточно будет и обыкновенного мультика.
Мы знаем, что транзистор имеет два p-n перехода, причем каждый переход можно представить в виде диода (полупроводника). Поэтому можно утверждать, что транзистор — это два диода включенных встречно, а точка их соединения будет являться «базой».

Отсюда получается, что один диод образован выводами, например, базы и коллектора, а другой диод выводами базы и эмиттера. Тогда нам будет достаточно проверить прямое и обратное сопротивление этих диодов, и если они исправны, значит, и транзистор работоспособен. Все очень просто.
Начнем с транзисторов структуры (проводимость) p-n-p. На принципиальных схемах структура транзисторов обозначается стрелкой эмиттерного перехода. Если стрелка направлена к базе, значит это структура p-n-p, а если от базы, значит это транзистор структуры n-p-n. Смотрите рисунок выше.
Так вот, чтобы открыть p-n-p транзистор, на вывод базы подается отрицательное напряжение (минус). Мультиметр переводим в режим измерения сопротивлений на предел «2000», можно в режиме «прозвонка» — не критично.
Минусовым щупом (черного цвета) садимся на вывод базы, а плюсовым (красного цвета) поочередно касаемся выводов коллектора и эмиттера — так называемые коллекторный и эмиттерный переходы. Если переходы целы, то их прямое сопротивление будет находиться в пределах 500 – 1200 Ом.

Теперь проверяем обратное сопротивление коллекторного и эмиттерного переходов.
Плюсовым щупом садимся на вывод базы, а минусовым касаемся выводов коллектора и эмиттера. На этот раз мультиметр должен показать большое сопротивление на обоих p-n переходах.

В данном случае на индикаторе высветилась «1», означающая, что для предела измерения «2000» величина сопротивления велика, и составляет более 2000 Ом. А это говорит о том, что коллекторный и эмиттерный переходы целы, а значит, наш транзистор исправен.
Таким способом можно проверять исправность транзистора и на печатной плате, не выпаивая его из схемы.
Конечно, встречаются схемы, где p-n переходы транзистора сильно зашунтированы низкоомными резисторами. Но это редкость. Если при измерении будет видно, что прямое и обратное сопротивление коллекторного или эмиттерного переходов слишком мало, тогда придется выпаять вывод базы.
Исправность транзисторов структуры n-p-n проверяется так же, только уже к базе подключается плюсовой щуп мультиметра.
Мы рассмотрели, как проверить исправный транзистор. А как понять, что транзистор неисправный?
Здесь тоже все просто. Если прямое и обратное сопротивление одного из p-n переходов бесконечно велико, т.е. на пределе измерения «2000» и выше мультиметр показывает «1», значит, этот переход находится в обрыве, и транзистор однозначно неисправен.
Вторая распространенная неисправность транзистора – это когда прямое и обратное сопротивления одного из p-n переходов равны нулю или около того. Это говорит о том, что переход пробит, и транзистор не годен.
И тут уважаемый читатель Вы меня спросите: — А где у этого транзистора находится база, коллектор и эмиттер. Я его вообще в первый раз вижу. И будете правы. А ведь действительно, где они? Как их определить? Значит, будем искать.
В первую очередь, нужно определить вывод базы.
Плюсовым щупом мультиметра садимся, например, на левый вывод транзистора, а минусовым касаемся среднего и правого выводов. При этом смотрим, какую величину сопротивления показывает мультиметр.
Между левым и средним выводами величина сопротивления составила «1», а между левым и правым мультиметр показал 816 Ом. На данном этапе это нам ничего не говорит. Идем дальше.
Плюсовым щупом садимся на средний вывод, а минусовым касаемся левого и правого.
Здесь результат измерения получился почти таким же, как и на рисунке выше. Между средним и левым величина сопротивления составила «1», а между средним и правым получилось 807 Ом. Тут опять ничего не ясно, поэтому идем дальше.
Теперь садимся плюсовым щупом на правый вывод, а минусовым касаемся среднего и левого выводов транзистора.
На рисунке видно, что величина сопротивления между правым-средним и правым-левым выводами одинаковая и составила бесконечность. То есть получается, что мы нашли и измерили обратное сопротивление обоих p-n переходов транзистора. В принципе, уже можно смело утверждать, что вывод базы найден. Он оказался правым. Но нам еще надо определить, где у транзистора коллектор и эмиттер. Для этого измеряем прямое сопротивление переходов. Минусовым щупом садимся на вывод базы, а плюсовым касаемся среднего и левого выводов.
Величина сопротивления на левой ножке транзистора составила 816 Ом – это эмиттер, а на средней 807 Ом – это коллектор.
Запомните! Величина сопротивления коллекторного перехода всегда будет меньше по отношению к эмиттерному. Т.е. вывод коллектора будет там, где сопротивление p-n перехода меньше, а эмиттера, где сопротивление p-n перехода больше.
Отсюда делаем вывод:
1. Транзистор структуры p-n-p;
2. Вывод базы находится с правой стороны;
3. Вывод коллектора в середине;
4. Вывод эмиттера – слева.
А если у Вас остались вопросы, то можно дополнительно посмотреть мой видеоролик о проверке обычных транзисторов мультиметром.
Ну и напоследок надо сказать, что транзисторы бывают малой, средней мощности и мощные. Так вот, у транзисторов средней мощности и мощных, вывод коллектора напрямую связан с корпусом и находится в середине между базой и эмиттером. Такие транзисторы устанавливаются на специальные радиаторы, предназначенные для отвода тепла от корпуса транзистора.
Зная расположение коллектора, базу и эмиттер определить будет легко.
Удачи!
sesaga.ru
Как проверить полевой МОП (Mosfet) — транзистор цифровым мультиметром — Интернет-журнал «Электрон» Выпуск №5
В этой статье я расскажу вам, как проверить полевой транзистор с изолированным затвором, то есть МОП-транзистор. Это вторая часть статьи по проверки полевых транзисторов. В первой части я рассказывал, как проверить транзистор с управляющим p-n переходом.
Да, полевые транзисторы с управляющим p-n переходом уходят в прошлое, а сейчас в современных схемах применяются более совершенные полевые транзисторы с изолированным затвором. Тогда предлагаю научиться их проверять.
Но для того, что бы понять, как проверить полевой транзистор, давайте я вам в двух словах расскажу, как он устроен.
Полевой транзистор с изолированным затвором мы знаем под более привычным названием МОП -транзистор (метал -окисел-полупроводник), МДП -транзистор(метал -диэлектрик-полупроводник), либо в английском варианте MOSFET(Metal-Oxide-Semiconductor-Field-Effect-Transistor)
Эти аббревиатуры вытекают из структуры построения транзистора. А именно.
Структура полевого MOSFET транзистора.
Для создания МОП-транзистора берется подложка, выполненная из p-полупроводника, где основными носителями заряда являются положительные заряды, так называемые дырки. На рисунке вы видите, что вокруг ядра атома кремния вращаются электроны, обозначенные белыми шариками.

Когда электрон покидает атом, в этом месте образуется «дырка» и атом приобретает положительный заряд, то есть становиться положительным ионом. Дырки на модели обозначены, как зеленые шарики.
На p-подложке создаются две высоколегированные n-области, то есть области с большим количеством свободных электронов. На рисунке эти свободные электроны обозначены красными шариками.

Свободные электроны свободно перемещаются по n-области. Именно они впоследствии и будут участвовать в создании тока через МДП-тназистор.
Пространство между двумя n-областями, называемое каналом покрывается диэлектриком, обычно это диоксид кремния.

Над диэлектрическим слоем располагают металлический слой. N-области и металлический слой соединяют с выводами будущего транзистора.

Выводы транзистора называются исток, затвор и сток.
Ток в МОП-транзисторе течет от истока через канал к стоку. Для управления этим током служит изолированный затвор.

Однако если подключить напряжение между истоком и стоком, при отсутствии напряжения на затворе ток через транзистор не потечет, потому что на его пути будет барьер из p-полупроводника.
Если подать на затвор положительное напряжение, относительно истока, то возникающее электрическое поле будет к области под затвором притягивать электроны и выталкивать дырки.
По достижению определенной концентрации электронов под затвором, между истоком и стоком создается тонкий n-канал, по которому потечет ток от истока к стоку.

Следует сказать, что ток через транзистор можно увеличить, если подать больший потенциал напряжения на затвор. При этом канал становиться шире, что приводит к увеличению тока между истоком и стоком.
МДП-транзистор с каналом p-типа имеет аналогичную структуру, однако подложка в таком транзисторе выполнена из полупроводника n-типа, а области истока и стока из высоколегированного полупроводника p-типа.

В таком полевом транзисторе основными носителями заряда являются положительные ионы (дырки). Для того, что бы открыть канал в полевом транзисторе с каналом p-типа необходимо на затвор подать отрицательный потенциал.

Проверка полевого MOSFET транзистора цифровым мультиметром
Для примера возьмем полевой МОП-транзистор с каналом n-типа IRF 640. Условно-графическое обозначение такого транзистора и его цоколевку вы видите на следующем рисунке.
Перед началом проверки транзистора замкните все его выводы между собой, что бы снять возможный заряд с транзистора.
Проверка встроенного диода
Для начал следует подготовить мультимер и перевести его в режим проверки диодов. Для этого переключатель режимов/пределов установите в положение с изображением диода.

В этом режиме мультиметр при подключении диода в прямом направлении (плюс прибора на анод, минус прибора на катод) показывает падение напряжения на p-n переходе диода. При включении диода в обратном направлении мультиметр показывает «1».
Итак, подключаем щупы мультиметра, как было сказано выше, в прямом включении диода. Таким образом, красный шум (+) подключаем на исток, а черный (-) на сток.

Мультиметр должен показать падение напряжение на переходе порядка 0,5-0,7.
Меняем полярность подключения встроенного диода, при этом мультиметр, при исправности диода покажет «1».

Проверка работы полевого МОП транзистора
Проверяемый нами МОП-транзистор имеет канал n-типа, поэтому, что бы канал стал электропроводен необходимо на затвор транзистора относительно истока либо стока подать положительный потенциал. При этом электроны из подложки переместятся в канал, а дырки будут вытолкнуты из канала. В результате канал между истоком и стоком станет электропроводен и через транзистор потечет ток.
Для открытия транзистора будет достаточно напряжения на щупах мультиметра в режиме прозвонки диодов.
Поэтому черный (отрицательный) щуп мультиметра подключаем на исток (или сток), а красным касаемся затвора.

Если транзистор исправен, то канал исток-сток станет электропроводным, то есть транзистор откроется.
Теперь если прозвонить канал исток-сток, то мультиметр покажет какое-то значение падение напряжения на канале, в виду того, что через транзистор потечет ток.
Таким образом черный щуп транзистора ставим на исток, а красный на сток и мультиметр покажет падение напряжение на канале.
Если поменять полярность щупов, то показания мультиметра будут примерно одинаковыми.
Что бы закрыть транзистор достаточно относительно истока на затвор подать отрицательный потенциал.
Следовательно, подключаем положительный (красный) щуп мультиметра на исток, а черным касаемся затвор.

При этом исправный транзистор закроется. И если после этого прозвонить канал исток-сток, то мультиметр покажет лишь падение напряжения на встроенном диоде.
Если транзистор управляется напряжением с мультиметра (то есть открывается и закрывается), значит можно сделать вывод, что транзистор исправен.
Проверка полевого МОП – транзистора с каналом p-типа осуществляется подобным образом. За тем исключением, что во всех пунктах проверки полярность подключения щупов меняется на противоположную.
Более подробно и просто всю методику проверки полевого транзистора я изложил в следующем видеоуроке:
www.sxemotehnika.ru
Как проверить полевой транзистор с управляющим P-N переходом
Как проверить полевой транзистор с управляющим P-N переходом?
Для того, чтобы проверить полевой транзистор с управляющим P-N переходом, достаточно вспомнить его внутреннее строение.
N-канальный выглядит вот так:

А P-канальный вот так:

Теперь давайте вспомним, какой радиоэлемент у нас состоит из P-N перехода? Все верно, это диод. Получается что Затвор и Исток образуют один диод, а Затвор и Сток — другой диод. Сам канал обладает каким-то сопротивлением, а это есть нечто иное как резистор.
Для N-канального транзистора
Эквивалентная схема будет выглядеть вот так:

Для P-канального
Эквивалентная схема будет выглядеть вот так:

Получается, для того, чтобы узнать целостность транзистора, нам достаточно проверить все эти три элемента 😉
У нас в гостях уже знакомый вам из прошлой статьи N-канальный полевой транзистор с P-N переходом 2N5485

Сейчас мы будем проверять его на работоспособность.
Впрочем, не так быстро! Полевые транзисторы больше всего боятся статического электричества, особенно МОП-транзисторы. Поэтому, прежде чем начинать проверку, стоит снять статику с себя (и с того, чем ещё можем его коснуться). Можно заземлить себя, скажем, с помощью водосточной или отопительной трубы (коснувшись металлической части трубы без лакокрасочного покрытия).
Для этого нам понадобится мультиметр:

Для проверки полевого транзистора с управляющим P-N переходом первым делом качаем на него даташит и смотрим расположение его выводов (цоколевку).
Вот кусочек даташита моего транзистора с цоколевкой:

Если его повернуть жопой к нам, как в даташите, то слева-направо у нас идет Затвор, Исток, Сток

Там же в даташите указано, что он N-канальный.
Ну что же? Начнем проверочку?
Так как транзистор N-канальный, следовательно, встаем на Затвор красным щупом мультиметра и проверяем диоды. Проверяем диод Затвор-Исток:


Норм.
Проверяем диод Затвор-Сток:


Норм.
Как вы помните, диод пропускает электрический ток только в одном направлении. Поэтому, когда мы поменяем полярность и снова проверим диоды, то увидим на экране мультиметра очень большое сопротивление:


Ну а теперь остается проверить сопротивление между Истоком и Стоком. Для того, чтобы его замерить, мы должны подать на Затвор 0 Вольт. Будет большим заблуждением, если мы оставим Затвор болтаться в воздухе, так как в этом случае вывод Затвора — это как маленькая антеннка, которая ловит различные наводки, а следовательно имеет уже какой-то потенциал, что конечно же, сказывается на сопротивлении Исток-Сток. Поэтому, цепляемся мультиметром к Стоку и Истоку, а Затвор берем в руку. В идеале, хорошо было бы взяться другой рукой за отопительную батарею, чтобы полностью заземлить Затвор. На мультике должно высветится какое-либо сопротивление:

Что-то показывает? Значит все ОК ;-). Транзистор жив и здоров.
Также есть второй способ проверки транзистора с управляющим P-N переходом. Но для этого нам понадобиться RLC-транзистор-метр, прибор который умеет замерять почти всё. Вставляем транзистор в кроватку и зажимаем рычажком. Нажимаем зеленую кнопку «Пуск» и прибор нам выдает схемотехническое обозначение нашего подопечного с обозначением выводов:

Ну разве не чудо?
N-JFET — N-канальный транзистор с управляющим P-N переходом. G-Gate-Затвор, D-Drain-Сток, S-Source-Исток. Также навскидку даются два параметра: Ugs и I. Ugs — это напряжение между Затвором и Истоком (Gate-Source). I — сила тока через канал, то есть через Исток-Сток. Следовательно, прибор показывает, какая сила тока будет течь через Исток-Сток, при таком-то напряжении на Затворе. По идее, эти два параметры на практике не нужны. Они вам просто показывают, что транзистор живой и что с него можно выжать.
Все те же самые операции касаются и P-канального транзистора. Только в этом случае «диоды» меняют свое направление на противоположное.
www.ruselectronic.com
Как проверить полевой транзистор мультиметром. Часть 1. Транзистор с управляющим p-n переходом. — Интернет-журнал «Электрон» Выпуск №4
Продолжаем рубрику проверки электрорадиоэлементов, и сегодня я представляю первую статью по проверке полевых транзисторов тестером или как сейчас принято говорить — мультиметром.
Перед началом проверки полевых транзисторов рассмотрим, какие бывают виды полевых транзисторов.
На рисунке 1 вы видите классификацию полевых транзисторов.

Из этого рисунку видно, что полевые транзисторы подразделяются на транзисторы с управляющим p-n переходом и полевые транзисторы с изолированным затвором.
В зарубежной литературе полевой транзистор с управляющим p-n переходом обозначается как JFET(junction gate field-effect transistor), а транзистор с изолированным затвором — MOSFET (Metall-Oxid-Semiconductor FET).
Сегодня я вам расскажу, как проверить полевой транзистор с управляющим p-n переходом, а в следующем выпуске журнал перейдем к проверке MOSFET транзистора, так что не забываем подписываться на журнал. Форма подписки после статьи.
Для начала кратко рассмотрим структуру транзистора и принцип его работы.
Полевые транзисторы бывают n-канальные и p-канальные. В виду того, что широкое распространение получили n-канальные полевые транзисторы, на их примере и рассмотрим принцип работы полевого транзисторы с управляющим p-n переходом.
Итак, транзистор состоит из n-полупроводника с внедренными в него высоколегированными n-областями с большой концентрацией носителей заряда – электронов. Сам полупроводник находится на подложке p-типа, которая соединена с еще одной p-областью. Вместе эти области называются затвором (gate). Таким образом, каждая высоколегированная n-область создает с p-подложкой свой p-n переход.

Та часть n-полупроводника, которая находится между p-областями (затворами) называется каналом (в частности каналом n-типа).
Если к высоколегированным n-областям подключить источник напряжение, то в канале создастся электрическое поле, под воздействием этого поля электроны из n-области, к которой подключен «минус» источника будут перемещаться в n-область, к которой подключен «плюс» источника напряжения. Таким образом, через канал потечет электрический ток. Величина этого тока будет напрямую зависеть от электропроводности канала, которая в свою очередь зависит от площади поперечного сечения канала. Нетрудно догадаться, что площадь поперечного сечения канала зависит от ширины p-n переходов.

Та область, от которой движутся носители заряда, а в случае n-канала это электроны, называется истоком (source), а к которой движутся – стоком (drain).
Если на затвор относительно истока подать отрицательное напряжение, то p-n переход, образованный между затвором и истоком будет смещаться в обратном направлении, при этом ширина запирающего слоя будет увеличиваться, тем самым сужая размеры канала и уменьшая электропроводность.

Таким образом, изменяя напряжение между затвором и истоком, мы можем управлять током через канал полевого транзистора.
На этом об устройстве полевого транзистора все, далее в подробности углубляться я не буду, так как этого будет достаточно, что бы понять, как проверить полевой транзистор с управляющим p-n переходом.
Исходя из вышеизложенного можно составить эквивалентную схему полевого транзистора с управляющим p-n переходом, как мы делали при проверке биполярного транзистора.
При составлении схемы будем руководствоваться следующими принципами:
1. В транзисторе имеются два p-n перехода, первый между затвором и истоком, второй между затвором и стоком.
2. Канал между истоком и стоком при отсутствии отрицательного запирающего напряжения на затворе не закрыт и электропроводен, то есть имеет определенное значение сопротивления.
3. Теперь p-n переходы обозначим диодами, а электропроводность канала резистором.
Составляем эквивалентную схему полевого транзистора с управляющим p-n переходом.

Теперь зная эквивалентную схему полевого транзистора с управляющим p-n переходом можно построить алгоритм или схему проверки полевого транзистора.
Проверка полевого транзистора с управляющим p-n переходом и каналом n-типа.
1. Проверка сопротивления канала (на рис. R)
Для проверки сопротивления канала с помощью мультиметра необходимо на приборе установить режим измерения сопротивления, предел измерения 2000 Ом.
Измерить сопротивление между истоком и стоком транзистора при разной полярности подключения щупов мультиметра.

Значения сопротивления канала при разной полярности подключения щупов должны быть примерно одинаковыми.
2. Проверка p-n перехода исток-затвор (на рис. VD1).
Включаем мультиметр в режим проверки диодов. Красный (плюсовой ) щуп мультиметра подключаем на затвор (имеет p-проводимость), а черный на исток. Мультиметр должен показать падение напряжения на открытом p-n переходе, которое должно быть в пределах 600-700 мВ.
Меняем полярность подключения щупов (красный на исток, черный на затвор), мультиметр, в случае исправности транзистора показывает бесконечность (на дисплее «1»), то есть переход включен в обратном направлении и закрыт.

3. Проверка p-n перехода сток-затвор (на рис. VD2).
Так же проверяем исправность p-n перехода сток-затвор. То есть включаем мультиметр в режим проверки диодов. Красный (плюсовой ) щуп мультиметра подключаем на затвор (имеет p-проводимость), а черный на сток. Мультиметр должен показать падение напряжения на открытом p-n переходе затвор-сток, которое должно быть в пределах 600-700 мВ.
Меняем полярность подключения щупов (красный на сток, черный на затвор), мультиметр, в случае исправности транзистора показывает бесконечность (на дисплее «1»), то есть переход включен в обратном направлении и закрыт.
Если все три условия выполнились, то считается, что полевой транзистор исправен.
Проверка полевого транзистора с управляющим p-n переходом и каналом p-типа.
Проверка полевого транзистора с управляющим p-n переходом и каналом p-типа осуществляется по вышеизложенному алгоритму, за исключением того, что при проверке p-n переходов полярность подключения щупов мультиметра меняется на противоположную.
Для наглядности и простоты понимания процесса я записал для вас видео как проверить полевой транзистор с управляющим p-n переходом, где я проверяю транзистор с каналом p-типа.
www.sxemotehnika.ru
Как проверить транзистор мультиметром: инструкции, видео
Полупроводниковые элементы используются практически во всех электронных схемах. Те, кто называют их наиболее важными и самыми распространенными радиодеталями абсолютно правы. Но любые компоненты не вечны, перегрузка по напряжению и току, нарушение температурного режима и другие факторы могут вывести их из строя. Расскажем (не перегружая теорией), как проверить работоспособность различных типов транзисторов (npn, pnp, полярных и составных) пользуясь тестером или мультиметром.
С чего начать?
Прежде, чем проверить мультиметром любой элемент на исправность, будь то транзистор, тиристор, конденсатор или резистор, необходимо определить его тип и характеристики. Сделать это можно по маркировке. Узнав ее, не составит труда найти техническое описание (даташит) на тематических сайтах. С его помощью мы узнаем тип, цоколевку, основные характеристики и другую полезную информацию, включая аналоги для замены.
Например, в телевизоре перестала работать развертка. Подозрение вызывает строчный транзистор с маркировкой D2499 (кстати, довольно распространенный случай). Найдя в интернете спецификацию (ее фрагмент показан на рисунке 2), мы получаем всю необходимую для тестирования информацию.
Рисунок 2. Фрагмент спецификации на 2SD2499Большая вероятность, что найденный даташит будет на английском, ничего страшного, технический текст легко воспринимается даже без знания языка.
Определив тип и цоколевку, выпаиваем деталь и приступаем к проверке. Ниже приведены инструкции, с помощью которых мы будем тестировать наиболее распространенные полупроводниковые элементы.
Проверка биполярного транзистора мультиметром
Это наиболее распространенный компонент, например серии КТ315, КТ361 и т.д.
С тестированием данного типа проблем не возникнет, достаточно представить pn переход в как диод. Тогда структуры pnp и npn будут иметь вид двух встречно или обратно подключенных диодов со средней точкой (см. рис.3).
Рисунок 3. «Диодные аналоги» переходов pnp и npnПрисоединяем к мультиметру щупы, черный к «СОМ» (это будет минус), а красный к гнезду «VΩmA» (плюс). Включаем тестирующее устройство, переводим его в режим прозвонки или измерения сопротивления (достаточно установить предел 2кОм), и приступаем к тестированию. Начнем с pnp проводимости:
- Присоединяем черный щуп к выводу «Б», а красный (от гнезда «VΩmA») к ножке «Э». Смотрим на показания мультиметра, он должен отобразить величину сопротивления перехода. Нормальным считается диапазон от 0,6 кОм до 1,3 кОм.
- Таким же образом проводим измерения между выводами «Б» и «К». Показания должны быть в том же диапазоне.
Если при первом и/или втором измерении мультиметр отобразит минимальное сопротивление, значит в переходе(ах) пробой и деталь требует замены.
- Меняем полярность (красный и черный щуп) местами и повторяем измерения. Если электронный компонент исправный, отобразится сопротивление, стремящееся к минимальному значению. При показании «1» (измеряемая величина превышает возможности устройства), можно констатировать внутренний обрыв в цепи, следовательно, потребуется замена радиоэлемента.
Тестирование устройства обратной проводимости производится по такому же принципу, с небольшим изменением:
- Красный щуп подключаем к ножке «Б» и проверяем сопротивление черным щупом (прикасаясь к выводам «К» и «Э», поочередно), оно должно быть минимальным.
- Меняем полярность и повторяем измерения, мультиметр покажет сопротивление в диапазоне 0,6-1,3 кОм.
Отклонения от этих значений говорят о неисправности компонента.
Проверка работоспособности полевого транзистора
Этот тип полупроводниковых элементов также называют mosfet и моп компонентами. На рисунке 4 показано графическое обозначение n- и p-канальных полевиков в принципиальных схемах.
Рис 4. Полевые транзисторы (N- и P-канальный)Для проверки этих устройств подключаем щупы к мультиметру, таким же образом, как и при тестировании биполярных полупроводников, и устанавливаем тип тестирования «прозвонка». Далее действуем по следующему алгоритму (для n-канального элемента):
- Касаемся черным проводом ножки «с», а красным – вывода «и». Отобразится сопротивление на встроенном диоде, запоминаем показание.
- Теперь необходимо «открыть» переход (получится только частично), для этого щуп с красным проводом соединяем с выводом «з».
- Повторяем измерение, проведенное в п. 1, показание изменится в меньшую сторону, что говорит о частичном «открытии» полевика.
- Теперь необходимо «закрыть» компонент, с этой целью соединяем отрицательный щуп (провод черного цвета) с ножкой «з».
- Повторяем действия п. 1, отобразится исходное значение, следовательно, произошло «закрытие», что говорит об исправности компонента.
Для тестирования элементов p-канального типа последовательность действий остается той же, за исключением полярности щупов, ее нужно поменять на противоположную.
Заметим, что биполярные элементы, у которых изолированный затвор (IGBT), тестируются также, как описано выше. На рисунке 5 показан компонент SC12850, относящийся к этому классу.
Рис 5. IGBT транзистор SC12850Для тестирования необходимо выполнить те же действия, что и для полевого полупроводникового элемента, с учетом, что сток и исток последнего будут соответствовать коллектору и эмиттеру.
В некоторых случаях потенциала на щупах мультиметра может быть недостаточно (например, чтобы «открыть» мощный силовой транзистор), в такой ситуации понадобится дополнительное питание (хватит 12 вольт). Подключать его нужно через сопротивление 1500-2000 Ом.
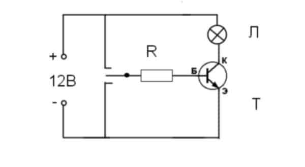
Проверка составного транзистора
Такой полупроводниковый элемент еще называют «транзистор Дарлингтона», по сути это два элемента, собранные в одном корпусе. Для примера, на рисунке 6 показан фрагмент спецификации к КТ827А, где отображена эквивалентная схема его устройства.
Рис 6. Эквивалентная схема транзистора КТ827АПроверить такой элемент мультиметром не получится, потребуется сделать простейший пробник, его схема показана на рисунке 7.
Рис. 7. Схема для проверки составного транзистораОбозначение:
- Т – тестируемый элемент, в нашем случае КТ827А.
- Л – лампочка.
- R – резистор, его номинал рассчитываем по формуле h31Э*U/I, то есть, умножаем величину входящего напряжения на минимальное значение коэффициента усиления (для КТ827A – 750), полученный результат делим на ток нагрузки. Допустим, мы используем лампочку от габаритных огней автомобиля мощностью 5 Вт, ток нагрузки составит 0,42 А (5/12). Следовательно, нам понадобится резистор на 21 кОм (750*12/0,42).
Тестирование производится следующим образом:
- Подключаем к базе плюс от источника, в результате должна засветиться лампочка.
- Подаем минус – лампочка гаснет.
Такой результат говорит о работоспособности радиодетали, при других результатах потребуется замена.
Как проверить однопереходной транзистор
В качестве примера приведем КТ117, фрагмент из его спецификации показан на рисунке 8.
Рис 8. КТ117, графическое изображение и эквивалентная схемаПроверка элемента осуществляется следующим образом:
Переводим мультиметр в режим прозвонки и проверяем сопротивление между ножками «Б1» и «Б2», если оно незначительное, можно констатировать пробой.
Как проверить транзистор мультиметром, не выпаивая их схемы?
Этот вопрос довольно актуальный, особенно в тех случаях, если необходимо тестировать целостность smd элементов. К сожалению, только биполярные транзисторы можно проверить мультиметром не выпаивая из платы. Но даже в этом случае нельзя быть уверенным в результате, поскольку не редки случаи, когда p-n переход элемента зашунтирован низкоомным сопротивлением.
www.asutpp.ru




