Как самому сделать ионизатор воздуха: Как сделать ионизатор воздуха своими руками: схемы, инструкции
Как сделать ионизатор воздуха своими руками?
Ионизатор – интересная и полезная штука, способная сделать воздух в доме более свежим и чистым. На рынке представлено огромное количество этих приборов на любой вкус и кошелек. И если не рассматривать варианты сложных климатических систем, которые помимо основополагающих задач, выполняют также и функции кондиционирования, увлажнения и дезинфекции, то почему бы не задаться вопросом: как сделать ионизатор воздуха своими руками? Наверняка, эту идею не так сложно воплотить в жизнь.
Содержание
Приготовление необходимых материалов
Самодельный ионизатор воздуха может выполнять возложенные на него обязанности ничуть не хуже простейшего фабричного устройства. Начнем с того, что подготовим все необходимое для своей будущей сборки.
Нам понадобится следующее:
- два пластиковых контейнера;
- два провода с приблизительным диаметром в пол миллиметра;
- изоляционная лента;
- штепсельная вилка – по желанию;
- ножницы.

Процесс сборки
При помощи обычной бытовой иголки следует проделать небольшие отверстия в контейнерах. После этого необходимо взять подготовленные провода и распустить их на раздельные жилы, продев в созданные отверстия (отверстия должны быть соответствующего размера!).
Обращаем внимание на то, чтобы в одном отверстии жила имела положительную полярность, а в другом – отрицательную.
Изолируем жилы, соединяем провода. При желании можно соединить проводки с разборной штепсельной вилкой, и прибор готов к использованию. Все. Как видите, схема проста. Недостатком самодельного устройства можно назвать, пожалуй, только его хрупкость. В остальном – он ничем не хуже покупного.
Автомобильный ионизатор
Автомобили – это такие же замкнутые пространства, как и обычные помещения. Отличие их в том, что помимо микроскопической пыли, собирающейся внутри салона, негативного воздействия имеющихся электрических устройств, к перечню вредных факторов добавляется повышенная степень влияния бензиновых и масляных выбросов.
В таких условиях ионизирующее устройство, безусловно, необходимо. Можно его купить, а можно, опять же, собрать самостоятельно.
Прежде всего, следует понять принцип работы такого прибора: он связан с преобразователем напряжения. Схема преобразователя является простейшей для всех тех, кто хоть немного разбирается в технике. Активным элементом в ней служит транзистор. Лучше всего использовать транзисторы серии КТ 818 или КТ 819, в этом случае в схеме практически ничего не придется менять. В качестве умножителя напряжения используем диоды КЦ106 и аналоги.
При выборе конденсатора обращайте внимание на его рабочее напряжение, которое должно быть в промежутке от 3 до 6 кВ, и на емкость – 600-4500 мкФ.
Обмотку готового трансформатора следует делать по слоям, каждый из которых должен состоять из 100 витков. Каждый слой подлежит очень тщательной изоляции.
После проделанных манипуляций трансформатор желательно залить эпоксидной смолой. Ждем, когда смола высохнет, подключаем таймер, соединяем с умножителем напряжения, раздвигаем выходные провода до 3 см и подключаем к сети.
Ионизатор для двигателя внутреннего сгорания
Такой ионизатор устанавливается в целях возможности экономии топлива. Это происходит за счет создания прибором особого ионного поля, отделяющего молекулы топлива друг от друга. В связи с этим в камере сгорания образуется облако, способствующее более быстрому сгоранию бензина. Существуют различные мнения по поводу того, действительно ли подобный процесс позволяет ощутимо сэкономить на бензине, кто-то пробует заводские модели, кто-то – сделанные своими руками.
Для этого используют катушку контактного зажигания (например от ВАЗа), блок аварийного зажигания, генерирующий импульсы, коммутатор зажигания (можно все от того же ВАЗа), жгут проводов с соответствующими разъемами.
Люстра Чижевского
Знаменитая люстра Чижевского – это тоже ионизатор, только в виде люстры, и ее также можно изготовить самостоятельно.
Для этого на алюминиевый обруч крепятся медные провода диаметром до 1 мм, их расположение – перпендикулярно друг другу. Сетка, которая при этом получилась, должна опускаться вниз на 6-9 см. На точке пересечения проводов необходимо припаять иголки из металла размером приблизительно в 4 см. Предпочтительно, чтобы эти иголки были очень острыми, от этого зависит эффект работы люстры. На равном расстоянии к обручу прикрепляют три провода из меди, их следует спаять над обручем вместе, а потом присоединить генератор высокого напряжения. Для правильной работы люстры напряжение должно быть от 25 кВ.
Для люстры может быть использована катушка зажигания как от автомобиля, так и от мотоцикла.
Необходимое сопротивление можно собрать из трех резисторов, которые соединяются параллельно. Их мощность должна быть приблизительно 2 Вт, а сопротивление – около 3 кОм.
Монтаж деталей ионизатора должен производиться в корпусе соответствующих для этого размеров, этот размер обеспечит необходимое расстояние между выводами конденсаторов и высоковольтных диодов.
После монтажа рекомендуется покрыть выводы парафином. Если люстра изготовлена правильно, она начинает исправно функционировать сразу.
В процессе эксплуатации устройства не должны присутствовать посторонние запахи. Если запахи озона все-таки ощущаются, то необходимо проверить схему подключения, а также провести инспекцию самой люстры.
При этом напряжение на выходе можно изменить через подбор сопротивления или емкости. Еще одним достоверным способом, подтверждающим эффективность работы люстры Чижевского, можно считать поднесение небольшого кусочка ваты. На расстоянии в 0,5 см его непременно должно притянуть к устройству.
Из всего вышеизложенного можно сделать вывод, что изготовление ионизатора воздуха – не такая уж сложная задача, и ее вполне можно осуществить своими собственными руками.
Ионизатор воздуха своими руками в домашних условиях
Перейти к содержимому
Содержание
Совершенно очевидна необходимость очищать воздух в помещении, делать его живым и полезным для здоровья.
Воздух состоит из 2 основных компонентов: 20% – кислород, 78% – азот, а оставшиеся 2% – газы. Возле моря или в хвойном лесу дышится намного лучше. Связано это со скоплением в воздушных массах ионов – положительных и отрицательных газовых частиц. Для человека очень важно дышать отрицательными ионами, ведь попадая на слизистую они отдают свою энергию, тем самым способствуя образованию биологически активных компонентов. Бытовая техника, асфальтные дорожные покрытия, бетонные дома снижают уровень ионов в городе. Повысить их в помещении можно с помощью специального устройства – ионизатора воздуха.
Зачем необходим ионизатор в доме
Ионизатор в замкнутом пространстве сделает воздух намного чищеКоличество полезных ионов в городской квартире в 15 раз меньше, нежели необходимо для нормального самочувствия. В природе их количество колеблется в зависимости от местности – от 600 до 50000 частиц на 1 см2. Использование ионизатора в помещении помогает повысить уровень отрицательных ионов, которые благотворно влияют на человека, а именно:
- нормализуется работа сердечно-сосудистой системы, сон;
- снижается утомляемость организма, старение организма;
- возобновляется иммунная система;
- снижаются риски возникновения инфекционных заболеваний, аллергии;
- улучшается сон, аппетит;
- повышается работоспособность головного мозга, улучшается память;
- служит профилактикой онкологическим заболеваниям;
- снижает воздействие на человека электростатического напряжения, которое исходит от включенной бытовой техники.

Ионизатор в домашних условиях, устраняя из воздуха бактерии, вирусы, пыль и аллергены делает воздух более чистым. Устройство полезно для маленьких детей, людей преклонного возраста, тем, кто страдает на аллергию, частые простуды, работающим за компьютером или в закрытом помещении.
Важно! Ионизатор не применяется в помещениях, где находятся дети до года, люди, имеющие злокачественные опухоли, с повышенной температурой тела. Также его не следует применять в задымленной или запыленной комнате.
Ионизатор воздуха своими руками
Ионизатор воздуха совсем необязательно приобретать в магазине. Его можно собрать самостоятельно. Для реализации задачи потребуется:
- пластмассовое яйцо из «Киндер-Сюрприза»;
- 2 провода, диметр которых составляет 0,5 мм;
- штепсельная вилка, разборного типа;
- изолирующий материал;
- ножницы для монтажа;
- игла для проделывания отверстий.
В стенке половинки пластмассового яйца из «киндера» с применением иглы проделываются отверстия.
Иглу следует не только воткнуть, а немного пошевелить ею в разные стороны, так как необходимо отверстие с хорошими краями. Распущенный провод заводят в отверстие, при чем в одну половинку с положительным зарядом, а в другую – с минусовым зарядом. Заизолированные жилы соединяют между собой. Другую сторону провода присоединить к вилке.
Важно! Ионизатор следует установить в коробку из прочного материала. Размещают такое простое устройство в месте, где нет доступа для детей и животных.
Автомобильный ионизатор воздуха своими руками
Самодельные ионизаторы для авто — варианты- Смастерить трансформатор. За основу берется любой элемент, к примеру, от компьютера. Для извлечения из устройства преобразователя можно воспользоваться паяльником. На свободный от старой обмотки сердечник наматываются новые провода: первичная обмотка – 14 витков, вторичная – 600. Выполнив первую обмотку ее необходимо заизолировать с помощью скотча, обмотав витки 2-3 раза.
Каждые 100 витков вторичной обмотки также нуждаются в изоляции. - Трансформатор присоединить к таймеру.
- Смонтировать умножитель напряжения. Для этого можно использовать диоды КЦ106, конденсаторы мощностью до 10 кВт и 3300 пФ.
- Установить электроды умножителя на расстоянии в 3 см.
- Включить устройство в сеть.
Самодельный ионизатор воздуха для дома: люстра Чижевского
В классическом варианте люстра Чижевского выглядит такЛюстра Чижевского является прекрасным вариантом ионизации воздуха в закрытом помещении. Состоит она из алюминиевого обруча диаметром 1 м. На это основание закрепляются медные провода, диаметр которых составляет 1 мм. Крепят их перпендикулярно на расстоянии до 45 мм. Полученная сетка не должна быть натянутой. Провода необходимо прикрепить так, чтобы они провисали до 90 мм. На пересечении медных проводов с помощью паяльника крепятся иголки. Идеально подойдут элементы до 40 мм.
Важно! В конструкции используются очень острые иглы, ведь именно от них зависит эффективность устройства.
Они являются элементами с которых стекает отрицательный заряд.
3 шт. провода из меди диаметром 1 мм, размещенные на равном расстоянии крепятся к основе. Другие их концы спаиваются над обручем вместе.
Генератор подсоединяется в месте скрепления медных проводов.
Схема высоковольтного генератора
Принципиальная схема устройства генератораДля обеспечения работоспособности ионизатора необходимо напряжение более 25 кВт. Для комнаты 50 м2 потребуется генератор, обеспечивающий до 40 кВт. Увеличить напряжение можно, если в донную схему добавить количество умножителей.
Расстояние от люстры до человека должно составлять более 1,5 м. Стоить помнить, что после отключения прибора от сети он еще некоторое время будет сохранять заряд, поэтому прикасаться к нему руками не стоит. Также нельзя пробовать работу включенного ионизатора, поднеся к нему руку. Коронный разряд может легко пробить, нанеся ущерб здоровью.
Самодельные ионизаторы воздуха: важные нюансы
- Детали ионизатора устанавливаются в корпусе соответствующего размера.
Расстояние между конденсаторами и диодами должно быть максимально большое. - Выводы необходимо покрыть парафином. Это поможет избежать образование коронного разряда.
- Ионизатор можно смонтировать на основании набора из МАСТЕР КИТ. Для этого необходимо напряжение до 12 В, ток до 150 мА.
- В процессе работы люстры не должно быть сторонних запахов. Наличие «аромата» свидетельствует о неправильной работе.
- Проверить работоспособность люстры можно, поднеся на расстоянии 50 мм кусочек вату: его прилипание свидетельствует о работоспособности прибора.
Важно! Работающий прибор находится под напряжением. Использовать его можно только соблюдая технику безопасности работы с электроприборами.
Устройство ионизатора воздуха: правила использования
- Скопление ионов приводит к оседанию пыли. В помещении, где установлен прибор полы необходимо мыть ежедневно.
- Ионизатор включается не более чем на 2 часа подряд.
Круглосуточное применение устройства запрещено. - Необходимо соблюдать дистанцию прибора к людям, находящимся в комнате. Расстояние составляет более 1,5 м, в зависимости от типа конструкции.
Самым безопасным вариантом самодельного ионизатора является солевая лампа. Ее можно использовать в помещении с маленькими детьми и больными людьми. Простая конструкция поможет очистить воздух в помещении и наполнить его отрицательными ионами.
Правильно выполнена конструкция и использование с соблюдением технологических особенностей обеспечат необходимое количество ионов для прекрасного самочувствия всей семьи. Самодельные ионизаторы могут использоваться в любом помещении, автомобиле и даже офисе, где большое скопление техники.
Похожее
Вы пропустили
Adblock
detector
Сборка ионизатора воздуха менее чем за 10$: Технический блог
Это проект, который я хотел сделать около 2 лет назад, но так и не собрался его построить.
В этом нет ничего слишком необычного или сверхвысокотехнологичного. Любой, у кого есть какие-то способности к самоделке, должен быть в состоянии осуществить это, не вспотев. Я выложил в открытый доступ весь дизайн, ведомость материалов, и вы должны заказать детали и собрать его для себя менее чем за 10 долларов. Вы можете скачать файлы оборудования здесь. Проверьте устройство в действии здесь. Пришлите мне фотографии вашей сборки по электронной почте на адрес [email protected], если вам случится ее сделать. 😀
Предыстория
Моя нынешняя квартира в Мумбаи находится рядом с довольно оживленной дорогой. С тех пор, как я переехал, у меня всегда была проблема с пылью, оседающей каждую неделю на все, если я открываю окна. Убирать это каждую неделю — мучение. Поэтому я хотел купить очиститель воздуха для комнаты. Тогда я подумал: «Насколько сложно будет построить его самому?». Провел небольшое исследование и пришел к выводу, что мне нужно сделать себе ионизатор (кстати, между ионизатором и очистителем есть большая разница, об этом позже в посте).
Черт возьми, тогда жизнь и другие мои проекты встали на пути, и я так и не смог построить ни одного.
Несколько человек за последние несколько месяцев обращались ко мне и спрашивали, как я занимаюсь проектированием и созданием устройств и сложных систем (я занимаюсь консультационными проектами по технологиям для компаний). Поэтому я подумал, что должен детализировать относительно простой проект, проведя всех через мой мыслительный процесс и создав что-то с нуля.
Итак, начнем. Давайте построим ионизатор.
Фаза исследования:Честно говоря, я сделал это 2 года назад и примерно знал, что мне нужно построить. Но подыграй мне в этом. 🙂
Начните искать в Google то, что вы хотите построить. Для начала давайте узнаем, что такое ионизатор, каков его основной принцип работы. В Вики написано
Ионизатор воздуха (или генератор отрицательных ионов, или люстра Чижевского) — это устройство, использующее высокое напряжение для ионизации (электрического заряда) молекул воздуха.
Отрицательные ионы, или анионы, представляют собой частицы с одним или несколькими дополнительными электронами, придающими частице суммарный отрицательный заряд.
Это достаточно просто. Если вы продолжите читать остальную часть статьи, вы обнаружите, что ионизаторы воздуха используются для удаления частиц из воздуха путем придания частицам отрицательного заряда, и эти отрицательно заряженные частицы притягиваются к положительно заряженной поверхности (например, к стене). /земля). Затем частицы легко оседают (удаляются из воздуха). Это круто. Это именно то, что мы хотели сделать. Удаляйте частицы пыли из воздуха, чтобы меньше вдыхать.
Итак, с первых 5 минут поиска мы знаем, что нам нужно создать систему высокого напряжения, чтобы передать заряд частицам. Эта информация поначалу меня немного тревожила, потому что я раньше не строил высоковольтные системы, и что-то может пойти не так довольно быстро, если я не буду осторожно с ней обращаться.
Далее мы ищем устройства, которые уже есть на рынке и основаны на той же технологии.
Что я пытаюсь здесь увидеть, так это посмотреть, какие схемы люди использовали для создания этого раньше. Если на рынке есть устройство, использующее ту же технологию, учитесь у него.
Люди потратили бы много инженерных часов, чтобы построить это. Учитесь на этом, чтобы построить свою систему хотя бы похожей или, скорее, учиться на их ошибках и делать ее лучше.
Здесь Google также является вашим лучшим ресурсом. Я продолжаю видеть, что ионизаторы были построены даже в 1980-х годах. Если эта технология настолько старая, то я должен посмотреть на разборки продуктов, использующих ее. Затем поищите в гугле разборку ионизатора и вуаля, есть много видео, показывающих внутренности устройства. Я бы порекомендовал посмотреть видео BigClive по этому поводу. Они действительно хороши.
Из этих видеороликов я сделал вывод, что высоковольтную систему можно построить с помощью умножителя напряжения, и это не так уж и страшно. Имея эту информацию, давайте перейдем к проектированию электрической системы.
Умножители напряжения — это то, что нужно. Во-первых, узнайте все, что вы можете, из контента бесплатно.
Никогда Никогда не создавайте что-либо, не изучив всего, чему можно научиться бесплатно. Это очень важно.
Вам нужно потратить время на исследования, иначе вы совершите те же ошибки. Я потратил пару часов на изучение умножителей напряжения. Наиболее распространенным и простым решением является множитель Кокрофта-Уолтона.
Один из принципов, которого я стараюсь придерживаться даже при разработке сложного решения, — Keep IT Simple Stupid! Или ПОЦЕЛУЙ короче.
Итак, для меня Множитель Кокрофта-Уолтона — это путь вперед. Он был разработан в 1932 году и до сих пор использовался в сотнях устройств. Так что это стабильное решение для нас. Больше поиска в Google помогло мне найти этого Дейва Джонса из видео EEVblog, объясняющего, как работает схема. Я настоятельно рекомендую вам просмотреть видео, чтобы изучить его подробно.
Для тех, у кого нет времени, вот очень краткое объяснение его функционирования.
Схема в основном состоит из двух диодов и двух конденсаторов, соединенных встречно-параллельно. На вход этой схемы подается сигнал переменного тока с пиковым напряжением Впик . Таким образом, один каскад схемы сдвигает входной сигнал переменного тока вверх со смещением таким образом, что его выход будет иметь 2Vp постоянного тока по сравнению с входом. Теперь, если вы добавите тот же второй каскад к этому выходу, выход будет увеличен до 4Vp по отношению к начальному входу. Теперь вы можете подумать, что он увеличится до 8Vp , добавив третью ступень, но получится 6Vp .
Таким образом, добавление дополнительных каскадов увеличит выходное постоянное напряжение. Это будет 2Vp, 4Vp, 6Vp, 8Vp, 10Vp, 12Vp и т. д. при измерении относительно входа. Хотя теоретически это то, чего мы ожидаем, на практике мы обнаружим потери в цепи, и выходная мощность не будет такой высокой, но для наших целей нам не нужна сверхточная точность.
Приступая к разработке нашей системы, мы хотим получить на выходе высокое напряжение постоянного тока (около 6-7 кВ). Чтобы схема была простой, я хочу питать ее напрямую от сети переменного тока 230 В (индийское напряжение составляет 230 В переменного тока). Предположим, что умножитель имеет 15 ступеней, поэтому эффективный выход постоянного тока в конце будет около 230В x 2 x 15 = 6900В (Теоретически, но практически должно быть намного меньше из-за потерь. Подробнее об этом читайте здесь). Этого достаточно для ионизации.
Я мог бы потенциально добавить трансформатор на вход, чтобы резко увеличить выходную мощность с меньшим количеством ступеней, но хотел сохранить простоту для первого прототипа. Итак, давайте пока сохраним схему на 15 ступенях для входа сети переменного тока 230 В.
Теперь идет выбор компонентов. Схема для нас очень простая, всего два конденсатора и два диода на каскад. Теперь, как мы начнем выбирать его значения и, что более важно, его рейтинги?
Здесь вам нужно правильно понять работу схемы.
Если посмотреть внимательно, то мы увидим, что на каждом этапе напряжение на диодах или конденсаторе не превышает 2Vp . Дифференциал всегда составляет 2Vp , поэтому нам не нужно тратить больше денег на приобретение высоковольтных конденсаторов или диодов. Поскольку наши входы имеют напряжение 230 В, подойдет любой конденсатор с номиналом 500 В или выше. Емкость конденсатора действительно не имеет значения в этой конструкции, поэтому я выбираю емкость 0,1 мкФ с номиналом 630 В. Для выбора между SMD и сквозным отверстием я хочу использовать SMD, потому что я привык паять детали SMD. В конце концов, если когда-нибудь в будущем потребуется подобрать и разместить детали SMD, это очевидный путь. Из диодов я выбираю 1N4007 на 1000В. Итак, основные детали выбраны. Вся спецификация загружается вместе с файлами оборудования.
Теперь, когда мы выбрали важные компоненты, давайте выберем другие части. Мы хотим, чтобы это устройство было подключено к источнику переменного тока, поэтому на стороне выхода мы хотим сохранить резистор с большим значением, чтобы избежать какой-либо катастрофы (случайного прикосновения к цепи и предотвращения протекания большого тока через вас).
Я также хотел бы уменьшить ток до абсолютного минимума, чтобы устройство не потребляло столько энергии при включении. Я выбираю два 10M Ом (номинал 0,25 Вт, допуск ±1%, упаковка 1206) резистор, который соответствует току в микроамперах (мкА), когда устройство включено.
В эти дни я использую LCSC.com, чтобы купить все свои общие части. Отличный выбор по отличной цене. Это намного дешевле, чем Digikey или Mouser. Базовый поиск дает мне этот резистор 1206W4F1005T5E, который соответствует нашим требованиям.
Я также хотел бы иметь небольшой светодиодный индикатор, который должен загораться, когда устройство подключено к сети переменного тока, чтобы указать, что питание включено. Конструктивное ограничение состоит в том, что прямой ток светодиода должен быть очень мал. Я уже использовал этот красный светодиод в других своих проектах, он достаточно хорошо светится при прямом токе 2 мА. Для ограничения тока выбираю два 51к Ом (230 В / 2 мА дает мне 115 кОм Ом приблизительно) резисторов.
Я выбираю 2 резистора, так как они дают большую рассеиваемую мощность через две маленькие детали. (P=I 2 R: (2 мА) 2 x51k Ом = 0,2 Вт). Поэтому я выбираю резисторы 0,5Вт на 51к Ом . Деталь от LCSC: CR1210J51K0P05Z(51K Ом ±5% 0,5 Вт, корпус 1210)
Теперь осталось разобраться с выходным каскадом. В разборке, которую мы видели ранее, мы обнаруживаем, что для правильной передачи заряда частицам пыли нам нужна острая конечная точка, которая помогает в ионизации. Поэтому я думаю использовать швейные иглы и припаять их к большой площадке на выходе, чтобы увеличить точки ионизации. Я выбрал список различных игл на местном рынке за 30 индийских рупий (0,4 доллара США). Подойдет любой проводящий материал с острым краем. Углеродные волокна с острыми концами — отличная замена. Больше острых точек, больше ионизация и оседание пыли намного быстрее.
Помня об этом, приступим к проектированию печатной платы.
Я использую Eagle для этого проекта. Схему строю следующим образом. (Нажмите на нее, чтобы увеличить)
28 июня 2020 г.: На схеме есть обновление, исправляющее небольшую ошибку. Пожалуйста, проверьте здесь последние файлы схемы и подробности исправления.
Содержит 2 площадки для пайки входов переменного тока. 15 ступеней умножения, резисторы для уменьшения протекающего тока, большая площадка на выходе и схема светодиодного индикатора включения питания. Рекомендуется всегда использовать атрибуты в деталях, чтобы указать номера деталей, которые вы собираетесь использовать, чтобы в будущем было легче искать их и заказывать детали. Вы можете скачать список частей файлов здесь. Электронные детали будут стоить вам 7,8 $ , при этом конденсаторы SMD составляют основную часть цены.
Что касается компоновки, я решил сделать ее длинной печатной платой. Соображения, которые вы должны принять во внимание, заключаются в том, что в конечном прототипе должны быть монтажные отверстия для установки печатной платы на стойках.
Я использую отверстия M3 для крепления. Размеры моей печатной платы составляют 145 мм x 40 мм с входом на левом конце и большой выходной площадкой для пайки заостренных игл. Убедитесь, что направления вашего диода правильно отмечены, так как это значительно упростит процесс пайки во время сборки.
Обновление от 28 июня 2020 г.: Последние файлы макетов здесь.
Создайте Gerber-файлы печатных плат и отправьте их производителю печатных плат. Я использую JLCPCB в эти дни. Это настолько дешево, насколько это возможно с точки зрения цен на прототипирование. Плата обойдется вам примерно в 0,8 доллара США (без учета доставки), если вы купите 10 штук. ZIP-файлы Gerber прилагаются к файлам оборудования. Вы можете загрузить их непосредственно на JLCPCB для расчета стоимости.
Если вы хотите удалить мое имя, дату и имя платы из файлов, отредактируйте файлы Eagle Board и замените их любым текстом, который вы хотите, а затем повторно экспортируйте файлы Gerber в Eagle.
Вот как будет выглядеть ваша печатная плата.
Импортируя его в Fusion 360, мы получаем потрясающий вид печатной платы.
Итак, что я сделал, так это объединил заказ на печатную плату от JLCPCB и заказ на электронику у LCSC. При совместном заказе вы получаете скидку на доставку в размере 15 долларов. Стоимость детали + печатная плата стоит около 9 долларов (без учета доставки). Пришлось ждать полторы недели, пока доставят. Мне нравится заниматься сборкой самостоятельно, поэтому я не воспользовался услугой JLC по сборке и размещению.
Сборка и проверка:Так выглядела печатная плата от JLCPCB. (Для внешнего вида я использовал покрытие ENIG-RoHS. Покрытие HASL будет самым дешевым, и оно будет работать нормально).
Я собрал плату, припаяв SMD-детали. У меня ушло около часа. Я пошел дальше и купил себе 2-метровый медный провод и вилку в местном хозяйственном магазине, чтобы подключить его к розетке переменного тока. Я завязал на проводе узел, чтобы провод не выдергивался из вилки.
Следующая часть не является обязательной ( , но настоятельно рекомендуется ). Я пошел в магазин лазерной резки, взял прозрачный акрил толщиной 3 мм, который валялся без дела, и вырезал его по размерам платы. Эта часть рекомендуется, поскольку, когда я тестировал печатную плату с включенным переменным током, я получил довольно много ударов от случайного прикосновения к конденсаторам. 😅 У них хороший заряд. Акрил изолирует вас от прикосновения к цепи. Файл DXF для акриловой крышки также включен в файлы загрузки.
Закрепите акрил и печатную плату с помощью нейлоновых/пластиковых винтов (длина M3 x 5 мм) и 20-миллиметровых прокладок/стоек, чтобы удерживать ее в вертикальном положении по отношению к столу.
Я припаял 7 игл на выходной площадке следующим образом. Чем больше, тем веселее. Не обращайте внимания на разницу в высоте, это не имеет значения.
Пришло время включить его, подключив к розетке переменного тока и протестировав. Красный светодиод должен загореться, и в идеале устройство должно работать.
Чтобы быстро проверить, работает ли он, слегка смочите ладони водой и поднесите его близко к иглам (закройте, но НЕ ПРИКАСАЙТЕСЬ). Вы должны получить хороший дуновение прохладного воздуха, дующего от иголок. Это ионизация, которая происходит. Ионы отталкиваются и постоянно отталкиваются от кончика иглы.
Теперь, чтобы доказать, что это устройство действительно может осаждать дым и частицы пыли, я быстро установил прозрачную стеклянную банку, наполнил ее ароматным дымом, вставил иглы устройства в банку, включил его и вуаля, частицы дыма осели. вмиг. Проверьте это в действии ниже.
Посмотреть этот пост в Instagram
Всем привет! Вот проект, о котором я писал пару недель назад. Это ионизатор воздуха. Это должно помочь в оседании плавающих частиц пыли в вашей комнате. Эффективная уборка вашей комнаты.
Это аппаратный проект с полностью открытым исходным кодом, и вы можете создать его самостоятельно менее чем за 10 долларов. Подробно ознакомьтесь со сборкой проекта по адресу http://amaldev.blog/build-ioniser-in-under-10-dollars/ (ссылка на блог в биографии). В этом посте я попытаюсь провести вас через разработку небольшого проекта, такого как это и какие соображения следует принять во внимание. Когда вы смотрите видео, вы можете почувствовать, что работает вентилятор, но нет абсолютно никаких движущихся частей, и банка полностью закрыта. Эффект создается за счет того, что устройство очень быстро толкает ионы, помогая им осесть и тем самым удаляя их из воздуха. Я планирую, чтобы он работал круглосуточно и без выходных в моей комнате, так как энергопотребление этого устройства незначительно, а эксплуатационные расходы обойдутся вам менее чем в 10 индийских рупий (0,14 доллара США) в год. Попробуйте построить его сами. Это должен быть забавный маленький проект. Дайте предложения, если что-то можно было бы сделать лучше в дизайне.
😀 #электроника #сделай сам #ионизатор #очиститель воздуха #cleanair #воздух #загрязнение #weekendproject #opensource #opensourcehardware #jlcpcb #prototyping #makers #science #magic @hackaday @adafruit @sparkfun @hacksterio @makersasylum @9кляп
Сообщение, опубликованное Amaldev (@amaldev.000)
Хотя на видео кажется, что дым движется, как будто через него дует воздух. , воздуха нет вообще. Это закрытая банка. Эффект создается за счет того, что ионы отталкивают друг друга из-за электростатического отталкивания, и они очень быстро циркулируют через банку, чтобы осесть частицы дыма.
Теперь, когда мы доказали, что это работает. Я просто подключаю устройство к сети переменного тока и оставляю его включенным. Он должен без проблем осаждать большинство частиц пыли поблизости. Идеальным монтажным местом для этого было бы место возле окон, куда дует ветер, так что он ионизирует все частицы, проходя через иглы.
Я планирую держать его включенным все время.
А как насчет энергопотребления, если оставить его включенным навсегда? Он очень маленький. На самом деле светодиодный индикатор является энергоемкой частью всей системы. Он потребляет около 2 мА. При расчете мощности за год это будет соответствовать 230 В x 2 мА x 24 часа x 365 дней = 4 кВтч. Исходя из тарифов на электроэнергию, это добавит к вашему счету за электроэнергию 4 индийских рупии (0,05 доллара США) в год. Если вы хотите сэкономить даже на этом, то удалите этот светодиод, потребляемая мощность будет в 1000 раз меньше, так как остальная часть схемы использует всего несколько мкА, и я сомневаюсь, что это даже зарегистрируется на вашем домашнем счетчике. Таким образом, нет абсолютно никаких (или незначительных) текущих расходов.
Ну вот, вы сделали себе ионизатор менее чем за 10 долларов. Надеюсь, это уменьшит попадание частиц пыли в ваши легкие.
Обратите внимание: После
попользовавшись им пару недель, вы обнаружите, что на нем осталось много пыли.
расположились вокруг устройства. Это очень распространено. Вы хотите, чтобы пыль осела
вниз, а не вдыхать его.
Для США и стран, использующих входное напряжение 110 В переменного тока, выходной постоянный ток будет намного меньше, но все же должен работать (намного медленнее), поскольку теоретическое выходное напряжение будет около 3 кВ.
Потенциальные улучшения устройства в будущем будут включать замену игл тонкопроводящими щетками из углеродного волокна. Больше количество тонких наконечников, больше ионизация. Если вы разбросаете эти советы по большой области, вероятность ионизации воздуха в большом объеме увеличится. Отсюда лучшее очищение.
Любые улучшения или ошибки в текущем дизайне, дайте мне знать в комментариях ниже. Рада получить конструктивную обратную связь.
Надеюсь, вам понравилось читать об этом. Если вы это сделали, дайте мне знать, какой проект или связанные с технологиями вещи я должен взять на себя в комментариях ниже.
До следующего раза… 🙂
Постскриптум:
С тех пор, как этот пост был опубликован, несколько человек упомянули, что это также может генерировать озон.
Конструкция генератора озона немного отличается (основной принцип коронного разряда остается прежним). Судя по тому, что я видел за последние 2 недели его эксплуатации, похоже, что он не выделяет озон (даже если да, то он должен быть пренебрежимо мал, так как я не чувствую запаха отбеливающего озона). Но на самом деле это не научный метод, я не измерял его мультиметром, чтобы подтвердить. Если у кого-то есть счетчик для измерения, пожалуйста, соберите это устройство за 10 долларов и сообщите показания. Я буду обновлять этот пост с показаниями.
Также я не упомянул в посте пункт про очистители воздуха и ионизаторы. Ионизаторы не заменяют очистители воздуха с фильтром HEPA. Ионизаторы просто помогают оседать пыли из воздуха. Частицы все еще на полу. Он не улавливает частицы дыма с помощью фильтра, как в очистителях воздуха HEPA.
Советы по безопасности:
Кроме того, если вы планируете строить это, делайте это осторожно. Я предполагаю, что вы были бы достаточно умны, чтобы принять достаточные меры предосторожности с входами переменного тока и выходами постоянного тока высокого напряжения.
Пожалуйста, не оставляйте его для детей, чтобы они могли с ним поиграть.
1. Убедитесь, что входные кабели переменного тока правильно припаяны к контактным площадкам, и убедитесь, что открытые контактные площадки не выходят за края печатной платы.
2. Убедитесь, что вы используете акриловый лист и не касаетесь элементов схемы, когда она включена. Поэтому разрядите конденсаторы, замкнув их металлическим проводником с изолированной ручкой, так как они сохраняют свой заряд в течение долгого времени.
3. Убедитесь, что в месте входа линий переменного тока в печатную плату образовался узел, чтобы его нельзя было выдернуть, если кто-то потянет за него.
Если вам понравился этот пост, вы также можете ознакомиться с другими моими постами…
От идеи к производственному циклу оборудования
Умный стул: для ленивых трудоголиков
Взлом индийских электронных машин для голосования
Разборка рождественских светодиодных фонарей
Как сделать электронное отслеживание банкнот
Схема ионизатора воздуха в помещении — для жизни без загрязнения
0003
Искать на веб-сайте
Последнее обновление от Swagatam 155 комментариев
В этой статье мы узнаем, как создать простую схему комнатного ионизатора для получения чистой и свободной от загрязнений окружающей среды прямо в нашем доме.
Введение
Вы когда-нибудь задумывались или задавались вопросом, почему атмосфера над горными станциями и другими подобными местами, находящимися далеко от современных городов, дает вам ощущение свежести и хорошего самочувствия?
Ответ прост, воздух в таких местах свободен от загрязняющих веществ и вредных химических веществ, таких как дым и газы.
ПРЕДУПРЕЖДЕНИЕ: ЦЕПЬ, ОПИСАННАЯ В ЭТОЙ СТАТЬЕ, НЕ ИЗОЛИРОВАНА ОТ СЕТИ ПЕРЕМЕННОГО ТОКА, ПОЭТОМУ ОПАСНА ДЛЯ ПРИКАСАНИЯ В ОТКРЫТОМ СОСТОЯНИИ. НАСТОЯТЕЛЬНО РЕКОМЕНДУЕТСЯ ПРИНЯТЬ НЕОБХОДИМЫЕ МЕРЫ ПРЕДОСТОРОЖНОСТИ ДЛЯ ЗАЩИТЫ ОТ ПОРАЖЕНИЯ ЭЛЕКТРИЧЕСКИМ ТОКОМ. ХОТЯ РАБОТА СХЕМЫ ПРОВЕРЕНА, ПОЛЕЗНОСТЬ ЭТОЙ СХЕМЫ ИОНИЗАТОРА ДЛЯ ЗДОРОВЬЯ НЕ БЫЛА ПРОВЕРЕНА АВТОРОМ. ЕСЛИ ВЫ РАЗРАБАТЫВАЕТЕ ЭТОТ ПРОЕКТ, ВЫ СОГЛАШАЕТЕСЬ С ТЕМ, ЧТО ВЫ СТРОИТЕ ЕГО НА СВОЙ СОБСТВЕННЫЙ РИСК.
Обязательно для такого города, как Дели
Дели, столица Индии, сегодня серьезно борется с кризисом загрязнения воздуха. Проблема стала настолько серьезной, что ей был присвоен самый высокий приоритет среди всех других текущих проблем со здоровьем, и она достигла уровня чрезвычайной ситуации.
Несмотря на то, что предпринимаются жесткие меры, кажется, что условия ничуть не улучшаются, на самом деле ситуация с каждым днем становится еще более мрачной.
Дешевое решение, такое как предлагаемый ионизатор воздуха в помещении, кажется очень удобным инструментом, который может не только помочь контролировать загрязнение Дели, но и обеспечить отдельные дома достаточно чистым воздухом. Это оборудование можно использовать в домах, а также в автомобилях для предполагаемого лечения.
Что ж, если вы поселились в одном из тех городов, которые охвачены плохим воздухом, и если вы скомпрометированы ситуациями, вот ваш шанс избавиться от ситуации по схеме, описанной ниже:
Что такое ионизатор воздуха — Как это работает
Ионизатор воздуха или, как некоторые его называют, комнатный ионизатор, в основном представляет собой устройство или электронную схему, предназначенную для генерирования напряжения на уровне киловольт для реализации указанных ионизирующих эффектов.
Так что же такое ионизация?
Высокое напряжение, генерируемое ионизатором, на самом деле настроено для создания отрицательного напряжения около минус 4 кВ. Это высокое отрицательное напряжение может быть подключено к острому проводнику с открытым концом или остро вырезанной точке.
Когда напряжение достигает этой острой точки, оно стремится продолжить свое поступательное движение и выстреливается или выбрасывается в воздух в виде отрицательно заряженных ионов.
Оказавшись в воздухе, эти ионы становятся свободными для перемещения и начинают рассеиваться по комнате или помещению, поскольку все больше и больше ионов высвобождается из устройства ионизатора воздуха.
Теперь, когда эти ионы свободно перемещаются в воздухе, они сталкиваются и начинают сталкиваться с уже присутствующими в воздухе загрязняющими веществами, такими как частицы пыли, частицы дыма/газа и т. д.
Согласно правилам, все частицы и все материалы, находящиеся вокруг, должны быть заряжены положительно, так что происходит, противоположно заряженные ионы начинают собирать эти загрязняющие вещества из воздуха, притягивая их к себе (противоположности притягиваются), так же, как магнитный стержень гладить булавки.
Загрязняющие вещества в воздухе медленно притягиваются и прочно удерживаются над этими ионами, пока каждый из ионов не станет настолько загруженным загрязняющими веществами и тяжелым, что они начнут падать на землю или, если они найдут поблизости стену, они начнут собираться на ней.
Таким образом воздух со временем становится абсолютно чистым и свободным от всех примесей.
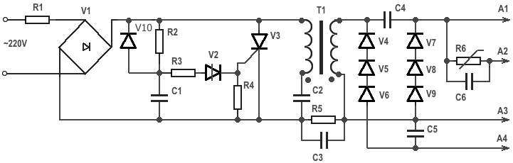
Работа со схемой
Схема достаточно проста и может быть построена даже неспециалистом, имеющим лишь базовые знания в области электроники.
Схема основана на лестничной сети Кокрофта-Уолтона. В концепции используется сеть из множества диодов и конденсаторов, расположенных таким образом, что приложенное к ней напряжение постепенно повышается до очень высоких уровней, порядка около 10кВ,
Однако диапазон 10 кВ не подходит для обсуждаемых эффектов ионизации, фактически на этом уровне эффект может привести к противоположным результатам.
Если исходить из расчетов, то нынешняя конструкция также будет генерировать около -10 кВ, нарушая предполагаемую причину, однако на практике оказалось, что она падает примерно до -4 кВ.
Это снижение происходит из-за потерь на излучение, так как в процессе повышения напряжение имеет тенденцию к пробою через излучение через печатную плату, пока, наконец, результирующее напряжение на выходном наконечнике устройства не достигает только около -4 кВ, что составляет по милости Божией точный уровень для достижения ионизирующего эффекта.
Схема цепи
Вся схема может быть построена на плате общего назначения путем припайки указанного количества конденсаторов и диодов точно так, как они расположены на схеме.
Следование шаблону диаграммы упростит сборку и обеспечит гарантированные результаты без ошибок.
После того, как схема собрана, проверьте всю плату на наличие обжимных соединений, это важно, потому что схема очень критична с ее полярностью, один неправильно подключенный диод приведет к нулю результатов.
После надлежащего подтверждения сторона пайки должна быть тщательно очищена разбавителем, чтобы не оставалось остаточного флюса, вызывающего потерю напряжения и снижение желаемых эффектов.
Конец, предназначенный для высвобождения ионов, должен иметь форму иглы, желательно, чтобы там можно было использовать небольшую булавку или иглу, чтобы обеспечить идеальное распространение ионов.
После выполнения всех вышеуказанных мер предосторожности пришло время включить устройство. Будьте предельно осторожны, так как вся цепь подключена напрямую к сети переменного тока и может быть опасна для жизни, если прикоснуться к ней в положении питания.
Проверка работы схемы
После того, как схема будет собрана, и, надеюсь, все сделано правильно со сборкой, вы услышите «шипящий» звук около кончика высвобождающей булавки. Область возле кончика булавки даст вам ощущение прохлады, как будто дует прохладный ветерок.
Точка также будет издавать рыбный запах…..все вышеперечисленные признаки подтвердят, что прибор работает правильно, и вы уже дышите свежим воздухом в нос и движетесь к здоровой жизни.
ВЫШЕУКАЗАННАЯ ЦЕПЬ БЫЛА УСПЕШНО ПОСТРОЕНА И ИСПЫТАНА ОДНИМ ИЗ УВЕЛИЧЕННЫХ ПОСЛЕДОВАТЕЛЕЙ ЭТОГО БЛОГА, MR.



Каждые 100 витков вторичной обмотки также нуждаются в изоляции.
Расстояние между конденсаторами и диодами должно быть максимально большое.
Круглосуточное применение устройства запрещено.
Это аппаратный проект с полностью открытым исходным кодом, и вы можете создать его самостоятельно менее чем за 10 долларов. Подробно ознакомьтесь со сборкой проекта по адресу http://amaldev.blog/build-ioniser-in-under-10-dollars/ (ссылка на блог в биографии). В этом посте я попытаюсь провести вас через разработку небольшого проекта, такого как это и какие соображения следует принять во внимание. Когда вы смотрите видео, вы можете почувствовать, что работает вентилятор, но нет абсолютно никаких движущихся частей, и банка полностью закрыта. Эффект создается за счет того, что устройство очень быстро толкает ионы, помогая им осесть и тем самым удаляя их из воздуха. Я планирую, чтобы он работал круглосуточно и без выходных в моей комнате, так как энергопотребление этого устройства незначительно, а эксплуатационные расходы обойдутся вам менее чем в 10 индийских рупий (0,14 доллара США) в год. Попробуйте построить его сами. Это должен быть забавный маленький проект. Дайте предложения, если что-то можно было бы сделать лучше в дизайне.
😀 #электроника #сделай сам #ионизатор #очиститель воздуха #cleanair #воздух #загрязнение #weekendproject #opensource #opensourcehardware #jlcpcb #prototyping #makers #science #magic @hackaday @adafruit @sparkfun @hacksterio @makersasylum @9кляп