Как сделать из выгребной ямы септик – Выгребная яма и септик своими руками без откачки
Как сделать выгребную яму с септиком

Что лучше: септик или выгребная яма? Автономная канализация для загородного дома
В загородном доме или на дачном участке чаще всего отсутствует центральная система канализации. На выручку приходит автономная система, без которой невозможна нормальная жизнедеятельность. При этом всегда есть выбор, что лучше: септик или выгребная яма.
Какую канализацию выбрать?
Способы подключения системы существуют разные. Они зависят от предпочтений, особенностей места установки, технических характеристик и стоимости устройства. Выбор, что лучше: септик или выгребная яма, не такой уж большой:
· выгребная яма;
· современные очистные сооружения.
Особенности выгребных ям
Простейшее устройство сбора бытовых отходов представляет собой канализационную емкость. Тем не менее она должна устанавливаться по определенным правилам. Материалом могут быть сборные кольца из железобетона (простейший вариант), красный кирпич или готовая емкость из металла или пластика.
Конструкция делается герметичной или поглощающей. В первом случае не допускают просачивание жидкости в грунт. Если стены устройства сделаны из бетона, дно также заливается раствором. Сверху яма накрывается плитой с выполненной в ней полостью для смотрового люка. В настоящее время большую популярность приобрели емкости из пластика. Они могут всплыть от близко расположенных грунтовых вод. Поэтому на дно котлована кладут или заливают плиту из бетона и хомутами крепят к ней емкость.
Поглощающая яма по сути представляет собой фильтрующий колодец. Ее строят только со стенами, а на дно засыпают слои гравия, песка, щебня. Сооружение является экономичным, поскольку часть стоков будет впитываться в грунт и их вывоз будет производиться реже.
Обратите внимание! Если грунтовые воды залегают близко, поглощающая яма всегда будет заполнена. Здесь целесообразна установка герметичной емкости.
Недостатки выгребных ям
Недостатками выгребных ям являются затраты на вывоз стоков и неприятный запах. В настоящее время применяются эффективные средства его нейтрализации. В ямы добавляют микроорганизмы, которые поедают нечистоты и обеспечивают лучшую фильтрацию вод.
В современном доме с постоянным проживанием выгребные ямы неэффективны, хотя широко используются до сих пор. Многие не создают себе проблем вопросом о том, что лучше: септик или выгребная яма, а элементарно устанавливают подземную емкость большого объема и периодически вывозят стоки. Подъезд ассенизаторской машины и очистка выгребных ям должны быть удобными.
Бак для нечистот герметично закрывается, чтобы в холодное время он не промерзал. Лучше сделать две крышки, с воздушным промежутком между ними.
Септик для выгребных ям также подходит, поскольку он может быть накопительной емкостью.
Целесообразно возводить устройство с возможностью дальнейшей очистки стоков, где к их отстаиванию и естественной фильтрации через грунт в дальнейшем можно добавить более эффективные процессы разложения бактериями.
Чем отличается септик от выгребной ямы? Простые конструкции
Не каждый может себе позволить установку станции биологической очистки из-за больших затрат. Но простейший септик может установить любой домовладелец или дачник. Самым выгодным решением будет емкость из бетонных колец. Они дешевы и долговечны, если только не возникнут проблемы их доставки спецтранспортом на место установки. Железобетон обладает завидной прочностью и долговечностью и будет служить значительно дольше пластиковой емкости. Но и здесь есть оптимальное решение для дачи – бывший в употреблении еврокуб, который легко зарыть в любом месте приусадебного участка. Под туалет на участке небольшого размера он хорошо подходит.
Первым вопросом в установке септика является минимально возможное количество камер. Если она одна, то здесь мало отличий от обычной выгребной ямы. Но такие сооружения устанавливают, и при нормально отработанной технологии они надежно служат. Здесь важно обеспечить хорошую естественную фильтрацию через донные слои песка и щебня толщиной по 30 см. Стоки проходят через них и очищаются на 50 %, после чего уходят в грунт. Если он глинистый, то процесс происходит довольно долго, и емкость, скорей всего, переполнится. Этот вариант следует предусмотреть и обеспечить удобный подъезд ассенизаторской машины для вывоза бытовых стоков.
Домовладельцы часто жалуются на переполнение септиков осадками в дождливый период. В связи с этим при возведении септика следует обеспечить его герметичность.
Особенности эксплуатации септиков
Если жидкая часть бытовых отходов уходит через грунт, остается твердая, которая без специальных мер не разлагается и постепенно накапливается. Ее придется периодически вывозить автоцистерной. Здесь есть еще один нюанс – объем емкости должен быть достаточным, чтобы вывезти отходы в один прием. Емкость автоцистерны на базе ЗИЛ составляет 3,6 м 3. Другие марки автомобилей могут вывозить до 8 м 3. Перед строительством септика не помешает проконсультироваться с ассенизаторскими службами района о вывозимых объемах и тарифах.
Объем септика должен составлять трехсуточный приток. Один пользователь потребляет в среднем 200 л воды. На семью из 5 человек трехсуточный расход составит 3 м 3. Если использовать септик для выгребных ям, стоки придется вывозить каждые 3-8 суток (в зависимости от вместимости цистерны ассенизаторской машины). Из расчета следует, что очистка выгребных ям неэффективна и необходима автономная система для переработки канализационных отходов. 
Неравномерное поступление жидких отходов требует наличия как минимум двух секций для системы очистки. В первой происходит осаждение большей части твердых частиц, после чего отходы будет легче переработать в следующей секции, куда они поступают переливом по трубе. Там происходит осаждение оставшихся крупных частиц на дно, а сверху вода поступает на поля фильтрации, где уходит в грунт.
Очистка септиков от осадков с помощью ассенизаторской машины необходима, хотя и делается гораздо реже, чем выгребных ям.
Применение микроорганизмов для разложения стоков
Септики для загородного дома целесообразно покупать из пластика, приспособленные для очистки стоков с помощью микроорганизмов. Следует различать анаэробное и аэробное сбраживание нечистот. В первом варианте их разложение происходит с помощью бактерий, размножающихся без доступа воздуха. Наиболее экономичным способом их ввода является загрузка ила из работающих сооружений в количестве 15 л на одного человека. Септик начнет эффективно работать, если исчезает неприятный запах и жидкость становится светлее. Можно также вводить биопрепараты через систему канализации дома, но это обойдется дороже.
При нормальных условиях эксплуатации очистка септиков в плане откачивания густого осадка производится 1 раз в год. Ассенизаторов следует вызывать, когда слой осадка приблизится к поверхности на 200 мм. Для непрерывного процесса переработки надо оставлять 10-20 % осадка в емкости. На доочистку в грунт подают воду с остаточной загрязненностью не выше 100 мг/л.
Станции очистки канализационных отходов
Биологическая очистка аэробными бактериями (в присутствии кислорода воздуха) наиболее эффективна, но оборудование и препараты стоят дорого. Устройства являются энергозависимыми, поскольку необходимо постоянно аэрировать стоки для поддержания жизнедеятельности бактерий. При правильной технологии степень очистки канализационных отходов достигает 99 %, после чего жидкость можно использовать в качестве технической воды.
Системы отличаются компактностью и удобством эксплуатации.
Яма для туалета на даче
Основной конструкцией, обеспечивающей комфорт на даче, является туалет. Соорудить его можно самостоятельно, если знать теоретические основы. Прежде всего следует решить, надо ли сооружать выгребную яму. Она делается герметичной, если грунтовые воды находятся высоко. Если они находятся ниже на 2,5 м от уровня земли, можно делать выгребную яму без дна.
По санитарным нормам туалет располагается более чем за 12 м от строений и на удалении 20 м от водных источников. От соседского забора его следует удалить не менее чем на 1,5 м.
К яме должен быть обеспечен подъезд ассенизаторской машины. Длина рукава у нее составляет 7 м.
Выгребной туалет не стоит располагать в низине. Там яма будет быстро заполняться дождевой водой.
Если планируется вывозить стоки автоцистерной, объем ямы следует делать не менее 3,6 м 3. Под такой объем вполне можно возвести двухкамерный септик. Конструктивно он будет отличаться наличием перегородки и переливом между секциями. Стены выкладываются из бетона, кирпича, камня. Появляются новые материалы, например пластиковые кольца, из которых можно собрать герметичные стенки. Можно обойтись подручными средствами: шифером или автомобильными покрышками.
Как сделать выгребную яму своими руками?
1. Под яму роется котлован и бетонируется дно.
2. Стены выкладываются кирпичом (как один из вариантов). В нижней части кладка производится с отверстиями, в шахматном порядке. Через них вода легче уходит в грунт. При этом следует снаружи засыпать кладку щебнем, создав тем самым фильтрующий слой для воды.
3. Сверху делается перекрытие из бетонной плиты с отверстием 70 см для смотрового люка. Над ним выкладывается лаз и сверху закрывается крышкой.
4. Плита засыпается грунтом до уровня земли. Это будет защитный слой для утепления. Лаз перекрывается двумя крышками, чтобы зимой стоки не перемерзали.
Как сделать септик?
Септики для загородного дома вполне можно сделать на основе действующих выгребных ям. Чтобы накопительная емкость функционировала как септик, выкапывается еще одна яма большей глубины. Она возводится так же, как и первая, с созданием перелива из одной в другую. Только дно делается с дренажом через слои щебня с песком. При холодных зимах верх септика должен находиться на глубине до 80 см от уровня земли, чтобы не происходило перемерзание емкостей.
Для его функционирования в емкости добавляют биопрепараты, обеспечивающие переработку канализационных отходов. Переработанные бактериями стоки легче впитываются в грунт.
Если процесс переработки стоков зимой замедляется, следует использовать септик для выгребных ям, периодически вывозя отходы.
Заключение
Что лучше: септик или выгребная яма, зависит от многих факторов, и каждый решает задачу создания автономной системы канализации самостоятельно. Правильное возведение выгребных ям и септиков создает больший комфорт в частных домах и на даче. Целесообразно обеспечить самоудаление канализационных отходов в грунт.
10 очаровательных звездных детей, которые сегодня выглядят совсем иначе Время летит, и однажды маленькие знаменитости становятся взрослыми личностями, которых уже не узнать. Миловидные мальчишки и девчонки превращаются в с.
Как выглядеть моложе: лучшие стрижки для тех, кому за 30, 40, 50, 60 Девушки в 20 лет не волнуются о форме и длине прически. Кажется, молодость создана для экспериментов над внешностью и дерзких локонов. Однако уже посл.
Каково быть девственницей в 30 лет? Каково, интересно, женщинам, которые не занимались сексом практически до достижения среднего возраста.
Почему комары одних людей кусают, а других нет Ученые нашли несколько причин, по которым комары не могут устоять перед искушением укусить одних и бояться подлетать к другим людям.
Эти 10 мелочей мужчина всегда замечает в женщине Думаете, ваш мужчина ничего не смыслит в женской психологии? Это не так. От взгляда любящего вас партнера не укроется ни единая мелочь. И вот 10 вещей.
14 способов, как коты демонстрируют вам свою любовь Нет никаких сомнений в том, что кошки любят нас настолько, насколько мы их любим. Если вы не относитесь к разряду людей, относящихся благосклонно к эт.
Правильная выгребная яма. Как сделать сливную яму в частном доме. Устройство септика.
Строительство собственного дома, будь то дачный небольшой домик или загородный коттедж, подразумевает удобства не во дворе, как у бабушки в деревне, а в доме. Это и ванная комната, и санузел, и мойка на кухне.
Поэтому следует позаботиться (и это в первую очередь) о строительстве канализационной системы и сливной ямы. Само собой разумеется, что вода должна быть тоже подключена.
Как сделать сливную яму своими руками (септик)?
Этим вопросом задаются многие домовладельцы. При отсутствии центральной канализации необходимо, чтобы слив работал круглосуточно и бесперебойно.
Правильно выбираем материал для строительства септика своими руками

От используемого стройматериала для септика зависит в первую очередь стоимость самой сливной ямы, а также ваши трудозатраты. Традиционный и вполне оправданный выбор – это:
- Сливная яма (септик) из пластикового бака и пластиковых комплектующих.
- Сборный септик из железобетонных конструкций.
- Сливная яма из монолитного бетона и использованием металлических подводов и отводов.
- Сливная яма, сделанная из кирпича.
Выбирая объем будущей сливной ямы,ориентируйтесь на объем цистерны ассенизаторской машины – вы будете периодически ее вызывать для откачки сточных грязных вод из сливной ямы. Объем септика должен быть равен или кратен объему цистерны – тогда вам не придется заказывать очистку ямы несколько раз в год.

Выбор устройства выгребной ямы
Если в доме вы предполагаете проживать сезонно, то утилизация сточных вод – проблема относительно простая. Нужно сделать самую примитивную выгребную яму из любой герметичной емкости. Для семьи из 3-4 человек объем ямы должен быть не меньше 1,5-2 м 3. При отсутствии такой емкости можно выложить яму красным огнеупорным кирпичом. Схема простейшей сливной ямы показана на картинке.

Но при постоянном проживании такое обустройство канализации не годится! Почему – сейчас поймете. Постоянное проживание полноценной семьи предполагает ежедневное использование воды в больших объемах. Это ванны, душевые, мытье посуды, влажная уборка, стирка, естественные нужды.
Расчет расхода воды всегда опирается на максимальное потребление, а это 180–280 литров в сутки для одного члена семьи. То есть, семья из 4-х человек расходует за день 0,5-1м 3 воды или до 30 м 3 за месяц. Исходя из этого, даже большая сливная яма в 15-20 м 3 должна очищаться 1-2 раза в месяц.
Такая канализация истощит ваш семейный бюджет на 150-200$ за месяц. Кроме того, сама процедура очистки специфична и редкий хозяин имеет желание выполнять её слишком часто.
Иногда усовершенствование сливной ямы проводится за счет обустройства отверстий для того, чтобы грязная вода уходила в почву, фильтруясь естественным путем. Но этот способ утилизации сливной воды имеет много недостатков, в том числе он запрещен санитарными нормами.
Поэтому приходится делать сливную яму (септик) с естественной чисткой канализационной воды.
Принципиальное отличие септика от выгребной ямы – это протекающие анаэробные процессы разложения органики
Твердые частицы будут задерживаться на дне первой камеры, а вторая камера служит для биологической переработки грязной воды гнилостными бактериями. Количество камер может быть и выше, но сам принцип будет аналогичен двухкамерному септику, который изображен на рисунке:

Как сделать сливную яму своими руками
Сначала определяемся с расходом воды в доме, опираясь на данные таблицы:
Чтобы правильно рассчитать наружные размеры септика,следует учитывать свободное пространство между крышкой септика и уровнем сточных вод в яме.
Минимальная высота септика должна быть не меньше 1,2 метра. в противном случае твердые взвеси не будут плотно осаждаться на дне сливной ямы.
Однокамерный септик из железобетонных колец своими руками

На рисунке вы видите схему однокамерного септика из железобетонных колец объемом 2 м 3.
Такую выгребную яму для дома можно вполне сделать своими руками.
Входящий патрубок должен быть выше уровня воды на 5-7 сантиметров. Этот прием не допустит гидравлического замыкания между входящим и отводящим патрубками. Оба патрубка должны быть погружены в воду на 30-35 сантиметров.
Нижняя часть труб должна быть открытой, и эти концы выводятся выше уровня жидкости на 20 сантиметров, чтобы в трубы не попадал газ, который будет выделяться при брожении гнилостных бактерий.
Каналы между обоими бетонными кольцами септика должны располагаться в пределах 30-60 сантиметров относительно уровня воды. Если канал, который находится между камерами будет ниже, то крупные взвеси будут попадать в маленькую камеру. Если канал будет выше, то в эту камеру могут попасть фракции, которые плавают на поверхности.
У септика, даже у самого простого, должен быть сделан отвод газов наружу (вентиляционная труба на схеме выше), а также люк для откачивания жидкости (можно деревянный).
Конфигурировать камеры сливной ямы может по-разному, так как их форма и расположение не влияют на качество очистки канализационных вод. Нужно только соблюдать следующие пропорции:большая камера должна быть объемом 2/3 от всего объема ямы.
Выбирая форму самой ямы, нужно исходить из используемого материала.
В качестве примера приведем такой расчет:
Круглый септик с совмещенными камерами потребует на 10-15 % меньше стройматериалов, чем яма другой формы, такой септик прочнее, так как лучше выдерживает силы сжатия от грунта. Лучший стройматериал для такой сливной ямы – кирпич.
Известно, что вода в яме не замерзает, так как температуру поднимают процессы брожения и сам грунт ниже глубины его промерзания. Но охлаждение воды с поверхности ямы намного затормаживает активность бактерий, которые очищают канализационные сточные воды. Поэтому утеплять верхнюю часть малозаглубленного септика все же рекомендуется утеплить. Хотя бы на глубину, меньше чем половина глубины промерзания грунта в данном регионе.
Утеплителем может выступать керамзит, который засыпается слоем толщиной в 25-40 сантиметров, или пенопластовые плиты ПСБ-25 толщиной от 5 до 10 сантиметров.

Навигация по сайту
Полезный совет
Цементный раствор можно сделать более жирным, то есть более пластичным и удобным в работе. Для этого добавьте в него моющего средства — обязательно на основе мыла, наподобие “Фэйри”, а не синтетического детергента.
Со статьей читают:
Как собственноручно отрегулировать поплавок в унитазе (сливном бачке)
Давление воды в водопроводе. В чем измеряется и какое должно быть (СНиП). Как его повысить?
Бурение скважины на воду своими руками. Схема. Видео
Что лучше: выгребная яма или септик?
Чтобы дача или загородный дом были удобными и комфортными для проживания, нужно позаботиться об устройстве эффективной канализационной системы. Так как не всегда есть возможность подключиться к центральной системе, нужно искать другие подходящие решения.
Сейчас, как и раньше, большой популярностью пользуются выгребные ямы и функциональные септики. Среди всего разнообразия тяжело выбрать подходящий вариант для конкретной ситуации, поэтому многие задаются вопросом «выгребная яма или септик – что лучше?». Чтобы получить верный ответ, нужно рассмотреть преимущества и особенности устройства каждого предлагаемого варианта.
Многие застройщики считают, что единственным вариантом выведения сточных вод является автономная канализация. Всего есть несколько способов решения такой задачи, но только два из них считаются более подходящими:
- Можно сделать простую выгребную яму, сооружение которой обойдётся не так дорого. Несмотря на такое преимущество, эта конструкция может принести хозяину некоторые неудобства и при неправильном её расположении может загрязняться окружающая среда.
- Установка современного септика также имеет свои особенности. Его можно поставить самостоятельно или заказать в специализированной компании.
- Септик можно сделать своими руками, используя несколько вариантов материалов.
крупные камни для дренажа выгребной ямы
Установку автономной канализации нужно осуществлять продуманно, поскольку от этого зависит качество и эффективность отведения сточных вод.
Вариант установки выгребной ямы
Устройство выгребной ямы считается самым простым способом. Чтобы её сделать, нужно вырыть котлован, глубина которого будет составлять 2,5 метра, а примерная площадь около 3-4-х квадратных метра. На дно нужно будет насыпать слой щебня, а стены обложить кирпичом, укрепляя его бетонным раствором. В стену будет вводиться канализационная труба, которая выходит из дома. Сверху такую яму накрывают железобетонной плитой, имеющей отверстие для выделения образующегося газа.
Функционирует эта конструкция по достаточно простому принципу:
- сначала сточная вода попадет в яму;
- в ней она фильтруется почвой;
- твёрдые фракции остаются в сооружении;
- в процессе брожения и фильтрации выделяется метан, который выводится в воздух через отверстие в крыше;
- спустя несколько лет наступает необходимость почистить яму, для этого вызывается спецтранспорт, который откачивает отходы;
- после этого яму можно снова использовать.
Эта автономная канализация не идеальна и приносит немало неудобств хозяину участка:
- Если при рытье котлована не снять глинистый слой, то вода будет медленно уходить в землю, при этом потребуется регулярно контролировать уровень поступления сточной сточных вод.
- Обязательно нужно учитывать добавление грунтовых и паводковых вод весной.
- Когда прошло время выкачивать содержимое ямы, нужно убирать старый щебень и малый слой песка или суглинка. Это необходимо сделать для улучшения пропускной способности земли.
- Неудобство также заключается в постоянно выделяющемся газе, и это касается не только неприятного запаха, но и его ядовитой концентрации, которая несет определённую опасность.

С другой стороны этот вариант устройства канализации отличается меньшими затратами, поэтому его и сейчас многие предпочитают использовать. В данном случае люди практически не задумываются, какой вред приносят бытовые отходы для почвы и окружающей среды в целом.
Септик своими руками
Можно потратить немного больше денег и сделать септик своими руками. В таком резервуаре происходят процессы брожения, при этом для большей эффективности используются анаэробные бактерии. За счёт процессов обеззараживания и разложения органических веществ, происходит нейтрализация газа и превращение отходов в однородную массу без запаха. В конечном итоге их можно использовать в качестве удобрения.
Этот вариант септика можно соорудить, используя сборные железобетонные кольца или конструкции из монолитного бетона. Также часто отдают предпочтение кирпичу. Основное отличие от выгребной ямы заключается в том, что вредные вещества не проникают в почву, поскольку дно конструкции бетонируется. Что касается фильтрации стоков, она происходит по известной схеме.
Пластиковые септики
Третьим видом конструкции являются специальные пластиковые септики, в которых процесс осуществляется по простой схеме. В данном случае не обходится без использования анаэробных бактерий для обеззараживания, при этом не допускается доступ воздуха в контейнер.
пластиковый септик для обустройства канализации
Так как осуществляется полноценный химический распад, воду можно будет использовать снова, например, для полива или прочих бытовых нужд. Несмотря на преимущества, подобные установки недешевы, но их можно без проблем использовать на протяжении 50-ти лет. Только раз в полтора или два года нужно будет делать откачку осевших частиц.
Септик или яма – что лучше?
Многие владельцы загородных участков теряются в выборе подходящего варианта для устройства канализации, поэтому часто возникают вопросы, чем отличается септик от выгребной ямы?
Стандартная выгребная яма – это сооружение, целью которого является сбор стоковых и канализационных вод. В основном её выкапывают на загородных участках или дачах, именно там, где нет возможности подключиться к центральной канализационной системе.
Перед устройством выгребной ямы нужно выбрать подходящее место, которое должно быть отдалено от дома и других построек. Её лучше располагать так, чтобы обеспечивалась возможность подъезда спецтехники для очистки.
Такое сооружение может иметь вид забетонированного прямоугольника или круглой ямы. Размер должен определяться в зависимости от количества проживающих человек в доме и объёма выходящих стоков.
Важно! Нельзя располагать выгребную яму рядом с колодцем, огородным участком или вблизи построек. В худшем случае вода в колодце будет постепенно портиться, а овощи с огорода будут содержать много вредных веществ, которые ранее проходили через землю.
По сравнению с септиком выгребная яма обладает многими недостатками, которые иногда становятся опасными для жизнедеятельности человека. Отходы, попадающие в яму, не поддаются переработке, а сразу проходят в землю. По этой причине многие вредные вещества остаются на территории. Когда подложка выгребной ямы полностью заполняется этими отходами, возникает необходимость её очищать.
отсутствие запахов и очистка сточных вод септиком
Кроме этого недостатками такого сооружения считаются:
- недолговечность;
- присутствие неприятного запаха на территории;
- необходимость ремонта через несколько лет.
Несмотря на недостатки, преимущество всё-таки есть. Оно заключается в простоте обустройства и легкости обслуживания. Также стоит выделить незначительные финансовые затраты на содержание подобного рода конструкции.
Чем септики отличаются от выгребной ямы?
В отличие от ям, септики считаются видом современной автономной канализации. Это сооружение предназначается для сбора и очистки бытовых вод, которые выводятся из дома, неподключенного к центральной системе.
Функционирование септика основывается на биологической доочистке и отстаивании вод. В таких процессах обязательно участвуют биоферментные препараты, а также применяются как принудительные, так и природные методы доочистки.
В качестве элементов для очищения используются биофильтры, поэтому появляется возможность очистить стоки до 95 процентов.
Основной показатель, указывающий на превосходство септика перед выгребными ямами, заключается в использовании натурального биологического метода очистки. Таким образом, внутри осуществляется анаэробный процесс, при котором крупные включения превращаются в ил.
Эта канализационная система отличается энергонезависимостью, поэтому может отлично работать без подключения электричества. Кроме этого стоит отметить простоту установки этой конструкции, для этого нет необходимости располагать какими-то особыми знаниями и навыками. Обслуживать эти септики также легко, только пару раз в год придётся удалять твердые частицы сквозь разгрузочные патрубки.
Даже если есть ряд преимуществ, найдутся и недостатки, а именно:
- для монтажа нужно много свободного участка;
- установку устройств, имеющими поля фильтрации, не стоит производить, если на территории высокий уровень подземных вод;
- систему тяжело использовать, если на участке глинистая почва.
необходимость частой откачки в стандартных септиках без дренажных систем
Сравнивая преимущества и недостатки этих двух вариантов, нужно сказать, что вторая конструкция является подходящим способом для создания сбалансированной канализации. Современный септик работает эффективнее и не оказывает опасного влияния на окружающую среду.
Проблема очистки выгребных ям
Сооружая выгребную яму, рано или поздно потребуется её очистка. Такую процедуру можно произвести самостоятельно или воспользоваться услугами ассенизаторской машины.
Важно! Уровень воды в выгребной яме не должен быть меньше 30-ти см от поверхности земли. По этой причине нужно обязательно отслеживать степень наполняемости. Если не следить за этим параметром, то есть риск того, что отходы появятся на участке.
Используя ассенизаторскую машину для откачки отходов, проблема полностью не решается. Это объясняется тем, что в большей мере откачиваются именно жидкие отходы, при этом осадок задерживается на дне. Спустя некоторое время потребность в откачивании будет увеличиваться. Иногда для решения этой проблемы используют специальные средства для выгребных ям, продающиеся в магазинах.
Летом целесообразно использовать биоактиваторы, которые отличаются большой эффективностью и экологичностью. В их состав входят живые микроорганизмы, способствующие ускорению процессе распада органических отходов. Несмотря на преимущества, биопрепараты эффективно работают только при температуре 4-30 градусов тепла. Что касается зимнего использования, предпочтение лучше отдавать химическим средствам, но их трудно назвать безопасными. Предпочтение лучше отдавать нитратным окислителям.
Санитарные нормы для устройства выгребных ям
Естественно, выгребная яма для дома – это достаточно экономичное решение, но следует учитывать многие нормы и правила при её устройстве, поскольку дело касается безопасности окружающей среды. Итак:
- Исходя из Государственных санитарных норм, выгребную яму следует размещать на расстоянии около 30-ти метров от источников забора воды, в частности это касается скважин и колодцев.
- Нельзя сооружать накопители без дна, если объем отходов за сутки более одного кубометра. Чтобы отходы откачивались вовремя, нужно обеспечить подъезд соответствующей спецтехники. Глубина ямы не должна превышать трех метров. В худшем случае в процессе откачки шланг не достанет до дна, тем самым не получится качественно почистить яму.
- Cверху ямы должна быть крышка, прикрывающая её достаточно плотно. Эту особенность важно учесть в холод. Для предотвращения замерзания сооружения нужно утеплять крышку ямы.
Подведём итоги
Существует несколько вариантов устройства канализационной системы на даче или в загородном доме, при этом выбирать подходящий вариант требуется, исходя из конкретного случая. Сравнивая преимущества и недостатки выгребной ямы и современного септика, стоит отметить, что септик по всем параметрам лучше выгребной ямы, кроме цены. Если же нет финансовой возможности установить или построить септик своими руками, то можно выкопать выгребную яму, которая будет соответствовать всем санитарным нормам и правилам.
Источники: http://fb.ru/article/253230/chto-luchshe-septik-ili-vyigrebnaya-yama-avtonomnaya-kanalizatsiya-dlya-zagorodnogo-doma, http://bydom.ru/news/read/pravilnaja-vygrebnaja-jama-kak-sdelat-slivnuju-jamu-v-chastnom-dome.html, http://septikall.ru/vygrebnaya-yama/chto-luchshe-vygrebnaya-yama-ili-septik.html
septikman.ru
Выгребная яма без откачки своими руками
Добавить в закладки Версия для печатиСделать самостоятельно систему автономной канализации относительно несложно. Например, выгребная яма без откачки своими руками может быть создана в загородном или частном доме, она обладает значительными преимуществами перед герметичной конструкцией, схема однокамерного устройства данного типа показана на рисунке.
Устройство выгребной ямы, не требующей регулярной откачкиНа схеме обозначены:
- a – люк, закрывающий отверстие для чистки;
- b – вентиляция;
- c – труба, по которой поступают сточные воды;
- d – отбойник, при падении на него разбиваются твердые фракции, входящие в состав сточных вод;
- е – стенки выгребной ямы;
- f – дренажные отверстия;
- g – фильтр, в котором используется гравий или щебень.
Содержание статьи
Характерные особенности однокамерной конструкции
Особенности эксплуатации, представленной на рисунке, конструкции однокамерной выгребной ямы дренажного типа имеют свои положительные и отрицательные стороны. К первым относятся:
- несложный монтаж и низкая цена реализации;
- большой выбор материалов, резервуар может быть изготовлен из бочек, бетонных колец и т.д.;
- данный тип созданной своими руками выгребной ямы будет функционировать без регулярной откачки, то есть нет необходимости вызывать ассенизаторов, в тоже время, если она заилилась, ее несложно очистить ;
- небольшой объем поглощающего резервуара.
Что касается недостатков, то их всего два:
- при значительном объеме сточных вод такая канализация может не справиться с обработкой, то есть земля будет не успевать их поглощать;
- сточные воды недостаточно хорошо очищаются, что приводит к загрязнению окружающего грунта, в результате чего появляется неприятный запах.
Видео по теме:
[relatedYouTubeVideos max=”3″]
Заметим, что с последним недостатком несложно справится, если немного усложнить конструкцию, а именно, сделать двухкамерную выгребную яму.
Двухкамерная конструкция
Двухкамерная выгребная яма позволяет значительно лучше очистить сливные воды, по своей конструкции она ближе к септикам, ее устройство показано на рисунке.
Упрощенный чертеж двухкамерной выгребной ямыОбозначения на рисунке:
- a – труба, подающая сточные воды в первый резервуар;
- b – вентиляция;
- c – фильтрующая подушка из щебня;
- d – переливное отверстие, через которое во второй резервуар поступают осветленные воды.
Функционирует двухкамерная выгребная яма следующим образом:
- по трубе «а» вода с кухни, туалета или бани попадает в первый резервуар, твердые органические осадки оседают на его дно, где их постепенно перерабатывают бактерии, после чего остается только ил. Ускорить этот процесс можно добавив специальный антисептик;
Антисептик «Доктор Робик»- по мере заполнения первого резервуара жидкость доходит до переливного отверстия «d», через которое поступает во вторую камеру, поскольку она не имеет дна, то пройдя фильтр из щебня «с», воды поглощаются почвой.
Соответственно, увеличив число камер до трех, можно добиться еще большей очистки, в результате чего такая проблема как неприятный запах будет полностью устранена.
Расчет объема
Для расчета объема резервуара дренажного типа можно воспользоваться такой формулой: V=(Vn× N)×3, обозначения:
- V – объем резервуара дренажного типа для сточных вод;
- Vn – объем воды, расходуемой человеком в течение суток, он составляет от 0,15 до 0,2м3;
- N – количество проживающих на даче или в частном доме людей.
Коэффициент 3 вводится из усмотрения, что емкость резервуара должна быть втрое больше суточного расхода воды.
Произведя расчет, рекомендуем сделать запас не менее 20%. Например в доме проживают четверо человек, следовательно, подсчет будет следующим: V = (0,2×4)×3=2,4м3. Добавляем запас 20% и получаем результат, согласно которому резервуар должен иметь объем не менее 2,88м3.
Заметим, что со временем выгребная яма без дна все же потребует очистки, но ее нужно делать не так часто, как в случае, когда используется герметичная конструкция.
Инструкция по обустройству автономной канализации
Создание выгребной ямы дренажного типа происходит в несколько этапов, расскажем подробно о каждом из них.
Планирование и подготовка
В первую очередь необходимо произвести расчет объема резервуара, как это сделать было описано выше. После чего купить все необходимые материалы. Если вы решили, что у вас будет железобетонная конструкция, то следует позаботиться об использовании спецтехники, без которой невозможна установка бетонных колец.
На этапе планирования необходимо определиться с местом, где будет располагаться сливная яма для грязной воды, выбирать его следует, учитывая санитарные нормы.
Расположение септика, выгребной ямы или дренажного колодцаРасполагать место для сброса сточных вод необходимо с учетом следующих правил:
- расстояние от любых источников, из которых берется питьевая вода – минимум 50м;
- до рек, озер или водохранилищ – 30м;
- до проезжей части, границы участка и деревьев – 3м;
- от жилого дома – 4м.
Устанавливать резервуар для сточных вод за пределами участка категорически запрещается. Выгребную яму рекомендуется обнести забором.
Помимо указанных выше требований санитарных норм, при выборе места необходимо побеспокоится о том, чтобы обеспечить подъезд ассенизатору к сточной яме, как минимум, на расстояние до трех метров.
После подготовки и планирования приступают к земляным работам.
Земляные работы
На этом этапе необходимо вырыть котлован под выгребную яму и траншею для трубы, по которым будут поступать сточные воды. Рекомендуем процесс рытья котлована и установку в него емкости под выгребную яму делать в один день, в противном случае он может заполниться водой или обвалиться.
Рассчитывая глубину котлована, следует учитывать уровень, на котором располагаются грунтовые воды, он не должен доходить до их границы. Помимо этого следует учитывать свойства почвы, например, устанавливать выгребную яму дренажного типа на глинистый грунт – не самое лучшее решение, поскольку он не будет впитывать воду.
Размер котлована должен быть больше расчетного объема примерно на 20-25см по бокам и не менее 30см по высоте, поскольку необходимо оставить место для фильтрующей подушки.
Когда котлован готов, на его дне формируют фильтрующую подушку, для этого засыпается слой щебня толщиной не менее 30 сантиметров, после чего дно равняют под уровень.
Котлован и траншея под трубы канализацииСоздание резервуара
Как уже писалось выше, для создания резервуара существует большой выбор материалов, например, на фотографии ниже показана реализация конструкции, выложенной из пеноблока.
Двухкамерная конструкция резервуара, сделанная из пеноблокаНа последнем этапе к яме подводится канализационная труба и устанавливается перекрытие с отверстиями для чистки.
Установленное перекрытиеУчитывая наш климат, желательно, прежде чем засыпать готовый резервуар грунтом, покрыть его сверху теплоизоляцией, например, минеральной ватой.
В том случае, если канализационная труба, соединяющая дом или туалет с выгребной ямой, укладывается выше границы промерзания почвы, ей также необходимо сделать утепление, благодаря этому проблем с канализацией зимой не будет.
Как видите, выгребная яма без откачки своими руками создается довольно просто, единственный этап, требующий серьезных физических усилий, – это земляные работы, но его можно существенно облегчить, если использовать спецтехнику.
www.kanalizaciya-stroy.ru
Как сделать правильную выгребную яму: устройство слива и септика в частном доме
Одна из главных задач, возникающих перед началом дачного строительства, — прокладка инженерных коммуникаций. Без них не достичь даже минимального уровня комфорта. Как сделать сливную яму (септик) своими руками? Этим вопросом задаются многие домовладельцы. При отсутствии центральной канализации необходимо, чтобы слив работал круглосуточно и бесперебойно.
Выбор материала для строительства септика

От стройматериала, используемого для септика, зависит стоимость самой сливной ямы, а также ваши трудозатраты. Традиционные и вполне оправданные варианты таковы:
-
Септик из пластикового бака и пластиковых комплектующих.
-
Сборный септик из железобетонных конструкций.
-
Сливная яма из монолитного бетона с использованием металлических подводов и отводов.
-
Сливное сооружение, сделанное из кирпича.

Выбирая объем будущей сливной ямы, ориентируйтесь на вместимость цистерны ассенизаторской машины. Вам придется периодически ее вызывать для откачки сточных вод. Объем септика должен быть равен или кратен объему «бочки». Тогда не придется заказывать очистку несколько раз в год.
Выбор конструкции выгребной ямы

Если в доме вы планируете проживать сезонно, то утилизация сточных вод — проблема решаемая. Нужно сделать самую примитивную выгребную яму из любой герметичной емкости. Для семьи из 3-4 человек ее объем должен быть не меньше 1,5-2 м³. Если такой емкости нет, можно выложить отверстие в земле красным огнеупорным кирпичом. Схемы простых сливных сооружений показаны на картинке выше.
Но при постоянном проживании такое обустройство канализации не годится. Почему — сейчас поймете. Жизнедеятельность семьи предполагает ежедневное использование воды в больших объемах. Это ванны, душевые, мытье посуды, влажная уборка, стирка, естественные нужды.
Расчет расхода воды всегда опирается на максимальное потребление, а это 180-280 литров в сутки для одного домочадца. То есть, группа из 4-х человек расходует за день 0,5-1 м³ воды или до 30 м³ за месяц. Исходя из этого, даже большая сливная яма в 15-20 м³ должна очищаться 1-2 раза в месяц.
Такая канализация истощит ваш семейный бюджет. Кроме того, сама процедура очистки специфична и редкий хозяин имеет желание выполнять ее слишком часто. Речь идет о неприятных запахах, способных разноситься по всей округе.
Иногда усовершенствование сливной ямы проводится за счет создания отверстий в грунте для того, чтобы через них уходила грязная вода, фильтруясь естественным путем. Но этот способ утилизации имеет много недостатков, в том числе он запрещен санитарными нормами. Поэтому приходится обустраивать септик с естественной очисткой жидкости.
Принципиальное отличие септика от выгребной ямы состоит в том, что в первом протекают анаэробные процессы разложения органики.

Твердые частицы будут задерживаться на дне первой камеры, а вторая служит для биологической переработки грязной воды гнилостными бактериями. Количество камер может быть и большим, но сам принцип действия останется аналогичным тому, что показан на рисунке выше.
Как сделать сливную яму своими руками

Сначала определимся с расходом воды в доме, опираясь на данные таблицы:
| Объекты потребления воды: жилые дома, индивидуальные постройки | Среднесуточное хозяйственно-питьевое потребление воды за год на одного человека, литров в сутки |
| Водопровод и канализация без ванны | 120 |
| Водопровод и канализация без ванны, с газовым подключением | 150 |
| Водопровод и канализация, ванна, котел на твердом топливе | 180 |
| Водопровод и канализация, ванна, газовый или электрический бойлер | 190 |
| Водопровод и канализация, быстродействующий газовый нагреватель (колонка), несколько ванн | 250 |
Чтобы правильно рассчитать наружные размеры септика, следует учитывать свободное пространство между крышкой и уровнем сточных вод в яме.
Минимальная высота септика должна быть не меньше 1,2 метра, в противном случае твердые взвеси не будут плотно осаждаться на дне сливной ямы.
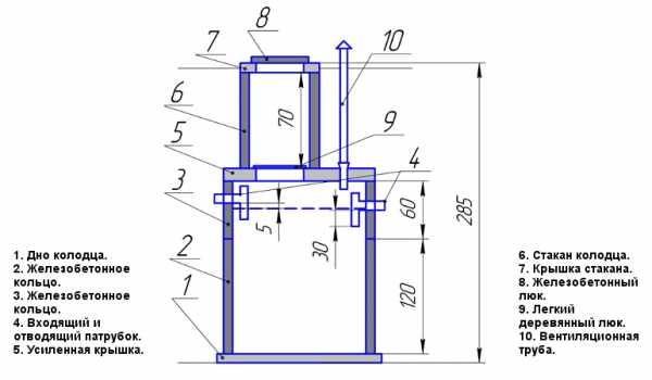
Однокамерный септик из железобетонных колец

На рисунке вы видите схему однокамерного септика из железобетонных колец объемом 2 м³. Такую выгребную яму для дома можно сделать своими руками.
Входящий патрубок должен быть выше уровня воды на 5-7 сантиметров. Это не допустит гидравлического замыкания между входящим и отводящим патрубками. Оба патрубка необходимо погрузить в жидкость на 30-35 сантиметров.
Нижнюю часть труб следует делать открытой, и эти концы выводить выше уровня сточных вод на 20 сантиметров, чтобы в трубы не попадал газ, который будет выделяться при брожении гнилостных бактерий.
Каналы между обоими бетонными кольцами септика должны располагаться в пределах 30-60 сантиметров относительно уровня воды. Если канал, который находится между камерами, будет ниже, то крупные взвеси начнут попадать в маленькую камеру. Если канал будет выше, то в эту камеру могут попасть фракции, которые плавают на поверхности.
Для септика, даже самого простого, нужно предусмотреть отвод газов наружу (вентиляционная труба на схеме выше), а также люк для откачивания жидкости (можно деревянный).
Конфигурировать камеры сливной ямы можно по-разному, так как их форма и расположение не влияют на качество очистки канализационных вод. Необходимо только соблюдать следующие пропорции: большая камера должна занимать 2/3 от всего объема ямы.
Идеальная форма для септика — круглая. Такое решение требует на 10-15 % меньше стройматериалов. Кроме того, «цилиндрическая» яма прочнее, поскольку лучше справляется с силой давления грунта. Для облицовки и укрепления стенок лучше использовать кирпич.
Утепление септика

Вода в яме не замерзает, поскольку температуру поднимают процессы брожения. Но охлаждение жидкости на поверхности затормаживает активность бактерий, которые очищают канализационные стоки. Поэтому верхнюю часть малозаглубленного септика все же рекомендуется утеплить. Хотя бы на половину глубины промерзания грунта в регионе.
Утеплителем может выступать керамзит, который засыпается слоем толщиной в 25-40 сантиметров, или пенопластовые плиты ПСБ-25 толщиной от 5 до 10 сантиметров.
Распродажа (-55%):
bydom.ru
Септик для выгребных ям и туалетов: какой нужно выбрать?
Одним из самых неприятных моментов обслуживания местной канализации является откачка содержимого септиков и сливных ям. Во-первых, услугу по откачке нужно оплатить, во-вторых, во время проведения обслуживания распространяется крайне неприятный запах. Чтобы производить очистку резервуаров местной канализации можно было реже, рекомендуется применять специальные биопрепараты.
Каким бы внушительным не был объем выгребной ямы, со временем все равно потребуется проведение очистки резервуара. Вызов ассенизаторов – «удовольствие» недешевое, поэтому имеет смысл принять меры для сокращения количества откачек, сэкономив тем самым семейный бюджет. Эффективным способом экономии являются биопрепараты, предназначенные для септиков и сливных ям. Разберемся, как они действуют.
Какими бывают?
В хозяйственных магазинах можно встретить два варианта препаратов (или как их еще называют септиков), предназначенных для очистки сливных ям, это:
- химические препараты;
- биопрепараты.

Химия
Химические средства представлены средствами с содержанием:
- соединений хлора;
- формальдегидов;
- соединений азота и аммония.

Целью применения химических средств для сливных ям является дезинфекция содержимого резервуара. Средства полностью уничтожают болезнетворные микроорганизмы, содержащиеся в стоках. Однако сегодня химические препараты применяют редко, так как:
- они могут проникнуть в грунт, что небезопасно с точки зрения экологии;
- средства вызывают быструю коррозию металлических труб;
- отходы из выгребных ям после обработки химическим способом сложно утилизировать, так как они содержат соединения, небезопасные с точки зрения экологии. Применять отходы после такой обработки для удобрения растений строго запрещено.
Совет! Из всех перечисленных выше химических средств наиболее безопасными для здоровья являются соединения азота. Эти препараты разжижают содержимое сливных ям, получившуюся жижу разрешено использовать для внесения в компост. Наиболее вредными являются препараты, содержащие формальдегиды.
Биопрепараты
А вот биопрепараты являются полностью безопасными. Они содержат культуры живых микроорганизмов, которые попав в благоприятную среду, начинают активно размножаться. По видам используемых бактерий биопрепараты делятся на:
- аэробы, которым для жизнедеятельности необходим кислород;
- анаэробы, функционирующие в безвоздушной среде.

По типу действия биопрепараты делят на:
- септики, вызывающие разложение и разжижение твердого осадка с образование жидкости без неприятного запаха;
- антисептики, которые обеззараживают содержимое выгребных ям.
Совет! Если на участке используется фильтрующая выгребная яма, то регулярное применение биологических препаратов снимает необходимость проведение откачки. Отходы перерабатываются с образованием безвредной технической жидкости, которая фильтруется в почву.
Популярные марки
Приведем описание некоторых наиболее популярных биопрепаратов, которые можно применять для санации выгребной ямы.
Доктор Робик
Зеленый пакет препарата «Доктор Робик» хорошо известен владельцам частных домов с местной канализацией. Преимуществом этого средства является то, что препараты можно использовать и в неблагоприятных условиях, в частности, они активны в стоках, содержащих большое количество растворов средств бытовой химии.
Зеленый пакет препарата «Доктор Робик, содержит культуры микроорганизмов, способных перерабатывать:
- жиры и масла, содержащиеся в кухонных стоках;
- растворы стиральных порошков чистящих средств;
- фенолы.

Септик-биогранулы
Этот препарат подойдет для очистки резервуаров обычных септиков, дачных туалетов и сливных ям. Препарат перерабатывает отходы с образованием безопасной жидкости без неприятного запаха.
Для активации роста микроорганизмов необходимо пакет средства растворить в воде и дать раствору настояться в течение получаса. Затем жидкость нужно вылить в унитаз или в отверстие сливной ямы.
Проводить эту операцию необходимо вечером, так как после внесения средства нужно несколько часов не пользоваться канализацией, чтобы дать время микроорганизмам адаптироваться в среде. Проводить обработку с использованием этого препарата рекомендуется еженедельно.
Оксинатор
Это биодобавки, которые из содержимого выгребной ямы формируют органические удобрения. Микроорганизмы, входящие в состав препарата, помимо фекальных масс, отлично перерабатывают:
- кухонные отходы, содержащие отчистки овощей, остатки еды и пр.;
- солому, опавшую листву, опилки.
При этом при формировании компоста не образуется неприятных запахов, привлекающих навозных мух.

Преимущества применения
Имеет ли смысл применение биоактиваторов для выгребных ям и септиков? Хозяева, которые регулярно применяют биопрепараты, не сомневаются в этом. Плюсы использования:
- существенное уменьшение объема осадка на дне резервуаров септиков и снижение уровня содержимого выгребных ям позволяет сэкономить существенную сумму на оплате недешевых услуг ассенизаторов;
- биологические препараты обеззараживают отходы, поэтому выгребная яма может стать «источником» получения органических удобрений;
- при регулярном применении средств неприятный запах, который практически всегда распространяет сливная яма, становится практически неощутимым.
Совет! Бактерии, входящие в состав биоактиваторов, вытесняют микроорганизмы, инициирующие протекание гнилостных процессов. Поэтому и неприятно пахнущих газов вырабатывается существенно меньше.
- при применении биоактиваторов вытесняется болезнетворная микрофлора, поэтому вероятность заражения грунта и почвенных вод снижается до нуля;
- бактерии активны по отношению к органическим отходам, входящим в состав канализационных бытовых стоков, а вот на трубы и резервуары септиков они не оказывают негативного влияния;
- использование бактерий для септиков абсолютно безопасно для людей и животных, препараты не могут спровоцировать развития аллергии.

Какую форму выбрать?
В хозяйственных магазинах биоактиваторы могут быть представлены в разных формах. Однако явного преимущества одного варианта выпуска от другого не отмечается, отличием является только способ внесение, который описан в инструкции по применению. Можно купить и жидкость, и таблетки, и порошок.
Единственными преимуществами сухого варианта препарата является его компактность и более длительный срок хранения. Но зато жидкость уже полностью готова к использованию, ее нужно будет просто вылить в унитаз или в отверстие выгребной ямы дачных туалетов. А вот сухие концентраты (порошок или таблетки), как правило, требуется предварительно растворить в воде, чтобы «разбудить» микроорганизмы.
Нюансы выбора
Прежде чем купить биопреараты, нужно ознакомиться с нюансами их выбора. Прежде всего, нужно разобраться, на какой объем рассчитан пакет или флакон препарата, так как если сливная яма большая, то недостаточное количество биоактиватора не даст ожидаемого результата.
Совет! Бактерии, попадая в благоприятную среду, активно размножаются, однако, если внести недостаточное количество препарата, то микроорганизмы могут не выдержать «конкурентной борьбы» с микрофлорой, уже существующей в содержимом выгребной ямы, и погибнуть.
Вот несколько советов по выбору:
- Жидкие формы – идеальный выбор для больших объемов, поэтому если сливная яма объемная, то лучше взять именно жидкую форму. Литра препарата хватит на обработку 2 кубометров отходов.

- Если выбран порошок, то нужно обратить внимание на то, на какое количество рассчитан один пакет. Порошки, как и гранулы, практически всегда нужно разводить водой. Кроме того, нужно будет следить, чтобы и сливная яма была наполнена жидкостью. Если яма практически сухая, то в нее нужно дополнительно влить несколько ведер воды.
- Таблетки, как правило, имеют более сложный и комплексный состав, обеспечивающий полноценную очистку. Этот вариант биоактиватора особенно рекомендован для дачных туалетов.
Кроме того, нужно обратить внимание на «направление» средства. Большинство препаратов универсальны, но есть и специализированные варианты. Например, если септик запускается в работу после длительного простоя, стоит выбрать пакет препарата с пометкой «Старт». Если в резервуарах накопилось много жира, то необходимо подобрать препарат, который эффективно справляется именно с этим видом отходов.
Итак, использование специальных биопрепаратов позволяет сделать работу местной канализации более эффективной. Сокращается объем твердого осадка, отходы санируются и после обработки уже не представляют опасности для окружающей среды, пропадает неприятный запах.
septikmaster.ru
Посмотрите, как легко делается выгребная яма своими руками: схема проектирования
Дачный участок должен иметь канализацию. Провести ее можно самостоятельно. Выгребная яма без откачки своими руками – это способ сделать проживание в загородном коттедже более комфортным. Главное, чтобы канализационная система функционировала правильно. Устройство стоков – нетрудная задача, если предварительно узнать, как выполнить строительство своими руками.
Выгребную яму частного дома вполне можно сделать самому
Есть различные виды выгребных ям. Альтернативой для организации канализации служат септики. На выбор варианта влияют потребности дачника и членов его семьи. Разные методы локальной канализации могут быть использованы для бани или загородного дома. Важно не нарушать положения действующего законодательства. Устройство выгребной ямы запрещено без фильтрации стоков и герметичного дна при условии, что объем сточных вод за день составляет больше 1 м3. Каждый хозяин сам решает, что лучше септик или выгребная яма.
Плюсы септиков:
- герметичность;
- экологичность;
- надежность;
- простое обслуживание системы.
Уникальность септика в том, что он подходит для любого типа почвы. При монтаже необходимо учитывать глубину промерзания грунта. Рабочие зоны конструкции должны находиться ниже, чем точка замерзания, иначе придется утеплять систему. Недостаток септика – необходимость его постоянно очищать, чтобы система работала нормально.
Простые и бюджетные варианты
Когда дачей не пользуются для постоянного проживания, на участке достаточно организовать небольшую локальную канализацию. Минимальные траты вам гарантированы, если вы решили взяться за работу самостоятельно. Используйте недорогие стройматериалы или изделия б/у. Например: можно взять пластиковый еврокуб или металлическую емкость из-под краски. Самостоятельная копка канализаций предполагает использование лопаты и тачки, чтобы вывозить землю.
Перед началом строительных работ рассчитайте объем выгребной ямы и отметьте месть ее расположения согласно специальным нормативным документам СНиП.
Распространенные виды конструкций
Выгребная яма представлена в 2 разновидностях:
- конструкция без дна;
- герметичная конструкция.
Первый способ считается самым легким и дешевым. Он подойдет для тех дачников, которые приезжают на участок время от времени. К категории бюджетных относятся и гидроизолированные сооружения, изготовленные из подручных средств. Этот тип специалисты называют самым удобным. Сточная яма может изготавливаться из разных материалов:
- бетона;
- деревянных коробов.
Емкости без дна – поглощающие
Считается, что они относятся к прямым потомкам «выгреба», который издавна применялся в народе. Эти конструкции не имеют дна. Жидкость стоков проходит очистку сквозь слой грубой фильтрации, который представлен смесью щебня, гравия, кирпичных осколков. После этого сточная вода поступает в грунт. Экономный вариант подходит для всех начинающих строителей. Если дачник приезжает в свои владения 1 – 2 раза в неделю, тогда нет необходимости вызывать ассенизаторскую машину.
Выбирайте данный тип, если не планируете строить баню или джакузи. Стоки в большом объеме грунт принять не сможет. Такая выгребная яма своими руками очищает стоки, но не на 100%. Поглощающий тип не подходит, когда в доме семья проживает постоянно, при этом жильцы активно пользуются ванной и стиральной машиной.
Герметичные резервуары для стоков
Эти резервуары представляют собой емкости, сделанные из бетона, пластика, металла и других материалов, не пропускающих воду. Благодаря герметичности жильцы будут избавлены от неприятных запахов. Однако подобное устройство выгребных ям в частном доме предполагает частый вызов бригады ассенизаторов, чтобы убирать накопившиеся стоки.
Накопительные емкости из пластика могут монтироваться параллельно, что увеличивает их объем. Герметичные резервуары монтируются надземным и поземным способами. Первый вариант потребуется для земельных участков с близким расположением грунтовых вод.
Простейшие самодельные септики
Выгребная яма своими руками – посильная работа для мастера, когда речь идет о простых и легких конструкциях. Если вы собираетесь использовать для строительства бетонные плиты, тогда лучше найти помощника и нанять спецтехнику. Тяжелые по весу конструкции нелегко укладывать самому.
Если в вашем хозяйстве нашлась пластиковая ёмкость для выгребной ямы, тогда приступайте к обустройству дачного участка. Установка займет не более 2 – 3 дней. Кроме емкости из пластика применяются металлические бочки или контейнеры, а также изделия из полипропилена или полиэтилена. У каждого из материалов свои характеристики:
- Пластик отличается легким весом, удобством при транспортировке, устойчивостью к влажной среде, долгим сроком службы, простой обработкой;
- Металлическим бочкам или самодельным сварным конструкциям необходимо антикоррозийное покрытие. В противном случае в скором времени изделие придет в негодность;
- Полипропиленовые контейнеры обладают прочностью, влагонепроницаемостью, стойкостью к ударам, способностью выдерживать резкие перепады температуры;
- Полиэтиленовые емкости хрупкие. Они требуют бережной транспортировки. Продолжительность срока эксплуатации достигает 30 лет.
Для самодельного септика с несколькими камерами нужно подготовить котлован и правильно залить бетонную стяжку, чтобы получить прочный фундамент. Устанавливаются кольца. Конструкции соединяются между собой. Поэтапная очистка позволяет получать прекрасное природное удобрение для сада и огорода.
Как сделать поглощающую яму
Выгребная яма без откачки создается в несколько этапов:
- Выберите место, где будет находиться яма. Необходимо отступить от забора 1 м и от жилого сооружения не меньше 12 м. Верхний слой почвы разбросайте по участку. Оставьте 1,5 м3 земли для устройства теплоизоляции над перекрытием. Оставшийся грунт вывезите с дачи;
- Сделайте из бетона стены. Другим вариантом является кладка из кирпича. Конструкция будет оптимальной для всасывания жидкости в землю, если выполнять кладку в шахматном порядке;
- Сделайте перекрытие сверху. Это может быть монолитная плита из бетона с люком.
Если крышку не планируется утеплять, тогда нужно ставить стены на 30 или 40 см ниже, чем уровень почвы, чтобы выгребная яма не замерзла зимой.
Пластиковый котел для ямы- одно из самых простых решений
Устройство герметичной конструкции
Есть множество вариантов сделать выгребную яму. Это удобно, чтобы удовлетворить различные потребности владельцев дачи. Воспользуйтесь заводскими изделиями, чтобы канализационная яма прослужила вам в течение многих лет. Схема выгребной ямы из бетонных колец предполагает использование кругов и опорных плит. Монтаж осуществляется быстро. Выгребная яма в частном доме сможет полностью удовлетворять потребности жильцов: бетонные кольца на рынке реализуются в большом ассортименте. Можно легко подобрать круги с нужным диаметром.
При монтаже следует соблюдать следующий порядок:
- Выкапывают яму. Для выполнения земляных работ обычно нанимают экскаватор;
- Укладывают основной круг. Устанавливают последующие кольца. С этой работой справятся специалисты. Здесь требуется привлечение специальной техники. Экскаватор нужен для устройства дна, кольца будет опускать вниз кран-манипулятор. Предпочтительнее применять в строительстве цельные изделия;
- Последний круг должен возвышаться над грунтом на 20 или 30 см.
Устройство выгребной ямы из бетонных колец требует привлечения опытных профессионалов и спецтехники.
Выгребная яма с переливом – прекрасная замена центральной канализации в районах, где ее нет. У сооружения имеются следующие достоинства:
- редкая откачка с помощью ассенизаторской техники;
- возможность использовать воду во второй раз, чтобы поливать зеленые насаждения;
- отсутствие плохих запахов;
- возможность использовать воду в больших объемах;
- отсутствие бульканья и других неприятных звуков из канализационной системы, если яма переполнится.
При желании мастер соорудит выгребную переливную конструкцию самостоятельно. Для этого понадобится разобраться в ее устройстве. 2 ямы-отстойники подсоединяются друг к другу специальным патрубком в виде буквы «Т».
Первая емкость соединяется с домом трубопроводом под углом 1,5 или 2 градуса по направлению к сливу. Крупные частицы опускаются на дно отстойника. Сточная вода течет по Т-образной трубе в другую емкость. В этом отстойнике не предусмотрено наличие дна. Он заполнен геотекстилем вперемешку со слоями из песка, а также щебня с битым кирпичом. Сточная вода проходит сквозь все слои. После очищения она уходит в землю, не причиняя вреда окружающей среде. Рыхлая почва или песчаная дает возможность вторую яму заполнять одним щебнем. Сверху уложите геотекстиль со слоем чернозема. Посадите растения с короткой корневой системой.
Улучшить распад органических отходов помогает добавление в первую яму-септик специальных препаратов, содержащих бактерии. Если в емкость поступает кислород, биопрепарат работает лучше. Поэтому рекомендуется в крышке септика оставлять отверстие.
Первый отстойник строят из бетонных колец, а второй из красного кирпича. Понадобятся канализационные трубопроводы из пластика и Т-образная труба. Вместо последней можно взять уголок. Это необходимо, чтобы предотвратить попадание нечистот из первой емкости во вторую.
Если канаву приходится рыть вручную, тогда воспользуйтесь таким способом. Установите первое бетонное кольцо на то место, где будет яма-отстойник. Залезьте внутрь изделия и копайте по кругу. Вес кольца заставит его опускаться. Когда бетонное изделие сравняется с землей, на него устанавливают второе. Продолжайте копать. Ненужная земля высыпается в ведро, которое поднимает ваш помощник, стоящий сверху. После завершения установки колец подведите к емкостям трубы. Зубило и молоток помогут вам проделать отверстия в бетонных кольцах.
Пластиковая выгребная яма – это сооружение, которое мастер создает без посторонней помощи. При монтаже избегайте перепадов труб и крутых поворотов. Когда невозможно проложить прямой трубопровод, тогда угол поворотов делайте тупым. Такая конструкция позволяет избежать засоров. Позаботьтесь о том, чтобы ассенизаторской машине было удобно подъезжать, когда стоки накопятся, и понадобится откачать выгребную яму. Начерченная схема поможет создать грамотный проект для локальной канализации.
Яма для канализации своими руками из б/у автомобильных покрышек – бюджетный способ создать комфортные условия для проживания. Если объем сточных вод невелик, то эта конструкция идеальная: она доступна и практична. Монтаж не представляет сложностей. Однако разобрать конструкцию из покрышек своими руками трудно. Прослужит самоделка не более 15 лет.
Самостоятельно конструкции из газосиликатных блоков тяжело придать форму круга. Поэтому она делается в виде квадрата или прямоугольника. Герметизацию выполняют при помощи применения специального клея или цементного раствора.
ПОСМОТРЕТЬ ВИДЕО
Готовые комплекты выгребных ям
Сегодня выгребные ямы в частном доме делают за один день. Обратитесь к профессиональным компаниям, которые занимаются реализацией и монтажом септиков. Выберите готовое изделие по каталогу и сделайте заказ — выгребная яма из пластика или бетонных колец. В первом случае емкость уже готова к использованию, во втором ее соберут на месте.
Заводские септики делятся на однокамерные, двухкамерные и трехкамерные. Последние две модели позволяют на выходе получать более чистую воду. Первый вариант используется вместо выгребной ямы.
trubexpert.ru
Монтаж септика в старую выгребную яму
Можно ли произвести монтаж септика или станции автономной канализации в старую выгребную яму? Ответ на этот вопрос желают знать все наши Клиенты, которые приняли решение отказаться от старой выгребной ямы и установить себе септик или станцию автономной канализации без откачки и без запаха.
Единого и однозначного ответа на этот вопрос не существует. В каждом случае вопрос решается индивидуально и зависит от типа и вида выгребной ямы.
1. Если ямы сделана из бетонных колец диаметром 1м. или 1,5м. но произвести монтаж септика в такую яму не представляется возможным, так как септик или станция не помещаются во внутренний диаметр бетонных колец.
2. Если выгребная яма сделана из кирпича / бетона и имеет прямоугольную или квадратную форму с внутренними размерами не менее 1,3м. х 1,3м. — произвести монтаж септика или станции в такую яму возможно, при соблюдении ряда условий:
— яма должна иметь железобетонное основание (дно). Нельзя монтировать септик или станцию в яму без бетонного основания (дна)!!!
За весь срок службы ямы, грунт под ямой, не имеющей бетонного основания (дна) раскисает и теряет свою несущую способность, септик или станция могут погрузиться в такой раскисший грунт, как в болото.
Компания «БИО-СИСТЕМА» имеет успешный опыт монтажа и дальнейшей эксплуатации станции автономной канализации ЮНИЛОС Астра 5 в старую выгребную яму. Участок наших Заказчиков был благоустроен и они не хотели производить новые земляные работы. Проведя обследование существующей выгребной ямы, сняв ее внутренние размеры — было принято решение производить монтаж станции прямо в существующую выгребную яму. Яму полностью откачали, отмыли стенки и дно от старых отложений, на бетонном основании (дне) ямы была устроена песчаная подушка, на которую был смонтирован септик ЮНИЛОС.
bio-systema.ru
Выгребная яма своими руками без откачки с чего начать?
На дачном участке наличие канализации – огромное преимущество. Без наличия этого устройства даже временное нахождение на дачном участке будет лишено элементарного комфорта и удобства. Специфика этой коммуникации в том, что ее можно обустроить не только в начале застройки и планирования жилой зоны, но и при наличии всех застроек, возведенных ранее. Главное в этом деле – технологичный подход с соблюдением всех норм строительного дела, который мы и разберем по порядку.
Основная сложность, которая зачастую встречается на пути прокладки канализации на даче, это наличие централизованных линий, коллекторов, к которым можно было бы провести трубопровод и сделать ее полноценно функционирующей. В этом случае к ней можно было бы подвести все сантехнические приборы, необходимые для комфортного проживания. Но это скорее идиллия, чем реальность, и возможна она крайне редко. Чаще всего канализация на дачном участке полностью автономна, и не имеет выхода в общественно-централизованные сети.
В такой ситуации самой доступной и несложной будет выгребная яма без откачки, сделать которую можно и своими руками. Как это сделать и что для этого необходимо иметь? Обо всем по порядку.

С чего начать обустройство канализации на дачном участке
В строительном деле в первую очередь принято тщательное планирование своих действий и мер по застройке чего-либо. Это касается не только больших проектов, но и таких мелких земляных работ, как, например, обустройство выгребной ямы.
Положение и правила обустройства выгребной ямы на дачном участке определяют нормы СанПина, а также требования СНиП 2.04.03-85 «Канализация. Наружные сети и сооружения». Размещение сливной или выгребной ямы должно быть согласовано с местным органом Госсанэпиднадзора. В случае размещения ее вблизи открытых водоемов — с местными органами природоохраны.
СНиП также определяет и удаленность таких сооружений от других на дачном участке и по соседству с ним. Ее можно классифицировать по следующим показателям, отображенным в таблице.
| Удаленность выгребной ямы | Расстояние , м |
|---|---|
| Жилой дом | 8-10 |
| Водопроводные трубы | 20-25 |
| Газовые трубы | 5 |
| Хозпостройки, деревья | 5-7 |
| Заборы | Не менее 1 м |
| Соседние дома | 10-12 |
Все эти правила и законы разработаны и приняты не случайно, ведь речь идет о загрязнении почвы и грунтовых вод вредными веществами. Не соблюдение этих норм может привести к необратимым последствиям нарушения экологического баланса, от которого пострадает не только конкретный участок, но и вся округа. Защитные меры по герметизации и надежной защите почвы и грунтовых вод от стоков способны значительно продлить срок службы выгребной ямы без вреда для экологии.

Как обустроить выгребную яму своими руками
Выгребные ямы по своему строению бывают различными. В них может быть предусмотрена какая-либо система фильтрации или почвенной доочистки, или же они могут быть полностью замкнутыми. В последнем случае стоит подумать о периодическом ее опорожнении с помощью ассенизаторской машины, ведь накопительные емкости рано или поздно засоряются.
Сливная яма без откачки по определению должна обладать системой доочистки или фильтрации. И в этом ее главное отличие. Такие устройства нередко применяют, когда ее расположение по каким-то причинам полностью исключает ассенизацию.
Важно!
Несмотря на дополнение «без откачки», подразумевающее отсутствие любого обслуживания, такая выгребная яма, так или иначе, со временем потребует ее очистки. Этот нюанс лучше предусмотреть заранее в самой конструкции ямы, сделав в ней отдушины.

Обустроить выгребную яму без откачки своими руками можно следующими способами:
Важно!
В таких выгребных ямах, не рассчитанных на откачку в течение длительного времени, стоит сделать колодец-отстойник. Это емкость, которая является частью общей конструкции, и соединяемая в ее верхней зоне небольшим отводом трубы. Когда происходит переполнение основной емкости до определенного уровня, в соседний аэротенк попадают излишки стоков. В него добавляют биобактерии, предназначенные для переработки и разжижения органики.
Важно!
В некоторых современных вариантах Ж/Б колец предусмотрена перфорация по всему периметру их стенок. В этом случае фильтрация и оседание стоков будут происходить быстрее. Однако, котлован для этого нужно будет делать на 25-30см шире, поскольку необходимо предусмотреть песчаную засыпку этих колец после их окончательной установки по месту.
Фото: ж/б кольца с перфорациейВыгребная яма из нескольких колодцев – так ли необходимо?
Фильтрационные колодцы, как дополнение к основным, в значительной мере ускоряют переработку стоков по типу септика, продлевая тем самым срок службы выгребной ямы без ассенизации. Поэтому их очень часто рекомендуют устанавливать и не экономить на этом устройстве.
Они могут быть частью всей конструкции выгребной ямы, или же отдельными емкостями, размещая их под уклоном для лучшего стока. Соединяют их отрезками труб из различных материалов: асбест, ПВХ, ПНД и т.д. Их оборудуют в качестве аэротенков, в которых и происходит ускоренная переработка отходов. Для этих нужд применяют различные биобактерии, которые кроме того еще и устраняют неприятные запахи особенно в летний период года.
Фото: выгребная яма из нескольких колодцевПерекрытия – как лучше сделать своими руками?
Верхняя часть выгребных ям должна быть оборудована надежным перекрытием, поверх которого обычно обустраивают кабинку туалета, душа и т.д. Этот элемент должен быть рассчитан на достаточные нагрузки в течение длительно времени.
Наилучшим материалом для него будет железобетонная плита. Если позволяют размеры и возможности спецтехники, можно применить готовые пустотные ж/б плиты перекрытия. Однако, в большинстве случаев приходится заливать ее по месту застройки ямы. Для этого можно применить ускоренную технологию заливки с помощью обрешетки из металлических уголков. В небольшие ячейки, получившиеся в результате сваривания отдельных элементов, можно положить плоский шифер, который послужит опалубкой для заливки бетона. Каркасная сетка из арматуры сдержит деформации, а толщину плиты можно варьировать в пределах 12-18 см. Такую конструкцию не сложно сделать своими руками, с минимальным применением инструмента и помощи профессиональных рабочих.
Несмотря на то, что выгребная яма является одним из самых древних канализационных сооружений, ее современные аналоги могут быть вполне достойными устройствами, способными функционировать долго и надежно, а главное, без вреда для окружающей среды.
kanalizacijapro.ru
