Как собрать самодельный фрезерный станок с чпу чертежи и схемы – Станок ЧПУ своими руками — схема и чертежи для сборки дома
чертежи, конструкция, самостоятельная сборка, советы
Станки с числовым программным управлением стали прорывом в механической обработке материалов. Благодаря компьютерному управлению токарный станок или фрезер ЧПУ способны выполнять геометрически сложные детали с высокой точностью и повторяемостью. Развитие техники постепенно сделало такие станки доступными не только для промышленных предприятий, но и для домашнего использования. Сегодня, любой умелец может приобрести или изготовить своими руками фрезер с ЧПУ и использовать его в различных проектах.
Область применения
Фрезерные станки применяются для сложной обработки деталей по трем координатам. Среди простейших видов фрезеровки: процесс гравировки и вырезание деталей из листовых материалов. Исходное сырье – фанера, текстолит, пластмасса. Результатом становятся плоские детали, которые в дальнейшем собираются в какие-то конструкции. Это могут быть коробки, шкатулки, корпуса электроаппаратуры, каркасы объемных изделий. Используется двумерная обработка и при создании художественных изделий.
Более сложный вид обработки – объемная или трехмерная. Из массивных заготовок она позволяет вырезать изделия со сложной поверхностью. Например, резьба по дереву, выполненная на станке, зачастую превосходит рукотворные изделия. Установка на станке дополнительной поворотной оси еще больше расширяет его возможности. Четырехосевое точение позволяет выполнять цилиндрические детали или трехмерные изделия с высокой сложностью рельефа. Примером могут ступать скульптуры или изогнутые мебельные фасады. Возможно создание станков и с еще большим числом степеней свободы, но сегодня это остается уделом профессионалов.
Кроме классического фрезерования, фрезер с ЧПУ может использоваться для выполнения других типов работ. Вместо фрезерной головки легко монтируются плоттерные ножи, лазеры или экструдеры 3D принтеров. В некоторых случаях устанавливается плазмотроны для резки металла. Все эти инструменты не изменяют конструкцию оборудования и методы управления.

Особенности выбора конструкции фрезера
Возможности современного оборудования с ЧПУ огромны. Но, ни один станок не является универсальным. Каждая модель имеет свои особенности и предпочтительную область применения. Перед выбором конкретной конструкции, следует четко определить, для чего будет использоваться станок. Попытка совместить все в одном, приведет к большим материальным и физическим затратам, без гарантии результата.
Сегодня выделяют два направления конструирования настольных фрезеров. Первое, самое простое, ориентировано на обработку дерева, пластмассы и других мягких заготовок. Такие станки не предъявляют высоких требований к конструкционным материалам, отличаются простотой и низкой стоимостью. Они доступны для самостоятельного изготовления, без применения дополнительного оборудования. Металлические изделия на таких устройствах обычно не фрезеруются. В редких случаях точатся только мягкие цветные металлы с небольшой подачей.
Второе направление фрезеров ориентировано работу с металлическими заготовками. Эти станки обладают значительной массой и состоят из деталей, выполнить которые можно только с использованием серьезного станочного парка.
Самостоятельно браться за такую конструкцию рекомендуется только при наличии серьезного опыта и доступа к заводскому металлообрабатывающему оборудованию.
Вторым по важности, параметром станка выступают размеры обрабатываемых деталей. Новичкам сразу хочется крупногабаритное поле, на котором они смогут делать все, что захотят. Но чем больше станок, тем больше технических проблем придется решать при его конструировании. Да и стоимость его будет не самой оптимальной. Если нет конкретных задач для большого станка, то рекомендуется в первом проекте ограничиться полем обработки размером в стандартный бумажный лист А4. Максимум можно выбрать А3.

Конструкция станка
Общая конструкция фрезерного станка состоит из трех независимых линейных осей, обеспечивающих продольное, поперечное и вертикальное движения рабочего инструмента. Распространены два варианта реализации их взаимного расположения. В простых станках большую популярность, приобрела портальная конструкция. Ее особенность в том, что поперечная и вертикальная оси закреплены на подвижном портале продольной оси. Вариант обеспечивает небольшие габариты, но существенно проигрывает в жесткости.
Другой подход подразумевает две оси, жестко закрепленные к основанию. Общее название таких механизмов – станки с подвижным столом. Именно такие модели наиболее часто применяются в промышленном оборудовании, так как в них проще обеспечить высокую жесткость. Простота и собираемость конструкции оказывается выше, чем у портальных вариантов. Жертвовать приходится размерами обрабатываемой детали.
В процессе строительства фрезера с ЧПУ решаются задачи выбора комплектующих, сборки механической части устройства, оснащения проекта электроприводами и системой управления.

Станина
В основе механической части лежит станина станка. Несмотря на кажущуюся простоту, от качества выполнения этого элемента будут зависеть многие характеристики работы готового изделия. Классические, литые из чугуна, станины в небольших станках популярностью не пользуются. Высокая сложность изготовления, необходимость дополнительной обработки и большая масса заставляет конструкторов искать альтернативные подходы. Самыми распространенными стали станины, собранные из плоских алюминиевых деталей или стандартного станочного профиля.
Наличие алюминиевых листов толщиной от 10 мм, позволяет вырезать из них детали необходимой формы, а затем собрать с помощью винтов. Высокое качество исходного сырья, при некоторой аккуратности, обеспечивает конструкцию, не требующую дополнительной механической обработки. Тем не менее, рекомендуется для резки и сверления отверстий использовать заводское оборудование. Готовое основание алюминиевое основание характеризуется небольшой массой и жесткостью, достаточной для обработки мягких материалов.

Станочный алюминиевый профиль стал использоваться относительно недавно. Выбор этого решения позволяет изготовить самодельный фрезерный станок с ЧПУ вообще без тяжелого оборудования. Все что необходимо – отрезать детали в размер.
Дальнейший монтаж выполняется с использованием пазов на профиле и готовых узлов крепления. Сам процесс больше напоминает сборку поделок из детского конструктора. Простота, высокая скорость сборки и неплохие результаты позволяют рекомендовать алюминиевый профиль начинающим самодельщикам для сборки станков самого разного назначения.
Линейные перемещения
Реализация подвижных осей требует наличия направляющих и механических передач. В любительском станкостроении наибольшее распространение получили цилиндрические оси, благодаря их относительно низкой стоимости и простоте использования. Диаметр таких направляющих должен быть значительным, что бы обеспечить отсутствие прогиба в процессе обработки. Использовать распространенные варианты диаметром 8 мм допустимо только при поле обработки в несколько сантиметров или в конструкциях с небольшими нагрузками.
На больших длинах они будут прогибаться и нарушат точность фрезерования. Наряду с цилиндрическими, встречаются рельсовые направляющие. Они имеют более высокую стоимость, но обеспечивают гораздо лучшие характеристики по точности, жесткости и долговечности. При наличии достаточных средств рекомендуется оснастить самодельный ЧПУ фрезер именно рельсами.
Привод подвижных узлов выполняется через передачу винт-гайка. В самом простом варианте используется резьбовая шпилька и обычная метрическая гайка. Единственным достоинством такого варианта является низкая стоимость. Комплекс остальных характеристик ограничивает использования область такого решения демонстрационными макетами оборудования. Для обеспечения приемлемой точности и долговечности передачи рекомендуется применять шарико-винтовые пары. Несмотря на высокую стоимость, они имеют множество преимуществ по сравнению с другими типами винтов. Альтернативой винтам выступают ременные передачи и передачи типа рейка-шестерня. Несмотря на активное использование в разнообразном оборудовании, особых преимуществ в небольших они станках не имеют.
Электрооборудование и электроника
Фрезер с ЧПУ оснащается специализированным комплектом электрооборудования, обеспечивающего согласованное перемещение по координатам, необходимые блокировки и защиты. В его состав обычно входят двигатели подач, преобразователи для двигателей, датчики и блок управления. Простейшим вариантом построения становится использование готовых комплектов шаговых двигателей с драйверами. Такие двигатели не требуют тщательного подбора и настройки, просты и относительно дешевы.
Альтернативным вариантом может стать использование сервопривода на основе моторов переменного тока. Это отличное решение для любого типа оборудования имеет только один существенный недостаток – высокую стоимость.
Блок управления миниатюрным станком обычно выполняется на основе персонального компьютера. Все необходимые расчеты возложены на специализированное программное обеспечение. Преобразование сигналов ПК в управляющие сигналы драйверов двигателей производится через дополнительную плату – преобразователь. К этой же плате подключаются датчики, ограничивающие перемещения, органы управления шпинделем и другое оборудование.

Шпиндель
Важную роль в работе станка играет шпиндель. В небольших станках нашли применение электрические гравировальные машины. Их мощности достаточно для работы с небольшими фрезами при гравировке и вырезании деталей из фанеры. В крупных станках, применяются так называемые, прямо-шлифовальные машины или небольшие фрезеры. С их помощью можно выполнять большое число работ на высоких скоростях. Профессиональные фрезерные головы и специализированные шпиндели применяются в основном при большом поле обработки или в промышленном оборудовании.
Совет: самодельный фрезерный ЧПУ станок выйдет вам в разы дешевле, нежели покупка нового!


vseochpu.ru
Станок чпу своими руками схема чертежи
ЧПУ станок своими руками
В статье описан самодельный станок с ЧПУ. Главное достоинство данного варианта станка – простой метод подключения шаговых двигателей к компьютеру через порт LPT.
Механическая часть
Станина Станина нашего станка сделана из пластмассы толщиной 11-12мм. Материал не критичен, можно использовать алюминий, органическое стекло фанеру и любой другой доступный материал. Основные детали каркаса прикрепляются с помощью саморезов, при желании можно дополнительно оформить места креплений клеем, если используете древесину, то можно использовать клей ПВА.

Суппорта и направляющие В качестве направляющих использованы стальные прутки с диаметром 12мм, длина 200мм (на ось Z 90мм), две штуки на ось. Суппорта изготавливаются из текстолита размерами 25Х100Х45. Текстолит имеет три сквозных отверстия, два из них для направляющих и одно для гайки. Направляющие части крепятся винтами М6. Суппорты Х и У в верхней части имеют 4 резьбовых отверстия для крепления стола и узла оси Z.

Суппорт Z Направляющие оси Z крепятся к суппорту Х через стальную пластину, которая является переходной, размеры пластины 45х100х4.


Шаговые двигатели устанавливаются на крепежи, которые можно изготовить из листовой стали с толщиной 2-3мм. Винт нужно соединить с осью шагового двигателя при помощи гибкого вала, в качестве которого может быть использован резиновый шланг. При использовании жесткого вала, система будет работать не точно. Гайку делают из латуни, которую вклеивают в суппорт.

Сборка Сборка самодельного ЧПУ станка, осуществляется в следующей последовательности:
- Для начала нужно установить в суппорта все направляющие компоненты и прикрутить их к боковинам, которые вначале не установлены на основание.
- Суппорт передвигаем по направляющим до тех пор, пока не добьемся плавного хода.
- Затягиваем болты, фиксируя направляющие части.
- К основанию крепим суппорт, узел направляющие и боковину, для крепления используем саморезы.
- Собираем узел Z и вместе с переходной пластиной прикрепляем его к суппорту X.
- Далее устанавливаем ходовые винты вместе с муфтами.
- Устанавливаем шаговые двигатели, соединяя ротор двигателя и винт муфтой. Обращаем строгое внимание на то, чтобы ходовые винты вращались плавно.
Рекомендации по сборке станка: Гайки можно изготовить также из чугуна, использовать другие материалы не стоит, винты можно купить в любом строительном магазине и обрезать под свои нужды. При использовании винтов с резьбой М6х1, длина гайки будет 10 мм.
Чертежи станка.rar
Переходим ко второй части сборки ЧПУ станка своими руками, а именно к электронике.
Электроника
Блок питания В качестве источника питания был использован блок на 12Вольт 3А. Блок предназначен для питания шаговых двигателей. Еще один источник напряжения на 5Вольт и с током 0.3А был использован для запитки микросхем контролера. Источник питания зависит от мощности шаговых двигателей.
Приведем расчет блока питания. Расчет прост — 3х2х1=6А, где 3 — количество используемых шаговых двигателей, 2 — число запитанных обмоток, 1 — ток в Амперах.

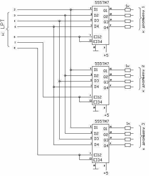
Контролер управления Управляющий контроллер был собран всего на 3-х микросхемах серии 555TM7. Контроллер не требует прошивки и имеет достаточно простую принципиальную схему, благодаря этому, данный ЧПУ станок своими руками может сделать человек не особо разбирающийся в электронике.

Описание и назначение выводов разъема порта LPT.
| Выв. | Название | Направление | Описание |
| 1 | STROBE | ввод и вывод | Устанавливается PC после завершения каждой передачи данных |
| 2..9 | DO-D7 | вывод | Вывод |
| 10 | АСК | ввод | Устанавливается в «0» внешним устройством после приема байта |
| 11 | BUSY | ввод | Устройство показывает, что оно занято, путем установки этой линии в «1» |
| 12 | Paper out | ввод | Для принтеров |
| 13 | Select | ввод | Устройство показывает, что оно готово, путем установки на этой линии «1 » |
| 14 | Autofeed | ||
| 15 | Error | ввод | Индицирует об ошибке |
| 16 | Initialize | ввод и вывод | |
| 17 | Select In | ввод и вывод | |
| 18..25 | Ground GND | GND | Общий провод |
Для эксперимента был использован шаговый двигатель от старого 5,25-дюймов. В схеме 7 бит не используется т.к. применено 3 двигателя. На него можно повесить ключ включение главного двигателя (фреза или сверло).
Драйвер для шаговых двигателей Для управления шаговым двигателем используется драйвер, который из себя представляет усилитель с 4-я каналами. Конструкция реализована всего на 4-х транзисторах типа КТ917.

Применять можно и серийные микросхемы, к примеру — ULN 2004 (9 ключей) с током 0,5-0.6А.

Для управления используется программа vri-cnc. Подробное описание и инструкция по использованию программы находится на официальном сайте.


Собрав данный ЧПУ станок своими руками, вы станете обладателем машины способной выполнять механическую обработку (сверление, фрезерование) пластмасс. Гравировку по стали. Также самодельный станок с ЧПУ может использоваться как графопостроитель, на нем можно рисовать и сверлить печатные платы.
По материалам сайта: vri-cnc.ru
Loading…all-he.ru
Чпу своими руками чертежи


Зная о том, что фрезерный станок с ЧПУ является сложным техническим и электронным устройством, многие умельцы думают, что его просто невозможно изготовить своими руками. Однако такое мнение ошибочно: самостоятельно сделать подобное оборудование можно, но для этого нужно иметь не только его подробный чертеж, но и набор необходимых инструментов и соответствующих комплектующих.

Обработка дюралевой заготовки на самодельном настольном фрезерном станке
Решившись на изготовление самодельного фрезерного станка с ЧПУ, имейте в виду, что на это может уйти значительное количество времени. Кроме того, потребуются определенные финансовые затраты. Однако не побоявшись таких трудностей и правильно подойдя к решению всех вопросов, можно стать обладателем доступного по стоимости, эффективного и производительного оборудования, позволяющего выполнять обработку заготовок из различных материалов с высокой степенью точности.
Чтобы сделать фрезерный станок, оснащенный системой ЧПУ, можно воспользоваться двумя вариантами: купить готовый набор, из специально подобранных элементов которого и собирается такое оборудование, либо найти все комплектующие и своими руками собрать устройство, полностью удовлетворяющее всем вашим требованиям.
Инструкция по сборке самодельного фрезерного стан
i-perf.ru
Чертежи самодельный станок с ЧПУ, фрезерный, трех-координатный
Чертежи самодельный станок с ЧПУ, фрезерный, трех-координатный можно изготовить своими руками имея под руками простейшее описание его устройств.

Рассмотрим основные узлы станка:
- ходовая часть
- трансмиссия
- декоративная защита
ХОДОВАЯ ЧАСТЬ
- Каретка «Z», выполнена в виде бруска с технологическими отверстиями для крепления шпинделя и установки подшипников скольжения.

- Каретка «Y», выполнена в виде двух брусков с технологическими отверстиями для направляющих «Z», крепления пошагового двигателя, установки подшипникового узла и подшипников скольжения.
- Каретка «Х», выполнена в виде двух стенок с технологическими отверстиями для направляющих «Y», крепления пошагового двигателя, установки подшипникового узла и подшипников скольжения.

- Рама состоящая из двух одинаковых балок, на которые устанавливаем каретку «Х»
- Основание, к которому крепится рама. Основание можно изготовить из любого прочного и ровного материала, например дюралевая плита.
ТРАНСМИССИЯ
Основным элементом, которой являются винты с подшипниками качения и шаговые электро-двигатели
Передача крутящего момента от одного винта к другому по оси «Х»,
осуществляется при помощи пластикового зубчатого ремня.
Устанавливаем кронштейн для крепления к нему шпинделя.
ДЕКОРАТИВНАЯ ЗАЩИТА
Устанавливается на все винты, выглядеть это примерно будет так.
Цепляем электронику на самодельный станок с ЧПУ.
Чертежи станка (его габаритные размеры).
ВИД СБОКУ
ВИД СПЕРЕДИ

ВИД СВЕРХУ
Опираясь на полученную информацию, можно подобрать основной необходимый перечень готовых узлов и деталей, немного изготовить самому и соберем прекрасный трех-координатный фрезерный станок для изготовления любых деталей, в рабочих пределах, из любого материала.
Заказать чертеж
Поделитесь с друзьями!
chertegnik.ru
Самодельный ЧПУ фрезерный станок / DIYtimes

Эта статья покажет весь путь по изготовлению самодельного ЧПУ фрезеро-гравировального станка под управлением MACh4. Разберемся с конструкцией самоделки, подключения электрики и настойки программ.
Для сборки ЧПУ станка нам понадобятся направляющие из принетра EPSON — 4 штуки длинной 450 мм диаметром 14 мм и шаговые двигатели EM-181 в количестве 3 штук.
Размеры
Стол:
100х500 2шт.
100х420 2шт.
420х410 1шт.
Портал:
100х230 2шт.
100х420 1шт.
100х465 1шт.
Каретка «Z»
100х215 1шт.
95х210 1шь.
100х50 1шт.

Корпус принтера будет из мебельной ДСП. Что бы улучшить эстетические характеристики нашего ЧПУ станка торцы ДСП с помощью утюга проклеим торцевой лентой. Купить ее как и ДСП можно в любом магазине мебельной фурнитуры. Детали скрепляем между собой саморезами или конфирмантами.
Для фрезерования отверстий под подшипники ходовых винтов я использовал перьевое сверло и дрель. Размер брал чуть меньше и доводил наждачкой для плотной посадки обоймы подшипника. Направляющие у меня были диаметром 14 мм, подшипники 22 мм в диаметре.

Направляющие я взял от принтера Epson с которого снял и сами валы. Сразу закреплять направляющие в корпусе не стал т.к. сложно сохранить их правильную ориентацию относительно валов, нужно иметь возможность регулировать. По тому взял сантехническую ПВХ трубу на 1/4 дюйма и зажимы для крепления на стену. Трубу разрезал на куски по 95 мм и тисками запрессовал в них направляющие. В таком виде их стало удобно регулировать и закреплять.

Теперь можно собрать основание ЧПУ станка. Основание лучше поставить на регулируемых ножках. Конструкция хоть и жесткая, но при точной настройке размеры могут заметно гулять если станок сдвинуть. Возможность регулировать длину ножек позволит избежать таких проблем при калибровке.

К нашим ПВХ трубкам с направляющим прикручиваем перекладину. Нужно добиться отсутствия перекосов, что бы при движении салазок по всей длине направляющих наша перекладина не подклинивала и двигался легко.

Аналогичным способом собирается вторая ось — Y. Высоту портала выбираем таким образом, что бы хватало места для закрепления фрезерного инструмента.

Не забываем, что хоть наш станок и деревянный, но есть детали установка которых требует высокой точности. Расстояние между установленными направляющими валами должно вымеряться штангенциркулем. Если непараллельность, то нужно растачивать отверстие шкуркой и ставить жестяные клинья. Добиваться максимальной параллельности.
Ходовые винты сделаны из обычной шпильки М8/М6. Соединение вала с шаговых двигателем выполнялось через самодельную трубчатую муфту, но лучше заказать специальные т.к. нельзя допускать жесткой фиксации валов — будут биения.

Для оси Z решено было использовать мебельные направляющие для шкафов. Они достаточно жесткие и легко монтируются. Те, что были у меня — двигались без заметного люфта.

Двигатель вертикальной оси закрепляем на втулках что бы был доступ к муфте.

Собранная ось Z ЧПУ фрезера:

В качестве шпинделя был использован гравер-дремель. Его мощность позволяет обрабатывать дерево на малых подачах. Для более твердых материалов потребуется шпиндель большей мощности, но тогда и направляющие оси Z придется сменить.

Гайки ходового винта были вытачены на токарном станке. Закреплены через строительный уголок.


Теперь нам остается отрегулировать ходовую гайку и ходовой винт. Положение винта вымеряется так же штангенциркулем относительно направляющих валов, затягиваются. Ходовая гайка фиксируется в последний момент когда мы убедимся, что нет перекосов.

Обращу внимание, что подшипники на шпильку сажаем через подложку из жести. Зажимать гайками ее следует не сильно, что бы шпильку не выгибало в сторону. Само резьбовое соединение проклеивается бакситной смолой. Она устранит люфты и не даст раскручиваться во время работы станка.

Далее нам предстоит размещение концевых выключателей (лимиты рабочего поля) подключение и настройка электроники. Изначально планировалось собирать электронику самостоятельно, но изучив схемы, стоимость комплектующих и необходимое время на изготовление плат было принято решение покупать готовое. Изучив предложения в интернете, сравнив цены были приобретены:
интерфейсная плата с опторазвязкой BL-MACH-V1.1 $ 5.03
драйверы шаговых двигателей BL-TB6560-V2.0 $ 4.84 за 1 штуку.
Начнем с доработки двигателей. Двигатели EM-181 униполярные, это значит, что они имеют 4 обмотки соединенные определенным образом. Драйверы, которые мы используем, работают с биполярными двигателями, в которых 2 обмотки. Откручиваем 4 болта и снимаем заднюю крышку двигателя. Необходимо перерезать дорожку в обозначенном месте. Контакты обмотки 1 обозначены буквами «А» обмотки 2 буквами «В».
Подробно описывать подключение всей электроники смысла нет, просто покажу фотографии из которых все предельно понятно. Одно только хочу заметить, что концевики не будут работать пока к плате опторазвязи кроме 5V от USB не будет подключено 12V. не знаю почему но нигде в описании я этого не нашел и долго не мог понять почему MACH не запускался.

В качестве кабелеукладчика в автомагазине были приобретена пластиковая гофра диаметром около 10 мм. Кабель канал сделан из алюминиевого уголка.

При пробных прогонах станка были неверно настроены драйверы, а точнее ток был выставлен на 3а что не понравилось двигателям и через 20 минут из них пошел дым. Для того чтобы это больше не повторилось, ток был ограничен на уровне 1.2а и были установлены радиаторы и вентиляторы охлаждения. (Позже в процессе эксплуатации выяснилось, что двигатели разогреваются сильно на малой подаче, при правильно выставленном значении тока и подаче в 10-15 мм/с. двигатели греются не сильно)

Электронику упаковываем в симпатичный корпус, нашел случайно на рынке, стоил 4$ подошел идеально.
НАСТРОЙКА MACh4
Теперь пара слов о настройке программы управления MACh4.
В тонкости вдаваться не буду, опишу необходимый минимум, как заставить моторы вращаться в нужную сторону и на нужное расстояние. Скачиваем и устанавливаем программу mach4.
Установка порта:
В меню «config»(«Конфигурации») выбираем «Port and Pins» (Порты и Пины) ставим галку на нужный порт.
Частоту ядра выбираем 25000Hz чтобы разогнать станок на нормальную скорость, на драйверах устанавливаем делитель 1:8

Настройка пинов управления двигателями:
Выберите вкладку «Motor Outputs»(«Выходы двигателей») Ставим галочки напротив осей X,Y,Z. Тем самым мы делаем их активными. Смотрим, к каким портам платы опторазвязки подключены наши драйверы и вписываем эти номера в поля «Step» (шаг) и «Dir» (направление) галочки «Step low active» отвечают за реверс вращения двигателей «step low active» шаг двигателя при положительном или отрицательном импульсе.

Концевые выключатели и кнопка экстренной остановки:
Концевики установленные на осях работают как индикатор достижения крайнего положения рабочего поля. Это предотвращает поломку механики. При срабатывании выключателя в процессе работы станок просто остановится.
В данном случае ось «X» подключена к 13 порту «Y» к 12 порту «Z» к 11 порту платы опторазвязки.
Кнопка E stop подключена к 15 порту и срабатывает при замыкании.

Теперь один очень важный момент. Даже если драйверы подключены правильно и пины управления подключены без ошибок двигатели не будут вращаться без команды включения. Переходим на вкладку »output signale» и ставим, галочки напротив «enable» номер порта прописываем тот, к которому подключен контакт »EN-» теоретически их можно подключить на один порт, но я все 3 драйвера подключен на порты 14-16-17

Вот и все, мы закончили настройки. Остался один маленький штрих. Ходовые гайки у нас без компенсации люфтов, и убрать их в таком исполнении убрать тяжело. Разработчики программы позаботились об этом и нам нужно всего лишь включить функцию компенсации и задать их величину. В меню «config»(«Конфигурации») выбираем «Backlash» Ставим галочку включить и прописываем значения для каждой оси.

Работа в ArtCAM Чтобы статья получилась полноценной расскажу в вкратце как работать в программе «ArtCAM pro». В качестве примера возьмем чертеж моторамы от самолета «MicroAngel» в формате *.dxf Открываем ArtCAM выбираем «файл» — «открыть» в поле тип файлов выбираем *.dxf

В меню «размер новой модели» задаем высоту и ширину нашей заготовки из фанеры, которую мы закрепили на рабочем столе. Чтобы не испортить стол станка заготовку я креплю прижимами на подложке из потолочной плитки или подложки для ламината. Задаем размер заготовки 300х300 и нажимаем 2 раза «ОК»

Компонуем элементы от нижнего левого угла, это по умолчанию нулевая точка.

Вначале необходимо вырезать внутренние элементы. Для этого в нижнем левом углу панели инструментов выбираем «УП» Выделяем часть внутренних элементов и в разделе «2D УП» выбираем «обработка по профилю»

В поле «сторона обработки» выбираем внутри начальный проход оставляем «0» это верх нашей заготовки. Финишный проход ставим чуть больше толщины фанеры. В данном случае фанера 3мм. значит, в поле финишный проход ставим 3.2мм.

Далее «плоскость безопасности» тут все понятно, это высота перемещения инструмента над заготовкой. Следующий пункт выбор инструмента. Выбираем из библиотеки инструмент, при необходимости корректируем скорость подачи, скорость заглубления инструмента и максимальная глубина за проход. В данном случае фреза кукуруза диаметром 1мм. Подача инструмента 10 мм/с Заглубление 3мм/с Максимальная глубина за проход 1.1мм. При такой глубине заготовка будет прорезана за 3 прохода. Нажимаем «выбрать»

В поле «заготовка» нажимаем определить. Нулевую плоскость заготовки выбираем вверху, смещение вниз, высота заготовки 7мм. это толщина подложки 4мм. и 3мм. толщина фанеры.

Далее пишем имя данного участка «УП» например №1 и нажимаем «сейчас» На чертеже по внутренней стороне обрисовывается вектор движения инструмента.

Выделяем остальные элементы внутри, а параметры обработки менять не будем. Каждому новому элементу задаем новое название.. Для обработки внешнего контура выбираем обработку по внешнему контуру, присваиваем имя и нажимаем «сейчас». После завершения фрезировки деталь не должна вываливаться и для этого выделяем внешний вектор и выбираем функцию «создания переходов». Высоту и ширину переходов задаем 1 мм, а в поле «постоянное количество» ставим 3-4 шт. Осталось только кликнуть «создать переходы».
По завершению необходимо сохранить «УП» вверху нажимаем «УП» — «Сохранить УП»

Слевой стороны список подпрограмм, которые сгенерировались для обработки детали под фрезу. В какой последовательности мы перенесем их в правое окно в такой, и будет, производится обработка. Переносим все вправо и нажимаем сохранить и присваиваем нашей программе имя. Все, наша программа готова к загрузке в «mach4»

Программа для нашего станка готова. Крепим нашу заготовку из фанеры. Включаем станок, стрелками на клавиатуре перемещаем шпиндель в нулевую точку (у нас это левый нижний угол) кнопками «PgUp» «PgDn» опускаем фрезу так, чтобы она коснулась заготовки. Затем в меню «MACh4» устанавливаем нулевое положение по всем осям и загружаем нашу программу нажатием кнопки «Load G-Code».

Включаем шпиндель, нажимаем кнопу «Cycle Start» и идем пить кофе.
Есть один важный момент. Фанера может быть кривая или при фиксации к столу ее может слегка выгнуть. На большой площади этот перепад может быть до 1мм. Станочек не сильно мощный и фрезы тонкие. Глубина обработки у нас выставлена 1мм за проход, а при изгибе фанеры заглубление может оказаться 1.5-2 мм. фреза начнет гореть или даже может сломаться. Поэтому я прогоняю фрезу над заготовкой и смотрю максимальную высоту и при обработке учитываю эту погрешность.
После того как фрезер закончит свою работу наслаждаемся результатом.

В качестве пробной детали была профрезирована рамка для фотографии.

diytimes.ru
Чпу станок своими руками. Инструкция по сборке станка Моделист3030 образца 2015г
Расположение осей X, Y, Z настольного фрезерно-гравировального станка ЧПУ :
Ось Z перемещает инструмент(фрезер) по вертикали(вниз-вверх)
Ось Х — перемещает каретку Z в поперечном направлении(влево-вправо).
Ось Y — перемещает подвижный стол(вперед-назад).
С устройством фрезно-гравировального станка можно ознакомиться выбор и устройство фрезерно-гравировального станка
Состав набора ЧПУ станка Моделист2020 и Моделист3030
I Набор фрезерованных деталей из фанеры 12мм для самостоятельной сборки
Комплект фрезерованных деталей для сборки станка с ЧПУ с подвижным столом состоит из:
1) Стойки портала фрезерного станка с ЧПУ
2) набор фрезерованных деталей станка ЧПУ для сборки оси Z
3) набор фрезерованных деталей станка ЧПУ для сборки подвижного стола
4) набор фрезерованных деталей станка ЧПУ для сборки опор шаговых двигателей и крепления шпинделя
II Набор механики фрезерного станка включает:
1. муфта для соединения вала шагового двигателя с ходовым винтом станка — (3шт.). Размер соединительной муфты для станка Моделист2030 с шаговыми двигателями NEMA17 — 5х5мм. Для станка Моделист3030 с шаговыми двигателями Nema23 — 6,35×8мм
2. стальные направляющие линейного перемещения для ЧПУ станка Моделист3030:
— 16мм (4шт.) для осей Х и Y,
— 12мм(2шт) для оси Z
Для ЧПУ станка Моделист2020 диаметр направляющих линейного перемещения:
— 12мм(8шт) для осей Х, Y и Z.
3. линейные подшипники качения для фрезерного станка Моделист3030:
— линейные подшипники LM16UU (8шт.) для осей Х и Y,
— линейные подшипники LM12UU для оси Z.
Для фрезерного ЧПУ станка Моделист2020
— линейные подшипники LM12UU (12шт.) для осей Х, Y и Z.
4. ходовые винты для фрезерного станка Моделист2020 — М12 (шаг 1,75мм) — (3шт.) c обработкой под d=5мм с одного конца и под d=8мм с другого.
Для фрезерного станка Моделист3030 — трапецеидальные винты TR12x3 (шаг 3мм) — (3шт.) c обработкой концов под d=8мм.
5. радиальные подшипники крепления ходовых винтов -(4шт.) один подшипник в алюминиевом блоке для оси Z.
6. ходовые гайки из графитонаполненного капролона для осей X, Y и Z (- 3шт.)
7. крепеж
III Набор электроники фрезерного станка с ЧПУ:
1. Для станка с ЧПУ Моделист2020: шаговые двигатели NEMA17 17HS8401 (размер 42х48мм, крутящий момент 52N.cm, ток 1,8А, сопротивление фазы 1,8Ом, индуктивность 3,2mH, диаметр вала 5мм) — 3шт.
Для станка с ЧПУ Моделист3030: шаговые двигатели 23HS5630 (размер 57х56мм, крутящий момент 12,6кг*см, ток 3,0А, сопротивление фазы 0,8Ом, индуктивность 2,4mH, диаметр вала 6,35мм) — 3шт.
2. контроллер шаговых двигателей ЧПУ станка на специализированных микрошаговых драйверах компании Toshiba ТВ6560 в закрытом алюминиевом корпусе
3. блок питания 24 В 6,5 A для ЧПУ станка Моделист2020 и 24В 10,5А для ЧПУ станка Моделист3030
4. комплект подсоединительных проводов
Последовательность сборки фрезерного станка чпу с подвижным столом.
Система линейного перемещения любого станка состоит из двух деталей: шариковая втулка — это элемент который движется и неподвижного элемента системы — линейная направляющая или вал(линейная опора). Линейные подшипники могут быть разных видов: втулка, разрезная втулка, втулка в алюминиевом корпусе для удобства крепления, шариковая каретка, роликовая каретка, основная функция которых — нести нагрузку, обеспечивая стабильное и точное перемещение. Применение линейных подшипников(трение качения) вместо втулок скольжения позволяет значительно снизить трение и использовать всю мощность шаговых двигателей на полезную работу резки.

Рисунок 1
1 Смазать линейные подшипники системы линейного перемещения фрезерного станка специальной смазкой (можно использовать Литол-24(продается в магазинах авто запчастей)).
2 Сборка оси Z фрезерного станка с ЧПУ.
Сборка оси Z описана в инструкции «Инструкция по сборке каретки Z»
3 Сборка стола фрезерного ЧПУ станка, ось Y
3.1 Детали для сборки портала, рисунок 2.
1) комплект фрезерованных деталей
2) стальные направляющие линейного перемещения диаметром 16мм(2шт)
3) линейный подшипник LM16UU(4шт)
4) ходовые винты для фрезерного станка Моделист2030 — М12 (шаг 1,75мм) c обработкой концов под d=8мм и d=5мм
Для фрезерного станка Моделист3030 — трапецеидальные винты TR12x3 (шаг 3мм) c обработкой концов под d=8мм.
5. радиальные подшипники крепления ходовых винтов -(2шт.)
6. ходовая гайка из графитонаполненного капролона — (- 1шт.)
7. крепеж

Рисунок 2. Детали портала фрезерного настольного ЧПУ станка
3.2 Запрессовать линейные подшипники и вставить держатели линейных подшипников во фрезерованные пазы, рисунок 2. Вставить линейные направляющие в линейные шарикоподшипники.

Рисунок 2 Сборка стола настольного фрезерного ЧПУ станка
3.3 Держатели подшипников линейного перемещения забиваются в пазы детали подвижного стола. Соединение типа шип-паз обеспечивает отличную жесткость узла, все детали этого узла изготовлены из фанеры 18мм. Дополнительно стянув детали болтовым соединением обеспечим долгий и надежный срок службы, для этого через уже имеющееся отверстие в пластине, которое служит направляющим для хода сверла, сверлим отверстие в торце держателя линейных подшипников, как показано на рисунке 3, сверло диаметром 4мм.

Рисунок 3 Сверление крепежных отверстий.
3.4 Накладываем сам стол и, через уже имеющиеся отверстия скрепляем, с помощью винтов М4х55 из комплекта, рисунок 4 и 5.

Рисунок 4. Крепление подшипников подвижного стола.

Рисунок 5. Крепление подшипников подвижного стола.
3.5 Запрессовать упорные подшипники в детали каркаса стола. Вставить ходовой винт с ходовой гайкой из графитонаполненного капролона, в опорные подшипники, и линейные направляющие в пазы элементов каркаса, рисунок 6.

Рисунок 6. Сборка подвижного стола.
Скрепить элементы каркаса шурупами из комплекта. Для крепления с боков используйте шурупы 3х25мм, рисунок 7. Перед вкручиванием шурупов, обязательно засверлите сверлом диаметром 2мм, для избежания расслаивания фанеры.
Если ходовой винт не зажат деталями основания подвижного стола и имеется люфт винта вдоль оси в опорных подшипниках — используйте шайбу диаметром 8мм, рисунок 6.

Рисунок 7. Сборка каркаса настольного станка.
3.6 Расположите ходовую гайку по центру между линейными подшипниками и сделайте отверстия для шурупов сверлом 2мм, рисунок 8, после чего шурупами 3х20 из комплекта закрепить ходовую гайку. При сверлении обязательно использовать упор под ходовой гайкой, чтобы не погнуть ходовой винт.

Рисунок 8. Крепление ходовой гайки.
4 Сборка портала станка.
Для сборки понадобятся:
1) комплект фрезерованных деталей для сборки подвижного стола
2) стальные направляющие линейного перемещения диаметром 16мм(2шт)
3) линейный подшипник LM16UU(4шт)
4) ходовые винты для фрезерного станка Моделист2030 — М12 (шаг 1,75мм) c обработкой концов под d=8мм и d=5мм.
Для фрезерного станка Моделист3030 — трапецеидальные винты TR12x3 (шаг 3мм) c обработкой концов под d=8мм.
5. радиальные подшипники крепления ходовых винтов -(2шт.)
6. ходовая гайка из графитонаполненного капролона — (- 1шт.)
7. крепеж
4.1 Закрепить боковину портала, рисунок 9.

Рисунок 9. Сборка портала станка.
4.2 Вставить ходовой винт с гайкой в каркас каретки оси Z, рисунок 10.

Рисунок 10. Установка ходового винта.
4.3 Вставить линейные направляющие, рисунок 11.

Рисунок 19 Крепление ходового винта «в распор».
4.4 Закрепить вторую боковину портала, рисунок 11.

Рисунок 11. Установка второй боковины портала
Если ходовой винт не зажат деталями основания подвижного стола и имеется люфт вдоль оси — используйте шайбу диаметром 8мм.
4.5 Установить и закрепить заднюю стенку каретки Z, Рисунок 12.

Рисунок 12. Крепление задней стенки каретки Z.
4.6 Закрепить капролоновую ходовую гайку шурупами 3х20 из комплекта, рисунок 13.

Рисунок 13. Крепление ходовой гайки оси X.
4.7 Закрепить заднюю стенку портала, рисунок 14, с использованием шурупов 3х25 из комплекта.
Рисунок 14. Крепление задней стенки портала.
5 Установка шаговых двигателей.
Для установки шаговых двигателей используйте детали крепления из набора фрезерованных деталей станка ЧПУ для сборки опор шаговых двигателей Nema23 для фрезерного станка Моделист3030.

Рисунок 15. Установка шаговых двигателей.
Установить муфты 5х8мм для соединения вала двигателя с ходовым винтом. Закрепить шаговые двигатели на станок, для крепления используйте винт М4х55 из комплекта, рисунок 15.
6 Закрепите контроллер на задней стенке фрезерно-гравировального станка, и подключите к нему клеммники моторов.
7 Установка фрезера.
Крепление фрезера осуществляется за шейку инструмента или корпус. Стандартный диаметр шейки бытовых фрезеров 43мм. Диаметр шпинделя 300Вт — 52мм, крепление за корпус. Для установки соберите крепление фрезера, детали крепления на рисунке 16. Используйте шуруп 3х30мм из комплекта.
Рисунок 16 Крепление шпинделя 43мм
Рисунок 17 Шпиндель с креплением на ЧПУ станок
При установке дремель подобных инструментов(граверов), кроме этого потребуется дополнительное крепление корпуса гравера к каретке Z хомутом, рисунок 18.
Рисунок 18 Крепление гравера на фрезерный станок.
Имеется возможность установка насадки для подключения пылесоса
Магазин чпу станков хобби класса
cncmodelist.ru
Самодельный фрезерный станок с ЧПУ — libixur — Мой блог
Здравствуйте! В этой статье я расскажу про этапы создания своего станка с ЧПУ. Идеей станка я загорелся года два назад, когда в интернете наткнулся на видео таких станков.

Первые пробы сделать станок из металла вышли неудачными, и я как то забросил это дело. Но желание построить станок не оставляло меня, и в этом году просмотрев много сайтов и проектов станков я решил сделать его из фанеры. На этот выбор подтолкнул меня станок «АЙТО», автор Авилкин Дмитрий:

За основу я взял фанеру толщиной 10мм. Купил мебельные направляющие, и прикинув в голове размеры вырезал первые детали: боковые стенки и рабочий стол (ось X) .




Далее собрал уже вот такой вот «ящик», промежуточных фото к сожалению нет, но думаю из фото и так все понятно:









Ну можно сказать основа готова. Идем далее: я решил не делать никаких проставок под мотор, так как усилия небольшие и у него есть свой подшипник. Делаю отверстия под шаговый мотор и подшипник напротив для оси X. Подшипники использовал 627Z, моторы подобные тем что стоят в 5 дюймовых дисководах. Отверстия сверлил фрезой по дереву, вроде 22мм. Фото фрез и отверстий + установленный двигатель:







Аналогичные действия для оси Y. Упор для подшипника — это часть держащая лампочку в стоп-сигнале мотоцикла:




Установка направляющих и шпильки для оси Y:


Далее самое сложное — изготовление оси Z. Так как мебельные направляющие слишком большие, пришлось делать вручную. Тоже прикинув все в голове, приступил к изготовлению. Начал с «бочонков» которые бы ездили по направляющим. В бочонке есть 2 отверстия: одно с резьбой для закрепления, другое сквозное через которое будет проходить направляющая. В роли направляющих использовал тягу от какого-то грузового автомобиля (прочная штука, резьбу с трудом нарезал).




Изготовил 4 штуки. Кстати бочонки сделаны из старого болта на 10 или 12 (точно не помню). Далее все это закрепил на платформу которая будет ездить, сделал направляющие:


Теперь делаю подобный бочонок, но только в обоих отверстиях резьба. Т.е. так выглядит у меня винтовая гайка. Ну и потихоньку продолжаю делать ось Z:


На этом этапе фото оси Z заканчиваются, переходим к оси Y. Поскольку мебельные направляющие неидеальны, пришлось с обратной стороны сделать упор. Ну и тут же сделал гайку и поставил все это на станок:






Гайку для оси X изготовил из какого-то прочного ролика:




Как видно из фото я использовал строительные шпильки диаметром 6 мм. Но мне кажется нужно использовать хотя бы 8… Двигателя со шпильками я соединил кусочками твердой шлангочки:

Перейдем к электронике. Начну с драйвера шаговых двигателй, описывать тут его не буду, просто выложу пару фото. Описание можете почитать в статье: Драйвер шагового двигателя для станка с ЧПУ


Еще с самого начала я задумал для станка использовать отдельный компьютер, а точнее материнскую плату которая была куплена в интернете за 200грн (~25$). Так же еще перед тем как начать строить станок я задумал всю электронику поместить внутрь станка. Для этого и был сделан такой «ящик». Блок питания использовался естественно компьютерный который был изъят из корпуса и которому были укорочены провода. Купил жесткий диск на 3Гб, больше и не требуется, лишь бы винда влезла (которая у меня урезанная и весит ~300мБ). Все это дело было размещено на дне станка:








Материнка без видеокарты, она тут и не нужна. Станок управляется по сети через Radmin. Она также настроена на авто включение после того как появится питание. IDE шлейф был укорочен.
В самом корпусе станка была сделана прорезь под разъемы материнки:


Так же на боковую стенку я вывел разъемы питания (3.3, 5, 12в) для питания различных инструментов. И еще тумблер который принудительно отключает питание шаговых двигателей, так как при простое они очень сильно греются:




Фото уже готового и рабочего станка. На заднюю стенку выведен разъем питания, шлейф для двигателя по оси Z взят от DVD плеера. Двигателя осей Z,Y соединены в один кабель и соединения закрыты коробочкой:










Ну и немного разных фото.
Двигателя которые применял для осей Y,Z:


Фото подшипников по осям X,Y:


Пара дополнительных фото оси Z:


Ну и на самый конец процесс роботы и первые результаты:






Выжигать пробовал точками и линиями. Поскольку фанера неровная, есть разница в оттенке.
Так же советую к прочтению новую статью с видеороликом: Проба гравера на самодельном станке с ЧПУ
На данный момент все! Надеюсь Вам было интересно!
Добавление: 31.03.2013
Уже не первый раз у меня спрашивают чертежи и размеры станка. Чертежей нет, так как делал все из головы. Вот только могу дать размеры боковины, из них должно быть все понятно. Ширина станка равна длине мебельных направляющих.

VN:F [1.9.20_1166]
Rating: 9.7/10 (116 votes cast)
Самодельный фрезерный станок с ЧПУ, 9.7 out of 10 based on 116 ratingsПоделиться ссылкой с друзьями:
libixur.ru
Фрезерный станок с чпу своими руками, самодельный чпу, чертежи
Зная о том, что фрезерный станок с ЧПУ считается усложненным техническим и электронным оборудованием, многие мастера думают, что его просто нельзя сделать своими руками.
Однако это мнение не соответствует действительности: своими руками сделать такое устройство можно, но для этого необходимо иметь не только его полный чертеж, но и набор определенных инструментов и подходящих комплектующих.
ЧПУ станок своими руками (чертежи)
Решившись на создание самодельного специального станка с ЧПУ, помните, что на это может уйти много времени. Помимо этого, понадобится много денег.
Чтобы изготовить фрезерный станок, который оснащается системой ЧПУ, можно воспользоваться 2 способами: приобрести готовый набор из специально выбранных деталей, из которых и собирается такое оборудование, либо отыскать все комплектующие и самостоятельно собрать устройство, полностью подходящее всем вашим требованиям.
Подготовка к работе
Если вы запланировали изготовить станок с ЧПУ самостоятельно, не применяя готового набора, то первое, что вам нужно будет сделать, — это остановиться на специальной схеме, по которой будет работать такое мини-устройство.
- За основание фрезерного оборудования можно взять ненужный сверлильный станок, в котором рабочая головка со сверлом поменяется на фрезерную. Самое трудное, что придется создавать в таком оборудовании, — это механизм, который обеспечит передвижение приспособления в трех разных плоскостях. Этот механизм можно изготовить на основании кареток от старого принтера, он обеспечит перемещение приспособления в двух плоскостях.
К устройству, сделанному по этой принципиальной схеме, просто подключить программное управление. Однако его главный минус заключается в том, что обрабатывать на этом станке с ЧПУ можно будет лишь изделия из пластика, древесины или небольшого листового металла. Таким образом происходит, потому что каретки от ненужного принтера, которые будут производить перемещение режущего приспособления, не обладают нужной степенью жесткости.- Чтобы ваше самодельное устройство было способно выполнять важные фрезерные действия с заготовками из разных материалов, за перемещение рабочего приспособления должен отвечать очень мощный специальный двигатель. Не нужно пытаться найти двигатель именно шагового вида, его можно сделать из простого электромотора, подвергнув небольшой доработке.
- Использование шагового двигателя в вашем оборудовании даст возможность избежать применения винтовой передачи, а остальные возможности и характеристики самодельного инструмента от этого не будут хуже. Если же вы все-таки захотите применить для своего мини-устройства каретки от принтера, то стоит подобрать их от более большой модели печатного устройства.
- Для передачи усилия на вал фрезерного станка лучше брать не простые, а зубчатые ремни, которые не смогут проскальзывать на шкивах. Одним из главных узлов любого похожего станка считается механизм фрезера. Именно его созданию нужно уделить много внимания. Чтобы качественно изготовить такой механизм, вам понадобятся подробные чертежи, которым придется строго следовать.
Сборка оборудования
Основанием собранного фрезерного оборудования может стать балка прямоугольного типа, которую надо крепко фиксировать на направляющих.
Несущая конструкция оборудования должна обладать большой жесткостью. При ее монтаже лучше не применять сварных соединений, а присоединять все детали лишь с помощью винтов.
Во фрезерном оборудовании, которое вы будете собирать самостоятельно, должен быть предусмотрен механизм, который обеспечит перемещение рабочего приспособления в вертикальном направлении. Лучше всего взять для него винтовую передачу, вращение на которую будет передаваться с помощью зубчатого ремня.
Основная часть станка
Важная часть такого станка — его вертикальная ось, которую для самодельного прибора можно сделать из алюминиевой плиты. Помните, чтобы размеры такой оси были точно подобраны под габариты создаваемого устройства.
Если у вас есть муфельная печь, то сделать вертикальную ось устройства можно своими руками, отливая ее из алюминия по размерам, которые будут указаны в готовом чертеже. Когда все комплектующие нашего будущего фрезерного оборудования подготовлены, можно переходить к его сборке. Начинается этот процесс с монтажа 2 шаговых электрических двигателей, которые закрепляются на корпус станка за его вертикальной осью.- Один из таких электрических двигателей будет отвечать за перемещение специальной головки в горизонтальной части, а второй — за перемещение головки, именно, в вертикальной части. Потом монтируются другие узлы и агрегаты самодельного оборудования.
- Вращение на все узлы собранного оборудования с ЧПУ должно передаваться лишь посредством ременных передач. Прежде чем подключать к самодельному оборудованию систему программного управления, стоит проверить его работоспособность в ручном режиме и сразу убрать все выявленные проблемы в его работе.
tokar.guru
