Котел пеллетный что это – Плюсы и минусы пеллетные котлов
что это такое и где используется
Если Вы хотите узнать, для чего нужен котел на пеллетах, где его используют и как пеллетный котел работает, то эта статья для Вас.
Отопительный пеллетный котел — это вид твердотопливного котла, который работает на гранулах из спрессованных древесных отходов – пеллетах. По-другому такие котлы часто называют отопительными котлами на гранулах.
Пеллетные котлы чаще всего применяют для отопления частных домов и небольших зданий, в тех районах, где есть сложности с подводом магистрального энергоснабжения.
Почему стоит купить пеллетный котел?
Преимущества котлов на пеллетах
Отопительный котел на пеллетах отличается высокой экономичностью, в которой уступает только газовым котлам. Экономичность котлов на пеллетах связана с высоким КПД оборудования, а также с высокой теплотворностью пеллет и их доступной стоимостью.
Также большим преимуществом пеллетных котлов является возможность полной или частичной автоматизации работы. У нас Вы можете заказать автоматический пеллетный котел с самоочисткой по доступной цене. В отличие от остальных твердотопливных котлов, пеллетный не нуждается в постоянном контроле и регулярной ручной подаче топлива. Кстати, купить котел на твердом топливе другого вида можно также в нашем интернет-магазине котлов.
Котел на пеллетах экологичен, работает без запахов, черного дыма и вредных выбросов в атмосферу.
Устройство и принцип работы пеллетного котла
Отопительный котел на пеллетах состоит из: горелки, вентилятора, нагнетающего воздух в зону горения, всевозможных датчиков для контроля подачи пеллет и очистки оборудования от золы, а также системы управления, которая обеспечивает согласованность работы всех узлов отопительного оборудования. Также котел оснащается бункером для загрузки топлива и транспортером его подачи в топку
Загруженное в бункер топливо самотеком и шнеком переносится в топку; где горелка воспламеняет пеллеты для их сжигания. Эффективность горения обеспечивается вентиляторами, которые нагнетают воздух, подаваемый в место горения под давлением. Нагретый воздух проходит через теплообменник, повышая температуру теплоносителя, циркулирующего в системе отопления; отработавшие газы удаляются из системы через дымоход.
Какой пеллетный котел выбрать?
Первое, чем отличаются пеллетные котлы — это марка и толщина использованной стали. В большинстве недорогих котлов используется конструкционная сталь. Она более жесткая, менее пластичная. Такая сталь хуже переносит перепады температуры, циклы расширения-сжатия, перепады давления. Как результат, срок службы котлов из конструкционной стали ниже.
Другой важный параметр — толщина стали. С одной стороны, чем толще сталь, тем котел прочнее, но с другой, увеличение толщины стали приводит к тому, что сам агрегат становится тяжелее, а его КПД снижается. Поэтому котлы из котловой стали хоть и стоят дороже, но имеют лучшие эксплуатационные параметры. При прочих равных, такой котел будет потреблять меньше топлива, будет проще в монтаже и долговечнее в эксплуатации.
У нас Вы можете купить автоматический пеллетный котел Galmet, выпускающийся в Польше и сделанный из высококачественной котловой стали.
Третий параметр, по которому различают пеллетные котлы — это используемая горелка. Стоимость горелки может составлять до 50% стоимости котла. Мы НЕ продаём котлы с «горелками» за 15000, представляющими из себя воронку с регулируемым горлышком — такая техника небезопасна пожарно и не имеет никакой автоматизации, имеет проблемы с заклиниванием пеллет в этом самом горлышке. Нормальные автоматизированные котлы с горелками содержат в своём составе различную автоматику для безопасности, самоочистки, а также комфорта пользователя, вплоть до gsm-управления.
В таких котлах применяются горелки для пеллет наддувного типа с самоочисткой — у котлов Общемаш, реторные горелки — у универсально-угольных котлов Галмет ТРИО или суперсовременные наддувные горелки с вращающимся соплом у котлов Галмет Про.
Ретортная горелка неприхотлива к качеству топлива, но не может быть оснащена электророзжигом, а наддувная полностью автоматизирована, но более требовательная к качеству пеллет
Мы рекомендуем котлы на пеллетах надежных отечественных и европейских производителей — заказать немецкий отопительный котел на пеллетах Buderus Logano, приобрести недорогие российские пеллетные котлы Общемаш.
Чтобы заказать любой котел на пеллетах для отопления в компании «Энергомир», оставьте заявку на сайте или позвоните нашим специалистам.
energomir.su
Пеллетный котёл: его особенности, принцип работы, достоинства и недостатки.
На сегодняшний день ассортимент отопительного оборудования, а равно и видов топлива, отличается большим разнообразием, что позволяет выбрать оптимальный вариант под любые требования. Немалый интерес представляют пеллетные котлы. По сути, они являются модифицированной версией печей для древесного топлива.
Однако сравнительно с последними данные установки имеют гораздо более усовершенствованную конструкцию, отличаются высоким уровнем автоматизации и высоким КПД. Их появление обусловлено созданием гранулированного древесного топлива – пеллетов. И, несмотря на недолгое время существования, эти котлы уже зарекомендовали себя с самой выгодной стороны.
Конструкция пеллетного котла
Стандартное строение пеллетного котла представляет собой комплекс взаимосвязанных механизмов, размещённых в едином корпусе и объединённых общей системой автоматизации:
- механизм процесса горения: котёл с горелкой, вентилятор, контроллер, теплообменник и прочие сопутствующие элементы;
- механизм подачи топлива: резервуар и винтовой транспортёр.
Пеллетный котёлРезервуар для пеллетов может быть как внешним, так и встроенным. Назначение у них одно – обеспечение систематического равномерного поступления гранул в топку. Бункеры имеют различные размеры: более крупные модели позволяют загружать большие объёмы топлива, за счёт чего котёл может бесперебойно функционировать на протяжении нескольких дней. Подача гранул осуществляется посредством винтового транспортёра. Теплообменники могут быть выполнены из чугуна или стали.
Импортные модели чаще всего комплектуются именно чугунными аппаратами. Они не подвержены развитию коррозии, характеризуются хорошей теплоотдачей, но имеют большой вес и медленно реагируют на смену температурного режима. В отечественных котлах преимущественно используют стальные теплообменники. Они отличаются более быстрой теплоотдачей, имеют малый вес, устойчивы к температурным перепадам, но склонны к коррозии. Впрочем, в избегании последнего всё больше производителей покрывают теплообменные элементы антикоррозийными составами. Идеальный вариант – теплообменники из цветных металлов, но такие котлы отличаются высокой ценой.
Горелки бывают реторного или факельного типа. У первых есть один существенный недостаток: подверженность сильному загрязнению, особенно если используются пеллеты низкого качества. Они требуют регулярной чистки. Факельные разновидности лишены этого минуса, поэтому их чаще всего можно встретить в современных моделях. Пеллетные котлы полностью энергонезависимы, но некоторые виды данного оборудования оснащаются электродвигателями в качестве резервного источника питания. Такое решение позволяет котлу функционировать даже при отсутствии топлива.
Принцип работы пеллетного котла
Простота и надёжность работы пеллетных котлов очевидна. Посредством шнекового транспортёра гранулы подаются на решётку горения, где при помощи запального механизма или электроспирали они воспламеняются.
шнековый транспортёрСжигание топлива сопровождается принудительным поступлением воздуха, которое осуществляется вентилятором. После того, как пеллеты хорошо разгорятся, розжиг автоматически выключается. В ходе горения образуются горячие дымовые газы. При выходе из топки они обволакивают теплообменник и путём конвекции передают ему всё выделяемое тепло.
Продукты горения, которых в ходе процесса выделяется минимум, поступают в специальный зольник. Полная автоматизация подачи воздуха и топливных гранул в камеру сгорания даёт возможность производить точную настройку параметров работы котла и поддерживать их на протяжении долго периода времени, не прибегая к участию человека. Настройка и управление может производиться с вмонтированного или дистанционного пульта. Установка минимального и максимального температурного предела призвана обеспечить стабильную поддержку промежуточного показателя.
В случае превышения максимальной температуры подача топлива автоматически прекращается, и возобновляется только после снижении показателей ниже минимума. Некоторые современные модели котлов оснащаются GSM или Wi-Fi передатчиками, что существенно расширяет возможности дистанционного управления, и повышает безопасность эксплуатации оборудования.
Особенности пеллетного котла
Камера сгорания пеллетных котлов не очень большая, за исключением крупногабаритных моделей, и до 70% основного теплосъёма осуществляется в многоходовой конвективной части его конструкции. В результате этого температура удаляемых газов составляет 100-200°C. Горелки объёмного типа, используемые в этих котлах, обеспечивают КПД до 95%. Этот показатель существенно больше, нежели у других разновидностей твёрдотопливных котлов и по своей эффективности сравним разве что с газовым отоплением.
Некоторые модели дополнительно оснащаются контуром горячего водоснабжения. Здесь надо отметить, что технологии производства не стоят на месте и уже сегодня на рынке представлены самые различные модификации пеллетных котлов, которые, несмотря на общую концепцию работы, обладают рядом принципиальных особенностей. В общем же, можно выделить 3 основных вида рассматриваемого оборудования:
- пеллетные котлы для гранулированного древесного топлива;
- комбинированные котлы, которые предусматривают возможность непродолжительной работы на угле/дровах;
- универсальные пеллетные котлы, функционирующие на различных видах твёрдого топлива.
Конструктивные особенности каждого вида обусловлены используемым топливным сырьём.
Видео про пеллетные котлы, которое показывали на канале Россия 24 в программе технологии жилья
Достоинства и недостатки пеллетных котлов
Среди несомненных преимуществ данных котлов:
- высокая эффективность;
- экологическая чистота;
- экономичность;
- долговечность;
- простота, удобство и безопасность эксплуатации.
По сути, перечисленные преимущества уже были рассмотрены в контексте статьи. Высокая эффективность работы оборудования достигается посредством качественно новой технологии конструкции котла и использованием экологически чистого и доступного гранулированного древесного топлива. Срок службы таких приспособлений от 20 и более лет, при этом в процессе горения не выделяется никаких вредных веществ. Полная автономность работы и автоматизация всего процесса в значительной степени облегчает эксплуатацию и делает пеллетные котлы прекрасной альтернативой другим способам отопления.
Что касается недостатков, то их немного. Во-первых, это высокая цена. При этом стоит отметить устойчивую тенденцию к демократизации ценовой политики многих производителей. За последние годы стоимость на данное оборудование снизилась, но пока что пеллетные котлы стоят дороже, нежели газовые и электрические модели.
Пеллетный котёл фотоВо-вторых, отопление посредством гранул на данный момент по экономичности существенно проигрывает природному газу. Для обогрева небольшого частного дома в сутки требуется около 100 кг пеллетов. К тому же в ходе их хранения необходимо полностью исключить воздействие влаги. На этом минусы исчерпываются. Очевидно, что с учётом всех преимуществ высокая цена этих котлов вполне оправдана. И резюмируя всё вышеизложенное можно с уверенностью прогнозировать, что востребованность данного оборудования в нашей стране со временем будет только повышаться.
vseproteplo.ru
Принцип работы и схема подключения пеллетного котла
Потому что, если вам доступен магистральный газ по разумной цене или есть возможность отапливать дом электричеством по цене 0,85 рубля за киловатт, то отопление пеллетами по цене 2 рубля за киловатт выглядит, мягко говоря, непонятным.
А вот если у вас нет ни того, ни другого, то подключение пеллетного котла к вашей системе отопления – всего лишь вопрос времени. Потому что в отсутствие дешевого газа и дешевого электричества только автоматизированная и бесперебойная работа пеллетного котла способна обеспечить дом нормальным теплом в батареях и горячей водой в кране.

Рассмотрим кратко устройство пеллетного котла, его принцип работы и схему подключения.
Принцип работы пеллетного котла
Основной принцип работы пеллетного котла – это дозированная подача топлива в камеру сгорания в том объеме, которое нужно для получения заданного количества тепловой энергии именно в данный момент.
В отличие от твердотопливного котла на дровах, где вся закладка топлива уже лежит в топливнике и либо горит вся, либо обгорает с одной стороны, в камеру сгорания пеллетного котла топливо подается порциями.


Делается это через механизм пеллетной горелки, которая бывает трех видов:
- дутьевая или факельная,
- ретортная или объемного горения,
- поточная или конвейерная.
Факельные горелки могут быть с принудительной подачей пеллет шнеком и гравитационные, в которых пеллеты «сваливаются» под своим весом в рабочую зону горелки на освобождающееся место от уже сгоревших пеллет.
Ярким представителем гравитационных горелок заводского изготовления является горелка Пеллетрон.
Каждый из указанных выше видов горелок нуждается в отдельном описании, потому каждому из них отведена отдельная статья – смотрите их на сайте в разделе «Горелки к котлам».
Что касается котлов, оснащенных горелками с принудительной подачей пеллет, то в них топливо подается шнеком или пневмоподачей из бункера в горелку точно отмеренными контроллером порциями. Величина порций зависит от той температуры, которую требуется поддерживать на данный момент в доме и от температуры уличного воздуха.
Вентилятор горелки принудительно подает воздух в зону горения. Количество воздуха также рассчитывается контроллером.

Тепло от сгоревших пеллет снимается трубчатым, пластинчатым или жаротрубным теплообменником котла, в зависимости от конструкции его топки. Лучшие пеллетные котлы используют вертикальные трубчатые теплообменники и горизонтальные многоходовые теплообменники.
Вообще, понятие «лучший пеллетный котел» зависит от многих факторов и в разных условиях лучшим котлом будет тот или иной теплогенератор.
Для примера, в условиях отсутствия электричества, лучшим котлом будет энергонезависимый пеллетный котел Пеллетрон. В этих условиях будет работать только самая простая схема пеллетного котла.
А в условиях жесткой экономии топлива, лучшим пеллетным котлом будет дорогой котел с хорошей автоматикой, позволяющей делать тонкую настройку сжигания пеллет.
После того, как дымовые газы отдали свое тепло теплообменнику, они выводятся в дымоход. Дымоход для котла на пеллетах – это тема отдельного разговора, смотрите также ее на нашем сайте.
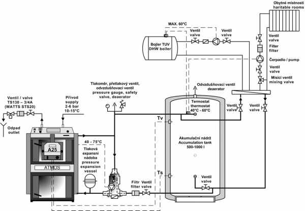
Схема подключения пеллетного котла
Схема подключения пеллетного котла в систему отопления дома идентична схеме подключения любого теплогенератора, будь то газовый котел или котел на дизельном топливе.
Нижний патрубок котла врезается в обратку, верхний патрубок врезается в подачу. Горение пеллет в горелке котла строго контролируется при помощи двух факторов:
- подача топлива шнеком,
- подача воздуха вентилятором.
А потому перегрев котла в штатной ситуации невозможен. Значит, обвязывать металлом подачу котла нет необходимости. Схема пеллетного котла с полипропиленовыми или металлопластиковыми трубами прекрасно работает у многих хозяев долгие годы.

А для внештатных ситуаций, вызванных авариями в линиях электропередач или отказом контроллера котла, стоит предусмотреть схему аварийного отключения подачи топлива и воздуха в камеру сгорания котла. То количество пеллет, которое на момент аварии будет находиться в топке котла, уже неспособно вызвать перегрев теплоносителя в системе отопления.
Естественно, на подаче котла должна стоять группа безопасности с манометром и аварийным клапаном.
При такой простоте обвязки, монтаж пеллетных котлов может производить не специализированная организация, а любая строительная организация с лицензией.
Только не доверяйте монтаж пеллетных котлов первым встречным «шабашникам». Это тепловой прибор, предназначенный для сжигания древесного топлива, он является источником повышенной пожарной опасности. И потому установить котел пеллетный они, может быть, и смогут. А вот настроить его и обеспечить пожарную безопасность – уже вряд ли.
Установка пеллетных котлов – некоторые особенности
Большинство пеллетных котлов изготавливается с применением котловой стали, доля чугунных котлов на пеллетах на рынке невелика. Это связано с тем, что высокая температура сгорания пеллет локализована либо в факеле дутьевой горелки, либо в чашке ретортной горелки. А потому нет необходимости делать весь котле из чугуна, как в случае с угольными или дровяными котлами.

Значит, для установки пеллетного котла не нужен отдельный фундамент или усиленные перекрытия. Обычный котел мощностью в 20-40 киловатт весит от 150 до 300 килограммов, что позволяет устанавливать его на перекрытие самой обычной котельной, без всякого усиления.
В случае, если к котлу вы монтируете бункер большого объема на 0,5 – 1,5 тонны пеллет, то под него придется таки сделать усиленное основание.
Далее, поскольку золы от сгорания пеллет образуется весьма и весьма немного, нет необходимости часто чистить котел и выгребать золу. Достаточно купить пеллетный котел с объемным зольником и чистить котел 1 раз в неделю. Некоторые товарищи подходят к своему котлу 1 раз в месяц, но это уже, я считаю, перебор. За котлом надо следить и обслуживать его.
kotlobzor.ru
Пеллетные котлы отопления — характеристики, особенности, установка

Пеллетные котлы отопления все чаще используют для обогрева частных или промышленных помещений. Существуют различные виды и модели пеллетных котлов, которые различаются индивидуальными особенностями и техническими характеристиками. В данной статье рассмотрим основные черты, отличающие пеллетные котлы от других видов котлов, а также ознакомимся с популярными моделями и особенностями установки пеллетных котлов отопления.
Оглавление:
- Особенности и устройство пеллетного котла отопления
- Виды пеллетных котлов
- Обзор производителей пеллетных котлов
- Основные этапы установки пеллетного котла
Особенности и устройство пеллетного котла отопления
Пеллетные котлы работают с использованием древесных топливных гранул или пеллет. Изготавливают пеллеты с отходов деревопромышленности. Древесные стружки и опилки прессуют с помощью специального приспособления, и таким образом делают топливо для пеллетных котлов.
Котел состоит из специальной топливной горелки, где происходит процесс сгорания пеллет. Пеллетный котел имеет небольшую камеру сгорания, и благодаря этому обладает высокой теплоотдачей.

Главным элементом пеллетного котла является теплообменик, для изготовления которого используют сталь или чугун. Преимущества теплообменника, сделанного из чугуна: стойкость перед коррозией, продолжительный срок эксплуатации. Преимущества стального теплообменника: благодаря меньшему весу, процесс установки занимает меньше времени.
С помощью автоматического транспортера происходит подача гранул в топливную горелку. Далее происходит процесс автоматического разжега, и котел начинает работать. В некоторых котлах есть функция дистанционной регулировки с помощью мобильного телефона.
Есть возможность, пеллетный котел купить в специализированном магазине или в интернете. Также, дополнительно комплект пеллетного котла включает бункер для хранения гранул, ведь от сырости пеллет снижается КПД, горелка, инструмент для чистки и транспортер.
Преимущества установки пеллетного котла
- экологически чистый котел;
- не зависит от центральных источников электричества, газа;
- пеллетный котел, при правильной эксплуатации прослужит до 20 лет;
- возможность автоматического программирования температурного режима;
- автоматическая подача топлива;
- возможность бесперебойной работы без участия человека до семи дней;
- довольно высокая мощность от 16 до 500 кВт;

- возможность установки дополнительного подогрева водоснабжения;
- очистка котла производится один раз в месяц;
- высокий коэффициент полезного действия 86-96%;
- полная пожаро- и взрывоустойчивость.
Виды пеллетных котлов
Пеллетные котлы, согласно используемому топливу, условно разделяются на собственно пеллетные и комбинированные. Собственно пеллетные, в качестве топлива используют только гранулы, а комбинированные предполагают использование как пеллет, так и других видов твердого топлива.
Согласно виду пеллетной горелки выделяют котлы:
- факельного типа;
- реторного типа.
Пеллетные горелки факельного типа применяют в комбинированных котлах, а реторные — в пеллетных.
Преимущества факельного котла: универсальность установки в различные виды котлов, надежность, простота установки. Недостатки: по сравнению с реторной горелкой, мощность факельной намного меньше, а соответственно КПД — ниже.

Преимущества пеллетных котлов реторного типа: высокая мощность, возможность терморегуляции. Недостатки: используют только определенные гранулы, которыми нужно запастись на весь сезон.
Обзор производителей пеллетных котлов
Рассмотрим различные модели пеллетных котлов известных производителей:
1. Пеллетный котел Китурами (Kiturami) — производится в Южной Кореи. Популярные модели: Китурами Премиум, Kiturami KRP.
Китурами Премиум 20-А — имеет ряд положительных особенностей:
- высокий уровень КПД до 94%,
- электронное регулирование горения,
- усовершенствованный бункер,
- возможность автоматического разжигания топлива,
- противопожарная безопасность,
- специальная защита от перегрева,
- дистанционное управление при помощи пульта.

Технические особенности данного котла:
- мощность: 24 кВт,
- площадь: 250 м²,
- вес: 210 кг,
- топливо: пеллеты,
- вместительность топливного бункера: 160 кг,
- расход пеллетного котла: 5,5 кг/ч,
- гарантийный срок: два года.
- цена: 4300 $.
Kiturami KRP 20-А — предназначен не только для отопления помещения, а также обеспечивает снабжение горячей водой.

Преимущества пеллетного котла Kiturami KRP 20-А:
- осуществляет нагрев воды,
- производит автоматическую дозировку топлива,
- простота установки, благодаря встроенному циркуляционному насосу и расширительному баку,
- легкость в очистке от золы, благодаря успешной конструкции котла,
- наличие терморегулятора,
- встроенные функции безопасности: защита от перегрева и замерзания.
Технические особенности пеллетного котла Kiturami KRP 20-А:
- мощность котла: 24 кВт,
- мощность горячей воды: 25 кВт,
- площадь: 300 м²,
- вес: 220 кг,
- топливо: пеллеты,
- объем воды в котле: 168 л,
- вместительность топливного бункера: 160 кг,
- потребление топлива: 5,5 кг/ч,
- гарантийный срок: два года.
- цена: 3600 $.

2. Пеллетный котел Купер — производитель российская компания “Теплодар”.
Рассмотрим особенности одной из популярных моделей Купер ОК-15.
Преимущества данной модели пеллетного котла:
- использование любых видов топлива,
- возможность установки газовой горелки,
- автоматическая подача топлива,
- автоматическая регулировка температурного режима,
- механический розжиг топлива,
- коэффициент полезного действия достигает 94%,
- легкость в эксплуатации,
- простой монтаж и демонтаж пеллетной горелки.

Технические особенности автоматического пеллетного котла Купер ОК-15:
- мощность котла: 15 кВт,
- площадь: 150 м²,
- вес бункера: 33 кг,
- топливо: пеллеты, газ, твердые виды топлива,
- вместительность топливного бункера: 200 л,
- потребление топлива: 1-5 кг/ч,
- цена: 1100 $.
3. Пеллетные котлы Зота (Zota) — производят в России.
Преимущества пеллетного котла Zota Pellet-15А:
- автоматический розжиг топлива, в зависимости от погодных условий;
- наличие комнатных и уличных датчиков регулировки температуры;
- способность в управлении пятью насосами: циркуляционным, отопительным, бойлером, тепловым полом, тепловым аккумулятором;
- использование в качестве топлива дров;
- дистанционное управление.

Технические особенности пеллетного котла Zota Pellet-15А:
- мощность котла: 15 кВт,
- площадь: 150 м²,
- объем водяной камеры: 65 л,
- КПД: 90%,
- топливо: пеллеты, дрова,
- вместительность топливного бункера: 293 л,
- потребление топлива: 3-4 кг/ч,
- вес: 318 кг,
- цена: 3700 $.

Основные этапы установки пеллетного котла
Условно установку пеллетного котла разделяют на три этапа:
1. Изготовление дымохода.
2. Подключение к дымоходу и установка котла.
3. Обвязка пеллетного котла.
Во многом правильная работа пеллетного котла зависит от качества изготовления дымохода. Гарантом устойчивой тяги выступает хороший дымоход. Основные требования к дымоходу для пеллетного котла:
- наличие аэродинамического сопротивления;
- быстрый разогрев дымохода за короткое время;
- наличие конденсатоотводчика;
- размер трубы дымохода должен соответствовать размеру выходного патрубка;
- проэктировка вертикальных труб осуществляется без наличия уступов;
- обязательная защита устьев дымовой трубы от атмосферных осадков.
Требования к помещению для установки пеллетного котла:
- желательно определить отдельное помещение для расположения пеллетного котла, отличным вариантом будет пристройка, котельня;
- предпочтительно выбрать бетонное покрытие или плитку;
- расстояние между лицевой стенкой котла и стеной не менее 100 см;
- температура помещения +12°С, влажность — 40%;
- наличие вентиляции.

Установочная схема пеллетного котла включает:
- установку распределительных гребенок;
- установку насоса;
- монтаж предохранительного оборудования;
- установку и настройку расширительного бака;
- обвязку запорной арматуры;
- соединение котла согласно схеме;
- проверку работы пеллетного котла.
Для осуществления обвязки пеллетного котла советуют применять трубопровод, изготовленный из негорючих материалов, например из металла. Использование полипропиленового трубопровода, приведет к разрушению труб, из-за высокой температуры.
Для установки пеллетного котла выполните ряд действий:
1. Установите котел в помещение и подключите к дымоходу. При использовании комбинированного котла следует подключить горелку.
2. Далее производится установка бункера для хранения пеллет и подключение шнека, через который осуществляется подача топлива.
3. При наличии дистанционного управления, подключите панель управления котла.
4. Произведите установку манометра, воздухоотводчика и сбросного клапана.
5. Установите систему поддержки инверсного потока, которая состоит из крана — манометра на подачу, крана — манометра на обратку, циркуляционного насоса и термоголовки.
Советы по установке пеллетного котла:
- обязательно произведите установку системы контроля температуры обратной воды. Эта система обеспечит долгий срок эксплуатации котла, а также защитит котел от образования конденсата;
- проверьте дымоход, бункер и котел на герметичность, при сгорании топлива выделяются газы, которые не должны попадать в помещение;
- не стоит устанавливать оборудование для различных видов топлива все сразу;
- для проведения первого запуска котла доверьтесь специалисту — ведь это сложный процесс;
- в помещении обеспечьте должную вентиляцию, сделать это возможно путем сверления отверстия в стене диаметром 10-12 см, и установки решетки;
- при перебоях в электропитании позаботьтесь об установке стабилизатора;
- установку автоматического пеллетного котла рекомендуется доверить специалисту.
strport.ru
Пеллетный котел отопления: особенности эксплуатации, конструкция котла
У рачительного хозяина в период летней жары уже идет подготовка к зимним холодам, поскольку грамотное обустройство отопления является залогом уюта и комфорта в жилище и актуально всегда. Каждый человек мечтает о теплоте в доме, но не все согласны платить за это большие деньги.
Нет проблем с отоплением в тех домах, где можно устанавливать газовые отопительные приборы. Но, и там, где недоступно пользоваться газом, а если отапливаться с помощью электрических приборов, есть выход из положения. Это установление пеллетных котлов, которые становятся все более популярными в последнее время.
Принцип работы пеллетного котла
Данное оборудование является твердотопливным котлом, для работы которого используется особый вид топлива, называемый пеллеты. Этот отопительный материал выпускается в виде небольших гранул, которые изготавливаются прессованием отходов деревообрабатывающих предприятий. Пеллетными котлами отапливаются здания, а также в них подается горячее водоснабжение. Котлы имеют различную мощность, начиная с 15 и заканчивая 100 кВт.

Использование топливных пеллетов для котлов отопления.
Отопительные котлы существуют трех видов:
- Предназначающиеся для использования в виде топлива исключительно пеллетов.
- Использующие резервное топливо в виде брикетов или дров. Однако, применяя резервное топливо, котел проработает только в течение нескольких часов.
- Комбинированные, в которых имеется несколько камер сгорания. Такое оборудование работает не только на пеллетах, можно использовать дрова или уголь.
Пеллетный котел представляет собой отопительный прибор в виде конструкции, изготовленной из листовой стали. В оборудовании объединяется несколько механизмов одновременно:
- Котел, имеющий специальную пеллетную горелку.
- Транспортер, по которому гранулы подаются в камеру сгорания.
- Бункер, в котором хранится топливо.
Принцип работы оборудования следующий:
В бак шнеком загружаются пеллеты, которые затем попадают в топку, где сгорают. При горении гранулы выделяют петло, разогревающее теплоносители, которые разносят тепло по всему помещению, которое отапливается.

Особенности эксплуатации пеллетных котлов отопления.
Благодаря особой конструкции камеры сгорания, которая представляет собой что-то вроде форсунки, получается высокий коэффициент полезного действия пеллетного котла, достигающий около 96 % у оборудования, принадлежащего к премиум-классу.
Для изготовления теплообменника котлов используют чугун или сталь. Чугун имеет отличную устойчивость к коррозийным процессам, однако, является довольно хрупким и не способным выдерживать гидроудары. Сталь не боится высокое давление, но ее необходимо обрабатывать специальными веществами, предохраняющими от появления ржавчины.
Пеллетный котел имеет автоматическое управление, регулирующее подачу топлива и поддерживающее температуру, на которую запрограммирован теплоноситель. Обслуживать оборудование достаточно просто. Засыпаются гранулы в бункер один раз за 2-14 суток (частота засыпки зависит от того, какой объем имеет емкость).
Правда, необходимо выполнять регулярную чистку дымогарных каналов и удаление золы из предусмотренного в конструкции котла зольного ящика. Устройства имеют различные сроки эксплуатации, на которые влияет класс оборудования. В среднем пеллетные котлы служат в течение 10-50 лет.
Чем отличается пеллетный котел?
Пользователям пелетных котлов легко назвать большое число преимуществ и достоинств, которыми обладают эти устройства. Наиболее значимые достоинства оборудования перечислены ниже. Это:
Экономичность расхода топлива. У прессованного дерева есть отличительная особенность – сгорать без остатка. Поэтому оборудование расходует не большое количество пеллет. Приведение точных цифр невозможно, потому что это зависит от того, какой состав и качество пеллет. Но в среднем, если учитывать вес топлива, дров для отопления отдельного помещения потребуется раза в два больше, чем пеллет.

Отличительные характеристики пеллетных котлов отопления.
Энергонезависимость оборудования. Пеллетные котлы не зависят от электрической энергии. Правда, есть несколько моделей, которые оборудованы электрическими приборами, из-за которых зависят от электроэнергии.
Простое обслуживание.
Экономичность котлов. Пеллеты стоят меньше, чем дрова, уголь или другие топливные брикеты. К тому же, стоимость котлов меньше, чем стоимость аналогичных устройств, которые работают с помощью газа или электричества.
Экологическая чистота – это еще одно из основных преимуществ пеллетного котла. Работая, это оборудование не выделяет вредные вещества, которые способны загрязнять окружающую среду.
Благодаря тому, что топлива в данных видах отопительного оборудования — пеллеты, которые являются спрессованными отходами деревообрабатывающей промышленности, от их сжигания не образуются токсические вещества.
Как выбрать пеллетный котел?
Для того, чтобы правильно выбрать пеллетный котел, необходимо знать следующие факторы, которые влияют на оборудование и его работоспособность.

Как выбрать пеллетный котел отопления.
Разновидность горелок пеллетных котлов
Данное оборудование имеет два различных типов горелок, которые могут быть:
- Ретортными. Эти горелки отличаются выпусканием пламени горизонтально вверх. Они не являются сильно чувствительными к качеству пеллетных гранул, и также не нуждаются в частой чистке.
- Стокерными. Такие горелки выпускают пламя вертикально. Они предъявляют большие требования к показателю качества гранул. Для них предпочтительно использование исключительно низкозольных сортов пеллет. Эти горелки довольно быстро засоряются, поэтому и чистить их приходится часто.
Если эти отопительные приборы своевременно и надлежащим образом не обслуживать, они просто перестанут работать. Поэтому наиболее удобно использование ретортных горелок, которые рекомендуются специалистами.
Автоматизация пеллетных котлов
Пеллетные котлы оснащены последним «писком» современной автоматики. Существуют некоторые модели котлов, имеющие достаточную сложность встроенной автоматики, которые в течение некоторого времени даже функционируют автономно – в этом не обязательно должны участвовать люди.

Автоматика пеллетных котлов отолпения.
Это оборудование имеет функцию, которая делает возможным управлять прибором СМС-сообщениями. Для этого в автоматическую систему заносят номер телефона пользователя, который затем посредством СМС-сообщений управляет работой отопительного котла: отключает и включает его, регулирует температуру и выполняет другие действия. Эта функция очень удобна, поскольку, если возникнет аварийная или критическая ситуация, котел тут же сообщит это владельцу, отправив ему СМС-сообщение.
Разновидность шнеков, подающих пеллеты
Пеллетные котлы имеют две разновидности шнеков, которые могут быть:
Жесткими. Отличительными особенностями этих шнеков является простота конструкции и небольшая стоимость, а также способность без перебоев доставлять отопительные гранулы в зону горения. Жесткий шнек оборудован простым креплением – это является гарантией надежности его концевых деталей. Есть у жесткого узла и недостаток, который выражается в том, что он ограничен по длине.
Длина шнека не превышает 1,5-2 метра. При большей длине пеллеты будут превращены устройством в опилки. Еще один недостаток – жесткая привязка бункера к горелке – из-за этого он не может принять другое положение – использование пространства нерациональное.
Эту проблему можно решить, пользуясь дополнительным шнеком. Его можно подключить через специальный модуль. Необходимой системой предотвращения возникновения в жестком шнеке «обратного огня» предполагается использовать огнетушитель или устанавливать второй шнек и дополнительную воздушную камеру, благодаря чему система значительно усложняется.
Гибкими, которые лишены таких недостатков. Они позволяют устанавливать бункера различных размеров на расстоянии 12 метров и выполнять линии подачи в любой геометрии. Но гибкие шнеки не лишены недостатка – они имеют сложную систему крепления.
Наиболее простым вариантом подачи топлива считается использование жесткого шнека. Он отличается высокой надежность и низкой стоимостью. Но используется он не везде, потому что имеет ограничение по длине и жесткую привязку к горелке.
Конструктивные особенности теплообменника
Существуют теплообменники, используемые в пеллетных котлах, различных типов. Они бывают:
- Горизонтальными или вертикальными.
- Плоскими или трубчатыми.
- Имеющими разное количество поворотов и ходов.
- Имеющими завихрители отработанных газов, так называемые турбулизаторы и не имеющие таковых.
По словам специалистов, большая эффектисность у вертикальных теплообменников, имеющих турбулизаторы, с двумя или тремя ходами. Использование таких устройств значительно снижает температуру дымового газа. Если температура газов 800-900 градусов, то на выходе она будет всего лишь 110-120 градусов выше нуля.
Следовательно, тепловая энергия, в основном, обогревает теплоноситель. К тому же, благодаря вертикальной конструкции, на стенки теплообменника не может оседать зола – силой гравитации зола осыпается вниз.
Не стоит пренебрегать и следующими советами при выборе пеллетных отопительных котлов:
- Если оборудование имеет равные характеристики, то предпочтительно выбрать компанию, которая выпускает котлы, эксплуатируемые в вашем регионе. Покупая новую модель, вы рискуете столкнуться с большими проблемами.
- Обязательно проверяйте, все ли запасные части в комплекте, не покидая склад, поскольку они станут необходимы в любое время.
- Обслуживание отопительного прибора должен прошедший сертификацию сервисный специалист.
Фирмы-производители пеллетных котлов
Отопительный котлы, работающие на пеллетных гранулах, становятся все более популярными, поэтому в настоящее время продаются достойные модели отечественных производителей:
«НКЦ Бийскэнергопроект» выпускает пеллетные отопительные котлы, которые несмотря на свою простоту надежны и имеют электронное управление. Их легко программировать, благодаря чему они способны поддерживать заданные температуры продолжительный промежуток времени. Кроме того, котлы имеют высокий КПД, доходящий до 93 % и относительно невысокую стоимость.
Устройства «Старт», выпускаемые кировскими производителями, оборудованы импортными горелками, которые обеспечивают получение максимального КПД. В конструкциях котлов предусмотрен горизонтальный транспортер для подачи топлива, благодаря которому снижаются требования к формам и размеру топливной фракции. Отопительный котел работает с гранулами пеллет, а также может использовать опилки и щепу. при этом над горелкой устанавливают колосниковую решетку, которая входит в комплект котла. Переход с одного на другой вид топлива достаточно простой и быстрый.

Производители пеллетных котлов отопления.
Российской компанией «Слон» выпускаются обогревательные котлы, которые отличаются тем, что имеют особую горизонтальную жаротрубную систему с двумя проходами, которая является теплообменником. Водяную рубашку имеют стены и потолок камеры сгорания, а также она расположена под зольником – это увеличивает значение КПД, составляющего 97 %.
Можно приобретать и пеллетные котлы, производимые зарубежными производителями. Лучше всего себя зарекомендовало оборудование компаний Biotech, Buderus, Gilles, Bosch, которые выпускают качественные продукты по более высокой цене.
Все большей популярностью пользуются отопительный пеллетные котлы, благодаря своей экономичности, неприхотливости в уходе, высокому КПД и экологической чистоте. Это оборудование – серьезный конкурент традиционным отопительным приборам.
remontnik.org
принцип работы и установка. Преимущества и недостатки.
- Главная
- О сайте Зеленая дача
- Контакты Написать
- Заработать! Авторам
- Карта сайта Зеленая дача
- Новости Со всего мира
- Реклама на сайте
Главная О сайте Контакты Заработать! Карта сайта Новости Реклама
greendacha.com
Применение пеллетных котлов, расход пеллет — Все о печи в доме
Пеллетные котлы — это твердотопливные котлы, работающие на древесных гранулах. Они широко используются для отапливания как жилых частных домов, так и промышленных помещений. Особенно удобно и эффективно устанавливать их в тех случаях, когда возможность подведения электроэнергии или природного газа отсутствует или обходится очень дорого.

Рисунок 1. Схема ретортной горелки.
По комфорту использования пеллетные котлы ничем не уступают традиционным источникам тепла, по своей сути ничем не отличаясь от мазутных и газовых.
Такая система отопления гарантирует полную взрыво- и пожаробезопасность. В настоящее время на территории Европы эксплуатируется около 1 миллиона подобных нагревательных приборов, что свидетельствует о высокой популярности такого вида обогрева. Пеллетные котлы могут быть 2-х видов: водогрейные и воздухогрейные. Их можно использовать для нагрева воды, а современная автоматика дает возможность задавать определенную температуру в зависимости от сезона, времени дня и постоянно поддерживать ее на комфортном уровне.
Есть разные типы котлов на пеллетах, но все они объединены несколькими общими принципами:
Рисунок 2. Схема колосниковой решетки.
- подача топлива из бункера происходит автоматически по мере необходимости;
- температура постоянно поддерживается на заданном уровне;
- высокий КПД: 85-95%;
- мощность бытового котла составляет 10-100 кВт, промышленного — до 1500 кВт;
- специальное обслуживание не требуется;
- если котел не оснащен автоматической системой очистки, удаление золы производится 1 раз в 2-3 дня;
- в случае отсутствия автоматической чистки газоходов, их очистка производится 1 раз в месяц.
Что такое пеллеты?
Пеллеты — это топливные древесные гранулы цилиндрической формы, диаметром 6-8 мм и длиной до 50 мм, спрессованные на специальном грануляторе. Они являются одним из видов альтернативных источников энергии, биотопливом, обладающим высокими теплотворными характеристиками. Между ископаемыми видами топлива и пеллетами существуют важные отличия. Древесное биотопливо является экологичным, углеродно-нейтральным и возобновляемым. Его делают из отходов древесины, что значительно удешевляет весь процесс отапливания. Плотная структура пеллет (0,6 т/м³) позволяет легко и удобно их транспортировать и хранить. Зольный остаток от сгоревшего объема очень мал — всего 3%. Его часто используют в качестве удобрения.
Первые гранулы из древесных отходов были произведены в США более 20 лет назад баварцем Руди Гуннерманом. Он использовал это изобретение для уменьшения количества отходов своего производства и экономии средств на транспортировке. Позже этот продукт нашел свое применение в отоплении. В Европе первопроходцем в использовании процесса гранулирования отходов древесины и их применение в отоплении является Швеция. Затем производство древесных гранул в промышленных масштабах появилось в Австрии, Дании, Финляндии, Голландии, Норвегии, Германии, Италии, Франции, Канаде. В начале 21 века в России и на Украине тоже началось производство пеллет.
Вернуться к оглавлению
Котел на пеллетах: принцип работы
Рисунок 3. Сравнительная таблица расхода топлива разных видов.
Пеллетное отопление — это наиболее безопасная, экологически чистая технология хай-тэк, которая позволяет автоматизировать работу котельной полностью, в отличие от использования угля и дров. Котел на пеллетах состоит из 3-х механизмов, которые объединены в единое функциональное устройство: как правило, это котел со специальной горелкой, в котором сжигается топливо, бункер, в котором хранится запас гранул, и механизм, подающий пеллеты в камеру сгорания.
Основой системы отопления данного вида является котел для сжигания пеллет. Котел на пеллетах имеет следующий принцип работы: древесные гранулы засыпаются в бункер и оттуда подаются по мере необходимости в топку котла при помощи специального шнека, управляемого автоматикой. Чем больше нам нужно тепла, тем больше расход гранул. Когда температура воздуха в помещении достигает требуемого уровня, шнек останавливается и гранулы перестают попадать в печь, экономя расход топлива. Вместимость бункера может быть разной. Есть бункеры, которые можно загрузить гранулами на целый год, сезон, месяц, неделю или просто на несколько дней. Использовать котел на пеллетах желательно в паре с дополнительным, резервным котлом.
Вернуться к оглавлению
Виды пеллетных горелок
Пеллетные горелки бывают нескольких видов:
- ретортная горелка;
- колосниковая решетка.
Реторная горелка представляет собой чашу, изготовленную из чугуна или жаропрочной стали. На ее поверхности и происходит горение. Древесные гранулы подаются снизу, сквозь центр реторты. Под зону горения подается первичный воздух, который продувает слой горящих пеллет, не позволяя поверхности реторты перегреваться.
Схема ретортной прокалочной печи.
Через специальные отверстия в горелке или через воздушные отверстия в конструкции котла подводится вторичный воздух. Зола, которая образуется в процессе горения, сбрасывается с поверхности горелки поступающим новым топливом. По своей конструкции ретортные горелки подразделяются на подвижные и неподвижные. Подвижная (оборотная) реторта позволяет легко и эффективно сжигать топливо с высокой концентрацией золы и пыли. Неподвижные ретортные горелки подходят для сжигания качественного сухого подготовленного (гомогенизированного) топлива (Рис.1. Реторная горелка.).
При использовании колосниковой решетки топливо подается в определенный желоб шнековым транспортером. Оттуда под собственным весом оно осыпается на колосники. Колосники представляют собой традиционную колосниковую решетку или реторту. Под колосниковую решетку подводится первичный воздух, выполняющий функцию продува слоя горящего топлива и охладителя поверхности колосников. Вторичный воздух поступает через отверстия в горелке или через специально предусмотренные воздушные отверстия в котле. Зола, образующаяся в процессе горения, высыпается через отверстия колосниковой решетки, а в отдельных моделях котлов удаляется при помощи механизма опрокидывающихся колосников. Бывают подвижные и неподвижные колосники. Горелки с подвижными колосниками эффективно сжигают топливо с высокой влажностью и зольностью (щепки, опилки, агропеллеты). Горелки с неподвижными колосниками больше подходят для качественного топлива (высококачественные пеллеты из твердых пород древесины) (Рис.2. Колосниковая решетка.).
Вернуться к оглавлению
Как удалить золу из котла?
Схема пеллетного котла.
Пеллетные котлы имеют специальные зольные контейнеры, в которых скапливается зола. В простых моделях используется ручной метод удаление золы. По мере ее накопления нужно останавливать котел, вынимать контейнер, опустошать его и устанавливать обратно. Частота данной процедуры зависит от настроек котла и качества топлива. Так, удалять золу необходимо:
- каждые 5-7 дней при топке качественными пеллетами;
- каждые 2-3 дня при использовании агропеллетов;
- каждый день при топке углем.
В автоматические пеллетные котлы оснащены оборудованием автоматического удаления золы. Зола транспортируется в объемный наружный зольный контейнер при помощи шнекового транспортера. При этом в процессе перемещения зола уплотняется, что ведет к уменьшению ее объема. Привод этого механизма работает или от контроллера котла, или от автономной автоматики. Наличие топливного склада, автоматическое золоудаление и очистка газоходов позволяют сделать обслуживание системы пеллетного котла минимальным.
Вернуться к оглавлению
Пеллетные котлы: недостатки
Основное неудобство пеллетных котлов состоит в том, что древесные пеллеты поставляются, как правило, в мешках, и их нужно периодически загружать в бункер или организовывать большой топливный склад и автоматическую подачу пеллет в котел. Для обеспечения лучшей эффективности большинство таких котлов требуют очистки теплообменника каждые 1-2 недели на протяжении отопительного сезона.
Схема барабанной вращающейся печи.
Эта процедура проводится с помощью ершика, который поставляется вместе с котлом. Золу в золосборнике тоже нужно периодически удалять. При хранении пеллетов нужно избавить их от контакта с водой, так как от воды и повышенной влажности они рассыпаются, становятся непригодными. К недостаткам котла на пеллетах можно отнести его дороговизну, хотя они все равно стоят дешевле, чем газовые или электрические отопительные агрегаты. Кроме того, хоть строительства дымохода и не требуется, для выхода воздуха все равно нужно отверстие в потолке или стене. Если электричество в доме пропадает, то вентилятор останавливается и небольшое количество дыма попадает в дом.
Вернуться к оглавлению
Расход топлива, расчет эффективности
Для оценки теплопотерь дома существует множество различных методик, позволяющих вычислить расход топлива на его отапливание. Но дело все в том, что эти методики базируются на применении СНиП и других регламентов, однако на практике дело обстоит иначе. Если взять за основу жилое помещение площадью 100 м², имеющее утепление согласно нормам СНиПа, то его энергопотери в условиях минимальной наружной температуры обычно не превышают 100 Вт на 1 м² в час. Таким образом, для компенсации энергопотерь нам нужен источник тепла, выдающий 10 кВт тепловой энергии. Этот показатель зависит не от системы отопления, а исключительно от конструкции здания. Предположим, что отопительный сезон продолжается в течение 5 месяцев (150 дней).
Во время отопительного сезона случаются перепады температуры, бывают как холодные, так и теплые периоды. Поэтому учтем еще одно условие: средние энергопотери помещения за отопительный сезон составят половину от максимальных — 5 кВт/ч. Следовательно, на одни сутки понадобится 5*24 = 120 кВт. Таким образом, за отопительный сезон нашему помещению необходимо: Q = 24*5*150 = 18000 кВт. Сжигание 1 кг пеллет отдает 5 кВт. Расход топлива на одни сутки составит: 120/5 = 24 кг пеллет. Эта цифра меняется в зависимости от погодных условий, утепления дома, и т.д.
В среднем для котла 25 кВт расход пеллет может быть таким:
- при внешней температуре -30°С — около 60 кг;
- при -20°С — около 40-50 кг;
- при -5°С — около 30 кг;
- при 0°С — около 22 кг;
- при +5°С — около 18 кг.
Однако для получения ответа на вопрос об эффективности и удешевлении отопительного процесса лучше сравнить расход топлива различных видов. Имея информацию о необходимом тепле, можно использовать для получения необходимых данных простую таблицу. (Рис.3. Сравнительная таблица расхода топлива разных видов.).
При расчете была взята высота помещения 3 м, теплопотери — 80 Вт/м², температура 22°С. Считается, что при переходе с дизельного отопления на пеллетное котел окупится более чем за 1 год.
Проверить, эффективно ли работает пеллетный котел, можно, измерив температуру газов на выходе. Нормальной считается температура в диапазоне 120-150°С.
Если она превышает 160°С, то с котлом что-то не так.
1popechi.ru
