Кран стд 7073в для спуска воздуха – видео-инструкция по монтажу своими руками, особенности шаровых, латунных, стальных изделий, для спуска воздуха СТД 7073В, цапковых 0Б9БК1, с насадкой для шланга, чертежи, цена, фото
видео-инструкция по монтажу своими руками, особенности шаровых, латунных, стальных изделий, для спуска воздуха СТД 7073В, цапковых 0Б9БК1, с насадкой для шланга, чертежи, цена, фото
Спускной шаровый кран предназначен для контроля движения жидкостей и газов в трубопроводных конструкциях. С его помощью вы сможете наладить работу и собственной отопительной системы. В данной статье мы разберём основные связанные с данным элементом особенности.

Фото обычного спускного крана
Общие положения

Схема-чертеж цапкового крана 10б9бк1 с прямым спуском
Для того чтобы осуществлять корректировку движения жидкостей и газов в самом контуре или их выпуск наружу применяется два типа конструкций:
| Конструкция | Описание и назначение |
| Проходная | Монтируются непосредственно в сам трубопровод, для чего имеют два специальных соединительных патрубка. Предназначены для осуществления изоляции отдельных участков системы. |
| Пробно-спускная | Оснащены лишь одним соединительным патрубком и устанавливаются чаще всего на ёмкостях или резервуарах для возможности слива заполняющей их жидкости. |
Краник 10б8бк1 для слива жидкости
Бытовое применение
Итак, для чего же шаровый кран со спускником используется в быту?
- Проходная конструкция позволит перекрыть участок трубопровода на время проведения ремонтных или монтажных работ без обязательного отключения всей отопительной системы.

При таком обустройстве радиатор можно полностью изолировать своими руками
- Пробно-спускная – поможет ликвидировать образование воздушных пробок в трубопроводе, которые препятствуют равномерному распределению тепла.
Совет: отлично справляются со своей задачей латунные краны для спуска воздуха СТД 7073В, благодаря идеальному сочетанию цены и качества.
Они также ещё называются кранами Маевского.
Обычный кран для спуска воздуха СТД 7073В
Также очень удобно использовать проходные шаровые краны с дополнительным механизмом спуска. Их мы и рассмотрим далее более внимательно.

Удобный в эксплуатации шаровый кран со спускным клапаном
Конструкция шарового крана имеющего спускной клапан

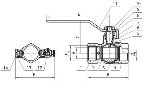
На чертеже шаровый со спускником кран ду15
| Обозначение на рисунке | Название компонента | Материал |
| 1 | Корпусная часть | Латунь, покрытая никелем |
| 2 | Уплотняющее кольцо | Фторопласт |
| 3 | Запирающий шар | Латунь, покрытая хромом |
| 4 | Соединительный отрезок | Латунь, покрытая никелем |
| 5 | Уплотнённая верхняя часть штока | Фторопласт |
| 6 | Кольцевое уплотнение | Резина |
| 7 | Уплотнённая нижняя часть штока | Фторопласт |
| 8 | Гайка, осуществляющая герметизацию | Латунь без покрытия |
| 9 | Шток | Латунь без покрытия |
| 10 | Гайка, фиксирующая рукоять | Сталь |
| 11 | Рукоять | Сталь |
| 12 | Спускной клапан | Латунь |
| 13 | Уплотняющий элемент | Фибра |
Совет: для установки спускных кранов рекомендуется приглашать профессиональных сантехников, так как инструкция выполнения данного процесса достаточно сложная, и малейшая ошибка может привести к разгерметизации всей отопительной системы.
Имеются образцы со шланговой насадкой. Это значительно упрощает процесс слива жидкости, так как с помощью шланга поток легко направить в ведро или даже бутыль.
Краник с насадкой для шланга на одном из патрубков
Ещё одним дополнением может быть возможность установки манометра, который позволит замерять давление в контуре.

Латунный кран под манометр со спускником
Принцип работы

Момент поворота запирающего шара в разрезе
Шаровый кран со спускником функционирует следующим образом:
- Рукой поворачиваем рукоятку.
- Данное движение передаётся через шток к запорному шару.
- Стальной шар имеет посередине сквозное отверстие и под действием штока поворачивается до тех пор, пока оно не совпадёт с отверстием выходного патрубка.
- Клапан же позволяет спустить воздух, не приводя в движение всю конструкцию.
Совет: рекомендуется использовать только полностью открытое и полностью закрытое положение ручки.
Если же открывать шар только наполовину, то это приведёт к быстрому износу и поломке изделия.
Хоть цена такого прибора и немного выше обычного, зато развоздушивание в таком случае осуществляется гораздо проще. Давайте разберём ситуации, в которых его необходимо осуществлять:
Когда необходимо использовать спускной клапан
Тепловизионное обнаружение воздушной пробки в радиаторе
- В первую очередь после окончания установки системы отопления. В трубах отопительной системы обязательно останется воздух, и в замкнутом контуре он никуда не сможет деться даже под воздействием очень высокого давления.
- После каждого летнего периода, на время которого отопление отключалось. Дело в том, что в теплоносители обязательно присутствует какое-то количество воздуха, и за столь длительный период отсутствия циркуляции он успевает скопиться в верхних слоях трубопровода.
- Также появление пробки может быть спровоцировано коррозийными процессами, при которых образуется достаточно большое количество водорода. Особенно это касается алюминиевых батарей отопления, у которых при длительном контакте с теплоносителем начинается описанная химическая реакция.
Вывод
Если вы хотите иметь возможность контролировать работу своей отопительной системы, то необходимо снабдить её спускным шаровым краном. Кроме того, что это позволит перекрывать различные отсеки контура, так ещё и даст возможность удаления воздушных пробок, которые препятствуют нормальной циркуляции теплоносителя.

Реализованная возможность самостоятельного спуска воздуха
Видео в этой статье предоставит вашему вниманию на рассмотрение дополнительные материалы, имеющие непосредственное отношение к изложенной теме.Позаботьтесь об удалении воздушных пробок заранее.
gidroguru.com
| Город | Наименование | Телефон | Адрес дилера |
|---|---|---|---|
| Белгород | Магазин Сантехники в Белгороде | +7 (4722) 34-19-36, 34-44-42, 34-19-29 | г. Белгород, ул. Некрасова, 33 |
| Биробиджан | Магазин Сантехники в Биробиджане | 8 (42622) 4-12-32 | г. Биробиджан, ул. Шолом-Алейхема, 88 |
| Брянск | Магазин Сантехники в Брянске №1 | 79003640061 | г. Брянск, проспект Московский 19 |
| Видное | Магазин Сантехники в Видном | 79851958575 | Видное, ул. Завидная, 9 |
| Волгоград | Магазин Сантехники в Волгоград | 79275264991 | Россия, Волгоград, улица Землячки, дом 58 |
| Вязьма | Магазин Сантехники в Вязьме | 79066682382 | Вязьма, г., ул. Смоленская, 7 |
| Дубна | Магазин Сантехники в Дубне | 74993904118, 79167259015 | Россия, Московская область, Дубна, улица Правды, 4с1 |
| Екатеринбург | Магазин Сантехники в Екатеринбурге | 73432102713 | Екатеринбург, ул. Сурикова, 50 |
| Екатеринбург | Магазин Сантехники в Екатеринбурге #2 | 8(343)247-85-11 | Г. ЕКАТЕРИНБУРГ, УЛИЦА СОФЬИ КОВАЛЕВСКОЙ,3, ОФИС 513 |
| Екатеринбург | Магазин Сантехники в Екатеринбурге №1 | (343) 379-03-08, 379-03-81 | Екатеринбург, ул. 8 Марта, 212 |
| Магазин сантехники в Ессентуках | Ставропольский край г.Ессентуки, ул.Новосёлов 6 | ||
| Зеленогорск | Магазин сантехники в Зеленогорске «СанТехМаркет» | 79135104277 | 663690, Красноярский край, г.Зеленогорск, ул. Мира 42 |
| Зеленогорск | Магазин Сантехники в Зеленогорске ТЦ Меркурий | 73916928003/79138311820 | Россия, Красноярский край, г. Зеленогорск, ул. Парковая дом 33 |
| Ивантеевка | Магазин Сантехники в Ивантеевке | 79162085623 | Московская обл., Ивантеевка г., ул. Хлебозаводская, 22 |
| Ивантеевка | Магазин Сантехники в Ивантеевке #2 | +7 (985) 844-03-01 | Московская область, г. Ивантеевка. ул. Трудовая 7 |
| Иркутск | Магазин Сантехники в Иркутске | +7 (395) 267-03-99 | РФ, город Иркутск, улица Олега Кошевого, дом 65 |
| Киров | Магазин Сантехники в Киров | 78332524677 | Киров, Московская улица, 102В |
| Киров | Магазин Сантехники в Кирове №2 | (8332) 56-56-26 | Киров, улица Ивана Попова, 21 |
| Кисловодск | Магазин Сантехники в Кисловодске | 79282663304 | Ставропольский край, Кисловодск г., ул. Губина, 12 |
| Королев | Магазин Сантехники в Королеве | 79154870730, 79686438064 | г. Королев ул. Пионерская дом 30 корпус 8 |
| Красноуфимск | Магазин Сантехники в Красноуфимске | 73439424749 | г. Красноуфимск ул. Ленина 53 магазин «Титан» |
| Майкоп | Магазин Сантехники в Майкопе | 79604995899 | Республика Адыгея, г. Майкоп, ул. Курганная, 234 |
| Москва | Магазин Сантехники в Москве | 89166897511 | г. Москва ул. Кировоградская дом 13 |
| Москва | Магазин Сантехники в Москве #1 | +7 (499) 130-08-56 | г Москва ул. Большая Черемушкинская д 25с112 |
| Мурманск | Магазин Сантехники в Мурманске | +7 (815) 225-19-04 | 183052, г. Мурманск, пр-кт Кольский, д. 131 |
| Новотроицк | Магазин Сантехники в Новотроицке | 73537676674 | Оренбургская обл., Новотроицкий р-н, Новотроицк г., ул. Советская, 38 |
| Оренбург | Магазин Сантехники в Оренбурге | 73532583830 | г. Оренбург, ул. Юркина, 9а, Мебельный базар |
| Оренбург | Магазин Сантехники в Оренбурге ТК ТРИ КИТА | 73532582430 |
scepio.ru
Спускной кран: технические особенности и описание
26-11-2017 Водоснабжение
Спускной шаровый кран рекомендован для контроля перемещения жидкостей и газов в трубопроводных конструкциях. С его помощью вы сможете поставить работу и собственной отопительной системы. В данной статье мы разберём главные связанные с данным элементом изюминки.

Неспециализированные положения

Чтобы осуществлять корректировку перемещения жидкостей и газов в самом контуре либо их выпуск наружу используется два типа конструкций:
| Конструкция | назначение и Описание |
| Проходная | Монтируются конкретно в сам трубопровод, для чего имеют два особых соединительных патрубка. Предназначены для осуществления изоляции отдельных участков системы. |
| Пробно-спускная | Оснащены только одним соединительным патрубком и устанавливаются значительно чаще на ёмкостях либо резервуарах для возможности слива заполняющей их жидкости. |
Бытовое использование
Итак, для чего же шаровый кран со спускником употребляется в быту?
- Проходная конструкция разрешит перекрыть участок трубопровода на время ремонтных либо монтажных работ без необходимого отключения всей отопительной системы.

- Пробно-спускная – окажет помощь ликвидировать образование воздушных пробок в трубопроводе, каковые мешают равномерному распределению тепла.
Совет: превосходно справляются со своей задачей латунные краны для спуска воздуха СТД 7073В, благодаря совершенному сочетанию качества и цены. Они кроме этого ещё именуются кранами Маевского.
Кроме этого весьма комфортно применять проходные шаровые краны с дополнительным механизмом спуска. Их мы и рассмотрим потом более пристально.

uchebniksantehnika.ru
краны для спуска воздуха стд 7073в латунные
Важную миссию в любом трубопроводе играют запорные системы. Раньше везде устанавливались простые вентили, но на данный момент большое предпочтение отдается шаровым кранам. Краны шаровые для воды зарекомендовали себя на высшем уровне. Данные устройства обладают хорошим качеством и обладают высокой надежностью и используются как в быту, так и в промышленной системе трубопровода. Например, в быту такие краны устанавливают при подключении к системе водоснабжения стиральных и посудомоечных машин.
В базе работы такого крана находится железный шар. Применяется шаровой кран для полного перекрытия либо полной подачи воды. Регулировать поток воды таким краном нереально. Краны имеют разнообразные габариты, какой вам подойдет, зависит от размера трубы. По проблемам и вопросам связанным краны для спуска воздуха стд 7073в латунные, сможете получить консультацию у менеджеров нашей компании послав письмо на mail, либо в форме обратной связи на веб-сайте, также набрав по обозначенным в контактах телефонам.
Бывает несколько видов шаровых кранов.
Муфтовый. Такой кран обычно небольшого маленького размера и устанавливается на трубе диаметром не более 45мм.
Фланцевого типа. Такой шаровой кран подходит для трубы поперечником более 45мм. При его установке используют специальные прокладки для повышения прочности и плотности. Если тебе важно краны для спуска воздуха стд 7073в латунные, тогда напишите нам на почту на сайте, или в форме обратной связи внизу либо же позвонив по обозначенному на веб-сайте контакту.
Штучерный. Применяется в промышленных отраслях. Таковой кран можно многократно демонтировать и снова устанавливать.
Приварной. Устанавливается с помощью сварки. Демонтаж такового крана неосуществим.
Краны шоровые для воды очень комфортны в применении. Они имеют высокую надежность, герметичность и компактны в собственных габаритах. Комфортность использования шаровых кранов состоит в том, что при открытии либо закрытие не надо продолжительное время крутить вентиль, а довольно повернуть ручку на 90 градусов. Шаровый кран для воды имеет отличную устойчивость к коррозии, а при необходимости просто снимается.
Но для того что бы шаровой кран вправду длительно и качественно служил, выбирайте его пристально. При покупке шарового крана для воды спрашивайте у специалиста по продажам сертификат качества и инструкцию. Каждый кран должен иметь маркировку. На его поверхности не должно быть трещинок, наплывов. У добротных кранов все стенки одной толщины.
scepio.ru
