L7812Cv схема включения для светодиодов – Waden › Блог › LED. LM317 в стабилизаторе тока светодиодов. Или как надежно запитать светодиоды чтобы стабильно работали, не моргали и не сгорали.
Hyundai Elantra когда-то была GL 😉 › Бортжурнал › Перегорают светодиоды? Делаем простейший драйвер своими руками.
…оооооочень много раз мне пришлось столкнуться с проблемой перегоревших светодиодов, установленных где-либо в машине…началось всё это с лампочек в габаритах, потом постоянно горела подсветка приборки, потом подсветка блока отопителя, багажника и т.д…
И вот как-то раз это явление достало меня окончательно и я, бегло пробежавшись глазами по записям в блогах одноклубников, решил сделать подсветку приборки «вечной» линейным стабилизатором напряжения L7812CV, +12в, что, естественно, никакого толка не дало и лента сгорела, как ни в чем не бывало 🙂
Вот он, виновник торжества.

…хотя…его вины тут нет. Виноваты тут далекие от электроники люди и я, человек который слишком мало копал, прежде, чем что-то сделать…Все мы ошибаемся, что поделать, потому и половина бортового журнала — это работа над ошибками… 🙂
Начнем с того, что светодиоды сгорают от скачков тока, а не напряжения.
Цитата:
«Светодиод питается ТОКОМ. Нет у него параметра НАПРЯЖЕНИЕ. Есть параметр — падение напряжения! То есть сколько на нем теряется.
Если написано на светодиоде 20мА 3.4В, то это значить что ему надо не больше 20 миллиампер. И при этом на нем потеряется 3.4 вольта.
Не для питания нужно 3.4 вольта, а просто на нем «потеряется»!
То есть вы можете питать его хоть от 1000 вольт, только если подадите ему не больше 20мА. Он не сгорит, не перегреется и будет светить как надо, но после него останется уже на 3.4 вольта меньше. Вот и вся наука.
Ограничьте ему ток — и он будет сыт и будет светить долго и счастливо.»
Теперь понятно, почему с долбанными линейными стабами типа L7812CV постоянно все перегорает?
Да, стабилизация нужна по току, а не по напряжению и делается это резисторами!
Ладно, поехали дальше.
В связи с тем, что сейчас у меня висит 4 проекта по фарам, которые будут делаться на очень дорогостоящих COB кольцах (которые ещё дороже стали с учетом долбанного курса валют) стабилизация таковых просто жизненно необходима…
Вот как оно выглядит

Вы спросите сейчас, а нафига драйвер, если вон он, уже висит и все стабилизирует.
Ну да, я тоже так думал, а на деле оказалось, что там те же самые стабилизаторы напряжения стоят (у одного из клиентов одно кольцо уже начало моросить). Ну кто ж знал, что Китайцы в плане драйверов решили сэкономить.
Итак, делаем простейший драйвер.
Берем идеальную автомобильную сеть 12 Вольт и считаем какой нам нужен резистор на примере COB кольца, мощностью 5 Вт.
Мы можем узнать силу тока, потребляемую электроприбором зная его мощность и напряжение питания.
Потребляемый ток равен мощности деленной на напряжение в сети.
COB кольцо потребляет 5 Вт. Напряжение в идеальном автомобиле 12 Вольт.
Если считать не умеете, то можно посчитать тут
ydoma.info/electricity-zakon-oma.html
дальше идем сюда
ledcalc.ru/lm317
вводим требуемый ток 420 милиампер и получаем:
Расчетное сопротивление: 2.98 Ом
Ближайшее стандартное: 3.30 Ом
Ток при стандартном резисторе: 379 мА
Мощность резистора: 0.582 Вт.
ЭТО РАСЧЕТ РАБОТАЕТ, КОГДА ВЫ ТОЧНО УВЕРЕНЫ В ХАРАКТЕРИСТИКАХ СВЕТОДИОДА, ЕСЛИ НЕТ, ТО ДЕЛАЕМ ЗАМЕР ПОТРЕБЛЕНИЯ ТОКА МУЛЬТИМЕТРОМ!
КАК ЭТО ДЕЛАТЬ, СМОТРИМ ТУТ!
К слову, выше расчет, где я взял спецификацию диода от китайца, является неверным, ибо при замере фактическое потребление тока оказалось не 420 мА, а 300мА. Потому сразу можно сделать вывод, что пятью ваттами там и не пахнет 🙂
Дальше идем в магазин и покупаем:
-LM317. Внешне как и LM7812. Корпус один, смысл несколько разный.

Его распиновка
-Резистор, который посчитали выше
И подключаем это всё дело в режиме токового стабилизатора.
Схема прилагается
В итоге получили на выходе стабилизированный ток.
Но это для идеального случая. Что касается случая с реальным автомобилем, где скачки до 14 Вольт с копейками бывают, то рассчитывайте резистор для худшего случая с запасом.
Кто не могёт паять по схемам, то даю картинку, где все нарисовано более наглядно

Вот собственно и все. Надеюсь, кому-нибудь пригодится)
www.drive2.ru
Простой стабилизатор для светодиодов в авто — Поделки для авто
Светодиоды не любят колебания напряжения, это факт. Не любят они это по причине того, что светодиоды ведут себя не так как лампы или другие линейные приборы. Их ток меняется в зависимости от напряжения нелинейно, поэтому например двухкратное увеличение напряжения увеличивает ток через светодиоды далеко не в 2 раза. Из за чего они перегреваются, быстро деградируют и выходят из строя.
Большинство диодов, применяемых в автомобиле, имеют встроенное сопротивление, которое рассчитано на напряжение 12 вольт. Но напряжение бортовой сети автомобиля никогда не бывает 12 вольт (разве что с разряженным аккумулятором), плюс ко всему оно далеко не такое стабильное, как хотелось бы. Если использовать недорогие китайские диодные приборы в автомобиле без предварительной их стабилизации то они достаточно быстро начнут мигать а затем и вовсе перестанут светить.
Вот и я столкнулся с такой проблемой — светодиоды в габаритах начали мигать, так как я когда-то поленился их стабилизировать.
Существует множество готовых схем-стабилизаторов для 12-вольтовых приборов. Чаще всего на прилавках можно найти микросхему КР142ЕН8Б или подобные ей. Данная микросхема расчитана на ток до 1.5А, но для большего эффекта нужно включение с применением входных и выходных конденсаторов.
Стандартная схема предполагает применение 0.33 и 0.033мкФ конденсаторов (если память не изменяет). Но лично я решил сделать включение с применением 4-х конденсаторов: 470мкФ и 0.47мкФ на вход и соответственно в 10 раз меньшая емкость на выход. Я уже не помню, но где-то на форумах я встречал именно такое включение, решил его применить.
Чтобы все это можно было легко внедрить в авто, я решил напаять все элементы непосредственно на микросхему.

Микросхема с элементами

Микросхема с элементами
К микросхеме припаяны, помимо конденсаторов, два провода, соответственно вход и выход. Масса будет приходить через крепление микросхемы. Средняя нога микросхемы задействована только под ножки конденсаторов. Выводить провод от нее я не стал, так как она объединена с корпусом схемы.

Микросхемы

Микросхема и термоусадка

Готовые стабилизаторы
В автомобиле можно крепить через саморез к кузову.

Прикрепленный стабилизатор
Пост не претендует на что-то супер-мега технологичное, но мало ли кому может пригодиться 🙂
Схема включения

Вместо КР142ЕН8Б можно использовать L7812CV, схема включения аналогичная. Если взглянуть на стандартную схему и сравнить с моей то возникают вопросы «зачем именно такие емкости?».
Поясняю: штатная схема включения подразумевает только стабилизацию напряжения, но никак не спасает от просадки (кратковременной) напряжения, поэтому в схему были введены электролиты достаточно большой емкости для сглаживания таких просадок.
По идее конечно АКБ в машине должен выполнить роль фильтра просадок напряжения, но иногда случаются просадки, которые АКБ просто не успевает уловить. Например при подаче искры на свечу зажигания через катушку проходит нехилый ток, который отлично просаживает напряжение в бортсети.
Автор; Максим Ярошенко
Похожие статьи:
xn—-7sbgjfsnhxbk7a.xn--p1ai
Стабилизатор для светодиодов и ДХО
Почти все автомобилисты знакомы с такой проблемой, как быстрый выход из строя светодиодных ламп. Которые зачастую ставятся в габаритные огни, дневные ходовые огни (ДХО) или в другие фонари.Сам по себе светодиод запросто служит в оптимальных условиях более 50000 часов, но в автомобиле, особенно в отечественном, его не хватает порой и на месяц. Сначала светодиод начинает мерцать, а затем и вообще перегорает.

Чем это объясняется?
Производитель ламп пишет маркировку «12V». Это оптимальное напряжение, при котором светодиоды в лампе работают почти на максимуме. И если подать на эту лампу 12 В, то она прослужит на максимальной яркости очень долгое время.
Так почему же она перегорает в автомобиле? Изначально напряжение бортовой сети автомобиля – 12,6 В. Уже видно завышение от 12. А напряжение сети заведенного автомобиля может доходить до 14,5 В. Добавим ко всему этому различные скачки от переключения мощных ламп дальнего или ближнего света, мощные импульсы по напряжению и магнитные наводки при пуске двигателя от стартера. И получим не самую лучшую сеть для питания светодиодов, которые в отличии от ламп накаливания, очень чувствительны ко всем перепадам.
Так как зачастую в простеньких китайских лампах нет никаких ограничивающих элементов, кроме резистора – лампа выходит из строя от перенапряжения.
За свою практику я менял десятки таких ламп. Большая часть из них не служила и года. В конечном итоге я устал и решил поискать выход попроще.
Простой стабилизатор напряжения для светодиодов
Чтобы обеспечить комфортную эксплуатацию для светодиодов я решил сделать простой стабилизатор. Абсолютно не сложный, его сможет повторить любой автомобилист.
Все что нам понадобиться:
Вроде все. Вся комплектация стоит копейки на Али экспресс – ссылки в списке.
Схема стабилизатора

Схема взята из даташита на микросхему L7805.

Все просто – слева вход, справа – выход. Такой стабилизатор может выдержать до 1,5 А нагрузки, при условии что будет установлен на радиатор. Естественно для маленьких лампочек никакого радиатора не нужно.
Сборка стабилизатора для светодиодов
Все что нужно это вырезать из текстолита нужный кусочек. Травить дорожки не нужно – я вырезал простые лини обычной отверткой.
Припаиваем все элементы и все готово. В настройке не нуждается.


В роли корпуса служит термообдувка.
Плюс схемы ещё в том, что в роли радиатора модно использовать кузов автомобиля, так как центральный вывод корпуса микросхемы соединен с минусом.

На этом все, светодиоды больше не выгорают. Езжу больше года и о данной проблеме забыл, чего советую и вам.
Смотрите видео сборки
sdelaysam-svoimirukami.ru
Че ставить-то? Стабилизатор напряжения или тока? Мотаем на ус! — DRIVE2
Каждый раз, читая новые записи в блогах сообщества я сталкиваюсь с одной и той же ошибкой — ставят стабилизатор тока там, где нужен стабилизатор напряжения и наоборот. Постараюсь объяснить на пальцах, не углубляясь в дебри терминов и формул. Особенно будет полезно тем, кто ставит драйвер для мощных светодиодов и питает им множество маломощных. Для вас — отдельный абзац в конце статьи. =)

Картинка для привлечения внимания. Думается, что тут все запитано абсолютно правильно =)
Сразу хочу извиниться перед всеми, чьи рисунки вдруг попадут в эту статью. Спасибо за труд, отмечайтесь в комментариях. Я добавлю авторство, если нужно.
Для начала разберемся с понятиями:
СТАБИЛИЗАТОР НАПРЯЖЕНИЯ
Исходя из названия — стабилизирует напряжение.
Если написано, что стабилизатор 12В и 3А, то значит стабилизирует именно на напряжение 12В! А вот 3А — это максимальный ток, который может отдать стабилизатор. Максимальный! А не «всегда отдает 3 ампера». То есть от может отдавать и 3 миллиампера, и 1 ампер, и два… Сколько ваша схема кушает, столько и отдает. Но не больше трех.

Когда-то они были такие и подключали к ним телевизоры…
И теперь я перейду к описанию видов стабилизаторов напряжения:
Линейные стабилизаторы (те же КРЕН или LM7805/LM7809/LM7812 и тп)

Вот она — LM7812. Наш советский аналог — КРЕН8Б
Самый распространенный вид. Они не могут работать на напряжении ниже, чем указанное у него на брюхе. То есть если LM7812 стабилизирует напряжение на 12ти вольтах, то на вход ему подать нужно как минимум примерно на полтора вольта больше. Если будет меньше, то значит и на выходе стабилизатора будет меньше 12ти вольт. Не может он взять недостающие вольты из ниоткуда. Потому и плохая это идея — стабилизировать напряжение в авто 12-вольтовыми КРЕНками. Как только на входе меньше 13.5 вольт, она начинает и на выходе давать меньше 12ти.
Еще один минус линейных стабилизаторов — сильный нагрев при хорошей такой нагрузке. То есть деревенским языком — все что выше тех же 12ти вольт, то превращается в тепло. И чем выше входное напряжение, тем больше тепла. Вплоть до температуры жарки яичницы. Чуть нагрузили ее больше, чем пара мелких светодиодов и все — получили отличный утюг.
Импульсные стабилизаторы — гораздо круче, но и дороже. Обычно для рядового покупателя это уже выглядит как некая платка с детальками.

Например вот такая платка — импульсный стабилизатор напряжения.
Бывают трех видов: понижающие, повышающие и всеядные. Самые крутые — всеядные. Им все равно, что на входе напряжение ниже или выше нужного. Он сам автоматом переключается в режим увеличения или уменьшения напряжения и держит заданное на выходе. И если написано, что ему на вход можно от 1 до 30 вольт и на выходе будет стабильно 12, то так оно и будет.
Но дороже. Но круче. Но дороже…
Не хотите утюг из линейного стабилизатора и огромный радиатор охлаждения впридачу — ставьте импульсный.
Какой вывод по стабилизаторам напряжения?
ЗАДАЛИ ЖЕСТКО ВОЛЬТЫ — а ток может плавать как угодно (в определенных пределах конечно)
СТАБИЛИЗАТОР ТОКА
В применении к светодиодам именно их еще называют «светодиодный драйвер». Что тоже будет верно.

Вот, к примеру, готовый драйвер. Хотя сам драйвер — маленькая черная восьминогая микросхема, но обычно драйвером называют всю схему сразу.
Задает ток. Стабильно! Если написано, что на выходе 350мА, то хоть ты тресни — будет именно так. А вот вольты у него на выходе могут меняться в зависимости от требуемого светодиодам напряжения. То есть вы их не регулируете, драйвер сделает все за вас исходя из количества светодиодов.
Если очень просто, то описать могу только так. =)
А вывод?
ЗАДАЛИ ЖЕСТКО ТОК — а напряжение может плавать.
Теперь — к светодиодам. Ведь весь сыр-бор из-за них.
Светодиод питается ТОКОМ. Нет у него параметра НАПРЯЖЕНИЕ. Есть параметр — падение напряжения! То есть сколько на нем теряется.
Если написано на светодиоде 20мА 3.4В, то это значить что ему надо не больше 20 миллиампер. И при этом на нем потеряется 3.4 вольта.
Не для питания нужно 3.4 вольта, а просто на нем «потеряется»!
То есть вы можете питать его хоть от 1000 вольт, только если подадите ему не больше 20мА. Он не сгорит, не перегреется и будет светить как надо, но после него останется уже на 3.4 вольта меньше. Вот и вся наука.
Ограничьте ему ток — и он будет сыт и будет светить долго и счастливо.
Вот берем самый распространненый вариант соединения светодиодов (такой почти во всех лентах используется) — последовательно соединены 3 светодиода и резистор. Питаем от 12 вольт.
Резистором мы ограничиваем ток на светодиоды, чтобы они не сгорели (про расчет не пишу, в интернете навалом калькуляторов).
После первого светодиода остается 12-3.4= 8.6 вольт.
Нам пока хватает.
На втором потеряется еще 3.4 вольта, то есть останется 8.6-3.4=5.2 вольта.
И для третьего светодиода тоже хватит.
А после третьего останется 5.2-3.4=1.8 вольта.
И если захотите поставить четвертый, то уже не хватит.
Вот если запитать не от 12В а от 15, то тогда хватит. Но надо учесть, что и резистор тоже надо будет пересчитать. Ну вот собственно и пришли плавно к…
Простейший ограничитель тока — резистор. Их часто ставят на те же ленты и модули. Но есть минусы — чем ниже напряжение, тем меньше будет и ток на светодиоде. И наоборот. Поэтому если у вас в сети напряжение скачет, что кони через барьеры на соревнованиях по конкуру (а в автомобилях обычно так и есть), то сначала стабилизируем напряжение, а потом ограничиваем резистором ток до тех же 20мА. И все. Нам уже плевать на скачки напряжения (стабилизатор напряжения работает), а светодиод сыт и светит на радость всем.
То есть — если ставим резистор в автомобиле, то нужно стабилизировать напряжение.
Можно и не стабилизировать, если вы расчитаете резистор на максимально-возможное напряжение в сети автомобиля, у вас нормальная бортовая сеть (а не китайско-русский тазопром) и сделаете запас по току хотя бы в 10%.
Ну и к тому же резисторы можно ставить только до определенной величины тока. После некоторого порога резисторы начинают адски греться и приходится их сильно увеличивать в размерах (резисторы 5Вт, 10Вт, 20Вт и тд). Плавно превращаемся в большой утюг.
Есть еще вариант — поставить в качестве ограничителя что-нибудь типа LM317 в режиме токового стабилизатора.

LM317. Внешне как и LM7812. Корпус один, смысл несколько разный.
Но и они тоже греются, ибо это тоже линейный регулятор (помните я писал про КРЕН в абзаце о стабилизаторах напряжения?). И тогда создали…
Импульсный стабилизатор тока (или драйвер).

Вот такой маленький может быть драйвер.
Он в себе включает сразу все что надо. И почти не греется (только если дико перегрузить или неправильно собрана схема). Поэтому обычно и ставят их для светодиодов мощнее 0.5Вт. Самый греющийся элемент во всей схеме — это сам светодиод. Но ему на роду пока написано — греться. Главное не перегреваться выше определенной температуры. А то если перегреть, то дико начинает деградировать кристалл светодиода и он тускнеет, начинает менять цвет и тупо умирает (привет, китайские лампочки!).
Ну а в заключении — к тому, что постоянно пытаюсь доказать в дискуссиях. И доказываю. Вот только каждому отдельно объяснять одно и то же — язык отвалится. Поэтому попробую еще раз в этой статье.
Постоянно наблюдаю такую картину — задают ток драйвером для мощных светодиодов (скажем — 350мА) и ставят несколько веток светодиодов без ограничительных резисторов и прочего. И ведь люди, то вроде бы и не самые ламеры, а совершают одну и ту же ошибку раз за разом. Рассказываю, почему это плохо и к чему может привести:
Из закона Ома для полной цепи:
Сила тока в неразветвленной цепи равна сумме сил тока на ее параллельных участках.
Многие так и считают — «каждая ветка по 20мА, у меня 20 веток. Драйвер отдает 350мА, значит на каждую ветку придется даже меньше — по 17.5мА. Бинго!»
А вот и не Бинго!, а Жопа! Почему?
Сила тока в каждой ветке будет равна, если у вас идеальнейшие светодиоды с абсолютно одинаковыми параметрами. Тогда и ток будет во всех ветках одинаков, и никаких ограничителей тока не надо — взяли и поделили общий ток на количество одинаковых веток. Но такое — только в сказках.
Если параметры чуть-чуть отличаются — получили в одной ветке 19мА, в другой 17, в третьей 20…
Общее количество тока так и остается неизменным — 350мА, а вот в ветках творится безумная кака. На взгляд и не определишь, вроде светят одинаково… И вот у вас одна ветка, самая прожорливая, начинает греться сильнее остальных. И жрать больше. И греться еще сильнее. А потом раз — и потухла. И все эти ее миллиамперы разбежались по остальным веткам. И вот еще одна ветка, недавно вроде нормально горевшая берет и тухнет следом. И уже вдвое больший ток уходит на другие ветки, ведь общий ток жестко задан 350мА. Процесс лавинообразный и вот уже пришел кирдык всей этой схеме, потому что все 350мА усосались в оставшиеся светодиоды и никто-никто их не спас… А стояли бы, как полагается, по отдельному стабилизатору (хотя бы банальному резистору) на каждой ветка — работала бы и дальше.

Вот как раз то, о чем я говорю. На картинке речь о 1Вт-светодиодах, но и с любыми другими картина та же.
Именно это мы и видим в китайских модулях и кукурузинах, которые горят как спички через неделю/месяц работы. Потому что светодиоды имеют адский разброс, а китайцы на драйверах экономят покруче, чем кто либо еще. Почему не горят фирменные модули и лампы Osram, Philips и тд? Потому что они делают довольно мощную отбраковку светодиодов и от всего дичайшего количества выпущенных светодиодов остается 10-15%, которые по параметрам практически идентичны и из них можно сделать такой простой вид, какой и пытаются сделать многие — один мощный драйвер и много одинаковых цепочек светодиодов без драйверов. Но только вот в условиях «купил светодиоды на рынке и запаял сам» как правило будет им нехорошо. Потому что даже у «некитая» будет разброс. Может повезти и работать долго, а может и нет.

именно!
Да и токовый драйвер по-сравнению со стабилизатором напряжения и копеечными резисторами как правило дороже. Ну нафига стрелять в мишень для мелкокалиберной винтовки из танка? Цель-то поразим, вопросов нет. Но вместе с ней еще и воронку оставим. =))

Запомните раз и навсегда! Я вас умоляю! =)
Да и просто — сделать правильно и сделать «смотрите как я сэкономил, а остальные — дураки» — это несколько разные вещи. Даже очень сильно разные. Учитесь делать не как пресловутые китайцы, учитесь делать красиво и правильно. Это сказано давно и не мной. Я лишь попробовал в стотыщпятьсотый раз объяснить прописные истины. Уж звиняйте, если криво объяснял =)

Вот прекрасная иллюстрация. Разве вы думаете мне не хотелось сэкономить и уменьшить количество драйверов раза в 3-4? Но так — правильно, а значит будет работать долго и счастливо.
Ну и напоследок тем, кому даже такое изложение было слишком заумным.
Запомните следующее и старайтесь следовать этому (здесь «цепочка» — это один светодиод или несколько ПОСЛЕДОВАТЕЛЬНО-соединенных светодиодов):
1. КАЖДОЙ цепочке — свой ограничитель тока (резистор или драйвер…)
2. Маломощная цепочка до 300мА? Ставим резистор и достаточно.
3. Напряжение нестабильно? Cтавим СТАБИЛИЗАТОР НАПРЯЖЕНИЯ
4. Ток больше 300мА? Ставим на КАЖДУЮ цепочку ДРАЙВЕР (стабилизатор тока) без стабилизатора напряжения.
Вот так будет правильно и самое главное — будет работать долго и светить ярко!
Ну и надеюсь, что все вышенаписанное убережет многих от ошибок и поможет сэкономить средства и нервы.
Ну ладно, рябятке.
Нюансов еще очень много, а я и так уже немаленькую статью-то накатал. Пожалуй все остальное — в комментариях.
Засим откланиваюсь,
Всегда ваш — ЛедЗлыдень Борисыч.
www.drive2.ru
Стабилизатор НАПРЯЖЕНИЯ для светодиодов — DRIVE2
Светодиод это полупроводниковый прибор достаточно нежный: при выходе за пределы номинальных значений практически любого из его параметров сокращается его жизнь или он выходит из строя. Основной и самый важный параметр светодиода это его номинальной рабочий ток. Если он ниже, то светодиод просто теряет в яркости до порога запирания, а вот если он больше номинального — то светодиод может выйти из строя.
В самом простом варианте для ограничения тока используют токоограничительные сопротивления — резисторы, но при работе от нестабильной по напряжению бортовой сети автомобиля добиться номинального тока через светодиод сложно. Если используется один или несколько светодиодов, то проблема решается просто подбором сопротивления под самое большое напряжение бортовой сети, а вот если их много… Для стабилизации в таких случаях многие применяют линейные стабилизаторы напряжения. Это один из вариантов стабилизации, помимо применение стабилизатора тока. И многие здесь делают ошибки.

У трехножечного стабилизатора есть основные условия нормальной работы: это падение напряжение между входом и выходом и ток. Если подключить 12-ти вольтовый стабилизатор, то нормально он работать не будет, ибо минимальное входное напряжение у него 14.5 Вольта. Получится только ограничитель напряжения при скачках напряжения на входе. Если например гена не заряжает аккум, то напряжение на выходе будет далеко не 12 Вольт.
Оптимальный здесь будет применения стабилизатора на 8 Вольт. У него минимальное напряжение на входе 10.5 Вольта, что перекрывает весь рабочий диапазон напряжений борт. сети.
Если применять стабилизаторы на меньшее напряжение, то пропорционально уменьшению напряжения стабилизации на выходе увеличивается количество выделяемого тепла стабилизатором, что накладывает ограничение по току нагрузки. Короче говоря чем больше разница между входом и выходом стабилизатора, тем он больше греется при одном и том же токе нагрузки.
Лучше всего подходят для стабилизации напряжения ШИМ — DC-DC преобразователи напряжения, которые имеют высокий КПД и выделяют очень мало тепла, соответсвенно позволяют подключать намного большие токи нагрузки, чем простые стабилизаторы. Примеры таких стабилизаторов есть у krasherа

Ещё лучше использовать не стабилизатор напряжения а стабилизатор тока. Хотя я считаю, что стабилизатор тока актуален только при подключении единичных мощных светодиодов — без него никуда, а для стабилизации гирлянд мелких светодиодов стабилизатор напряжения ни чем не уступает стабилизатору тока.

Неправильная схема. Применять стабилизаторы тока или ещё хуже напряжения так нельзя! Любое отклонение падение напряжения одного из светодиодов приведет в нарушению токов во всех цепях. Например, если напряжение падения у светодиода LED2 уменьшится, то это вызовет большой протекающий ток через LED1,LED2,LED3, светодиоды этой цепи перегорят, что вызовет больший протекающий ток через остальные светодиоды.

Неправильная схема. Применять одно токоограничивающее сопротивление не рекомендуется. Будет перекос тока среди линий светодиодов, да и на резисторе будет выделяться много тепла. Схема на практике работать будет, но срок службы сократится однозначно.

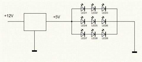
Правильная схема. Токоограничительные сопротивления стоят в каждой линии. Помимо ограничения тока они выравнивают ток в линиях. Если например на светодиодах падает ровно 2 вольта при рабочем токе, то можно слегка подняв напряжение на стабилизаторе до 9 вольт подключить в одну цепь 4 светодиода. Тогда нужно применить резисторы меньшего номинала, соответственно рассеивать тепла они будут меньше. Если при этом применить ШИМ стабилизатор, то получится высокий КПД
www.drive2.ru
Waden › Блог › LED. LM317 в стабилизаторе тока светодиодов. Или как надежно запитать светодиоды чтобы стабильно работали, не моргали и не сгорали.

Всё больше распространяется мода на светодиоды, в настоящее время многие сами ставят диодные ленты (для дневного света и многого другого ).
Наткнулся на следующую статью, которой и хочу со всеми поделиться:
«В настоящее время в нашу жизнь интенсивно внедряются светодиоды. Основная проблема оказывается как из запитать. Дело в том, что главным параметром для долговечности светодиода является не напряжение его питание, а ток который по нему течет. Например, красные светодиоды по напряжению питания могут иметь разброс от 1.8 вольта до 2,6, белые от 3,0 до 3,7 вольта. Даже в одной партии одного производителя могут встречаться светодиоды с разным рабочим напряжением. Нюанс заключается в том, что светодиоды изготовленные на основе AlInGaP/GaAs (красные, желтые, зеленые — классические) довольно хорошо выдерживают перегрузку по току, а светодиоды на основе GaInN/GaN (синие, зеленые (сине-зеленые), белые) при перегрузке по току например в 2 раза живут … часа 2-3! Так, что если желаете чтобы светодиод горел и не сгорел в течении ходя бы 5 лет позаботьтесь о его питании.
Если мы устанавливаем светодиоды в цепочки (последовательное соединение) или подключаем параллельно добиться одинаковой светимости можно только если протекающий ток будет через них одинаков.
Еще хочу заострить внимание на том что светодиоды очень боятся обратного напряжения, оно очень низкое 5 — 6 вольт, импульсы обратного тока (а автомашинах) способны значительно сократить срок службы.
Значить как сделать самый простой стабилизатор тока?
Для этого берем LM317 если нужно стабилизировать ток в пределах до 1 ампера или LM317L если необходима стабилизация тока до 0,1 А. Даташит можно скачать здесь!
Так выглядят стабилизаторы LM317 с рабочим током до 1,5 А.

А так LM317L с рабочим током до 100 мА.

Для тех кто не знает Vin — это сюда подается напряжение, Vout — отсюда получаем…, а Adjust вход регулировки. В двух словах LM317 это стабилизатор с регулируемым выходным напряжением. Минимальное выходное напряжение 1,25 вольта (это если Adjust «посадить» прямо на землю) и до входного напряжения минус наши 1,25 вольта. Т.К. максимальное входное напряжение составляет 37 вольт, то можно делать стабилизаторы тока до 37 вольт соответственно.
Для того чтобы LM317 превратить в стабилизатор тока нужен всего 1 резистор!
Схема включения выглядит следующим образом:

С формулы внизу рисунка очень просто рассчитать величину резистора для необходимого тока. Т.е сопротивление резистора равно — 1,25 разделить на требуемый ток. Для стабилизаторов до 0,1 ампера мощность резистора 0,25 W вполне годиться. На токи от 350 мА до 1 А рекомендуется 2 вата. Для тех кто не хочет считать привожу таблицу резисторов на токи для широко распространенных светодиодов.
Ток (уточненный ток для резистора стандартного ряда) Сопротивление резистора Примечание
20 мА 62 Ом стандартный светодиод
30 мА (29) 43 Ом «суперфлюкс» и ему подобные
40 мА (38) 33 Ом «суперфлюкс» и ему подобные
80 мА (78) 16 Ом четырехкристальные
350 мА (321) 3,9 Ом одноватные
750 мА (694) 1,8 Ом трехватные
1000 мА (962) 1,3 Ом 5 W
А теперь пример с учетом всего выше сказанного. Сделаем стабилизатор тока для белых светодиодов с рабочим током 20 мА, условия эксплуатации автомобиль (сейчас так моден световой тюннинг…).
Для белых светодиодов рабочее напряжение в среднем равно 3,2 вольта. В автомашине (легковой) бортовое напряжение колеблется (в опять же среднем) от 11,6 вольт в режиме работы от аккумулятора и до 14,2 вольта при работающем двигателе. Для российских машин учтем выбросы в «обратке» (и в прямом направлении до 100 ! вольт).
Включить последовательно можно только 3 светодиода — 3,2*3 = 9,6 вольта, плюс 1,25 падение на стабилизаторе = 10,85. Плюс диод от обратного напряжения 0,6 вольта = 11,45 вольта.
Полученное значение 11,45 вольта ниже самого низкого напряжения в автомобиле — это хорошо! Это значит на выходе будет всегда наши 20 мА независимо от напряжения в бортовой сети автомобиля. Для защиты от выбросов положительной полярности поставим после диода супрессор на 24 вольта.
P.S. Подбирайте количество светодиодов так чтобы на стабилизаторе оставалось как можно меньше напряжения (но не меньше 1,3 вольта), это надо для уменьшения рассеиваемой мощности на самом стабилизаторе. Это особенно важно для больших токов. И не забудьте, что на токи от 350 мА и выше LMка потребует радиатор.
наша схема:

В принципе супрессор для дешевых светодиодов можно и не ставить, но диод для в автомобиле обязателен! Рекомендую его ставить даже если вы просто подключаете светодиоды с гасящим резистором.
Как рассчитывать сопротивление резистора для светодиодов я думаю описывать излишне, но если надо пишите на форуме.
Еще забыл: — по схеме, если непонятно! На К1 подаем плюс «+», а на К2 минус (на шасси автомашины садим).»
P.S.: Я просто выложил статью, автор не известен, увы, подсказать по каждому конкретному случаю не могу!
P.P.S: Подписываемся на мой «спорткар»: www.drive2.ru/r/hyundai/875516/
www.drive2.ru
Правильное питание светодиодов
Каждый раз, читая новые записи в блогах сообщества я сталкиваюсь с одной и той же ошибкой — ставят стабилизатор тока там, где нужен стабилизатор напряжения и наоборот. Постараюсь объяснить на пальцах, не углубляясь в дебри терминов и формул. Особенно будет полезно тем, кто ставит драйвер для мощных светодиодов и питает им множество маломощных. Для вас — отдельный абзац в конце статьи. =)
Картинка для привлечения внимания. Думается, что тут все запитано абсолютно правильно =)
Для начала разберемся с понятиями:
СТАБИЛИЗАТОР НАПРЯЖЕНИЯ
Исходя из названия — стабилизирует напряжение.
Если написано, что стабилизатор 12В и 3А, то значит стабилизирует именно на напряжение 12В! А вот 3А — это максимальный ток, который может отдать стабилизатор. Максимальный! А не «всегда отдает 3 ампера». То есть от может отдавать и 3 миллиампера, и 1 ампер, и два… Сколько ваша схема кушает, столько и отдает. Но не больше трех.
Собственно это главное.
Когда-то они были такие и подключали к ним телевизоры…

И теперь я перейду к описанию видов стабилизаторов напряжения:
Линейные стабилизаторы (те же КРЕН или LM7805/LM7809/LM7812 и тп)
Вот она — LM7812. Наш советский аналог — КРЕН8Б
Самый распространенный вид. Они не могут работать на напряжении ниже, чем указанное у него на брюхе. То есть если LM7812 стабилизирует напряжение на 12ти вольтах, то на вход ему подать нужно как минимум примерно на полтора вольта больше. Если будет меньше, то значит и на выходе стабилизатора будет меньше 12ти вольт. Не может он взять недостающие вольты из ниоткуда. Потому и плохая это идея — стабилизировать напряжение в авто 12-вольтовыми КРЕНками. Как только на входе меньше 13.5 вольт, она начинает и на выходе давать меньше 12ти.
Еще один минус линейных стабилизаторов — сильный нагрев при хорошей такой нагрузке. То есть деревенским языком — все что выше тех же 12ти вольт, то превращается в тепло. И чем выше входное напряжение, тем больше тепла. Вплоть до температуры жарки яичницы. Чуть нагрузили ее больше, чем пара мелких светодиодов и все — получили отличный утюг.
Импульсные стабилизаторы — гораздо круче, но и дороже. Обычно для рядового покупателя это уже выглядит как некая платка с детальками.
Например вот такая платка — импульсный стабилизатор напряжения.
Бывают трех видов: понижающие, повышающие и всеядные. Самые крутые — всеядные. Им все равно, что на входе напряжение ниже или выше нужного. Он сам автоматом переключается в режим увеличения или уменьшения напряжения и держит заданное на выходе. И если написано, что ему на вход можно от 1 до 30 вольт и на выходе будет стабильно 12, то так оно и будет.
Но дороже. Но круче. Но дороже…
Не хотите утюг из линейного стабилизатора и огромный радиатор охлаждения впридачу — ставьте импульсный.
Какой вывод по стабилизаторам напряжения?
ЗАДАЛИ ЖЕСТКО ВОЛЬТЫ — а ток может плавать как угодно (в определенных пределах конечно)
СТАБИЛИЗАТОР ТОКА
В применении к светодиодам именно их еще называют «светодиодный драйвер». Что тоже будет верно.
Вот, к примеру, готовый драйвер. Хотя сам драйвер — маленькая черная восьминогая микросхема, но обычно драйвером называют всю схему сразу.
Задает ток. Стабильно! Если написано, что на выходе 350мА, то хоть ты тресни — будет именно так. А вот вольты у него на выходе могут меняться в зависимости от требуемого светодиодам напряжения. То есть вы их не регулируете, драйвер сделает все за вас исходя из количества светодиодов.
Если очень просто, то описать могу только так. =)
А вывод?
ЗАДАЛИ ЖЕСТКО ТОК — а напряжение может плавать.
Теперь — к светодиодам. Ведь весь сыр-бор из-за них.
Светодиод питается ТОКОМ. Нет у него параметра НАПРЯЖЕНИЕ. Есть параметр — падение напряжения! То есть сколько на нем теряется.
Если написано на светодиоде 20мА 3.4В, то это значить что ему надо не больше 20 миллиампер. И при этом на нем потеряется 3.4 вольта.
Не для питания нужно 3.4 вольта, а просто на нем «потеряется»!
То есть вы можете питать его хоть от 1000 вольт, только если подадите ему не больше 20мА. Он не сгорит, не перегреется и будет светить как надо, но после него останется уже на 3.4 вольта меньше. Вот и вся наука.
Ограничьте ему ток — и он будет сыт и будет светить долго и счастливо.
Вот берем самый распространенный вариант соединения светодиодов (такой почти во всех лентах используется) — последовательно соединены 3 светодиода и резистор. Питаем от 12 вольт.
Резистором мы ограничиваем ток на светодиоды, чтобы они не сгорели (про расчет не пишу, в интернете навалом калькуляторов).
После первого светодиода остается 12-3.4= 8.6 вольт.
Нам пока хватает.
На втором потеряется еще 3.4 вольта, то есть останется 8.6-3.4=5.2 вольта.
И для третьего светодиода тоже хватит.
А после третьего останется 5.2-3.4=1.8 вольта.
И если захотите поставить четвертый, то уже не хватит.
Вот если запитать не от 12В а от 15, то тогда хватит. Но надо учесть, что и резистор тоже надо будет пересчитать. Ну вот собственно и пришли плавно к…
Простейший ограничитель тока — резистор. Их часто ставят на те же ленты и модули. Но есть минусы — чем ниже напряжение, тем меньше будет и ток на светодиоде. И наоборот. Поэтому если у вас в сети напряжение скачет, что кони через барьеры на соревнованиях по конкуру (а в автомобилях обычно так и есть), то сначала стабилизируем напряжение, а потом ограничиваем резистором ток до тех же 20мА. И все. Нам уже плевать на скачки напряжения (стабилизатор напряжения работает), а светодиод сыт и светит на радость всем.
То есть — если ставим резистор в автомобиле, то нужно стабилизировать напряжение.
Можно и не стабилизировать, если вы расчитаете резистор на максимально-возможное напряжение в сети автомобиля, у вас нормальная бортовая сеть (а не китайско-русский тазопром) и сделаете запас по току хотя бы в 10%.
Ну и к тому же резисторы можно ставить только до определенной величины тока. После некоторого порога резисторы начинают адски греться и приходится их сильно увеличивать в размерах (резисторы 5Вт, 10Вт, 20Вт и тд). Плавно превращаемся в большой утюг.
Есть еще вариант — поставить в качестве ограничителя что-нибудь типа LM317 в режиме токового стабилизатора.
LM317. Внешне как и LM7812. Корпус один, смысл несколько разный.
Но и они тоже греются, ибо это тоже линейный регулятор (помните я писал про КРЕН в абзаце о стабилизаторах напряжения?). И тогда создали…
Импульсный стабилизатор тока (или драйвер).
Вот такой маленький может быть драйвер.
Он в себе включает сразу все что надо. И почти не греется (только если дико перегрузить или неправильно собрана схема). Поэтому обычно и ставят их для светодиодов мощнее 0.5Вт. Самый греющийся элемент во всей схеме — это сам светодиод. Но ему на роду пока написано — греться. Главное не перегреваться выше определенной температуры. А то если перегреть, то дико начинает деградировать кристалл светодиода и он тускнеет, начинает менять цвет и тупо умирает (привет, китайские лампочки!).
Ну а в заключении — к тому, что постоянно пытаюсь доказать в дискуссиях. И доказываю. Вот только каждому отдельно объяснять одно и то же — язык отвалится. Поэтому попробую еще раз в этой статье.
Постоянно наблюдаю такую картину — задают ток драйвером для мощных светодиодов (скажем — 350мА) и ставят несколько веток светодиодов без ограничительных резисторов и прочего. И ведь люди, то вроде бы и не самые ламеры, а совершают одну и ту же ошибку раз за разом. Рассказываю, почему это плохо и к чему может привести:
Из закона Ома для полной цепи:
Сила тока в неразветвленной цепи равна сумме сил тока на ее параллельных участках.
Многие так и считают — «каждая ветка по 20мА, у меня 20 веток. Драйвер отдает 350мА, значит на каждую ветку придется даже меньше — по 17.5мА. Бинго!»
А вот и не Бинго!, а Жопа! Почему?
Сила тока в каждой ветке будет равна, если у вас идеальнейшие светодиоды с абсолютно одинаковыми параметрами. Тогда и ток будет во всех ветках одинаков, и никаких ограничителей тока не надо — взяли и поделили общий ток на количество одинаковых веток. Но такое — только в сказках.
Если параметры чуть-чуть отличаются — получили в одной ветке 19мА, в другой 17, в третьей 20…
Общее количество тока так и остается неизменным — 350мА, а вот в ветках творится безумная кака. На взгляд и не определишь, вроде светят одинаково… И вот у вас одна ветка, самая прожорливая, начинает греться сильнее остальных. И жрать больше. И греться еще сильнее. А потом раз — и потухла. И все эти ее миллиамперы разбежались по остальным веткам. И вот еще одна ветка, недавно вроде нормально горевшая берет и тухнет следом. И уже вдвое больший ток уходит на другие ветки, ведь общий ток жестко задан 350мА. Процесс лавинообразный и вот уже пришел кирдык всей этой схеме, потому что все 350мА усосались в оставшиеся светодиоды и никто-никто их не спас… А стояли бы, как полагается, по отдельному стабилизатору (хотя бы банальному резистору) на каждой ветка — работала бы и дальше.
Вот как раз то, о чем я говорю. На картинке речь о 1Вт-светодиодах, но и с любыми другими картина та же.

Именно это мы и видим в китайских модулях и кукурузинах, которые горят как спички через неделю/месяц работы. Потому что светодиоды имеют адский разброс, а китайцы на драйверах экономят покруче, чем кто либо еще. Почему не горят фирменные модули и лампы Osram, Philips и тд? Потому что они делают довольно мощную отбраковку светодиодов и от всего дичайшего количества выпущенных светодиодов остается 10-15%, которые по параметрам практически идентичны и из них можно сделать такой простой вид, какой и пытаются сделать многие — один мощный драйвер и много одинаковых цепочек светодиодов без драйверов. Но только вот в условиях «купил светодиоды на рынке и запаял сам» как правило будет им нехорошо. Потому что даже у «некитая» будет разброс. Может повезти и работать долго, а может и нет.
Именно так!

Да и токовый драйвер по-сравнению со стабилизатором напряжения и копеечными резисторами как правило дороже. Ну нафига стрелять в мишень для мелкокалиберной винтовки из танка? Цель-то поразим, вопросов нет. Но вместе с ней еще и воронку оставим. =))
Запомните раз и навсегда!

Да и просто — сделать правильно и сделать «смотрите как я сэкономил, а остальные — дураки» — это несколько разные вещи. Даже очень сильно разные. Учитесь делать не как пресловутые китайцы, учитесь делать красиво и правильно. Это сказано давно и не мной. Я лишь попробовал в стотыщпятьсотый раз объяснить прописные истины. Уж звиняйте, если криво объяснял =)
Вот прекрасная иллюстрация. Разве вы думаете мне не хотелось сэкономить и уменьшить количество драйверов раза в 3-4?
Но так — правильно, а значит будет работать долго и счастливо.

Ну и напоследок тем, кому даже такое изложение было слишком заумным.
Запомните следующее и старайтесь следовать этому (здесь «цепочка» — это один светодиод или несколько ПОСЛЕДОВАТЕЛЬНО-соединенных светодиодов):
1. КАЖДОЙ цепочке — свой ограничитель тока (резистор или драйвер…)
2. Маломощная цепочка до 300мА? Ставим резистор и достаточно.
3. Напряжение нестабильно? Cтавим СТАБИЛИЗАТОР НАПРЯЖЕНИЯ
4. Ток больше 300мА? Ставим на КАЖДУЮ цепочку ДРАЙВЕР (стабилизатор тока) без стабилизатора напряжения.
Вот так будет правильно и самое главное — будет работать долго и светить ярко!
Ну и надеюсь, что все выше написанное убережет многих от ошибок и поможет сэкономить средства и нервы.
За эту статью скажите большое спасибо ее автору и моему другу — Максу Shuffle (www.ledtune.com)
ufo-ts.ru
