Led солнечные батареи – ƒ↓ Солнечная батарея из светодиодов
ƒ↓ Солнечная батарея из светодиодов
Раньше я уже рассматривал солнечные батареи и их важность в статье про садовую лампу. Но то было уже готовое решение.

Сейчас же я расскажу про свой опыт создания светодиодной солнечной батареи своими руками.
Прошу обратить внимание, что статья обозначена символами ƒ↓ (опыт не удался). Перед началом работы люблю смотреть похожие поделки и оценивать у кого что получилось. Вот тема одного форума, где этот вопрос всплыл раньше, но воплотить в жизнь и сделать развёрнутый обзор эффективности светодиодов никто не взялся.
Лично мне, идея пришла совершенно случайно, также случайно как я попал на чужую пару вольным слушателем. Там рассказывали про светодиоды и возможность их использования как фотодиодов. То есть, другими словами, светодиоды тоже преобразуют свет в электричество!
В дело вступает галогеновая лампа, купленная в статье про фотостол.
Галогенка выбрана не случайно, а за счет близости к солнечному спектру излучения и большой мощности.
Решил собрать и кое где открутить все светодиоды, которые были в нашей мозгочинской лаборатории.
Для максимальной точности сравнения все светодиоды подносились перпендикулярно и вплотную к центру лампы. Но прежде чем заглянуть в таблицу выберите, основываясь на личных знаниях и опыте, — какой светодиод выдаёт большее напряжение? Белый, красный, может инфракрасный?
| 5 мм | Вольт |
| Зеленый непрозрачный светодиод | 1,51 |
| Зеленый прозрачный светодиод | 1,48 |
| Ультрафиолетовый светодиод | 0,11 |
| Инфракрасный светодиод | 0,93 |
| Красный прозрачный светодиод | 1,37 |
| Оранжевый непрозрачный светодиод | 1,52 |
| Красный полупрозрачный светодиод | 0,52 |
| Белый светодиод | 0,32 |
| 3 мм | |
| зеленый непрозрачный светодиод | 1,52 |
| зеленый непрозрачный с отражателем !!! | |
| 10 мм | |
| Красный непрозрачный светодиод | 1,16 |
Кто загадывал зелёный, тому — зачот!
Поэтому выберем все зелёные индикаторные диоды.

Далее я спаял 9 светодиодов последовательно и еще 9 параллельно, чтобы сравнить эффективность при 2-х видах подключения. Остановился на 3 мм, т.к. они выдают такой же вольтаж, как и светики по 5 мм (ох и бесит меня это слово).


Результаты вышли следующими:
При последовательном подключении всего 1,25 V
и
параллельно 1,56 V. Я ожидал совсем иного. Силу тока измерять не удалось (из за моего мультиметра). Но я и так знаю, что она там ничтожно мала. Интересно, что при последовательном соединении напряжение только уменьшилось. Может это связанно с тем, что светодиоды частично потребляют энергию, которую сами же конвертируют из света!?
В общем слова профессора (с 1 Ф :)) ) подтвердились и ничего не вышло. Но чтобы убедиться в этом наверняка, я подключил светодиоды к электронному термометру, который питается от 1 полуторовольтовой таблетки. И…. барабанная дробь …
Ничего.(
Epic Fail!
Вывод: площадь p — n перехода у светодиодов очень мала (по сравнению с солнечной батареей). Например у модуля в садовой лампе полоска составляет несколько сантиметров.
Так же светодиод представляет из себя единицу готового изделия, стоимость модуля 100% превысит стоимость солнечных батарей
ПОДЕЛИТЕСЬ С ДРУЗЬЯМИ!
mozgochiny.ru
Солнечная батарея своими руками из диодов
Все человечество сегодня стремится использовать экологические технологии, которые позволяют экономить ресурсы. А что может быть экологичнее и экономнее, чем солнечная энергия? Пока солнце будет светить, его энергию можно и нужно использовать в своих целях. Но для этого необходим специальный улавливатель — солнечная панель или иначе — батарея.
Несмотря на то, что эта технология неновая, она все равно остается дорогостоящей. Поэтому многие умельцы предпочитают собирать такие устройства своими руками. Наиболее простой способ приобщиться к бесплатной энергии солнца, это собрать прибор из диодов. О том, как собрать это чудо инженерной мысли в домашних условиях, расскажет сегодняшняя статья.
Что за устройство такое?
Перед тем, как приступать к сборке солнечной батареи своими руками, необходимо выяснить, что же это такое.
Солнечная батарея представляет собой специальную фотопластину, которая в результате воздействия на нее солнечного света может изменять свою проводимость. Это процесс происходит с выделением электрической энергии.
Обратите внимание! Преобразование солнечного света в нужный вид энергии на сегодняшний день является самым перспективным путем развития в энергетическом плане.

Классический вид заводской солнечной батареи
И такое приобретение станет совсем не лишним в квартире или доме. А ее изготовление своими руками в домашних условиях несет некоторые плюсы. Так, можно сэкономить на покупке производственной модели. И, конечно же, получить определенное моральное удовлетворение, которое всегда приходит, если сделать хорошую вещь своими руками.
Решившись собрать подобное устройство диодного вида, необходимо знать принцип его работы. Солнечная батарея из диодов в своей основе может содержать два типа элементов:
- светодиоды;
- старые диоды.
Диод содержит в себе полупроводниковый кристалл с p-n-зоной. При воздействии на элемент солнечного света в области p-n-зоны начинает наблюдаться движение электронов, которые формируют собой направленный поток. В результате получается фототок. Благодаря такому принципу работы становится возможны сборка солнечной батареи своими руками из диодов.
Но здесь необходимо помнить, что вырабатываемое диодом напряжение будет очень маленьким (к примеру, около 0,5 В для диодов вида КД). При этом сила тока не будет превышать 7 мА. А вот для белого светодиода ток потребления может достигать до 20 мА. В результате, чтобы получить относительно нормальную мощность батареи нужно довольно много диодов.
Первый вариант сборки
Светодиод
Как уже стало понятно, на сегодняшний день солнечная панель домашними умельцами может изготавливаться в двух вариантах: из светодиодов и старых диодов.
Рассмотрим первый вариант, когда в качестве главного элемента будет выступать обычный светодиод.
Современные светодиоды могут широко применяться для самостоятельной сборки мини-солнечной батареи. У них принцип функционирования почти аналогичен обычным диодам. От последних светодиод отличается наличием специального корпуса. Он выступает в роли линзы, с помощью которой происходит фокусирование солнечных лучей на проводящем кристалле.
Обратите внимание! За счет наличия этой линзы вырабатываемое напряжение здесь будет несколько выше, чем у стандартных диодных элементов.
При этом нужно помнить, что вырабатываемое напряжение зависит от типа свечения светодиода:
- для красно-прозрачного элемента данный показатель будет равен примерно 1,3 В;
- для зеленого – 1,5 В;
- для инфракрасного – 0,9 В.
Установка элементов может производиться на плотном картоне или текстолитовой подложке. Собрав батарею из 100 светодиодов, можно получить силу тока примерно в 0,5 мА.
Процесс сборки происходит следующим образом:
Готовая батарея
- избавляем элементы от корпуса. Для этого можно использовать самые разнообразные подручные средства (молоток, долото и т.д.). Снимать корпус следует аккуратно, что избежать повреждения кристалла;
Обратите внимание! Корпус на светодиоде можно вообще не снимать.
- в качестве платы будем использовать картон. В нем проделываем небольшие отверстия. Отверстия делаем не как заблагорассудится, для этого используется схема. Выбирая схему, берите во внимание тот факт, что при последовательном соединении элементов их напряжение будет суммироваться, а при параллельном – суммироваться сила тока. Самый больший эффект будет при сочетании обеих схем подсоединения;
- в проделанные отверстия вставляем светодиоды и соединяем их между собой по выбранной схеме.
Все, батарея готова. Вам останется только проверить ее показатели с помощью регистрирующего прибора. Не ожидайте увидеть внушительные цифры. Зачастую при такой сборке аппарат будет выдавать ток в 0,3 мА.
По сути, кроме чисто «спортивного» интереса здесь мало чего можно добиться. Вы потратите деньги, время и силы, а получите минимальный результат. Еще одним минусом такого устройства будет большая площадь размещения диодных элементов.
Свечение панели
Поскольку для создания солнечной батареи использовались светодиоды, то они будут светиться. Самопроизвольное свечение таких элементов является еще одним минусом идеи использовать светодиоды для создания панели с целью преобразования электрического тока из солнечной энергии.
Такой эффект обусловлен тем, что часть элементов схемы станет генерировать электроэнергию. А вот другая их часть будет ее потреблять.
Обратите внимание! Убрать эффект свечения у светодиодной солнечной батареи невозможно.
Сюда же, к минусам конструкции, можно добавить и тот факт, что панель будет вырабатывать электроэнергию только под прямыми солнечными лучами. Если на небе будет хотя бы одно облачко или просто пасмурный день, то на выходе напряжение будет равно нулю.
Второй вариант
Старый диод
Другим вариантом сборки солнечной батареи будет использование старых диодов. Принцип их работы такой же, как и у современных элементов электросхем подобного плана.
В данном случае изготовление панели осуществляется следующим образом:
- открываем корпус диода, чтобы на его кристалл могли попадать солнечные лучи;
- верхнюю часть корпуса необходимо просто срезать. При этом нижнюю часть следует нагреть с помощью включенной газовой плиты. Держать элемент над огнем нужно не более 20 секунд;
- после того, как припой расплавился, можно без проблем извлечь кристалл. Для этого используем пинцет;
- вытащенные кристаллы следует припаять к плате. Схема приведена ниже. Она может отличаться в зависимости от нужных конечных параметров.
Схема установки
Чтобы получить 2-4 В, необходимо смонтировать 5 блоков, состоящих из 4-5 спаянных последовательно кристаллов. В результате вы получите требуемое напряжение при нужной силе тока. Параллельное подключение принесет меньшую силу тока. Такая собранная своими руками солнечная панель может использоваться для питания светодиодного устройства небольшого размера.
Заключение
Из диодов, конечно же, сложно собрать мощную панель для улавливания солнечного света. Ведь даже в своем самом лучшем исполнении (старые диоды) такое устройство будет малоэффективным и от него максимум можно будет запитать небольшой светодиодный прибор. Поэтому если вы не электротехник-любитель и всякого рода электросхемы – не ваша страсть и вы не особо любите с ними возиться, то не стоит тратить силы на сборку подобных батарей, а лучше купить заводскую модель и получать на выходе хороший результат. В такой ситуации вы гораздо быстрее окупите затраченные средства, да и с большим комфортом.
1posvetu.ru
Светодиодный уличный прожектор с 54 LED и аккумулятором на солнечной батарее
Добрый день всем. Сегодня хочу представить вам обзор светодиодного уличного прожектора на солнечной батарее. В обзоре проведу разборку и замеры некоторых параметров. Всех, кто заинтересовался, прошу под кат.Попросил как то меня товарищ помочь заказать светодиодный прожектор для освещения небольшого двора. Да чтоб он ещё был с аккумулятором и заряжался от солнечной батареи.
Я согласился помочь, с условием — разобрать фонарь и сделать на него обзор.
Фонарь выбрали, самый недорогой на момент покупки, в магазине Banggood. Стоимость, с учётом доставки, составила около 30$. Разместили и оплатили заказ 10.08.2017. На следующий день, на электронный ящик пришло сообщение о отправке заказа и трек номер для его отслеживания. Посылку отправили зарегистрированным отправлением службой доставки Deutsche Post, DHL.
29.08.2017 я получил СМС с информацией о доставке и позже получил свою посылку курьером службы «Міст Експрес». Трек номер всё это время не отслеживался.
Заказ, оплата


Посылка представляла собой большой целлофановый пакет, в котором была коробка с фонарём. Коробка была упакована в несколько слоёв мягкой, защитной ленты.
Коробка изготовлена из глянцевого картона с изображениями прожектора и солнечной панели.
Посылка, коробка
Содержимое коробки было следующим:
— Светодиодный прожектор (54 LED)
— Солнечная панель в комплекте с 5м. кабеля;
— Шурупы с пластиковыми дюбелями для крепежа;
— Инструкция.




Указанные на сайте характеристики товара :Солнечная панель: 6В * 3Вт
Источник света: светодиоды 3528 — 54шт
Режим включения/отключения: Ручной, и автоматический по освещенности;
Материал: Металлический корпус
Режим заряда: Солнечная энергия
Время заряда:5~8ч. (в зависимости от интенсивности солнечного освещения)
Время работы прожектора: 4000 мА/ч батарея, до 12-15часов
Длина кабеля: 5м
Степень защиты: IP65
Батарея: Li-polymer 3.7В/ 4000 Ма/ч
Размер солнечной панели: 16*14*1.7 cм
Размер прожектора: 9*11.5*6.6 см
Давайте подробнее рассмотрим содержимое коробки и проверим, соответствуют ли заявленные характеристики действительности?
Прожектор.
Корпус прожектора выполнен из металла, который окрашен в матовый чёрный цвет. Можно условно разделить прожектор на » осветительную часть» и «силовую часть» На передней стороне, под защитным стеклом, располагается панель с 54 светодиодами типа SMD 3528.
Задняя сторона прожектора это отсек, в котором находится плата управления и аккумуляторная батарея на 4000 мА/ч. Также на крышке расположен выключатель и сальниковый гермоввод с питающим кабелем. Хочу отметить присутствие силиконовых прокладок и резиновый колпачок на выключателе, их наличие подтверждает задекларированную степень защиты IP65 (далее будет видно при разборке).
Степень защиты IP



На корпусе, для лучшего рассеивания тепла имеются несколько рёбер. Также присутствует дужка для крепления.


Общее впечатление от качества прожектора положительное. Собрано всё очень добротно.
Заглянем во «внутренний мир» прожектора.
Разбираем сначала заднюю «силовую» часть.
Откручиваем крышку гермоввода и отодвигаем сальник. Затем откручиваем 4 винта на крышке заднего отсека.

Под крышкой находятся: плата управления, Li Polymer батарея 4000мА/ч (собранная из двух аккумуляторов 18650), выключатель.



Плата управления.
Рассмотрим простейшую плату управления прожектором.
Для понимания алгоритма её работы зарисовал схему. Алгоритм прост — на плате находятся два транзистора: полевой (для включения светодиодной панели, и биполярный (для управления полевиком). Когда солнечная панель даёт напряжение (в светлое время суток), биполярный транзистор закрывает полевой и отключается светодиодная панель. Вместе с этим происходит заряд батареи. Когда стемнело и солнечная панель перестала вырабатывать напряжение, биполярный транзистор открывает полевик и зажигается светодиодная панель. Естественно всё вышесказанное происходит при включенном выключателе питания. На плате отсутствует какой либо драйвер для светодиодов, вместо него установлен токоограничительный резисор.
Подробнее о батарее питания.
Батарея была приклеена на двухсторонний скотч к задней крышке отсека. Собрана из двух аккумуляторов 18650. Имеется схема защиты от перезаряда и переразряда. Замерять реальную ёмкость нет ни времени, ни желания. Если в результате тестирования выявится явный недостаток в ёмкости, несложно будет заменить на новые аккумуляторы с проверенными характеристиками.

Плата защиты состоит из двух сдвоенных полевых транзисторов и контроллера. И служит простейшим контроллером заряда/разряда. Приведу приблизительную её схему.
Осветительная часть.
Разберём «осветительную» часть прожектора. Откручиваем 4 винта, снимаем защитную металлическую рамку. Затем снимаем стекло и силиконовую прокладку под ним.
Далее откручиваем 2 винта и снимаем светодиодную панель. Два винта кто то решил сэкономить. 
Светодиодная панель выполнена на алюминиевой подложке для лучшего охлаждения светодиодов.



Собираем всё в обратном порядке. При сборке добавил герметика в отверстия между осветительной и силовой частью, в которых проложены провода от светодиодной панели.


Мощность прожектора.
Замеряв напряжение на батарее и ток потребления, нехитрым образом можно вычислить мощность прожектора.
Напряжение батареи 4.24В.
Потребляемый ток, при работе прожектора 0,47А
Следовательно мощность прожектора: P=U*I =4.24*0.47=1.99 Вт.
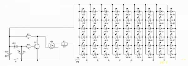
Из полной схемы фонаря, мы можем просчитать ток для используемых светодиодов SMD3528.
На схеме мы видим токоограничительные резисторы R2-0,5 Ом и R4-1,5 Ом, которые при выше измеренном токе 0,47А создадут падение напряжения: 2 Ом * 0,47А = 0,94В. По характеристикам напряжение питания для SMD3528 2,8 — 3,2В. Токоограничительный резистор садит напряжение батареи с 4,25 В примерно до 3,2В. 
Все светодиоды соединены параллельно, мы можем просчитать ток на каждом из них. При токе 0,47А и количестве светодиодов 54шт, приблизительный ток для каждого светодиода будет равняться 0,47/54 = 0,008А. Полученное значение тока меньше половины номинального тока для SMD 3528. Следовательно есть надежда на более длительный срок эксплуатации диодов.
Расчет резистора для светодиодной панели
Расчёт резистора для светодиода — очень важный момент перед подключением светодиода к источнику питания. Ведь от этого зависит то, как будет работать светодиод. Если резистор будет иметь слишком маленькое сопротивление, то светодиод может выйти из строя (перегореть), а если сопротивление будет слишком велико, то светодиод будет излучать свет слабо.Расчёт резистора для светодиода производится по следующей формуле:
R = (Vs — Vl) / I
Vs — напряжение источника питания (В). 4,24В
Vl — напряжение питания светодиода (примем среднее значение 3 В).
I — ток светодиода (в нашем случае 25 мА = 0.025 А)
Расчет для номинальной мощности светодиодной панели из 54 светодиодов SMD3528:
R=(4.24 В — 3 В) / (0.025 А *54 шт.) = 0,91 Ом.
В нашем случае установлены 2 резистора с общим сопротивлением 2 Ом.
Из обратного вычислим ток на 1 светодиоде: 2 Ом = (4.24 В — 3 В) / (I*54 шт.), отсюда I = 0.01А (в 2 раза ниже номинального значения.)
Солнечная панель.
Солнечная панель выполнена в герметичном пластмассовом корпусе, курочить её не поднялась рука.
На панели указаны её характеристики.



Панель к прожектору подсоединяется при помощи кабеля длинной 5м. Хотелось бы отметить разъём, который также обеспечивает указанную степень защиты IP65.


Параметры солнечной панели проверил в не очень солнечный сентябрьский день. Замерял напряжение и ток короткого замыкания. Замеры выполнял в 14.30, хотя где то читал, что рекомендуется делать это в полдень.
Напряжение, которое выдала солнечная панель составило 6,79 В.
Ток короткого замыкания составил 0,47А. Учитывая что солнце уже было не в зените, думаю что реальные параметры солнечной панели очень близки к заявленным. И она способна зарядить аккумулятор 4000 мА/ч за 10-12 часов.

На следующий день сделал замер на солнце в полдень. Параметры соответствуют указанным производителем.
Солнечная панель очень чувствительна к загрязнению или препятствиям в её освещении. Через оконное стекло ток короткого замыкания был почти в 2 раза меньше, чем просто на улице.
Как светит.
Люксметром к сожалению не обзавёлся, но могу сказать, что светит фонарь с широким углом освещения и очень ярко. Товарищу, для освещения небольшого двора вполне хватит.
Сделал несколько фото без прожектора и с ним.


Проверил прожектор на автономность. Включил его с отсоединённой солнечной панелью в 19.50. Во время работы нагрева не наблюдалось. Следующим утром, в 7.50 прожектор всё ещё горел, Яркость естественно была ниже номинальной.
С утра до вечера в солнечный день прожектор зарядился до 4.2 В и снова готов к работе.
Вот пожалуй и всё, что я хотел показать Вам в этом обзоре.
Вывод.
Поскольку в изделии отсутствует оптика, то называть его скорее всего лучше фонарём. Фонарь справится с поставленной ему задачей. Товарищ доволен. ИМХО такого рода устройство сможет стать полезной вещью в частном доме, на даче, в походе и обязательно найдёт своего покупателя.
Что понравилось:
— Добротная сборка
— Возможность автономной работы
— «Щадящий» режим работы светодиодов
— Реальная степень защиты IP65
Что не понравилось:
— простая схема управления
— возможно в пасмурную погоду прожектор будет заряжаться не полностью (хотелось бы солнечную панель больших размеров)
— придётся колхозить крепление для панели.
Всем добра!
Спасибо за внимание.
mysku.ru
Изготовление солнечной батареи из светодиодов своими руками
Светодиоды и диоды под влиянием солнечных лучей или даже яркого света ламп способны производить электрический ток. Это значит, что их можно применить для своей самодельной панели. Самодельная солнечная батарея из диодов станет маленьким дополнительным источником электрического тока.
Необходимые материалы и инструменты
Для изготовления солнечной панели своими руками нужно подготовить:
- Светодиоды или диоды.
- Картонку или пластмассовую панель. Лучше взять панель от старых устройств (стабилизатора, радио). Эти панели имеют в себе много отверстий, в которые удобно вставлять контакты диодов. В картонке эти отверстия придется делать своими руками.
- Диод Шоттки. Необходим для предотвращения обратного движения электрического тока.
- Медные провода.
- Аккумулятор. Вполне подойдут аккумуляторы от фонариков, выпущенных в Китае. Обычно, один из них имеет напряжение 4 В и емкость не больше 1 500 мА.
- Олово.
Для изготовления солнечной панели нужны инструментами:
- Паяльник.
- Нож.
- Молоток.
- Плоскогубцы.
- Амперметр и вольтметр.
Подготовка кристалликов-полупроводников
В светодиодах кристаллики видимые. Они размещены под стеклянной или прозрачной пластиковой линзой. Некоторые рекомендуют разбивать ее молотком, некоторые советуют оставить ее, поскольку она может собирать свет в пучок и направлять его на полупроводник. Это позволяет улучшить производительность кристаллика. Если использовать светодиод по главному назначению, то эта линза будет рассеивать созданный им свет.
Процесс разбора таков:
- Разбивают молотком стеклянный держатель верхнего контакта.
- С помощью плоскогубцев открывают диод. В середине размещается полупроводник. Он надежно зафиксирован на основании диода. При этом к его верху припаян медный провод. Последний соединен с верхним контактом диода.
- Берут нижнее основание с кристалликом и отправляются к газовой плитке. Держа основание диода плоскогубцами, его подносят к огню и нагревают. Кристалл должен находиться вверху. Основание нагреется, а вместе с ним горячим станет олово. Из-за этого оно растопится. Далее, используя пинцет, вынимают полупроводник.
Если будут использоваться стеклодиоды, то подготовка не является необходимой. Их можно сразу размещать на пластине.
Проведение расчетов
Самодельная солнечная панель представляет собой изделие, которое должно создавать ток желаемых характеристик. Поэтому нужно определить, сколько полупроводников стоит использовать.
Для этого необходимо измерить напряжение и силу тока, созданного одним полупроводником. Это делают с помощью специального инструмента. Все измерения проводят после того, как кристаллик оказался под солнечными лучами.
Полупроводник с диода кд2010 способен создать ток с напряжением до 0,7 В и силой до 7 мА. Стеклодиоды могут генерировать ток с напряжением до 0,3 В и силой до 0,2 мА.
Лучшую производительность способен продемонстрировать оранжевый, зеленый и красный светодиоды. Поскольку есть множество моделей светодиодов с кристаллами разных размеров, следует провести измерения каждого из приобретенных.
Расчеты проводят так:
- Определяют желаемые параметры солнечной батареи. Пусть при нормальном (среднем) солнечном свете она создаст ток с напряжением 9 В и мощностью 1 Вт.
- Определяют необходимое количество кристалликов, отталкиваясь от нужного напряжения. Напряжение созданного одним полупроводником диода кд2010 достигает 0,7 В. На практике оно будет меньше. Пусть оно будет достигать 0,5 В. Чтобы увеличить напряжение, нужно эти кристаллики подключить последовательно. При таком подключении общее напряжение будет равно сумме напряжений всех узлов. Нужно в одном ряду разместить 18 кристалликов.
- Вычисляют силу тока. В одном ряду последовательно подключенных кристалликов она будет одинаковой – 7 мА. Для ее наращивания нужно выполнить параллельное подключение. Нужно сделать несколько рядов. Общая сила тока будет равна сумме сил тока всех рядов. Чем больше рядов, тем больше она будет. В нашем случае нужно обеспечить мощность, равную 1 Вт. То есть сила тока должна составлять 1/9 = 0,111 А = 111 мА. Почти такую силу тока можно получить из 15 рядов. Она составляет 7х15 = 105 мА. Лучше сделать 16 рядов.
- Определяют необходимое количество кристалликов (18х16 = 288).
Изготовление
Солнечную батарею из диодов или светодиодов делают так:
- Берут картонную основу и делают в ней вырезы. Если есть пластмассовая панель от стабилизатора, то приступают к следующему этапу.
- Размещают на пластине подготовленные полупроводники. Их раскладывают рядами. Контакты кристалликов должны проходить через основание и выходить на второй стороне.
- Прикладывают сверху картон и переворачивают пластину с кристалликами. Ставят на стол.
- Паяют контакты. В каждом ряду контакт «+» одного полупроводника паяют с контактом «-» другого. Ряды соединяют параллельно, то есть отдельно спаивают контакты «+» и отдельно контакты «-».
- К выходному проводу с зарядом «+» подключают диод Шоттки.
- Выходные провода соединяют с аккумуляторами. Их общее напряжение должно быть меньше напряжения тока, выходящего из панели. Для повышения их общего напряжения батареи соединяют последовательно.
- После ставят сделанную панель под солнечные лучи.
poluchi-teplo.ru
Светодиодное освещение. Солнечная энергия
В наше время очень большое внимание уделяется солнечной энергии, сейчас очень много проектов по использованию это энергии в разных направлениях. Я интересуюсь идеями по использованию этой энергии в повседневной жизни. (У меня уже есть радиоприемник, работающий на солнечной энергии, но мне не приходилось еще использовать его в экстренной ситуации),
Содержание статьи

Прошлым летом мой отец пожаловался, что его задний двор плохо освещается. Дело в том, что для освещения обычным источником электричества ему придется прокладывать длинные провода (более 100 ярдов). К тому же провода нужно глубоко закапывать, что бы не повредить газонокосилкой. И я решил помочь ему.

Я решил сделать очень яркую систему освещения, автономно работающею от солнечной энергии, и таким образом избавить его от хлопот по прокладке кабеля под землей и разного рода выключателям.
В качестве источника света я решил использовать светодиоды большой яркости и вмонтировать их в металлический корпус.
Как собрать всю эту автономную систему на солнечных батареях, я хочу рассказать вам в своей статье.
1. Шаг первый: что нам понадобится
Чтобы было легче все сделать, мы просто переделаем обычные светильники в светодиодные, работающую от солнечных батарей. Большинство нужных нам частей уже будут готовы. Мы главным образом просто обеспечим электричеством источники света. Ну и конечно для этого придется немного поработать паяльником.
Части:
- Дешевая система освещения (С 2 или больше металлическими «светильниками»)
- Толстый двухжильный кабель
- Мощные светодиоды (1 ватт или 3 ватта на ваш выбор)
- Драйвер (контроллер для светодиодов)
- Алюминиевые теплоотводы
- Термопаста
- 18-вольтовая (или выше) Солнечная батарея
- 12-вольтовый контроллер для солнечной батареи
- 12-вольтовый аккумулятор
- Провод
- Пластмассовый контейнер
- Клемники для проводов
- припой
Датчик освещенности:
Транзистор PNP (я использовал TIP42),
Печатная плата (макета)
Резистор на 10,000 Омов
1N4001 Диод
Инструменты:
- Паяльник
- кусачки
- Отвертки
- Инструмент для снятия изоляции и резак
Стоимость: $75-100
Время: 2 — 3 часа
Все электронные компоненты я купил подешевке на eBAy. Расходные материалы можно взять в любом хозяйственном магазине как я и поступил. Общая стоимость этого проекта была в диапазоне $75-100. Не очень дорого по сравнению с готовой системой автономного освещения да еще к тому же работающею от солнечной энергии.
Я также купил более дорогой контроллер, чем мне был нужен. Можете сэкономить 10$ купив более дешевый.
Большую часть времени вы потратите на то, что бы понять какие провода куда подключить. Количество реальной работы (сборки) довольно небольшое.
Сверхяркие светодиоды, отличаются от обычных. Они используют много тока и сильно нагреваются. Я покупал на eBay за несколько долларов. Я решил использовать диоды на 3 ватта. Но для начала вам вполне хватит на 1 ватт.
Вы должны, иметь ввиду что для работы этих светодиодов необходим драйвер. Это — устройство, разработано для того чтобы отрегулировать ток и не позволить сгореть светодиоду. Плюс Вы можете использовать светодиоды любого цвета, не меняя при этом резисторы. Довольно удобно. Перед покупкой драйвера вам необходимо определится с его мощностью. Мой драйвер может обработать 10 ватт, чего вполне достаточно что бы работали два 3 ваттных светодиода на 12 В. (Более точная информация в инструкции, файл PDF. )
На картинке выше я использую драйвер слева. Он может обработать 10 ватт нагрузки. Тот, что справа вы можете использовать, чтобы привести в действие один светодиод мощностью 1 ватт. Тот что слева дороже. Я выбрал драйвер подороже, так как у него есть дополнительные функции, Вы можете использовать стандартный драйвер он дешевле.
(Под дополнительными возможностями я имею в виду то, что к нему можно в дальнейшем подключить микроконтроллер и добиться разных эффектов, к примеру стробоскопа)
Шаг 3 разбираем светильники
Задача просто разобрать светильник и вынуть из него всю электронную начинку, оставляем только корпус.
Шаг 4 вставляем провод
Теперь берем жесткий двухжильный кабель, который приготовили и продеваем его в корпус.
Это не очень удобно так как кабель жесткий. Я использовал для этого кусачки.
Удостоверьтесь, что оставили хорошее количество провода, для того что бы спаять его.
(Удостоверьтесь, что Вы пронизываете его тем же самым способом как оригинальный провод.)
Шаг 5 пайка светодиодов
Зачистите и облудите концы провода.
Используйте крепежник для пайки.
Теперь припаяйте один провод на + контакт и один на — контакт.
После того как припаяли светодиод монтируем на него теплоотвод. Он нужен для того что бы наш светодиод не перегрелся так как он находится в замкнутом пространстве.
Шаг 6 сборка светильника
Теперь закрепляем светодиод в корпусе.
(Я просто втиснул его в место, где была лампа. У меня не возникло никакой потребности в клее или скотче. Если вы решите приклеить его то удостоверьтесь в том что клей выдержит высокую температуру.)
Соберите корпус светильника.
Теперь у вас есть светодиодный светильник в готовом герметичном корпусе!
Далее делаем такие же светильники.
Я сделал 2 светильника для этого проекта.
Шаг 7 делаем корпус
Поскольку это все будет снаружи, я решил сделать хороший герметичный корпус, который бы не боялся влаги.
Я взял простую пластмассовую коробку и вмонтировал в нее зажим для кабеля. Он позволит просунуть 2 или несколько проводов вместе и герметично их закрепить. Я нашел его в местном хозяйственном магазине.
Чтобы сделать отверстие я воспользовался паяльником и просто проплавил в корпусе дырку, вы можете просверлить его, но будьте осторожны при сверлении пластика могут возникнуть трещины. Лучше сначала потренироваться на куске похожего пластика.
Как только отверстие было готово, я вкрутил в него зажим. Я также добавил герметик, чтобы защитить его от попадания воды. (Да, когда вы просунете через отверстие провода, там еще будет свободное место, там также нужно будет воспользоваться герметиком.)
Если Вы волнуетесь по поводу воды, которая может попасть через отверстие под крышкой, можете воспользоваться резиновым уплотнителем. Можете так же промазать все герметиком.
Шаг 8 провода и все остальное
Осталось подсоединить провода. Тяжелая работа закончена.
Я укоротил несколько проводов и зачистил их для того чтобы спаять с моим аккумулятором. Вы можете сделать так же или использовать специальные зажимы.
Далее я соединил + и — контакты с моим аккумулятором в клемники B+ и B- на контроллере.
Так дальше я подключил 2 провода в клемники L+ и L- на контроллере. С этих проводов пойдет питание на драйвер светодиодов.
Дальше на драйвере мы подключаем их в клемники V+ GND-.
Самое сложное позади.
Шаг 9 подключаем провода к светодиодным светильникам
Наши светильники будем соединять последовательно к драйверу.
Возьмите положительный провод от одного из ваших светильников и зацепите его в плюсовой клеммник драйвера. (Если вы не знаете, который положителен и который отрицателен, захватите мультиметр и сделайте быстрый тест.)
Отрицательный провод от светильника вставляем в клеммник.
Снимите положительный провод другого светильника, и поместите его в то же самое отверстие в клемнике.
Отрицательный провод, который у вас остался, вставляем в драйвер.
Более простым языком последовательная цепь означает, что все элементы стоят в одном ряду друг за другом от плюса к минусу. Если хотите можете добавить еще светильники и соединить их по такой же схеме.
Шаг 10 проверка
Ну, тут либо вас слепит яркий свет, либо вы что-то сделали не так. Надеюсь на первое.
Шаг 11 собираем все внутри корпуса
Хорошо теперь, когда вы знаете, как все соединить, пора собрать все в корпус. (Это означает что вам нужно отключить все провода что бы просунуть в отверстие для проводов. Но не беспокойтесь это просто!)
Просуньте все провода от светильников и солнечных батарей в коробку.
Теперь повторно соедините все вместе. Проверьте, работает?
(Зацепите Солнечную батарею к контроллеру солнечных батарей, вворачивая провода в клеммники S+ и S-. )
Шаг 12. Наслаждайтесь!
Хорошо. Вы должны получить очень много яркого света. Прикрепите его снаружи и наслаждайтесь. У Вас теперь есть большая система освещения, которая и выглядит классно и обеспечит много света.
Вы можете использовать эту схему со светодиодами разных цветов. Я наслаждаюсь прохладным освежающим «белым» светом.
Вы можете также использовать эту идею для освещения на пороге своего дома или даже внутри.
Ну и заключительный шаг для тех кто хочет полной автономной работы этой системы. Датчик освещенности, который будет включать светильники с наступлением ночи.
Шаг 13. Еще не все…
Сейчас многие из Вас, вероятно, задаются вопросом, почему я не говорил о датчике освещенности. Действительно без этого датчика система будет постоянно включена.
Для того что бы собрать такой датчик нам понадобится PNP транзистор, резистор на 10к Ом и диод.
Чтобы понять, что я имею ввиду, взгляните на схему сверху.
То, что мы делаем, использует транзистор в качестве «тумблера». Когда транзистор получает электричество от солнечной батареи (значение дневного времени), «тумблер» выключен. В ночное время, когда нет никакого электричества, поступающего от солнечной батареи, «тумблер» включается, и электричество поступает в светильники.
Похожий принцип используется в маленьких садовых фонарях. И это все по цене транзистора и резистора.
Главное найти достаточно сильный транзистор. Стандартный 2N3904 НЕ будет работать. Вам понадобится, что-то с более высокими рабочими напряжением и током.
Поскольку моя солнечная батарея составляет 21 В при 0.6 амперах я использовал мощный транзистор.
Другой способ, если использовать Микродиспетчер (такого как Arduino), чтобы управлять Драйвером. У Драйвера, который у меня, есть порт PWM. Было бы легко подключить Arduino в цепь, чтобы он работал как датчик темноты. Хотя если честно, это излишне для такого проекта.
Шаг 14. Делаем датчик темноты
Части:
- 1N4001 Диод (или что-то подобное)
- Транзистор TIP42 (или любой подобный транзистор PNP)
- Резистор на 10,000 Омов
- Печатная плата (макетка)
- Провод
- Теплоотвод
Инструменты:
- Паяльник
- Кусачки
Все что нужно сделать транзистор, резистор на плате и припаять к ним провода. Диод мы используем позже вместе с солнечной батареей.
*** Прежде, чем вы сделаете ЧТО-ЛИБО, Вы должны знать, что на транзисторе три ноги эмиттер, коллектор и база. Вы обязательно должны знать, где какая нога находится. Обычно эта информация находится на упаковке или корпусе транзистора, если нет, то поищите в интернете. ***
Поместите транзистор в середине платы и припаяйте его.
Найдите Основную ногу. Поместите резистор рядом с ней и спаяйте резистор. Теперь соедините одну ногу резистора к Основной ноге транзистора (базе).
Теперь зачистите провод. Нам нужно соединить один провод со свободным концом резистора, другой к ноге коллектора, и еще один к ноге эмиттера.
Также я приклеил теплоотвод на транзистор, чтобы исключить риск перегрева.
Шаг 15 подробно о транзисторе
Важно! Обязательно подпишите каждую ногу. Серьезно. Если Вы не сделаете этого, ваш транзистор может вспыхнуть и расколоться, как это случилось у меня.
Шаг 16 как подключить его в вашу систему
Последнее что осталось сделать, это подключить датчик и диод в нашу систему освещения.
Демонтируйте положительные провода от солнечной батареи, светодиодного драйвера и от контроллера. (Мы полностью избавляемся от положительного провода, идущего между контроллером и драйвером, и заменяем его этой схемой.)
Найдите Положительный провод от вашей солнечной батареи и соедините его с положительной ногой диода. Отрицательную ногу от диода нужно подключить к положительному контакту контроллера.
Возьмите Основной провод (база) от датчика Обнаружения темноты (это — тот который с резистором, если Вы сделали все правильно), и соедините его к диоду в том же самом месте, где Вы соединили положительный провод солнечной батареи. Или другими словами, ПЕРЕД диодом.
Затем, возьмите провод, который идет от эмиттера, и поместите его в плюсовую клемму в контроллере.
Наконец возьмите провод коллектора и поместите его в плюсовой клеммник драйвера.
Проверяем. Поверните солнечную батарею лицом вниз (так чтобы свет не поподал на нее) и следите, включатся ли светильники. Вы можете изменять чувствительность датчика меняя номинал резистора.
www.allremont59.ru
Солнечная батарея из светодиодов – минутное дело
Многие бы хотели перейти на альтернативные источники энергии, ведь это гарантирует не только чистоту окружающей среды, но и экономию денежных средств, но не у каждого из нас есть возможности, чтобы следить и уж тем более использовать последние достижения человечества в этой сфере. Но как говорится, голь на выдумки хитра. Под этим девизом и появилась солнечная батарея из диодов, которую может собрать каждый, кто любит эксперименты и устройства, собранные своими руками.
Но у каждой вещи, изготовленной в домашних условиях из подручных материалов, есть две стороны. Первая – это явная экономия и чувство морального удовлетворения, которое получаешь, когда держишь в руках предмет, который своим появлением обязан только тебе, а вторая – это отсутствие гарантии работоспособности и практичности самодельного устройства. Не обошла стороной эта участь и диодную солнечную батарею. Ну а какая сторона окажется сильнее, Вы узнаете дальше.
В чем заключается принцип работы
В основе всего лежит тот факт, что под действием солнечных лучей диод вырабатывает напряжение. Именно это знание и послужило толчком к тому, что на свет родилась идея изготовления солнечных модулей из диодов. Но проблема в том, что величина вырабатываемого напряжение крайне мала, поэтому для получения более или менее мощной батареи понадобится неограниченное количество диодов.
Если вы хоть раз видели диод, то вы знаете, что он представляет собой, для других же поясним, что диод – это кристалл, заключенный в пластиковый корпус, который выступает в роли линзы, концентрирующей солнечный свет на небольшом проводнике. Исходя из этого, можно предложить, что в теории солнечная батарея может быть изготовлена из диодов. Но как дела обстоят на практике?
Собираем солнечный модуль. 1 часть:
Процесс сборки
Первый шаг – избавиться от корпуса. Для этой цели подойдут любые подручные средства, можно воспользоваться молотком, но очень аккуратно, удары должны быть несильными и осторожными, чтобы не повредить сам кристалл. Но этот шаг можно и пропустить, оставив диоды в их первоначальном состоянии. В таблице 1 приведены значения напряжения для светодиодов разных цветов.
Таблица 1
| Светодиод | Напряжение, В |
| Красный прозрачный | 1,37 |
| Красный полупрозрачный | 0,52 |
| Инфракрасный | 0,93 |
| Зеленый прозрачный | 1,48 |
| Зеленый непрозрачный | 1,51 |
| Белый | 0,32 |
| Оранжевый непрозрачный | 1,52 |
В качестве платы можно использовать обычную картонку, в которой делаются небольшие отверстия. При параллельном соединении диодов суммируется их сила тока, а при последовательном – напряжение. Наибольший эффект дает сочетание обоих этих видов. Как вы понимаете, сам процесс сборки достаточно простой, но времени на него уходит много. Тем более что, чем большее количество диодов Вы используете, тем большее напряжение будет выдавать Ваша солнечная батарея.
Опыт разрешит все споры
Солнечная батарея из светодиодов готова, теперь остается проверить ее показатели. 100 диодов выдали нам ток всего в 0,3 мА, и стоило ради этого столько возиться?! Если сравнить самодельную СБ с заводской, мы получим крайне неутешительные результаты. Площадь в 7 раз больше, стоимость в 3 раза, а мощность на выходе в 8 раз меньше. Вывод можно сделать не в нашу пользу.
В теории напряжение должно возрастать пропорционально количеству используемых светодиодов, но на практике все совсем не так. Тем более чем больше количество, тем большая площадь потребуется для их размещения, а значит, возрастут потери при их соединении. Еще одна проблема – самопроизвольное свечение. Некоторая часть светодиодов будет генерировать электроэнергию, а другая наглым образом ее потреблять. И устранить этот недостаток невозможно. Ну и 3-я проблема – выработка энергии диодами возможна лишь под прямыми солнечными лучами, небольшое облачко на небе – и напряжение на выходе равно нулю.
Вывод напрашивается сам собой: идея изготовления солнечной батареи из доступных диодов с самого начала обречена на провал. Выгоднее переплатить и приобрести заводской модуль, чем изготовить его своими руками. Есть, конечно, неплохие варианты, но о них мы уже рассказывали в одной из наших предыдущих статей.
Статью подготовила Абдуллина Регина
Собираем солнечный модуль. 2 часть:
altenergiya.ru
Прожектор с 54 LED на солнечной батарее.
Добрый день всем. Сегодня хочу представить вам обзор светодиодного уличного прожектора на солнечной батарее. В обзоре проведу разборку и замеры некоторых параметров. Всех, кто заинтересовался, прошу под кат.Попросил как то меня товарищ помочь заказать светодиодный прожектор для освещения небольшого двора. Да чтоб он ещё был с аккумулятором и заряжался от солнечной батареи.
Я согласился помочь, с условием — разобрать фонарь и сделать на него обзор.
Фонарь выбрали, самый недорогой на момент покупки, в магазине Banggood. Стоимость, с учётом доставки, составила около 30$. Разместили и оплатили заказ 10.08.2017. На следующий день, на электронный ящик пришло сообщение о отправке заказа и трек номер для его отслеживания. Посылку отправили зарегистрированным отправлением службой доставки Deutsche Post, DHL.
29.08.2017 я получил СМС с информацией о доставке и позже получил свою посылку курьером службы «Міст Експрес». Трек номер всё это время не отслеживался.
Заказ, оплата


Посылка представляла собой большой целлофановый пакет, в котором была коробка с фонарём. Коробка была упакована в несколько слоёв мягкой, защитной ленты.
Коробка изготовлена из глянцевого картона с изображениями прожектора и солнечной панели.
Посылка, коробка
Содержимое коробки было следующим:
— Светодиодный прожектор (54 LED)
— Солнечная панель в комплекте с 5м. кабеля;
— Шурупы с пластиковыми дюбелями для крепежа;
— Инструкция.




Указанные на сайте характеристики товара :Солнечная панель: 6В * 3Вт
Источник света: светодиоды 3528 — 54шт
Режим включения/отключения: Ручной, и автоматический п
mysku.me
