Масляный обогреватель радиатор – 14 лучших масляных обогревателей — Рейтинг 2019 (топ 14)
Как выбрать масляный обогреватель | Блог
Для пользователей централизованного отопления покупка обогревателя вынужденная мера. Наша страна славится холодными зимами и не самыми качественными услугами ЖЭКа. Постоянные поломки и внеплановые отключения заставят задуматься каждого о дополнительном способе обогрева. Прошли те времена, когда приходилось спать под тремя одеялами и надевать весь гардероб. Производители позаботились о том, чтобы любой покупатель смог привнести в свой дом чуточку тепла.
Принцип работы

Масляные радиаторы широко распространены, имеют большой ассортимент моделей.
Представляют собой нагревательную систему в виде емкости, наполненную минеральным маслом. Все радиаторы изготовлены из металла, тэн накаляется и разогревает масло, циркулирующее масло нагревает металлические секции, которые отдают тепло в окружающее пространство.
Радиаторы безопасны для детей и питомцев, с таким обогревателем сложно обжечься. Температура секций практически такая же, как и у водяных радиаторов в квартире. Тэн надежно спрятан в корпусе прибора.
Приобретение масляного электрообогревателя замечательное решение для обогрева детской комнаты.
Критерии выбора
Мощность обогревателя. Пожалуй, первый показатель, на который необходимо обратить внимание. В зависимости от площади помещения можно рассчитать, какая мощность потребуется для обогрева. В среднем 1 кВт мощности обогревает 10 квадратных метров помещения, однако, при расчете стоит учитывать теплоизоляцию, тип окон.
Мощность масляных обогревателей не может превышать 3 кВт, такие приборы не сертифицированы и представляют опасность для пользователя.
В среднем показатель варьируется в пределах 1- 2,5 кВт. Если площадь вашего помещения превышает 30 кв.м., то необходимо задуматься о покупке двух электроприборов.
В зависимости от мощности напрямую формируется стоимость. Обогреватели до 1,7 кВт варьируются по цене от 1900 до 3400 р. С более высокой мощностью возрастает и цена, от 1,7 до 2, 5 кВт стоимость составляет 2400 – 5300 р.

Количество и тип секций. На рынке представлены модели обогревателей, имеющие от 5 до 13 секций. Секции могут быть узкими и широкими, в зависимости от их количества и необходимых свойств теплоотдачи. Узкие секции обогревают помещение медленнее, но и меньше потребляют электроэнергию. Такая конструкция секций позволяет уменьшить габариты прибора. Широкие секции быстрее отдают тепло и, соответственно, потребляют большее количество электроэнергии.
Тепловентилятор. Наличие встроенного вентилятора ускоряет процесс обогрева, металлические секции лучше отдают тепло, теплый воздух циркулирует ускорено и равномерно распределяется по помещению.
Вес и габариты. По размерам масляные радиаторы практически одинаковы, различие только в длине (количество секций) и ширине (тип секций). Высота радиаторов примерно на одном уровне, как и дизайн. Качественный масляный радиатор весит не мало. Легкий вес у большой конструкции обогревателя может говорить о слишком тонких стенках секций или недостаточном объеме масла.
Таймер и индикация. Наличие таймера позволяет установить время включения или отключения прибора. Таймер располагается на передней панели и установлен практически на всех моделях. Достаточно один раз выставить необходимые параметры и прибор будет ежедневно работать в удобном для вас режиме, а индикация зрительно оповестит о включении и отключении электроприбора.

Термостат позволяет задать и поддерживать температуру. Встречаются модели с механическим и электронным термостатом. Если мощность обогревателя выше, чем того требует площадь комнаты, то воздух пересыхает, климат в помещении становится некомфортным. Термостат позволяет предотвратить эту проблему.
Резервуар для воды. Известный факт – обогреватели снижают влажность в помещении, из-за этого возникает ряд проблем: одежда электризуется, дерево рассыхается, возникают проблемы с кожей и дыханием. Во избежание вышеописанных бед, производители дополнили конструкцию масляных радиаторов емкостью для воды. Емкость, часто съемной конструкции, располагается на передней панели. При контакте с нагретой поверхностью вода испаряется и частично восполняет уровень влажности в помещении.
Почти все обогреватели оборудованы колесиками, что позволяет без труда перемещать электроприбор из одной комнаты в другую. Так же производители выпускают крепления и колеса отдельно как расходные материалы.
Меры предосторожности
Как и любой другой электроприбор, масляный радиатор нельзя назвать абсолютно безопасным. Избежать нежелательных ситуаций помогут меры предосторожности:
— нельзя устанавливать прибор вблизи легковоспламеняемых и плавких изделий;
— не использовать радиатор в комнатах с повышенной влажностью (ванная, бассейн), даже если обогреватель оборудован влагозащитным корпусом;
— кабель питания не должен соприкасаться с металлическим корпусом обогревателя;
— при подключении через удлинитель необходимо точно знать какую мощность он выдерживает;
— электроприбор должен располагаться строго в вертикальном положении.
club.dns-shop.ru
устройство и изготовление своими руками
Хорошим источником тепла является масляный обогреватель.
Устройство подходит для основного и дополнительного отопления.

Сильные и слабые стороны обогревателя
Положительные моменты:
- Цена, радиаторы стоят дешевле аналогов при высокой эффективности.
- Компактность, прибор легко переносить с места на место, он легкий и удобный, оснащен колесиками для передвижения по комнате. Легко может поместиться в багажник автомобиля. При хранении не займет много места.
- Эффективность, радиаторы с большой мощностью способны обогреть большие по площади помещения, использоваться как единственный источник тепла. Для равномерного и быстрого прогрева помещений можно выбрать масляный обогреватель с вентилятором.
- Дизайн, привычный, спокойный и вписывается почти в любой интерьер.
- Безопасность, схема обогревателей исключает протечку масла, так как устройство корпуса закрытого типа. Поверхность нагревается, но при быстром касании ожогов не бывает.
- Экономность, датчик отключает прибор при достижении нужной температуры. Также есть возможность выбора мощности работы.
Обогреватель работает бесшумно, но при нагреве может немного «булькать» масло. Выпускаются настенные и напольные модели.
Недостаток в том, что бытовые радиаторы сушат воздух. Масляный обогреватель с вентилятором создаёт конвекцию, поэтому пыль будет подниматься.
От сухости воздуха поможет поставленная рядом емкость с водой, вода будет испаряться и насыщать воздух. Пыль под радиатором и вокруг него можно вытереть сырой тряпкой.
Особенности правильного выбора и хранения
Для выбора нужно знать площадь помещения, а также конкретные цели его использования. Для постоянного отопления или прогрева большой площади потребуется радиатор с большой мощностью. Для дополнительного источника тепла или обогрева рабочего места достаточно небольшого по размеру и мощности прибора.
Мощность всех обогревательных приборов рассчитывается по единой формуле – это площадь, умноженная на единицу мощности – 10 кв.м на 1 кВт. Для более точного расчета посчитайте, сколько в комнате окон и дверей, а также, если комната угловая (1-2 стены это фасад здания), то лучше перестраховаться и купить обогреватель мощнее. Для дачи тоже можно взять устройство мощнее.
Переключатель режимов и выбор уровня мощности – очень полезные функции, они помогут сэкономить и оптимально подобрать нужный температурный режим. Если обогреватель выбирается для дачи, то экономия электричества будет большая.
Можно выбрать прибор с таймером, увлажнителем, вентилятором или обогреватель с более симпатичным дизайном. Для удобства есть напольные, настенные, плоские приборы. Устройства черного цвета считаются более склонными к теплоотдаче. Чем больше обогреватель и чем больше «зубчики» радиатора, тем больше площадь прогрева и выше теплоотдача.
При покупке нужно проверить наличие повреждений корпуса, шнура и вилки питания, поворотных механизмов.

Хранение масляных радиаторов не требует особого подхода. Главное – содержать его в чистоте, сухости и плюсовой температуре. Хранение на даче зимой не рекомендуется. На обогреватель нельзя класть посторонние предметы, сушить белье или ставить в неестественную позицию (например, набок).
Настенные модели более удобны для хранения, они крепятся на специальные крепления и не мешают в период простоя. При включении нельзя использовать удлинители и тройники, лучше вывести под обогревательный прибор отдельную розетку, особенно для приборов с большой мощностью.
Устройство обогревателя
Устройство обогревателя с теплоносителем в виде минерального масла простое.
Для того, чтобы сделать масляный обогреватель своими руками, нужно разобраться в его устройстве, найти подходящую схему, выбрать материал, проявить фантазию.
Устройство обогревателя несложное:
- металлический корпус;
- панель (крышка) для управления мощностью;
- шнур питания.
Внутрь обогревателя заливается масло, для нагрева масла используется ТЭН. Нагревательный элемент греет масло, оно движется внутри корпуса радиатора и равномерно прогревает его. Корпус прогревает воздух.
Изготовление
В домашних условиях можно сделать обогреватель на отработанном масле. На даче это особенно актуально, отработку можно пустить в дальнейшее использование при борьбе с вредителями или пропитке дерева.
В качестве материала отлично подойдут старые трубы (в этом случае их нужно сварить между собой), радиатор от центрального отопления, подойдет как зубчатый, так и плоский. Главное условие, чтобы корпус был герметичным, и жидкость могла спокойно циркулировать в нем.
Количество масла должно закладываться, исходя из расчета примерно 85% от объема корпуса, остальное – это воздух. Нужно пробреси ТЭН. Важно, чтобы материалы подходили друг к другу и не вызывали неполадок. При этом чем больше корпус, тем больше будет мощность и теплоотдача, поэтому площадь помещения также важно знать.
После сбора необходимых материалов осталось всё соеденить. В основном работа заключается в сварке корпуса. При этом в верхней части можно оставить горловину (обязательно с крышкой), чтобы можно было менять или доливать теплоноситель. Далее идет подключение ТЭНа, его удобнее разместить в нижней части корпуса. Нагревательный элемент не должен касаться стенок корпуса.
Выводится шнур питания, корпус обязательно должен иметь заземление. Устанавливаются крепления или ножки, заливается масло. Перед пуском важно проверить герметичность устройства.
Главное придерживаться точной схемы подключения электропроводки к ТЭНу. Облагородить устройство поможет термостойкая краска.Обогреватель на отработанном масле можно легко сделать самому, его удобно использовать на даче в качестве основного отопления. Масляные обогреватели подходят для дома, дачи, гаража. Главное правильно выбрать модель.
poluchi-teplo.ru
Ремонт масляного обогревателя и различных его запчастей своими руками
Многие поломки отопительных устройств можно устранить самостоятельно, что будет весьма дёшево.
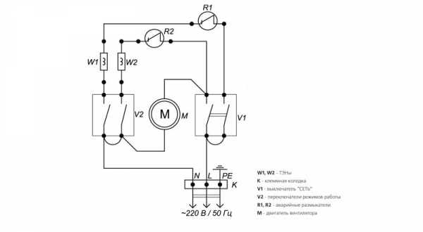
Строение радиатора
Провести ремонт обогревателя, который сломался, можно тогда, когда известно его строение. Оно является таким:
- Металлическая герметичная емкость в виде батареи или гармошки. В середине нее находится техническое масло. Оно заполняет 90% емкости. Остальную часть составляет воздух. Он необходим для компенсации расширения масла в результате нагрева. Если все внутреннее пространство радиатора было бы заполнено маслом, то емкость просто разорвало бы.
- ТЭН. Он находится в середине основной части радиатора. Его всегда монтируют внизу емкости. Он нагревает масло. Во время нагрева масло циркулирует по радиатору. Большинство производителей монтируют двойной ТЭН. Он имеет две спирали. ТЭН закреплен так, что все его контакты находятся на внешней стороне бака. Может быть встроенным или съемным.
- Термопредохранитель. Он размещается неподалеку от ТЭНа над нагревательным элементом. Задача предохранителя – измерять температуру масла и в случае, если она стала критической, или масло вытекло (тогда сильно нагревается корпус), отключить ТЭН. Он является вспомогательным элементом безопасности, поэтому очень редко вмешивается в работу аппарата. Бывает двух видов: биметаллическим и проволочным. Первый более надежный.
- Термореле. Его можно найти вверху обогревателя. Оно предназначено для регулирования нагрева радиатора. Основная часть этого элемента – биметаллическая пластина – находится в нагретом воздухе и реагирует на изменения его температуры. Над ним обычно имеются вентиляционные отверстия. Такие же есть внизу кожуха, который присоединен к основной металлической емкости.
- Два выключателя. Каждый из них соединен фазным, нулевым и заземляющим проводами, которые отходят от ТЭНа. К каждому из них подходит провод от теплового реле. Возле выключателей есть лампочка, которая при работе ТЭНа светится.
Разбор масляного радиатора

Ремонт масляного обогревателя своими руками всегда начинается с этой процедуры, ведь электрические элементы находятся под защитным кожухом, который прикреплен к одному торцу обогревателя. Причем производитель присоединил его так, что, кажется, будто он и корпус являются одним целым.
Радиатор разбирают так:
- Снимают крышку наверху кожуха. На ней есть слова «не накрывать» или do not cover. Для снятия используют отвертку.
- Ставят радиатор на бок, снимают пружину.
- Слегка разгибают пластмассовую или металлическую накладку и снимают ее. Это делают аккуратно, без резких движений. Иначе накладка может сломаться.
- Аккуратно откладывают в сторону кожух. Его получится только развернуть и поставить на пол у основной части устройства, ведь закрепленное на нем термореле соединено с ТЭНом коротким проводом.
Основные поломки
- Перегорание, загрязнение контактов.
- Неисправность вилки.
- Выход из строя термопредохранителя.
- Деформация биметаллической пластины.
- Поломкаа ТЭНа.
- Выход из строя датчика падения или положения.
- Утечка масла.
Ликвидация наиболее простых поломок

Этими поломками являются окисление, ослабление контактов, выход из строя вилки.
После разбора радиатора нужно проверить каждый провод. Это делают с помощью мультиметра или тестера. Сначала проверяют исправность вилки. Для этого к одному ее концу прикладывают одну клемму тестера. Вторую клемму тестера нужно приложить к соединению термореле и провода, отходящего от вилки.
Иногда может быть дополнительное соединение на кабеле питания. Его делают сразу после входа кабеля в корпус. Далее от этого соединения отходят провода к термореле и ТЭНу. Вторую клемму тестера нужно прикладывать к каждому проводу в таком соединении. Проверяют оба выхода вилки.
Если тестер не дал сигнала при поочередном приложении второй клеммы тестера к концу входного фазного и нулевого провода, то неисправной является вилка. Ее нужно заменить.
После этого тестером проверяют все остальные провода. Одна его клемма всегда прикладывается к вилке. Другой касаются всех клемм. Последовательность проверки такова:
- контакты термореле;
- контакты термопредохранителя;
- контакты регулятора работы ТЭНа;
- контакты ТЭНа.
Во время проверки термореле должно находиться в таком положении, при котором ТЭН будет работать. Его выставляют на температуру, которая больше имеющейся.

Если при проверке выходного контакта термореле нет сигнала тестера, то возможно плох контакт или сломалось термореле, а точнее биметаллическая пластина. Сначала обращают внимание на контакт. Клемму провода вытягивают и проверяют. Если она является чистой, нет окислений или копоти, то она исправная, и проблема заключается в основании крепления клеммы или термореле. Если клемма имеет перечисленные недостатки, то ее нужно почистить. В крайнем случае её заменяют новой.
Визуально можно проверить все контакты. Если клеммы чисты, без повреждений, то проблема не в них. Некоторые из контактов могут быть ослабленными. Тогда их докручивают или более сплющивают основание, в которое вставляется клемма.
Ремонт термореле и термопредохранителя
Этот процесс заключается в замене биметаллической пластины или всего элемента. Биметаллическую пластину нужно заменять тогда, когда она сильно деформировалась, и любое положение колесика реле не замыкает контакт.
Биметаллическую пластину меняют так:
- Выставляют наименьшую температуру нагрева.
- Снимают ручку регулятора.
- Выкручивают гайки, демонтируют рамку.
- Снимают биметаллическую пластину, ставят на ее место новую.
- Собирают регулятор.
- Проверяют правильность работы пластины. Для этого нужно повернуть ручку регулятора, изменив положение пластины и выставив определенный уровень температуры. Далее нагревают пластину феном или вентиляторным обогревателем до выставленного уровня температуры. Если она выгибается и контакт разъединяется, тогда она установлена хорошо. В обратном случае замена является неправильной. Решать сложность нужно, ослабляя давление пластины на контакт, который соответствует наименьшей температуре нагрева.
Выставление пластины в нужное положение – длительный процесс. Проще купить новый терморегулятор.
Аналогичные действия выполняют со сломанным термопредохранителем.
Ликвидация утечки масла
Нарушение герметичности основной части радиатора и утечка масла является наиболее частой проблемой этих обогревателей. Масло может вытекать через случайную пробоину или стенку, которая проржавела. Если имеет место второй вариант, то лучше приобрести другой радиатор, поскольку коррозия может разрушить большую площадь, чем видно. Поэтому через некоторое время возле заваренного или запаянного места потечет масло.
Пробоины или малые дырочки, трещины можно:
- запаять;
- заварить.
Первого варианта следует избегать. Пайка не может обеспечить надежного соединения, и при постоянном нагревании/охлаждении, прочный контакт припоя и металла бака начнет превращаться в трещину. Поэтому пробоину лучше заварить.
Подготовка обогревателя к пайке или сварке является одинаковой:
- Спуск масла из бака.
- Очистка проблемного места от грязи и ржавчины. Это можно сделать наждачной бумагой.
- Наливание воды в бак. Это позволит избежать возможного возгорания (внутри было масло, и его остатки точно сохранились).
- Переворачивание радиатора в такое положение, при котором вода не будет вытекать из пробоины.
Паять пробоину нужно серебряным, латунным или медно-фосфорным припоем. Оловянный использовать нельзя. Во время пайки обязательно используют горелку. Если планируется заварить отверстие, то используют инверторную сварку.

После ликвидации проблемы воду сливают, бак высушивают и заливают масло. Старое масло вряд ли подойдет, поскольку часть его успела вытечь. Поэтому его количества не хватит, чтобы наполнить емкость на 90%. Если известна марка и характеристики масла, то можно докупить такое же. Нельзя смешивать синтетические и минеральные масла. Если планируется залить новое масло, то берут только трансформаторное. Отработку использовать нельзя. Иначе на ТЭНе появится накипь.
Масло требует подготовки. Она заключается в нагревании его до температуры 90 °С и испарении. Более нагревать нельзя, поскольку начнется окисление и горение жидкости. Количество масла должно быть таким, чтобы не превышало 90% емкости бака.
Восстановление работы ТЭНа и датчика падения
Первый отремонтировать невозможно.

Если ТЭН встроенный, то нужно покупать новый радиатор потому, что если снять поврежденный нагревательный элемент можно, то поставить его на место так, чтобы не было утечки масла практически невозможно. Этот элемент завальцован в металлический корпус. Развальцевать его легко, однако выполнить очень качественную завальцовку сложно.
Ситуация со съемным ТЭНом проще. Его снимают и ставят на место другой. Подбираемые на место плохого нагревательного элемента запчасти должны иметь такую же мощность, быть сделанными из меди и плотно заходить в отверстие. Для герметизации используют термостойкие прокладки и герметик.
Правильность работы датчика падения проверяют, наклонив обогреватель в сторону и прозвонив контакты. Отсутствие сигнала говорит о неисправности датчика. Его ремонт является длительным, поэтому проще купить новый.
poluchi-teplo.ru
