Плуг своими руками для мотоблока нева – как сделать оборотный, Нева своими руками по чертежам
Как сделать плуг для мотоблока своими руками чертежи, фото, видео
Оглавление:
Делаем плуг для мотоблока своими руками
При помощи мотоблока могут выполняться самые различные сельхозработы, как то: пахота, покос, посев, посадка и выкапывание картофеля, моркови, лука окучивание и др. Но для каждой из этих работ потребуется специально предназначенный для нее сельскохозяйственный инструмент. Вот здесь то и возникает вопрос о том, что выгоднее: купить готовый плуг, или изготовить плуг для мотоблока своими руками.

Плуги включают несколько видов, каждый из которых имеет особую конструкцию. Так, сегодня для пахоты мотоблоком используются плуги однокорпусные, либо оборотные, или роторного типа.
Однокорпусный плуг
Однокорпусный плуг отличается наиболее простой конструкцией и наличием огромного числа чертежей его модификаций. Поэтому он представляет собой оптимальный вариант для изготовления своими руками, особенно для тех владельцев мотоблоков, которые не имеют необходимых навыков.
Изготовление самодельного однокорпусного плуга мотоблока не будет представлять каких-либо трудностей. Для него даже не нужно будет иметь какое-либо специализированное оборудование и инструменты. Вполне подойдут те, что хранятся в сарае или в гараже у каждого уважающего себя хозяина.
Плуг для мотоблока своими руками чертежи
Исходя из опыта людей которые делали плуг для мотоблока своими руками и чертежи, то нужно сделать лемех плуга съемным, чтобы затачивать его перед пахотой.
Лучший материал для изготовления режущей части плуга для мотоблока- легированная сталь 9ХС, идущая на диски циркулярных пил.

Сгодится и сталь 45, которая доводится до твердости HRC 50-55 закалкой. Если к вас есть только рядовая сталь, например углеродистая Ст.5, не подлежащая термической обработке, то ее тоже можно приспособить для резки пласта земли, отбив режущую кромку холодного лемеха на наковальне, и затем наточив ее.
Отвал для плуга мотоблока
Способ изготовления отвала №1. Рабочей поверхности отвала должна быть придана цилиндроидальная форма. Если есть листогибочные вальцы, то придать заготовке требуемую форму нетрудно.

Чтобы этого добиться, заготовку отвала, вырезанную газовой или электросваркой (либо ножницами) из стального листа толщиной 3-4 мм, подают на вальцы под углом 20°-23°, выгибают её, а затем молотком придают требуемую форму по шаблону.
Чертеж отвала плуга из листа стали 3 мм
Способ №2. Заготовкой для отвала может быть стальная труба с диаметром 550-600 мм и с толщиной стенки 4-5 мм. Вначале из плотного картона изготавливают шаблон отвала, затем шаблон прикладывается к трубе так, чтобы нижняя образующая шаблона отвала составляла с образующей цилиндрической трубы угол 20-23°.

Контур отвала рисуется мелом, затем он вырезается газовой сваркой и обрабатывается наждаком. Если необходимо, то форму отвала доводят молотком по имеющемуся шаблону.
Форма отвала плуга из трубы с диаметром 550-600 мм и с толщиной стенки 4-5 мм
Способ №3. Самым трудоемким способом получения отвала является помещение его заготовки в горн для нагрева (или нагрев ее другим способом). Затем заготовку гнут по матрице, в качестве которой можно брать отвал от другого плуга.
Материалом корпуса плуга служит стальной лист марки Ст.3-Ст.10 с толщиной 3 мм.
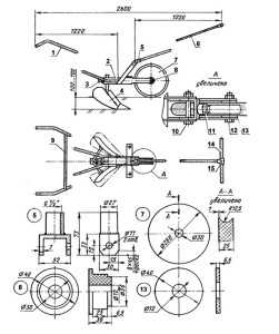
Чертеж деталей плуга:

- а – лемех из легированной стали;
- б — боковой щиток стойки, Ст3;
- в — распорная пластина, Ст3;
- г — пластина основания плуга, Ст3;
- д — полевая доска, уголок 30х30 мм;
- е — стойка, труба диаметром 42 мм
Рекомендуем вначале выполнить части плуга из плотного картона и соединить их между собой склеиванием с выдерживанием соответствующих углов. Так, значения угла альфа на разных частях корпуса плуга составят от 25° до 130°, значения угла гамма — от 42° до 50°. Если самодельная модель плуга из картона устроила вас по всем параметрам, смело начинайте работу с металлом.
Когда стальные части плуга будут сделаны, то для сборки его корпуса будет нужен вспомогательный лист стали толщиной 2-3 мм с размерами 500х500 мм, а также потребуется сварочный аппарат. На вспомогательном листе с отступом от краев 40 мм откладывается угол γ0.
Сборка плуга

- 1 — лемех;
- 2 — боковой щиток стойки;
- 3 – вспомогательный лист 2-3 мм
С использованием клиньев с углом α0=25° на вспомогательный лист устанавливается лемех и приваривается к листу точечно с двух сторон.
С лемехом стыкуется боковой щиток стойки в вертикальном положении так, чтобы его край заходил за край лемеха на 5-8 мм, при этом поднят боковой щиток должен быть выше, чем лезвие лемеха (то есть выше вспомогательного листа) на 6-10 мм, чтобы не мешать лемеху подрезать землю. Щиток также слегка приваривается к лемеху и к вспомогательному листу.
Затем к лемеху максимально плотно и без зазора прикладывается отвал, чтобы их поверхности были одним целым. Угол между верхним обрезом отвала и лезвием лемеха равен (γmax − γ0) = 6-8°.
Крепление лемеха плуга

- — лемех;
- — винт с потайной головкой М8;
- — отвал;
- — пластина основания;
- — уголок 30х30х90 мм;
- — гайка М8
Если обнаруживается, что углы и/или поверхности не соответствуют, то отвал дорабатывается молотком. После подгонки отвала к лемеху он сзади прихватывается сваркой как к лемеху, так и к боковому щитку. Затем боковой щиток сваривается с распорной планкой и пластиной основания, к последней сваркой прихватываются упорные уголки для лемеха.
Плуг еще раз подвергается осмотру и сваривается капитально, при этом вспомогательный лист, используемый для сборки плуга, отделяется от его корпуса зубилом или «болгаркой» с отрезным диском. Упорные уголки лемеха капитально привариваются к пластине основания. Затем все сварные швы зачищаются, а поверхности отвала и лемеха обрабатываются шлифшкуркой.
Плуг поворотный для мотоблока, самодельный
Поворотный плуг — универсален, применяется на мотоблоках, содержит на стандартной одинарной сцепке ручной поворотный механизм. Как известно, при пахоте почвы обычным плугом за один проход пласт земли переворачивается лемехом в одну сторону. Чтобы земля следующего ряда переворачивалась в ту же сторону приходится возвращаться к началу предыдущего ряда и начинать с той же стороны участка.

Размеры плуга для мотоблока
Поворотный плуг характеризуется наличием трех конструктивных плоскостей: нижней горизонтальной плоскости полозка, боковой вертикальной плоскости полозка и передней отвальной плоскости. Если после снятия лемеха и отвала плуг поставить на горизонтальный стол, вплотную придвинутый к стене, и прижать его боковую поверхность к вертикальной стене, то поверхность стола совпадет с нижней горизонтальной плоскостью полозка, а вертикальная стена с боковой вертикальной плоскостью полозка.

- Первым условием хорошего плуга является расположение нижнего режущего края установленного лемеха на 10…20мм ниже нижней горизонтальной плоскости полозка.
- Вторым условием хорошего плуга является составление боковым режущим краем установленного лемеха прямой линии с боковым режущим краем отвала, причем оба они должны выступать на 10мм за боковую вертикальную плоскость полозка.
- Третье условием хорошего плуга является примыкание передней рабочей поверхности лемеха к отвалу в одной плоскости и без зазора. Они не должны иметь выступающих крепёжных элементов, но должны быть заполированы и блестеть, как зеркало.

По завершении работ с плугом рекомендуется полированные поверхности очистить от грунта, полить машинным маслом или смазать Литолом-24 и растереть ветошью. Это позволит защитить полированные поверхности от коррозии.

Четвёртым условием хорошего плуга является ровная тыльная сторона лемеха, составляющая с плоской поверхностью установки плуга угол 15…20 градусов, равный заднему углу установленного лемеха.

Боковые режущие кромки лемеха и отвала также должны иметь задние углы 10…20 градусов с боковой плоскостью борозды, причем боковая режущая кромка отвала может быть закругленной.
Как установить плуг на мотоблок
Прежде чем начинать настройку плуга, необходимо подготовить сам мотоблок и установить плуг на мотоблок. Для этого мотоблок помещается на место проведения работ, колеса с резиновыми шинами снимаются и устанавливаются стальные грунтозацепные колеса. Делается это с целью уменьшения буксования мотоблока при пахоте из-за сопротивления грунта.

После этого приступают к присоединению к навесному устройству имеющегося плуга мотоблока. Гайки крепления при этом следует затягивать не полностью, чтобы иметь возможность регулировки агрегата. Затем выполняется фиксация агрегата к крепежной серьге мотоблока двумя стальными штырями. По окончании этих операций можно начинать операцию регулировки плуга.
Регулировка плуга на мотоблоке
Регулировка плуга на мотоблоке должна проводиться с максимальным соблюдением правил, ведь от нее прямо зависит качество вспашки. Она осуществляется следующими этапами.

Сначала колеса мотоблока ставятся на специально для этого подготовленные подставки и проводится его балансировка. Высота этих подставок прямо определяет глубину вспахивания (высота подставок для вспахивания мерзлого грунта должна быть не более 20-25см, для весеннего грунта – 15-20 см).
После этого регулировочными болтами выставляется угол наклона плуга так, чтобы его «пятка» была расположена параллельно поверхности земли.

После закрепления плуга, мотоблок снимают с подставок и ставят на грунт. Руль его выставляют таким образом, чтобы ручки управления находились на высоте пояса пахаря.
Последний этап регулировки плуга состоит в оценке правильности его настройки. Для этого проводят контрольную вспашку в виде двух – трех борозд с измерением глубины среза и качества отвала грунта, а также расстояния между бороздами. В случае, если расстояние между бороздами превышает 10 см, или они перекрывают друг-друга, регулировку требуется выполнять повторно.
Как отрегулировать плуг на мотоблоке видео
Как сделать роторный плуг для мотоблока своими руками
Эта модель полностью отлична от всех других моделей плугов. Такой роторный плуг для мотоблока, включает нескольких изогнутых лемехов, установленных на одну ось. При работе ось плуга вращается от вала отбора мощности мотоблока и переворачивает грунт.

Роторный плуг к мотоблоку обрабатывает почву до глубины 25-30 см при малых затратах физических сил работника.

Работать с мотоблоком, оснащенным роторным плугом проще, чем с обычным плугом, так он позволяет передвижение не только по прямым линиям, но и по кривым, что облегчает обработку участков со сложной геометрией.

Сейчас многими аграриями ведутся споры о том насколько эффективна работа роторного плуга, но он все больше набирает популярность у дачников при обработке заплетенной корнями и заросшей почвы.
Как сделать плуг для мотоблока своими руками видео
motoblok-kultivator.com
Плуг для мотоблока своими руками
Обработка земли всегда требовала значительных физических затрат, независимо от площади участка. Для облегчения работы и большей эффективности используйте, к примеру, мотоблок «Нева». Такая техника позволяет быстро и эффективно выполнять различные виды обработки земли, для чего необходимо иметь соответствующее оборудование, например, плуг, и которое можно купить в специализированном магазине или сделать собственноручно.
Преимущества
Самостоятельное создание плуга для мотоблока имеет определенные преимущества. Параметры лемеха и отвала будут соответствовать всем требованиям, предъявляемым к обработке конкретного типа почвы. К таким параметрам относится:
- угол отвала;
- качество и глубина вспашки земли;
- площадь захвата;
- эффективность.
Учитывая мощность мотоблока можно сделать плуг, который не вызовет чрезмерных нагрузок на двигатель и пробуксовки, но в то же время будет иметь максимальный захват. Необходимо использовать только качественные материалы, что даст возможность значительно повысить срок эксплуатации плуга. Можно также предусмотреть крепление различных насадок, которые позволят значительно расширить функциональность, благодаря чему станет возможен полный комплекс обработки земли.
Конструкция плуга
Существует несколько разновидностей плугов, устанавливаемых на мотоблок «Нева», и каждая из них обладает своими особенностями конструкции. В настоящее время для обработки земли на приусадебных участках применяют однокорпусные, роторные и оборотные конструкции.
Однокорпусный вид плуга является наиболее популярной конструкцией и в сети можно найти большое количество чертежей именно этой разновидности. К тому же он считается наиболее оптимальным вариантом для тех, кто не обладает соответствующими навыками.
В оборотной конструкции вверху имеется изогнутое перо, что позволяет в процессе вспашки земли сразу же переворачивать пласт. Подобная особенность конструкции делает ее отличным вариантом для работы на твердых почвах, можете увидеть в статье на чертежах. Поскольку такой плуг имеет довольно сложную конструкцию, то сделать его может лишь человек, имеющий достаточный опыт. Самой сложной в изготовлении считается роторная конструкция плуга. Она больше напоминает культиватор, поскольку предусмотрен не один, а несколько лемехов, закрепляемые на одной оси. В процессе обработки земли ось прокручивается, за счет чего и происходит переворачивание почвенного пласта. Достоинство конструкции состоит в том, что почва может обрабатываться на глубине до 30 см при задействовании незначительных усилий. К тому же роторный плуг позволяет выполнять вспашку участка по разным траекториям.Видео работы этого плуга
Чертеж плуга
В настоящее время сделать плуг для мотоблока своими руками не составляет проблемы, тем более что сейчас можно найти чертежи самых разнообразных конструкций. Очень часто к ним приложены подробные указания по созданию и сборке плуга.
- ручка из трубы – 2 шт.;
- рама;
- фиксация стойки винтом М10;
- плуг;
- крепежная вилка шарнира к раме;
- дышло;
- колесо;
- капроновая втулка для подшипника;
- перемычка между рукоятками;
- шарнирная ось из болта М10;
- контргайка;
- ось;
- дистанционная шайба;
- ручка для дышла;
- тройник.
Главное чем необходимо руководствоваться, создавая подобную конструкцию – это точно придерживаться всех инструкций и соблюдать все параметры выбранных чертежей. Даже незначительная неточность, которая может на первый взгляд показаться несущественной, в состоянии сильно сказаться на характеристиках плуга или впоследствии негативно повлиять на рабочие параметры в процессе эксплуатации.
Описание работ по сборке
В первую очередь необходимо сделать раму, для которой можно взять металлическую трубу с сечением 52х40 мм и толщиной стенок порядка 7 мм. Для вилки необходимо срезать широкие стенки рамы расположенные друг напротив друга. Далее, на раме отметить середину, где будет устанавливаться поперечная траверса, а также приварены стойки-прушины, к которым крепится дышло.
В передней части рамы, в начале вилки, остается отверстие, которое заваривается наглухо, чтобы избежать попадания грязи.
Крепление стойки плуга
Чтобы закрепить плужную стойку, в широкой части трубы, которая использовалась для создания рамы, с двух сторон высверливают или вырезают отверстия 31х16 мм. В узких стенках рамы также выполняют сквозные отверстия 10,2 мм для крепления, при помощи болтов М10, рукоятки.
Рукояти для плуга необходимо выполнить отдельно из трубы, диаметром примерно полдюйма. Можно воспользоваться старой водопроводной трубой, которую нужно расплющить кувалдой с двух сторон. В полученных плоскостях высверлить отверстия диаметром 10,2 мм и болтами закрепить на раме. Для придания большей жесткости между ручками приварить поперечину.
Плужная сцепка

Сцепка мотоблока в разборе
Сцепка – это важный элемент конструкции, обеспечивающий надежное крепление навесного оборудования с мотоблоком «Нева». Наиболее популярным вариантом считается П-образное крепление из швеллера, и которое устанавливается под рулем мотоблока.
При создании сцепки понадобится просверлить отверстия для крепления кронштейна и крепежного штыря. Кронштейн для крепления к мотоблоку находится либо вверху, либо внизу, чтобы не препятствовать навешиванию.
Изготовление и крепление рабочих элементов плуга
Основными элементами однокорпусной конструкции являются отвал и лемех, для создания которых необходима прочная листовая сталь толщиной 3-5 мм. В первую очередь делается лемех, для чего стоит использовать старый диск от «циркулярки», поскольку он производится из высокопрочной стали. Чтобы заточить режущую кромку лемеха, ее следует отбить на наковальне.
Далее, нужно сделать отвал из металлической трубы диаметром 50-60 см и толщиной стенок порядка 5 мм. Из картона или плотной бумаги создается шаблон, который прикладывают к металлу и обводят по всему контуру мелом. После, по полученным линиям, газосваркой вырезают заготовку, которая доводится до необходимых размеров при помощи «болгарки» или молота и наждака.
Сборка конструкции
Когда все металлические детали плуга для мотоблока «Нева» созданы, для завершающей сборки будет необходим лист металла размером 50×50 см и электросварочный аппарат. К металлическому листу, строго соблюдая углы, нужно слегка прихватить сваркой элементы будущего плуга – боковой щиток и лемех, к которому примерить отвал. В том случае, если обнаружены какие-нибудь несоответствия, то отвал следует молотком довести до необходимого состояния и прихватить сваркой к задней части лемеха.
Осмотреть всю конструкцию и, если никаких проблем не замечено, то можно выполнять капитальную сварку. Лист металла, на котором осуществлялась сборка плуга, отсоединяют от конструкции посредством «болгарки» или молотка и зубила. Далее, требуется тщательно зачистить сварные швы и отшлифовать наждачкой лемех и отвал. После того как конструкция собрана и практически готова к использованию, ее следует покрасить, особенно места сварных соединений. Это не только придаст плугу эстетичный вид, но и убережет металл от воздействия коррозии, а, следовательно, и значительно продлит срок эксплуатации.
Самостоятельно сделать качественный плуг для мотоблока «Нева» хотя и непростая задача, но она вполне выполнимая и по силам любому человеку, имеющему минимальный опыт работы со слесарным инструментом. Чтобы все удалось, следует придерживаться инструкций и чертежей, а также провести грамотную настройку всей конструкции. Собственноручное изготовление плуга это не только довольно интересно, но и экономично, поскольку большую часть материала может найти у себя в хозяйстве любой мастер.
oselhoztehnike.ru
Плуг для мотоблока своими руками чертежи и схемы
Плуг для мотоблока своими руками чертежи
Исходя из опыта людей которые делали плуг для мотоблока своими руками и чертежи, то нужно сделать лемех плуга съемным, чтобы затачивать его перед пахотой.
Лучший материал для изготовления режущей части плуга для мотоблока- легированная сталь 9ХС, идущая на диски циркулярных пил.
Сгодится и сталь 45, которая доводится до твердости HRC 50-55 закалкой. Если к вас есть только рядовая сталь, например углеродистая Ст.5, не подлежащая термической обработке, то ее тоже можно приспособить для резки пласта земли, отбив режущую кромку холодного лемеха на наковальне, и затем наточив ее.
Отвал для плуга мотоблока
Способ изготовления отвала №1. Рабочей поверхности отвала должна быть придана цилиндроидальная форма. Если есть листогибочные вальцы, то придать заготовке требуемую форму нетрудно.
Чтобы этого добиться, заготовку отвала, вырезанную газовой или электросваркой (либо ножницами) из стального листа толщиной 3-4 мм, подают на вальцы под углом 20°-23°, выгибают её, а затем молотком придают требуемую форму по шаблону.
Чертеж отвала плуга из листа стали 3 мм
Способ №2. Заготовкой для отвала может быть стальная труба с диаметром 550-600 мм и с толщиной стенки 4-5 мм. Вначале из плотного картона изготавливают шаблон отвала, затем шаблон прикладывается к трубе так, чтобы нижняя образующая шаблона отвала составляла с образующей цилиндрической трубы угол 20-23°.
Контур отвала рисуется мелом, затем он вырезается газовой сваркой и обрабатывается наждаком. Если необходимо, то форму отвала доводят молотком по имеющемуся шаблону.
Форма отвала плуга из трубы с диаметром 550-600 мм и с толщиной стенки 4-5 мм
Способ №3. Самым трудоемким способом получения отвала является помещение его заготовки в горн для нагрева (или нагрев ее другим способом). Затем заготовку гнут по матрице, в качестве которой можно брать отвал от другого плуга.
Материалом корпуса плуга служит стальной лист марки Ст.3-Ст.10 с толщиной 3 мм.
Чертеж деталей плуга:
- а – лемех из легированной стали;
- б — боковой щиток стойки, Ст3;
- в — распорная пластина, Ст3;
- г — пластина основания плуга, Ст3;
- д — полевая доска, уголок 30х30 мм;
- е — стойка, труба диаметром 42 мм
Рекомендуем вначале выполнить части плуга из плотного картона и соединить их между собой склеиванием с выдерживанием соответствующих углов. Так, значения угла альфа на разных частях корпуса плуга составят от 25° до 130°, значения угла гамма — от 42° до 50°. Если самодельная модель плуга из картона устроила вас по всем параметрам, смело начинайте работу с металлом.
Когда стальные части плуга будут сделаны, то для сборки его корпуса будет нужен вспомогательный лист стали толщиной 2-3 мм с размерами 500х500 мм, а также потребуется сварочный аппарат. На вспомогательном листе с отступом от краев 40 мм откладывается угол γ0.
Сборка плуга
- 1 — лемех;
- 2 — боковой щиток стойки;
- 3 – вспомогательный лист 2-3 мм
С использованием клиньев с углом α0=25° на вспомогательный лист устанавливается лемех и приваривается к листу точечно с двух сторон.
С лемехом стыкуется боковой щиток стойки в вертикальном положении так, чтобы его край заходил за край лемеха на 5-8 мм, при этом поднят боковой щиток должен быть выше, чем лезвие лемеха (то есть выше вспомогательного листа) на 6-10 мм, чтобы не мешать лемеху подрезать землю. Щиток также слегка приваривается к лемеху и к вспомогательному листу.
Затем к лемеху максимально плотно и без зазора прикладывается отвал, чтобы их поверхности были одним целым. Угол между верхним обрезом отвала и лезвием лемеха равен (γmax − γ0) = 6-8°.
Крепление лемеха плуга
- — лемех;
- — винт с потайной головкой М8;
- — отвал;
- — пластина основания;
- — уголок 30х30х90 мм;
- — гайка М8
Если обнаруживается, что углы и/или поверхности не соответствуют, то отвал дорабатывается молотком. После подгонки отвала к лемеху он сзади прихватывается сваркой как к лемеху, так и к боковому щитку. Затем боковой щиток сваривается с распорной планкой и пластиной основания, к последней сваркой прихватываются упорные уголки для лемеха.
Плуг еще раз подвергается осмотру и сваривается капитально, при этом вспомогательный лист, используемый для сборки плуга, отделяется от его корпуса зубилом или «болгаркой» с отрезным диском. Упорные уголки лемеха капитально привариваются к пластине основания. Затем все сварные швы зачищаются, а поверхности отвала и лемеха обрабатываются шлифшкуркой.
Плуг поворотный для мотоблока, самодельный
Поворотный плуг — универсален, применяется на мотоблоках, содержит на стандартной одинарной сцепке ручной поворотный механизм. Как известно, при пахоте почвы обычным плугом за один проход пласт земли переворачивается лемехом в одну сторону. Чтобы земля следующего ряда переворачивалась в ту же сторону приходится возвращаться к началу предыдущего ряда и начинать с той же стороны участка.
Поворотный плуг позволит вам выполнять пахоту гораздо быстрее — в конце ряда вы после разворота мотоблока просто разворачиваете лемех в другую сторону и продолжаете обработку почвы.
Размеры плуга для мотоблока
Поворотный плуг характеризуется наличием трех конструктивных плоскостей: нижней горизонтальной плоскости полозка, боковой вертикальной плоскости полозка и передней отвальной плоскости. Если после снятия лемеха и отвала плуг поставить на горизонтальный стол, вплотную придвинутый к стене, и прижать его боковую поверхность к вертикальной стене, то поверхность стола совпадет с нижней горизонтальной плоскостью полозка, а вертикальная стена с боковой вертикальной плоскостью полозка.
- Первым условием хорошего плуга является расположение нижнего режущего края установленного лемеха на 10…20мм ниже нижней горизонтальной плоскости полозка.
- Вторым условием хорошего плуга является составление боковым режущим краем установленного лемеха прямой линии с боковым режущим краем отвала, причем оба они должны выступать на 10мм за боковую вертикальную плоскость полозка.
- Третье условием хорошего плуга является примыкание передней рабочей поверхности лемеха к отвалу в одной плоскости и без зазора. Они не должны иметь выступающих крепёжных элементов, но должны быть заполированы и блестеть, как зеркало.
По завершении работ с плугом рекомендуется полированные поверхности очистить от грунта, полить машинным маслом или смазать Литолом-24 и растереть ветошью. Это позволит защитить полированные поверхности от коррозии.
Четвёртым условием хорошего плуга является ровная тыльная сторона лемеха, составляющая с плоской поверхностью установки плуга угол 15…20 градусов, равный заднему углу установленного лемеха.
Боковые режущие кромки лемеха и отвала также должны иметь задние углы 10…20 градусов с боковой плоскостью борозды, причем боковая режущая кромка отвала может быть закругленной.
Как установить плуг на мотоблок
Прежде чем начинать настройку плуга, необходимо подготовить сам мотоблок и установить плуг на мотоблок. Для этого мотоблок помещается на место проведения работ, колеса с резиновыми шинами снимаются и устанавливаются стальные грунтозацепные колеса. Делается это с целью уменьшения буксования мотоблока при пахоте из-за сопротивления грунта.
После этого приступают к присоединению к навесному устройству имеющегося плуга мотоблока. Гайки крепления при этом следует затягивать не полностью, чтобы иметь возможность регулировки агрегата. Затем выполняется фиксация агрегата к крепежной серьге мотоблока двумя стальными штырями. По окончании этих операций можно начинать операцию регулировки плуга.
Регулировка плуга на мотоблоке
Регулировка плуга на мотоблоке должна проводиться с максимальным соблюдением правил, ведь от нее прямо зависит качество вспашки. Она осуществляется следующими этапами.
Сначала колеса мотоблока ставятся на специально для этого подготовленные подставки и проводится его балансировка. Высота этих подставок прямо определяет глубину вспахивания (высота подставок для вспахивания мерзлого грунта должна быть не более 20-25см, для весеннего грунта – 15-20 см).
После этого регулировочными болтами выставляется угол наклона плуга так, чтобы его «пятка» была расположена параллельно поверхности земли.
После закрепления плуга, мотоблок снимают с подставок и ставят на грунт. Руль его выставляют таким образом, чтобы ручки управления находились на высоте пояса пахаря.
Последний этап регулировки плуга состоит в оценке правильности его настройки. Для этого проводят контрольную вспашку в виде двух – трех борозд с измерением глубины среза и качества отвала грунта, а также расстояния между бороздами. В случае, если расстояние между бороздами превышает 10 см, или они перекрывают друг-друга, регулировку требуется выполнять повторно.
motobloki24.ru
Плуг для мотоблока Нева — устройство, настройка, регулировка, как сделать своими руками
У каждого фермера имеется в арсенале такая техника, как плуг. И каждый фермер знает, насколько тяжело таким инструментом работать. На современном рынке появились мотоблоки, способные значительно облегчить работу на земле. Мотоблок Нева — один из самых востребованных и надежных агрегатов в нашей стране.
Плуг для мотоблока Нева — это навесное оборудование, с помощью которого вы сможете быстро и без лишних затрат сил обрабатывать почву перед зимой, а также весной перед посадкой растений.
Как правильно выбрать плуг к мотоблоку Нева?
Плуг представляет собой лемех особой формы и пятку. Именно такой конструкцией очень удобно и легко вспахивать залежалую твердую почву. Данное навесное оборудование изготавливается из прочной стали, так как оно выполняет достаточно сложную работу с повышенной нагрузкой.
Плуги бывают разных видов:
- Роторный. Имеет несколько действующих лопастей. Почва обрабатывается лишь в одну сторону, поэтому вам придется постоянно возвращаться в начало;
- Оборотный. Имеет вид пера, что процесс перепахивания очень твердой и залежалой земли делает очень простым и быстрым. В данном случае в конце борозды вам необходимо лишь развернуться и продолжить работу;
- Однокорпусный. Имеет всего один лемех и рассчитан на работу на легких типах почв.

Имеется еще один вид — это плуг Зыкова. Он имеет особую конструкцию:
- колесо для опоры;
- двухсторонний корпус с лемехом и отвалом. Это позволяет не только измельчать землю, но и переворачивать ее;
- в борозду упирается полевая доска. Это делает конструкцию более устойчивой;
- к грядиле крепится с помощью стойки;
- поворотный механизм с креплением плужных корпусов.
Перед началом работы, вам необходимо установить плуг и настроить его.
Как установить и отрегулировать плуг для мотоблока?
В данном разделе мы расскажем, как настроить плуг на мотоблоке Нева. Плуг и сцепка — это самые важные детали, без которых вы не сможете вспахивать поле при помощи мотоблока. Их нужно правильно собрать и отрегулировать.
У каждой модели мотоблока сцепка имеет свои особенности. Иногда требуется предварительная работа по ее креплению. Как навесить сцепку вы сможете узнать из инструкции к мотоблоку. Оригинальная сцепка гарантирует надежное соединение агрегата с навесным оборудованием.
Регулировка плуга также требует определенных знаний и проходит в несколько этапов:
- регулировка углубления в землю;
- регулировка уклона полевой доски по отношению к носу лемеха;
- регулировка наклона отвала плуга.
Как сделать плуг для мотоблока своими руками?
Плуг для мотоблока вы можете сделать и самостоятельно. Это значительно сэкономит ваши средства. Для этого вам понадобятся инструменты и материалы, которые есть в гараже у каждого хозяина.
Для начала вам необходимо составить чертеж. Без него у вас могут возникнуть проблемы, и в итоге ничего не получится.

Лемех
Необходим кусок стали толщиной около 5 миллиметров. Съемный лемех можно сделать из диска циркулярной пилы. Рабочая часть детали, которая и будет разрезать землю, должна быть обработана на наковальне, а затем заточена.

Отвал
Вам понадобится труба, диаметр которой составляет 0,5 метров. При этом толщина стенки должна быть не более пяти миллиметров. Вырезается деталь по предварительно сделанной заготовке из картона, также обрабатывается на наковальне и затачивается.

После этого детали собираются. Для начала вы можете все это сделать с помощью картонных заготовок. И если все параметры будут соблюдены, а сам плуг получился правильный и надежным, тогда можете приступать к металлическим деталям.
Как отрегулировать самодельный плуг? Точно так же, как и заводской. С той разницей, что при некорректной работе вы можете самостоятельно подгибать и подправлять детали при помощи молотка.
pro-motobloky.ru
Плуг для мотоблока — 110 фото, советы и инструкции по созданию устройства
Появление мотоблоков в значительной степени уменьшило количество физических затрат, требуемых для проведения сельскохозяйственных работ. Самостоятельно сделать тяговый механизм довольно трудно, но изготовить плуг для мотоблока собственными руками – не такое уж сложное дело.

Краткое содержимое статьи:
Достоинства
У собственноручного изготовления плуга для мотоблока есть свои положительные стороны: соответствие параметрических характеристик отвала и лемеха требованиям конкретного вида грунта. Говоря о параметрических характеристиках, принято выделять результативность, размеры захвата, глубину и качество вспашки, угол отвала.

Принимая во внимание мощностные характеристики мотоблока с плугом, становится возможным изготовить плуг, не вызывающий значительной нагрузки на его двигатель, но обеспечивающий максимальную область захвата. Применение материалов высокого качества позволит увеличить время службы плуга.

Кроме этого, можно учесть возможность крепежа разных насадок. Это сделает конструкцию многофункциональной, что в свою очередь сделает возможным проведение всего комплекса работ по обработке грунта.

Конструкционное исполнение плуга
Сегодня популярны следующие виды плугов:
- однокорпусные;
- роторные;
- оборотные.
Наиболее широко распространён первый вид. В Интернете без труда можно отыскать множество схем и чертежей однокорпусного плуга. Это самое предпочтительное решение для тех, у кого нет опыта в самостоятельном изготовлении подобных конструкций.

Для его создания не потребуется наличие каких-либо специальных инструментов. Будет достаточно стандартного набора, который можно найти в любом гараже или хозяйственной постройке.

Отличие оборотного плуга заключается в наличие изогнутого пера в верхней части конструкции, позволяющего сразу же переворачивать земляной пласт при его подъёме. Это оптимальный выбор, если предстоит работать на твёрдой земле. Из-за сложного конструкционного решения изготовить его под силу только специалисту.

Наиболее трудоёмким является роторный плуг. Его конструкция схожа с конструкцией культиватора, так как она оснащена сразу несколькими лемехами, закреплёнными на одной оси. Во время вспашки происходит прокручивание оси, что вызывает переворачивание земляного слоя.

Преимущество данной разновидности плуга заключается в возможности обработки грунта до глубины 0,3 м без приложения каких-либо значительных физических затрат. Помимо этого, она даёт возможность проводить пахотные работы по различным траекториям.
Инструкция по созданию плуга
Делаем раму. Для этого берём стальную трубу размером 52*40 мм с толщиной стенок приблизительно 7 мм. Срезав широкие противоположные стенки рамы, изготавливаем вилку.

Затем делаем на раме серединную отметку для последующей установки поперечной траверсы и стоек-пружин для крепления дышла. Отверстие в передней части рамочной конструкции необходимо тщательно заварить.

Крепим плужную стойку. Для этого в широком куске трубы, используемой при изготовлении рамы, высверливаем сквозные отверстия площадью 3,1*1,6 см. Размер отверстий в узких рамочных стенках для установки рукоятки не должен превышать 1,02 см. Рукояти делаем из трубы, диаметром 0,5 дюйма.

Изготавливаем сцепку. Это немаловажная деталь плуга. Именно она обеспечивает надёжную фиксацию с мотоблоком. Наибольшей популярность пользуется швеллерное крепление в форме буквы «П», устанавливаемое под рулевой частью. При изготовлении данного элемента потребуется сделать отверстия для установки кронштейна и крепёжного штыря.

Делаем основные рабочие детали. В первую очередь, к ним относится лемех и отвал. Для их изготовления прекрасно подойдёт стальной лист толщиной до 5 мм.
Вначале делаем лемех. Здесь будет уместно применить старый диск от циркулярной пилы. Для заточки режущей части лемеха можно использовать наковальню.

Затем из стальной трубы размером 0,6 м изготавливаем отвал. Для этого берём картон или бумагу. Делаем из них шаблон, прикладываем к трубе и обводим. Далее при помощи сварочного аппарата вырезаем. Полученный отвал обрабатываем наждаком или болгаркой.

Собираем плуг. Потребуется стальной лист площадью 0,25 кв. м. К нему надо приварить все детали, начиная с бокового щитка и кончая лемехом. Работу следует выполнять особенно тщательно. Далее берём молоток и зубило и отсоединяем металлический лист, на котором велись сварочные работы.

Затем осталось провести зачистку швов, шлифовку отвала и лемеха и покраску всей конструкции. Данные мероприятия придадут плугу эстетичности и увеличат его время службы.

Фото плуга для мотоблока




















Также рекомендуем посетить:
Инструменты из раздела:
zdesinstrument.ru
МБ 2, как настроить, сделать своими руками, регулировка, фрезы, оборотный
Многие люди спрашивают, как установить плуги для мотоблока Нева. Практически у каждого дачника есть мотокультиватор. Попробовав его в действии, уже не захочется возвращаться к перекопке огорода лопатой. Сейчас есть возможность приобрести мотокультиваторы как с отечественной, так и с зарубежной сборкой, разной ценовой категории, с различной массой и техническими характеристиками.

Как подобрать плуг и фрезы для мотоблока Нева
Помимо хорошего культиватора дачнику понадобится приобрести различное дополнительное навесное оборудование, которого также представлен широкий ассортимент, поэтому каждый сможет подобрать себе необходимый механизм, начиная от плуга и фрез и заканчивая прицепом и снегоуборщиком.
Рассмотрим разновидности плуга и фрез на таком популярном у потребителей мотоблоке, как Нева.
Мотоблок Нева МБ-1 оснащается американским двигателем Briggs Stratton RS950, мощность которого составляет 6,5 л.с., или японским Subaru EXR16 с 6 л.с. Подходит для обработки песчаного, супесчаного и суглинистого грунта, может применяться для перевозки грузов и уборки территорий. Предусматривает возможность использования плуга, фрез и другого навесного оборудования. На данный мотокультиватор желательно докупить опорное колесо, наличие которого позволит облегчить работы по рыхлению почвы, поскольку не допустит «зарываться» агрегату в грунт. Для своей массы в 70 кг это достаточно маневренный и качественно выполняющий возложенные на него задачи аппарат.

Нева МБ-2 имеет массу в 98 кг, в качестве дополнительного оборудования на нем установлен электростартер и фара. Входящие в комплект фрезы состоят из 8 механизмов.
МБ-23 — самый мощный аппарат, входящий в эту группу мотоблоков. Его масса в 105 кг позволяет выполнять наиболее тяжелые работы с использованием плуга.
МБ-23СД — модификация предыдущей модели, но с весом в 115 кг и мощностью в зависимости от установленного двигателя. В комплекте имеются фрезы и плуг.

Нева с редуктором Мульти АГРО, имеющим большее количество передач, двигатели обладают меньшей мощностью, но при этом с тяговыми функциями он справляется отлично, имеет меньший радиус разворота, на корпусе мотоблока имеются внутренние ребра.
МБ-1 оснащен либо японским двигателем Honda в 5,8 л.с., либо американским Briggs Stratton с мощностью в 6 и 6,5 л.с. Имеет 1 заднюю и 3 передних передачи.
На МБ-2 установлен двигатель Briggs Stratton или Honda мощностью 6,5 и 5,8 л.с.
К каждому описанному выше мотоблоку Нева можно подобрать плуг, фрезы и другое навесное оборудование.
Фрезы к мотоблоку Нева
Фрезы к мотоблоку Нева. Рассмотрим, как собрать фрезу. У мотоблока «Нева» в комплекте предусмотрено наличие 8 фрез, диаметр которых составляет 36 см, что позволяет им рыхлить почву до 1,2 м в ширину и 20 см в глубину.

Фрезы для культиватора Нева бывают следующих видов:
- С саблевидными ножками, предназначенными для целиной почвы (активная фреза). Наиболее популярная и востребованная фреза на мотоблок Нева, направленная на обработку целины или вязких грунтов.
- Фреза «гусиные лапки» для мотоблока Нева, которая позволит обрабатывать более твердый грунт, поскольку имеет сплошную конструкцию.
Для увеличения обрабатываемой почвы за один проход с мотоблоком, а соответственно и сокращения времени на культивирование всей площади, можно приобретать дополнительные фрезы.
Плоскорез для мотоблока Нева МБ. Данный вид навесного оборудования предназначен для борьбы с сорняками с одновременным рыхлением почвы. Плоскорез имеет несколько отверстий для его регулировки для работы на определенной глубине.
Плуг для мотоблока Нева
Разновидности плуга для мотоблока Нева. Для сбережения фрез и сохранения их в рабочем состоянии на долгое время потребуется приобрести плуг.

Далее рассмотрим более подробно, какие плуги можно установить на мотоблок Нева.
У плуга есть геометрической формы стальной лемех и так называемая пятка для рыхления целины. После его использования необходимо будет дополнительно пройтись по грунту культиватором.
Сегодня на рынке плугов представлены 3 основные группы данного навесного оборудования для мотоблока Нева:
- Однокорпусный. Оснащен одним лемехом и предназначен для легкой почвы. В процессе работы с таким оборудованием происходит отброс почвы на одну из сторон, поэтому для перехода на соседний ряд потребуется идти к началу борозды.
- Оборотный плуг для мотоблока. Лемех изготовлен в форме пера, поэтому такая модель подойдет для почв более тяжелых. Одной из популярных моделей является поворотный плуг Зыкова, имеющий лево- и правосторонний корпус, оснащенный лемехом и отвалом, позволяющим переворачивать и измельчать грунт.
- Роторный, имеющий несколько размещенных на одной оси рабочих лемехов, имеющих изогнутую форму. В процессе пахоты он вращает и перебрасывает грунт.

Для того чтобы определить, какой плуг лучше, следует оценить качество грунта на участке.
Установка оборудования и как настроить плуг на мотоблоке.
Чтобы правильно прицепить плуг на мотоблок Нева потребуется обратиться к инструкции по использованию мотоблока.
Рассмотрим, как выполняется настройка плуга. Его необходимо соединить со сцепкой и затем прикрепить на мотоблок. Чтобы начать использовать культиватор с прикрепленным к нему плугом, необходимо поменять колеса на грунтозацепы. Сцепка имеет специальную подножку, поэтому использовать дополнительные инструменты не потребуется. Устанавливать грунтозацепы стоит так, чтобы в итоге узкие его участки были расположены по ходу движения культиватора.
Плуг после его прикрепления к мотоблоку ни в коем случае не должен двигаться и наклоняться. При этом может потребоваться изменить глубину пропашки, для регулировки которой на стойке расположено несколько отверстий.
Перед началом использования плуга его надо отрегулировать. Для этого необходимо совместить продольные оси культиватора с плугом, а также расположить его строго вертикально. Настроить такое положение навесного оборудования можно после того как будет установлена сцепка. Отрегулируйте положение плуга. Для этого надо расположить его пятку параллельно грунту и зафиксировать такое положение с использованием болта. Важно помнить, что при осуществлении такого действия мотоблочный руль следует расположить в центре от регулирующего винта.
Для оценки качества пропашки следует первые действия проводить на невысокой скорости, поскольку может потребоваться регулировка плуга.
Можно соорудить альтернативу плужку на мотоблок Нева своими руками. Отзывы тех фермеров, которые делали его самостоятельно, самые положительные. Для этого потребуются лемех из стали, толщина которой 3-5 мм, и отвал, в качестве которого можно использовать трубу диаметром около 50 см и толщиной стенок не менее 3 мм. Последующая сборка плуга проводится так же, как описано выше.
specmahina.ru
Как сделать самодельный плуг для мотоблока своими руками: чертежи, размеры
Для тех, кто владеет небольшим участком земли (20-40 соток) и активно занимается земледелием, например, выращивает картофель или другие культуры, серьезным помощником в работе является мотоблок. Оснащенный набором навесного оборудования, его можно использовать для вспашки и рыхления почвы, посадки и уборки картофеля, моркови и др. С помощью мотоблока можно скосить траву, убрать снег, перевезти небольшой груз. Навесное оборудование можно приобрести в магазине, но домашнему умельцу, имеющему в арсенале доступные инструменты, по силам будет изготовить некоторое оборудование самостоятельно, включая плуг. Если вы решились изготовить плуг для мотоблока своими руками, рассмотрим их конструкции, а также какие из них можно сделать самостоятельно.
Виды плугов
При комплектации мотоблоков применяют плуги трех разновидностей, все из них имеют свою область применения:
- однокорпусные и двухкорпусные;
- поворотные или оборотные;
- роторные.
Однокорпусные модели
Однокорпусные агрегаты – наиболее простые по конструкции. Они имеют только один лемех и применяются при вспашке легких грунтов на обычных садовых участках, составляющих большую часть земель. Для вспашки тяжелых грунтов и целины такой плуг не подойдет, здесь потребуется более мощная конструкция.
Двухкорпусный плуг представляет собой две скрепленные рамы с лемехами. Применяется для обработки различных видов почв и для первичного вспахивания целинных земель. Одновременно сможет выполнять вспашку и боронование, обеспечивает наилучшее качество возделывания почвы.
Оборотные плуги
Оборотные плуги отличаются по форме лемеха, напоминающего перо. Лемех с загнутой верхней частью переворачивает грунт. Рекомендуется для вспашки твердого, жесткого грунта. Плуги такого вида совместимы с мотоблоками среднего и тяжелого классов, например МТЗ. Название свое получили от устройства, поворачивающее лемех при изменении направления вспахивания, что удобно для участков большой длины. Направление отвала почвы сохраняется.
Роторные плуги
Роторные модели отличаются от других конструкций: агрегат состоит из набора изогнутых лемехов, которые взрыхляют почву, помещенных на оси, приводимой в действие валом отбора мощности агрегата. Глубина вспашки почвы роторным плугом составляет 25-30 см, и не требует значительных усилий работников.
Ротационный плуг позволяет вести вспашку, меняя направления, что важно для обработки участков со сложными формами. Данная конструкция популярна среди дачников для обработки почвы со слоем дерна или насыщенной корнями. Роторные плуги совместимы со средними и тяжелыми мотоблоками.
Отвальные и безотвальные
По наличию отвала плуги можно разделить еще на два вида:
- отвальные: конструкция таких плугов позволяет вспахивать почву, переворачивать вспаханный слой и разрыхлять его;
- безотвальные: предназначаются для взрыхления почвы в регионах с засушливой и ветреной погодой.
Преимущества самодельных плугов
Изготовление самодельного плуга своими руками имеет ряд преимуществ перед использованием покупных. Его конструкция больше отвечает требованиям, соответствующим обрабатываемой почве: это угол овала, глубина вспахиваемого слоя, ширина вспахиваемого участка за один проход, а также эффект рыхления.
Плуг, изготовленный своими руками с учетом мощности двигателя, не создаст дополнительной нагрузки на мотоблок, исключит пробуксовывание колес и обеспечит оптимальный эффект вспашки. Применение качественного материала и соблюдение технологии позволит значительно увеличить срок службы. Изготавливая плуг, можно предусмотреть возможность крепления дополнительного оборудования для обработки почвы.
Самодельный однокорпусный плуг
Наиболее простой, но одновременно и эффективной конструкцией плуга является однокорпусный.
Такая конструкция применима для производства ее собственными руками в домашних условиях. Для изготовления не потребуются специальные инструменты и приспособления, а также особые навыки, достаточно будет инструментов, имеющихся в мастерской домашних мастеров.
Лемех
Опыт хозяев, применяющих в своих полевых работах мотоблоки, оснащенные плугами, показывает, что лемех требуется периодически снимать, чтобы до начала работ его наточить. Выбирая материалы для изготовления лемеха, рекомендуем применить легированную сталь 9ХС, используемую при изготовлении циркулярных пил.
Может быть применена сталь 45, но ее потребуется закалить до твердости HRC 50-55. Не исключено применение обычных сталей, в том числе Ст.5, которые не подвергают закаливанию, но может быть доведена до нужного качества, если отбить кромку молотом и заточить ее.
Отвал
Отвал плуга можно изготовить разными методами, рассмотрим некоторые из них, чтобы была возможность выбора наиболее удобного и доступного по материалам и стоимости.
- Отвал изготавливается из стального листа толщиной 3,0–4,0 мм. Для изготовления необходимы гибочные вальцы для придания отвалу изогнутой формы. Заготовку вырезают по шаблону, затем пропускают через вальцы и молотком доводят до требуемой формы.
- Сделать отвал можно, используя стальную трубу диаметром 0,55-0,6 м и толщиной стенки 4,0-5,0 мм. Заранее готовим картонный шаблон, накладываем его на трубу так, чтобы угол, образованный нижней гранью и горизонталью трубы, составил 20-30°. Контур обводится, вырезается с помощью газовой горелки, после этого обрабатывается наждаком или болгаркой. Если потребуется, можно исправить форму при помощи молотка.
- При изготовлении отвала можно использовать стальной лист, но форму придать можно после предварительного нагрева заготовки, изогнув ее по матрице, например, взяв отвал покупного плуга.
Вам может понадобиться информация про окучник для картофеля к мотоблоку или самодельная картофелекопалка.
Сборка плуга
Начиная сборку, рекомендуется предварительно изготовить макет, используя плотный картон, склеивая отдельные детали под определенными углами. На представленных чертежах угол альфа на различных участках составляет 25-30°, угол гамма – 42-50°. Оценив полученный картонный образец, начинаем его изготовление из металла. Материал для корпуса выполнен из листовой стали толщиной 3,0 мм.
Чтобы выполнить сборку, воспользуемся аппаратом для сварки. Потребуется стальной лист толщиной 2-3 мм с габаритами 0,5х0,5 м. Воспользовавшись клиньями, установленными под углом 25°, на лист помещаем лемех и привариваем его к листу в двух местах. К лемеху вертикально стыкуем боковой щиток, расположив его внахлест на 5-8 мм. Щиток необходимо расположить выше лезвия лемеха (плоскости листа) на 0,6-1,0 см, чтобы свободно подрезать почву. Щиток прихватками присоединяем к лемеху и вспомогательному листу. Прикладываем к лемеху отвал так, чтобы получилась цельная конструкция. Угол между ножом лемеха и краем отвала необходимо установить 6-8°.
Крепление лемеха
Схема крепления плуга представлена на чертеже.
В том случае, если какой-нибудь из углов или поверхности не совпадут или не будут отвечать рекомендованным, деталь потребуется подправить молотком. Подогнав отвал и лемех, привариваем их, после этого отвал прихватками скрепляем с боковым щитком. Свариваем боковой щиток сначала с распорной планкой, после этого с пластиной, расположенной в основании, теперь к ней привариваем упорный уголок лемеха. Весь агрегат осматриваем, и теперь потребуется тщательно проварить швы, затем отделить от вспомогательного листа. Выполнив сборку, швы требуется тщательно очистить болгаркой, а поверхности, которые будут контактировать с грунтом, зашлифовать.
Оборотный плуг
У оборотного плуга имеется отличие – наличие механизма поворота, переворачивающего лемех при проходе соседней борозды в обратном направлении. Перевернув лемех, пласты почвы будут переворачиваться в том же направлении, что и предыдущие. Поворотный механизм позволяет выполнять вспашку быстрее, чем при использовании обычной конструкции.
У оборотной конструкции имеется три специфические плоскости: внизу горизонтальная плоскость полозка, боковая вертикальная и передняя отвальная. Снимаем лемех и отвал, устанавливаем на пол и прислоняем их к стенке, нижняя горизонтальная плоскость полозка должна совпасть с горизонтальной линией пола, а стена с боковой вертикальной плоскостью полозка.
Чтобы отрегулировать плуг, необходимо нижнюю грань лемеха опустить на 1,0–4,0 см ниже плоскости полозка. Боковые режущие грани лемеха и отвала должны лежать на одной линии и выступать на 1 см от вертикальной линии полозка.
Рабочая поверхность лемеха должна совпасть с отвалом без каких-либо зазоров, на них не может быть выступающего крепежа и их требуется тщательно отполировать.
После окончания вспашки все рабочие части необходимо очистить и промазать технической смазкой, чтобы исключить коррозию при хранении до следующего сезона.
Купить навеску и прицепное к мотоблоку в интернет-магазинах
Как прицепить плуг к мотоблоку
Перед установкой плуга потребуется заменить колеса специальными с грунтозацепами для повышения проходимости по пахоте. Затем присоединяют плуг к навесному устройству мотоблока. Во время установки крепления не должны затягиваться полностью для обеспечения регулировки. Фиксируют агрегат на крепежной серьге мотоблока с помощью двух стальных стержней.
Регулировку плуга необходимо производить, соблюдая все правила, что влияет на качество вспашки. Устанавливают колеса мотоблока на специальные опоры и выполняют его регулировку. Высота опор равна глубине вспахивания и составляет 15-20 см при проведении работ весной на влажном грунте или 20-25 см. С помощью регулировочных болтов выставляют «пятку» плуга параллельно земле.
Теперь можно снять плуг с опор на землю, ручки управления выставляются по высоте пояса работника. Затем проверяют настройку контрольным вспахиванием нескольких борозд. Замеряют, на какую глубину произведена вспашка, качество отвала почвы и расстояние между соседними бороздами. Если расстояние больше или меньше 10 см, регулировку необходимо повторить.
moymotoblok.ru
