Проходной выключатель на две лампочки – Проходной выключатель — схема подключения с 2х мест на две лампы своими руками
Проходной выключатель — схема подключения с 2х мест на две лампы своими руками
Будучи инженером-электронщиком, я обнаружил для себя существование проходного выключателя только при строительстве дома. Мне показалось несолидным возвращаться в прихожую после включения освещения в гостиной, чтобы выключить светильник у входной двери.
В итоге, я применил их в четырех случаях. Забавно, но через несколько лет после окончания строительства дома до меня дошло, что это надо было сделать еще три раза!
Теперь, исходя из полученного опыта, настоятельно рекомендую ознакомиться с чудесными свойствами и возможностями простого и полезного приспособления.

Проходной выключатель: это про что?
Выражаясь академическим языком, проходной выключатель — это устройство, которое обеспечивает независимое управление освещением из разных местоположений. Для ясности можно поиграть: один человек пытается светильник включить, а другой – выключить. При этом они управляют освещением из разных мест. Получится веселая дискотека с морганием светильников, но выиграть — невозможно!
На практике такие приспособления используются для того, чтобы включить освещение в одной точке, пройти с комфортом определенный участок и выключить свет в другой точке, не возвращаясь назад. Отсюда и название – проходной или маршевый переключатель. При этом вся хитрость заключается в схеме устройства.

Как видите, при добавлении к обычному выключателю третьего контакта, он становится проходным. Причем, с точки зрения схемотехники, такое приспособление правильно называть переключателем, так как цепь никогда не разрывается и переключающий контакт, при любом положении клавиши, соединен с одним из выходных контактов.
Примеры практического применения
Далеко не всегда очевидно, где именно следует предусмотреть управление светильниками. Задача упрощается, если ознакомиться с практическими примерами.

В данном случае маршевые переключатели используются для обеспечения освещения дорожки между гаражом и домом:
- управление освещением в гараже;
- светильник над дверью в гараж;
- освещаемая дорожка;
- управление освещением в прихожей.
Таким образом, можно включить свет из дома, пройти с комфортом по освещенной территории и выключить светильники уже в гараже или — все наоборот. В данном конкретном примере присутствует еще две возможности:
- работая во дворе, можно включить освещение;
- если Вы ждете гостей, можно управлять светом на улице, находясь дома.
В цепь освещения придомовой территории я добавил датчик освещенности, и светильники во дворе включаются автоматически с наступлением темноты, если в этом есть необходимость. О применении датчика читайте в отдельной статье.

В темном тамбуре дома не очень уютно, и для управления его освещением также установлены маршевые переключатели:
- управление освещением на крыльце;
- светильник на стене;
- управление освещением в прихожей.
Теперь закрываем входную дверь, включаем светильники в прихожей, а на улице и в тамбуре выключаем. Для управления светом по дороге из прихожей пришлось бы установить проходные выключатели во все три комнаты на первом этаже. Чтобы этого не делать, освещение в прихожей выключается таймером. О его установке читайте в отдельной статье.

Для освещения лестницы маршевые переключатели являются необходимостью:
- управление освещением в гостиной на первом этаже;
- три светильника на лестничном переходе;
- управление освещением на площадке второго этажа.
Площадка на втором этаже имеет небольшие размеры, так что после включения освещения в одной из комнат можно вернуться и выключить лампы на лестнице. Меня это не устроило, и в схему подключения переключателя был добавлен таймер. Теперь его можно выключать сразу, а освещение отключит таймер через 2 минуты.

В цокольный этаж опускаемся также по освещенной лестнице:
- управление освещением у входа в цоколь;
- управление освещением в цокольном этаже.
В цоколе все немного проще: здесь в одном блоке можно включить светильник в любом помещении. Таким образом, можно сначала включить свет в одной из комнат, а потом выключить освещение лестницы.

Перед Вами вопиющий пример непредусмотрительности: в спальне нет проходных выключателей! Приходится выключать освещение у двери, а потом продвигаться в полной тьме на ощупь, рискуя налететь на угол кровати. Можно, конечно, включить бра, а затем вновь вернуться ко входу и погасить общий свет. Правильно сделать так:
- управление освещением у входной двери;
- бра у тумбочек;
- как вариант, можно задействовать светильники напротив кровати;
- управление освещением у изголовья.
Примерно то же самое следовало сделать и в 2-х других спальнях. Надеюсь, приведенные примеры вдохновят Вас на верные решения.
Разновидности перекрестных и проходных переключателей
Давайте знакомиться поближе с предметом нашего интереса. Сначала изучим существующие варианты, а потом научимся подключать их к электропроводке.

По внешнему виду перекидные выключатели различаются по цвету и форме, а также они бывают:
- скрытой или открытой установки;
- одноклавишные, двухклавишные, трехклавишные;
- с подсветкой или без нее;
- специальный знак на клавишах может присутствовать или отсутствовать.

Рассматривая внутреннюю схему, можно говорить о следующих видах:
- Одноклавишный проходной выключатель. Применяется наиболее часто в качестве первого и последнего устройства в случае 2-х и более мест управления.
- Проходной выключатель с двумя клавишами. Двойной прибор применяется с той же целью для управления освещением с использованием 2-х групп светильников.
- 3-х клавишный проходной выключатель. Используется с той же целью для управления тремя группами светильников.
- Одноклавишный перекрестный или перекидной выключатель. Применяется в качестве промежуточного устройства в цепи из трех и более местоположений.
- Двухклавишный перекрестный выключатель. Применяется в качестве среднего устройства в цепи из 3, 4 и более точек управления для двух групп светильников.
Как следует из приведенной иллюстрации, в проходном выключателе входная клемма соединяется с одной из выходных при нажатии на клавишу. В перекрестном — проводники, подключенные к входу и выходу, меняются местами при смене положения клавиши.
Нет смысла в данный момент беспокоиться по поводу разнообразия внутренних схем. Во-первых, чаще всего востребован только одинарный проходной выключатель. Во-вторых, возможно, потребуется что-то еще, и это станет понятно из конкретных вариантов подключения устройств.

На фото представлен вид электроустановочных изделий сзади. Теперь Вы сможете сами правильно выбрать и приобрести необходимую модель. К сожалению, далеко не все производители указывают маркировку контактов на корпусе устройства. При ее отсутствии придется воспользоваться мультиметром для выяснения размещения клемм изделия.
Схемы подключения проходных выключателей
Способ расключения маршевых выключателей определяется конкретными условиями применения. В нескольких случаях мы рассмотрим 2 варианта изображения подключения. Первый из них более прост для понимания, и его достаточно при установке приборов в случае уже существующей электропроводки. Другой вариант учитывает требование прокладки кабеля с применением распределительных коробок, что реально исполнить в новостройке или при замене проводки.
Стандартный вариант установки в 2-х точках
Вариант управления одним или несколькими параллельно соединенными лампами из двух местоположений наиболее востребован и прост. Существует четыре возможные комбинации положения клавиш двух выключателей: в двух из них светильник включен, в двух других – выключен.

В примере с фото приборов сзади цепь разомкнута, и лампа не горит. На нижней части иллюстрации цепь замкнута, и свет включен. Можно сказать, что в данной схеме подключения один обычный выключатель заменен двумя одноклавишными проходными, соединенными между собой двухжильным кабелем.

Данная иллюстрация демонстрирует подключение с применением распределительной коробки. Как видите, каждый из приборов соединен с коробкой трехжильным кабелем.
Схемы управления одним светильником из нескольких точек
Управление из нескольких точек необходимо при движении по длинному переходу. Например, в трехэтажном доме на каждом этаже можно управлять освещением на лестнице там, где нужно.

Чтобы реализовать схему независимого управления освещением из трех местоположений, необходим перекрестный выключатель. Как и в предыдущем варианте, они могут быть соединены между собой двухжильным кабелем.

Теперь познакомимся со схемой электромонтажа, выполненной по всем правилам, с применением распредкоробки. Как видите, для подсоединения к распределительной коробке двух проходных переключателей необходим трехжильный кабель, а для перекрестного — придется использовать два двухжильных.

По этому же принципу можно построить схему управления освещением из 4-х и более местоположений. Первый и последней прибор в цепи – проходные выключатели. Промежуточные приборы — перекрестного типа.
Управление несколькими светильниками из нескольких мест
Бывают ситуации, когда необходимо управлять несколькими светильниками из нескольких местоположений. Например, в спальне возможна установка одного двухклавишного проходного переключателя у двери, а другого — у кровати. Тогда в обоих местах можно будет включать и выключать как общее освещение в комнате, так и светильники у кровати.

Для реализации такой схемы потребуется два двухклавишных проходных выключателя. Для их соединения в простейшем случае необходимо два двухжильных кабеля.

Монтажная схема правильного подключения двухклавишного проходного выключателя с применением распредкоробки выглядит более внушительно. Коробка потребуется большого размера, так как в ней должно уместиться восемь соединений проводов. Для подключения первого проходного выключателя потребуется двухжильный и трехжильный кабель, а для подсоединения второго – два трехжильных.

Теоретически, увеличивая количество проходных 2-х клавишных выключателей, можно осуществлять независимое управление освещением 2-х светильников из любого количества мест. Возможно, Вы захотите оперировать из двух местоположений тремя группами лампочек в люстре. Схема с применением тройного выключателя демонстрирует реальную возможность такой работы, однако кабеля при этом потребуется немало.

Данная схема подключения проходного выключателя из 3-х мест демонстрирует возможность управления двумя отдельными лампочками. Два двухклавишных проходных выключателя могут стоять у кровати, третий – у двери спальни. Везде можно включить и выключить местное освещение, либо общий светильник.

Как мы уже заметили, схему управления освещением можно наращивать бесконечно. Возможность включать и выключать 2 различных светильника из четырех точек может пригодиться в длинном коридоре дома с большим количеством комнат. Очевидно, после рассмотрения различных примеров не составит труда составить самому любую схему независимого управления освещением с применением одноклавишных и других проходных выключателей.
Монтаж проходных выключателей при существующей проводке
Вполне вероятно, что Вам захочется обустроить своими руками независимое управление светильниками при уже существующей электропроводке. В этом случае обеспечить электромонтаж с применением коробки и прокладки кабеля в 15см от потолка достаточно сложно уже потому, что можно повредить проводку в стене.
В любом случае, необходимо обзавестись тестером для обнаружения кабеля под штукатуркой и проверить его наличие там, где Вы собираетесь что-то делать. Кроме того, при выполнении работ следует полностью обесточить проводку в доме или квартире.

Рассмотрим пошагово вариант управления освещением из 2-х точек. Из приведенной иллюстрации следует, что проходной переключатель №1 можно установить вместо существующего обычного. Для монтажа прибора №2 следует подготовить место в стене, о чем можно почитать в отдельной статье.
Следующим этапом необходимо проделать штробу, соединяющую оба прибора. В шов закладывают трехжильный кабель и шпаклюют стену.
Место закладки советуем сфотографировать, чтобы не возникло желание в последующем забить гвоздь для картины в кабель.
Из монтажной схемы видно, что зеленую жилу трехжильного кабеля, идущего от прибора №2, следует подключить к соответствующей жиле кабеля, идущего от распределительной коробки к прибору №1. Соединение размещается в подрозетнике устройства №1 и выполняется скруткой, либо при помощи специального зажима. Скрутку лучше пропаять и замотать изолентой. В распредкоробке ничего менять не следует.
Конечно, дополнительный провод можно проложить в кабель-канале или воспользоваться полостью в пластиковом плинтусе. В таком случае штробить стену не придется.
Разумеется, с подключением двухклавишных проходных выключателей на два направления монтаж проводки заметно усложнится. Не меньше проводов придется подсоединить и при использовании схемы с подключением 3 проходных выключателей. Тем не менее вполне реально поставить и расключить проходные выключатели в соответствии с монтажными схемами подключения, приведенными выше.
Правила монтажа в новостройке
Монтаж электропроводки для установки проходных выключателей выполняется вместе с прокладкой проводки для всего дома. При этом важно соблюсти следующие правила:
- все соединения проводов производятся в распределительных коробках;
- кабель прокладывается на расстоянии 15см от потолка.
Распредкоробки и подрозетники фиксируются с помощью алебастра. Если кабель не заделан в штукатурку, его помещают в гофротрубу. Для крепления кабеля наилучшим образом подходят дюбель-хомуты различного размера. Более подробно о монтаже электропроводки читайте в отдельной статье.
Рекомендации по выбору модели
При выборе перекидных выключателей руководствуются общими правилами для всех электроустановочных изделий:
- лучше приобрести изделия известных марок (Legrand, Makel, Siemens, Shneider Electric) и т. п;
- качественные приборы не кажутся легкими;
- пластик надежных изделий не прогибается и не излучает неприятный запах.
Электроустановочные изделия хорошего качества имеют не только современный вид, но и служат долго, а также легко монтируются. Желаем Вам успехов в повышении комфорта собственного жилья с помощью простых и удобных проходных переключателей. Для тех же, у кого еще остались вопросы, мы подобрали информативный видеоролик.
Поделитесь с друьями!
samodelino.ru
Простая Схема проходного выключателя с двух мест на одну лампочку
Схема подключения проводного выключателя с 2 мест. Знаете ли вы все преимущества и недостатки этой электросхемы? 3 важных нюанса подключения
ТЕСТ:
Если вы решили воплотить в жизнь электросхему, описанную в статье, вам будет полезно пройти небольшой тест, чтобы убедиться в том, что вы готовы к работе.Сколько контактов имеет ПВ?
Пояснение: ПВ содержит три контакта. Один из них — «общий», а два прочих соединяются со следующим ПВ.
В помещении не горит свет. Сперва была нажата кнопка первого ПВ, затем второго, а после этого — вновь первого. Будет ли гореть свет после этих действий?
Пояснение: Да, т.к. после третьего действия фазовое напряжение достигнет лампочки.
Может ли быть реализована электросхема с ПВ для работы с двумя лампами?
Пояснение: Да для этого используются двухкнопочные ПВ.
Электрическое освещение — незаменимый спутник любой современной квартиры. Управление светом осуществляется с помощью переключателей: на один источник освещения (обыкновенную лампочку, или несколько ламп) приходится один переключатель. Но далеко не всегда это устраивает владельцев помещения по некоторым причинам. Именно поэтому возникает вопрос, как сделать возможным включение лампочки сразу с двух и более мест? В данном материале мы дадим подробный ответ на этот вопрос, а также приведем схему подобного включения, и расскажем, как работает
Для чего может понадобится схема ПВ света на 2 выключателя?
Ситуации, когда в комнате или ином помещении необходима реализация подобной схемы проходного выключателя, бывают самыми разнообразными. К примеру, большая спальная комната. Очень удобно разместить переключатель света у каждой кровати, чтобы управление освещением было у каждого жильца. К тому же, вам не придется добираться в темноте до вашего спального места. Войдя в комнату, вы включаете свет, а уже после того, как заняли свое место в кровати, вы выключаете его.
Также выгодно использовать подобную схему в небольших домах, величиной 3-5 этажей. Если делать выключатель света в парадной для каждого этажа по отдельности, это выльется в необходимости сборки лишних схем управления.
При использовании проходного выключателя с двух мест, жилец дома включит свет, заходя в подъезд, и выключит его, находясь на своем этаже.
Другой пример — большой кабинет на несколько рабочих мест. Наличие возможности выключить/включить свет сразу с двух и более точек делает такой офис гораздо уютнее.
Как выглядит проходной выключатель с 2 и более мест?
Схемы проходных выключателей
Отличить внешне переключатель, подключенный к подобной схеме, по наружной стороне невозможно. Это обыкновенный однокнопочный выключатель/включатель. Существует двух- и более кнопочное исполнение, применяющееся тогда, когда освещение более сложное, и каждая кнопка включает конкретную лампу. Вместо кнопочного переключателя используется и сенсорный, но принцип действия остается прежним.
Преимущества и недостатки схемы ПВ с 2 мест
- Повышение уровня комфорта. Из приведенных выше примеров исходит, что использование схемы позволяет избавиться от неудобств, возникающих в быту;
- Простота исполнения. Данная электросхема очень проста в исполнении, и не требует применения какого-либо дополнительного специфичного оборудования;
Недостатком подобной реализации управления освещением называют только перерасход электроэнергии. Вспомним вышеупомянутый пример про подъезд. Войдя в него, человек включает свет, а уже поднявшись на свой этаж выключает его. Освещение будет продолжать работать на всех этажах, пока житель дома не нажмет на переключатель. Подобный расход нельзя внушительным, а когда речь идет о небольших помещениях, он и вовсе отсутствует.
Схема проходного выключателя с двух мест
Электросхема ПВНа рисунке представлена простейшая электросхема управления освещением с двух мест с помощью проходных выключателей. Под цифрами 1 и 2 обозначены сами переключатели. Красным цветом выделен фазный провод — то есть, провод, по которому идет напряжение. На схеме в качестве источника света упрощенно изображена одиночная лампа, но на ее месте допускается более сложное освещение.
На рисунке отображается то, как работает ПВ схема: при нажатии на любой из переключателей будет выключен/включена лампочка. Если первый переключатель передал напряжение на лампу, то нажатие на второй переключатель выключит свет — в этом месте фазный провод «прервется» Справедливо и обратное. На схеме изображена ситуация, когда оба переключателя выключены. Лампочка не будет активна при любых расположениях кнопок. Но что будет в других ситуациях? Рассмотрим каждый из возможных вариантов.

На этой схеме последовательно был нажат сперва первый переключатель, а затем второй. Зеленая стрелка показывает, как действует контакт, после нажатия второй кнопке. Он обрывает течение электрического тока, поэтому лампочка становится неактивной.

Вслед за этим был вновь включен первый переключатель. Лампочка вновь загорится — фазовое напряжение достигнет источника света. После нажатия на первую кнопку, лампочка погаснет.
Так и работает электросхема проходного выключателя с двух мест на одну лампу. Ее механизм достаточно прост и понятен, коротко его описывают так:
- Если оба переключателя включены — источник освещения активен;
- Если один из переключателей включен — источник освещения активен.
- Оба переключателя выключены — источник освещения неактивен.
Как подключить проходной выключатель
Применение схемы включения с 2 мест
Каждый из переключателей имеет две клеммы. Для воплощения вышеописанной схемы в жизнь необходимо найти в каждой из них ту контактную клемму, где контакт закреплен одной стороной. Такую клемму называют «общей». В одном из переключателей к таковой подключается фазное напряжение, а в другом — провод от источника освещения.
Остальные клеммы соединяются между собой. Последовательность соединения любая. Синим цветом на схеме обозначается нулевой провод. Он проводится напрямую к источнику света от распределительной коробки.
В распределительной коробке находится пять соединений проводов.
3 нюанса по технике безопасности
При воплощении электросхемы в жизнь следует помнить о 3 нюансах:
- Для того чтобы определить какой провод фазовый — используйте специальный пробник.
- Не стоит использовать провода из различных металлов при их соединении «вскрутку». Из-за разности потенциалов провоцируется возгорание;
- При работе используйте толстые резиновые перчатки.
Как избежать 2 основные ошибок при подключении
- ПВ не устанавливается на «ноль». Он всегда соединяется с фазовым проводом. Иначе при необходимости проведения ремонтных работ, даже при отключении электричества, ПВ не будет обесточен, что вызовет опасную ситуацию;
- ПВ не имеет положений «Выключено» и «Включено». Положение кнопки лишь показывает одно из двух возможных состояний.
Простая схема подключения с четырех мест
Принцип действия остается прежним. Но в схему включается также два дополнительных перекрестных выключателя, необходимые для того, чтобы обеспечить соединения всех контактов.
ПВ схема подключения на 4 точкиРабота перекрестных
переключателей независима от других. Они могут передавать напряжение на источник света даже если кнопки проходных переключателей находятся в неактивной позиции. На схематичном изображении отображено, что если свет включен, то нажатие на любую из кнопок приведет к его отключению. Верно и обратное.Данная схема расширяется до любого количества мест управления освещения. Но главный принцип сохраняется: в начале и конце пути (до лампочки) фазового провода находится два проходных выключателя. Между ними располагаются перекрестные. Их количество равняется количеству желаемых точке управления освещением.
Пять самых часто задаваемых вопросов
Можно ли сделать управление несколькими источниками освещениям с двух мест с помощью ПВ?
Да, подобная реализация возможна. Схема двойного ПВ на две лампочки будет отличаться лишь тем, что у каждого переключателей будет не одна кнопка, а несколько (по количеству ламп). Каждая кнопка будет регулировать только работу соответствующей ей лампочки и не влиять на работу остальных.
Можно ли сделать управление лампочкой из трех и более мест с помощью ПВ?
Воплотить подобную схему в жизнь с помощью только лишь проходных выключателей невозможно. Для решения этой проблемы дополнительно реализуются параллельные переключатели, которые позволяют увеличить количество мест управления освещением до любого нужного числа.
Чем отличается проходной выключатель от обычного?
Принцип действия обычного выключателя достаточно прост — при нажатии на кнопку от либо прерывает электрическую цепь, либо наоборот передает электрический ток далее. ПВ работает сложнее. При нажатии на кнопку происходит переключение между различными контактами. Конечный результат (будет ли активирована лампочка или нет) зависит от положения других переключателей.
Чем отличается проходной выключатель от параллельного?
Параллельный переключатель в отличие от проходного содержит целых 5 контактов, которые и обеспечивают более сложную схему управления освещением, имеющую гораздо большее количество вариантов. В ПВ всего три контакта, один — общий, а два других служат для передачи напряжения или разрыва электрической цепи — это зависит от положения кнопки.
На что нужно обращать внимание при выборе ПВ?
При выборе ПВ следует уделить пристальное внимание на конкретный тип устройства. Они могут различаться своими характеристиками, а также формой. Выделяют ПВ открытого (для соединения с открытой проводкой) и закрытого тип (Для соединения с проводкой, идущей внутри стен). Контакты устройства рассчитаны на конкретный электрический ток, поэтому при выборе модели следует ориентироваться на предполагаемую нагрузку.
Как подключить 4 ПВ?
Четыре ПВ подключаются с помощью перекрестных выключателей, как было описано выше.
Заключение
В статье мы рассмотрели все часто возникающие вопросы на тему подключения проходных выключателей. Воспользовавшись этим материалом и пройдя тест для самопроверки вы без труда сможете воплотить приведенную выше электросхему в жизнь.
elektro220v.ru
Схема подключения проходного выключателя с 2х или 3х мест

Представим ситуацию: ночь, перед вами длинная лестница на второй этаж где темно, как в лесу. Вы нажали на выключатель света и стало светло, но когда поднялись по лестнице поняли, что свет может быть погашен только с помощью переключателя вверху…
Чтобы иметь возможность включать и выключать свет из двух разных мест, просто купите дополнительный проходной переключатель для лестницы. Это не единственное решение, но, безусловно, самое популярное. Есть ещё импульсные переключатели, о которых сказано в другой записи. Но в рамках этой статьи будем разбирать следующие вопросы:
- Работа лестничных выключателей
- Способ подключения проходных переключателей
- Практический пример и реализация схемы включения
- Возможность создать схему управления лампой из 3х и более мест.
Итак, благодаря лестничным переключателям можно зажечь одну и ту же лампу из двух разных мест. Не обязательно на лестнице. Это может быть любая большая комната, где разумно управлять лампой из двух мест. Вообще такие переключатели могут использоваться для включения / выключения любого устройства из двух мест, не обязательно лишь лампы.
Как работают лестничные переключатели
Упрощенная схема выглядит так (присмотритесь к анимации).

- Обеспечиваем электрический потенциал через фазовый провод ( L ).
- Выключатели соединены двумя коричневыми и серыми проводами (на схеме).
- Лампочка загорается когда электрический ток от L- провода достигает лампы.
- Схема может быть разорвана независимо, как с помощью лестничного переключателя S1, так и с помощью S2.
- С помощью лестничного выключателя не полностью разрывают цепь, а выбирают какой электрический потенциал передается второму выключателю.
Таким образом, проходной переключатель имеет еще один контакт по сравнению с одиночным переключателем. В обычном 2, а тут 3 терминала для присоединения проводов.

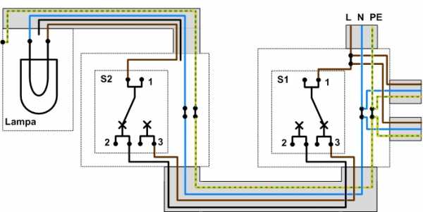
Следующая схема имеет больше общего с реальностью. Итак, посмотрим что здесь происходит:

- Шнур питания подключается к переключателю S1.
- Соединяем нейтральные ( N ) и защитные ( PE ) провода вне автоматических выключателей с помощью электрических разъемов. Защитный соединитель проводника соединен с корпусом лампы (или PE терминалом), нейтральный провод к клемме N.
- Силовой фазовый проводник ( L ) подключен к клемме № 1 переключателя S1. После этой операции и подачи напряжения электропотенциал будет подаваться либо на клемму № 2, либо на клемму № 3 переключателя S1.
- Следовательно, электрический ток 220 В на клеммах 2 или 3 достигнет переключателя S2.
- Если переключатели S1 и S2 находятся в одинаковых положениях, электрический потенциал появится на клемме № 1 переключателя S2 и свет загорится.
Чтобы загорелась лампочка, крайне важно чтоб цепь не прерывалась начиная с фазного провода подачи 220 В (L) и заканчивая лампой.
Принципиальная схема проходного выключателя
Далее вы сможете увидеть метод подключения переключателей лестниц. Посмотрим на следующую принципиальную схему:

На ней изменились три вещи:
- К коммутационной коробке S1 к переключателю S2 подключены два кабеля, которые используются для питания других переключателей освещения.
- Соединены все нейтральные и все защитные провода с двумя отдельными разъемами. Поскольку в терминале № 1 переключателя лестничной клетки S1 имеется только два контакта, необходимо использовать дополнительный электрический разъем, к которому они будут подключены: Фазовый провод питания L, фазовые провода приводящие к другим выключателям и источник питания S1.
- Между коробкой переключения S2 и лампой находится четвертый кабель (черный). Это может быть полезно в будущем, но в данной конфигурации он не используется и не связан ни с чем.
Пошаговая установка
Проходной выключатель S1

Ещё раз напомним — всегда начинаем любую установку с отключением напряжения в сети 220V. Перед началом работы с помощью тестера напряжения убедитесь, что на силовых кабелях нет электрического потенциала, предпочтительно на всех выводах выходящих из короба.
Вид проводов, что выходят из коробки. Нам нужен шнур питания и кабель, который направляется для переключения S2.

Сразу подключим все провода, чтобы не пришлось снова откручивать переключатель позже.

Подключим все нейтральные провода к одному разъему, а все защитные провода к другому разъему. Во время этой операции используйте плоскогубцы.

Когда все нейтральные и защитные провода подключены, засовываем их в электрическую коробку. Осталось 5 фазных проводов:
- Источник питания — 1 шт.
- Для питания других выключателей — 2 шт.
- Для лестничного выключателя S2 — 2 шт.
Кабель питания и два шнура для других автоматических выключателей соединены вместе в электрическом разъеме. Также подключаем к этому разъему короткий кабель длиной в несколько сантиметров, который будет подключен к клемме 1 переключателя S1.

Шнур короткого замыкания соединен с одной стороны, а провода, ведущие к переключателю S2 на второй (верхней) стороне переключателя. После подачи напряжения электрический потенциал в линии будет передаваться либо коричневому, либо черному проводу в зависимости от положения переключателя.

Последний этап — сборка и выравнивание автоматического выключателя. Поставим назад рамку и клавишу. Вот ещё один рисунок того, как всё должно соединяться в коробе:

Про установку более подробно говорили в статье об одиночных переключателях.
Проходной выключатель S2

Переходим ко второму месту (выключателю). У нас есть два кабеля, каждый из которых имеет 4 провода:
- кабельный вывод от переключателя S1 (внизу)
- кабель, который ведет к лампе (вверху)
Из-за отсутствия синего проводника, серый провод обернут синей изолентой, чтобы показать что это нейтральный проводник.

Подобно переключателю S1 соединяем защитные проводники с одним разъемом и нейтральными проводниками с помощью второго разъема.

Осталось 4 фазных провода из которых черный, ведущий к лампе, в соответствии со схемой не будет использоваться.

Фиксируем провода. С верхней стороны подключите провода от переключателя S1, а нижний фазовый провод направляется на лампу.

В зависимости от положения переключателя S1, электрический потенциал будет либо на коричневом проводе (сверху), либо на черном проводе. То есть в зависимости от положения переключателя S2 направляющий провод к лампе (нижний коричневый) будет подключен к одному из верхних проводов.

Теперь обратная сборка, снова надеть рамку и клавишу.
Проходной выключатель на 3 места

Возможно ли подключить большее количество переключателей для управления освещением одной лампы? При использовании только обычных ступенчатых переключателей невозможно реализовать управление лампой больше, чем из двух мест. Для ещё большего количества мест необходимо купить перекрестные переключатели, которые размещаются между лестничными, как показано на схеме.

Подведём итог проделанных работ
Таким образом лестничный переключатель представляет собой недорогой и простой способ управления освещением из двух разных мест. Однако для этого требуется предварительное планирование и прокладку дополнительных кабелей между ними ещё на стадии ремонта / строительства проводки. На более позднем этапе эта операция может быть затруднительной — придётся вести провод по стене или долбить канал в ней.
2shemi.ru
Схема подключения проходного выключателя с 2х мест на 2 лампы (видео, фото)
Схема подключения проходного выключателя с 2х мест и ее конструкции значительно расширяют возможности управления осветительными системами. В спортивных, концертных залах, на стадионах, длинных коридорах и туннелях можно одним из двух мест управлять освещением. Расположенные на разных сторонах объекта выключатели избавляют от необходимости переходов к единственной точке управления.
С одним выключателем может сложиться ситуация, когда придется проходить к выходу в темноте по длительному маршруту, с многочисленными препятствиями рискуя свернуть себе шею. При подключении проходных выключателей, достаточно подойти к ближайшему выключателю от выхода и погасить свет во всем помещении.
ОГЛАВЛЕНИЕ
- Конструкции и принцип работы проходных выключателей
- Схемотехника основных видов проходных выключателей
- Управления освещением с 2х мест, схема с применением одноклавишных выключателей
- Схема управления двухклавишными выключателями двумя группами осветительных приборов
- Пример практического применения схемы с двумя одноклавишными выключателями в быту, особенности и последовательность монтажа
Конструкции и принцип работы проходных выключателей
Внешний вид переходного выключателя не имеет особых признаков отличия от обычных корпусов. Принципиальные изменения изделия скрыты внутри, разница в контактной схеме. Задача простого выключателя замкнуть или разомкнуть цепь в одной точке, проходной выключатель при изменении положения клавиши размыкает одну цепь и сразу подключает другую. Происходит перекидывание контактов на другое направление цепи, поэтому правильнее было бы назвать не выключатель, а переключатель. Но так уже сложилась терминология, что перемена термина внесет лишние непонимания, между специалистами и тем более с непрофессионалами.
Контакты, перекидываясь на другую группу, подключают к цепи клеммы второго проходного выключателя, работающего в паре. По одному в схеме проходные выключатели не работают. Конечно, их можно подключить как одноклавишный выключатель, но тогда теряется смысл его общей контактной схемы.
Схемотехника основных видов проходных выключателей
Наиболее часто используемые проходные выключатели, это одноклавишный, двух клавишный и трехклавишный. Все они построены на одном принципе перекидывания контактов. На одноклавишном варианте три контакта, один общий перекидывается на один из двух, в зависимости от положения клавиши. Остальные модели включают в свой корпус схемы одноклавишного варианта. Двухклавишный проходной выключатель в своем корпусе имеет две таких схемы, трехклавишный имеет три схемы, все просто. Изменяются только габариты корпуса, количество клавиш и контактов:
- одноклавишный, три контакта, входной и два выходных,
- двух клавишный переключатель, шесть контактов, два входных и 4-выхода;
- трехклавишный корпус имеет 3 – входа и 6 – выходов.
Управления освещением с 2х мест, схема с применением одноклавишных выключателей
Одной группой электроосветительных ламп можно управлять с разных мест, используя схему с одноклавишными, выключателями. Это часто применяемая схема, на примере которой легко понимается принцип работы.
С линии питания 220В фаза напрямую приходит на вход (подвижный) контакт одного из двух переключателей. Выходные контакты двух переключателей соединяют между собой. Входной контакт второго подключается на клемму осветительного прибора. Рабочий 0 подключите на другой контакт светильника.
Рассмотрим особенности расключения в распределительной коробке, при монтаже этой схемы. Используется кабель с тремя изолированными проводами:
- красная изоляция – фазный провод;
- синяя изоляция – нейтральный провод;
- желто-зеленая изоляция – заземляющий провод.
загрузка…
В распределительную коробку заводится четыре кабеля:
- один от распределительного щита, кабель питания с одной фазой 220 В;
- два кабеля от каждого проходного переключателя;
- один от группы осветительных приборов.
Требования по цвету выполнимы только для кабелей питания осветительных приборов. При подключении проводов, идущих от проходных переключателей в коробку выполнимо только одно условие. На входной контакт проходных выключателей выводят красный провод фазы.
Схема управления двухклавишными выключателями двумя группами осветительных приборов

Используя двойной проходной выключатель в двух местах можно управлять разными группами света.
Пример практического применения схемы с двумя одноклавишными выключателями в быту, особенности и последовательность монтажа
В частных домовладениях технологию управления светом с двух разных мест уже давно используют. На маршрутах от калитки до дома, возможны участки с лестницей или другими препятствиями, где в темное время суток требуется подсветка. Удобно открыть калитку включить освещение дорожки, пройти к дому, подняться по лестнице и не возвращаясь выключить освещение во дворе. Как это делается на практике, монтаж начинается с разметки:
- маршрутов прокладки кабелей;
- мест установки проходных выключателей;
- места установки распределительной коробки.
Один из рациональных вариантов, установить распределительную коробку и первый переходной выключатель в прихожей, рядом с распределительным щитом. Удобно будет проложить кабель питания и пользоваться, управлять освещением во дворе, не выходя из дома. Второй проходной выключатель логично будет, поставить на заборе с внутренней стороны двора возле калитки. При входе вы сразу сможете включить свет, войдя в прихожую дома выключить.
В качестве осветительных приборов можно использовать декоративные фонарные столбы, которые всегда есть в продаже в крупных магазинах электротоваров. В большинстве случаев 3-5 в зависимости от расстояния маршрута в частных домах бывает достаточно. Проводку желательно прокладывать по земле в траншее через пластиковые трубы диаметров 5-6 мм, на глубине 30-50 см независимо от климатических условий региона. Копать ниже глубины промерзания не имеет смысла, это не водопровод замерзать нечему. Главная цель спрятать электрическую проводку, защитить ее от механических повреждений и создать приятный глазу интерьер во дворе. Подключение ламп фонарных столбов делайте по параллельной схеме, в этом случае при неисправности одного светильника остальные будут работать.
В новом строящемся доме две штробы, коммуникационные отверстия можно предусмотреть и проложить заранее. В старых домах при ремонте в прихожей можно сделать скрытую проводку для проходных выключателей. Если нет необходимости делать ремонт в прихожей, проложите наружную проводку, используя кабель каналы, они аккуратно прокладываются, выглядят очень эстетично, расцветка пластика бывает любая.
Подобрать можно к любому интерьеру, даже под темные и светлые породы дерева. Кабель нужно использовать с медными проводами сечением от 0,75 до 1.5 мм. Провода в коробку заводите на 10 — 15 см, для расключения изоляцию снимайте на 3см, для скрутки и обеспечения надежного контакта достаточно.
Можно на две точки в конце и начале маршрута установить сенсорные датчики на движение к проходным выключателям это снимает проблему поиска в темноте выключателей. Такое подключение требует отдельной темы для рассмотрения. Подключайте по вышеописанной схеме, двор будет красивый и пользоваться удобно.
electricvdele.ru
схема подключения на 2 точки наглядно
ПОДЕЛИТЕСЬ В СОЦСЕТЯХ
Правильное управление осветительными приборами поможет сэкономить электроэнергию и упростит их эксплуатацию. Если без ошибок установить проходной выключатель, схема подключения на 2 точки будет выполнять свои функции безупречно. В данной статье рассмотрены вопросы выбора подходящих изделий и монтажные работы. Изучив эту информацию, можно самостоятельно реализовать проект в удобное время и с разумными затратами.

После обучения будет не сложно создать удобную для себя схему управления освещением
Содержание статьи
Какие проблемы можно решить с помощью переключающих устройств
Если дома есть лестничный пролет, то его освещением удобно управлять из двух мест. Автоматическое выключение света при выходе из определенной зоны можно организовать с помощью таймеров, или датчиков, фиксирующих перемещение. Но подобные электронные устройства стоят дорого. Они сложнее и менее долговечны. Их могут вывести из строя вибрации, повышенный уровень влажности.

Пример грамотной реализации освещения лестничного пролета
Схема проходного выключателя с двух мест проще и дешевле. Любому рачительному хозяину понравится следующие особенности:
- Высокая надежность и низкая стоимость типового изделия.
- Простота монтажа и отсутствие сложных настроек.
- Немедленное отключение питания при необходимости и оптимальное расходование электроэнергии.
- Возможность самостоятельного выполнения ремонтных работ и отсутствие затрат на услуги опытных специалистов.
Подобные решения пригодятся в больших домах и маленьких квартирах. Устройства управления светом ставят в коридоре, возле входа и кровати в спальне, в разных местах гостиной. Начинать следует с точного определения потребностей пользователей и составления соответствующего списка задач.
Надо уточнить места в помещениях, где необходимо иметь управление освещениемКак функционирует проходной выключатель: схема подключения на 2 точки
Обычным выключателем разрывают и соединяют электрическую цепь фазного провода, который обозначается латинской буквой «L», или «F».Таким действием на подключенный прибор подается питание. Второй проводник (нейтральный, «N») необходим для создания замкнутого контура, по которому проходит ток. Третьим проводом (специальное обозначение «Земля») корпуса приборов подсоединяются к заземлению. Это соединение предотвращает поражение электрическим током при коротких замыканиях и обеспечивает своевременное срабатывание автоматов защиты.
Принцип работы приборов переходного типа можно изучить по следующей картинке.

Схема подключения двух выключателей
В указанном положении контакты замкнуты. По цепи идет ток и лампа горит. Если человек перейдет к другому переключателю и нажмет клавишу, ключ переместится в положение «3». Цепь будет разорвана, лампа погаснет. Теперь достаточно включить клавишу с любой стороны, чтобы снова подать напряжение.
Подготовка к реализации проекта
Для прокладки понадобится кабель. Его параметры подбирают с учетом максимальной мощности. При сечении медной жилы 1,5 мм и питающей сети 220Vдопустимо подключение светильников с потреблением до 4 кВт суммарно. Меньшие размеры не рекомендуются, чтобы сохранить высокую механическую прочность, обеспечить хороший запас по нагрузкам.
Чтобы подключение проходного выключателя по схеме с двух мест не вызывало лишние затруднения, следует приобретать провода с разной цветовой маркировкой:
- Заземление – сочетание зеленого и желтого. Подключается к специальной шине, которая установлена в центральном распределительном щитке частного дома, квартиры.
- Оболочку синего цвета используют при выборе «нулевого» провода.
- К цвету фазового провода особые требования не предъявляют. Но лучше, если он не будет изменяться на разных участках проводки.

Цветная маркировка предотвращает ошибки в процессе монтажа
Подойдут провода, объединенные в едином кабеле с двойной изоляцией. Как правило, используют цельные жилы. В современных изделиях этого типа внешние слои создают из полимеров со специальными добавками. Следующие обозначения в аббревиатурах подтверждают особые свойства оболочек:
- НГ – не горючие;
- FR – повышенная стойкость к открытому пламени;
- LS – низкое выделение дыма в процессе горения.
В этой таблице приведены характеристики проходных выключателей для схемы подключения на 2 точки:
Важно! Из справочных данных понятно, что стоимость зависит от марки, эстетических и функциональных параметров. Все приведенные изделия рассчитаны на номинальное значение тока 10 А.

На обратной стороне переключателей схематически изображены контакты и места подсоединения нагрузки
Для выполнения рабочих операций понадобятся:
- Отвертки с крестообразными и плоскими шлицами.
- Нож и бокорезы.
- Строительный уровень, рулетка.
- Отвертка щуп со встроенным индикатором фазы.

Индикаторные отвертки разных видов
Инструмент и расходные материалы для прокладки каналов выбирают в зависимости от характеристик строения. Труднее всего работать с деревянными домами. Чтобы предотвратить аварийные ситуации тут применяют следующие методики:
- установку кабелей в стальных или медных трубах;
- открытый монтаж.
Прятать проводники в гофрированных полимерных и металлических трубках запрещено. Такие инженерные системы должна соответствовать нормам ПУЭ и ПТЭЭП. В негорючих кирпичных и бетонных конструкциях создают специальные каналы. В зависимости от материала подбирают соответствующий инструмент и насадки.
Статья по теме:
Розетки и выключатели: лучшие бренды. Грамотный выбор электротехнического оборудования гарантирует безопасность, надежность и эстетичность использования. Давайте разберемся в существующих брендах и моделях.
Пошаговый монтаж схемы подключения проходного выключателя с 2х мест
Следующая инструкция поможет правильно выполнить все операции:
- Удаляют обои, облицовочные панели и другие декоративные покрытия. Наносят разметку будущих линий.

Пример разметки стен
- Штробы прокладывают, начиная от щитка. До стенок верхней кромки канала оставляют свободное расстояние не менее 50% от диаметра кабеля.

Создание штроб в стенах с применением электроинструмента
- Горизонтальные линии должны располагаться на одном уровне.

Для точной разметки пригодится строительный уровень
- Укладка кабеля выполняется аккуратно. Допустима необходимая фиксация гвоздями подходящих размеров до штукатурки без повреждения защитных оболочек.
- Устанавливаются переключатели и распределительные коробки. Проводники подсоединят к соответствующим клеммам.
- Собранные изделия вставляют в пластиковые монтажные коробки. С помощью встроенных механизмов выдвигаются заостренные элементы, обеспечивающие надежное крепление.

Установка выключателя в монтажную коробку
- Проверяется функционирование системы. При отсутствии замечаний каналы закрывают цементным раствором. Рамки устанавливают после восстановления отделки стен.
Решение других задач
Ниже рассмотрены примеры, как подключить проходной выключатель по иным схемам подключения. Поняв принципы работы, будет не сложно самому модифицировать проект с учетом личных требований.
Управление двумя светильниками
Если необходимо, можно организовать независимое управление двумя светильниками. Здесь изображено соответствующее подключение ламп. Обратите внимание, что понадобится приобрести двухклавишные переключатели.

Управление двумя лампами
Включение и выключение света из нескольких мест
На следующих картинках указано, как соединяются устройства, если стандартная схема подключения двухклавишного проходного выключателяне подходит.

Управление из четырех мест с добавлением двух переключателей перекрестного типа

Организация включения двух светильников в независимом режиме
Выводы и рекомендации
Чтобы правильно использовать проходной выключатель, схема подключения на 2 точки создается на основе потребностей будущих пользователей. В план включают расходные, строительные и отделочные материалы, инструменты и приспособления. Важным является точный выбор технологии прокладки каналов. Электрические параметры сертифицированных переключателей идентичны. Но внешний вид и дополнительные возможности этих устройств оказывают существенное влияние на стоимость.

Освещение длинных и сложных по конфигурации помещений можно организовать с помощью проходных переключателей
Как подключить проходной переключатель (видео)
ПОДЕЛИТЕСЬ В СОЦСЕТЯХ
Загрузка…aquatic-home.ru
из двух, трех и более точек, фото, видео
Главная » Электрика » Как подключить проходной выключатель (управление светом из двух и более точек)
Нынешние цены на электричество заставляют задуматься об экономии там, где раньше об этом даже не думал. Например, освещение на лестнице. Неважно, в частном или многоэтажном доме — все равно платить нужно. Раньше просто оставляли свет гореть. Сегодня задумываешься о том, чтобы его выключить, но бегать вверх/вниз тоже нерадостно. Оказывается есть решение. Чтобы свет не горел постоянно, существуют схемы управления лампами из нескольких мест. То есть один или несколько светильников могут включаться и выключаться из нескольких точек. Выключатели для этого нужны особенные. Называются они проходными. Иногда встречаются названия «дублирующие» или «перекидные». Все это — один тип электрооборудования. Отличаются от обычных большим числом контактов. Соответственно и схема подключения проходного выключателя сложнее. Тем не менее, разобраться можно.
Как выглядит и работатет проходной выключатель
Содержание статьи
Если говорить о лицевой стороне, то отличие единственное: едва заметная стрелочка на клавише вверх и вниз.

Как выглядит проходной одноклавишный выключатель. Видите, есть двойные стрелочки
Если говорить об электрической схеме, все тоже просто: в обычных выключателях только два контакта, в проходных (еще называют перекидными) три контакта, два из которых — общие. В схеме приличествуют всегда два или больше таких устройства, вот при помощи этих общих проводов они и коммутируются.

Разница — в количестве контактов
Принцип работы прост. Изменением положения клавиши вход подключается к одному из выходов. То есть у этих устройств только два рабочих положения:
- вход соединен с выходом 1;
- вход соединен с выходом 2.
Никаких других промежуточных положений нет. Благодаря этому все и работает. Так как контакт переключается из одного положения в другое, электрики считают, что правильнее их называть «переключатели». Так что проходной переключатель — это тоже это устройство.
Чтобы не полагаться на наличие или отсутствие стрелочек на клавишах, нужно осмотреть контактную часть. На фирменных изделиях должна быть нанесена схема, позволяющая понять, какого типа оборудование у вас в руках. Она точно есть на изделиях фирм Lezard (Лезард), Legrand (Легранд), Viko (Вико). На китайских экземплярах они часто отсутствуют.

Так выглядит перекидной выключатель с тыла
Если такой схемы нет, смотрите на клеммы (медные контакты в отверстиях): их должно быть три. Но далеко не всегда на недорогих экземплярах та клемма, что стоит одна — это вход. Часто они перепутаны. Чтобы найти где же находится общий контакт, необходимо прозвонить контакты между собой при разных положениях клавиши. Сделать это обязательно, иначе ничего работать не будет, а само устройство может сгореть.
Вам нужен будет тестер или мультиметр. Если есть мультиметр, переводите его в режим звука — он пищит при наличии контакта. Если в наличии стрелочный тестер, прозваниваете на короткое замыкание. Ставите щуп на один из контактов, находите с каким из двух он звонится (прибор пищит или стрелка показывает КЗ — отклоняется вправо до упора). Не меняя положение щупов, изменяете положение клавиши. Если КЗ пропало, один из этих двух — общий. Теперь осталось проверить который. Не переключая клавишу передвигаете один из щупов на другой контакт. Если есть КЗ, то тот контакт, с которого щуп не двигали и есть общий (это вход).
Может станет понятнее, если посмотрите видео о том, как найти вход (общий контакт) для проходного выключателя.
Как подключить варочную панель написано тут, а про установку и включение водонагревателя — в этой статье.
Схема подключения проходного выключателя с двух мест
Такая схема удобна в двухэтажном доме на лестнице, в проходной комнате, в длинном коридоре. Можно применить ее и в спальне — выключать верхний свет у входа и возле кровати (сколько раз приходилось вставать, чтобы его включить/выключить?).

Электрическая схема включения проходного выключателя с 2 мест
Ноль и земля (если есть) заводятся сразу на светильник. Фаза подается на выход первого переключателя, вход второго заводится на свободный провод светильника, выходы двух устройств соединяются между собой.
Глядя на эту схему, несложно понять, как работает проходной выключатель. В том, положении, что на рисунке, светильник включен. Нажав на клавишу любого из устройств, цепь разрываем. Точно также, при выключенном положении, переведя любой из них в другое положение мы замкнем цепь через одну из перемычек и лампа загорится.
Чтобы было понятнее, что и с чем соединять, как прокладывать провода, приведем несколько изображений.

Расключение проводов на проходном выключателе
Если говорить о помещении, то прокладывать провода нужно примерно так, как на фото ниже. По современным правилам все они должны находится на расстоянии 15 см от потолка. Укладываться они могут в монтажные коробы или лотки, концы проводов заводятся в монтажные коробки. Это удобно: при необходимости можно заменить пробитый провод. Также по последним нормам все соединения происходят только в монтажных коробках и при помощи контакторов. Если же делаете скрутки, то лучше их пропаять, а сверху хорошенько замотать изолентой.
Возвратный провод лампы подсоединяется ко выходу второго выключателя. Белым обозначены провода, соединяющие между собой выходы обоих устройств.

Как разводятся провода по помещению
Как все соединить в клеммной коробке рассказано в видео.
Как самому подключить люстру читайте тут.
Схема на 3 точки
Чтобы иметь возможность включать/выключать свет с трех мест, необходимо к двум выключателям купить перекрестный (крестовой) переключатель. От описанных ранее он отличается наличием двух входов и двух выходов. Он переключает сразу пару контактов. Как все должно быть организовано, смотрите на рисунке. Если разобрались с тем, что выше, понять эту просто.

Электрическая схема управления лампой с трех точек
Как собрать такую схему? Вот порядок действий:
- Ноль (и заземление, если есть) заводится сразу на лампу.
- Фаза подключается ко входу одного из проходных выключателей (с тремя входами).
- Вход второго подается на свободный провод лампы.
- Два выхода одного трехконтактного устройства заводятся на вход перекрестного переключателя (с четырьмя входами).
- Два выхода второго трехконтактного устройства заводятся на вторую пару контактов переключателя с четырьмя входами.
Та же схема, но уже в другом ракурсе — куда подключать провода на корпусах.

Куда подключать провода
А вот примерно так разводить по помещению.

Проводка при управлении лампой из трех мест
Если вам нужна схема на четыре, пять и боле точек, то отличается она только количеством перекрестных переключателей (на четыре входа/выхода). Выключателей (с тремя входами/выходами) всегда в любой схеме два — в самом начале и в самом конце цепи. Все остальные элементы — перекрестные устройства.

Схема подключения проходных выключателей на 5 точек
Уберете один «перекрестник», получите схему управления из четырех точек. Добавите еще — будет уже схема на 6 мест управления.
Чтобы окончательно уложить все в голове, посмотрите еще это видео.
О правилах соединения проводов в распределительной коробке читайте тут.
Двухклавишный проходной выключатель: схема подключения
Чтобы с нескольких мест управлять освещением двух ламп (или групп ламп) с одного выключателя есть двухклавишные проходные выключатели. Они имеют шесть контактов. При необходимости общие провода находите по тому же принципу, как и в обычном устройстве этого типа, только прозванивать придется большее количество проводов.
Схема подключения 2-х клавишного проходного выключателя отличается только тем, что проводов будет больше: фаза должна подаваться на оба входа первого выключателя, также как и с двух входов второго должна уходить на две лампы (или две группы ламп, если речь идет о многорожковой люстре).

Принцип подключения двухклавишных проходных выключателей
Если необходимо организовать управление двумя источниками света из трех и более точек, придется в каждой точке ставить по два перекрестных переключателя: двухклавишных их просто нет. В этом случае одна пара контактов заводится на один перекрестник, вторая — на другой. И дальше, при необходимости они между собой соединяются. На последний в цепи двухклавишный переходной выключатель подключают выходов обоих перекрестников.

Как организовать управление двумя лампами из четырех мест
Если вдуматься, все не так уж и сложно, а схема подключения проходного выключателя из 2-х точек, так вообще простая. Только проводов много…
stroychik.ru
Схема подключения двойного проходного выключателя с 2-х мест для 2 ламп (видео)
Что такое проходной выключатель мы уже рассказывали в одной из наших статей «Как включить люстру из двух разных мест». Основной целью статьи было рассказать о том, что бывают такие проходные выключатели. Они способны обеспечить питание лампы (люстры) из разных мест от 2 и более, но при этом в статье не были рассмотрены частные случаи. Под частным случаем мы понимаем возможность управлять не только одной лампой (группой ламп), но и включать – выключать и две группы. Ведь бывают и двойные проходные выключатели. Именно о подключении двойного проходного выключателя мы расскажем в нашей статье.
Двойной проходной выключатель и как он монтируется в стену
По сути двойной проходной выключатель является размноженной копией своего младшего собрата, то есть одинарного проходного. Разве что в одном корпусе их уже двое. То есть два отдельных проходных выключателя в одном корпусе и есть один двойной проходной.
На нашем рынке это продукция довольно таки редкая. Это мы к тому, что встречаются они не часто, но все же «есть в природе». Так двойные проходные выключатели выпускает legrand, lizard, viko… Это двухклавишные выключатели с обозначением на каждой из клавиш. (значок проходного выключателя)
Монтаж двойного проходного выключателя в стену ни чем не отличается от монтажа обычного одинарного либо двойного выключателя. Более подробно о процессе установки выключателя в стену можно узнать из статьи «Монтаж встроенного выключателя в стену». После того как вы смонтировали выключатель, необходимо проложить проводку. То есть вам необходимо будет осуществить электрическое подключение двух проходных выключателей. Как раз о такой электрической схеме далее.
Схема подключения двойного проходного выключателя в 2 местах для 2 ламп (групп ламп)
По логике происходящего здесь все также как и для одинарного двойного выключателя, но взятого два раза. То есть фактически необходимо осуществить подключение двух двойных выключателей, так как в случае если бы они были просто в разных корпусах. Только что они не в разных все же корпусах, а в одном корпусе.
Схема будет выглядеть следующим образом.
А если вы будете все монтировать в распределительные коробки, то соединения будете еще и следующими.

О том как лучше соединить провода можно узнать из статьи «Как соединить электрические провода в проводке дома».
В принципе, здесь все так как мы и говорили, схема реализована с выключателями, словно это два независимых проходных выключателя.
В итоге у нас получается электрическая схема с двумя сдвоенными проходными переключателями, которые обеспечивают управления двумя лампами (группами ламп) в одном месте.
Подводя итог о подключении двойного проходного выключателя с 2-х мест для 2 ламп
Итак, подводя итог нашей статьи можно сказать о том, что желающие управлять люстрой с двумя группами ламп с двух разных мест вполне могут реализовать свое желание на практике. Тому способствуют два фактора. Первое, производители выключателей производят сдвоенные проходные переключатели. Второе, воспользовавшись электрической схемой с нашего сайта вы сможете использовать 2 проходных выключателя, для управления двумя группами ламп из одного места.
Видео о подключении проходного выключателя
xn——7kcglddctzgerobebivoffrddel5x.xn--p1ai
