Проходные выключатели двухклавишные – Как подключить проходной двухклавишный выключатель?
Подключение проходных и перекрестных выключателей
Содержание:
1. Введение
В одной из предыдущих статей мы уже подробно рассмотрели схемы подключения простых одно- и двухклавишных выключателей (подробнее см. статью: Подключение выключателя), однако у таких выключателей имеется один серьезный недостаток — управление освещением, т.е. его включение и отключение может выполняться только с одного места. Представим себе ситуацию с которой сталкивался каждый, например: Вы заходите домой, включаете в прихожей свет, снимаете верхнюю одежду и проходите в комнату, но стоп, свет в прихожей нужно выключить, а сделав это выходить из прихожей придется в темноте, то же касается длинных коридоров или лестничных пролетов. В таких ситуациях возникает необходимость управления освещением с двух мест, именно для решения таких задач и предназначены так называемые проходные выключатели.
В данной статье мы рассмотрим различные варианты подключения проходных выключателей для управления освещением с 2-х, 3-х и более мест.
2. Управление освещением с двух мест:
Для организации управления освещения с двух мест необходимо использовать 2 проходных выключателя. Ниже приведены схемы подключения двух одноклавишных (одиночных) и двух двухклавишных (двойных) проходных выключателей.
2.1 Подключение двух проходных одноклавишных выключателей.
Для начала разберемся, что представляет из себя одноклавишный проходной выключатель, внешне он практически неотличим от обычного одноклавишного выключателя, однако в отличии от последнего имеет не 2, а 3 клеммы для подключения проводов, кроме того на клавише проходного выключателя может присутствовать два треугольника расположенных вертикально один над другим и указывающих своими вершинами вверх и вниз соответственно:

Как видно на картинке выше с обратной стороны проходного выключателя, как правило, имеется его схема, при этом клеммы для подключения к выключателю проводов могут иметь различные буквенные, цифровые либо символьные обозначения, например это могут быть: «L,1,2»; или «1,2,3»; так же обозначения могут быть стрелочные, в этом случае одна стрелка указывает внутрь выключателя, а две другие стрелки указывают наружу.
Подключение одноклавишных проходных выключателей выполняется трехжильными кабелями (как показано на картинке выше), например кабелем ВВГ 3х1,5 — в случае если внутренняя электропроводка выполнена медью, или кабелем АВВГ 3х2,5 — в случае если внутренняя электропроводка выполнена алюминием.
Схема подключения проходного выключателя:

Подключение проводов к одноклавишным проходным выключателям выполняется следующим образом:

Подключив таким образом 2 проходных выключателя можно организовать управление освещением с двух мест. Как именно работает такая схема можно увидеть на GIF-анимации приведенной ниже:
elektroshkola.ru
схема подключения и расключения на 2 и 3 места и инструкция с видео
Двухклавишный проходной выключатель активно используется в жилых домах, квартирах, а также кабинетах, где требуется управление несколькими линиями освещения. Для того чтобы самостоятельно осуществить процедуру монтажа и подсоединения проводов переключателя, нужно определиться с типом электросхемы и методом управления.
Содержание
Открытьполное содержание
[ Скрыть]
Устройство двухклавишного проходного выключателя
Устройство представляет собой два однокнопочных выключателя, заключенных в один корпус, которые работают по принципу переброса контактных элементов. В двухклавишных приборах применяется шесть контактов — два из них входные, а четыре — выходные.
Такой принцип расключения и действия расширяет возможности электросхемы в целом. Обычно она собирается так, чтобы деактивация освещения осуществлялась любой кнопкой. Положение, в котором расположены клавиши проходного устройства, не играет роли. Возможности таких выключателей позволяют реализовать разные электросхемы управления освещением в помещении из нескольких мест. Двухклавишные устройства оснащаются специальными стрелками, предназначенными для активации режима On или Off.
Если в помещении имеется несколько равнозначных точек управления, то однозначно определить положение Вкл/Выкл двухклавишного проходного выключателя не получится. Этим переключатели на две клавиши отличаются от традиционных одноклавишных для потребителя.
Как подключить выключатель для управления с двух мест
Установку переключателя можно осуществить в двух точках здания, чтобы управлять освещением.
Схемы
Два двухкнопочных устройства устанавливаются в различных местах. Они функционируют автономно друг от друга на два направления, выполняя управление разными группами осветительного оборудования.
-
Электросхема для соединения выключательного устройства из двух мест
-
Карта расключения контактов электролиний на проходном переключателе
Инструкция
Руководство по монтажу и соединению:
- На первом этапе выбираются места для установки двухкнопочных проходных устройств. Если это длинный коридор, то их целесообразно поставить в его начале и в конце. Оптимально устанавливать и подсоединять двухклавишные переключатели в разных концах помещения.
- Используя специальное сверло с алмазным или победитовым наконечником, необходимо сделать отверстия для монтажа. Стена может быть бетонной либо кирпичной. Диаметр отверстий составит 7,2 или 8 см в зависимости от размеров корпуса устройства.
- Производится монтаж стальных или пластмассовых коробок цилиндрической формы, имеются в виду подрозетники. Если электроцепь внешняя, то корпус осветительного устройства фиксируется на поверхности стены с помощью саморезов и дюбелей. Надо надежно закрепить прибор.
- По длине расположения на поверхности стен и потолка производится установка двух групп световых устройств — люстр, бра или обычных светильников. Соединять осветительные приборы с проводами следует по параллельной схеме. Так при неисправности одного светильника не будет затронута работа других устройств, они продолжат функционировать.
- Затем от осветительных приборов до распределительного щитка осуществляется укладка электролиний. Для выполнения этой задачи потребуются проводники по две жилы в каждом. В соответствии с требованиями правил электроустановки, для безопасности корпуса осветительных устройств следует заранее заземлить. Для этого световое оборудование имеет специальную клемму, можно уложить трехжильный провод. L — это фаза в красной оплетке, N — ноль в изоляции черного или синего цвета, а заземление — зелено-желтый контакт.
- Монтаж распределительного щитка осуществляется посредине расстояния между установленными световыми приборами. С учетом назначения и условий использования, а также предметов интерьера, возможен монтаж коробки с краю.
- Устройство двухкнопочного проходного выключателя имеет шесть клемм для соединения с проводкой. От распределительного щитка до переключателя надо проложить 2 трехжильных линии. Для удаления изоляционного слоя, а также соединения кабелей необходимо оставить по 15-20 см на конце проводника.
- Всего в распределительный щиток должны зайти семь контактов. Четыре от переключательного устройства, два — от групп осветительных приборов и один — кабель питания. Контактные элементы L и N рекомендуется сделать на участках электроцепей, питающих провода, а также осветительных приборов. Не допускается их подключение в интервалах от переключательного устройства до распределительного щитка, для этого применяются любые провода.
- Чтобы определить необходимый проводник, потребуется мультиметр, который заранее настраивается в режим прозвона. Один кабель в щитке будет незадействованным, он расположен от переключателя справа. Его контакты следует заизолировать и оставить в таком состоянии. Кабель будет использоваться в качестве резервного в будущем. Можно сразу соединить его с землей.
Как подключить выключатель для управления с трех мест
Процедуру монтажа и подсоединения проходного переключательного устройства можно осуществить для управления из трех разных точек.
Схема
Подсоединение выключательного оборудования для отключения и включения с трех мест.

Инструкция
Процедура монтажа и подключения производится так:
- Производится установка переключательных устройств на стене. Заранее просверливаются отверстия, выполняется фиксация выключателей в подрозетниках.
- Процедуру подключения рекомендуется осуществлять непосредственно в распределительном щитке, поскольку соединения электролиний более сложные. Данная схема подразумевает подсоединение 12 контактов.
- Производится монтаж двух отдельных групп осветительных приборов — сначала первой, затем второй. К ним подсоединяется провод с рабочим нулевым контактом.
- Затем надо выбрать проводник соответствующей длины. Для концевых переключателей потребуется провод, рассчитанный на три жилы с сечением 1,5 мм2. К нему подводится шесть контактных элементов. Если используется двухклавишное перекрестное устройство, то выполняется подключение восьми контактов. Четыре входных и четыре выходных элемента.
- Затем к первому проходному двухкнопочному устройству надо подключить фазу, этот контакт идет непосредственно к лампе. Он соединяется с тремя входами на выключательном оборудовании.
- В соответствии с электросхемой выполняется соединение элементов непосредственно на переключателе.
- Второе проходное устройство будет получать питание от осветительных приборов. Его вход должен идти на свободный контакт осветительного прибора. А два выхода подключаются ко второй паре контактных элементов с четырьмя входами.
Одним из основных шагов при установке переключателей считается правильная маркировка проводников, а также отдельных их жил. Ее рекомендуется осуществлять постепенно, это позволит избежать запутывания при выполнении подключения. Сначала маркируется первый проводник — от одного контактного элемента ко второму и т. д. Даже если назначение электролинии понятно, нельзя пренебрегать ее маркировкой. На всех проводах отмечается приходная фаза и заземление.
Практика показывает, что стандартного распределительного щитка с диаметром 6 см может не хватить для установки этой схемы. В результате возникнут сложности в качественном подключении некоторых контактных элементов. Либо соединительные разъемы не смогут войти в щиток и не позволят его закрыть после подсоединения. Надо заранее купить коробку с большим диаметром или использовать вариант спаренного устройства.
Пользователь Виталий S рассказал о реализации этой задачи и наглядно показал, как ее выполнить в домашних условиях.
Подключение двухклавишного проходного выключателя на две лампочки
Процедура выполняется так:
- На поверхности стены необходимо произвести монтаж подрозетников для подключения переключателей. Используя перфоратор со сверлом, делаются соответствующие отверстия. К ним через штробы или специальные коробы производится подводка двух линий с тремя жилами. Можно проложить один кабель, рассчитанный на шесть жил, от распределительного щитка.
- На каждое осветительное устройство надо подключить по трехжильному проводнику. Один из них — ноль, второй — заземление, а третий — фаза.
- Затем в распределительном щитке фазный контакт должен быть соединен с двумя проводниками первого переключательного устройства. Два выключателя необходимо соединить друг с другом посредством четырех перемычек.
- К другому переключательному прибору подсоединяются контактные элементы от осветительных устройств. Вторая линия светового оборудования должна быть закоммутирована с нулевым контактом, который идет от распределительной коробки. При переключении элементов общие электролинии на выключателях будут размыкаться и смыкаться попарно. Это обеспечит активацию и отключение соответствующего осветительного прибора.
Для выполнения задачи подсоединения к двум группам осветительных устройств потребуется большее количество кабелей. К каждому проводнику должно быть подключено шесть жил, поскольку на них нет общей клеммы.
Загрузка …Видео «Подключение двухклавишного проходного выключателя»
О том, как правильно произвести подключение двойного проходного выключателя света, рассказал канал «ОБО ВСЁМ Это интересно».
razvodka.com
Схема подключения двухклавишного проходного выключателя
Приветствуем всех начинающих электриков! В этой статье мы с вами попробуем разобраться в хитрой схеме подключения проходного двухклавишного выключателя. Слово «проходной» означает, что он управляет освещением с двух или более мест. Мол, включил свет в коридоре, ПРОШЕЛ и выключил на другом конце. Слово же «двухклавишный» означает, что у него ровно две клавиши. Когда обычно применяют такие выключатели? На самом деле почти в 100 процентах современных ремонтов.

Проходные выключатели очень удобны в быту
Примеры использования
Вот конкретный пример – супружеское ложе и две настенных светильника (бра) над ним. Согласитесь, удобное и распространенное решение. С каждой стороны кровати размещается по двухклавишнику. Вот вы лежите и рассказываете жене безумно интересную и захватывающую историю про рыбалку, как вы сегодня тянули из воды здоровенного леща, и тут, как гром среди ясного неба, понимаете, что ей было так «интересно», что она давно уснула. А свет горит, вам нужно его выключить. Берете и выключаете весь свет со своей стороны кровати, не нужно никуда вставать. И вы думаете, какой же вы красавчик, что предусмотрели проходные двухклавишные выключатели.
Для уже упомянутых длинных коридоров, опять же, такое решение напрашивается. В ситуациях, когда светильников много, но не все они должны гореть одновременно. В общем, вещь удобная и нужная.Схема проходного двухклавишного выключателя с двух мест
Как подключить двухклавишный проходной выключатель с двух мест
И так как теперь по любому все резко стало ясно, переходим к порядку монтажа нашей схемы с двухклавишными проходными выключателями.
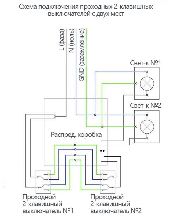
1) Монтируем распределительную коробку. Туда должно прийти ровно 7 кабелей. 4 от выключателей (по 2 от каждого, ведь там по 6 контактов, а провода трехжильные), 2 от групп освещения и питающий кабель. 7 кабелей – это 21 провод, они разведутся на 9 контактов, их легко можно увидеть на полной схеме цепи: Здесь важно понимать, что не на всех участках цепи можно учесть цветовое соответствие. На отрезках от коробки до выключателей это сделать невозможно и на цвета следует забить болт.
2) Устанавливаем подрозетники в стены в те места, где запланированы выключатели, и заводим в них по 2 соответствующих кабеля из распределительной коробки.
3) Чтобы не напутать в проводниках, вы должны запастить мультиметром. В режиме прозвона вы без труда определите все провода, рекомендую их сразу подписать. Подсоедините входы и выходы согласно схеме, и будет вам счастье. Фаза приходит на оба входных контакта первого выключателя, на входы второго вешаются провода от светильников. Выходы выключателей соединяются друг с другом. Понятное дело, можно и вовсе обойтись без распайки, тогда легче использовать для соединения выходов четырехжильный кабель.

Схема управления освещением с двух мест
И так как теперь по любому все резко стало ясно, переходим к порядку монтажа нашей схемы — как подключить двухклавишный проходной выключатель.
1) Монтируем распределительную коробку. Туда должно прийти ровно 7 кабелей. 4 от выключателей (по 2 от каждого, ведь там по 6 контактов, а провода трехжильные), 2 от групп освещения и питающий кабель. 7 кабелей – это 21 провод, они разведутся на 9 контактов, их легко можно увидеть на полной схеме цепи: Здесь важно понимать, что не на всех участках цепи можно учесть цветовое соответствие. На отрезках от коробки до выключателей это сделать невозможно и на цвета следует забить болт.
2) Устанавливаем подрозетники в стены в те места, где запланированы выключатели, и заводим в них по 2 соответствующих кабеля из распределительной коробки.
3) Чтобы не напутать в проводниках, вы должны запастить мультиметром. В режиме прозвона вы без труда определите все провода, рекомендую их сразу подписать. Подсоедините входы и выходы согласно схеме, и будет вам счастье. Фаза приходит на оба входных контакта первого выключателя, на входы второго вешаются провода от светильников. Выходы выключателей соединяются друг с другом. Понятное дело, можно и вовсе обойтись без распайки, тогда легче использовать для соединения выходов четырехжильный кабель.
Схема выключателя с трех мест
Однако, что делать, если нам нужно управлять светом с трех или даже более мест? В этой непростой жизненной ситуации к нам на помощь приходит так называемый перекрестный двухклавишный выключатель. В этом случае у нас получится два крайних проходных двухклавишных выключателей, и один или более перекрестных. Таким образом, если у нас управление из пяти мест, нам нужно 2 проходных и 3 перекрестных выключателя. Правда такая схема становится просто чудовищной по своей сложности.
У этих монстров аж по 8 контактов – 4 входа (для предыдущего выключателя) и 4 выхода (для следующего). По принципу работы такое устройство эквивалентно двум проходным двухклавишникам в одном корпусе, на схеме ниже это наглядно видно. Но здесь есть другая проблема – вам едва ли удастся найти в магазинах такие вундервафли в наличии, в распайке придется делать гораздо соединений и применять 4-жильные провода; так что хорошо подумайте, стоит ли оно того.

Схема управления с трех мест с перекрестным выключателем
Мы видим, что в данном случае у нас будут гореть оба светильника, но стоит поменять положение любого из трех выключателей, как цепь оборвется. Точно также можно и снова включить свет с любого места. Следует добавить, что из проходного выключателя всегда можно сделать обычный, если он, например, остался лишним. Кроме этого проходной двухклавишный выключатель может быть использован в качестве одноклавишного перекрестного, для этого нужно замкнуть между собой 2 контакта и нажимать обе клавиши одновременно, либо, если конструкция позволяет, заменить 2 клавиши на одну большую.
Как вы могли убедиться, работа с проходными выключателями не так уж и сложна, если хорошо представлять в голове схему из подключения. Что касается того, какой марки продукцию лучше покупать, то профессиональные электрики чаще всего советую всем известные Legrand, Scheider Electric, ABB и Makel. Их продукция по праву пользуется большой популярностью из-за своей надежности и дизайна.
Вконтакте
Google+
Одноклассники
ob-otdelke.ru
Подключение двухклавишного переключателя света
Для того чтобы правильно подключить двухклавишный переключатель света, давайте сперва рассмотрим схему его работы и разберемся в ней.
Чаще всего, двухклавишными выпускаются именно проходные переключатели, но некоторые производители в коллекциях своих электроустановочных изделий предлагают и двухклавишные перекрестные переключатели, подключение которых различается.

В данном случае представлена схема подключения системы из двух двойных проходных переключателей. Из неё ясно видно, что такой двойной проходной выключатель представляет из себя объединенные в одном корпусе два одинарных, каждый со своей клавишей. Соответственно и подключение проводов выполняется аналогично, т.е. если вы знаете как подключить одноклавишный проходной выключатель, вы с легкостью установите и такой. Единственная разница заключается в количестве одновременно подключаемых проводов, чтобы не запутаться, ниже представлена схема подключения проводов к двухклавишному переключателю света.

В качестве примера для установки возьмем механизм двухклавишного проходного выключателя ABB Busch-Jaeger, из уже хорошо знакомой нам серии Basic55.

Как и большую часть работ в электромонтаже, начинать установку следует с отключения подачи электрического тока. Обычно для этого необходимо выключить автоматический выключатель или иные защитные устройства для этой группы в учетно-распределительном щите.

Установку двойного проходного переключателя начинаем с подготовки проводов к подключению. Согласно стандартной схеме, рассмотренной нами ранее, для работы ему требуется шесть проводов, обычно это пара трехжильных кабелей. Укорачиваем их, провода должны выступать от края подрозеткника на 60-80мм.

Затем снимаем оплетку и изоляцию с концов жил на расстояние 10-14мм, как показано на изображении ниже.

Для большего удобства, на суппорте механизма розетки ABB Busch-Jaeger серии Basic55 отмечены допустимые размеры снятия изоляции с жил проводов, по которым можно ориентироваться.

После этого можно приступать к подключению проводов к механизму проходного выключателя. Маркировка клемм на его тыльной стороне выглядит следующим образом, подробное описание назначения которых вы можете узнать из нашей статьи «Cхема подключения двухклавишного проходного выключателя (переключателя)».

Как видите по маркировкам, все зажимы на механизме переключателя разделены на две группы «1» и «2», что соответствует количеству проходных выключателей, из которых он состоит. Самое главное при подключении верно подсоединить общие управляющие провода к контактам «L1» и «L2», в нашем случае это БЕЛЫЕ жилы кабелей.
Для удобства, лучше всего подключать последвательно, сперва первую группу проводов в клеммы с обозначением «1».

А затем вторую группу, в клеммы с маркировкой «2». В итоге у вас должно получится следующее.

Далее, аккуратно укладываем провода в подрозетнике и устанавливаем механизм двойного проходного выключателя.
Выравниваем строго горизонтально, по уровню и затягиваем крепежные винты, лучше всего использовать те, что идут вместе с подрозетником. Фиксация на «ушках», встроенных в механизм не всегда достаточно надежна и применяется лишь в случаях, когда нет другой возможности.

После чего устанавливаем рамку. В нашем случае двойной проходной выключатель света совмещен в одном блоке с розеткой, поэтому у них общая двойная рамка.

Для её крепления используется спецальный пластиковый фиксатор, которы вставляется в пазы суппорт и надежно крепит декоративную рамку.

Осталось установить клавиши на проходной выключатель, после чего можно включить подачу электричества и проверить его работу. Если все работает правильно, то на этом установка двухклавишного переключателя света завершена.

Если у вас возникли сложности при подключении или вы не нашли ответов на свои вопросы по двухклавишному проходному переключателю в статье, пишите их в комментариях к материалу, постараемся всем помочь!
rozetkaonline.ru
Схема для подключения двухклавишного проходного выключателя legrand: отличия и особенности подключения

Далее вы сможете ознакомиться с важными особенностями, касающимися выключателей разных типов, а также сферы их применения. Также благодаря этой статье вы получите представление о том, каким образом выполняется их подключение. Ознакомившись с представленным материалом, вы сможете достаточно легко произвести монтаж выключателя в любом помещении. Однако в обязательном порядке необходимо соблюдать меры предосторожности во избежание неприятных ситуаций.
Какие бывают выключатели?
Существует много признаков, на основании которых можно классифицировать выключатели:
- функциональность;
- дизайн;
- метод монтажа и пр.
Обязательным требованием, которому должно удовлетворять это приспособление, является использование для его создания ударопрочного материала высокого качества, который должен отличаться наличием гладкой поверхности. Для установки выключателей рекомендуется выбирать такие места, в которых к ним будет легко добраться. Подобные приспособления предназначены для эксплуатации в цепях скрытой и открытой электропроводки.
Сегодня немало представлено в продаже переключателей, которые имеют различное оформление и схему подключения. Наибольшее представительство имеют устройства, выполненные в классическом варианте. В то же время можно найти модели, благодаря которым можно придать интерьеру помещения необычный облик.
Благодаря широкому разнообразию в плане цветового решения выключателей, любой потребитель может подобрать для себя такое устройство, которое будет прекрасно гармонировать с мебелью, обоями и иными предметами интерьера. Особую группу образуют выключатели, оснащенные декоративными сменными панелями. Оценить все преимущества потребитель сможет уже сразу после установки выключателя. Именно по завершении монтажных работ, выполненных согласно схеме, выключатель может быть оборудован различными накладками.
Принято выделять следующие типы переключателей:
- обычные;
- проходные;
- одиночные;
- двойные;
- тройные.
Мы же уделим внимание проходным переключателям, которые рассчитаны на подключение одной световой группы из двух и более мест.
Проходной выключатель
Любой электрик знает, что обычные переключатели работают по принципу прерывания цепи тока. Переходные модели отличаются от них в этом плане, поскольку они оснащены тремя контактами, позволяющими выполнять переключение устройства. В свою очередь, у двойного проходного выключателя предусмотрено 6 подобных контактов.
Среди плюсов, которыми обладают переходные выключатели, основным является то, что с их помощью можно выключать и включать свет из различных мест.
Область применения проходных выключателей
Современные проходные переключатели получили распространение в нескольких областях:
- Лестницы. Обязательным для них условием является то, что выключатели должны быть установлены на первом и втором этаже. Это даст возможность включить свет на одном из этажей, после чего, когда человек поднимется или спустится, он сможет выключить свет, используя уже другой проходной выключатель.
- Спальные комнаты. В этих помещениях переключатели подобного типа устанавливают при входе в комнату и рядом с кроватью. Такой вариант обеспечивает немало удобства, поскольку человеку не придется вставать с кровати и идти к входу, чтобы погасить или включить свет.
- Коридоры. Особенно удобны проходные переключатели для коридоров, которые имеют большую протяженность, поскольку они могут быть установлены в самом начале и в конце.
- Дачи. Здесь польза от использования переходных переключателей заключается в том, что у владельца появляется возможность обеспечить освещение двора и дорожек.
Проходной выключатель: схема подключения
Если рассматривать принцип работы проходного переключателя, то это схоже с переключением стрелок железнодорожных путей, поскольку они начинают работать вне зависимости от того, в какое положение переведены. Дело в том, что здесь используется переключение с одной линии на другую.
Если рассматривать более подробно схему подключения проходного переключателя, то она заключается в следующем. Имеется два переключателя, где на один подается фаза, с другого она переводится на светильник, связь между ними обеспечивается специальным проводом или кабелем. Однако чаще всего их оставляют разъединенными, так как здесь применяется вариант с распределительной коробкой, в которой их размещают, при этом от каждого выключателя отводится три провода, из которых два соединяются друг с другом.
Бывают случаи, когда к переходным переключателям может быть подведено большее количество проводов, однако схема подключения остается прежней. Правда, здесь все же будут присутствовать определенные различия, заключающееся в том, что первые два кабеля будут предусматривать лишь один входной контакт и два выходных. Наращивая число кабелей, владелец столкнется с необходимостью увеличения количества входных и выходных контактов, которые придется увеличить до двух. Подобное решение позволит создать перекрестное подключение двух линий.
Двухклавишный проходной выключатель
Ознакомившись со схемой подключения этого устройства, настало время уделить внимание часто встречаемому виду переходного выключателя — двойному.
Чаще всего такие устройства устанавливают в помещениях, где необходимо обеспечить раздельное включение, реализуемое с разных мест для двух линий освещения. Если в качестве подобных зон выступают коридор или лестница, то здесь можно ограничиться одиночным проходным выключателем, схема подключения для которого будет аналогичной.
Пользование двойными устройствами упрощается благодаря наличию на клавишах стрелок-указателей: с их помощью можно легко определить направление клавиш, при переводе в которое можно включить или выключить освещение.
Обычный двухклавишный проходной выключатель являет собой результат симбиоза одноклавишного устройств. Располагаясь в едином корпусе, они функционируют благодаря перекидыванию контактов.
Двухклавишный выключатель: схема подключения
Особенностью двухклавишных проходных устройств legrand является наличие двух независимых групп контактов. Если надавить на клавиши, то они переключаются с верхних линий на нижние, причем первые не имеют конечного вывода, а вторые связаны с другим таким же выключателем.
Таким образом, мы выяснили, что у этих переходных устройств легранд предусмотрено 2 группы контактов — правая и левая. Зная это, можно легче разобраться с тем, каким образом выполняется подключение двухклавишного проходного устройства.
Согласно схеме, на второй контакт правого отключателя подается фаза, выходящая из распределительной коробки дома. Контакты в рамках этой группы соединены между собой при помощи перемычки, те же, которые относятся к левой группе, обеспечивают подачу тока на два независимых друг от друга светильника. Важным здесь моментом является то, что эти два контакта не должны взаимодействовать друг с другом. Далее эти четыре перекрестных контакта должны быть связаны друг с другом в виде пары.
Заключение
Несмотря на то что двухклавишный проходной выключатель legrand является довольно простым устройством, схема его подключения предусматривает свои особенности. Именно ее следует учитывать при установке, чтобы избежать проблем в процессе пользования выключателем. Каждый квалифицированный электрик знаком со всеми этими нюансами, поэтому, поручив ему эту работу, вы избавите себя от ненужных проблем.
Однако если вы обладаете хотя бы минимальными знаниями в области электрики, то вы сможете разобраться сами, каким образом подключить двухклавишный проходной выключатель legrand.
Оцените статью: Поделитесь с друзьями!elektro.guru
Схема подключения двухклавишного проходного выключателя
Для чего необходим проходной выключатель? Он очень удобен, когда необходимо безопасно пройти в темноте по большому и длинному помещению, где расположены на его краях два выключателя. Как это часто выглядит? Человек, придя домой с работы, очень устал, у него нет сил. А тут ещё и комната, которая заполнена различной мебелью. Проход по ней может стать настоящим испытанием, особенно если там нет порядка. Поэтому чтобы безопасно пройти, ему нужно, к примеру, выходя из зала в коридор и оттуда в спальню, включить свет в коридоре, затем выключить его в зале. Потом процедура повторяется, когда происходит переход в спальню. При этом по темному коридору нужно идти, ориентируясь на слабый луч света, который пробивается где-то из-за угла.
Если есть хоть самые скудные сведения про установку, а также известна схема подключения двухклавишного проходного выключателя, то можно провести весь монтаж самому, без чьей-либо помощи. Теперь, прочитав это, не стоит стремглав бежать всё переделывать. Хотя на первый взгляд не всё так и сложно, однако, не помешало бы ознакомиться с простейшим подключением такого выключателя. Можно сделать это на примере одноклавишного проходного выключателя.
Сведения для новичков
Пример расположения
Чем отличается от обычного проходной выключатель, так это наличием трех контактов вместо стандартных двух. Итак, если в стене проложена всего пара жил, а желания переделать кабель с двух- на трехжильный почему-то не появилось, то ничего с монтажом выключателя такого типа не получится. Почему? Сейчас разберемся.
Если всё же возобладал здравый разум, и решено сделать монтаж трехжильного кабеля, то кроме него понадобится купить (или достать из ящика, если есть) кое-что ещё:
- пару описываемых проходных выключателя;
- инструмент для монтажа, в том числе и электроинструмент.
Прокладывая провод, люди привыкли к двум вариантам: либо в стене делается штроба, либо на неё крепится короб, в который будет уложен провод.
Суть работы
Зачем нужны проходные выключатели
В этом случае система работает так: линии переключаются, однако это всё работает тогда, когда через оба выключателя проходит электрический ток. На схемах в учебниках для электромонтажников обозначены выключатели, по контактам которых одновременно проходит ток. Теперь, что происходит с ними, если один из них взять и отключить – свет, конечно же, погаснет. Если же включим второй, свет загорелся. Теперь позиции у них разные – один отключен, клавиша опущена вниз, у второго, включенного, она поднята вверх. Если теперь двигаться с той же стороны комнаты, то после установки клавиши выключенного выключателя в позицию «вверх» освещение погаснет, а не включится, как это было в первом случае. Очень удобно, когда нужно пройти неосвещенное место.
Двухклавишный выключательЕсли всё понятно с подключением, можно попробовать поработать с более сложно устроенным изделием – двухклавишным проходным выключателем. Схемы для него также легко найти, благо он применяется в домах всё чаще и чаще, когда нужно осветить помещение с двух точек.
Снова вопрос – где это может пригодиться? Представьте, что придя домой, свет решили включить на втором и первом этаже, используя двухклавишный выключатель. Когда в этом случае вы уже оказались наверху, свет можно выключить в прихожей, но оставить его в той комнате, в которой вы находитесь.
Процесс установки выключателя
Подключение проходного выключателя
Место, где будет находиться данный проходной выключатель, может быть самым разным. Однако необязательно ставить его там, где площадь должна быть освещена совсем непродолжительное время. Для этой цели подойдет датчик движения для освещения.
Что понадобится для установки? Здесь необходимо иметь отвертки (шлицевую и крестовую), отвертку с индикатором, перфоратор, нож для снятия изоляции с проводов или другое приспособление, плоскогубцы, кусачки, небольшой уровень, нужное количество провода, пластмассовые подрозетники и алебастр для их закрепления в стене.
Ставить подрозетники просто. На перфоратор одевается корона нужного размера, которая в стене сверлит отверстие. Если таковая отсутствует, тогда подойдут зубило и молоток. Такие коробки ставятся в стену на алебастр, при этом подрозетник не должен выпирать из стены. Для прокладки провода нужны штробы, которые делаются специальным инструментом – штроборезом. К преимуществам его использования можно отнести минимальное выделение пыли при работе.
Схема для двухклавишных выключателейОбратите внимание! Для двойного выключателя, устанавливаемого при входе, потребуется пятижильный кабель (можно 5 одножильных, или двух и трехжильный). А ко второму выключателю нужно подвести шестижильный провод (протяните 2 трехжильных), затянуть его в гофру и закрепить в стене.
Удалите бокорезами лишний провод, оставив концы длиной в 10-15 см для подключения выключателя. Снимите с него немного изоляции (сколько нужно для подсоединения к выключателю).
Посередине отверстия, проверив уровнем, прочертите горизонтальную линию и, сделав небольшой замес алебастра, установите подрозетники так, чтобы боковые дырочки под шурупы совпадали с прочерченной линией – это поможет ровно установить выключатели.
Видео
Подробнее о монтаже подобных выключателей смотрите в видеоматериале:
stroysvoimirukami.ru
Схема подключения двухклавишного проходного выключателя

Проходной выключатель очень облегчает жизнь и делает ее более безопасной, потому что создает условия, при которых не делается переходов по темным помещениям. Какая чаще всего обстановка в помещениях, где установлены обыкновенные выключатели? Придя домой, человек включает свет в прихожей, потом идет и включает свет в следующей комнате, возвращается, и выключает его в прихожей. Уходя, все делается в обратном порядке. Привычно, но неудобно, особенно когда есть потребность включить свет выборочно в одном из помещений!
Технически, если есть схема подключения двухклавишного проходного выключателя, то сделать такое устройство можно даже не обладая большими знаниями в этой области. Прежде чем приступать к переделке, рассмотрим принцип работы этой системы. Разберем на простейшем примере подключения одноклавишного проходного устройства. Познакомимся со схемой.

Проходной выключатель отличается от простого тем, что имеет 3 контакта, к которым должно быть подключено 3 провода, иначе система работать не будет, поэтому, если в стене проложен двужильный провод и вы ничего не собираетесь переделывать, то можете дальше не читать. Для тех, кто собирается потрудиться, идет дальнейшее описание. Вам потребуются:
- Два проходных выключателя.
- Трехжильный провод.
- Сделать штробу для укладки в нее провода (или, в крайнем случае, уложить его в короб).
В некоторых случаях, когда приборы располагаются по разные стороны стены, находясь друг напротив друга, их можно соединить двужильным проводом (на схеме он черный) напрямую, минуя распределительную коробку.
Как это работает?
Принцип работы системы заложен в переключении линий, с условием, что электричество будет проходить одновременно через два выключателя. На схеме показаны устройства, через контакты которых проходит ток, но попробуйте мысленно один из них «выключить». Свет потух. Теперь проделайте то же самое со вторым – свет загорелся, потому что оба прибора просто были переключены на другую линию, поэтому традиционных обозначений типа «вкл» и «выкл» вы не найдете. Вы включили его вверх, уходя, выключили свет вторым выключателем, переключив его вниз. Встала жена, и в той же комнате включила, щелкнув клавишу вниз.
Теперь, когда вы разобрались с подключением и включением самого простого устройства, можно приступить к более сложному варианту. Здесь показана схема подключения двухклавишного проходного выключателя, который применяется там, где есть необходимость раздельного включения с разных мест двух линий освещения.

Как видим, коренных изменений нет. По существу это та же схема, только к ней добавлено еще 2 устройства.
Для чего может потребоваться такое подключение? Допустим, что вы, войдя в дом, включили таким выключателем свет в прихожей и на втором этаже. Поднявшись наверх, вы можете выключить свет в прихожей, но не трогать его там, где он нужен. Или же возможен такой вариант, при котором на входе будет стоять один двойной проходной выключатель, а два одинарных по разным комнатам.
Работа по установке выключателя

Место, где будет стоять двухклавишный проходной выключатель, может быть самое разное, но когда нужно лишь на короткое время осветить местность, проще установить светильник с датчиком движения. Выключатель есть смысл ставить для внутреннего освещения, хотя потребности каждого человека могут отличаться, и правил по этому поводу устанавливать не будем.
Инструмент и расходные материалы
Для полноценной работы потребуются:
- Отвертка крестовая.
- Отвертка-индикатор.
- Перфоратор с коронкой.
- Устройство для снятия изоляции или нож.
- Бокорезы.
- Уровень.
- Провод.
- Подрозетники.
- Алебастр.
В тех местах, где будут стоять выключатели, при помощи перфоратора сделайте коронкой отверстия для подрозетников. Если строение новое, то нужно будет установить и распредкоробки. Дальше в ход идет штроборез. Можно, конечно, и по-другому сделать штробу, но если нет желания получить море пыли, то используйте только этот инструмент.

Для двойного выключателя, устанавливаемого при входе, потребуется пятижильный кабель (можно 5 одножильных, или двух и трехжильный). А ко второму нужно подвести шестижильный провод (протяните 2 трехжильных), затянуть его в гофру и закрепить в стене. Удалите бокорезами лишний провод, оставив концы длиной в 10-15 см для подключения устройства. Снимите с него немного изоляции (сколько нужно для подсоединения).

Посередине отверстия, проверив уровнем, прочертите горизонтальную линию и, сделав небольшой замес алебастра, установите с ним подрозетники так, чтобы боковые дырочки под шурупы совпадали с прочерченной линией – это поможет ровно установить выключатели.
Подрозетники не должны выступать за пределы стены!
Обесточьте электропроводку! Сделайте подключение по схеме, предварительно определив отверткой-индикатором, какой провод подключен к фазе. Закрепите выключатели и пользуйтесь.
Видео
Данный видеоролик поможет вам лучше разобраться в рассматриваемой теме.
www.stroitelstvosovety.ru

Электросхема для соединения выключательного устройства из двух мест
Карта расключения контактов электролиний на проходном переключателе