Размеры чертежи – Инженерная графика | Лекции | Правила нанесения размеров
§ 13. Основные правила нанесения размеров на чертеже
По изображениям предмета на чертеже судят о его величине и величине его отдельных частей. Основанием для этого служат размерные числа, независимо от того, в каком масштабе и с какой точностью
Рис. 7
Рис. 8
Рис. 9

Рис. 10
Рис. 11
Рис. 12
Рис. 13
выполнены изображения. Правила нанесения размеров на чертежах установлены ГОСТ 2.307—68.
Размеры на чертеже указывают размерными числами, размерными и выносными линиями. Размерные числа на чертежах, как правило, указывают в миллиметрах без указания единиц измерения. В тех случаях, когда необходимо применять другие единицы измерения длины, их показывают после размерного числа.
Размерные числа наносят над размерной линией, возможно ближе к ее середине. Зазор между размерным числом и размерной линией должен быть около 1,0 мм. Высоту цифр размерных чисел принимают не менее 3,5 мм (рис. 7).
Размерная линия проводится параллельно отрезку, размер которого над ней наносится. Ее проводят между выносными линиями, проведенными перпендикулярно размерным. Допускается размерные линии проводить непосредственно к линиям видимого контура, осевым и центровым. В отдельных случаях размерная линия может проводиться не перпендикулярно выносной (рис. 8). Размерные линии ограничивают стрелки (рис. 9). В отдельных случаях их проводят не полностью, а с обрывом стрелки с одной стороны (рис. 10). Размер стрелки выбирают от принятой на чертеже толщины сплошной толстой основной линии. В пределах одного чертежа величина стрелок должна быть по возможности одинаковой. Не рекомендуется в качестве размерных линий использовать контурные, осевые, центровые и выносные линии.
Если длина размерной линии мала для размещения стрелок, то размерную линию продолжают за выносные линии, и размеры наносят, как показано на рис. 11.
Выносные линии проводят от границ измерений, они являются вспомогательными и служат для размещения между ними размерных линий. Выносные линии следует по возможности располагать вне контура изображения, перпендикулярно прямолинейному отрезку, размер которого необходимо указать. Выносные линии должны выходить за концы стрелок размерных линий на 1…5 мм (рис. 12).
Минимальное расстояние от размерной линии до параллельной ей линии должно быть 10 мм, а между параллельными размерными линиями — 7 мм.
Угловые размеры на чертежах проставляются в градусах, минутах и секундах с указанием единиц измерения. Размер угла наносят над размерной линией, которая проводится в виде дуги с центром в его вершине. Выносные линии в этом случае проводятся радиально (рис. 13).
При различных наклонах размерных линий размерные числа линейных размеров располагают так, как показано на рис. 14, а, а угловые размеры — как показано на рис. 14,
Если для написания размерного числа мало места над размерной линией или это место занято другими элементами изображения и впи-

Рис. 14

Рис. 15
Рис. 16
Рис. 17
сать в него размерное число невозможно, размерное число наносят по одному из вариантов, приведенных на рис. 16.
С целью упрощения ряда изображений, создания удобств для чтения чертежа стандарт предусматривает применение условных обозначений в виде букв латинского алфавита и графических знаков, которые ставятся перед размерными числами. На чертежах применяются

Рис. 18
Рис. 19
Рис. 20
Рис. 21
Рис. 22

Рис. 23
Рис. 24
знаки и буквы для обозначения диаметра и радиуса, длины дуги и квадрата, уклона и конусности, сферы, толщины и длины детали.
Перед размерным числом диаметра наносится знак 0 (рис. 17). Причем между знаком и числом никаких пропусков не предусмотрено. Для окружностей малого диаметра размерные линии стрелки и сам размер наносят по одному из вариантов, приведенных на рис. 18.
Перед размерным числом радиуса дуги всегда ставится знак в виде прописной латинской буквы R. Размерную линию в этом случае проводят по направлению к центру дуги и ограничивают только одной стрелкой, упирающейся в дугу или ее продолжение (рис. 19). Если величина радиуса на чертеже менее 6 мм, стрелку рекомендуется распо-
Рис. 25
лагать с внешней стороны дуги. При необходимости задания положения центра дуги его отмечают пересечением центровых или выносных линий (рис. 20). В тех случаях, когда на чертеже изображена дуга большого радиуса, для которой центр можно не обозначать, размерную линию обрывают, не доводя до центра (рис. 21). Если же в этом случае центр необходимо отметить, допускается приближать его к дуге (рис. 22). Размерная линия в этом случае показывается с изломом 90°, и оба участка размерной линии проводятся параллельно. Не следует располагать на одной прямой размерные линии, выходящие из одного центра и предназначенные для обозначения размерных дуг. Радиусами рекомендуется обозначать дуги до 180°; дуги, величина которых составляет более 180°, обозначаются диаметром.
Знак дуги наносится над размерным числом (рис. 23). Длину дуги задают в линейных единицах, а размерное число, обозначающее дугу, наносится над размерной линией в соответствии с обычными требованиями.
Для простановки размеров квадрата применяют соответствующий знак D, высота которого равна 7/10 высоты размерного числа (рис. 24, а). При ином расположении квадрата наносят размеры его сторон (рис. 24, б). Следует отметить, что знак квадрата наносят только на том изображении, на котором он проецируется в линию.
Знак конусности поверхности наносится на полке линии-выноски, расположенной параллельно оси конуса или на оси конуса (рис. 25, а). Знак конусности располагают так, чтобы его острый угол был направлен в сторону вершины конуса. Величину конусности определяют отношением разности диаметров двух поперечных сечений конуса к расстоянию между этими сечениями, т. е. k = D — dll, где D — диаметр большого сечения; d — диаметр меньшего сечения; / — расстояние между сечениями. Конусность указывают в виде простого дробного числа (рис. 25, б).
Знак уклона прямой указывают на полке линии-выноски. Уклон
Рис. 26
Рис. 27

Рис. 28
так, чтобы острый угол его был направлен в сторону уклона прямой (рис. 26, б). Уклон, как и конусность, на чертеже задают простой дробью, в процентах или в промилях.
Для обозначения сферы на чертеже применяют знак диаметра или радиуса. В тех случаях, когда по чертежу сферу трудно отличить от других поверхностей, перед знаком радиуса или диаметра допускается добавлять слово «Сфера». Надпись на чертеже выполняется по типу «Сфера диаметр 17» или «Сфера R10» (рис. 27).
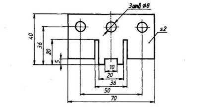
Простые плоские детали изображаются в виде одной проекции. В этих случаях ее толщину обозначают строчной буквой s и надпись на чертеже выполняется по типу s2 и располагается на полке линии-выноски (рис. 28, а). Длину предмета указывают буквой / (рис. 28, б).
Фаски на чертежах наносят двумя линейными размерами (рис. 29, а) или одним линейным и одним угловым (рис. 29, б). В том случае, если

Рис. 29
угол наклона образующей конуса равен 45°, применяют упрощенное обозначение фаски, когда размерная линия проводится параллельно оси конуса, а надпись выполняется по типу «2 х 45» (рис. 29, в).
ВОПРОСЫ ДЛЯ САМОПРОВЕРКИ
1. Какие существуют классификационные группы стандартов ЕСКД?
2. Сколько листов формата А4 содержится в формате А1?
3. Какие правила расположения основной надписи на формате?
4. Каково содержание основной надписи?
5. Какие вы знаете масштабы?
6. Как обозначаются масштабы?
7. Какова толщина осевых, центровых, выносных и размерных линий?
8. Какие линии используются для обводки контура?
9. Чем определяется размер шрифта?
10. Как определяется высота строчных букв?
11. Какие знаки используются при нанесении размеров?
12. На каком расстоянии друг от друга и от контурной линии проводят размерные линии?
13. Когда проставляют знак диаметра 0, а когда знак радиуса R?
14. Где наносят на чертеже размер числа относительно размерной линии?
15. Как влияет масштаб изображения на величину наносимых на чертеже размеров?
16. Что такое уклон, как его обозначают на чертеже?
17. Что такое конусность, как ее обозначают на чертеже?
18. Как обозначают конические фаски на чертеже
Часть третья.
studfiles.net
Правила нанесения размеров на чертежах ГОСТ (2.307-68) — Студия Vertex
- Различают размеры ГОСТ рабочие (исполнительные), каждый из которых используют при изготовлении изделия и его приемке (контроле), и справочные, указываемые только для большего удобства пользования чертежом. Справочные размеры отмечают знаком «*», а в технических требованиях, располагаемых над основной надписью, записывают: «* Размер для справок»
- Не допускается повторять размеры одного и того же элемента на разных изображениях
- Линейные размеры на чертежах указывают в миллиметрах, без обозначения единицы измерения, угловые – в градусах, минутах и секундах, например: 4°; 10°30’24”.
- Для нанесения размеров на чертежах используют размерные линии, ограничиваемые с одного или обоих концов стрелками или засечками. Размерные линии проводят параллельно объекту, размер которого указывают.
Уроки по теме:
Рамка для чертежа, размеры рамки А4
Размеры на чертеже в Autodesk Inventor
Простановка размеров в Компас 3D
Размеры в Solidworks
Выносные линии проводят перпендикулярно размерным, за исключением случаев, когда они вместе с измеряемым отрезком образуют параллелограмм. Нельзя использовать в качестве размерных линии контура, осевые и выносные.
5. Минимальные расстояния между параллельными размерными линиями – 7 мм, а между размерной и линией контура – 10 мм. Необходимо избегать пересечения размерных линий между собой и выносными линиями. Выносные линии должны выходить за концы стрелок или засечек на 1…5 мм.
6. Размерные стрелки на чертеже должны быть приблизительно одинаковыми.
7. Размерные числа наносят над размерной линией возможно ближе к ее середине. При нанесении размера диаметра внутри окружности размерные числа смещают относительно середины размерных линий.
8. При большом количестве параллельных или концентричных размерных линий числа смещают относительно середины в шахматном порядке.
9. Размерные числа линейных размеров при различных наклонах размерных линий располагают, как показано выше. Если необходимо указать размер в заштрихованной зоне, то размерное число наносят на полке линии – выноски.
Для учебных чертежей высота размерных чисел рекомендуется 3,5 мм или 5 мм, расстояние между цифрами и размерной линией – 0,5…1 мм.
10. При недостатке места для стрелок на размерных линиях, расположенных цепочкой, стрелки заменяют засечками, наносимыми под углом 45 градусов к размерным линиям или точками, но снаружи проставляют стрелки.
11. При недостатке места для стрелки из – за близко расположенной контурной линии последнюю можно прерывать.
12. Угловые размеры наносят так, как показано выше. Для углов малых размеров размерные числа помещают на полках линий – выносок в любой зоне.
13. Если надо показать координаты вершины скругляемого угла или центра дуги скругления, то выносные линии проводят от точки пересечения сторон скругленного угла или от центра дуги скругления.
14. Если вид или разрез симметричного предмета или отдельных, симметрично расположенных элементов, изображают только до оси симметрии с обрывом, то размерные линии, относящиеся к этим элементам, проводят с обрывом, и обрыв размерной линии делают дальше оси или обрыва предмета, а размер указывают полный.
15. Размерные линии можно проводить с обрывом и при указании размера диаметров окружности независимо от того, изображена ли окружность полностью или частично, при этом обрыв размерной линии делают дальше центра окружности.
16. При изображении изделия с разрывом размерную линию не прерывают.
17. Размерные числа нельзя разделять или пересекать, какими бы то ни было линиями чертежа. Осевые, центровые линии и линии штриховки в месте нанесения размерного числа допускается прерывать.
18. Перед размерным числом радиуса помещают прописную букву R. Ее нельзя отделять от числа любой линией чертежа.
19. Размеры радиусов наружных и внутренних скруглений наносят, как показано ниже. Способ нанесения определяет обстановка. Скругления, для которых задают размер, должны быть изображены. Скругления с размером радиуса (на чертеже), менее 1 мм не изображают.
20. В случаях, если на чертеже трудно отличить сферу от других поверхностей, наносят слово «Сфера» или знак ○1420. Диаметр знака сферы ○ равен размеру размерных чисел на чертеже.
21. Размер квадрата наносят, как показано ниже. Высота знака равна высоте размерных чисел на чертеже.
22. Если чертеж содержит одно изображение детали, то размер ее толщины или длины наносят, как показано на выше.
23. Размеры изделия всегда наносят действительные, независимо от масштаба изображения.
24. Размерные линии предпочтительно наносить вне контура изображения, располагая по возможности внутренние и наружные размеры по разные стороны изображения. Однако размеры можно нанести внутри контура изображения, если ясность чертежа от этого не пострадает.
25. При нанесении размера диаметра окружности знак Ø является дополнительным средством для пояснения формы предмета или его элементов, представляющих собой поверхность вращения. Этот знак проставляется перед размерным числом диаметра во всех случаях.
В ряде случаев, пользуясь этим знаком, можно избежать лишних изображений. Так, применение знака Ø позволило для детали ограничиться одним изображением.
Последовательность нанесения размеров:
- Поэлементные размеры – размеры каждой поверхности, входящей в данную деталь. Эти размеры ставятся на том изображении, где эта поверхность лучше читается.
- Координирующие размеры – размеры привязки центров одних элементов к другим, межосевые, межцентровые.
- Габаритные размеры – общая высота, длина и ширина изделий. Эти размеры располагаются дальше всего от контура детали.
autocad-lessons.ru
Нанесение размеров — Всё для чайников
Нанесение размеров
- Подробности
- Категория: Инженерная графика
Содержание материала
Страница 1 из 2
Автор видеоурока: к.пед.н., доцент кафедры ИГиСАПР Кайгородцева Н.В.
ПРАВИЛА НАНЕСЕНИЯ РАЗМЕРОВ
Правила нанесения размеров и предельных отклоне-ний на чертежах и других технических документах устанавливает ГОСТ 2.307—68 (СТ СЭВ 1976—79, CТ СЭВ 2180—80).
В данном параграфе указаны только те правила, ко торые необходимы при выполнении чертежей общей части курса черчения.
Размеры на чертежах указывают размерными числами и размерными линиями. Размерные числа должны соответствовать действительным размерам изображаемого предмета, независимо от того, в каком масштабе и с какой точностью выполнен чертеж.
Размеры бывают линейные — длина, ширина, высота, величина диаметра, радиуса, дуги и угловые — размеры углов.
Линейные размеры указывают на чертеже в миллиметрах, единицу измерения на чертеже не указывают.

Стрелки, ограничивающие размерные линии, должны упираться острием в соответствующие линии контура или в выносные и осевые линии (рис. 37, а). Выносные линии должны выходить за концы стрелок размерной линии на 1…5 мм (рис. 37, ).
Величина стрелки выбирается в зависимости от толщины s линий видимого контура и должна быть одинакова для всех размерных линий чертежа. Форма стрелки и примерное соотношение сс элементов показаны на рис. 37, б. Размерные и выносные линии выполняют сплошными тонкими линиями. В пределах одного чертежа размерные числа выполняют цифрами одного шрифта (чаще применяют шрифт размером 3,5). Размерные числа ставят над размерной линией, параллельно ей и возможно ближе к середине.
Минимальное расстояние между параллельными размерными линиями должно быть 7 мм, а между размерной линией и линией контура — 10 мм.
Необходимо избегать пересечения размерных и выносных линий.
При нанесении нескольких параллельных или концентричных размерных линий на небольшом расстоянии друг от друга размерные числа над ними рекомендуется располагать в шахматном порядке (рис. 38).

При недостатке места для стрелок на размерных линиях, расположенных цепочкой, стрелки допускается заменять засечками (размеры 2; 1; 2 на рис. 38), наносимыми под углом 45° к размерным линиям, или четкими точками (размеры 6; 4; 2 на рис. 38). В местах нанесения размерного числа осевые, центровые линии и линии штриховки прерывают (размер 50 на рис. 38).
При изображении изделия с разрывом размерную линию не прерывают и наносят действительный размер (рис. 39, а). Если стрелки размерных линий пересекают расположенные близко друг к другу контурные линии, то эти линии допускается прерывать (рис. 39,б). В случае, показанном на рис. 39, в, размерную и выносные линии проводят так, чтобы они вместе с измеряемым отрезком образовали параллелограмм.

Если наклон размерной линии к вертикали менее 30°, то размерное число наносят на полке линии-выноски (рис. 40, а).
Способ нанесения размерного числа при различных положениях размерных линий на чертеже определяют наибольшим удобством чтения чертежа. Если для нанесения размерного числа недостаточно места над размерной линией, то размеры наносят, как показано на рис. 40, б; если недостаточно места для нанесения стрелок, то их наносят, как показано на рис. 40, в.

При указании размера радиуса перед размерным числом ставят прописную букву R. На рис. 41, а показаны примеры нанесения размеров радиусов.
При большой величине радиуса допускается центр приближать к дуге, в этом случае размерную линию радиуса показывают с изломом под углом 90° (R 90 на рис. 41, а). Если не требуется указывать размеры, определяющие положение центра дуги окружности, то размерную линию радиуса допускается не доводить до центра и смещать ее относительно центра (R 250 на рис. 41, а).
Перед размерным числом диаметра ставят знак Ø (рис. 41, б), высота которого равна высоте цифр размерных чисел. Знак представляет собой окружность, пересеченную косой чертой под углом 45° к размерной линии.

При указании размера диаметра окружности размерную линию можно проводить с обрывом, при этом обрыв размерной линии следует делать несколько дальше центра окружности (Ø50 на рис. 41, б).
Если недостаточно места для нанесения стрелок или размерного числа над размерной линией, то размеры диаметров наносят, как показано на рис. 41, б, Ø15; Ø12.
При указании радиуса или диаметра сферы также пользуются знаками R и Ø. В случаях, когда на чертеже трудно отличить сферу от других поверхностей, допускается надпись «Сфера» или знак О, например, «Сфера Ø30» или О R12».
Размеры квадрата наносят, как показано на рис. 41, в. Высота знака □ должна быть равна высоте размерных чисел на чертеже (ГОСТ 2.307—68).
Угловые размеры наносят так, как показано на рис. 41, г. Для указания размера угла размерная линия проводится в виде дуги с центром в его вершине, а выносные линии — радиально. В зоне, расположенной выше горизонтальной осевой линии, размерные числа помещают над размерными линиями со стороны их выпуклости; в зоне, расположенной ниже горизонтальной осевой линии, — со стороны вогнутости размерных линий (рис. 41, г).
В заштрихованной зоне наносить размерные числа не рекомендуется. В этом случае размерные числа должны расположиться на горизонтально нанесенных полках (рис. 41, г, размеры 30 и 40°).

В случаях, когда надо показать координаты вершины скругляемого угла или центра дуги, выносные линии проводят от точки пересечения сторон скругляемого угла (размер 45 на рис. 42, а) или от центра дуги скругления (размер 17 на рис. 42, а).
Размеры контура криволинейного профиля наносят, как показано на рис. 42, 6,
forkettle.ru
Размеры чертежей формата А0, А1, А2, А3, А4, А5
Основные форматы чертежей получены путем последовательного деления формата А0, площадь которого равна 1 м2, на две равные части параллельно меньшей стороне соответствующего формата. В таблице основные форматы выделены серым цветом.
Дополнительные форматы листов чертежей образуются увеличением коротких сторон основных форматов на величину, кратную их размерам.
| Обозначение формата | Размеры сторон формата, мм | Площадь формата, м2 |
|---|---|---|
| А0 | 841 x 1189 | 1 |
| А0 x 2 | 1189 x 1682 | 2 |
| А0 x 3 | 1189 x 2523 | 3 |
| А1 | 594 x 841 | 1/2 |
| А1 x 3 | 841 x 1783 | 3/2 |
| А1 x 4 | 841 x 2378 | 2 |
| А2 | 420 x 594 | 1/4 |
| А2 x 3 | 594 x 1261 | 3/4 |
| А2 x 4 | 594 x 1682 | 1 |
| А2 x 5 | 594 x 2102 | 5/4 |
| А3 | 297 x 420 | 1/8 |
| А3 x 3 | 420 x 891 | 3/8 |
| А3 x 4 | 420 x 1189 | 1/2 |
| А3 x 5 | 420 x 1486 | 5/8 |
| А3 x 6 | 420 x 1783 | 3/4 |
| А3 x 7 | 420 x 2080 | 7/8 |
| А4 | 210 x 297 | 1/16 |
| А4 x 3 | 297 x 630 | 3/16 |
| А4 x 4 | 297 x 841 | 1/4 |
| А4 x 5 | 297 x 1051 | 5/16 |
| А4 x 6 | 297 x 1261 | 3/8 |
| А4 x 7 | 297 x 1471 | 7/16 |
| А4 x 8 | 297 x 1682 | 1/2 |
| А4 x 9 | 297 x 1892 | 9/16 |
| А5 | 148 x 210 | 1/32 |
Предельные отклонения сторон форматов листов чертежей
| Размеры сторон формата, мм | Предельные отклонения, мм |
|---|---|
| До 150 | —+1,5 |
| Св. 150 до 600 | —+2,0 |
| Св. 600 | —+3,0 |
tekhnar.ru
Чертеж как конструкторский документ. Основные правила оформления чертежа
Чертеж — конструкторский документ. К конструкторским документам относят графические (чертежи, схемы) и текстовые (спецификация, ведомости, технические условия и т. д.) документы, которые в отдельности или в совокупности определяют состав, устройство изделия, содержат необходимые данные для его разработки, изготовления, контроля, приемки, эксплуатации и ремонта.
ГОСТ ЕСКД устанавливает различные виды графической конструкторской документации: чертеж детали, сборочный чертеж, чертеж общего вида, габаритный чертеж, монтажный чертеж, схемы.
Чертеж является основным графическим документом, поскольку по нему осуществляется разработка (чертеж общего вида), изготовление (чертежи рабочие, сборочные, общего вида), сборка (сборочные и монтажные чертежи) и контроль за качеством изготовления изделия (используются все виды чертежей).
Основным конструкторским документом для изготовления деталей является чертеж.
Чертеж детали — это графический документ, содержащий изображение детали и другие данные, необходимые для ее изготовления и контроля.
Все чертежи выполняются по определенным правилам, установленным стандартом.
Форматы. Чертежи выполняют на листах бумаги определенного размера, называемых форматами.
ГОСТ 2.301—68 устанавливает следующие основные форматы: A0(841X1189), A1 (594X841), A2 (420X594), A3 (297X420), A4 (210X297).
На уроках черчения вы используете формат A4, размеры которого равны 210×297.
Форматы оформляются внутренней рамкой чертежа, которая наносится по ГОСТу так, как показано на рисунке 127.
Основная надпись чертежа. В правом нижнем углу располагается основная надпись чертежа. ГОСТ 2.104—68 устанавливает форму и размеры основной надписи. На рисунке 128 приводится пример выполнения основной надписи, используемой на учебных чертежах.

Рис. 127. Оформление формата

Рис. 128. Основная надпись учебного чертежа
Размеры на чертежах. Для полноты передачи информации на чертежах используют знаковую систему графического языка. Она предназначена для уточнения геометрической формы изображаемого объекта и передачи метрической информации о ней, для указания технических и технологических требований и характеристик, предъявляемых к изделию. Для каждого вида технической и технологической информации существуют свои, строго определенные носители информации (знаки, буквы, цифры, надписи). Знаковая система графического языка закреплена в ГОСТах в виде правил. Рассмотрим группу правил знаковой системы, относящихся к нанесению размеров (ГОСТ 2.307—68).
Размер — величина отрезка, угла, дуги, окружности, выраженная в каких-либо единицах. Например, в странах с метрической системой измерения на машиностроительных чертежах размеры проставляются в миллиметрах, градусах, радианах, минутах, а на строительных — в сантиметрах.
В других странах используется иная система измерений, поэтому размеры на чертежах проставляются в дюймах. Одни дюйм (американский) равен 24,5 мм (Г- 24,5 мм).
Размеры на чертеже — величины, используемые для уточнения геометрической формы изображенного объекта, его элементов и позволяющие осуществить изготовление и контроль за соблюдением геометрических параметров изделия.
Нанесение размеров — процесс нанесения на изображения чертежа выносных и размерных линий, размерных чисел с учетом формы (в том числе ее конструктивных особенностей) изделия и технологии его изготовления.
Для нанесения размеров каждого элемента формы существуют определенные правила. Вы знаете, что на видах форма отображается контурами, состоящими из отрезков прямых, дуг окружностей и т. д. Проставляя размеры для каждого элемента изображения на чертеже, мы тем самым задаем размеры предмета, которые наносятся по определенным правилам.
Нанесение размеров отрезков прямых. При нанесении размеров формы, изображенной на чертеже отрезками прямых, предпочтительно проставлять размеры следующим образом. От концов отрезка проводят две параллельные между собой сплошные тонкие линии, которые называются выносными линиями (рис. 129, а). На расстоянии 10 мм от отрезка и параллельно ему проводят сплошную тонкую линию, называемую размерной линией. Размерная линия своими концами упирается в выносные линии и заканчивается стрелками. Начертание стрелок показано на рисунке 129, б. Выносные линии выходят за размерные на 1—3 мм. Над размерной линией проставляют размерное число, которое всегда указывает истинный размер элемента формы (ребра, грани и т.д.).

Рис. 129. Нанесение размеров отрезков прямых. Изображение стрелки
В местах нанесения размерного числа осевые, центровые линии и линии штриховки прерывают (рис. 130, а). Стрелки не должны пересекать линию видимого контура (рис. 130, б).
Если для нанесения размерного числа недостаточно места над размерной линией, то размеры проставляются так, как показано на рисунке 130, в.
Нанесение размеров дуг окружностей. Проставляя размеры формы дуг окружностей, используют следующие правила.
Размерную линию проводят концентрично дуге, выносные линии — параллельно биссектрисе угла, над размерным числом ставят знак дуги. Размерное число показывает длину дуги (рис. 131, а).
При нанесении радиуса дуги окружности допускается отмечать положение ее центра пересечением штрихов. Сплошной тонкой линией проводят прямую, соединяющую центр дуги с одной из ее точек. Эта линия будет являться размерной линией, которую заканчивают стрелкой, упирающейся в дугу. Размерное число, показывающее радиус дуги, проставляют над размерной линией (рис. 131, б) или на полке линии выноски (рис, 131, e) за знаком R. Высоты знака радиуса и размерного числа должны быть одинаковыми.

Рис. 130. Нанесение размерных чисел
Рис. 131. Нанесение размеров дуги
Рис. 132. Простановка малых и больших диаметров окружностей
При проведении нескольких радиусов из одного центра их размерные линии не располагают на одной прямой (рис. 131, г).
Нанесение размеров окружностей. ГОСТ допускает большое разнообразие в простановке размеров цилиндрических, конических и сферических поверхностей в тех случаях, когда они изображаются окружностями. Нанесение размеров обусловлено диаметром изображаемой окружности (рис. 132).
При нанесении размеров окружностей перед размерным числом ставят знак диаметра — 0 (см. рис. 132). Высота знака диаметра соответствует высоте размерного числа, наклон прямолинейного элемента знака диаметра составляет угол 60° с горизонтальной прямой.
Нанесение размеров углов. При нанесении размера угла размерную линию проводят в виде дуги с центром в его вершине, а выносные линии радиально, т. е. на продолжении сторон угла (рис. 133). Угловые размеры указывают в градусах, минутах, секундах с обозначением единиц измерения.
Нанесение размеров на изображения некоторых конструктивных элементов формы изделий. Одним из конструктивных элементов изделия является фаска — скошенная кромка стержня, бруска, отверстия (рис. 134, а). Нанесение ее величины осуществляется либо простановкой двух линейных размеров (рис. 134, б), либо линейным и угловым размерами (рис. 134, в, г).
Если на чертеже имеется несколько одинаковых фасок, то размер наносят один раз так, как показано на рисунке 134, г. Эта надпись означает, что снято две фаски размером 2 мм под углом 45*.
Нанесение размеров шлица (рис. 135, а) — паза в виде узкой прорези или канавки на головках винтов и шурупов — представлено на рисунке 135, б.
Нанесение размеров проточки — кольцевого желоба на стержне (рис. 136, а) или в отверстии — производят с помощью выносного элемента (рис. 136, б).
Нанесение размеров прямоугольного паза (рис. 137, а) — выемки (углубления) прямоугольной формы — показано на рисунке 137, б.
Рис. 134. Нанесение размеров фаски
Рис. 135. Нанесение размеров шлица
Рис. 136. Нанесение размеров проточки на стержне
Рис. 137. Нанесение размеров паза

Рис. 138. Нанесение размеров шпоночного паза
Пример нанесения размеров шпоночного паза 2 — углубления на валу 1, втулке 4 или ступице колеса, предназначенного для размещения в них шпонки 3, — приведен на рисунке 138.
Нанесение размеров галтели (рис. 139, а) — криволинейной поверхности плавного перехода одного элемента детали к другому — приведено на рисунке 139, б.
Нанесение размеров лыски (рис. 140, а) — плоского среза на цилиндрических, конических или сферических участках деталей, как правило, параллельного оси вращения, — показано на рисунке 140, б.
Нанесение размеров на изображениях изделий (рис. 141). Общее число размеров, проставленных на чертеже, должно быть минимальным, но достаточным для изготовления и контроля изделия.
Рис. 139. Нанесение размеров галтели
Рис. 140, Нанесеиие размеров лыски
Габаритными размерами определяются предельные величины внешних очертаний изделий. За габаритные размеры принимают длину, ширину, высоту изделия. Эти размеры всегда больше других, поэтому на чертеже их располагают дальше от изображения, чем остальные.
При нанесении нескольких параллельных или концентрических размерных линий расстояние между ними должно быть не менее 7 мм. Размерные числа располагают в шахматном порядке (см. рис. 141).
Необходимо избегать пересечения размерных и выносных линий.
Размеры нескольких одинаковых элементов изделия наносят один раз с указанием их числа на полке линии выноски (см. рис. 141).
На чертежах иногда наносят справочные размеры, т. е. не подвергающиеся контролю. Они отмечаются знаком * (рис. 142). На месте расположения технических требований (над основной надписью) делают запись: * — размеры для справок.
Размеры на чертежах проставляют с учетом возможного технологического процесса изготовления детали и удобства контроля ее геометрических параметров. Размеры наносят, начиная от базовых поверхностей или осей симметрии. В процессе изготовления и контроля детали именно от них производится обмер формы. Размеры наносят таким образом, чтобы обеспечить достаточную точность и удобство изготовления, измерения и контроля детали без каких-либо дополнительных подсчетов размеров. Существует несколько способов нанесения размеров детали, которые показаны на рисунке 143.
Масштабы. На чертеже все изображения выполняются в соответствии с масштабом — отношением размеров изображения к действительным размерам изображаемого предмета (рис. 144). ГОСТ 2.302—68 устанавливает следующие масштабы: масштаб натуральной величины (1:1), при котором размеры изображения соответствуют действительным размерам детали в натуре;
масштабы уменьшения (1:2; 2:2,5; 1:4; 1:5; 1:10; 1:15; 1:20; 1:25; 1:40; 1:50; 1:75; 1:100 и т. д.), при которых размеры изображения меньше по сравнению с действительными размерами детали в натуре;


Рис. 141. Нанесение размеров
Рис. 142. Простановка справочных размеров

Рис. 143. Способы простановки размеров: а — обычный; б — цепочкой; в — от одной базовой поверхности; г — от двух базовых поверхностей
cherch.ru
Сборочный чертеж — Технология Jimdo-Page!
Каждый сборочный чертеж сопровождается спецификацией.
Спецификация — основной конструкторский документ, выполненный в виде таблицы, в которой приводятся наименования, номера позиций всех составных частей сборочной единицы и указывается их число.
В спецификации документацию и составные части сборочной единицы перечисляют в определенной последовательности: документация, комплексы, сборочные единицы, детали, стандартные изделия, прочие изделия, материалы, комплекты.
Спецификацию выполняют на отдельных листах (одном или нескольких) формата А4 или размешают непосредственно на сборочном чертеже, выполненном на формате A4, если имеется достаточно места для ее размещения. Спецификацию выполняют прежде, чем на сборочном чертеже наносятся номера позиций деталей, входящих в сборочную единицу. Она необходима для изготовления изделия.
После каждого раздела спецификации в соответствии с ГОСТом оставляют свободные строки и резервируют номера позиций для возможного внесения дополнительных изделий.
Заполнение граф спецификации производится сверху вниз следующим образом:
1. В графе «Формат» указывают форматы документов, обозначения которых записаны в графе «Обозначение».
• для документов, записанных в разделы «Стандартные изделия», «Прочие изделия» и «Материалы», графу не заполняют.
• для деталей, на которые не выпущены чертежи, в графе указывают БЧ (без чертежа).
2. В графе «Зона» указывают обозначение зоны, в которой находится записываемая составная часть (при разбивке поля чертежа на зоны в соответствии с ГОСТ
2.104-2006).
3. В графе «Поз.» (Позиция) указывают порядковые номера составных частей, входящих в специфицируемое изделие в последовательности их записи в спецификации. Для разделов
«Документация» и «Комплекты» графу не заполняют.
4. В графе «Обозначение» записывается обозначение документа на изделие в соответствии с ГОСТ 2.201-80.
5. В графе «Наименование» указывают:
• в разделе «Документация» только наименование документа, например, «Сборочный чертеж»;
• в разделах «Комплексы», «Сборочные единицы», «Детали», «Комплекты» – наименование изделий в соответствии с основной надписью на конструкторских документах этих изделий, например «Колесо
зубчатое», «Втулка». Для деталей, на которые не выпущены чертежи, указывают наименование и материал, а также размеры, необходимые для их изготовления;
• в разделе «Стандартные изделия» – наименование и обозначение изделий в соответствии со стандартами на эти изделия;
• в разделе «Прочие изделия» – наименование и условные обозначения изделий в соответствии с документами на их поставку с указанием обозначений этих документов;
• в разделе «Материалы» – обозначения материалов, установленных в стандартах на эти материалы.
6. В графе «Кол.» (Количество) указывают количество составных частей в одном специфицируемом изделии, а в разделе «Материалы» – общее количество материалов на одно
изделие с указанием единицы измерения.
7. В графе «Примечание» указывают дополнительные сведения для планирования и организации производства, а также другие сведения, относящиеся к записанным в спецификацию
изделиям, материалам и документам.
zhannet.jimdo.com
13. Основные правила нанесения размеров на чертеже
По изображениям предмета на чертеже судят о его величине и величине его отдельных частей. Основанием для этого служат размерные числа, независимо от того, в каком масштабе и с какой точностью
Рис. 7
Рис. 8
Рис. 9

Рис. 10
Рис. 11
Рис. 12
Рис. 13
выполнены изображения. Правила нанесения размеров на чертежах установлены ГОСТ 2.307—68.
Размеры на чертеже указывают размерными числами, размерными и выносными линиями. Размерные числа на чертежах, как правило, указывают в миллиметрах без указания единиц измерения. В тех случаях, когда необходимо применять другие единицы измерения длины, их показывают после размерного числа.
Размерные числа наносят над размерной линией, возможно ближе к ее середине. Зазор между размерным числом и размерной линией должен быть около 1,0 мм. Высоту цифр размерных чисел принимают не менее 3,5 мм (рис. 7).
Размерная линия проводится параллельно отрезку, размер которого над ней наносится. Ее проводят между выносными линиями, проведенными перпендикулярно размерным. Допускается размерные линии проводить непосредственно к линиям видимого контура, осевым и центровым. В отдельных случаях размерная линия может проводиться не перпендикулярно выносной (рис. 8). Размерные линии ограничивают стрелки (рис. 9). В отдельных случаях их проводят не полностью, а с обрывом стрелки с одной стороны (рис. 10). Размер стрелки выбирают от принятой на чертеже толщины сплошной толстой основной линии. В пределах одного чертежа величина стрелок должна быть по возможности одинаковой. Не рекомендуется в качестве размерных линий использовать контурные, осевые, центровые и выносные линии.
Если длина размерной линии мала для размещения стрелок, то размерную линию продолжают за выносные линии, и размеры наносят, как показано на рис. 11.
Выносные линии проводят от границ измерений, они являются вспомогательными и служат для размещения между ними размерных линий. Выносные линии следует по возможности располагать вне контура изображения, перпендикулярно прямолинейному отрезку, размер которого необходимо указать. Выносные линии должны выходить за концы стрелок размерных линий на 1…5 мм (рис. 12).
Минимальное расстояние от размерной линии до параллельной ей линии должно быть 10 мм, а между параллельными размерными линиями — 7 мм.
Угловые размеры на чертежах проставляются в градусах, минутах и секундах с указанием единиц измерения. Размер угла наносят над размерной линией, которая проводится в виде дуги с центром в его вершине. Выносные линии в этом случае проводятся радиально (рис. 13).
При различных наклонах размерных линий размерные числа линейных размеров располагают так, как показано на рис. 14, а, а угловые размеры — как показано на рис. 14, б. Если размерная линия будет находиться в зоне, которая на чертеже заштрихована, размерные числа наносят на полках линий-выносок (рис. 15).
Если для написания размерного числа мало места над размерной линией или это место занято другими элементами изображения и впи-

Рис. 14

Рис. 15
Рис. 16
Рис. 17
сать в него размерное число невозможно, размерное число наносят по одному из вариантов, приведенных на рис. 16.
С целью упрощения ряда изображений, создания удобств для чтения чертежа стандарт предусматривает применение условных обозначений в виде букв латинского алфавита и графических знаков, которые ставятся перед размерными числами. На чертежах применяются

Рис. 18
Рис. 19
Рис. 20
Рис. 21
Рис. 22

Рис. 23
Рис. 24
знаки и буквы для обозначения диаметра и радиуса, длины дуги и квадрата, уклона и конусности, сферы, толщины и длины детали.
Перед размерным числом диаметра наносится знак 0 (рис. 17). Причем между знаком и числом никаких пропусков не предусмотрено. Для окружностей малого диаметра размерные линии стрелки и сам размер наносят по одному из вариантов, приведенных на рис. 18.
Перед размерным числом радиуса дуги всегда ставится знак в виде прописной латинской буквы R. Размерную линию в этом случае проводят по направлению к центру дуги и ограничивают только одной стрелкой, упирающейся в дугу или ее продолжение (рис. 19). Если величина радиуса на чертеже менее 6 мм, стрелку рекомендуется распо-
Рис. 25
лагать с внешней стороны дуги. При необходимости задания положения центра дуги его отмечают пересечением центровых или выносных линий (рис. 20). В тех случаях, когда на чертеже изображена дуга большого радиуса, для которой центр можно не обозначать, размерную линию обрывают, не доводя до центра (рис. 21). Если же в этом случае центр необходимо отметить, допускается приближать его к дуге (рис. 22). Размерная линия в этом случае показывается с изломом 90°, и оба участка размерной линии проводятся параллельно. Не следует располагать на одной прямой размерные линии, выходящие из одного центра и предназначенные для обозначения размерных дуг. Радиусами рекомендуется обозначать дуги до 180°; дуги, величина которых составляет более 180°, обозначаются диаметром.
Знак дуги наносится над размерным числом (рис. 23). Длину дуги задают в линейных единицах, а размерное число, обозначающее дугу, наносится над размерной линией в соответствии с обычными требованиями.
Для простановки размеров квадрата применяют соответствующий знак D, высота которого равна 7/10 высоты размерного числа (рис. 24, а). При ином расположении квадрата наносят размеры его сторон (рис. 24, б). Следует отметить, что знак квадрата наносят только на том изображении, на котором он проецируется в линию.
Знак конусности поверхности наносится на полке линии-выноски, расположенной параллельно оси конуса или на оси конуса (рис. 25, а). Знак конусности располагают так, чтобы его острый угол был направлен в сторону вершины конуса. Величину конусности определяют отношением разности диаметров двух поперечных сечений конуса к расстоянию между этими сечениями, т. е. k = D — dll, где D — диаметр большого сечения; d — диаметр меньшего сечения; l — расстояние между сечениями. Конусность указывают в виде простого дробного числа (рис. 25, б).
Знак уклона прямой указывают на полке линии-выноски. Уклон i представляет собой тангенс угла между данной прямой и горизонтальной или вертикальной прямой (рис. 26, а). Знак уклона располагается
Рис. 26
Рис. 27

Рис. 28
так, чтобы острый угол его был направлен в сторону уклона прямой (рис. 26, б). Уклон, как и конусность, на чертеже задают простой дробью, в процентах или в промилях.
Для обозначения сферы на чертеже применяют знак диаметра или радиуса. В тех случаях, когда по чертежу сферу трудно отличить от других поверхностей, перед знаком радиуса или диаметра допускается добавлять слово «Сфера». Надпись на чертеже выполняется по типу «Сфера диаметр 17» или «Сфера R10» (рис. 27).
Простые плоские детали изображаются в виде одной проекции. В этих случаях ее толщину обозначают строчной буквой s и надпись на чертеже выполняется по типу s2 и располагается на полке линии-выноски (рис. 28, а). Длину предмета указывают буквой / (рис. 28, б).
Фаски на чертежах наносят двумя линейными размерами (рис. 29, а) или одним линейным и одним угловым (рис. 29, б). В том случае, если

Рис. 29
угол наклона образующей конуса равен 45°, применяют упрощенное обозначение фаски, когда размерная линия проводится параллельно оси конуса, а надпись выполняется по типу «2 х 45» (рис. 29, в).
lib.qrz.ru
