Ремонт блока питания светодиодной ленты – Ремонт блока питания светодиодной ленты: инструкция по самостоятельному ремонту
Неисправность блока питания для светодиодной ленты
Владельцы светодиодных лент после приобретения устройства думают, что наслаждение разноцветными огоньками продлится вечно. Однако, из строя может выйти как сама лента, так и блок питания, о котором мы сегодня поговорим. Покупка нового прибора обойдется в немалую сумму, поэтому лучше рассмотреть починку поврежденного оборудования. Давайте разбираться как выявить неисправность блока питания для светодиодной ленты?
Почему перегорает блок питания?
БП — один из самых уязвимых компонентов всей светодиодной конструкции. Из-за того, что он постоянно взаимодействует с мощностью 220В, он часто портится и постепенно его функционирование сходит на нет. Рассмотрим другие причины поломки:
- нарушенные правила пользования;
Нередко владельцы пренебрегают советами и требованиями по эксплуатации, говоря не только о светодиодных лентах, но и о любых электроприборах. Большинство проблем с устройствами возникают из-за несоблюдения правил эксплуатации. То есть люди по своей же вине портят свое имущество.
- банальное заливание водой;
- технических характеристик блока мало для обеспечения энергией большого количества светодиодов;
- отсутствие ухода за устройством;
Если любой электроприбор не очищать, не удалять из него пыль, грязь, он потеряет очки производительности и вскоре выйдет из строя.
- несоблюдение закона о 30-процентном запасе мощности;
- некачественная сборка самого продукта.
Совет как устранить Неисправность блока питания для светодиодной ленты здесь может быть только один: не покупайте дешевую китайскую продукцию на сомнительной радиобалке. Доверяйте только проверенным изделиям, в которых вы уверены. Либо попросите помочь с выбором более квалифицированного в этом вопросе человека.
Предварительно перед ремонтом поломки необходимо ознакомиться с ее причиной. Ведь для залитого водой устройства и испорченного вследствие удара аппарата применяются разные способы «лечения». Выкрутите болтики и загляните вовнутрь блока для определения проблемы.
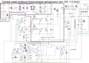
Схема блока питания.
Компоненты, чаще всего выходящие из строя:
- микросхема ШИМ-контроллер;
- конденсаторы С22, С23, С30-С33;
- ключевые транзисторы Т10, Т11;
- сдвоенный диод D33.
В большинстве случаев схемы блоков ничем не отличаются: полумост и ШИМ-модулятор на пресловутой TL494, производимой компанией «Texas Instruments». TL494 содержится во многих компьютерных блоках питания уже третий десяток лет. Ниже приведена упрощенная модель компьютерного блока, предназначенная для светодиодных лент.

Вид настоящего блока:
Неисправность блока питания для светодиодной ленты.
При включении блока нет ни звука, ни загорания лампочек, ни, соответственно, работы.
- Выключаем аппарат.
- Разбираем его.
- Проверяем плату — все должно быть чисто, горелый аромат отсутствует, конденсаторы не повреждены.
- Включаем прибор.
- Проверяем выпрямленное напряжение на C22, C23.
- Между OV и 310V должно быть около 310В. Если все нормально, усилитель и выходные ключи исправны.
- Снова отключаем питание.
- Проверяем задающий генератор.
- Если он работает, смотрим на выводы 8 и 11.
- При отсутствии импульсов на этих выводах нужно более детально проверить TL494.
Как проверить ШИМ-контроллер?
- Отключаем устройство от сети.
- С внешнего блока питания подаем 14 вольт напряжения «+» на вывод 12, где должно быть от 10 до 30В, и «-» на
- Проверяем напряжение на выходе 14 микросхемы.
Если оно не равняется +5В и постоянно колеблется, повредился внутренний стабилизатор. В этом случае меняется вся микросхема.
- Смотрим на напряжение вывода.
При его отсутствии или искажении обращаем внимание на C35 и R39.
Если их параметры соответствуют нормам, сломался встроенный генератор. Решением этого варианта также станет замена микросхемы.
— Перезагружаем БП.
Наблюдаем импульсы на выходах 8 и 11.
При их наличии делаем вывод, что микросхема исправна.

- Соединяем 4 и 7 выводы.
Видим увеличение импульсов на 8 и 11 выводах.
- Соединяем 4 и 14 выводы.
Импульсы должны пропасть.

Если нет обоих результатов соединения, меняйте ИС.
- Снижаем напряжение внешнего источника до 5В.
Импульсы также должны исчезнуть.
- Поднимаем напряжение до +15В.
Импульсы появляются.
Если импульсы вели себя по-другому, повреждено реле напряжения — заменяем микросхему.
Как еще выявить неисправность блока питания для светодиодной ленты ?
Прерывистый свист при включении БП.
ШИМ-генератор включается, но в нормальном режиме не работает. Такая реакция возникает из-за замыкания вторичных цепей. Запускается защита, «глушащая» генерацию. У VL1 светодиода может нарушиться горение: слабое свечение или мерцание.
«Стрекотание» блока питания.
В этом случае ШИМ-модулятор не включается из-за нарушения цепей питания TL494 или из-за повреждения микросхемы.
Ремонт блока питания.
- Демонтируем старый ШИМ и устанавливаем аналоговый.
- Крепим варистор.
Варистор нужен для защиты от скачков напряжения, из-за которых блок может выйти из строя.
- Включаем блок питания.
Устройство вновь работает. Для лучшего функционирования рекомендовано установить блок питания на охлаждающий радиатор или в место где на блок питания будет оказано меньшее тепловое воздействие.
Как подключить светодиодную ленту без блока питания?
Если подключить ленту на 12 и 24В напрямую в сеть, она моментально перегорит. Без БП здесь не обойтись. Есть вариант подключить устройство в USB-порт компьютера. Для этого либо покупается специальная лента со встроенным USB-штекером, либо создается самим пользователем из обычной полоски и ненужного штекера. Также можно приобрести светодиодный светильник 220В, который подключается сразу в розетку. Этому прибору не нужно преобразовывать ток, он работает от полного напряжения.
Железо – есть железо. Ломается, это бывает. Важно, чтобы готовая и работающая конструкция радовала глаз. А неисправность можно устранить, в том числе вариантом агрегатной замены. Важно кое-что знать о возможных поломках и вовремя принять меры.
Читайте больше наших полезных статей
Светодиодный блок аварийного питания
Блок питания для светодиодного светильника
Светодиодная лента RGBW
Как подключить светодиодную ленту ?
lightru.pro
Ремонт блока питания для светодиодной ленты

Используя светодиодное освещение, многие радуются лишь до тех пор, пока оно исправно работает. Поломка блока питания светодиодной ленты может не только огорчить, но и ударить немного по карману. Сегодня мы рассмотрим ремонт блока питания для светодиодной ленты, типичные его неисправности и методики их устранения.
Ремонт блока питания для светодиодной ленты
Зачастую все дешевые китайские блоки питания для светодиодных лент выглядят примерно так. Стоит ли браться за ремонт такого блока? Стоит однозначно!

Как правило, если плата блока питания целая, и не превратилась в кусок обуглившегося радио-хлама, то ремонту такой блок подлежит.
Схема, блок питания для светодиодной ленты
Схемы в таких блоках почти всегда одинаковые, для наглядности можно пользоваться схемой изображенной ниже. Типичная схема, которая используется в подобных блоках питания.

Основные неисправности в этих блоках питания:
- Микросхема ШИМ контроллер – TL494. Аналог: МВ3759, IR3M02, М1114ЕУ, KA7500 и т.д.
- Конденсаторы С22, С23 – высыхают, вздуваются и т.д.
- Ключевые транзисторы Т10, Т11.
- Сдвоенный диод D33 и конденсаторы С30-С33.
- Остальные элементы выходит из строя крайне редко, но тоже не стоит упускать их из вида.
Для начала вскрываем наш блок и осматриваем предохранитель. Если он целый, подаем питание и измеряем напряжение на конденсаторах С22, С23. Оно должно быть порядка 310 В. Если напряжение такое, значит сетевой фильтр и выпрямители исправны.
Следующим этапом станет проверка ШИМ. У нашего блока это микросхема КА7500.

– на 12 выводе должно быть около 12-30 В. Если нет, проверяем дежурку. Если есть – проверяем микросхему.

– на 14 выводе должно быть около +5 В.

Если нет, меняем микросхему. Если есть – проверяем микросхему осциллографом согласно схеме.

Как проверить TL494 без осциллографа?
Если нет осциллографа, рекомендуем взять заведомо рабочий блок питания, установить вместо микросхемы DIP панель, куда можно подключать проверяемые ШИМ контроллеры. Это единственный достоверный и вменяемый способ проверки TL494 без осциллографа.
Наша микросхема КА7500 после проверки, оказалась неисправной. Перед установкой нового ШИМ контроллера устанавливаем DIP панель.

На фото мы подготовили все для замены ШИМ.

Меняем ее на аналог TL494CN.

Следующим этапом станет небольшая модернизация блока. Если внимательно осмотреть сетевой фильтр есть место для установки варистора.

Устанавливаем варистор К275. Он будет защищать блок от скачков высокого напряжения. При коротком скачке – варистор поглощает энергию импульса, а при длительном – сопротивление варистора станет настолько малым, что сработает предохранитель и вся схема блока останется целой.

Блок перед финальным тестом.

После замены неисправных компонентов подключаем блок в сеть. Как видим блок прекрасно работает. Подстроечным резистором Р1 (возле зеленого светодиода) можно точно выставить выходное напряжение на блоке питание. Диапазон корректировки лежит в пределах от 11,65 В. до 13,25 В.

Как видим все работает исправно, ремонт блока питания для светодиодной ленты окончен. Учитывая, что в блоке отсутствует активная система охлаждения, рационально установить на крышку блока дополнительный кулер, закрытый сеткой в виде гриля.

Важно! При ремонте блока многие его компоненты находятся под опасным для жизни напряжением. Не стоит проводить манипуляции без достаточных знаний и навыков!
VK
Odnoklassniki
comments powered by HyperCommentsdiodnik.com
Как отремонтировать контроллер LED RGB ленты своими руками
При сборке, монтаже и эксплуатации системы освещения RGB или монохромной светодиодной лентой приходится сталкиваться с ее полной или частичной неработоспособностью. Причиной могут быть как ошибки, допущенные при соединении элементов системы, так и вызванные неисправностью одного из них. О том, как найти причину и устранить неисправность и пойдет речь в этой статье.
Обращаю ваше внимание, что в статье приведена инструкция по ремонту контроллеров, предназначенных для светоидодных лент с напряжением питания 12 В или 24 В. Ремонту контрллеров для шнуров дюралайт и едеочных гирлянд с выходным напряжением 220 В посвящена статья «Устройство, схема и ремонт контроллеров дюралайт».
Назначение и технические характеристики контроллера LN-IR24B
Для реализации всех световых возможностей RGB светодиодных лент, они подключаются через контроллер. Контроллер это электронное устройство, позволяющее дистанционно управлять режимом работы светодиодной ленты.
Хотя контроллеры и надежные, но случается, выходят из строя, зачастую в результате нарушения правил эксплуатации – перегрузке по выходу, короткое замыкание выходных клемм, подача повышенного питающего напряжения или из-за не правильной полярности подключения к блоку питания. Иногда отказывают и не надежные электронные компоненты, из которых собран контроллер. Контроллер может не включаться и потому, что в пульте дистанционного управления села батарейка. Контроллер для лент дорогостоящее изделие и в случае поломки есть смысл попробовать отремонтировать его своими руками.

Рассмотрим на примере порядок диагностики и технологию ремонта широко распространенного контроллера типа LN-IR24B, применяемого для управления светоизлучением RGB светодиодных лент. Внешний вид контроллера LN-IR24B представлен на фото выше.
Контроллер RGB не является самостоятельным устройством и для его работы, как видно из структурной схемы, необходимо подать с блока питания постоянного тока напряжение 12 В или 24 В (в зависимости от модели контроллера), и подключить светодиодную ленту. Более подробно вопрос подключения светодиодной RGB ленты рассмотрен в статье сайта «Подключение RGB светодиодных лент».
В комплекте поставки контроллера отсутствует информация по техническим характеристикам и описание назначения кнопок пульта дистанционного управления. Дополню этот пробел.
Технические характеристики RGB-контроллер LN-IR24B
Назначение кнопок ПДУ RGB-контроллера LN-IR24BУ
Внешний вид пульта дистанционного управления приведен на фотографии. На нем имеется 24 кнопки для управления режимом свечения светодиодной RGB ленты.

Инфракрасный сигнал излучается со стороны верхнего ряда кнопок и для управления необходимо перед нажатием кнопок этой стороной пульт направлять с сторону размещения контроллера.
На некоторых кнопках нанесены пиктограммы и надписи. Функциональное назначение каждой кнопки и эффект от нажатия каждой из них приведены в таблице ниже.
При нажатии на кнопку без надписи, лента будет светиться цветом, соответствующему цвету нажатой кнопки.
Диагностика и ремонт системы RGB светодиодного освещения
Чаще всего возникает один из случаев неработоспособности системы светодиодного освещения RGB лентами:
– лента не светиться полностью;
– лента светиться только одним или двумя цветами.
Если лента не светиться полностью, то причиной этого может быть неисправность блока питания, контроллера или ПДУ. В случае отсутствия свечения оного или двух цветов в ленте, то причиной может быть отказ контроллера или светодиодной ленты. Описать все возможные случаи проявления неисправности сложно, поэтому приведу инструкцию, как проверить каждое из устройств системы отдельно.
Проверка блока питания (адаптера)
В случае полного прекращения работы светодиодного освещения, как и любого изделия, питающегося от бытовой электросети, первое, что необходимо это проверить подачу питающего напряжения на устройство. Для этого необходимо проверить вставлена ли вилка в розетку и наличие напряжение в сети.
Для проверки наличия напряжения в розетке, достаточно вставить в нее вилку настольной лампы, адаптер сотового телефона или любой другой электроприбор. Если с подачей напряжения все в порядке, то приступают к проверке блока питания (адаптера).

В первую очередь нужно проверить надежность подключения блока питания к контроллеру, вполне возможно коаксиальный штекер выскочил или не до упора вставлен в гнездо контроллера.
В некоторых моделях блоков питания установлен светодиод, светящийся при подключении адаптера к сети. Светодиод обычно подключен в цепь выходного напряжения, и если он светиться, значит, блок питания исправен. Если индикатора нет, то необходимо проверить блок питания, измеряв мультиметром величину выходного напряжения. Если напряжение на выходе блока питания отсутствует или отличается от 12 В более, чем на 10%, то блок неисправен и необходимо его заменить или отремонтировать.
Современные блоки питания постоянного тока отличаются друг от друга величиной выходного напряжения и током допускаемой нагрузки. Если решите попробовать отремонтировать блок питания самостоятельно, то не лишним будет ознакомиться со статьей сайта «Как отремонтировать блок питания компьютера». Кстати, компьютерный блок питания можно успешно использовать для питания светодиодных лент.
Проверка работы пульта дистанционного управления
Даже если блок питания, контроллер и светодиодная лента исправны, то пока на пульте дистанционного управления не будет нажата кнопка ON, лента светить не будет.
Принцип работы ИК пульта дистанционного управления
Сигнал управления с ПДУ представляет собой инфракрасный луч, промодулированный цифровым сигналом. Инфракрасное излучение человек не видит, но распространяется оно по законам видимого света. Поэтому пульт должен быть направлен на сенсор контроллера и на его пути не должно быть преград.
На фотографии сенсорный инфракрасный датчик контроллера. Это тоже светодиод, но работающий в инфракрасном диапазоне. Его чувствительность позволяет управлять режимами работы с ПДУ на расстоянии не менее 8 метров. При установке сенсора необходимо его полусферу направить в сторону зоны предполагаемого управления. При неправильной установке управление светодиодной лентой с ПДУ будет не стабильным или даже невозможным.
Проверка и замена батарейки в ПДУ
Включить, выключать и управлять режимом работы светодиодной ленты будет невозможно в случае, если села батарейка. В ПДУ установлена круглая плоская батарейка типа CR2025 напряжением 3 V. Признаком окончания срока службы батарейки является уменьшение расстояния, с которого еще возможно управление с ПДУ.
Для извлечения батарейки для проверки или замены нужно защелку на контейнере с левой стороны прижать в правую сторону и выдвинуть контейнер.

Проверить батарейку можно измеряв напряжение на ее выводах вольтметром, которое должно быть более 3 V. Если напряжение меньше, батарейку следует заменить. Батарейки CR2025 широко применяются, например, в материнских платах компьютеров, брелоках авто сигнализаций, часах, калькуляторах, электронных весах и других изделиях. Можно временно для проверки взять батарейку оттуда. Устанавливается батарейка в контейнер надписью (плюсом) вверх.
Проверка исправности светодиодной ленты
Если посмотреть на разъем подключения светодиодной ленты к контроллеру, то на нем отчетливо видна стрелка, обычно обозначающая общий провод для всех цветов, на который подается плюс от источника питания.

Остальные цвета подключены к выводам R, G и B (этой маркировки на разъеме нет). Если лента подключается без разъема с помощью клемм, то общий провод бывает белого или черного цвета, а остальные соответственно красным, зеленым и синим.
Для проверки светодиодной ленты можно с блока питания, который подключается к контроллеру, минуя его, подать с помощью дополнительных двух проводов, напряжение непосредственно на выводы ленты. Плюс (это центральный вывод разъема блока питания) подключить к выводу, обозначенному стрелкой, а минус по очереди подавать на остальные выводы. Лента должна светиться соответствующими цветами. Если светит, то лента исправна. Такая проверка безопасна для ленты и блока питания. Даже если Вы напутаете с подключением, то ничего плохого не произойдет. Лента просто не засветиться и только. Главное не допустить замыкания между собой выходных проводов блока питания.
Проверить ленту можно подав напряжение на ее выводы от любого источника постоянного тока, блока питания, батареек, аккумулятора, с напряжением выхода от 5 до 15 вольт. При напряжении 5 В лента будет светить слабо, но этого достаточно, чтобы убедиться в ее исправности.
Светодиоды в светодиодной ленте включены триадами, по три последовательно, являются очень надежными элементами и одновременно все выйти из строя могут только, если с блока питания было подано многократно превышающее 12 В напряжение. Такое может случиться при пробое ключевого транзистора в бестрансформаторном блоке питания.
Если вышел из строя один или несколько светодиодов, то не будет светиться только небольшой участок ленты. Такую ленту, если она не в герметичном исполнении можно отремонтировать, заменив отказавший светодиод по технологии ремонта светодиодных ламп.
Ремонт контроллера LN-IR24B RGB светодиодных лент
Если проверка ПДУ, блока питания и RGB светодиодной ленты подтвердила их исправность, значит, неисправен контроллер и следует его заменить или отремонтировать.
Ремонт контроллера начинается с осмотра печатной платы. Для этого нужно снять крышку-дно, отжав лезвием ножа боковую стенку в сторону.

На боках крышки имеются по два квадратных отверстия, за которые цепляются фиксаторы основания корпуса, и крышка надежно закрепляется.

Печатная плата в корпусе зафиксирована только со стороны припайки проводников несколькими каплями силикона. Для освобождения печатной платы нужно лезвием ножа подрезать силикон вдоль стенок корпуса. Работать нужно аккуратно, чтобы не перерезать провода.

После извлечения печатной платы нужно внимательно внешним осмотром проверить ее на отсутствие дефектов – холодных паек выводов деталей, следов их перегрева в виде потемнений маркировки или копоти на корпусе, перегрева проводников или их разрушения.
Если дефектов не обнаружено, значит, неисправны радиоэлементы. Микросхемы редко выходят из строя, узким местом в контроллерах обычно являются силовые ключи, которые выходят из строя, как правило, из-за нарушения правил эксплуатации, а именно, перегрузке по току. Все три ключа выходят из строя очень редко, чаще один, средний (управления зеленым цветом), так как подогревается соседними транзисторами и в результате работает в более тяжелых температурных условиях.
Если предельный ток нагрузки указан 2 А, то для надежной работы контроллера нагружать выходы надо током не более 1,8 А, а лучше 1,5 А. Тогда контроллер прослужит долго.
Ключи в контроллере LN-IR24B выполнены на трех полевых транзисторах mosfet P3055LD в корпусе DPAK (TO-252) для SMD-монтажа, выдерживающие ток нагрузки до 12 А. Но в контроллере транзисторы не установлены на теплоотводы и поэтому допустимый ток нагрузки ограничен до 2 А.
Ниже приведена структурно-монтажная схема светодиодной RGB системы освещения. Пути прохождения цифровых сигналов с микросхемы на затворы полевых транзисторов показаны линиями соответствующих цветов.

Проверять работу контроллера лучше всего с помощью осциллографа. Тогда появиться возможность проверить как работу микросхем, так и транзисторов. Для проверки достаточно подать на контроллер питающее напряжение. RGB ленту подключать не обязательно. Далее с помощью ПДУ, направленного на сенсор последовательно нажать сначала на кнопку ON (включить), а затем W (белый). Таким образом, контроллер будет включен в режим свечения светодиодной ленты белым светом (будут светиться все три цвета).
Общий провод осциллограф
ydoma.info
Ремонт блока питания светодиодной ленты
Используя светодиодное освещение, многие радуются лишь до тех пор, пока оно исправно работает. Поломка блока питания светодиодной ленты может не только огорчить, но и ударить немного по карману. Сегодня мы рассмотрим ремонт блока питания для светодиодной ленты, типичные его неисправности и методики их устранения.
Ремонт блока питания для светодиодной ленты
Зачастую все дешевые китайские блоки питания для светодиодных лент выглядят примерно так. Стоит ли браться за ремонт такого блока? Стоит однозначно!
Как правило, если плата блока питания целая, и не превратилась в кусок обуглившегося радио-хлама, то ремонту такой блок подлежит.
Схема, блок питания для светодиодной ленты
Схемы в таких блоках почти всегда одинаковые, для наглядности можно пользоваться схемой изображенной ниже. Типичная схема, которая используется в подобных блоках питания.
Основные неисправности в этих блоках питания:
- Микросхема ШИМ контроллер — TL494. Аналог: МВ3759, IR3M02, М1114ЕУ, KA7500 и т.д.
- Конденсаторы С22, С23 – высыхают, вздуваются и т.д.
- Ключевые транзисторы Т10, Т11.
- Сдвоенный диод D33 и конденсаторы С30-С33.
- Остальные элементы выходит из строя крайне редко, но тоже не стоит упускать их из вида.
Для начала вскрываем наш блок и осматриваем предохранитель. Если он целый, подаем питание и измеряем напряжение на конденсаторах С22, С23. Оно должно быть порядка 310 В. Если напряжение такое, значит сетевой фильтр и выпрямители исправны.
Следующим этапом станет проверка ШИМ. У нашего блока это микросхема КА7500.
— на 12 выводе должно быть около 12-30 В. Если нет, проверяем дежурку. Если есть – проверяем микросхему.
— на 14 выводе должно быть около +5 В.
Если нет, меняем микросхему. Если есть – проверяем микросхему осциллографом согласно схеме.
Как проверить TL494 без осциллографа?
Если нет осциллографа, рекомендуем взять заведомо рабочий блок питания, установить вместо микросхемы DIP панель, куда можно подключать проверяемые ШИМ контроллеры. Это единственный достоверный и вменяемый способ проверки TL494 без осциллографа.
Наша микросхема КА7500 после проверки, оказалась неисправной. Перед установкой нового ШИМ контроллера устанавливаем DIP панель.
На фото мы подготовили все для замены ШИМ.
Меняем ее на аналог TL494CN.
Следующим этапом станет небольшая модернизация блока. Если внимательно осмотреть сетевой фильтр есть место для установки варистора.
Устанавливаем варистор К275. Он будет защищать блок от скачков высокого напряжения. При коротком скачке – варистор поглощает энергию импульса, а при длительном – сопротивление варистора станет настолько малым, что сработает предохранитель и вся схема блока останется целой.
Блок перед финальным тестом.
После замены неисправных компонентов подключаем блок в сеть. Как видим блок прекрасно работает. Подстроечным резистором Р1 (возле зеленого светодиода) можно точно выставить выходное напряжение на блоке питание. Диапазон корректировки лежит в пределах от 11,65 В. до 13,25 В.
Как видим все работает исправно, ремонт блока питания для светодиодной ленты окончен. Учитывая, что в блоке отсутствует активная система охлаждения, рационально установить на крышку блока дополнительный кулер, закрытый сеткой в виде гриля.
Важно! При ремонте блока многие его компоненты находятся под опасным для жизни напряжением. Не стоит проводить манипуляции без достаточных знаний и навыков!
spotential.ru
Не горит светодиодная лента: причины
Светодиодные ленты применяются везде: начиная от декоративной подсветки, до полноценного освещения рабочих мест. Причиной такой популярности является цена, яркость, низкая потребляемая мощность, простота подключения, напряжение питания 12 В (за редким исключением – 220 В). Такое название из-за гибкости, прода ется в бухтах и в последнее десятилетие стала крайне популярной, однако нет ничего вечного, и светодиодная продукция выходит из строя. Давайте разберемся, почему не горит светодиодная лента: причины и как их устранять.
не горит конец светодиодной лентыПринцип работы и устройство
Светодиод – довольно специфичный осветительный прибор. Они очень требовательны к качеству электропитания. Отдельные светодиоды принято питать с помощью специального устройства – Драйвера. Это специализированная схема стабилизирующая выходной ток независимо от нагрузки, в пределах допустимых выходной мощностью.
Светодиодные ленты работают подобным образом. Драйвер для светодиодной ленты – это жаргонное название. Более правильным будет называть – блок питания для светодиодной ленты. БП для LED Strip – импульсные, занимают достаточно мало места. Трансформаторных моделей в продаже нет. Для питания подойд ет любой стабилизированный блок питания на 12 В или автомобильный аккумулятор на соответствующее напряжение.
Лента состоит из:
- Светодиодов.
- Токоограничивающих резисторов.
- Гибкой печатной платы.
- Клейкого основания.
Строение светодиодной лентыМодель на 12 вольт имеет простую структуру – она состоит из секций по 3 светодиода и резисторов. Почему именно по три? Дело в том, что для питания 1 светодиода нужно 3 – 3,5 Вольта, т. е. для трех светодиодов достаточно напряжения в районе 10 В, остальные 2 В гасятся резистором, который и задает соответствующий ток.
Ленты отличаются по количеству:
- 30 шт/м;
- 60 шт/м;
- 120 шт/м.
Количество диодов на светодиодной лентеПо типу светодиодов:
Это наиболее распространенные варианты, вы можете подобрать ту, которая будет полностью удовлетворять вашим требованиям для реализации идеи.
Типы светодиодовБлоки питания, как уже было сказано, импульсные, а схемотехнически бывают трех видов:
- На основе автогенератора (блокинг-генератора) – самые дешевые, низкой мощности (до 25 Вт)
- На ШИМ-контроллере с интегрированным силовым ключом – средние по цене, низкая и средняя мощности (до 30 – 50 Вт).
- На ШИМ-контроллеры с внешним силовым ключом или ключами, если схема полумостовая – более дорогие по цене, при этом обеспечена высокая стабильность и надежность, встречаются во всех диапазонах мощностей, но чем мощнее – тем чаще.
Виды блоков питанияЗная, из чего состоит лента и как она питается, легче искать неисправность.
к содержанию ↑Проверка и ремонт
Приступим к диагностике причин неисправности и их устранению, для этого нам понадобится:
- Мультиметр.
- Индикаторная отвертка (220V).
- Небольшой кусок заведомо исправной светодиодной ленты с подключенными к ней проводами.
- Паяльник, олово, флюс пассивный.
- Коннекторы для ленты.
Все методики ремонта и диагностики электрических цепей и схем заключаются в соблюдении двух прописных истин:
— Осмотр целостности всех узлов, соединений и агрегатов.
— Проверка питающих напряжений и их качества.
В зависимости от специфики вашей проблемы могут потребоваться дополнительные методы диагностики, такие как осциллографирование и т. п. Однако для проверки систем освещения и подсветки достаточно выше указанных.
Не горит
Если вы столкнулись с тем, что светодиодная лента перестала включаться – следуйте инструкции:
Проверка питающего напряжения.
Начните ремонт с проверки наличия напряжения на входе блока питания, для этого индикаторной отверткой проверьте наличие фазы в розетке где он подключен. Далее, если БП открытого типа с воздушным охлаждением можно проверить питание на входных клеммах. Более точно можно это определить с помощью мультимера, для этого включите режим измерения переменного напряжения (V~).
Проверка выходного напряжения.
Теперь следует определить: выдает ли блок питания, положенные ему 12 В? Для этого можно использовать небольшой отрезок светодиодной ленты, в качестве контрольной лампы. «Контрольки» активно применяются в ремонте электрических цепей 220 В и автоэлектрике, для проверки БП может быть использована лампочка от автомобиля, а вернее из его приборной панели. В первую очередь проверяют напряжение на выходных клеммах блока питания, следом на контактных площадках ленты. Каждый сегмент имеет 4 контакта – 2 на плюс и 2 на минус, проверять напряжение можно либо на одном из концов ленты, либо на конкретном потухшем участке. Лучше вы сможете оценить напряжение с помощью мультиметра в режиме измерения постоянного напряжения (V=).
Входное выходное напряжениеЕсли напряжение от блока питания поступает на ленту, а она не горит – значит проблема в самой ленте, а вернее, в целостности проводников первого ее отрезного кусочка (обычно 3 светодиода).
Если проблема в блоке питания, а вы слабо понимаете в ремонте электроники – не отчаивайтесь, проблема может быть очевидной, например:
- Обрыв дорожки.
- Перегорел предохранитель.
- Пробило диодный мост.
- Явный выход из строя деталей.
Эти проблемы можно без труда определить визуально и устранить неполадку.
Если мигает
Случается, так, что светодиодная лента мерцает, при этом мерцание может быть:
- Постоянным.
- Периодическим.
При этом свет либо становиться тусклым, либо пропадает полностью.
Чтобы проверить и починить систему нужно для начала подключить тестер или контрольку к блоку питания, так вы убедитесь – исправен ли блок питания. Мерцание может происходить также из-за скачков сетевого напряжения или плохого контакта БП и Ленты. Если мерцает отдельный участок – очевидно проблема в светодиоде, он вышел из строя, или как говорят «горелый», отсюда происходит мерцание сегмента.
Мерцание может проявляться из-за неверного монтажа. Ее крайне нежелательно жестко сгибать под прямым углом и оборачивать закругления и трубы радиус которых менее 5 см – это создает слишком большую нагрузку для проводников на гибкой печатной плате. Первое время она может сохранять работоспособность, но так как проводящие дорожки повреждены, их сечение нарушено, что создает дополнительное сопротивление, нагрев и, как следствие, поломку.
Вы можете локализировать участком и заменить его, либо же заменить ленту целиком.
Если горит, но не полностью
Вы заметили отдельные участки, которые горят в пол накала или погасли совсем? Ничего страшного в этом нет, не нужно в таком случае заменять всю ленту. Как уже было сказано – это может быть следствием неправильного монтажа или локального перегрева, который, кстати, тоже может быть вызван по этой причине.
В таком ремонте есть некая трудность, когда лента проложена в пределах видимости. Чтобы незаметно устранить неполадку придется обрезать светильник до тех пор, пока вы не сможете скрыто выполнить подсоединение нового участка к вашей инсталляции своими руками. На помощь могут прийти коннекторы для стыкового соединения светодиодной ленты, однако действуйте по обстоятельствам и, если вы неуверены в своих навыках пайки, лучше используйте соединители. При подключении к влагозащищенной ленте предварительно удалите с ее поверхности силикон.
к содержанию ↑Как продлить срок эксплуатации
Производители заявляют, что срок службы современных дорогих светодиодов не менее 30 000, а порой и 50 000. Однако светодиодные ленты, лампочки и прожекторы довольно часто выходят из строя. Причин не так уж и много:
- Грызуны.
- Механические повреждения, от ударов и нагрузок она может порваться.
- Неправильный монтаж.
- Работа в условиях повышенной влажности или (и) температуры.
Если первые две – довольно банальны и непрогнозируемые, то вероятность последующих вы можете уменьшить или исключить, следуя несложным правилам.
Мнение эксперта
Алексей Бартош
Специалист по ремонту, обслуживанию электрооборудования и промышленной электроники.
Задать вопрос экспертуИзбегайте чрезмерно плотного монтажа светодиодной ленты!
Вообще-то светодиоды, хоть и имеют высокий КПД, в световое излучение превращают порядка 1/3 от своей заявленной мощности, остальное идет на нагрев. В полупроводниках при повышенной температуре увеличивается подвижность носителей заряда и ток, соответственно, в отличие от проводников. А чрезмерный ток – усиливает нагрев. Это причина к лавинообразному процессу, который вызовет либо пробой, либо обрыв диода. Если вы монтируете ленту мощностью свыше 10 Вт,
При оборачивании «по-спирали» круглых поверхностей и заполнении лентой плоских светильников, старайтесь делать это не ряд к ряду, а оставлять между витками/рядами зазоры, хотя-бы в ее толщину, а лучше пары сантиметров. Это позволит улучшить отдачу тепла окружающей среды и снизит риск перегрева.
Мнение эксперта
Алексей Бартош
Специалист по ремонту, обслуживанию электрооборудования и промышленной электроники.
Задать вопрос экспертуНе монтируйте ленту возле отопительных батарей, водонагревательных приборов, кухонных плит и других горячих предметов – эта ошибка может убить часть света и вызвать пожар
Если вам нужно более 5 метров ленты, не стоит подсоединять следующие пять метров к концу предыдущих. Проводники ленты рассчитаны на строго определенную силу тока, при ее превышении они могут сгореть – в итоге не будет работать вся конструкция. Для этого нужно прокинуть дополнительный кабель к месту, где начинается следующая лента.
Купите усилитель RGB ленты. Это позволит брать сигналы управления многоцветной ленты с конца предыдущей, а питание напрямую с БП. Все участки будут использовать один RGB-контроллер. Это позволит избежать перегруза первой части ленты, и добиться аналогичных световых эффектов для каждой последующей, без необходимости синхронизации – все части будут гореть одинаково. При этом будет использоваться один пульт, кстати он тоже может быть причиной неисправности, регулярно проверяйте его батарейки.
усилитель RGB лентыНа многих блоках питания есть регулировка напряжения в виде подстроечного резистора около клемм. Будет хорошо, если вы понизите его на пару десятых вольта (11,5 – 11,8), это снизит ток, продлит ресурс, а яркость практически не изменится
Итоги
Отремонтировать осветительные решения со светодиодной лентой – проще, чем многие привыкли думать. Это просто, при этом требует минимальный набор инструмента и знаний. В этой статье описаны варианты часто встречающихся неисправностей и их причины, надеемся, что это станет для вас полезным!
📋 Пройдите тест и проверьте ваши знания

Сможешь ли ты самостоятельно сделать непрямой массаж сердца и искусственное дыхание?
Нет, я не умею это делать.
Знаю как, но только теоретически.
Да, смогу.
Верно! Не верно!
Продолжить »
Какой путь электрического тока является наиболее опасным?
Правая рука – правая нога.
Правая рука – левая нога.
Нога – нога.
Рука-рука.
Верно! Не верно!
Продолжить »
Почему пораженного электрическим током человека нужно положить на сырую землю как можно быстрее?
Это глупость, так делают безграмотные люди.
Чтобы снизить температуру тела.
Чтобы опасное напряжение быстро ушло в землю.
Верно! Не верно!
Продолжить »
Можно ли касаться токоведущих частей, находящихся под напряжением 380 В, голыми руками и неизолированным инструментом?
Категорически нельзя.
Можно, но только одной рукой.
Можно, если человек надежно изолирован от земли (диэлектричекие боты, коврик и т.п.).
Верно! Не верно!
Продолжить »
Может ли напряжение величиной 40 В убить человека?
Может, если ток переменный
Может, если человек хорошо заземлен (сырая обувь, железный пол, и т.п.).
Нет, оно считается условно безопасным
Верно! Не верно!
Продолжить »
От чего зависит степень поражения организма?
От величины напряжения
От величины протекающего через тело тока
Верно! Не верно!
Продолжить »
Тест на знание правил электробезопасностиТы абсолютно не знаешь мер безопасности. Все, что тебе можно доверить – вкрутить лампочку и то под наблюдением.

Ты слабо знаешь меры безопасности. Никогда не проводи ремонт электроприборов и розеток самостоятельно.

Ты хорошо знаешь меры безопасности. Тебе можно доверить ремонт бытовых приборов и домовой электропроводки.

Share your Results: Facebook Twitter ВКонтакте
Перепройти тест!
lampaexpert.ru
Подключение блока питания светодиодной ленты — Ремонт квартир
Традиционные лампы накаливания продолжают уходить в прошлое, и дизайнеры ищут новые и оригинальные решения для освещения помещений. Предоставить новые формы и сэкономить пространство может подключение ленты светодиодной, которая дает совершенно новый взгляд на дизайн интерьеров, они встраиваются в потолок, в стены, позволяют осветить самые разные поверхности. Некоторые энтузиасты используют ее даже для модификации бытовой техники, изучают, как подключить светодиодную ленту к колонкам аудиосистемы, как украсить салон авто и многое другое.
Поставляется это устройство в виде намотанной на катушку тонкой токопроводящей полоски, покрытой светодиодами. На каждом конце ее располагается два провода. Светодиоды, расположенные на подложке, различаются по яркости и цвету свечения. Существуют даже такие светодиоды, при помощи которых можно менять цвет освещения в самых широких пределах. Также ленты различаются по количеству установленных светодиодов и степени влагозащиты.
Светодиодная лента потребляет всего 12 вольт и ее нельзя подключить в сеть просто так. Для ее работы понадобится блок питания. Как правило, его мощность подбирается с небольшим запасом. Если будет задействована не одна, а несколько лент по 12 вольт, то мощность источника питания также должна быть не меньше их суммарной мощности.
Подключение простой (до 5 метров) светодиодной ленты к блоку питания на 12 вольт осуществить достаточно просто. Нужно ориентироваться на цвет провода, выходящего с подложки и с источника питания. Обычно черный (но иногда и синий) – это минус, а красный – это плюс. Соблюдение полярности строго необходимо, иначе устройство просто не зажжется.
Если был приобретен блок питания на 12 вольт без выделенных проводов, то потребуется самостоятельно подключить провода к зажимам. Обычно эти зажимы промаркированы и подключить к ним провода несложно. Когда предварительная проверка работы полоски завершена, приходит время обеспечить надежный контакт. Подключение провода питания осуществляется двумя способами.

- Использовать коннектор. На коннекторе отодвигается задвижка, сам он накладывается на край ленты, крышка задвигается, и контакты оказываются плотно зажаты коннектором. Все, что осталось — подключить коннектор к блоку питания специальным проводком. Такой способ достаточно простой, но не самый дешевый и экономичный.
- Подключение питающего провода пайкой. При должных навыках пайки этот способ тоже не составит большого труда. Кроме того, он гораздо экономичнее, особенно в том случае, если потребуется задействовать несколько светодиодных лент или разделить одну на несколько частей. Со временем контакты при таком соединении не ослабевают, как это было бы при использовании коннектора.
Не стоит подключать их последовательно. Такое подключение заставит первую ленту пропускать через свои токопроводящие дорожки излишний ток и перегреваться, а на последующих будет заметное падение напряжения. Скорее всего, на конце второго устройства светодиоды вообще гореть не будут. Первое же устройство из-за перегрева выйдет из строя куда раньше заявленного срока эксплуатации.

Лучше всего подключить ленты к одному мощному блоку питания или двум отдельным. Например, для двух устройств с напряжением 12 вольт можно воспользоваться блоком питания на 24 вольта или чуть больше. 
Надо понимать, что больший блок питания имеет большие габариты, это обстоятельство может в некоторых случаях затруднить его монтирование. Тогда лучше будет использовать два отдельных блока.
Впрочем, если вы хотите присоединить к вашей ленте другую небольшую, и в сумме они не превысят допустимых 5 метров, то можно обойтись и обычным блоком питания – падения напряжения практически не будет заметно, а то и вовсе не будет. Два куска ленты можно просто припаять друг к другу, а можно воспользоваться специальными двусторонними коннекторами. В любом случае перед окончательным монтажом стоит провести пробное подключение и убедиться, что падения напряжения не происходит.
Отдельно стоит сказать о подключении многоцветных светодиодных лент, называемых также RGB. Особенность подключения многоцветной светодиодной ленты в том, что она дополнена еще одним устройством – контроллером. Именно контроллер позволяет регулировать интенсивность освещения, его цвет и другие параметры. Сперва в цепь подключается блок питания на 12 вольт, затем, контроллер, затем уже сам источник света.
Для подключении нескольких одноцветных светодиодных лент с использованием диммера, применяется усилитель сигнала (если суммарная потребляемая мощность led-лент, превышает выходную мощность диммера):

Конструкция самого устройства также отличается. Из многоцветной светодиодной ленты выходят уже не два провода, а четыре. Три из них отвечают за три цвета, а четвертый относится к каждому из диодов. И на, контроллере, и на краях подложки нанесена соответствующая маркировка:
- «R» – красный,
- «G» – зеленый,
- «B» – синий,
- «V+» – общий провод.
Ее можно спаять с контроллером, а можно все так же воспользоваться коннекторами.
Если требуется соединить вместе несколько RGB лент на 12 вольт, придется учесть нагрузку всех светодиодных лент вместе. Она не должна превышать таковую у контроллера и блока питания.
Но обычный контроллер просто не рассчитан на тот ток нагрузки, который могут суммарно потреблять несколько объединенных вместе полноразмерных RGB лент. В этом случае потребуется воспользоваться еще одной хитростью.

Существует еще одно устройство, подключение которого поможет соединить вместе несколько светодиодных лент такого типа. Оно называется RGB усилитель. Подключение этого усилителя делает так, что управление цветом освещения и его интенсивностью можно будет осуществлять синхронно для нескольких лент.
Так же как и для одноцветной ленты, лучше не подключать последовательно участки более 5 метров. Если позволяют габариты блока питания, то второй кусок также можно подключить параллельно первому (к соответствующим клеммам):


Схема подключения на практике

opotolkax.com
Способы подключения светодиодной ленты к источнику питания
Светодиодная лента обычно поставляется намотанной на катушки отрезками длиной пять метров с припаянными на внешнем конце короткими проводами, как на фотографии.
Для защиты места пайки контактных площадок светодиодной ленты от внешних воздействий и из эстетических соображений их обычно сверху закрывают отрезком термоусаживающейся трубкой.
Подключение питания с помощью LED коннектора
При подготовке светодиодной ленты к установке, отрезок ленты длиной пять метров приходиться разрезать на более короткие отрезки, исходя из размеров поверхностей или предметов, на которые лента будет устанавливаться. Поэтому возникает необходимость самостоятельного присоединения проводников к контактным площадкам.

Самым простым и быстрым способом присоединения проводов к контактным площадкам светодиодной ленты для ее питания является механический способ, с помощью специального LED коннектора, один из разновидностей которых Вы видите на фотографии. Достаточно приложить ленту контактными площадками к контактам коннектора и защелкнуть крышку. Но этот способ очень дорогой, так как цена одного коннектора сравнима со стоимостью полметра самой ленты и менее надежный, чем подключение с помощью пайки припоем. Не каждый домашний мастер захочет нести такие расходы, особенно если система освещения состоит не из оного отрезка светодиодной ленты, а множества.
Подключение питания способом пайки припоем
При самостоятельной подготовке к монтажу светодиодной системы освещения или подсветки дешевле и надежнее выполнить подключение проводов к светодиодной ленте методом пайки. При кажущейся на первый взгляд сложности, припайка проводов к контактам светодиодной ленты не сложней, чем любая другая пайка. Главное соблюдать технологию и паять паяльником с нагретым до требуемой температуры узким концом жала шириной около 2 мм. Искусству пайки паяльником на сайте посвящен ряд статей.

Отрезанный конец светодиодной ленты обычно приобретает вид, какой Вы видите на фотографии. Количество контактных площадок зависит от вида ленты. Например, RGB лента на фото имеет четыре контактных площадки и к каждой из них необходимо припаять отдельный проводник.

Для получения качественной пайки в обязательном порядке нужно подготовить спаиваемые поверхности, покрыв их слоем припоя. Посмотрев видеоролик, Вы убедитесь, что лудить контактные площадки светодиодной ленты не сложная работа.
Контактные площадки светодиодной ленты не являются исключением и прежде, чем припаять к ним провода, их тоже необходимо залудить, как показано на фотографии.

Далее необходимо залудить концы проводов. Для этого необходимо предварительно нарезать их на куски нужной длины и снять с концов изоляцию. Цвет изоляции проводов значения не имеет, просто, когда используют провода с разным цветом изоляции, то не нужно будет в дальнейшем заниматься их прозвонкой мультиметром. Снять изоляцию на пару миллиметров и залудить провода сложно. Поэтому изоляция снимается на 8-10 мм,а после залуживания концов проводов, они подрезаются бокорезами до длины трех миллиметров.

Теперь осталось приложить залуженные концы проводов к контактным площадкам и по очереди касанием каждой площадки жалом паяльника с каплей припоя в течение пару секунд получить пайку, как на фотографии. После пайки нужно внимательно осмотреть, не соприкоснулись ли капли припоя соседних площадок. Для уверенности в отсутствии короткого замыкания между соседними площадками желательно воспользоваться мультиметром.
Напряжение на контактах светодиодной ленты не превышает 24 В, поэтому место пайки можно не изолировать. Но, все же, лучше обернуть его пару витками изоляционной ленты или надеть термоусадочную трубку с последующим прогревом строительным феном.
Как резать и соединять отрезки светодиодной ленты
При монтаже и установке светодиодной ленты зачастую приходиться ее резать на отрезки равные размеру поверхности, на которую она приклеивается. При организации подсветки помещения приходиться монтировать ленту под прямым углом, как в одной плоскости (угол на потолке), так и во взаимно перпендикулярных плоскостях (внешний или внутренний угол стен в помещении). При этом, как правило, остаются отрезки светодиодной ленты недостаточной длины, и встает вопрос, а как их правильно соединить вместе?
Как резать светодиодную ленту
Светодиодная лента тонкая, эластичная и легко режется на отрезки обычными канцелярскими ножницами. Для разрезания ленты на куски со знанием дела необходимо ознакомиться с ее устройством и электрической схемой.

Светодиодная лента, вне зависимости от ее длины, состоит из множества параллельно соединенных между собой сегментов, как на фотографии.
ин сегмент светодиодной ленты, рассчитанный на питающее напряжение 12 В состоит из трех корпусов со светодиодами и трех сопротивлений. В каждом корпусе установлено по три полупроводниковых кристалла красного, зеленого и синего цветов свечения. Кристаллы одного цвета свечения включены последовательно, как показано на электрической схеме. Для ограничения силы тока, протекающего через цепочки светодиодов, последовательно с ними установлены сопротивления R1- R3.
Если посмотреть на светодиодную ленту со стороны липкого слоя с отклеенной защитной пленкой на просвет, то можно увидеть идущие вдоль токоведущие медные дорожки. По ним подается питающее напряжение вдоль ленты на каждый сегмент.

Теперь Вы поняли, что светодиодную ленту можно разрезать на множество отрезков, но шаг резки должен быть равен длине одного сегмента. Резать разрешено посередине контактных площадок, обычно место разрешенного реза обозначено линией, иногда наносится пиктограмма в виде ножниц.
Как сращивать светодиодную ленту
При подготовке к монтажу светодиодной ленты могут появиться ее отрезки недостаточной длины. Их можно успешно срастить между собой без ущерба для работы ленты в целом. Срастить отрезки светодиодной ленты можно двумя способами, с помощью LED коннектора и пайкой. Соединить ленты пайкой можно тоже двумя способами, непосредственная спайка между собой отрезков ленты или с помощью дополнительных проводов.
Обращаю Ваше внимание, что сращивать светодиодную ленту можно только до длины не более пяти метров. Это связано с тем, что сечение печатных дорожек на ленте маленькое и при длине ленты более пяти метров будет происходить большое падение напряжения на дорожках. При нарушении этого требования ничего непоправимого не произойдет, просто светодиоды на конце ленты буду светиться не в полную яркость.
Сращивание светодиодной ленты пайкой без проводов
Технология подготовки контактных площадок светодиодной ленты не отличается от подготовки для припайки к ним проводов.

На фотографии представлена перерезанная канцелярскими ножницами на две части лента. Так как контактные площадки не окисленные, то можно сразу приступать к их покрытию припоем.

Контактные площадки со стороны установки светодиодов покрыты толстым слоем припоя и готовы для сращивания ленты.
На этом этапе подготовка ленты для сращивания пайкой не заканчивается. Необходимо еще покрыть припоем контактные площадки, которые находятся со стороны липкого слоя. Для доступа к ним нужно отклеить часть защитной пленки.

Открывшиеся взору контактные площадки нужно тоже покрыть толстым слоем припоя. После этого можно приступать к спайке отрезков светодиодной ленты. На фотографии показаны только две контактные площадки, покрыть припоем необходимо и две другие, скрытые под пленкой.

Отрезок ленты, у которой были покрыты контактные площадки с тыльной стороны, накладывается с перекрытием в три миллиметра на залуженные контакты второго отрезка. Теперь достаточно прогреть по очереди контактные площадки жалом паяльника и отрезки ленты станут единым целым. На фотографии Вы видите результат моей работы по сращиванию светодиодной ленты пайкой без проводов, пайка получилась идеальной. Для получения красивой пайки главное не жалеть канифоли.
Сращивание светодиодной ленты с помощью проводов пайкой
Технология припайки проводов к контактным площадкам светодиодной ленты приведена выше. Осталось только продемонстрировать пример такого вида сращивания.
Для изготовления перемычки подойдет провод любой марки, главное, чтобы его сечение было достаточным. Исходя из того, что ток потребления пятиметровой самой яркой светодиодной лентой SMD5050, имеющей 60 светодиодов на метре длины, составляет 4,2 А, то для сращивания ленты любого типа подойдет изолированный медный провод диаметром 0,8 мм.
Провод нужной длины подготовлен и осталось только залудить его оголенные концы. Длина провода перемычки может быть от одного сантиметра до нескольких метров.

В связи с тем, что контакты для подключения в данном типе светодиодной ленты попарно соединены между собой, для надежности, было решено припаять концы проводов одновременно к двум контактам. Для этого концы проводов были согнуты под прямым углом.

Результат припайки проводов к контактам светодиодной ленты Вы видите на фотографии. Второй конец провода точно также припаивается ко второму отрезку светодиодной ленты. Если в качестве флюса для пайки использовалась канифоль, то остатки ее в месте пайки можно не удалять, так как канифоль является диэлектриком. Хотя канифоль и впитывает влагу, но в данном случае это не играет роли. Для придания пайке красивого внешнего вида, канифоль с ленты можно удалить с помощью кисточки смоченной в спирте.

Отрезки светодиодной ленты надежно соединены, и теперь ее можно монтировать на плоскости изгибая под любым углом.
Светодиодную ленту недопустимо изгибать под прямым углом. После установки перемычки из гибкого провода ничего теперь не мешает устанавливать ленту под любым внутренним или внешним углом стенок.
Как подключить светодиодную ленту
к блоку питания или контроллеру
Следующим этапом подготовки светодиодной ленты к монтажу является подключение ее к блоку питания или контроллеру. На выборе блока питания останавливаться не буду, так как этот вопрос подробно рассмотрен в статье сайта «Как подключить светодиодную ленту к электросети».
Мощный блок питания представляет собой металлическую коробку с перфорационными отверстиями, служащими для циркуляции воздуха с целью отвода тепла от радиокомпонентов и клеммной колодкой с винтами. Для повышения эффективности отвода тепла внутри блока питания часто размещают воздушный вентилятор. На корпусе обычно имеется табличка, в которой указано обозначение блока и его основные технические характеристики.

Возле каждого винта клеммы всегда наносится маркировка для правильного подключения проводов. Для подачи питающего напряжения на монохромную светодиодную ленту достаточно припаять к ней провода по описанной выше технологии, подсунуть их под шайбы и зажать винтами. Для более надежного присоединения проводов нужно свить залуженные концы в колечки.
Схема подключения монохромной LED ленты к блоку питания
Маркировка клемм обозначает следующее. L (фаза) и N (ноль) клеммы подключения к сетевому напряжению 220 В. FG – клемма заземления. G, G и G — три соединенные между собой в блоке клеммы для подключения отрицательного вывода (-) ленты. Клеммы V+, V+ и V+ тоже соединены в блоке питания между собой и служат для подключения положительного вывода (+). Как правило, этими символами обозначаются выводы и у других типов блоков питания.

На фотографии изображена электромонтажная схема подключения монохромной (может светиться только одним из цветов) светодиодной ленты к блоку питания. Как видите, нет ничего сложного. Длина ленты не должна превышать пяти метров. Если понадобится подключить к блоку питания несколько лент, а клемм на нем имеется всего две, то все провода одинаковой полярности, идущие от светодиодных лент, подключаются к одной клемме с соответствующей маркировкой.
При подключении сетевого шнура с вилкой коричневый и синий провода можно менять местами, так как неизвестно где будет фаза, а где ноль, все зависит от того, каким образом будет вставлена вика в розетку. Желто-зеленый провод заземления вилочного шнура должен быть подсоединен исключительно к клемме заземления. Если в шнуре нет желто-зеленого провода, то клемму заземления можно оставить свободной, но это будет являться нарушением правил техники безопасности. На работоспособность светодиодной системы это не повлияет.
Схема параллельного подключения отрезков LED лент
Иногда возникает задача подсветки, когда нужно подключить к блоку питания множество коротких светодиодных ленточек, удаленных друг от друга, например при подсветке витрины или висящих на расстоянии друг от друга картинок. В таком случае нет необходимости от каждого отрезка ленты тянуть провода к блоку питания. Прокладывается одна или несколько магистральных пар проводов, к которым затем подключаются короткие проводники от ленточек.

Присоединение к магистральному проводу проводов, идущих от ленточек можно выполнить любым способом. Самым надежным является скрутка с последующей пайкой, но в данном случае предпочтительнее соединение с помощью разъемов или клеммных колодок. Это упростит задачу ремонта, в случае возникновения такой необходимости, при эксплуатации светодиодной системы.

На фотографии пример подключения отрезков светодиодной ленты с помощью клеммных колодок типа Ваго (Wago). Провода синего и белого цвета изоляции магистральные, одножильные. Провода черного цвета идут к светодиодной ленте. Если будет устанавливаться RGB LED лента, то понадобится проложить четыре магистральных провода и применить по четыре клеммы Ваго на одно ответвление.
Надо учесть, что клеммы Ваго, в зависимости от типа предназначены для соединения проводов определенного диаметра. Например, клеммы, которые на фотографии предназначены для соединения проводов диаметром от 0,5 до 2,5 мм. Если провод будет тоньше, то надежного контакта не будет, а толще 2,5 мм просто невозможно будет вставить. Многожильный провод перед вставлением в одноразовую клемму Ваго, как на фотографии, обязательно нужно залудить, чтобы он стал как одножильный или напрессовать на него специальный наконечник, иначе вставить его в клемму будет невозможно.

Иногда возникает необходимость при установке подсветки расположить светодиодную ленту по сложному рисунку, например, при подсветке шкафчика или витрины. В таком случае можно в качестве магистральных проводов использовать саму ленту, припаяв выводы отрезков лент непосредственно к контактам одного из отрезков лент. Суммарная длина всех отрезков при таком способе соединения не должна превышать пяти метров.
При создании освещения светодиодной лентой из отрезков разной мощности их можно последовательно и параллельно подключать в любом сочетании. Например, метр светодиодной ленты типа SMD3014 мощностью 12 Вт подключить последовательно с отрезком ленты типа SMD3528 мощностью 4,8 Вт, а к нему подключить еще отрезок SMD3014 мощностью 12 Вт длиной два метра. Главное не забывать при последовательном включении об ограничении суммарной длины 5 метров.
После разработки схемы монтажа ленты необходимо определить сечение провода для подключения ее к блоку питания. Если не известен потребляемый ток LED лентой, то его можно определить по таблице исходя из типа светодиодов и их количеству, установленному на метре длины.
Как подключить светодиодную ленту
к источнику питания от компьютера
Стоимость мощных импульсных блоков питания на напряжение 12 В и 24 В, при токе нагрузки более 5 А, предназначенных для питания светодиодных лент зачастую превышает стоимость самой ленты.
Но есть возможность избежать полностью или уменьшить затраты на создание светодиодной системы, если применить блок питания от стационарного компьютера. Морально устаревший системный блок компьютера с исправным блоком питания найти не сложно у себя в подсобном помещении, у друзей или на работе.

На фотографии представлен один из многочисленного семейства источников питания, извлеченный из стационарного компьютера. БП компьютера является законченным изделием и его можно успешно использовать для питания других устройств, в том числе и для питания светодиодной ленты. Все блоки питания имеют стандартный рад напряжений, приведенный в таблице, и отличаются только по величине допустимого тока нагрузки.
Из источника питания выходит несколько десятков проводов разного цвета, но на провода одного цвета выводится одно и тоже напряжение, приведенное в таблице.
На источнике питания всегда имеется табличка, в которой указана его максимальная мощность и допустимый ток нагрузки по каждому напряжению. Хотя рассматриваемый блок питания рассчитан на мощность нагрузки 400 W, но нагрузочная способность по цепи +12 В составляет всего 16 А (12 В×16 А=192 Вт), что достаточно для питания практически любой системы светодиодного освещения или подсветки.
Как принудительно включить источник питания компьютера
Если вставить в розетку вилку сетевого шнура, и включить выключатель на блоке питания, то блок не начнет работать, пока на него не поступит сигнала управления с материнской платы, который подается при нажатии кнопки «Пуск» на системном блоке. Поэтому чтобы запустить источник питания нужно эмитировать сигнал управления с материнской платы.

Для этого достаточно замкнуть на разъеме подачи питания на материнскую плату между собой контакт 16 (POWER ON зеленого цвета, в некоторых моделях БП бывает серого цвета) с контактом 17 (общий провод GND черного цвета), как показано на фотографии. Если разъем имеет 20 контактов, то замыкаются между собой контакты 14 и 15, к которым подсоединены провода тех же цветов. Контакты находятся со стороны расположения фиксатора разъема.

Перемычку можно сделать из отрезка медного провода диаметром 1 мм, согнув в виде буквы П, как показано на фотографии. Затем вставить в контакты разъема.

Если источник питания больше не планируется использоваться в компьютере, то можно сделать более надежное соединение проводов. Для этого нужно снять с них изоляцию на длину 1-2 см, обернуть один провод об другой одним витком и затем пропаять припоем. Соединение можно не изолировать, так как оно и так имеет электрический контакт с корпусом блока питания.
Как подключить LED ленту 12 В к блоку питания компьютера
Перед монтажом светодиодной системы необходимо проверить работоспособность источника питания. Без нагрузки на выходе импульсные блоки включать в сеть не рекомендуется. Для этого нужно подключить к любому из разъемов на проводах, к контактам, подключенным к черному и желтому проводам нагрузку, и подать на блок питающее напряжение 220 В. В качестве нагрузки хорошо подойдет любая лампочка, применяемая в автомобиле на 12 В. Например от фары, имеющая мощность около 60 Вт и потребляющая ток около 5 А. Если лампочка светит в полную яркость и крыльчатки вентилятора в блоке питания быстро вращаются, значит, блок в порядке. При наличии мультиметра, для полной уверенности, следует измерять выходное напряжение. Если лампочка не светит, значит, блок неисправен и требуется его ремонтировать. При медленном или шумном вращении крыльчатки, вентилятор нужно почистить и смазать.

В блоке питания компьютера больше всего четырех контактных разъемов, как на фотографии. Светодиодную ленту удобнее всего подключать к этим проводам, так как они длинные и в случае потребления светодиодной системой большого тока, можно подключиться к нескольким разъемам, или откусив их припаять идущие к ним провода непосредственно к контактным площадкам ленты. Для подключения LED ленты на 12 В понадобится только желтый и черный провода.

Подключение блока питания к светодиодной ленте лучше всего сделать разъемным. Это пригодится в случае модернизации или ремонта системы освещения. При наличии ответной части (папа) для четырех контактного разъема, то достаточно припаять его желтый и черный провода непосредственно к контактным площадкам ленты.

При отсутствии ответной части штатного разъема желтый и черный провода нужно отрезать от разъема. После этого их можно припаять к разъему контроллера, в случае подключения RGB ленты, применить любой другой разъем, рассчитанный на ток потребления ленты или припаять непосредственно к контактным площадкам ленты или срастить с проводами, идущими от ленты.
Перед соединением при помощи пайки или скрутки, с проводов нужно снять изоляции и залудить припоем. Далее провода скручиваются между собой, обрезается торчащие концы, и пропаиваются каплей припоя. Оголенные участки закрываются заблаговременно надетой на них изолирующей трубкой или покрываются изоляционной лентой.
Как подключить LED ленту 24 В к блоку питания компьютера
Технология подключения светодиодной ленты, рассчитанной на питающее напряжение 24 В не отличается от подключения ленты, рассчитанной на 12 В. Отличие только в цвете проводов, к которым нужно подключиться.
В компьютере нет блоков, для питания которых необходимо напряжение 24 B, но есть блоки, для работы которых требуется напряжение +12 B и -12 B. Величина этих напряжений указана относительно общего (черного цвета) провода. Поэтому, если подключить светодиодную ленту только к желтому и голубому проводам, то на нее будет поступать напряжение величиной 24 B. Голубой провод подведен только к много контактному разъему для подключения к материнской плате. Желтый там тоже есть.
Но к сожалению, нагрузочная способность по цепи напряжения –12 В на много ниже, чем нагрузочная способность по цепи +12 В. Так в блоке питания, представленном на фотографии, ток нагрузки по цепи +12 В составляет 16 А, а по цепи –12 В всего 0,5 А.
Нагрузочная способность блока питания при таком подключении ленты будет определяться минимальным током любого из напряжений. В данном случае это 0,5 А. С учетом того, что напряжения +3,3 В и +5 В не используются, то можно смело нагружать блок как минимум до 1 А. Вполне допустим и больший ток нагрузки, я полагаю ампер до трех, но это нужно для конкретной модели источника питания проверить экспериментальным путем.
О сечении проводов блока питания
Диаметр медных многожильных проводов, выходящих из блока питания, составляет 0,8 мм (сечение 0,5 мм2), что допускает подключать нагрузку на один провод до 3 А. Если, сила тока для питания ленты нужна больше, то необходимо подключать LED ленту к большему числу проводов одного цвета. Например, для питания ленты нужен ток 5 А, значит необходимо использовать два провода, а если ток нужен 15 А, то уже пять проводов.
Как подключить светодиодную RGB ленту к контроллеру
RGB LED ленту можно подключить и без контроллера, непосредственно к блоку питания. При таком подключении теряется смысл ее использования, светить она будет либо белым или одним из цветов с малой яркостью.
В статьях сайта «Подключение RGB светодиодных лент» и «Ремонт системы освещения светодиодной RGB лентой» в деталях рассмотрены вопросы подключения, принципа работы и ремонта контроллера, но не освещен вопрос подключения RGB ленты к контроллеру с помощью разъемного соединения.

В случае если к ленте уже припаяны провода с ответной частью разъема, установленного на контроллере, что бывает редко, то вопросов не возникает. Достаточно сочленить разъемы, с учетом ключа и подключение готово.
Мне пришлось подключать RGB ленту к контроллеру LN-IR24B, в котором установлен разъем, как на фотографии. Шаг между контактами в разъеме составляет 2,5 мм, диаметр под штыри 0,7 мм при глубине 4 мм. Ответной части к разъему в наличии не было.
Задачу подключения можно решить тремя способами. Отрезать разъем и срастить провода методом скрутки со сдвигом, припаять провода непосредственно к печатной плате контроллера или подобрать подходящий разъем.
Лучшим решением является не нарушать конструкцию контроллера, так как будет потеряна гарантия, а подобрать разъем. В наличии был пяти контактный разъем от платы видеомагнитофона, подходящий по геометрическим параметрам. После удаления лишнего контакта проверка показала, что штыри входили с небольшим натягом и надежно фиксировались в ответной части. Осталось только припаять к его штырям, соблюдая маркировку провода, идущие от LED ленты. Одетые кембрики придадут пайкам законченный вид и защитят провода от обрыва при изгибах.

Смонтированная RGB светодиодная система готова и можно ее устанавливать на новогоднюю елку, для чего она и предназначалась.
Рекомендации по размещению оборудования и монтажу LED ленты
Светодиодная система не является системой повышенной надежности и поэтому необходимо монтаж выполнять с учетом возможности ее полного или частичного демонтажа в случае отказа для ремонта.
Светодиодная лента с тыльной стороны покрыта липким слоем, защищенным пленкой. Для закрепления LED ленты на поверхности достаточно удалить защитную пленку и прижать ленту к поверхности. Но если поверхность имеет большую шероховатость, то лента приклеится плохо и со времен может отвалиться. Для надежного крепления на шероховатую поверхность можно предварительно на нее нанести полоску двустороннего скотча, равную ширине ленты, и уже на него приклеивать ленту.
Существуют специальные алюминиевые профили, которые с помощью саморезов закрепляются на стене, и лента приклеивается уже к профилю. К профилям придается пластиковый рассеиватель, позволяющий спрятать светодиоды и сделать световой поток более равномерным. Но стоимость профилей зачастую превышает стоимость самой лены. Специальный профиль можно заменить дешевым пластиковым уголком, закрепив его на поверхности жидкими гвоздями.
При подсветке потолков LED ленту удобнее всего спрятать за потолочным плинтусом. В зависимости от замысла, светодиоды направляют либо параллельно поверхности потолка или под углом к нему. Для максимального использования светового потока и получения равномерного освещения потолка ленту нужно размещать на расстоянии не менее пяти сантиметров от него.
При освещении витрин, полок или внутреннего объема шкафов необходимо позаботиться, чтобы светодиоды не светили прямо в глаза людей. В противном случае эффект от подсветки будет не полным, а возможно и отрицательным, например в случае подсветки товара в магазине.
В мощных блоках питания часто устанавливают вентиляторы, которые при работе издают акустический шум, который со временем обычно увеличивается. Этот факт надо учесть, если светодиодная система устанавливается в помещении, где шум может стать раздражающим фактором, например, в спальной комнате. В таком случае блок питания выносят в другое помещение, где шум не будет мешать.
ydoma.info
remontkvartiri.me
3 причины почему сгорает блок питания Led ленты
Блок питания для светодиодной ленты это самое слабое звено во всей цепи подсветки. Как ни странно, но по статистике он выходит из строя гораздо чаще самих светодиодов.
Поэтому его не рекомендуется капитально замуровывать за гипсокартонную стену или прятать за натяжной потолок. То есть ставить в те места, где к нему не будет свободного доступа для обслуживания.
А вот блок питания может сгорать ежегодно. Здесь опять же все зависит от качества сборки и условий эксплуатации.
Однако как показала практика, при одинаковых условиях и нормальных производителях, все равно первыми выходят из строя именно блоки, а не Led ленты.
Поэтому заранее позаботьтесь от том, чтобы к этому источнику напряжения был доступ.
Как без приборов определить сгоревший блок
Как же понять, что блок питания вышел из строя и поломался? Как быстро отличить без измерительных приборов, что поломка именно в нем, а не в самой ленте?
Если плохо работает или совсем не работает (не горит) вся светодиодная подсветка от начала до конца, то это первая причина выхода из строя именно блока.
А вот когда тускло светит или потухла часть Led освещения, ищите проблему в вышедших из строя светодиодах. Скорее всего был перегрев или где-то отпаялись контакты.
Второй признак – изменение звука при работе. Неисправный блок начинает пищать или свистеть, хотя раньше ничего подобного не наблюдалось.
Причем писк может быть не ярко выраженным, который слышно за несколько метров, но вполне различимый вблизи.
Если этот девайс у вас на гарантии, и вы его покупали не в китайском интернет магазине, то самое время отправить его на замену, пока гарантийный срок еще не закончился.
Третий признак поломки сгоревшего блока – ВСЯ лента начинает моргать или мерцать как на дискотеке. Опять же — не отдельными участками, а целиком и по всей длине.

Конечно причин с мерцанием существует несколько, и сразу же винить в этом только один блок не стоит.
Такое мигание зачастую можно видеть не только на светодиодной ленте, но и на прожекторах. Но там главная болезнь этих мерцаний — светодиодная матрица и выгорание ее компонентов.
Причины выхода из строя
Теперь давайте разберемся с причинами. Почему же блоки питания выходят из строя и как этого можно избежать.
Качество
Первая причина – это низкое качество самого изделия и его комплектующих. Если вы покупаете дешевые экземпляры, то не удивляйтесь что всего через несколько месяцев, вы повторно прибежите в магазин за еще одним девайсом.
И так из года в год. Для долговечной подсветки потолка, не рекомендуется экономить на таком компоненте. То же самое относится и к самой ленте.
Как отличить качественную светодиодную ленту от дешевой, подробно со всеми примерами, описывается в другой статье.
Нагрев
Вторая причина выхода из строя – перегрев. Блок питания должен быть размещен в местах с достаточным доступом воздуха.
Никакая стенка или посторонние предметы не должны препятствовать его теплообмену. Лучшие места для установки – какая-нибудь настенная полка, верхняя поверхность шкафа и т.п.
Не рекомендуется его прятать за шторками. Не забывайте, что это все таки небольшой трансформатор.
И при коротком замыкании или перенапряжении, он может вспыхнуть. Поэтому ставьте его подальше от всего горючего и легко воспламеняющегося.
Даже если взять заводскую инструкцию по эксплуатации от фирменных изделий, то там обязательно будут прописаны несколько правил:
- блок должен быть продуваем воздухом со всех сторон
- если вы его все-таки запрятали в какой-то короб, в нем должны присутствовать вентиляционные отверстия
- нельзя ставить один блок на другой, когда схема подсветки предусматривает несколько источников
Между ними должно быть расстояние минимум в 5см.

Лента в него помещается запросто, однако многие умудряются запихнуть туда еще и узкие герметичные блочки из серии Slim.
В итоге при включении светодиодной ленты, сначала нагревается сам профиль. А затем, вместо того чтобы отдавать все тепло в воздух, он начинает передавать его на поверхность коробки питания.
При этом не забывайте, что она сама по себе также греется. В результате такой ”прожарки” как в искусственной печке, которую вы сами и создали, девайс не проработает и года.
Поэтому грамотное место установки нужно искать еще на этапе проектирования ремонта.
Перегруз
Третья частая причина поломок – перегрузка.
При начальном расчете и выборе мощности блока питания, всегда должен быть минимальный запас в 30%. Об этом говорят все рекомендации и требования.
Если этого не предусмотреть, то ваш источник постоянно будет работать со 100% загрузкой, либо с перегрузкой при перепадах напряжения.
Отсюда вытекает перегрев проводов, компонентов и опять проблемы с малым сроком службы. Если вы покупаете дешевые модели или слим серию, то здесь не помешает запас мощности даже в 50%.
svetosmotr.ru
