Самодельная станина для токарного станка по металлу – Самодельный токарный станок по металлу своими руками: инстукция
Самодельный токарный станок — Самодельные станки
Здравствуйте уважаемые Мастера! Решил , наконец, показать итоги своего творчества. С 2007 года являюсь каждодневным читателем форума (пенсионер). Особенно интересует тема создания самодельных станков для обработки металла. Перечитал практически все темы касающиеся самодельных токарных станков. Решил, порывшись по своим закромам, построить свой вариант. Оказалось что у меня для этого ничего нет, ни направляющих, ни шпинделя, ни патрона…
Прошло 5 лет. Было построено несколько сварочных агрегатов. По бартеру получены необходимые материалы. шестигранник под ключ 52. Обрезки листа толщиной 35мм. За основу компоновки принят станок уважаемого Юрия Кимборовича. Также использовались вдохновила конструкция станков типа «Универсал-1».
Желание было сделать самому что-то. Оцените труды, товарищи!.
www.chipmaker.ru
Самодельный токарный станок по металлу своими руками: изготовление и эксплуатация
Самодельный токарный станок по металлу своими руками: изготовление и эксплуатация
Токарный станок нужен для изготовления и обработки металлических деталей. Профессиональное оборудование стоит довольно дорого, поэтому в целях экономии можно изготовить самодельный токарный станок по металлу своими руками. Сделать это можно несколькими способами, а чертежи подобного изделия легко находятся в интернете. Использовать для изготовления можно подручные материалы, размер же станка может быть любым.

Профессиональный токарный станок имеет высокую стоимость, поэтому имеет смысл изготовить подобное устройство самостоятельно
Составляющие мини-токарного станка по металлу своими руками
Любой самодельный токарный станок состоит из следующих элементов:
- привод – основная часть механизма, которая отвечает за его мощность. Выбор привода необходимой мощности является одной из самых сложных задач. В небольших токарных станках по металлу своими руками можно использовать привод от обычной стиральной машины или дрели. Обычно, мощность этого элемента начинается от 200 Вт, а количество оборотов в минуту – от 1500;
- станина – несущая рама конструкции, которая может быть изготовлена из деревянных брусков или стального уголка. Станина должна характеризоваться высокой прочностью, иначе вся конструкция может развалиться от вибраций во время работы;

Проекция и основные узлы токарного станка по металлу
- задняя бабка – изготавливается из стальной пластины и привариваемого к ней стального уголка. Пластина упирается в направляющие станины, а основным назначением задней бабки токарного станка своими руками является фиксация металлической детали при обработке;
- передняя бабка – часть, аналогичная задней бабке, но устанавливающаяся на подвижной раме;
- ведущий и ведомый центры;
- суппорт – упорный механизм для рабочей части.
Вращательный момент от двигателя к рабочей части станка может передаваться несколькими способами. Кто-то предпочитает напрямую устанавливать рабочую часть на вал двигателя – это экономит место и позволяет сэкономить на запчастях. Если же такой вариант невозможен, крутящий момент можно передавать при помощи фрикционной, ременной или цепной передачи. У каждого из этих вариантов есть свои преимущества и недостатки.
Ременная передача для электродвигателя является самой дешевой и характеризуется достаточно высоким уровнем надежности. Для ее изготовления можно использовать ремень для электродвигателя, снятый с любого другого механизма. Недостаток ременной передачи состоит в том, что со временем ремень может стираться и его придется менять тем чаще, чем интенсивнее вы работаете со станком.

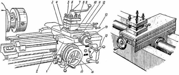
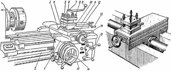
Устройство передней и задней бабки токарного станка. Передняя бабка (слева): 1 — ремень клинообразный; 2 — шкив двухступенчатый; 3 — шпиндель; 4 — подшипник шариковый. Задняя бабка (справа): 1 — корпус; 2 — центр; 3, 6 — рукоятки; 4 — пиноль; 5, 12, 14 — винты; 7 — маховик; 8 — тяга; 9, 10 — рычаги; 13 — гайка
Цепная передача стоит дороже и занимает больше места, но и прослужит значительно дольше, чем ременная. Фрикционная передача имеет промежуточные характеристики между ременной и цепной.
Полезный совет! При сборке токарного станка выбирайте тот тип передачи, который лучше всего будет соответствовать поставленным задачам. Например, для мини-токарного станка своими руками лучше подойдет установка рабочей части непосредственно на вал.
Суппорт токарного станка своими руками: чертежи, как сделать из подручных материалов
Суппорт является одной из самых важных частей самодельного токарного станка – от него зависит качество будущей детали, а также количество времени и сил, которые вы потратите на ее изготовление. Эта часть располагается на специальных салазках, которые перемещаются по направляющим, расположенным на станине. Суппорт может двигаться в трех направлениях:
- продольное – рабочая часть станка двигается вдоль заготовки. Продольное движение используется для вытачивания резьбы в детали или для снятия слоя материала с поверхности металлической заготовки;

Токарный станок по металлу, созданный своими руками
- поперечное – движение перпендикулярно оси заготовки. Используется для вытачивания углублений и отверстий;
- наклонное – движение под разными углами для вытачивания углублений на поверхности заготовки.
При изготовлении суппорта токарного станка своими руками стоит учитывать тот момент, что данная часть подвержена износу в результате возникающих во время работы вибраций. Из-за них крепления расшатываются, возникает люфт, все это влияет на качество изготавливаемой детали. Для того чтобы избежать таких неполадок, суппорт необходимо регулярно подстраивать и регулировать.
Регулировка самодельного суппорта для токарного станка своими руками осуществляется по зазорам, люфту и сальникам. Регулировка зазоров нужна в том случае, когда износился винт, отвечающий за перемещение части в продольной и поперечной плоскостях. В результате трения суппорт начинает расшатываться при нагрузках, что значительно снижает точность изготовления детали. Устранить зазоры можно путем вставки клиньев между направляющими и кареткой. Люфт детали устраняется при помощи закрепляющего винта.
Если же в вашем станке износились сальники, их следует тщательно промыть и пропитать свежим машинным маслом. В случае критического износа сальники лучше полностью заменить на новые.

Устройство суппорта: 1 — каретка суппорта; 2 — ходовой винт; 3 — поперечные салазки суппорта; 4 — поворотная часть суппорта; 5 — направляющие поворотной части; 6 — резцедержатель; 7 — винт для закрепления резцедержателя; 8 — винты для закрепления резцов; 9 — рукоятка для поворота резцедержателя; 10 — гайки; 11 — верхняя часть суппорта; 12 — поперечные направляющие каретки; 13 — рукоятка для перемещения верхней части суппорта; 14 — рукоятка для перемещения поперечных салазок; 15 — рукоятка для включения подачи суппорта от ходового винта; 16 — маховичок для продольного перемещения суппорта; 17 — фартук
Самодельный токарный станок по металлу своими руками: порядок сборки
Сборка механизма выполняется в следующем порядке:
- Из металлических балок и швеллеров собирается рама станка. Если вы собираетесь работать с большими деталями, то и материалы для сборки рамы нужно использовать с расчетом на большую нагрузку. К примеру, если планируется работать с металлическими заготовками длиной свыше 50 мм, толщина материалов для рамы должна начинаться от 3 мм для уголков и от 30 мм – для стержней.
- На швеллеры устанавливаются продольные валы с направляющими. Валы могут быть приварены при помощи сварки или закреплены болтами.
- Изготавливается передняя бабка. Для изготовления передней бабки токарного станка своими руками используется гидравлический цилиндр с толщиной стенок от 6 мм. В цилиндр необходимо запрессовать два подшипника.
- Прокладывается вал. Для этого используются подшипники с большим внутренним диаметром.
- В гидравлический цилиндр заливается смазывающая жидкость.
- Устанавливается шкив и суппорт с направляющими.
- Монтируется электропривод.
Кроме того, по чертежам токарного станка по металлу своими руками видно, что для повышения устойчивости резцового механизма изготавливается подручник, а на нижней части конструкции закрепляется тонкая полоса металла. Последняя служит для защиты рабочей части станка от деформации в процессе работы.

Устройство самодельного токарного станка для обработки металла: 1, 7 — швеллеры; 2 — ходовая труба; 3 — задняя бабка; 4 — поддон для сбора стружки; 5 — суппорт; 6 — ходовой винт; 8 — электрический двигатель; 9 — неподвижная передняя бабка; 10 — лампа в защитном колпаке-отражателе; 11 — сетчатый экран для защиты токаря от стружки; 12 — опора
Полезный совет! Токарный станок по металлу, собранный своими руками, может быть использован не только по прямому назначению, но и для шлифовки и полировки металлических деталей. Для этого к электрическому валу присоединяется шлифовальный круг.
Выбор электродвигателя для станка
Самой важной частью самодельного токарного станка по металлу, видео изготовления которого можно легко найти в интернете, является электромотор. Именно с его помощью осуществляется движение рабочей части станка. Соответственно, от мощности этого механизма зависит мощность всей конструкции. Она выбирается в зависимости от размеров металлических заготовок, с которыми вы планируете работать.
Если вы планируете работать на станке с мелкими деталями, для этого вполне подойдет мотор с мощностью до 1 кВт. Его можно снять со старой швейной машинки или любого другого подобного электроприбора. Для работы с крупными запчастями вам понадобится двигатель с мощностью в 1,5-2 кВт.
При сборке по готовым чертежам самодельного токарного станка по металлу учитывайте, что все электрические части конструкции должны быть надежно изолированы. Если у вас нет необходимого опыта работы с электрическим оборудованием, лучше обратиться за помощью по подключению к специалисту. Так вы будете уверены в безопасности работы и надежности конструкции.

Асинхронный двигатель является оптимальным вариантом для самодельного токарного станка
Изготовление токарного станка из дрели своими руками
Если вы хотите сэкономить на запчастях и значительно упростить себе задачу по сборке самодельного токарного станка, в качестве привода можно использовать обычную электрическую дрель. У такого конструктивного решения есть ряд преимуществ:
- Возможность быстрой сборки и разборки конструкции – дрель легко отсоединяется от станины и может быть использована по прямому назначению.
- Простота переноса и транспортировки станка – хороший вариант, если вам приходится работать с металлическими заготовками в гараже и на улице.
- Экономия – дрель выступает не только в качестве электродвигателя, но и избавляет от необходимости использовать передачу, а также позволяет использовать сменные насадки в качестве рабочего инструмента.
Конечно, есть и отрицательные стороны у токарного станка из дрели. Как сделать обработку с помощью данного инструмента крупных деталей возможной? Это практически неосуществимо, так как у дрели относительно небольшой крутящий момент и большое число оборотов. Конечно, можно повысить эти параметры, если все-таки установить ременную передачу и с ее помощью передавать вращающий момент от дрели на шпиндель, но это в значительной мере усложнит конструкцию, главным преимуществом которой является простота и компактность.

Схема устройства самодельного токарного станка на основе дрели: 1 — крепления к столу или верстаку; 2 — передняя опора; 3 — опора под заготовку; 4 — задняя опора
Изготовление самодельного настольного токарного станка по металлу на основе дрели имеет смысл в тех случаях, когда у вас нет необходимости в проведении масштабных работ, а вытачивать нужно только мелкие детали.
Для изготовления токарного станка по металлу на основе электродрели вам понадобятся те же детали, что и для обычной конструкции за исключением электродвигателя и передней бабки. Роль последней также выполняет дрель. Учитывая компактность конструкции, в качестве станины может использоваться обычный стол или верстак, на котором будут фиксироваться все составляющие станка. Сама дрель закрепляется в конструкции при помощи хомута и струбцины.
Полезный совет! Функциональность токарного станка на основе электродрели можно существенно расширить, если добавить к его конструкции различные насадки и дополнительные приспособления.
С помощью самодельного токарного станка можно не только вытачивать детали, но и наносить на вращающуюся заготовку краску, осуществлять намотку проволоки на трансформатор, делать на поверхности детали спиральные насечки и выполнять многие другие действия. Кроме того, если собрать для станка приставку-копир, то с ее помощью можно быстро и без особых усилий производить небольшие одинаковые детали.

Чертеж передней опоры, внутри которой закрепляется дрель
Особенности работы токарных станков по металлу своими руками, видео-инструкции как способ избежать ошибок
Как и у любого другого оборудования, у самодельных токарных станков есть свои особенности, которые необходимо учитывать при сборке и эксплуатации. К примеру, при работе с крупными деталями или при использовании мощного электродвигателя возникают сильные вибрации, которые могут привести к серьезным погрешностям при обработке детали. Чтобы избавиться от вибраций, ведущий и ведомый центры станка необходимо устанавливать на одной оси. А если планируется устанавливать только ведущий центр, к нему должен крепиться кулачковый механизм.
В настольных токарных станках своими руками по металлу не рекомендуется устанавливать коллекторный двигатель. Он склонен к самопроизвольному увеличению числа оборотов, что может привести к вылету детали. Это, в свою очередь, может привести к производственным травмам или порче имущества. Если же без установки коллекторного двигателя никак не обойтись, в комплекте с ним обязательно нужно устанавливать редуктор для понижения оборотов.
Идеальным вариантом двигателя для самодельного токарного станка является асинхронный. Он не увеличивает частоту оборотов во время работы, устойчив к большим нагрузкам и позволяет работать с металлическими заготовками с шириной до 100 мм.

Самое главное при работе на токарном станке — соблюдение техники безопасности
Правила установки и эксплуатации любого типа электродвигателя для токарного станка можно посмотреть в многочисленных видео-инструкциях в интернете. С их помощью вы не только избежите распространенных ошибок при сборке, но и сэкономите время и силы благодаря наглядности материала.
Техника безопасности при работе с самодельным токарным станком
При работе с конструкцией следует соблюдать определенные меры безопасности. Так, после сборки станка нужно осуществить проверку его работоспособности. Шпиндель должен вращаться легко и без задержек, передний и задний центры должны быть выровнены по общей оси. Центр симметрии вращающейся детали должен совпадать с осью ее вращения.
На любом видео токарного станка своими руками видно, что после монтажа электродвигателя он накрывается специальным кожухом. Последний служит не только для защиты оператора станка, но и для защиты самого мотора от попадания пыли, металлических частиц и грязи. Для станка, изготовленного на основе электродрели, такой кожух не нужен.
Полезный совет! Если вы планируете монтаж конструкции на основе мощного электродвигателя, то обязательно убедитесь в том, что для работы с ним хватает мощности вашей электросети. В домашних условиях лучше обойтись мотором от бытовой техники, который точно будет работать от напряжения в вашей розетке.

Пример токарного станка по металлу, собранного своими руками
Также следует придерживаться следующих правил безопасности:
- Рабочий инструмент обязательно должен располагаться параллельно поверхности обрабатываемой заготовки. В противном случае он может соскочить, что приведет к поломке станка.
- Если вы обрабатываете торцевые плоскости, деталь должна упираться в заднюю бабку. При этом очень важно соблюдать центровку, иначе вы рискуете получить бракованную деталь.
- Для защиты глаз от металлических стружек и частиц можно соорудить специальный щиток или просто пользоваться защитными очками.
- После работы конструкцию обязательно нужно чистить, удаляя металлические опилки и другие отходы производства. Внимательно следите за тем, чтобы мелкие части не попадали в электродвигатель.
Варианты модернизации самодельного токарного станка
Если вам нужен механизм, который сможет не только выполнять токарные работы, но и шлифовать, и красить заготовку, базовый станок можно легко модифицировать. Лучше всего делать это для конструкции на основе электродрели, так как заменить рабочую часть в ней проще всего.

Токарный станок может быть многофункциональным устройством в мастерской, с помощью которого можно выполнять различные работы, в том числе бытовые: заточку ножей, ножниц и пр.
Существует несколько популярных модификаций токарного станка по металлу. Как сделать конусообразное отверстие? Для этого к основанию необходимо прикрепить два напильника таким образом, чтобы они образовывали трапецию. После этого монтируется пружинный механизм, который обеспечивает подачу напильников вперед и под углом, что позволяет сверлить в детали конусообразные отверстия.
Кроме того, для работы с металлическими деталями разной длины можно сделать станок с разборной основой. При помощи нескольких досок или металлических уголков можно приближать или отдалять рабочий инструмент к креплениям, удерживающим деталь, а также менять размер зазора между креплениями. Удобнее всего делать такую конструкцию на основе обычного стола или верстака.
Если прикрепить к электродвигателю в качестве рабочего инструмента шлифовальный круг, при помощи станка можно заниматься не только полировкой поверхности детали, но и заточкой ножей, ножниц и других бытовых инструментов. Таким образом, токарный станок превращается в удобный многофункциональный механизм.

Создание токарного станка своими руками позволит получить оборудование, оптимально подходящее под нужды владельца
Сборка токарного станка в домашних условиях является достаточно простой задачей, которую еще больше упрощают многочисленные видео-инструкции и чертежи из интернета. При этом собрать конструкцию можно буквально из подручных частей, используя для этого старую бытовую технику и отходы монтажного и строительного производства.
Основное преимущество самостоятельной сборки – это экономия средств. Кроме того, стоит отметить возможность самостоятельно регулировать габариты и мощность устройства, чтобы приспособить его под свои нужды. Самодельный станок может быть не только большим, но и совсем миниатюрным, предназначенным для обработки мелких деталей.
psk-remont.ru
чертежи с размерами и видео
Мечта каждого самодельщика, моделиста и домашнего мастера — токарный станок. Все, кто успел совершить приватизацию социалистического имущества, сегодня имеют огромнейшие бонусы в виде токарных станков, сверлильных и прочих средств малой механизации у себя в гаражах и мастерских. Кто не смог — приходится делать станки своими руками, поскольку минимальная стоимость маленького средненького токарненького китайского устройства соответствует годовой зарплате нашего недепутата. Выход один — делать своими руками, чем сейчас мы и займемся.
Содержание:
- Настольный токарный станок, основные узлы
- Параметры, преимущества и недостатки настольного токарного станка
- Обработка на токарных станках, схемы и чертежи
- Точность и производительность самодельного станка
Настольный токарный станок, основные узлы

Мини токарный станок по металлу своими руками выполняется на основе того, что было сделано в условиях производства, но в силу тех или иных причин уже не служит по прямому предназначению. Это значит, что основные узлы и агрегаты придется брать от других устройств, совершенно к этому не приспособленных, адаптировать их и использовать всю свою смекалку.

Так, основными деталями токарно-винторезного или токарно-фрезерного станка должны быть:
- станина, прочная металлическая конструкция, обеспечивающая устойчивость и прочность всей конструкции;
- направляющие для токарного станка — настоящая головная боль самодельщика, потому что они должны иметь точность и стабильность, направляющие как продольные, так и поперечные;
- привод токарного станка;
- рабочий орган — режущая часть, система крепления и регулировки подачи резцов;
- шпиндель и задняя бабка — для крепления и удержания детали во время обработки;
- средства безопасности — защита от самопроизвольного включения, защита от стружки.

Собственно, это только основные части, которые предстоит сделать или подобрать из того, что есть под руками.

Параметры, преимущества и недостатки

Мини токарные станки по обработке металла отличаются от деревообрабатывающих станков радикально. Дело в том, что вся конструкция станины и направляющих должна выдерживать довольно большие нагрузки, которые подразумевает обработка металла резанием. При этом он должен обеспечивать точность подачи и скорость обработки, что очень важно при обработке металлов разной твердости.

Основные параметры токарного станка, который будет выполнен своими руками — линейные размеры, мощность и точность обработки. Мы сейчас не говорим о конкретном устройстве, поскольку каждый ставит задачи самостоятельно, а в представленных на странице чертежах и схемах можно найти подходящий для себя вариант. Мы говорим об идее создания инструмента в принципе и его основных параметрах.

Так, в зависимости от того, на каком расстоянии от направляющих будет находиться центр шпинделя и задней бабки, будет определяться диаметр обрабатываемой детали. Длина же обрабатываемой детали фактически зависит от степени свободы перемещения задней бабки по направляющим. То же самое и с подающим устройством, которое должно соответствовать размерам максимального диаметра обрабатываемой детали.

Но нужно быть готовым к тому, что самодельный токарный станок не сможет обеспечить высокую точность обработки и высокую скорость. Это будет устройство для выполнения деталей с невысоким классом точности. От чего это зависит, разберемся дальше.

Обработка на токарных станках, схемы и чертежи

Вкратце о системе управления можно сказать, что если позволяют знания и навыки в инженерном радиомоделировании, всегда можно сделать простейший токарно-винторезный или токарно-фрезерный станок с числовым программным управлением. Станки токарные с ЧПУ позволяют автоматизировать однотипную работу и они нужны в том случае, если мастеру приходится делать большое количество одинаковых заготовок по шаблону.

В основной массе, настольные станки предназначены для выполнения разовых работ, поэтому применение сложных систем программирования едва ли оправдано на станках с низкой степенью точности.
Точность и производительность самодельного устройства

В том случае, если стоит задача по созданию станка для обработки металлов резанием с высокой степенью точности, нужно особое внимание уделять направляющим и станине. Многие выполняют конструктивные элементы из дерева, это веселое бюджетное решение, но он не обеспечит нужной точности просто потому, что материал станины и направляющих должен быть тверже, чем обрабатываемая деталь.

Поэтому все станины и направляющие для токарных станков по металлу выполняются только из металла. Желательно использовать заводские направляющие, но если такой возможности нет, что бывает чаще всего, тогда приходится использовать металлопрокат, как в том примере, который мы привели из древнего английского журнала.То есть все детали, которые отвечают за точность и прочность, должен быть выполнены в условиях производства, как например этот вариант, где в качестве центрирующих элементов использованы автомобильные шатуны.

Выполнение токарного станка по металлу — работа творческая и неспешная. Нужно сто раз продумать все детали, начертить пару десятков чертежей и только потом приступать к изготовлению станка в металле. Но в любом случае прямые руки и смекалка приведут к успешному созданию практичного и функционального токарного станка. Успехов на ниве малого машиностроения!
Читайте также Электролобзики – обзор, цены
nashprorab.com
Как сделать самодельный токарный станок по металлу
Станок токарный предназначается для того, чтобы изготавливать и обрабатывать изделия из металла. Профессиональные аппараты довольно дороги. Сэкономить возможно, если сделать самодельный токарный станок по металлу. Осуществляется это различными методами.
Конструктивные особенности
Всякий токарный станок по металлу заключает в себе такие компоненты:
- привод – ключевой узел станка, от которого зависит мощность оборудования. Выбрать мотор достаточно сложно. В маленьких устройствах возможно применять движок от обыкновенной стиральной машинки, электродрели. Минимальная мощность привода должна составлять 200 Вт, число об/мин – 1500,
- станина – несущая рама устройства. Ее можно изготовить из брусков дерева, уголков из стали. Станина для токарного станка должна быть прочной. В противном случае устройство сломается из-за вибрационного воздействия,
- задняя бабка – материалом изготовления служит пластинка из стали, к которой приварен металлический уголок. Пластинка упирается в направляющие несущей рамы. Она предназначается для того, чтобы фиксировать заготовки из металла при обрабатывании,
- передняя бабка – аналогична задней, однако устанавливается на перемещающейся раме,
ведущий, ведомый центр, - суппорт – элемент упора для рабочей части.
Момент вращения от привода к рабочей части сообщается разными методами. Кто-то монтирует ее на приводной вал. Это делается для экономии пространства и денежных средств. Также момент вращения возможно сообщать посредством фрикционной/ременной/цепной передачи. У любого из данных способов имеются собственные минусы и плюсы.
| Хотите возобновить треснувшие раскатные конусы? Попробуйте проверенную технологию высокопрочной наплавки! В короткие сроки, долговечно, качественно. Подробности по телефону 7(343) 302-10-26. |
Ременная передача для электропривода стоит дешевле всего, весьма надежна. Чтобы изготовить ее, примените ремень, который снят с иного агрегата. Минус подобной передачи заключается в том, что ремень постепенно изнашивается. Частота его замены зависит от интенсивности эксплуатации.
Цепная передача имеет более высокую цену, больше по размеру, однако располагает длительным эксплуатационным периодом. Фрикционная передача – средний вариант между цепной и ременной.
Собирая своими руками токарный станок, используйте ту передачу, которая считается подходящей для решения ваших задач. К примеру, в мини-токарном станке рабочую часть желательно монтировать прямо на вал.
Создание суппорта
Суппорт считается важнейшим элементом токарного станка. От него зависимо качество изготавливаемого изделия, количество сил и времени, которое вы затратите на его производство. Суппорт находится на особых салазках, перемещающихся по направляющим, которые установлены на несущей раме. Перемещение выполняется в 3 стороны:
- продольно. Рабочая часть устройства перемещается по длине детали. Данное движение применяется, чтобы вытачивать резьбу в изделиях, снимать металлический слой с детали,
- поперечно. Рабочая часть передвигается под углом в девяносто градусов относительно оси детали. Применяется, чтобы вытачивать канавки, отверстия,
- наклонно. Передвижение осуществляется под различными углами. Используется, чтобы вытачивать канавки на поверхности заготовки.
Изготавливая суппорт самодельного токарного станка по металлу своими руками, нужно помнить, что он подвергается изнашиванию из-за вибрационного воздействия. Крепежные элементы расшатываются, появляется люфт. Качество производимых изделий ухудшается. Чтобы предотвратить это, нужно время от времени выполнять настройку суппорта.
Настраивать суппорт необходимо по промежуткам, люфту, сальникам. Убрать промежутки возможно, вставляя клинья промеж направляющих и каретки. Люфт заготовки устраняется специальным винтом.
Если в устройстве изношены сальники, их нужно хорошо помыть, смазать масляной жидкостью. При сильном изнашивании целесообразно поменять сальники на другие.
Как собрать устройство
Чтобы собрать токарный станок по металлу своими руками, нужно выполнить следующие действия:
- Сборка станочной рамы из балок, швеллерных элементов. Если вы намереваетесь осуществлять обрабатывание крупных заготовок, используйте материалы, способные выдержать значительную нагрузку. Например, если вы желаете обрабатывать детали из металла, имеющие длину больше 5 см, толщина материалов для рамы должна составлять минимум 0,3 см для уголков и 3 см для стержней.
- Установка продольных валов с направляющими на швеллерные элементы. Присоединение валов осуществляется посредством сварочного аппарата либо болтов.
- Изготовление передней бабки. Для этого применяется гидравлический цилиндр с толщиной стенок минимум 0,6 см. В него требуется запрессовать пару подшипников.
- Прокладывание вала. Применяются подшипники большого внутреннего диаметра.
- Заливка смазки в гидравлический цилиндр.
- Установка шкива и суппорта с направляющими.
- Монтаж электрического привода.

Если посмотреть на чертежи токарного станка, можно заметить, что для увеличения устойчивости держателя резца применяется подручник, внизу агрегата фиксируется тоненькая металлическая полоска. Она предназначается для того, чтобы защищать рабочую часть устройства от деформирования при обрабатывании заготовки.
Как выбрать электропривод
Самым значимым элементом сделанного своими руками токарного станка считается электропривод. Благодаря ему двигается рабочая часть устройства. Следовательно, чем выше мощность привода, тем больше мощность всего станка. Выбирать движок необходимо, учитывая величину деталей из металла, которые вы намереваетесь обрабатывать.
Для обработки небольших заготовок оптимально использовать привод мощностью 1 кВт. Его возможно снять с ненужной швейной машинки. Для обрабатывания крупных деталей необходим движок мощностью 1,5 кВт.
Если вы используете схемы, собирая станок токарный по металлу своими руками, помните, что все электрические элементы должны иметь надежную изоляцию. Если вы не умеете обращаться с электричеством, обратитесь к профессионалу. Так вы точно не получите травму.
Как создать станок из дрели
Если вы желаете сэкономить и облегчить сборку станка, примените вместо движка обыкновенную электродрель. Так вы сможете:
- быстро собирать и разбирать токарный станок своими руками. Электродрель легко демонтируется со станины, может быть применена для сверления отверстий,
- без труда транспортировать устройство. Особенно это актуально для тех, кто обрабатывает детали в гаражном помещении, на улице,
- сэкономить деньги. Электродрель позволяет не задействовать передачу, применять заменяемые насадки в качестве рабочего инструмента.
Разумеется, данный аппарат обладает определенными минусами. Как сделать токарный станок по металлу на базе дрели, чтобы можно было обрабатывать большие заготовки? Ответ – практически никак. У электродрели довольно маленький момент кручения, большое количество оборотов. Возможно изменить данные показатели, если монтировать ременную передачу. Однако конструкция станет намного сложнее. Станок потеряет свое ключевое достоинство.
Изготавливать токарный станок на базе электрической дрели рекомендуется тем, кто намеревается обрабатывать только маленькие заготовки. Для создания устройства понадобится все то же, что и для обыкновенного станка, кроме привода и передней бабки. Несущей рамой может выступать обыкновенный стол, верстак. Электродрель фиксируется посредством хомута, струбцины.
Используя станок, в который установлен самодельный токарный патрон, возможно осуществлять вытачивание заготовок, их окрашивание, наматывание проволоки на трансформаторное устройство, создание спиральных насечек.
Особенности функционирования
Как и у всякого иного оснащения, у токарных/фрезерных станков своими руками имеются собственные особенности. Их нужно принимать во внимание, собирая и эксплуатируя устройство. Например, при обработке больших заготовок либо при применении мощного электромотора проявляется значительное вибрационное воздействие. Оно может довести до возникновения неточностей. Для того чтобы предотвратить это, ведущий и ведомый центры устройства нужно монтировать на одинаковой оси. Если вы намереваетесь монтировать лишь ведущий центр, прикрепите к нему кулачковый агрегат.
В собственноручно сделанные аппараты нежелательно ставить коллекторный движок. Он может самопроизвольно увеличивать количество оборотов. Это доводит до того, что заготовка вылетает, случаются различные травмы, портится оснащение. Если вы все же установили подобный движок, не забудьте монтировать вместе с ним редуктор, понижающий обороты.
Наилучшим мотором считается асинхронный. Он не повышает количество оборотов при обрабатывании заготовки, стоек к высоким нагрузкам, дает возможность обрабатывать изделия из металла шириной до дециметра.
Техника безопасности
Эксплуатируя самодельное устройство, соблюдайте такие правила:
- Резец должен быть параллелен поверхности детали, которая обрабатывается, иначе станок сломается из-за соскакивания инструмента.
- При обработке торцов заготовка должна упираться в заднюю бабку.
- Используйте особый щиток либо очки для того, чтобы защитить органы зрения от летящей во все стороны стружки металла.
- После окончания обработки станок необходимо очищать, убирая стружку металла и иной производственный мусор. Не допускайте попадания мелких частичек в электрический движок самодельного токарного станка для обработки металлических заготовок.
shop.deloproltd.ru
Токарный станок по металлу своими руками
У тех мужчин, которые любят мастерить что-то своими руками, со временем возникает желание сделать для своих нужд токарный станок по металлу своими руками. По словам обладателей такого станка, работа на нем приносит радость превращения бесформенных заготовок в изящную точеную вещь, созданную самостоятельно. Однако готовый станок — вещь дорогая, поэтому мы решили рассказать, как же изготовить это оборудование самому.
Для чего токарный станок предназначен
Среди различных станков для обработки металла, токарный был среди первых, которые могли обрабатывать любой материал, металл, пластик или дерево. Данный станок позволяет получить детали различной формы, у которых обработана наружная поверхность, выполнена сверловка отверстий или расточка, нарезана резьба или сделана накатка рифленой поверхности.

Существует много моделей токарных станков, которые выпускают производители оборудования для разных целей. Но промышленные станки, в большинстве случаев, дорогие, отличаются большими габаритами и массой и чересчур сложны, чтобы использовать их в домашних условиях. Отличным альтернативным решением станет собрать токарный станок по металлу своими руками, этот механизм будет небольшим, простым в управлении и позволит быстро делать небольшие детали из металла или дерева.
http://www.youtube.com/watch?v=jxl87wADX0E
Токарный станок дает возможность изготовить колеса, оси и другие детали с круглым сечением. Для домашнего мастера иметь в своем арсенале станок для токарных работ по дереву очень удобно. На нем можно выточить рукоятки для инструментов, различные детали для ремонта мебели, держаки для лопат или грабель. Развиваться можно постепенно, от простых деталей, накапливать опыт, постепенно научиться вытачивать элементы фигурной мебели или детали для изящных парусников.
В токарном станке заготовка фиксируется в горизонтальном положении и станок вращает ее с большой скоростью, далее, двигающийся резец снимает излишки материала, чтобы получить деталь. Хотя сам принцип действия токарного станка кажется простым, чтобы обеспечить надежную работу потребуется точная, согласованная работа множества деталей, составляющих механизм станка.
История появления токарных станков
Первые устройства (довольно простой конструкции) для обработки заготовок из камня или дерева и получения деталей цилиндрической формы появились в Древнем Египте. В дальнейшем конструкция станков усложнялась в течение длительного пути совершенствования, который привел к появлению современного точного и высокопроизводительного токарного оборудования.
Начало производства токарных станков (промышленного и самостоятельного) положило изобретение в 18 веке токарного станка, в котором использовался механически перемещаемый суппорт. Эта конструкция была разработана в России, талантливым механиком и изобретателем Андреем Нартовым. В его станке рейки, шкивы, винты, зубчатые колеса и другие детали были сделаны из металла. Но, как и до этого, станок приводился в движение с помощью маховика, раскручиваемого человеком.

Когда в конце XVIII столетия были изобретены паровая машина, следом, в 19-м, двигатель внутреннего сгорания, а впоследствии и электродвигатель, ручной привод в станках заменили на механический. От одного общего двигателя с помощью вала трансмиссии осуществлялась передача движения к токарным станкам. Сам вал крепили на стене цеха или под потолком, а каждый станок в движение приводился посредством ременной передачи.
В начале прошлого века токарные станки стали индивидуально оборудовать экономичными электродвигателями. Для массового производства стали нужны токарные станки, обеспечивающие высококачественную обработку деталей и высокую производительность производства. Этот спрос стимулировал совершенствование конструкции станков.
Развитие конструкции станков для токарных работ привело к появлению в них ступенчато-шкивного привода, который позволял регулировать количество оборотов шпинделя.Сам шпиндель и ходовой винт стали соединять посредством гитары из зубчатых колес, которую позднее дополнила коробка передач. Следующим усовершенствованием стало разделение передачи движения на суппорт от валика (большинство токарных операций) и ходового винта (нарезка резьбы). Также список новшеств пополнил модернизированный механизм фартука.

Появление быстрорежущей стали ускорило процесс совершенствования токарных станков. Благодаря новой стали, в пять раз возросла скорость резки (если сравнивать, с какой скоростью обрабатывается обычная углеродистая сталь). С целью увеличения разновидностей подач и наращивания числа оборотов в токарных станках подшипники вращения пришли на смену подшипникам качения, а коробка передач в станке еще более усложнилась. Также, поняв важность этого вопроса, инженеры разработали автоматическую смазку деталей станка.
Токарный станок по металлу своими руками: основные узлы
Конструкция самодельного простого токарного станка, позволяющего обрабатывать заготовки состоит из таких деталей: рама, ведущий и ведомый центры, задняя и передняя бабки, упор для резца и электропривод.
Роль рамы — быть опорой для всех элементов и станиной оборудования. Передняя бабка неподвижна и играет роль основы для размещения базового узла вращения.
Передняя рама содержит передаточный механизм, связывающий ведущий центр с электродвигателем. Через ведущий центр заготовка приводится во вращение. Задняя бабка может двигаться параллельно продольной оси рамы. В соответствии с длиной будущей детали, устанавливают заднюю бабку так, чтобы прочно закрепить в ведомом центре конец обрабатываемой заготовки.
Для токарного станка подойдет любой привод но важный параметр: мощность 800- 1500 Вт. Дело в том, что только проблему низких оборотов еще можно решить с помощью передаточного механизма, а мощность двигателя остается одна и та же.
Хотя любой электродвигатель даже 200-ваттный может использоваться в самодельном токарном станке, надо учитывать, что при обработке крупных заготовок слабый двигатель может перегреться и произойдет остановка станка. Как правило, вращение передается с использованием ременной передачи, реже применяется фрикционная передача или цепная.
Для настольного станка иногда применяется конструкция без передаточной системы, патрон и ведущий центр крепятся непосредственно на вал электродвигателя.
Ведомый центр обязательно должен быть с ведущим центром размещен на одной оси, нарушение этого правила приведет к вибрации заготовки.
Условия, обязательные к выполнению: надежная фиксация, точная центровка и стабильное вращение. В станках лобовых заготовка фиксируется с помощью кулачкового патрона, либо планшайбой, в таких станках используется один ведущий центр.
Хотя рама может быть сделана из деревянного бруска, обычно ее собирают из стальных уголков или профилей. Рама должна обеспечить жесткое крепление ведомого и ведущего центров, при проектировании рамы должно быть обеспечено свободное перемещение бабки вдоль продольной оси станка, а также упора для резца.

После того, как все детали вашего самодельного станка установлены в правильном положении, нужно их жестко зафиксировать. Назначение станка, размер и тип заготовок, которые планируется обрабатывать, определяет форму элементов станка и итоговые габариты установки. Кроме этого от предполагаемой работы зависит тип и мощность электродвигателя, который должен создать достаточное усилие, которое будет вращать деталь. Параметры двигателя должны быть подходящими для ожидаемой нагрузки.
Самыми неподходящими для токарного станка являются коллекторные двигатели, для которых характерно увеличение количества оборотов при падении нагрузки. А в этом случае огромная центробежная сила может привести к вылету зафиксированной заготовки, а это очень опасно для того, кто находится рядом со станком.
Впрочем, если вы будете точить небольшие легкие детали, то переживать не стоит, а чтобы заготовка не могла бесконтрольно разогнаться, следует использовать редуктор для электромоторов такого типа.
При работе с заготовками длиной 0.7 метра и диаметром 10 сантиметров, рекомендованный тип двигателя — асинхронный, а мощность: 800 Вт. Для электропривода данного типа характерно стабильность частоты вращения вала, когда есть нагрузка, а при исчезновении нагрузки и заготовке большой массы не происходит запредельного увеличения частоты вращения.
Следует учитывать, что в построенных самостоятельно токарных станках всегда присутствует усилие, направление которого — вдоль вала. Если не использовать ременную передачу, это станет причиной быстрого разрушения подшипников электродвигателя, рассчитанных только на перпендикулярную нагрузку.

Так что, если вал двигателя непосредственно соединен с ведущим центром станка, подшипники электродвигателя будут постоянно находиться под нагрузкой, на которую не рассчитаны. Можно попробовать компенсировать эту продольную нагрузку, сделав в станке с обратной стороны упор вала двигателя (или, в некоторых конструкциях электродвигателя, нужно в задней его части установить между торцом вала и корпусом шарик — импровизированный подшипник).
Ведомый центр находится в задней бабке станка и может быть неподвижным или вращающимся. Неподвижный центр делают из самого обычного болта, у которого конец резьбы заточен под конус. В отверстии в бабке нарезана внутренняя резьба и, вращая заостренный болт, можно фиксировать заготовку между центрами.
У этого болта ход рассчитан на 2-3 сантиметра, а большие расстояния устанавливаются смещением задней бабки по оси станка. Ведомый центр в виде заостренного и отшлифованного болта следует смазать маслом (машинным)непосредственно перед началом работы. Это позволит избежать задымления заготовки.
Как сделать самодельный токарный станок по металлу
Любой умелец может построить токарный станок своими силами. Хоть он и самодельный, такой станок надежен и прост в использовании. Владелец токарного оборудования сможет протачивать или вытачивать новые детали, обтачивать изделия из металла, выполнять работы с деревом или пластмассой, изготовлять детали для ремонта машины, для своего быта или делать сувениры из дерева.
В домашних условиях вы вполне сможете самостоятельно изготовить лобовой токарный станок. Он простой в использовании и обладает достаточно разнообразными функциями. Благодаря легкости замены деталей срок службы такого домашнего оборудования очень велик.
Выпилите две деревянные стоики и закрепите в них с помощью гаек болты, отверстия для болтов должны быть нужного диаметра, как и резьба гаек.
http://www.youtube.com/watch?v=vfhF6wVL8-g
Для устойчивости стамески или резца при работе станка, для них делают подручник. Он изготавливается из двух дощечек, соединенных винтами или склеенных. Нижняя дощечка должна быть со скошенным углом и металлической полоской, защищающей стамеску от деформации во время движения, а в горизонтальной дощечке делают прорезь для контроля и управления движением подручника.

Теперь остается привинтить заготовку гайками, обеспечив надежность ее крепления и свободу движения, и ваш настольный токарный станок готов к использованию. Заготовку следует обрабатывать, вращая в обе стороны, для того чтобы получить наилучшую форму детали.
Если у вас нет в наличии электродвигателя небольшой мощности (примерно, 250- 500 Вт) то для самодельного станка можно купить недорогой электромотор, бывший в употреблении, например, вполне подойдет двигатель от швейной машинки. Также, самый компактный токарный станок можно сделать на основе электродрели или шлифмашины.
Бабки, переднюю и заднюю не сложно изготовить самостоятельно, а если что-то непонятно, можно подсмотреть на фотографиях самодельных станков. А раму, кроме деревянного бруска можно сделать из швеллера, уголка или другого сортового металла.
В быту такой токарный станок незаменим. Если на выступающий участок вала электродвигателя насадить абразивный или шлифовальный круг, то на подобном станке, кроме точения деталей, можно будет выполнять заточку инструмента, а также шлифовку или полировку поверхностей. А если закрепить навалу переходник и сверлильный патрон, то ваш станок можно будет использовать для фрезеровки пазов или сверловки отверстий в деталях.

Таким образом, сделав токарный станок по металлу своими руками, вы получите универсального помощника в домашнем хозяйстве. Многообразие способов применения такого станка подталкивает попробовать свои силы. Изготовленные самостоятельно, небольшие токарные станки отлично выполняют задачи домашнего масштаба по точению деталей или их шлифовке.
sdelaj-sam.com
ТОКАРНЫЙ СТАНОК ПО МЕТАЛЛУ своими руками [устройство, чертежи]
[Токарный станок по металлу], изготовленный своими руками, станет хорошей альтернативой профессиональному дорогостоящему станку, если вы любите работать с металлом, но не хотите дорого платить за это удовольствие.
Сделать простой самодельный токарный мини-станок под силу практически каждому, у кого есть хотя бы минимальный опыт в строительстве и ремонте, а покупка элементов для его создания не отнимет у вас много средств, более того, некоторые детали вы наверняка сможете найти в своем собственном гараже.
В статье мы разберем назначение токарного станка, а также расскажем, как сделать токарный станок без помощи специалистов и что для этого понадобится (резцедержатель, патрон, суппорт и т.д.), а чертежи и фото помогут вам в этом и сделают работу легче и быстрее.
Назначение токарного станка
Основное предназначение токарного устройства ЧПУ – обрабатывать металл и преобразовывать заготовки в нужные вам изделия.
Впрочем, работать самодельный токарный мини-станок сможет не только с металлическими объектами, но также поможет обрабатывать дерево и пластик.
Из этих материалов вы сможете сделать изделия нужной вам формы, благодаря возможности обработки внешней поверхности, создания отверстий, либо расточек и резьбы, или накатать поверхность с рифлением.
Видео:
Токарный станок необязательно собирать самостоятельно – его можно купить, учитывая, что производители делают аппараты с ЧПУ для различных целей.
Однако минус профессиональных станков в том, что они слишком большие и тяжелые, поэтому работать с ними в частной мастерской или гараже не очень удобно, а также сложны в работе – имеют слишком много функций.
Гораздо лучше будет создать токарно-фрезерный станок своими руками.
Домашние станки с ЧПУ обычно отличаются небольшими габаритами, простотой работы и возможностью быстро создавать металлические и деревянные мини-детали, или объекты среднего размера.
На подобном устройстве можно делать детали разной формы, например, вы сможете собрать колесо, ось или другие подобные изделия, имеющие круглое сечение.
Лучше всего, чтобы инструмент мог справляться с обработкой не только металлических, но и деревянных объектов – так вам будет удобно делать ручки для грабель, лопат и других инструментов, испортившиеся детали деревянной мебели, а в будущем, может быть, и саму мебель.
В любом случае, для тех, кто часто занимается ремонтом и созданием деталей самостоятельно, то возможность работать с деревом может быть вам полезна.
На аппарате деталь нужно закрепить горизонтально, и устройство будет вращать ее на высокой скорости, после чего вращающийся резец удаляет лишний материал, и, таким образом, получается конечная деталь.
В принципе работы и механизме токарного станка, кажущегося простым, для правильной работы требуется точная работа разнообразных деталей, которые создают механизм станка.
Обработка деталей на токарном станке происходит следующим образом: деталь фиксируется в устройстве, а затем запускается вращающийся с большой скоростью механизм, благодаря которому деталь быстро крутится, и с помощью резца с нее снимается ненужный материал и она приобретает нужную форму.
За фиксацию детали отвечают патрон, суппорт и вращающийся механизм.
Устройство токарного станка и способ его работы довольно просты, однако важно знать, как собрать самодельный токарный аппарат по металлу правильно с соблюдением всех нюансов, иначе система просто не будет работать.
Работа с основными узлами станка
Токарный станок своими руками работает благодаря множеству элементов: он включает раму, суппорт, центр (ведущий и ведомый), бабку, а также электрический привод и упор под резец.
Рама в инструменте нужна для опоры – именно на ней располагаются все остальные элементы, а также станина. Бабка, расположенная спереди, всегда находится в неподвижном положении и нужна для основы, на которой размещен базовый узел вращения.

На переднюю раму устанавливается механизм для передачи, который соединяет главный центр и электродвигатель.
Главный центр отвечает за приведение заготовки в движение и, таким образом, за качество обработки детали. Бабка сзади работает параллельно к оси рамы, расположенной продольно.
Центр и бабка должны быть плотно соединены, исходя из длины изделия. Бабка устанавливается таким образом, чтобы конец детали и ведомый центр были соединены, а сама деталь устанавливается в патрон.
Для работы вам понадобится привод.
Для самодельного мини-станка можно установить практически любой, но минимальная мощность устройства с ЧПУ должна быть не менее 800 Вт, а оптимальная – 800-1500 Вт, тогда станок будет работать без перебоя.
Справиться с низкими оборотами получится, благодаря использованию передаточного механизма, тогда скорость работы двигателя не изменится и будет аналогична.
Не стоит выбирать слишком мощный двигатель, например, 2000-ватный, т.к. он может испортить станок, приведя его к перегреву. В основном на станках ЧПУ такого типа используют ременную передачу, иногда она может быть фрикционной или цепной.
В некоторых настольных станках можно встретить конструкции, где передаточная система отсутствует, в этом случае патрон и главный центр закрепляются в сам вал электрического двигателя.
Видео:
Главный центр и дополнительный центр должны располагаться на одинаковой оси, т.к. в ином случае заготовка, вставленная в патрон, будет вибрировать.
Делая станок, важнее всего соблюсти четыре условия: правильно определить центр, поставить суппорт, надежно зафиксировать детали в патрон и обеспечить ее быстрое и бесперебойное вращение – в этом случае система будет работать как надо.
Для самодельных лобовых мини-станков чаще всего используют для фиксации детали кулачковый патрон или планшайбу. Кроме того, центр в таких устройствах только один, в отличие от профессиональных моделей.
Раму для изделия лучше всего сделать с помощью стальных уголков, а не деревянного бруса, тогда система будет более устойчивой и надежной и прослужит вам дольше.
Именно рама позволяет качественно зафиксировать центр, что напрямую влияет на правильность работы аппарата.
Поэтому, занимаясь проектированием рамы, пользуйтесь профессиональным чертежом и учитывайте, что бабке должно быть обеспечено свободное вращение вдоль продольной оси устройства ЧПУ и суппорт должен стоять ровно.
После того как вы собрали воедино все детали станка: патрон, суппорт, центр, бабку, раму и т.д., нужно зафиксировать их так, чтобы они не болтались и не двигались.
Форма деталей станка зависит от ваших целей: какие детали и материалы вы собираетесь обрабатывать на станке, каков их размер и т.д.
От этих же параметров зависит и выбор мощности электродвигателя, поэтому, прежде чем покупать суппорт и другие необходимые детали, определитесь с тем, каким вы хотите видеть конечный вариант станка – это очень поможет вам в работе.
Как уже говорилось, для станка ЧПУ подойдет практически любой двигатель, т.к. он не требует большой мощности, однако избегайте покупать коллекторные модели, т.к. они увеличивают количество оборотов в случае, если нагрузка падает.
Это может привести к тому, что заготовка просто вылетит – в этом случае она не только испортится сама, но и может покалечить того, кто находится рядом со станком. Также не стоит покупать слишком мощные двигатели, т.к. они могут вывести систему из строя.
Создание токарного станка
Самостоятельно проще всего сделать лобовую модель токарного станка. Этим оборудованием легко пользоваться и оно имеет все необходимые функции и способно работать как с металлическими, так и с деревянными изделиями.
Благодаря тому, что тип устройства оборудования простой, и никаких специфических деталей для него не потребуется, срок службы такого станка будет внушительным, благодаря тому, что вышедшие из строя детали можно заменить в любой момент.
Видео:
Начинается работа с выпиливания двух деревянных стоек, в которых нужно проделать отверстия для болтов и вставить туда болты, пользуясь гайками.
Начиная работу, проследите, чтобы диаметр отверстий и гаек совпадал. Прежде чем начинать делать станок, посмотрите видео – так вам легче будет работать.
Чтобы стамеска или резец при работе оборудования были устойчивы, вам нужен будет резцедержатель или, по-другому, подручник.
Резцедержатель можно сделать с помощью двух досок, которые нужно склеить, либо соединить друг с другом с помощью винтов.
Резцедержатель является необходимым для комфортного изготовления станка собственноручно. Дощечка, находящаяся снизу, должна иметь скошенный угол и полосу из металла, которая сможет предотвратить деформацию стамески во время работы станка.
Горизонтальная дощечка должна быть оборудована прорезью, которая позволит контролировать и управлять движением подручника.
Следующий этап работы – закрепить саму заготовку с помощью гаек, чтобы она была надежно закреплена, но в то же время могла свободно двигаться – после этого можно считать настольный станок готовым к использованию.
Не забудьте повторить все процессы его создания по видео, чтобы убедиться, что вы все сделали правильно.
Видео:
Обработка заготовки происходит путем вращения в две стороны, что позволяет придать детали нужную форму. Такой простой способ обработки на самом деле дает хороший результат и позволяет получить разнообразные детали очень высокого качества.
Для работы вам понадобится электродвигатель с минимальной мощностью (около 250-500 Вт), однако, если у вас его нет, то для станка можно приобрести электромотор любого вида, например, принадлежавший ранее швейной машинке.
Благодаря тому, что мощность для станка требуется минимальная, вы можете использовать оборудование практически от любого устройства ЧПУ.
Самый простой настольный станок ЧПУ можно сделать с помощью электродрели или шлифовальной машины, которая будет основной оборудования.
Чтобы сделать токарный станок из дрели, необходима определенная последовательность действий. Передняя, задняя части и бабка легко изготавливаются самостоятельно. Как делается бабка, передняя и задняя часть станка и суппорт вы можете посмотреть на видео – оно сделает все процессы простыми и понятным.
Для рамы, чтобы изготовить токарный станок из дрели, можно использовать швеллер или деревянный брусок, а также уголок или любой другой сортовой металл.
Самодельный токарный станок по металлу может быть использован не только для того, чтобы обрабатывать детали.
Вы можете насадить на одну из мини-частей, составляющих вал электродвигателя, круг для шлифования и затачивать на нем инструменты, либо шлифовать и полировать поверхности.

Также можно установить на вал патрон для сверления или переходник, и тогда самодельный токарный станок станет пригодным для процесса фрезеровки пазов, либо создания сверловых отверстий в теле изделий из металла и дерева.
Самое важное – правильно собрать сам станок, его центр, а потом уже добавлять к нему новые части, по мере того, как вы начнете осваивать этот инструмент и научитесь с ним работать.
Фото и видео помогут вам не только сделать самодельный токарный станок, но и в его эксплуатации, поэтому пользуйтесь ими и инструкциями, прежде чем начнете заниматься на станке обработкой деталей.
rezhemmetall.ru
Самодельный токарный станок по металлу своими руками: изготовление и эксплуатация
Токарный станок нужен для изготовления и обработки металлических деталей. Профессиональное оборудование стоит довольно дорого, поэтому в целях экономии можно изготовить самодельный токарный станок по металлу своими руками. Сделать это можно несколькими способами, а чертежи подобного изделия легко находятся в интернете. Использовать для изготовления можно подручные материалы, размер же станка может быть любым.

Профессиональный токарный станок имеет высокую стоимость, поэтому имеет смысл изготовить подобное устройство самостоятельно
Составляющие мини-токарного станка по металлу своими руками
Любой самодельный токарный станок состоит из следующих элементов:
- привод – основная часть механизма, которая отвечает за его мощность. Выбор привода необходимой мощности является одной из самых сложных задач. В небольших токарных станках по металлу своими руками можно использовать привод от обычной стиральной машины или дрели. Обычно, мощность этого элемента начинается от 200 Вт, а количество оборотов в минуту – от 1500;
- станина – несущая рама конструкции, которая может быть изготовлена из деревянных брусков или стального уголка. Станина должна характеризоваться высокой прочностью, иначе вся конструкция может развалиться от вибраций во время работы;

Проекция и основные узлы токарного станка по металлу
- задняя бабка – изготавливается из стальной пластины и привариваемого к ней стального уголка. Пластина упирается в направляющие станины, а основным назначением задней бабки токарного станка своими руками является фиксация металлической детали при обработке;
- передняя бабка – часть, аналогичная задней бабке, но устанавливающаяся на подвижной раме;
- ведущий и ведомый центры;
- суппорт – упорный механизм для рабочей части.
Вращательный момент от двигателя к рабочей части станка может передаваться несколькими способами. Кто-то предпочитает напрямую устанавливать рабочую часть на вал двигателя – это экономит место и позволяет сэкономить на запчастях. Если же такой вариант невозможен, крутящий момент можно передавать при помощи фрикционной, ременной или цепной передачи. У каждого из этих вариантов есть свои преимущества и недостатки.
Ременная передача для электродвигателя является самой дешевой и характеризуется достаточно высоким уровнем надежности. Для ее изготовления можно использовать ремень для электродвигателя, снятый с любого другого механизма. Недостаток ременной передачи состоит в том, что со временем ремень может стираться и его придется менять тем чаще, чем интенсивнее вы работаете со станком.

Устройство передней и задней бабки токарного станка. Передняя бабка (слева): 1 — ремень клинообразный; 2 — шкив двухступенчатый; 3 — шпиндель; 4 — подшипник шариковый. Задняя бабка (справа): 1 — корпус; 2 — центр; 3, 6 — рукоятки; 4 — пиноль; 5, 12, 14 — винты; 7 — маховик; 8 — тяга; 9, 10 — рычаги; 13 — гайка
Цепная передача стоит дороже и занимает больше места, но и прослужит значительно дольше, чем ременная. Фрикционная передача имеет промежуточные характеристики между ременной и цепной.
Полезный совет! При сборке токарного станка выбирайте тот тип передачи, который лучше всего будет соответствовать поставленным задачам. Например, для мини-токарного станка своими руками лучше подойдет установка рабочей части непосредственно на вал.
Суппорт токарного станка своими руками: чертежи, как сделать из подручных материалов
Суппорт является одной из самых важных частей самодельного токарного станка – от него зависит качество будущей детали, а также количество времени и сил, которые вы потратите на ее изготовление. Эта часть располагается на специальных салазках, которые перемещаются по направляющим, расположенным на станине. Суппорт может двигаться в трех направлениях:
- продольное – рабочая часть станка двигается вдоль заготовки. Продольное движение используется для вытачивания резьбы в детали или для снятия слоя материала с поверхности металлической заготовки;

Токарный станок по металлу, созданный своими руками
- поперечное – движение перпендикулярно оси заготовки. Используется для вытачивания углублений и отверстий;
- наклонное – движение под разными углами для вытачивания углублений на поверхности заготовки.
При изготовлении суппорта токарного станка своими руками стоит учитывать тот момент, что данная часть подвержена износу в результате возникающих во время работы вибраций. Из-за них крепления расшатываются, возникает люфт, все это влияет на качество изготавливаемой детали. Для того чтобы избежать таких неполадок, суппорт необходимо регулярно подстраивать и регулировать.
Регулировка самодельного суппорта для токарного станка своими руками осуществляется по зазорам, люфту и сальникам. Регулировка зазоров нужна в том случае, когда износился винт, отвечающий за перемещение части в продольной и поперечной плоскостях. В результате трения суппорт начинает расшатываться при нагрузках, что значительно снижает точность изготовления детали. Устранить зазоры можно путем вставки клиньев между направляющими и кареткой. Люфт детали устраняется при помощи закрепляющего винта.
Если же в вашем станке износились сальники, их следует тщательно промыть и пропитать свежим машинным маслом. В случае критического износа сальники лучше полностью заменить на новые.

Устройство суппорта: 1 — каретка суппорта; 2 — ходовой винт; 3 — поперечные салазки суппорта; 4 — поворотная часть суппорта; 5 — направляющие поворотной части; 6 — резцедержатель; 7 — винт для закрепления резцедержателя; 8 — винты для закрепления резцов; 9 — рукоятка для поворота резцедержателя; 10 — гайки; 11 — верхняя часть суппорта; 12 — поперечные направляющие каретки; 13 — рукоятка для перемещения верхней части суппорта; 14 — рукоятка для перемещения поперечных салазок; 15 — рукоятка для включения подачи суппорта от ходового винта; 16 — маховичок для продольного перемещения суппорта; 17 — фартук
Самодельный токарный станок по металлу своими руками: порядок сборки
Сборка механизма выполняется в следующем порядке:
- Из металлических балок и швеллеров собирается рама станка. Если вы собираетесь работать с большими деталями, то и материалы для сборки рамы нужно использовать с расчетом на большую нагрузку. К примеру, если планируется работать с металлическими заготовками длиной свыше 50 мм, толщина материалов для рамы должна начинаться от 3 мм для уголков и от 30 мм – для стержней.
- На швеллеры устанавливаются продольные валы с направляющими. Валы могут быть приварены при помощи сварки или закреплены болтами.
- Изготавливается передняя бабка. Для изготовления передней бабки токарного станка своими руками используется гидравлический цилиндр с толщиной стенок от 6 мм. В цилиндр необходимо запрессовать два подшипника.
- Прокладывается вал. Для этого используются подшипники с большим внутренним диаметром.
- В гидравлический цилиндр заливается смазывающая жидкость.
- Устанавливается шкив и суппорт с направляющими.
- Монтируется электропривод.
Кроме того, по чертежам токарного станка по металлу своими руками видно, что для повышения устойчивости резцового механизма изготавливается подручник, а на нижней части конструкции закрепляется тонкая полоса металла. Последняя служит для защиты рабочей части станка от деформации в процессе работы.

Устройство самодельного токарного станка для обработки металла: 1, 7 — швеллеры; 2 — ходовая труба; 3 — задняя бабка; 4 — поддон для сбора стружки; 5 — суппорт; 6 — ходовой винт; 8 — электрический двигатель; 9 — неподвижная передняя бабка; 10 — лампа в защитном колпаке-отражателе; 11 — сетчатый экран для защиты токаря от стружки; 12 — опора
Полезный совет! Токарный станок по металлу, собранный своими руками, может быть использован не только по прямому назначению, но и для шлифовки и полировки металлических деталей. Для этого к электрическому валу присоединяется шлифовальный круг.
Выбор электродвигателя для станка
Самой важной частью самодельного токарного станка по металлу, видео изготовления которого можно легко найти в интернете, является электромотор. Именно с его помощью осуществляется движение рабочей части станка. Соответственно, от мощности этого механизма зависит мощность всей конструкции. Она выбирается в зависимости от размеров металлических заготовок, с которыми вы планируете работать.
Если вы планируете работать на станке с мелкими деталями, для этого вполне подойдет мотор с мощностью до 1 кВт. Его можно снять со старой швейной машинки или любого другого подобного электроприбора. Для работы с крупными запчастями вам понадобится двигатель с мощностью в 1,5-2 кВт.
При сборке по готовым чертежам самодельного токарного станка по металлу учитывайте, что все электрические части конструкции должны быть надежно изолированы. Если у вас нет необходимого опыта работы с электрическим оборудованием, лучше обратиться за помощью по подключению к специалисту. Так вы будете уверены в безопасности работы и надежности конструкции.

Асинхронный двигатель является оптимальным вариантом для самодельного токарного станка
Изготовление токарного станка из дрели своими руками
Если вы хотите сэкономить на запчастях и значительно упростить себе задачу по сборке самодельного токарного станка, в качестве привода можно использовать обычную электрическую дрель. У такого конструктивного решения есть ряд преимуществ:
- Возможность быстрой сборки и разборки конструкции – дрель легко отсоединяется от станины и может быть использована по прямому назначению.
- Простота переноса и транспортировки станка – хороший вариант, если вам приходится работать с металлическими заготовками в гараже и на улице.
- Экономия – дрель выступает не только в качестве электродвигателя, но и избавляет от необходимости использовать передачу, а также позволяет использовать сменные насадки в качестве рабочего инструмента.
Конечно, есть и отрицательные стороны у токарного станка из дрели. Как сделать обработку с помощью данного инструмента крупных деталей возможной? Это практически неосуществимо, так как у дрели относительно небольшой крутящий момент и большое число оборотов. Конечно, можно повысить эти параметры, если все-таки установить ременную передачу и с ее помощью передавать вращающий момент от дрели на шпиндель, но это в значительной мере усложнит конструкцию, главным преимуществом которой является простота и компактность.

Схема устройства самодельного токарного станка на основе дрели: 1 — крепления к столу или верстаку; 2 — передняя опора; 3 — опора под заготовку; 4 — задняя опора
Изготовление самодельного настольного токарного станка по металлу на основе дрели имеет смысл в тех случаях, когда у вас нет необходимости в проведении масштабных работ, а вытачивать нужно только мелкие детали.
Для изготовления токарного станка по металлу на основе электродрели вам понадобятся те же детали, что и для обычной конструкции за исключением электродвигателя и передней бабки. Роль последней также выполняет дрель. Учитывая компактность конструкции, в качестве станины может использоваться обычный стол или верстак, на котором будут фиксироваться все составляющие станка. Сама дрель закрепляется в конструкции при помощи хомута и струбцины.
Полезный совет! Функциональность токарного станка на основе электродрели можно существенно расширить, если добавить к его конструкции различные насадки и дополнительные приспособления.
С помощью самодельного токарного станка можно не только вытачивать детали, но и наносить на вращающуюся заготовку краску, осуществлять намотку проволоки на трансформатор, делать на поверхности детали спиральные насечки и выполнять многие другие действия. Кроме того, если собрать для станка приставку-копир, то с ее помощью можно быстро и без особых усилий производить небольшие одинаковые детали.

Чертеж передней опоры, внутри которой закрепляется дрель
Особенности работы токарных станков по металлу своими руками, видео-инструкции как способ избежать ошибок
Как и у любого другого оборудования, у самодельных токарных станков есть свои особенности, которые необходимо учитывать при сборке и эксплуатации. К примеру, при работе с крупными деталями или при использовании мощного электродвигателя возникают сильные вибрации, которые могут привести к серьезным погрешностям при обработке детали. Чтобы избавиться от вибраций, ведущий и ведомый центры станка необходимо устанавливать на одной оси. А если планируется устанавливать только ведущий центр, к нему должен крепиться кулачковый механизм.
В настольных токарных станках своими руками по металлу не рекомендуется устанавливать коллекторный двигатель. Он склонен к самопроизвольному увеличению числа оборотов, что может привести к вылету детали. Это, в свою очередь, может привести к производственным травмам или порче имущества. Если же без установки коллекторного двигателя никак не обойтись, в комплекте с ним обязательно нужно устанавливать редуктор для понижения оборотов.
Идеальным вариантом двигателя для самодельного токарного станка является асинхронный. Он не увеличивает частоту оборотов во время работы, устойчив к большим нагрузкам и позволяет работать с металлическими заготовками с шириной до 100 мм.

Самое главное при работе на токарном станке — соблюдение техники безопасности
Правила установки и эксплуатации любого типа электродвигателя для токарного станка можно посмотреть в многочисленных видео-инструкциях в интернете. С их помощью вы не только избежите распространенных ошибок при сборке, но и сэкономите время и силы благодаря наглядности материала.
Техника безопасности при работе с самодельным токарным станком
При работе с конструкцией следует соблюдать определенные меры безопасности. Так, после сборки станка нужно осуществить проверку его работоспособности. Шпиндель должен вращаться легко и без задержек, передний и задний центры должны быть выровнены по общей оси. Центр симметрии вращающейся детали должен совпадать с осью ее вращения.
На любом видео токарного станка своими руками видно, что после монтажа электродвигателя он накрывается специальным кожухом. Последний служит не только для защиты оператора станка, но и для защиты самого мотора от попадания пыли, металлических частиц и грязи. Для станка, изготовленного на основе электродрели, такой кожух не нужен.
Полезный совет! Если вы планируете монтаж конструкции на основе мощного электродвигателя, то обязательно убедитесь в том, что для работы с ним хватает мощности вашей электросети. В домашних условиях лучше обойтись мотором от бытовой техники, который точно будет работать от напряжения в вашей розетке.

Пример токарного станка по металлу, собранного своими руками
Также следует придерживаться следующих правил безопасности:
- Рабочий инструмент обязательно должен располагаться параллельно поверхности обрабатываемой заготовки. В противном случае он может соскочить, что приведет к поломке станка.
- Если вы обрабатываете торцевые плоскости, деталь должна упираться в заднюю бабку. При этом очень важно соблюдать центровку, иначе вы рискуете получить бракованную деталь.
- Для защиты глаз от металлических стружек и частиц можно соорудить специальный щиток или просто пользоваться защитными очками.
- После работы конструкцию обязательно нужно чистить, удаляя металлические опилки и другие отходы производства. Внимательно следите за тем, чтобы мелкие части не попадали в электродвигатель.
Варианты модернизации самодельного токарного станка
Если вам нужен механизм, который сможет не только выполнять токарные работы, но и шлифовать, и красить заготовку, базовый станок можно легко модифицировать. Лучше всего делать это для конструкции на основе электродрели, так как заменить рабочую часть в ней проще всего.

Токарный станок может быть многофункциональным устройством в мастерской, с помощью которого можно выполнять различные работы, в том числе бытовые: заточку ножей, ножниц и пр.
Существует несколько популярных модификаций токарного станка по металлу. Как сделать конусообразное отверстие? Для этого к основанию необходимо прикрепить два напильника таким образом, чтобы они образовывали трапецию. После этого монтируется пружинный механизм, который обеспечивает подачу напильников вперед и под углом, что позволяет сверлить в детали конусообразные отверстия.
Кроме того, для работы с металлическими деталями разной длины можно сделать станок с разборной основой. При помощи нескольких досок или металлических уголков можно приближать или отдалять рабочий инструмент к креплениям, удерживающим деталь, а также менять размер зазора между креплениями. Удобнее всего делать такую конструкцию на основе обычного стола или верстака.
Если прикрепить к электродвигателю в качестве рабочего инструмента шлифовальный круг, при помощи станка можно заниматься не только полировкой поверхности детали, но и заточкой ножей, ножниц и других бытовых инструментов. Таким образом, токарный станок превращается в удобный многофункциональный механизм.

Создание токарного станка своими руками позволит получить оборудование, оптимально подходящее под нужды владельца
Сборка токарного станка в домашних условиях является достаточно простой задачей, которую еще больше упрощают многочисленные видео-инструкции и чертежи из интернета. При этом собрать конструкцию можно буквально из подручных частей, используя для этого старую бытовую технику и отходы монтажного и строительного производства.
Основное преимущество самостоятельной сборки – это экономия средств. Кроме того, стоит отметить возможность самостоятельно регулировать габариты и мощность устройства, чтобы приспособить его под свои нужды. Самодельный станок может быть не только большим, но и совсем миниатюрным, предназначенным для обработки мелких деталей.
Запись Самодельный токарный станок по металлу своими руками: изготовление и эксплуатация впервые появилась Remoo.RU.
www.t-spectr.ru
