Светильник на солнечной батарее для внутреннего освещения – Уличные светильники на солнечных батареях – купите по низкой цене в интернет-магазине Castorama
Автономный светильник на солнечной батарее «30W-7»
Автономный светильник на солнечной батарее «30W-7»
Светильник для резервного (аварийного) освещения. Имеет подключение 220V, яркость 30W. При отключении электричества, работает 7 часовна половинной яркости, 3.5 часа на полной. Имеет встроенный аккумулятор 700мАч, пульт дистанционного управления, и выносную солнечную панель, способную зарядить полностью лампу за световой день, даже при отсутствии солнца.
Рекомендации:
• Крепление солнечной панели рекомендуется осуществлять в местахс наибольшей продолжительностью солнечного освещения при максимально перпендикулярном угле к лучам солнца.
• Расположите кабель солнечной панели в помещении так, что бы было удобно подвести питание к светильнику для осуществления его зарядки.
• Не используйте его во влажной среде.
• Если вы не собираетесь использовать лампу в течении длительного времени, то для увеличения срока службы аккумулятора заряжайте устройство не реже, чем 1 раз в 2 месяца.
Характеристики:
• Яркость 120LM (приблизительно 30W лампа накаливания)
• Источник света: 25 ярких светодиода белого свечения;
• Встроенный литиевый аккумулятор ёмкостью 700 мАч;
• Материал корпуса: Полимеры;
• Цвет корпуса: светло зелёный;
• Крепление светильника: Металлический крючок;
• Интерфейсы питания: Солнечная панель / от Сети220 v;
• Размеры солнечной панели: 8 см * 12,5 см
• Крепление солнечной панели: Крепёжное метал. ухо на пластиковомбоксе-корпусе;
• Длина кабеля солнечной панели: 4,5 м;
• Дистанция работы пульта ДУ: До 10 м;
• Упаковка: Цветная картонная коробка;
• Размеры устройства:
• Размеры упаковки: ~125×125×120 мм;
• Масса: ~300 г.
Комплект поставки:
• Светильник в форме пирамидки на 25 светодиодов;
• Солнечная панель с кабелем 4,5 метра длины;
• Крючок для подвешивания светильника;
Лампа заряжается от:
* Электричества
* Солнечного / дневного света.
Имеет длительный срок службы и высокую ёмкость батареи.
Светодиоды высокой яркости, которые расчитаны на более чем 50000 часов.
Рабочее время 7 часов
Прочный АБС-пластик
Экологичность и энергосбережение
Инструкция:
1. Солнечная подзарядка:
— вставьте шнур в зарядное отверстие
— повесить лампу и разместите солнечной панелью в освещаемое место
— индикатор зарядки будет гореть
— Лампа заряжается автоматически, когда выключатель в положении OFF
— 50% яркости в энергосберегающем режиме, когда выключатель в положении DC
— 100% яркость в режиме, когда выключатель в положении AC
— Выключите свет, переведя выключатель в положение OFF для того, чтобы сократить время зарядки
2. Прямая зарядка лампы от сети:
— Подключите зарядное устройство в блоки вставитьв сеть напряжения AC 200/220v 50Hz/60Hz на выходе (соответствующий индикатор зарядки загорится на лампе)
vizhivai.com
принцип работы, выбор для дома и не только
Солнечный светильник – это техническое устройство, используемое для получения света, в котором источником электрической энергии, служит солнечная батарея.

Устройство и принцип работы
Содержание статьи
Принцип работы основан на получении электрического тока в фотоэлементах солнечной батареи, установленной в корпусе светильника.
Работа солнечной батареи осуществляется следующим образом:
- Под воздействием солнечной энергии на панель, происходит следующее:
- в верхнем слое, образование дополнительных отрицательно заряженных электронов;
- в нижнем слое – образование «дырок», что обусловлено недостатком отрицательно заряженных частиц;
- На границе слоев фотоэлемента, который изготавливается из кремния с добавлением фосфора (верхний слой) и бора (нижний слой), образуется «p — n переход», обуславливающий «p – n проводимость» устройства и соответственно разность потенциалов.
- Под воздействием электрического поля, существующего в «p — n переходе», происходит разделение положительно и отрицательно заряженных частиц, которые начинают движение. Положительно заряженные частицы движутся в верхний слой, отрицательно заряженные – в нижний.
- Образуется разность потенциалов и при подключении нагрузки – в цепи протекает электрический ток.

Для того, чтобы солнечный светильник мог работать и излучать свет, в его конструкцию, кроме солнечной батареи, входят следующие элементы:
- Аккумуляторная батарея, служит накопителем электрической энергии и является источником питания светильника в процессе его работы;
- Источник света – светодиодная лампа или иная энергосберегающая лампа малой мощности, способная работать на постоянном токе и малом напряжении цепи питания;
- Преобразователь напряжения – электронное устройство, контроллер, обеспечивающий повышение и преобразование напряжения, выдаваемого накопителем электрической энергии;
- Элементы системы автоматики – датчики движения и освещенности.
- Корпус светильника – определяет способ установки и монтажа устройства, его назначение и общую конструкцию.
Для сада
При разработке ландшафтного дизайна участка, создания дополнительного освещения сада, садовых дорожек и зон отдыха, широко используются источники света, в конструкции которых входит солнечная батарея, что обусловлено достоинствами таких устройств, это:
- Возможность создания автономной системы освещения, без прокладки кабелей и проводов.
- Безопасность устройств по воздействию на человека и окружающую среду.
- Мобильность, позволяющая выполнить перестановку в любую точку сада (участка), в зависимости от желания пользователя.
- Использование устройств позволяет экономить потребление электрической энергии от ее традиционных поставщиков (предприятия электрических сетей, службы энергосбыт).
- Большой выбор источников света (ламп, светодиодов), позволяет подобрать светильник по требуемой мощности и световому потоку.
- Разнообразие конструкций, различающих по способу установки, цвету и дизайну, позволяет воплотить в жизнь разнообразные замыслы по оформлению ландшафтного дизайна.
Наиболее широкое распространение, при освещении сада, получили светильники:
- Устанавливаемые на стене или иной конструкции. При таком варианте установки, источники света служат для подсветки архитектурных форм и сооружений, освещают придомовое пространство.

- Парковые светильники – устанавливаются на различных конструкциях, могут быть выполнены в настенном и подвесном исполнении, устанавливаться на столбы и опоры. Используются для освещения территории парков и садов.
- Газонные светильники – могут быть выполнены в виде «светильник на ножке», во встраиваемом виде, когда монтаж выполняется непосредственно в поверхность садовой дорожки или газона.

Солнечный светильник с выносной солнечной панелью
Конструктивной особенностью некоторых моделей, вне зависимости от способа их установки, может быть оснащение их выносной солнечной панелью.
В этом случае появляется возможность увеличить площадь приемной плоскости солнечной батареи, соответственно увеличиться ее мощность и способность поглощать солнечный свет.
Подобные конструкции, широко используются при устройстве освещения парков и иных территорий, где есть необходимость в значительной освещенности, а также при устройстве настенной подсветки элементов строений.
Конструктивно, настенный солнечный светильник, с выносной панелью, выглядит следующим образом: 
Для улицы
При создании системы наружного освещения улиц, также широко используются светильники, в которых источником электрической энергии служат солнечные лучи.
Принцип работы таких устройств, ничем не отличается от принципа работы светильников, используемых для освещения сада и придомовой территории. Единственное отличие – это мощность устройства, позволяющая освещать значительные пространства.
Уличные светильники монтируются на специальных опорах, которые в свою очередь устанавливаются на фундаменты (изготовленные из металла и пластика) или непосредственно в грунт (железобетонные) с последующим укреплением.
Конструктивно, это выглядит следующим образом:

Для дома
Для освещения придомовой территории, обычно используются настенные светильники. На отечественном рынке представлен широкий ассортимент подобных устройств, поэтому всегда есть возможность выбрать нужную модель, удовлетворяющую предъявляемым к ней требованиям.
Корпус таких моделей может быть разнообразной формы и расцветки, а стекло (плафон) изготавливается из трех видов стекала, это: закаленное, структурированное и гладкое стекло.
Кроме этого, для освещения дома, солнечные светильники можно использовать для подсветки внутренних элементов (лестниц, коридоров и т. д.), встраиваемые в данные строительные конструкции. В этом случае, необходимо применять модели с выносной солнечной панелью.
С датчиком движения
Некоторые модели солнечных светильников оборудуются различными датчиками, позволяющими осуществлять работу в автоматическом режиме.
При установке датчика движения светильник работает в следующей последовательности:
- В дневное время, как в любой другой модели подобных устройств (с датчиком или без него), осуществляется зарядка аккумуляторной батареи.
- В состоянии покоя, нормальном режиме, цепь питания светодиодов разомкнута, светильник выключен.
- Когда в зону охвата датчика попадает движущийся предмет, датчик дает команду и электронное устройство (контроллер) замыкает цепь питания светодиодов, светильник зажигается.
- При выходе движущегося объекта из зоны действия датчика, цепь размыкается, светильник гаснет.

Для того, чтобы исключить включение подобных систем в работу в дневное время, светильники оборудуются фотореле, которое размыкает цепь включения светодиодов при достаточном уровне освещенности. Уровень освещенности может выставляться, в зависимости от потребности, или быть отключен полностью.
Некоторые модели светильников устроены так, что в нормальном режиме, в темное время суток, работают не на полную мощность, а полное включение осуществляется лишь при появлении в зоне деятельности датчика движения какого-либо движущегося объекта.
Как выбрать правильно
Для того, чтобы правильно выбрать солнечный светильник необходимо следовать критериями выбора, которыми являются:
- Мощность светильника — зависит от количества светодиодов и соответственно характеризуется яркостью излучаемого света.
- Способность работать на одной зарядке – зависит от емкости и напряжения аккумулятора.
- Степень защиты– характеризует способность устройства к воздействию атмосферных явлений (вода, пыль, температура воздуха).
- Конструкция и способ монтажа – определяют место установки и предназначение светильника.
Делаем своими руками
Имея начальные знания в электротехнике, а также умея работать с паяльником, можно изготовить солнечный светильник самостоятельно. В этом случае корпус может быть любым, все зависит от наличия материалов и фантазии изготовителя, а вот комплектующие, придется приобрести.
В соответствии со схемой, приведенной ниже, для изготовления подобного светильника потребуется:
- Резисторы, сопротивлением 47,0 – 56,0 Ом;
- Диод марки КД243А или 1N4001/7/ 1N4148;
- Транзистор КТ361Г или 2N3906;
- Печатная плата, которую необходимо изготовить самостоятельно;
- Светодиоды, суммарной мощностью до 3,0 Вт;
- Аккумулятор, емкостью 1500 мА*час и напряжением 3,7 В.
- Солнечная батарея, мощностью 2,0 Вт и напряжением 5,5 В.

Для работы светильника в автоматическом режиме, можно в схему установить фотореле, а для полного отключения устройства, общий выключатель, удовлетворяющий характеристикам по току устройства и размерам выбранного корпуса.
Из приобретенных комплектующих, на изготовленной монтажной плате (можно и без нее) собирается электрическая схема. Все элементы помещаются в корпус, с таким расчетом, чтобы солнечные лучи имели возможность максимально возможное время освещать солнечную панель, а светодиоды освещали именно заданную плоскость поверхности.
alter220.ru
Уличные светильники на солнечных батареях

Загородный дом требует приличных финансовых вложений, а прибыли от него нет никакой. Кроме, конечно, морального и физического удовлетворения от жизни в загородной резиденции. Поэтому желательно максимально сократить расходы на поддержание инфраструктуры загородного дома. В том числе, это касается освещения дома и придомовой территории. Наряду с отоплением и кондиционированием, освещение является одной из главных статей расходов. Особенно если участок имеет большую площадь, и всю её нужно подсвечивать. Множество мощных ламп, которые постоянно «жрут» электричество, накладное удовольствие. Чтобы такого не происходило, пора осваивать уличные светильники на солнечных батареях.
Содержание статьи
Конструкция и особенности
Устройство и классификация
Конструктивно уличный светильник на солнечных батареях состоит из следующих элементов:
- Солнечная панель. Занимается преобразованием энергии солнца в электрический ток;
- Аккумулятор. Накапливает вырабатываемую солнечной батареей электроэнергию;
- Блок управления работой лампочки на светодиодах;
- Контроллер заряда;
- Датчик движения. Предназначен для экономии заряда аккумулятора. Позволяет включать лампочку, только когда вы проходите рядом. Есть уличные светильники и без датчиков движения;
- Корпус и крепёж.

В качестве аккумулятора в большинстве моделей уличных светильников используются никель-кадмиевые аккумуляторные элементы. Ёмкость аккумуляторной батареи, которой оснащаются светодиодные светильники на солнечных батареях для улицы, примерно 700 мАч. В верхней части устройства находится солнечная батарея. На протяжении светового дня солнечная батарея, преобразуя энергию Солнца в ток, заряжает никель─кадмиевый аккумулятор. Таким образом, запасается электрическая энергия для освещения территории ночью.
Все уличные светильники подобного типа оснащаются светочувствительным элементом. Благодаря этому они автоматически включают лампочку после захода солнца.
Как можно классифицировать уличные светильники? Для начала, по типу используемой солнечной панели.
- Бюджетные модели. В них используются фотоэлектрические панели из поликристаллического или аморфного кремния;
- Дорогие модели. В этом случае применяются фотоэлектрические панели из монокристаллического кремния.
В первом случае солнечная панель менее производительна при той же величине площади. Кроме того, поликристаллические и аморфные солнечные панели имеют срок службы меньше монокристаллических. В дорогих качественных моделях уличных светильников солнечная панель покрывается надёжным защитным слоем, который защищает её от агрессивного воздействия окружающей среды.
Также стоит упомянуть ещё один способ классификации уличных фонарей — по структуре стекла плафона.
- Гладкое;
- Структурированное;
- Закалённое. Отличается высокой надёжностью, но стоит дороже остальных.
Принцип работы уличных светильников довольно простой. В целом он похож на работу солнечной электростанции для дома, только в гораздо меньшем масштабе. В течение дня на фотоэлектрическую панель светильника падает солнечный свет. Она преобразует его в электрический ток, который заряжает никель-кадмиевый аккумулятор. С наступлением тёмного времени суток фотоэлемент замыкает цепь, которая обеспечивает работу светодиодной лампы от аккумулятора.
В результате появляется рассеянный свет, который просвещает территорию до рассвета. Если ёмкости аккумулятора не хватает на всю ночь, то при минимальном допустимом заряде батареи срабатывает датчик. В этом случае цепь размыкается и лампочка гаснет. Если же ёмкости аккумулятора хватает до рассвета, то в светлое время суток цепь замкнёт фотоэлемент. После этого включиться другая цепь, в которой происходит заряд аккумулятора от фотоэлемента.
Уличные светодиодные светильники на солнечных батареях оснащаются аккумуляторной батарей небольшой ёмкости. Как правило, ёмкости аккумулятора хватает для работы лампочки примерно на срок 8─10 часов. Поэтому в осенне-зимний период, когда световой день существенно сокращается, освещения часто не хватает до рассвета. Чтобы решить эту проблему, производители выпускают экономичные Led светильники с низким энергопотреблением. А для того чтобы освещение не работало напрасно, их оснащают датчиками движения. Тогда они будут включаться только, когда человек к ним подходит.
Вернуться к содержанию
Плюсы и минусы
Светильники на солнечных батареях, как и любые другие вещи, имеют свои плюсы и минусы. Поэтому перед покупкой нужно изучить их преимущества и тем более недостатки.
Садовый светильник на газоне
Что же отнести к плюсам уличных светильников?
- Совершенная безопасность. Эти светильники не ударят током и не спровоцируют пожар;
- Экономичность. Не нужно платить за электричество и тратить проводку для подвода питания к этим светильникам;
- Автономность и автоматическая работа. Фонари работают в полностью автоматическом режиме. Вам не придётся контролировать зарядку аккумулятора, а также включать или выключать прибор;
- Для установки этих устройств не требуется специальных навыков.
Существует и ряд недостатков.
- В пасмурный день солнечная панель плохо заряжает аккумулятор и его не хватит для подсветки на всю ночь;
- Многие подобные светильники дают сбои в работе при низких температурах окружающей среды;
- Уличные светильники дают довольно тусклое приглушённое свечение. Это проблема может быть исправлена увеличением светодиодных ламп в устройстве, но тогда увеличивается нагрузка на аккумулятор.
Вернуться к содержанию
Выбор светильника на солнечной батарее
Уличные фонари, работающие от солнечной энергии, уже давно перестали быть чем-то диковинным. За рубежом их очень часто можно встретить на фасадах домов, парковых дорожках, уличных столбах. В России использование подобных светильников в общественных местах пока не распространено, но в частном секторе их уже активно используют. Для многих россиян эти светильники стали обыденным явлением на садовых участках или на территории загородных жилых домов.

Наиболее распространёнными сегодня являются настенные светильники на солнечных батареях. Также весьма популярны светильники на ножках, которые втыкаются в землю, и предназначены для подсветки садовых дорожек. Некоторые люди на своих участках устанавливают уличный светильник на солнечных батареях на столб. В продаже можно найти большой выбор перечисленных моделей. При установке фонарей на своём участке следует помнить о том, что им требуется максимальный доступ солнечного света. Это очень критично для полноценной зарядки аккумуляторной батареи.
Несмотря на то, что устройство всех садовых светильников одинаковое, они могут иметь различный дизайн и формы. Поэтому вы можете с их помощью сделать самую разную подсветку и световые эффекты. Если площадь вашего участка большая, то лучше всего на нём будут смотреться уличные светодиодные светильники в виде крупного фонаря. Можно найти модели, украшенные ковкой.
В продаже можно найти модели высотой до 2,5 метра. Такой фонарь даёт большой радиус освещения. К тому же, на такой высоте ничто не будет мешать попаданию солнечных лучей на фотоэлектрическую панель. Такие модели светильников на солнечной батарее чаще всего устанавливают вдоль аллеи или мелких дорожек.
Существуют также светильники на солнечных батареях, которые выполняются в виде светящегося столба. Они имеют несколько меньшую высоту, чем вышеописанные фонари. Такие модели меньше человеческого роста и, как правило, имеет квадратную форму.
Стоит также отметить светильники шары, которые сегодня распространены. Высота таких моделей около 70 сантиметров. Их устанавливают по периметру лужайки или вдоль дорожек. Иногда их используют в качестве точечной подсветки отдельных мест на участке.

Большой фонарь на солнечных батареях
Если на вашем участке имеется детская площадка, то там лучше всего будут смотреться светильники на солнечных батареях, корпус которых выполнен в виде различных зверюшек или персонажей из сказок.
Сегодня у многих на загородном участке имеется свой водоём. Производители садовых фонарей предусмотрели и этот вариант. В продаже можно найти светильник на солнечных батареях, который может плавать по воде. Конструкция не позволяет ему утонуть, а при дуновении ветра фонарь начинает двигаться по воде. Очень часто владельцы дач и загородных коттеджей используют сразу несколько светильников различного дизайна.
Вернуться к содержанию
Эксплуатация
Владельцы дач и загородных домов обычно при установке светильников на солнечных батареях ориентируются на красоту, ухоженность и эстетику. Но чтобы фонари работали не один сезон, следует соблюдать определённые правила эксплуатации.
Светильники для установки на газон имеют довольно слабый корпус и весьма чувствительны к механическому воздействию. Так, что не следует их забивать в землю, лишний раз ронять, царапать и трясти. Чтобы солнечная панель принимала максимальное количество солнечной энергии, регулярно протирать её чистой тряпкой.
Если модель светильника не предназначена для установки на водную поверхность, то не следует его использовать в водоёмах на своём участке. И даже рядом с водой их не рекомендуется устанавливать. Модели, предназначенные для установки на водоёмах, имеют необходимую герметичность, которой нет у стандартных светильников.
По окончании дачного сезона, ещё до наступления холодов, уберите светильники на хранение помещение, которое отапливается. Из светильника следует извлечь аккумуляторную батарею и хранить её отдельно. Через некоторое время может потребоваться замена аккумулятора. Ресурс никель─кадмиевых аккумуляторов составляет примерно тысячу циклов заряда-разряда.
Вернуться к содержанию
Фонари на солнечных батареях своими руками
Существует умельцы, которые самостоятельно разрабатывают и делают такие светильники собственными руками. Нельзя сказать, что это позволяет сильно сэкономить, но вполне может доставить удовольствие. В принципе, фонарик наполняется из любых подручных материалов. Из тех примеров, что есть в сети, можно обнаружить светильники из цветочных горшков, пластиковых бутылок, банок, ваз и тому подобное. Для улучшения внешнего вида используется краска или какой-нибудь декор.

Хорошие отзывы поступают об использовании оргстекла в качестве материала для изготовления уличного светильника. Оно прозрачное и обеспечивает равномерное рассеивание световых лучей. К тому же, оргстекло хорошо поддаётся обработке. Детали необходимого размера можно отрезать обычный ножовкой, а для соединения использовать силиконовый клей.
Некоторые умельцы изготавливают светильники разнообразной формы из старых жестяных банок. Банку разрезают, а затем вставляют в разрез деревянное полено. В жестяной банке делаются отверстия при помощи гвоздей и молотка. Эти отверстия могут быть различными по своему диаметру и форме выреза. Можно даже сформировать определённый рисунок.
После этого собирается сам светильник из отдельных компонентов. А внутри устанавливаются аккумулятор, светодиодные лампы, а также контроллер заряда батареи. На внешней части светильника устанавливается солнечная панель. Светильники, выполненные своими руками, можно также устанавливать вдоль тропинок, аллей, а также по периметру клумб. При определённой сноровке самодельные фонари имеют такой же функционал и обеспечивают подсветку не хуже, чем фабричные экземпляры.
Если статья оказалась для вас полезной, распространите ссылку на неё в социальных сетях. Это поможет развитию сайта. Голосуйте в опросе ниже и оценивайте материал! Исправления и дополнения к статье оставляйте в комментариях.
Вернуться к содержанию
akbinfo.ru
Схема светильника на солнечной батарее: схемы и характеристики
Любое электронное и электротехническое устройство обладает определенными техническими характеристиками, которые зависят от компонентов, из которых они собраны.
В зависимости от используемых электронных частей, которые могут различаться по своим параметрам, при одинаковой электрической схеме устройства, в результате можно получить различные технические характеристики, определяющие возможность его использования.

Схема садового светильника
Конструктивно, садовый светильник, работающий на солнечной батарее, состоит из следующих частей:
- Корпус – может быть различной конструкции, в зависимости от способа установки, материала, используемого при изготовлении и его предназначения.
- Солнечная батарея – является источником питания электрического аппарата.
- Источник света – электрическая лампа, как правило малой мощности (светодиод) и значительным световым потоком.
- Устройства автоматики – датчики освещенности и движения, обеспечивают включение в темное время суток и при попадании движущегося объекта в зону охвата датчика, соответственно.
- Аккумулятор (АКБ) – является накопителем электрической энергии, обеспечивающей работу источника света.
- Электронный блок (контроллер) – отвечает за режим заряда аккумулятора и работу источника света.
- Коммутационный аппарат – служит для отключения прибора, когда нет необходимости в его работе.
Схематически, садовый светильник, работающего на солнечной батарее, выглядит следующим образом: 
На данном рисунке коммутационные устройства и средства автоматики не указаны. Принцип работы основан на преобразовании солнечной энергии в электрическую, которое происходит внутри фотоэлементов, являющихся основой солнечной батареи.
Все элементы – АКБ, контроллер и источники света, помещаются в общий корпус, солнечная панель может в него встраиваться или быть выносной, в соответствии с конструкцией конкретной модели.
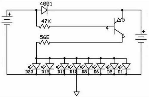
Схема светодиодного светильника
Схема светильника, у которого в качестве источника света, используются светодиоды, аналогична выше приведенной, с той лишь разницей, что при наличии нескольких светодиодов в одном светильнике, появляется возможность создать режим работы устройства, когда в зависимости от заданных параметров, светят лишь часть светодиодов или все их количество.
Простейшая электронная схема подобного устройства, может выглядеть следующим образом: 
Работа светодиодов осуществляется от аккумуляторов, которые заряжаются от солнечной батареи. Стабилизаторы, диоды и катушки индуктивности, обеспечивают требуемые параметры напряжения в цепях питания и зарядки. Светодиоды светятся одновременно, при достаточном заряде аккумуляторных батарей.
Схема китайского светильника
Среди товаров, в конструкции которых предусмотрено электроснабжение электрических компонентов от солнечной батареи, большая доля принадлежит продукции китайских производителей, это относятся и к солнечным светильникам.
Схема подобных устройств может быть различна, в зависимости от требований, предъявляемых к конкретной модели. Принципиальная схема и внешний вид одной из моделей таких устройств, а именно — Solar Garden Light, приведены ниже. 
В данной схеме предусмотрена установка выключателя, который позволяет выключать источник света в дневное время и включать, по мере необходимости. 
Данная модель, изготавливается в виде «светильника на ножке», что позволяет ее устанавливать в любом удобном для эксплуатации месте и переустанавливать, по мере необходимости.
Внешний вид плафона и материал из которого он изготовлен, а также материал «ножки», могут быть различны, что отражается на стоимости, но не на технических характеристиках устройства.
alter220.ru
Освещение на солнечных батареях с использованием светодиодов
Освещение, реализованное с использование солнечных батарей, является преимущественно наружным. Конечно, существуют солнечные светильники, используемые для внутреннего освещения помещений, но их число достаточно мало в сравнении с тем разнообразием фонарей на солнечных панелях, которые предлагают производители осветительных приборов. Помимо фотоэлементов, на которые возлагаются «обязанности» по преобразованию излучения солнца в электроэнергию, проектируемое освещение должно предполагать использование аккумулятора и ламп. Чтобы освещение на солнечных батареях приносило выгоду, лампы должны выбираться светодиодные.
Светодиодное освещение экономит от 40% до 80% электроэнергии в сравнении с привычными лампами накаливания или люминесцентными. Именно этот показатель и является решающим в пользу светодиодов, ведь низкое энергопотребление является залогом того, что накопленной световым днем энергии хватит на полноценное освещение в течение всей ночи. О других достоинствах союза светодиодов и солнечных батарей мы поговорим в следующем разделе.
Преимущества автономного освещения на светодиодах
Освещение на солнечных батареях само по себе имеет ряд преимуществ, которые отсутствуют в случае подключения к энергосети, а именно:
- Независимость от подачи электричества.
- Минимум затрат на обслуживание.
- Исключена необходимость прокладки кабеля, как следствие простота монтажа.
- Возможно размещение светильников в труднодоступных местах, единственным условиям является наличие достаточного количества света.
- Финансовая выгода, которую вы получаете в результате снижения затрат на потребляемое электричество из центральной энергосети.
- Утилизация не требуется.
Но помимо вышеперечисленных плюсов автономное освещение в случае использования светодиодов имеет еще больше достоинств, таких как:
- Продолжительный срок службы. Светодиоды не требует замены как минимум в течение 10 лет.
- Исключается возможность возникновения пожара или перегрева электропроводки ввиду низковольтного питания.
- Отсутствие вредных ультрафиолетовых лучей, которые в избытке присутствуют в случае использования люминесцентных ламп.
- Высокая светоотдача.
- Фонарь на солнечных батареях со светодиодными лампами при полном заряде аккумулятора проработает в течение 8-10 часов.
- Освещение максимально приближено к дневному солнечному свету.
- Широкая цветовая гамма. Можно найти светодиоды, излучающие красный, фиолетовый, синий свет.
Устанавливаем солнечные фонари, видео в помощь:
Доступность широким слоям населения
Автономные фонари на солнечных батареях – явление очень распространенное. Небольшие светильники нашли свое место на многих загородных участках, освещая цветы, декоративные кусты или дорожки приглушенным неярким светом, создавая сказочный мир посреди обычного дачного поселка. Более крупные образцы «поселились» на улицах российских городов, примеров этому существует немало. Пусть еще и не все улицы оборудованы светодиодными фонарями, но шаг им навстречу сделан, а это уже говорит о том, что солнечная энергетика приносит свои плоды.
Светодиодное освещение можно считать технологией будущего, которая позволит на долгие годы забыть о перегоревших лампах, проблемах, связанных с перебоями в подаче электричества, к тому же с его помощью можно воплотить в жизнь различные дизайнерские решения. Для полного заряда аккумулятора, питающегося от солнечных панелей, понадобится в среднем 6 часов, что вполне приемлемо для многих российских городов. Причем практика показывает, что накопленной энергии с лихвой хватает для питания фонарей, а это означает, что образующиеся излишки могут быть потрачены на другие цели, например для снабжения электричеством небольших киосков, расположенных поблизости.
Выбор светодиодных фонарей огромен, они отличаются по форме, мощности, размеру, цветовому решению. Вы точно сможете подобрать что-то интересное и необычное. Одним из популярных вариантов использования светодиодов является освещение, применяемое для подсветки рекламных щитов и других различных конструкций.
Главный плюс современных светодиодных фонарей – это наличие устройства автоматического включения/выключения в зависимости от времени суток, участия человека абсолютно не требуется. Да и срок окупаемости светодиодного освещения с использованием солнечных модулей составляет всего 1,5 года. В Америке, Китае, Европе и других развитых странах практика применения светодиодного освещения обширна – это ли не показатель их выгоды и практичности?!
В чем же подвох…
Пока все выглядит радужно и бесхлопотно. Но на деле может оказаться немного иначе, ведь у освещения на солнечных батареях есть не только плюсы, но и минусы. Поговорим немного о них. Во-первых, зависимость от погодных условий: в пасмурную погоду количество преобразованной энергии будет минимальным, следовательно, о качественном освещении придется забыть. Во-вторых, в случае поломки ремонт чаще всего не возможен. Ну и, в-третьих, при сильных морозах могут быть сбои в работе аккумуляторов. По сути, на этом негативные моменты автономного освещения заканчиваются. В общем, достоинств гораздо больше, чем недостатков.
Да и о заботе об окружающем мире забывать не стоит. Экологичность светодиодов и альтернативных источников энергии служит залогом чистоты той среды, в которой живем мы и наши дети. Стоит подумать о том, что мы оставим после себя следующим поколениям.
Статью подготовила Абдуллина Регина
Установка автономных фонарей со светодиодами в Уфе:
altenergiya.ru
Где применять садовые светильники и фонари на солнечных батареях
Наружное освещение собственного дома может доставить много хлопот по его организации. Подключение наружных выключателей, ведение проводки под землей или на опорах отбивает напрочь желание заниматься этим вопросом. Особенно, если планировка участка уже завершена, тротуарные дорожки проложены и клумбы засажены цветами. Задачу легко решают садовые светильники и фонари на солнечных батареях – они не требуют дополнительной проводки, а часто даже выключателей.
Принцип работы
Каждый такой садовый светильник оснащен отдельным фотоэлементом, принцип работы которого описан в этой статье (откроется в новом окне), встроенным аккумулятором и контроллером. В течении светового дня светильник накапливает электроэнергию, а с наступлением темного времени суток переключается в режим освещения.
Освещение происходит за счет энергоэффективных светодиодов. Емкость аккумуляторов и качество светодиодной панели в хороших светильниках обеспечивает освещение в течении 8-10 часов в летний и осенне-весенний периоды. Такой длительности освещения обычно достаточно для общего комфорта. Так, в летнее время светильник начинает освещать в 20-21ч и работает до рассвета. Осенью и весной светильники на солнечных батареях начинают светиться раньше, в 18-19 часов и прекращают работать в 2-3 часа ночи.
Важно. Располагайте садовые светильники на солнечных батареях в тех местах, где днем есть прямые солнечные лучи – так заряд батареи будет максимальным.
Виды
Существует три основных вида садовых светильников на солнечных батареях: настенные/подвесные, ландшафтные и декоративные.
Настенные/подвесные
Существуют модели настенных приборов, подсвечивающие фасад или номер дома. Подвесные светильники могут размещаться внутри беседок или террас. Проблема применения этих устройств в том, что их сложно разместить в том месте, где они получат солнечную энергию днем, поэтому заряда редко хватит на 2-3 часа после наступления вечера.
- Настенный светильник с СБ
- Подвесной светильник с фотоэлементом
Ландшафтные
Наиболее эффективные и простые в монтаже садовые фонари на солнечных батареях. Их особенностью является монтаж прямо в поверхность газона или клумбы. Такие светильники применяются для освещения тротуарной дорожки, подсветки клумбы или инсталляций во дворе дома.
Такой светильник вставляется в грунт
Декоративные
В дневное время, когда этот садовый светильник накапливает энергию через солнечную батарею – он украшает ваш участок в виде фигурки или статуэтки, а ночью эта же фигура подсвечивается встроенным светодиодом. Декоративные фонари с солнечными панелями не несут практической пользы, они необходимы только для эстетического оформления участка.
Фигурки могут быть самыми разными
Разновидностью декоративных светильников на солнечных батареях можно выделить гирлянды различных типов для украшения дома и участка во время новогодних праздников
Установка и обслуживание
Садовый светильники или фонарь на солнечных батареях представляется как готовое устройство и не требует ни настройки, ни квалифицированных работ по подключению. Солнечные панели в садовых светильниках маломощные, поэтому встроенные аккумуляторы не будут заряжаться без прямых солнечных лучей, поэтому фонари следует устанавливать в тех местах, где днем попадают прямой свет.
Обслуживание включает в себя периодическое (по мере загрязнение) протирание фотоэлементов и самого фонаря от грязи и пыли.
Устройство и схема
На схеме виден принцип работы садового светильника на солнечной батарее. Электроток, вырабатываемый солнечными панелями попадает на фотореле, которое в зависимости от освещенности, направляет его либо на зарядку аккумулятора, либо на работу светодиода.
Схема работы светильника на солнечной батарее
Цена и производители
Стоимость садовых светильников на солнечных элементах зависит как от форм фактора устройства, так и от элементов. Большинство приборов не удастся модернизировать в связи с монолитностью конструкции. Ведущими производителями светильников с фотоэлементами на рынке РФ являютс Uniel, Feron, Era и Camelion. Вместе они занимают более 90% рынка. Наиболее популярные модели в различных категориях:
Самые популярные светильники на СБ в РФ с ценами
Ниже представлены фото этих светильников.
Фото светильников на участке
Благодаря фактически свободному расположению светильников с солнечными батареями, дизайнеры могут проявлять практически бесконечную фантазию в световом оформлении газонов, тротуаров, освещения фасадов и других элементов приусадебного участка. Вы также можете вдохновиться фотографиями и применить идеи у себя в доме.
Видео обзор светильников
В ролике подробно описаны самые простые светильники с солнечными батареями, представлен их функционал и наглядно показано какой свет они дают с наступлением темноты.
Виды контроллеров для солнечных батарей и как выбирать
Выгодно ли покупать комплектом солнечные батареи для дачи
Принцип действия солнечных батарей.
Ветряк для частного дома — игрушка или реальная альтернативаelectricadom.com
Освещение сада на солнечных батарейках

Ландшафтное освещение не только добавляет элегантности облику дома, но и создает неповторимую атмосферу тепла и уюта в саду или на приусадебном участке. Правильно подобранные и грамотно размещенные светильники делают более безопасными ступеньки и дорожки, а также служат целям общей безопасности дома и прилегающей территории. В статье рассмотрим способы ландшафтного освещения участка.
Содержание:
- Фонари на солнечных батареях
- Способы использования фонарей на солнечных батарейках в саду
- Перед установкой освещения
- Виды светильников на солнечных батарейках для ландшафтного освещения
- Декоративное освещение для сада
- Освещение в саду фото
Фонари на солнечных батареях
Установка ландшафтного освещения это не только красота и яркие акценты в саду, но еще и значительная работа по прокладке электрических проводов на участке и их подключение. Зачастую приходится приглашать профессионалов электриков для выполнения этих работ. Есть ли альтернативные варианты? Конечно!
Фонари на солнечных батарейках становятся все более популярной альтернативой.

- Они доступны по цене, их легко установить самостоятельно, а в случае необходимости также легко переместить.
- Немаловажным фактором является и существенная экономия электроэнергии.
- До недавнего времени большинство солнечных фонарей испускали лишь тусклый свет, а кроме того, не показывали высокой надежности при эксплуатации. Такие качества невыгодно отличали данный вид освещения. Однако ситуация кардинально изменилась когда яркие светодиоды заменили обычные лампы накаливания. Светодиоды (LED лампы) создают свет не вырабатывая при этом большого количества тепловой энергии, как в случае с обычными лампами. Они производят яркий световой поток, а электричества для этого требуют в разы меньше. В результате имеется надежный, долговечный продукт по разумной цене.

- Еще одним достижением науки, делающим освещение на солнечных батареях все более привлекательным, является разработка эффективных фотоэлементов, лучшей электрической схемы, а также долговечной и емкой батареи. Современные фонари могут работать круглогодично, даже зимой, несмотря на короткий световой день, с незначительным изменением производительности.
- При покупке фонаря на солнечной батарее важно, чтобы он соответствовал предполагаемой для него функции. Существует три основные категории солнечных фонарей в зависимости от их использования: для точечного света, для пешеходных тропинок и прожекторы (фонари для направленной подсветки).
Способы использования фонарей на солнечных батарейках в саду
Точечные фонари
- С помощью точечных фонарей можно легко сделать акценты в тех местах сада, где это необходимо, добавить изюминку, создать узор, подсветить особенно красивый цветок.
- Этот вид светильников обладает достаточно низкой светоотдачей, зато он может похвастаться большим временем автономной работы, нежели другие типы фонарей на солнечных батарейках. Нет ничего удивительного в том, что они могут светить несколько ночей подряд, после всего одного дня полной зарядки.

- Точечные фонари используют эффективные мульти-кристаллические солнечные элементы, которые позволяют им накапливать энергию даже в пасмурные дни или если они находятся в полутени.
- Зачастую для них используются лампы желтого свечения, которые создают еще более мягкую атмосферу, чем стандартные белые аналоги. Некоторые из них мерцают, создавая впечатление, что рядом горит свеча. К тому же LED лампы желтого свечения потребляют меньше электроэнергии, чем их белые товарищи, что обеспечивает еще более длительный период автономной работы без подзарядки.
- Еще одним вариантом использования данного вида фонарей является установка их в заведомо опасных местах сада, например, вокруг камня или пруда. По сравнению с другими категориями фонарей на солнечных батареях они имеют самую низкую светоотдачу и являются наиболее доступными по цене.
Фонари на солнечных батарейках для освещения дорожек
- Как следует из названия, данный тип фонарей предназначен для освещения тропинок и пешеходных дорожек, их можно разместить по периметру дома или беседки.

- В большинстве случаев эти фонари используют наборами, устанавливая в ряд по одной стороне или обеим сторонам дорожки или лестницы.
- Непосредственная форма фонаря разнится, это может быть как устанавливаемый в землю вариант, так и подвесной или настенный, единственное, что объединяет их это форма линзы, она направлена вниз, так чтобы освещать поверхность внизу.
- Еще одной особенностью фонарей для тропинок является наличие у некоторых производителей кнопки включения/выключения, которая, несомненно, очень удобна, поскольку позволяет сэкономить заряд батареи, например, для особого случая.
- Некоторые модели также оснащены таймерами, переключателями яркий/приглушенный свет.
- Производители предлагают выбор различных цветов линз, чтобы сделать ландшафт максимально индивидуальным. Данный вид фонарей находится в середине ценового диапазона.
Прожекторы на солнечных батареях, фонари для специальных целей
- Прожекторы являются самыми яркими представителями фонарей на солнечных батареях по светопередаче, и соответственно самыми дорогими. Они предназначены для передачи яркого солнечного света растениям, для акцентирования скульптур в саду или самих зданий в темное время суток, для обозначения подъездов и входов в дом. Также это отличный вариант для наружного освещения детского сада.

- Здесь важно понимать, что лампа на солнечной батарее не будет работать как обычная лампа накаливания мощностью 100Ватт. Высококачественная LED лампа в прожекторе, работающем на солнечной батарее, способна выдавать луч света эквивалентный лучу света стандартной лампы накаливания в фонаре мощностью 40 Ватт. Это впечатляющее количество чистого света.
- Фонари данной категории представлены во всевозможных видах и моделях, так что их можно установить в разных местах, любыми способами крепления. Таким образом, легко подобрать вариант фонаря, который бы светил именно там и туда куда необходимо.
- Очень часто панель солнечной батареи может быть установлена отдельно от фонаря, что дает больше возможностей использования этого вида освещения. Панель устанавливается там, где наибольшее количество солнечного света, а осветительный элемент, там, где темно.
- Прожекторы являются самым надежным и долговечным классом фонарей на солнечных батареях. И хотя все виды имеют защиту влияния метеоусловий и ультрафиолета, прожекторы изготавливаются в еще более прочном корпусе.

- Кроме того, есть еще одно достоинство прожекторов на солнечных батареях, которое не очевидно и сразу не бросается в глаза. Чем ниже падает температура, тем лампы LED воспроизводят более яркий свет, благодаря своему твердотельному проектированию. В этом отношении прожекторы на солнечных батареях превосходят низковольтное наружное освещение и даже компактные флуоресцентные лампы, которые функционируют менее эффективно в очень холодных условиях.
- Срок службы лампы LED составляет 100000 часов, по сравнению с 2000 – 3000 часами обычных ламп накаливания.
Перед установкой освещения
С помощью освещения можно превратить темный сад, в который мало кто отважится выйти ночью, в сказочное место, манящее провести время на свежем воздухе.
Итак, практические цели установки садового освещения включают:
- безопасность;
- освещение пути от дома или к нему;
- обеспечение безопасного доступа к ступенькам или садовым дорожкам.
Прежде чем приступать к непосредственной установке освещения участка необходимо сделать его план на бумаге. Это поможет рассчитать нагрузку в случае, если будут использоваться электрические светильники, а также рассчитать необходимое их количество и определить наилучшие места для установки.

Полезные советы:
- источник света, где это возможно, лучше скрыть за кустами, деревьями или цветами. Конечно, в том случае, если фонарь сам не является предметом декора. Но от солнца нельзя прятать фонари на солнечных батарейках;
- света не должно быть слишком много;
- лучше сочетать несколько техник освещения, так создается более эффектный вид;
- в случае с электрическим освещением (в противоположность к солнечным батареям), есть смысл предусмотреть автоматическое включение и выключение, например с помощью таймера или фотоэлемента;
- и конечно же, необходимо учитывать факт наличия соседей, освещение не должно им мешать или светить в окна.
Виды светильников на солнечных батарейках для ландшафтного освещения
- Открытый настенный светильник. Данный вид устанавливается для обеспечения направленного потока света. Есть модели, которые отсекают блики.

- Светильник для пешеходных тропинок. Данная модель предназначена для освещения клумб, дорожек, подъездных путей.
- Наземный светильник. Устанавливается вровень с землей, полностью скрывая источник света. Хорошо подойдет для подсветки деревьев или стен.
- Точечный светильник. Универсальный источник света, может использоваться как для подсветки стен, так и для кустарников, деревьев. Источник света находится как внизу, так и вверху.
- Настенный фонарь. Обычно устанавливается на стену у входной двери или над гаражом. Является самостоятельной единицей уличного декора. Обеспечивает как достаточно рассеянное освещение, так и направленное, в зависимости от формы.
- Фонарь (отдельностоящий). Фонари традиционный способ освещения, с их помощью освещают дорожки, проходы, ступени, зоны отдыха. Они также хорошо выглядят на подъездной аллее.
- Фонари для бассейна или фонтана. Обычно освещение для бассейна устанавливается в его стены или торцевые части. Для фонтанов подсветка как правило устанавливается в дно. Наиболее популярны цветные решения в данной категории.

Декоративное освещение для сада
Тщательно подобранная техника освещения подчеркнет уникальные черты сада и создаст неповторимую атмосферу на участке.
- Точечная подсветка – самая распространенная и крайне удобная форма ландшафтного освещения. Для создания необходимо установить точечный светильник на солнечных батарейках в основание того предмета, который будет освещен. С помощью расстояния, на котором расположен фонарь, и угла подаваемого света, можно варьировать эффекты иллюминации. Для некоторых предметов требуется несколько источников освещения, например, для достаточной подсветки дерева требуется 2-3 точечных светильника.

- Создание силуэта. Источник света располагают позади освещаемого предмета, направляя свет от него, таким образом, создается светлый задний фон. данный способ подсветки подчеркнет текстуру и необычный рисунок дерева или кустарника.
- Тени. Техника схожа с предыдущей, источник света располагается таким образом, чтобы тень от освещаемого предмета отбрасывалась на прилегающую стену. Задача данного вида освещения получить мягкую тень, особенно эффектно смотрится с деревьями при небольшом ветре.

- Освещение стен. При подобном освещении создается эффект свечения, как будто исходящий из самого дома. Для еще более драматического эффекта, светильник на солнечных батарейках можно немного отодвинуть от здания и направить свет чуть в сторону. В отличие от точечной подсветки, данный тип освещения выполняется с помощью прожектора низкой мощности с широким углом.
- Нижняя подсветка предлагает больший контраст по сравнению с предыдущим способом. Она подчеркнет архитектуру здания. Для ее создания устанавливаются точечные светильники вплотную к дому.
- Лунный свет. Техника, имитирующая лунный свет, достигается с помощью установки фонаря над деревом, так чтобы свет от него, падая через листву, создавал причудливые тени и мягкое свечение.
- Верхняя подсветка – подобна имитации лунного света, но ярче. Источник света устанавливается наверху. В зависимости от того, что будет освещаться, выбирается интенсивность светового потока. Для сада или дома она больше, для тропинок или дорожек меньше.

- Акценты. Любое освещение, которое привлекает внимание к определенной черте или детали ландшафта считается акцентом. Особенно хорошо с этой задачей справляются верхняя и нижняя подсветки. Для создания эффекта таинственности можно установить точечный светильник чуть в стороне, спрятав его в траве или клумбе и направить на какую-либо деталь ландшафта.
- Подсветка дорожек организуется установкой небольших светильников на солнечных батарейках вдоль границ пешеходных дорожек, подъездных путей и внутренних двориков. Важно учитывать их расположение, они должны хорошо освещать путь, но при этом быть размещены таким образом, чтобы их не задеть при ходьбе, или при работе с садовыми инструментами (например, с газонокосилкой).
Прежде чем купить освещение для сада, надо хорошо изучить рынок предлагаемого для этих целей оборудования. Вложив на начальном этапе деньги в экономичные светильники на солнечных батарейках, в дальнейшем они будут радовать глаз, не требуя оплаты за электроэнергию.
Освещение в саду фото



strport.ru
