Схема блока питания для светодиодной ленты своими руками схема – Блок питания для светодиодной ленты своими руками
О ремонте блоков питания для светодиодных лент
В последние годы в нашу жизнь плотно вошли светодиодные ленты. Нет, они существуют уже давно, просто цены на них стали доступными. Я даже не могу представить — в каких циклопических количествах китайцы выпускают светодиоды если им хватает завалить этими самими лентами весь мир, притом что на одном погонном метре ленты 60-120 светодиодов. Например, я участвовал в создании рекламных вывесок на которые шли сотни метров лент, причем это были вывески небольшие. Думаю, количество производимых светодиодов исчисляется миллиардами в год. Ленты используют в рекламе, для подсветки зданий, элементов оформления зданий, используют в интерьере, в оформлении квартир, в общем используют где только можно. Питаются ленты от источника напряжения +12 вольт. Эти самые источники также выпускает Китайская Народная республика и также в не менее циклопических количествах. В общем, качество изготовление весьма высокое, но всё же блоки иногда ломаются. Могу сказать, что примерно 70% поломок – вина людей. То есть неправильно нагружают (подключают ленты больше чем положено по номиналу блока) или же эксплуатируют блоки, что предназначены для использования только в помещениях, на улице. Туда попадает влага, а влага и электроника – вещи никак не совместимые. Электроника любит сухой холодный воздух. Тем не менее, блоки эти можно ремонтировать. И даже нужно. Нет, если вы вскрыли блок и увидели что в плате прогорела дыра, куча деталей просто разорвана на куски, то лучше не рыпаться, а купить новый блок.
![]() |
А если он с виду как новый, да и внутри как новый, но не работает? Зачем выбрасывать? Ведь может там вылетело сопротивление стоимостью в 5 центов, а вы выбросите блок стоимостью в 30 долларов и купите новый, который также вылетит (по другой причине) через неделю. Поскольку через меня этих блоков прошло великое множество, я хочу дать общие рекомендации по их ремонту. Кстати, схемы там почти во всех случаях одинаковы. Полумост + ШИМ-модулятор на легендарной TL494 или ее аналогах. Чем так легендарна TL494? А тем, что это волшебное творение фирмы «Тексас Инструментс» работает почти во всех блоках питания компьютеров начиная с 90-х годов. Почти со 100% вероятностью у вас дома есть такая микросхема в составе того или иного устройства. Кстати, если кто-то ремонтировал компьютерные блоки, то сразу узнает в рассматриваемом блоке по сути упрощенную модель того, что стоит в компьютере. Я срисовал схему с наиболее типового блока и привожу ее тут. Для просмотра в полном разрешении жмите сюда. Если кто-то заметит ошибки — пишите, но я вроде проверял несколько раз, так как в общем для себя это делал.
![]() |
А вот как это всё выглядит на самом блоке.
![]() |
Итак:
- Вы включаете блок, он не издает никаких звуков, но и не работает. Зеленый светодиод не светится, на выходе — 0 вольт.
Выключаем питание 220 вольт. Вскрываем блок. Смотрим на плату. Всё с виду чисто (детали без трещин, конденсаторы не вздуты, запаха гари нет) и самое главное – предохранитель – целый. Подаем питание и проверяем наличие выпрямленного напряжения на двух «толстых» электролитах (по схеме С22, С23). То есть вольтметр должен показывать между точками ОV и 310V примерно 310 вольт, хотя это зависит от сетевого напряжения и может быть 290-315 вольт. Если оно есть, считаем что вся часть схемы обведенная синим – исправна.
- Выключаем напряжение питания. С внешнего блока питания подаем на вывод 12 микросхемы TL494 +12 вольт относительно вывода 7. Тогда, осциллограф должен показывать красивую пилу на выводе 5. Значит задающий генератор тоже исправен. Смотрим что у нас на выходах 8 и 11. Если есть импульсы — хорошо. А если нет, то тогда TL494 нужно проверить более обстоятельно. Как именно – речь пойдет чуть ниже.
- При подаче напряжения питания блок издает прерывистый свист.
Это значит, что ШИМ-генератор запускается, но не входит в нормальный режим (его частота работы примерно 50 кГц, ее наше ухо не слышит). Часто это бывает вследствие замыкания вторичных цепей, то есть пробоя конденсаторов C30 – C33, хотя сборку из двух диодов Шоттки D33 тоже не мешает проверить. То есть, по сути, срабатывает защита которая «глушит» генерацию. Кстати, индикаторный светодиод VL1 может при этом слабо светиться или мигать.
- При подаче напряжения питания блок «стрекочет».
А вот это происходит как раз потому, что ШИМ-модулятор не запускается. Почему? Возможно дело в цепях питания TL494, а возможно и самой микросхеме.
Как полностью проверить TL494 ?
1.Подаем с блока питания напряжение 12-15 вольт (+) на вывод 12 и (–) на вывод 7. В дальнейшем все напряжения будут указываться относительно вывода 7.
2. После подачи напряжения питания микросхемы, смотрим напряжение на выходе 14 микросхемы. Оно должно быть +5В(+/-5%) и оставаться стабильным при изменении напряжения на 12-ом выводе от +9В до +15В. Если этого не происходит, значит вышел из строя внутренний стабилизатор напряжения. Микросхему нужно менять.
3. Осциллографом наблюдаем наличие пилообразного напряжения на выводе 5. Если оно отсутствует или имеет искаженную форму, необходимо проверить исправность времязадающих элементов C35 и R39 подключаемых к 5-му и 6-му выводам, если эти элементы исправны, то неисправен встроенный генератор. Микросхему нужно менять.
4. Проверяем наличие прямоугольных импульсов на выводах 8 и 11. Они в общем могут не появиться, так как генерация их разрешена только при наличии определенного соотношения напряжений на выводах 1-2 и 15-16 микросхемы TL494. А они зависят от того как реализованы обратные связи. Попробуйте выключить а потом включить блок питания, вынув и засунув его обратно в 220 вольт. На какие-то доли секунды вы увидите прямоугольные импульсы на выводах 8 и 11. Если такое есть, можно считать что микросхема работает.
5. Соединив проводником 4-й вывод с 7-м, мы должны увидеть, что ширина импульсов на 8-м и 11-м выводах увеличилась; соединив 4-й вывод с 14-м импульсы должны исчезнуть, если этого не наблюдается, то надо менять ИС.
6. Снизив напряжение внешнего источника до 5В, мы должны увидеть, что импульсы исчезли (это говорит, что сработало реле напряжения DA6), а подняв напряжение до +9В…+15В импульсы должны снова появиться, если этого не произошло и импульсы (которые могут быть произвольными) присутствуют на 8 и 11, то значит в ИС неисправно реле напряжения и необходима замена микросхемы.
Если предохранитель перегорел…
Не спешите его менять. Вместо него включите обычную лампу накаливания в 60 – 100 ватт. Подайте на блок 220 вольт. Если лампа вспыхнет и тут же погаснет, значит цепи выпрямления и сетевого фильтра – можно считать исправными, а ключевые транзисторы – не пробитыми. Во всяком случае, если эти транзисторы – биполярные (полевых я в таких блоках никогда не видел, хотя допускаю что они где-то и могут быть). Тогда нужно повторить пункт 2 — проверить микросхему и усилительные ключи T12-T13. Если всё нормально – можно вставить предохранитель и включить питание – бывают что предохранители перегорают по непонятным причинам.Если же лампа горит своим обычным светом, то нужно проверить всё, через что проходит сетевое напряжение 220 и выпрямленное 310 вольт. То есть элементы входного фильтра, диодный мост, конденсаторы (электролиты) фильтра ну и конечно транзисторы и всё что вокруг них. Кстати, именно с транзисторов я обычно начинаю. Хотя вздутый или разорванный электролит тоже как бы намекает!
Если вы заменили ключевые транзисторы и ваш блок как бы работает (держит стабильное напряжение на номинальной нагрузке) проверьте форму импульсов на базах. Они должны иметь максимально крутые фронты. Помните: малейший наклон фронта и ваш транзистор будет греться! В норме должно выглядеть примерно так.
![]() |
А вообще, если совсем кратко, то самые слабые места данных блоков – это:
- Мощные ключевые транзисторы и детали в их обвязке.
- Конденсаторы фильтра 310 вольт (высыхают, взрываются) и те, что стоят на выходе 12 вольт (С30-С33) — обычно просто протекают и вздуваются). Кстати! Проверяйте равность напряжения на этих конденсаторах при номинальной нагрузке. Должно быть примерно по 150 вольт.
- Микросхема TL494. Она может называться по-разному: МВ3759, mPC494C, IR3M02, М1114ЕУ, DBL494, KA7500.4. Никогда не замечал чтобы вылетали резисторы вокруг TL494. Да и конденсаторы тоже.
Несколько фотографий.
Этот блок довольно необычный. Видно, что в нем чрезвычайно мало деталей. Но всё дело в микросхеме — в ней же встроен и силовой транзистор. Однако название её я так и не прочел. Каким-то невероятным образом там вышел из строя дроссель (нагревался пока под ним не обуглилась плата) и, что вполне типично, один конденсатор выходного фильтра (самый левый, видно что он надулся). В плате пришлось вырезать дырку, вставить кое-как дроссель с платы не подлежащей ремонту, ну и заметить конденсатор. Всё тут же заработало.
![]() |
А вот тут просто порвало электролит. Заменил. Всё заработало.
|
А вот тут уже всё подготовлено под замену микросхемы. Я их на панельки всегда ставлю.
![]() |
11.08.2013
www.budyon.org
Самодельный блок питания 12 24 вольт схема. Блок питания для светодиодной ленты своими руками
Лента со светодиодами – светотехническое приспособление, предназначенное для подсветки-декора в доме, кафе, на рекламных щитах. LED-устройство сделано из пластика, на который прикрепляют светодиоды. Напряжение блоков питания для светодиодной ленты составляет 12В или 24В. Иногда используют трансформатор, предназначенный для компьютера. БП производят со встроенной защитой-автоматом, которая спасает от перегрузки сети и короткого замыкания.
Виды блоков питания
Источник, который позволяет отрегулировать сетевое напряжение для подсветки светодиодами, подразделяют на несколько типов:
- Компактный БП. Это устройство имеет маленькие размеры, немного весит, поэтому зачастую его используют для декора в жилых помещениях. Производится в водонепроницаемом корпусе. Основным минусом компактного трансформатора является невысокая мощность.
- Блок в герметичной коробке из алюминия. Представляет собой крупногабаритное устройство с большой массой. Его мощность может составлять больше 100 Ватт. Учитывая размеры БП, его часто применяют для декора на улице (устойчив к воздействию влаги, температурных перепадов).
- Открытый проводник. Может иметь разную мощность. Этот трансформатор выигрывает низкой стоимостью. Минусы: БП открытого типа очень громоздкий, тяжелый.
Блоки питания для светодиодной ленты бывают трансформаторными и импульсными:
- Трансформаторный БП снижает напряжение до 12 В со стандартных 220 В. При помощи специального фильтра осуществляется сглаживание пульсирующего напряжения. Главным преимуществом этого трансформатора считаются его элементарная конструкция и развязка от электрической сети переменного тока. Минусы: крупный размер, не справляется с перепадами напряжения.
- Импульсный блок тоже работает на трансформаторе. Отличается тем, что функционирует на высокой частоте, характеризуется небольшими габаритами и массой. БП этого типа подключается к электросети 220 Вольт, как и трансформаторное устройство. Недостатки: очень плохо переносит работу «вхолостую», перегрузы. Плюс его схема тяжело поддается ремонту.
Как подобрать блок питания для светодиодной ленты
Если для конструкции со светодиодами выбрать неправильный трансформатор, то это может привести к повреждению светотехники и даже стать причиной пожара. Зачастую можно отыскать котроллеры, производящие стабильные показатели напряжения, которые нельзя изменить. Это не влияет на параметры яркости светодиодов, а напротив, делает проще работу проводника. Мини-трансформатор должен быть настроен на показатели выбранной светодиодной ленты – во избежание проблем с напряжением.
Очень важно приобрести или сделать самостоятельно такой проводник, который будет совпадать со всеми условиями определенной схемы и грамотно использоваться. Как выбрать блок питания для светодиодной ленты? Для грамотного выбора нужно рассчитать:
- рабочее напряжение;
- входящую и выдаваемую мощность.
Как рассчитать мощность
При расчете мощности необходимо учитывать длину светодиодного устройства. Для выбора устройства с нужными показателями нужна информация о потреблении одного метра ленты. Рассмотрим на примере, как выполнить расчет мощности блока питания. Вы выбрали источник освещения типа SMD 5050 с 30 диодами, его длина составляет 5 м. Расчет:
- Показатели мощности для одного метра ленты умножаются на длину светотехники (5х7,2 = 36).
- Получается, что 5 метров будут «съедать» 36 Ватт.
- Следует помнить о том, что мощность трансформатора нужно выбирать с запасом. В приведенном примере лучше купить БП на 40 Ватт.
Как подключить
Подключить блок просто. Если декоративная подсветка будет устанавливаться в процессе возведения здания, то лучше подвести электропроводку максимально близко к месту, где будет размещена лента. Установите там розетку. Когда такая возможность отсутствует, стоит заранее приобрести кабель необходимой длины. БП должен быть оборудован штепселем, который будет подключаться к сети (если такого нет, то его изготавливают собственноручно).
Схема монтажа

Этапы подсоединения:
- Берем кабель нужной длины. Жила сечения – минимум 1,5 мм.
- С одной стороны кабеля устанавливаются провода, которые зачищают от изоляции на 3 мм, с другой – вилка для включения в электросеть.
- Провод коричневого цвета подключается к фазе (гнездо L), синий – к нулю (гнездо N).
- Концы кабеля надо закрепить при помощи винтов.
- Подключают проводник. Если планируется подсоединение нескольких лент сразу, то у него должна быть хорошая мощность.
Как сделать блок питания 12 вольт своими руками

Любой желающий самостоятельно сделает проводник, который пригодится для работы устройства со светодиодами. Чтобы сконструировать БП на 20 звеньев понадобятся:
- Блок на 12 Вольт, способный передавать электрический ток на 1 Ампер.
- Микросхема 7812 для радиатора.
- Диодный мост с наличием конденсатора.
- Подготовленные устройства соединяют по классической схеме. Осталось только подключить самодельный проводник. Детали БП при желании помещают в корпус от стандартного маленького трансформатора.
Видео: подключение светодиодной ленты к блокам питания
Подсоединить БП может каждый желающий. Главное – точно придерживаться инструкции. Благодаря видеоролику вы поймете, как правильно запитать светотехнику, какие действия выполняют для корректной и безопасной работы освещения. На видео подробно показан процесс подключения блока для светодиодной ленты. Видеоинструкция доступно разъяснит особенности каждого этапа работ.
Современная электроника часто комплектуется внешними источниками питания на 5В, 12В, 19В. После того как прибор выходит из строя, они часто валяются в кладовке или тумбочке.
- 5V — это напряжение зарядных устройств для телефонов и USB;
- 12V — используется в компьютерах, некоторых планшетах, ТВ, сетевых маршрутизаторах.
- 19V — в ноутбуках, мониторах, моноблоках.
Мы будем рассматривать, каким образом можно адаптировать любой . Будут только простые и бюджетные варианты доступные каждому. Зарядники на 5В не подходят. Но из таких зарядников я делаю ночники, на корпус приклеивается от 3 или 6 диодов. Ночью светит не ярко, в самый раз.
Источники питания на 12V
Источники питания на 12В от электроники обычно бывают от 6 до 36 Ватт. 10 Ватт хватает для подсветки рабочей поверхности . Такие блоки делятся на 2 основных вида:
- старые на трансформаторах, отличаются большим весом;
- современные импульсные, еще называют электронный трансформатор, отличаются малым весом и большой мощностью при малых габаритах.
Использовать на трансформаторах не рекомендую. При я сперва подключил трансформаторный БП от роутера, мощность которого была в 2 раза больше мощности ленты. Сам выпрямитель стал сильно греться. Поставил диодный мост выпрямителя на самодельный радиатор для охлаждения, все равно греется сильно, долго он так не протянет. Времени не было разбираться в тонкостях, поэтому спросил у специалиста. Он кое-как нашел причину, светодиоды имеют особенную вольт-амперную характеристику (сокращенно ВАХ), что приводит к сильному нагреву. Он подарил мне от телевизора на 12В и 2 Ампера, то есть мощность равна 24W. Теперь все работает без проблем и не греется.
БП на 19V
БП ноутбучного типа на 19В, 90W
Напряжение в 19В широко используется в настольной компьютерной технике, чаще всего в ноутбуках, моноблоках, мониторах, сканерах. В эту категорию можно отнести БП от принтеров, они мощные, бывает 16В, 20В, 24В, 32В.
У меня давно валяется отличный на 90W и 19V от ноутбука Asus. Такой мощности хватит, чтобы запитать светодиодную ленту на 6000 Люмен, а этого хватит, чтобы сделать диодное освещение комнаты 20 квадратов. Но БП не 12 вольт, и потребуется доработка. Внутрь корпуса мы не полезем, перепаивать схему под 12 вольт сложно, долго и надо быть электронщиком. Сделаем проще, подключим небольшой понижатель со стабилизатором. Существует два типа.
Тип №1
Стабилизатор на 7812
Стабилизатор на микросхеме типа КРЕН 7812 (), выглядит почти как транзистор, при установке на радиатор охлаждения выдерживает ток 1 Ампер. Этот вариант устаревший и громоздкий. Для использования всей мощности ноутбучного БП потребуется 5-6 таких (или 1 большая) и большой алюминиевый радиатор для охлаждения.
Тип №2
Современный импульсный стабилизатор, миниатюрен, не греется, простой как 3 рубля. В русских магазинах за него просят 600-900 р, цена сильно завышенная. У китайцев на 3 ампера стоит 50 р., 5-7А продается за 100-150 р., поэтому рекомендую заказать пару штук на Aliexpress.
Рекомендую использовать импульсный, КПД у него выше 80-90%, проще и дешевле. Только не покупайте источник тока на LM2596, вам нужен источник напряжения. Чтобы найти в китайском интерне-магазине используйте запросы:
- LM2596 power supply;
- 12v switching regulator;
- voltage regulator 12v 7a;
Характеристики импульсных стабилизаторов
Специалист на видео инструкции расскажет основные технические характеристики современных импульсных стабилизаторов, схемотехнику и рекомендации по их правильному использованию. Чтобы вы своими руками не спалили его во время экспериментов.
Простые схемы своими руками
Если вышеописанные БП вам не подходят, то блок питания для светодиодной ленты 12в можно спаять по схеме своими руками. Для самодельного потребуется много времени и немало деталей, не буду рассматривать полные схемы для подключения к сети 220B. при современном развитии электроники их проще купить у китайцев. Есть схемы для сборки своими руками еще на TL594 и других новых элементах. Но мне больше нравится описанный ниже, легко повторяется за 10 минут.
Рассмотрим оптимальный и современный на LM2596. Потребуется установить всего 4 радиоэлемента. Аналоги, схожие по функционалу, это ST1S10, L5973D, ST1S14.
Существует несколько модификаций микросхемы:
- фиксированное 12 V, LM2596-12, указано в конце маркировки;
- регулируемый вариант LM2596ADJ;
- цена в России одной 170 р.. В Китае весь собранный блок на LM2596 стоит 35р. включая доставку.
Характеристики
Видео, как доработать своими руками
Коллега подобно расскажет, как подключить и настроить стабилизатор к блоку питания от ноутбука на 19V.
Готовые модули из Китая
Вариант с регулятором на выходе от 3 до 37В
В первой схеме будем использовать LM2596ADJ с регулируемым вольтажом на выходе. Выпускаться она может в разных корпусах, но самый оптимальный как на картинке. Плюсом такой конструкции будет возможность регулировать яркость led ленты без диммера.
Схема с фиксированным 12B
Стабилизатор на микросхеме LM2596-12, отсутствует переменный резистор для регулировки, на выходе ровно 12B. Схема проще на одну детальку.
Питание и драйвер в одном модуле
Универсальный вариант, регулируется сила тока и напряжение. Можно запитать не только диодную ленту, но и светодиоды. то есть может выступать в качестве драйвера и электронного трансформатора.
На видео ролике вам покажут как пользоваться и настраивать самостоятельно универсальный вариант модуля с драйвером, регулируемой силой тока.
Где купить дешево?

Бывает, что у вас дома не оказалось БП подходящего от бытовых приборов, но точно есть у других, тоже валяется без дела. Сперва спросите у знакомых или соседей, наверняка что то есть. За пару сотен или жидкую валюту вы можете сними договорится.
Большой ассортимент вы найдете на Авито и на местных форумах. Многие избавляются от ненужного хлама и продают БП за символическую цену, потому что выбрасывать жалко, а реальную стоимость не знают. Таким образом, я часто покупаю хорошие приборы, тем более торг никто не отменял. Недавно мне удалось купить фирменный ACER от моноблока на 190W за 400 р. Он герметичен и высокого качества, так как компьютерная электроника требует очень стабильного и качественного питания в отличие от диодной ленты.
Если вам нужен источник постоянного питания с напряжением 12 вольт, а его нет под рукой, то его можно и купить. Если брать дешёвый блок питания, то его качество будет оставлять желать лучшего. Обычно такие недорогие БП хороши только с виду. Когда их открываешь, то оказывается, что его характеристики (указанные на корпусе) по току завышены. В реальности он не способен обеспечить в полной мере ту мощность, что заявлена производителем (как правило). Можно купить и более дорогостоящий блок питания на 12 вольт, но собрать своими руками по частям выйдет гораздо дешевле, а по качеству ничуть не хуже.
Итак, как сделать хороший и простой блок питания на 12 вольт своими руками, что для этого нам понадобится? Нужен понижающий силовой трансформатор, выпрямительный диодный мост и фильтрующий конденсатор электролит. Трансформатор будет понижать сетевое напряжение (220 В) до нужного, а именно до 10 вольт. Почему до 10, а не 12. Потому, что есть такой эффект — переменное напряжение после диодного моста (имеющего конденсатор достаточной емкости) станет процентов примерно на 18 больше, чем без конденсатора. Это стоит учитывать при сборке любого блока питания.
Трансформатор нужен той мощности, которая вам нужна. То есть, изначально вы должны знать, какой именно максимальный ток должен выдавать данный блок питания. Зная ток и выходное напряжение можно найти электрическую мощность. Нужно просто ток (к примеру 3 ампера) перемножить на напряжение выхода (в нашем случае это 12 вольт). Стоит ещё добавить небольшой запас по мощности процентов 25. В итоге получим, что нужен трансформатор мощностью около 50 Вт.
С размерами (мощностью) трансформатора определились. Исходя из этого вторичная обмотка транса должна иметь нужное сечение, чтобы обеспечить нужную силу тока. Для 3 ампер (максимальное значение) на выходе нашего самодельного блока питания сечение вторичной обмотки трансформатора должно быть около 1,3 мм. Если на магнитопроводе достаточно места, то можно намотать провод большего диаметра (это только увеличит максимальную силу тока источника питания).
Итак, наш трансформатор на выходе вторичной обмотки будет выдавать переменное напряжение величиной 10 вольт. Это напряжение имеет форму синусоиды, которая меняет свои полюса с частотой 50 герц. Нам же нужен постоянный ток, который не имел этого периодического изменения полюсов. Для этого используется выпрямительный диодный мост. Его задача сводится к тому, что он все полупериоды делает однополюсными, хотя и скачкообразными (плавно возрастающими и убывающими). Диодный мост можно купить готовым, хотя его можно спаять и самому из 4х одинаковых диодов, которые должны быть также рассчитаны на нужный выходной ток. Для нашего самодельного блока питания с 3 амперами нужно взять диоды, рассчитанные на ток в 6 А (берём с учётом запаса).
Поскольку после диодов напряжение имеет скачкообразный вид, его нужно отфильтровать. Это делается обычным электролитическим конденсатором, соответствующей емкости. Значит достаем еще и конденсатор, рассчитанный на напряжение 25 вольт, с емкостью 2200 мкф (чем больше, тем лучше фильтрация, но при этом и размеры конденсатора будут увеличиваться). Вот и всё, теперь эти элементы нужно просто спаять между собой (трансформатор, выпрямительный диодный мост и конденсатор электролит).
skupaem-auto.ru
Блок питания для светодиодов схема
ДРАЙВЕР ДЛЯ МОЩНЫХ СВЕТОДИОДНЫХ МАТРИЦ 10 — 100 W С НАПРЯЖЕНИЕМ ПИТАНИЯ 32 -34 V
В последнее время мощные сверхяркие светодиоды в качестве источников света всё больше завоевывают рынок, вытесняя лампы накаливания и энергосберегающие люминесцентные лампы, Тому есть несколько причин: малое энергопотребление, большой срок службы, небольшие габариты, безопасность, удобство монтажа. Мощные светодиоды выпускаются как с одиночным кристаллом, так и с несколькими, расположенными на одной подложке. Из-за нелинейной вольтамперной характеристики питание светодиодов осуществляется только стабильным током, величиной, определяемой паспортными данными прибора. Устройство, обеспечивающее стабильный ток питания нагрузки, обычно называют драйвером. Основные требования к драйверу: высокий коэффициент полезного действия, надёжность, стабильность выходного тока независимо от напряжения питания. Чаще всего схемотехника драйверов основана на использовании импульсных схем с использованием накопительного дросселя, ключевого элемента и схемы управления ключевым элементом, работающим на частоте 30 -100 кГц. Если рабочее напряжение светодиода ниже напряжения источника питания, в схеме драйвера светодиод подключается последовательно с дросселем и ключевым элементом (наиболее распространённая ситуация), а если на светодиод требуется подать напряжение выше, чем у источника питания — используется схема с накопительным дросселем, ток через который прерывается с высокой скоростью, что вызывает появление всплесков напряжени я в десятки раз выше питающего. Повышенное напряжение подаётся на светодиод, ток в цепи которого контролируется и используется для регулирования выходного напряжения. Драйверы для питания низковольтных светодиодов от источников напряжения 90 — 240 В широко распространены и доступны, схемотехника достаточно освещена в различных публикациях, в драйверах часто используются специализированные микросхемы, обеспечивающие минимальное количество внешних элементов. В случае, когда несколько последовательно соединённых светодиодов или многокристальная светодиодная матрица подключается к источнику с меньшим напряжением схема незначительно изменяется. На рисунке показана схема такого драйвера для светодиодной матрицы с напряжением около 32В и рабочим током 350 мА.
Основными элементами в схеме являются: накопительный дроссель L1. ключевой транзистор VT1 и микросхема задающего генератора DA1. Микросхема обеспечивает импульсы с короткими фронтами для управления транзистором VT1. что позволяет получить на стоке транзистора всплески напряжения до 50В (зависит от параметров дросселя, транзистора и крутизны фронтов управления). Ток на сборку светодиодов поступает через токоизмерительный резистор R7. При достижении тока 0,35А напряжение на R7 составляет 0,7В, транзистор VT2 открывается и обеспечивает прерывание импульсов запуска. При снижении тока импульсы запуска транзистора VT1 появляются вновь, обеспечивая стабилизацию тока на нагрузке. Резисторы R3, R4 служат для ограничения выходного напряжения на выходе при отключении нагрузки, предотвращая выход из строя электронных компонентов.
В схеме можно использовать подходящие дроссели, намотанные проводом 0,3. 1,0 мм на стержневых ферритовых сердечниках (несколько хуже на ферритовых кольцах), имеющие индуктивность 40 — 200 мкГн. Габариты дросселя определяются требуемой мощностью нагрузки. В качестве транзистора VT1 можно использовать n- канальные полевые транзисторы, имеющие небольшую ёмкость затвор-исток, ток стока 5 -30А и максимальное напряжение стока свыше 55В. Конденсаторы С2, С4 должны иметь низкое внутренне сопротивление для обеспечения большого импульсного тока через дроссель L1. желательно использовать танталовые конденсаторы для поверхностного монтажа. Недостаток схемы — сильная зависимость работы схемы от параметров дросселя и полевого транзистора.
У автора возникла необходимость переделать распространённые Китайские светодиодные прожекторы с напряжением питания 90 -240 В на напряжение 12 В. В прожекторах используются светодиодные матрицы 10 — 100 Вт с рабочим напряжение
м 32-34 В (матрица из 9 кристаллов ). Поиски готовых драйверов в торговой сети не привели к успеху — найденное подходило только для низковольтных светодиодов. Из-за большой требуемой мощности и условия некритичности к типу используемых элементов схема драйвера была несколько доработана. В качестве задающего генератора использована распространённая микросхема MC33063AP1. имеющая более чувствительный вход обратной связи по току (1,2 В вместо 2,5 В у предыдущей схемы). Для формирования запускающих импульсов с короткими фронтами для полевого транзистора используется микросхема- драйвер TLP250. часто используемая в различных преобразователях и источниках бесперебойного питания для управления мощными полевыми или IGBT транзисторами. Использование этого драйвера позволило использовать практически любые мощные полевые транзисторы, например IRF8010. что позволяет легко получить мощность на выходе 100 Вт и более.
В качестве дросселя L1 использовались готовые катушки диаметром 15 мм, намотанные на стержневых ферритовых сердечниках от старых мониторов проводом 0,8 — 1,2 мм. Индуктивность катушек должна составлять 40 — 160 мкГн. Чем выше индуктивность, тем ниже может быть рабочая частота задающего генератора. При индуктивности 40 мкГн она должна быть около 100 кГц, а 160 мкГн — 30 кГц. Ток нагрузки определяется сопротивлением резистора R4. На нём всегда падает 1,25 В. Сопротивление этого резистора подсчитывается по формуле: R ( Ом) = 1,25 / I нагрузки (А). Резисторы R2, R3 и стабилитрон VD2 служат для ограничения выходного напряжения на уровне 50В при отключении нагрузки, в противном случае напряжение на выходе может достигнуть 100 В и более.
Схема имеет высокий КПД, достигающий 88%, поэтому нагрев элементов минимальный. Радиатор транзистору VT1 не требуется, достаточно охлаждения на печатную плату (см. снимок и чертёж печатной платы).


Схема может использоваться для питания цепочек светодиодов или светодиодных матриц с рабочим напряжением 15 — 50 В. При иной нагрузке и выходном напряжении необходимо пересчитать сопротивление R4. а также соотношение резисторов R2, R3. Может потребуется замена диода VD1 на более мощный.
Правильно собранная схема начинает работать сразу. Если нет уверенности в исправности элементов или правильности монтажа, вначале вместо светодиодов подключают нагрузочный резистор с таким расчётом, чтобы при нормальном режиме ток через него и напряжение совпадали с рабочими параметрами светодиода. В случае использования 10 W светодиодных матриц с рабочим напряжением 32В и током 0,35 А резистор должен быть сопротивлением примерно 100 Ом и мощностью 10Вт. Плату подключают к блоку питания через ограничительный резистор с сопротивлением 3. 5 Ом. Убедившись, что всё работает нормально и ток потребления не превышает расчётного, резистор отключают.
ПЕРЕДЕЛКА ЛЮМИНИСЦЕНТНОЙ ЛАМПЫ НА СВЕТОДИОДНУЮ
Предлагаю вашему вниманию очередную переделку связанную с применением светодиодов. в данном случае готовой LED ленты. За основу был взят китайский светильник с люминесцентной лампой, точнее его каркас.

Оригинальный светильник имел длину 50 см, лента бралась 1 метр при ширине 8 мм, приклеивалась в два ряда. Лента однокристальная, с напряжением 12 вольт, мощность потребеления 4,8 ватт на метр, 60 светодиодов. Теперь основная задача — чем запитать? В качестве инвертора, то есть блока питания, использован электронный балласт от которого раннее питалась лампа, но немного переделанный.
Схема переделки электронного балласта для питания светодиодов
Суть переделки заключается в том, чтобы из балласта сделать импульсный блок питания для LED ленты. Для этого нужно ВЧ дроссель переделать в понижающий трансформатор и включить согласно схемы. Примерно так это будет выглядеть:

Обмотку дросселя не трогать — она в данном случае будет первичной обмоткой, а вторичку придется намотать самостоятельно. Для этого нужно разобрать сердечник, (нагреваю феном до 300 градусов, пока не размягчится лак, далее просто отсоединяем две половинки).

Количество витков может отличаться, поэтому сверху обмотки не нужно наматывать изолируемый слой, в процессе наладки проще смотать часть витков. Примерный расчет: 2 витка на вольт, смело мотается 26-30 витков, а потом излишек сматывается. Выпрямительный диод и конденсатор берется из дешевой китайской зарядки, устанавливается рядом.

Вот такая относительно не сложная переделка лампы на экономичную и долговечную светодиодную. основная задача выполнена, исключен нагрев, увеличена время службы, снижение энергопотребления. Таким образом можно не только маломощные, но и стандартные потолочные ЛДС модернизировать, естественно с более мощным БП.
Примерный расчёт. смотрим мощность ленты на метр и мощность балласта. Надо чтоб эти два значения примерно совпали. То есть балласт 11-13 Вт на транзисторах 13001 свободно питает 2 метра ленты (9,6вт) без нагрева. Но на всякий случай лучше делать блок питания с запасом.

В результате переделки общее потребление снизилось в два раза по сравнению с люминесцентной лампой, при фактически одинаковой светоотдаче потребление тока 0,02 А, мощность около 4,5 ватта. Автор конструкции — igRoman —
Схемы питания светодиодов
Введение
Использование светодиодов для освещения и индикации #8212 это надежное и экономичное решение. Светодиоды имеют очень высокий КПД. надежны, экономичны. безопасны. долговечны в сравнении с лампами накаливания и люминесцентными лампами. В данной статье рассматриваются способы включения светодиодов. Описываются способы питания светодиода от компьютера .
Что такое светодиод и как он работает
Светодиод #8212 это, во-первых, диод. И точно так же как у обычного диода, у светодиода есть два вывода (контакта питания): анод ( плюс ) и катод ( минус ). Это связано с тем, что светодиод является полупроводником, то есть, проводит электрический ток только в одну сторону (от анода к катоду), и не проводит в обратную (от катода к аноду).
Итак, для того, чтобы светодиод засветился, надо пропускать через него электрический ток в направлении от анода к катоду. Для этого следует подать на его анод положительное. а на катод #8212 отрицательное напряжение.
Тут и начинается самое неприятное. Оказывается, что светодиод нельзя подключать к источнику питания напрямую, поскольку это приводит к немедленному сгоранию светодиода. Причина сего поведения кроется в следующем. Выражаясь простым бытовым языком, светодиод является очень жадной и неразумной личностью: получив неограниченное питание он начинает потреблять такую мощность, которую физически не способен выдержать.
Как мы все уже догадались, для нормальной работы светодиоду нужен строгий ограничитель. Именно с этой целью последовательно со светодиодом устанавливают резистор, который служит надежным ограничителем тока и мощности. Этот резистор называют ограничительным.
Какие бывают светодиоды
Во-первых, светодиоды можно разделить по цветам. красный. желтый, зеленый. голубой. фиолетовый. белый. Большинство современных светодиодов выполнено из бесцветного прозрачного пластика, поэтому невозможно определить цвет светодиода не включив его.
Во-вторых, светодиоды можно разделить по номинальному току потребления. Широко распространены модели с током потребления 10 миллиампер (мА) и 20 мА. Следует помнить, что светодиод не в состоянии контролировать потребляемый ток. Именно поэтому мы вынуждены использовать ограничительные резисторы.
В-третьих, светодиоды можно разделить по такому параметру, как падение напряжения в открытом состоянии при номинальном токе. Несмотря на то, что про этот параметр нередко забывают #8212 его влияние весьма и весьма значительно. Благодаря этому параметру иногда можно избавиться от ограничительного резистора .
Подключаем светодиод к компьютеру
Светодиод(ы) можно подключить к компьютеру разными способами.
Для подключения светодиодов в качестве простого освещения удобно использовать разъемы блока питания, выдающие 5 и 12 вольт. Для подключения светодиодов в качестве светомузыки удобно использовать LPT порт компьютера.
Подключение светодиодов к блоку питания
Блок питания компьютера #8212 это замечательный источник питания для светодиода или линейки из светодиодов, поскольку он вырабатывает стабилизированное напряжение +5 вольт (В) и +12 В.
Итак, разъем имеет четыре контакта, к которым подходят четыре же провода: два из них черные #8212 это «ноль», один красный выдает напряжение +5 вольт, и один желтый выдает +12 вольт.
Рассмотрим схему подключения одного светодиода.
Усилители
Блоки питания
Индикаторы
Микросхемы
Программаторы
Адаптеры
Микшеры
Тестеры
Радиоприемники
Радиомикрофоны
Радиостанции
Переговорные устройства
Металлоискатели
Гирлянды
Омметры
Частотомеры
Осциллографы
Измерительные устройства
Охранные устройства
Сигнализации
Сигнализаторы
Термометры
Терморегуляторы
Регуляторы яркости
Регуляторы напряжения
Регуляторы мощности
Генераторы
Детекторы
Управление освещением
Источники:
sferatd.ru
Блоки питания для светодиодных лент / Сделай сам / Коллективный блог
В последнее время светодиодные ленты получили самое широкое распространение. Они применяются как в быту так и в автотехнике. Поэтому очень актуальным является вопрос выбора блока питания для светодиодных лент. Главная трудность заключается в том, что светодиодные ленты нельзя включить просто в розетку напрямую, так как рабочее напряжение на много ниже 220 Вольт и обычно составляет 12 В. И что бы подключить светодиодную ленту в бытовую сеть необходимо использовать специальные блоки питания, которые понижают напряжение бытовой сети в 220 В до необходимого вам значения.
Так же Вам будет интересно прочитать:
При выборе блока питания для вашей светодиодной ленты, прежде всего необходимо ориентироваться на номинальные данные светодиодной ленты, которую вы планируете подключать. В данном случае нам необходимо обратить внимание на номинальное напряжение и потребляемую мощность. Если номинальное напряжение, обычно 12 В, то номинальная мощность может быть самой разной. Величина потребляемой мощности прямо пропорциональна количеству и мощности светодиодов, расположенных на светодиодной ленте.
В зависимости от этого указывают номинальную мощность одного метра той или иной светодиодной ленты. Таким образом, для того что бы правильно выбрать блок питания вам необходимо, просто, умножить номинальную мощность одного метра светодиодной ленты на общую ее длину. Однако это не всё на что стоит обращать внимание. Если светодиодная лента будет устанавливаться в помещении, с повышенным уровнем влажности, то вам следует обратить особое внимание на то что бы корпуса вашего блока питания должен иметь приемлемую защиту от влаги. Не смотря на то что блоков питания очень много я расскажу о наиболее распространенных и популярных. Один из таких производит компания Brille и он имеет индекс DR-75W.
Основные характеристики этого блока питания:
- — входное напряжение 110-120/220-240 В;
- — выходное напряжение 12 В;
- — степень защиты корпуса от негативного воздействия влаги и посторонних предметов – IP 20;
- — выходная мощность 75 Вт;
- — номинальный вторичный ток 6 А;
- — габаритные размеры 159/98/38 мм.
Основным достоинством данного блока питания является его небольшой размер. Что дайт возможность его монтажа практически где угодно. Подключение блока питания в бытовую сеть более чем простое. Для этого в нём есть специальные клеммы, к которым и нужно подключать соответствующие провода.
Основные достоинства данного блока питания:
- — крепкий корпус из алюминия;
- — небольшие габаритные размеры;
- — возможность работы в нескольких диапазонах напряжений бытовой сети;
- — наличие установленного устройства для защиты от перегрузки и короткого замыкания;
- — простота подключения;
- — гарантийное обслуживание в течении одного года;
- — большой срок службы.
Кроме этого блок питания компании Brille обладает высокой степенью защиты корпуса от влаги и пыли. Это даёт возможность применять данный блок питания в помещениях, с высоким уровнем влажности и вне помещений. Ещё одним очень популярным и распространённым блоком питания является Electronic Light CS 31350M. Его следует применять при использовании одиночного светодиодного светильника или маломощной светодиодной ленты, мощностью до 10 Вт.
Этот блок питания так же имеет небольшие размеры. Основное достоинство данного блока питания является возможность работы в широком диапазоне как входного (от 110 до 240 В), так и выходного напряжений. Диапазон выходного напряжения от 3 до 32 В позволяет подключить данный блок питания для питания различных типов светодиодных осветительных устройств.
| Вложение | Размер |
|---|---|
| 1382335917_5[1].jpg | 16.41 КБ |
| 1382335879_1[1].jpg | 11.59 КБ |
| 1382336355_7[2].jpg | 20.72 КБ |
44kw.com
Зарядное устройство из блока питания светодиодных лент

В качестве зарядного устройства для автомобильного аккумулятора, можно использовать различные схемы и варианты переделок уже готовых блоков питания. Народные умельцы с легкостью переделывают различные блоки питания ATX, ноутбуков или блоки питания телевизоров в неплохие автомобильные зарядки. Сегодня мы опишем способ, как можно сделать зарядное устройство из блока питания светодиодных лент.
Зарядное устройство из блока питания светодиодных лент
Для переделки в зарядное устройство из блока питания светодиодных лент желательно выбирать блок мощностью не менее 100 Вт. В нашем случае под рукой оказался неплохой блок на 120 Вт.
Просто так взять и напрямую подключать клеммы аккумулятора не стоит. Блок питания рассчитан на работу со светодиодными лентами с напряжением в 12 В, а для нормальной зарядки автомобильного аккумулятора нужно его поднять до 14-14,5 В.

Зачастую в подобных блоках питания есть небольшой подстроечный резистор, который находится между клеммами и светодиодом. На нашей плате он обозначен как VR. Им можно откорректировать работу блока и немного поднять выходное напряжение.

Если выходное напряжение достигло, хотя бы 14 В, таким блоком питания уже можно пользоваться как зарядным устройством. Но надо помнить, что блоки почти всегда немного отличаются номиналом используемых деталей и не всегда подстроечным резистором можно дотянуть до 14 В. Наш блок был способен выдать максимальное напряжение лишь в 13,26 В.

Для удобства стоит добавить сюда типовую схему блока питания светодиодных лент, она поможет нам в дальнейшем лучше ориентироваться.

Еще раз напоминаем, что номиналы разных блоков немного отличаются, но сама схема практически неизменна.
Дальнейшая переделка блока может пойти по двум различным путям:
- Замена подстроечного резистора на резистор с чуть большим максимальным сопротивлением;
- Замена резистора R30 на плате (R37 на схеме) резистором с чуть меньшим сопротивлением.
Если под рукой есть другой подстроечный резистор, тогда переделка блока займет не более 10 минут, достаточно его заменить и настроить. В случае с подменой резистора R30 необходимо произвести ряд простых манипуляций, например подобных тем, с помощью которых была произведена переделка блока питания ATX в зарядное устройство.
Об этом читаем ниже:
Подстроечный резистор VR оставляем в максимальном положении.

Выпаиваем R30 с платы блока питания.

Измеряем его сопротивление: оно составило – 5 кОм (для разных блоков питания эти номиналы могут отличаться).

Берем переменный резистор на 10 кОм и настраиваем его на 5 кОм.

Подпаиваем его на место резистора R30.

Вращая ручку, добиваемся показания вольтметра — 14,5 В, (при экспериментах стараемся не подымать напряжения выше 16 В т.к. выходные конденсаторы имеют максимальное рабочее напряжение 16 В).

Выпаиваем наш переменный резистор и измеряем его сопротивление. У нас оно составило — 4,5 кОм.

На место R30 ставим постоянный резистор с таким же номиналом, поскольку 4,5 кОм подобрать не получилось, решено было поставить резистор на 4,6 кОм.

Как видим, из за того, что мы впаяли R30 на 4,6 кОм, а не 4,5 кОм выходное напряжение немного изменилось, стало чуть ниже — 14,0 В, что тоже неплохо и допустимо.

Подстроечным резистором можно будет сбить напряжение до 12 В если будет нужда использовать этот блок по назначению — запитывать светодиодные ленты.

Оставляем 14 В и собираем блок питания, подключаем аккумулятор к выходу БП. Зарядка аккумулятора идет постоянным напряжением, меняется лишь сила тока. Для контроля процесса зарядки можно подключить цифровой вольтамперметр. Ток при зарядке разряженного аккумулятора может достигать 7-8 ампер, со временем заряда он постепенно снижается.

Блок питания вначале процесса зарядки немного греется, т.к. сильно нагружен и у него нет активной системы охлаждения. Если такой блок пытаться установить в самодельный корпус, то необходимо предусмотреть установку дополнительного вентилятора.
Такое зарядное устройство очень боится переполюсовок, для защиты блока на выходе можно использовать вот эту интересную схемку.
Вконтакте
Одноклассники
comments powered by HyperCommentsdiodnik.com
Питание светодиодов, блок питания для светодиодов

Постоянные читатели часто интересуются, как правильно сделать питание для светодиодов, чтобы срок службы был максимален. Особенно это актуально для led неизвестного производства с плохими техническими характеристиками или завышенными.
По внешнему виду и параметрам невозможно определить качество. Частенько приходится рассказывать как рассчитать блок питания для светодиодов, какой лучше купить или сделать своими руками. В основном рекомендую купить готовый, любая схема после сборки требует проверки и настройки.
Содержание
- 1. Основные типы
- 2. Как сделать расчёт
- 3. Калькулятор для расчёта
- 4. Подключение в автомобиле
- 5. Напряжения питания светодиодов
- 6. Подключение от 12В
- 7. Подключение от 1,5В
- 8. Как рассчитать драйвер
- 9. Низковольтное от 9В до 50В
- 10. Встроенный драйвер, хит 2016
- 11. Характеристики
Основные типы

Светодиод – это полупроводниковый электронный элемент, с низким внутренним сопротивлением. Если подать на него стабилизированное напряжение, например 3V, через него пойдёт большой ток, например 4 Ампера, вместо требуемого 1А. Мощность на нём составит 12W, у него сгорят тонкие проводники, которыми подключен кристалл. Проводники отлично видно на цветных и RGB диодах, потому что на них нет жёлтого люминофора.
Если блок питания для светодиодов 12V со стабилизированным напряжением, то для ограничения тока последовательно устанавливают резистор. Недостатком такого подключения будет более высокое потребление энергии, резистор тоже потребляет некоторую энергию. Для светодиодных аккумуляторных фонарей на 1,5В применять такую схему нерационально. Количество вольт на батарейке быстро снижается, соответственно будет падать яркость. И без повышения минимум до 3В диод не заработает.
Этих недостатков лишены специализированные светодиодные драйвера на ШИМ контроллерах. При изменениях напряжения ток остаётся постоянным.
Как сделать расчёт

Чтобы рассчитать блок питания для светодиодов необходимо учитывать 2 основных параметра:
- номинальная потребляемая мощность или желаемая;
- напряжение падения.
Суммарное энергопотреблением подключаемой электрической цепи не должно превышать мощности блока.
Падения напряжения зависит от того, какой свет излучает лед чип. Я рекомендую покупать фирменные LED, типа Bridgelux, разброс параметров у них минимальный. Они гарантированно держат заявленные характеристики и имеют запас по ним. Если покупаете на китайском базаре, типа Aliexpress, то не надейтесь на чудо, в 90% вас обманут и пришлют барахло с параметрами в 2-5 раз хуже. Это многократно проверяли мои коллеги, которые заказывали недорогие LED 5730 иногда по 10 раз. Получали они SMD5730 на 0,1W, вместо 0,5W. Это определяли по вольтамперной-характеристике.
Пример различной яркости кристаллов
К тому же у дешевых разброс параметров очень большой. Что бы это определить в домашних условиях своими руками, подключите их последовательно 5-10 штук. Регулирую количество вольт, добейтесь чтобы они слегка светились. Вы увидите, что часть светит ярче, часть едва заметно. Поэтому некоторые в номинальном рабочем режиме будут греться сильнее, другие меньше. Мощность будет на них разная, поэтому самые нагруженные выйдут из строя раньше остальных.
Калькулятор для расчёта

Для удобства читателей опубликовал онлайн калькулятор для расчёта резистора для светодиодов при подключении к стабильному напряжению.
Калькулятор учитывает 4 параметра:
- количество вольт на выходе;
- снижение напряжения на одном LED;
- номинальный рабочий ток;
- количество LED в цепи.
Подключение в автомобиле
..При заведенном двигателе бывает в среднем 13,5В — 14,5В, при заглушенном12В — 12,5В. Особые требования при включении в автомобильный прикуриватель или бортовую сеть. Кратковременные скачки могут быть до 30В. Если у вас используется токоограничивающее сопротивление, то сила тока возрастает прямо пропорционально повышению напряжению питания светодиодов. По этой причине лучше ставить стабилизатор на микросхеме.
Недостатком использования светодиодных драйверов в авто может быть появление помех на радио в УКВ диапазоне. ШИМ контроллер работает на высоких частотах и будет давать помехи на ваш радиоприёмник. Можно попробовать заменить на другой или линейный типа стабилизатор тока LM317 для светодиодов. Иногда помогает экранирование металлом и размещение подальше от головного устройства авто.
Напряжения питания светодиодов

Из таблиц видно, для маломощных на 1W, 3W этот показатель 2В для красного, желтого цвета, оранжевого. Для белого , синего, зелёного он от 3,2В до 3,4В. Для мощных от 7В до 34В. Эти циферки придется использовать для расчётов.
Таблица для LED на 1W, 3W, 5W


Таблица для мощных светодиодов 10W, 20W, 30W, 50W, 100W

Подключение от 12В

Одно из самых распространенных напряжений это 12 Вольт, они присутствуют в бытовой технике, в автомобиле и автомобильной электронике. Используя 12V можно полноценно подключить 3 лед диода. Примером служит светодиодная лента на 12V, в которой 3 штуки и резистор подключены последовательно.
Пример на диоде 1W, его номинальный ток 300мА.
- Если на одном LED падает 3,2В, то для 3шт получится 9,6В;
- на резисторе будет 12В – 9,6В = 2,4В;
- 2,4 / 0,3 = 8 Ом номинал нужного сопротивления;
- 2,4 * 0,3 = 0,72W будет рассеиваться на резисторе;
- 1W + 1W + 1W + 0,72 = 3,72W полное энергопотребление всей цепи.
Аналогичным образом можно вычислить и для другого количества элементов в цепи.

Подключение от 1,5В

Источник питания для светодиодов может быть и простой пальчиковой батарейкой на 1,5В. Для LED диода требуется обычно минимум 3V, без стабилизатора тут никак не обойтись. Такие специализированные светодиодные драйвера используются в ручных фонариках на Cree Q5 и Cree XML T6. Миниатюрная микросхема повышает количество вольт до 3V и стабилизирует 700мА. Включение от 1.5 вольт при помощи токоограничивающего сопротивления невозможно. Если применить две батареи на 1.5 вольт, соединив их последовательно, получим 3В. Но батарейки достаточно быстро разряжаются, а яркость будет падать еще быстрее. При 2,5В емкости в батареях останется еще много, но диод уже практически потухнет. А светодиодный драйвер будет поддерживать номинальную яркость даже при 1В.
Обычно такие модули заказываю на Aliexpress, у китайцев стоят 50-100руб, в России они дороговаты.
Как рассчитать драйвер

Чтобы рассчитать драйвер питания для светодиодов со стабильным током:
- составьте на бумаге схему подключения;
- если драйвер китайский, то желательно проверить выдержит он заявленную мощность или нет;
- учитывайте, что для разных цветов (синий, красный, зеленый) разное падение вольт;
- суммарная мощность не должна быть выше, чем у источника тока.
Нарисуйте схему включения, на которой распределите элементы, если они подключены не просто последовательно, а комбинировано с параллельным соединением.
На китайском блоке питания неизвестного производителя мощность может быть значительно ниже. Они запросто указывают максимальную пиковую мощность, а не номинальную долговременную. Проверять сложнее, надо предельно нагрузить блок питания и замерить параметры.
Для третьего пункта используйте примерные таблицы для 1W,3W, 5W, 10W, 20W, 30W, 50W, 100W, которые приведены выше. Но больше доверяйте характеристикам, которые вам дал продавец. Для однокристальных бывает 3V, 6V, 12V.

Если энергопотребление цепи в сумме превысит номинальную мощность источника питания, то ток просядет и увеличится нагрев. Он восстановится до нормального уровня, если снизить нагрузку.

Для светодиодных лент сделать расчёт очень просто. Измерьте количество Ватт на 1 метр и умножьте на количество метров. Именно измерьте, в большинстве случаем мощность завышена и вместо 14,4 Вт/м получите 7 Вт/м. Ко мне слишком часто обращаются с такой проблемой разочарованные покупатели.
Низковольтное от 9В до 50В

Кратко расскажу, что использую для включения для блоков на 12В, 19V, 24В и для подключения к автомобильным 12В.
Чаще всего покупаю готовые модули на ШИМ микросхемах:
- бывают повышающие, например, на входе 12V, на выходе 22В;
- понижающие, например из 24В до 17В.
Не всем хочется тратить большую денежку на покупку готового прожектора для авто, светодиодного светильника или заказывать готовый драйвер. Поэтому обращаются ко мне, что бы из подручных комплектующих собрать что-нибудь приличное. Цена таких модулей начинается от 50руб до 300руб за модель на 5А с радиатором. Покупаю заранее по несколько штук, расходятся быстро.
Больше всех популярен вариант на линейной ИМС LM317T LM317, простой, надежный устаревший.

Очень популярны модели на LM2596, но она уже устарела и советую обратить внимание на более современное с хорошим КПД. Такие блоки имеют от 1 до 3 подстроечных сопротивлений, которыми можно настроить любые параметры до 30В и до 5А.


Встроенный драйвер, хит 2016
В начале 2016 года стали набирать популярность светодиодные модули и COB диоды с интегрированным драйвером. Они включаются сразу в сеть 220В, идеальный вариант для сборки светотехники своими руками. Все элементы находятся на одной теплопроводящей пластине. ШИМ контроллеры миниатюрные, благодаря хорошему контакту с системой охлаждения. Тестировать надежность и стабильность еще не приходилось, первые отзывы появятся минимум через полгода использования. Уже заказал самую дешевую и доступную модель COB на 50W. Чтобы найти такие на китайском базаре Алиэкспресс, укажите в поиске «integrated led driver».


Характеристики

Глобальная проблема, это подделка светодиодов Cree и Philips в промышленных масштабах. У китайцев для этого есть целые предприятия, внешне копируют на 95-99%, простому покупателю отличить невозможно. Самое плохое, когда такую подделку вам продают под видом оригинального Cree T6. Вы будете подключать поддельный по техническим спецификациям оригинального. Подделка имеет характеристики в среднем на 30% хуже. Меньше световой поток, ниже максимальная рабочая температура, ниже энергопотребление. Про обман вы узнаете очень не скоро, он проработает примерно в 5-10 раз меньше настоящего, особенно на двойном токе.

Недавно измерял световой поток своих фонариков на левых Cree производства LatticeBright. Доставал всю плату с драйвером и ставил в фотометрический шар. Получилось 180-200 люмен, у оригинала 280-300лм. Без серьезного оборудования, которое преимущественно есть в лабораториях, вы не сможете измерить, соответственно узнать правду.
Иногда попадаются разогнанные диоды, сила тока на которых на 30%-60% выше номинальной, соответственно и мощность. Недобросовестный производитель, особенно подвально-китайский пользуется тем, что срок службы трудно измерить в часах. Ведь никто не засекает отработанное время, а когда светильник или светодиодный прожектор выйдут из строя продавца уже не найти. Да и искать бессмысленно, срок гарантии на такую продукцию дают всегда меньше периода службы.
led-obzor.ru
Источники питания для светодиодных лент | Электирика
» Электирика
Блок питания для светодиодной ленты своими руками
Современная электроника часто комплектуется внешними источниками питания на 5В, 12В, 19В. После того как прибор выходит из строя, они часто валяются в кладовке или тумбочке.
- 5V это напряжение зарядных устройств для телефонов и USB
- 12V используется в компьютерах, некоторых планшетах, ТВ, сетевых маршрутизаторах.
- 19V в ноутбуках, мониторах, моноблоках.
Мы будем рассматривать, каким образом можно адаптировать любой блок питания для светодиодной ленты на 12В. Будут только простые и бюджетные варианты доступные каждому. Зарядники на 5В не подходят. Но из таких зарядников я делаю ночники, на корпус приклеивается от 3 или 6 диодов. Ночью светит не ярко, в самый раз.
Источники питания на 12V
Источники питания на 12В от электроники обычно бывают от 6 до 36 Ватт. 10 Ватт хватает для подсветки рабочей поверхности светодиодной лентой на кухне. Такие блоки делятся на 2 основных вида:
- старые на трансформаторах, отличаются большим весом
- современные импульсные, еще называют электронный трансформатор, отличаются малым весом и большой мощностью при малых габаритах.
Использовать на трансформаторах не рекомендую. При установке светодиодной ленты я сперва подключил трансформаторный БП от роутера, мощность которого была в 2 раза больше мощности ленты. Сам выпрямитель стал сильно греться. Поставил диодный мост выпрямителя на самодельный радиатор для охлаждения, все равно греется сильно, долго он так не протянет. Времени не было разбираться в тонкостях, поэтому спросил у специалиста. Он кое-как нашел причину, светодиоды имеют особенную вольт-амперную характеристику (сокращенно ВАХ), что приводит к сильному нагреву. Он подарил мне от телевизора на 12В и 2 Ампера, то есть мощность равна 24W. Теперь все работает без проблем и не греется.
БП на 19V
Напряжение в 19В широко используется в настольной компьютерной технике, чаще всего в ноутбуках, моноблоках, мониторах, сканерах. В эту категорию можно отнести БП от принтеров, они мощные, бывает 16В, 20В, 24В, 32В.
У меня давно валяется отличный блок питания на 90W и 19V от ноутбука Asus. Такой мощности хватит, чтобы запитать светодиодную ленту на 6000 Люмен, а этого хватит, чтобы сделать диодное освещение комнаты 20 квадратов. Но БП не 12 вольт, и потребуется доработка. Внутрь корпуса мы не полезем, перепаивать схему под 12 вольт сложно, долго и надо быть электронщиком. Сделаем проще, подключим небольшой понижатель со стабилизатором. Существует два типа.
Тип №1
Стабилизатор на микросхеме типа КРЕН 7812 (lm317), выглядит почти как транзистор, при установке на радиатор охлаждения выдерживает ток 1 Ампер. Этот вариант устаревший и громоздкий. Для использования всей мощности ноутбучного БП потребуется 5-6 таких (или 1 большая) и большой алюминиевый радиатор для охлаждения.
Тип №2
Современный импульсный стабилизатор, миниатюрен, не греется, простой как 3 рубля. В русских магазинах за него просят 600-900 р, цена сильно завышенная. У китайцев на 3 ампера стоит 50 р. 5-7А продается за 100-150 р. поэтому рекомендую заказать пару штук на Aliexpress.
Рекомендую использовать импульсный, КПД у него выше 80-90%, проще и дешевле. Только не покупайте источник тока на LM2596, вам нужен источник напряжения. Чтобы найти в китайском интерне-магазине используйте запросы:
- LM2596 power supply
- 12v switching regulator
- voltage regulator 12v 7a
Характеристики импульсных стабилизаторов
Специалист на видео инструкции расскажет основные технические характеристики современных импульсных стабилизаторов, схемотехнику и рекомендации по их правильному использованию. Чтобы вы своими руками не спалили его во время экспериментов.
Простые схемы своими руками
Если вышеописанные БП вам не подходят, то блок питания для светодиодной ленты 12в можно спаять по схеме своими руками. Для самодельного потребуется много времени и немало деталей, не буду рассматривать полные схемы для подключения к сети 220B. при современном развитии электроники их проще купить у китайцев. Есть схемы для сборки своими руками еще на TL594 и других новых элементах. Но мне больше нравится описанный ниже, легко повторяется за 10 минут.
Рассмотрим оптимальный и современный на LM2596. Потребуется установить всего 4 радиоэлемента. Аналоги, схожие по функционалу, это ST1S10, L5973D, ST1S14.
Существует несколько модификаций микросхемы:
- фиксированное 12 V, LM2596-12, указано в конце маркировки
- регулируемый вариант LM2596ADJ
- цена в России одной 170 р. В Китае весь собранный блок на LM2596 стоит 35р. включая доставку.
Характеристики
Источники питания для светодиодных лент и мощных светодиодов.
Название: Источники питания для светодиодных лент и мощных светодиодов
Год издания:
Страниц: 22
Язык: Русский
Формат: pdf
Качество: отличное
Размер: 8,57 Мб
Описание:
Каталог фирмы Arlight по источникам питания для светодиодных лент и мощных светодиодов за год.
Содержание:
Герметичные источники питания AC/DC
Герметичные источники питания в алюминиевом корпусе
Герметичные источники питания в пластиковом корпусе
Источники напряжения в закрытом металлическом кожухе AC/DC
Источники напряжения серий HTSP, DKSP
Источники напряжения серий HTS
Источники напряжения серии DKS
Источники напряжения серии GKS
Малогабаритные источники напряжения в пластиковом корпусе AC/DC
Блок питания для светодиодов. Виды и параметры выбора

В последнее время можно наблюдать стремительное развитие новых источников освещения – светодиодов. По сравнению с обычными источниками света, такими как лампы накаливания или газонаполненные светильники, светодиодные имеют ряд преимуществ. Эти преимущества, в основном, связаны с их экономичностью и надежностью, а подробнее об этом можно прочитать тут .
Для сравнения различных источников света обычно используют энергетические и качественные показатели. В качестве энергетического показателя обычно используется коэффициент светоотдачи, а в качестве качественных показателей – коэффициент цветопередачи, цветовая температура и вид спектра излучаемого света.
Лампы накаливания имеют отличное качество света, но малую светоотдачу, газонаполненные светильники имеют хорошую светоотдачу, но плохое качество света.
Светодиоды же имеют отличные энергетические характеристики и прекрасный коэффициент цветопередачи. Кроме того, являясь твердотельным изделием, светодиод имеет прочную конструкцию и большую надежность. Со сравнительной характеристикой светодиодов и ламп накаливания можно ознакомиться в этой статье .
Для того чтобы светодиодный источник света нормально работал, для него нужен стабильный источник питания.
Содержание статьи:
Основные требования к источнику питания для светодиодов
Основные качества, которым должен отвечать источник питания для светодиодов следующие:
- надежность
- энергоэффективность
- электромагнитная совместимость
- электробезопасность.
Светодиоды являются надежными приборами. Их разработчики заявляют, что срок службы светодиодов не менее 50000 часов. Следовательно, и срок службы блоков питания светодиодов должен быть на соответствующей высоте.
Использование светодиодов связано с внедрением энергосберегающих технологий. Для того чтобы общая эффективность светодиодной системы освещения не снизилась, и источники питания должны иметь достаточно высокий кпд.
В светодиодном светильнике единственным источником электромагнитных помех является блок питания. Поэтому от его характеристик зависит общая электромагнитная совместимость светодиодного светильника.
В светодиодной системе освещения единственным элементом, к которому подводится сетевое напряжение в 220В, является блок питания. Поэтому электробезопасность системы целиком зависит от его конструкции.

Различные блоки питания для светодиодов
Кроме того, поведение блока питания для светодиодных светильников влияет и на их светотехнические характеристики. Эти характеристики зависят, в частности, от того, какой ток будет протекать через светодиод. Если этот ток будет изменяться во времени или пульсировать, то и качество освещения будет невысоким.
Особенности питания светодиода
Особенностью работы светодиода является то, что у него имеется нелинейная зависимость тока от напряжения. При увеличении по какой-либо причине номинального напряжения на светодиоде резко возрастает его ток, что может привести к его выходу из строя.
В связи с этим часто в недорогих светодиодных светильниках последовательно со светодиодом включается ограничивающий резистор, который при скачках напряжения не позволяет увеличиваться току.
Платой за такое ограничение является потеря мощности на резисторе. В результате кпд такого светильника уменьшается.
Блоки питания и драйверы
Блоки питания для светодиодных ламп представляют собой устройство, предназначенное для обеспечения электропитания какого-то электронного устройства. Обычные блоки питания обеспечивают постоянное стабилизированное напряжение на выходе в независимости от скачков входного сетевого напряжения и перепадов тока потребления.
Электропитание светодиодов чаще всего осуществляется с помощью блока, обеспечивающего на выходе постоянный ток. Его называют драйвером. Можно считать, что драйвер – это маркетинговое обозначения источников стабилизированного тока для питания светодиодов. Таким образом, источник постоянного напряжения обозначается как блок питания для светодиодов 12v, а источник стабилизированного тока – драйвер.
Блоки питания
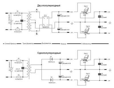
Блоки питания бывают трансформаторные и импульсные.
Основным элементом трансформаторного блока питания является, естественно, трансформатор. Для рассматриваемых потребителей этот трансформатор – понижающий. Он понижает напряжение с сетевого в 220В до требуемого в 12 или 24В. Низкое напряжение подается на выпрямитель. Пульсирующее напряжение подается на фильтр из конденсаторов и дросселя, а затем на схему стабилизации. На выходе блока питания получается постоянное напряжение.
Преимуществом трансформаторного блока питания для светодиодов 12в является его простота, развязка от сети и способность выдерживать режим холостого хода. Недостатками такого блока питания является большой вес трансформатора, малый кпд и чувствительность к перегрузкам.

Схема трансформаторного блока питания
Импульсный блок питания для светодиодов также использует трансформатор. Но благодаря тому, что трансформатор работает на более высоких частотах, его размер и вес в несколько раз меньше обычного трансформатора для сети в 50 Гц. В импульсном блоке питания так же присутствует развязка от сети, и он так же очень чувствителен к перегрузкам. А еще он может выйти из строя и при холостом ходе.
Схема импульсного блока питания
Драйверы
Драйвер – это импульсный источник тока для питания светодиодов. Основным параметром драйвера является стабилизированное значение выходного тока.
Драйверы бывают однокаскадными и двухкаскадными. Наиболее распространенным и надежным является схема двухкаскадного драйвера. Она состоит из двух каскадов. Один из них представляет собой корректор коэффициента мощности, а второй – схему стабилизации выходного тока. Наличие блока корректора обусловлено тем, что драйвер является импульсным устройством, который должен соответствовать требованиям ГОСТ по подавлению гармоник входного тока. Такой двухкаскадный драйвер может обеспечить коэффициент мощности до 0,92 0,96, а пульсацию светового потока до 1%.
Однако двухкаскадная схема драйвера довольно дорога, и поэтому в более простых случаях, например, в ЖКХ, используют однокаскадную схему.
При различных условиях естественного освещения часто требуется регулировка яркости свечения светодиодных светильников. Такая регулировка может осуществляться с помощью диммера, о котором подробнее тут. Димминг может быть аналоговым или цифровым. В первом случае выходной ток драйвера, а, следовательно, и яркость светильников регулируется с помощью управляющего напряжения, а во втором – с помощью широтной модуляции.

Схема подключения драйвера к светодиоду
Сравнение типов питания светодиодов
При питании светодиодов с помощью драйвера они могут работать в полную мощность, поскольку нет необходимости понижать напряжение из-за опасения их выхода из строя.
При питании светодиодов с помощью блока питания для светодиодной панели и светильников часть мощности тратиться при нагревании ограничивающих резисторов.
При питании светодиодов от драйвера срок службы их больше, так как ток в этом случае никогда не превышает допустимый.
Так как драйвер – это специальный прибор, предназначенный для определенного тока и определенной мощности, то для него надо специально подбирать определенное количество светодиодов с определенной мощностью.
Обычные блоки питания можно использовать для различных потребителей, а использование драйверов ограничено определенными приборами – светодиодами.
Более предпочтительно использовать драйверы в следующих случаях:
- используется схема без резисторов, например, на отдельных диодах
- не надо иногда отключать от драйвера часть светодиодов
- светодиоды приобретаются в местах, где возможна квалифицированная помощь по расчету необходимого числа светодиодов и драйвера.
Лучше использовать блоки питания в случаях:
- имеются светодиоды с встроенными резисторами
- имеется блок питания
- нужно иногда отключать часть подключенных светодиодов.
Блоки питания для светодиодных лент
Для подсветки помещений и уличных украшений часто используются светодиодные ленты. Они представляют собой ленту, на которой располагаются светодиоды и ограничивающие токи резисторы.
Для питания таких лент используются импульсные блоки питания с напряжением 12 или 24В. Чтобы подобрать подходящий блок питания надо рассчитать мощность, требуемую для питания ленты заданной ленты. Эту мощность можно рассчитать в соответствии с таблицей, в которой указана мощность светодиодов, размещенных на 1 м ленты данного типа.
Про подключение блока питания светодиодной ленты и его схему можно прочитать тут .
Порядок выбора источника питания для светодиодов
При выборе светодиодной системы необходимо делать комплексный подход к выбору светодиодов и системы питания.
- Необходимо выбрать тип источника питания светодиодов – блок питания или драйвер.
- Необходимо определить мощность источника питания. Для этого необходимо вычислить полную потребляемую мощность цепи, подключаемой к источнику питания. При этом мощность источника питания должна быть равна или больше необходимой мощности потребления.
- Драйверы светодиодов необходимо выбирать так, чтобы они соответствовали номинальным мощностям и токам светодиодов.
- Для осуществления бесперебойного питания светодиодов в различных внешних условиях источники питания должны изготавливаться в корпусах с различной степенью защиты от влаги и тепла. В необходимых случаях источники питания для светодиодов должны иметь определенный класс защиты. Класс защиты определяется 2 цифрами, стоящими после букв IP. Например, IP65 означает защиту от пыли и сильных струй воды.
Понравилась статья? Тогда жмите на кнопки своей любимой социальной сети на панели слева или раскажите друзьям с помощью кнопок снизу:
Источники: http://led-obzor.ru/blok-pitaniya-dlya-svetodiodnoy-lentyi-svoimi-rukami, http://book.tr200.net/v.php?id=2444034, http://indeolight.com/lampy-i-svetilniki/svetodiodnye/blok-pitaniya-dlya-svetodiodov.html
Комментариев пока нет!
restart24.ru






